JP4174533B2 - 射出成形機のエジェクタ制御装置 - Google Patents

射出成形機のエジェクタ制御装置 Download PDF

Info

Publication number
JP4174533B2
JP4174533B2 JP2006182328A JP2006182328A JP4174533B2 JP 4174533 B2 JP4174533 B2 JP 4174533B2 JP 2006182328 A JP2006182328 A JP 2006182328A JP 2006182328 A JP2006182328 A JP 2006182328A JP 4174533 B2 JP4174533 B2 JP 4174533B2
Authority
JP
Japan
Prior art keywords
ejector
order
setting means
injection molding
setting
Prior art date
Legal status (The legal status is an assumption and is not a legal conclusion. Google has not performed a legal analysis and makes no representation as to the accuracy of the status listed.)
Expired - Fee Related
Application number
JP2006182328A
Other languages
English (en)
Other versions
JP2008006785A (ja
Inventor
修 齋藤
広 渡邊
辰宏 内山
Current Assignee (The listed assignees may be inaccurate. Google has not performed a legal analysis and makes no representation or warranty as to the accuracy of the list.)
Fanuc Corp
Original Assignee
Fanuc Corp
Priority date (The priority date is an assumption and is not a legal conclusion. Google has not performed a legal analysis and makes no representation as to the accuracy of the date listed.)
Filing date
Publication date
Application filed by Fanuc Corp filed Critical Fanuc Corp
Priority to JP2006182328A priority Critical patent/JP4174533B2/ja
Priority to EP07108549A priority patent/EP1872926A2/en
Priority to US11/802,222 priority patent/US20080003320A1/en
Priority to CN200710126868A priority patent/CN100584577C/zh
Publication of JP2008006785A publication Critical patent/JP2008006785A/ja
Application granted granted Critical
Publication of JP4174533B2 publication Critical patent/JP4174533B2/ja
Expired - Fee Related legal-status Critical Current
Anticipated expiration legal-status Critical

Links

Images

Classifications

    • BPERFORMING OPERATIONS; TRANSPORTING
    • B29WORKING OF PLASTICS; WORKING OF SUBSTANCES IN A PLASTIC STATE IN GENERAL
    • B29CSHAPING OR JOINING OF PLASTICS; SHAPING OF MATERIAL IN A PLASTIC STATE, NOT OTHERWISE PROVIDED FOR; AFTER-TREATMENT OF THE SHAPED PRODUCTS, e.g. REPAIRING
    • B29C45/00Injection moulding, i.e. forcing the required volume of moulding material through a nozzle into a closed mould; Apparatus therefor
    • B29C45/17Component parts, details or accessories; Auxiliary operations
    • B29C45/40Removing or ejecting moulded articles
    • B29C45/4005Ejector constructions; Ejector operating mechanisms
    • BPERFORMING OPERATIONS; TRANSPORTING
    • B29WORKING OF PLASTICS; WORKING OF SUBSTANCES IN A PLASTIC STATE IN GENERAL
    • B29CSHAPING OR JOINING OF PLASTICS; SHAPING OF MATERIAL IN A PLASTIC STATE, NOT OTHERWISE PROVIDED FOR; AFTER-TREATMENT OF THE SHAPED PRODUCTS, e.g. REPAIRING
    • B29C45/00Injection moulding, i.e. forcing the required volume of moulding material through a nozzle into a closed mould; Apparatus therefor
    • B29C45/17Component parts, details or accessories; Auxiliary operations
    • B29C45/76Measuring, controlling or regulating
    • B29C45/7626Measuring, controlling or regulating the ejection or removal of moulded articles
    • BPERFORMING OPERATIONS; TRANSPORTING
    • B29WORKING OF PLASTICS; WORKING OF SUBSTANCES IN A PLASTIC STATE IN GENERAL
    • B29CSHAPING OR JOINING OF PLASTICS; SHAPING OF MATERIAL IN A PLASTIC STATE, NOT OTHERWISE PROVIDED FOR; AFTER-TREATMENT OF THE SHAPED PRODUCTS, e.g. REPAIRING
    • B29C45/00Injection moulding, i.e. forcing the required volume of moulding material through a nozzle into a closed mould; Apparatus therefor
    • B29C45/17Component parts, details or accessories; Auxiliary operations
    • B29C2045/1784Component parts, details or accessories not otherwise provided for; Auxiliary operations not otherwise provided for
    • B29C2045/1792Machine parts driven by an electric motor, e.g. electric servomotor
    • BPERFORMING OPERATIONS; TRANSPORTING
    • B29WORKING OF PLASTICS; WORKING OF SUBSTANCES IN A PLASTIC STATE IN GENERAL
    • B29CSHAPING OR JOINING OF PLASTICS; SHAPING OF MATERIAL IN A PLASTIC STATE, NOT OTHERWISE PROVIDED FOR; AFTER-TREATMENT OF THE SHAPED PRODUCTS, e.g. REPAIRING
    • B29C45/00Injection moulding, i.e. forcing the required volume of moulding material through a nozzle into a closed mould; Apparatus therefor
    • B29C45/17Component parts, details or accessories; Auxiliary operations
    • B29C45/40Removing or ejecting moulded articles
    • B29C45/4005Ejector constructions; Ejector operating mechanisms
    • B29C2045/4036Ejector constructions; Ejector operating mechanisms driven by a screw and nut mechanism
    • BPERFORMING OPERATIONS; TRANSPORTING
    • B29WORKING OF PLASTICS; WORKING OF SUBSTANCES IN A PLASTIC STATE IN GENERAL
    • B29CSHAPING OR JOINING OF PLASTICS; SHAPING OF MATERIAL IN A PLASTIC STATE, NOT OTHERWISE PROVIDED FOR; AFTER-TREATMENT OF THE SHAPED PRODUCTS, e.g. REPAIRING
    • B29C45/00Injection moulding, i.e. forcing the required volume of moulding material through a nozzle into a closed mould; Apparatus therefor
    • B29C45/17Component parts, details or accessories; Auxiliary operations
    • B29C45/76Measuring, controlling or regulating
    • B29C2045/7606Controlling or regulating the display unit
    • BPERFORMING OPERATIONS; TRANSPORTING
    • B29WORKING OF PLASTICS; WORKING OF SUBSTANCES IN A PLASTIC STATE IN GENERAL
    • B29CSHAPING OR JOINING OF PLASTICS; SHAPING OF MATERIAL IN A PLASTIC STATE, NOT OTHERWISE PROVIDED FOR; AFTER-TREATMENT OF THE SHAPED PRODUCTS, e.g. REPAIRING
    • B29C2945/00Indexing scheme relating to injection moulding, i.e. forcing the required volume of moulding material through a nozzle into a closed mould
    • B29C2945/76Measuring, controlling or regulating
    • B29C2945/76494Controlled parameter
    • B29C2945/76648Sequence, e.g. the order in which operations are conducted
    • BPERFORMING OPERATIONS; TRANSPORTING
    • B29WORKING OF PLASTICS; WORKING OF SUBSTANCES IN A PLASTIC STATE IN GENERAL
    • B29CSHAPING OR JOINING OF PLASTICS; SHAPING OF MATERIAL IN A PLASTIC STATE, NOT OTHERWISE PROVIDED FOR; AFTER-TREATMENT OF THE SHAPED PRODUCTS, e.g. REPAIRING
    • B29C2945/00Indexing scheme relating to injection moulding, i.e. forcing the required volume of moulding material through a nozzle into a closed mould
    • B29C2945/76Measuring, controlling or regulating
    • B29C2945/76822Phase or stage of control
    • B29C2945/76896Ejection

Landscapes

  • Engineering & Computer Science (AREA)
  • Manufacturing & Machinery (AREA)
  • Mechanical Engineering (AREA)
  • Injection Moulding Of Plastics Or The Like (AREA)
  • Moulds For Moulding Plastics Or The Like (AREA)
  • Bending Of Plates, Rods, And Pipes (AREA)

Description

本発明は、射出成形機におけるエジェクタ制御装置に関し、エジェクタの動作パターンの設定を容易にしたエジェクタ制御装置に関する。
射出成形機において、成形した成形品を金型から取り出す際に、エジェクタを動作させて、エジェクタピンを型開きされた金型内に突出させて、成形品を金型から離型させて取り出す方法が実施されている。成形品が金型に吸着していることから、エジェクタピンの1回の突き出し動作では、成形品を取り出すことが難しい場合があり、エジェクタピンを複数回突出させる方法が採用されている。このエジェクタの動作パターンは、成形品の材質や形状等によって、成形品を確実に取り出しができるように、最適な動作パターンを設定するように、各種動作パターンが開発されている。
エジェクタの突き出しピンの突き出しパターンとして、タイマ1に設定された時間だけの突き出しピン前進させ、その後タイマ2に設定された時間だけ前進を停止し、その後、タイマ3に設定された時間だけ前進させ、続いてタイマ4に設定された時間だけ後退させるように、タイマにより動作パターンを設定して動作させるようにしたもの、又、タイマ13、4の代わりに突き出しピンの位置を検出する位置センサを設けて、該位置センサで検出された位置に基づいて同様な突き出し動作パターンを設定し実行させるようにした発明が知られている(特許文献1参照)。
同様に、金型から成形品を突き出す突き出しピンの前進速度、後退速度とその動作時間、又は動作位置をタイマ又は位置で設定することにより突き出し動作パターンを設定するものも知られている(特許文献2参照)。
又、突き出し動作の1回目は、設定された第1の位置まで設定された低速で前進させ、その後、高速で後退させた後、高速で設定された第2の位置まで前進及び後退を設定回数実行する動作パターンを設定して、動作させる発明も知られている(特許文献3参照)。
さらに、エジェクタピンの第1の突出し限と第2の突出し限及び戻りストロークを設定し、第1の突出し限まで突き出して、戻りストロークだけ戻した後、第2の突出し限までの移動と戻りストロークの移動を複数回実行させる動作パターン設定して実行するようにしたもの(特許文献4参照)、エジェクタピンを設定第1の突出完了位置まで突出させた後、その後、設定後退限と設定第2の突出限間を振動させる動作パターンを設定し、実行させるようにした発明(特許文献5参照)も知られている。
さらに、複数のエジェクタ動作パターンを設定記憶させておき、その記憶した動作パターンを選択して実行させるようにした発明も知られている(特許文献6参照)。
なお、エジェクタの動作パターンとは直接関係しないが、射出成形サイクルの型閉じ、射出、保圧、冷却、計量、型開き、エジェクタ等のコンフィギュレーション(構成)を設定できるようにした発明も知られている(特許文献7参照)。
特公平5−34134号公報 特開昭62−197261号公報 特開平1−308613号公報 特開平4−305423号公報 特許第3586483号公報 特開平5−162177号公報 特開平6−210694号公報
成形品を破損させることなく確実に金型から取り出すには、その成形品の形状(金型の形状)、材質等によって、最適な取りだし動作パターンを設定し、実行させる必要がある。そのため、従来は、上述したように様々なエジェクタ動作パターンが提案されている。しかし、成形品の形状や材質に応じて、その都度、動作パターン(エジェクタの位置、動作速度)を設定する必要があり、この設定に手間を要する。上述した特許文献6に記載されたような、複数のエジェクタ動作パターンを記憶しておき、この記憶した動作パターンから選択するようにした方法では、簡単にエジェクタ動作パターンを設定できるが、この予め設定記憶されている動作パターン内に、最適の動作パターンがないときには、新たに動作パターンを最初から1つ1つ設定する必要があり、手間を要する作業となる。
そこで、本発明の目的は、簡単にエジェクタ動作パターンを設定できるエジェクタ制御装置を提供することにある。
本発明は、射出成形機のエジェクタ制御装置であって、エジェクタの移動動作の目標到達位置と該目標到達位置までの移動速度を1工程毎に設定する工程設定手段と、該工程設定手段で設定した複数の工程の動作順序を設定する工程順序設定手段と、前記工程設定手段および工程順序設定手段で設定された内容を表示する表示手段と、前記工程順序設定手段で設定した動作順序に従って前記エジェクタの移動動作を実行する工程実行手段とを具備することによって、工程単位でエジェクタ動作パターンを設定できるようにしたものである。
前記工程順序設定手段は、前記工程設定手段で設定した順番を工程の動作順序とするか、前記工程設定手段で設定した複数の工程の順序を表示手段に表示し、この順序に従って動作順序とする。又は、前記工程設定手段で設定した数値で複数の工程に対してその動作順序を設定するようにする。
さらに、前記工程の経過時間とエジェクタの位置の関係を示すグラフを表示する手段を設けて、設定状態をグラフで確認できるようにする。
又、前記工程設定手段は、各工程の動作をそれぞれ開始させるための動作開始条件をも設定するようにし、前記工程実行手段は各工程に設定された動作開始条件がそれぞれ満足された際に当該工程の移動動作の実行を開始するようにする。さらには、前記工程設定手段で、工程の動作開始を遅延させる時間をも設定し、前記工程実行手段は、前工程の完了後当該工程に設定された遅延時間が経過した後、当該工程の移動動作の実行を開始するようにする。又、各工程の動作開始条件を設定したときには、設定された動作開始条件を満足した後、設定された時間だけ遅延させて当該工程の移動動作の実行を開始するようにする。
エジェクタ動作パターンを複数の工程にわけ、各工程毎にその動作を設定できることから、工程単位で設定、修正変更が可能となり、エジェクタ動作パターンの設定が容易となる。又、すでに設定されているエジェクタ動作パターンの修正も容易となり、成形品の形状や材質に応じて、簡単にエジェクタ動作パターンの設定、修正ができる。
以下、本発明の実施形態を図面と共に説明する。
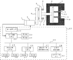
図1は、本発明の各実施形態におけるエジェクタとエジェクタ制御装置を構成する射出成形機の制御装置20のブロック図である。
エジェクタは可動側金型1が取り付けられる可動盤に取り付けられており、エジェクタロッド2を有するプッシャプレート3と、該プッシャプレート3に設けられたボールナットに螺合するボールネジ4、該ボールネジ4とエジェクタ用サーボモータ6の出力軸間に設けられたプーリ・ベルト機構5等によって構成されている。エジェクタロッド2は可動盤を貫通し金型1内に設けられた、エジェクタプレート8に当接し、該エジェクタプレート8に設けられたエジェクタピン9をリターンスプリング10の弾性力に抗して金型1のキャビティ内に突出させ、金型1に吸着している成形品を突き出し離型させて取り出すように構成されている。
制御装置20は、サーボ制御用のマイクロプロセッサであるサーボ用CPU22、プログラマブルマシンコントローラ(PMC)用のマイクロプロセッサであるPMC用CPU25、数値制御用のマイクロプロセッサであるCNC用CPU26を有し、バス34を介して相互の入出力を選択することにより各マイクロプロセッサ間での情報伝達が行えるようになっている。
PMC用CPU25には射出成形機のシーケンス動作を制御するシーケンスプログラム等を記憶したROM29および演算データの一時記憶等に用いられるRAM30が接続され、CNC用CPU26には、射出成形機を全体的に制御する自動運転プログラム等を記憶したROM31および演算データの一時記憶等に用いられるRAM32が接続されている。
また、サーボ用CPU22には、位置ループ、速度ループ、電流ループの処理を行うサーボ制御専用の制御プログラムを格納したROM23やデータの一時記憶に用いられるRAM24が接続されている。さらに、サーボ用CPU22には、該CPU22からの指令に基いて型締用,射出用,スクリュー回転用,エジェクタ用等の各軸のサーボモータを駆動するサーボアンプが接続されているが、図1では、エジェクタ用のサーボモータ6を駆動するサーボアンプ21のみを図示している。又、サーボ用CPU22には、各サーボモータ6に取付けられた位置・速度検出器からの出力が帰還されるようになっているが、図1においてはエジェクタ用サーボモータ6に取り付けられ、該サーボモータ6の回転位置によってエジェクタピンの位置等を検出する位置・速度検出器7が該サーボ用CPU22に接続された状態のみを示している。
ディスプレイ付手動データ入力装置33はCRT表示回路28を介してバス34に接続され、成形条件等の各種設定画面をCRT画面に表示し各種設定データを設定できるようになっており、数値データ入力用のテンキーおよび各種のファンクションキー等が設けられている。なお、表示装置としてはCRT以外の液晶等の他の表示装置を用いたものでもよい。
不揮発性メモリで構成されるデータ保存用RAM27は射出成形作業に関する成形条件と各種設定値,パラメータ等を記憶する成形データ保存用のメモリである。
以上の構成により、PMC用CPU25が射出成形機全体のシーケンス動作を制御し、CNC用CPU26がROM31の運転プログラムやデータ保存用RAM27に格納された成形条件等に基いて各軸のサーボモータに対して移動指令の分配を行う。サーボ用CPU22は各軸に対して分配された移動指令と位置・速度検出器で検出された位置および速度のフィードバック信号等に基いて、従来と同様に位置ループ制御,速度ループ制御さらには電流ループ制御等のサーボ制御を行い、いわゆるディジタルサーボ処理を実行する。
上述した構成は従来の電動式射出成形機の制御装置と変わりはない。本発明のエジェクタ制御装置はこの制御装置20によって構成され、エジェクタ動作パターンを簡単に設定でるようにしたソフトウェアと、この設定された動作パターンを実行するエジェクタ動作処理ソフトウェアが、CNC用CPU26のROM31に予め設定記憶されている点で従来の制御装置と相違するものである。
図2は、本発明の第1の実施形態におけるエジェクタ動作パターン設定画面の説明図である。
ディスプレイ付手動データ入力装置33を操作して、エジェクタ動作パターン設定画面を呼び出すと、図2に示すような、エジェクタのエジェクタピンの突き出し工程数N、各段の工程の起動条件S(i)、遅延タイマT(i)、目標到達位置P(i)、移動速度V(i)を入力設定するエジェクタ動作パターン設定画面がCRT表示画面に表示される。なお、iは、設定画面に表示された工程の行を示す指標であり、この第1の実施形態では、この指標iの値で工程の動作順序段数を示すものである。そして、エジェクタのエジェクタピンの突き出し工程数N(図2では「5」)を入力すると、その工程数に合わせた、各工程iの起動条件S(i)、遅延タイマT(i)、目標到達位置P(i)、移動速度V(i)の設定箇所が表示される。
本実施形態においては、エジェクタ動作における突き出し動作における1工程の単位をエジェクタ(エジェクタピン)の起動条件S(i)、遅延タイマT(i)、目標到達位置P(i)、移動速度V(i)で構成されており、この単位の工程を設定工程数N個分設定することによって、エジェクタ動作パターンを設定するものとしている。
図2に示した例では、エジェクタ動作パターンの工程数Nが「5」と設定され、第1(=i)段の工程として、起動条件S(1)が「型閉じ完了」、遅延タイマT(1)が「1.00秒」、目標到達位置P(1)=「10.00mm」、移動速度V(1)=「20mm/s」と設定された例を示している。この第1段の工程の設定は、型閉じ完了後「1.00秒」遅延した後、移動動作を開始し、目標到達位置「10.00mm」まで、移動速度「20mm/s」でエジェクタを動作させることが設定されているものである。
第2(=i)段の工程としては、起動条件S(2)が「型開き完了」、遅延タイマT(2)として「0.00秒」が設定され、目標到達位置P(2)=「20.00mm」、移動速度V(2)=「30mm/s」と設定されており、第2段の工程のエジェクタ動作としては、型開き完了後、直ちに(遅延タイマの設定値が「0.00」であることから)、動作を開始し、位置「20.00mm」まで、速度「30mm/s」でエジェクタを動作させるものである。
第3(=i)段の工程には、起動条件S(3)が「なし」、遅延タイマT(3)として「0.00秒」が設定され、目標到達位置P(3)=「0.00mm」、移動速度V(3)=「30mm/s」と設定されている。起動条件の「なし」は、前段の動作が終了すると、遅延タイマで設定された時間経過した後、移動動作を開始させることを意味している。よって、図2に示す例の第3段の工程は、第2段の工程の動作が完了すると、速度30mm/sで0.00mm位置(原点)まで移動(復帰)するように設定されたものである。
第4(=i)段の工程は、起動条件S(4)=「なし」、遅延タイマT(4)=「0.00秒」、目標到達位置P(4)=「20.00mm」、移動速度V(4)=「30mm/s」と設定されているので、第3段の工程の動作が終了すると直ちに位置20.00mmまで、速度30mm/sで移動開始するよう設定されているものとなる。
第5(=i)段の工程は、起動条件S(5)=「なし」、遅延タイマT(5)=「0.00秒」、目標到達位置P(5)=「0.00mm」、移動速度V(5)=「30mm/s」が設定されているので、第4段の工程の動作が終了すると直ちに位置0.00mm(原点)まで、速度30mm/sで移動し復帰するよう設定されたものとなる。
こうしてエジェクタ動作パターンが設定されると、この設定データに基いて、動作パターンがグラフ表示される。図2に示す表示画面の右側に、横軸をエジェクタ(エジェクタピン)の位置、縦軸を時間として設定動作パターングラフが表示される。このようにエジェクタ動作パターンがグラフ表示されるから、エジェクタ動作のイメージを容易に把握でき、設定誤り等を未然に防止できる。
以上のように、工程単位でエジェクタ動作を設定できることから、エジェクタ動作パターンの設定及び修正が極めて容易にできるものである。
この図2で示した例では、各工程を実行する順序通りに各段の動作パターンの設定欄(起動条件、遅延タイマ、目標到達位置、移動速度)を整列して表示し、設定させるようにしたが、各段の工程の動作パターンの設定欄を1組みしか表示せず、第1段から順次各段の工程の動作パターンを設定し、入力順に動作パターンを記憶し、この入力順によって各段の動作順序(入力順が動作順序の段数iを示す)を自動的に決めるようにしてもよいものである。
図3は、この第1の実施形態におけるCNC用CPU26が実行するエジェクタ動作処理のアルゴリズムを示すフローチャートである。
まず、エジェクタ動作パターンの工程段数(設定行、又は、入力順)を指定する指標iに「1」をセットし(ステップa1)、i(=1)段目の工程の起動条件S(i)を満足しているか判断する。すなわち、エジェクタ動作パターンの第1段目の工程としてエジェクタ動作パターン設定画面の第1行に設定された工程(又は1番目に入力された工程)に設定された起動条件S(i)(=S(1))を満足しているか判断し、満足するまで待つ(ステップa2)。起動条件が満たされると、タイマT(i)に、遅延タイマとして設定された時間をセットしてスタートさせ、該タイマT(i)がタイムアップするのを待つ(ステップa3,a4)。
タイマT(i)がタイムアップすると、i段目の工程に設定されている目標到達位置P(i)(=P(1))まで設定移動速度V(i)(=V(1))で移動させる移動指令をサーボ用CPU22に出力し、サーボ用CPU22は指令された目標到達位置(移動量)と位置・速度検出器7からフィードバックされる位置、速度に基いて、位置、速度フィードバック処理を行い、サーボアンプ21を介してエジェクタ用サーボモータ6を設定された目標到達位置P(i)まで設定された移動速度V(i)で駆動する(ステップa5)。そして、指標iを1インクリメントし(ステップa6)、該指標iが設定工程数Nを越えたか判断し(ステップa7)、越えてなければ、ステップa2に戻る。以下、指標iが設定工程数Nを越えるまで、上述したステップa2からステップa7の処理を繰り返し実行し、各段の工程のエジェクタ動作を順次実行することになる。
図2で示した設定例でこのエジェクタ動作パターンの動作処理を説明する。図4は、この図2に示す設定例での動作概要の説明図である。
指標iが「1」にセットされ、型閉じが完了したことがステップa2で判別されると、第1段の工程の動作が開始され、タイマに1秒がセットされて計時を開始し(ステップa3)、1秒経過してタイマがタイムアップすると(ステップa4)、速度20mm/sで位置10.00mmまで、エジェクタ(エジェクタピン)は駆動する(ステップa5)。そして、指標iが1インクリメントされ(ステップa6)、設定工程数5を越えていないから、ステップa2に戻るが、第i(=2)段の工程は、起動条件として型開き完了が設定されていることから、図4に示すように、第1段の工程のエジェクタ動作が完了しても、直ちには第2段の工程の動作を開始せず、型開きが完了するまで待つことになる。型開き完了が判別されると、タイマには「0」が設定されることから、直ちにタイムアップとなり、速度30mm/sで位置20.00mmまでエジェクタは駆動されることになる。そして指標iが「3」とされ、第2段の工程の動作が完了すると、第3段の工程の動作を開始することになる。この場合は、起動条件が「なし」と設定されているので、第2段の工程の動作が完了すると直ちに第3段の工程の動作が開始され、速度30mm/sで位置0.00mmまでエジェクタは駆動されることになる。次に指標iが「4」とされて第3段の工程の動作が終了すると第4段の工程の動作を開始し、速度30mm/sで目標到達位置20.00mmまでエジェクタは駆動されることになる。この第4段の工程の動作が終了すると第5段の動作を開始し、速度30mm/sで目標到達位置0.00mmまでエジェクタは駆動され、設定されたエジェクタ動作パターンの動作を終了する。この動作は図4に示す態様となる。
図5は本発明の第2の実施形態におけるエジェクタ動作パターン設定画面の説明図である。
図2に示した第1の実施形態のエジェクタ動作パターン設定画面と相違する点は、工程に対して動作順序(段)をも設定する欄O(i)が設けられている点である。他は第1の実施形態と同一である。図5に示すように、各工程の動作設定欄(行)に対して動作順序を設定する欄が設けられており、この図5で示す例では、行を示す指標iが「1」で第1欄(行)で指定する工程に対しては動作順序が1(実行する工程の順序j=1)と設定され、エジェクタ動作パターンの第1段の工程とすることが設定されている。同様に、第2欄(行)の工程は動作順序2の第2段、第3欄(行)の工程は動作順序3の第3段、第4欄(行)の工程は動作順序5の第5段、第5欄(行)の工程は動作順序4の第4段が設定されている。この図5に示す例では、図2で示した第1の実施形態と同じエジェクタ動作パターンが設定されているもので、エジェクタは図4に示した動作を行うものである。
この第2の実施形態は、動作順序も設定できるものであるから、例えば、すでに設定されているエジェクタ動作パターンの途中の工程間に工程を追加するときなど、追加工程のデータ(起動条件、遅延タイマ、目標到達位置、移動速度)を設定し、動作順序を振り直すだけですみ、エジェクタ動作パターンの修正が極めて容易にできるものである。
図6は、この第2の実施形態におけるCNC用CPU26が実行するエジェクタ動作処理のアルゴリズムを示すフローチャートである。
まず、エジェクタ動作パターンの動作順を指定する指標jを1にセットし(ステップb1)、設定された工程の欄(行)指定する(各行の「動作順序の欄」を指定する)指標iを1にセットし(ステップb2)、該指標iで指定された行の動作順序の欄に設定された順序O(i)を読み取り、該順序O(i)と指標jの値が一致するか判断する(ステップb3)。一致しなければ、指標iを1インクリメントし(ステップb10)、ステップb3に戻る。
順序O(i)と指標jが一致すると、当該欄(行)iに設定されている工程をj番目の実行工程として、各データを読み出し、ステップb4以下の処理を実行する。ステップb4からステップb7までの処理は、図3に示した第1の実施形態における処理のステップa2からステップa5と同じである。又、図2に示した第1の実施形態では、実行工程の段数(行)を示す指標iを1インクリメントし、該指標iが設定工程数Nを越えたか判断したが、この第2の実施形態では、実行工程の段数を示す指標jを1インクリメントし、該指標jが設定工程数Nを越えたか判断し、越えていないときはステップb2に戻る点で相違する。すなわち、この第2の実施形態では、動作順序の欄に設定された動作順序O(i)の順に各工程が実行されるものとなる。
図6に示した設定例で動作を説明すると、指標j、iが「1」にセット(ステップb1、b2)され、ステップb3で、指標i=1番目の行に設定された動作順序O(i)=1が指標jの値(=1)が一致することより(ステップb3)、起動条件S(i)=S(1)の型閉じが完了したか判断し(ステップb4)、型閉じが完了したことが判別されると、遅延タイマに設定された値=1をタイマT(i)にセットして計時を開始し(ステップb5)、1秒経過してタイマがタイムアップすると(ステップb6)、速度20mm/sで目標到達位置10.00mmまで、エジェクタ(エジェクタピン)を駆動する(ステップb7)。そして、指標jが1インクリメントし(ステップb8)、設定工程数N=5を越えていないことから、ステップb2に戻り、設定行(欄)を示す指標iを「1」にセットし、i=1行目の動作順序O(i)=O(1)に記憶する値と指標j(=2)の値が一致するか判断し、この場合、O(1)=1で指標j=2であるから一致せず、ステップb10で、指標iを1インクリメントして「2」としてi=2行目に設定された動作順序O(2)の値を読み出し、指標jと比較する。O(2)=2で指標j=2であり一致するから、ステップb4〜ステップb9の処理を行い、2行目に設定された工程(型開き完了後、位置20.00mmまで速度30mm/sで移動)を第2工程として実行する。
そして、ステップb8で指標jが「3」に設定されるので、ステップb3では、動作順序O(i)が「3」と設定されている欄まで指標iを1インクリメントし、該指標iが「3」となりj=O(3)=3となると、ステップb4〜ステップb7で3行目に設定された工程(位置0.00mmまで速度30mm/sで移動)を第3工程として実行する。
ステップb8で指標jが「4」にセットされることから、指標iが「5」になったとき動作順序O(5)=4が読み出され、5行目に設定された工程(位置20.00mmまで速度30mm/sで移動)を第4工程として実行する。次に、ステップb8で指標jが「5」にセットされたときには、指標iが「4」になったとき動作順序O(5)=5が読み出され、4行目に設定された工程(位置0.00mmまで速度30mm/sで移動)を第5工程として実行する。
そして、ステップb8で指標jが1インクリメントされ「6」となり設定工程数Nを越えたことがステップb9で判別されることにより、このエジェクタ動作処理は終了する。 この第2の実施形態において、図5に示す設定例では、第1の実施形態と同様に図4に示した動作態様となる。
上述した各実施形態においては、各工程を起動条件、遅延タイマ、目標到達位置、移動速度の要素で構成されるものとしている。しかし、エジェクタ動作パターンが各工程を連続的に実行するものであれば、各工程の要素として起動条件をなくしてもよいものである。例えばエジェクタ動作開始(第1段の工程の動作開始)を型開き完了としているときには、型開き完了で、エジェクタ動作を開始し、設定された各工程(遅延タイマ、目標到達位置、移動速度を要素とする)を第1工程から順次連続的に実行するようにすればよいものである。
又、遅延タイマも必ずしも設ける必要がないものである。この遅延タイマは、各工程間でエジェクタが動作しない時間を設定するために設けたものであり、このような工程間の途中で、エジェクタが動作停止する時間を必要としない場合は、この遅延タイマに「0」を設定するか、もしくは遅延タイマの設定要素自体を、この工程要素から削除してもよいものである。すなわち、エジェクタ動作としては、移動の速度と目標到達位置が基本的に必須の要素であり、この目標到達位置と移動速度のみで各工程を定義し、各工程を連続的に実行するようにすればよいものである。
本発明の各実施形態におけるエジェクタとエジェクタ制御装置を構成する射出成形機の制御装置のブロック図である。 本発明の第1の実施形態におけるエジェクタ動作パターン設定画面の説明図である。 同第1の実施形態におけるエジェクタ動作処理のアルゴリズムを示すフローチャートである。 同第1の実施形態におけるエジェクタ動作パターンの設定例における動作説明図である。 本発明の第2の実施形態におけるエジェクタ動作パターン設定画面の説明図である。 同第2の実施形態におけるエジェクタ動作処理のアルゴリズムを示すフローチャートである。
符号の説明
1 金型
2 エジェクタロッド
3 プッシャプレート
4 ボールネジ
5 プーリ・ベルト機構
6 エジェクタ用サーボモータ
7 位置・速度検出器
8 エジェクタプレート
9 エジェクタピン
10 リターンスプリング
20 制御装置

Claims (7)

  1. エジェクタの移動動作の目標到達位置と該目標到達位置までの移動速度を1工程毎に設定する工程設定手段と、
    該工程設定手段で設定した複数の工程の動作順序を設定する工程順序設定手段と、
    前記工程設定手段および工程順序設定手段で設定された内容を表示する表示手段と、
    該工程順序設定手段で設定した動作順序に従って前記エジェクタの移動動作を実行する工程実行手段とを具備することを特徴とする射出成形機のエジェクタ制御装置。
  2. 前記表示手段は、前記工程設定手段で設定した順番に工程を表示し、前記工程順序設定手段は、前記工程設定手段で設定した順番に工程の順序を設定することを特徴とする請求項1に記載の射出成形機のエジェクタ制御装置。
  3. 前記工程順序設定手段は、前記工程設定手段で設定した複数の工程に対してその動作順序を示す数値を設定し前記表示手段は、前記工程設定手段で設定した工程および前記動作順序を表示することを特徴とする請求項1に記載の射出成形機のエジェクタ制御装置。
  4. 前記工程の経過時間とエジェクタの位置の関係を示すグラフを表示する手段を有する請求項1乃至請求項3の内の何れか1項に記載の射出成形機のエジェクタ制御装置。
  5. 前記工程設定手段は、各工程の動作をそれぞれ開始させるための動作開始条件をも設定し、前記工程実行手段は各工程に設定された動作開始条件がそれぞれ満足された際に当該工程の移動動作の実行を開始することを特徴とする請求項1乃至請求項4の内の何れか1項に記載の射出成形機のエジェクタ制御装置。
  6. 前記工程設定手段は、工程の動作開始を遅延させる時間をも設定し、前記工程実行手段は、前工程の完了後当該工程に設定された遅延時間が経過した後、当該工程の移動動作の実行を開始することを特徴とする請求項1乃至請求項4の内の何れか1項に記載の射出成形機のエジェクタ制御装置。
  7. 前記工程設定手段は、工程の動作開始を遅延させる時間をも設定し、前記工程実行手段は、前記設定された動作開始条件を満足した後、設定された時間だけ遅延させて当該工程の移動動作の実行を開始することを特徴とする請求項5に記載の射出成形機のエジェクタ制御装置。
JP2006182328A 2006-06-30 2006-06-30 射出成形機のエジェクタ制御装置 Expired - Fee Related JP4174533B2 (ja)

Priority Applications (4)

Application Number Priority Date Filing Date Title
JP2006182328A JP4174533B2 (ja) 2006-06-30 2006-06-30 射出成形機のエジェクタ制御装置
EP07108549A EP1872926A2 (en) 2006-06-30 2007-05-21 Ejector control device for injection molding machine
US11/802,222 US20080003320A1 (en) 2006-06-30 2007-05-21 Ejector control device for injection molding machine
CN200710126868A CN100584577C (zh) 2006-06-30 2007-06-29 射出成型机的顶出器控制装置

Applications Claiming Priority (1)

Application Number Priority Date Filing Date Title
JP2006182328A JP4174533B2 (ja) 2006-06-30 2006-06-30 射出成形機のエジェクタ制御装置

Publications (2)

Publication Number Publication Date
JP2008006785A JP2008006785A (ja) 2008-01-17
JP4174533B2 true JP4174533B2 (ja) 2008-11-05

Family

ID=38562839

Family Applications (1)

Application Number Title Priority Date Filing Date
JP2006182328A Expired - Fee Related JP4174533B2 (ja) 2006-06-30 2006-06-30 射出成形機のエジェクタ制御装置

Country Status (4)

Country Link
US (1) US20080003320A1 (ja)
EP (1) EP1872926A2 (ja)
JP (1) JP4174533B2 (ja)
CN (1) CN100584577C (ja)

Families Citing this family (9)

* Cited by examiner, † Cited by third party
Publication number Priority date Publication date Assignee Title
JP5381885B2 (ja) * 2010-04-20 2014-01-08 トヨタ自動車株式会社 射出成形装置
JP5805569B2 (ja) * 2012-03-27 2015-11-04 住友重機械工業株式会社 射出成形機
JP5731577B2 (ja) * 2013-06-07 2015-06-10 ファナック株式会社 キャビティ圧縮機能を有する射出成形機の制御装置
JP6169634B2 (ja) 2015-03-06 2017-07-26 ファナック株式会社 エジェクタを具備する射出成形機及び射出成形機のエジェクタ動作方法
JP6802690B2 (ja) * 2016-11-15 2020-12-16 芝浦機械株式会社 成形機
JP6876086B2 (ja) 2019-04-01 2021-05-26 日精樹脂工業株式会社 動作設定装置を備えた射出成形機
JP7509930B2 (ja) * 2021-01-26 2024-07-02 ファナック株式会社 制御装置
JP7610460B2 (ja) * 2021-04-02 2025-01-08 住友重機械工業株式会社 射出成形機の制御装置、射出成形機、射出成形システム及び、射出成形機の制御方法
CN113524598B (zh) * 2021-09-16 2022-01-11 广东伊之密高速包装系统有限公司 一种模内贴标方法及模内贴标注塑系统

Family Cites Families (16)

* Cited by examiner, † Cited by third party
Publication number Priority date Publication date Assignee Title
US4486830A (en) * 1982-03-30 1984-12-04 Cincinnati Milacron Inc. Programmable control apparatus and method
US4745541A (en) * 1986-06-16 1988-05-17 Cincinnati Milacron Inc. Method and apparatus for process control
US5229952A (en) * 1991-01-18 1993-07-20 Cincinnati Milacron Inc. Control for injection molding machine
JP2652275B2 (ja) * 1991-02-06 1997-09-10 ファナック株式会社 電動射出成形機における射出,保圧,背圧制御方法
JPH0825216B2 (ja) * 1991-12-11 1996-03-13 日精樹脂工業株式会社 成形条件設定方法
US5599486A (en) * 1992-10-09 1997-02-04 Sumitomo Heavy Industries, Ltd. Method for controlling an ejector and injection molding machine
WO1994023926A1 (fr) * 1993-04-20 1994-10-27 Sankyokasei Kabushiki Kaisha Appareil pour commander les operations de coupe de la coulee et d'ejection dans une machine de moulage par injection et procede pour commander cet appareil
JP2838647B2 (ja) * 1994-05-16 1998-12-16 住友重機械工業株式会社 射出成形機におけるエジェクタ機構のエジェクタ戻限完了位置設定方法及び装置
JP3586483B2 (ja) * 1994-10-26 2004-11-10 ファナック株式会社 射出成形機のエジェクト装置
JP3441680B2 (ja) * 1999-07-28 2003-09-02 ファナック株式会社 射出成形機のエジェクタ制御装置
JP3425543B2 (ja) * 1999-09-13 2003-07-14 株式会社名機製作所 射出成形方法および射出成形装置
JP4108906B2 (ja) * 2000-07-11 2008-06-25 東芝機械株式会社 射出成形機における異常検知方法
JP3459631B2 (ja) * 2000-11-10 2003-10-20 ファナック株式会社 成形品離型力測定方法及び装置
JP3692065B2 (ja) * 2001-10-17 2005-09-07 日精樹脂工業株式会社 取出機付成形機のデータ登録方法
JP2004050474A (ja) * 2002-07-17 2004-02-19 Fanuc Ltd 射出成形機のエジェクタ装置及びエジェクタピン突出開始位置検出方法
US7072735B2 (en) * 2004-04-23 2006-07-04 Husky Injection Molding Systems Ltd. Control system for utilizing active material elements in a molding system

Also Published As

Publication number Publication date
CN100584577C (zh) 2010-01-27
CN101096122A (zh) 2008-01-02
JP2008006785A (ja) 2008-01-17
US20080003320A1 (en) 2008-01-03
EP1872926A2 (en) 2008-01-02

Similar Documents

Publication Publication Date Title
EP1872926A2 (en) Ejector control device for injection molding machine
CN103153578B (zh) 成型机
JP4261596B2 (ja) 射出成形機の工程時間表示装置
JP3586483B2 (ja) 射出成形機のエジェクト装置
JP4199283B2 (ja) 射出成形機
US20080031992A1 (en) Core operation setting device for injection molding machine
US10513071B2 (en) Pressure controller for injection molding machine
CN101541505B (zh) 对注模机的注模周期进行流程编程的方法
EP0396770A1 (en) Back pressure control method and apparatus for electric injection molding machine
WO1992011994A1 (fr) Procede de determination de la forme d'onde de pression pour le reglage de la pression d'injection dans une machine de moulage par injection
JP5661820B2 (ja) 型締力制御機能を有する射出成形機の制御装置
JP5923388B2 (ja) 射出成形機の成形条件設定装置
US7287971B2 (en) Load determining device for an electrically-operated injection molding machine
JP5529629B2 (ja) 射出成形機
JP3820232B2 (ja) 射出成形機の型締制御方法
US20230092818A1 (en) Apparatus for taking out molded product
JP3581164B2 (ja) 射出成形機の製品良否判別方法及び製品良否判別装置
JP5820701B2 (ja) 成形機の制御装置と制御方法
CN113646153A (zh) 动作设定装置和注射成型机
JP2604272B2 (ja) スプルー突出し装置
JP2006015527A (ja) 射出成形機
JPH07205225A (ja) 射出成形機のクッション量調整方法
JP2016196144A (ja) 射出成形システム
JP2007015342A (ja) 成形機
JPS63182121A (ja) エジエクタの制御方式

Legal Events

Date Code Title Description
A871 Explanation of circumstances concerning accelerated examination

Free format text: JAPANESE INTERMEDIATE CODE: A871

Effective date: 20080129

A977 Report on retrieval

Free format text: JAPANESE INTERMEDIATE CODE: A971007

Effective date: 20080410

A975 Report on accelerated examination

Free format text: JAPANESE INTERMEDIATE CODE: A971005

Effective date: 20080408

A131 Notification of reasons for refusal

Free format text: JAPANESE INTERMEDIATE CODE: A131

Effective date: 20080415

A521 Written amendment

Free format text: JAPANESE INTERMEDIATE CODE: A523

Effective date: 20080529

TRDD Decision of grant or rejection written
A01 Written decision to grant a patent or to grant a registration (utility model)

Free format text: JAPANESE INTERMEDIATE CODE: A01

Effective date: 20080805

A01 Written decision to grant a patent or to grant a registration (utility model)

Free format text: JAPANESE INTERMEDIATE CODE: A01

A61 First payment of annual fees (during grant procedure)

Free format text: JAPANESE INTERMEDIATE CODE: A61

Effective date: 20080818

R150 Certificate of patent or registration of utility model

Free format text: JAPANESE INTERMEDIATE CODE: R150

FPAY Renewal fee payment (event date is renewal date of database)

Free format text: PAYMENT UNTIL: 20110822

Year of fee payment: 3

LAPS Cancellation because of no payment of annual fees