JP2015114135A - 電池制御装置 - Google Patents

電池制御装置 Download PDF

Info

Publication number
JP2015114135A
JP2015114135A JP2013254548A JP2013254548A JP2015114135A JP 2015114135 A JP2015114135 A JP 2015114135A JP 2013254548 A JP2013254548 A JP 2013254548A JP 2013254548 A JP2013254548 A JP 2013254548A JP 2015114135 A JP2015114135 A JP 2015114135A
Authority
JP
Japan
Prior art keywords
voltage
storage battery
value
current
change
Prior art date
Legal status (The legal status is an assumption and is not a legal conclusion. Google has not performed a legal analysis and makes no representation as to the accuracy of the status listed.)
Granted
Application number
JP2013254548A
Other languages
English (en)
Other versions
JP5929880B2 (ja
Inventor
賢和 草野
Yoshikazu Kusano
賢和 草野
久 梅本
Hisashi Umemoto
久 梅本
粟野 直実
Naomi Awano
直実 粟野
山田 学
Manabu Yamada
学 山田
Current Assignee (The listed assignees may be inaccurate. Google has not performed a legal analysis and makes no representation or warranty as to the accuracy of the list.)
Denso Corp
Original Assignee
Denso Corp
Priority date (The priority date is an assumption and is not a legal conclusion. Google has not performed a legal analysis and makes no representation as to the accuracy of the date listed.)
Filing date
Publication date
Application filed by Denso Corp filed Critical Denso Corp
Priority to JP2013254548A priority Critical patent/JP5929880B2/ja
Priority to DE102014116424.5A priority patent/DE102014116424B4/de
Priority to US14/563,032 priority patent/US9618584B2/en
Publication of JP2015114135A publication Critical patent/JP2015114135A/ja
Application granted granted Critical
Publication of JP5929880B2 publication Critical patent/JP5929880B2/ja
Active legal-status Critical Current
Anticipated expiration legal-status Critical

Links

Images

Classifications

    • HELECTRICITY
    • H02GENERATION; CONVERSION OR DISTRIBUTION OF ELECTRIC POWER
    • H02JCIRCUIT ARRANGEMENTS OR SYSTEMS FOR SUPPLYING OR DISTRIBUTING ELECTRIC POWER; SYSTEMS FOR STORING ELECTRIC ENERGY
    • H02J7/00Circuit arrangements for charging or depolarising batteries or for supplying loads from batteries
    • H02J7/007Regulation of charging or discharging current or voltage
    • H02J7/00712Regulation of charging or discharging current or voltage the cycle being controlled or terminated in response to electric parameters
    • H02J7/007182Regulation of charging or discharging current or voltage the cycle being controlled or terminated in response to electric parameters in response to battery voltage
    • H02J7/007184Regulation of charging or discharging current or voltage the cycle being controlled or terminated in response to electric parameters in response to battery voltage in response to battery voltage gradient
    • GPHYSICS
    • G01MEASURING; TESTING
    • G01RMEASURING ELECTRIC VARIABLES; MEASURING MAGNETIC VARIABLES
    • G01R31/00Arrangements for testing electric properties; Arrangements for locating electric faults; Arrangements for electrical testing characterised by what is being tested not provided for elsewhere
    • G01R31/36Arrangements for testing, measuring or monitoring the electrical condition of accumulators or electric batteries, e.g. capacity or state of charge [SoC]
    • G01R31/382Arrangements for monitoring battery or accumulator variables, e.g. SoC
    • G01R31/3842Arrangements for monitoring battery or accumulator variables, e.g. SoC combining voltage and current measurements
    • HELECTRICITY
    • H02GENERATION; CONVERSION OR DISTRIBUTION OF ELECTRIC POWER
    • H02JCIRCUIT ARRANGEMENTS OR SYSTEMS FOR SUPPLYING OR DISTRIBUTING ELECTRIC POWER; SYSTEMS FOR STORING ELECTRIC ENERGY
    • H02J7/00Circuit arrangements for charging or depolarising batteries or for supplying loads from batteries
    • H02J7/14Circuit arrangements for charging or depolarising batteries or for supplying loads from batteries for charging batteries from dynamo-electric generators driven at varying speed, e.g. on vehicle
    • YGENERAL TAGGING OF NEW TECHNOLOGICAL DEVELOPMENTS; GENERAL TAGGING OF CROSS-SECTIONAL TECHNOLOGIES SPANNING OVER SEVERAL SECTIONS OF THE IPC; TECHNICAL SUBJECTS COVERED BY FORMER USPC CROSS-REFERENCE ART COLLECTIONS [XRACs] AND DIGESTS
    • Y02TECHNOLOGIES OR APPLICATIONS FOR MITIGATION OR ADAPTATION AGAINST CLIMATE CHANGE
    • Y02EREDUCTION OF GREENHOUSE GAS [GHG] EMISSIONS, RELATED TO ENERGY GENERATION, TRANSMISSION OR DISTRIBUTION
    • Y02E60/00Enabling technologies; Technologies with a potential or indirect contribution to GHG emissions mitigation
    • Y02E60/10Energy storage using batteries

Landscapes

  • Engineering & Computer Science (AREA)
  • Power Engineering (AREA)
  • Physics & Mathematics (AREA)
  • General Physics & Mathematics (AREA)
  • Secondary Cells (AREA)
  • Charge And Discharge Circuits For Batteries Or The Like (AREA)
  • Tests Of Electric Status Of Batteries (AREA)

Abstract

【課題】蓄電池において充放電可能な電力を精度よく算出可能な電池制御装置を提供する。【解決手段】蓄電池10に所定期間で電流を流して充電又は放電を行い、その充電又は放電により端子間電圧が変化する場合において、所定期間の経過後において充放電可能となる電力を算出する電池制御装置50である。電池制御装置50は、蓄電池10の充電又は放電を行う場合に、所定期間における端子間電圧の変化量のうち、蓄電池10の内部における電荷の蓄積に起因する電圧変化分である特定変化量を算出する。また、所定期間の経過後に端子間電圧を所定電圧まで変化させるのに要する蓄電池10に流れる通電電流と、所定期間において所定電流を流した場合に所定期間の経過後における蓄電池10の端子間電圧とのいずれかを予測対象値とし、算出した特定変化量を用いて、予測対象値を算出する。また、算出した予測対象値に基づいて、充放電可能となる電力を算出する。【選択図】 図1

Description

本発明は、蓄電池において充放電可能な電力を推定する電池制御装置に関する。
例えば、蓄電池が車載用蓄電池として用いられる場合に、回生発電で発電された電力を蓄電池に対して充電するときには、蓄電池に充電可能な電力の推定が行われる。また、蓄電池から車両の主機としてのモータに電力を供給する際、蓄電池からモータに放電可能な電力の推定が行われる。
蓄電池に対して充放電可能な電力を推定する充放電可能電力推定装置が知られている(例えば、特許文献1)。特許文献1に記載の技術では、蓄電池の端子間電圧の変化と、電流の増減変化によって生じる電圧変化と、を等しいとみなして、蓄電池の充放電可能電力及び放電可能電力を推定する。
特開2010−203935号公報
ここで、蓄電池において行われる充電及び放電は、所定の期間において行われ、その充放電が行われる期間において、蓄電池の内部に対して電荷が蓄積される。つまり、蓄電池の通電時において、出力端子に電荷が流入する場合、その一部が蓄電池内部に蓄積される。この電荷の蓄積が生じる場合、蓄電池の端子間電圧の変化分には、内部抵抗値×通電電流として求められる電圧変化分と、蓄電池内部の電荷の蓄積により生じる電圧変化分とが含まれることになる。この場合、蓄電池の端子間電圧の変化と、電流の増減変化によって生じる電圧変化とを等しいとみなす上記技術では、電荷の蓄積又は放出によって生じる電圧変化分が考慮されておらず、端子間電圧の予測値の精度が悪化する。その結果、充放電可能な電力を精度よく算出することができないと考えられる。
本発明は、上記課題を解決するためになされたものであり、蓄電池において充放電可能な電力を精度よく算出可能な電池制御装置を提供することを主たる目的とする。
本発明は、蓄電池(10)に所定期間で電流を流して充電又は放電を行い、その充電又は放電により前記蓄電池の端子間電圧(V)が変化する場合において、前記所定期間の経過後における充放電可能な電力(W)を算出する電池制御装置(50)であって、前記蓄電池の充電又は放電を行う場合に、前記所定期間における前記端子間電圧の変化量(ΔV)のうち、前記蓄電池の内部における電荷の蓄積に起因する電圧変化分である特定変化量(ΔVc,ΔOCV)を算出する特定変化量算出手段と、前記所定期間の経過後に前記端子間電圧を所定電圧まで変化させるのに要する前記蓄電池に流れる通電電流(I^(Ta))と、前記所定期間において所定電流を流した場合に前記所定期間の経過後における前記蓄電池の端子間電圧(V^(Ta))とのいずれかを予測対象値とし、前記特定変化量算出手段により算出した特定変化量を用いて、前記予測対象値を算出する予測値算出手段と、前記予測値算出手段により算出した予測対象値に基づいて、前記充放電可能な電力を算出する電力算出手段と、を備えることを特徴とする。
電池制御装置は、蓄電池の端子から入出力される通電電流又は蓄電池の端子間電圧を調整することで充放電時の電力を制御する。蓄電池においては電流が流れることで充電又は放電が行われ、それに伴い蓄電池の端子間電圧が変化する。所定期間において蓄電池の端子間電圧が変化してΔV分の電圧変化が生じたとしても、その電圧変化量ΔVの全てが蓄電池の通電電流(出力端子から入出力される電流)に相関がある訳でなく、電圧変化量ΔVには、電池内部の状態変化に伴い生じた電圧変化分も含まれる。この電圧変化分は、蓄電池における電荷の蓄積に起因する電圧変化分(電荷の蓄積及び蓄積電荷の放出による電圧変化分)に相当する。ここで、電圧変化量ΔVのうち、蓄電池における電荷の蓄積に起因する電圧変化分を考慮せずに電流値や電圧値の予測を行い、その予測結果に基づいて電力制御を行う構成では、高精度な電力制御を実施できないものとなる。
この点、上記構成では、蓄電池の充電又は放電を行う場合に、所定期間における端子間電圧の変化量のうち、蓄電池における電荷の蓄積又は放出に伴う電圧変化分である特定変化量を算出し、その特定変化量を用いて、予測対象値としての通電電流(電流予測値)又は端子間電圧(電圧予測値)を算出するようにした。また、その予測対象値に基づいて充放電可能な電力を算出するようにした。この場合、蓄電池における電荷の蓄積又は放出に伴う電圧変化分である特定変化量を考慮して電流予測又は電圧予測を行い、その予測結果に基づいて電力制御を実施できる。その結果、充放電可能な電力を精度良く算出することができる。
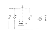
蓄電池及び電池制御装置を備える回路図。 充電時における端子間電圧の変化予測を示す図。 蓄電池の等価回路を示す図。 充放電可能電力算出処理を示すフローチャート。
本実施形態における蓄電池10及び電池制御装置としての制御装置50を備える電気回路図を図1に示す。
蓄電池10及び制御装置50は、車両に搭載されている。蓄電池10は、交流−直流変換を行うインバータ21を介してモータジェネレータ22に接続されている。モータジェネレータ22に対して運動エネルギが供給され、モータジェネレータ22が発電機として機能する場合、蓄電池10はモータジェネレータ22から供給される電力によって充電される。また、モータジェネレータ22が動力源としてのモータとして機能する場合、蓄電池10はモータジェネレータ22に対して電力供給を行う。また、蓄電池10は、電気負荷20に接続され、電気負荷20に対し電力を供給する。なお、蓄電池10は、リチウムイオン蓄電池である。
蓄電池10と電気負荷20及びインバータ21とを接続する経路上には蓄電池10に流れる通電電流Iを検出するための電流センサ30が設けられており、蓄電池10の両端子には、その両端子間の電圧Vを検出するための電圧センサ40が設けられている。これら電流センサ30及び電圧センサ40はそれぞれ通電電流I及び端子間電圧Vに応じた検出信号を出力し、その検出信号は制御装置50に入力される。検出値取得手段としての制御装置50は、入力される信号に基づいて電流センサ30及び電圧センサ40による検出値を取得する。
制御装置50は、蓄電池10において充放電を開始する際、電流センサ30及び電圧センサ40から取得した検出値に基づいて、蓄電池10に対して充放電可能な電力の最大値である充放電可能電力を算出する。ここで充放電可能電力とは、蓄電池10に印加される端子間電圧を所定の目標電圧Vmとなるように調整した場合に蓄電池10において充放電される電力、及び、蓄電池10に流れる通電電流を所定の目標電流Imとなるように調整した場合に蓄電池10において充放電される電力のことを言う。目標電圧Vm、及び、目標電流Imは、例えば、蓄電池10が過充電及び過放電とならないような値に設定されている。そして、制御装置50は、充放電可能電力に基づいて、インバータ21の制御を行い、蓄電池10の端子間電圧V及び蓄電池10に流れる通電電流Iを調整する。
蓄電池10の端子間電圧を充放電の開始時点(t=0)における電圧値V(0)から目標電圧Vmに変化させる場合に、充放電の開始時点からTa秒後(時刻Ta)における充放電可能電力を算出する方法を以下に示す。
図2に示すように、端子間電圧VをV(0)からVmへと変化させる場合の電圧変化量ΔVは、通電電流の変化に伴う電圧変化量ΔVr、蓄電池10内部の容量成分の分極電圧の変化量ΔVc、開放電圧の変化量ΔOCVの和として表される。
ΔV=ΔVr+ΔVc+ΔOCV…(1)
以下、ΔVr,ΔVc,ΔOCVのそれぞれについて説明する。
蓄電池10の端子間電圧Vを変化させると、蓄電池10に流れる通電電流Iが変化する。この通電電流Iの変化によって、蓄電池10の内部抵抗における電圧降下が変化し、通電電流の変化に伴う電圧変化量ΔVrが生じる。その通電電流の変化に伴う電圧変化量ΔVrに応じて蓄電池10の端子間電圧Vが変化する。
また、蓄電池10に電流が流れることで、蓄電池10の内部抵抗を構成する容量成分の分極状態が変化し、蓄電池10の端子間電圧Vが変化する。具体的には、蓄電池10の内部抵抗を構成する容量成分に対して電荷が蓄積又は放出されることで蓄電池10の内部の分極電圧Vcが変化し、その分極電圧の変化量ΔVcに応じて蓄電池10の端子間電圧Vが変化する。
また、充放電の開始時点から時刻Taまでの間、蓄電池10に電流Iが流れ、蓄電池10が充放電されることで、蓄電池10のSOC(State of Charge)が変化し、そのSOCの変化に応じて蓄電池10の開放電圧が変化する。そして、その開放電圧の変化量ΔOCVに応じて蓄電池10の端子間電圧Vが変化する。
つまり、所定期間において蓄電池10の端子間電圧Vが変化してΔV分の電圧変化が生じたとしても、その電圧変化量ΔVの全てが蓄電池10の通電電流(出力端子から入出力される電流)に相関がある訳でなく、電圧変化量ΔVには、電池内部の状態変化に伴い生じた電圧変化分も含まれる。この電圧変化分は、蓄電池10における電荷の蓄積に伴う電圧変化分(ΔVc,ΔOCV)に相当する。ここで、電圧変化量ΔVのうち、蓄電池10における電荷の蓄積に伴う電圧変化分を考慮せずに電流値や電圧値の予測を行い、その予測結果に基づいて電力制御を行う構成では、高精度な電力制御を実施できないものとなる。
ここで、通電電流Iの変化量の予測値をΔI^、Ta秒後の蓄電池10の内部抵抗の値をRt(Ta)とする。この場合、下記式(2)のように、通電電流の変化に伴う電圧変化量ΔVrは、電流の変化量の予測値ΔI^とTa秒後の蓄電池10の内部抵抗の値Rt(Ta)の積として表すことができる。なお、ハット記号(^)は、対象の予測値を表すものとして用いている。
ΔVr=ΔI^・Rt(Ta)…(2)
充放電の開始時点において蓄電池10に流れる通電電流の検出値をI(0)とすると、時刻Taにおける蓄電池10に流れる電流の予測値I^(Ta)は、式(1)及び(2)を用いて、
I^(Ta)=I(0)+ΔI^
=I(0)+ΔVr/Rt(Ta)
=I(0)+(ΔV−ΔVc−ΔOCV)/Rt(Ta)…(3)
として表すことができる。つまり、通電電流の予測値I^(Ta)は、充放電の開始時点における電流の検出値I(0)及び電圧の検出値V(0)、開放電圧の変化量ΔOCV、分極電圧の変化量ΔVc、及び、時刻Taにおける蓄電池10の内部抵抗の値Rt(Ta)に基づいて算出できる。
また、分極電圧Vcは、微少時間Δt秒前の分極電圧Vca及び蓄電池10に流れる通電電流Iに基づいて逐次的に算出することができる。以下、その方法を説明する。分極電圧Vcを算出するために用いる等価回路モデルを図3に示す。蓄電池10の等価回路は、容量成分を含む内部抵抗11と、内部抵抗11を除く電圧源12とから構成される。電圧源12の出力電圧は、定常状態において蓄電池10に電流が流れていない場合の蓄電池10の端子間電圧、即ち、開放電圧と等しい。
ここでは、内部抵抗11について、電流・電圧が変化した場合でも抵抗値が変化しない直流抵抗と、電流・電圧が変化した場合に抵抗値が変化する反応抵抗とから構成されることに着目し、モデル化を行っている。更に、蓄電池中での異なる反応に対応するべく、それぞれ時定数の異なる第1反応抵抗と第2反応抵抗とを用いて反応抵抗をモデル化している。具体的には、内部抵抗11は、直流抵抗を表すRs、第1反応抵抗を表すR1及びC1、第2反応抵抗を表すR2及びC2という3組の回路定数を備え、直流抵抗と、第1反応抵抗及び第2反応抵抗との直列接続体として構成されるようにモデル化している。
また、通電電流I及び端子間電圧Vが変化するとき、容量成分C1,C2は、擬似的な抵抗として働くとともに、電流変化を打ち消す方向に電流を流す。そこで、容量成分C1,C2を、電流源I1,I2及び容量性リアクタンス成分Geq1,Geq2の並列回路としてモデル化している。蓄電池10に電流Iが流れている場合に、容量成分C1,C2が備える電流源I1,I2はそれぞれ、通電電流Iと逆方向に電流Ieq1,Ieq2を出力する。
また、直流抵抗Rsと第1反応抵抗R1,C1との接続点をノードN1とし、第1反応抵抗R1,C1と、第2反応抵抗R2,C2との接続点をノードN2とし、第2反応抵抗R2,C2と電圧源12との接続点をノードN3とする。ここで、ノードN1とノードN3との間の電圧(C1の分極電圧とC2の分極電圧の和)が分極電圧Vcである。また、ノードN2とノードN3との間の電圧(C2の分極電圧)をVc2とする。
リアクタンス成分Geq1及びGeq2は、微少時間Δt及び容量成分C1,C2の容量を用いて、
Geq1=C1/Δt,Geq2=C2/Δt
と表すことができる。
また、電流源I1から流れる電流Ieq1及び電流源I2から流れる電流Ieq2は、微少時間Δt秒前の電圧Vca,Vc2a及び容量性リアクタンス成分Geq1,Geq2を用いて、
Ieq1=Geq1(Vca−Vc2a),Ieq2=Geq2・Vc2a
と表すことができる。
分極電圧Vcを求めるために、図3のノードN1においてキルヒホッフの電流法則を適用すると、
I=−Ieq1+Geq1(Vc−Vc2)+(Vc−Vc2)/R1
という式が得られ、この式を変形することで、
Vc(1/R1+Geq1)+Vc2(−1/R2−Geq1)=I+Ieq1…(4)
という式(4)が得られる。
ここで、
a11=1/R1+Geq1,a12=−1/R1−Geq1,I1=Is+Ieq1
と表すと、式(4)は、
Vc・a11+Vc2・a12=I1
と表すことができる。この式を変形することで、
Vc=(I1−Vc2・a12)/a11…(5)
式(5)が得られる。
次に、式(5)におけるVc2を求めるために、図3のノードN2においてキルヒホッフの電流法則を適用すると、
Ieq1−Geq1(Vc−Vc2)−1/R1(Vc−Vc2)=Ieq2−Geq2(Vc2)−Vc2/R2
という式が得られる。この式を変形することで、
Vc(−1/R1―Geq1)+Vc2(1/R1+1/R2+Geq1+Geq2)=−Ieq1+Ieq2…(6)
という式(6)が得られる。
ここで、
a21=a12=−1/R1−Geq1,a22=1/R1+1/R2+Geq1+Geq2,I2=−Ieq1+Ieq2
と表すと、式(6)は、
Vc・a21+Vc2・a22=I2
と表すことができる。この式と、式(5)とを用いると、
Vc2=(I2−I1・a21/a11)/(a22−a12・a21/a11)…(7)
という式(7)が得られ、この式(7)によって得られる電圧Vc2を式(5)に代入することで、分極電圧Vcを求めることができる。
つまり、等価回路の回路定数R1,C1,R2,C2と、微少時間Δt秒前の分極電圧Vca及び電圧Vc2aと、蓄電池10に流れる通電電流の検出値Iとに基づいて、分極電圧Vcの充放電開始時における値及び将来の予測値を逐次的に算出することができる。このように算出した分極電圧Vcの充放電開始時における値と時刻Taにおける分極電圧Vcの予測値との差から分極電圧の変化量ΔVcを算出することができる。
また、開放電圧の変化量ΔOCVは、以下の方法によって算出できる。充放電が開始されてからTa秒経過するまでの間、蓄電池10に一定電流が流れると仮定して、蓄電池10に蓄積される電荷量を算出する。具体的には、蓄電池10に目標電流Imが流れるとして、蓄電池10に蓄積される電荷量Af=Im・Taを算出する。その電荷量Afに基づいて、蓄電池10のSOCの変化を算出する。そして、その算出されたSOCの変化、及び、SOCと開放電圧との関係を示すマップに基づいて開放電圧の変化量ΔOCVを算出する。
また、時刻Taにおける蓄電池10の内部抵抗の値Rt(Ta)は、上記の回路定数Rs,R1,R2,C1,C2を用いて算出できる。具体的には、蓄電池10に流れる電流Iに増減変化が生じる場合、その電流変化の開始時点から時間Taが経過した時の内部抵抗値Rt(Ta)は、
Rt(Ta)=Rs+R1(1−exp(−Ta/τ1))+R2(1−exp(−Ta/τ2))…(8)
として算出することができる。ここで、時定数τ1及びτ2は、τ1=R1・C1,τ2=R2・C2であり、その値は、例えば、τ1は約0.01sec、τ2は約10secである。なお、直流抵抗は容量成分を持たないため、直流抵抗の時定数τsは0secである。
これら、分極電圧の変化量ΔVc、開放電圧の変化量ΔOCV、及び、時刻Taにおける蓄電池10の内部抵抗の値Rt(Ta)に基づいて、時刻Taにおいて蓄電池10に流れる通電電流の予測値I^(Ta)を算出することができる。通電電流の予測値I^(Ta)を算出すれば、時刻Taにおける充放電可能電力W(Ta)を目標電圧Vmと通電電流の予測値I^(Ta)の積として算出することができる(W(Ta)=Vm・I^(Ta))。
また、上述の方法によって算出された通電電流の予測値I^(Ta)が蓄電池10に流れる通電電流Iの目標電流Imより大きい場合、制御装置50は、蓄電池10に流れる電流Iを目標電流Imで制限する。この場合、制御装置50は、I(Ta)=Imで制限された場合の蓄電池10の端子間電圧の予測値V^(Ta)を算出する。
端子間電圧の予測値V^(Ta)は、充放電の開始時点の端子間電圧の検出値V(0)と電圧変化量の予測値ΔV^との和として算出できる(V^(Ta)=V(0)+ΔV^)。電圧変化量の予測値ΔV^は、通電電流の変化に伴う電圧変化の予測値ΔVr^、開放電圧の変化量ΔOCV、及び、分極電圧の変化量ΔVcの和として算出できる(ΔV^=ΔVr^+ΔOCV+ΔVc)。
ここで、ΔVr^は、
ΔVr^=Rt(Ta)・ΔI=Rt(Ta)・(Im−I(0))
として算出することができる。つまり、電圧の予測値V^(Ta)は、
V^(Ta)=V(0)+Rt(Ta)・(Im−I(0))+ΔOCV+ΔVc
として算出できる。そして、充放電可能電力W(Ta)を、目標電流Imと電圧の予測値V^(Ta)との積として算出する(W(Ta)=Im・V^(Ta))。
図4に本実施形態における充放電可能電力算出処理をフローチャートとして示す。この充放電可能電力算出処理は、制御装置50によって周期的に実施される。
ステップS11において、蓄電池10に対する充電・放電のいずれか一方が開始されるタイミングであるか否かを判定する。
充放電の開始タイミングでないと判定された場合(S11:NO)、処理を終了する。充放電の開始タイミングであると判定された場合(S11:YES)、ステップS12において、内部抵抗値算出手段としての制御装置50は、式(8)を用いてTa秒後における抵抗の予測値Rt(Ta)を算出する。
次に、ステップS13において、充放電の開始時における蓄電池10の電圧の検出値V(0)と、蓄電池10の目標電圧Vmとの差ΔVを算出する。次に、特定変化量算出手段としての制御装置50は、ステップS14及びS15において、特定変化量としての分極電圧の変化量ΔVc及び開放電圧の変化量ΔOCVを算出する。ステップS14において、式(5)及び(7)を用いて分極電圧の変化量ΔVcを算出する。次に、ステップS15において、充放電開始時からTa秒後までに充電に伴って増加する開放電圧の変化量ΔOCVを算出する。次に、ステップS16において、予測値算出手段としての制御装置50は、式(1)を用いて端子間電圧を目標電圧Vmまで変化させた場合にTa秒後に流れる通電電流の予測値I^(Ta)を算出する。
次に、ステップS17において、Ta秒後に流れる通電電流の予測値I^(Ta)が蓄電池10の目標電流Im以下か否かの判定を行う。端子間電圧Vを目標電圧Vmまで変化させた場合にTa秒後に流れる電流の予測値I^(Ta)が、目標電流Im以下の場合(S17:YES)、ステップS18において、電力算出手段としての制御装置50は、目標電圧Vmと電流の予測値I^(Ta)との積を充放電可能電力W(Ta)として処理を終了する(W(Ta)=Vm・I^(Ta))。
端子間電圧を目標電圧Vmまで変化させた場合にTa秒後に流れる電流の予測値I(Ta)が、目標電流Imを超える場合(S17:NO)、予測値算出手段としての制御装置50は、ステップS19〜S21の処理において、蓄電池10に目標電流Imを流した場合の蓄電池10の端子間電圧の予測値V^(Ta)を算出する。
ステップS19において、充放電開始時におけるの電流の検出値I(0)と目標電流Imの差ΔIを算出する(ΔI=Im−I(0))。ステップS20において、蓄電池10に流れる電流がΔI変化することに伴う電圧変化の予測値ΔVr^を、ΔIとTa秒後の内部抵抗値R(Ta)との積として算出する(ΔVr^=ΔI・R(Ta))。
ステップS21において、充放電の開始時点における蓄電池の端子間電圧の検出値V(0)に、ΔVr^、ΔVc及びΔOCVを加算することで、蓄電池10に目標電流Imを流した場合の蓄電池10の端子間電圧の予測値V^(Ta)を算出する(V^(Ta)=V(0)+ΔVr^+Vc+ΔOCV)。そして、ステップS22において、電力算出手段としての制御装置50は、充放電可能電力W(Ta)を目標電流Imと端子間電圧の予測値V^(Ta)との積として算出し、処理を終了する(W(Ta)=Im・V^(Ta))。
以下、本実施形態の奏する効果を述べる。
上記構成では、蓄電池10の充電又は放電を行う場合に、所定期間における端子間電圧Vの変化量ΔVのうち、蓄電池10における電荷の蓄積又は放出に伴う電圧変化分である特定変化量ΔVc及びΔOCVを算出し、その特定変化量ΔVc及びΔOCVを用いて、予測対象値としての通電電流(電流予測値I^(Ta))又は電圧変化量(電圧予測値V^(Ta))を算出するようにした。また、その予測対象値I^(Ta)及びV^(Ta)に基づいて充放電可能な電力を算出するようにした。この場合、蓄電池10における電荷の蓄積又は放出に伴う電圧変化分である特定変化量ΔVc及びΔOCVを考慮して電流予測又は電圧予測を行い、その予測結果に基づいて電力制御を実施できる。その結果、充放電可能な電力を精度良く算出することができる。
具体的には、蓄電池10の端子間電圧の検出値V(0)と蓄電池10の端子間電圧の目標電圧Vmとの差から、特定変化量を減算することで、蓄電池10の端子間電圧が目標電圧Vmに変化した場合における通電電流の変化に伴う電圧変化量ΔVrを算出する。そして、算出された通電電流の変化に伴う電圧変化量ΔVrを蓄電池10の内部抵抗値Rt(Ta)で除算した値を通電電流の検出値I(0)に加算することで、蓄電池10の端子間電圧Vが目標電圧Vmに変化する場合の通電電流の予測値I^(Ta)を精度よく算出することができる。そして、この通電電流の予測値I^(Ta)を用いることで、充放電電力を精度よく算出することができる。
また、端子間電圧の予測値V^(Ta)を算出する場合、蓄電池10に流れる電流の検出値と、目標電流Imとの差を算出し、その差分だけ電流が変化した場合にその変化に伴って変化する電圧変化の予測値ΔVr^を算出する。そして、その算出された通電電流の変化に伴う電圧変化の予測値ΔVr^、特定変化量ΔVc,ΔOCVに基づいて、端子間電圧の予測値V^(Ta)を算出することで、精度よく端子間電圧の予測値を算出することができ、ひいては、充放電可能電力を精度よく算出することが可能となる。
蓄電池10の等価回路は容量成分を含み、この容量成分においては電荷の蓄積が生じる。そして、蓄電池10に対して電流が流れると、容量成分に蓄積される電荷の量が変化することで、容量成分の分極状態は変化する。この分極状態の変化を考慮して特定変化量としての分極電圧の変化量ΔVcを算出し、その分極電圧の変化量ΔVcを用いて、電圧予測又は電流予測を行う構成とした。これにより、蓄電池10に対して充放電可能な電力を精度よく算出することが可能となる。
蓄電池10に対して充放電を行うと、蓄電池10の内部に正電荷又は負電荷が蓄積する。この電荷の蓄積によって、電圧源としての蓄電池10の開放電圧が増加又は減少する。そこで、特定変化量としての開放電圧の変化量ΔOCVを算出し、その開放電圧の変化量ΔOCVを用いて、電圧予測又は電流予測を行う構成とすることで、蓄電池10に対して充放電可能な電力を精度よく算出することが可能となる。
端子間電圧又は通電電流が変化すると、その変化に伴って蓄電池10の内部抵抗Rt(t)が変化する。そこで、蓄電池10の等価回路を構成する回路定数に基づいて、所定時間経過後における蓄電池の内部抵抗を算出する。そして、その算出値Rt(Ta)を用いて、電流予測及び電圧予測を行うことで、精度よく充放電可能電力を算出することが可能となる。
蓄電池10の端子間電圧Vが目標電圧Vmに変化する場合の通電電流の予測値I^(Ta)が、蓄電池10に流れる通電電流の目標電流Im超えるか否かを判定する。通電電電流の予測値I^(Ta)が通電電流の目標電流Imを超える場合、つまり、通電電流が目標電流Imによって制限される場合に、蓄電池10に目標電流Imが流れる場合の蓄電池10の端子間電圧の予測値V^(Ta)を算出する構成とした。このような構成にすることで、蓄電池10の通電電流を目標電流Imに制限しつつ、充放電電力の算出を行うことが可能になる。
(他の実施形態)
・上記実施形態では、制御装置50が充放電可能電力及び放電可能電力の双方を算出する構成としたが、これに代えて、充放電可能電力及び放電可能電力のいずれか一方を算出する構成としてもよい。
・上記実施形態では、通電電流の予測値I^(Ta)が目標電流Imを超える場合に、通電電流Iが目標電流Imに変化した場合の端子間電圧の予測値V^(Ta)を算出する構成としたが、これを省略してもよい。また、通電電流の予測値I^(Ta)が目標電流Imと異なる所定の基準電流を超える場合に、通電電流Iが目標電流Imに変化した場合の端子間電圧の予測値V^(Ta)を算出する構成としてもよい。また、通電電流Iが目標電流Imに変化した場合の端子間電圧の予測値V^(Ta)を算出し、その予測値V^(Ta)が目標電圧Vmを超える場合に、端子間電圧Vが目標電圧に変化した場合の通電電流の予測値I^(Ta)を算出する構成としてもよい。
・特定変化量として、分極電圧の変化量ΔVc及び開放電圧の変化量ΔOCVの和を用いる構成としたが、これに代えて、特定変化量として、分極電圧の変化量ΔVc及び開放電圧の変化量ΔOCVのいずれか一方を用いる構成としてもよい。
・蓄電池10の内部抵抗11の値を時間変化するものとして扱ったが、これに代えて、蓄電池10の内部抵抗11の値を時間変化しない一定値としてもよい。
・上記実施形態では、充放電の開始時に充放電可能電力を算出する構成としたが、これを変更してもよい。例えば、充放電の実施時において、所定期間毎に充放電可能電力を算出する構成としてもよい。
・蓄電池10の内部抵抗11を直流抵抗と2つの反応抵抗の直列接続体とするモデルを用いて表したが、これを代えてもよい。例えば、1の直流抵抗と1つの反応抵抗の直列接続体としてもよいし、直列抵抗を含まない反応抵抗の直列接続体としてもよい。
・目標電圧Vm、及び、目標電流Imを蓄電池10が過充電及び過放電とならないような値に設定したが、これを変更してもよい。例えば、電気負荷20の駆動電圧や、インバータ21の直流交流変換性能などに基づいて設定してもよい。
・蓄電池10をリチウムイオン蓄電池としたが、これに代えて、鉛蓄電池やニッケル水素蓄電池を用いてもよい。
10…蓄電池、50…制御装置。

Claims (7)

  1. 蓄電池(10)に所定期間で電流を流して充電又は放電を行い、その充電又は放電により前記蓄電池の端子間電圧が変化する場合において、前記所定期間の経過後における充放電可能な電力を算出する電池制御装置(50)であって、
    前記蓄電池の充電又は放電を行う場合に、前記所定期間における前記端子間電圧の変化量のうち、前記蓄電池の内部における電荷の蓄積に起因する電圧変化分である特定変化量を算出する特定変化量算出手段と、
    前記所定期間の経過後に前記端子間電圧を所定電圧まで変化させるのに要する前記蓄電池に流れる通電電流と、前記所定期間において所定電流を流した場合に前記所定期間の経過後における前記蓄電池の端子間電圧とのいずれかを予測対象値とし、前記特定変化量算出手段により算出した特定変化量を用いて、前記予測対象値を算出する予測値算出手段と、
    前記予測値算出手段により算出した予測対象値に基づいて、前記充放電可能な電力を算出する電力算出手段と、
    を備えることを特徴とする電池制御装置。
  2. 前記蓄電池の等価回路は容量成分(C1,C2)を含み、
    前記特定変化量算出手段は、前記等価回路の容量成分の分極状態の変化に基づいて、前記特定変化量を算出することを特徴とする請求項1に記載の電池制御装置。
  3. 前記特定変化量算出手段は、前記蓄電池に通電電流が流れることで変化する前記蓄電池の充電率の変化量を算出し、その充電率の変化量に基づいて前記蓄電池の開放電圧の変化を算出し、その開放電圧の変化に基づいて前記特定変化量を算出することを特徴とする請求項1又は2に記載の電池制御装置。
  4. 前記蓄電池の端子間電圧を検出する電圧検出手段(40)及び前記蓄電池に流れる通電電流を検出する電流検出手段(30)から、検出値をそれぞれ取得する検出値取得手段と、
    前記所定期間の開始時における前記端子間電圧の検出値と、前記所定期間の経過後の前記端子間電圧の目標値と、の差である変化電圧を算出する変化電圧算出手段と、を備え、
    前記予測値算出手段は、前記変化電圧に対して前記特定変化量算出手段により算出された特定変化量を減算又は加算して求められた電圧値と、前記蓄電池の内部抵抗値と、前記通電電流の検出値とに基づいて、前記予測対象値としての前記通電電流の予測値を算出する電流予測値算出手段を備えることを特徴とする請求項1乃至3のいずれか1項に記載の電池制御装置。
  5. 前記電流予測値算出手段によって算出された前記通電電流の予測値が、予め定めた基準値を超えているか否かを判定する判定手段と、
    前記所定期間の開始時における前記通電電流の検出値と、前記通電電流の目標値と、の差である変化電流を算出する変化電流算出手段と、を備え、
    前記予測値算出手段は、前記通電電流の予測値が前記基準値を超えていると前記判定手段によって判定された場合に、前記変化電流と前記蓄電池の内部抵抗値とを積算することで求められる、前記蓄電池の内部抵抗に流れる通電電流が変化することで生じる電圧変化分と、前記特定変化量算出手段により算出された特定変化量と、前記端子間電圧の検出値とを減算又は加算して、前記予測対象値としての前記端子間電圧の予測値を算出する電圧予測値算出手段を備えることを特徴とする請求項4に記載の電池制御装置。
  6. 前記蓄電池の端子間電圧を検出する電圧検出手段(40)及び前記蓄電池に流れる通電電流を検出する電流検出手段(30)から、検出値をそれぞれ取得する検出値取得手段と、
    前記所定期間の開始時における前記通電電流の検出値と、前記所定期間の経過後の前記通電電流の目標値と、の差である変化電流を算出する変化電流算出手段と、を備え、
    前記予測値算出手段は、前記変化電流と前記蓄電池の内部抵抗値とを積算することで求められる、前記蓄電池の内部抵抗に流れる通電電流が変化することで生じる電圧変化分と、前記特定変化量算出手段により算出された特定変化量と、前記端子間電圧の検出値とを減算又は加算して、前記予測対象値としての前記端子間電圧の予測値を算出する電圧予測値算出手段を備えることを特徴とする請求項1乃至3のいずれか1項に記載の電池制御装置。
  7. 前記所定期間において前記端子間電圧又は前記通電電流の変化に伴って変化する前記蓄電池の内部抵抗値を、前記蓄電池の等価回路を構成する回路定数(Rs,R1,R2,C1,C2)と経過時間とに基づいて算出する内部抵抗値算出手段を備え、
    前記予測値算出手段は、前記内部抵抗値算出手段によって算出された前記所定期間の経過後の前記蓄電池の内部抵抗値を用いて、前記予測対象値を算出することを特徴とする請求項4乃至6のいずれか1項に記載の電池制御装置。
JP2013254548A 2013-12-09 2013-12-09 電池制御装置 Active JP5929880B2 (ja)

Priority Applications (3)

Application Number Priority Date Filing Date Title
JP2013254548A JP5929880B2 (ja) 2013-12-09 2013-12-09 電池制御装置
DE102014116424.5A DE102014116424B4 (de) 2013-12-09 2014-11-11 Batterie-Steuervorrichtung
US14/563,032 US9618584B2 (en) 2013-12-09 2014-12-08 Battery control device

Applications Claiming Priority (1)

Application Number Priority Date Filing Date Title
JP2013254548A JP5929880B2 (ja) 2013-12-09 2013-12-09 電池制御装置

Publications (2)

Publication Number Publication Date
JP2015114135A true JP2015114135A (ja) 2015-06-22
JP5929880B2 JP5929880B2 (ja) 2016-06-08

Family

ID=53185404

Family Applications (1)

Application Number Title Priority Date Filing Date
JP2013254548A Active JP5929880B2 (ja) 2013-12-09 2013-12-09 電池制御装置

Country Status (3)

Country Link
US (1) US9618584B2 (ja)
JP (1) JP5929880B2 (ja)
DE (1) DE102014116424B4 (ja)

Cited By (7)

* Cited by examiner, † Cited by third party
Publication number Priority date Publication date Assignee Title
JP2018041622A (ja) * 2016-09-07 2018-03-15 日立化成株式会社 シミュレーション方法およびシミュレーション装置
WO2018047258A1 (ja) * 2016-09-07 2018-03-15 日立化成株式会社 シミュレーション方法およびシミュレーション装置
JP2018186101A (ja) * 2015-07-02 2018-11-22 日立オートモティブシステムズ株式会社 電池制御装置、電池パック
WO2022244391A1 (ja) * 2021-05-18 2022-11-24 株式会社Gsユアサ 判定方法、判定装置及びプログラム
WO2023139973A1 (ja) * 2022-01-18 2023-07-27 株式会社Gsユアサ 推定装置、蓄電装置、推定方法及びプログラム
WO2024154520A1 (ja) * 2023-01-19 2024-07-25 株式会社Gsユアサ 推定方法、推定プログラム、推定装置及び蓄電装置
WO2024257748A1 (ja) * 2023-06-15 2024-12-19 株式会社Gsユアサ 予測装置、蓄電装置、予測方法及び予測プログラム

Families Citing this family (3)

* Cited by examiner, † Cited by third party
Publication number Priority date Publication date Assignee Title
US10955479B2 (en) * 2016-05-18 2021-03-23 Vehicle Energy Japan Inc. Battery control device
CN111934369B (zh) * 2019-05-13 2022-09-06 Oppo广东移动通信有限公司 充电方法及装置、设备、存储介质
JP7775720B2 (ja) * 2022-01-20 2025-11-26 株式会社デンソー 二次電池システム

Citations (9)

* Cited by examiner, † Cited by third party
Publication number Priority date Publication date Assignee Title
JP2003303627A (ja) * 2002-04-10 2003-10-24 Hitachi Ltd 状態検知装置及びこれを用いた各種装置
US20070159137A1 (en) * 2003-02-18 2007-07-12 Gm Global Technology Operations, Inc. Method and apparatus for generalized recursive least-squares process for battery state of charge and state of health
JP2009512845A (ja) * 2005-10-21 2009-03-26 ローベルト ボツシユ ゲゼルシヤフト ミツト ベシユレンクテル ハフツング 電気エネルギー蓄積器の電力容量を予測する方法
JP2010169609A (ja) * 2009-01-26 2010-08-05 Calsonic Kansei Corp バッテリシステム及び入出力電力推定方法
JP2010203935A (ja) * 2009-03-04 2010-09-16 Nissan Motor Co Ltd 二次電池の入出力可能電力推定装置
US20110224928A1 (en) * 2010-03-10 2011-09-15 Gm Global Technology Operations, Inc. Battery state estimator using multiple sampling rates
US20120179435A1 (en) * 2011-01-10 2012-07-12 Ford Global Technologies, Llc Method For Determining A Power Capability For A Battery
JP2013507628A (ja) * 2009-10-16 2013-03-04 バイエリッシェ モートーレン ウエルケ アクチエンゲゼルシャフト バッテリの最大可能出力を決定および/または予測する方法
JP2013205021A (ja) * 2012-03-27 2013-10-07 Denso Corp 2次電池の充電相当量算出装置

Family Cites Families (4)

* Cited by examiner, † Cited by third party
Publication number Priority date Publication date Assignee Title
JPH117984A (ja) * 1997-06-13 1999-01-12 Sony Corp 2次電池の容量検出方法
US6850038B2 (en) * 2002-05-14 2005-02-01 Yazaki Corporation Method of estimating state of charge and open circuit voltage of battery, and method and device for computing degradation degree of battery
JP2007121030A (ja) 2005-10-26 2007-05-17 Denso Corp 車両用蓄電装置の内部状態検出装置
JP4375458B2 (ja) 2007-08-01 2009-12-02 株式会社デンソー 2次電池の充電状態推定装置及び充電制御システム

Patent Citations (9)

* Cited by examiner, † Cited by third party
Publication number Priority date Publication date Assignee Title
JP2003303627A (ja) * 2002-04-10 2003-10-24 Hitachi Ltd 状態検知装置及びこれを用いた各種装置
US20070159137A1 (en) * 2003-02-18 2007-07-12 Gm Global Technology Operations, Inc. Method and apparatus for generalized recursive least-squares process for battery state of charge and state of health
JP2009512845A (ja) * 2005-10-21 2009-03-26 ローベルト ボツシユ ゲゼルシヤフト ミツト ベシユレンクテル ハフツング 電気エネルギー蓄積器の電力容量を予測する方法
JP2010169609A (ja) * 2009-01-26 2010-08-05 Calsonic Kansei Corp バッテリシステム及び入出力電力推定方法
JP2010203935A (ja) * 2009-03-04 2010-09-16 Nissan Motor Co Ltd 二次電池の入出力可能電力推定装置
JP2013507628A (ja) * 2009-10-16 2013-03-04 バイエリッシェ モートーレン ウエルケ アクチエンゲゼルシャフト バッテリの最大可能出力を決定および/または予測する方法
US20110224928A1 (en) * 2010-03-10 2011-09-15 Gm Global Technology Operations, Inc. Battery state estimator using multiple sampling rates
US20120179435A1 (en) * 2011-01-10 2012-07-12 Ford Global Technologies, Llc Method For Determining A Power Capability For A Battery
JP2013205021A (ja) * 2012-03-27 2013-10-07 Denso Corp 2次電池の充電相当量算出装置

Cited By (14)

* Cited by examiner, † Cited by third party
Publication number Priority date Publication date Assignee Title
JP2018186101A (ja) * 2015-07-02 2018-11-22 日立オートモティブシステムズ株式会社 電池制御装置、電池パック
US10680453B2 (en) 2015-07-02 2020-06-09 Hitachi Automotive Systems, Ltd. Battery control device
US11247581B2 (en) 2015-07-02 2022-02-15 Vehicle Energy Japan, Inc. Battery control device
JP2018041622A (ja) * 2016-09-07 2018-03-15 日立化成株式会社 シミュレーション方法およびシミュレーション装置
WO2018047258A1 (ja) * 2016-09-07 2018-03-15 日立化成株式会社 シミュレーション方法およびシミュレーション装置
JPWO2018047258A1 (ja) * 2016-09-07 2019-06-24 日立化成株式会社 シミュレーション方法およびシミュレーション装置
WO2022244391A1 (ja) * 2021-05-18 2022-11-24 株式会社Gsユアサ 判定方法、判定装置及びプログラム
JP2022177666A (ja) * 2021-05-18 2022-12-01 株式会社Gsユアサ 判定方法、判定装置及びプログラム
DE112022002645T5 (de) 2021-05-18 2024-02-29 Gs Yuasa International Ltd. Bestimmungsverfahren, Bestimmungsvorrichtung und Programm
US12422489B2 (en) 2021-05-18 2025-09-23 Gs Yuasa International Ltd. Determination method, determination device, and program
WO2023139973A1 (ja) * 2022-01-18 2023-07-27 株式会社Gsユアサ 推定装置、蓄電装置、推定方法及びプログラム
DE112022006426T5 (de) 2022-01-18 2024-10-31 Gs Yuasa International Ltd. Schätzvorrichtung, Energiespeichereinrichtung, Schätzverfahren und Programm
WO2024154520A1 (ja) * 2023-01-19 2024-07-25 株式会社Gsユアサ 推定方法、推定プログラム、推定装置及び蓄電装置
WO2024257748A1 (ja) * 2023-06-15 2024-12-19 株式会社Gsユアサ 予測装置、蓄電装置、予測方法及び予測プログラム

Also Published As

Publication number Publication date
JP5929880B2 (ja) 2016-06-08
DE102014116424B4 (de) 2024-03-07
US20150160301A1 (en) 2015-06-11
US9618584B2 (en) 2017-04-11
DE102014116424A1 (de) 2015-06-11

Similar Documents

Publication Publication Date Title
JP5929880B2 (ja) 電池制御装置
JP6823162B2 (ja) バッテリーの充電状態をキャリブレーションするためのバッテリー管理装置及び方法
JP5393837B2 (ja) バッテリの充電率推定装置
US10408887B2 (en) Method for estimating degradation of rechargeable battery, degradation estimation circuit, electronic apparatus and vehicle including same
CN108885242B (zh) 二次电池劣化估计装置和二次电池劣化估计方法
JP5897701B2 (ja) 電池状態推定装置
CN109313239B (zh) 管理装置以及蓄电系统
JP6672743B2 (ja) 満充電容量算出装置、コンピュータプログラム及び満充電容量算出方法
JP6200359B2 (ja) 二次電池内部温度推定装置および二次電池内部温度推定方法
US20150222132A1 (en) Storage battery management device, and storage battery management method
JP6534746B2 (ja) 電池制御装置及び電池システム
US10393814B2 (en) Secondary battery state detection device and secondary battery state detection method
CN106030326A (zh) 二次电池系统
JP6183283B2 (ja) 車両用二次電池の等価回路のパラメータ推定装置
JP5021561B2 (ja) 組電池の充電制御装置
JP6575308B2 (ja) 内部抵抗算出装置、コンピュータプログラム及び内部抵抗算出方法
JP2013108919A (ja) Soc推定装置
JP2014068468A (ja) 充電制御装置
JP6183336B2 (ja) 充電率算出装置
JP5832380B2 (ja) 組電池のセルの状態推定装置
JP2015215272A (ja) 二次電池状態検出装置および二次電池状態検出方法
JP6631377B2 (ja) 充電量算出装置、コンピュータプログラム及び充電量算出方法
JP2014045626A (ja) 充電制御装置
JP2014176196A (ja) 電池制御装置及び電池制御方法
JP2016130658A (ja) 二次電池の制御装置

Legal Events

Date Code Title Description
A621 Written request for application examination

Free format text: JAPANESE INTERMEDIATE CODE: A621

Effective date: 20150522

A977 Report on retrieval

Free format text: JAPANESE INTERMEDIATE CODE: A971007

Effective date: 20151015

A131 Notification of reasons for refusal

Free format text: JAPANESE INTERMEDIATE CODE: A131

Effective date: 20151027

A521 Request for written amendment filed

Free format text: JAPANESE INTERMEDIATE CODE: A523

Effective date: 20151224

A131 Notification of reasons for refusal

Free format text: JAPANESE INTERMEDIATE CODE: A131

Effective date: 20160119

A521 Request for written amendment filed

Free format text: JAPANESE INTERMEDIATE CODE: A523

Effective date: 20160315

TRDD Decision of grant or rejection written
A01 Written decision to grant a patent or to grant a registration (utility model)

Free format text: JAPANESE INTERMEDIATE CODE: A01

Effective date: 20160405

A61 First payment of annual fees (during grant procedure)

Free format text: JAPANESE INTERMEDIATE CODE: A61

Effective date: 20160418

R151 Written notification of patent or utility model registration

Ref document number: 5929880

Country of ref document: JP

Free format text: JAPANESE INTERMEDIATE CODE: R151

R250 Receipt of annual fees

Free format text: JAPANESE INTERMEDIATE CODE: R250

R250 Receipt of annual fees

Free format text: JAPANESE INTERMEDIATE CODE: R250

R250 Receipt of annual fees

Free format text: JAPANESE INTERMEDIATE CODE: R250

R250 Receipt of annual fees

Free format text: JAPANESE INTERMEDIATE CODE: R250

R250 Receipt of annual fees

Free format text: JAPANESE INTERMEDIATE CODE: R250

R250 Receipt of annual fees

Free format text: JAPANESE INTERMEDIATE CODE: R250

R250 Receipt of annual fees

Free format text: JAPANESE INTERMEDIATE CODE: R250