JP2010084486A - 便座装置 - Google Patents

便座装置 Download PDF

Info

Publication number
JP2010084486A
JP2010084486A JP2008257558A JP2008257558A JP2010084486A JP 2010084486 A JP2010084486 A JP 2010084486A JP 2008257558 A JP2008257558 A JP 2008257558A JP 2008257558 A JP2008257558 A JP 2008257558A JP 2010084486 A JP2010084486 A JP 2010084486A
Authority
JP
Japan
Prior art keywords
toilet
toilet seat
temperature
heater
control mode
Prior art date
Legal status (The legal status is an assumption and is not a legal conclusion. Google has not performed a legal analysis and makes no representation as to the accuracy of the status listed.)
Granted
Application number
JP2008257558A
Other languages
English (en)
Other versions
JP5591461B2 (ja
Inventor
Akira Kaiushi
明 飼牛
Koichi Tokunaga
剛一 徳永
Akira Fujikawa
昌 藤川
Current Assignee (The listed assignees may be inaccurate. Google has not performed a legal analysis and makes no representation or warranty as to the accuracy of the list.)
Sanyo Electric Co Ltd
Sanyo Techno Solutions Tottori Co Ltd
Original Assignee
Sanyo Electric Co Ltd
Tega Sanyo Industry Co Ltd
Priority date (The priority date is an assumption and is not a legal conclusion. Google has not performed a legal analysis and makes no representation as to the accuracy of the date listed.)
Filing date
Publication date
Application filed by Sanyo Electric Co Ltd, Tega Sanyo Industry Co Ltd filed Critical Sanyo Electric Co Ltd
Priority to JP2008257558A priority Critical patent/JP5591461B2/ja
Publication of JP2010084486A publication Critical patent/JP2010084486A/ja
Application granted granted Critical
Publication of JP5591461B2 publication Critical patent/JP5591461B2/ja
Expired - Fee Related legal-status Critical Current
Anticipated expiration legal-status Critical

Links

Images

Landscapes

  • Toilet Supplies (AREA)
  • Bidet-Like Cleaning Device And Other Flush Toilet Accessories (AREA)

Abstract

【課題】夏場では供給される上水温度もトイレ室内の温度も高いため、トイレ不使用中は
温水温度も暖房便座温度も通常状態よりも低く設定しても差し支えない。本発明は、集合
住宅のように窓のないトイレでは、トイレ使用時にはトイレ照明灯60が点灯されるため
、消灯状態ではトイレ不使用状態と判断し、トイレ室内の雰囲気温度が夏場のように高い
ときは、温水ヒータと便座ヒータを、通常通電モードよりも通電率が低下する節電モード
とすることにより、集合住宅として好適な節電効果を奏する便座装置を提供する。
【解決手段】便座装置が設置されたトイレ室内のトイレ照明の点灯状態では、便座ヒータ
と温水ヒータは通常通電制御モードであり、トイレ照明灯の消灯状態では、トイレ室内の
雰囲気温度検知センサが所定温度以上を検知しているときは、便座ヒータと温水ヒータに
よる加温温度を低下する節電制御モードとする。
【選択図】図4

Description

本発明は、暖房便座を開閉自在に支持した便座本体部が洋式便器上に設置され、洗浄ノ
ズルから温水を噴出して人体の局部を洗浄する便座装置に関する。
トイレ内の雰囲気温度検出装置が31℃以上を検出したとき夏場とし、この夏場におい
て便座表面温度を体温程度の36℃付近に保温しておき、着座後に暖房便座の熱源への電
力供給を停止する第1技術と、トイレ使用前は暖房便座の熱源への電力供給を停止してお
り、トイレ内に使用者が進入すると人体センサの検出にて暖房便座の熱源へ電力供給を開
始して、便座表面温度を31℃になるように制御する第2技術が開示されたものがある。
(特許文献1参照)。
特開2000−225077号公報
特許文献1のものは、夏場に便座に着座したときに感じるべたつき感をなくするために
、人体からの蒸泄物が便座により冷やされて結露することを防ぐための技術であり、便座
表面温度を体温程度の36℃付近に保つことにより、その目的を達成するようにしている
本発明は、1DK、1LDKのように1戸の床面積が比較的小さく、独身者向けに建て
られたアパートのような集合住宅に設置される便座装置に関する。最近、このような集合
住宅のトイレも、温水洗浄式で且つ暖房便座である形態の便座装置を設置するようになり
、この便座装置では、加温部へ供給された上水を温水ヒータで温めた温水を人体の局部に
向けて噴射する洗浄ノズルを備え、暖房便座が便座ヒータで加温されている。
一般的に、このような集合住宅の所有者は、光熱費込みの賃貸料でもって入居者に賃貸
する形態である。温水洗浄式で且つ暖房便座は、通常、前記温水ヒータと便座ヒータは、
通電状態のままであり、モデル的部屋ではこれらの電気代は一ヶ月略500円前後である
。集合住宅の所有者としては、これらの電気代が少なくて済むことは直接利益に繋がるた
め、そのための設備投資に余念がない。
このような集合住宅は、間取りの関係から、トイレは窓のない箇所に作られる。このた
め、トイレ使用時にはトイレ照明を点けることが必要である。また、夏場では、供給され
る上水温度もトイレ室内の温度も高いため、トイレ不使用中は温水温度も暖房便座温度も
通常状態よりも低く設定しても差し支えない。
本発明は、このような点に鑑み、集合住宅として好適な節電効果を奏する便座装置を提
供するものである。その手段として、通常、トイレ使用時にはトイレ照明が点灯されるた
め、点灯状態ではトイレ使用状態と判断して、前記温水ヒータと便座ヒータは通常通電モ
ードとする。そして、トイレ照明消灯状態ではトイレ不使用状態と判断し、そのときトイ
レ室内の雰囲気温度が夏場のように高いときは、温水ヒータと便座ヒータを、通常通電モ
ードよりも通電率が低下する節電モードとするように制御することにより、待機状態にお
ける便座装置での消費電力を少なくする技術を提供するものである。
本発明は、便座ヒータで加温する暖房便座を開閉自在に支持した便座本体部が洋式便器
上に設置され、供給された上水を温水ヒータで温める加温部及びこの加温部で温められた
温水を人体の局部に向けて噴射する洗浄ノズルを前記便座本体部に備え、スイッチの操作
によって前記洗浄ノズルによる洗浄を行なう便座装置において、前記便座装置の設置され
たトイレ室内が所定の明るさ以上であることを明るさ検知センサが検知したとき、前記便
座ヒータと前記温水ヒータは通常通電制御モード(使用者が設定した温度または機器に設
定した温度での制御)であり、前記明るさ検知センサが所定の明るさを検知していない状
態において、前記トイレ室内の雰囲気温度検知センサが冬場温度と定めた第1所定温度以
下を検知しているとき、前記便座ヒータと前記温水ヒータを前記通常通電制御モードより
も節電となる第1節電制御モードとし、また、前記雰囲気温度検知センサが前記第1所定
温度より高く春秋温度と定めた第2所定温度以上を検知しているとき、前記便座ヒータと
前記温水ヒータを第1節電制御よりも大きい節電となる第2節電制御モードとし、更に前
記雰囲気温度検知センサが前記第2所定温度より高く夏場温度と定めた第3所定温度以上
を検知しているとき、前記便座ヒータと前記温水ヒータを第2節電制御よりも大きい節電
となる第3節電制御モードとすることを特徴とする。
本発明では、トイレ照明灯が点灯した状態を明るさ検知センサが検知するため、窓のな
いトイレでトイレ照明灯の点灯によって、トイレ使用中であることがキャッチされ、通常
通電制御モードにて便座ヒータと温水ヒータの通電制御を行い、便座と温水の温度を設定
した所定の温度に加温する。また、トイレ室内の雰囲気温度が夏場のように高い温度状態
では、便座と温水の加温温度を低下しても冷たく感じることは殆んどないため、本発明で
は、トイレ不使用中はトイレ照明の消灯状態であり、この状態で便座と温水の温度を低下
した節電制御モードとする。これによって、トイレ照明灯が点灯されてトイレ使用が開始
され、節電制御モードから通常通電制御モードに切り替わった時点で、タイムラグによっ
て便座と温水の温度が直ちに通常加温温度に上昇しなくても、便座に着座した人が冷たく
感じることは殆んどなく、トイレ使用に際する問題はなく、むしろトイレ不使用中の節電
効果が大きいものである。
そして、冬、春秋、夏の3シーズンの温度状態に応じて節電制御モードの制御状態を変
えるため、一律の節電制御モードを行う場合に比して、節電効果を発揮しつつ、トイレ不
使用中の温水と便座の加温温度をトイレ室内の温度に応じた状態に設定できるため、トイ
レ不使用状態からトイレ使用状態になったときの温水と便座の加温状態を適正に維持でき
るものとなる。
便座ヒータで加温する暖房便座を開閉自在に支持した便座本体部が洋式便器上に設置さ
れ、供給された上水を温水ヒータで温める加温部及びこの加温部で温められた温水を人体
の局部に向けて噴射する洗浄ノズルを前記便座本体部に備え、スイッチの操作によって前
記洗浄ノズルによる洗浄を行なう便座装置において、前記便座装置が設置されたトイレ室
内のトイレ照明の点灯状態では、前記便座ヒータと前記温水ヒータは通常通電制御モード
であり、トイレ照明灯の消灯状態では、前記トイレ室内の雰囲気温度検知センサが所定温
度以上を検知しているときは、前記便座ヒータと前記温水ヒータによる加温温度を低下す
る節電制御モードとするものである。以下、本発明の実施形態を図に基づき記載する。
図1は本発明に係る便座装置の斜視図、図2は図1の便座装置の本体ケース及び操作部
の内部構成を一部破断により示す平面図、図3は本発明に係る便座装置の制御回路図、図
4は本発明に係る便座装置の省エネ制御機能図である。
本発明の実施例を先ず図1に基づき説明すると、1は洋式便器2の上に着脱可能に設置
された温水洗浄・暖房便座式の便座装置で、本体ケース3に便座4とこの便座4の上面を
覆う便蓋5を上下方向に開閉自在に枢支している。本体ケース3の一方の側面には給水管
6を突設し、この給水管6にフレキシブルな配管ホース7を接続していると共に、この配
管ホース7は、分岐水栓8を介して上水を供給する市水等の水道管9に接続している。
本体ケース3は、その一方の側面に、前方が上記便座4の側面に沿って延設された操作
部10を一体的に突設しており、操作部10は本体ケース3の一部分を構成する。操作部
10は、この操作部10の上面から操作される後述の複数のスイッチやこのスイッチによ
る動作状態を表示する表示部となるLEDを収納している。
本発明の制御部32を構成する電気部品を取り付ける制御用基板は、単一の構成でもよ
いが、図示の実施例では、操作部10が便座4の側部に配置された構成であるため、制御
回路基板がメイン基板17と操作基板18とで構成されている。なお、制御回路基板が操
作基板18によって全て構成される場合は操作基板18のみである。実施例では前者の方
式である。操作をリモートコントロール方式とする場合は、操作部10の操作基板18の
部分が、本体ケース3から離れてトイレの壁等に取り付けられるリモートコントローラと
なり、この場合の本発明の本体ケース3内の制御用基板は、メイン基板17となる。
図示の構成において、本体ケース3内には、図2に示す様に、主とした機能部品として
、内部に配置した温水ヒータ42で所定温度に加熱する加温部となる温水タンク13と、
この温水タンクと上記給水管6とを接続する給水配管14と、給水配管14に接続した電
磁弁11と減圧弁12、洗浄ノズルセット15と、脱臭機構16と、メイン基板17とを
収納配置している。
洗浄ノズルセット15は、ノズルベース19に一対のおしり用洗浄ノズル20とビデ用
洗浄ノズル21を前後方向に進出及び後退自在に収納し、温水タンク13より洗浄用の温
水は、給湯配管22を通り、かつ、図示しない切り替え弁によって、おしり用洗浄ノズル
20とビデ用洗浄ノズル21のいずれか一方へ供給される。
脱臭機構16は、脱臭用触媒24と、脱臭ファン25と、ファンケース26にて主に構
成し、このファンケース26は、上記洋式便器2のボウルに対向して開口した第1吸気孔
27と、本体ケース3内に開口した第2吸気孔28と、これらの吸気孔から吸引した空気
が上記脱臭用触媒24を通過した後、本体ケース3の外に排出する排気孔29とを設けて
いる。
便座4は、図1に一部断面で示すように、便座4の裏側にアルミニウム箔4Aを介して
絶縁被覆された便座ヒータ41が取り付けられており、便座ヒータ41の発熱によって便
座4が加温される。
操作部10は、図1に一部拡大で示すように、上面開口のボックス状をなし、その中に
絶縁性の操作基板18を水平状態に収納し、操作基板18には、各種の操作スイッチと、
LED表示部が取り付けられている。この操作スイッチとして、おしり(肛門)洗浄開始
スイッチ45、ビデ洗浄開始スイッチ46、洗浄停止スイッチ44、洗浄水の水勢増減ス
イッチ47Pと47Q、温水タンク13の温水温度調節スイッチ48、便座ヒータ41に
よる便座2の温度を可変する便座温度調節スイッチ49が設けられ、また、LED表示部
として、水勢増減スイッチ47Pと47Qに対応して水勢の強中弱の状態を3段階で表示
するLED47L、温水温度調節スイッチ48に対応して温水温度を低中高の3段階で表
示するLED48L、便座温度調節スイッチ49に対応して便座温度を低中高の3段階で
表示するLED49Lが設けられている。
操作部10の上面開口は、前記の各スイッチ及びLEDの対応部分に貫通孔を形成した
カバー板で覆われており、このカバー板の上面は、前記貫通孔を塞ぐようにこれらスイッ
チに対応する部分が可撓性を有し、且つ前記LEDに対応する部分が透光性を有するフィ
ルム10Fで覆われている。このため、これらスイッチ44、45、46、47Pと47
Q、48、49に対応するフィルム10Fの押圧部分44A、45A、46A、47Aと
47B、48A、49Aを押すことによって、対応するスイッチが作動する。なお、便座
4と便蓋5を上下方向に電動機にて開閉する場合には、その開閉スイッチとその押圧部分
を前記スイッチ同様に操作部10に設ければよい。
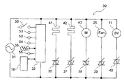
図3は、制御手段となる制御回路30の構成を示すもので、商用電源31にマイクロコ
ンピュータを中心に構成した制御部32を接続し、かつこの制御部の入出力回路には上記
操作基板18を接続し、入力回路には上記便座4への着座を検出する着座スイッチ33と
、便座4の温度を検出する便座用温度センサ35と、トイレ室内の温度を検出する雰囲気
温度検知センサ50と、トイレ室内の明るさを検知する明るさ検知センサ53を接続して
いる。雰囲気温度検知センサ50(室温センサ50ともいう)は、トイレ室内の空気温度
を検出するように、本体ケース3またはその一部である操作部10に形成した窓51内に
トイレ室へ臨むように取り付けられる。また、明るさ検知センサ53(照度センサ53と
もいう)は、本体ケース3またはその一部である操作部10に形成した窓52内にトイレ
室へ臨むように取り付けられる。
商用電源31には、上記制御部32の出力にて各々制御するスイッチング素子36、3
7、38、39、40を介して、便座ヒータ41、温水タンク13内の水を加熱する温水
ヒータ42、上記切り替え弁を駆動する洗浄モータ43、脱臭ファン25、電磁弁11を
接続している。
制御部32は着座スイッチ33により便座4への人体の着座を検出すると、スイッチン
グ素子39を通電して脱臭ファン25を回転し、おしり(肛門)洗浄開始スイッチ45ま
たはビデ洗浄開始スイッチ46が押されると、制御部32はそれに対応したスイッチング
素子38、40を適宜作動して洗浄モータ43の作動にて上記切り替え弁を駆動すると共
に電磁弁11が開き、上記切り替え弁にて切り替えられた方の洗浄ノズル20または21
が進出すると共に、電磁弁11を通して温水タンク13内へ掛かる上水の水圧によって、
温水の洗浄水が選択された方の洗浄ノズル20または21から噴出する。そして、洗浄停
止スイッチ44が押されると、制御部32はスイッチング素子38、40を適宜作動して
洗浄モータ43を作動して、上記切り替え弁を初期位置へ戻すと共に、電磁弁11を閉じ
ることによって水圧を掛からなくして、洗浄水の噴出を停止すると共に進出していた洗浄
ノズル20または21がバネ力にて後退する復帰する。
本発明では、トイレ使用時では、便座ヒータ41と温水ヒータ42は、制御部32の動
作によって、通常通電制御モード(通常通電制御状態)である。この通常通電制御モード
は、温水タンク13の温水の温度は、温度調節スイッチ48のON操作によって使用者が
任意に設定した温度であり、図示のものは、温度調節スイッチ48のON操作ごとに、強
(40℃)中(38℃)弱(35℃)の3段階を選択して設定でき、それに対応して点灯
するLED48Lを備えている。この場合の温水の温度は、温水検知センサ54の検知に
基づく制御部32の動作によって、スイッチング素子37が温水ヒータ42の通電をON
―OFF制御することによって、この設定した温度に制御される。このため、通常通電制
御モードは、設定温度での通電制御モードと称することもできる。
また、この通常通電制御モードは、便座4の加温温度は、便座温度調節スイッチ49の
ON操作によって使用者が任意に設定した温度であり、図示のものは、便座温度調節スイ
ッチ49のON操作ごとに、強(39℃)中(37℃)弱(35℃)の3段階を選択して
設定でき、それに対応して点灯するLED49Lを備えている。この場合の便座4の温度
は、便座用温度センサ35の検知に基づく制御部32の動作によって、スイッチング素子
36が便座ヒータ41の通電をON―OFF制御することによって、この設定した温度に
制御される。
なお、温度調節スイッチ48及びまたは便座温度調節スイッチ49を設けないものでは
、温水の設定温度及びまたは便座4の設定温度は、制御部32に設定した温度であり、通
常通電制御モードにおける制御は、この制御部32に設定した温度での制御となる。
そして、本発明では、トイレ室内の雰囲気温度(空気温度)が夏場のように高い温度状
態では、トイレ不使用時において節電するように、制御部32の動作によって、便座ヒー
タ41と温水ヒータ42による加温温度を低下した制御状態となるように節電制御モード
(節電制御状態)とする。トイレ不使用時で、且つ、雰囲気温度検知センサ50が所定温
度以上(例えば25℃以上)を検知しているときは、温水ヒータ42の通電率を、通常通
電制御モードのときの三分の一乃至三分の二にした節電制御モードとし、また、便座ヒー
タ41の通電率を、通常通電制御モードのときの三分の一乃至三分の二にした節電制御状
態とする。このような節電制御モードによって、夏場のように高い温度状態でのトイレ不
使用時には、便座ヒータ41と温水ヒータ42による加温温度を低下する節電制御モード
となるため、省エネ効果が得られる。そして、トイレ使用状態になると通常通電制御モー
ドとすることにより、温水と便座4を適温状態に維持することができる。
この場合、トイレの使用・不使用の状態検知の一つの方法として、トイレの使用時はト
イレ照明灯が点灯され、トイレ不使用時はトイレ照明灯が消灯されることに着目して、ト
イレの使用・不使用の検知を明るさ検知センサ53で検知することができる。このため、
この節電制御モードにおいて、トイレ使用が開始されたときはトイレ照明灯が点灯される
ため、その明るさを明るさ検知センサ53が検知し、制御部32の動作によって、節電制
御モードから通常通電制御モードに切り替わり、温水ヒータ42の通電状態は、温度調節
スイッチ48のON操作によって使用者が任意に設定した温度設定となる制御状態に復帰
し、また、便座ヒータ41の通電状態は、便座温度調節スイッチ49のON操作によって
使用者が任意に設定した温度設定となる制御状態に復帰する。節電制御モードから通常通
電制御モードへの切り替わりによって、温水温度は通常通電制御温度に復帰し、また便座
4の温度は通常通電制御温度に復帰する。この復帰に要する時間は、略1分程度であるた
め、トイレに入って便座4に着座するまでに要する時間を勘案すれば、着座したときに冷
たく感じる不快感はないものである。
このように、節電制御モードによって、夏場のように高い温度状態でのトイレ不使用時
には、便座ヒータ41と温水ヒータ42による加温温度を低下する節電制御モードとなる
ため、省エネ効果が得られると共に、節電制御モードにおいて、トイレ使用が開始された
ときは、通常通電制御モードに切り替わり、温水の温度と便座4の温度は速やかに上昇す
るため、便座使用者が不快を感じることもない。
なお、トイレの使用・不使用の検知は、上記の他に、トイレ照明灯のON−OFFスイ
ッチの状態を検知する方式、トイレ室内へ人が進入したことを人感センサで検知する方式
、便座4に人が着座したとき作動する着座検出スイッチ33で検知する方式のいずれでも
よい。
トイレ室内の温度は、外気温の変化に応じて変化するため、本発明では、季節に応じた
節電効果を得る技術を提供する。これを図4に基づき説明する。図4において、トイレ照
明灯60の点灯・消灯状態は、明るさ検知センサ53で検知(S1)する。トイレ照明灯
60の点灯を検知(S2)したとき、制御部32の動作によって、便座ヒータ41と温水
ヒータ42は通常通電制御モード(S3)である。一方、トイレ照明灯60が消灯であれ
ば、明るさ検知センサ53が所定の明るさを検知していない状態(S4)であるため、こ
の状態で、トイレ室内の雰囲気温度検知センサ50が、冬、春秋、夏の3シーズンの温度
状態に応じた検知をするように、3段階の検知レベルを設定して、制御部32の動作によ
って冬、春秋、夏の3シーズンに適応した節電制御モードとなるように構成している。
即ち、図4において、トイレ照明灯60が消灯している状態(S4)において、雰囲気
温度検知センサ50による検知(S5)が、冬場温度と定めた第1所定温度(例えば5℃
)以下を検知しているとき(S6)、制御部32の動作によって、便座ヒータ41と温水
ヒータ42を前記通常通電制御モードよりも節電となる第1節電制御モードとする。この
第1節電制御モードでは、通常通電制御モードにおける便座ヒータ41及び温水ヒータ4
2の通電に対して、便座ヒータ41及び温水ヒータ42の通電率を三分の二にした節電制
御状態とする。
また、トイレ照明灯60が消灯している状態(S4)において、雰囲気温度検知センサ
50による検知(S5)が、春秋温度と定めた第2所定温度(例えば15℃)以上で夏場
温度と定めた第3所定温度(例えば20℃または25℃)未満を検知しているとき(S7
)、制御部32の動作によって、便座ヒータ41と温水ヒータ42を第1節電制御よりも
大きい節電となる第2節電制御モードとする。この第2節電制御モードでは、通常通電制
御モードにおける便座ヒータ41及び温水ヒータ42の通電に対して、便座ヒータ41及
び温水ヒータ42の通電率を二分の一にした節電制御状態とする。
また、トイレ照明灯60が消灯している状態(S4)において、雰囲気温度検知センサ
50による検知(S5)が、前記夏場温度と定めた第3所定温度(例えば20℃または2
5℃)以上を検知しているとき(S8)、制御部32の動作によって、便座ヒータ41と
温水ヒータ42を第2節電制御よりも大きい節電となる第3節電制御モードとする。この
第3節電制御モードでは、通常通電制御モードにおける便座ヒータ41及び温水ヒータ4
2の通電に対して、便座ヒータ41及び温水ヒータ42の通電率を三分の一にした節電制
御状態とする。
このように、制御部32の動作によって、冬、春秋、夏の3シーズンの温度状態に応じ
て節電制御モードの制御状態を切り替えることにより、一律の節電制御モードを行う場合
に比して、節電効果を発揮しつつ、トイレ不使用中の温水と便座の加温温度をトイレ室内
の温度に応じた状態に設定できるため、トイレ不使用状態からトイレ使用状態になったと
きの温水と便座の加温状態を適正に維持できるものとなる。なお、トイレ照明灯60が消
灯している状態(S4)において、雰囲気温度検知センサ50による検知(S5)が、S
6〜S8の検知状態でない(S9)とき(例えば、雰囲気温度が6℃〜14℃の範囲)は
、通常通電制御モード(S3)となる。
上記のように、トイレの使用時と不使用時を、トイレ照明灯が点灯しているか否かを明
るさ検知センサ53の検知によって行なう方式では、消灯せずにトイレから出てトイレ照
明灯60が点灯したままであれば、S6〜S8のように雰囲気温度検知センサ50が節電
モードに入るべき所定温度以上または以下を検知していても、節電制御モードに切り替わ
らない。これを防止するために、第1の方式として、着座した便座4から離れたとき、着
座スイッチ33が作動(検出)するため、これによって制御部32に含まれたタイマがス
タートし、所定時間(例えば10分〜30分の間のいずれかの設定時間)内に再びトイレ
使用状態にならないときは、この所定時間経過後に、制御部32によって自動的に節電制
御モードに切り替わる。そして、再びトイレ使用によって着座したことを検出するよう着
座スイッチ33が作動(検出)したとき、上記同様に、通常通電制御モードに切り替わる
ように動作する構成とする。
また、第2の方式として、トイレ室内に対する人の進入・退出を赤外線で検知する人感
センサ55を制御部32に接続し、この人感センサ55の検知に基づき、通常通電制御モ
ードから節電制御モードへの切り替え、および節電制御モードから通常通電制御モードへ
の切り替えを行うと共に、トイレ照明灯60の点灯・消灯を行なう。このようにすれば、
トイレ照明灯60を点灯・消灯する手動スイッチも不要であると共に、人感センサ55の
検知に基づき、トイレ室内からの人の退出に基づき、制御部32の動作によって、強制的
に節電制御モードに切り替わるようになる。そして、再びトイレ使用によって人感センサ
55が人の進入を検知したとき、上記同様に、通常通電制御モードに切り替わるように動
作する。
上記におけるS1乃至S9における全ての動作は、定期的に行なわれるように、制御部
32は、所定のプログラムに従って動作するマイクロコンピュータ制御方式である。
上記のような制御動作が行なわれる状態において、酔っ払った状態で便座4に着座した
場合等では、ややもすると便座に座っている時間が長くなる虞があり、その場合、通常通
電制御モードが長くなり、着座した人が低温やけどになるお虞がある。これを防止するた
めに、通常通電制御モードが所定時間以上(例えば、30分〜60分の間のいずれかの時
間以上)になれば、制御部32のタイマによって、便座ヒータ41の発熱を低下させるか
通電を切る。その方法は、着座スイッチ33が着座を検出したときから前記タイマが作動
し、前記所定時間(30分〜60分)経ったら便座ヒータ41の発熱を低下させるか通電
OFFとするよう、自動的に節電制御モードに切り替わる。これによって、着座時間が長
い場合の低温やけどを防止できる効果がある。そして、トイレ不使用時になれば、着座し
た便座4から離れたとき、着座スイッチ33が作動(検出)するため、制御部32によっ
て、便座ヒータ41と温水ヒータ42は節電制御モードとなる。
本発明は、上記実施例に示した構成に限定されず、種々の形態の便座装置に適用できる
ものであり、本発明の技術範囲において種々の形態を包含するものである。
本発明に係る便座装置の斜視図である。 図1の便座装置の本体ケース及び操作部の内部構成を一部破断により示す平面図である。 本発明に係る便座装置の制御回路図である。 本発明に係る便座装置の省エネ制御機能図である。
符号の説明
1・・・・便座装置
2・・・・洋式便器
3・・・・本体ケース
4・・・・便座
5・・・・便蓋
10・・・操作部
13・・・温水タンク(加温部)
17・・・メイン基板
18・・・操作基板
20・・・おしり用洗浄ノズル
21・・・ビデ用洗浄ノズル
30・・・制御回路
32・・・制御部
35・・・便座用温度センサ
41・・・便座ヒータ
42・・・温水ヒータ
50・・・雰囲気温度検知センサ
53・・・明るさ検知センサ
54・・・温水検知センサ
55・・・人感センサ
60・・・トイレ照明灯

Claims (1)

  1. 便座ヒータで加温する暖房便座を開閉自在に支持した便座本体部が洋式便器上に設置さ
    れ、供給された上水を温水ヒータで温める加温部及びこの加温部で温められた温水を人体
    の局部に向けて噴射する洗浄ノズルを前記便座本体部に備え、スイッチの操作によって前
    記洗浄ノズルによる洗浄を行なう便座装置において、前記便座装置の設置されたトイレ室
    内が所定の明るさ以上であることを明るさ検知センサが検知したとき、前記便座ヒータと
    前記温水ヒータは通常通電制御モードであり、前記明るさ検知センサが所定の明るさを検
    知していない状態において、前記トイレ室内の雰囲気温度検知センサが冬場温度と定めた
    第1所定温度以下を検知しているとき、前記便座ヒータと前記温水ヒータを前記通常通電
    制御モードよりも節電となる第1節電制御モードとし、また、前記雰囲気温度検知センサ
    が前記第1所定温度より高く春秋温度と定めた第2所定温度以上を検知しているとき、前
    記便座ヒータと前記温水ヒータを第1節電制御よりも大きい節電となる第2節電制御モー
    ドとし、更に前記雰囲気温度検知センサが前記第2所定温度より高く夏場温度と定めた第
    3所定温度以上を検知しているとき、前記便座ヒータと前記温水ヒータを第2節電制御よ
    りも大きい節電となる第3節電制御モードとすることを特徴とする便座装置。
JP2008257558A 2008-10-02 2008-10-02 便座装置 Expired - Fee Related JP5591461B2 (ja)

Priority Applications (1)

Application Number Priority Date Filing Date Title
JP2008257558A JP5591461B2 (ja) 2008-10-02 2008-10-02 便座装置

Applications Claiming Priority (1)

Application Number Priority Date Filing Date Title
JP2008257558A JP5591461B2 (ja) 2008-10-02 2008-10-02 便座装置

Publications (2)

Publication Number Publication Date
JP2010084486A true JP2010084486A (ja) 2010-04-15
JP5591461B2 JP5591461B2 (ja) 2014-09-17

Family

ID=42248714

Family Applications (1)

Application Number Title Priority Date Filing Date
JP2008257558A Expired - Fee Related JP5591461B2 (ja) 2008-10-02 2008-10-02 便座装置

Country Status (1)

Country Link
JP (1) JP5591461B2 (ja)

Cited By (3)

* Cited by examiner, † Cited by third party
Publication number Priority date Publication date Assignee Title
JP2012120699A (ja) * 2010-12-08 2012-06-28 Lixil Corp 暖房便座装置
JP2014227799A (ja) * 2013-05-27 2014-12-08 アイシン精機株式会社 温水洗浄装置
JP2016086766A (ja) * 2014-11-07 2016-05-23 ダイキン工業株式会社 動物用の生体情報取得システム

Citations (3)

* Cited by examiner, † Cited by third party
Publication number Priority date Publication date Assignee Title
JPH0351438A (ja) * 1989-07-17 1991-03-05 Matsushita Electric Ind Co Ltd 便器装置
JPH11293740A (ja) * 1998-04-10 1999-10-26 Toto Ltd トイレ装置
JP2000104315A (ja) * 1998-09-29 2000-04-11 Toto Ltd トイレ装置

Patent Citations (3)

* Cited by examiner, † Cited by third party
Publication number Priority date Publication date Assignee Title
JPH0351438A (ja) * 1989-07-17 1991-03-05 Matsushita Electric Ind Co Ltd 便器装置
JPH11293740A (ja) * 1998-04-10 1999-10-26 Toto Ltd トイレ装置
JP2000104315A (ja) * 1998-09-29 2000-04-11 Toto Ltd トイレ装置

Cited By (3)

* Cited by examiner, † Cited by third party
Publication number Priority date Publication date Assignee Title
JP2012120699A (ja) * 2010-12-08 2012-06-28 Lixil Corp 暖房便座装置
JP2014227799A (ja) * 2013-05-27 2014-12-08 アイシン精機株式会社 温水洗浄装置
JP2016086766A (ja) * 2014-11-07 2016-05-23 ダイキン工業株式会社 動物用の生体情報取得システム

Also Published As

Publication number Publication date
JP5591461B2 (ja) 2014-09-17

Similar Documents

Publication Publication Date Title
JP5591461B2 (ja) 便座装置
JP2010084487A (ja) 便座装置
JP2010196447A (ja) トイレ装置
JP4639577B2 (ja) 局部洗浄装置
JP5012008B2 (ja) ミストシステム
JP2001348936A (ja) トイレ用機器
JP2018178413A (ja) 衛生洗浄装置
JP4219517B2 (ja) 人体局部洗浄装置
JP3842242B2 (ja) ビデの節電制御方法
JP3724334B2 (ja) 暖房便座の制御方法
JP2010185214A (ja) 衛生洗浄装置
JP2000300471A (ja) 温水洗浄便座の節電装置
JP2010005361A (ja) 暖房式便座装置
JP2001152523A (ja) 人体局部洗浄装置
JP5369386B2 (ja) 暖房便座およびそれを備えた衛生洗浄装置
JP2004019169A (ja) 温水洗浄便座装置
JP4411919B2 (ja) 温水洗浄便座装置
JP4067015B2 (ja) 暖房便座およびそれを備えた衛生洗浄装置
JPH1189753A (ja) 暖房便座装置
JPH0988153A (ja) 便器電装設備
JP2003024244A (ja) トイレ装置
JP2009165684A (ja) 便座装置
JP2004293855A (ja) 給湯暖房システム
JP2003239356A (ja) 温水洗浄装置
JP3882100B2 (ja) 便座等の加熱制御装置

Legal Events

Date Code Title Description
A621 Written request for application examination

Free format text: JAPANESE INTERMEDIATE CODE: A621

Effective date: 20110928

RD02 Notification of acceptance of power of attorney

Free format text: JAPANESE INTERMEDIATE CODE: A7422

Effective date: 20111115

RD04 Notification of resignation of power of attorney

Free format text: JAPANESE INTERMEDIATE CODE: A7424

Effective date: 20111125

A977 Report on retrieval

Free format text: JAPANESE INTERMEDIATE CODE: A971007

Effective date: 20121128

A131 Notification of reasons for refusal

Free format text: JAPANESE INTERMEDIATE CODE: A131

Effective date: 20130820

A521 Written amendment

Free format text: JAPANESE INTERMEDIATE CODE: A523

Effective date: 20131011

RD01 Notification of change of attorney

Free format text: JAPANESE INTERMEDIATE CODE: A7421

Effective date: 20140128

A521 Written amendment

Free format text: JAPANESE INTERMEDIATE CODE: A821

Effective date: 20140128

TRDD Decision of grant or rejection written
A01 Written decision to grant a patent or to grant a registration (utility model)

Free format text: JAPANESE INTERMEDIATE CODE: A01

Effective date: 20140701

A61 First payment of annual fees (during grant procedure)

Free format text: JAPANESE INTERMEDIATE CODE: A61

Effective date: 20140730

R150 Certificate of patent or registration of utility model

Ref document number: 5591461

Country of ref document: JP

Free format text: JAPANESE INTERMEDIATE CODE: R150

S531 Written request for registration of change of domicile

Free format text: JAPANESE INTERMEDIATE CODE: R313531

S111 Request for change of ownership or part of ownership

Free format text: JAPANESE INTERMEDIATE CODE: R313113

R350 Written notification of registration of transfer

Free format text: JAPANESE INTERMEDIATE CODE: R350

R350 Written notification of registration of transfer

Free format text: JAPANESE INTERMEDIATE CODE: R350

R250 Receipt of annual fees

Free format text: JAPANESE INTERMEDIATE CODE: R250

R250 Receipt of annual fees

Free format text: JAPANESE INTERMEDIATE CODE: R250

R250 Receipt of annual fees

Free format text: JAPANESE INTERMEDIATE CODE: R250

LAPS Cancellation because of no payment of annual fees