JP2010050299A - 偏光純度制御装置及びそれを備えたガスレーザ装置 - Google Patents

偏光純度制御装置及びそれを備えたガスレーザ装置 Download PDF

Info

Publication number
JP2010050299A
JP2010050299A JP2008213529A JP2008213529A JP2010050299A JP 2010050299 A JP2010050299 A JP 2010050299A JP 2008213529 A JP2008213529 A JP 2008213529A JP 2008213529 A JP2008213529 A JP 2008213529A JP 2010050299 A JP2010050299 A JP 2010050299A
Authority
JP
Japan
Prior art keywords
polarization
polarization purity
laser
axis
crystal
Prior art date
Legal status (The legal status is an assumption and is not a legal conclusion. Google has not performed a legal analysis and makes no representation as to the accuracy of the status listed.)
Granted
Application number
JP2008213529A
Other languages
English (en)
Other versions
JP5185727B2 (ja
Inventor
Shinji Nagai
伸治 永井
Fumika Yoshida
文香 吉田
Osamu Wakabayashi
理 若林
Koji Kakizaki
弘司 柿崎
Current Assignee (The listed assignees may be inaccurate. Google has not performed a legal analysis and makes no representation or warranty as to the accuracy of the list.)
Gigaphoton Inc
Original Assignee
Gigaphoton Inc
Priority date (The priority date is an assumption and is not a legal conclusion. Google has not performed a legal analysis and makes no representation as to the accuracy of the date listed.)
Filing date
Publication date
Application filed by Gigaphoton Inc filed Critical Gigaphoton Inc
Priority to JP2008213529A priority Critical patent/JP5185727B2/ja
Priority to US12/545,474 priority patent/US8165181B2/en
Publication of JP2010050299A publication Critical patent/JP2010050299A/ja
Priority to US13/425,825 priority patent/US8891574B2/en
Application granted granted Critical
Publication of JP5185727B2 publication Critical patent/JP5185727B2/ja
Priority to US13/947,910 priority patent/US8902948B2/en
Active legal-status Critical Current
Anticipated expiration legal-status Critical

Links

Images

Classifications

    • HELECTRICITY
    • H01ELECTRIC ELEMENTS
    • H01SDEVICES USING THE PROCESS OF LIGHT AMPLIFICATION BY STIMULATED EMISSION OF RADIATION [LASER] TO AMPLIFY OR GENERATE LIGHT; DEVICES USING STIMULATED EMISSION OF ELECTROMAGNETIC RADIATION IN WAVE RANGES OTHER THAN OPTICAL
    • H01S3/00Lasers, i.e. devices using stimulated emission of electromagnetic radiation in the infrared, visible or ultraviolet wave range
    • H01S3/10Controlling the intensity, frequency, phase, polarisation or direction of the emitted radiation, e.g. switching, gating, modulating or demodulating
    • H01S3/10061Polarization control
    • HELECTRICITY
    • H01ELECTRIC ELEMENTS
    • H01SDEVICES USING THE PROCESS OF LIGHT AMPLIFICATION BY STIMULATED EMISSION OF RADIATION [LASER] TO AMPLIFY OR GENERATE LIGHT; DEVICES USING STIMULATED EMISSION OF ELECTROMAGNETIC RADIATION IN WAVE RANGES OTHER THAN OPTICAL
    • H01S3/00Lasers, i.e. devices using stimulated emission of electromagnetic radiation in the infrared, visible or ultraviolet wave range
    • H01S3/23Arrangements of two or more lasers not provided for in groups H01S3/02 - H01S3/22, e.g. tandem arrangements of separate active media
    • H01S3/2308Amplifier arrangements, e.g. MOPA
    • H01S3/2316Cascaded amplifiers
    • HELECTRICITY
    • H01ELECTRIC ELEMENTS
    • H01SDEVICES USING THE PROCESS OF LIGHT AMPLIFICATION BY STIMULATED EMISSION OF RADIATION [LASER] TO AMPLIFY OR GENERATE LIGHT; DEVICES USING STIMULATED EMISSION OF ELECTROMAGNETIC RADIATION IN WAVE RANGES OTHER THAN OPTICAL
    • H01S3/00Lasers, i.e. devices using stimulated emission of electromagnetic radiation in the infrared, visible or ultraviolet wave range
    • H01S3/005Optical devices external to the laser cavity, specially adapted for lasers, e.g. for homogenisation of the beam or for manipulating laser pulses, e.g. pulse shaping
    • HELECTRICITY
    • H01ELECTRIC ELEMENTS
    • H01SDEVICES USING THE PROCESS OF LIGHT AMPLIFICATION BY STIMULATED EMISSION OF RADIATION [LASER] TO AMPLIFY OR GENERATE LIGHT; DEVICES USING STIMULATED EMISSION OF ELECTROMAGNETIC RADIATION IN WAVE RANGES OTHER THAN OPTICAL
    • H01S3/00Lasers, i.e. devices using stimulated emission of electromagnetic radiation in the infrared, visible or ultraviolet wave range
    • H01S3/14Lasers, i.e. devices using stimulated emission of electromagnetic radiation in the infrared, visible or ultraviolet wave range characterised by the material used as the active medium
    • H01S3/22Gases
    • H01S3/223Gases the active gas being polyatomic, i.e. containing two or more atoms
    • H01S3/225Gases the active gas being polyatomic, i.e. containing two or more atoms comprising an excimer or exciplex
    • H01S3/2251ArF, i.e. argon fluoride is comprised for lasing around 193 nm

Landscapes

  • Physics & Mathematics (AREA)
  • Electromagnetism (AREA)
  • Engineering & Computer Science (AREA)
  • Plasma & Fusion (AREA)
  • Optics & Photonics (AREA)
  • Lasers (AREA)
  • Exposure And Positioning Against Photoresist Photosensitive Materials (AREA)
  • Exposure Of Semiconductors, Excluding Electron Or Ion Beam Exposure (AREA)
  • Laser Beam Processing (AREA)

Abstract

【課題】 機械応力やガス応力等により破損する現象を低減し、偏光純度を高くすると共に、強い紫外線レーザ光照射による劣化を抑制するフッ化カルシウム結晶を用いた偏光純度制御装置及びそれを備えたガスレーザ装置を提供する。
【解決手段】 レーザ光を透過するフッ化カルシウム結晶基板31と、フッ化カルシウム結晶基板31を透過したレーザ光の偏光純度を計測する偏光モニタ35と、偏光モニタ35の計測した偏光純度に応じてフッ化カルシウム結晶基板31の回転角を制御するコントローラ36と、を備えた偏光純度制御装置30において、フッ化カルシウム結晶基板31は、(111)結晶面に平行な入射平面及び射出平面を有する平板からなり、入射角をブリュースタ角で設置され、[111]軸を中心軸としてコントローラ36により回転角を制御される。
【選択図】図12

Description

本発明は、エキシマレーザやフッ素分子レーザ等の半導体露光装置で使用される偏光純度制御装置及びそれを備えたガスレーザ装置に関するものである。
(露光用光源)
半導体集積回路の微細化、高集積化につれて、半導体露光装置においては解像力の向上が要請されている。このため、露光用光源から放出される光の短波長化が進められており、露光用光源には、従来の水銀ランプに代わってガスレーザ装置が用いられている。現在の露光用ガスレーザ装置としては、波長248nmの深紫外光を放出するKrFエキシマレーザ装置、並びに、波長193nmの真空紫外光を放出するArFエキシマレーザ装置が用いられている。次世代の露光技術として、露光用レンズとウエハー間を液体で満たして屈折率を変えることによって、露光光源の見かけの波長を短波長化する液浸技術をArFエキシマレーザ露光に適用しようとしている。ArFエキシマレーザ液浸では、純水を液浸液にした場合134nmの波長になる。また、次々世代の露光用光源として、波長157nmの真空紫外光を放出するF2 (フッ素分子)レーザ装置によるF2 レーザ液浸露光が採用される可能性もある。F2 レーザ液浸では、115nmの波長になると言われている。
(露光用光学素子と色収差)
多くの半導体露光装置の光学系には、投影光学系が採用されている。投影光学系では、異なる屈折率を有するレンズ等の光学素子が組み合わされて色収差補正が行われる。現在、露光用光源であるレーザ波長の248nm〜157nmの波長(紫外線)域では、投影光学系のレンズ材料として使用に適する光学材料は、合成石英とCaF2 以外にはない。このため、KrFエキシマレーザ用の投影レンズとしては、合成石英のみで構成された全屈折タイプの単色レンズが採用され、ArFエキシマレーザ用の投影レンズとしては、合成石英とCaF2 で構成された全屈折タイプの部分色消しレンズが採用されている。ところが、KrFエキシマレーザ、ArFエキシマレーザの自然発振スペクトル線幅は約350〜400pmと広いために、これらの投影レンズを使用すると、色収差が発生して解像力が低下する。そこで、色収差が無視できるまでに、これらのガスレーザ装置から放出されるレーザ光のスペクトル線幅を狭帯域化する必要がある。このため、これらのガスレーザ装置には狭帯域化素子(エタロンやグレーティング等)を有する狭帯域化モジュールがレーザ共振器内に設けられ、スペクトル線幅の狭帯域化が実現されている。
(液浸リソグラフィーと偏光照明)
上記したように、ArFエキシマレーザ液浸リソグラフィーの場合、媒体としてH2 Oを使用したとき、屈折率が1.44になるため、屈折率に比例するレンズ開口数NAは原理的に従来の開口数に対して1.44倍に増やすことができる。NAが高くなるにつれ、光源であるレーザ光の偏光純度の影響が大きくなる。偏光の向きがマスクパターンの方向に平行であるTE偏光の場合は影響がないが、それが直交するTM偏光の場合は、像のコントラストが低くなってしまう。これは、後者の場合、ウエハー上の焦点における電界のベクトルが異なる方向であるため、ウエハーへの入射角が大きくなるに従い、電界のベクトルが同一である前者に比べ、強度が弱くなってしまうためである。この影響はNAが1.0に近づくか超える場合に強くなり、ArFエキシマレーザ液浸はこの場合に該当する。そのため、以上のように露光装置の照明系では、所望の偏光状態を制御する必要がある。この偏光照明の制御には、露光装置の照明系に入力されるレーザの偏光状態が直線偏光であることが要求されている。偏光純度は、計測される直線偏光と非直線偏光の割合であ
り、レーザの偏光は、偏光純度が高く維持されることが要求されている。図20に示されるように、偏光子を回転させて、透過光強度の最大値Imax及び最小値Iminを測定したときに、偏光純度は、以下の式で示される。
P=(Imax−Imin)/(Imax+Imin) ・・・(1)
(偏光純度を高めるための従来技術)
レーザ光の偏光純度を高めるための技術として、これまでに特許文献1と特許文献2に記載の技術がある。
特許文献1に記載のものは、レーザに使用する光学素子のフッ化カルシウム結晶の(100)面に垂直にレーザ光の光軸が透過するようにして、光学素子内部を光が通過するときに受ける真性複屈折による偏光純度の悪化を防ぐ方法である。
しかしながら、上記の従来技術には、次に述べるような問題がある。
レーザ光の偏光純度はレーザ装置内の光学素子をレーザ光が通過するときに、光学素子の複屈折によって悪化する。複屈折には、外部からの機械応力や熱応力による応力複屈折と、それらの応力が無い状態でも、その結晶構造によって発現する本来的に存在する真性複屈折がある。
特許文献1に記載のものでは、光学素子の(100)面に垂直にレーザ光が通過するように配置することによって、真性複屈折による偏光純度の悪化を防いでいるが、応力を与えたときに発生する応力複屈折は、(100)面に垂直な[100]方向が最も大きく、チャンバウィンドウとして使用する場合、ウィンドウのホールド時の応力やチャンバ内の数気圧のガスによる圧力、また、レーザ照射による発熱応力等によって応力複屈折が発生する可能性がある問題があった。
また、カット面は(111)面と17.58°または26.76°をなす角度でカットして、このカット面をチャンバウィンドウの両面としているため以下の2つの課題が発生していた。一つは、このカット面を表面荒さが小さな高精度研磨ができないため、レーザ照射による表面損傷の閾値が低くなっていた。二つ目は、チャンバウィンドウとして使用する場合、約4000hPaのガス圧力がかかるため、例えば、壁界しやすい(111)面で、破損する可能性があった。さらに、カット面を(111)面と17.58°でカットした場合には、チャンバウィンドウと光軸とのなす角度は、70°となり、P偏光とS偏光のフレネル反射がそれぞれ4.2%と30.0%なり、このウィンドウを透過することにより、P偏光成分は選択されるが、P偏光のフレネル反射が大きいため、レーザの出力を確保することができないという問題があった。
そこで、特許文献2のように、2つの平面を備えて紫外線がその1つの平面2から入射し、他の平面から射出するフッ化カルシウム結晶からなるウィンドウ等の紫外線ガスレーザ用光学素子において、少なくとも一方の平面がフッ化カルシウム結晶の(110)結晶面に平行である紫外線ガスレーザ用光学素子により、真性複屈折及び応力複屈折による偏光純度の悪化を防止すると共に、カット面を平滑にしてレーザ照射により割れや欠陥の発生を防止する技術が開示されている。
また、1/2波長板と偏光子を光軸上に配置し、回転させて、その偏光方位を制御し、偏光純度を高める技術が開示されている(特許文献3)。
米国特許出願公開第2003/219056号明細書 特開2006−73921号公報 特開2006−179600号公報
しかしながら、特許文献2に示す技術では、真性複屈折及び応力複屈折による偏光純度の悪化を防止すると共に、フッ化カルシウム結晶のカット面を(110)面にすることにより、ウィンドウに対して垂直方向にかかるチャンバガス圧力やウィンドウをホールドするための機械応力によって、使用時に、へき開する可能性があった。また、結晶内部で(111)面に沿ってスリップしたり、これにより、ウィンドウが割れたりしてしまう可能性があった。
また、特許文献3に示す技術では、p偏光のみを通過させる偏光子を通過することで、偏光純度を高めているおり、s偏光成分は反射や光軸を変更して除外している。
そのため、s偏光成分の光強度が失われ、損失が発生することになる。損失を補償するためには、チャンバのガス応力を増加させたり、放電電圧を増加させる必要がある。チャンバのガス応力を増加させた場合、ガス応力が増加し、偏光純度が低下する原因のチャンバウィンドウにかかる負荷が増大することになり、装置の寿命が短くなる問題があった。また、放電電圧を増加させた場合、光エネルギ密度の高い光軸上に置いたps分離膜やローションプリズム等の偏光子にかかる負荷が増加し、短時間で損傷してしまう問題があった。さらに、偏光純度を制御することはできなかった。
本発明は従来技術のこのような問題点に鑑みてなされたものであり、その目的は、機械応力やガス応力等により破損する現象を低減し、偏光純度を制御すると共に、強い紫外線(特にArF)レーザ光照射による劣化を抑制するフッ化カルシウム結晶を用いた偏光純度制御装置及びそれを備えたガスレーザ装置を提供することである。
そのために、本発明の偏光純度制御装置は、レーザ光を透過するフッ化カルシウム結晶基板と、フッ化カルシウム結晶基板を透過したレーザ光の偏光純度を計測する偏光モニタと、前記偏光モニタの計測した偏光純度に応じて前記フッ化カルシウム結晶基板の回転角を制御するコントローラと、を備えた偏光純度制御装置において、前記フッ化カルシウム結晶基板は、(111)結晶面に平行な入射平面及び射出平面を有する平板からなり、入射角をブリュースタ角で設置され、[111]軸を中心軸として前記コントローラにより回転角を制御されることを特徴とする。
また、前記フッ化カルシウム結晶基板を複数有する。
また、レーザ光の状態を計測するモニタモジュールを有し、前記フッ化カルシウム結晶基板は、前記モニタモジュールへレーザ光を入射するために、レーザ光を分割する。
さらに、本発明の偏光純度制御装置を備えたガスレーザ装置は、チャンバと、チャンバ内部に封入されたレーザガスと、そのレーザガスを励起する手段と、励起されたレーザガスから発生するレーザ光がチャンバ外部へ出射するためにチャンバに設けられたウィンドウと、前記ウィンドウから出射したレーザ光の偏光純度を制御する前記偏光純度制御装置と、を備えた。
機械応力やガス応力等により破損する現象を低減し、偏光純度を制御すると共に、強い紫外線(特にArF)レーザ光照射による劣化を抑制することができる。
以下、本発明に係る実施形態の真空紫外レーザ装置について説明する。
図1は、CaF2 の結晶格子を示す。本実施形態では、CaF2 の結晶は、結晶方位に合わせて(111)面でカットされる。CaF2 結晶は、図1に示すような、面心立方格子で構成されている。
図2に示すように、CaF2 結晶の軸[001]、[100]に対する光の進行方向Lの角度θとφを定義すると、図2のφ=45°、θ=54.74°の方向が[111]軸
方向となる。(111)面の表面は他の結晶軸表面よりも、一番硬いため、表面粗さが小さく、潜傷が少ない研磨が可能となる。
次に、光軸LがCaF2 結晶3を通過する状態について説明する。
図3は、本実施形態によるCaF2 (フッ化カルシウム)を用いた回転前のCaF2 結晶3を示す断面図、図4は、回転後のCaF2 結晶3を示す上面図である。
図3は、CaF2結晶3を[001]軸、[110]軸及び[111]軸を含む断面で
見た図である。CaF2 結晶からなるCaF2結晶3は、(111)面に対して、平行な
面の第1表面3a及び第2表面3bで研磨されている。例えば、本実施形態では、[001]軸、[110]軸及び[111]軸を含む面内で、入射角度α=55.7°でCaF2 結晶3に対してレーザビームがCaF2結晶3の中央に入射する。すると、第1表面3
aにおいて、光がスネルの法則にしたがって、屈折角度β=33.4°で屈折する。この時、CaF2 内部の屈折光軸LがCaF2 結晶の[001]軸、[110]軸及び[111]軸を含む面内で、且つ、[111]軸と[001]軸のなす角度の間(0°<γ<54.7°)を透過するように、CaF2 結晶3を配置する。そして、CaF2 結晶3内を透過して、第2表面3bで再び、第1表面3aと同様にスネルの法則にしたがって、レーザ光は、[001]軸、[110]軸及び[111]軸を含む面内で、出射角α=55.7°でCaF2 結晶3から出射する。
本実施形態では、この状態からCaF2結晶3を、[111]軸を中心軸として角度θ
回転した位置に設置する。
図4はCaF2 結晶3を[111]軸の真上から見た図であり、CaF2 結晶3の各面方位軸を放射状に示している。CaF2 結晶3は、図1に示したような面心立方格子であるため、結晶方位の軸は[111]軸を対称軸とすると3回対称となる。したがって、CaF2 結晶3の[111]軸の真上から見て、[001]軸を基準軸とし、時計回りの角度を負とし、反時計回りの角度を正とすると、[001]軸と[011]軸とのなす角度−60度、[001]軸と[010]軸となす角度は−120度、[001]軸と[110]軸とのなす角度は180度、[001]軸と[101]軸とのなす角度は60度、[001]軸と[100]軸とのなす角度は120度となる。
図4に示すように、CaF2 結晶3は、結晶内に入射したレーザ光が[111]軸と[001]軸を含む面を通過する配置に対して、[111]軸を中心軸として角度θ°回転した位置に設置される。
次に、複屈折による偏光の変化を説明する。一般に、結晶内を伝播する光は、互いに直交する2つの直線偏波状態の波の線形結合であり、それぞれの位相速度と振幅の大きさで、偏光状態と偏光方向が決まる。結晶内に熱応力や機械応力等による複屈折が発生すると、結晶中を伝播する光ビームの位相速度がその偏波方向に依存してずれていく。これによ
り、結晶中を伝播する光は、結晶中の互いに直交する進相軸と遅相軸方向の2方向に分けた時、2方向の伝播する光の速度(複屈折であるため)が異なることによって、それぞれの位相が変化する。
この現象のため、図5に示すように、例えば、直線偏光を入射した場合、楕円偏光(2つ成分の位相差が90°ずれた場合は円偏光)となって、偏光状態が変化して出射する。複屈折による位相差の大きさは、光が伝播する結晶方位によって異なる。光学軸となる結晶方位に伝播した場合は、複屈折性が無いため、位相差は0である。CaF2結晶の真性
複屈折のみを考えた場合では、光学軸は、[111]軸と[001]軸、[100]軸又は[010]軸とこれに等価な軸となる。また、図6に示すように、入射する光の偏波方向が、結晶の進相軸または遅相軸と平行もしくは、垂直であれば、2成分に分かれないため、位相差は発生しない。
次に、チャンバ1で使用する光入射角で計測用CaF2 結晶を設置して、[111]軸を中心軸として回転させ、光の伝播方向の結晶方位を変化させて、その偏光状態の変化を観測した結果を示す。
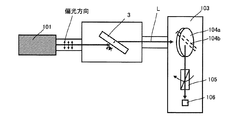
図7は、偏光状態観測実験系を示す図である。使用したレーザ光は直線偏光の狭帯域ArFレーザ101(4kHz,10mJ)を用い、CaF2 結晶3は、入射角α=55.7°で設
置し、入射するレーザの偏光方向も、実際の装置と合わせて、図7に示すように紙面と平行方向で入射させた。CaF2 結晶3を通過したレーザ光は、偏光度計測器103に入れて、その直線偏光純度を計測した。偏光度計測器103では、光路を折り返すことによって、反射するレーザ光の偏光度が変化しない様に、2枚の折り返しウィンドウ104a,104bを使用している。ローションプリズム105を通過し、センサー106で出力を計測する。そして、ローションプリズム105を回転させて出力を計測し、前述した式(1)で、直線偏光純度を計測した。図8に示すように、CaF2 結晶3は、(111)面カットのものを使用し、[111]軸を回転中心として、10°間隔で回転させながら、0〜360°の範囲にわたって、その直線偏光純度の変化を計測した。
図9は、入射レーザ光の偏光度を99.9%にした場合の回転角度に対する直線偏光純度の計測結果を示すグラフである。θ=0°は、光軸Lが[001]軸方向であることを示す。回転角度θのプラス方向は、CaF2 結晶3を反時計方向に回転させた時を示す。
図9に示すように、θ=30°,90°,150°と60°間隔で、偏光度が低下しているのが分かった。逆に、θ=0°,60°,120°の方位では、偏光度が変化していないことが分かった。これにより、[001]軸, [101]軸の方向に光が伝播した場合は、その位相差は変化せず、その中間の角度で、位相差が変化していることが分かった。特に、[001]軸方向から、30°ずれた角度が、位相差変化が最大になる角度となっていることが分かった。
図10は、入射レーザ光の偏光度を97.1%にした場合の回転角度に対する直線偏光純度の計測結果を示すグラフである。この結果も、同じ様に、θ=0°,60°,120°付近で、透過後のレーザ偏光度は入射光と同じで変わらないが、θ=30°,90°,150°付近で偏光度の変化が最大になっている。
つまり、[001]軸, [101]軸の方向に光が伝播した場合は、その位相差は変化せず、その中間の角度で、位相差が変化している。特に、[001]軸方向から、30°、90°ずれた角度が、位相差変化が最大となっている。位相変化により偏光度が良くなるのは、結晶を通過することによって、もともとずれていた位相差が小さくなる方向へシフトしたためである。
図11は、入射光のパルスエネルギーを変化させた時の回転角度に対する直線偏光純度の計測結果を示すグラフである。入射するレーザ光のパルスエネルギーを変化させた時、この特性の振幅(位相差の大きさ)が変化することも分かった。つまり、熱応力による応力複屈折の大きさが変化していることになる。
このため、この特性は、応力複屈折に対する特性であり、[001]軸や[101]軸方向が進相軸あるいは、遅相軸である(あるいは光学軸)ため、この方向に光を伝播させると、位相差は変化しないが、その中間の30°で、位相差が最大になることが分かった。
図12は、2ステージレーザシステム1の主として光学系の概略の構成と、その中での本発明にかかる第1実施形態の偏光純度制御装置の配置例を示す。
2ステージレーザシステム1は、発振用レーザ10とその発振用レーザ10から発振されたレーザ光(シード光)を入射させて増幅する増幅用レーザ20とからなるもので、特に狭帯域で40W以上の高出力が必要な露光用のArFエキシマレーザ装置やF2レーザ
装置で採用されているものである。
発振用レーザ10にはレーザガスが封入されるチャンバ11と、共振器を構成する狭帯域化モジュール14及び出力鏡としての部分反射ミラー15とが含まれ、さらに、図示していないレーザガス励起システムや制御系、さらには、冷却系、ガス交換システム等が含まれる。
チャンバ11には、光軸L上に2つのウィンドウ12と13が取り付けてある。また、狭帯域化モジュール14には、ビーム拡大光学系を構成する単数あるいは複数のビーム拡大プリズム16(図では2個)と、狭帯域化素子としてのグレーティング17(又はエタロン)が含まれる。
増幅用レーザ20も、レーザガスが封入されるチャンバ21と、共振器を構成する部分反射ミラー24、25とが含まれ、さらに、図示していないレーザガス励起システムや制御系、さらには、冷却系、ガス交換システム等が含まれる。
チャンバ21には、光軸L上に2つのウィンドウ22と23が取り付けてある。なお、図12においては、発振用レーザ10から発振されたレーザ光は、ミラー18と19でそれぞれ反射されて増幅用レーザ20に入射するように構成されている。
部分反射ミラー25から出射したレーザ光は、光学パルスストレッチャ50を通過し、偏光純度制御装置30に入射する。
偏光純度制御装置30は、CaF2 結晶基板31と、CaF2 結晶基板31を取り付けた回転ステージ32と、CaF2 結晶基板31と回転ステージ32を有する制御モジュール33と、CaF2 結晶基板31の後段でレーザ光の一部を取り出すビームスプリッタ34と、ビームスプリッタ34から取り出したレーザ光を入射し、レーザ光の偏光純度を計測する偏光モニタ35と、偏光モニタ35で計測した偏光純度の出力信号から制御の必要性を判断し、必要であればCaF2 結晶基板31の回転量を求めるコントローラ36と、コントローラ36の計算した回転量を受け、回転ステージ32を回転させる回転ドライバ37と、を備える。
CaF2 結晶基板31は、POレーザ20以降のレーザ光軸上に、(111)面で表面を研磨し、入射角がブリュースタ角になるようにし、かつ、[111]軸で回転可能な平行平板からなる。
偏光モニタ35には、特開2007−214189号公報に開示したいずれかの技術を適用するのが好ましい。例えば、図13に示すように、偏光モニタ用CaF2 結晶基板35aにps分離膜35bを施した基板を使用し、レーザ光のp偏光成分と、s偏光成分を計測する。偏光純度が悪化すると、s偏光成分が増加するので、その比率で偏光純度を計測することができる。
次に、第1実施形態の偏光純度制御装置30の制御フローチャートの第1実施例について説明する。図14は、偏光純度制御装置30の制御フローチャートの第1実施例を示す図である。
まず、ステップ1で、パラメータとして、所望の偏光純度POと、制御を実行する偏光純度としての閾値Pthを設定する(ST1)。続いてステップ2で、予め定めたレーザ動作中の偏光純度をチェックする計測ショット数か否か判断する(ST2)。
ステップ2において、計測ショット数でない場合、ステップ2に戻る。ステップ2において、計測ショット数である場合、ステップ3で、偏光モニタ35で偏光純度Pを計測する(ST3)。
次に、ステップ4で、ステップ3において計測した偏光純度Pが、ステップ1において設定した閾値Pthより小さいか否か判断する(ST4)。
ステップ4において、偏光純度Pが閾値Pthより小さくないと判断した場合、ステップ2に戻る。ステップ4において、偏光純度Pが閾値Pthより小さいと判断した場合、ステップ5で、現在の偏光純度P、所望偏光純度P0、現在のCaF2 結晶基板31の回転位置θから予め定めた偏光純度テーブルより制御モジュール33の回転角θaを求める(ST5)。ただし、偏光純度テーブルとは、図9や図10に示すように、入射レーザ偏光純度に対して、回転角と結晶透過後の偏光純度の関係を表にしたものであり、この表により、所望偏光純度P0にするための回転角θaを求める。また、偏光純度テーブルは素子により異なるものである。
次に、ステップ6で、回転ドライバ37に信号を送信し、現在のCaF2 結晶基板31の回転ステージ32をdθ(dθ=θa―θ)回転させる(ST6)。ここで、θ=θa,n=n+1とする。
次に、ステップ7で、制御ルーチンの回数nが規定数nthを超えて、n>nthであるか否かを判断する(ST7)。ステップ7において、制御ルーチンnを制御ルーチン規定数nth回繰り返しておらず、n>nthでないと判断した場合、ステップ3に戻る。ステップ7において、制御ルーチンnを制御ルーチン規定数nth回繰り返し、n>nthであると判断した場合、偏光純度異常と判断し、異常信号を出して制御を終了する。
次に、第1実施形態の偏光純度制御装置30の制御フローチャートの第2実施例について説明する。図15は、偏光純度制御装置30の制御フローチャートの第2実施例を示す図である。
まず、ステップ11で、パラメータとして、所望の偏光純度POと、制御を実行する偏光純度としての閾値Pthを設定する(ST11)。続いてステップ12で、予め定めたレーザ動作中の偏光純度をチェックする計測ショット数か否か判断する(ST12)。
ステップ12において、計測ショット数でない場合、ステップ12に戻る。ステップ12において、計測ショット数である場合、ステップ13で、偏光モニタ35で偏光純度P
を計測する(ST13)。ここで、dP=P0―Pとする。
次に、ステップ14で、ステップ13において計測した偏光純度Pが、ステップ11において設定した閾値Pthより小さいP<Pthか否か判断する(ST14)。
ステップ14において、偏光純度Pが閾値Pthより小さくないと判断した場合、ステップ12に戻る。ステップ14において、偏光純度Pが閾値Pthより小さいと判断した場合、ステップ15で、回転ドライバ37に信号を送信し、現在のCaF2 結晶基板31の回転ステージ32を予め定めた微小回転角dθに係数kを掛けた+kdθ回転させる(ST15)。ここで、n=n+1とする。
次に、ステップ16で、回転後、再度偏光モニタ35により偏光純度Pnを計測する(ST16)。ここで、dPn=P0−Pnとする。
次に、ステップ17で、計測した偏光純度がdPn<dPか否か判断する(ST17)。ステップ17において、dPn<dPでないと判断した場合、所望する偏光純度P0から遠ざかり、回転方向が逆であるため、k=k・(−1)とし、ステップ15に戻る。
ステップ17において、dPn<dPであると判断した場合、ステップ18で、偏光純度が許容値Paを加味した範囲に到達しているか否か、すなわちdPn<P0±Paであるか否か判断する(ST18)。ステップ18において、dPn<P0±Paであると判断した場合、ステップ12に戻る。
ステップ18において、dPn<P0±Paでないと判断した場合、ステップ19で、制御ルーチンの回数nが規定数nthを超えて、n>nthであるか否かを判断する(ST19)。
ステップ19において、制御ルーチンnを制御ルーチン規定数nth回繰り返しておらず、n>nthでないと判断した場合、ステップ15に戻る。ステップ19において、制御ルーチンnを制御ルーチン規定数nth回繰り返し、n>nthであると判断した場合、ステップ20で、偏光純度Pnが閾値Pthより小さいPn<Pthであるか否かを判断する(ST20)。ステップ20において、Pn<Pthである場合、ステップ12に戻る。ステップ20において、Pn<Pthでない場合、異常信号を出して、制御を終了する。
次に、第2実施形態について説明する。第2実施形態は、偏光純度制御装置30に複数のCaF2結晶基板31を設けたものである。例えば、図16に示すように、第1CaF2 結晶基板31a、第1回転ステージ32a、第1CaF2 結晶基板31aと第1回転ステージ32aを有する第1制御モジュール33a及び第1回転ドライバ37a、並びに、第2CaF2 結晶基板31b、第2回転ステージ32b、第2CaF2 結晶基板31bと第2回転ステージ32bを有する第1制御モジュール33b及び第2回転ドライバ37bを備える。その他の構造については第1実施形態と同様なので、説明は省略する。
第2実施形態の偏光制御装置30は、第1CaF2 結晶基板31aを含む第1制御モジュール33aを制御しても、所望の偏光純度まで改善できない場合、第2CaF2 結晶基板31bを含む第2制御モジュール33bの制御を開始して、偏光純度を所望の値まで戻すものである。当初は第1CaF2 結晶基板31aのみを制御し、第2CaF2 結晶基板31bはθ=0とし、制御しないのが好ましい。また、CaF2 結晶基板31は、2個に限らず、2個以上設け、順次制御する構成としてもよい。この場合、基板表面での損失を防ぐために入射角はp偏光成分で反射率が0になるブリュースタ角にするとよい。
次に、第2実施形態の偏光純度制御装置30の制御フローチャートの第1実施例について説明する。図17は、偏光純度制御装置30の制御フローチャートの第1実施例を示す図である。
まず、ステップ21で、パラメータとして、所望の偏光純度P0と、制御を実行する偏光純度としての閾値Pthを設定する(ST21)。続いてステップ22で、予め定めたレーザ動作中の偏光純度をチェックする計測ショット数か否か判断する(ST22)。
ステップ22において、計測ショット数でない場合、ステップ22に戻る。ステップ22において、計測ショット数である場合、ステップ23で、偏光モニタ35で偏光純度Pを計測する(ST23)。ここで、dP=P0−Pとする。
次に、ステップ24で、ステップ23において計測した偏光純度Pが、ステップ21において設定した閾値Pthより小さいP<Pthか否か判断する(ST24)。
ステップ24において、偏光純度Pが閾値Pthより小さくないと判断した場合、ステップ22に戻る。ステップ24において、偏光純度Pが閾値Pthより小さいと判断した場合、ステップ25で、現在の偏光純度P、所望偏光純度P0、現在のCaF2 結晶基板31の回転位置θから予め定めた偏光純度テーブルより制御モジュール33の回転角θaを求める(ST25)。ただし、偏光純度テーブルとは、図9や図10に示すように、入射レーザ偏光純度に対して、回転角と結晶透過後の偏光純度の関係を表にしたものであり、この表により、所望偏光純度P0にするための回転角θaを求める。また、偏光純度テーブルは素子により異なるものである。
次に、ステップ26で、回転ドライバ37に信号を送信し、現在のCaF2 結晶基板31の回転ステージ32をdθ(dθ=θa―θ)回転させる(ST26)。ここで、θ=θa,n=n+1とする。
次に、ステップ27で、制御ルーチンの回数nが規定数nthを超えて、n>nthであるか否かを判断する(ST7)。
ステップ27において、n>nthであると判断した場合、ステップ28で、制御モジュールの数m=mmaxであるか否か、すなわちモジュールすべてを制御したか否かを判断する(ST28)。ステップ28において、m=mmaxである場合、異常信号を出して制御を終了する。ステップ28において、m=mmaxでない場合、ステップ29で、m=m+1,n=0とし、ステップ22へ戻る。
次に、第2実施形態の偏光純度制御装置30の制御フローチャートの第2実施例について説明する。図18は、偏光純度制御装置30の制御フローチャートの第2実施例を示す図である。
まず、ステップ31で、パラメータとして、所望の偏光純度POと、制御を実行する偏光純度としての閾値Pthを設定する(ST31)。続いてステップ32で、予め定めたレーザ動作中の偏光純度をチェックする計測ショット数か否か判断する(ST32)。
ステップ32において、計測ショット数でない場合、ステップ32に戻る。ステップ32において、計測ショット数である場合、ステップ33で、偏光モニタ35で偏光純度Pを計測する(ST33)。ここで、dP=P0―Pとする。
次に、ステップ34で、ステップ33において計測した偏光純度Pが、ステップ31において設定した閾値Pthより小さいP<Pthか否か判断する(ST34)。
ステップ34において、偏光純度Pが閾値Pthより小さくないと判断した場合、ステップ32に戻る。ステップ34において、偏光純度Pが閾値Pthより小さいと判断した場合、ステップ35で、回転ドライバ37に信号を送信し、現在のCaF2 結晶基板31の回転ステージ32を予め定めた微小回転角dθに係数kを掛けた+kdθ回転させる(ST35)。ここで、n=n+1とする。
次に、ステップ36で、回転後、再度偏光モニタ35により偏光純度Pnを計測する(ST36)。ここで、dPn=P0−Pnとする。
次に、ステップ37で、計測した偏光純度がdPn<dPか否か判断する(ST37)。ステップ37において、dPn<dPでないと判断した場合、所望する偏光純度P0から遠ざかり、回転方向が逆であるため、k=k・(−1)とし、ステップ35に戻る。
ステップ37において、dPn<dPであると判断した場合、ステップ38で、偏光純度が許容値Paを加味した範囲に到達しているか否か、すなわちdPn<P0±Paであるか否か判断する(ST38)。ステップ38において、dPn<P0±Paであると判断した場合、ステップ32に戻る。
ステップ38において、dPn<P0±Paでないと判断した場合、ステップ39で、制御ルーチンの回数nが規定数nthを超えて、n>nthであるか否かを判断する(ST39)。
ステップ39において、制御ルーチンnを制御ルーチン規定数nth回繰り返しておらず、n>nthでないと判断した場合、ステップ35に戻る。ステップ39において、制御ルーチンnを制御ルーチン規定数nth回繰り返し、n>nthであると判断した場合、ステップ40で、偏光純度Pnが閾値Pthより小さいPn<Pthであるか否かを判断する(ST40)。
ステップ40において、Pn<Pthである場合、ステップ32に戻る。ステップ40において、Pn<Pthでない場合、ステップ41で、制御モジュールの数m=mmaxであるか否か、すなわちモジュールすべてを制御したか否かを判断する(ST41)。
ステップ41において、m=mmaxである場合、異常信号を出して制御を終了する。ステップ41において、m=mmaxでない場合、ステップ42で、m=m+1,n=0とし(ST42)、ステップ33へ戻る。
次に、第3実施形態について説明する。第3実施形態では、例えば、図19に示すように、2ステージレーザシステム1に、レーザ出力エネルギ、スペクトル幅や中心波長等を計測するためのモニタモジュール60を設ける。そして、偏光純度制御装置30のCaF2 結晶基板31にモニタモジュール60へ光を入射するためのビームスプリッタの役割を持たせている。この場合、45°の入射角となるが、レーザ光の偏光純度を変化させる特性は、ブリュースタ角入射の場合と同様である。その他の構造については第1実施形態と同様なので、説明は省略する。
このように、偏光純度制御装置30のCaF2 結晶基板31がモニタモジュール60のためのビームスプリッタの役割を兼ねることにより、コストの低下やスペースの減少の効果を有する。また、モニタモジュール60のためのビームスプリッタ以外にも、システム
上のメイン光軸に配置された透過素子に偏光制御用の回転機構を付属し制御する構成としても同様の効果を有する。
なお、CaF2 結晶基板の透過による位相差の変化量は、ある回転角θで固定した場合、熱応力の大きさで変化する。そのため、レーザ出力のエネルギや周波数が変化した場合、偏光純度が変わらないように、エネルギや周波数を変更する指令がきた時に、その回転角θを同時に調整することが好ましい。
また、回転角を固定して、入射角を変化させても、その位相差の変化量は変わる。そのため、回転角の代わりに、入射角を制御して、その偏光純度を制御することも可能である。ただし、この場合は、透過後の光軸が変化してしまうので、露光機に入る前に、光軸が変わらないように補償用素子を一枚挿入して、この補償用素子も一緒に制御すると良い。補償用素子を透過することによって偏光純度が変化しないように、その回転角はθ=0°にしておくとよい。
さらに、CaF2 結晶基板31の透過による位相差の変化量は、素子メーカや素子グレードによっても異なる。そのため、制御したい範囲にある最適な素子を選定するとよい。
また、以上の記載では、(111)面でカットしたCaF2 結晶を使用する場合について述べているが、これ以外でも別の結晶方位でカットした素子を用い、透過する光軸と結晶方位の関係を変えることで、偏光純度も変化することが容易に予測される。そのため、別の結晶方位でカットした素子を用い、回転させた場合の特性を計測し、その特性にあった制御をしてもよい。
さらに、以上の記載では、MOPO型レーザについて述べているが、これ以外のMOPA型や、リング増幅型のレーザに関しても、当然効果は同じであるので、適用ができる。
また、以上の記載では、増幅段以降の光軸上に本発明を適用しているが、発振段レーザの後に偏光制御モジュール33と偏光モニタ35を配置して、シードレーザ光の偏光純度をコントロールすることも、可能である。
さらに、以上の記載では、CaF2 結晶について述べたが、MgF2 結晶についても、同様な効果があるので、MgF2 結晶に透過する光軸と結晶方位の関係をコントロールして、偏光純度を制御してもよい。
以上、本発明の偏光純度制御装置30を実施例に基づいて説明したが、本発明はこれら実施例に限定されず種々の変形が可能である。
CaF2 の結晶格子を示す図である。 CaF2 結晶の軸[001]、[100]に対する光の進行方向Lの角度θとφの定義を示す図である。 CaF2 結晶基板の断面図である。 CaF2 結晶基板の上面図である。 結晶の偏光状態を示す図である。 位相差を示す図である。 偏光状態観測実験系を示す図である。 計測用素子を示す図である。 入射レーザ光の偏光度を99.9%にした場合の回転角度に対する直線偏光純度の計測結果を示すグラフである。 入射レーザ光の偏光度を97.1%にした場合の回転角度に対する直線偏光純度の計測結果を示すグラフである。 入射光のパルスエネルギーを変化させた時の回転角度に対する直線偏光純度の計測結果を示すグラフである。 第1実施形態のシステムを示す図である。 第1実施形態のシステムの偏光モニタを示す図である。 第1実施形態の第1実施例のフローチャートを示す図である。 第1実施形態の第2実施例のフローチャートを示す図である。 第2実施形態のシステムを示す図である。 第2実施形態の第1実施例のフローチャートを示す図である。 第2実施形態の第2実施例のフローチャートを示す図である。 第3実施形態のシステムを示す図である。 透過光強度の測定を示す図である。
符号の説明
10…発振用レーザ
11…チャンバ
12、13…ウィンドウ
14…狭帯域化モジュール
15…出力鏡(部分反射ミラー)
16…ビーム拡大プリズム
17…グレーティング(回折格子)
18、19…ミラー
20…増幅用レーザ
21…チャンバ
22、23…ウィンドウ
24、25…部分反射ミラー
30…偏光純度制御装置
31…第1ビームスプリッタ
33…モジュール
34…ビームスプリッタ
35…偏光モニタ
36…コントローラ
37…回転ドライバ
50…光学パルスストレッチャ
51…ビームスプリッタ
52…高反射ミラー
60…モニタモジュール

Claims (4)

  1. レーザ光を透過するフッ化カルシウム結晶基板と、
    フッ化カルシウム結晶基板を透過したレーザ光の偏光純度を計測する偏光モニタと、
    前記偏光モニタの計測した偏光純度に応じて前記フッ化カルシウム結晶基板の回転角を制御するコントローラと、
    を備えた偏光純度制御装置において、
    前記フッ化カルシウム結晶基板は、
    (111)結晶面に平行な入射平面及び射出平面を有する平板からなり、
    入射角をブリュースタ角で設置され、
    [111]軸を中心軸として前記コントローラにより回転角を制御される
    ことを特徴とする偏光純度制御装置。
  2. 前記フッ化カルシウム結晶基板を複数有する
    請求項1に記載の偏光純度制御装置。
  3. レーザ光の状態を計測するモニタモジュールを有し、
    前記フッ化カルシウム結晶基板は、前記モニタモジュールへレーザ光を入射するために、レーザ光を分割する
    請求項1又は請求項2に記載の偏光純度制御装置。
  4. チャンバと、
    チャンバ内部に封入されたレーザガスと、
    そのレーザガスを励起する手段と、
    励起されたレーザガスから発生するレーザ光がチャンバ外部へ出射するためにチャンバに設けられたウィンドウと、
    前記ウィンドウから出射したレーザ光の偏光純度を制御する偏光純度制御装置と、
    を備え、
    前記偏光純度制御装置として請求項1乃至請求項3のいずれか1つに記載された偏光純度制御装置を備えたガスレーザ装置。
JP2008213529A 2008-08-22 2008-08-22 偏光純度制御装置及びそれを備えたガスレーザ装置 Active JP5185727B2 (ja)

Priority Applications (4)

Application Number Priority Date Filing Date Title
JP2008213529A JP5185727B2 (ja) 2008-08-22 2008-08-22 偏光純度制御装置及びそれを備えたガスレーザ装置
US12/545,474 US8165181B2 (en) 2008-08-22 2009-08-21 Polarization purity control device and gas laser apparatus provided with the same
US13/425,825 US8891574B2 (en) 2008-08-22 2012-03-21 Polarization purity control device and gas laser apparatus provided with the same
US13/947,910 US8902948B2 (en) 2008-08-22 2013-07-22 Polarization purity control device and gas laser apparatus provided with the same

Applications Claiming Priority (1)

Application Number Priority Date Filing Date Title
JP2008213529A JP5185727B2 (ja) 2008-08-22 2008-08-22 偏光純度制御装置及びそれを備えたガスレーザ装置

Publications (2)

Publication Number Publication Date
JP2010050299A true JP2010050299A (ja) 2010-03-04
JP5185727B2 JP5185727B2 (ja) 2013-04-17

Family

ID=42067148

Family Applications (1)

Application Number Title Priority Date Filing Date
JP2008213529A Active JP5185727B2 (ja) 2008-08-22 2008-08-22 偏光純度制御装置及びそれを備えたガスレーザ装置

Country Status (2)

Country Link
US (3) US8165181B2 (ja)
JP (1) JP5185727B2 (ja)

Cited By (8)

* Cited by examiner, † Cited by third party
Publication number Priority date Publication date Assignee Title
JP2013543135A (ja) * 2010-11-19 2013-11-28 ベクトン・ディキンソン・アンド・カンパニー 複素環化合物およびその使用
WO2016046871A1 (ja) * 2014-09-22 2016-03-31 ギガフォトン株式会社 レーザ装置
US9835495B2 (en) 2013-06-27 2017-12-05 Gigaphoton Inc. Light beam measurement device, laser apparatus, and light beam separator
US9841684B2 (en) 2012-08-23 2017-12-12 Gigaphoton Inc. Light source apparatus and data processing method
JP2022505432A (ja) * 2018-10-22 2022-01-14 カール・ツァイス・エスエムティー・ゲーエムベーハー 光学系、特にマイクロリソグラフィ用の光学系
JPWO2022249455A1 (ja) * 2021-05-28 2022-12-01
JPWO2022249454A1 (ja) * 2021-05-28 2022-12-01
WO2022249456A1 (ja) * 2021-05-28 2022-12-01 日本電信電話株式会社 光モニタデバイス及び光強度測定方法

Families Citing this family (2)

* Cited by examiner, † Cited by third party
Publication number Priority date Publication date Assignee Title
JP2013135075A (ja) * 2011-12-26 2013-07-08 Gigaphoton Inc 固体レーザ増幅器、レーザ光増幅器、固体レーザ装置、およびレーザ装置
US9709897B2 (en) * 2015-10-28 2017-07-18 Cymer, Llc Polarization control of pulsed light beam

Citations (9)

* Cited by examiner, † Cited by third party
Publication number Priority date Publication date Assignee Title
JP2001223422A (ja) * 2000-02-10 2001-08-17 Komatsu Ltd 超狭帯域化レーザ装置及び狭帯域化レーザ装置
JP2005502208A (ja) * 2001-08-29 2005-01-20 サイマー, インコーポレイテッド 線幅選択型2室式レーザシステム
WO2005010963A1 (ja) * 2003-07-24 2005-02-03 Nikon Corporation 照明光学装置、露光装置および露光方法
JP2006073921A (ja) * 2004-09-06 2006-03-16 Komatsu Ltd 紫外線ガスレーザ用光学素子及び紫外線ガスレーザ装置
JP2006165484A (ja) * 2004-11-09 2006-06-22 Komatsu Ltd 多段増幅型レーザシステム
JP2006179600A (ja) * 2004-12-21 2006-07-06 Komatsu Ltd 多段増幅型レーザシステム
JP2007214189A (ja) * 2006-02-07 2007-08-23 Komatsu Ltd レーザチャンバのウィンドウ劣化判定装置および方法
JP2008116940A (ja) * 2006-10-23 2008-05-22 Schott Ag 光の結晶透過中に起こる直線偏光の解消を防止するための配置及び方法
WO2009125745A1 (ja) * 2008-04-07 2009-10-15 ギガフォトン株式会社 ガス放電チャンバ

Family Cites Families (10)

* Cited by examiner, † Cited by third party
Publication number Priority date Publication date Assignee Title
US6904073B2 (en) 2001-01-29 2005-06-07 Cymer, Inc. High power deep ultraviolet laser with long life optics
JP4185264B2 (ja) * 2001-07-02 2008-11-26 富士フイルム株式会社 偏光方向制御素子及び露光装置
TW200412617A (en) * 2002-12-03 2004-07-16 Nikon Corp Optical illumination device, method for adjusting optical illumination device, exposure device and exposure method
US6894785B2 (en) 2003-09-30 2005-05-17 Cymer, Inc. Gas discharge MOPA laser spectral analysis module
US7808637B2 (en) * 2003-11-26 2010-10-05 Axometrics, Incorporated Method and apparatus for determining liquid crystal cell parameters from full mueller matrix measurements
JP2006156484A (ja) 2004-11-25 2006-06-15 Tdk Corp ゴム磁石組成物の製造方法
JP2007258575A (ja) * 2006-03-24 2007-10-04 Canon Inc 照明装置、当該照明装置を有する露光装置及びデバイス製造方法
DE102006049846A1 (de) * 2006-10-23 2008-05-08 Schott Ag Anordnung sowie ein Verfahren zur Vermeidung der Depolarisation von linear-polarisiertem Licht beim Durchstrahlen von Kristallen
JP4972427B2 (ja) * 2007-02-15 2012-07-11 株式会社小松製作所 高繰返し動作が可能で狭帯域化効率の高いエキシマレーザ装置
JP4966724B2 (ja) * 2007-04-20 2012-07-04 キヤノン株式会社 露光装置及びデバイス製造方法

Patent Citations (9)

* Cited by examiner, † Cited by third party
Publication number Priority date Publication date Assignee Title
JP2001223422A (ja) * 2000-02-10 2001-08-17 Komatsu Ltd 超狭帯域化レーザ装置及び狭帯域化レーザ装置
JP2005502208A (ja) * 2001-08-29 2005-01-20 サイマー, インコーポレイテッド 線幅選択型2室式レーザシステム
WO2005010963A1 (ja) * 2003-07-24 2005-02-03 Nikon Corporation 照明光学装置、露光装置および露光方法
JP2006073921A (ja) * 2004-09-06 2006-03-16 Komatsu Ltd 紫外線ガスレーザ用光学素子及び紫外線ガスレーザ装置
JP2006165484A (ja) * 2004-11-09 2006-06-22 Komatsu Ltd 多段増幅型レーザシステム
JP2006179600A (ja) * 2004-12-21 2006-07-06 Komatsu Ltd 多段増幅型レーザシステム
JP2007214189A (ja) * 2006-02-07 2007-08-23 Komatsu Ltd レーザチャンバのウィンドウ劣化判定装置および方法
JP2008116940A (ja) * 2006-10-23 2008-05-22 Schott Ag 光の結晶透過中に起こる直線偏光の解消を防止するための配置及び方法
WO2009125745A1 (ja) * 2008-04-07 2009-10-15 ギガフォトン株式会社 ガス放電チャンバ

Cited By (19)

* Cited by examiner, † Cited by third party
Publication number Priority date Publication date Assignee Title
JP2013543135A (ja) * 2010-11-19 2013-11-28 ベクトン・ディキンソン・アンド・カンパニー 複素環化合物およびその使用
US9841684B2 (en) 2012-08-23 2017-12-12 Gigaphoton Inc. Light source apparatus and data processing method
US9835495B2 (en) 2013-06-27 2017-12-05 Gigaphoton Inc. Light beam measurement device, laser apparatus, and light beam separator
US10151640B2 (en) 2013-06-27 2018-12-11 Gigaphoton Inc. Light beam measurement device, laser apparatus, and light beam separator
JP2020109860A (ja) * 2013-06-27 2020-07-16 ギガフォトン株式会社 光ビーム計測装置
JP7065138B2 (ja) 2013-06-27 2022-05-11 ギガフォトン株式会社 光ビーム計測装置
WO2016046871A1 (ja) * 2014-09-22 2016-03-31 ギガフォトン株式会社 レーザ装置
JP7223129B2 (ja) 2018-10-22 2023-02-15 カール・ツァイス・エスエムティー・ゲーエムベーハー 光学系、特にマイクロリソグラフィ用の光学系
JP2022505432A (ja) * 2018-10-22 2022-01-14 カール・ツァイス・エスエムティー・ゲーエムベーハー 光学系、特にマイクロリソグラフィ用の光学系
US11906753B2 (en) 2018-10-22 2024-02-20 Carl Zeiss Smt Gmbh Optical system in particular for microlithography
JPWO2022249455A1 (ja) * 2021-05-28 2022-12-01
WO2022249456A1 (ja) * 2021-05-28 2022-12-01 日本電信電話株式会社 光モニタデバイス及び光強度測定方法
JPWO2022249456A1 (ja) * 2021-05-28 2022-12-01
WO2022249455A1 (ja) * 2021-05-28 2022-12-01 日本電信電話株式会社 光モニタデバイス
WO2022249454A1 (ja) * 2021-05-28 2022-12-01 日本電信電話株式会社 光モニタデバイス
JPWO2022249454A1 (ja) * 2021-05-28 2022-12-01
JP7609267B2 (ja) 2021-05-28 2025-01-07 日本電信電話株式会社 光モニタデバイス
JP7609268B2 (ja) 2021-05-28 2025-01-07 日本電信電話株式会社 光モニタデバイス及び光強度測定方法
JP7663124B2 (ja) 2021-05-28 2025-04-16 日本電信電話株式会社 光モニタデバイス

Also Published As

Publication number Publication date
US8902948B2 (en) 2014-12-02
US8891574B2 (en) 2014-11-18
US8165181B2 (en) 2012-04-24
US20120177072A1 (en) 2012-07-12
US20140050239A1 (en) 2014-02-20
JP5185727B2 (ja) 2013-04-17
US20100128747A1 (en) 2010-05-27

Similar Documents

Publication Publication Date Title
JP5185727B2 (ja) 偏光純度制御装置及びそれを備えたガスレーザ装置
JP5579894B2 (ja) ガス放電チャンバ
US7965756B2 (en) Optical element for gas laser and gas laser apparatus using the same
JP4822285B2 (ja) ガスレーザ用光学素子及びそれを用いたガスレーザ装置
JP2006073921A (ja) 紫外線ガスレーザ用光学素子及び紫外線ガスレーザ装置
JP4907865B2 (ja) 多段増幅型レーザシステム
US20230375847A1 (en) Optical isolator, ultraviolet laser device, and electronic device manufacturing method
JP4763471B2 (ja) レーザチャンバのウィンドウ劣化判定装置および方法
JP5358142B2 (ja) ガスレーザ用光学素子及びそれを用いたガスレーザ装置
US11264773B2 (en) Laser apparatus and method for manufacturing optical element
JP5393725B2 (ja) 多段増幅型レーザシステム
JP2013065903A (ja) ガスレーザ装置
JP2006179600A (ja) 多段増幅型レーザシステム
US20250286339A1 (en) Line narrowing module, laser device, and electronic device manufacturing method
US20250246865A1 (en) Laser apparatus and electronic device manufacturing method
US20250264642A1 (en) Output mirror for ultraviolet laser beam, ultraviolet laser apparatus, and electronic device manufacturing method
US20260029657A1 (en) Line narrowing module, narrowed-line laser apparatus, and method for manufacturing electronic devices
WO2025057324A1 (ja) レーザ装置及び電子デバイスの製造方法
JP2004322146A (ja) レーザ加工装置

Legal Events

Date Code Title Description
A621 Written request for application examination

Free format text: JAPANESE INTERMEDIATE CODE: A621

Effective date: 20110801

A977 Report on retrieval

Free format text: JAPANESE INTERMEDIATE CODE: A971007

Effective date: 20120802

A131 Notification of reasons for refusal

Free format text: JAPANESE INTERMEDIATE CODE: A131

Effective date: 20120919

A521 Request for written amendment filed

Free format text: JAPANESE INTERMEDIATE CODE: A523

Effective date: 20121107

TRDD Decision of grant or rejection written
A01 Written decision to grant a patent or to grant a registration (utility model)

Free format text: JAPANESE INTERMEDIATE CODE: A01

Effective date: 20130109

A61 First payment of annual fees (during grant procedure)

Free format text: JAPANESE INTERMEDIATE CODE: A61

Effective date: 20130118

R150 Certificate of patent or registration of utility model

Ref document number: 5185727

Country of ref document: JP

Free format text: JAPANESE INTERMEDIATE CODE: R150

Free format text: JAPANESE INTERMEDIATE CODE: R150

FPAY Renewal fee payment (event date is renewal date of database)

Free format text: PAYMENT UNTIL: 20160125

Year of fee payment: 3

R250 Receipt of annual fees

Free format text: JAPANESE INTERMEDIATE CODE: R250

R250 Receipt of annual fees

Free format text: JAPANESE INTERMEDIATE CODE: R250

R250 Receipt of annual fees

Free format text: JAPANESE INTERMEDIATE CODE: R250

R250 Receipt of annual fees

Free format text: JAPANESE INTERMEDIATE CODE: R250

R250 Receipt of annual fees

Free format text: JAPANESE INTERMEDIATE CODE: R250

R250 Receipt of annual fees

Free format text: JAPANESE INTERMEDIATE CODE: R250

R250 Receipt of annual fees

Free format text: JAPANESE INTERMEDIATE CODE: R250

R250 Receipt of annual fees

Free format text: JAPANESE INTERMEDIATE CODE: R250

R250 Receipt of annual fees

Free format text: JAPANESE INTERMEDIATE CODE: R250

R250 Receipt of annual fees

Free format text: JAPANESE INTERMEDIATE CODE: R250