JP2010005767A - シート材の加工方法およびシート材加工装置 - Google Patents

シート材の加工方法およびシート材加工装置 Download PDF

Info

Publication number
JP2010005767A
JP2010005767A JP2008169992A JP2008169992A JP2010005767A JP 2010005767 A JP2010005767 A JP 2010005767A JP 2008169992 A JP2008169992 A JP 2008169992A JP 2008169992 A JP2008169992 A JP 2008169992A JP 2010005767 A JP2010005767 A JP 2010005767A
Authority
JP
Japan
Prior art keywords
sheet material
solution
water
processing
discharge head
Prior art date
Legal status (The legal status is an assumption and is not a legal conclusion. Google has not performed a legal analysis and makes no representation as to the accuracy of the status listed.)
Granted
Application number
JP2008169992A
Other languages
English (en)
Other versions
JP5195082B2 (ja
Inventor
Noriaki Hiraide
紀明 平出
Current Assignee (The listed assignees may be inaccurate. Google has not performed a legal analysis and makes no representation or warranty as to the accuracy of the list.)
Seiko Epson Corp
Original Assignee
Seiko Epson Corp
Priority date (The priority date is an assumption and is not a legal conclusion. Google has not performed a legal analysis and makes no representation as to the accuracy of the date listed.)
Filing date
Publication date
Application filed by Seiko Epson Corp filed Critical Seiko Epson Corp
Priority to JP2008169992A priority Critical patent/JP5195082B2/ja
Priority to US12/494,103 priority patent/US8282866B2/en
Priority to EP09008562.2A priority patent/EP2141003B1/en
Priority to KR1020090059248A priority patent/KR20100003251A/ko
Priority to CN 200910139628 priority patent/CN101618604B/zh
Publication of JP2010005767A publication Critical patent/JP2010005767A/ja
Application granted granted Critical
Publication of JP5195082B2 publication Critical patent/JP5195082B2/ja
Expired - Fee Related legal-status Critical Current
Anticipated expiration legal-status Critical

Links

Images

Landscapes

  • Perforating, Stamping-Out Or Severing By Means Other Than Cutting (AREA)

Abstract

【課題】安全かつ簡易にシート材の切断加工や折り目加工を行うことができ、且つ、精密な加工が可能なシート材の加工方法および加工装置を提案すること。
【解決手段】水溶紙からなるシート材Sを、液滴吐出ヘッド4のノズルによる水の滴下位置Aに位置合わせし、シート材Sを搬送しながら液滴吐出ヘッド4を駆動してシート材Sの切断線Lに沿って液滴吐出ヘッド4のノズルから水を滴下する。滴下した水がシート材Sに浸透すると、浸透部分Bのバインダーが溶解するので、切断線Lの位置でシート材Sを切断可能になる。水を滴下する際には、一度に大量に滴下せず、所定時間間隔で微量ずつ滴下することにより、水の浸透部分Bが面方向に拡がらないようして精密に切断する。浸透部分Bがシート材Sの裏側まで貫通しないようにすれば、折り目を作成できる。
【選択図】図3

Description

本発明は、紙やフィルムなどのシート材を切断したりミシン目状の切り取り線や折り目などを形成するためのシート材の加工方法およびシート材加工装置に関する。
従来、紙などのシート材から所定形状のシートを切り抜くためのカッティング装置として、ヘッドに取り付けたカッターの刃先をXY方向に走査することにより所定のアウトラインに沿ってシート材を切断するカッティングプロッタ方式の装置が用いられている。例えば、特許文献1には、シート状媒体をローラで挟んで搬送することによりX方向に移動させ、カッティングペンを搭載したキャリッジをY軸方向に移動させることにより、シート状媒体に印刷された図柄のアウトラインに沿ってカッティングペンの刃先を移動させて図柄部分を切り抜くカッティングプロッタが記載されている。
特開2008−105319号公報
従来のカッティング装置はカッター刃などの刃物を備えており、取り扱いに注意を要するという問題点があった。また、従来のカッティング装置は印刷機能を備えていないため、シート材に印刷してから印刷部分のカッティングを行う場合には、予め別のプリンタで印刷を行った後にカッティング装置に印刷済みのシートをセットしてカッティングを行うことになる。そのため、印刷用とカッティング用の2つの装置が必要になり多くの機材が必要になるという問題点があった。また、プリンタから排出された印刷済みのシート材をカッティング装置にセットする手間がかかり、カッティング作業完了までに時間がかかるという問題点があった。
また、特許文献1のカッティングプロッタは定型のはがき大シート専用機であるため、シートをセットした後にカッティング動作の原点位置にカッティングペンを位置合わせする動作は省略されているが、異なるサイズやフォーマットのシートに対してカッティングを行うためには、通常は、トンボ(クロップマーク)などの目印をシートの余白などに印刷しておき、カッティング装置にシート材をセットするときにこの目印の読み取りを行ってシートの位置合わせを行う必要がある。そのため、カッティング装置に目印の読み取り手段を設ける必要があるため、装置の構成が複雑になるという問題点があった。また、読み取り工程によって作業工程が複雑化し、カッティング作業完了までに時間がかかるという問題点があった。
また、従来のカッティング装置にはシート材に折り目をつける機能を備えたものはないため、折り目加工を行うことができないという問題点があった。
本発明の課題は、このような点に鑑みて、刃物を用いない安全かつ簡易な構成の装置でシート材の切断加工や折り目加工を行うことが可能なシート材の加工方法およびシート材加工装置を提案することにある。
また、本発明の他の課題は、印刷と切断あるいは折り目付けなどの加工を少ない機材で行うことができ、印刷開始から切断加工あるいは折り目加工完了までにかかる時間を短縮できるシート材の加工方法およびシート材加工装置を提案することにある。
上記の課題を解決するために、本発明のシート材の加工方法は、
液滴吐出ヘッドを用いて、加工対象のシート材を溶解あるいは脆弱化させるシート材溶解液を前記シート材の切断目標位置または折り曲げ目標位置に沿って滴下して、前記シート材を前記切断目標位置または前記折り曲げ目標位置に沿って切断可能あるいは折り曲げ可能にすることを特徴としている。
本発明では、このように、シート材溶解液を液滴吐出ヘッドにより滴下することにより、滴下部分を溶解あるいは脆弱化させてシート材を切断可能あるいは折り曲げ可能にしている。従って、カッターなどの刃物を用いることなく、安全かつ速やかにシート材の切断加工を行うことができる。また、シート材を部分的に溶解させるようにシート材溶解液を滴下することにより、従来は実現できなかった折り目加工も可能である。また、カッターなどの刃物をシート材に対してXY方向に走査する機構を設ける必要がなく、印刷装置などに用いられる液滴吐出ヘッドを用いて切断や折り目加工を行うことができるので、加工装置を従来よりも簡素な構成にすることができる。
本発明において、前記液滴吐出ヘッドを用いて、前記シート材溶解液を前記シート材の同一位置の部分に所定の時間間隔で所定の滴下量ずつ複数回滴下し、前記時間間隔、前記滴下量、および滴下回数を、前記シート材の面方向および/または厚さ方向への前記シート材溶解液の浸透範囲を所定の範囲とするように決定するとよい。シート材溶解液を一度に同一位置に多量に滴下すると、その浸透範囲がシート材の面方向に広がりやすくシャープな切断線や折り目を形成することができないが、シート材溶解液を微量ずつに分けて所定の時間間隔で複数回滴下することにより、シート材溶解液の面方向への拡散を抑制できる。そして、シート材溶解液の滴下量や時間間隔、滴下回数などを適宜設定することにより、シート材溶解液が所望の状態に浸透するようにコントロールすることができる。よって、シャープな切断線や折り目を実現でき、精密な切断加工や折り目加工を行うことができる。
本発明において、前記シート材溶解液の滴下に先行して、前記液滴吐出ヘッドまたは別体の液滴吐出ヘッドから前記切断目標位置または前記折り曲げ目標位置に沿って前処理液を滴下して浸透させ、前記シート材における前記前処理液が浸透した部分と浸透していない部分との境界部分に前記シート材溶解液を滴下して浸透させるように構成してもよい。切断目標位置あるいは折り曲げ目標位置に沿って先に前処理液を浸透させることにより、当該浸透部分にシート材溶解液が拡散しないようにすることができる。よって、前処理液が浸透した部分と浸透していない部分との境界に沿ってシート材溶解液を滴下することにより、よりシャープな切断線や折り目を実現でき、より精密な切断加工や折り目加工を行うことができる。また、前処理液を滴下するための液滴吐出ヘッドをシート材溶解液用の液滴吐出ヘッドと兼用可能すれば、簡素な構成の装置で上記のようなシート材の加工方法を実現できる。
この場合に、前記切断目標位置または前記折り曲げ目標位置を挟む近接した2本のライン上に前記前処理液を滴下して、近接した2本の線状の前処理液浸透部分を形成し、当該2本の線状の前処理液浸透部分に挟まれている前記前処理液が浸透していない部分に前記シート材溶解液を滴下して浸透させるようにしてもよい。このようにすると、シート材溶解液の面方向の拡散範囲を前処理液を先に浸透させた2本のラインの間の細い領域に限定できるので、よりシャープな切断線や折り目を実現でき、より精密な切断加工や折り目加工を行うことができる。
また、上記のような前処理を行う場合には、前記前処理液は硬化性溶液であり、前記シート材溶解液の滴下前に、前記シート材における前記硬化性溶液の浸透部分を硬化処理して前記硬化性溶液を固着させるようにしてもよい。このように、硬化性溶液によってシート材溶解液の浸透部分との境界部分を固化させれば、切断後のシート材の端辺部分が鋭利な形状に保たれ、この端辺部分がほつれにくくなる。特に、2本のライン状に硬化性溶液を浸透させてこれらの浸透部分を硬化して固化させると、シート材溶解液により溶解されないシート材中のパルプ繊維などを切断時に短く千切ることができるので、切断後のシート材の端面からパルプ繊維などが長く飛び出さず、毛羽立った状態にならない。よって、更にシャープな切断部を実現でき、更に精密な切断加工を行うことができる。
ここで、本発明における前記シート材は水溶性バインダーおよび製紙用繊維材を含有している水溶紙であり、前記シート材溶解液は水である。また、前記シート材は水溶性バインダーおよび製紙用繊維材を含有しているアルカリ性の水溶紙であり、前記シート材溶解液は水であり、前記前処理液は、前記アルカリ性の水溶紙を不溶化させる酸性水溶液である。このように、シート材溶解液として水を用いることができれば、水溶性インクを吐出する印刷用の液滴吐出ヘッドを水の滴下用に兼用することができるので、水溶性インクによる印刷と水の滴下による切断加工あるいは折り目加工を1つの液滴吐出ヘッドで行うことができる。また、酸性水溶液により前処理部分を不溶化させることができれば、前処理部分の溶解を確実に防止できる。よって、精密な加工が可能になる。
また、本発明において、前記シート材を反転させることにより、前記シート材の切断目標位置に表面側と裏面側からそれぞれ前記シート材溶解液を滴下して、前記シート材を切断可能にするように構成してもよい。このように、シート材の表裏からシート材溶解液を滴下することにより、厚いシート材の精密な切断が可能になる。
更に、前記切断目標位置に沿って、前記シート材溶解液の浸透部分を、前記シート材を貫通しない深さで連続した線状に形成し、当該線状の浸透部分の上から前記シート材溶解液を点線状にさらに滴下して当該滴下位置のシート材を貫通するように浸透させることにより、前記切断目標位置に沿ってミシン目を形成することも可能である。
本発明において、前記シート材溶解液を滴下する液滴吐出ヘッドまたは別体の液滴吐出ヘッドによる前記シート材への印刷を、前記シート材溶解液の滴下に先行してあるいは同時進行で行うとよい。このように、印刷と切断加工あるいは折り目加工を連続してあるいは同時進行で行うことにより、シート材の再セットや再位置合わせなどの工程や、そのためのクロップマーク読み取りなどの工程を省略できる。よって、短時間で印刷と切断加工あるいは折り目加工を完了させることができる。
また、上記問題点を解決するために、本発明のシート材加工装置は、
シート材溶解液を滴下する液滴吐出ヘッドと、
当該液滴吐出ヘッドに対向している滴下位置を通過するように前記シート材を搬送可能なシート材搬送機構と、
前記シート材の切断目標位置または折り曲げ目標位置を示す加工データが入力される制御部と、を有し、
当該制御部は、前記加工データに基づいて前記液滴吐出ヘッドおよび前記シート材搬送機構を制御することにより、上記各構成のシート材の加工方法によって前記シート材を切断あるいは折り曲げ可能にすることを特徴としている。
本発明のシート材加工装置において、印刷用インクを吐出する液滴吐出ヘッドを有し、当該液滴吐出ヘッドは、前記シート材溶解液を滴下する液滴吐出ヘッドと同一あるいは別体の液滴吐出ヘッドであり、前記制御部には印刷データが入力され、前記制御部は、当該印刷データに基づく前記シート材への印刷を、前記シート材溶解液の滴下に先行してあるいは同時進行で行うように構成するとよい。このようにすると、印刷と切断あるいは折り目加工を同一装置で行うことができ、使用する機構を共通化することができる。よって、少ない機材で印刷と切断加工あるいは折り目加工を行うことができる。また、シート材の再セットや再位置合わせなどの工程や、そのためのクロップマーク読み取りなどの工程を省略できる。よって、短時間で印刷と切断加工あるいは折り目加工を完了させることができる。
本発明によれば、カッターなどの刃物を用いることなく、安全かつ速やかにシート材の切断加工を行うことができる。また、シート材を部分的に溶解させるようにシート材溶解液を滴下することにより、従来は実現できなかった折り目加工も可能である。また、カッターなどの刃物をシート材に対してXY方向に走査する機構を設ける必要がなく、印刷装置に用いられる液滴吐出ヘッドを用いて切断や折り目加工を行うことができるので、加工装置を従来よりも簡素な構成にすることができる。
以下に、図面を参照して、本発明の実施形態に係るシート材加工装置およびシート材の加工方法について説明する。
(シート材)
まず、本実施形態のシート材加工装置の加工対象となるシート材Sについて説明する。シート材Sは、木材パルプ繊維などの製紙用繊維材に水溶性バインダーを加えて抄紙などの製紙方法によりシート状に成形した合成紙である。このシート材Sは、水により溶解する水溶紙である。
より詳しく説明すると、シート材Sは、水が浸透した部分の水溶性バインダーが溶解してパルプ繊維間の水素結合が解消することにより、水が浸透した部分はばらばらになったパルプ繊維だけが残り、脆弱化した状態になる。従って、シート材Sの上から線状に水を滴下することにより線状の水の浸透部分を形成し、当該浸透部分をシート材Sの裏側まで貫通させれば、この浸透部分を切断線としてシート材を切断できるようになる。また、水の滴下量を少なくして水を紙の裏側まで浸透させないようにすれば、水を滴下したラインに沿ってシート材を見かけ上薄くすることができ、当該部分で簡単にシート材Sが折り曲げられるようになる。よって、シート材に折り目を形成することができる。この場合、脆弱化した部分を除去すれば、滴下した部分のシート材を薄くすることができ、より好ましい。
なお、シート材Sとして、水溶性のでんぷんやゼラチン、PVAなどの水溶性樹脂をフィルム状に成形したものを用いても良い。また、溶解温度を適宜設定可能なPVOHなどの水溶性樹脂を用いてもよい。この場合、溶解温度に温度制御した水を滴下することにより、シート材を切断することができる。
(シート材加工装置)
次に、シート材加工装置について説明する。図1は、シート材加工装置の概略構成図である。シート材加工装置1は、装置フレーム内のシート材搬送経路2に沿ってシート材Sを搬送する搬送機構3と、この搬送機構3によるシート材搬送経路2上の滴下位置Aにノズル面を向けて配置された液滴吐出ヘッド4と、液滴吐出ヘッド4を搭載しており、滴下位置Aでシート材搬送経路2を横断する方向に往復移動するキャリッジ5およびその駆動機構6と、これらの各機構を制御する制御部7などを備えている。
搬送機構3は、シート材搬送経路2上の滴下位置Aに液滴吐出ヘッド4のノズル面と所定のギャップを隔てて対向配置されたプラテン8と、プラテン8の搬送方向上流側および搬送方向下流側の各位置に配置された紙送りローラ対9、10と、紙送りローラ対9、10を駆動する紙送りモータ11などを備えている。紙送りローラ対9、10は、この紙送りモータ11によって同期して回転駆動され、装置外から供給されたシート材Sをプラテン8上の滴下位置Aを通ってシート材搬送経路2上に沿って一方向に送り、再び装置外に排出する。
また、シート材加工装置1は、各種溶液や水などを封入した複数個の溶液パックや水パックなどを収容したカートリッジ12を装着するためのカートリッジ装着部13を備えている。カートリッジ12をカートリッジ装着部13に装着すると、カートリッジ装着部13側に設けられた供給針がカートリッジ12内の溶液パックや水パックの供給口に差込接続される。供給針は液滴吐出ヘッド4から延びる可撓性の供給流路に接続されているので、液滴吐出ヘッド4のノズルに溶液パックや水パック内の各液体が供給される。
シート材加工装置1の制御部7には、ホストコンピュータなどの外部装置14から印刷データや加工データが入力される。制御部7は、これらの印刷データや加工データに基づいてヘッドドライバを介して液滴吐出ヘッド4を駆動制御することにより、印刷データや加工データにおいて指示されたタイミングで、指示された量の溶液や水を液滴吐出ヘッド4のノズルから吐出することができる。
また、制御部7は、モータドライバを介して駆動機構6が備えるキャリッジモータや搬送機構3の紙送りモータ11を駆動制御する。制御部7は、シート材搬送経路2の所定位置に設けられたフォトセンサなどの検出手段からの検出出力に基づいて外部から供給されたシート材Sの位置を検出し、当該検出した位置に基づいて紙送りモータ11を制御することにより、印刷データや加工データにおいて指示されたシート材S上の印刷位置や加工位置を、液滴吐出ヘッド4による溶液や水の滴下位置Aに位置合わせすることができる。また、キャリッジ5に搭載された液滴吐出ヘッド4を印刷データや加工データに従ってシート材Sの搬送動作に連動させて移動させることにより、シート材S上の印刷位置や加工位置に、指示されたタイミングで指示された量だけ溶液や水を滴下可能にすることができる。
なお、後述する熱硬化性溶液を用いた加工を行うために、シート材加工装置1のカートリッジ12内の溶液パックにレジン溶液などの熱硬化性溶液を充填可能とし、液滴吐出ヘッド4に熱硬化性溶液を吐出するノズルを設けると共に、吐出された熱硬化性溶液が浸透したシート材Sの部分を加熱して固着させるサーマルヘッド15(図6、7参照)を追加した構成にしてもよい。また、後述するシート材Sを反転させて切断する加工を行うために、搬送機構3に両面印刷用プリンタと同様の反転機構を追加してシート材Sを反転可能にしてもよい。また、水を滴下して脆弱化したシート材が搬送中に破損するのを防止するために、搬送トレイの上にシート材Sを載せて搬送トレイごとシート材搬送経路2上を搬送するように搬送機構3を構成してもよい。
なお、熱硬化性溶液の他に、常温硬化型(速乾性)溶液、紫外線(UV)硬化型溶液、電子線(EB)硬化型溶液でも同様に適応可能である。それぞれを吐出した後、特性に合った硬化処理を施して固着すればよい。
(シート材の加工方法)
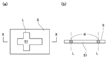
次に、上記構成のシート材加工装置1によるシート材Sの加工方法について説明する。まず、シート材Sから所定形状のモデルS1を切り抜く切断加工を行う場合について説明する。図2(a)はシート材Sの平面図、図2(b)はシート材Sの断面図(X−X断面図)である。図2(a)に示す切断線L(加工線)はモデルS1の輪郭線である。まず、外部装置14においてモデルS1に対応する切断線Lの形状および配置を含む加工データを生成し、シート材加工装置1に出力する。制御部7は、外部装置14から入力された加工データを解析して切断線Lの形状および配置をイメージデータに展開し、バッファに格納する。
次に、制御部7は、シート材S上の切断線Lに対応する部分を滴下位置Aに位置合わせする。そして、液滴吐出ヘッド4の駆動機構6および搬送機構3を駆動制御して切断線Lに沿って液滴吐出ヘッド4の水吐出用のノズルを移動させながら、このノズルから微量の水(シート材溶解液)の液滴を滴下する。これにより、切断線Lの位置に線状に水が滴下され、図2(b)に示すように、切断線Lの位置に水の浸透部分Bが形成される。ここで、切断加工を行う場合には、浸透部分Bがシート材Sを貫通する程度の量となるように、水の滴下量を調整する。
切断線Lへの水の滴下が完了したら、搬送機構3によりシート材Sをシート材加工装置1から排出する。排出後のシート材Sは、切断線Lの部分(浸透部分B)が水溶性のバインダーのみ溶解してばらばらになったパルプ繊維だけでつながった状態になっており、手で引っ張るだけで切断線Lを境にシート材Sを分断可能な程度にまで脆弱化している。従って、引っ張り力等によってパルプ繊維を分離させるだけで、切断線Lに沿ってモデルS1を切り抜くことができる。
このように、本実施形態では、シート材溶解液を液滴吐出ヘッド4により滴下することにより、滴下部分を溶解し脆弱化させてシート材Sを切断可能にしている。従って、カッターなどの刃物を用いることなく、安全かつ速やかにシート材Sの切断加工を行うことができる。また、加工時にカッターの刃を方向転換させながら走査する必要がないので、加工時間が短くて済む。また、本実施形態のシート材加工装置1の液滴吐出ヘッド4およびその駆動機構6は、従来のカッティング機構に比べて簡素かつ小型な構成にすることができるので、装置の簡素化および小型化が可能である。
(精密加工方法)
上記の切断方法では、水の浸透部分Bを溶解させてパルプ繊維だけが残った状態にして当該部分でシート材Sを分断可能にするので、水が切断線Lの線幅からはみ出した形状に拡散して浸透してしまうと、切断後のモデルS1の端辺部分は浸透した部分が欠けた形状になってしまう。従って、切断後のモデルS1の端辺部分がシャープな形状になるように精密に切断するためには、水を、切断線LよりもモデルS1の内側にはみ出さないように浸透させるなどの工夫を行う必要がある。以下、このような精密加工方法(1)〜(4)について説明する。
(1)水の滴下制御による精密加工方法
浸透部分Bの形状は、制御部7による水の滴下位置と滴下タイミング、および滴下量の制御によってコントロールすることができる。具体的には、制御部7は、切断線L上の各位置に一度に滴下する水の量をごく微量にして、微量の滴下を所定時間以上の時間間隔で複数回行うようにシート材加工装置1の各部を制御する。図3(a)〜(d)は水の滴下制御による精密加工方法の説明図である。微量ずつ水を滴下すると、図3(a)に示すように、最初に滴下された水は、図3(b)に示すように、シート材Sの面方向にはそれほど拡がらない。そして、図3(c)に示すように、所定時間経過後(最初の水が浸透した後)に滴下した次の微量の水は、図3(d)に示すように、シート材Sの面方向ではなく厚さ方向に浸透してゆく。
このように、所定時間間隔でごく微量ずつ複数回に分けて水を滴下すると、最初に滴下した浸透部分は、滴下されていない他の部分と比べて浸透しやすいので、浸透部分Bが面方向には広がらず、底部に向かってシート材Sの厚さ方向に浸透してゆく。よって、このような滴下方法を切断線Lの全部分について行えば、切断線Lの線幅からはみ出さない細い浸透部分Bを形成することができる。これにより、切断後のシート材Sの端辺部分をシャープな形状にすることができ、精密な切断加工が可能になる。なお、図3では滴下回数を2回に分けているが、厚いシート材の場合にはさらに滴下回数を増加させればよい。また、1回に滴下する液滴量をさらに微量にすれば、浸透部分Bをさらに細くすることができる。このように、1回に滴下する液滴量と滴下回数、および時間間隔を、シート材Sの材質、厚さなどに応じて適宜設定することにより、浸透部分Bの形状を適宜コントロールすることができる。
(2)前処理による精密加工方法
水の滴下位置の近傍にすでに他の液体が浸透していると、滴下した水は溶液などの他の液体が浸透している部分には拡散しにくい。このことを利用して、切断線Lに沿って予め他の液体を滴下して浸透させておく前処理を行い、この前処理後に切断線L上に水を滴下することにより、水の浸透範囲を限定することができる。
図4はこの精密加工方法の説明図である。まず、図4(a)に示すように、液滴吐出ヘッド4のノズルの1つに着色用溶液(前処理液)を供給し、このノズルから、切断線Lに沿ってシート材Sに着色用溶液を線状に滴下して、シート材Sの裏側まで浸透させる。このとき、着色用溶液の滴下位置を、切断線Lの真上よりも、ややモデルS1側寄りに設定することにより、着色用溶液の浸透部分Cの側端が、ほぼ切断線Lの真上となるように着色用溶液の滴下位置および滴下量を調整する。
次に、図4(b)に示すように、液滴吐出ヘッド4の他のノズルから、切断線Lのほぼ真上となる着色用溶液が浸透した領域(浸透部分C)と浸透していない領域との境界部分に沿って水を滴下する。これにより、図4(c)に示すように、着色用溶液の浸透部分Cには水が拡散せず、モデルS1の外側に広がる細い領域にのみ水が浸透する。このように、予め他の溶液を滴下することにより、滴下しない場合と比べて水の浸透部分Bの幅を細くすることができる。また、同時に着色用溶液によるモデルS1の輪郭部分の着色を行うことができる。
ここで、図5に基づき、前処理によって更にシャープな切断部を形成する方法について説明する。まず、図5(a)に示すように、切断線Lを中心とする細い領域のみを残して、その両側にそれぞれ溶液を滴下して2本の近接した線状の浸透部分C1、C2を形成する。このとき、滴下する溶液として、無色透明溶液あるいは撥水性溶液などを使用することができる。浸透部分C1、C2はシート材Sの裏側まで貫通していなくてもよく、溶液の浸透は表面部分だけであってもよい。
次に、図5(b)に示すように浸透部分C1、C2の間に水を滴下すると、浸透部分C1、C2があるために水は面方向に拡散せず、細い幅でシート材Sの厚さ方向に浸透してゆく。これにより、図5(c)に示すように細い水の浸透部分Bがシート材Sを貫通して形成される。このように、切断線Lの両側に溶液を滴下することにより、水の浸透部分Bの幅を更に細く限定することができる。
なお、使用する溶液は無色透明溶液あるいは撥水性溶液に限定されず、着色用溶液や他の溶液を用いてもよい。また、図4の方法で用いる溶液も着色用溶液に限定されず、無色透明溶液や撥水性溶液を用いても良い。無色透明溶液を用いれば浸透部分C、C1、C2の色をシート材Sの地色のままにしておくことができる。また、他の溶液による着色に影響を与えないようにすることができる。また、撥水性溶液を用いれば、浸透部分C、C1、C2への水の浸透をより確実に防止できる。
(3)熱硬化性溶液による精密加工方法
次に、切断後のシート材Sの端辺部分が毛羽立たないようにして、よりシャープな切断加工を行う精密加工方法について説明する。本方法と上記(2)で説明した各方法との相違点は、本方法では、前処理用の溶液として熱硬化性溶液を用いると共に、この熱硬化性溶液の滴下後に、その浸透領域をサーマルヘッドなどにより加熱して熱硬化性溶液をシート材Sに固着させる工程を挿入したことである。
図6、7は熱硬化性溶液を用いた精密加工方法の説明図である。図6(a)および図7(a)は熱硬化性溶液の滴下工程であり、図6(b)および図7(b)はサーマルヘッド15による熱硬化性溶液の浸透部分D、D1、D2の固化工程である。また、図6(c)および図7(c)は水の滴下工程である。なお、図7に示す切断線Lの両側に熱硬化性溶液を滴下する方法では、熱硬化性溶液をシート材を貫通するように浸透させている。
このように、熱硬化性溶液を浸透させてシート材Sにおける水の浸透部分Bとの境界部分を固化させると、切断後のモデルS1の端辺部分が熱硬化性溶液によりコーティングされて鋭利な形状に保たれ、ほつれにくくなる。特に、2本のライン状に熱硬化性溶液を浸透させてこれらの浸透部分D1、D2を加熱して固化させると、水では溶解されないシート材S中のパルプ繊維を、切断線Lに沿ってシート材Sを分断する時に短く千切ることができる。よって、モデルS1の端面からパルプ繊維などが長く飛び出さず、モデルS1の端面が毛羽立った状態にならない。よって、更にシャープな切断部を実現でき、更に精密な切断加工を行うことができる。
(4)不溶化液による精密加工方法
本方法では、上記(2)の方法における前処理液として、水溶紙であるシート材Sを不溶化させる不溶化液を用いる。例えば、シート材Sとして、成形後にアルカリで処理することにより水に溶けやすくする加工を行ったアルカリ紙を用いた場合には、不溶化液として、pH2〜3程度の酸性水溶液を用いる。これにより、酸性水溶液の浸透部分を不溶化し、水による溶解を確実に防止できる。よって、溶かしたくない部分を予め不溶化させることにより、精密な加工を行うことができる。
(ミシン目加工)
次に、シート材Sにミシン目状の切断部を形成する場合について説明する。図8にミシン目状の切断部の形成工程を示す。ミシン目状の切断部を形成する場合には、水の滴下を図8(a)(b)、図8(c)(d)のような2工程に分けて行う。まず、図8(a)(b)に示す第1工程では、ミシン目ラインに沿って連続した線状に水を滴下し、このとき、ミシン目ライン上の各位置における水の滴下量を、シート材Sへの浸透部分Bの深さがシート材Sの厚さの半分程度になるようにする。そして、図8(c)(d)に示す第2工程では、ミシン目の形状に沿って所定の間隔で所定の長さずつ点線状に水を滴下し、浸透部分Bが所定の間隔で点線状にシート材Sを貫通するようにする。これにより、シート材Sにミシン目が形成される。
(折り目加工)
次に、シート材Sに折り目を作成する場合について説明する。ミシン目加工における上記第1工程と同様の工程により、シート材Sに折り目を作成することが可能である。図9(a)は折り目加工を行うシート材の平面図、図9(b)はその断面図(Y−Y断面図)である。このシート材Sには、切断線Lに加えて折り目線L1が設定されている。折り目線L1に沿って図8(a)(b)の工程と同様に所定の深さの浸透部分Bを形成することにより、折り目線L1の部分の厚さを他の部分よりも見かけ上薄くする。これにより、折り目線L1の部分でシート材Sが折れやすくなる。
(厚手のシート材の切断方法)
図10は厚手のシート材の切断方法の説明図である。シート材Sが厚い場合には、水がなかなか裏面側まで浸透せず、面方向に広がってしまって精密な加工が難しい。また、水を裏面側まで浸透させるのに時間がかかり、加工に手間がかかる。そこで、厚いシート材Sを切断する場合には、図10(a)(b)に示すように、まずシート材Sの表面側から切断線L上に水を滴下して、所定の深さまで浸透させる。その後、シート材Sを反転させて切断線Lを再び滴下位置Aに位置合わせし、切断線Lの位置に裏面側から水を滴下する。これにより、表面側からの水の浸透部分と裏面側からの水の浸透部分がつながり、シート材Sを切断できるようになる。
(印刷工程を含むシート材の加工方法)
ここで、上記説明した各加工方法を、シート材Sへの印刷工程と連動させて1つの装置で行う方法について説明する。シート材加工装置1のカートリッジ12に印刷用インクを封入したインクパックをセットすることにより、液滴吐出ヘッド4のノズルに印刷用インクを供給する。これにより、液滴吐出ヘッド4によってシート材Sに印刷を行うことが可能になる。
外部装置14は、上記加工データと共に印刷データを生成し、シート材加工装置1に出力する。制御部7は、外部装置14から入力された加工データおよび印刷データを解析して切断線Lの形状および配置、および、印刷内容をイメージデータに展開し、バッファに格納する。そして、印刷データに基づくシート材Sへの印刷工程を、水の滴下工程あるいは前処理液の滴下に先立って行う。印刷完了後、シート材Sの切断線Lを滴下位置Aに位置合わせし、上記各加工方法と同様に、前処理液や水などを滴下して切断加工あるいは折り目加工を行う。
このようにすれば、印刷と切断あるいは折り目加工を同一装置で行うことができ、使用する機構を共通化することができる。よって、少ない機材で印刷と切断加工あるいは折り目加工を行うことができる。また、シート材Sの再セットや再位置合わせなどの工程や、そのためのクロップマーク読み取りなどの工程を省略できる。よって、短時間で印刷と切断加工あるいは折り目加工を完了させることができる。
なお、シート材Sへの印刷用インクと水の滴下あるいは前処理液の滴下を同時進行で行うことにより、さらに加工時間を短縮させることも可能である。また、上記方法では液滴吐出ヘッド4を用いて印刷と加工を行ったが、印刷用の液滴吐出ヘッドと加工用の液滴吐出を別体にしてもよい。また、水の滴下用と前処理液の滴下用の液滴吐出ヘッドを別体にしてもよい。
(本実施形態の応用)
本実施形態のシート材加工装置およびシート材の加工方法は、このように、印刷と切断や折り目加工を1台の装置で一度に行うことができるので、ペーパークラフト作成やラベル、ステッカーなどの作成に便利である。また、材料となる水溶紙に光触媒機能や有害物質吸着機能などを持たせたり、消臭剤、芳香剤などを添加することにより、空気清浄機能や消臭、芳香機能を持つペーパークラフトなどの紙製品を作成できる。
ペーパークラフト作成のための加工においては、シート材Sの切断部の端面が完成品のペーパークラフトの外部から見える部位に用いられることがある。そこで、このような切断部に沿って印刷を行う場合には、印刷用のインクをシート材Sの裏側まで浸透させるように当該切断部への印刷用インクの滴下量を制御するとよい。これにより、切断部の端面全面がインクで着色された状態になるので、ペーパークラフトの完成品の外観を向上させることができる。
また、本実施形態のシート材加工装置およびシート材の加工方法によれば、でんぷんやゼラチンなどの水で溶ける可食材料をシート材として用い、このシート材を可食溶液などを用いて着色して水で切断することにより、従来は作成できなかった精密な食品飾りを、人体に無害で、且つ、廃棄も容易な材料で作成することができる。
本実施形態は、水溶紙と水(溶解液)と溶液(前処理液)の組合せを前提に例示したが、シートを溶解させる溶解液、溶解液を浸透制限もしくはシートを不溶化/強化する前処理液は他にもありこれに限定されない。また、シートの切断は、本実施形態の切断と加工の技術を複数組み合わせることにより実現することも可能である。
本発明の実施形態に係るシート材加工装置の概略構成図である。 シート材の平面図および断面図(X−X断面図)である。 水の滴下制御による精密加工方法の説明図である。 前処理による精密加工方法の説明図である。 前処理による精密加工方法の説明図である。 熱硬化性溶液による精密加工方法の説明図である。 熱硬化性溶液による精密加工方法の説明図である。 ミシン目状の切断部の形成工程の説明図である。 折り目加工を行うシート材の平面図および断面図(Y−Y断面図)である。 厚手のシート材の切断方法の説明図である。
1…シート材加工装置、2…シート材搬送経路、3…搬送機構、4…液滴吐出ヘッド、5…キャリッジ、6…駆動機構、7…制御部、8…プラテン、9、10…ローラ対、11…紙送りモータ、12…カートリッジ、13…カートリッジ装着部、14…外部装置、15…サーマルヘッド、A…滴下位置、B…浸透部分、C、C1、C2…浸透部分、D、D1、D2…浸透部分、L…切断線、L1…折り目線、S…シート材、S1…モデル

Claims (12)

  1. 液滴吐出ヘッドを用いて、加工対象のシート材を溶解あるいは脆弱化させるシート材溶解液を前記シート材の切断目標位置または折り曲げ目標位置に沿って滴下して、前記シート材を前記切断目標位置または前記折り曲げ目標位置に沿って切断可能あるいは折り曲げ可能にすることを特徴とするシート材の加工方法。
  2. 請求項1に記載のシート材の加工方法において、
    前記液滴吐出ヘッドを用いて、前記シート材溶解液を前記シート材の同一位置の部分に所定の時間間隔で所定の滴下量ずつ複数回滴下し、
    前記時間間隔、前記滴下量、および滴下回数を、前記シート材の面方向および/または厚さ方向への前記シート材溶解液の浸透範囲を所定の範囲とするように決定することを特徴とするシート材の加工方法。
  3. 請求項1または2に記載のシート材の加工方法において、
    前記シート材溶解液の滴下に先行して、前記液滴吐出ヘッドまたは別体の液滴吐出ヘッドから前記切断目標位置または前記折り曲げ目標位置に沿って前処理液を滴下して浸透させ、
    前記シート材における前記前処理液が浸透した部分と浸透していない部分との境界部分に前記シート材溶解液を滴下して浸透させることを特徴とするシート材の加工方法。
  4. 請求項3に記載のシート材の加工方法において、
    前記切断目標位置または前記折り曲げ目標位置を挟む近接した2本のライン上に前記前処理液を滴下して、近接した2本の線状の前処理液浸透部分を形成し、
    当該2本の線状の前処理液浸透部分に挟まれている前記前処理液が浸透していない部分に前記シート材溶解液を滴下して浸透させることを特徴とするシート材の加工方法。
  5. 請求項3または4に記載のシート材の加工方法において、
    前記前処理液は硬化性インクであり、
    前記シート材溶解液の滴下前に、前記シート材における前記硬化性インクの浸透部分を硬化処理して前記硬化性インクを固着させることを特徴とするシート材の加工方法。
  6. 請求項1ないし5のいずれかの項に記載のシート材の加工方法において、
    前記シート材は水溶性バインダーおよび製紙用繊維材を含有している水溶紙であり、
    前記シート材溶解液は水であることを特徴とするシート材の加工方法。
  7. 請求項3または4に記載のシート材の加工方法において、
    前記シート材は水溶性バインダーおよび製紙用繊維材を含有しているアルカリ性の水溶紙であり、
    前記シート材溶解液は水であり、
    前記前処理液は、前記アルカリ性の水溶紙を不溶化させる酸性水溶液であることを特徴とするシート材の加工方法。
  8. 請求項1ないし7のいずれかの項に記載のシート材の加工方法において、
    前記シート材を反転させることにより、前記シート材の切断目標位置に表面側と裏面側からそれぞれ前記シート材溶解液を滴下して、前記シート材を切断可能にすることを特徴とするシート材の加工方法。
  9. 請求項1ないし7のいずれかの項に記載のシート材の加工方法において、
    前記切断目標位置に沿って、前記シート材溶解液の浸透部分を、前記シート材を貫通しない深さで連続した線状に形成し、
    当該線状の浸透部分の上から前記シート材溶解液を点線状にさらに滴下して当該滴下位置のシート材を貫通するように浸透させることにより、前記切断目標位置に沿ってミシン目を形成することを特徴とするシート材の加工方法。
  10. 請求項1ないし9のいずれかの項に記載のシート材の加工方法において、
    前記シート材溶解液を滴下する液滴吐出ヘッドまたは別体の液滴吐出ヘッドによる前記シート材への印刷を、前記シート材溶解液の滴下に先行してあるいは同時進行で行うことを特徴とするシート材の加工方法。
  11. シート材溶解液を滴下する液滴吐出ヘッドと、
    当該液滴吐出ヘッドに対向している滴下位置を通過するように前記シート材を搬送可能なシート材搬送機構と、
    前記シート材の切断目標位置または折り曲げ目標位置を示す加工データが入力される制御部と、を有し、
    当該制御部は、前記加工データに基づいて前記液滴吐出ヘッドおよび前記シート材搬送機構を制御することにより、請求項1ないし10のいずれかの項に記載のシート材の加工方法によって前記シート材を切断あるいは折り曲げ可能にすることを特徴とするシート材加工装置。
  12. 請求項11に記載のシート材加工装置において、
    印刷用インクを吐出する液滴吐出ヘッドを有し、
    当該液滴吐出ヘッドは、前記シート材溶解液を滴下する液滴吐出ヘッドと同一あるいは別体の液滴吐出ヘッドであり、
    前記制御部には印刷データが入力され、
    前記制御部は、当該印刷データに基づく前記シート材への印刷を、前記シート材溶解液の滴下に先行してあるいは同時進行で行うことを特徴とするシート材加工装置。
JP2008169992A 2008-06-30 2008-06-30 シート材の加工方法およびシート材加工装置 Expired - Fee Related JP5195082B2 (ja)

Priority Applications (5)

Application Number Priority Date Filing Date Title
JP2008169992A JP5195082B2 (ja) 2008-06-30 2008-06-30 シート材の加工方法およびシート材加工装置
US12/494,103 US8282866B2 (en) 2008-06-30 2009-06-29 Method and device for forming three-dimensional model, sheet material processing method, and sheet material processing device
EP09008562.2A EP2141003B1 (en) 2008-06-30 2009-06-30 Method and device for forming three-dimensional model
KR1020090059248A KR20100003251A (ko) 2008-06-30 2009-06-30 입체 조형 방법, 입체 조형 장치, 시트재 가공 방법 및 시트재 가공 장치
CN 200910139628 CN101618604B (zh) 2008-06-30 2009-06-30 立体造形方法及立体造形装置以及片材的加工方法及片材加工装置

Applications Claiming Priority (1)

Application Number Priority Date Filing Date Title
JP2008169992A JP5195082B2 (ja) 2008-06-30 2008-06-30 シート材の加工方法およびシート材加工装置

Publications (2)

Publication Number Publication Date
JP2010005767A true JP2010005767A (ja) 2010-01-14
JP5195082B2 JP5195082B2 (ja) 2013-05-08

Family

ID=41512083

Family Applications (1)

Application Number Title Priority Date Filing Date
JP2008169992A Expired - Fee Related JP5195082B2 (ja) 2008-06-30 2008-06-30 シート材の加工方法およびシート材加工装置

Country Status (2)

Country Link
JP (1) JP5195082B2 (ja)
CN (1) CN101618604B (ja)

Cited By (1)

* Cited by examiner, † Cited by third party
Publication number Priority date Publication date Assignee Title
JP2018517592A (ja) * 2015-06-16 2018-07-05 エムコア テクノロジーズ リミテッド デスクトップ三次元印刷機器

Families Citing this family (7)

* Cited by examiner, † Cited by third party
Publication number Priority date Publication date Assignee Title
JP2011143570A (ja) * 2010-01-13 2011-07-28 Seiko Epson Corp 造形方法及び造形物
KR20130040931A (ko) * 2010-06-25 2013-04-24 에스지엘 카본 에스이 구성요소의 제조 방법 및 그 방법에 의해 제조된 구성요소
CN102529096B (zh) * 2010-12-20 2015-10-14 卡尔·赫尔 用于制造三维的物品的装置
GB2511316B (en) * 2013-02-27 2015-06-24 Mcor Technologies Ltd Tack and bond adhesive system and method for layered object manufacture
JP7002240B2 (ja) * 2017-07-31 2022-01-20 理想科学工業株式会社 効能成分保持シートの製造方法、効能成分保持シートの製造装置、および効能成分保持シート
CN108248032B (zh) * 2018-01-02 2020-01-31 哈尔滨工业大学 一种打印喷头嵌入打印液体的3d打印设备
CN110435140A (zh) * 2019-08-16 2019-11-12 华南理工大学 纸基3d打印装置及打印方法

Citations (6)

* Cited by examiner, † Cited by third party
Publication number Priority date Publication date Assignee Title
JPS63191619A (ja) * 1987-02-03 1988-08-09 Mitsui Petrochem Ind Ltd 有機質の膜を切断する方法
JPH06330455A (ja) * 1993-05-25 1994-11-29 Nissho Print Kk 模様入り繊維製品用裁断片の製作方法
JPH09216291A (ja) * 1996-02-09 1997-08-19 Ricoh Co Ltd 三次元物体形成方法、三次元物体形成装置、及び三次元物体
JPH116082A (ja) * 1997-06-13 1999-01-12 Hitachi Cable Ltd 極薄銅条の切断方法及び極薄銅条切断装置
JP2001062927A (ja) * 1999-08-30 2001-03-13 Kira Corporation:Kk 可溶性シートを使用する造形方法と装置
JP2008105139A (ja) * 2006-10-26 2008-05-08 Graphtec Corp カッティングプロッタ

Family Cites Families (4)

* Cited by examiner, † Cited by third party
Publication number Priority date Publication date Assignee Title
JPH0761686B2 (ja) * 1992-10-28 1995-07-05 三洋機工株式会社 シート積層造形方法および装置
GB9607715D0 (en) * 1996-04-13 1996-06-19 Marrill Eng Co Ltd Rapid modelling
US6612824B2 (en) * 1999-03-29 2003-09-02 Minolta Co., Ltd. Three-dimensional object molding apparatus
EP1536395A4 (en) * 2002-05-10 2012-08-01 Nagoya Ind Science Res Inst THREE-DIMENSIONAL MODEL

Patent Citations (6)

* Cited by examiner, † Cited by third party
Publication number Priority date Publication date Assignee Title
JPS63191619A (ja) * 1987-02-03 1988-08-09 Mitsui Petrochem Ind Ltd 有機質の膜を切断する方法
JPH06330455A (ja) * 1993-05-25 1994-11-29 Nissho Print Kk 模様入り繊維製品用裁断片の製作方法
JPH09216291A (ja) * 1996-02-09 1997-08-19 Ricoh Co Ltd 三次元物体形成方法、三次元物体形成装置、及び三次元物体
JPH116082A (ja) * 1997-06-13 1999-01-12 Hitachi Cable Ltd 極薄銅条の切断方法及び極薄銅条切断装置
JP2001062927A (ja) * 1999-08-30 2001-03-13 Kira Corporation:Kk 可溶性シートを使用する造形方法と装置
JP2008105139A (ja) * 2006-10-26 2008-05-08 Graphtec Corp カッティングプロッタ

Cited By (1)

* Cited by examiner, † Cited by third party
Publication number Priority date Publication date Assignee Title
JP2018517592A (ja) * 2015-06-16 2018-07-05 エムコア テクノロジーズ リミテッド デスクトップ三次元印刷機器

Also Published As

Publication number Publication date
CN101618604A (zh) 2010-01-06
CN101618604B (zh) 2013-04-03
JP5195082B2 (ja) 2013-05-08

Similar Documents

Publication Publication Date Title
JP5195082B2 (ja) シート材の加工方法およびシート材加工装置
US8282866B2 (en) Method and device for forming three-dimensional model, sheet material processing method, and sheet material processing device
JP6407858B2 (ja) カラー3次元印刷
JP6355626B2 (ja) 3次元色域マッピングを用いるカラー3次元印刷
JP6009402B2 (ja) ラベル用紙の加工方法及び加工装置
JP5980750B2 (ja) ラベル用紙の加工装置
JP2006520277A (ja) 低パワーレーザー源を使用して紙シートをプリントしてカットするための周辺装置
JPH1178140A (ja) プリンタのカッター装置
JP6144140B2 (ja) カッティング機能を備えたプリンタおよび印刷方法
CN103221217A (zh) 卷筒印刷机和打印方法
JP2010012736A (ja) 立体造形方法および立体造形装置
JP5088695B2 (ja) 立体造形方法および立体造形装置
JP2010240843A (ja) 立体造形方法および立体造形装置
JP2014111497A (ja) 液体吐出装置
JP5811340B2 (ja) 印刷装置
JP4136460B2 (ja) ウエブの加工方法及び加工装置
JP7278841B2 (ja) カット機およびプリンタ
JP2002160410A (ja) インクジェット式プリンタ
JP5957824B2 (ja) 加工システム
JP2003535713A6 (ja) デジタルメディアカッタ
JP6900106B2 (ja) ラベルの製造装置及び製造方法
JP2003535713A (ja) デジタルメディアカッタ
JP4141183B2 (ja) 感光材料の加工装置、加工システム及び加工方法
JP2007136943A (ja) インクジェット記録装置
JP6775271B2 (ja) ちぎり和紙調ラベル

Legal Events

Date Code Title Description
A621 Written request for application examination

Free format text: JAPANESE INTERMEDIATE CODE: A621

Effective date: 20110510

A131 Notification of reasons for refusal

Free format text: JAPANESE INTERMEDIATE CODE: A131

Effective date: 20121009

A977 Report on retrieval

Free format text: JAPANESE INTERMEDIATE CODE: A971007

Effective date: 20121011

A521 Written amendment

Free format text: JAPANESE INTERMEDIATE CODE: A523

Effective date: 20121207

TRDD Decision of grant or rejection written
A01 Written decision to grant a patent or to grant a registration (utility model)

Free format text: JAPANESE INTERMEDIATE CODE: A01

Effective date: 20130108

A61 First payment of annual fees (during grant procedure)

Free format text: JAPANESE INTERMEDIATE CODE: A61

Effective date: 20130121

FPAY Renewal fee payment (event date is renewal date of database)

Free format text: PAYMENT UNTIL: 20160215

Year of fee payment: 3

R150 Certificate of patent or registration of utility model

Ref document number: 5195082

Country of ref document: JP

Free format text: JAPANESE INTERMEDIATE CODE: R150

Free format text: JAPANESE INTERMEDIATE CODE: R150

S531 Written request for registration of change of domicile

Free format text: JAPANESE INTERMEDIATE CODE: R313531

R350 Written notification of registration of transfer

Free format text: JAPANESE INTERMEDIATE CODE: R350

LAPS Cancellation because of no payment of annual fees