JP2010003447A - 接栓の固定構造 - Google Patents

接栓の固定構造 Download PDF

Info

Publication number
JP2010003447A
JP2010003447A JP2008159171A JP2008159171A JP2010003447A JP 2010003447 A JP2010003447 A JP 2010003447A JP 2008159171 A JP2008159171 A JP 2008159171A JP 2008159171 A JP2008159171 A JP 2008159171A JP 2010003447 A JP2010003447 A JP 2010003447A
Authority
JP
Japan
Prior art keywords
plug
state
deformed
caulking
wall panel
Prior art date
Legal status (The legal status is an assumption and is not a legal conclusion. Google has not performed a legal analysis and makes no representation as to the accuracy of the status listed.)
Granted
Application number
JP2008159171A
Other languages
English (en)
Other versions
JP5074304B2 (ja
Inventor
Kenichi Fujita
謙一 藤田
Current Assignee (The listed assignees may be inaccurate. Google has not performed a legal analysis and makes no representation or warranty as to the accuracy of the list.)
DX Antenna Co Ltd
Original Assignee
DX Antenna Co Ltd
Priority date (The priority date is an assumption and is not a legal conclusion. Google has not performed a legal analysis and makes no representation as to the accuracy of the date listed.)
Filing date
Publication date
Application filed by DX Antenna Co Ltd filed Critical DX Antenna Co Ltd
Priority to JP2008159171A priority Critical patent/JP5074304B2/ja
Publication of JP2010003447A publication Critical patent/JP2010003447A/ja
Application granted granted Critical
Publication of JP5074304B2 publication Critical patent/JP5074304B2/ja
Expired - Fee Related legal-status Critical Current
Anticipated expiration legal-status Critical

Links

Images

Landscapes

  • Coupling Device And Connection With Printed Circuit (AREA)

Abstract

【課題】接栓が固定された状態で壁面パネルのかしめ部分において熱や外力による接栓のがたつきを抑制した接栓の固定構造を提供する。
【解決手段】接栓3のシェル3Aは、フランジ部3Aaの一側に筒状かしめ部3Abを、他側に接続部3Acを備える。壁面パネル2Aは、六角穴2Aa周囲に凹み2Abを設けることでその周囲の少なくとも一部が予め屈曲変形されて第1の状態とされたものである。接栓3の筒状かしめ部3Abをかしめて接栓3を壁面パネル2Aに固定した状態で、前記屈曲変形部分が、前記第1の状態になる方向に変形しようとする弾性力を残して、前記接栓の軸線方向において圧縮弾性変形している第2の状態となっている。
【選択図】 図1

Description

本発明は、電子機器ケースにおける接栓の固定構造に関するものである。
従来より、電子機器ケース(例えばシールドケース)の壁面パネルに取付孔が形成され、前記取付孔に対し接栓がかしめにより固定される接栓の固定構造は知られている。
そのような接栓のシェルとしては真鍮製のものを使用し、前記接栓のシェルは、取付フランジ部の一側に筒状かしめ部を、他側に雄ねじ状の接続部を備えるものであり、その筒状かしめ部を下穴としての円形状の取付孔に挿入し、前記筒状かしめ部に小判型のポンチを適用してかしめていた。
ところが、近年、そのような真鍮製のものよりさらにコストダウンを図るために、亜鉛ダイカスト製のシェルが採用されるようになっている。このようなシェルは、低靱性であるため、大きな変形を伴うかしめには不向きである。
そこで、接栓のシェル側に、端子パネル側の取付孔に挿入される円板状のフランジ部を設けるとともに、端子パネルに接合する一対の挿入止め部を設ける一方、端子パネル側に1対のかしめ片を設け、これらのかしめ片で挿入止め部の間でフランジ部をかしめることで固定することが提案されている(例えば、特許文献1参照)。
特開2004−227912号公報(図1参照)
しかしながら、特許文献1に記載のものでは、端子パネル(壁面パネル)側に1対のかしめ片を設ける一方、接栓側に1対の挿入止め部を設けるので、構造が複雑である。
そこで、発明者は、接栓が固定された状態で壁面パネルのかしめ部分において弾性変形(バネ機能)を持たせるようにすれば、接栓の低靱性を補えることに着想し、熱や外力により亜鉛ダイカスト製シェルにやせが起きた場合でも接栓のがたつきを回避できる本発明をなすに至ったものである。
この発明は、接栓が固定された状態で壁面パネルのかしめ部分において熱や外力による接栓のがたつきを抑制した接栓の固定構造を提供することを目的とする。
請求項1の発明は、電子機器ケースの壁面パネルに取付孔を形成し、前記取付孔に対し接栓をかしめにより固定する接栓の固定構造であって、
前記接栓のシェルは、取付フランジ部の一側に前記筒状かしめ部を備えるものである一方、前記壁面パネルは、前記取付孔周囲の少なくとも一部が予め屈曲変形されている第1の状態となっているものであり、前記接栓の筒状かしめ部をかしめて前記接栓を壁面パネルに固定した状態で、前記屈曲変形部分が、前記第1の状態になる方向に変形しようとする弾性力を残して、前記接栓の軸線方向において圧縮変形している第2の状態となっていることを特徴とする。ここで、「前記第1の状態になる方向に変形しようとする弾性力を残して、」とは、かしめが解除されたときに第1の状態に完全に復元するまでの弾性力ではなく、前記第1の状態に復元しようとする弾性力が少しでも残っていればよいことを意味し、「前記接栓の軸線方向において圧縮変形している」とは、前記屈曲変形部分の高さ(前記接栓の軸線方向の長さ)が第1の状態の時よりも低くなっていることを意味する。
このようにすれば、前記接栓の筒状かしめ部をかしめて前記接栓を壁面パネルに固定した状態で、前記取付孔周囲に位置する屈曲変形部分は、元の状態になる方向に変形しようとする弾性力を残して、前記接栓の軸線方向において圧縮変形している弾性変形状態(第2の状態)にある。これにより、かしめ部分に緩みやがたつきが生じるように変形(いわゆる痩せが生じようと)しようとしても、その残っている弾性力により、前記隙間が生じようとする変形が吸収され、かしめ強度の低下(緩みやがたつき)が回避される。
また、請求項2の発明は、電子機器ケースの壁面パネルに取付孔を形成し、前記取付孔に対し接栓をかしめにより固定する接栓の固定構造であって、前記接栓のシェルは、取付フランジ部の一側に前記筒状かしめ部を備え、前記取付フランジ部の、前記一側の面に少なくとも1つの湾曲凸部が形成されているものであり、前記接栓の筒状かしめ部をかしめて前記接栓を前記壁面パネルに固定した状態で、前記壁面パネルは、前記取付孔周囲の少なくとも一部が、元の状態になる方向に変形しようとする弾性力を残して、前記接栓の軸線方向において圧縮変形している部分となっていることを特徴とする。
この場合も、前記壁面パネルは、前記取付孔周囲の少なくとも一部が、元の状態になる方向に変形しようとする弾性力を残して、前記接栓の軸線方向において圧縮変形している部分となっているので、かしめ部分に緩みやがたつきが生じるように変形しようとしても、請求項1の発明と同様に、前記残っている弾性力により、前記緩みやがたつきが生じようとする変形が吸収され、前記接栓の壁面パネルへの固定部分におけるかしめ強度の低下(緩みやがたつき)が回避される。
請求項3に記載のように、前記取付孔は、多角形孔で、前記筒状かしめ部の外周断面は、前記取付孔の形状に対応した形状であることが望ましい。
このようにすれば、多角形孔である取付孔と、それに対応した形状である筒状かしめ部との関係で、回転が規制され、回転保持力は高まる。よって、かしめ強度不足の解消と相俟って、壁面パネルへの接栓の安定した固定が実現される。
本発明は、上記のように、前記接栓の筒状かしめ部をかしめて前記接栓を壁面パネルに固定した状態で、前記壁面パネルの取付孔周囲の少なくとも一部が、元の状態(あるいは第1の状態)になる方向に変形しようとする弾性力を残して、前記接栓の軸線方向において圧縮変形しているようにしたので、接栓のシェルを壁面パネルにかしめて固定している部分に緩みやがたつきが生じようとしても、その緩みやがたつきに前記弾性変形している部分が追従して、緩みやがたつきの発生を抑制することができる。このように、かしめにより固定する際に、取付孔周囲の一部に、元の状態になる方向に変形しようとする弾性力を残して、前記接栓の軸線方向において圧縮変形している部分を残すようにするだけで、特に加工工程が増えることはないので、コストアップになることもなく、かしめ強度の低下を抑制した安定した固定を実現することができる。
以下、本発明の実施の形態を図面に沿って説明する。
(第1の実施の形態)
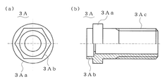
図1(a)は本発明に係る接栓の固定構造が用いられた電子機器を示す正面図、図1(b)は同底面図、図2は接栓の断面図である。
図1(a)(b)に示すように、電子機器1は、ケーシング2(板金シャーシ)の1つの壁面パネル2Aに2つの接栓3,3がかしめにより固定されている。このケーシング2は、板金を箱状に折り曲げて形成されており、そのうちの1つの壁面パネル2Aには、接栓取付孔としての六角穴2Aaが設けられている。この六角穴2Aaの周囲には、接栓3が固定される前に、所定深さの凹み2Abがそれぞれ形成され、その部分では壁面パネル2Aが予め屈曲変形している(第1の状態)。つまり、壁面パネル2Aに単に凹みが形成されているだけではなく、凹んでいる側とは反対側にその凹み2Abに対応する湾曲凸部が形成されるようになっている。
また、図2(a)(b)に示すように、接栓3(図面上、コンタクトなどの内部構造省略)のシェル3Aは、亜鉛ダイカスト製で、円形のフランジ部3Aaを有し、そのフランジ部3Aaの一方の側に六角筒形状の筒状かしめ部3Abが設けられている。フランジ部の3Aaの他側には同軸ケーブル(図示せず)が接続される接続部3Acとなっている。
この接栓3の壁面パネル2Aへの取付けは、まず、図3の左側部分に示すように、接栓3の筒状かしめ部3Abを表側から壁面パネル2Aの六角穴2Aaに差し込み、その差し込んだ状態で筒状かしめ部3Abを、裏側から所定形状のポンチ21で一定の加圧力でもって押す。これによりポンチ21によるかしめ作用により、筒状かしめ部3Abが外側に押し広げられ、その押し広げられ部分(かしめ部3Ab)がフランジ部3Aaとの間にケーシング2の壁面パネル2Aを挟むように変形するので、それらの間に壁面パネル2Aの六角穴2Aaの周囲部分が挟まされて固定される。
この固定状態では、フランジ部3Aaと筒状かしめ部3Abとの間において、壁面パネル2Aの六角穴2Aa周囲の凹み2Abによる屈曲変形部分は、フランジ部3Aaに沿うように平坦になる方向に撓ませた状態に押圧されている。そして、六角穴2Aaの周囲において、撓み変形している部分は、元の形状の凹み2Abを有する第1の状態になる方向に変形しようとする弾性力を残して、接栓3の軸線方向において圧縮弾性変形している状態(第2の状態)となっている。つまり、壁面パネル2Aの六角穴2Aa周囲の部分が、いわゆるスプリングワッシャ的な機能を発揮するようになっている。
よって、かしめ作業終了後、あるいはその後何らかの原因によって、壁面パネル2Aの六角穴2Aaの周囲部分と、フランジ部3Aaあるいは筒状かしめ部3Abとの間に緩み(隙間)やがたつきが生じてかしめ強度不足になろうとしても、かしめ時に押し潰された凹み2Abによる屈曲変形部分がスプリング効果を発揮することから、そのような緩みやがたつきが生じるのを打ち消す方向に変形し、ガタつきの発生が回避される。
それに加えて、ケーシング2内に内部基板(図示せず)をはんだ付けする際などにおいても、壁面パネル2A(ケーシング2)と接栓3のシェル3Aとの熱膨張率の相違から、万一シェル3Aにいわゆる痩せが生じても、前述した場合と同様に、その痩せが生じるのを打ち消す方向に前記屈曲変形部分が弾性変形して、かしめ強度不足になろうとするのが解消される。よって、このような場合にも、凹み2Abを設けることが有利に作用する。
前述した実施の形態では、壁面パネル2Aの取付孔を、六角穴2Aaとしているが、本発明はそれに制限されるものではなく、小判形状の穴や他の多角形の穴でもよい。凹みを設ける数や配置も特に制限されないのはいうまでもない。
前記第1の実施の形態においては、接栓3をかしめにより固定した状態では、六角穴2Aa(取付孔)周囲の少なくとも一部が、第1の状態になる方向に変形しようとする弾性力を残して、接栓3の軸線方向において圧縮弾性変形している部分となるように、壁面パネル2Aに予め凹み2Abを設けるようにしているが、本発明はそれに限定されるものではなく、次の第2の実施の形態のように構成しても、同様の効果を得ることができる。
(第2の実施の形態)
この実施の形態では、壁面パネル2Aに予め凹み2Abを設けるのに代えて、壁面パネル2Aはフラットな面そのままとして、図4に示すように、接栓3のフランジ部3Aaの、筒状かしめ部3Abを設ける側に緩やかな湾曲凸部3Aaa(高さΔL)を設けている。これにより、シェル3Aの筒状かしめ部3Abをかしめて接栓3を壁面パネル3Aに固定した状態で、取付孔周囲の少なくとも一部が、元の状態になる方向に変形しようとする弾性力を残して、接栓3の軸線方向において圧縮弾性変形している部分となる。
このようにすれば、六角穴2Aaの周囲において、撓み変形している部分は、図5に示すように、六角穴2Aaの周囲の一部が他部に対して湾曲凸部3Aaaの高さに相当するΔL程度のずれが生じるように撓んでおり、元の状態になる方向に変形しようとする弾性力を残して、接栓3の軸線方向において圧縮弾性変形している。つまり、壁面パネル2Aの六角穴2Aa周囲の部分が、元の状態になる方向に変形しようとする弾性変形状態になり、いわゆるスプリングワッシャ的な弾性機能を発揮するようになっている。
(a)は本発明の第1の実施の形態に係る接栓の固定構造が用いられた電子機器を示す正面図、(b)は同底面図である。 第1の実施の形態の接栓の断面図である。 第1の実施の形態についてのかしめ作業の説明図である。 第2の実施の形態についての説明図である。 第2の実施の形態についてのかしめ状態の説明図である。
符号の説明
1 電子機器
2 ケーシング
2A 壁面パネル
2Aa 六角穴
2Ab 凹み
3 接栓
3A シェル
3Aa フランジ部
3Aaa 湾曲凸部
3Ab 筒状かしめ部
3Ac 接続部

Claims (3)

  1. 電子機器ケースの壁面パネルに取付孔を形成し、前記取付孔に対し接栓をかしめにより固定する接栓の固定構造であって、
    前記接栓のシェルは、取付フランジ部の一側に前記筒状かしめ部を備えるものである一方、前記壁面パネルは、前記取付孔周囲の少なくとも一部が予め屈曲変形されている第1の状態となっているものであり、
    前記接栓の筒状かしめ部をかしめて前記接栓を壁面パネルに固定した状態で、前記屈曲変形部分が、前記第1の状態になる方向に変形しようとする弾性力を残して、前記接栓の軸線方向において圧縮変形している第2の状態となっていることを特徴とする接栓の固定構造。
  2. 電子機器ケースの壁面パネルに取付孔を形成し、前記取付孔に対し接栓をかしめにより固定する接栓の固定構造であって、
    前記接栓のシェルは、取付フランジ部の一側に前記筒状かしめ部を備え、前記取付フランジ部の、前記一側の面に少なくとも1つの湾曲凸部が形成されているものであり、
    前記接栓の筒状かしめ部をかしめて前記接栓を前記壁面パネルに固定した状態で、前記壁面パネルは、前記取付孔周囲の少なくとも一部が、元の状態になる方向に変形しようとする弾性力を残して、前記接栓の軸線方向において圧縮変形している部分となっていることを特徴とする接栓の固定構造。
  3. 前記取付孔は多角形孔で、前記筒状かしめ部の断面形状が前記取付孔の形状に対応した形状であることを特徴とする請求項1または2記載の接栓の固定構造。
JP2008159171A 2008-06-18 2008-06-18 接栓の固定構造 Expired - Fee Related JP5074304B2 (ja)

Priority Applications (1)

Application Number Priority Date Filing Date Title
JP2008159171A JP5074304B2 (ja) 2008-06-18 2008-06-18 接栓の固定構造

Applications Claiming Priority (1)

Application Number Priority Date Filing Date Title
JP2008159171A JP5074304B2 (ja) 2008-06-18 2008-06-18 接栓の固定構造

Publications (2)

Publication Number Publication Date
JP2010003447A true JP2010003447A (ja) 2010-01-07
JP5074304B2 JP5074304B2 (ja) 2012-11-14

Family

ID=41585021

Family Applications (1)

Application Number Title Priority Date Filing Date
JP2008159171A Expired - Fee Related JP5074304B2 (ja) 2008-06-18 2008-06-18 接栓の固定構造

Country Status (1)

Country Link
JP (1) JP5074304B2 (ja)

Cited By (3)

* Cited by examiner, † Cited by third party
Publication number Priority date Publication date Assignee Title
KR101164530B1 (ko) 2011-06-24 2012-07-10 안창희 전기적 접속장치
CN112566400A (zh) * 2019-09-26 2021-03-26 马勒国际有限公司 壳体
WO2023195385A1 (ja) * 2022-04-04 2023-10-12 イーグル工業株式会社 弁および弁の組み立て方法

Citations (6)

* Cited by examiner, † Cited by third party
Publication number Priority date Publication date Assignee Title
JPS59101373U (ja) * 1982-12-27 1984-07-09 アルプス電気株式会社 入出力接栓の取付構造
JPH05326075A (ja) * 1992-05-18 1993-12-10 Matsushita Electric Ind Co Ltd F接栓取付装置
JPH09106863A (ja) * 1995-10-09 1997-04-22 Alps Electric Co Ltd 同軸コネクタの取付構造
JPH11283706A (ja) * 1998-03-27 1999-10-15 Mitsubishi Electric Corp コネクタの取付け構造
JP2002216917A (ja) * 2001-01-23 2002-08-02 Maspro Denkoh Corp 同軸ケーブル接栓の取付構造
JP2004227912A (ja) * 2003-01-22 2004-08-12 Maspro Denkoh Corp 同軸ケーブル接栓の取付構造

Patent Citations (6)

* Cited by examiner, † Cited by third party
Publication number Priority date Publication date Assignee Title
JPS59101373U (ja) * 1982-12-27 1984-07-09 アルプス電気株式会社 入出力接栓の取付構造
JPH05326075A (ja) * 1992-05-18 1993-12-10 Matsushita Electric Ind Co Ltd F接栓取付装置
JPH09106863A (ja) * 1995-10-09 1997-04-22 Alps Electric Co Ltd 同軸コネクタの取付構造
JPH11283706A (ja) * 1998-03-27 1999-10-15 Mitsubishi Electric Corp コネクタの取付け構造
JP2002216917A (ja) * 2001-01-23 2002-08-02 Maspro Denkoh Corp 同軸ケーブル接栓の取付構造
JP2004227912A (ja) * 2003-01-22 2004-08-12 Maspro Denkoh Corp 同軸ケーブル接栓の取付構造

Cited By (3)

* Cited by examiner, † Cited by third party
Publication number Priority date Publication date Assignee Title
KR101164530B1 (ko) 2011-06-24 2012-07-10 안창희 전기적 접속장치
CN112566400A (zh) * 2019-09-26 2021-03-26 马勒国际有限公司 壳体
WO2023195385A1 (ja) * 2022-04-04 2023-10-12 イーグル工業株式会社 弁および弁の組み立て方法

Also Published As

Publication number Publication date
JP5074304B2 (ja) 2012-11-14

Similar Documents

Publication Publication Date Title
US7465199B2 (en) Female terminal
JP2009187789A (ja) 防水栓および防水コネクタ
KR101963844B1 (ko) 전기 커넥터
JP5519382B2 (ja) 圧着端子及びその製造方法
WO2014115476A1 (ja) 雌端子
JP5074304B2 (ja) 接栓の固定構造
WO2010029803A1 (ja) 端子金具及び端子金具付き電線
JP2009146836A (ja) コネクタ及びコネクタ付きの回路基板搭載ケース
JP2011081957A (ja) シールド構造、シールドコネクタ、およびキャップ
JP5077150B2 (ja) 端子金具
WO2012161033A1 (ja) ホールプラグ
JP5369805B2 (ja) 防水コネクタ
JP4493590B2 (ja) コネクタ
JP2010049844A (ja) コネクタ及び端子金具
JP2013152815A (ja) コネクタ構造
US10932377B2 (en) Housing for electrical components and method for connecting a housing body to a housing cover
JP2012048903A (ja) 端子金具
JP5382439B2 (ja) 端子金具の接続構造
JP2008130467A (ja) コネクタ
JP2006156285A (ja) 雌端子金具
JP2015011792A (ja) バッテリーターミナル
JP5828199B2 (ja) コネクタ
JP2008265670A (ja) 車両用外装部品の取付構造
JP2009021096A (ja) コネクタの取付け構造
JP5865089B2 (ja) バルブソケット

Legal Events

Date Code Title Description
A621 Written request for application examination

Free format text: JAPANESE INTERMEDIATE CODE: A621

Effective date: 20110510

A977 Report on retrieval

Free format text: JAPANESE INTERMEDIATE CODE: A971007

Effective date: 20120723

TRDD Decision of grant or rejection written
A01 Written decision to grant a patent or to grant a registration (utility model)

Free format text: JAPANESE INTERMEDIATE CODE: A01

Effective date: 20120821

A01 Written decision to grant a patent or to grant a registration (utility model)

Free format text: JAPANESE INTERMEDIATE CODE: A01

A61 First payment of annual fees (during grant procedure)

Free format text: JAPANESE INTERMEDIATE CODE: A61

Effective date: 20120823

R150 Certificate of patent or registration of utility model

Free format text: JAPANESE INTERMEDIATE CODE: R150

FPAY Renewal fee payment (event date is renewal date of database)

Free format text: PAYMENT UNTIL: 20150831

Year of fee payment: 3

R250 Receipt of annual fees

Free format text: JAPANESE INTERMEDIATE CODE: R250

R250 Receipt of annual fees

Free format text: JAPANESE INTERMEDIATE CODE: R250

LAPS Cancellation because of no payment of annual fees