JP2010003161A - メモリシステム - Google Patents

メモリシステム Download PDF

Info

Publication number
JP2010003161A
JP2010003161A JP2008162281A JP2008162281A JP2010003161A JP 2010003161 A JP2010003161 A JP 2010003161A JP 2008162281 A JP2008162281 A JP 2008162281A JP 2008162281 A JP2008162281 A JP 2008162281A JP 2010003161 A JP2010003161 A JP 2010003161A
Authority
JP
Japan
Prior art keywords
nand
memory
bus switch
signal
nand memory
Prior art date
Legal status (The legal status is an assumption and is not a legal conclusion. Google has not performed a legal analysis and makes no representation as to the accuracy of the status listed.)
Granted
Application number
JP2008162281A
Other languages
English (en)
Other versions
JP5253901B2 (ja
Inventor
Yasushi Nagatomi
靖 長冨
Current Assignee (The listed assignees may be inaccurate. Google has not performed a legal analysis and makes no representation or warranty as to the accuracy of the list.)
Toshiba Corp
Original Assignee
Toshiba Corp
Priority date (The priority date is an assumption and is not a legal conclusion. Google has not performed a legal analysis and makes no representation as to the accuracy of the date listed.)
Filing date
Publication date
Priority to JP2008162281A priority Critical patent/JP5253901B2/ja
Application filed by Toshiba Corp filed Critical Toshiba Corp
Priority to US12/435,671 priority patent/US8595410B2/en
Publication of JP2010003161A publication Critical patent/JP2010003161A/ja
Application granted granted Critical
Publication of JP5253901B2 publication Critical patent/JP5253901B2/ja
Priority to US14/063,278 priority patent/US8832362B2/en
Priority to US14/335,361 priority patent/US9280461B2/en
Priority to US15/012,549 priority patent/US20160147455A1/en
Priority to US15/865,881 priority patent/US10474360B2/en
Priority to US16/671,674 priority patent/US10956039B2/en
Priority to US17/207,021 priority patent/US11494077B2/en
Priority to US17/979,042 priority patent/US11836347B2/en
Priority to US18/527,894 priority patent/US12242723B2/en
Priority to US19/023,991 priority patent/US20250165141A1/en
Expired - Fee Related legal-status Critical Current
Anticipated expiration legal-status Critical

Links

Images

Classifications

    • GPHYSICS
    • G06COMPUTING OR CALCULATING; COUNTING
    • G06FELECTRIC DIGITAL DATA PROCESSING
    • G06F3/00Input arrangements for transferring data to be processed into a form capable of being handled by the computer; Output arrangements for transferring data from processing unit to output unit, e.g. interface arrangements
    • G06F3/06Digital input from, or digital output to, record carriers, e.g. RAID, emulated record carriers or networked record carriers
    • G06F3/0601Interfaces specially adapted for storage systems
    • G06F3/0602Interfaces specially adapted for storage systems specifically adapted to achieve a particular effect
    • G06F3/0604Improving or facilitating administration, e.g. storage management
    • GPHYSICS
    • G06COMPUTING OR CALCULATING; COUNTING
    • G06FELECTRIC DIGITAL DATA PROCESSING
    • G06F12/00Accessing, addressing or allocating within memory systems or architectures
    • G06F12/02Addressing or allocation; Relocation
    • G06F12/0223User address space allocation, e.g. contiguous or non contiguous base addressing
    • G06F12/023Free address space management
    • G06F12/0238Memory management in non-volatile memory, e.g. resistive RAM or ferroelectric memory
    • G06F12/0246Memory management in non-volatile memory, e.g. resistive RAM or ferroelectric memory in block erasable memory, e.g. flash memory
    • GPHYSICS
    • G06COMPUTING OR CALCULATING; COUNTING
    • G06FELECTRIC DIGITAL DATA PROCESSING
    • G06F13/00Interconnection of, or transfer of information or other signals between, memories, input/output devices or central processing units
    • G06F13/14Handling requests for interconnection or transfer
    • G06F13/16Handling requests for interconnection or transfer for access to memory bus
    • G06F13/1668Details of memory controller
    • G06F13/1684Details of memory controller using multiple buses
    • GPHYSICS
    • G06COMPUTING OR CALCULATING; COUNTING
    • G06FELECTRIC DIGITAL DATA PROCESSING
    • G06F13/00Interconnection of, or transfer of information or other signals between, memories, input/output devices or central processing units
    • G06F13/38Information transfer, e.g. on bus
    • G06F13/40Bus structure
    • G06F13/4004Coupling between buses
    • G06F13/4022Coupling between buses using switching circuits, e.g. switching matrix, connection or expansion network
    • GPHYSICS
    • G06COMPUTING OR CALCULATING; COUNTING
    • G06FELECTRIC DIGITAL DATA PROCESSING
    • G06F3/00Input arrangements for transferring data to be processed into a form capable of being handled by the computer; Output arrangements for transferring data from processing unit to output unit, e.g. interface arrangements
    • G06F3/06Digital input from, or digital output to, record carriers, e.g. RAID, emulated record carriers or networked record carriers
    • G06F3/0601Interfaces specially adapted for storage systems
    • G06F3/0628Interfaces specially adapted for storage systems making use of a particular technique
    • G06F3/0629Configuration or reconfiguration of storage systems
    • GPHYSICS
    • G06COMPUTING OR CALCULATING; COUNTING
    • G06FELECTRIC DIGITAL DATA PROCESSING
    • G06F3/00Input arrangements for transferring data to be processed into a form capable of being handled by the computer; Output arrangements for transferring data from processing unit to output unit, e.g. interface arrangements
    • G06F3/06Digital input from, or digital output to, record carriers, e.g. RAID, emulated record carriers or networked record carriers
    • G06F3/0601Interfaces specially adapted for storage systems
    • G06F3/0668Interfaces specially adapted for storage systems adopting a particular infrastructure
    • G06F3/0671In-line storage system
    • G06F3/0683Plurality of storage devices
    • G06F3/0688Non-volatile semiconductor memory arrays
    • GPHYSICS
    • G06COMPUTING OR CALCULATING; COUNTING
    • G06FELECTRIC DIGITAL DATA PROCESSING
    • G06F2212/00Indexing scheme relating to accessing, addressing or allocation within memory systems or architectures
    • G06F2212/72Details relating to flash memory management
    • G06F2212/7202Allocation control and policies

Landscapes

  • Engineering & Computer Science (AREA)
  • Theoretical Computer Science (AREA)
  • Physics & Mathematics (AREA)
  • General Engineering & Computer Science (AREA)
  • General Physics & Mathematics (AREA)
  • Human Computer Interaction (AREA)
  • Mathematical Physics (AREA)
  • Computer Hardware Design (AREA)
  • Read Only Memory (AREA)
  • Techniques For Improving Reliability Of Storages (AREA)
  • Memory System (AREA)

Abstract

【課題】不揮発性記憶部の信号線の負荷容量が増大した場合においても、信号遅延を防止することが可能なメモリシステムを提供することを目的とする。
【解決手段】複数のChipが搭載されるNANDメモリと、NANDメモリを制御するNANDコントローラ112を備えたメモリシステムにおいて、NANDコントローラ112とNANDメモリに搭載される複数のChip間の信号線の接続を切り替えるバススイッチを設け、NANDメモリ10に対するアクセス時の信号線の負荷容量を低減して、信号遅延を防止する。
【選択図】 図11

Description

本発明は、不揮発性半導体記憶装置を用いて構成されるメモリシステムに関する。
コンピュータシステムに用いられる外部記憶装置として、フラッシュメモリ(フラッシュEEPROM)を搭載したメモリシステムとしてSSD(Solid State Drive)が注目されている。フラッシュメモリは、磁気ディスク装置に比べ、高速、軽量などの利点を有している。
SSD内には、複数のフラッシュメモリチップ、ホスト装置からの要求に応じて各フラッシュメモリチップのリード/ライト制御を行うコントローラ、各フラッシュメモリチップとホスト装置との間でデータ転送を行うためのバッファメモリ、電源回路、ホスト装置に対する接続インタフェースなどを備えている(例えば、特許文献1)。
しかしながら、SSDを設計する場合、コントローラチップのPin数や実装面積が限られた中で、データ容量を増やすために、メモリChipを複数枚Stack(積層)したStack品を使用する必要がある。かかるStack品では、内部でIO信号線および制御信号線をメモリChip数分纏めた形となり、各信号線の負荷容量もStackしたメモリChip数につれて大きくなる。
各信号線の負荷容量が大きくなると、IO信号および制御信号のCR遅延による遅れが生じ、同期設計したコントローラを使用した場合、低負荷(Stack数:少)ではメモリからの読み取りデータをラッチして出力できるが、高負荷(Stack数:多)ではCR遅延によってメモリから読み出したデータの遅延のため、ラッチして出力できないおそれがある。同様に、各信号線の負荷容量が大きくなると、信号遅延のためにメモリに対する書き込みエラーが発生するおそれがある。
特許第3688835号公報
本発明は、上記課題に鑑みてなされたものであり、不揮発性記憶部の信号線の負荷容量が増大した場合においても、信号遅延を防止することが可能なメモリシステムを提供することを目的とする。
上述した課題を解決し、目的を達成するために、本発明は、複数の不揮発性メモリチップが搭載される不揮発性記憶部と、前記不揮発性記憶部を制御するコントロール回路と、前記コントロール回路を制御するMPUと、ホストとの通信を行うインタフェース回路とが基板上に搭載されるメモリシステムにおいて、前記コントロール回路と前記複数の不揮発性メモリチップ間の信号線の接続を切り替えるバススイッチを備えたことを特徴とする。
本発明によれば、コントローラ回路と不揮発性記憶部に搭載される複数の不揮発性メモリチップ間の信号線の接続を切り替えるバススイッチを設けているので、不揮発性記憶部にアクセスする場合に、バススイッチにより、アクセスする不揮発性メモリチップを接続する一方、アクセスしない不揮発性メモリチップとの接続を遮断することができ、不揮発性記憶部に対するアクセス時の信号線の負荷容量を低減でき、不揮発性記憶部の信号線の負荷容量が増大した場合においても、信号遅延を防止することが可能なメモリシステムを提供することが可能となるという効果を奏する。
以下に、この発明につき図面を参照しつつ詳細に説明する。なお、この実施例によりこの発明が限定されるものではない。また、下記実施例における構成要素には、当業者が容易に想定できるものまたは実質的に同一のものが含まれる。
本実施例のメモリシステムは、不揮発性半導体記憶装置を含み、たとえば、パーソナルコンピュータなどのホスト装置の2次記憶装置(SSD:Solid State Drive)として使用され、ホスト装置から書込要求が出されたデータを記憶し、またホスト装置から読出要求のあったデータを読出してホスト装置に出力する機能を有する。
[SSDの構成例]
図1は、SSD100の構成例を示すブロック図である。SSD100は、システム基板(基板)120に搭載されたASICおよびNANDメモリ10で構成されている。また、ASICには、ドライブ制御回路4,電源回路5,DRAM20が搭載されている。
SSD100は、ATAインタフェース(ATA I/F)2などのメモリ接続インタフェースを介してパソコンあるいはCPUコアなどのホスト装置(ホスト)1と接続され、ホスト装置1の外部メモリとして機能する。また、SSD100は、RS232Cインタフェース(RS232C I/F)3などの通信インタフェースを介して、デバッグ用機器200との間でデータを送受信することができる。SSD100は、不揮発性メモリとしてのNANDフラッシュメモリ(以下、NANDメモリと略す)10と、コントローラとしてのドライブ制御回路4と、揮発性メモリとしてのDRAM20と、電源回路5と、状態表示用のLED6などを備えている。
電源回路5は、ホスト装置1側の電源回路から供給される外部直流電源から複数の異なる内部直流電源電圧を生成し、これら内部直流電源電圧をSSD100内の各回路に供給する。また、電源回路5は、外部電源の立ち上がりまたは立ち下がりを検知し、パワーオンリセット信号またはパワーオフリセット信号を生成して、ドライブ制御回路4に供給する。
NANDメモリ(不揮発性記憶部)10は、4ChのNANDメモリパッケージ10a〜10dを有する。1つのNANDメモリパッケージは、積層された複数のNANDメモリチップ(以下、「Chip」と称する)によって構成されている。図1に示す例では、例えば、NANDメモリパッケージ10aは、8枚のChip0〜7(例えば、1Chip=16GB)がStackされた8StackChip10a1と、8枚のChip8〜15がStackされた8StackChip10a2とを備え、他のNANDメモリパッケージ10b〜dも同様に、2組の8StackChipを備えており、NANDメモリ10は128GBの容量を有する。4ChのNANDメモリパッケージ10a〜10dは、4並列動作が可能となっている。
DRAM20は、ホスト装置1とNANDメモリ10間でのデータ転送用キャッシュおよび作業領域用メモリとして機能する。ドライブ制御回路4は、ホスト装置1とNANDメモリ10との間でDRAM20を介してデータ転送制御を行うとともに、SSD100内の各構成要素を制御する。また、ドライブ制御回路4は、状態表示用LED6にステータス表示用信号を供給するとともに、電源回路5からのパワーオン/オフリセット信号を受けて、リセット信号およびクロック信号を自回路内およびSSD100内の各部に供給する機能も有している。
各NANDメモリチップは、データ消去の単位であるブロックを複数配列して構成されている。図2は、NANDメモリチップに含まれる1個のブロックの構成例を示す回路図である。各ブロックは、X方向に沿って順に配列された(m+1)個のNANDストリングを備えている(mは、0以上の整数)。(m+1)個のNANDストリングにそれぞれ含まれる選択トランジスタST1は、ドレインがビット線BL0〜BLmに接続され、ゲートが選択ゲート線SGDに共通接続されている。また、選択トランジスタST2は、ソースがソース線SLに共通接続され、ゲートが選択ゲート線SGSに共通接続されている。
各メモリセルトランジスタMTは、半導体基板上に形成された積層ゲート構造を備えたMOSFET(metal oxide semiconductor field effect transistor)から構成される。積層ゲート構造は、半導体基板上にゲート絶縁膜を介在して形成された電荷蓄積層(浮遊ゲート電極)、及び電荷蓄積層上にゲート間絶縁膜を介在して形成された制御ゲート電極を含んでいる。メモリセルトランジスタMTは、浮遊ゲート電極に蓄えられる電子の数に応じて閾値電圧が変化し、この閾値電圧の違いに応じてデータを記憶する。メモリセルトランジスタMTは、1ビットを記憶するように構成されていてもよいし、多値(2ビット以上のデータ)を記憶するように構成されていてもよい。
各NANDストリングにおいて、(n+1)個のメモリセルトランジスタMTは、選択トランジスタST1のソースと選択トランジスタST2のドレインとの間に、それぞれの電流経路が直列接続されるように配置されている。すなわち、複数のメモリセルトランジスタMTは、隣接するもの同士で拡散領域(ソース領域若しくはドレイン領域)を共有するような形でY方向に直列接続される。
そして、最もドレイン側に位置するメモリセルトランジスタMTから順に、制御ゲート電極がワード線WL0〜WLnにそれぞれ接続されている。従って、ワード線WL0に接続されたメモリセルトランジスタMTのドレインは選択トランジスタST1のソースに接続され、ワード線WLnに接続されたメモリセルトランジスタMTのソースは選択トランジスタST2のドレインに接続されている。
ワード線WL0〜WLnは、ブロック内のNANDストリング間で、メモリセルトランジスタMTの制御ゲート電極を共通に接続している。つまり、ブロック内において同一行にあるメモリセルトランジスタMTの制御ゲート電極は、同一のワード線WLに接続される。この同一のワード線WLに接続される(m+1)個のメモリセルトランジスタMTは1ページとして取り扱われ、このページごとにデータの書き込み及びデータの読み出しが行われる。
また、ビット線BL0〜BLmは、ブロック間で、選択トランジスタST1のドレインを共通に接続している。つまり、複数のブロック内において同一列にあるNANDストリングは、同一のビット線BLに接続される。
図1に示したように、NANDメモリ10においては、4つの並列動作要素であるNANDメモリパッケージ10a〜10dが各8ビットの4チャネル(4Ch)を介してドライブ制御回路4に並列接続されている。4つのNANDメモリパッケージ10a〜10dを単独動作させるか、並列動作させるか、NANDメモリ10の倍速モードを使用するか否か、という組み合わせにより、下記3種類のアクセスモードが提供される。
(1)8ビットノーマルモード
1Chだけ動作させ、8ビット単位で読み書きをするモードである。転送サイズの1単位はページサイズ(4kB)である。
(2)32ビットノーマルモード
4Ch並列で動作させ、32ビット単位で読み書きをするモードである。転送サイズの1単位はページサイズ×4(16kB)である。
(3)32ビット倍速モード
4Ch並列で動作させ、更に、NANDメモリ10の倍速モードを利用して読み書きをするモードである。転送サイズの1単位はページサイズ×4×2(32kB)である。
4Ch並列動作する32ビットノーマルモードまたは32ビット倍速モードでは、並列動作する4または8ブロックが、NANDメモリ10としての消去単位となり、並列動作する4または8ページが、NANDメモリ10としての書き込み単位及び読み出し単位となる。
図3は、ドライブ制御回路4のハードウェア的な内部構成例を示すブロック図である。ドライブ制御回路4は、データアクセス用バス101、第1の回路制御用バス102、及び第2の回路制御用バス103を備えている。第1の回路制御用バス102には、ドライブ制御回路4全体を制御するプロセッサ104が接続されている。第1の回路制御用バス102には、NANDメモリ10に記憶された各管理プログラム(FW:ファームウエア)をブートするブート用プログラムが格納されたブートROM105がROMコントローラ106を介して接続されている。また、第1の回路制御用バス102には、図1に示した電源回路5からのパワーオン/オフリセット信号を受けて、リセット信号及びクロック信号を各部に供給するクロックコントローラ107が接続されている。
第2の回路制御用バス103は、第1の回路制御用バス102に接続されている。第2の回路制御用バス103には、図1に示した状態表示用LED6にステータス表示用信号を供給するパラレルIO(PIO)回路108、RS232C I/F3を制御するシリアルIO(SIO)回路109が接続されている。
ATAインタフェースコントローラ(ATAコントローラ)110、第2のECC(Error Check and Correct)回路111、NANDコントローラ112、及びDRAMコントローラ113は、データアクセス用バス101と第1の回路制御用バス102との両方に接続されている。ATAコントローラ110は、ATAインタフェース2を介してホスト装置1との間でデータを送受信する。データアクセス用バス101には、データ作業領域として使用されるSRAM114がSRAMコントローラ115を介して接続されている。SRAM114には、NANDメモリ10に記憶されているファームウエアが起動時、ブートROM105に記憶されたブート用プログラムによって転送される。
NANDコントローラ112は、NANDメモリ10の各NANDメモリパッケージ10a〜10dとのインタフェース処理を行うNAND I/F116、第1のECC回路117、NANDメモリ10−DRAM20間のアクセス制御を行うDMA転送制御用DMAコントローラ118、およびプロセッサ104により制御データが書き込まれる制御レジスタ119を備えている。
NANDメモリ10にデータを書き込む場合は、第1のECC回路117は、書き込み対象のデータに対して、所定単位データD(例えば、512B)毎に、誤り検出符号(例えば、CRC32)および1bitの訂正能力がある第1の誤り訂正符号(例えば、ハミング符号)を生成して付加する。また、第1のECC回路117は、8個の単位データD毎に、複数bit(例えば、48bit)の訂正能力がある第2の誤り訂正符号(例えば、BCH符号)を生成して付加する。誤り検出符号および第1の誤り訂正符号が付加されたデータがNAND I/F116によりNANDメモリ10に書き込まれる。
また、NANDメモリ10からデータを読み出す場合は、第1のECC回路117は、NAND I/F116によりNANDメモリ10から読み出されたデータに対して、まず、第1の誤り訂正を行った後、誤り検出符号で誤りがあるか否かを検出し、第1の誤り訂正後のデータ、第1の誤り訂正による訂正bit数、および誤り検出結果を、DMAコントローラ118を介して、DRAM20に格納する。第2のECC回路111は、誤り検出結果で誤りがある場合に、すなわち、第1の誤り訂正で誤りを訂正できなかった場合に、第2の誤り訂正を行って、第2の誤り訂正後のデータおよび第2の誤り訂正による訂正bit数をDRAM20に格納する。
[NANDコントローラおよびNANDメモリ]
図4は、NAND I/F116とNANDメモリ10との接続を説明するための図である。NAND I/F116は、4Chのインタフェース回路であるCh0〜Ch3制御部210a〜210dを備えており、Ch0〜Ch3制御部210a〜210dの制御信号ピン201およびIO信号ピン202は、Ch0〜Ch3のNANDパッケージ10a〜10d(NAND Ch0〜Ch3)とそれぞれ独立に接続されている。制御信号ピン201からは制御信号が出力され、IOピン202からは8ビットのデータIO0〜7が入出力される。CE(チップイネーブル)0〜3信号は、NANDパッケージ10a〜10d(NAND Ch0〜Ch3)を選択する。
以下の説明では、各Chの構成は同一であるので、Ch0を代表させて説明する。図5および図6は、NANDメモリ10の負荷容量およびCR遅延を説明するための図である。図6において、213は入出力IO,214および215は出力IOを示している。
図5に示すように、8StackChip10a1は、IO信号(IOデータIO0〜7(アドレスデータを含む))、制御信号{WE(ライトイネーブル)信号、RE(リードイネーブル)信号、CLE(コマンドラッチイネーブル)信号、ALE(アドレスラッチイネーブル)信号、WP(ライトプロテクト)信号等}が1本/8Chipであるので、負荷容量が8倍に増加する。また、NANDパッケージ10aは、信号pinを減らすために、IO信号IO0〜7および制御信号/2個の8StackChip10a1,10a2としているため、負荷容量がさらに2倍に増加する。このため、CR遅延が増加する。また、一般に負荷容量はIO信号>制御信号であるため、IO信号と制御信号で遅延差が生じる。
図7は、NANDメモリ10からのデータの読み出しを説明するためのタイミングチャートである。同図において、(A)はRE信号、(B)はIOデータを示している。ここで、システムは、RE信号の立ち下がりからtREA経過した後に、読み出しデータの出力が保証され、REの立ち上がりからtRLOH経過した後は、読み出しデータの出力が保証されないスペックであるとする。この場合、負荷容量が大きくCR遅延が大きい場合は、tREAが遅れ負荷容量が小さい場合のラッチタイミングではデータを取得できなくなってしまい、そのタイミング調整が必要となる。
図8〜図10を参照して、NAND I/F116のCh制御部に完全同期設計回路を搭載した場合の信号遅延について説明する。図8は、完全同期設計回路を説明するための図、図9は、負荷容量が小さい場合のタイミングチャート、図10は、負荷容量が大きい場合のタイミングチャートを示している。なお、以下、フリップフロップをFFと表記する。
図8において、Ch0制御部210aは、クロックコントローラ107(図3参照)で生成された内部クロックCLKに同期してREを出力するFF_REと、内部クロックCLKに同期してIO[7:0]をラッチして出力するFF_DATA[7:0]とを備えている。同図において、t1は、IOとCR遅延、t2,t5は、伝搬(配線)遅延、t4はIO遅延、tREAはNANDデータ出力とIOとCR遅延を示している。
図9および図10において、(A)は内部CLK、(B)はFF_RE出力、(C)はNAND RE、(D)はNAND IO[7:0]、(E)はFF_DATA[7:0]入力、(F)はFF_DATA[7:0]出力を示している。
図9に示すように、負荷容量が小さい場合には、t1およびtREAのCR遅延が小さいため、内部クロックCLKのタイミングでデータを取得することができる。他方、図10に示すように、負荷容量が大きい場合には、t1およびtREAのCR遅延が大きくなるため、内部クロックCLKのタイミングでデータを取得することができなくなってしまう。なお、ここでは、データリードの場合を説明したが、信号遅延によりライトエラーが発生する場合もある。このため、信号遅延を防止するために、NANDメモリ10のアクセス(リード/ライト)時に信号線(バスライン)の負荷容量を低減する必要がある。
[NANDメモリ10のリード/ライト時の負荷容量の低減]
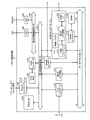
図11〜図15を参照して、NANDメモリ10のアクセス時に、信号線の負荷容量を低減して信号遅延を防止する方法について説明する。本実施の形態では、NANDコントローラ112とChip間の信号線の接続を切り替えるバススイッチを設け、NANDメモリ10のリード/ライト時にアクセスしないChipとの接続を遮断することにより、リード/ライト時の信号線の負荷容量を低減して信号遅延を防止する。
(実施例1)
図11は、実施例1に係るNANDコントローラ112およびNANDメモリ10を説明するための図である。図11において、上記図6と同様の機能を有する部位には同一符号を付しており、共通する部分の説明を省略する。実施例1は、図11に示すように、システム基板上120にバススイッチ300aを設けた構成である。なお、同図では、Ch0のみを図示しているが、他のCh1〜3についても同様にバススイッチが設けられている。また、同図において、217は出力IOを示している。
実施例1では、システム基板板120上に、IO信号IO0〜7および制御信号(WE,RE、・・・)の信号線の接続を、8StackChip10a1と8StackChip10a2とで切り替えるためのバススイッチ300aを配置した。IO用のバススイッチ300aは、8ビット幅のスイッチが用いられており、制御信号用のバススイッチ300aは、1ビット幅のスイッチが用いられている。同図では、バススイッチ300aを模式的に示しており、バススイッチ300aは公知のバススイッチを使用することができるので、その詳細な説明を省略する。NANDコントローラ112のNAND I/F116は、バススイッチ300aの切り替えを制御するバススイッチ制御部220を備えている。
バススイッチ制御部220は、バススイッチ切替信号によりバススイッチ300aの切替制御を実行し、リード/ライト時のアドレスに応じてバススイッチ300aの上位(8StackChip10a1側)/下位(8StackChip10a2側)の切り替えを行う。バススイッチ制御部220は、プロセッサ104から8StackChip10a0側のアクセス命令がきた場合には、バススイッチ切替信号SEL=Lowを、8StackChip10a1側のアクセス命令がきた場合には、バススイッチ切替信号SEL=Highを、各バススイッチ300aに出力する。バススイッチ制御部220は、ch1〜ch3に設けられたバススイッチ(不図示)についても同様にその切り替えを制御する。
バススイッチ300aは、バススイッチ切替信号SEL=Lowの場合は、8StackChip10a1側を接続し、バススイッチ切替信号(SEL)=Highの場合は、8StackChip10a2側を接続する。
これにより、8StackChip10a1に対するリード/ライトの場合は、8StackChip10a2が切断された状態であり、また、8StackChip10a2に対するリード/ライトの場合は、8StackChip10a1が切断された状態であるので、リード/ライト時の信号線の負荷容量を1/2にすることができる。
なお、実施例1では、負荷の分割数を2つとしているが、本発明はこれに限られるものではなく、NANDコントローラ112のpin数やNANDメモリ10の負荷に応じて適宜分割することができる。
(実施例2)
上記実施例1は、システム基板上120にバススイッチ300aを設けた構成である。これに対して、実施例2は、各NANDメモリパッケージ10a〜10dの内部にバススイッチを設けた構成である。図12は、実施例2に係るNANDメモリ10を説明するための図である。同図では、NANDメモリパッケージ10aのみを示しているが、NANDメモリパッケージ10b〜10dも同様な構成である。
同図に示すように、NANDメモリパッケージ10aの内部には、8StackChip10a1のChip0〜7のいずれか1つを選択して接続するバススイッチ301a1と、8StackChip10a2のChip0〜7のいずれか1つを選択して接続するバススイッチ301a2とが設けられている。バススイッチ301a1、301a2は、アクセスアドレスに基づいてアクセスするChipを選択(デコード)し、選択したChipを接続する。実施例2では、バススイッチ301a1、301a2はアクセスアドレスに基づいてアクセスするChipを選択する構成であるので、実施例1のように、バススイッチ制御部220(図11参照)を設ける必要がなくなる。
実施例2では、IO信号用のバススイッチ301a、301bのみを示しているが、その他、WE/RE等の制御信号全てに対して、バススイッチを設けることにしてもよい。また、実施例2では、8StackChip10a1,10a2毎にバススイッチを設ける構成としたが、図13−1に示すように、8StackChip10a1,10a2のChipの接続の切り替えを1つのバススイッチ302aで行う構成としてもよい。また、図13−2に示すように、NANDメモリパッケージを1つの8StackChipで構成し、8StackChipに1つのバススイッチを設ける構成としてもよい。また、図13−3に示すように、8StackChip毎にNANDメモリパッケージを構成し、各8StackChipに1つのバススイッチを設けると共に、各8StackChipでChipが同時に選択されるのを防止するために、バススイッチ301a1、301a2に、CE(チップイネーブル)0〜3信号を入力する構成としてもよい。バススイッチ301a1、301a2はCE(チップイネーブル)0〜3信号に基づいてChip群を選択し、さらに、アクセスアドレスに基づいてアクセスするChipを選択(デコード)し、選択したChipを接続する。これにより、本実施例2によれば、実施例1の効果に加えて、コントローラ側がバススイッチを制御する必要がなり、またバススイッチがメモリに内蔵されるため部品数を減るため小型化を図ることができる。
(実施例3)
上記実施例2では、バススイッチ301a1、301a2がアクセスアドレスに基づいてアクセスするChipを選択する構成である。これに対して、実施例3は、バススイッチがNANDコントローラ112から入力されるバススイッチ切替信号SELに基づいて、Chipの接続の切り替えを行う構成である。図14は、実施例3に係るNANDメモリ10を説明するための図である。同図では、NANDメモリパッケージ10aのみを示しているが、NANDメモリパッケージ10b〜10dも同様な構成である。
同図において、バススイッチ303a1、303a2は、NANDコントローラ112から入力されるバススイッチ切替信号SELに基づいて、8StackChip10a1のChip0〜7および8StackChip10a2のChip0〜7のいずれか1つを接続する。これにより、信号線の負荷容量を低減して信号遅延を防止することができる。なお、実施例3においても、実施例2の変形例(図13−1〜図13−3)のように構成することにしてもよい。
(実施例4)
上記実施例2は、バススイッチによりNANDメモリ10の1つのChip単位で接続を切り替える構成である。これに対して、実施例4は、バススイッチによりNANDメモリ10の複数チップ単位で接続を切り替える構成である。図15は、実施例4に係るNANDメモリ10を説明するための図である。同図では、NANDメモリパッケージ10aのみを示しているが、NANDメモリパッケージ10b〜10dも同様な構成である。
同図に示すように、8StackChip10a1は、Chip0〜3(チップ群)とChip4〜7(チップ群)の信号線がそれぞれ纏められており、すなわち、CE信号の単位毎(4Chip毎)に纏められている。同様に、8StackChip10a2の信号線もCE信号の単位毎(4Chip毎)に纏められている。バススイッチ304a1、304a2は、アクセスアドレスに基づいて、アクセスするChip群を選択し、選択したChip群に接続を切り替える。これにより、信号線の負荷容量を低減して信号遅延を防止することができる。なお、実施例4においても、実施例2の変形例(図13−1〜図13−3)のように構成することにしてもよい。
なお、実施例1〜実施例4は適宜組み合わせて実施可能であり、例えば、実施例1のように、システム基板120上にバススイッチを配置する場合においても、実施例2のように、バススイッチがアクセスアドレスに応じて信号線の接続を切り替える構成としてもよく、また、実施例2、4のように、バススイッチは、1または複数のChip単位で接続を切り替える構成としてもよい。
以上説明したように、本実施の形態によれば、NANDコントローラ112とNANDメモリ10に搭載される複数のChip間の信号線の接続を切り替えるバススイッチを設けているので、NANDメモリ10にアクセスする場合に、バススイッチにより、アクセスするChipを接続する一方、アクセスしないChipとの接続を遮断することができ、NANDメモリ10に対するアクセス時の信号線の負荷容量を低減でき、NANDメモリ10の信号線の負荷容量が増大した場合においても、信号遅延を防止することが可能となる。
また、バススイッチをシステム基板120上またはNANDメモリ10に搭載することとしたので、SSD100のレイアウトを考慮して、バススイッチを配置する位置を決定することが可能となる。
また、NANDコントローラ112のNAND I/F116にリード/ライトアドレスに応じて、バススイッチの切り替えを指示するバススイッチ切替信号をバススイッチに出力するバススイッチ制御部110を設け、バススイッチは、バススイッチ切替信号に基づいて信号線の接続の切り替えを行うこととしたので、バススイッチの構成を簡素化することが可能となる。
また、バススイッチは、リード/ライトアドレスに応じて、信号線の接続の切り替えを行うこととしたので、NANDコントローラ112の構成を簡素化することが可能となる。
また、バススイッチは、1または複数のChip単位で信号線の接続の切り替えを行うこととしたので、NANDコントローラ112のpin数やNANDメモリ10の信号線の負荷容量に応じて、接続を切り替えるChip単位数を適宜選択することが可能となる。
なお、上記実施の形態では、本発明を、NANDメモリを有するSSDに適用するようにしたが、NOR型などの他のフラッシュEEPROMを有するSSDに本発明を適用するようにしてもよい。
SSD(Solid State Drive)の構成例を示すブロック図である。 NANDメモリチップに含まれる1個のブロックの構成例を示す回路図である。 ドライブ制御回路のハードウェア的な内部構成例を示すブロック図である。 NAND I/FとNANDメモリとの接続を説明するための図である。 NANDメモリの負荷容量およびCR遅延を説明するための図である。 NANDメモリの負荷容量およびCR遅延を説明するための図である。 NANDメモリからのデータの読み出しを説明するためのタイミングチャートである。 完全同期設計回路を説明するための図である。 負荷容量が小さい場合のタイミングチャートである。 負荷容量が大きい場合のタイミングチャートを示している。 実施例1に係るNANDコントローラおよびNANDメモリを説明するための図である。 実施例2に係るNANDコントローラおよびNANDメモリを説明するための図である。 実施例2の変形例1を説明するための図である。 実施例2の変形例2を説明するための図である。 実施例2の変形例3を説明するための図である。 実施例3に係るNANDコントローラおよびNANDメモリを説明するための図である。 実施例4に係るNANDコントローラおよびNANDメモリを説明するための図である。
符号の説明
100 SSD
1 ホスト装置
2 ATAインタフェース(ATA I/F)
3 RS232C I/F
4 ドライブ制御回路
5 電源回路
6 LED
10 NANDメモリ
10a〜d NANDメモリパッケージ
10a1,10a2〜10d1,10d2 8StackChip
20 DRAM
101 データアクセス用バス
102 第1の回路制御用バス
103 第2の回路制御用バス
104 プロセッサ
105 ブートROM
106 ROMコントローラ
107 クロックコントローラ
108 パラレルIO(PIO)回路
109 シリアルIO(SIO)回路
110 ATAインタフェースコントローラ(ATAコントローラ)
111 第2のECC(Error Check and Correct)回路
112 NANDコントローラ
113 DRAMコントローラ
114 SRAM
115 SRAMコントローラ
116 NAND I/F
117 第1のECC回路
118 DMAコントローラ
119 制御レジスタ
120 システム基板
220 バススイッチ制御部
300a,301a,302a,303a,304a バススイッチ

Claims (5)

  1. 複数の不揮発性メモリチップが搭載される不揮発性記憶部と、前記不揮発性記憶部を制御するコントロール回路と、前記コントロール回路を制御するMPUと、ホストとの通信を行うインタフェース回路とが基板上に搭載されるメモリシステムにおいて、
    前記コントロール回路と前記複数の不揮発性メモリチップ間の信号線の接続を切り替えるバススイッチを備えたことを特徴とするメモリシステム。
  2. 前記バススイッチは、前記基板上または前記不揮発性記憶部に搭載されることを特徴とする請求項1に記載のメモリシステム。
  3. 前記コントロール回路は、リード/ライトアドレスに応じて、前記バススイッチの切り替えを指示するバススイッチ切替信号を前記バススイッチに出力するバススイッチ制御部を含み、
    前記バススイッチは、前記バススイッチ切替信号に基づいて、前記信号線の接続の切り替えを行うことを特徴とする請求項1または請求項2に記載のメモリシステム。
  4. 前記バススイッチは、リード/ライトアドレスに応じて、前記信号線の接続の切り替えを行うことを特徴とする請求項1または請求項2に記載のメモリシステム。
  5. 前記バススイッチは、1または複数の不揮発性メモリチップ単位で前記信号線の接続の切り替えを行うことを特徴とする請求項1〜請求項4のいずれか1つに記載のメモリシステム。
JP2008162281A 2008-06-20 2008-06-20 メモリシステム Expired - Fee Related JP5253901B2 (ja)

Priority Applications (11)

Application Number Priority Date Filing Date Title
JP2008162281A JP5253901B2 (ja) 2008-06-20 2008-06-20 メモリシステム
US12/435,671 US8595410B2 (en) 2008-06-20 2009-05-05 Memory system and bus switch
US14/063,278 US8832362B2 (en) 2008-06-20 2013-10-25 Memory system controlling load capacity
US14/335,361 US9280461B2 (en) 2008-06-20 2014-07-18 Memory system with selective access to first and second memories
US15/012,549 US20160147455A1 (en) 2008-06-20 2016-02-01 Memory system with selective access to first and second memories
US15/865,881 US10474360B2 (en) 2008-06-20 2018-01-09 Memory system with selective access to first and second memories
US16/671,674 US10956039B2 (en) 2008-06-20 2019-11-01 Memory system with selective access to first and second memories
US17/207,021 US11494077B2 (en) 2008-06-20 2021-03-19 Memory system with selective access to first and second memories
US17/979,042 US11836347B2 (en) 2008-06-20 2022-11-02 Memory system with selective access to first and second memories
US18/527,894 US12242723B2 (en) 2008-06-20 2023-12-04 Memory system with selective access to first and second memories
US19/023,991 US20250165141A1 (en) 2008-06-20 2025-01-16 Memory system with selective access to first and second memories

Applications Claiming Priority (1)

Application Number Priority Date Filing Date Title
JP2008162281A JP5253901B2 (ja) 2008-06-20 2008-06-20 メモリシステム

Publications (2)

Publication Number Publication Date
JP2010003161A true JP2010003161A (ja) 2010-01-07
JP5253901B2 JP5253901B2 (ja) 2013-07-31

Family

ID=41432437

Family Applications (1)

Application Number Title Priority Date Filing Date
JP2008162281A Expired - Fee Related JP5253901B2 (ja) 2008-06-20 2008-06-20 メモリシステム

Country Status (2)

Country Link
US (10) US8595410B2 (ja)
JP (1) JP5253901B2 (ja)

Cited By (7)

* Cited by examiner, † Cited by third party
Publication number Priority date Publication date Assignee Title
WO2013046463A1 (ja) 2011-09-30 2013-04-04 株式会社日立製作所 不揮発半導体記憶システム
WO2014061055A1 (en) 2012-10-15 2014-04-24 Hitachi, Ltd. Storage sysyem which includes non-volatile semiconductor storage medium, and storage control method of storage system
JP2014211875A (ja) * 2013-04-19 2014-11-13 創惟科技股▲ふん▼有限公司 データアクセスシステム、データアクセス装置及びデータアクセスコントローラ
JP2015038761A (ja) * 2014-10-15 2015-02-26 株式会社日立製作所 不揮発半導体記憶システム
JP2016006655A (ja) * 2015-07-17 2016-01-14 株式会社日立製作所 不揮発半導体記憶システム
WO2016072007A1 (ja) * 2014-11-07 2016-05-12 株式会社日立製作所 半導体メモリデバイス、ストレージシステム及び計算機
JPWO2018055768A1 (ja) * 2016-09-26 2018-10-25 株式会社日立製作所 半導体記憶装置

Families Citing this family (23)

* Cited by examiner, † Cited by third party
Publication number Priority date Publication date Assignee Title
JP5323199B2 (ja) 2009-02-12 2013-10-23 株式会社東芝 メモリシステム及びメモリシステムの制御方法
KR101046806B1 (ko) * 2009-05-29 2011-07-06 주식회사 하이닉스반도체 반도체 메모리 장치
US20110047318A1 (en) * 2009-08-19 2011-02-24 Dmitroca Robert W Reducing capacitive load in a large memory array
JP5624578B2 (ja) 2012-03-23 2014-11-12 株式会社東芝 メモリシステム
JP2014026529A (ja) * 2012-07-27 2014-02-06 Fujitsu Ltd ストレージシステムおよびその制御方法
US9471484B2 (en) 2012-09-19 2016-10-18 Novachips Canada Inc. Flash memory controller having dual mode pin-out
US20140223213A1 (en) * 2013-02-05 2014-08-07 Kabushiki Kaisha Toshiba Memory system
JP6067541B2 (ja) * 2013-11-08 2017-01-25 株式会社東芝 メモリシステムおよびメモリシステムのアセンブリ方法
JP2015219643A (ja) * 2014-05-15 2015-12-07 キヤノン株式会社 画像処理装置、情報処理方法及びプログラム
CN104636656B (zh) * 2015-02-11 2017-09-22 深圳市美贝壳科技有限公司 存储设备加载控制方法
US9841904B2 (en) * 2015-03-02 2017-12-12 Samsung Electronics Co., Ltd. Scalable and configurable non-volatile memory module array
KR20210035517A (ko) * 2019-09-24 2021-04-01 에스케이하이닉스 주식회사 메모리 시스템 및 그것을 포함하는 데이터 처리 시스템
US11734175B2 (en) 2019-08-22 2023-08-22 SK Hynix Inc. Storage device and method of operating the same
KR102889618B1 (ko) 2019-12-16 2025-11-24 에스케이하이닉스 주식회사 스토리지 장치 및 그 동작 방법
US11762769B2 (en) 2019-09-20 2023-09-19 SK Hynix Inc. Memory controller based on flush operation and method of operating the same
CN115004146B (zh) * 2020-02-14 2025-09-19 华为技术有限公司 固态存储硬盘和固态存储硬盘的控制方法
JP2022046887A (ja) * 2020-09-11 2022-03-24 キオクシア株式会社 半導体記憶装置
US11508415B2 (en) * 2021-03-15 2022-11-22 Transcend Information, Inc. Semiconductor memory package structure and semiconductor memory system
US12164782B2 (en) 2021-03-29 2024-12-10 SanDisk Technologies, Inc. Persistent switch-based storage controller
US11675528B2 (en) 2021-03-29 2023-06-13 Western Digital Technologies, Inc. Switch based BGA extension
CN113176964B (zh) * 2021-04-29 2024-11-12 深圳忆联信息系统有限公司 基于mpu的ssd固件检错方法、装置、计算机设备及存储介质
CN114003540A (zh) * 2021-10-29 2022-02-01 深圳市信锐网科技术有限公司 一种数据采集装置、方法、设备及计算机可读存储介质
CN115904254B (zh) * 2023-01-09 2023-06-02 苏州浪潮智能科技有限公司 一种硬盘控制系统、方法及相关组件

Citations (4)

* Cited by examiner, † Cited by third party
Publication number Priority date Publication date Assignee Title
JP2002007201A (ja) * 2000-06-21 2002-01-11 Nec Corp メモリシステム、メモリインターフェース及びメモリチップ
WO2002050690A2 (en) * 2000-12-20 2002-06-27 Thomson Licensing S.A. I2c bus control for isolating selected ic's for fast i2 bus communication
JP2004199648A (ja) * 2002-12-18 2004-07-15 Hynix Semiconductor Inc 複合型メモリ装置
JP2006331310A (ja) * 2005-05-30 2006-12-07 Renesas Technology Corp 半導体集積回路装置

Family Cites Families (25)

* Cited by examiner, † Cited by third party
Publication number Priority date Publication date Assignee Title
US5438536A (en) * 1994-04-05 1995-08-01 U.S. Robotics, Inc. Flash memory module
US5603001A (en) * 1994-05-09 1997-02-11 Kabushiki Kaisha Toshiba Semiconductor disk system having a plurality of flash memories
US5671388A (en) * 1995-05-03 1997-09-23 Intel Corporation Method and apparatus for performing write operations in multi-level cell storage device
JP3688835B2 (ja) 1996-12-26 2005-08-31 株式会社東芝 データ記憶システム及び同システムに適用するデータ転送方法
JP3822768B2 (ja) 1999-12-03 2006-09-20 株式会社ルネサステクノロジ Icカードの製造方法
US6545929B1 (en) 2000-08-31 2003-04-08 Micron Technology, Inc. Voltage regulator and data path for a memory device
JP2002251884A (ja) 2001-02-21 2002-09-06 Toshiba Corp 半導体記憶装置及びそのシステム装置
JP4256600B2 (ja) * 2001-06-19 2009-04-22 Tdk株式会社 メモリコントローラ、メモリコントローラを備えるフラッシュメモリシステム及びフラッシュメモリの制御方法
US6451626B1 (en) * 2001-07-27 2002-09-17 Charles W.C. Lin Three-dimensional stacked semiconductor package
US6687147B2 (en) * 2002-04-02 2004-02-03 Hewlett-Packard Development Company, L.P. Cubic memory array with diagonal select lines
US6542393B1 (en) * 2002-04-24 2003-04-01 Ma Laboratories, Inc. Dual-bank memory module with stacked DRAM chips having a concave-shaped re-route PCB in-between
US20040049628A1 (en) * 2002-09-10 2004-03-11 Fong-Long Lin Multi-tasking non-volatile memory subsystem
US20040245617A1 (en) * 2003-05-06 2004-12-09 Tessera, Inc. Dense multichip module
US7590797B2 (en) * 2004-04-08 2009-09-15 Micron Technology, Inc. System and method for optimizing interconnections of components in a multichip memory module
US7822912B2 (en) * 2005-03-14 2010-10-26 Phision Electronics Corp. Flash storage chip and flash array storage system
US20070165457A1 (en) * 2005-09-30 2007-07-19 Jin-Ki Kim Nonvolatile memory system
KR100755668B1 (ko) * 2006-02-10 2007-09-05 삼성전자주식회사 반도체 칩 및 이를 포함하는 반도체 칩 패키지
DE102006017947B4 (de) * 2006-04-18 2008-02-21 Qimonda Ag Speicherbaustein, entsprechende Baugruppe sowie entsprechendes Herstellungsverfahren
JP4821426B2 (ja) * 2006-05-11 2011-11-24 富士ゼロックス株式会社 エラー回復プログラム、エラー回復装置及びコンピュータシステム
US7620784B2 (en) * 2006-06-09 2009-11-17 Microsoft Corporation High speed nonvolatile memory device using parallel writing among a plurality of interfaces
US8102557B2 (en) * 2006-11-13 2012-01-24 Samsung Electronics Co., Ltd. System and method for disabling access to non-volatile storage in a multi-function peripheral
KR100843546B1 (ko) * 2006-11-21 2008-07-04 삼성전자주식회사 멀티 칩 패키지 플래시 메모리 장치 및 그것의 상태 신호독출 방법
US8935302B2 (en) * 2006-12-06 2015-01-13 Intelligent Intellectual Property Holdings 2 Llc Apparatus, system, and method for data block usage information synchronization for a non-volatile storage volume
KR100851545B1 (ko) * 2006-12-29 2008-08-11 삼성전자주식회사 커맨드 및 어드레스 핀을 갖는 낸드 플래시 메모리 및그것을 포함한 플래시 메모리 시스템
JP4999569B2 (ja) 2007-06-18 2012-08-15 ルネサスエレクトロニクス株式会社 半導体記憶装置

Patent Citations (5)

* Cited by examiner, † Cited by third party
Publication number Priority date Publication date Assignee Title
JP2002007201A (ja) * 2000-06-21 2002-01-11 Nec Corp メモリシステム、メモリインターフェース及びメモリチップ
WO2002050690A2 (en) * 2000-12-20 2002-06-27 Thomson Licensing S.A. I2c bus control for isolating selected ic's for fast i2 bus communication
JP2004516576A (ja) * 2000-12-20 2004-06-03 トムソン ライセンシング ソシエテ アノニム 高速i2cバス通信のために選択icを切り離すi2cバス制御
JP2004199648A (ja) * 2002-12-18 2004-07-15 Hynix Semiconductor Inc 複合型メモリ装置
JP2006331310A (ja) * 2005-05-30 2006-12-07 Renesas Technology Corp 半導体集積回路装置

Cited By (12)

* Cited by examiner, † Cited by third party
Publication number Priority date Publication date Assignee Title
WO2013046463A1 (ja) 2011-09-30 2013-04-04 株式会社日立製作所 不揮発半導体記憶システム
US8949511B2 (en) 2011-09-30 2015-02-03 Hitachi, Ltd. Nonvolatile semiconductor storage system
US9335929B2 (en) 2011-09-30 2016-05-10 Hitachi, Ltd. Nonvolatile semiconductor storage system
WO2014061055A1 (en) 2012-10-15 2014-04-24 Hitachi, Ltd. Storage sysyem which includes non-volatile semiconductor storage medium, and storage control method of storage system
US9092320B2 (en) 2012-10-15 2015-07-28 Hitachi, Ltd. Storage system which includes non-volatile semiconductor storage medium, and storage control method of storage system
JP2014211875A (ja) * 2013-04-19 2014-11-13 創惟科技股▲ふん▼有限公司 データアクセスシステム、データアクセス装置及びデータアクセスコントローラ
JP2015038761A (ja) * 2014-10-15 2015-02-26 株式会社日立製作所 不揮発半導体記憶システム
WO2016072007A1 (ja) * 2014-11-07 2016-05-12 株式会社日立製作所 半導体メモリデバイス、ストレージシステム及び計算機
US10157159B2 (en) 2014-11-07 2018-12-18 Hitachi, Ltd. Semiconductor memory device, storage system, and computer
JP2016006655A (ja) * 2015-07-17 2016-01-14 株式会社日立製作所 不揮発半導体記憶システム
JPWO2018055768A1 (ja) * 2016-09-26 2018-10-25 株式会社日立製作所 半導体記憶装置
US10614014B2 (en) 2016-09-26 2020-04-07 Hitachi, Ltd. Semiconductor storage device having a memory controller, a selection unit and a switch unit connected to each other

Also Published As

Publication number Publication date
US8832362B2 (en) 2014-09-09
US9280461B2 (en) 2016-03-08
US20230049754A1 (en) 2023-02-16
US20090319716A1 (en) 2009-12-24
US20160147455A1 (en) 2016-05-26
US20140052903A1 (en) 2014-02-20
US20200065000A1 (en) 2020-02-27
US20210208784A1 (en) 2021-07-08
US8595410B2 (en) 2013-11-26
US12242723B2 (en) 2025-03-04
US11836347B2 (en) 2023-12-05
US20240118804A1 (en) 2024-04-11
US20140331005A1 (en) 2014-11-06
US20250165141A1 (en) 2025-05-22
US10474360B2 (en) 2019-11-12
US11494077B2 (en) 2022-11-08
US10956039B2 (en) 2021-03-23
JP5253901B2 (ja) 2013-07-31
US20180129420A1 (en) 2018-05-10

Similar Documents

Publication Publication Date Title
JP5253901B2 (ja) メモリシステム
EP2248022B1 (en) Memory system
US8473760B2 (en) Memory system and server system
US10061527B2 (en) Memory system and controller
US10684672B2 (en) Selection of a low power consumption mode in a memory system based on information on a data transfer state
JP2012128816A (ja) メモリシステム
JP2008108418A (ja) マルチページプログラムの方法、及びこれを行うためのフラッシュメモリ装置
US20180211707A1 (en) Semiconductor memory device and method of controlling semiconductor memory device
US8258817B2 (en) Semiconductor integrated circuit
US8558602B2 (en) Semiconductor integrated circuit
US20130173852A1 (en) Memory system
JP2012168719A (ja) メモリシステム

Legal Events

Date Code Title Description
A621 Written request for application examination

Free format text: JAPANESE INTERMEDIATE CODE: A621

Effective date: 20100914

A131 Notification of reasons for refusal

Free format text: JAPANESE INTERMEDIATE CODE: A131

Effective date: 20120904

A521 Request for written amendment filed

Free format text: JAPANESE INTERMEDIATE CODE: A523

Effective date: 20121105

TRDD Decision of grant or rejection written
A01 Written decision to grant a patent or to grant a registration (utility model)

Free format text: JAPANESE INTERMEDIATE CODE: A01

Effective date: 20130326

A61 First payment of annual fees (during grant procedure)

Free format text: JAPANESE INTERMEDIATE CODE: A61

Effective date: 20130417

R151 Written notification of patent or utility model registration

Ref document number: 5253901

Country of ref document: JP

Free format text: JAPANESE INTERMEDIATE CODE: R151

FPAY Renewal fee payment (event date is renewal date of database)

Free format text: PAYMENT UNTIL: 20160426

Year of fee payment: 3

S111 Request for change of ownership or part of ownership

Free format text: JAPANESE INTERMEDIATE CODE: R313111

R350 Written notification of registration of transfer

Free format text: JAPANESE INTERMEDIATE CODE: R350

S111 Request for change of ownership or part of ownership

Free format text: JAPANESE INTERMEDIATE CODE: R313111

R350 Written notification of registration of transfer

Free format text: JAPANESE INTERMEDIATE CODE: R350

LAPS Cancellation because of no payment of annual fees