JP2009082012A - コンバインの穀粒回収部駆動構造 - Google Patents

コンバインの穀粒回収部駆動構造 Download PDF

Info

Publication number
JP2009082012A
JP2009082012A JP2007252433A JP2007252433A JP2009082012A JP 2009082012 A JP2009082012 A JP 2009082012A JP 2007252433 A JP2007252433 A JP 2007252433A JP 2007252433 A JP2007252433 A JP 2007252433A JP 2009082012 A JP2009082012 A JP 2009082012A
Authority
JP
Japan
Prior art keywords
grain
recovery tank
grain recovery
engine
shaft
Prior art date
Legal status (The legal status is an assumption and is not a legal conclusion. Google has not performed a legal analysis and makes no representation as to the accuracy of the status listed.)
Granted
Application number
JP2007252433A
Other languages
English (en)
Other versions
JP5054479B2 (ja
Inventor
Makoto Miyazaki
誠 宮崎
Mikio Oomori
美樹雄 大森
Current Assignee (The listed assignees may be inaccurate. Google has not performed a legal analysis and makes no representation or warranty as to the accuracy of the list.)
Kubota Corp
Original Assignee
Kubota Corp
Priority date (The priority date is an assumption and is not a legal conclusion. Google has not performed a legal analysis and makes no representation as to the accuracy of the date listed.)
Filing date
Publication date
Application filed by Kubota Corp filed Critical Kubota Corp
Priority to JP2007252433A priority Critical patent/JP5054479B2/ja
Priority to KR1020080091501A priority patent/KR101072654B1/ko
Priority to CN2008101497425A priority patent/CN101397033B/zh
Priority to CN201210327774.6A priority patent/CN102845179B/zh
Priority to CN201210328176.0A priority patent/CN102849135B/zh
Publication of JP2009082012A publication Critical patent/JP2009082012A/ja
Priority to KR1020100050256A priority patent/KR101328308B1/ko
Priority to KR1020120109965A priority patent/KR101249094B1/ko
Priority to KR1020120118336A priority patent/KR101442342B1/ko
Application granted granted Critical
Priority to KR1020120118384A priority patent/KR101607123B1/ko
Publication of JP5054479B2 publication Critical patent/JP5054479B2/ja
Priority to KR1020130002060A priority patent/KR101448368B1/ko
Priority to KR1020130140394A priority patent/KR101607122B1/ko
Priority to KR1020140064517A priority patent/KR101498856B1/ko
Priority to KR1020140106891A priority patent/KR101581720B1/ko
Priority to KR1020150032486A priority patent/KR101525757B1/ko
Priority to KR1020150185681A priority patent/KR101785811B1/ko
Priority to KR1020160034404A priority patent/KR101785546B1/ko
Priority to KR1020170127033A priority patent/KR101913966B1/ko
Active legal-status Critical Current
Anticipated expiration legal-status Critical

Links

Images

Landscapes

  • Threshing Machine Elements (AREA)

Abstract

【課題】 脱穀装置と穀粒回収タンクを左右に並列配置するとともに、穀粒回収タンクの前側にエンジンを横向きに配置し、エンジン動力を前記穀粒回収タンクの底スクリューの前端部に伝達するよう構成したコンバインの穀粒回収部駆動構造において、エンジンを機体内方に設置して機体の左右重量バランスを好適なものにしながら、エンジンから穀粒回収タンクの底スクリューへの伝動構造を横方向にコンパクトで簡素なものにする。
【解決手段】 エンジン4から機体横外方に向けて出力軸63を突設するとともに、穀粒回収タンク8の前側に中間伝動軸71を横向きに支架し、中間伝動軸71の機体内側部位とエンジン4の出力軸63とを連動連結するとともに、中間伝動軸71の機体外側部位と底スクリュー10の前端部とを連動連結してある。
【選択図】 図5

Description

本発明は、収穫した穀粒を貯留回収するように構成したコンバインの穀粒回収部の駆動構造に係り、特には、脱穀装置と穀粒回収タンクを左右に並列配置するとともに、穀粒回収タンクの前側にエンジンを横向きに配置し、エンジン動力を穀粒回収タンクの底スクリューの前端部に伝達するよう構成した穀粒回収部駆動構造にする。
上記穀粒回収部駆動構造としては、横向きに配置されたエンジンから機体内向きに突設された出力軸と、穀粒回収タンクの前側に横向きに配備された中間伝動軸の機体内方側部位とを伝動ベルトを介して巻き掛け連動連結するとともに、中間伝動軸の機体内方側部位と、穀粒回収タンクの前部に備えられた入力ケースとを連動連結して、エンジン動力を中間伝動軸および入力ケースを介して底スクリューの前端部に伝達するよう構成したものが知られている(例えば、特許文献1参照)。
特開平9−205867号公報
上記従来構造においては、エンジンから突設された出力軸が、穀粒回収タンクの底スクリューよりも機体内方に大きく離れた位置に在るために、機体の左右重量バランスのためにエンジンを機体内方に設置すると、エンジン動力を受ける中間伝動軸が左右に長いものとなる。
特に、穀粒回収タンクを後部の縦向き支点周りに機体外方に旋回させて、脱穀装置の横側部を大きく開放するよう構成するとともに、中間伝動軸の機体外方端と穀粒回収タンクの入力部とを接続分離可能に構成し、穀粒回収タンクの旋回開放に連動して穀粒回収タンクの入力部が中間伝動軸から自動的に分離し、穀粒回収タンクの復帰旋回に連動して穀粒回収タンクの入力部が中間伝動軸に自動的に接続されるようにしたものでは、穀粒回収タンクの旋回開放時に機体側に残された長い中間伝動軸が位置変化しないように、中間伝動軸の中間部を別の軸支部材で精度よく支承しておく必要があり、伝動構造を構成する部品点数が多くなるとともに、コスト高になるきらいがあった。
本発明は、このような点に着目してなされたものであって、エンジンを機体内方に設置して機体の左右重量バランスを好適なものにしながら、エンジンから穀粒回収タンクの底スクリューへの伝動構造を横方向にコンパクトで簡素なものにすることを目的としている。
第1の発明は、脱穀装置と穀粒回収タンクを左右に並列配置するとともに、穀粒回収タンクの前側にエンジンを横向きに配置し、エンジン動力を前記穀粒回収タンクの底スクリューの前端部に伝達するよう構成したコンバインの穀粒回収部駆動構造であって、
前記エンジンから機体横外方に向けて出力軸を突設するとともに、前記穀粒回収タンクの前側に中間伝動軸を横向きに支架し、前記中間伝動軸の機体内側部位と前記出力軸とを連動連結するとともに、前記中間伝動軸の機体外側部位と底スクリューの前端部とを連動連結してあることを特徴とする。
上記構成によると、エンジンを機体内方に配置しても、出力軸がエンジンから機体横外方に向けて突出しているので、穀粒回収タンクの前側に横架した中間伝動軸の機体内側部位と、中間伝動軸の機体外側部位と底スクリューの前端部との連動位置とを機体横方向に接近させることができ、中間伝動軸が短いものとなる。短い中間伝動軸はその中間で支承する必要が少ない。
従って、第1の発明によると、エンジンを機体内方に設置して機体の左右重量バランスを好適なものにしながら、エンジンから穀粒回収タンクの底スクリューへの伝動構造を横方向にコンパクトで簡素なものにすることができる。
第2の発明は、上記第1の発明において、
前記穀粒回収タンクを後方の縦向き支点周りに旋回可能に構成するとともに、前記穀粒回収タンクの前部に入力ケースを連結し、前記入力ケースに備えられた機体内向きの入力軸と前記中間伝動軸とを同芯状に対向配置し、その対向部位に軸心方向から係脱するクラッチを備えてあるものである。
上記構成によると、穀粒回収タンクを機体外側に旋回することで、中間伝動軸と底スクリューとの連動を自動的に断って脱穀装置から大きく離すことができ、脱穀装置の側部でのメンテナンスを開放された空間から容易に行うことができる。中間伝動軸からの動力を受ける入力軸が入力ケースから機体内向きに突出されるので、その分、中間伝動軸を一層短いものにすることができる。
図1に、自脱型のコンバインの機体右側から見た側面図が示されている。このコンバインは、左右一対のクローラ走行装置1を備えた機体フレーム2の前部に複数条刈り仕様の刈取り部3が昇降自在に連結され、前記機体フレーム2の右側前部に、エンジン4を内装した原動部5および運転部6が配備されるとともに、機体フレーム2の左側に脱穀装置7が搭載され、かつ、脱穀装置7の右側で原動部5の後側となる箇所に板金構造の穀粒回収タンク8が装備された構造となっており、刈取り部3で刈取った穀稈を脱穀装置7に供給して脱穀処理し、脱穀装置7で選別回収した穀粒をスクリュー式の揚穀装置9によって揚送して穀粒回収タンク8に投入するように構成されている。
図4および図8に示すように、前記穀粒回収タンク8は、前後方向視で、その下部が下窄まり状に形成されるとともに、機体内方に向かう左側面には、前記揚穀装置9が入り込み配置される縦長凹部8aが形成されている。前記縦長凹部8aの前後には脱穀装置7の右側面に突出する装置部分との干渉を避ける凹部8b、8cが形成され、縦長凹部8aの前方上部には増量用の膨出部8dが形成されている。このように、穀粒回収タンク8の左側面を脱穀装置7の右側部形状に極力接近させることで、大きいタンク容量が確保されるようになっている。
前記穀粒回収タンク8における下窄まり部8eの下端には、貯留した穀粒を後方に向けて送り出す底スクリュー10が支軸10aを介して前後水平に支架されるとともに、底スクリュー10の上方に沿って、断面形状が山形に形成された流下案内板11が回動支軸12を介して揺動可能に支架されている。
穀粒回収タンク8における下窄まり部8eは、貯留した穀粒を残すことなく底スクリュー10に導くよう、穀粒の流下安息角以上の傾斜角度が与えられるとともに、前記底スクリュー10が機体フレーム2より外側に位置するように、下窄まり部8aの下端部がタンク横幅の中心よりも大きく横外方に偏って配置されている。このように、底スクリュー10を収容する下窄まり部8eの下端部を機体フレーム2より外側に位置させることで、穀粒回収タンク8の下窄まり部8eの下端部が機体フレーム2の上方に位置する場合に比べて、穀粒回収タンク8の下窄まり部8eの下端部を低く設置することができ、これによって、タンク上端位置を高くすることなくタンク高さ(上下長さ)を大きくして容量を増大することが可能となっている。
穀粒回収タンク8の後方には、底スクリュー10によって送出された穀粒を揚送した後、横搬送して機外に搬出するスクリュー式の穀粒搬出装置13が装備されている。この穀粒搬出装置13は、穀粒回収タンク8の後面下端に連通接続されたスクリュー式の縦搬送機構13Aと、この縦搬送機構13Aの上端に連通接続されたスクリュー式の横搬送機構13Bとから構成されており、穀粒搬出装置13全体が、縦搬送機構13Aのスクリュー軸心と同芯の縦向き支点Pを中心にして旋回移動可能となっている。
図6に示すように、前記穀粒回収タンク8の下部後端には底スクリュー10における支軸10aの後端部を支承する搬出ケース14が連結されるとともに、機体フレーム2から機体横外方に突設された支持部2aに、前記搬出ケース14の下端ボス部14aが回動可能に嵌合支持されて、穀粒回収タンク8が前記縦向き支点P周りに旋回可能に支持されている。図12に示すように、穀粒回収タンク8の下部前面には厚板材からなる支持板15が備えられ、この支持板15の下端部が機体フレーム2の上面に載置支持されて、穀粒回収タンク8の全重量が前後2箇所において機体フレーム2と支持部2aに支持されるようになっている。
前記支持板15にはロックピン20が上下スライド可能に備えられている。ロックピン20はバネ21によって下方にスライド付勢されており、機体フレーム2側に設けられたロック孔22にロックピン20の下端部を挿入することで、穀粒回収タンク8が所定の穀粒回収位置に固定され、ロックピン20をバネ21に抗してロック孔22から抜き上げることで、穀粒回収タンク8を縦向き支点P周りに旋回移動して脱穀装置7の右側部を大きく開放したメンテナンス位置に移動させることができるようになっている。なお、前記ロックピン20は、抜き上げて回動することで、支持板15に備えた受け金具23に係止保持しておくことができるようになっている。
図1〜図3,図11に示すように、穀粒回収タンク8の横外側にはタンク側面を覆うサイドカバー25が連結固定されている。サイドカバー25の下端部には、穀粒回収タンク8における外向きの下窄まり部8eを横外方から覆う下部サイドカバー26が連結されている。サイドカバー25の後端部には、穀粒搬出装置13における縦搬送機構13Aの大部分を横側から覆うとともに、作業灯28や車幅灯29などを備えた後部サイドカバー27が連結されている。縦搬送機構13Aの後側箇所には、角パイプ製の縦フレーム31が機体フレーム2から立設され、この縦フレーム31に縦搬送機構13Aを後方から覆うリヤカバー30が連結固定されている。穀粒回収タンク8が縦向き支点P周りに横外方に旋回される際、図3中の仮想線で示すように、穀粒回収タンク8と一体に旋回移動する後部サイドカバー27が、固定のリヤカバー30に干渉することなく後方に回り込むようになっている。図12に示すように、下部サイドカバー26の前端部には、縦向きの支点a周りに揺動開閉可能に可動カバー32が装着されており、この可動カバー32を開くことで、前記ロックピン20が露出されて、穀粒回収タンク8のロック操作およびロック解除操作を行うことができるようになっている。
前記穀粒搬出装置13における縦搬送機構13Aは、丸パイプ材からなる縦向きの搬送ケース35に縦送りスクリュー36を内装して構成されている。図6に示すように、搬送ケース35の下端部が前記搬出ケース14に対して縦向き支点P周りに回動可能に挿嵌支持されるとともに、前記縦フレーム31の上下2箇所に備えた筒形支持部材37に回動可能に支持されて、縦搬送機構13Aの起立姿勢が保持されている。縦送りスクリュー36における支軸36aの下端が前記搬出ケース14に挿入されて、前記底スクリュー10における支軸10aの後端部にベベルギヤ連動され、底スクリュー10と同速度で縦送りスクリュー36が駆動されるようになっている。
図6および図10に示すように、前記搬出ケース14の下部には、底スクリュー10によって送出された穀粒を縦搬送機構13Aにおける縦送りスクリュー36の搬送域に導く連通路Rが形成されており、この連通路Rが、底スクリュー10の上端より上方に拡張された縦長形状となるように、搬出ケース14の下部形状および穀粒回収タンク8の搬出口8fの形状がそれぞれ縦長の長円形に形成されている。
図7に示すように、前記穀粒搬出装置13の横搬送機構13Bは、縦搬送機構13Aの搬送ケース35と同径の丸パイプ材からなる搬送ケース38に、前記縦送りスクリュー36の支軸36aより大径の支軸39aを備えた横送りスクリュー39を内挿して構成されており、搬送ケース38の先端部には下向きに開口した吐出口40が備えられている。縦搬送機構13Aにおける搬送ケース35の上端と、横搬送機13Bにおける搬送ケース38の基端部とは接続ケース41で連通接続されている。接続ケース41は、縦搬送機構13Aにおける搬送ケース35の上端部に固着された上端接続ケース部41aと、横搬送機構13Bにおける搬送ケース38の基端部に固着された基端接続ケース部41bとからなり、上端接続ケース部41aに対して基端接続ケース部41bが横向き支点Q周りに回動可能に嵌合連結されて、横搬送機構13Bが前記横向き支点Q周りに上下揺動可能となっている。
前記横向き支点Q上には、両端を前記上端接続ケース部41aと基端接続ケース部41bに支承された中継軸42が配備されている。この中継軸42には横向き支点Qに対して傾斜する送り羽根43が装備されるとともに、中継軸42の両端がそれぞれ縦送りクリュー36における支軸36aの上端と、横送りスクリュー39における支軸39aの基端とに等速でベベルギヤ連動されている。これによって、底スクリュー10の回転に連動して縦送りスクリュー36および横送りスクリュー39が同調駆動され、穀粒回収タンク8から送出された穀粒が縦搬送機構13Aによって揚送された後、横搬送機構13Bによって横搬送されて吐出口40から排出されるようになっている。
前記接続ケース41における中継軸挿通箇所は、縦搬送機構13Aの搬送ケース35、および、横搬送機構13Bの搬送ケース38よりも大径に形成されて、中継軸42の断面積を差し引いた穀粒通路の断面積が縦搬送機構13Aにおける支軸断面積を差し引いた穀粒通路の断面積、および、横搬送機構13Bにおける支軸断面積を差し引いた穀粒通路の断面積よりも大きく設定され、接続ケース41における穀粒移動に対する自由度が大きいものとなって、縦搬送機構13Aから横搬送機構13Bへの穀粒受け渡しが詰まりなく円滑に行われるようになっている。
前記縦搬送機構13Aに固定された上端接続ケース部41aと横搬送機構13Bの搬送ケース38とに亘って油圧シリンダ45が架設され、この油圧シリンダ45の伸縮作動によって横搬送機構13Bが前記横軸心Q周りに所定範囲内で上下に駆動揺動されるようになっている。
図9に示すように、穀粒回収タンク8の下部に連結固定された前記搬出ケース14には減速機付きの電動モータ46が取付けられるとともに、その減速出力によって正逆に回転駆動されるピニオンギヤ47が、縦搬送機構13Aの搬送ケース36にフランジ状に固着されたリングギヤ48に咬合さており、電動モータ46の正逆転作動によって穀粒搬出装置13全体が縦向き支点P周りに駆動旋回されるようになっている。このように穀粒搬出装置13の旋回および横搬送機構13Bの上下揺動によって吐出口40の旋回位置および高さ位置を移動させて、穀粒排出位置を任意に変更することが可能となっている。
次に、前記穀粒搬出装置13を駆動する原動軸である前記底スクリュー10への伝動構造について説明する。
図13〜図16に示すように、穀粒回収タンク8の前面下部に備えた前記支持板15には、底スクリュー10における支軸10aの前端部を軸受け支承するブラケット50が固着され、このブラケット50の前面に入力ケース51が連結されている。入力ケース51には、前記支軸10aに連結された出力ベベルギヤ52と、これに咬合された入力ベベルギヤ53が装備され、入力ベベルギヤ53に連結された入力軸54が機体内方に向けて突設されている。
前記ブラケット50と入力ケース51とは脚部50a,51aを突合せて連結されており、脚部50a,51aの間に形成された空間において、外周にベアリング55を装着した偏芯カム56が底スクリュー10の支軸10aに外嵌固着されている。前記流下案内板11の回動支軸12が支持板15の前方に突出され、その突出端に連結された操作アーム57が上下長孔58を介して前記偏芯カム56のベアリング55に係合されている。この構成によって、底スクリュー10の支軸10aが回転駆動されて偏芯カム56が回動することで、この偏芯カム56に係合された操作アーム57が偏芯カム56の偏芯量に応じた振幅で往復揺動され、流下案内板11が所定角度で往復揺動駆動されることで、タンク内に貯留された穀粒がブリッジ現象をもたらすことなく底スクリュー10の作用域に流下するようになっている。
穀粒回収タンク8とその前方に配置された前記エンジン4との間における機体フレーム2上に軸受けブラケット60が立設され、この軸受けブラケット60に回転自在に装着支持された横向き軸心の入力プーリ61にエンジン動力が伝達されるようになっている。
図5の伝動系統図に示すように、横向きに搭載配備された前記エンジン4には、機体内方に向けて突出する主出力軸62と、機体外方に向けて突出する補機駆動用の出力軸63とが備えられており、主出力軸62から取り出された動力でクローラ走行装置1、刈取り部3、および、脱穀装置7が駆動される。外向きの出力軸63には、3本掛けの出力プーリ64が備えられており、この出力プーリ64に巻回された伝動ベルト65で、エンジン冷却用のウオーターポンプ66、ラジエータ冷却ファン67、発電機68が駆動されるとともに、前記出力プーリ64に巻回された別の伝動ベルト69が前記入力プーリ61に巻回されている。なお、図示されていないが、前記出力プーリ64には更に別の伝動ベルトを巻回することができ、キャビン仕様の機種に装備される空調装置における冷媒圧縮用のコンプレッサを駆動することができるようになっている。
上記のようしてエンジン動力を受ける前記入力プーリ61の中心には中間伝動軸71が軸心方向にスライド可能にスプライン内嵌されている。中間伝動軸71は、前記入力ケース51に支架された前記入力軸54と同芯に突合せ配置されるとともに、外嵌装着したバネ72によって中間伝動軸71が入力軸54に向けてスライド付勢されている。中間伝動軸71と入力軸54とは、その突合せ対向部位において噛み合い式のクラッチ73を介して連動連結されている。
前記クラッチ73は、中間伝動軸71の先端部に連結固定したボス状のクラッチ部材74と、入力軸54の先端部外周に打ち込み貫通したスプリングピンからなる係合部材75とで構成されており、クラッチ部材74が入力軸54の先端部に外嵌されることで、図13に示すように、入力軸54の係合部材75がクラッチ部材74の端部対角位置に形成された係合凹部76に噛み合い係入し、これによって中間伝動軸71から入力軸54への動力伝達がなされるようになっている。
穀粒回収タンク8が穀粒回収位置からメンテナンス位置に旋回移動されると、図14に示すように、入力軸54の横外方への移動に伴って係合部材75がクラッチ部材74から抜き出され、中間伝動軸71と入力軸54との連結が解除される。逆に、穀粒回収タンク8がメンテナンス位置から元の穀粒回収位置に旋回復帰されると、入力軸54の横内方への移動に伴って係合部材75がクラッチ部材74に軸心方向から係合されて、中間伝動軸71と入力軸54とが自動的に連動連結される。穀粒回収タンク8がメンテナンス位置から穀粒回収位置に旋回復帰された際、回転停止しているクラッチ部材74の係合凹部76と入力軸54の係合部材75との回転位相がズレていることがあり、このような場合には、係合部材75がクラッチ部材74の外端縁を接当押圧して、中間伝動軸71がバネ72に抗して機体内方にスライド後退する。次にエンジン4が起動されて中間回転軸71が回転され始めると、クラッチ部材74の係合凹部76が係合部材75の位相まで移動したところで中間回転軸71が付勢スライドしてクラッチ73が入れられ、自動的に中間回転軸71と入力軸54とが連動連結状態になる。
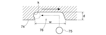
図17〜図19に示すように、前記係合凹部76の方向開口幅wは係合部材75の外径の数倍程度に設定されるとともに、係合凹部76の深さdは係合部材75の外径よりやゝ大きい程度に設定され、かつ、係合凹部76における係合部材75との係合箇所kが、回転駆動方向に入り込んだ奥拡がり形状に形成されている。このように、係合凹部76と係合部材75とを食い込み勝手に係合させることで、大きい駆動反力、等によって発生したスラスト力でクラッチ部材74が中間伝動軸71と共に後退変位して係合部材75との係合が勝手に外れてしまうようなことが未然に回避される。
コンバインの全体側面図 穀粒回収タンクの側面図 穀粒回収タンクの平面図 穀粒回収タンクを機体内側前方から見た斜視図 伝動系の概略図 底スクリューと縦搬送機構との連係構造を示す縦断側面図 縦搬送機構と横搬送機構との連係構造を示す展開断面図 穀粒回収タンクの背面図 穀粒搬出装置の旋回駆動構造を示す平面図 穀粒回収タンクの搬出部を示す背面図 穀粒回収タンクの後部を示す斜視図 穀粒回収タンク下部の可動カバーが開放された状態を示す斜視図 エンジンから底スクリューへの伝動系のクラッチ入り状態を示す横断平面図 エンジンから底スクリューへの伝動系のクラッチ切り状態を示す横断平面図 底スクリュー前端部の伝動構造を示す縦断側面図 流下案内板の駆動構造を示す正面図 クラッチ部材の軸心方向から見た正面図 クラッチ部材の断面図 クラッチ部材における係合凹部を示す展開図
符号の説明
4 エンジン
7 脱穀装置
8 穀粒回収タンク
10 底スクリュー
51 入力ケース
54 入力軸
63 出力軸
71 中間伝動軸
73 クラッチ
P 縦向き支点

Claims (2)

  1. 脱穀装置と穀粒回収タンクを左右に並列配置するとともに、穀粒回収タンクの前側にエンジンを横向きに配置し、エンジン動力を前記穀粒回収タンクの底スクリューの前端部に伝達するよう構成したコンバインの穀粒回収部駆動構造であって、
    前記エンジンから機体横外方に向けて出力軸を突設するとともに、前記穀粒回収タンクの前側に中間伝動軸を横向きに支架し、前記中間伝動軸の機体内側部位と前記出力軸とを連動連結するとともに、前記中間伝動軸の機体外側部位と底スクリューの前端部とを連動連結してあることを特徴とするコンバインの穀粒回収部駆動構造。
  2. 前記穀粒回収タンクを後方の縦向き支点周りに旋回可能に構成するとともに、前記穀粒回収タンクの前部に入力ケースを連結し、前記入力ケースに備えられた機体内向きの入力軸と前記中間伝動軸とを同芯状に対向配置し、その対向部位に軸心方向から係脱するクラッチを備えてある請求項1記載のコンバインの穀粒回収部駆動構造。
JP2007252433A 2007-09-26 2007-09-27 コンバインの穀粒回収部駆動構造 Active JP5054479B2 (ja)

Priority Applications (17)

Application Number Priority Date Filing Date Title
JP2007252433A JP5054479B2 (ja) 2007-09-27 2007-09-27 コンバインの穀粒回収部駆動構造
KR1020080091501A KR101072654B1 (ko) 2007-09-26 2008-09-18 작업차
CN2008101497425A CN101397033B (zh) 2007-09-26 2008-09-25 作业车
CN201210327774.6A CN102845179B (zh) 2007-09-26 2008-09-25 联合收割机的谷粒回收部驱动构造
CN201210328176.0A CN102849135B (zh) 2007-09-26 2008-09-25 履带张力调整装置
KR1020100050256A KR101328308B1 (ko) 2007-09-26 2010-05-28 크롤러 주행 장치의 크롤러 장력 조정 장치
KR1020120109965A KR101249094B1 (ko) 2007-09-26 2012-10-04 작업차용 크롤러 주행 장치의 크롤러 장력 조정 장치
KR1020120118384A KR101607123B1 (ko) 2007-09-26 2012-10-24 콤바인
KR1020120118336A KR101442342B1 (ko) 2007-09-26 2012-10-24 콤바인
KR1020130002060A KR101448368B1 (ko) 2007-09-26 2013-01-08 작업차용 크롤러 주행 장치의 크롤러 장력 조정 장치
KR1020130140394A KR101607122B1 (ko) 2007-09-26 2013-11-19 콤바인
KR1020140064517A KR101498856B1 (ko) 2007-09-26 2014-05-28 콤바인
KR1020140106891A KR101581720B1 (ko) 2007-09-26 2014-08-18 작업차용 크롤러 주행 장치의 크롤러 장력 조정 장치
KR1020150032486A KR101525757B1 (ko) 2007-09-26 2015-03-09 작업차
KR1020150185681A KR101785811B1 (ko) 2007-09-26 2015-12-24 작업차용 크롤러 주행 장치의 크롤러 장력 조정 장치
KR1020160034404A KR101785546B1 (ko) 2007-09-26 2016-03-23 콤바인
KR1020170127033A KR101913966B1 (ko) 2007-09-26 2017-09-29 콤바인

Applications Claiming Priority (1)

Application Number Priority Date Filing Date Title
JP2007252433A JP5054479B2 (ja) 2007-09-27 2007-09-27 コンバインの穀粒回収部駆動構造

Publications (2)

Publication Number Publication Date
JP2009082012A true JP2009082012A (ja) 2009-04-23
JP5054479B2 JP5054479B2 (ja) 2012-10-24

Family

ID=40656343

Family Applications (1)

Application Number Title Priority Date Filing Date
JP2007252433A Active JP5054479B2 (ja) 2007-09-26 2007-09-27 コンバインの穀粒回収部駆動構造

Country Status (1)

Country Link
JP (1) JP5054479B2 (ja)

Citations (5)

* Cited by examiner, † Cited by third party
Publication number Priority date Publication date Assignee Title
JPH06253666A (ja) * 1993-03-05 1994-09-13 Kubota Corp コンバインの穀粒排出装置駆動部
JPH09205868A (ja) * 1996-02-06 1997-08-12 Iseki & Co Ltd グレンタンクの伝動支持装置
JP2001190147A (ja) * 2000-01-07 2001-07-17 Kubota Corp コンバインの伝動構造
JP2001320951A (ja) * 2000-05-16 2001-11-20 Iseki & Co Ltd コンバインのグレンタンク
JP2005278450A (ja) * 2004-03-29 2005-10-13 Kubota Corp コンバインの穀粒回収装置

Patent Citations (5)

* Cited by examiner, † Cited by third party
Publication number Priority date Publication date Assignee Title
JPH06253666A (ja) * 1993-03-05 1994-09-13 Kubota Corp コンバインの穀粒排出装置駆動部
JPH09205868A (ja) * 1996-02-06 1997-08-12 Iseki & Co Ltd グレンタンクの伝動支持装置
JP2001190147A (ja) * 2000-01-07 2001-07-17 Kubota Corp コンバインの伝動構造
JP2001320951A (ja) * 2000-05-16 2001-11-20 Iseki & Co Ltd コンバインのグレンタンク
JP2005278450A (ja) * 2004-03-29 2005-10-13 Kubota Corp コンバインの穀粒回収装置

Also Published As

Publication number Publication date
JP5054479B2 (ja) 2012-10-24

Similar Documents

Publication Publication Date Title
JP5139927B2 (ja) コンバイン
CN101472464B (zh) 联合收割机
JP2009207413A (ja) コンバイン
JP5022163B2 (ja) コンバイン
JP4675181B2 (ja) コンバイン
JP2013153656A (ja) コンバイン
JP2017023044A (ja) コンバイン
JP5039984B2 (ja) コンバインの穀粒回収部駆動構造
JP5539749B2 (ja) ステアバイワイヤ方式のコンバイン
JP5054479B2 (ja) コンバインの穀粒回収部駆動構造
JP2009082011A (ja) 穀粒搬出装置
JP4181182B2 (ja) 普通形コンバイン
JP5843632B2 (ja) コンバイン
JP5443450B2 (ja) コンバイン
JP6898067B2 (ja) コンバイン
JP4973183B2 (ja) コンバイン
JP2009213416A (ja) コンバインの穀粒回収部構造
WO2013111639A1 (ja) コンバイン
JP5850701B2 (ja) コンバイン
JP5048402B2 (ja) 自脱型コンバイン
JP4576749B2 (ja) コンバイン
JP3564819B2 (ja) コンバインのグレンタンク装置
JP2015208267A (ja) コンバインの穀粒排出装置
JP2013153654A (ja) コンバイン
JP2008206460A (ja) コンバイン

Legal Events

Date Code Title Description
A621 Written request for application examination

Free format text: JAPANESE INTERMEDIATE CODE: A621

Effective date: 20090928

A977 Report on retrieval

Free format text: JAPANESE INTERMEDIATE CODE: A971007

Effective date: 20110719

A131 Notification of reasons for refusal

Free format text: JAPANESE INTERMEDIATE CODE: A131

Effective date: 20110728

A521 Written amendment

Free format text: JAPANESE INTERMEDIATE CODE: A523

Effective date: 20110926

A131 Notification of reasons for refusal

Free format text: JAPANESE INTERMEDIATE CODE: A131

Effective date: 20120419

A521 Written amendment

Free format text: JAPANESE INTERMEDIATE CODE: A523

Effective date: 20120605

TRDD Decision of grant or rejection written
A01 Written decision to grant a patent or to grant a registration (utility model)

Free format text: JAPANESE INTERMEDIATE CODE: A01

Effective date: 20120628

A01 Written decision to grant a patent or to grant a registration (utility model)

Free format text: JAPANESE INTERMEDIATE CODE: A01

A61 First payment of annual fees (during grant procedure)

Free format text: JAPANESE INTERMEDIATE CODE: A61

Effective date: 20120727

R150 Certificate of patent or registration of utility model

Ref document number: 5054479

Country of ref document: JP

Free format text: JAPANESE INTERMEDIATE CODE: R150

Free format text: JAPANESE INTERMEDIATE CODE: R150

FPAY Renewal fee payment (event date is renewal date of database)

Free format text: PAYMENT UNTIL: 20150803

Year of fee payment: 3