EP0476775B1 - Schaltungsanordnung zum Kompensieren des Steuerstromes eines Transistors - Google Patents
Schaltungsanordnung zum Kompensieren des Steuerstromes eines Transistors Download PDFInfo
- Publication number
- EP0476775B1 EP0476775B1 EP91202376A EP91202376A EP0476775B1 EP 0476775 B1 EP0476775 B1 EP 0476775B1 EP 91202376 A EP91202376 A EP 91202376A EP 91202376 A EP91202376 A EP 91202376A EP 0476775 B1 EP0476775 B1 EP 0476775B1
- Authority
- EP
- European Patent Office
- Prior art keywords
- transistor
- current
- circuit arrangement
- transistors
- collector
- Prior art date
- Legal status (The legal status is an assumption and is not a legal conclusion. Google has not performed a legal analysis and makes no representation as to the accuracy of the status listed.)
- Expired - Lifetime
Links
- 230000002349 favourable effect Effects 0.000 description 2
- 230000003321 amplification Effects 0.000 description 1
- 230000000694 effects Effects 0.000 description 1
- 230000010354 integration Effects 0.000 description 1
- 238000003199 nucleic acid amplification method Methods 0.000 description 1
- 239000004065 semiconductor Substances 0.000 description 1
Images
Classifications
-
- G—PHYSICS
- G05—CONTROLLING; REGULATING
- G05F—SYSTEMS FOR REGULATING ELECTRIC OR MAGNETIC VARIABLES
- G05F3/00—Non-retroactive systems for regulating electric variables by using an uncontrolled element, or an uncontrolled combination of elements, such element or such combination having self-regulating properties
- G05F3/02—Regulating voltage or current
- G05F3/08—Regulating voltage or current wherein the variable is DC
- G05F3/10—Regulating voltage or current wherein the variable is DC using uncontrolled devices with non-linear characteristics
- G05F3/16—Regulating voltage or current wherein the variable is DC using uncontrolled devices with non-linear characteristics being semiconductor devices
- G05F3/20—Regulating voltage or current wherein the variable is DC using uncontrolled devices with non-linear characteristics being semiconductor devices using diode- transistor combinations
- G05F3/26—Current mirrors
- G05F3/265—Current mirrors using bipolar transistors only
Definitions
- the invention relates to a circuit arrangement for compensating the control current of a (first) transistor, whose main current path is arranged in series with the main current path of a second transistor between the poles of a supply voltage source, with a current mirror arrangement formed from two transistors, the common connection of which to the pole of the Supply voltage source, which is coupled to the second transistor, is connected, the input terminal of which is connected to the control terminal of the second transistor and from whose output terminal a compensation current can be fed to the control terminal of the first transistor.
- a transistor amplifier with a first transistor is known, the base of which is supplied with a signal to be amplified.
- the emitter of the first transistor is connected via a resistor to a point of constant potential, preferably to ground.
- the collector of the transistor is connected to the emitter of a measuring transistor.
- the collector of the measuring transistor is connected to a supply voltage source via a second resistor.
- the base of the measuring transistor is connected to a current input of a controlled current source, while the base of the first transistor is connected to a current output of the controlled current source.
- a common connection point of the current source is connected to the collector of the measuring transistor.
- the current source contains a transistor and a diode.
- the emitter of the transistor of the current source and the anode of the diode are connected to the common connection point of the current source.
- the collector of the transistor the current source is connected to its current output and the base of the transistor of the current source and the cathode of the diode are connected to the current input of the current source.
- the current source in this circuit arrangement has the effect that the input current of the amplifier is reduced by a factor substantially corresponding to the base collector current amplification factor of the first transistor and of the measuring transistor.
- a current source generally also referred to as a "Wilson current mirror”.
- This "Wilson current mirror” contains a third and a fourth transistor and a diode.
- the emitter of the third transistor and the anode of the diode are connected to the common connection point of the current source mentioned above.
- the base of the third transistor and the cathode of the diode are connected to the emitter of the fourth transistor, the base of which is connected to the collector of the third transistor.
- the collector of the fourth transistor is connected to the output of the "Wilson current mirror", while the collector of the third transistor is connected to the input of the "Wilson current mirror".
- the use of the "Wilson current mirror” has the advantage over the current source described first that the currents occurring at the output and at the entrance of the "Wilson current mirror” coincide better with one another. An improved compensation of the base current of the first transistor can thereby be achieved.
- the object of the invention is to create a circuit arrangement in which, on the one hand, the most complete possible compensation of the control current of the transistor amplifier is achieved and, on the other hand, which offers the highest possible modulation range of the transistor even at low supply voltages.
- This object is achieved in a circuit arrangement of the generic type by a third transistor, via the main current path of the compensation current and the control terminal of which is connected to the connection point of the main current paths of the first and second transistors.
- the favorable properties of the circuit arrangements known from the prior art are connected to one another in a simple and advantageous manner.
- the voltage level at the collector of the (first) transistor of the transistor amplifier is reduced by only two base-emitter forward voltages compared to the supply voltage, while at the same time one Compensation of the control current is achieved, as was previously only possible with the "Wilson current mirror".
- the invention is preferably carried out with transistors of the bipolar type.
- the first and second transistors are of a first and the remaining transistors are of a second conductivity type, as a result of which a structure which is particularly favorable for integration on a semiconductor body is also obtained.
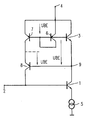
- the figure shows an embodiment of a circuit arrangement according to the invention with a first transistor 1 forming a transistor amplifier, the base connection of which is connected to an input 2 for a signal to be amplified.
- a control current is supplied to the first transistor 1, which in the present example is of the NPN type, via the base connection.
- This control current is to be compensated in such a way that the lowest possible signal current flows at input 2, preferably that input 2 is de-energized.
- the circuit arrangement according to the invention for compensating for the control current of the first transistor 1 comprises a second transistor 3, which is also referred to as a measuring transistor.
- This measuring transistor 3 is also of the NPN type and with its main current path between the collector and emitter connected in series with the corresponding main current path of the first transistor 1 such that the emitter of the measuring transistor 3 is coupled to the collector of the first transistor 1, while the collector of the Measuring transistor 3 is connected to a positive supply voltage terminal 4.
- In series with the main current paths is between the emitter of the first transistor 1 and ground also switched a DC power source 5 for setting the operating point.
- the positive supply voltage connection 4 and ground form the poles of the supply voltage source.
- the circuit arrangement according to the present exemplary embodiment further comprises a current mirror arrangement comprising a first current mirror transistor 6 and a second current mirror transistor 7, the emitters of which are connected to one another and to the base of the measuring transistor 3 together with the supply voltage connection 4 and the base connections thereof.
- the collector of the first current mirror transistor 6 is connected to the base connections of the transistors 3, 6 and 7.
- the connection between the base connections of the current mirror transistors 6, 7 and the collector of the first current mirror transistor 6 forms the input connection of the current mirror arrangement 6, 7.
- Their output connection is formed by the collector of the second current mirror transistor 7 and is connected to the input 2 via the main current path of a third transistor 8 and thus connected to the base of the first transistor 1.
- base-emitter forward voltages that occur at the transistors during operation of the circuit arrangement are entered, namely at the base-emitter paths of the current mirror transistors 6, 7, the measuring transistor 3 and the third transistor 8.
- At the collector of the second current mirror transistor 7 is at the same potential during operation as at the base of the measuring transistor 3 and thus on the collector of the first current mirror transistor 6.
- the current mirror transistors 6, 7 thus have the same collector-emitter voltages, so that a particularly symmetrical operating mode of the current mirror 6, 7 is achieved.
- the potential at the connection point 9 is only two base-emitter forward voltages UBE lower than the supply voltage at the supply voltage connection 4.
Landscapes
- Engineering & Computer Science (AREA)
- Microelectronics & Electronic Packaging (AREA)
- Physics & Mathematics (AREA)
- Nonlinear Science (AREA)
- Electromagnetism (AREA)
- General Physics & Mathematics (AREA)
- Radar, Positioning & Navigation (AREA)
- Automation & Control Theory (AREA)
- Amplifiers (AREA)
- Control Of Electrical Variables (AREA)
Description
- Die Erfindung bezieht sich auf eine Schaltungsanordnung zum Kompensieren des Steuerstromes eines (ersten) Transistors, dessen Hauptstrompfad in Reihe mit dem Hauptstrompfad eines zweiten Transistors zwischen den Polen einer Speisespannungsquelle angeordnet ist, mit einer aus zwei Transistoren gebildeten Stromspiegelanordnung, deren gemeinsamer Anschluß mit dem Pol der Speisespannungsquelle, der mit dem zweiten Transistor gekoppelt ist, verbunden ist, deren Eingangsanschluß mit dem Steueranschluß des zweiten Transistors verbunden ist und von dessen Ausgangsanschluß ein Kompensationsstrom dem Steueranschluß des ersten Transistors zugeleitet werden kann.
- Aus der DE-AS 21 08 550 (entspricht US-A-3,714,600) ist ein Transistorverstärker mit einem ersten Transistor bekannt, dessen Basis ein zu verstärkendes Signal zugeführt wird. Der Emitter des ersten Transistors ist über einen Widerstand mit einem Punkt konstanten Potentials verbunden, vorzugsweise mit Masse. Der Kollektor des Transistors ist mit dem Emitter eines Meßtransistors verbunden. Der Kollektor des Meßtransistors ist über einen zweiten Widerstand mit einer Speisespannungsquelle verbunden. Die Basis des Meßtransistors ist mit einem Stromeingang einer gesteuerten Stromquelle verbunden, während die Basis des ersten Transistors mit einem Stromausgang der gesteuerten Stromquelle verbunden ist. Des weiteren ist ein gemeinsamer Anschlußpunkt der Stromquelle mit dem Kollektor des Meßtransistors verbunden. Die Stromquelle enthält einen Transistor und eine Diode. Der Emitter des Transistors der Stromquelle und die Anode der Diode sind mit dem gemeinsamen Anschlußpunkt der Stromquelle verbunden. Der Kollektor des Transistors der Stromquelle ist mit deren Stromausgang und die Basis des Transistors der Stromquelle sowie die Kathode der Diode sind mit den Stromeingang der Stromquelle verbunden.
- Die Stromquelle in dieser Schaltungsanordnung bewirkt, daß der Eingangsstrom des Verstärkers um einen im wesentlichen dem Basis-Kollektorstromverstärkungsfaktor des ersten Transistors und des Meßtransistors entsprechenden Faktor verringert wird.
- Aus der DE-AS 21 08 550 ist es weiterhin bekannt, die beschriebene Stromquelle durch eine allgemein auch als "Wilson-Stromspiegel" bezeichnete Stromquelle zu ersetzen. Dieser "Wilson-Stromspiegel" enthält einen dritten und einen vierten Transistor sowie eine Diode. Der Emitter des dritten Transistors und die Anode der Diode sind mit dem oben genannten, gemeinsamen Anschlußpunkt der Stromquelle verbunden. Die Basis des dritten Transistors und die Kathode der Diode sind mit dem Emitter des vierten Transistors verbunden, dessen Basis mit dem Kollektor des dritten Transistors verbunden ist. Der Kollektor des vierten Transistors ist mit dem Ausgang des "Wilson-Stromspiegels" verbunden, während der Kollektor des dritten Transistors mit dem Eingang des "Wilson-Stromspiegels" verbunden ist. Die Anwendung des "Wilson-Stromspiegels" hat gegenüber der zuerst beschriebenen Stromquelle den Vorteil, daß die am Ausgang und am Eingang des "Wilson-Stromspiegels" auftretenden Ströme besser miteinander übereinstimmen. Dadurch kann eine verbesserte Kompensation des Basisstroms des ersten Transistors erreicht werden.
- Bei der letztgenannten Schaltungsanordnung entsteht jedoch gegenüber der erstgenannten der Nachteil, daß durch Verwendung des "Wilson-Stromspiegels" das Spannungspotential am Kollektor des ersten Transistors gegenüber dem Potential am Kollektor des Meßtransistors und am gemeinsamen Anschlußpunkt der Stromquelle um eine weitere Basis-Emitter-Flußspannung herabgesetzt wird. Um diesen Betrag verringert sich dann der Aussteuerungsbereich für ein von dem durch den ersten Transistor gebildeten Transistorverstärker zu verarbeitendes Signal. Dies führt insbesondere dann zu einer starken Einschränkung, wenn die Versorgungsspannung für den Transistorverstärker sehr gering ausgelegt werden soll und damit die Basis-Emitter-Flußspannung einen nicht mehr vernachlässigbaren Teil dieser Versorgungsspannung ausmacht.
- Die Erfindung hat die Aufgabe, eine Schaltungsanordnung zu schaffen, bei der einerseits eine möglichst vollständige Kompensation des Steuerstromes des Transistorverstärkers erzielt und die andererseits auch bei niedrigen Versorgungsspannungen einen möglichst hohen Aussteuerungsbereich des Transistors bietet.
- Diese Aufgabe wird bei einer Schaltungsanordnung der gattungsgemäßen Art gelöst durch einen dritten Transistor, über dessen Hauptstrompfad der Kompensationsstrom geleitet wird und dessen Steueranschluß mit dem Verbindungspunkt der Hauptstrompfade des ersten und zweiten Transistors verbunden ist.
- Bei der erfindungsgemäßen Schaltungsanordnung werden in einfacher und vorteilhafter Weise die günstigen Eigenschaften der aus dem Stand der Technik bekannten Schaltungsanordnungen miteinander verbunden. Bei der Erfindung wird erreicht, daß der Spannungspegel am Kollektor des (ersten) Transistors des Transistorverstärkers um lediglich zwei Basis-Emitter-Flußspannungen gegenüber der Versorgungsspannung abgesenkt ist, während zugleich eine Kompensation des Steuerstromes erreicht wird, wie sie bisher nur mit dem "Wilson-Stromspiegel" erreichbar war.
- Die Erfindung wird bevorzugt ausgeführt mit Transistoren vom bipolaren Typ. Dabei sind insbesondere der erste und zweite Transistor von einem ersten und die übrigen Transistoren von einem zweiten Leitfähigkeitstyp, wodurch auch ein für eine Integration auf einem Halbleiterkörper besonders günstiger Aufbau erhalten wird.
- Die Figur zeigt ein Ausführungsbeispiel einer erfindungsgemäßen Schaltungsanordnung mit einem einen Transistorverstärker bildenden ersten Transistor 1, dessen Basisanschluß mit einem Eingang 2 für ein zu verstärkendes Signal verbunden ist. Über den Basisanschluß wird dem ersten Transistor 1, der im vorliegenden Beispiel vom npn-Typ ist, ein Steuerstrom zugeführt. Dieser Steuerstrom soll derart kompensiert werden, daß am Eingang 2 ein möglichst geringer Signalstrom fließt, vorzugsweise, daß der Eingang 2 stromlos wird. Damit wird im Idealfall eine leistungslose Aussteuerung des Transistorverstärkers, d.h. des ersten Transistors 1, erreicht.
- Die erfindungsgemäße Schaltungsanordnung zum Kompensieren des Steuerstromes des ersten Transistors 1 umfaßt einen zweiten Transistor 3, der auch als Meßtransistor bezeichnet wird. Dieser Meßtransistor 3 ist ebenfalls vom npn-Typ und mit seinem Hauptstrompfad zwischen Kollektor und Emitter in Reihe mit dem entsprechenden Hauptstrompfad des ersten Transistors 1 derart verbunden, daß der Emitter des Meßtransistors 3 mit dem Kollektor des ersten Transistors 1 gekoppelt ist, während der Kollektor des Meßtransistors 3 mit einem positiven Speisespannungsanschluß 4 verbunden ist. In Reihe mit den Hauptstrompfaden ist zwischen dem Emitter des ersten Transistors 1 und Masse außerdem eine Gleichstromquelle 5 zur Einstellung des Arbeitspunktes geschaltet. Der positive Speisespannungsanschluß 4 und Masse bilden die Pole der Speisespannungsquelle.
- Die Schaltungsanordnung nach dem vorliegenden Ausführungsbeispiel umfaßt weiterhin eine Stromspiegelanordnung aus einem ersten Stromspiegeltransistor 6 und einem zweiten Stromspiegeltransistor 7, deren Emitter gemeinsam mit dem Speisespannungsanschluß 4 und deren Basisanschlüsse miteinander und mit der Basis des Meßtransistors 3 verbunden sind. Der Kollektor des ersten Stromspiegeltransistors 6 ist mit den Basisanschlüssen der Transistoren 3, 6 und 7 verbunden. Die Verbindung zwischen den Basisanschlüssen der Stromspiegeltransistoren 6, 7 und dem Kollektor des ersten Stromspiegeltransistors 6 bildet den Eingangsanschluß der Stromspiegelanordnung 6, 7. Ihr Ausgangsanschluß wird durch den Kollektor des zweiten Stromspiegeltransistors 7 gebildet und ist über den Hauptstrompfad eines dritten Transistors 8 mit dem Eingang 2 und damit der Basis des ersten Transistors 1 verbunden. Die Basis des dritten Transistors 8, der vom pnp-Typ ist, wie im übrigen auch die Stromspiegeltransistoren 6, 7, ist mit dem Verbindungspunkt 9 des Emitters des zweiten Transistors 3 und des Kollektors des ersten Transistors 1, d.h. dem Verbindungspunkt der Hauptstrompfade dieser Transistoren, verbunden.
- In der Figur sind mit UBE im Betrieb der Schaltungsanordnung an den Transistoren auftretende Basis-Emitter-Flußspannungen eingetragen, und zwar an den Basis-Emitter-Strecken der Stromspiegeltransistoren 6, 7, des Meßtransistors 3 und des dritten Transistors 8. Am Kollektor des zweiten Stromspiegeltransistors 7 liegt im Betrieb das gleiche Potential an wie an der Basis des Meßtransistors 3 und damit am Kollektor des ersten Stromspiegeltransistors 6. Damit weisen die Stromspiegeltransistoren 6, 7 gleiche Kollektor-Emitter-Spannungen auf, so daß eine besonders symmetrische Betriebsart des Stromspiegels 6, 7 erreicht wird. Außerdem ist zu erkennen, daß das Potential am Verbindungspunkt 9 lediglich um zwei Basis-Emitter-Flußspannungen UBE gegenüber der Speisespannung am Speisespannungsanschluß 4 niedriger ist.
Claims (3)
- Schaltungsanordnung zum Kompensieren des Steuerstromes eines ersten Transistors (1), dessen Hauptstrompfad in Reihe mit dem Hauptstrompfad eines zweiten Transistors (3) zwischen den Polen (4; Masse) einer Speisespannungsquelle angeordnet ist; mit einer aus zwei Transistoren (6,7) gebildeten Stromspiegelanordnung, deren Emitter gemeinsam mit dem Pol (4) der Speisespannungsquelle, der mit dem zweiten Transistor (3)gekoppelt ist, verbunden sind, deren aus der Verbindung zwischen den Basisanschlüssen mit dem Kollektor eines der Transistoren bestehender Eingangsanschluß mit dem Steueranschluß des zweiten Transistors (3) verbunden ist und von dessen Ausgangsanschluß ein Kompensationsstrom dem Steueranschluß des ersten Transistors (1) zugeleitet werden kann;
gekennzeichnet durch einen dritten Transistor (8), über dessen Hauptstrompfad der Kompensationsstrom geleitet wird und dessen Steueranschluß mit dem Verbindungspunkt (9) der Hauptstrompfade des ersten (1) und zweiten (3) Transistors verbunden ist. - Schaltungsanordnung nach Anspruch 1,
dadurch gekennzeichnet, daß die Transistoren (1,3,6,7,8) vom bipolaren Typ sind. - Schaltungsanordnung nach Anspruch 2,
dadurch gekennzeichnet, daß der erste (1) und zweite (3) Transistor von einem ersten und die übrigen Transistoren (6,7,8) von einem zweiten Leitfähigkeitstyp sind.
Applications Claiming Priority (2)
| Application Number | Priority Date | Filing Date | Title |
|---|---|---|---|
| DE4029889A DE4029889A1 (de) | 1990-09-21 | 1990-09-21 | Schaltungsanordnung zum kompensieren des steuerstromes eines transistors |
| DE4029889 | 1990-09-21 |
Publications (3)
| Publication Number | Publication Date |
|---|---|
| EP0476775A2 EP0476775A2 (de) | 1992-03-25 |
| EP0476775A3 EP0476775A3 (en) | 1992-10-21 |
| EP0476775B1 true EP0476775B1 (de) | 1995-12-06 |
Family
ID=6414666
Family Applications (1)
| Application Number | Title | Priority Date | Filing Date |
|---|---|---|---|
| EP91202376A Expired - Lifetime EP0476775B1 (de) | 1990-09-21 | 1991-09-17 | Schaltungsanordnung zum Kompensieren des Steuerstromes eines Transistors |
Country Status (4)
| Country | Link |
|---|---|
| US (1) | US5179356A (de) |
| EP (1) | EP0476775B1 (de) |
| JP (1) | JP3263410B2 (de) |
| DE (2) | DE4029889A1 (de) |
Families Citing this family (4)
| Publication number | Priority date | Publication date | Assignee | Title |
|---|---|---|---|---|
| US5311147A (en) * | 1992-10-26 | 1994-05-10 | Motorola Inc. | High impedance output driver stage and method therefor |
| US5864231A (en) * | 1995-06-02 | 1999-01-26 | Intel Corporation | Self-compensating geometry-adjusted current mirroring circuitry |
| US7271645B2 (en) * | 2005-09-30 | 2007-09-18 | Ana Semiconductor | Smart charge-pump circuit for phase-locked loops |
| KR100796974B1 (ko) * | 2006-07-06 | 2008-01-22 | 한국과학기술원 | 전류공급회로 및 이를 포함하는 디지털 아날로그 변환기 |
Family Cites Families (9)
| Publication number | Priority date | Publication date | Assignee | Title |
|---|---|---|---|---|
| GB1234759A (en) * | 1967-12-13 | 1971-06-09 | Pressac Ltd | Contact bearing devices for securing to a board or the like having printed or like circuitry |
| US3800239A (en) * | 1972-11-24 | 1974-03-26 | Texas Instruments Inc | Current-canceling circuit |
| NL7316556A (nl) * | 1973-12-04 | 1975-06-06 | Philips Nv | Stroomstabilisatieschakeling. |
| US3916331A (en) | 1973-12-26 | 1975-10-28 | Texas Instruments Inc | Low power, high impedance, low bias input configuration |
| JPS607845B2 (ja) * | 1979-09-21 | 1985-02-27 | パイオニア株式会社 | 増幅器 |
| JPS6057248B2 (ja) * | 1980-09-27 | 1985-12-13 | パイオニア株式会社 | 増幅器の入力バイアス調整回路 |
| NL8301186A (nl) * | 1983-04-05 | 1984-11-01 | Philips Nv | Stroomstabilisatieschakeling. |
| JPS6077506A (ja) * | 1983-10-04 | 1985-05-02 | Sharp Corp | 電圧発生回路 |
| US4755770A (en) * | 1986-08-13 | 1988-07-05 | Harris Corporation | Low noise current spectral density input bias current cancellation scheme |
-
1990
- 1990-09-21 DE DE4029889A patent/DE4029889A1/de not_active Withdrawn
-
1991
- 1991-09-11 US US07/758,914 patent/US5179356A/en not_active Expired - Fee Related
- 1991-09-17 EP EP91202376A patent/EP0476775B1/de not_active Expired - Lifetime
- 1991-09-17 DE DE59107022T patent/DE59107022D1/de not_active Expired - Fee Related
- 1991-09-18 JP JP23817391A patent/JP3263410B2/ja not_active Expired - Fee Related
Also Published As
| Publication number | Publication date |
|---|---|
| JPH06326526A (ja) | 1994-11-25 |
| US5179356A (en) | 1993-01-12 |
| JP3263410B2 (ja) | 2002-03-04 |
| EP0476775A3 (en) | 1992-10-21 |
| DE4029889A1 (de) | 1992-03-26 |
| DE59107022D1 (de) | 1996-01-18 |
| EP0476775A2 (de) | 1992-03-25 |
Similar Documents
| Publication | Publication Date | Title |
|---|---|---|
| DE2603164A1 (de) | Differentialverstaerker | |
| DE2358471A1 (de) | Stromaufhebungsschaltung | |
| DE2653624A1 (de) | Videosignalverstaerker | |
| DE3035272A1 (de) | Operations-transkonduktanzverstaerker mit einer nichtlineare komponente aufweisenden stromverstaerkern | |
| DE2506318C2 (de) | ||
| DE1487396A1 (de) | Schaltungsanordnung zum Erzeugen einer Steuer- oder Kompensationsspannung | |
| DE2529966C3 (de) | Transistorverstärker | |
| DE2905659B2 (de) | Gegentakt-Verstärkerkreis | |
| EP0106088B1 (de) | Halbleiter-Verstärkerschaltung | |
| DE3318106C2 (de) | ||
| DE3545392C2 (de) | ||
| DE2506034C3 (de) | Schaltungsanordnung zum elektronischen Durchschalten einer Wechselspannung | |
| DE2636156B2 (de) | Spannungsfolger-Schaltung mit einer Eingangsklemme | |
| EP0476775B1 (de) | Schaltungsanordnung zum Kompensieren des Steuerstromes eines Transistors | |
| DE2924171C2 (de) | ||
| DE69112104T2 (de) | Verstärkerschaltung. | |
| DE2438473A1 (de) | Transistorschaltung | |
| DE2853581C2 (de) | Emitterfolgerschaltung | |
| DE3810058A1 (de) | Schmitt-trigger-schaltung | |
| DE69018870T2 (de) | Bipolare Transistorschaltung mit Verzerrungsausgleich. | |
| DE3243706C1 (de) | ECL-TTL-Signalpegelwandler | |
| DE3229437C2 (de) | ||
| DE3824105A1 (de) | Spannungsregelschaltung | |
| DE3716577C2 (de) | Stromspiegelschaltung großer Leistungsfähigkeit | |
| DE3607064A1 (de) | Steuerschaltung mit kompensation der anodenspannungs-schwankungen fuer die vertikalablenkstufe eines fernsehgeraets |
Legal Events
| Date | Code | Title | Description |
|---|---|---|---|
| PUAI | Public reference made under article 153(3) epc to a published international application that has entered the european phase |
Free format text: ORIGINAL CODE: 0009012 |
|
| AK | Designated contracting states |
Kind code of ref document: A2 Designated state(s): DE FR GB IT NL |
|
| PUAL | Search report despatched |
Free format text: ORIGINAL CODE: 0009013 |
|
| AK | Designated contracting states |
Kind code of ref document: A3 Designated state(s): DE FR GB IT NL |
|
| 17P | Request for examination filed |
Effective date: 19930405 |
|
| 17Q | First examination report despatched |
Effective date: 19940728 |
|
| GRAA | (expected) grant |
Free format text: ORIGINAL CODE: 0009210 |
|
| AK | Designated contracting states |
Kind code of ref document: B1 Designated state(s): DE FR GB IT NL |
|
| REF | Corresponds to: |
Ref document number: 59107022 Country of ref document: DE Date of ref document: 19960118 |
|
| ITF | It: translation for a ep patent filed | ||
| GBT | Gb: translation of ep patent filed (gb section 77(6)(a)/1977) |
Effective date: 19960226 |
|
| ET | Fr: translation filed | ||
| PGFP | Annual fee paid to national office [announced via postgrant information from national office to epo] |
Ref country code: NL Payment date: 19960924 Year of fee payment: 6 |
|
| PLBE | No opposition filed within time limit |
Free format text: ORIGINAL CODE: 0009261 |
|
| STAA | Information on the status of an ep patent application or granted ep patent |
Free format text: STATUS: NO OPPOSITION FILED WITHIN TIME LIMIT |
|
| 26N | No opposition filed | ||
| PG25 | Lapsed in a contracting state [announced via postgrant information from national office to epo] |
Ref country code: NL Free format text: LAPSE BECAUSE OF NON-PAYMENT OF DUE FEES Effective date: 19980401 |
|
| NLV4 | Nl: lapsed or anulled due to non-payment of the annual fee |
Effective date: 19980401 |
|
| REG | Reference to a national code |
Ref country code: FR Ref legal event code: CD |
|
| PGFP | Annual fee paid to national office [announced via postgrant information from national office to epo] |
Ref country code: FR Payment date: 20010925 Year of fee payment: 11 |
|
| PGFP | Annual fee paid to national office [announced via postgrant information from national office to epo] |
Ref country code: GB Payment date: 20011001 Year of fee payment: 11 |
|
| PGFP | Annual fee paid to national office [announced via postgrant information from national office to epo] |
Ref country code: DE Payment date: 20011121 Year of fee payment: 11 |
|
| REG | Reference to a national code |
Ref country code: GB Ref legal event code: IF02 |
|
| PG25 | Lapsed in a contracting state [announced via postgrant information from national office to epo] |
Ref country code: GB Free format text: LAPSE BECAUSE OF NON-PAYMENT OF DUE FEES Effective date: 20020917 |
|
| PG25 | Lapsed in a contracting state [announced via postgrant information from national office to epo] |
Ref country code: DE Free format text: LAPSE BECAUSE OF NON-PAYMENT OF DUE FEES Effective date: 20030401 |
|
| GBPC | Gb: european patent ceased through non-payment of renewal fee |
Effective date: 20020917 |
|
| PG25 | Lapsed in a contracting state [announced via postgrant information from national office to epo] |
Ref country code: FR Free format text: LAPSE BECAUSE OF NON-PAYMENT OF DUE FEES Effective date: 20030603 |
|
| REG | Reference to a national code |
Ref country code: FR Ref legal event code: ST |
|
| PG25 | Lapsed in a contracting state [announced via postgrant information from national office to epo] |
Ref country code: IT Free format text: LAPSE BECAUSE OF NON-PAYMENT OF DUE FEES;WARNING: LAPSES OF ITALIAN PATENTS WITH EFFECTIVE DATE BEFORE 2007 MAY HAVE OCCURRED AT ANY TIME BEFORE 2007. THE CORRECT EFFECTIVE DATE MAY BE DIFFERENT FROM THE ONE RECORDED. Effective date: 20050917 |