EP0066928B1 - Verfahren zum Betrieb eines Röntgenstrahlengenerators und Röntgenstrahlengenerator zur Durchführung dieses Verfahrens - Google Patents

Verfahren zum Betrieb eines Röntgenstrahlengenerators und Röntgenstrahlengenerator zur Durchführung dieses Verfahrens Download PDF

Info

Publication number
EP0066928B1
EP0066928B1 EP82200653A EP82200653A EP0066928B1 EP 0066928 B1 EP0066928 B1 EP 0066928B1 EP 82200653 A EP82200653 A EP 82200653A EP 82200653 A EP82200653 A EP 82200653A EP 0066928 B1 EP0066928 B1 EP 0066928B1
Authority
EP
European Patent Office
Prior art keywords
ray
filament
tube
filament current
memory
Prior art date
Legal status (The legal status is an assumption and is not a legal conclusion. Google has not performed a legal analysis and makes no representation as to the accuracy of the status listed.)
Expired
Application number
EP82200653A
Other languages
German (de)
English (en)
French (fr)
Other versions
EP0066928A1 (de
Inventor
Joachim Brendler
Reinhard Von Hacht
Rudolf Ochmann
Current Assignee (The listed assignees may be inaccurate. Google has not performed a legal analysis and makes no representation or warranty as to the accuracy of the list.)
Philips Intellectual Property and Standards GmbH
Koninklijke Philips NV
Original Assignee
Philips Intellectual Property and Standards GmbH
Philips Patentverwaltung GmbH
Koninklijke Philips Electronics NV
Priority date (The priority date is an assumption and is not a legal conclusion. Google has not performed a legal analysis and makes no representation as to the accuracy of the date listed.)
Filing date
Publication date
Family has litigation
First worldwide family litigation filed litigation Critical https://patents.darts-ip.com/?family=6133892&utm_source=google_patent&utm_medium=platform_link&utm_campaign=public_patent_search&patent=EP0066928(B1) "Global patent litigation dataset” by Darts-ip is licensed under a Creative Commons Attribution 4.0 International License.
Application filed by Philips Intellectual Property and Standards GmbH, Philips Patentverwaltung GmbH, Koninklijke Philips Electronics NV filed Critical Philips Intellectual Property and Standards GmbH
Publication of EP0066928A1 publication Critical patent/EP0066928A1/de
Application granted granted Critical
Publication of EP0066928B1 publication Critical patent/EP0066928B1/de
Expired legal-status Critical Current

Links

Images

Classifications

    • HELECTRICITY
    • H05ELECTRIC TECHNIQUES NOT OTHERWISE PROVIDED FOR
    • H05GX-RAY TECHNIQUE
    • H05G1/00X-ray apparatus involving X-ray tubes; Circuits therefor
    • H05G1/08Electrical details
    • H05G1/70Circuit arrangements for X-ray tubes with more than one anode; Circuit arrangements for apparatus comprising more than one X ray tube or more than one cathode
    • HELECTRICITY
    • H05ELECTRIC TECHNIQUES NOT OTHERWISE PROVIDED FOR
    • H05GX-RAY TECHNIQUE
    • H05G1/00X-ray apparatus involving X-ray tubes; Circuits therefor
    • H05G1/08Electrical details
    • H05G1/26Measuring, controlling or protecting
    • H05G1/30Controlling
    • H05G1/34Anode current, heater current or heater voltage of X-ray tube

Definitions

  • the invention relates to a method for operating an x-ray system with an x-ray generator for a plurality of x-ray tubes with a device for setting a quiescent heating current for a filament of an x-ray tube in recording breaks and with a high-voltage generator, and to an x-ray generator which is intended for this method.
  • the preparation of a recording is usually preceded by a preparatory phase in which the temperature of the cathode filament is brought to the value required for the recording, but in which the tube voltage is not yet switched on, so that no radiation is generated yet.
  • This preparation phase can be shortened by overheating (boosting) the filament, but not significantly if the danger of the filament burning through is to be avoided.
  • it is therefore known to feed a quiescent heating current into the filament of the x-ray tube to be used for a later recording during the breaks in operation ("stand-by"). This increases the filament temperature and thus the ohmic resistance of the filament, so that the final temperature of the filament can be reached much faster in a subsequent preparation phase.
  • the quiescent heating current is generally selected so that it has just the right value for the filaments with the highest resistance value. This means that when connecting X-ray tubes with low-resistance filaments, relatively long preparation times are required in order to achieve the desired thread temperature for the recording case.
  • the object of the present invention is to design a method of the type mentioned in the introduction such that the final temperature of the filament can be reached more quickly in the preparation phase and to provide an X-ray generator for carrying out this method.
  • the X-ray generator for carrying out this method which is provided with a tube selector for selecting an X-ray tube, a focus selector and with a heating current actuator for setting the heating current to which a stored heating current is applied, is characterized in that a non-volatile digital memory arrangement is provided with Several Zetlen is provided for different quiescent heating current values, and that the tube selection device is coupled with a device for addressing and calling up the memory arrangement so that for each tube heating filament selected by the tube selection device and the focus selector, a particular memory cell is called up and its content is applied to a heating current actuator becomes.
  • the X-ray generator according to the invention has a high-voltage generator 1, to which one of several - in the exemplary embodiment three - X-ray tubes 14, 15, 16 can be connected via a high-voltage switch 2.
  • Each of the X-ray tubes has two filaments 4, 4 ', 5, 5', 6, 6 '.
  • the high-voltage generator therefore comprises, in addition to a high-voltage transformer for generating the tube voltage, two heating current transformers, the primary windings of which can be switched in a known manner by focus selectors and the secondary windings of which supply the heating currents for the filaments of an X-ray tube.
  • the heating current transformers can be part of a heating current control circuit 3, which consists of a comparison element 31, which compares the actual value of the heating current with a desired value, and a control amplifier 32, which amplifies the control deviation and feeds it to the connected heating current transformer, so that the The actual value of the heating current largely corresponds to its setpoint.
  • the setpoint of the heating current is supplied by a digital-to-analog converter 7, which is connected to an intermediate store 8, which in turn is coupled to a store 9 designed as a read-only memory (PROM) via a changeover switch 10.
  • the read-only memory 9 contains a first memory area 91, in which heating current values are stored, as is known per se from DE-A-27 03 420, and a second memory area with memory cells 94, 95 and 96, in which the quiescent heating current values for the three X-ray tubes 4 , 5 and 6 (two quiescent heating current values for each X-ray tube) are stored.
  • the changeover switch 10 and the high-voltage changeover switch 2 used for the selection of the x-ray tube and the focus selector are coupled to one another via a control unit, so that the memory cells 94 for the x-ray tube 4, the memory cells 95 for the x-ray tube 5 and the memory cells for the x-ray tube 6 96 take effect, in which the quiescent heating current values measured as described above are stored for each filament. This ensures that at the beginning of the preparation time the filament has such a temperature that only a relatively short period of time is required to reach the final temperature. If the preparation phase is then initiated - which is also signaled to the control unit 11 via the input 12 - there is a switchover to the memory area 91, in which the heating current required for a recording is stored for the X-ray tube in question.
  • the control unit 11 is preferably implemented with the aid of a microcomputer, and the read-only memory 9 is accessed using a bus line which connects the microcomputer with the read-only memory 9 and the buffer memory 8.
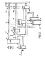
  • the control unit 11 and the memory 9 are shown in more detail in FIG. 2.
  • the controller 11 includes a microprocessor 20 (Intel 8086), a clock generator 21 (8284A), an interrupt control circuit 22 (8259A), an eight-way latch 23 (8282) and some other circuitry to be described later.
  • the microprocessor 20 comprises an address / data bus 24 which connects the catch flip-flop 23, the memory 9 '(2732, 2118) and the interrupt control circuit 22 to one another.
  • An address generated by the microprocessor 20 is temporarily stored in the buffer memory 23 when a key signal occurs, which is fed to the key input STB of this circuit from the microprocessor 20 via a control line of the bus 25.
  • the address can be given on the address bus 26 by an output enable signal which is received by the circuit 23 via the control bus 25.
  • the signals on the control bus 25 or the address bus 26 are applied to a system bus 27 via driver circuits 28a and 28c (74LS244).
  • the memory 9 ' is with the data bus 24 and
  • the read-only memory 9 or a read-write memory 9a is activated via a memory decoder 29 (N82S137).
  • the memory decoder 29 receives an address or part thereof from the latch 23 and also a further control signal which indicates whether an input signal is received or an output signal on the system bus 27 via a bidirectional bus driver 28d ( 8286) is to be delivered.
  • the quiescent current operation of the x-ray generator is initiated by a signal at the interrupt input 12 which, via the interrupt control circuit 22, activates the microprocessor, which at this moment could be in a waiting routine (step 4-0 of the flow chart of FIG. 4).
  • the microprocessor 20 reads the number i assigned to the selected x-ray tube and the selected filament of this x-ray tube by giving the assigned address via the catch memory and the bus driver circuit 28 to the system bus 27 and the data via the driver circuit 28d record (step 4-1).
  • the position of the switch 2 is queried via an input multiplex circuit 40 (HEF-4512B), which receives the address of an input to be queried via a bus 41 and an output signal (“HIGH •) the output line 42 provides when said input is connected to + V via the switch 2 '.
  • the switch 2 ' is mechanically connected to the switch 2, the position of which is to be queried.
  • the microprocessor 20 selects the address (ADR (i)) of the quiescent heating current value table which is stored in the memory 9. The microprocessor 20 then checks which filament has been selected (large focus (LF) for large tube current, small focus for small tube current - step 4-3). If the large focus is used, the tube number i is increased by a fixed value C (step 4-4). If the small focus is used, step 4-4 is skipped. The address generated in this way is temporarily stored in the buffer memory 23 and the quiescent heating current value can be read out from the memory 9 (step 4-5). As can be seen from this, the switch 10 (FIG. 1) is formed by the catch memory 23 and the decoder 29, respectively.
  • the quiescent heating current value is fed via the driver circuit 28d and the system bus 27 into the buffer memory 8 (4516 - see FIG. 3) and temporarily stored therein, the inputs of which are connected to the system bus 27 are connected.
  • the outputs of the buffer 8 are connected to the digital-to-analog converter 7, the output of which is connected to the quiescent heating current control circuit 3.
  • the x-ray generator then enters the preparation phase (step 4-7).
  • the quiescent heating current values can be assigned individually to a tube Memory cells (94 ... 96) can be programmed, extensions being possible by adding storage units, or they can be programmed in collective memories which are created for all tube types which can be connected to the generator, the call being made by programming the control unit or the microcomputer the stored values and their assignment to the connected X-ray tubes.

Landscapes

  • Health & Medical Sciences (AREA)
  • General Health & Medical Sciences (AREA)
  • Toxicology (AREA)
  • X-Ray Techniques (AREA)
EP82200653A 1981-06-04 1982-05-28 Verfahren zum Betrieb eines Röntgenstrahlengenerators und Röntgenstrahlengenerator zur Durchführung dieses Verfahrens Expired EP0066928B1 (de)

Applications Claiming Priority (2)

Application Number Priority Date Filing Date Title
DE19813122185 DE3122185A1 (de) 1981-06-04 1981-06-04 Verfahren zum betrieb eines roentgengenerators und roentgengenerator zur durchfuehrung dieses verfahrens
DE3122185 1981-06-04

Publications (2)

Publication Number Publication Date
EP0066928A1 EP0066928A1 (de) 1982-12-15
EP0066928B1 true EP0066928B1 (de) 1985-09-18

Family

ID=6133892

Family Applications (1)

Application Number Title Priority Date Filing Date
EP82200653A Expired EP0066928B1 (de) 1981-06-04 1982-05-28 Verfahren zum Betrieb eines Röntgenstrahlengenerators und Röntgenstrahlengenerator zur Durchführung dieses Verfahrens

Country Status (4)

Country Link
EP (1) EP0066928B1 (enExample)
JP (1) JPS57210600A (enExample)
CA (1) CA1193751A (enExample)
DE (2) DE3122185A1 (enExample)

Families Citing this family (4)

* Cited by examiner, † Cited by third party
Publication number Priority date Publication date Assignee Title
FR2598583A1 (fr) * 1986-05-06 1987-11-13 Thomson Cgr Installation de radiologie a reseau de communication
DE3741109A1 (de) * 1987-12-04 1989-06-15 Thomson Cgr Roentgendiagnostikapparat
DE4416556A1 (de) * 1994-05-11 1995-11-16 Philips Patentverwaltung Röntgengenerator
CN105769232B (zh) 2016-02-22 2018-01-12 上海联影医疗科技有限公司 Ct设备的x射线管灯丝预热方法和预热电路

Family Cites Families (10)

* Cited by examiner, † Cited by third party
Publication number Priority date Publication date Assignee Title
GB829521A (en) * 1958-04-11 1960-03-02 Picker X Ray Corp Waite Mfg Improvements relating to x-ray apparatus
JPS4310518Y1 (enExample) * 1965-07-31 1968-05-08
JPS4510429Y1 (enExample) * 1967-02-20 1970-05-13
JPS5621385Y2 (enExample) * 1973-05-29 1981-05-20
DE2539898C2 (de) * 1975-09-08 1982-06-03 Siemens AG, 1000 Berlin und 8000 München Röntgendiagnostikapparat mit einem Stellmittel für den Röntgenröhrenheizstrom enthaltenden Regelkreis für einen vom Röntgenröhrenstrom abhängigen Aufnahme-Parameter
DE2542016A1 (de) * 1975-09-20 1977-03-24 Philips Patentverwaltung Schaltungsanordnung zur einstellung des aufnahmestroms einer roentgenroehre
DE2703420C2 (de) * 1977-01-28 1985-11-21 Philips Patentverwaltung Gmbh, 2000 Hamburg Verfahren zum Einstellen des durch eine Röntgenröhre fließenden Röhrenstromes und Schaltungsanordnung zur Durchführung des Verfahrens
JPS5424587A (en) * 1977-07-27 1979-02-23 Toshiba Corp X-ray unit
EP0025688A3 (en) * 1979-09-13 1981-05-27 Pfizer Inc. Process for rapidly achieving stabilized X-ray emission from an X-ray tube
JPS6459720A (en) * 1987-08-28 1989-03-07 Mitsubishi Metal Corp Manufacture of superconductive ceramic processing material

Also Published As

Publication number Publication date
CA1193751A (en) 1985-09-17
EP0066928A1 (de) 1982-12-15
DE3122185A1 (de) 1982-12-30
JPH0159720B2 (enExample) 1989-12-19
DE3266339D1 (en) 1985-10-24
JPS57210600A (en) 1982-12-24

Similar Documents

Publication Publication Date Title
DE3126363C2 (de) Steuerschaltung mit direktem Speicherzugriff und Verfahren zur Steuerung für die Übertragung von Datenwörtern
EP0038947A2 (de) Programmierbare logische Anordnung
DE2458525C3 (de) Speicheranordnung mit Haupt- und Pufferspeicher
EP0066928B1 (de) Verfahren zum Betrieb eines Röntgenstrahlengenerators und Röntgenstrahlengenerator zur Durchführung dieses Verfahrens
DE2951040C2 (enExample)
DE69507193T2 (de) Punktschweissvorrichtung
EP0036181B1 (de) Röntgendiagnostikanlage mit einer Bildverstärker-Fernsehkette
DE1690317C3 (de) Schaltungsanordnung zur Befeuchtungsregelung
DE1285218B (de) Datenverarbeitungsanlage
EP0682466B1 (de) Röntgenanlage
DE2542016A1 (de) Schaltungsanordnung zur einstellung des aufnahmestroms einer roentgenroehre
DE2030370B2 (de) Dateneingabeanordnung
DE2759120A1 (de) Prozessor fuer datenverarbeitungssysteme
EP0064312B1 (de) Röntgengenerator zur Durchführung von aus einer Folge von Aufnahmeschritten bestehenden Aufnahmeverfahren
DE3743438A1 (de) Verfahren und einrichtung zum steuern des uebergangs eines endlichen automaten von einem momentanzustand in einen folgezustand
DE2734040A1 (de) Roentgendiagnostikgenerator fuer mehrere roentgenuntersuchungsgeraete
DE2744252C2 (enExample)
AT403220B (de) Datenverarbeitungssystem
DE2650872A1 (de) Roentgengenerator fuer ein schichtaufnahmegeraet
DE1690315C3 (de) Beleuchtungsregeleinrichtung zur Regelung der Helligkeit mehrerer Lampengruppen
DE2805773A1 (de) Vorrichtung zum zeitabhaengigen steuern eines klimaregelungssystemes fuer ein unterbrechend angewendetes gebaeude
DE2808288A1 (de) Roentgendiagnostikeinrichtung fuer roentgenologische aufnahmen
DE3851210T2 (de) Datenbussteuerung von ROM-Einheiten in einer Informationsverarbeitungsanordnung.
DE3439398C2 (enExample)
DE2836873C2 (de) Speichersystem mit wahlfreiem Zugriff

Legal Events

Date Code Title Description
PUAI Public reference made under article 153(3) epc to a published international application that has entered the european phase

Free format text: ORIGINAL CODE: 0009012

AK Designated contracting states

Designated state(s): DE FR GB NL SE

17P Request for examination filed

Effective date: 19820528

GRAA (expected) grant

Free format text: ORIGINAL CODE: 0009210

STAA Information on the status of an ep patent application or granted ep patent

Free format text: STATUS: THE PATENT HAS BEEN GRANTED

AK Designated contracting states

Designated state(s): DE FR GB NL SE

PG25 Lapsed in a contracting state [announced via postgrant information from national office to epo]

Ref country code: NL

Effective date: 19850918

PG25 Lapsed in a contracting state [announced via postgrant information from national office to epo]

Ref country code: SE

Effective date: 19850930

REF Corresponds to:

Ref document number: 3266339

Country of ref document: DE

Date of ref document: 19851024

ET Fr: translation filed
NLV1 Nl: lapsed or annulled due to failure to fulfill the requirements of art. 29p and 29m of the patents act
PLBI Opposition filed

Free format text: ORIGINAL CODE: 0009260

26 Opposition filed

Opponent name: KOCH UND STERZEL GMBH & CO

Effective date: 19860614

PLBG Opposition deemed not to have been filed

Free format text: ORIGINAL CODE: 0009274

26D Opposition deemed not to have been filed

Opponent name: KOCH UND STERZEL GMBH & CO

Effective date: 19861030

RAP2 Party data changed (patent owner data changed or rights of a patent transferred)

Owner name: N.V. PHILIPS' GLOEILAMPENFABRIEKEN

Owner name: PHILIPS PATENTVERWALTUNG GMBH

REG Reference to a national code

Ref country code: FR

Ref legal event code: CD

PGFP Annual fee paid to national office [announced via postgrant information from national office to epo]

Ref country code: GB

Payment date: 19960430

Year of fee payment: 15

PGFP Annual fee paid to national office [announced via postgrant information from national office to epo]

Ref country code: FR

Payment date: 19960530

Year of fee payment: 15

PG25 Lapsed in a contracting state [announced via postgrant information from national office to epo]

Ref country code: GB

Effective date: 19970528

GBPC Gb: european patent ceased through non-payment of renewal fee

Effective date: 19970528

PG25 Lapsed in a contracting state [announced via postgrant information from national office to epo]

Ref country code: FR

Free format text: LAPSE BECAUSE OF NON-PAYMENT OF DUE FEES

Effective date: 19980130

REG Reference to a national code

Ref country code: FR

Ref legal event code: ST

RAP4 Party data changed (patent owner data changed or rights of a patent transferred)

Owner name: KONINKLIJKE PHILIPS ELECTRONICS N.V.

Owner name: PHILIPS PATENTVERWALTUNG GMBH

PGFP Annual fee paid to national office [announced via postgrant information from national office to epo]

Ref country code: DE

Payment date: 19991103

Year of fee payment: 18

RAP4 Party data changed (patent owner data changed or rights of a patent transferred)

Owner name: KONINKLIJKE PHILIPS ELECTRONICS N.V.

Owner name: PHILIPS CORPORATE INTELLECTUAL PROPERTY GMBH

PG25 Lapsed in a contracting state [announced via postgrant information from national office to epo]

Ref country code: DE

Free format text: LAPSE BECAUSE OF NON-PAYMENT OF DUE FEES

Effective date: 20010301

RAP2 Party data changed (patent owner data changed or rights of a patent transferred)

Owner name: KONINKLIJKE PHILIPS ELECTRONICS N.V.

Owner name: PHILIPS CORPORATE INTELLECTUAL PROPERTY GMBH

RAP2 Party data changed (patent owner data changed or rights of a patent transferred)

Owner name: KONINKLIJKE PHILIPS ELECTRONICS N.V.

Owner name: PHILIPS INTELLECTUAL PROPERTY & STANDARDS GMBH

RIN2 Information on inventor provided after grant (corrected)

Inventor name: OCHMANN, RUDOLF

Inventor name: VON HACHT, REINHARD

Inventor name: BRENDLER, JOACHIM

RAP2 Party data changed (patent owner data changed or rights of a patent transferred)

Owner name: PHILIPS INTELLECTUAL PROPERTY & STANDARDS GMBH

Owner name: KONINKLIJKE PHILIPS N.V.

RAP2 Party data changed (patent owner data changed or rights of a patent transferred)

Owner name: KONINKLIJKE PHILIPS N.V.

Owner name: PHILIPS INTELLECTUAL PROPERTY & STANDARDS GMBH