WO2012169141A1 - X-ray emitting target and x-ray emitting device - Google Patents

X-ray emitting target and x-ray emitting device Download PDF

Info

Publication number
WO2012169141A1
WO2012169141A1 PCT/JP2012/003474 JP2012003474W WO2012169141A1 WO 2012169141 A1 WO2012169141 A1 WO 2012169141A1 JP 2012003474 W JP2012003474 W JP 2012003474W WO 2012169141 A1 WO2012169141 A1 WO 2012169141A1
Authority
WO
WIPO (PCT)
Prior art keywords
layer
target
ray emitting
metal
diamond substrate
Prior art date
Legal status (The legal status is an assumption and is not a legal conclusion. Google has not performed a legal analysis and makes no representation as to the accuracy of the status listed.)
Ceased
Application number
PCT/JP2012/003474
Other languages
English (en)
French (fr)
Inventor
Takao Ogura
Yasue Sato
Nobuhiro Ito
Current Assignee (The listed assignees may be inaccurate. Google has not performed a legal analysis and makes no representation or warranty as to the accuracy of the list.)
Canon Inc
Original Assignee
Canon Inc
Priority date (The priority date is an assumption and is not a legal conclusion. Google has not performed a legal analysis and makes no representation as to the accuracy of the date listed.)
Filing date
Publication date
Application filed by Canon Inc filed Critical Canon Inc
Priority to US14/124,216 priority Critical patent/US9281158B2/en
Publication of WO2012169141A1 publication Critical patent/WO2012169141A1/en
Anticipated expiration legal-status Critical
Ceased legal-status Critical Current

Links

Images

Classifications

    • HELECTRICITY
    • H01ELECTRIC ELEMENTS
    • H01JELECTRIC DISCHARGE TUBES OR DISCHARGE LAMPS
    • H01J35/00X-ray tubes
    • H01J35/02Details
    • H01J35/04Electrodes ; Mutual position thereof; Constructional adaptations therefor
    • H01J35/08Anodes; Anti cathodes
    • H01J35/12Cooling non-rotary anodes
    • HELECTRICITY
    • H01ELECTRIC ELEMENTS
    • H01JELECTRIC DISCHARGE TUBES OR DISCHARGE LAMPS
    • H01J35/00X-ray tubes
    • H01J35/02Details
    • H01J35/16Vessels; Containers; Shields associated therewith
    • HELECTRICITY
    • H01ELECTRIC ELEMENTS
    • H01JELECTRIC DISCHARGE TUBES OR DISCHARGE LAMPS
    • H01J35/00X-ray tubes
    • H01J35/02Details
    • H01J35/16Vessels; Containers; Shields associated therewith
    • H01J35/18Windows
    • HELECTRICITY
    • H01ELECTRIC ELEMENTS
    • H01JELECTRIC DISCHARGE TUBES OR DISCHARGE LAMPS
    • H01J2235/00X-ray tubes
    • H01J2235/08Targets (anodes) and X-ray converters
    • H01J2235/081Target material
    • HELECTRICITY
    • H01ELECTRIC ELEMENTS
    • H01JELECTRIC DISCHARGE TUBES OR DISCHARGE LAMPS
    • H01J2235/00X-ray tubes
    • H01J2235/08Targets (anodes) and X-ray converters
    • H01J2235/083Bonding or fixing with the support or substrate
    • H01J2235/084Target-substrate interlayers or structures, e.g. to control or prevent diffusion or improve adhesion
    • HELECTRICITY
    • H01ELECTRIC ELEMENTS
    • H01JELECTRIC DISCHARGE TUBES OR DISCHARGE LAMPS
    • H01J2235/00X-ray tubes
    • H01J2235/12Cooling
    • H01J2235/1225Cooling characterised by method
    • H01J2235/1291Thermal conductivity
    • HELECTRICITY
    • H01ELECTRIC ELEMENTS
    • H01JELECTRIC DISCHARGE TUBES OR DISCHARGE LAMPS
    • H01J2235/00X-ray tubes
    • H01J2235/16Vessels
    • HELECTRICITY
    • H01ELECTRIC ELEMENTS
    • H01JELECTRIC DISCHARGE TUBES OR DISCHARGE LAMPS
    • H01J35/00X-ray tubes
    • H01J35/02Details
    • H01J35/04Electrodes ; Mutual position thereof; Constructional adaptations therefor
    • H01J35/08Anodes; Anti cathodes
    • H01J35/112Non-rotating anodes
    • H01J35/116Transmissive anodes
    • HELECTRICITY
    • H01ELECTRIC ELEMENTS
    • H01JELECTRIC DISCHARGE TUBES OR DISCHARGE LAMPS
    • H01J35/00X-ray tubes
    • H01J35/02Details
    • H01J35/16Vessels; Containers; Shields associated therewith
    • H01J35/18Windows
    • H01J35/186Windows used as targets or X-ray converters
    • HELECTRICITY
    • H05ELECTRIC TECHNIQUES NOT OTHERWISE PROVIDED FOR
    • H05GX-RAY TECHNIQUE
    • H05G1/00X-ray apparatus involving X-ray tubes; Circuits therefor
    • H05G1/02Constructional details
    • H05G1/04Mounting the X-ray tube within a closed housing
    • H05G1/06X-ray tube and at least part of the power supply apparatus being mounted within the same housing

Definitions

  • the present invention relates to an X-ray emitting target and an X-ray emitting device, in particular to a transmission type X-ray emitting target and an X-ray emitting device using the transmission type X-ray emitting target, which can be applied to diagnostic application and non-destructive X-ray imaging in the medical equipment field and the industrial equipment field.
  • a transmission type target is publicly known.
  • an electron emission source and an extraction window can be arranged on a straight line, so that the transmission type target is expected to be applied to a small-sized X-ray emitting device.
  • PTL 1 discloses that when a tungsten anode is formed on a diamond substrate, an adhesion promoting layer is disposed as an intermediate layer between the anode and the diamond substrate.
  • PTL 2 discloses that when a tungsten anode is formed on a beryllium substrate, an intermediate layer of copper, chromium, iron, titanium, or the like is disposed between the anode and the beryllium substrate in order to prevent peeling due to stress caused by the difference between the linear expansion coefficients.
  • high thermal conductivity low density
  • low thermal conductivity low density
  • low thermal conductivity low density
  • laambda 1E3 to 2E3 W/mK
  • thermostability melting point is 3550 degrees Celsius.
  • variation (output variation) of emission intensity of X-rays emitted from the target may occur. It is important to suppress the output variation and perform stable and high output operation in order to enhance sensitivity and performance of an X-ray analysis system that uses an X-ray target.
  • a first X-ray emitting target of the present invention includes a diamond substrate, a first layer disposed on the diamond substrate and including a first metal, and a second layer disposed on the first layer and including a second metal whose atomic number is 42 or more and which has a thermal conductivity higher than that of the first metal. Carbide of the first metal is present at a boundary between the diamond substrate and the first layer.
  • a second X-ray emitting target of the present invention includes a diamond substrate, a first layer disposed on the diamond substrate and including a first metal where a standard free energy of formation of carbide in a temperature range from 500 degrees Celsius to 1500 degrees Celsius is negative, and a second layer disposed on the first layer and including a second metal whose atomic number is 42 or more and which has a thermal conductivity higher than that of the first metal.
  • an X-ray emitting target and an X-ray emitting device which have excellent heat transfer characteristics between the diamond substrate and the target layer (anode), suppresses output variation due to rising temperature of the target layer, and have stable and high output X-ray emission characteristics.
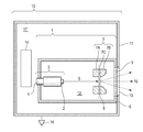
  • Fig. 1 is a cross-sectional view of an X-ray emitting device according to the present invention.
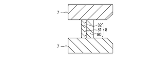
  • Fig. 2 is a cross-sectional view of an X-ray emitting target according to the present invention.
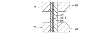
  • Fig. 3A is a cross-sectional view of another X-ray emitting target according to the present invention.
  • Fig. 3B is a cross-sectional view of another X-ray emitting target according to the present invention.
  • Fig. 3C is a cross-sectional view of another X-ray emitting target according to the present invention.
  • Fig. 3D is a cross-sectional view of another X-ray emitting target according to the present invention.
  • Fig. 1 is a cross-sectional view of an X-ray emitting device according to the present invention.
  • Fig. 2 is a cross-sectional view of an X-ray emitting target according to the present invention.
  • Fig. 3A is a cross-sectional view of another X-
  • FIG. 4A is a cross-sectional view of an X-ray emitting unit according to the present invention.
  • Fig. 4B is a cross-sectional view of an X-ray emitting unit according to the present invention.
  • Fig. 4C is a cross-sectional view of an X-ray emitting unit according to the present invention.
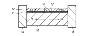
  • Fig. 5A is an illustration for explaining a heat transfer path of the X-ray emitting target according to the present invention.
  • Fig. 5B is an illustration for explaining a heat transfer path of the X-ray emitting target according to the present invention.
  • Fig. 6 is a block diagram of an experimental device according to the present invention.
  • the X-ray emitting device 13 includes a housing 11 having an emission window 10, an X-ray emission source 1, and a drive circuit 14.
  • the X-ray emission source 1 includes an envelope 6 having an X-ray transmission window 9.
  • the inside of the envelope 6 is a decompressed (vacuumed) internal space 12.
  • the internal space 12 may have a degree of vacuum at which an electron can fly at least a distance between an electron emission source 3 described later and an X-ray emitting target 8 (hereinafter abbreviated to a target) as an electron mean free path.
  • the degree of vacuum may be 1E-4 Pa or less.
  • the degree of vacuum can be arbitrarily selected considering an electron emission source to be used, an operating temperature, and the like.
  • the degree of vacuum When a cold cathode electron emission source is used, it is more preferable to set the degree of vacuum to 1E-6 Pa or less. In order to maintain the degree of vacuum, it is possible to install a getter (not shown in Fig. 1) in the internal space 12 or in an auxiliary space (not shown in Fig. 1) connected to the internal space 12.
  • the electron emission source 3 disposed in the envelope 6 may be an electron emission source whose emission amount of electrons can be controlled from outside the envelope 6.
  • a hot cathode electron emission source or a cold cathode electron emission source can be arbitrarily used as the electron emission source 3.
  • the electron emission source 3 is electrically connected to the drive circuit 14 installed outside the envelope 6 so that the amount of emission electrons and an on/off state of electron emission can be controlled via a current introduction terminal 4 disposed to penetrate the envelope 6.
  • the electron emission source 3 includes an electron emission unit 2.
  • the electrons emitted from the electron emission unit 2 become an electron beam 5 having energy of 100 keV to 200 keV by an extraction grid and an acceleration electrode (not shown in Fig. 1) and can enter the target 8 disposed to face the electron emission unit 2.
  • the extraction grid and the acceleration electrode can be embedded in an electron gun tube of a hot cathode. It is possible to dispose a correction electrode for adjusting an irradiation spot position of the electron beam and astigmatism of the electron beam in the electron emission source 3 and connect the correction electrode to a correction circuit (not shown in Fig. 1) disposed inside or outside the housing 11.
  • the housing 11 is desired to be set to a predetermined potential and the housing 11 can be grounded via a grounding terminal 16.
  • the target 8 is disposed in a vacuum atmosphere in the envelope 6 and disposed at a position where the electron beam 5 from the electron emission source 3 can enter one surface of the target 8.
  • the target 8 is formed by a target material including heavy elements. X-rays are generated in a process in which electrons of the incident electron beam lose kinetic energy in the target material. Specifically, an area of "electron penetration length multiplied by electron beam spot" in the target material is the X-ray generation area and X-rays are emitted in all directions from the X-ray generation area.
  • an X-ray component of the generated X-rays which is emitted from the reverse surface of the electron incident surface, is used.
  • the target 8 is fixed to a target holding unit 7.
  • the electron emission source 3, the target 8, and an emitted X-ray extraction section (the transmission window 9 and the emission window 10) are arranged so that the centers of these are aligned on the same straight line.
  • the target holding unit 7 can double as an electrical connection mechanism for setting the target to a predetermined potential so that the accelerated electron beam 5 enters the target 8. Therefore, the target holding unit 7 is desired to be formed of a material having heat resistance for maintaining stable positioning performance and electrical conductivity for maintaining electrical connection performance even when the temperature of the target portion varies.
  • the target holding unit 7 can include an aperture mechanism, that is, an X-ray shielding function, which defines an externally extracted component 15 of the emitted X-rays.
  • the target holding unit 7 is further desired to have heat resistance, electrical conductivity, and high specific gravity for shielding the X-rays.
  • heavy metals such as molybdenum, tantalum, and tungsten, that is, metals of atomic number of 30 or more, can be used for the target holding unit 7.
  • the target holding unit 7 has a target holding surface 7C that defines the position of the target 8 and a relative angle to the electron emission source. Further, the target holding unit 7 has a portion protruding from the target holding surface 7C toward the electron emission source 3 and this portion is referred to as a rear target holding unit 7A. Further, the target holding unit 7 has a portion protruding from the target holding surface 7C toward the emission window 10 and this portion is referred to as a front target holding unit 7B.
  • the rear target holding unit 7A is formed of a high specific gravity material, it is possible to limit the emission range of reflection electrons generated in the target 8 and X-rays emitted toward the electron emission source 3.
  • the front target holding unit 7B is formed of a high specific gravity material, it is possible to limit the emission range of X-rays generated in the target 8 and emitted toward the X-ray transmission window 9.
  • a case in which a high specific gravity material is provided to the housing 11 and the envelope 6 which are located apart from the target 8 and whose heights are high a case in which a high specific gravity material is provided to the target holding unit 7B which is located nearer the target 8 has an effect for suppressing increase in the weight of the entire X-ray emitting device and has an advantage in weight saving.
  • the target 8 will be described in more detail with reference to Fig. 2.
  • the target 8 includes a diamond substrate 80, a first layer 81 including a metal where the standard free energy of formation of carbide in a temperature range from 500 degrees Celsius to 1500 degrees Celsius is negative, and a second layer 82 including a metal whose atomic number is 42 or more, which are laminated in this order.
  • the diamond substrate 80 includes at least a surface (inner surface) to which the first layer 81 and the second layer 82 are provided, a surface (outer surface) which is the reverse surface of the inner surface and from which the X-rays are extracted, and side surfaces for connecting to the target holding unit 7.
  • the thickness (the distance between the inner surface and the outer surface) of the diamond substrate 80 is desired to be substantially constant within the surfaces in order to uniformize the transmittance distribution of the X-rays.
  • the diamond substrate 80 can have a cylindrical shape (disk shape) or a flat plate shape. It is possible to determine the upper limit of the thickness of the diamond substrate 80 from the viewpoint of the transmittance of the X-rays and determine the lower limit of the diamond substrate 80 from the viewpoint of the heat transfer properties and the strength.
  • the diamond substrate 80 having a thickness from 50 micrometer to 2000 micrometer can be used. More preferably, the diamond substrate 80 having a thickness from 350 micrometer to 1200 micrometer can be used.
  • the diamond substrate 80 may be any of a single crystal body, a polycrystalline body, and an amorphous body such as a diamond-like carbon (DLC), the diamond substrate 80 is desired to be a single crystal body from the viewpoint of thermal conductivity.
  • a method for manufacturing the diamond substrate 80 can be any of a chemical vapor deposition (CVD) method, a sintered body formation method, and a high pressure synthesis method in which the diamond substrate 80 is synthesized using a seed crystal, a carbon raw material, and a catalytic metal under high pressure.
  • the method is not particularly limited, the high pressure synthesis method is desired to be used from the viewpoint of securing the thickness, the thermophysical property, and the degree of purity.
  • the second layer 82 As a second metal included in the second layer 82, a material having high specific gravity is used to efficiently convert incident electrons into X-rays.
  • the second layer 82 includes a metal whose atomic number is 42 or more.
  • tungsten, ruthenium, platinum, iridium, and tantalum can be used.
  • An area where electrons are converted into X-rays is also an area where heat is generated and a local heat generation spot occurs in a range of the electron penetration length in the layer thickness direction.
  • the second layer 82 formed of a material having high thermal conductivity has an advantage in heat transfer properties to the target holding unit 7 which is colder than the heat generating portion, so that it is possible to alleviate overheating of an electron irradiation spot 53.
  • the tungsten has a high melting point of 3380 degrees Celsius and the tungsten is a material having high thermal conductivity larger than 100 W/mK in a wide temperature range, so that the tungsten is one of more desired materials.
  • the film thickness of the second layer 82 can be selected from the viewpoint of the amount of generation, the amount of attenuation, and the radiation quality of the X-rays, the acceleration voltage of the electrons, and the heat transfer to the target holding unit.
  • the thickness can be selected from a range between 1 micrometer and 15 micrometer.
  • the film thickness of the second layer 82 can be larger than the electron penetration length.
  • the film thickness of the second layer 82 can be smaller than the electron penetration length.
  • a method for forming the second layer 82 is not limited to a specific method if the adhesion to the diamond substrate and the first layer is secured. Sputtering, CVD, vapor deposition, and the like can be used as the method for forming the second layer 82.
  • the first layer 81 will be described.
  • Diamond is excellent as the diamond substrate and the transmission window of the X-rays from the viewpoint of high thermal conductivity, high thermostability, and low specific gravity.
  • the affinity between diamond and various metal materials having a high specific gravity which can be applied to the target material is low, so that there is an adhesion problem that a film is peeled when a film of the target metal (the second layer 82) is formed and when an X-ray emitting operation is performed.
  • the first layer 81 is disposed between the diamond substrate 80 and the second layer 82 as an adhesion layer in order to improve the adhesion problem.
  • the first layer 81 includes a first metal that forms a carbide with diamond, so that the first layer 81 can secure the adhesion to the diamond layer.
  • the first layer 81 is formed of a material where the standard free energy of formation of carbide is negative.
  • the standard free energy of formation of carbide is a free energy change when the carbide is generated from a single body (metal).
  • the standard free energy of formation of carbide generally has temperature characteristic.
  • the temperature range concerning the standard free energy of formation of carbide in the present invention is 500 degrees Celsius to 1500 degrees Celsius considering the operating temperature of the target and the melting point of the metal included in the second layer.
  • the standard free energy of formation of the carbide in the first layer of the present invention is preferred to be negative because it is possible to obtain an anchoring effect between the first layer 81 and the diamond substrate 80. It is more preferable that the standard free energy of formation of the carbide in the first layer of the present invention is 40 kJ/mol degree Celsius or less because when the standard free energy of formation of the carbide is 40 kJ/mol degree Celsius or less, it is possible to obtain a sufficient anchoring effect between the first layer 81 and the diamond substrate 80 even when the layer thickness of the first layer 81 is thin. Further, it is more preferable that the metal included in the second layer and the metal included in the first layer form a solid solution because a high affinity between the first layer 81 and the second layer 82 can be used. From the same viewpoint, it is more preferable that the metal included in the second layer and the metal included in the first layer are in a relationship of complete solid solution.
  • the second layer 82 is formed of tungsten
  • titanium, vanadium, tantalum, or chromium is applied as the first layer 81
  • metallic elements included in the second layer 82 and metallic elements included in the first layer 81 can form a solid solution at an arbitrary composition ratio.
  • a continuous metal density distribution is formed on an interface between the layers formed of materials that can form a solid solution at an arbitrary composition ratio, so that the two layers can be firmly and closely adhered to each other at the interface thereof.
  • an embodiment of the present invention includes that the metal elements included in the first layer 81 satisfy that the standard free energy of formation of carbide in the temperature range between 500 degrees Celsius and 1500 degrees Celsius is negative, so that it is possible to secure the adhesion between the first layer 81 and the diamond substrate 80.
  • titanium, vanadium, tantalum, or chromium is applied as the first layer 81, so that the metal elements included in the first layer 81 satisfy that the standard free energy of formation of carbide in the temperature range between 500 degrees Celsius and 1500 degrees Celsius is 40 kJ/mol degree Celsius or less and it is possible to further secure the adhesion between the first layer 81 and the diamond substrate 80.
  • first layer 81 titanium or tantalum is applied as the first layer 81, so that the metal elements satisfy that the standard free energy of formation of carbide is 100 kJ/mol degree Celsius or less and it is possible to further more secure the adhesion between the first layer 81 and the diamond substrate 80.
  • a method for forming the first layer 81 is not limited to a specific method if the adhesion to the diamond substrate 80 and the second layer 82 is secured.
  • Various film forming methods such as Sputtering, CVD, and vapor deposition can be used as the method for forming the first layer 81.
  • the first metals included in the first layer 81 are excellent in adhesion as described above, as shown in Table 1, the thermal conductivity of these metals is not necessarily higher than that of tungsten suitable for the second layer 82.
  • Figs. 5A and 5B are illustrations for explaining a heat transfer path.
  • Fig. 5A is a top view and Fig. 5B is a cross-sectional view corresponding to the top view.
  • a first layer 51 having a layer thickness t 1 and a second layer 52 having a layer thickness t 2 are laminated on a diamond substrate 50 having a thickness t 0 and a disk shape of radius r 2 so that each layer covers the layer below including the circumferential portion thereof.
  • the laminated target is fixed by a target holding unit 54 at the circumferential portion of each layer.
  • a high temperature portion corresponding to the electron irradiation spot in the second layer is shown as a heating portion 53 of the first layer.
  • the heating portion 53 is shown as a circle of radius r 1 which is concentric with the outer circumferential circle of the second layer 82.
  • a low temperature portion target holding unit 54.
  • the thermal conductivities of the diamond substrate 50, the first layer 51, and the second layer 52 are defined as lambda 0 , lambda 1 , and lambda 2 respectively.
  • the heat transfer rate K 1 of a heat flow path through which heat flows from the heating portion 53 in the second layer 52 to the diamond substrate 50 via the heat transfer path in the first layer immediately below the heating portion 53 is obtained by Formula 1.
  • the heat transfer rate K 2 of a heat flow path 58 through which heat is radially transferred from the heating portion 53 in the second layer 52 in the film surface direction to the low temperature portion 54 is obtained by Formula 2.
  • the heat transfer rate K 0 of a heat flow path 59 through which heat received from the first layer 51 by the diamond substrate 50 at the center of the diamond substrate 50 is radially transferred from the center of the diamond substrate 50 in the substrate surface direction to the low temperature portion 54 is obtained by Formula 3.
  • a condition that satisfies a continuous heat flow relation of the heat flow paths 57, 58, and 59 and a condition that the heat flow path 57 does not become a bottleneck (a narrow or obstructed section, where movement is slowed down) of heat transfer from the heating portion 53 to the diamond substrate 50 are represented by Formula 4.
  • the substrate is formed of diamond having high thermal conductivity lambda 0 , so that the relationship between the thermal conductivity lambda 0 and the thermal conductivity lambda 1 of the second layer 52 satisfies Formula 5.
  • Formula 6 has a technical meaning that resolves the thermal bottleneck of the first layer 51 and enables the diamond substrate 50 having higher thermal conductivity to be a dominant heat transfer path.
  • Formula 6 means that it is possible to resolve the thermal bottleneck of the first layer 51 by further reducing the upper limit of the layer thickness of the first layer 51 when the layer thickness of the second layer 52 is large. By doing so, even when the electron irradiation density to the target metal layer (the second layer 52) increases, it is possible to obtain an effect that the overheating of the heating portion 53 in the second layer 52, which is an X-ray emission spot, can be alleviated.
  • the shape of the lamination of the first layer 81 and the second layer 82 with respect to the diamond substrate 80 is not limited to the shape which covers the entire one side of the diamond substrate 80 as shown in Fig. 2, but includes various covering shapes as shown in Figs. 3B to 3D. How much of the first layer 81 and the second layer 82 is covered can be determined considering the irradiation range of an electron beam 35 and the electrical connection with the target holding unit 7 as shown in Fig. 3A. As a method for fixing the target 8 of the present invention to the target holding unit 7, it is possible to use a method using a conductive connection member such as silver solder not shown the drawings or a pressure bonding method.
  • a conductive connection member such as silver solder not shown the drawings or a pressure bonding method.
  • the shape of the X-ray emitting unit including the target holding unit 7 and the target 8 is not limited to the shape shown in Fig. 1, but the X-ray emitting unit can have various shapes as shown in Figs. 4A to 4D.
  • the shape by which the target holding unit 7 holds the target 8 can be appropriately determined considering the electrical connection to the target 8, the range in which reflection electrons reflected by the second layer 82 of the target 8 reach, and the emission ranges of the emitted X-rays and backscattering X-rays.
  • the present invention includes not only that a single electron emission source 3 and a single X-ray emitting target 8 are arranged for the X-ray emitting device 13 and the X-ray emission source 1 as shown in Fig. 1, but also that a plurality of electron emission sources 3 and a plurality of X-ray emitting targets 8 are arranged.
  • a potential relationship between the electron emission source 3 and the X-ray emitting target 8 can be arbitrarily selected based on the potential of the housing 11, the type of the power supply circuit, and the like.
  • the potential relationship between the electron emission source 3 and the X-ray emitting target 8 may be determined so that the accelerated electron beam 5 can enter the target 8 with a predetermined kinetic energy.
  • Example 1 will be described in detail with reference to Figs. 2, 4B, and 6.
  • the diamond substrate 80 has a disk shape (a cylindrical shape) with a diameter of 5 mm and a thickness of 1 mm.
  • the thermal conductivity of the diamond substrate 80 at room temperature is 2000 W/mK.
  • Organic substances on the surface of the diamond substrate 80 are removed in advance by UV-ozone asher.
  • the first layer 81 of titanium having a thickness of 10 nm is formed on one surface of two circular surfaces with a diameter of 1 mm of the diamond substrate by a sputtering method using Ar as carrier gas.
  • the substrate is heated so that the temperature of the diamond substrate is 260 degrees Celsius when the titanium film is formed.
  • the second layer 82 of tungsten having a thickness of 8 micrometer is formed on the first layer 81 by a sputtering method using Ar as carrier gas by continuous deposition without venting atmosphere in a film forming device.
  • the substrate is heated by a stage so that the temperature of the diamond substrate 80 is 260 degrees Celsius when the tungsten film is formed in the same manner as when the titanium film is formed.
  • the thermal conductivity of each layer is evaluated using a monitor substrate prepared in advance in the film forming process. As a result, the thermal conductivity of the first layer is 16 W/mK and the thermal conductivity of the second layer is 178 W/mK.
  • the thicknesses of the first layer 81 and the second layer 82 before the layers are laminated, calibration curve data of a film thickness and a film forming time when a single layer film is formed is obtained for each layer in advance, and the first layer 81 and the second layer 82 are laminated so that films having selected film thicknesses are formed based on the film forming times.
  • the film thicknesses for obtaining the calibration curve data are measured using a spectroscopic ellipsometer UVISEL ER manufactured by Horiba, Ltd.
  • a cross-section of the obtained target 8 is mechanically polished and processed by FIB, so that a cross-section analyte S1 including interfaces between the second layer 82, the first layer 81, and the diamond substrate 80 is prepared.
  • Distribution of composition and combination of the prepared analyte S1 is mapped by X-ray photoelectron spectroscopy (XPS) and it is found that there is a combination of titanium and carbon at the boundary between an area where titanium is dominant, which corresponds to the first layer 81, and an area where carbon is dominant, which corresponds to the diamond substrate 80.
  • XPS X-ray photoelectron spectroscopy
  • a cross-section of the obtained target 8 is processed by FIB, so that an analyte S2 to be observed by a transmission electron microscope (TEM) is prepared in the same manner as the analyte S1. Thereafter, crystalline distribution, crystal orientation distribution, and composition distribution are evaluated by combining a bright-field image observation, an electron diffraction analysis (ED), and an electron spectroscopy analysis of the transmission electron microscope. The obtained crystal orientation distribution is mapped. As a result, it is found that a solid solution of tungsten and titanium is formed in a transition area between an area where tungsten is dominant, which corresponds to the second layer 82 and an area where titanium is dominant, which corresponds to the first layer 81. In this way, as shown in Fig.
  • the target 8 is obtained in which the diamond substrate 80, the first layer 81 formed of titanium, and the second layer 82 formed of tungsten are laminated in this order.
  • the target 8 is sandwiched and held by the target holding unit 7 formed of tungsten including the rear target holding unit 7A and the front target holding unit 7B.
  • the target 8 is fixed so that the second layer 82 is in contact with the rear target holding unit 7A by using silver solder (not shown in the drawings) as a connection layer.
  • a unit which includes the target 8 and the target holding unit 7, and the electron emission source 3, which is an impregnated type thermal-electron gun including the electron emission unit 2, are disposed to face each other so that the second layer 82 and the electron emission unit 2 face each other directly.
  • the X-ray emitting unit and the electron emission source 3 are disposed in a vacuum chamber 18 including a flange 19.
  • the target holding unit 7 is fixed to the vacuum chamber 18 via the flange 19.
  • the target 8 is connected to the vacuum chamber 18 via target holding unit 7 and the flange 19 so that the target 8 is electrically conductive to the vacuum chamber 18.
  • the potential of the vacuum chamber 18 is set to the ground potential by the ground terminal 16 connected to the vacuum chamber 18.
  • the potential of the cathode of the electron emission source 3 is set to -120 kV by a power supply circuit not shown in the drawings, so that the electron emission source 3 can irradiate the electron beam 5 having a kinetic energy of 120 keV to the center of the second layer 82 of the target 8.
  • a copper cooling pipe (not shown in the drawings) in which water flows is disposed along the circumferential portion of the electron emission source 3 and the circumferential portion of the rear target holding unit 7A, so that the electron emission source 3, the target 8, and the target holding unit 7 can be cooled down when the X-ray output operation is performed.
  • dosimeters (20, 21) are replaceably arranged at a position on an extended line connecting the electron emission source 2 and the center of the target 8 having a disk shape and 100 cm away from the surface of the diamond substrate 80 facing the air.
  • One dosimeter 20 is a dosimeter using an ionization chamber method, which is arranged to measure a time-integrated value of the dose.
  • the other dosimeter includes a semiconductor detector and is arranged to measure the time variation of the dose. The density of the current emitted from the electron emission source 3 is changed and linearity of X-ray dose with respect to the electron irradiation amount is measured by the dosimeter 20.
  • the time variation in one second of the center value of the intensity of the dose detected by the dosimeter 21 is measured.
  • the electrons are emitted, the electrons are focused onto the surface of the second layer 82 on the vacuum side.
  • the spot radius of the electron beam 5 is 0.5 mm.
  • Tables 2 and 3 In both evaluations of linearity and stability, a current flowing from the second layer 82 to the ground electrode is detected and the variation of the current density flowing through the second layer 82 is controlled to be 1% or less by a negative feedback circuit not shown in the drawings.
  • Example 2 In the same manner as in Example 1 except that the layer thickness of the first layer 81 is 1 nm and the layer thickness of the second layer 82 is 7 micrometer, the linearity of the X-ray output intensity with respect to the electron irradiation amount and the stability of the X-ray output intensity in a high dose electron irradiation condition are evaluated. The evaluation results are shown in Tables 4 and 5.
  • Example 2 In the same manner as in Example 1 except that the layer thickness of the first layer 81 is 100 nm and the layer thickness of the second layer 82 is 5.5 micrometer, the linearity of the X-ray output intensity with respect to the electron irradiation amount and the stability of the X-ray output intensity in a high dose electron irradiation condition are evaluated.
  • the evaluation results are shown in Tables 6 and 7.
  • Example 2 In the same manner as in Example 1 except that the layer thickness of the first layer 81 is 0.1 nm and the layer thickness of the second layer 82 is 5.6 micrometer, the linearity of the X-ray output intensity with respect to the electron irradiation amount and the stability of the X-ray output intensity in a high dose electron irradiation condition are evaluated.
  • the evaluation results are shown in Tables 8 and 9.
  • the linearity of the X-ray output intensity with respect to the electron irradiation amount and the stability of the X-ray output intensity in a high dose electron irradiation condition are evaluated.
  • the thermal conductivity of the first layer 81 formed of tantalum at room temperature is 58 W/mK. The evaluation results are shown in Tables 10 and 11.
  • Example 2 In the same manner as in Example 1 except that the first layer 81 is a tantalum film formed by sputtering and the layer thickness of the first layer 81 is 1 nm, the linearity of the X-ray output intensity with respect to the electron irradiation amount and the stability of the X-ray output intensity in a high dose electron irradiation condition are evaluated.
  • the evaluation results are shown in Tables 12 and 13.
  • the second layer 82 of the target 8 and the electron emission unit 2 are disposed to face each other in the same manner as in Example 1, and as shown in Fig. 1, the transmission window 9 formed of beryllium having a thickness of 1 mm is disposed and the target 8 and the electron emission source 3 of Example 1 are arranged in the envelope 6 formed of a ceramic of boron nitride.
  • the target holding unit 7 is electrically connected to an electrode (not shown in the drawings) provided in advance in the envelope 6 formed of ceramic.
  • the surface of the target 8 on which no film is formed faces the air side and the surface of the target 8 on which films are formed faces the vacuum side.
  • the transmission window 9, the target 8, and the electron emission unit 2 are fixed so that the center of the transmission window 9, the center of the target 8, and the center of the electron emission unit 2 are aligned on the same straight line.
  • the internal space 12 of the envelope 6 is decompressed, so that a vacuum envelope 6 is formed.
  • the potential of the electrode (not shown in the drawings) provided in the vacuum envelope 6 is set to the ground potential and the cathode of the electron emission source 3 is set to -120 kV, so that electrons having a kinetic energy of 120 keV can be irradiated to the center of the second layer 82 of the target 8.
  • the X-ray emission source 1 including the vacuum envelope 6 and the drive circuit 14 that drives the electron gun are disposed in a housing internal space 17 of the housing 11 filled with insulating silicon oil, so that the X-ray emitting device 13 is completed.
  • the linearity of the X-ray output intensity with respect to the electron irradiation amount and the stability of the X-ray output intensity in a high dose electron irradiation condition of the obtained X-ray emitting device 13 are evaluated.
  • the evaluation results are shown in Tables 14 and 15. In both evaluations of linearity and stability, a current flowing from the second layer 82 to the ground electrode is detected and the variation of the current density flowing through the second layer 82 is controlled to be 1% or less by a negative feedback circuit not shown in the drawings.

Landscapes

  • X-Ray Techniques (AREA)
PCT/JP2012/003474 2011-06-07 2012-05-28 X-ray emitting target and x-ray emitting device Ceased WO2012169141A1 (en)

Priority Applications (1)

Application Number Priority Date Filing Date Title
US14/124,216 US9281158B2 (en) 2011-06-07 2012-05-28 X-ray emitting target and X-ray emitting device

Applications Claiming Priority (2)

Application Number Priority Date Filing Date Title
JP2011-127513 2011-06-07
JP2011127513A JP5812700B2 (ja) 2011-06-07 2011-06-07 X線放出ターゲット、x線発生管およびx線発生装置

Publications (1)

Publication Number Publication Date
WO2012169141A1 true WO2012169141A1 (en) 2012-12-13

Family

ID=46489444

Family Applications (1)

Application Number Title Priority Date Filing Date
PCT/JP2012/003474 Ceased WO2012169141A1 (en) 2011-06-07 2012-05-28 X-ray emitting target and x-ray emitting device

Country Status (3)

Country Link
US (1) US9281158B2 (enExample)
JP (1) JP5812700B2 (enExample)
WO (1) WO2012169141A1 (enExample)

Cited By (2)

* Cited by examiner, † Cited by third party
Publication number Priority date Publication date Assignee Title
CN104051206A (zh) * 2013-03-12 2014-09-17 佳能株式会社 透射型靶、放射线产生管、放射线产生设备和放射线照相系统
CN104409304A (zh) * 2014-11-17 2015-03-11 中国科学院电工研究所 一种工业ct机x射线管用透射靶及其制备方法

Families Citing this family (33)

* Cited by examiner, † Cited by third party
Publication number Priority date Publication date Assignee Title
JP5850059B2 (ja) * 2011-10-04 2016-02-03 株式会社ニコン X線を用いた形状測定装置、形状計測方法、及び構造物の製造方法
US20150117599A1 (en) * 2013-10-31 2015-04-30 Sigray, Inc. X-ray interferometric imaging system
JP6140983B2 (ja) * 2012-11-15 2017-06-07 キヤノン株式会社 透過型ターゲット、x線発生ターゲット、x線発生管、x線x線発生装置、並びに、x線x線撮影装置
JP6253233B2 (ja) 2013-01-18 2017-12-27 キヤノン株式会社 透過型x線ターゲットおよび、該透過型x線ターゲットを備えた放射線発生管、並びに、該放射線発生管を備えた放射線発生装置、並びに、該放射線発生装置を備えた放射線撮影装置
KR101417604B1 (ko) * 2013-03-04 2014-07-08 한국원자력연구원 엑스선 발생용 복합구조의 레이저 조사용 타겟
JP6316019B2 (ja) * 2013-03-06 2018-04-25 キヤノン株式会社 X線発生管、該x線発生管を備えたx線発生装置及びx線撮影システム
JP6207246B2 (ja) 2013-06-14 2017-10-04 キヤノン株式会社 透過型ターゲットおよび該透過型ターゲットを備える放射線発生管、放射線発生装置、及び、放射線撮影装置
JP2015028879A (ja) * 2013-07-30 2015-02-12 東京エレクトロン株式会社 X線発生用ターゲット及びx線発生装置
US10295485B2 (en) 2013-12-05 2019-05-21 Sigray, Inc. X-ray transmission spectrometer system
USRE48612E1 (en) 2013-10-31 2021-06-29 Sigray, Inc. X-ray interferometric imaging system
JP6335729B2 (ja) * 2013-12-06 2018-05-30 キヤノン株式会社 透過型ターゲットおよび該透過型ターゲットを備えるx線発生管
JP6272043B2 (ja) * 2014-01-16 2018-01-31 キヤノン株式会社 X線発生管及びこれを用いたx線発生装置、x線撮影システム
JP6381269B2 (ja) * 2014-04-21 2018-08-29 キヤノン株式会社 ターゲットおよび前記ターゲットを備えるx線発生管、x線発生装置、x線撮影システム
JP6573380B2 (ja) * 2015-07-27 2019-09-11 キヤノン株式会社 X線発生装置及びx線撮影システム
US10692685B2 (en) 2016-06-30 2020-06-23 General Electric Company Multi-layer X-ray source target
US10475619B2 (en) 2016-06-30 2019-11-12 General Electric Company Multilayer X-ray source target
JP6324561B2 (ja) * 2017-02-22 2018-05-16 キヤノン株式会社 透過型x線ターゲットおよび透過型x線ターゲットの製造方法
US10847336B2 (en) * 2017-08-17 2020-11-24 Bruker AXS, GmbH Analytical X-ray tube with high thermal performance
JP6381756B2 (ja) * 2017-09-07 2018-08-29 キヤノン株式会社 透過型ターゲットおよび該透過型ターゲットを備える放射線発生管、放射線発生装置、及び、放射線撮影装置
JP6516896B2 (ja) * 2018-04-04 2019-05-22 キヤノン株式会社 X線ターゲット
CN112424591B (zh) 2018-06-04 2024-05-24 斯格瑞公司 波长色散x射线光谱仪
CN112470245B (zh) 2018-07-26 2025-03-18 斯格瑞公司 高亮度x射线反射源
DE112019004433B4 (de) 2018-09-04 2024-09-12 Sigray, Inc. System und verfahren für röntgenstrahlfluoreszenz mit filterung
US11056308B2 (en) 2018-09-07 2021-07-06 Sigray, Inc. System and method for depth-selectable x-ray analysis
US11315751B2 (en) * 2019-04-25 2022-04-26 The Boeing Company Electromagnetic X-ray control
US11152183B2 (en) 2019-07-15 2021-10-19 Sigray, Inc. X-ray source with rotating anode at atmospheric pressure
US12278080B2 (en) 2022-01-13 2025-04-15 Sigray, Inc. Microfocus x-ray source for generating high flux low energy x-rays
US12360067B2 (en) 2022-03-02 2025-07-15 Sigray, Inc. X-ray fluorescence system and x-ray source with electrically insulative target material
WO2024029474A1 (ja) * 2022-08-05 2024-02-08 株式会社島津製作所 X線撮影装置およびx線管
US12288662B2 (en) * 2022-08-23 2025-04-29 KETEK GmbH Halbleiter-und Reinraumtechnik X-ray source and transmission window
US12488956B2 (en) 2022-08-23 2025-12-02 KETEK GmbH Halbleiter- und Reinraumtechnik X-ray source
CN116437549B (zh) * 2023-04-18 2025-10-17 四川轻化工大学 一种高能x射线靶
US12181423B1 (en) 2023-09-07 2024-12-31 Sigray, Inc. Secondary image removal using high resolution x-ray transmission sources

Citations (5)

* Cited by examiner, † Cited by third party
Publication number Priority date Publication date Assignee Title
JP2000306533A (ja) 1999-02-19 2000-11-02 Toshiba Corp 透過放射型x線管およびその製造方法
JP2003505845A (ja) 1999-07-26 2003-02-12 フラウンホーファー−ゲゼルシャフト ツル フェルデルング デル アンゲヴァンテン フォルシュング エー ファウ X線陽極およびその製造法
EP1580787A2 (en) * 2004-03-26 2005-09-28 Shimadzu Corporation X-ray generating apparatus
US7359487B1 (en) * 2005-09-15 2008-04-15 Revera Incorporated Diamond anode
EP2048689A1 (en) * 2007-10-11 2009-04-15 Kratos Analytical Limited Electrode for X-ray apparatus comprising diamond member and an alloy

Family Cites Families (2)

* Cited by examiner, † Cited by third party
Publication number Priority date Publication date Assignee Title
EP0432568A3 (en) * 1989-12-11 1991-08-28 General Electric Company X ray tube anode and tube having same
JP2002042705A (ja) * 2000-07-28 2002-02-08 Toshiba Corp 透過放射型x線管およびその製造方法

Patent Citations (5)

* Cited by examiner, † Cited by third party
Publication number Priority date Publication date Assignee Title
JP2000306533A (ja) 1999-02-19 2000-11-02 Toshiba Corp 透過放射型x線管およびその製造方法
JP2003505845A (ja) 1999-07-26 2003-02-12 フラウンホーファー−ゲゼルシャフト ツル フェルデルング デル アンゲヴァンテン フォルシュング エー ファウ X線陽極およびその製造法
EP1580787A2 (en) * 2004-03-26 2005-09-28 Shimadzu Corporation X-ray generating apparatus
US7359487B1 (en) * 2005-09-15 2008-04-15 Revera Incorporated Diamond anode
EP2048689A1 (en) * 2007-10-11 2009-04-15 Kratos Analytical Limited Electrode for X-ray apparatus comprising diamond member and an alloy

Cited By (4)

* Cited by examiner, † Cited by third party
Publication number Priority date Publication date Assignee Title
CN104051206A (zh) * 2013-03-12 2014-09-17 佳能株式会社 透射型靶、放射线产生管、放射线产生设备和放射线照相系统
CN104051206B (zh) * 2013-03-12 2016-05-11 佳能株式会社 透射型靶、放射线产生管、放射线产生设备和放射线照相系统
US10418222B2 (en) 2013-03-12 2019-09-17 Canon Kabushiki Kaisha Transmission type target, radiation generating tube including the same, radiation generating apparatus, and radiography system
CN104409304A (zh) * 2014-11-17 2015-03-11 中国科学院电工研究所 一种工业ct机x射线管用透射靶及其制备方法

Also Published As

Publication number Publication date
JP2012256444A (ja) 2012-12-27
JP5812700B2 (ja) 2015-11-17
US20140112450A1 (en) 2014-04-24
US9281158B2 (en) 2016-03-08

Similar Documents

Publication Publication Date Title
US9281158B2 (en) X-ray emitting target and X-ray emitting device
WO2012169143A1 (en) X-ray emitting target and x-ray emitting device
JP5911323B2 (ja) ターゲット構造体及びそれを備える放射線発生装置並びに放射線撮影システム
JP5875297B2 (ja) 放射線発生管及びそれを用いた放射線発生装置、放射線撮影システム
JP6061692B2 (ja) 放射線発生管及び放射線発生装置及びそれらを用いた放射線撮影装置
EP2740331B1 (en) Radiation generating apparatus and radiation imaging apparatus
JP6207246B2 (ja) 透過型ターゲットおよび該透過型ターゲットを備える放射線発生管、放射線発生装置、及び、放射線撮影装置
US9552956B2 (en) Radiation generating apparatus and radiation imaging apparatus
US9653249B2 (en) Transmission type target, radiation generating tube having the transmission type target, radiation generator having the radiation generating tube, and radiation imaging apparatus having the radiation generator
JP2013051153A5 (enExample)
EP2751827A1 (en) X-ray generator and x-ray imaging apparatus
US10229808B2 (en) Transmission-type target for X-ray generating source, and X-ray generator and radiography system including transmission-type target
JP5925219B2 (ja) 放射線ターゲット、放射線発生管、放射線発生装置、放射線撮影システム及びその製造方法
JP6153314B2 (ja) X線透過型ターゲット及びその製造方法
JP2017139238A (ja) 透過型ターゲットおよび該透過型ターゲットの製造方法、ならびに、放射線発生管、並びに、該放射線発生管を備えた放射線発生装置、並びに、該放射線発生装置を備えた放射線撮影装置
JP6381756B2 (ja) 透過型ターゲットおよび該透過型ターゲットを備える放射線発生管、放射線発生装置、及び、放射線撮影装置

Legal Events

Date Code Title Description
121 Ep: the epo has been informed by wipo that ep was designated in this application

Ref document number: 12733528

Country of ref document: EP

Kind code of ref document: A1

WWE Wipo information: entry into national phase

Ref document number: 14124216

Country of ref document: US

NENP Non-entry into the national phase

Ref country code: DE

122 Ep: pct application non-entry in european phase

Ref document number: 12733528

Country of ref document: EP

Kind code of ref document: A1