WO2012066779A1 - Apparatus for plasma treatment and method for plasma treatment - Google Patents

Apparatus for plasma treatment and method for plasma treatment Download PDF

Info

Publication number
WO2012066779A1
WO2012066779A1 PCT/JP2011/006391 JP2011006391W WO2012066779A1 WO 2012066779 A1 WO2012066779 A1 WO 2012066779A1 JP 2011006391 W JP2011006391 W JP 2011006391W WO 2012066779 A1 WO2012066779 A1 WO 2012066779A1
Authority
WO
WIPO (PCT)
Prior art keywords
gas
plasma
process vessel
generating unit
inlet
Prior art date
Legal status (The legal status is an assumption and is not a legal conclusion. Google has not performed a legal analysis and makes no representation as to the accuracy of the status listed.)
Ceased
Application number
PCT/JP2011/006391
Other languages
English (en)
French (fr)
Inventor
Toshihisa Nozawa
Caizhong Tian
Masaru Sasaki
Naoki Mihara
Naoki Matsumoto
Kazuki Moyama
Jun Yoshikawa
Current Assignee (The listed assignees may be inaccurate. Google has not performed a legal analysis and makes no representation or warranty as to the accuracy of the list.)
Tokyo Electron Ltd
Original Assignee
Tokyo Electron Ltd
Priority date (The priority date is an assumption and is not a legal conclusion. Google has not performed a legal analysis and makes no representation as to the accuracy of the date listed.)
Filing date
Publication date
Application filed by Tokyo Electron Ltd filed Critical Tokyo Electron Ltd
Priority to US13/885,708 priority Critical patent/US9277637B2/en
Priority to CN2011800550472A priority patent/CN103229280A/zh
Priority to JP2013522022A priority patent/JP5931063B2/ja
Priority to KR1020137012435A priority patent/KR101910678B1/ko
Publication of WO2012066779A1 publication Critical patent/WO2012066779A1/en
Anticipated expiration legal-status Critical
Ceased legal-status Critical Current

Links

Images

Classifications

    • HELECTRICITY
    • H05ELECTRIC TECHNIQUES NOT OTHERWISE PROVIDED FOR
    • H05HPLASMA TECHNIQUE; PRODUCTION OF ACCELERATED ELECTRICALLY-CHARGED PARTICLES OR OF NEUTRONS; PRODUCTION OR ACCELERATION OF NEUTRAL MOLECULAR OR ATOMIC BEAMS
    • H05H1/00Generating plasma; Handling plasma
    • H05H1/24Generating plasma
    • H05H1/46Generating plasma using applied electromagnetic fields, e.g. high frequency or microwave energy
    • HELECTRICITY
    • H01ELECTRIC ELEMENTS
    • H01JELECTRIC DISCHARGE TUBES OR DISCHARGE LAMPS
    • H01J37/00Discharge tubes with provision for introducing objects or material to be exposed to the discharge, e.g. for the purpose of examination or processing thereof
    • H01J37/32Gas-filled discharge tubes
    • H01J37/32009Arrangements for generation of plasma specially adapted for examination or treatment of objects, e.g. plasma sources
    • H01J37/32192Microwave generated discharge
    • HELECTRICITY
    • H01ELECTRIC ELEMENTS
    • H01JELECTRIC DISCHARGE TUBES OR DISCHARGE LAMPS
    • H01J37/00Discharge tubes with provision for introducing objects or material to be exposed to the discharge, e.g. for the purpose of examination or processing thereof
    • H01J37/32Gas-filled discharge tubes
    • H01J37/32009Arrangements for generation of plasma specially adapted for examination or treatment of objects, e.g. plasma sources
    • H01J37/32082Radio frequency generated discharge
    • H01J37/321Radio frequency generated discharge the radio frequency energy being inductively coupled to the plasma
    • H01J37/3211Antennas, e.g. particular shapes of coils
    • HELECTRICITY
    • H01ELECTRIC ELEMENTS
    • H01JELECTRIC DISCHARGE TUBES OR DISCHARGE LAMPS
    • H01J37/00Discharge tubes with provision for introducing objects or material to be exposed to the discharge, e.g. for the purpose of examination or processing thereof
    • H01J37/32Gas-filled discharge tubes
    • H01J37/32009Arrangements for generation of plasma specially adapted for examination or treatment of objects, e.g. plasma sources
    • H01J37/32192Microwave generated discharge
    • H01J37/32211Means for coupling power to the plasma
    • HELECTRICITY
    • H01ELECTRIC ELEMENTS
    • H01JELECTRIC DISCHARGE TUBES OR DISCHARGE LAMPS
    • H01J37/00Discharge tubes with provision for introducing objects or material to be exposed to the discharge, e.g. for the purpose of examination or processing thereof
    • H01J37/32Gas-filled discharge tubes
    • H01J37/32431Constructional details of the reactor
    • H01J37/3244Gas supply means

Definitions

  • the present invention relates to an apparatus for plasma treatment and a method for plasma treatment.
  • Semiconductor devices such as LSI (Large Scale Integrated circuit) and MOS (Metal Oxide Semiconductor) are manufactured by subjecting a substrate such as a semiconductor wafer and a glass substrate to such treatments as etching, CVD (Chemical Vapor Deposition), and sputtering.
  • plasma can be employed as an energy source for such treatments. Examples of such plasma treatments include: plasma etching, plasma CVD, plasma ALD, plasma sputtering, and plasma doping.
  • an apparatus for plasma treatment includes a process vessel provided with a mounting table for mounting a substrate; a first gas supplying unit configured to supply a first gas into the process vessel; a first plasma generating unit configured to convert at least a part of the first gas to a first plasma; a second gas supplying unit configured to supply a second gas into the process vessel; and a second plasma generating unit configured to convert at least a part of the second gas to a second plasma.
  • a height of an inlet of the second gas from the mounting table is lower than a height of an inlet of the first gas from the mounting table.
  • an apparatus for plasma treatment includes a process vessel provided with a mounting table for mounting a substrate; a first gas supplying unit configured to supply a first gas into the process vessel, an inlet of which being located on an upper side of the process vessel; a first plasma generating unit configured to convert at least a part of the first gas to a first plasma; a second gas supplying unit configured to supply a second gas into the process vessel, an inlet of which being located on a side wall of the process vessel; and a second plasma generating unit configured to convert at least a part of the second gas to a second plasma.
  • a method for plasma treatment is conducted in a process vessel provided with a mounting table for mounting a substrate.
  • the method includes the steps of supplying a first gas from a first inlet into the process vessel; converting at least a part of the first gas to a first plasma; supplying a second gas from a second inlet into the process vessel; and converting at least a part of the second gas to a second plasma.
  • a height of the second inlet from the mounting table is lower than a height of the first inlet from the mounting table.
  • Fig. 1 illustrates a cross-sectional view of an example of the apparatus for plasma treatment according to one embodiment of the present invention.
  • Fig. 2 illustrates a schematic view of the slot antenna plate of the apparatus shown in Fig. 1.
  • Fig. 3 illustrates a cross-sectional view of a modified example of the apparatus for plasma treatment according to one embodiment of the present invention.
  • Fig. 4 illustrates a cross-sectional view of a modified example of the apparatus for plasma treatment according to one embodiment of the present invention.
  • Fig. 5 illustrates a cross-sectional view of a modified example of the apparatus for plasma treatment according to one embodiment of the present invention.
  • Fig. 6-A illustrates a cross-sectional view of an example of the apparatus for plasma treatment according to another embodiment of the present invention.
  • FIG. 6-B illustrates a schematic view of a second gas supplying unit of the apparatus shown in Fig. 6-A.
  • Fig. 7-A illustrates a cross-sectional view of an example of the apparatus for plasma treatment according to another embodiment of the present invention.
  • Fig. 7-B illustrates a schematic view of a mounting table of the apparatus shown in Fig. 7-A.
  • Fig. 8 illustrates a cross-sectional view of an example of the apparatus for plasma treatment according to another embodiment of the present invention.
  • Fig. 9 illustrates a cross-sectional view of an example of the apparatus for plasma treatment according to another embodiment of the present invention.
  • Fig. 10 illustrates a cross-sectional view of an example of the apparatus for plasma treatment according to another embodiment of the present invention.
  • Fig. 11 depicts a graph showing an example of a relationship between oxygen gas concentration and oxidation velocity or oxygen luminescence.
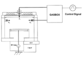
  • Fig. 1 illustrates a cross-sectional view of an example of the apparatus for plasma treatment according to one embodiment of the present invention.
  • the apparatus 201 contains a process vessel 12, a first gas supplying unit 61 configured to supply a first gas flow F 1 into the process vessel 12, a first plasma generating unit containing a first microwave generator 15A, a second gas supplying unit 202 configured to supply a second gas flow F 2 into the process vessel 12, and a second plasma generating unit containing a second microwave generator 15B.
  • the process vessel 12 is provided with a mounting table 14 for mounting a substrate W. Inlet of the first gas 66A and inlet of the second gas 66B are different in height from the mounting table 14.
  • a height of the inlet of the second gas 66B from the mounting table 14 is lower than a height of the inlet of the first gas 66A from the mounting table 14.
  • the inlet of the first gas 66A is located on an upper side of the process vessel 12, and the inlet of the second gas 66B is located on a side wall of the process vessel 12.
  • the apparatus 201 includes an evacuation apparatus 36 for evacuating the inside of the process vessel 12.
  • the evacuation apparatus 36 also functions as a pressure adjusting means for adjusting the pressure inside the process vessel 12 to a desired pressure.
  • a high frequency power source 37 for RF (radio frequency) bias is electrically connected to the electrode thereof via a matching unit 38.
  • This high frequency power source 37 as a bias electric power supply means, outputs a constant frequency suitable for controlling the energy of the ion drawn into the substrate W, for example, a high frequency of 13.56MHz, which is output with predetermined power and supplied towards the mounting table 14.
  • the matching unit 38 accommodates an impedance matching box for achieving a matching between impedance on high frequency power source 37 and impedance on load side, the side mainly including an electrode, plasma, the process vessel 12 etc. Inside this impedance matching box is included a blocking condenser for auto bias generation. Although not illustrated, it is also possible to provide a support mechanism to support the substrate W, and a temperature adjustment mechanism to regulate the temperature.
  • the first gas supplying unit 61 is provided with the inlet of the first gas 66A through which the first gas is supplied toward the substrate W.
  • the second gas supplying unit 202 includes a circular hollow member and is provided with the inlet of the second gas 66B through which the second gas is supplied towards the inner side of the process vessel 12 in a radial direction.
  • the first gas supplying unit 61 and the second gas supplying unit 202 respectively supply gas, such as those for plasma treatment, from the outside of the process vessel 12 to the inside of the process vessel 12.
  • the first plasma generating unit is configured to convert at least a part of the first gas to first plasma.
  • the first plasma generating unit contains the first microwave generator 15A configured to generate a first microwave and a member configured to change polarization characteristics of the first microwave.
  • the member contains a first dielectric plate 28A, a first dielectric window 16A, and a first slot antenna plate 30A intervening between the first dielectric plate 28A and the first dielectric window 16A.
  • the first microwave generator 15A is configured to generate a first microwave.
  • the first microwave generated by the first microwave generator 15A is directed through a first waveguide tube 23A and a first coaxial waveguide tube 24A to reach the first dielectric plate 28A.
  • the first microwave having propagated in the first dielectric plate 28A goes through a plurality of slots provided in the first slot antenna plate 30A.
  • the first microwave radiated from the slots propagates in a first dielectric window 16A.
  • the first microwave having passed through the first dielectric window 16A generates an electric field directly below the first dielectric window 16A and converts at least a part of the first gas into first plasma.
  • the first plasma generated directly below the first dielectric window 16A continues to diffuse in a direction away from the first dielectric window 16A, that is, in the direction of the mounting table 14.
  • Fig. 2 illustrates a schematic view of the slot antenna plate of the apparatus shown in Fig. 1.
  • the slot antenna plate 30A shown in Fig. 2 is made from a conductor, and is in the form of a thin circular disc.
  • a plurality of slots, which penetrate in the thickness direction of the panel, is provided in the slot antenna plate 30.
  • Each of the slots is constituted such that a first long slot 41 elongating in one direction and a second long slot 42 perpendicular to the first long slot 41 are adjacent to each other and form a pair. Specifically, they are disposed such that the two adjacent slots become a pair and are in T-shape.
  • the provided slot pair 43 is divided roughly into an inner circumference slot group 44 disposed on the inner circumference, and a peripheral slot group 45 disposed on the perimeter side.
  • the inner circumference slot group 44 seven slot pairs 43 are disposed respectively at equal intervals in the circumferential direction.
  • the peripheral slot group 45 twenty-eight slot pairs 43 are disposed respectively at equal intervals in the circumferential direction.
  • a through-hole 46 is provided also at the center of the radial direction of the slot antenna plate 30.
  • the slot antenna plate 30 has a rotational symmetry around the center 47. Note that the configuration of the slots provided in the slot antenna plate 30 is arbitrary and can be different from the one shown in Fig. 2.
  • the first dielectric window 16A is a substantially circular plate having a predetermined plate thickness.
  • the first dielectric window 16A is constituted from a dielectric material.
  • As the dielectric material silica, quarts, aluminum nitride, and alumina can be exemplified.
  • the first dielectric window 16A is hermetically sealed to the apparatus 201 such that it is mounted atop the annular member 217.
  • the first dielectric window 16A has indentation sections 27 with an indent in the form of a taper towards the plate thickness direction. Subsequently, depending on various plasma conditions, it is possible to ensure high stability of the plasma in the lower region of the first dielectric window 16A.
  • the second plasma generating unit is configured to convert at least a part of the second gas to second plasma.
  • the second plasma generating unit contains the second microwave generator 15B configured to generate a second microwave and a member configured to change polarization characteristics of the second microwave.
  • the member contains a second dielectric plate 28B, a second dielectric window 16B, and a second slot antenna plate 30B intervening between the second dielectric plate 28B and the second dielectric window 16B.
  • the second dielectric plate 28B and the second dielectric window 16B may be ring-shaped surrounding the side wall of the process vessel 12.
  • the second slot antenna plate 30B may be a conductor provided with a plurality of slot holes. The slot holes may be provided partly or entirely in the second slot antenna plate 30B.
  • the second microwave generator 15B is configured to generate a second microwave.
  • the second microwave generated by the second microwave generator 15B is directed through a second waveguide tube 23B and a second coaxial waveguide tube 24B to reach a second dielectric plate 28B.
  • the second microwave having propagated in the second dielectric plate 28B goes through a plurality of slots provided in a second slot antenna plate 30B.
  • the second microwave radiated from the slots propagates in a second dielectric window 16B.
  • the second microwave having passed through the second dielectric window 16B generates an electric field directly aside the second dielectric window 16B and converts at least a part of the second gas into second plasma.
  • the second plasma generated directly aside the second dielectric window 16B diffuses in a direction away from the second dielectric window 16B and then, by an action of gravity, in a direction onto the mounting table 14 together with the first plasma.
  • the first and second plasma generated as above cooperatively act on the substrate W. Accordingly, the substrate 14 undergoes plasma treatments such as plasma etching, plasma CVD, plasma sputtering etc. As described earlier, a height of the inlet of the second gas 66B from the mounting table 14 is lower than a height of the inlet of the first gas 66A from the mounting table 14. Therefore, the height of the region where the second plasma is generated is lower than the height of the region where the first plasma is generated.
  • the inventors have found that the electron temperature of the first plasma becomes lower as it approaches to the mounting table 14, especially in the region corresponding to the peripheral of the mounting table 14. Such non-uniformity of plasma distribution in an apparatus can be one reason for preventing uniform in-plane treatment of the substrate.
  • the inventors have conceived an idea to introduce a unit for generating the second plasma below a unit for generating the first plasma, thereby making it possible to compensate plasma density distribution. Actually, employing such constitution is found to have a significant effect on improving the in-plane uniformity of the plasma treatment of the substrate.
  • the in-plane uniformity of the plasma treatment can be adjusted by controlling at least one of the power of the first plasma generating unit, the power of the second plasma generating unit, the amount of the first gas, and the amount of the second gas.
  • the apparatus 201 may further include a controller for adjusting a power ratio of the first plasma generating unit and the second plasma generating unit.
  • the apparatus 201 may further include a controller for adjusting an amount ratio of the first gas and the second gas.
  • Interface of the second plasma generating unit facing the inside of the process vessel 12 is preferably located close to the inlet of the second gas 66B.
  • the interface is located just above the inlet of the second gas 66B.
  • Employing such configurations can make the second plasma generating unit convert at least a part of the second gas to the second plasma immediately after the second gas enters the process vessel 12. Prompt conversion of the second gas to the second plasma makes it possible to more delicately control the in-plane uniformity of the plasma treatment.
  • the first and the second gas all kinds of gas which can be converted to plasma may be employed.
  • argon (Ar), krypton (Kr), hydrogen bromide (HBr), ammonia (NH 3 ), nitrogen (N 2 ), trifluoromethane (CHF 3 ), fluorocarbon (C x F y ), and combination thereof can be exemplified.
  • the kind of the first gas and the second gas may be the same or different from each other.
  • the present inventors have found that when the first gas contains hydrogen bromide (HBr) and the second gas is not employed, the in-plane uniformity of the plasma treatment is relatively poor. Therefore, when the first gas contains hydrogen bromide (HBr), the compensation of the first plasma by the second plasma in the apparatus 201 is especially effective.
  • HBr hydrogen bromide
  • the present inventors have also found that the dissociation of such gases as ammonia (NH 3 ), nitrogen (N 2 ), and trifluoromethane (CHF 3 ) require higher energy when compared to such gases as hydrogen bromide.
  • the electron temperature near the inlet of the second gas 66B is high due to the presence of the second plasma generating unit. Therefore, the in-plane uniformity of the plasma treatment can be readily achieved even when such gases as ammonia (NH 3 ), nitrogen (N 2 ), and trifluoromethane (CHF 3 ) are employed as the second gas.
  • the in-plane uniformity of the plasma treatment can further be improved by employing two or more gases which are different in dissociation constant as the second gas.
  • Use of the mixture of two or more gases which are different in dissociation constant can make it possible to more delicately control the distribution of the second plasma in the process vessel 12.
  • ammonia (NH 3 ) has high dissociation constant, which is more than 1 x 10 -13 cm 2 /s at 1 eV.
  • nitrogen (N 2 ) and trifluoromethane (CHF 3 ) have lower dissociation constant, both of which being less than 1 x 10 -14 cm 2 /s at 1 eV.
  • coaxial waveguide tubes are employed to supply the microwaves.
  • other waveguide tubes such as circular waveguide tube or rectangular waveguide tube etc. may also be employed.
  • the first plasma generating unit and the second plasma generating unit are preferably separated from each other. Employing such configuration may reduce the interference and resonance of the microwaves.
  • the frequency of the first microwave and the second microwave are preferably different from each other.
  • Employing such configuration may reduce the interference and resonance of the microwaves.
  • the difference between the two frequencies may be set to, for example, 2 to 3 % based on the higher frequency.
  • the second dielectric plate 28B is provided on top of the second dielectric window 16B.
  • the positional relationship of the second dielectric plate 28B and the second dielectric window 16B is arbitrary.
  • Fig. 3 illustrates a cross-sectional view of a modified example of the apparatus for plasma treatment according to one embodiment of the present invention.
  • the second dielectric plate 28B is provided horizontally with the second dielectric window 16B.
  • Such configuration can also improve the in-plane uniformity of the plasma treatment.
  • the second dielectric plate 28B can also be provided below the second dielectric window 16B.
  • both the first and the second plasma generating unit contain a microwave generator.
  • both of these units do not necessarily generate plasma by using a microwave generator.
  • at least one of the units may generate plasma by using another mechanism than a microwave generator, such as a coil configured to generate inductively coupled plasma (ICP).
  • ICP inductively coupled plasma
  • Fig. 4 illustrates a cross-sectional view of a modified example of the apparatus for plasma treatment according to one embodiment of the present invention.
  • the second plasma generating unit contains a gas tube 301 through which the second gas is supplied and a coil 300 located on the outside of the gas tube 301.
  • the coil 300 is configured to generate a magnetic field to convert at least a part of the second gas to the second plasma by inductively coupled plasma (ICP) mechanism.
  • ICP inductively coupled plasma
  • the apparatus 201 may further contain additional parts which can improve the in-plane uniformity of the plasma treatment or any other properties.
  • Fig. 5 illustrates a cross-sectional view of a modified example of the apparatus for plasma treatment according to one embodiment of the present invention.
  • the apparatus 201 shown in Fig. 5 is the same as the apparatus 201 shown in Fig. 1 except that it further contains an inclined part 210 in the second plasma generating unit.
  • the inclined part 210 makes it easier to convert at least a part of the second gas to second plasma by allowing the electric field generated by the second microwave to more readily interact with the second gas.
  • the method for plasma treatment typically employs the apparatus 201.
  • the method includes the steps of supplying a first gas from a first inlet into the process vessel; converting at least a part of the first gas to a first plasma; supplying a second gas from a second inlet into the process vessel; and converting at least a part of the second gas to a second plasma.
  • a height of the second inlet from the mounting table is lower than a height of the first inlet from the mounting table.
  • Examples of the plasma treatment realized by the method includes: plasma etching, plasma CVD, plasma ALD, plasma sputtering, and plasma doping.
  • the method is particularly useful for plasma etching.
  • uniform in-plane processing can be carried out by suitably adjusting the power of first and second microwaves and/or the amount of the first and second gases during the course of processing of each target film.
  • the method for plasma treatment can improve the uniformity of the in-plane treatment. Therefore, the method is preferably employed when the substrate to be treated is large in size. For example, the method is particularly useful when treating semiconductor wafer or glass substrate whose diameter is 450 mm or larger.
  • Fig. 6-A illustrates a cross-sectional view of an example of the apparatus for plasma treatment according to another embodiment of the present invention.
  • Fig. 6-B illustrates a schematic view of a second gas supplying unit of the apparatus shown in Fig. 6-A.
  • an apparatus for plasma treatment is provided in which the outer gas supplying unit is divided into a plurality of zones and in which it is possible to supply a gas independently into each zone. It is also possible to provide a configuration to supply a gas to each zone at different gas flow rate.
  • the gas is supplied from the periphery of the target substrate towards the center of the chamber or in the direction of the target substrate.
  • the outer gas supplying unit may be provided inside the side wall of the processing container (not illustrated), and it may also be a ring-shaped gas supplying unit projecting from the wall as shown in Fig. 6-A and Fig. 6-B.
  • the gas mixture (such as noble gas, CF x gas etc.) used in etching is distributed in a splitter and supplied. It is also possible to distribute the gas mixture used in etching to the center gas supplying unit and outer gas supplying unit by using a splitter and the gas mixture distributed to the outer gas supplying unit may be distributed to each gas supply zone by using a splitter. For each zone of the gas supply, gases of different mixing ratios may be supplied.
  • the outer gas supplying unit is made from, for example, quartz or ceramics (e.g. SiC). Multiple zones can contain 3 to 10 parts, and multiple zones containing 4 to 6 parts are preferable.
  • Each supporting sections preferably functioning as both the pipes for supplying gas to each zone and the connecting section to the processing container may be supported such that the stress applying on the outer gas supplying unit can be avoided even if the outer gas supplying unit thermally expands.
  • the respective supporting sections may be supported so as to move freely.
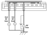
  • Fig. 7-A illustrates a cross-sectional view of an example of the apparatus for plasma treatment according to another embodiment of the present invention.
  • Fig. 7-B illustrates a schematic view of a mounting table of the apparatus shown in Fig. 7-A.
  • Fig. 7-A and Fig. 7-B show an apparatus for plasma treatment in which an ESC (electrostatic chuck) is connected on the mounting table.
  • the electrode (first electrode) for absorption of static electricity inside ESC is superimposed with a power source and a first RF power source for ESC.
  • a ring-shaped electrode (2nd electrode) is installed in the internal periphery of ESC, and a RF power source is connected to this second electrode.
  • the bias applied to the target substrate using first electrode and second electrode is adjusted in the radial direction. Note that, in Fig. 7-A and in Fig. 7-B, a description of blocking condensers and matching units has been omitted.
  • each electrode is connected to its respective RF power source.
  • a second electrode and a third electrode are provided at the bottom of the first electrode. In this way, by providing a second electrode and a third electrode at the bottom of the first electrode, electrode-free regions (gaps) are eliminated. Since the regions without electrode are regions where bias is not applied, there is risk of affecting the in-plane uniformity of the substrate treatment.
  • the frequency of the RF applied to the first electrode and the frequency of RF applied to second and third electrodes so as to apply correspondingly different frequencies by taking into consideration the interference to the matching unit. For example, when an RF of 13.56 MHz is applied to the first electrode, an RF of 13.28 MHz will be applied to the second electrode, and an RF of 13.83 MHz will be applied to the third electrode. Frequencies can vary by 2% to 10%.
  • ESC is connected on the mounting table
  • the electrodes of ESC are divided into several numbers in the radial direction, each of these electrodes is superimposed with power source for ESC and power source of RF application such that the power can be individually controlled, and the bias that will be applied to the target substrate can be adjusted in the radial direction.
  • the bias power applied to the target substrate By adjusting in the radial direction the bias power applied to the target substrate, it becomes possible to adjust the etching rate or shape differences that change in the peripheral direction from the center of the target substrate. It can be preferably used for the etching of polysilicon, silicon nitride and silicon oxide. Moreover, the resist mask can be preferably used since the effect of change in bias is large in the etching of resist mask.
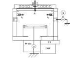
  • Fig. 8 illustrates a cross-sectional view of an example of the apparatus for plasma treatment according to another embodiment of the present invention.
  • Fig. 9 illustrates a cross-sectional view of an example of the apparatus for plasma treatment according to another embodiment of the present invention.
  • Fig. 8 and Fig. 9 represent an apparatus for plasma treatment characterized by being provided with a ring-shaped member in the plasma processing container, applying an RF or DC to the ring-shaped member, etching (sputtering) the ring-shaped member, and thereby controlling the radical concentration in the plasma space.
  • the ring-shaped member materials may be based on silicon (Si) or carbon (C).
  • the ring-shaped member materials may be based on material containing Group 4 materials. Ring-shaped member materials may be composed of Group 3 and Group 5 materials.
  • the gas used for the treatment may contain halogen.
  • the gas used for the treatment may be a gas containing at least carbon (C) and fluorine (F), chlorine (Cl), bromine (Br), iodine (I) or hydrogen (H).
  • the ring-shaped member By etching the ring-shaped member, it becomes possible to adjust concentration of radical species and ionic species in the plasma, and it becomes possible to improve such as the selectivity and etching rate etc. in the etching on the target substrate.
  • the ring-shaped member is Si
  • the etching gas contains CF x and Ar
  • the etching gas is ionized (conversion to plasma) and F radicals are generated.
  • RF bias is applied to the ring-shaped member made of Si, and Si is etched by Ar.
  • radical state Si is generated in the processing container, and SiF 4 is formed by the bonding between Si and F. Si and F bond to each other easily.
  • the formed SiF 4 is evacuated, and as a result, the number of F radicals in the processing container can be reduced.
  • the amount of etching of Si can be adjusted, and it also becomes possible to adjust the amount of F that is removed for example.
  • the etching gas is ionized (converted to plasma), and F radicals are generated.
  • RF bias is applied to the ring-shaped member made of C, and C is etched by Ar.
  • radical state C is produced, and combines with F to form CF x .
  • C used in the ring-shaped member is typically a glass-like carbon.
  • Fig. 10 illustrates a cross-sectional view of an example of the apparatus for plasma treatment according to another embodiment of the present invention.
  • Fig. 11 depicts a graph showing an example of a relationship between oxygen gas concentration and oxidation velocity or oxygen luminescence.
  • the vertical axis in Fig. 11 represents the emission intensity of oxygen (O) plasma and oxidation rate (equal to the etching rate in case of etching), whereas the horizontal axis represents the concentration of the oxygen (O 2 ) gas.
  • the region wherein the emission intensity of oxygen (O) plasma is high and the oxidation speed is faster (dotted line area) is a region where the oxygen (O 2 ) gas concentration based on that of the inert gas (for example, Ar) is 2%-3%. This region is a desired region for enhancing the throughput to speed up the rate of treatment.
  • the radical concentration is prone to changes due to fluctuations in the flow rate of the gas, controlling was difficult due to the problem of reproducibility of the process or equipment differences between devices.
  • Fig. 10 shows an apparatus for plasma treatment characterized by having a controller for supplying intermittently (ON/OFF) one or more gases used in plasma processing or for repeatedly varying the flow rate.
  • the ON/OFF or flow rate control of a gas is performed. With this, the characteristics are averaged thereby realizing reproducibility and mitigation of the equipment differences between the devices.
  • the ON/OFF is typically adjusted at intervals of about 0.5 to 1 per second, or the flow rate can be adjusted at intervals of about 0.5 to 1 per second.
  • etching treatment ashing treatment, oxidation treatment, CVD treatment and ALD treatment using a gas containing O 2 or halogen.

Landscapes

  • Physics & Mathematics (AREA)
  • Engineering & Computer Science (AREA)
  • Plasma & Fusion (AREA)
  • Chemical & Material Sciences (AREA)
  • Analytical Chemistry (AREA)
  • Electromagnetism (AREA)
  • Spectroscopy & Molecular Physics (AREA)
  • Plasma Technology (AREA)
  • Chemical Vapour Deposition (AREA)
  • Drying Of Semiconductors (AREA)
PCT/JP2011/006391 2010-11-17 2011-11-16 Apparatus for plasma treatment and method for plasma treatment Ceased WO2012066779A1 (en)

Priority Applications (4)

Application Number Priority Date Filing Date Title
US13/885,708 US9277637B2 (en) 2010-11-17 2011-11-16 Apparatus for plasma treatment and method for plasma treatment
CN2011800550472A CN103229280A (zh) 2010-11-17 2011-11-16 等离子体处理用设备和等离子体处理用方法
JP2013522022A JP5931063B2 (ja) 2010-11-17 2011-11-16 プラズマ処理装置及びプラズマ処理方法
KR1020137012435A KR101910678B1 (ko) 2010-11-17 2011-11-16 플라즈마 처리 장치 및 플라즈마 처리 방법

Applications Claiming Priority (2)

Application Number Priority Date Filing Date Title
US45815310P 2010-11-17 2010-11-17
US61/458,153 2010-11-17

Publications (1)

Publication Number Publication Date
WO2012066779A1 true WO2012066779A1 (en) 2012-05-24

Family

ID=46083727

Family Applications (1)

Application Number Title Priority Date Filing Date
PCT/JP2011/006391 Ceased WO2012066779A1 (en) 2010-11-17 2011-11-16 Apparatus for plasma treatment and method for plasma treatment

Country Status (6)

Country Link
US (1) US9277637B2 (enExample)
JP (1) JP5931063B2 (enExample)
KR (1) KR101910678B1 (enExample)
CN (1) CN103229280A (enExample)
TW (1) TW201234452A (enExample)
WO (1) WO2012066779A1 (enExample)

Cited By (5)

* Cited by examiner, † Cited by third party
Publication number Priority date Publication date Assignee Title
CN103491700A (zh) * 2012-06-13 2014-01-01 东京毅力科创株式会社 等离子体处理装置、生成装置及生成方法、天线结构体
US20140231016A1 (en) * 2013-02-19 2014-08-21 Tokyo Electron Limited Plasma processing apparatus
JP2016522567A (ja) * 2013-04-04 2016-07-28 東京エレクトロン株式会社 パルス状気体プラズマドーピング方法及び装置
US9530621B2 (en) 2014-05-28 2016-12-27 Tokyo Electron Limited Integrated induction coil and microwave antenna as an all-planar source
US10375812B2 (en) 2012-03-30 2019-08-06 Tokyo Electron Limited Low electron temperature, edge-density enhanced, surface-wave plasma (SWP) processing method and apparatus

Families Citing this family (13)

* Cited by examiner, † Cited by third party
Publication number Priority date Publication date Assignee Title
JP5700032B2 (ja) * 2012-12-26 2015-04-15 東京エレクトロン株式会社 プラズマドーピング装置、およびプラズマドーピング方法
JP2015130325A (ja) * 2013-12-03 2015-07-16 東京エレクトロン株式会社 誘電体窓、アンテナ、及びプラズマ処理装置
JP6405958B2 (ja) * 2013-12-26 2018-10-17 東京エレクトロン株式会社 エッチング方法、記憶媒体及びエッチング装置
KR20160021958A (ko) * 2014-08-18 2016-02-29 삼성전자주식회사 플라즈마 처리 장치 및 기판 처리 방법
US10354841B2 (en) * 2015-04-07 2019-07-16 Tokyo Electron Limited Plasma generation and control using a DC ring
TWI690972B (zh) * 2015-05-12 2020-04-11 日商東京威力科創股份有限公司 電漿處理裝置及電漿處理方法
US20170133202A1 (en) * 2015-11-09 2017-05-11 Lam Research Corporation Computer addressable plasma density modification for etch and deposition processes
JP6785171B2 (ja) * 2017-03-08 2020-11-18 株式会社日本製鋼所 成膜方法および電子装置の製造方法並びにプラズマ原子層成長装置
JP6925202B2 (ja) * 2017-08-30 2021-08-25 東京エレクトロン株式会社 エッチング方法およびエッチング装置
CN111146063B (zh) * 2018-11-02 2022-04-08 江苏鲁汶仪器有限公司 一种等离子体反应腔进气系统
WO2020166009A1 (ja) * 2019-02-14 2020-08-20 株式会社日立国際電気 高周波電源装置
KR102872895B1 (ko) * 2020-10-30 2025-10-17 세메스 주식회사 기판 처리 장치 및 기판 처리 방법
WO2025197982A1 (ja) * 2024-03-19 2025-09-25 国立研究開発法人産業技術総合研究所 マイクロ波プラズマ処理装置、プラズマ発生方法

Citations (4)

* Cited by examiner, † Cited by third party
Publication number Priority date Publication date Assignee Title
JPH09115880A (ja) * 1995-10-16 1997-05-02 Hitachi Ltd ドライエッチング装置
JP2003142460A (ja) * 2001-11-05 2003-05-16 Shibaura Mechatronics Corp プラズマ処理装置
WO2009107718A1 (ja) * 2008-02-27 2009-09-03 東京エレクトロン株式会社 プラズマエッチング処理装置およびプラズマエッチング処理方法
JP2009302324A (ja) * 2008-06-13 2009-12-24 Tokyo Electron Ltd ガスリング、半導体基板処理装置および半導体基板処理方法

Family Cites Families (10)

* Cited by examiner, † Cited by third party
Publication number Priority date Publication date Assignee Title
US5134965A (en) * 1989-06-16 1992-08-04 Hitachi, Ltd. Processing apparatus and method for plasma processing
JP3053105B2 (ja) * 1989-06-30 2000-06-19 株式会社日立製作所 プラズマcvd装置及びその方法
JPH04346226A (ja) * 1991-05-23 1992-12-02 Hitachi Ltd 表面処理装置
DE69318480T2 (de) * 1992-06-23 1998-09-17 Nippon Telegraph & Telephone Plasmabearbeitungsgerät
US6217704B1 (en) * 1998-09-22 2001-04-17 Canon Kabushiki Kaisha Plasma processing apparatus
US6450117B1 (en) * 2000-08-07 2002-09-17 Applied Materials, Inc. Directing a flow of gas in a substrate processing chamber
JP5011631B2 (ja) * 2004-06-01 2012-08-29 富士ゼロックス株式会社 半導体製造装置および半導体製造システム
US20060024451A1 (en) * 2004-07-30 2006-02-02 Applied Materials Inc. Enhanced magnetic shielding for plasma-based semiconductor processing tool
US20060225654A1 (en) * 2005-03-29 2006-10-12 Fink Steven T Disposable plasma reactor materials and methods
WO2010058642A1 (ja) 2008-11-18 2010-05-27 東京エレクトロン株式会社 プラズマ処理装置およびプラズマ処理方法

Patent Citations (4)

* Cited by examiner, † Cited by third party
Publication number Priority date Publication date Assignee Title
JPH09115880A (ja) * 1995-10-16 1997-05-02 Hitachi Ltd ドライエッチング装置
JP2003142460A (ja) * 2001-11-05 2003-05-16 Shibaura Mechatronics Corp プラズマ処理装置
WO2009107718A1 (ja) * 2008-02-27 2009-09-03 東京エレクトロン株式会社 プラズマエッチング処理装置およびプラズマエッチング処理方法
JP2009302324A (ja) * 2008-06-13 2009-12-24 Tokyo Electron Ltd ガスリング、半導体基板処理装置および半導体基板処理方法

Cited By (7)

* Cited by examiner, † Cited by third party
Publication number Priority date Publication date Assignee Title
US10375812B2 (en) 2012-03-30 2019-08-06 Tokyo Electron Limited Low electron temperature, edge-density enhanced, surface-wave plasma (SWP) processing method and apparatus
CN103491700A (zh) * 2012-06-13 2014-01-01 东京毅力科创株式会社 等离子体处理装置、生成装置及生成方法、天线结构体
TWI573168B (zh) * 2012-06-13 2017-03-01 Tokyo Electron Ltd A plasma processing apparatus, a plasma generating apparatus, an antenna structure, and a plasma generating method
US20140231016A1 (en) * 2013-02-19 2014-08-21 Tokyo Electron Limited Plasma processing apparatus
JP2016522567A (ja) * 2013-04-04 2016-07-28 東京エレクトロン株式会社 パルス状気体プラズマドーピング方法及び装置
KR101815746B1 (ko) 2013-04-04 2018-01-30 도쿄엘렉트론가부시키가이샤 펄스화 가스 플라즈마 도핑 방법 및 장치
US9530621B2 (en) 2014-05-28 2016-12-27 Tokyo Electron Limited Integrated induction coil and microwave antenna as an all-planar source

Also Published As

Publication number Publication date
TW201234452A (en) 2012-08-16
KR101910678B1 (ko) 2018-10-22
US9277637B2 (en) 2016-03-01
JP5931063B2 (ja) 2016-06-08
JP2014501027A (ja) 2014-01-16
CN103229280A (zh) 2013-07-31
US20130302992A1 (en) 2013-11-14
KR20130129937A (ko) 2013-11-29

Similar Documents

Publication Publication Date Title
US9277637B2 (en) Apparatus for plasma treatment and method for plasma treatment
US9941113B2 (en) Systems and methods for using electrical asymmetry effect to control plasma process space in semiconductor fabrication
JP5492557B2 (ja) 半導体基板を均一にエッチングするためのガス噴射
US10418224B2 (en) Plasma etching method
US10017853B2 (en) Processing method of silicon nitride film and forming method of silicon nitride film
US9443701B2 (en) Etching method
TWI469238B (zh) 電漿蝕刻處理裝置及電漿蝕刻處理方法
US20210098232A1 (en) Apparatus and method for processing substrate and method of manufacturing semiconductor device using the method
JP2020004837A (ja) エッチング処理方法およびエッチング処理装置
JP2009206341A (ja) マイクロ波プラズマ処理装置、それに用いる誘電体窓部材および誘電体窓部材の製造方法
KR102418243B1 (ko) 플라즈마 처리 장치 및 플라즈마 처리 방법
JP2012049376A (ja) プラズマ処理装置およびプラズマ処理方法
JP2003243378A (ja) 解離及びイオン化の空間的制御のためのプラズマ処理装置
JP2015050362A (ja) プラズマ処理装置
JP2018522417A (ja) 調節可能な遠隔解離
WO2022201351A1 (ja) プラズマ処理装置およびプラズマ処理方法
KR20180124754A (ko) 에칭 방법
JP2019009403A (ja) プラズマ処理方法およびプラズマ処理装置
KR20150032662A (ko) 플라즈마 처리 장치 및 플라즈마 처리 방법
KR20150022703A (ko) 반도체 디바이스를 제조하는 방법
JPWO2013164940A1 (ja) 被処理基体にドーパントを注入する方法、及びプラズマドーピング装置
KR101384590B1 (ko) 반도체 디바이스 제조 방법 및 반도체 디바이스 제조 장치
KR20200074033A (ko) 플라즈마 처리 방법 및 플라즈마 처리 장치

Legal Events

Date Code Title Description
121 Ep: the epo has been informed by wipo that ep was designated in this application

Ref document number: 11841970

Country of ref document: EP

Kind code of ref document: A1

ENP Entry into the national phase

Ref document number: 2013522022

Country of ref document: JP

Kind code of ref document: A

ENP Entry into the national phase

Ref document number: 20137012435

Country of ref document: KR

Kind code of ref document: A

NENP Non-entry into the national phase

Ref country code: DE

WWE Wipo information: entry into national phase

Ref document number: 13885708

Country of ref document: US

122 Ep: pct application non-entry in european phase

Ref document number: 11841970

Country of ref document: EP

Kind code of ref document: A1