JP5582007B2 - 直流電力スイッチ装置 - Google Patents

直流電力スイッチ装置 Download PDF

Info

Publication number
JP5582007B2
JP5582007B2 JP2010273451A JP2010273451A JP5582007B2 JP 5582007 B2 JP5582007 B2 JP 5582007B2 JP 2010273451 A JP2010273451 A JP 2010273451A JP 2010273451 A JP2010273451 A JP 2010273451A JP 5582007 B2 JP5582007 B2 JP 5582007B2
Authority
JP
Japan
Prior art keywords
power
power supply
switch
current
notification
Prior art date
Legal status (The legal status is an assumption and is not a legal conclusion. Google has not performed a legal analysis and makes no representation as to the accuracy of the status listed.)
Expired - Fee Related
Application number
JP2010273451A
Other languages
English (en)
Other versions
JP2011147332A (ja
Inventor
健治 高橋
寿明 高橋
崇文 大石
寛和 大武
光弘 松田
晃喜 後藤
雄治 高橋
紀之 北村
勇生 山崎
勝友 内野
真一 神代
Current Assignee (The listed assignees may be inaccurate. Google has not performed a legal analysis and makes no representation or warranty as to the accuracy of the list.)
Toshiba Lighting and Technology Corp
Original Assignee
Toshiba Lighting and Technology Corp
Priority date (The priority date is an assumption and is not a legal conclusion. Google has not performed a legal analysis and makes no representation as to the accuracy of the date listed.)
Filing date
Publication date
Application filed by Toshiba Lighting and Technology Corp filed Critical Toshiba Lighting and Technology Corp
Priority to JP2010273451A priority Critical patent/JP5582007B2/ja
Priority to CN2010800398574A priority patent/CN102484003A/zh
Priority to US13/496,706 priority patent/US20120169122A1/en
Priority to PCT/JP2010/072764 priority patent/WO2011074665A1/ja
Priority to EP10837689.8A priority patent/EP2469553A4/en
Publication of JP2011147332A publication Critical patent/JP2011147332A/ja
Application granted granted Critical
Publication of JP5582007B2 publication Critical patent/JP5582007B2/ja
Expired - Fee Related legal-status Critical Current
Anticipated expiration legal-status Critical

Links

Images

Classifications

    • HELECTRICITY
    • H01ELECTRIC ELEMENTS
    • H01HELECTRIC SWITCHES; RELAYS; SELECTORS; EMERGENCY PROTECTIVE DEVICES
    • H01H9/00Details of switching devices, not covered by groups H01H1/00 - H01H7/00
    • H01H9/54Circuit arrangements not adapted to a particular application of the switching device and for which no provision exists elsewhere
    • H01H9/548Electromechanical and static switch connected in series
    • HELECTRICITY
    • H01ELECTRIC ELEMENTS
    • H01HELECTRIC SWITCHES; RELAYS; SELECTORS; EMERGENCY PROTECTIVE DEVICES
    • H01H9/00Details of switching devices, not covered by groups H01H1/00 - H01H7/00
    • H01H9/30Means for extinguishing or preventing arc between current-carrying parts
    • HELECTRICITY
    • H05ELECTRIC TECHNIQUES NOT OTHERWISE PROVIDED FOR
    • H05BELECTRIC HEATING; ELECTRIC LIGHT SOURCES NOT OTHERWISE PROVIDED FOR; CIRCUIT ARRANGEMENTS FOR ELECTRIC LIGHT SOURCES, IN GENERAL
    • H05B47/00Circuit arrangements for operating light sources in general, i.e. where the type of light source is not relevant
    • H05B47/10Controlling the light source

Landscapes

  • Circuit Arrangement For Electric Light Sources In General (AREA)
  • Direct Current Feeding And Distribution (AREA)

Description

この発明の実施形態は、照明器具などの電気的負荷に直流電力を供給及び供給停止するための壁スイッチなどの直流電力スイッチ装置に関するものである。
電気的負荷を有する各種の電気機器においては、交流を直流に変換して電気的負荷へ供給するものが多く、最初から直流を供給するようにすれば、交流/直流変換回路などの構成を省略することができ、電力の変換ロスを軽減し、小型化やコスト低減を図ることができる。
一方、太陽光発電をはじめとして、近年注目されている自然エネルギーを利用した発電により得られる電力は直流であり、これをそのまま電気的負荷に供給すると効率的である。
ところで、照明負荷などの調光を含む点灯制御のためには、壁スイッチなどのリモートスイッチを電源と照明負荷との間に配置している。係る配線状態において、照明負荷の点灯状態から消灯へ移行させる場合には、リモートスイッチにおいて電源供給を遮断することになる。この場合に、直流が供給されていると、スイッチ接点にアークが発生し、スイッチ接点に損傷を与える虞がある。
スイッチ接点に生じるアークへの対策をするものではないが、電流量の目安を表示するLEDを備えた電源コンセントが知られている(特許文献1参照)。
上記の構成を備えることによって、電流量の目安が表示されるために注意喚起されるが、電源遮断の操作を行うとアークが発生し、スイッチ接点に損傷を与える虞があるという問題が解決されるものではない。
特開2001−196138号公報
本発明は上記のような直流電力スイッチ装置の現状に鑑みてなされたもので、その目的は、電気的負荷に対する電源遮断を行う場合に、アークが発生することなく、従って安全に直流電源遮断を行うことが可能な直流電力スイッチ装置を提供することである。
本発明の実施形態に係る直流電力スイッチ装置は、直流電力の供給及び供給停止を指示するための操作入力部と;電気器具と給電ラインで接続され、この給電ラインによって前記電気器具へ直流電力を供給するとともに、前記給電ラインに設けられたスイッチ接点と;前記操作入力部が直流電力の供給停止を指示した場合に、前記電気器具へ電力遮断の通知を行う通知手段と;前記電力遮断の通知の後に電気器具において電流を減少させる電力供給制御が行われたことを検出すると、前記スイッチ接点を開放する制御手段と;を具備することを特徴とする。
本発明に係る直流電力スイッチ装置によれば、操作入力部が直流電力の供給停止を指示した場合に、電気器具へ電力遮断の通知を行い、その後に電気器具において電気的負荷への電流を減少させる電力供給制御が行われたことを検出すると、スイッチ接点を開放するので、給電ラインの電流が減少してからスイッチ接点の開放がなされることになり、安全に直流電力を遮断することが期待できる。
本発明に係る直流電力スイッチ装置の第1の実施形態を示す構成図。 本発明に係る直流電力スイッチ装置の第2の実施形態を示す構成図。 本発明に係る直流電力スイッチ装置の第3の実施形態を示す構成図。 本発明に係る直流電力スイッチ装置の第4の実施形態を示す構成図。 本発明に係る直流電力スイッチ装置の第5の実施形態を示す構成図。 本発明に係る直流電力スイッチ装置の第6の実施形態を示す構成図。
本発明の実施形態に係る直流電力スイッチ装置は、直流電力の供給及び供給停止を指示するための操作入力部と;電気器具へ直流電力を供給する給電ラインに設けられたスイッチ接点と;操作入力部が直流電力の供給停止を指示した場合に、電気器具へ電力遮断の通知を行う通知手段と;前記通知の後に電気器具において電流を減少させる電力供給制御が行われたことを検出すると、スイッチ接点を開放する制御手段と;を具備することを特徴とする。
電気器具は、例えば、照明負荷などの電気的負荷が接続されたものや電気的負荷と一体に形成されたものであってもよく、電力消費される対象に対して電流のオンオフ等の電力供給制御を行う全てのものが含まれる。通知手段による通知は、給電ラインに信号を重畳させることにより行っても良いし、給電ラインとは別に信号線を設けて送信するようにしても良い。通知手段による通知は、有線のみならず無線の通信を含むものである。電流を減少させる電力供給制御は、電流が0になるまで減少させても良いが、スイッチ接点を開放する場合に接点間でアークが発生しない程度まで電流を減少させればよい。
本発明の実施形態に係る直流電力スイッチ装置では、制御手段は、スイッチ接点においてアークが発生しない電流値まで電流を減少させる電力制御が行われた状態を検出すると、スイッチ接点を開放することを特徴とする。
本発明の実施形態に係る直流電力スイッチ装置では、スイッチ接点は、複数の電気機器に接続される複数のスイッチ接点により構成され、通知手段は、操作入力部が所望の電気機器への直流電力の供給停止を指示した場合に、対応する電気器具へ電力遮断の通知を行い、制御手段は、前記通知の後に該当電気器具において電流を減少させる電力供給制御が行われたことを検出すると、対応するスイッチ接点を開放することを特徴とする。
本発明の実施形態に係る直流電力スイッチ装置は、電気器具から電力供給制御の通知を受け取る受信手段を備え、制御手段は、受信手段において電力供給制御の通知を受け取った場合に、スイッチ接点を開放することを特徴とする。
本発明の実施形態に係るに係る直流電力スイッチ装置は、電気器具へ電力遮断の通知を行ったときからの時間を計時するタイマを備え、制御手段は、タイマにより所定時間の経過を検出した場合に、スイッチ接点を開放することを特徴とする。
本発明の実施形態に係るに係る直流電力スイッチ装置は、給電ラインに流れる電流を検出する検出手段を備え、制御手段は、検出手段により検出電流量が所定以下となったことが検出した場合に、スイッチ接点を開放することを特徴とする。
本発明の実施形態に係るに係る直流電力スイッチ装置は、通知に対する応答を電気機器から受け取る受信手段と、給電ラインに流れる電流を検出する検出手段と、を備え、制御手段は、受信手段において電力制御の通知を受け取ると共に、検出手段において検出電流量が所定以下となったことを検出した場合に、スイッチ接点を開放することを特徴とする。
本発明の実施形態に係るに係る直流電力スイッチ装置は、操作入力部が直流電力の供給を指示した場合に、スイッチ接点を閉じた後に電気器具へ電力供給の通知を行うことを特徴とする。
以下、添付図面を参照して本発明に係る直流電力スイッチ装置の実施例を説明する。各図において同一の構成要素には、同一の符号を付して重複する説明を省略する。
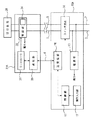
図1には、第1の実施形態に係る直流電力スイッチ装置としての壁スイッチ10と、照明負荷20に対し電力供給制御を行う電気器具である照明制御器30とにより、構成される照明システムの構成図が示されている。
壁スイッチ10には、直流電源より電源側給電ライン2、2を介して直流電力が送られている。壁スイッチ10には、制御部11、操作入力部12、電源部13、スイッチ接点14及び信号重畳/分離部15が備えられている。
電源部13は、電源側給電ライン2、2を介して電力を取り込み、所定電圧に変換するなどして制御部11をはじめとして各部へ電力を供給する。電源側給電ライン2、2から供給される直流電源は、スイッチ接点14及び信号重畳/分離部15を介して負荷側給電ライン3、3へ到り、照明制御器30へと送られている。
操作入力部12は、直流電力の供給及び供給停止を指示するためのもので、タクトスイッチなどの手動操作部を備える。操作部を操作することで、操作入力部12は、直流電力の供給及び供給停止を制御部11へ指示する。
制御部11は、操作入力部12により直流電力の供給停止を指示された場合には、信号重畳/分離部15に照明制御器30へ電力遮断の通知を行わせる。信号重畳/分離部15は送受信機能を備えており、負荷側給電ライン3、3に信号を重畳させて照明制御器30へ電力遮断の通知を行う通知手段である。
照明制御器30は、コントローラ31、通信部32及び電源部33を備えている。通信部32は信号重畳/分離部15と同様の機能を有し、負荷側給電ライン3、3を介して信号重畳/分離部15との間で信号の送受信を行う。通信部32は、受信した信号から情報を取り出してコントローラ31へ送信し、コントローラ31から受け取った情報を、負荷側給電ライン3、3に信号として重畳し信号重畳/分離部15へ送信する。
電源部33は、負荷側給電ライン3、3から取り込んだ直流電力の電圧を必要により変換して、コントローラ31と通信部32へ与えると共に照明負荷20にも供給する。電源部33からコントローラ31と通信部32へ供給される電流は、僅かな電流値である。また、電源部33には、照明負荷20へ与える電力を作成する回路或いは給電を行う回路が備えられ、この回路内には、半導体スイッチや可変抵抗により構成される電力供給調整部34が設けられている。
コントローラ31は、壁スイッチ10から電力遮断の通知を受け取ると、電源部33の電力供給調整部34を制御して、スイッチ接点14においてアークが発生しない電流値まで電流を減少させる電力制御を行う。例えば、上記電力供給制御によって、負荷側給電ライン3、3を流れる電流が、スイッチ接点14においてアークが発生しない程度に微小またはゼロとされる。この電力供給制御を行ったコントローラ31は、通信部32を制御して電力供給制御の通知を負荷側給電ライン3、3から壁スイッチ10へ送らせる。
この電力供給制御の通知は壁スイッチ10において、信号重畳/分離部15を介して制御部11が受け取る。制御部11は電力供給制御の通知を受けて、スイッチ接点14を開放する。このとき、照明制御器30では、電力供給調整部34により電流量が、スイッチ接点14においてアークが発生しない程度に微小またはゼロとされている。すなわち、電源部33がコントローラ31と通信部32へ電力を供給していたとしても負荷側給電ライン3、3に流れる電流はごく僅かであり、スイッチ接点14の開放に拘らずアークは発生することなく安全に電力遮断を行うことができる。
次に、照明制御器30へ電力を供給する場合について説明する。まず、操作入力部12の、照明制御器30へ電力を供給させる操作部を操作すると、操作入力部12が制御部11へ直流電力の供給を指示する。そして、制御部11は、スイッチ接点14を閉じた後に信号重畳/分離部から照明制御器30へ電力供給の通知を行う。ここで、スイッチ接点14を閉じた時点で照明制御器30の電源部33に電力が供給され、電源部33がコントローラ31および通信部32に電力を供給するので、照明制御器30は壁スイッチからの電力供給の通知が受信可能な状態となる。なお、スイッチ接点14を閉じても負荷側給電ライン3、3に流れる電流量は、スイッチ接点14においてアークが発生しないゼロまたは微小電流であるためスイッチ接点14でアークが発生することがない。
壁スイッチ10から送信された電力供給の通知は、通信部32で情報が取り出されコントローラ31を介して電源部33へ送られる。そして、電源部33の電力供給調整部34により照明負荷20への電力供給が制御される。
この実施形態に係る直流電力スイッチ装置によれば、スイッチ接点14を閉じた後に電気器具としての照明制御器30へ電力供給の通知を行うので、スイッチ接点14にアークが生じない状態で直流電力を供給を開始することができる。
上記のように、負荷側給電ライン3、3に流れる電流量が、スイッチ接点14においてアークが発生しないゼロまたは微小のときにスイッチ接点14を閉じることができるので、スイッチ接点にアークが生じない状態で照明制御器30に直流電力を供給することができる。
図2には、第2の実施形態に係る壁スイッチ10Aと照明制御器30Aの構成図が示されている。この実施形態では、負荷側給電ライン3、3に信号を重畳させるのではなく、有線または無線の回線4を介して送受信部16と通信部35とが信号の送受信を行い、電力遮断の通知と電力供給制御の通知を送受する。それ以外の構成は第1の実施形態と同様である。
この実施形態では、操作入力部12による操作によって、直流電力の供給及び供給停止の指示が制御部11へ与えられると、制御部11は、送受信部16を制御して照明制御器30Aへ電力遮断の通知を送信させる。これに応じてコントローラ31は、通信部35を介して壁スイッチ10から電力遮断の通知を受け取り、電源部33の電力供給調整部34を制御して、電流量をスイッチ接点14においてアークが発生しない程度に微小またはゼロとする電力供給制御を実行する。
この電力供給制御を行ったコントローラ31は、通信部35を制御して電力供給制御の通知を回線4を介して壁スイッチ10Aへ送らせる。この電力供給制御の通知は壁スイッチ10Aにおいて、送受信部16を介して制御部11が受け取る。制御部11は電力供給制御の通知を受けて、スイッチ接点14を開放する。
本実施形態に係る直流電力スイッチ装置によれば、電気器具としての照明制御器30Aから電力供給制御の通知を受け取った場合にスイッチ接点14を開放するので、負荷側給電ライン3、3の電流が減少した状態でスイッチ接点14の開放を行うことが可能である。
この構成によっても、スイッチ接点14の開放に拘らずアークは発生することなく安全に電力遮断を行うことができる。
図3には、第3の実施形態に係る壁スイッチ10Bと照明制御器30Bの構成図が示されている。この実施形態では、壁スイッチ10Bに信号の送信を行う送信部17が備えられ、照明制御器30Bに信号の受信を行う受信部36が備えられている。制御部11Bは、送信部17を制御して照明制御器30Bへ電力遮断の通知を送信させるだけで、返送を受けることはない。
制御部11Bにはタイマ18が接続されており(タイマ18は、制御部11Bが内蔵していても良い)、制御部11Bは、送信部17を制御して照明制御器30Aへ電力遮断の通知を送信したときに、タイマ18を起動する。その後に、制御部11Bは、タイマ18を監視し、所定時間が経過したときにスイッチ接点14を開放する。上記所定時間は、コントローラ31が、壁スイッチ10から電力遮断の通知を受け取り、電源部33の電力供給調整部34を制御して、電流量をスイッチ接点14においてアークが発生しない程度に微小またはゼロとするまでに要する時間にマージン時間を加えた時間である。
この構成によれば、操作入力部12による操作によって、直流電力の供給及び供給停止の指示が制御部11Bへ与えられると、制御部11Bは、送信部17を制御して照明制御器30Bへ電力遮断の通知を送信させる。これに応じてコントローラ31は、受信部36を介して壁スイッチ10Bから電力遮断の通知を受け取り、電源部33の電力供給調整部34を制御して、電流量をスイッチ接点14においてアークが発生しない程度に微小またはゼロとする電力供給制御を実行する。
その後は、前述の通り、制御部11Bはタイマ18を起動し、タイマ18を監視し、所定時間の経過を検出したときに、スイッチ接点14においてアークが発生しない電流値まで電流を減少させる電力制御が行われた状態を検出して、スイッチ接点14を開放する。
この実施形態に係る直流電力スイッチ装置によれば、電気器具としての照明制御器30Bへ電力遮断の通知を行ったときから所定時間の経過を検出した場合に、スイッチ接点14を開放するので、照明制御器30Bにより電力遮断が行われた後に、負荷側給電ライン3、3の電流が、スイッチ接点14においてアークが発生しない電流値まで減少した状態でスイッチ接点14の開放を行うことができる。この構成によっても、スイッチ接点14の開放に拘らずアークは発生することなく安全に電力遮断を行うことができる。
図4には、第4の実施形態に係る壁スイッチ10Cと照明制御器30Bの構成図が示されている。この実施形態では、壁スイッチ10Cに、第3の実施形態に用いられたタイマ18に代えて電流検出部19が備えられている。負荷側給電ライン3、3には、カレントトランスなどの電流センサ5が設けられており、その出力に基づき電流検出部19が電流量を検出している。
制御部11Cは、電流検出部19により検出された電流量を取り込んでいる。制御部11Cは、取り込んだ電流量が所定以下となったことが検出された場合にスイッチ接点14を開放する。
この構成によれば、操作入力部12による操作によって、直流電力の供給及び供給停止を指示が制御部11Cへ与えられると、照明制御器30Bへ電力遮断の通知が行われる。これに応じてコントローラ31は、電源部33の電力供給調整部34を制御して、電流量をスイッチ接点14においてアークが発生しない程度に微小またはゼロとする電力供給制御を実行する。ここまでの動作は、第3の実施形態の動作に等しい。
次に、制御部11Cは、電流検出部19により検出された電流量を監視し、検出電流量が,スイッチ接点14においてアークが発生しない程度の所定値以下となったことが検出された場合にスイッチ接点14を開放する。
この実施形態に係る直流電力スイッチ装置によれば、負荷側給電ライン3、3に流れる電流を検出して、検出電流量が所定以下となったことを検出した場合に、スイッチ接点14を開放するので、スイッチ接点14にアークが生じない状態で安全に直流電力を遮断することができる。
図5には、第5の実施形態に係る壁スイッチ10Dと照明制御器30Dによる照明システムの構成図が示されている。この実施形態では、複数の照明制御器30D−1〜30D−n(nは2以上の整数)が設けられている。照明制御器30D−1〜30D−nは、それぞれ複数の照明負荷20、・・・、20に接続されている。
照明制御器30D−1〜30D−nは、それぞれ、コントローラ31D、電源部33D、通信部35Dを備えている。電源部33Dは、負荷側給電ライン3、3から取り込んだ直流電力の電圧を必要により変換して、コントローラ31Dと通信部32Dへ与えると共に複数の照明負荷20、・・・、20にも供給する。電源部33Dには、照明負荷20へ与える電力を作成する回路或いは給電を行う回路が備えられ、この回路内には、半導体スイッチや可変抵抗により構成される電力供給調整部34Dが設けられている。電力供給調整部34Dは、コントローラ31Dに制御されて、スイッチ接点14(14−1〜14−n)においてアークが発生しない電流値まで電流を減少させる電力制御を行う。
壁スイッチ10Dには、照明制御器30D−1〜30D−nに電源側給電ライン2、2を介して接続されるスイッチ接点14−1〜14−nが備えられている。操作入力部12Dは、各照明制御器30D−1〜30D−nの照明負荷20に対する電力制御の指示を入力することが可能な操作部を有している。操作部を操作すると、操作入力部12Dが制御部11Dへ各照明制御器30D−1〜30D−n中の該当照明制御器30Dの直流電力の供給及び供給停止を指示する。制御部11Dは、操作入力部12Dにより所望照明制御器30Dの直流電力の供給停止を指示された場合には、送受信部16Dに該当照明制御器30Dへ電力遮断の通知を行わせる。
送受信部16Dは、照明制御器30D−1〜30D−nの通信部35Dと通信可能であり、例えば、通信情報にアドレスを含ませて照明制御器30D−1〜30D−nの識別を行う。以上の構成を除き、本実施形態の構成は、第2の実施形態の構成に等しい。
この構成によれば、照明制御器30D−1〜30D−nに対し個別に直流電力の供給とその停止を行うことができる。しかも、スイッチ接点14−1〜14−nの開放に拘らずアークが発生することなく安全に電力遮断を行うことが期待できる。この実施形態のように、複数の照明制御器30D−1〜30D−nと、それぞれに複数の照明負荷20、・・・、20を設け、照明制御器30D−1〜30D−nに対し個別に直流電力の供給とその停止を行う構成は、第1の実施形態から第4の実施形態と第6の実施形態のいずれにおいても採用することが可能である。
図6には、第6の実施形態に係る壁スイッチ10Eと照明制御器30Eによる照明システムの構成図が示されている。この実施形態では、壁スイッチ10Eの送受信部17Eと照明制御器30Eの送受信部36Eが、有線または無線の回線4を介して双方向に通信を行う。操作入力部12による操作によって、直流電力の供給及び供給停止を指示が制御部11Eへ与えられると、送受信部17Eから照明制御器30Eの送受信部36Eへ電力遮断の通知が行われる。
上記の通知を送受信部36Eから受け取ったコントローラ31Eは、電源部33の電力供給調整部34を制御して、スイッチ接点14においてアークが発生しない電流値まで電流を減少させる電力供給制御を実行すると共に、電力供給制御の応答(ACK)を送受信部36Eから送受信部17Eへ送出させる。
制御部11Eは、送受信部17Eから電力供給制御の応答(ACK)を受け取り、且つ、電流検出部19により検出された電流量を監視し、検出電流量が所定以下となったことが検出された場合にスイッチ接点14を開放する。以上の構成以外は、第4の実施形態と同じ構成を有している。この第5の実施形態によっても、スイッチ接点14の開放に拘らずアークは発生することなく安全に電力遮断を行うことができる。
この第6の実施形態によると、電力供給制御の応答(ACK)が返されて来たことと、電流検出部19により検出された電流量が所定以下となったことの双方が検出されたというダブルチェックによって、スイッチ接点14の開放を行うことになる。このため、ダブルチェックによってスイッチ接点14の開放を行うことになり、スイッチ接点14の開放に拘らずアークは発生しないことが確実であり、安全に電力遮断を行うことができシステムの安全性が向上する。
なお、上記第2〜6の実施形態において、照明制御器30A〜30Eに電力を供給する場合は、第1の実施形態と同様に、スイッチ接点14を閉じた後に照明制御器30A〜30Eへ電力供給の通知を行う。また、いずれの実施形態においても、スイッチ接点14が閉じられた直後のコントローラ31の立ち上げ時には、負荷側給電ライン3、3に流れる電流を、低電流の状態としておくことができる。その後、所定の時間が経過してから照明負荷20へ給電が可能なように出力を上昇させる制御を行うことができる。これによって、スイッチ接点14を閉じた直後の不安定な状態において大電流が流れることを防止でき、安全な電力供給が期待できる。
また、スイッチ接点14を開放するときには、照明制御器30〜30Eが壁スイッチ10A〜10E側から信号を受信するために必要な待機電力を消費する待機状態として、次に、スイッチ接点14においてアークが発生しない電流値まで電流を減少させる電力制御を行うことができる。
また、上記実施形態は適宜組み合わせて構成することができ、例えば第3または第4の実施形態で電力供給または遮断の通知を負荷側給電ライン3、3に重畳させて行うなど、本発明の主旨に応じて様々な変形を行うことが可能である。
2 電源側給電ライン 3 負荷側給電ライン
5 電流センサ 10、10A〜10E 壁スイッチ
11、11B、11C 制御部 12 操作入力部
13 電源部 14 スイッチ接点
18 タイマ 19 電流検出部
20 照明負荷 30、30A〜30E 照明制御器
31 コントローラ 33 電源部
34 電力供給調整部

Claims (8)

  1. 直流電力の供給及び供給停止を指示するための操作入力部と;
    電気器具と給電ラインで接続され、この給電ラインによって前記電気器具へ直流電力を供給するとともに、前記給電ラインに設けられたスイッチ接点と;
    前記操作入力部が直流電力の供給停止を指示した場合に、前記電気器具へ電力遮断の通知を行う通知手段と;
    前記電力遮断の通知の後に電気器具において電流を減少させる電力供給制御が行われたことを検出すると、前記スイッチ接点を開放する制御手段と;
    を具備することを特徴とする直流電力スイッチ装置。
  2. 前記制御手段は、前記スイッチ接点においてアークが発生しない電流値まで電流を減少させる電力供給制御が行われた状態を検出すると、スイッチ接点を開放することを特徴とする請求項1に記載の直流電力スイッチ装置。
  3. 前記スイッチ接点は、複数の電気機器に接続される複数のスイッチ接点により構成され、
    前記通知手段は、前記操作入力部が所望の電気機器への直流電力の供給停止を指示した場合に、対応する電気器具へ電力遮断の通知を行い、
    前記制御手段は、前記通知の後に該当電気器具において電流を減少させる電力供給制御が行われたことを検出すると、対応するスイッチ接点を開放することを特徴とする請求項1または2に記載の直流電力スイッチ装置。
  4. 電気器具から電力供給制御の通知を受け取る受信手段を備え、
    制御手段は、前記受信手段において電力供給制御の通知を受け取った場合に、前記スイッチ接点を開放することを特徴とする請求項1または2に記載の直流電力スイッチ装置。
  5. 電気器具へ電力遮断の通知を行ったときからの時間を計時するタイマを備え、
    前記制御手段は、前記タイマにより所定時間の経過を検出した場合に、前記スイッチ接点を開放することを特徴とする請求項1または2に記載の直流電力スイッチ装置。
  6. 給電ラインに流れる電流を検出する検出手段を備え、
    前記制御手段は、前記検出手段により検出電流量が所定以下となったことを検出した場合に、前記スイッチ接点を開放することを特徴とする請求項1または2に記載の直流電力スイッチ装置。
  7. 電力遮断の通知に対する応答として電力供給制御の通知を電気機器から受け取る受信手段と、
    前記給電ラインに流れる電流を検出する検出手段と、を備え、
    前記制御手段は、前記受信手段において電力供給制御の通知を受け取ると共に、前記検出手段において検出電流量が所定以下となったことを検出した場合に、前記スイッチ接点を開放することを特徴とする請求項1または2に記載の直流電力スイッチ装置。
  8. 前記操作入力部が直流電力の供給を指示した場合に、前記スイッチ接点を閉じた後に電気器具へ電力供給の通知を行うことを特徴とする請求項1ないし7のいずれか一に記載の直流電力スイッチ装置。
JP2010273451A 2009-12-18 2010-12-08 直流電力スイッチ装置 Expired - Fee Related JP5582007B2 (ja)

Priority Applications (5)

Application Number Priority Date Filing Date Title
JP2010273451A JP5582007B2 (ja) 2009-12-18 2010-12-08 直流電力スイッチ装置
CN2010800398574A CN102484003A (zh) 2009-12-18 2010-12-17 直流电力开关装置
US13/496,706 US20120169122A1 (en) 2009-12-18 2010-12-17 Direct current power switch device
PCT/JP2010/072764 WO2011074665A1 (ja) 2009-12-18 2010-12-17 直流電力スイッチ装置
EP10837689.8A EP2469553A4 (en) 2009-12-18 2010-12-17 DC SWITCHING DEVICE

Applications Claiming Priority (3)

Application Number Priority Date Filing Date Title
JP2009287769 2009-12-18
JP2009287769 2009-12-18
JP2010273451A JP5582007B2 (ja) 2009-12-18 2010-12-08 直流電力スイッチ装置

Publications (2)

Publication Number Publication Date
JP2011147332A JP2011147332A (ja) 2011-07-28
JP5582007B2 true JP5582007B2 (ja) 2014-09-03

Family

ID=44167415

Family Applications (1)

Application Number Title Priority Date Filing Date
JP2010273451A Expired - Fee Related JP5582007B2 (ja) 2009-12-18 2010-12-08 直流電力スイッチ装置

Country Status (5)

Country Link
US (1) US20120169122A1 (ja)
EP (1) EP2469553A4 (ja)
JP (1) JP5582007B2 (ja)
CN (1) CN102484003A (ja)
WO (1) WO2011074665A1 (ja)

Families Citing this family (1)

* Cited by examiner, † Cited by third party
Publication number Priority date Publication date Assignee Title
GB2583814B (en) * 2020-02-07 2021-05-12 Poweroptimal Pty Ltd Method and circuit for enabling a direct current source to power a load circuit designed for alternating current input

Family Cites Families (15)

* Cited by examiner, † Cited by third party
Publication number Priority date Publication date Assignee Title
US4598330A (en) * 1984-10-31 1986-07-01 International Business Machines Corporation High power direct current switching circuit
JPS6282622A (ja) * 1985-10-08 1987-04-16 三菱電機株式会社 直流しや断器回路
US4740858A (en) * 1985-08-06 1988-04-26 Mitsubishi Denki Kabushiki Kaisha Zero-current arc-suppression dc circuit breaker
JPS6282622U (ja) * 1985-11-14 1987-05-26
JPH026647U (ja) * 1988-06-29 1990-01-17
US7291940B2 (en) * 1998-10-09 2007-11-06 Azoteq Pty Ltd. Pressure sensitive switches including touch sensor structures
JP3969621B2 (ja) * 2000-02-21 2007-09-05 オムロン株式会社 車両用灯火制御装置
JP3848205B2 (ja) * 2002-04-26 2006-11-22 シャープ株式会社 電源供給装置
JP2004026010A (ja) * 2002-06-25 2004-01-29 Nissan Motor Co Ltd 車両用ランプ駆動装置
JP2009158298A (ja) * 2007-12-26 2009-07-16 Panasonic Electric Works Co Ltd 引掛シーリング
US8520352B2 (en) * 2008-02-25 2013-08-27 Xylem Ip Holdings Llc Multiple-channel active sensing and switching device
US7906913B2 (en) * 2008-04-18 2011-03-15 Osram Sylvania Inc. Low loss input channel detection device for a direct current powered lighting system
US9093993B2 (en) * 2008-07-31 2015-07-28 System General Corp. Power saving circuit for PWM circuit
US8005442B2 (en) * 2009-05-09 2011-08-23 Bae Systems Information And Electronic Systems Integration Inc. Wireless network connection system and method using injection locked oscillators
US8810991B2 (en) * 2010-10-05 2014-08-19 Rockwell Automation Technologies, Inc. Safety isolation systems and methods for switching DC loads

Also Published As

Publication number Publication date
EP2469553A1 (en) 2012-06-27
WO2011074665A1 (ja) 2011-06-23
JP2011147332A (ja) 2011-07-28
CN102484003A (zh) 2012-05-30
US20120169122A1 (en) 2012-07-05
EP2469553A4 (en) 2014-07-30

Similar Documents

Publication Publication Date Title
TW200746919A (en) Discharge lamp lighting device
US9935495B2 (en) Automatic transfer switch
JP2014073010A (ja) 分電盤および電力制御方法
JP3182508U (ja) 改良された二重入力電源
RU2013119629A (ru) Электронное управляющее устройство и способ снижения потребления энергии электрическим бытовым прибором, находящимся в режиме ожидания
KR20130109879A (ko) 직류배전용 전자식 스위치
US9537316B2 (en) Power management circuit for a multi-phase power supply
MY155813A (en) Ac vontage reduction by means of a transformer
JP5582007B2 (ja) 直流電力スイッチ装置
JP2011083090A (ja) 電力供給システム
JP6462371B2 (ja) 電力供給システム
JP2006271097A (ja) 電力供給制御装置
WO2012173348A3 (ko) 비상 시 전원 공급 차단 기능을 구비한 전원 공급 시스템
JP5109888B2 (ja) 無停電電源装置
JP5932566B2 (ja) 分散型電源システム
CN112703656A (zh) 供电装置以及供电系统
JP5098620B2 (ja) 電源スイッチ回路
JP6640956B1 (ja) 電力供給システム、電力供給装置および電力供給方法
JP6768244B2 (ja) アーク放電防止装置
JP2011123595A (ja) 交通信号システム
WO2017126047A1 (ja) パワーコンディショナ
WO2010053697A3 (en) Appliance control system with a zero crossing detecting circuit
CN113922481A (zh) 多电源自动切换的保护和监控系统
RU2313845C1 (ru) Устройство отключения постоянного тока контактным коммутационным аппаратом
JP5955621B2 (ja) 分電盤

Legal Events

Date Code Title Description
A621 Written request for application examination

Free format text: JAPANESE INTERMEDIATE CODE: A621

Effective date: 20130530

A131 Notification of reasons for refusal

Free format text: JAPANESE INTERMEDIATE CODE: A131

Effective date: 20140212

A521 Request for written amendment filed

Free format text: JAPANESE INTERMEDIATE CODE: A523

Effective date: 20140411

TRDD Decision of grant or rejection written
A01 Written decision to grant a patent or to grant a registration (utility model)

Free format text: JAPANESE INTERMEDIATE CODE: A01

Effective date: 20140617

A61 First payment of annual fees (during grant procedure)

Free format text: JAPANESE INTERMEDIATE CODE: A61

Effective date: 20140630

R151 Written notification of patent or utility model registration

Ref document number: 5582007

Country of ref document: JP

Free format text: JAPANESE INTERMEDIATE CODE: R151

LAPS Cancellation because of no payment of annual fees