JP2015114238A - ピークホールド回路およびピークホールド方法 - Google Patents

ピークホールド回路およびピークホールド方法 Download PDF

Info

Publication number
JP2015114238A
JP2015114238A JP2013257299A JP2013257299A JP2015114238A JP 2015114238 A JP2015114238 A JP 2015114238A JP 2013257299 A JP2013257299 A JP 2013257299A JP 2013257299 A JP2013257299 A JP 2013257299A JP 2015114238 A JP2015114238 A JP 2015114238A
Authority
JP
Japan
Prior art keywords
input
voltage
constant current
output
switch
Prior art date
Legal status (The legal status is an assumption and is not a legal conclusion. Google has not performed a legal analysis and makes no representation as to the accuracy of the status listed.)
Granted
Application number
JP2013257299A
Other languages
English (en)
Other versions
JP6223805B2 (ja
Inventor
喜市 佐藤
Kiichi Sato
喜市 佐藤
Current Assignee (The listed assignees may be inaccurate. Google has not performed a legal analysis and makes no representation or warranty as to the accuracy of the list.)
Shindengen Electric Manufacturing Co Ltd
Original Assignee
Shindengen Electric Manufacturing Co Ltd
Priority date (The priority date is an assumption and is not a legal conclusion. Google has not performed a legal analysis and makes no representation as to the accuracy of the date listed.)
Filing date
Publication date
Application filed by Shindengen Electric Manufacturing Co Ltd filed Critical Shindengen Electric Manufacturing Co Ltd
Priority to JP2013257299A priority Critical patent/JP6223805B2/ja
Publication of JP2015114238A publication Critical patent/JP2015114238A/ja
Application granted granted Critical
Publication of JP6223805B2 publication Critical patent/JP6223805B2/ja
Active legal-status Critical Current
Anticipated expiration legal-status Critical

Links

Images

Landscapes

  • Measurement Of Current Or Voltage (AREA)

Abstract

【課題】高速応答の信号を高精度にピークホールドする。【解決手段】一端に正極の電源電圧が入力され、他端から所定の定電流を出力する定電流回路CCCと、一端が定電流回路CCCの出力に接続され、他端に負極の電源電圧が入力され、定電流回路CCCが出力する定電流より小さい規定の電流を流す電流生成部CGと、一端が定電流回路CCCの出力に接続されるスイッチSWと、一端がスイッチSWの他端に接続され、他端が接地されているコンデンサCと、第1の入力がスイッチSWの他端とコンデンサCの一端とに接続され、出力が第2の入力に接続されたオペアンプAMPと、第1の入力に入力される電圧と、第2の入力に入力されるオペアンプAMPの出力電圧とを比較し、この比較結果に基づいて前記スイッチを制御するコンパレータCMPと、を備える。【選択図】図1

Description

本発明は、ピークホールド回路およびピークホールド方法に関する。
従来、入力信号の単極のピークを保持するピークホールド回路が知られている。この従来のピークホールド回路は、定電流回路による充電をオンオフするスイッチを制御することで、単極のピークを保持する動作を行っていた。
特開2006−211072号公報 特開2009−250628号公報
しかし、定電流回路による充電オン動作の開始時刻に電流出力していない定電流回路は飽和状態にある。これにより充電開始時に飽和状態から動作状態に回復するためにタイムラグが生じてしまう。このため従来のピークホールド回路は、高速応答の信号を高精度にピークホールドすることができないという問題があった。
そこで、本発明は上記問題に鑑みてなされたものであり、高速応答の信号を高精度にピークホールドすることを可能とするピークホールド回路およびピークホールド方法を提供することを目的とする。
本発明の一態様に係るピークホールド回路は、
一端に正極の電源電圧が入力され、他端から所定の定電流を出力する定電流回路と、
一端が前記定電流回路の出力に接続され、他端に負極の電源電圧が入力され、前記定電流回路が出力する定電流より小さい規定の電流を流す電流生成部と、
一端が前記定電流回路の出力に接続されるスイッチと、
一端が前記スイッチの他端に接続され、他端が接地されているコンデンサと、
第1の入力が前記スイッチの他端と前記コンデンサの一端とに接続され、出力が第2の入力に接続されたオペアンプと、
第1の入力に入力される電圧と、第2の入力に入力されるオペアンプの出力電圧とを比較し、この比較結果に基づいて前記スイッチを制御するコンパレータと、
を備える。
本発明の一態様は、前記ピークホールド回路において、
外部から入力された入力電圧が、所定の電圧未満の場合、前記入力電圧を前記所定の電圧だけマイナス側にシフトさせた電圧を前記コンパレータの前記第1の入力に出力し、前記入力電圧が前記所定の電圧以上の場合、前記入力電圧に応じた電圧を前記コンパレータの前記第1の入力に出力する電圧シフト部を更に備える。
本発明の一態様は、前記ピークホールド回路において、
ドレインに前記正極の電源電圧が入力され、ゲートに第2の基準電位が入力され、ソースが前記スイッチの一端及び前記電流生成部の一端に接続された定電流用MOSトランジスタを備え、
前記電流生成部が供給する電流の大きさは、前記定電流用MOSトランジスタが動作状態を維持できる範囲の電流値である。
本発明の一態様は、前記ピークホールド回路において、
前記電流生成部が供給する電流の大きさは、前記定電流用MOSトランジスタが動作状態を維持できる範囲の電流の下限値である。
本発明の一態様は、前記ピークホールド回路において、
前記定電流回路は、アノードに前記正極の電源電圧が入力され、カソードが前記スイッチの一端及び前記電流生成部の一端に接続された第1の定電流ダイオードである。
本発明の一態様は、前記ピークホールド回路において、
前記電流生成部は、アノードが前記定電流回路の出力に接続され、カソードが接地された第2の定電流ダイオードである。
本発明の一態様は、前記ピークホールド回路において、
前記電圧シフト部は、
一端から前記入力電圧が入力される第1の抵抗と、
一端が前記第1の抵抗の他端に接続され、前記第1の抵抗より抵抗値が小さい第2の抵抗と、
前記コンパレータの第1の入力の電圧が前記オペアンプの出力電圧未満の場合、前記第2の抵抗の他端に負の基準電位が入力されるように制御し、前記コンパレータの第1の入力の電圧が前記オペアンプの出力電圧以上の場合、前記第2の抵抗の他端に負の基準電位が入力されないように制御する切替部と、
を備える。
本発明の一態様は、前記ピークホールド回路において、
前記切替部は、前記コンパレータの出力電圧を反転して出力するインバータと、ゲートが前記インバータの出力に接続され、ソースに前記負の基準電位が入力され、ドレインが前記第2の抵抗の他端に接続されたシフト用MOSトランジスタと、を備える。
本発明の一態様は、前記ピークホールド回路において、
ドレインが前記コンデンサの一端と前記オペアンプの第1の入力とに接続され、ソースが接地され、ゲートに供給されるリセット信号に応じて制御されるスルー用MOSトランジスタを更に備える。
本発明の一態様は、前記ピークホールド回路において、
前記スイッチは、前記コンパレータの第1の入力に入力される電圧が前記オペアンプの出力以上の場合、前記コンデンサの一端と前記定電流回路の出力との間を導通させる。
本発明の一態様に係るピークホールド方法は、
一端に正極の電源電圧が入力され、他端から所定の定電流を出力する定電流回路と、一端が前記定電流回路の出力に接続され、他端に負極の電源電圧が入力され、前記定電流回路が出力する定電流より小さい規定の電流を流す電流生成部と、一端が前記定電流回路の出力に接続されるスイッチと、一端が前記スイッチの他端に接続され、他端が接地されているコンデンサと、第1の入力が前記スイッチの他端と前記コンデンサの一端とに接続され、出力が第2の入力に接続されたオペアンプと、第1の入力に電圧が入力され第2の入力が前記オペアンプの出力に接続されたコンパレータと、を備えるピークホールド回路が実行するピークホールド方法であって、
前記コンパレータが、前記コンパレータの第1の入力に入力される電圧と、前記コンパレータの第2の入力に入力されるオペアンプの出力電圧とを比較し、この比較結果に基づいて前記スイッチを制御するステップと、
前記オペアンプが、このオペアンプの第1の入力の電圧に応じた電圧を出力するステップと、
を有する。
したがって、本発明に係るピークホールド回路は、定電流回路は動作状態を維持するので定電流回路が飽和状態になることを防ぐことができる。そのため、定電流回路CCCは、スイッチがオン状態になった時からコンデンサの充電を即座に開始することができる。これにより、オペアンプの出力は、入力電圧に即座に追従することができる。その結果、ピークホールド回路は、高速応答の信号を高精度にピークホールドすることができる。
さらに、本発明に係るピークホールド方法は、定電流回路は動作状態を維持するので定電流回路が飽和状態になることを防ぐことができる。そのため、定電流回路CCCは、スイッチがオン状態になった時からコンデンサの充電を即座に開始することができる。これにより、オペアンプの出力は、入力電圧に即座に追従することができる。その結果、ピークホールド回路は、高速応答の信号を高精度にピークホールドすることができる。
図1は、本実施形態に係るピークホールド回路1の構成の一例を示す図である。 図2は、本実施形態に係るピークホールド回路1の入力電圧Vinと出力電圧Voutの波形の一例である。 図3は、本実施形態に係る電圧シフト部VSFTの構成の一例を示す図である。 図4は、本実施形態に係る定電流回路CCCの他の構成例を示す図である。 図5は、本実施形態に係る電流生成部CGの他の構成例を示す図である。 図6は、比較例におけるピークホールド回路100の構成の一例を示す図である。
<比較例>
図6に示すように、比較例におけるピークホールド回路100は、一端に正極の電源電圧が入力された定電流回路CCCと、ドレインが定電流回路CCCの他端に接続されたスイッチSWとを備える。ピークホールド回路100は、更に、一端がスイッチSWのソースと接続されたコンデンサCと、コンデンサCの一端に接続された抵抗R1と、ドレインが抵抗R1の他端に接続されソースが接地に接続されゲートにリセット信号SRが入力されるNMOSトランジスタQ1とを備える。
ピークホールド回路100は、更に、第1の入力(非反転入力端子)が抵抗R1の一端に接続され出力が第2の入力(反転入力端子)に接続されたオペアンプAMPと、第1の入力(非反転入力端子)に入力電圧Vinが入力され第2の入力(反転入力端子)にオペアンプAMPの出力が接続され出力がスイッチSWのコントローラCntに接続されたコンパレータCMPと、を備える。
ここで、スイッチSWが制御されて定電流回路CCCによるコンデンサCの充電を開始する際、定電流回路CCCがオフのため飽和状態にある。この飽和状態から動作状態に回復するまでに時間を要するので、充電動作の開始時刻から実際にコンデンサに充電を開始するまでにタイムラグが生じる。このため、比較例におけるピークホールド回路100は、出力が入力に追従するまでにタイムラグが生じてしまい、高速応答の信号を高精度にピークホールドすることができないという問題があった。
<本実施形態>
そこで、以下では、高速応答の信号を高精度にピークホールドすることを可能とする本実施形態に係るピークホールド回路およびピークホールド方法について説明する。以下、本発明に係る実施形態について図面に基づいて説明する。
図1に示すように、本発明の一態様である実施形態に係るピークホールド回路1は、一端に正極の電源電圧Vが入力され、他端から所定の定電流を出力する定電流回路CCCと、一端が定電流回路CCCの出力に接続され、他端に負極の電源電圧Vが入力され、定電流回路CCCが出力する定電流より小さい規定の電流を流す電流生成部CGとを備える。本実施形態では、負極の電源電圧Vは、一例として0Vである。更に、ピークホールド回路1は、一端Dが定電流回路CCCの出力に接続されるスイッチSWと、一端がスイッチSWの他端Sに接続され、他端が接地されているコンデンサCと、コンデンサCの一端に接続された抵抗R1とを備える。
更に、ピークホールド回路1は、ドレインが抵抗R1の他端に接続されソースが接地されゲートにリセット信号SRが入力されるNMOSトランジスタ(スルー用MOSトランジスタともいう)Q1を備える。
更に、ピークホールド回路1は、第1の入力(非反転入力端子)がスイッチSWの他端S、コンデンサCの一端及び抵抗R1の一端に接続され出力が第2の入力(反転入力端子)に接続されたオペアンプAMPを備える。
更に、ピークホールド回路1は、入力Iに入力電圧Vinが入力され、一端に負極の電源電圧Vが入力された電圧シフト部VSFTを備える。更に、ピークホールド回路1は、第1の入力(非反転入力端子)が電圧シフト部VSFTの出力Oに接続され、第2の入力(反転入力端子)がオペアンプAMPの出力に接続され出力がスイッチSWのコントローラCnt及びVSFTのコントローラCntに接続されたコンパレータCMPを備える。
定電流回路CCCは、所定の定電流(例えば、数mA)をスイッチSWのドレインへ出力する。本実施形態では、定電流回路CCCは、一例として、アノードに正極の電源電圧Vが入力され、カソードがスイッチSWの一端及び電流生成部CGの一端に接続された第1の定電流ダイオードCRD1である。
電流生成部CGは、定電流回路CCCが出力する定電流より小さい規定の電流(例えば、10μA)を流す。これにより、定電流回路CCCに常時、所定の定電流(例えば、数mA)の電流を流す場合よりも、ピークホールド回路1に常時流れる電流を小さくすることができるので、ピークホールド回路1の消費電力を低減することができる。
また、この規定の電流は、定電流回路CCCが動作状態を維持できる範囲の電流値である。この規定の電流は、好ましくは、定電流回路CCCが動作状態を維持できる範囲の電流の下限値である。これにより、定電流回路CCCが動作状態を維持するので定電流回路が飽和状態になることを防ぐことができるため、スイッチSWがオン状態になった時からコンデンサCの充電を即座に開始することができる。これにより、オペアンプAMPの出力は、入力電圧Vinに即座に追従することができる。その結果、本実施形態のピークホールド回路1は、高速応答の信号を高精度にピークホールドすることができる。
本実施形態では、電流生成部CGは、一例として、アノードが定電流回路CCCの出力に接続され、カソードが接地された第2の定電流ダイオードCRD2である。
スイッチSWのコントローラCntの電圧がハイレベルのときに、スイッチSWはオン状態になり一端Dと他端Sを導通させる。スイッチSWは、一例としてNMOSトランジスタである。その場合、一端Dは、ドレインで、他端Sはソースで、コントローラCntはゲートである。
オペアンプAMPは、オペアンプの第1の入力(非反転入力端子)の電圧に応じた電圧を出力する。本実施形態では、オペアンプAMPは、一例として、ボルテージフォロワであり、オペアンプAMPの非反転入力端子の電圧と同じ電圧を出力電圧Voutとして出力する。
電圧シフト部VSFTは、外部から入力された入力電圧Vinが、所定の電圧未満の場合、この入力電圧Vinを所定の電圧だけマイナス側にシフトさせた電圧をコンパレータCMPの第1の入力に出力し、この入力電圧Vinが所定の電圧以上の場合、この入力電圧Vinに応じた電圧をコンパレータCMPの第1の入力に出力する。これにより、入力電圧Vinが所定の電圧未満の間、コンパレータCMPの出力がローレベルに維持されて、スイッチSWがオフ状態のままに維持され、定電流回路CCCからコンデンサCへの充電がないままになるので、オペアンプAMPの出力電圧Voutを0Vのまま安定化させることができる。
コンパレータCMPは、第1の入力(非反転入力端子)に入力される電圧と、第2の入力(反転入力端子)に入力されるオペアンプAMPの出力電圧Voutとを比較し、この比較結果に基づいてスイッチSWを制御する。
例えば、コンパレータCMPは、第1の入力(非反転入力端子)に入力される電圧が第2の入力(反転入力端子)に入力されるオペアンプAMPの出力電圧Vout以上の場合、ハイレベルの制御信号SxをスイッチSWのコントローラCntに出力する。これにより、スイッチSWは、一端Dと他端Sを導通させる。
このように、スイッチSWは、コンパレータCMPの第1の入力に入力される電圧がオペアンプAMPの出力以上の場合、コンデンサCの一端と定電流回路CCCの出力との間を導通させる。
これにより、コンパレータCMPの第1の入力に入力される電圧がオペアンプAMPの出力以上の間、定電流回路CCCからコンデンサCに電流が供給され、コンデンサCが電荷を蓄積することで、コンデンサCの一端の電圧すなわちオペアンプAMPの第1の入力の電圧が上昇する。
オペアンプAMPは、一例として第1の入力の電圧と同じ電圧を出力する。このため、コンパレータCMPの第1の入力に入力される電圧がオペアンプAMPの出力以上の間、オペアンプAMPの出力電圧Voutが上昇する。このため、図2に示すように、オペアンプAMPの出力すなわちピークホールド回路1の出力の電圧は、ピークホールド回路1の入力の電圧の上昇に追従して上昇する。
一方、コンパレータCMPは、第1の入力(非反転入力端子)に入力される電圧が第2の入力(反転入力端子)に入力されるオペアンプAMPの出力電圧Vout未満の場合、ローレベルの制御信号SxをスイッチSWのコントローラCntに出力する。これにより、スイッチSWは、一端Dと他端Sを非導通にさせる。
このように、スイッチSWは、コンパレータCMPの第1の入力に入力される電圧がオペアンプAMPの出力未満の場合、コンデンサCの一端と定電流回路CCCの出力との間を非導通にさせる。
これにより、コンパレータCMPの第1の入力に入力される電圧がオペアンプAMPの出力未満の間、定電流回路CCCからコンデンサCには電流が供給されないので、コンデンサCに蓄積される電荷が、それまでに蓄積された電荷量で維持され、コンデンサCの一端の電圧すなわちオペアンプAMPの第1の入力の電圧が、一定の電圧で維持される。その結果、コンパレータCMPの第1の入力に入力される電圧がオペアンプAMPの出力未満の間、オペアンプAMPの出力の電圧がほぼ一定の電圧で維持される。このため、図2に示すように、オペアンプAMPの出力すなわちピークホールド回路1の出力電圧Voutは、ピークホールド回路1の入力電圧Vinが下降しても、一定の電圧を維持する。
NMOSトランジスタQ1は、ドレインが抵抗R1を介してコンデンサC1の一端とオペアンプAMPの第1の入力とに接続され、ソースが接地され、ゲートに供給されるリセット信号SRに応じて制御される。
ピークホールド回路1が入力電圧Vinのピークに応じた電圧を出力する場合、リセット信号SRがローレベルである。この場合、NMOSトランジスタQ1は、オフ状態であり、コンデンサCに電荷が蓄積される。これにより、オペアンプAMPの非反転入力端子の電圧は、コンデンサCに電荷が蓄積されるほどオペアンプAMPの非反転入力端子の電圧は大きくなる。その結果、オペアンプAMPの出力電圧VoutはコンデンサCに電荷が蓄積されるほどオペアンプAMPの出力電圧Voutは大きくなる。
一方、ピークホールド回路1の出力をリセットする場合、リセット信号SRがハイレベルである。この場合、NMOSトランジスタQ1は、オン状態であり、コンデンサCに蓄積された電荷がNMOSトランジスタQ1のドレインとソース間を介して放電される。これにより、オペアンプAMPの非反転入力端子の電圧は0Vとなるので、オペアンプAMPの出力電圧Voutは0Vとなる。
続いて、電圧シフト部VSFTの回路構成について説明する。図3に示すように、電圧シフト部VSFTは、一端から上記入力電圧Vinが入力される第1の抵抗RINと、一端が第1の抵抗RINの他端に接続された第2の抵抗ROFFとを備える。更に、電圧シフト部VSFTは、第1端が第2の抵抗ROFFに接続され第2端がコンパレータCMPの出力に接続された切替部SPと、負極が切替部SPの第3端に接続され正極が接地された基準電圧源VGNを備える。
第2の抵抗ROFFは、第1の抵抗RINより抵抗値が小さい。第2の抵抗ROFFと第1の抵抗RINの抵抗値の比率は、負の基準電位(−Voffset)の分圧比に応じて予め決められている。例えば、負の基準電位(−Voffset)が−1Vの場合、一例として第1の抵抗RINは100kΩで、第2の抵抗RINは100Ωである。これにより、負の基準電位(−Voffset)が約1000分の1に分圧されることで、コンパレータCMPの非反転入力端子に、約−1mVのオフセット電圧がかかる。
切替部SPは、コンパレータCMPの第1の入力の電圧がオペアンプAMPの出力電圧Vout未満の場合、第2の抵抗ROFFの他端に負の基準電位(−Voffset)が入力されるように制御し、コンパレータCMPの第1の入力の電圧がオペアンプAMPの出力電圧Vout以上の場合、第2の抵抗ROFFの他端に負の基準電位(−Voffset)が入力されないように制御する。
ここで、切替部SPは、一例として、コンパレータCMPの出力に接続され、コンパレータCMPが出力する制御信号Sxを反転して出力するインバータINVと、ゲートがインバータINVの出力に接続され、ソースが基準電圧源VGNの負極に接続され、ドレインが第2の抵抗ROFFの他端に接続されたNMOSトランジスタ(シフト用MOSトランジスタともいう)Q2とを備える。
入力電圧Vinが上述した上述したオフセット電圧の絶対値未満の場合、コンパレータCMPが出力する制御信号Sxはローレベルであり、インバータINVが出力する信号は、ハイレベルである。これにより、NMOSトランジスタQ2はオン状態となり、コンパレータCMPの非反転入力端子に負のオフセット電圧がかかる。
一方、入力電圧Vinが上述した上述したオフセット電圧の絶対値以上の場合、コンパレータCMPが出力する制御信号Sxハイレベルであり、インバータINVが出力する信号は、ローレベルである。これにより、NMOSトランジスタQ2はオフ状態となり、コンパレータCMPの非反転入力端子に負のオフセット電圧がかからなくなる。
従って、入力電圧Vinが上述したオフセット電圧の絶対値以上になるまでは、コンパレータCMPの出力がローレベルに維持される。このため、スイッチがオフ状態のままに維持され、定電流回路CCCからコンデンサCへの充電がないままになるので、オペアンプAMPの出力電圧Voutを0Vのまま安定化させることができる。
以上のように、本発明の一態様に係るピークホールド回路1は、所定の定電流を出力する定電流回路CCCと、一端が定電流回路CCCの出力に接続され、他端が接地され、定電流回路CCCが出力する定電流より小さい規定の電流を流す電流生成部CGと、一端が定電流回路CCCの出力に接続されるスイッチと、一端がスイッチSWの他端に接続され、他端が接地されているコンデンサCと、第1の入力がスイッチSWの他端とコンデンサXの一端とに接続され、出力が第2の入力に接続されたオペアンプAMPと、第1の入力に入力される電圧と、第2の入力に入力されるオペアンプAMPの出力電圧Voutとを比較し、この比較結果に基づいてスイッチSWを制御するコンパレータCMPと、を備える。
これにより、定電流回路CCCが動作状態を維持するので定電流回路CCCが飽和状態になることを防ぐことができる。そのため定電流回路CCCは、スイッチがオン状態になった時からコンデンサの充電を即座に開始することができる。これにより、オペアンプAMPの出力は、入力電圧Vinに即座に追従することができる。その結果、ピークホールド回路1は、高速応答の信号を高精度にピークホールドすることができる。
また、本発明の一態様に係るピークホールド回路1は、外部から入力された入力電圧Vinが、所定の電圧未満場合、この入力電圧Vinをこの所定の電圧だけマイナス側にシフトさせた信号をコンパレータCMPの第1の入力に出力し、この入力電圧Vinがこの所定の電圧以上の場合、この入力電圧Vinに応じた電圧をコンパレータCMPのこの第1の入力に出力する電圧シフト部VSFTを更に備える。
これにより、入力電圧Vinが所定の電圧を超えるまでは、コンパレータの出力がローレベルに維持される。このためスイッチがオフ状態のままに維持され、定電流回路からコンデンサへの充電がないままになるので、オペアンプの出力電圧Voutを0Vのまま安定化させることができる。
なお、本実施形態において、定電流回路CCCは、第1の定電流ダイオードCRD1としたが、これに限ったものではない。
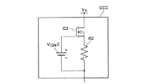
例えば図4に示すように、定電流回路CCCは、ドレインに正極の電源電圧Vが入力されたNMOSトランジスタ(定電流用MOSトランジスタともいう)Q3を備えてもよい。更に、定電流回路CCCは、正極がNMOSトランジスタQ3のゲートに接続され、負極がスイッチSWの一端D及び電流生成部CGの一端に接続された基準電圧源VGN2を備えてもよい。更に、定電流回路CCCは、一端がNMOSトランジスタQ3のソースに接続され他端がスイッチSWの一端D及び電流生成部CGの一端に接続された抵抗R2を備えてもよい。
これにより、NMOSトランジスタQ3のゲートに第2の基準電位が入力され、NMOSトランジスタQ3のソースは、抵抗R2を介して、スイッチSWの一端D及び電流生成部CGの一端に接続される。
その場合、電流生成部CGが供給する電流の大きさは、NMOSトランジスタQ3が動作状態を維持できる範囲の電流値である。好ましくは、電流生成部CGが供給する電流の大きさは、NMOSトランジスタQ3が動作状態を維持できる範囲の電流の下限値である。
なお、本実施形態において、電流生成部CGは、第2の定電流ダイオードCRD2としたが、これに限ったものではない。
例えば図5に示すように、電流生成部CGは、ドレインがスイッチSWの一端D及び定電流回路CCCの他端に接続されたNMOSトランジスタ(定電流源用MOSトランジスタともいう)Q4を備えてもよい。更に、電流生成部CGは、正極がNMOSトランジスタQ4のゲートに接続され、負極に負極の電源電圧が入力された基準電圧源VGN3を備えてもよい。更に、電流生成部CGは、一端がNMOSトランジスタQ3のソースに接続され他端に負極の電源電圧が入力された抵抗R3を備えてもよい。
これにより、NMOSトランジスタQ4のゲートに第3の基準電位が入力され、NMOSトランジスタQ3のソースに第4の基準電位が入力される。
また、本発明の一態様に係るピークホールド方法は、一端に正極の電源電圧が入力され、他端から所定の定電流を出力する定電流回路CCCと、一端が定電流回路CCCの出力に接続され、他端に負極の電源電圧が入力され、定電流回路CCCが出力する定電流より小さい規定の電流を流す電流生成部CGと、を備える。更に、ピークホールド回路は、一端が定電流回路CCCの出力に接続されるスイッチSWと、一端が前記スイッチの他端に接続され、他端が接地されているコンデンサCと、を備える。更に、ピークホールド回路は、第1の入力がスイッチSWの他端とコンデンサCの一端とに接続され、出力が第2の入力に接続されたオペアンプAMPと、第1の入力に電圧が入力され第2の入力がオペアンプAMPの出力に接続されたコンパレータCMPと、を備えるピークホールド回路が実行するピークホールド方法であって、以下の手順を有する。
(第1のステップ)まず、コンパレータCMPが、コンパレータCMPの第1の入力に入力される電圧と、コンパレータCMPの第2の入力に入力されるオペアンプの出力電圧Voutとを比較し、この比較結果に基づいてスイッチSWを制御する。
(第2のステップ)第1のステップと並行して、または第1のステップの後に、オペアンプAMPが、オペアンプAMPの第1の入力の電圧に応じた電圧を出力する。
なお、実施形態は例示であり、発明の範囲はそれらに限定されない。
1、100 ピークホールド回路
VSFT 電圧シフト部
CMP コンパレータ
SW スイッチ
CCC 定電流回路
CG 電流生成部
CRD1 第1の定電流ダイオード
CRD2 第2の定電流ダイオード
C コンデンサ
R1、R2、R3 抵抗
Q1、Q2、Q3、Q4 NMOSトランジスタ
AMP オペアンプ
IN 第1の抵抗
OFF 第2の抵抗
SP 切替部
INV インバータ
GN、VGN2、VGN3 基準電圧源

Claims (11)

  1. 一端に正極の電源電圧が入力され、他端から所定の定電流を出力する定電流回路と、
    一端が前記定電流回路の出力に接続され、他端に負極の電源電圧が入力され、前記定電流回路が出力する定電流より小さい規定の電流を流す電流生成部と、
    一端が前記定電流回路の出力に接続されるスイッチと、
    一端が前記スイッチの他端に接続され、他端が接地されているコンデンサと、
    第1の入力が前記スイッチの他端と前記コンデンサの一端とに接続され、出力が第2の入力に接続されたオペアンプと、
    第1の入力に入力される電圧と、第2の入力に入力されるオペアンプの出力電圧とを比較し、この比較結果に基づいて前記スイッチを制御するコンパレータと、
    を備えるピークホールド回路。
  2. 外部から入力された入力電圧が、所定の電圧未満の場合、前記入力電圧を前記所定の電圧だけマイナス側にシフトさせた電圧を前記コンパレータの前記第1の入力に出力し、前記入力電圧が前記所定の電圧以上の場合、前記入力電圧に応じた電圧を前記コンパレータの前記第1の入力に出力する電圧シフト部を更に備える
    請求項1に記載のピークホールド回路。
  3. 前記定電流回路は、
    ドレインに前記正極の電源電圧が入力され、ゲートに第2の基準電位が入力され、ソースが前記スイッチの一端及び前記電流生成部の一端に接続された定電流用MOSトランジスタを備え、
    前記電流生成部が供給する電流の大きさは、前記定電流用MOSトランジスタが動作状態を維持できる範囲の電流値である
    請求項1または2に記載のピークホールド回路。
  4. 前記電流生成部が供給する電流の大きさは、前記定電流用MOSトランジスタが動作状態を維持できる範囲の電流の下限値である
    請求項3に記載のピークホールド回路。
  5. 前記定電流回路は、アノードに前記正極の電源電圧が入力され、カソードが前記スイッチの一端及び前記電流生成部の一端に接続された第1の定電流ダイオードである
    請求項1または2に記載のピークホールド回路。
  6. 前記電流生成部は、アノードが前記定電流回路の出力に接続され、カソードが接地された第2の定電流ダイオードである
    を備える請求項1から5のいずれか一項に記載のピークホールド回路。
  7. 前記電圧シフト部は、
    一端から前記入力電圧が入力される第1の抵抗と、
    一端が前記第1の抵抗の他端に接続され、前記第1の抵抗より抵抗値が小さい第2の抵抗と、
    前記コンパレータの第1の入力の電圧が前記オペアンプの出力電圧未満の場合、前記第2の抵抗の他端に負の基準電位が入力されるように制御し、前記コンパレータの第1の入力の電圧が前記オペアンプの出力電圧以上の場合、前記第2の抵抗の他端に負の基準電位が入力されないように制御する切替部と、
    を備える請求項2に記載のピークホールド回路。
  8. 前記切替部は、前記コンパレータの出力電圧を反転して出力するインバータと、ゲートが前記インバータの出力に接続され、ソースに前記負の基準電位が入力され、ドレインが前記第2の抵抗の他端に接続されたシフト用MOSトランジスタと、を備える
    請求項7に記載のピークホールド回路。
  9. ドレインが前記コンデンサの一端と前記オペアンプの第1の入力とに接続され、ソースが接地され、ゲートに供給されるリセット信号に応じて制御されるスルー用MOSトランジスタを更に備える
    請求項1から8のいずれか一項に記載のピークホールド回路。
  10. 前記スイッチは、前記コンパレータの第1の入力に入力される電圧が前記オペアンプの出力以上の場合、前記コンデンサの一端と前記定電流回路の出力との間を導通させる
    請求項1から9のいずれか一項に記載のピークホールド回路。
  11. 一端に正極の電源電圧が入力され、他端から所定の定電流を出力する定電流回路と、一端が前記定電流回路の出力に接続され、他端に負極の電源電圧が入力され、前記定電流回路が出力する定電流より小さい規定の電流を流す電流生成部と、一端が前記定電流回路の出力に接続されるスイッチと、一端が前記スイッチの他端に接続され、他端が接地されているコンデンサと、第1の入力が前記スイッチの他端と前記コンデンサの一端とに接続され、出力が第2の入力に接続されたオペアンプと、第1の入力に電圧が入力され第2の入力が前記オペアンプの出力に接続されたコンパレータと、を備えるピークホールド回路が実行するピークホールド方法であって、
    前記コンパレータが、前記コンパレータの第1の入力に入力される電圧と、前記コンパレータの第2の入力に入力されるオペアンプの出力電圧とを比較し、この比較結果に基づいて前記スイッチを制御するステップと、
    前記オペアンプが、前記オペアンプの第1の入力の電圧に応じた電圧を出力するステップと、
    を有するピークホールド方法。
JP2013257299A 2013-12-12 2013-12-12 ピークホールド回路およびピークホールド方法 Active JP6223805B2 (ja)

Priority Applications (1)

Application Number Priority Date Filing Date Title
JP2013257299A JP6223805B2 (ja) 2013-12-12 2013-12-12 ピークホールド回路およびピークホールド方法

Applications Claiming Priority (1)

Application Number Priority Date Filing Date Title
JP2013257299A JP6223805B2 (ja) 2013-12-12 2013-12-12 ピークホールド回路およびピークホールド方法

Publications (2)

Publication Number Publication Date
JP2015114238A true JP2015114238A (ja) 2015-06-22
JP6223805B2 JP6223805B2 (ja) 2017-11-01

Family

ID=53528158

Family Applications (1)

Application Number Title Priority Date Filing Date
JP2013257299A Active JP6223805B2 (ja) 2013-12-12 2013-12-12 ピークホールド回路およびピークホールド方法

Country Status (1)

Country Link
JP (1) JP6223805B2 (ja)

Cited By (1)

* Cited by examiner, † Cited by third party
Publication number Priority date Publication date Assignee Title
JP2019118079A (ja) * 2017-12-27 2019-07-18 株式会社クボタ 端末装置

Families Citing this family (5)

* Cited by examiner, † Cited by third party
Publication number Priority date Publication date Assignee Title
JP2838585B2 (ja) 1990-09-19 1998-12-16 株式会社西日本流体技研 回流水槽の定在波打ち消し装置
US11527774B2 (en) 2011-06-29 2022-12-13 Space Charge, LLC Electrochemical energy storage devices
US9853325B2 (en) 2011-06-29 2017-12-26 Space Charge, LLC Rugged, gel-free, lithium-free, high energy density solid-state electrochemical energy storage devices
US11996517B2 (en) 2011-06-29 2024-05-28 Space Charge, LLC Electrochemical energy storage devices
WO2019173626A1 (en) 2018-03-07 2019-09-12 Space Charge, LLC Thin-film solid-state energy-storage devices

Citations (6)

* Cited by examiner, † Cited by third party
Publication number Priority date Publication date Assignee Title
JPH01141366A (ja) * 1987-11-27 1989-06-02 Matsushita Electric Ind Co Ltd ピーク検出回路
JPH114033A (ja) * 1997-06-11 1999-01-06 Fujitsu Ltd 発光素子駆動回路
JPH11242059A (ja) * 1998-02-26 1999-09-07 Fujitsu Ten Ltd ピークホールド回路
JP2002082139A (ja) * 2000-09-05 2002-03-22 Advantest Corp 電源電圧監視回路
JP2004198335A (ja) * 2002-12-20 2004-07-15 Seiko Instruments Inc 電圧検出回路
JP2007170881A (ja) * 2005-12-20 2007-07-05 Nippon Inter Electronics Corp 電圧監視回路、ゲートドライバー回路およびスイッチング電源回路

Patent Citations (6)

* Cited by examiner, † Cited by third party
Publication number Priority date Publication date Assignee Title
JPH01141366A (ja) * 1987-11-27 1989-06-02 Matsushita Electric Ind Co Ltd ピーク検出回路
JPH114033A (ja) * 1997-06-11 1999-01-06 Fujitsu Ltd 発光素子駆動回路
JPH11242059A (ja) * 1998-02-26 1999-09-07 Fujitsu Ten Ltd ピークホールド回路
JP2002082139A (ja) * 2000-09-05 2002-03-22 Advantest Corp 電源電圧監視回路
JP2004198335A (ja) * 2002-12-20 2004-07-15 Seiko Instruments Inc 電圧検出回路
JP2007170881A (ja) * 2005-12-20 2007-07-05 Nippon Inter Electronics Corp 電圧監視回路、ゲートドライバー回路およびスイッチング電源回路

Cited By (2)

* Cited by examiner, † Cited by third party
Publication number Priority date Publication date Assignee Title
JP2019118079A (ja) * 2017-12-27 2019-07-18 株式会社クボタ 端末装置
JP7071116B2 (ja) 2017-12-27 2022-05-18 株式会社クボタ 端末装置

Also Published As

Publication number Publication date
JP6223805B2 (ja) 2017-11-01

Similar Documents

Publication Publication Date Title
JP6223805B2 (ja) ピークホールド回路およびピークホールド方法
US20090315530A1 (en) Pulse controlled soft start scheme for buck converter
JP5405891B2 (ja) 電源装置、制御回路、電源装置の制御方法
JP2011223829A (ja) 負電圧チャージポンプ回路の制御回路および負電圧チャージポンプ回路、ならびにそれらを用いた電子機器およびオーディオシステム
TWI435522B (zh) 充電泵控制器及其方法
US9374007B2 (en) DC/DC converter
JP2009130879A (ja) レベルシフト回路
KR101701613B1 (ko) 게이트 전위 제어 회로
CN107168433B (zh) 输出电路
JP2014117045A (ja) チャージポンプ回路
US9791882B2 (en) Voltage source
US9559583B2 (en) Power converter with a wave generator that filters a wave signal to generate an output voltage
US9158318B2 (en) Power supply apparatus which suprresses output voltage variation
JP6458659B2 (ja) スイッチング素子の駆動装置
JP4630165B2 (ja) Dc−dcコンバータ
JP5398422B2 (ja) スイッチング電源装置
JP2016048490A (ja) 電源制御回路および電源装置
US9354647B2 (en) Adjustable reference current generating circuit and method for driving the same
JP2014057404A (ja) 過電流検出回路及び電流制限回路
JP5593104B2 (ja) リップルコンバータ
JP5881664B2 (ja) 電源装置、制御回路、電源装置の制御方法
JP6421707B2 (ja) 電源回路
JP2014079047A (ja) Dc/dcコンバータ
JP2017509304A (ja) Dc/dcコンバータ及びdc/dcコンバータの駆動方法
JP2008011585A (ja) スイッチングレギュレータ

Legal Events

Date Code Title Description
A621 Written request for application examination

Free format text: JAPANESE INTERMEDIATE CODE: A621

Effective date: 20160512

A977 Report on retrieval

Free format text: JAPANESE INTERMEDIATE CODE: A971007

Effective date: 20170216

A131 Notification of reasons for refusal

Free format text: JAPANESE INTERMEDIATE CODE: A131

Effective date: 20170228

A521 Request for written amendment filed

Free format text: JAPANESE INTERMEDIATE CODE: A523

Effective date: 20170317

TRDD Decision of grant or rejection written
A01 Written decision to grant a patent or to grant a registration (utility model)

Free format text: JAPANESE INTERMEDIATE CODE: A01

Effective date: 20170905

A61 First payment of annual fees (during grant procedure)

Free format text: JAPANESE INTERMEDIATE CODE: A61

Effective date: 20171004

R150 Certificate of patent or registration of utility model

Ref document number: 6223805

Country of ref document: JP

Free format text: JAPANESE INTERMEDIATE CODE: R150