JP2010084147A - ホログラフィック媒体を製造するためのポリエーテル系ポリウレタン組成物 - Google Patents
ホログラフィック媒体を製造するためのポリエーテル系ポリウレタン組成物 Download PDFInfo
- Publication number
- JP2010084147A JP2010084147A JP2009226490A JP2009226490A JP2010084147A JP 2010084147 A JP2010084147 A JP 2010084147A JP 2009226490 A JP2009226490 A JP 2009226490A JP 2009226490 A JP2009226490 A JP 2009226490A JP 2010084147 A JP2010084147 A JP 2010084147A
- Authority
- JP
- Japan
- Prior art keywords
- component
- acrylate
- polyurethane composition
- oxide
- meth
- Prior art date
- Legal status (The legal status is an assumption and is not a legal conclusion. Google has not performed a legal analysis and makes no representation as to the accuracy of the status listed.)
- Granted
Links
Images
Classifications
-
- C—CHEMISTRY; METALLURGY
- C08—ORGANIC MACROMOLECULAR COMPOUNDS; THEIR PREPARATION OR CHEMICAL WORKING-UP; COMPOSITIONS BASED THEREON
- C08G—MACROMOLECULAR COMPOUNDS OBTAINED OTHERWISE THAN BY REACTIONS ONLY INVOLVING UNSATURATED CARBON-TO-CARBON BONDS
- C08G18/00—Polymeric products of isocyanates or isothiocyanates
- C08G18/06—Polymeric products of isocyanates or isothiocyanates with compounds having active hydrogen
- C08G18/28—Polymeric products of isocyanates or isothiocyanates with compounds having active hydrogen characterised by the compounds used containing active hydrogen
- C08G18/40—High-molecular-weight compounds
- C08G18/42—Polycondensates having carboxylic or carbonic ester groups in the main chain
- C08G18/4266—Polycondensates having carboxylic or carbonic ester groups in the main chain prepared from hydroxycarboxylic acids and/or lactones
- C08G18/4269—Lactones
- C08G18/4277—Caprolactone and/or substituted caprolactone
-
- C—CHEMISTRY; METALLURGY
- C08—ORGANIC MACROMOLECULAR COMPOUNDS; THEIR PREPARATION OR CHEMICAL WORKING-UP; COMPOSITIONS BASED THEREON
- C08L—COMPOSITIONS OF MACROMOLECULAR COMPOUNDS
- C08L75/00—Compositions of polyureas or polyurethanes; Compositions of derivatives of such polymers
- C08L75/04—Polyurethanes
-
- C—CHEMISTRY; METALLURGY
- C08—ORGANIC MACROMOLECULAR COMPOUNDS; THEIR PREPARATION OR CHEMICAL WORKING-UP; COMPOSITIONS BASED THEREON
- C08G—MACROMOLECULAR COMPOUNDS OBTAINED OTHERWISE THAN BY REACTIONS ONLY INVOLVING UNSATURATED CARBON-TO-CARBON BONDS
- C08G18/00—Polymeric products of isocyanates or isothiocyanates
- C08G18/06—Polymeric products of isocyanates or isothiocyanates with compounds having active hydrogen
- C08G18/28—Polymeric products of isocyanates or isothiocyanates with compounds having active hydrogen characterised by the compounds used containing active hydrogen
- C08G18/40—High-molecular-weight compounds
- C08G18/48—Polyethers
-
- C—CHEMISTRY; METALLURGY
- C08—ORGANIC MACROMOLECULAR COMPOUNDS; THEIR PREPARATION OR CHEMICAL WORKING-UP; COMPOSITIONS BASED THEREON
- C08G—MACROMOLECULAR COMPOUNDS OBTAINED OTHERWISE THAN BY REACTIONS ONLY INVOLVING UNSATURATED CARBON-TO-CARBON BONDS
- C08G18/00—Polymeric products of isocyanates or isothiocyanates
- C08G18/06—Polymeric products of isocyanates or isothiocyanates with compounds having active hydrogen
- C08G18/28—Polymeric products of isocyanates or isothiocyanates with compounds having active hydrogen characterised by the compounds used containing active hydrogen
- C08G18/40—High-molecular-weight compounds
- C08G18/48—Polyethers
- C08G18/4825—Polyethers containing two hydroxy groups
-
- C—CHEMISTRY; METALLURGY
- C08—ORGANIC MACROMOLECULAR COMPOUNDS; THEIR PREPARATION OR CHEMICAL WORKING-UP; COMPOSITIONS BASED THEREON
- C08G—MACROMOLECULAR COMPOUNDS OBTAINED OTHERWISE THAN BY REACTIONS ONLY INVOLVING UNSATURATED CARBON-TO-CARBON BONDS
- C08G18/00—Polymeric products of isocyanates or isothiocyanates
- C08G18/06—Polymeric products of isocyanates or isothiocyanates with compounds having active hydrogen
- C08G18/28—Polymeric products of isocyanates or isothiocyanates with compounds having active hydrogen characterised by the compounds used containing active hydrogen
- C08G18/40—High-molecular-weight compounds
- C08G18/48—Polyethers
- C08G18/4833—Polyethers containing oxyethylene units
- C08G18/4837—Polyethers containing oxyethylene units and other oxyalkylene units
- C08G18/4841—Polyethers containing oxyethylene units and other oxyalkylene units containing oxyethylene end groups
-
- C—CHEMISTRY; METALLURGY
- C08—ORGANIC MACROMOLECULAR COMPOUNDS; THEIR PREPARATION OR CHEMICAL WORKING-UP; COMPOSITIONS BASED THEREON
- C08G—MACROMOLECULAR COMPOUNDS OBTAINED OTHERWISE THAN BY REACTIONS ONLY INVOLVING UNSATURATED CARBON-TO-CARBON BONDS
- C08G18/00—Polymeric products of isocyanates or isothiocyanates
- C08G18/06—Polymeric products of isocyanates or isothiocyanates with compounds having active hydrogen
- C08G18/28—Polymeric products of isocyanates or isothiocyanates with compounds having active hydrogen characterised by the compounds used containing active hydrogen
- C08G18/67—Unsaturated compounds having active hydrogen
- C08G18/671—Unsaturated compounds having only one group containing active hydrogen
- C08G18/672—Esters of acrylic or alkyl acrylic acid having only one group containing active hydrogen
-
- C—CHEMISTRY; METALLURGY
- C08—ORGANIC MACROMOLECULAR COMPOUNDS; THEIR PREPARATION OR CHEMICAL WORKING-UP; COMPOSITIONS BASED THEREON
- C08G—MACROMOLECULAR COMPOUNDS OBTAINED OTHERWISE THAN BY REACTIONS ONLY INVOLVING UNSATURATED CARBON-TO-CARBON BONDS
- C08G18/00—Polymeric products of isocyanates or isothiocyanates
- C08G18/06—Polymeric products of isocyanates or isothiocyanates with compounds having active hydrogen
- C08G18/70—Polymeric products of isocyanates or isothiocyanates with compounds having active hydrogen characterised by the isocyanates or isothiocyanates used
- C08G18/72—Polyisocyanates or polyisothiocyanates
-
- C—CHEMISTRY; METALLURGY
- C08—ORGANIC MACROMOLECULAR COMPOUNDS; THEIR PREPARATION OR CHEMICAL WORKING-UP; COMPOSITIONS BASED THEREON
- C08G—MACROMOLECULAR COMPOUNDS OBTAINED OTHERWISE THAN BY REACTIONS ONLY INVOLVING UNSATURATED CARBON-TO-CARBON BONDS
- C08G18/00—Polymeric products of isocyanates or isothiocyanates
- C08G18/06—Polymeric products of isocyanates or isothiocyanates with compounds having active hydrogen
- C08G18/70—Polymeric products of isocyanates or isothiocyanates with compounds having active hydrogen characterised by the isocyanates or isothiocyanates used
- C08G18/72—Polyisocyanates or polyisothiocyanates
- C08G18/77—Polyisocyanates or polyisothiocyanates having heteroatoms in addition to the isocyanate or isothiocyanate nitrogen and oxygen or sulfur
- C08G18/776—Polyisocyanates or polyisothiocyanates having heteroatoms in addition to the isocyanate or isothiocyanate nitrogen and oxygen or sulfur phosphorus
-
- C—CHEMISTRY; METALLURGY
- C08—ORGANIC MACROMOLECULAR COMPOUNDS; THEIR PREPARATION OR CHEMICAL WORKING-UP; COMPOSITIONS BASED THEREON
- C08G—MACROMOLECULAR COMPOUNDS OBTAINED OTHERWISE THAN BY REACTIONS ONLY INVOLVING UNSATURATED CARBON-TO-CARBON BONDS
- C08G18/00—Polymeric products of isocyanates or isothiocyanates
- C08G18/06—Polymeric products of isocyanates or isothiocyanates with compounds having active hydrogen
- C08G18/70—Polymeric products of isocyanates or isothiocyanates with compounds having active hydrogen characterised by the isocyanates or isothiocyanates used
- C08G18/72—Polyisocyanates or polyisothiocyanates
- C08G18/77—Polyisocyanates or polyisothiocyanates having heteroatoms in addition to the isocyanate or isothiocyanate nitrogen and oxygen or sulfur
- C08G18/78—Nitrogen
- C08G18/7806—Nitrogen containing -N-C=0 groups
- C08G18/7818—Nitrogen containing -N-C=0 groups containing ureum or ureum derivative groups
- C08G18/7837—Nitrogen containing -N-C=0 groups containing ureum or ureum derivative groups containing allophanate groups
-
- C—CHEMISTRY; METALLURGY
- C08—ORGANIC MACROMOLECULAR COMPOUNDS; THEIR PREPARATION OR CHEMICAL WORKING-UP; COMPOSITIONS BASED THEREON
- C08G—MACROMOLECULAR COMPOUNDS OBTAINED OTHERWISE THAN BY REACTIONS ONLY INVOLVING UNSATURATED CARBON-TO-CARBON BONDS
- C08G18/00—Polymeric products of isocyanates or isothiocyanates
- C08G18/06—Polymeric products of isocyanates or isothiocyanates with compounds having active hydrogen
- C08G18/70—Polymeric products of isocyanates or isothiocyanates with compounds having active hydrogen characterised by the isocyanates or isothiocyanates used
- C08G18/72—Polyisocyanates or polyisothiocyanates
- C08G18/77—Polyisocyanates or polyisothiocyanates having heteroatoms in addition to the isocyanate or isothiocyanate nitrogen and oxygen or sulfur
- C08G18/78—Nitrogen
- C08G18/7875—Nitrogen containing heterocyclic rings having at least one nitrogen atom in the ring
- C08G18/7887—Nitrogen containing heterocyclic rings having at least one nitrogen atom in the ring having two nitrogen atoms in the ring
-
- C—CHEMISTRY; METALLURGY
- C08—ORGANIC MACROMOLECULAR COMPOUNDS; THEIR PREPARATION OR CHEMICAL WORKING-UP; COMPOSITIONS BASED THEREON
- C08K—Use of inorganic or non-macromolecular organic substances as compounding ingredients
- C08K5/00—Use of organic ingredients
- C08K5/0008—Organic ingredients according to more than one of the "one dot" groups of C08K5/01 - C08K5/59
- C08K5/0025—Crosslinking or vulcanising agents; including accelerators
-
- C—CHEMISTRY; METALLURGY
- C08—ORGANIC MACROMOLECULAR COMPOUNDS; THEIR PREPARATION OR CHEMICAL WORKING-UP; COMPOSITIONS BASED THEREON
- C08K—Use of inorganic or non-macromolecular organic substances as compounding ingredients
- C08K5/00—Use of organic ingredients
- C08K5/0008—Organic ingredients according to more than one of the "one dot" groups of C08K5/01 - C08K5/59
- C08K5/005—Stabilisers against oxidation, heat, light, ozone
-
- G—PHYSICS
- G03—PHOTOGRAPHY; CINEMATOGRAPHY; ANALOGOUS TECHNIQUES USING WAVES OTHER THAN OPTICAL WAVES; ELECTROGRAPHY; HOLOGRAPHY
- G03F—PHOTOMECHANICAL PRODUCTION OF TEXTURED OR PATTERNED SURFACES, e.g. FOR PRINTING, FOR PROCESSING OF SEMICONDUCTOR DEVICES; MATERIALS THEREFOR; ORIGINALS THEREFOR; APPARATUS SPECIALLY ADAPTED THEREFOR
- G03F7/00—Photomechanical, e.g. photolithographic, production of textured or patterned surfaces, e.g. printing surfaces; Materials therefor, e.g. comprising photoresists; Apparatus specially adapted therefor
- G03F7/0005—Production of optical devices or components in so far as characterised by the lithographic processes or materials used therefor
- G03F7/001—Phase modulating patterns, e.g. refractive index patterns
-
- G—PHYSICS
- G03—PHOTOGRAPHY; CINEMATOGRAPHY; ANALOGOUS TECHNIQUES USING WAVES OTHER THAN OPTICAL WAVES; ELECTROGRAPHY; HOLOGRAPHY
- G03F—PHOTOMECHANICAL PRODUCTION OF TEXTURED OR PATTERNED SURFACES, e.g. FOR PRINTING, FOR PROCESSING OF SEMICONDUCTOR DEVICES; MATERIALS THEREFOR; ORIGINALS THEREFOR; APPARATUS SPECIALLY ADAPTED THEREFOR
- G03F7/00—Photomechanical, e.g. photolithographic, production of textured or patterned surfaces, e.g. printing surfaces; Materials therefor, e.g. comprising photoresists; Apparatus specially adapted therefor
- G03F7/004—Photosensitive materials
- G03F7/027—Non-macromolecular photopolymerisable compounds having carbon-to-carbon double bonds, e.g. ethylenic compounds
-
- G—PHYSICS
- G03—PHOTOGRAPHY; CINEMATOGRAPHY; ANALOGOUS TECHNIQUES USING WAVES OTHER THAN OPTICAL WAVES; ELECTROGRAPHY; HOLOGRAPHY
- G03F—PHOTOMECHANICAL PRODUCTION OF TEXTURED OR PATTERNED SURFACES, e.g. FOR PRINTING, FOR PROCESSING OF SEMICONDUCTOR DEVICES; MATERIALS THEREFOR; ORIGINALS THEREFOR; APPARATUS SPECIALLY ADAPTED THEREFOR
- G03F7/00—Photomechanical, e.g. photolithographic, production of textured or patterned surfaces, e.g. printing surfaces; Materials therefor, e.g. comprising photoresists; Apparatus specially adapted therefor
- G03F7/004—Photosensitive materials
- G03F7/027—Non-macromolecular photopolymerisable compounds having carbon-to-carbon double bonds, e.g. ethylenic compounds
- G03F7/032—Non-macromolecular photopolymerisable compounds having carbon-to-carbon double bonds, e.g. ethylenic compounds with binders
-
- G—PHYSICS
- G03—PHOTOGRAPHY; CINEMATOGRAPHY; ANALOGOUS TECHNIQUES USING WAVES OTHER THAN OPTICAL WAVES; ELECTROGRAPHY; HOLOGRAPHY
- G03H—HOLOGRAPHIC PROCESSES OR APPARATUS
- G03H1/00—Holographic processes or apparatus using light, infrared or ultraviolet waves for obtaining holograms or for obtaining an image from them; Details peculiar thereto
- G03H1/02—Details of features involved during the holographic process; Replication of holograms without interference recording
-
- G—PHYSICS
- G11—INFORMATION STORAGE
- G11B—INFORMATION STORAGE BASED ON RELATIVE MOVEMENT BETWEEN RECORD CARRIER AND TRANSDUCER
- G11B7/00—Recording or reproducing by optical means, e.g. recording using a thermal beam of optical radiation by modifying optical properties or the physical structure, reproducing using an optical beam at lower power by sensing optical properties; Record carriers therefor
- G11B7/24—Record carriers characterised by shape, structure or physical properties, or by the selection of the material
- G11B7/2403—Layers; Shape, structure or physical properties thereof
- G11B7/24035—Recording layers
- G11B7/24044—Recording layers for storing optical interference patterns, e.g. holograms; for storing data in three dimensions, e.g. volume storage
-
- G—PHYSICS
- G11—INFORMATION STORAGE
- G11B—INFORMATION STORAGE BASED ON RELATIVE MOVEMENT BETWEEN RECORD CARRIER AND TRANSDUCER
- G11B7/00—Recording or reproducing by optical means, e.g. recording using a thermal beam of optical radiation by modifying optical properties or the physical structure, reproducing using an optical beam at lower power by sensing optical properties; Record carriers therefor
- G11B7/24—Record carriers characterised by shape, structure or physical properties, or by the selection of the material
- G11B7/241—Record carriers characterised by shape, structure or physical properties, or by the selection of the material characterised by the selection of the material
- G11B7/242—Record carriers characterised by shape, structure or physical properties, or by the selection of the material characterised by the selection of the material of recording layers
- G11B7/244—Record carriers characterised by shape, structure or physical properties, or by the selection of the material characterised by the selection of the material of recording layers comprising organic materials only
- G11B7/245—Record carriers characterised by shape, structure or physical properties, or by the selection of the material characterised by the selection of the material of recording layers comprising organic materials only containing a polymeric component
Landscapes
- Chemical & Material Sciences (AREA)
- Health & Medical Sciences (AREA)
- Chemical Kinetics & Catalysis (AREA)
- Medicinal Chemistry (AREA)
- Polymers & Plastics (AREA)
- Organic Chemistry (AREA)
- Physics & Mathematics (AREA)
- General Physics & Mathematics (AREA)
- Spectroscopy & Molecular Physics (AREA)
- Polyurethanes Or Polyureas (AREA)
- Holo Graphy (AREA)
- Compositions Of Macromolecular Compounds (AREA)
- Macromonomer-Based Addition Polymer (AREA)
- Optical Record Carriers And Manufacture Thereof (AREA)
- Diffracting Gratings Or Hologram Optical Elements (AREA)
Abstract
【解決手段】A)ポリイソシアネート成分;B)1000g/mol超の数平均分子量を有し、オキシアルキレン単位を含有するポリエーテルポリオールB1)を含んでなるイソシアネート反応性成分;C)重合を介してエチレン性不飽和化合物と化学線の作用下で反応する基を含有するNCO基不含有化合物;D)ラジカル安定剤;およびE)光開始剤を含んでなるポリウレタン組成物。
【選択図】なし
Description
A)ポリイソシアネート成分;
B)1000g/mol超の数平均分子量を有し、式(I)、(II)、(III):
-CH2-CH2-O- (I)
-CH2-CH(R)-O- (II)
-CH2-CH2-CH2-O- (III)
[式中、Rはアルキルまたはアリール基であり、前記アルキルまたはアリール基は、ヘテロ原子によって任意に置換および/または任意に中断されていてよい。]
で示される1つ以上のオキシアルキレン単位を含有するポリエーテルポリオールB1)を、成分B)の総量に基づいて少なくとも50重量%含んでなるイソシアネート反応性成分;
C)重合を介してエチレン性不飽和化合物と化学線の作用下で反応する基を含有するNCO基不含有化合物;
D)ラジカル安定剤;
E)光開始剤;
F)任意に触媒;および
G)任意に助剤および添加剤
を含んでなるポリウレタン組成物である。
A)ポリイソシアネート成分;
B)1000g/mol超の数平均分子量を有し、式(I)〜(III):
-CH2-CH2-O- 式(I)
-CH2-CH(R)-O- 式(II)
-CH2-CH2-CH2-O- 式(III)
[式中、Rは、ヘテロ原子(例えばエーテル酸素)によって置換および/または中断されていてよい、アルキルまたはアリール基である。]
で示される1つ以上のオキシアルキレン単位を含有するポリエーテルポリオールB1)を、成分B)の総量に基づいて少なくとも50重量%含んでなるイソシアネート反応性成分;
C)重合を伴ってエチレン性不飽和化合物と化学線の作用下で反応する基(放射線硬化性基)を含有し、NCO基を含有しない化合物;
D)ラジカル安定剤;
E)光開始剤;
F)任意に触媒;および
G)任意に助剤および添加剤
を含んでなるポリウレタン組成物に関する。
5〜93.999重量%の本発明の成分B)、
1〜60重量%の成分A)、
5〜70重量%の成分C)、
0.001〜10重量%の光開始剤E)、
0〜10重量%のラジカル安定剤D)、
0〜4重量%の触媒F)、
0〜70重量%の助剤および添加剤G)。
15〜82.989重量%の本発明の成分B)、
2〜40重量%の成分A)、
15〜70重量%の成分C)、
0.01〜7.5重量%の光開始剤E)、
0.001〜2重量%のラジカル安定剤D)、
0〜3重量%の触媒F)、
0〜50重量%の助剤および添加剤G)。
15〜82.489重量%の本発明の成分B)、
2〜40重量%の成分A)、
15〜50重量%の成分C)、
0.5〜5重量%の光開始剤E)、
0.01〜0.5重量%のラジカル安定剤D)、
0.001〜2重量%の触媒F)、
0〜35重量%の助剤および添加剤G)。
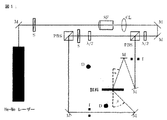
図1に示した測定装置を用い、実験の部で製造した本発明の媒体および比較媒体を、ホログラム特性について試験した。
照射時間tの間、両方のシャッター(S)を開放する。その後、シャッター(S)を閉じた状態で、媒体を5分間おいて、まだ重合されていない書込モノマーを拡散させた。ここで、書き込まれたホログラムを、以下の方法で読み込んだ。信号光線のシャッターは閉じたままであった。参照光線のシャッターを開放した。参照光線の虹彩絞りを1mm未満の直径まで閉じた。これにより、媒体の回転角(Ω)の全てにおいて、光線は、先に書き込まれたホログラムに常に完全に存在することが確実になった。コンピューター制御の下、回転台は、0.05°の角度ステップ幅でΩ=0°からΩ=20°まで角度範囲を変えた。各々の角度に近づくと、対応する検出器Dを用いて、ゼロ次透過された光線の出力を測定し、検出器Dを用いて、一次回折された光線の出力を測定した。以下の式:
まず、0.18gのオクタン酸亜鉛、374.8gのε−カプロラクトン、および374.8gの二官能性ポリテトラヒドロフランポリエーテルポリオール(Terathane(登録商標)1000、500g/molのOH当量)を1リットル容のフラスコに導入し、120℃まで加熱し、固形分(不揮発性成分の割合)が99.5重量%以上になるまで、この温度で維持した。その後、冷却し、ワックス様固体として生成物を得た。
まず、0.1gの2,6−ジ−tert−ブチル−4−メチルフェノール、0.05gのジラウリン酸ジブチル錫(Desmorapid Z, Bayer MaterialScience AG(ドイツ国レーフエルクーゼン在))、および213.07gの酢酸エチル中27%濃度トリス(p−イソシアナトフェニル)チオホスフェート溶液(Desmodur(登録商標)RFE, Bayer MaterialScience AG(ドイツ国レーフエルクーゼン在)の製品)を500ml容の丸底フラスコに導入し、60℃まで加熱した。次いで、42.37gの2−ヒドロキシエチルアクリレートを滴加し、イソシアネート含量が0.1%未満に低下するまで、混合物を60℃で維持した。その後、冷却し、酢酸エチルを真空下、完全に除去した。半結晶性固体として、生成物を得た。
8.89gの前記したように調製したポリオール1(成分Bに対する比較)を、3.75gのウレタンアクリレート1(成分C)、0.15gのCGI 909および0.015gのニューメチレンブルー(共成分E)と60℃で、並びに0.525gのN−エチルピロリドン(成分G)と混合し、透明溶液を得た。次いで、30℃まで冷却し、1.647gのDesmodur(登録商標)XP 2410(成分A)を添加し、再び混合した。最後に、0.009gのFomrez(登録商標)UL 28(成分F)を添加し、再び短く混合した。続いて、得られた液状物質をガラス板上に注ぎ、それを、スペーサーによって20μmの距離に保った第2のガラス板で覆った。この試験片を室温で放置し、16時間にわたって硬化させた。最大Δn:0.0101。
6.117gのポリオール2(成分Bに対する比較)を、3.75gのウレタンアクリレート1(成分C)、0.15gのCGI 909および0.015gのニューメチレンブルー(共成分E)と60℃で、並びに0.525gのN−エチルピロリドン(成分G)と混合し、透明溶液を得た。次いで、30℃まで冷却し、4.418gのBaytec(登録商標)WE180(成分A)を添加し、再び混合した。最後に、0.030gのFomrez(登録商標)UL 28(成分F)を添加し、再び短く混合した。続いて、得られた液状物質をガラス板上に注ぎ、それを、スペーサーによって20μmの距離に保った第2のガラス板で覆った。この試験片を室温で放置し、16時間にわたって硬化させた。最大Δn:0.0063。
7.342gのTerathane 1000(成分Bに対する比較)を、3.75gのウレタンアクリレート1(成分C)、0.15gのCGI 909および0.015gのニューメチレンブルー(共成分E)と60℃で、並びに0.525gのN−エチルピロリドン(成分G)と混合し、透明溶液を得た。次いで、30℃まで冷却し、3.193gのDesmodur(登録商標)XP 2580(成分A)を添加し、再び混合した。最後に、0.030gのFomrez(登録商標)UL 28(成分F)を添加し、再び短く混合した。続いて、得られた液状物質をガラス板上に注ぎ、それを、スペーサーによって20μmの距離に保った第2のガラス板で覆った。この試験片を室温で放置し、16時間にわたって硬化させた。最大Δn:0.0106。
7.726gのAcclaim(登録商標)1000(1000g/molの数平均モル質量を有するポリプロピレンオキシド)(成分Bに対する比較)を、3.75gのウレタンアクリレート1(成分C)、0.15gのCGI 909および0.015gのニューメチレンブルー(共成分E)と60℃で、並びに0.525gのN−エチルピロリドン(成分G)と混合し、透明溶液を得た。次いで、30℃まで冷却し、2.809gのDesmodur(登録商標)XP 2410(成分A)を添加し、再び混合した。最後に、0.0309gのFomrez(登録商標)UL 28(成分F)を添加し、再び短く混合した。続いて、得られた液状物質をガラス板上に注ぎ、それを、スペーサーによって20μmの距離に保った第2のガラス板で覆った。この試験片を室温で放置し、16時間にわたって硬化させた。最大Δn:0.0065。
1.129gのpolyether L800(200g/molの数平均モル質量を有するポリプロピレンオキシド)(成分Bに対する比較)を、3.081gのウレタンアクリレート1(成分C)、0.12gのCGI 909および0.012gのニューメチレンブルー(共成分E)と60℃で、並びに0.431gのN−エチルピロリドン(成分G)と混合し、透明溶液を得た。次いで、30℃まで冷却し、7.525gのDesmodur(登録商標)XP 2599(成分A)を添加し、再び混合した。最後に、0.0259gのFomrez(登録商標)UL 28(成分F)を添加し、再び短く混合した。続いて、得られた液状物質をガラス板上に注ぎ、それを、スペーサーによって20μmの距離に保った第2のガラス板で覆った。この試験片を室温で放置し、16時間にわたって硬化させた。最大Δn:0.0096。
7.743gのAcclaim(登録商標)4200(4000g/molの数平均モル質量を有するポリプロピレンオキシド)(成分B)を、3.75gのウレタンアクリレート1(成分C)、0.15gのCGI 909および0.015gのニューメチレンブルー(共成分E)と60℃で、並びに0.525gのN−エチルピロリドン(成分G)と混合し、透明溶液を得た。次いで、30℃まで冷却し、2.792gのDesmodur(登録商標)XP 2599(成分A)を添加し、再び混合した。最後に、0.0245gのFomrez(登録商標)UL 28(成分F)を添加し、再び短く混合した。続いて、得られた液状物質をガラス板上に注ぎ、それを、スペーサーによって20μmの距離に保った第2のガラス板で覆った。この試験片を室温で放置し、16時間にわたって硬化させた。最大Δn:0.0158。
7.264gのPolyether V 3970(4800g/molの数平均モル質量および17.2%の総エチレンオキシド画分を有する、エチレンオキシドとプロピレンオキシドとの三官能性グリセリン系ポリエーテル混合物)(成分B)を、3.75gのウレタンアクリレート1(成分C)、0.15gのCGI 909および0.015gのニューメチレンブルー(共成分E)と60℃で、並びに0.525gのN−エチルピロリドン(成分G)と混合し、透明溶液を得た。次いで、30℃まで冷却し、3.269gのDesmodur(登録商標)XP 2599(成分A)を添加し、再び混合した。最後に、0.0480gのFomrez(登録商標)UL 28(成分F)を添加し、再び短く混合した。続いて、得られた液状物質をガラス板上に注ぎ、それを、スペーサーによって20μmの距離に保った第2のガラス板で覆った。この試験片を室温で放置し、16時間にわたって硬化させた。最大Δn:0.0120。
7.554gのAcclaim(登録商標)4220 N(4000g/molの数平均モル質量を有するエチレンオキシドキャップトポリプロピレンオキシド)(成分B)を、3.75gのウレタンアクリレート1(成分C)、0.15gのCGI 909および0.015gのニューメチレンブルー(共成分E)と60℃で、並びに0.525gのN−エチルピロリドン(成分G)と混合し、透明溶液を得た。次いで、30℃まで冷却し、2.983gのDesmodur(登録商標)XP 2599(成分A)を添加し、再び混合した。最後に、0.0071gのFomrez(登録商標)UL 28(成分F)を添加し、再び短く混合した。続いて、得られた液状物質をガラス板上に注ぎ、それを、スペーサーによって20μmの距離に保った第2のガラス板で覆った。この試験片を室温で放置し、16時間にわたって硬化させた。最大Δn:0.0141。
6.081gのDesmophen(登録商標)2060 BD(KOH法によって調製された2000g/molの数平均モル質量を有するポリプロピレンオキシド)(成分B)を、3.75gのウレタンアクリレート1(成分C)、0.15gのCGI 909および0.015gのニューメチレンブルー(共成分E)と60℃で、並びに0.525gのN−エチルピロリドン(成分G)と混合し、透明溶液を得た。次いで、30℃まで冷却し、4.453gのDesmodur(登録商標)XP 2599(成分A)を添加し、再び混合した。最後に、0.0338gのFomrez(登録商標)UL 28(成分F)を添加し、再び短く混合した。続いて、得られた液状物質をガラス板上に注ぎ、それを、スペーサーによって20μmの距離に保った第2のガラス板で覆った。この試験片を室温で放置し、16時間にわたって硬化させた。最大Δn:0.0137。
8.628gのPolyether L 5050(984.2g/molの当量および50%の総エチレンオキシド画分を有するエチレンオキシドとプロピレンオキシドとの二官能性ポリエーテル混合物)(成分B)を、3.75gのウレタンアクリレート1(成分C)、0.15gのCGI 909および0.015gのニューメチレンブルー(共成分E)と60℃で、並びに0.525gのN−エチルピロリドン(成分G)と混合し、透明溶液を得た。次いで、30℃まで冷却し、1.906gのDesmodur(登録商標)XP 2580(成分A)を添加し、再び混合した。最後に、0.0255gのFomrez(登録商標)UL 28(成分F)を添加し、再び短く混合した。続いて、得られた液状物質をガラス板上に注ぎ、それを、スペーサーによって20μmの距離に保った第2のガラス板で覆った。この試験片を室温で放置し、16時間にわたって硬化させた。最大Δn:0.0150。
6.640gのAcclaim(登録商標)4200(4000g/molの数平均モル質量を有するポリプロピレンオキシド)(成分B)を、5.25gのウレタンアクリレート1(成分C)、0.15gのCGI 909および0.015gのニューメチレンブルー(共成分E)と60℃で、並びに0.525gのN−エチルピロリドン(成分G)と混合し、透明溶液を得た。次いで、30℃まで冷却し、2.394gのDesmodur(登録商標)XP 2599(成分A)を添加し、再び混合した。最後に、0.0360gのFomrez(登録商標)UL 28(成分F)を添加し、再び短く混合した。続いて、得られた液状物質をガラス板上に注ぎ、それを、スペーサーによって20μmの距離に保った第2のガラス板で覆った。この試験片を室温で放置し、16時間にわたって硬化させた。最大Δn:0.0205。
6.563gのAcclaim(登録商標)4200(4000g/molの数平均モル質量を有するポリプロピレンオキシド)(成分B)を、3.75gのウレタンアクリレート1(成分C)、1.50gのポリエチレングリコール250モノメチルエーテル(Sigma-Aldrich(ドイツ国在)社製)、0.15gのCGI 909および0.015gのニューメチレンブルー(共成分E)と60℃で、並びに0.525gのN−エチルピロリドン(成分G)と混合し、透明溶液を得た。次いで、30℃まで冷却し、2.472gのDesmodur(登録商標)XP 2599(成分A)を添加し、再び混合した。最後に、0.0302gのFomrez(登録商標)UL 28(成分F)を添加し、再び短く混合した。続いて、得られた液状物質をガラス板上に注ぎ、それを、スペーサーによって20μmの距離に保った第2のガラス板で覆った。この試験片を室温で放置し、16時間にわたって硬化させた。最大Δn:0.0200。
S=シャッター
SF=空間フィルター
CL=コリメーターレンズ
λ/2=λ/2プレート
PBS=偏光感受型ビームスプリッター
D=検出器
I=虹彩絞り
α=21.8°およびβ=41.8°は、試料(媒体)の外側で測定したコヒーレント光線の入射角である。
Claims (13)
- A)ポリイソシアネート成分;
B)1000g/mol超の数平均分子量を有し、式(I)、(II)、(III):
-CH2-CH2-O- (I)
-CH2-CH(R)-O- (II)
-CH2-CH2-CH2-O- (III)
[式中、Rはアルキルまたはアリール基であり、前記アルキルまたはアリール基は、ヘテロ原子によって任意に置換および/または任意に中断されていてよい。]
で示される1つ以上のオキシアルキレン単位を含有するポリエーテルポリオールB1)を、成分B)の総量に基づいて少なくとも50重量%含んでなるイソシアネート反応性成分;
C)重合を介してエチレン性不飽和化合物と化学線の作用下で反応する基を含有するNCO基不含有化合物;
D)ラジカル安定剤;
E)光開始剤;
F)任意に触媒;および
G)任意に助剤および添加剤
を含んでなるポリウレタン組成物。 - 成分A)がHDI、TMDIおよび/またはTINに基づいたポリイソシアネートおよび/またはプレポリマーを含んでなる、請求項1に記載のポリウレタン組成物。
- 成分A)が、イソシアヌレート構造および/またはイミノオキサジアジンジオン構造を有するHDI系ポリイソシアネート、或いは2〜5のNCO官能価を有し、第一級NCO基しか含有しないプレポリマーを含んでなる、請求項1に記載のポリウレタン組成物。
- 成分A)が0.5重量%未満の遊離単量体イソシアネート残留含量を有する、請求項1に記載のポリウレタン組成物。
- 前記した成分B1)のポリエーテルポリオールが、1.8〜4.0の平均ヒドロキシ官能価および1000〜8500g/molの数平均分子量を有する、請求項1に記載のポリウレタン組成物。
- 成分B1)が、プロピレンオキシドに基づいたポリエーテルポリオール、80重量%以下の1−アルキレンオキシド割合を有するプロピレンオキシドと別の1−アルキレンオキシドとに基づいたランダムコポリマーまたはブロックコポリマー、および/またはポリ(トリメチレンオキシド)を含んでなる、請求項1に記載のポリウレタン組成物。
- 前記した成分B1)のポリエーテルポリオールが1.55未満の屈折率nD 20を有する、請求項1に記載のポリウレタン組成物。
- 前記した成分C)の化合物が1.55超の屈折率nD 20を有する、請求項1に記載のポリウレタン組成物。
- 成分C)が、芳香族イソシアネートと2−ヒドロキシエチルアクリレート、ヒドロキシプロピルアクリレート、4−ヒドロキシブチルアクリレート、ポリエチレンオキシドモノ(メタ)アクリレート、ポリプロピレンオキシドモノ(メタ)アクリレート、ポリアルキレンオキシドモノ(メタ)アクリレートおよび/またはポリ(ε−カプロラクトン)モノ(メタ)アクリレートとに基づいたウレタンアクリレートおよび/またはウレタンメタクリレートを含んでなる、請求項1に記載のポリウレタン組成物。
- (1)請求項1に記載のポリウレタン組成物を基材にまたは型の中に適用する工程、および(2)前記ポリウレタン組成物を硬化させる工程を含む、映像ホログラム記録用媒体の製造方法。
- 請求項10に記載の方法によって製造された映像ホログラム記録用媒体。
- 請求項11に記載の媒体を含む光学素子または光学像。
- 請求項12に記載の媒体を感光させることを含む、ホログラムの記録方法。
Applications Claiming Priority (2)
| Application Number | Priority Date | Filing Date | Title |
|---|---|---|---|
| EP08017277 | 2008-10-01 | ||
| EP08017277.8 | 2008-10-01 |
Publications (3)
| Publication Number | Publication Date |
|---|---|
| JP2010084147A true JP2010084147A (ja) | 2010-04-15 |
| JP2010084147A5 JP2010084147A5 (ja) | 2012-11-15 |
| JP5635250B2 JP5635250B2 (ja) | 2014-12-03 |
Family
ID=40344954
Family Applications (1)
| Application Number | Title | Priority Date | Filing Date |
|---|---|---|---|
| JP2009226490A Active JP5635250B2 (ja) | 2008-10-01 | 2009-09-30 | ホログラフィック媒体を製造するためのポリエーテル系ポリウレタン組成物 |
Country Status (11)
| Country | Link |
|---|---|
| US (1) | US20100112459A1 (ja) |
| EP (1) | EP2172502B1 (ja) |
| JP (1) | JP5635250B2 (ja) |
| KR (1) | KR101871495B1 (ja) |
| CN (1) | CN101712745B (ja) |
| BR (1) | BRPI0903949A2 (ja) |
| CA (1) | CA2680969A1 (ja) |
| IL (1) | IL200995A0 (ja) |
| RU (1) | RU2518125C9 (ja) |
| SG (1) | SG160314A1 (ja) |
| TW (1) | TWI461454B (ja) |
Cited By (6)
| Publication number | Priority date | Publication date | Assignee | Title |
|---|---|---|---|---|
| KR20100037562A (ko) * | 2008-10-01 | 2010-04-09 | 바이엘 머티리얼사이언스 아게 | 홀로그래피 매체 제조용 특정 폴리에테르-기재 폴리우레탄 배합물 |
| JP2015060113A (ja) * | 2013-09-19 | 2015-03-30 | 大日本印刷株式会社 | ホログラム積層体 |
| JP2017037315A (ja) * | 2010-11-08 | 2017-02-16 | バイエル・インテレクチュアル・プロパティ・ゲゼルシャフト・ミット・ベシュレンクテル・ハフツングBayer Intellectual Property GmbH | ホログラフィック媒体を製造するためのフォトポリマー処方物 |
| WO2017195877A1 (ja) * | 2016-05-12 | 2017-11-16 | コニカミノルタ株式会社 | 光学素子およびその製造方法 |
| KR102033957B1 (ko) * | 2018-05-23 | 2019-10-18 | (주)케이피엘솔루션 | 해상도가 향상된 자외선 경화형 액상 수지 조성물 및 이의 제조방법 |
| JP2023503549A (ja) * | 2019-11-27 | 2023-01-31 | メタ プラットフォームズ テクノロジーズ, リミテッド ライアビリティ カンパニー | 体積ブラッググレーティング用アントラキノン誘導体化モノマー及びポリマー |
Families Citing this family (29)
| Publication number | Priority date | Publication date | Assignee | Title |
|---|---|---|---|---|
| CN101679574A (zh) * | 2007-04-11 | 2010-03-24 | 拜尔材料科学股份公司 | 包括亚氨基二嗪二酮的辐射交联和热交联聚氨酯体系 |
| IL200722A0 (en) * | 2008-10-01 | 2010-06-30 | Bayer Materialscience Ag | Photopolymer compositions for optical elements and visual displays |
| JP2012504777A (ja) * | 2008-10-01 | 2012-02-23 | バイエル・マテリアルサイエンス・アクチェンゲゼルシャフト | 自己現像性ポリマーをベースとする体積ホログラフィックのための媒体 |
| RU2515549C9 (ru) * | 2008-10-01 | 2014-09-20 | Байер Матириальсайенс Аг | Полиуретановые композиции на основе форполимера для изготовления голографических сред |
| EP2218742A1 (de) | 2009-02-12 | 2010-08-18 | Bayer MaterialScience AG | Photopolymerzusammensetzungen als verdruckbare Formulierungen |
| EP2218743A1 (de) * | 2009-02-12 | 2010-08-18 | Bayer MaterialScience AG | Prepolymerbasierte Polyurethanformulierungen zur Herstellung holographischer Filme |
| EP2218744A1 (de) | 2009-02-12 | 2010-08-18 | Bayer MaterialScience AG | Methode zur Herstellung von holografischen Photopolymeren auf Polymerfolien |
| CN102667936B (zh) * | 2009-11-03 | 2016-03-30 | 拜尔材料科学股份公司 | 生产全息介质的方法 |
| CN102667935B (zh) * | 2009-11-03 | 2016-01-20 | 拜尔材料科学股份公司 | 具有不同书写共聚单体的光聚合物制剂 |
| CN102870157B (zh) * | 2009-11-03 | 2016-01-20 | 拜尔材料科学股份公司 | 生产全息膜的方法 |
| TWI488908B (zh) * | 2009-11-03 | 2015-06-21 | Bayer Materialscience Ag | 製造全像膜的方法 |
| ATE548730T1 (de) * | 2009-11-03 | 2012-03-15 | Bayer Materialscience Ag | Photopolymerformulierungen mit einstellbarem mechanischem modul guv |
| WO2011074030A1 (ja) * | 2009-12-16 | 2011-06-23 | 株式会社 東芝 | ホログラム記録媒体 |
| EP2372454A1 (de) * | 2010-03-29 | 2011-10-05 | Bayer MaterialScience AG | Photopolymer-Formulierung zur Herstellung sichtbarer Hologramme |
| EP2450893A1 (de) * | 2010-11-08 | 2012-05-09 | Bayer MaterialScience AG | Photopolymer-Formulierung zur Herstellung holographischer Medien mit hoch vernetzten Matrixpolymeren |
| ES2511215T3 (es) * | 2012-01-05 | 2014-10-22 | Bayer Intellectual Property Gmbh | Estructura en capas con una capa protectora y una capa de fotopolímero expuesta a radiación |
| JP6007798B2 (ja) * | 2012-01-16 | 2016-10-12 | 三菱化学株式会社 | ホログラム記録媒体用組成物及びこれを用いたホログラム記録媒体 |
| US9128460B2 (en) | 2012-11-08 | 2015-09-08 | Samsung Electronics Co., Ltd. | Photopolymer composition for recording hologram, and photopolymer layer and hologram recording media including the same |
| TWI640428B (zh) * | 2013-02-27 | 2018-11-11 | 拜耳材料科學股份有限公司 | 以丙烯酸酯為基底之保護塗層與黏著劑 |
| CN103351800B (zh) * | 2013-07-15 | 2015-12-02 | 深圳市深大极光科技有限公司 | 一种双层防伪烫金膜用隐性信息层涂料及其制备方法 |
| EP3061779B2 (de) | 2015-02-27 | 2022-01-05 | Mipa Se | Beschichtungsmittel und deren Verwendung, insbesondere zur Ausbildung einer Schutzbeschichtung auf einer Oberfläche |
| CN107428892B (zh) * | 2015-03-23 | 2021-05-04 | 陶氏环球技术有限责任公司 | 用于三维打印的光固化性组合物 |
| EP3381959A1 (de) * | 2017-03-27 | 2018-10-03 | Covestro Deutschland AG | Dual cure-verfahren unter verwendung von thermisch latenten zinnkatalysatoren |
| KR102268129B1 (ko) * | 2017-10-16 | 2021-06-22 | 주식회사 엘지화학 | 비반응성 불소계 화합물 및 이를 포함하는 광중합성 조성물 |
| JP7536774B2 (ja) * | 2019-01-31 | 2024-08-20 | ダウ グローバル テクノロジーズ エルエルシー | ヘイズのないポリウレタン配合物 |
| US11718580B2 (en) | 2019-05-08 | 2023-08-08 | Meta Platforms Technologies, Llc | Fluorene derivatized monomers and polymers for volume Bragg gratings |
| US20200355997A1 (en) * | 2019-05-08 | 2020-11-12 | Facebook Technologies, Llc | Thianthrene derivatized monomers and polymers for volume bragg gratings |
| US11780819B2 (en) | 2019-11-27 | 2023-10-10 | Meta Platforms Technologies, Llc | Aromatic substituted alkane-core monomers and polymers thereof for volume Bragg gratings |
| US11879024B1 (en) | 2020-07-14 | 2024-01-23 | Meta Platforms Technologies, Llc | Soft mold formulations for surface relief grating fabrication with imprinting lithography |
Citations (3)
| Publication number | Priority date | Publication date | Assignee | Title |
|---|---|---|---|---|
| JP2004537620A (ja) * | 2001-08-07 | 2004-12-16 | インフェイズ テクノロジーズ インコーポレイテッド | ホログラフィック記録製品の迅速大量生産のための製造方法及び組成物 |
| JP2005527867A (ja) * | 2002-05-29 | 2005-09-15 | インフェイズ テクノロジーズ インコーポレイテッド | アルミニウム塩化合物と不斉アクリレート化合物を含むホログラフィックデータ記録媒体 |
| JP2008056757A (ja) * | 2006-08-04 | 2008-03-13 | Hitachi Kasei Polymer Co Ltd | ウレタン(メタ)アクリレートオリゴマー組成物及びそれから得られるシート |
Family Cites Families (48)
| Publication number | Priority date | Publication date | Assignee | Title |
|---|---|---|---|---|
| US4247578A (en) * | 1977-01-14 | 1981-01-27 | Henkel Corporation | Interpenetrating dual cure resin compositions |
| EP0223587B1 (en) | 1985-11-20 | 1991-02-13 | The Mead Corporation | Photosensitive materials containing ionic dye compounds as initiators |
| US4942112A (en) * | 1988-01-15 | 1990-07-17 | E. I. Du Pont De Nemours And Company | Photopolymerizable compositions and elements for refractive index imaging |
| US5712216A (en) | 1995-05-15 | 1998-01-27 | Arco Chemical Technology, L.P. | Highly active double metal cyanide complex catalysts |
| US5470813A (en) | 1993-11-23 | 1995-11-28 | Arco Chemical Technology, L.P. | Double metal cyanide complex catalysts |
| US5482908A (en) | 1994-09-08 | 1996-01-09 | Arco Chemical Technology, L.P. | Highly active double metal cyanide catalysts |
| US5545601A (en) | 1995-08-22 | 1996-08-13 | Arco Chemical Technology, L.P. | Polyether-containing double metal cyanide catalysts |
| US5627120A (en) | 1996-04-19 | 1997-05-06 | Arco Chemical Technology, L.P. | Highly active double metal cyanide catalysts |
| US5714428A (en) | 1996-10-16 | 1998-02-03 | Arco Chemical Technology, L.P. | Double metal cyanide catalysts containing functionalized polymers |
| ES2245086T3 (es) * | 1998-01-28 | 2005-12-16 | Bristol-Myers Squibb Company | Procedimiento de preparacion de adhesivos de poliuretano y adhesivos obtenidos. |
| DE19905611A1 (de) | 1999-02-11 | 2000-08-17 | Bayer Ag | Doppelmetallcyanid-Katalysatoren für die Herstellung von Polyetherpolyolen |
| DE60028086T2 (de) | 1999-12-17 | 2006-12-21 | E.I. Dupont De Nemours And Co., Wilmington | Herstellung von polytrimethylene ether glycol und copolymere davon |
| AU2270901A (en) | 1999-12-17 | 2001-06-25 | E.I. Du Pont De Nemours And Company | Continuous process for the preparation of polytrimethylene ether glycol |
| US6717150B2 (en) * | 2000-12-12 | 2004-04-06 | Ge Medical Systems Global Technology Company, Llc | Solid-state CT detector modules with improved scintillator/diode coupling |
| CN1238436C (zh) * | 2001-01-12 | 2006-01-25 | Dsmip财产有限公司 | 辐射固化组合物和用它涂布的产品 |
| JP2003000306A (ja) | 2001-06-18 | 2003-01-07 | Wandaa Kikaku:Kk | 靴紐に変わる靴の固定,密着方法 |
| US20030044690A1 (en) | 2001-06-27 | 2003-03-06 | Imation Corp. | Holographic photopolymer data recording media, method of manufacture and method of holographically reading, recording and storing data |
| US6780546B2 (en) | 2001-08-30 | 2004-08-24 | Inphase Technologies, Inc. | Blue-sensitized holographic media |
| US6765061B2 (en) | 2001-09-13 | 2004-07-20 | Inphase Technologies, Inc. | Environmentally durable, self-sealing optical articles |
| RU2320590C2 (ru) * | 2002-10-07 | 2008-03-27 | Пирелли Энд К. С.П.А. | Оптическое волокно с отвержденным полимерным покрытием |
| DE10328116A1 (de) | 2003-06-23 | 2005-01-13 | Küpper-Weisser GmbH | Verfahren und Vorrichtung zur Verteilung von Streugut |
| US20060154050A1 (en) | 2004-05-18 | 2006-07-13 | Toray Plastics (America), Inc., A Corporation Of Rhode Island | Holographic transfer thermoplastic sheet |
| GB0413366D0 (en) * | 2004-06-15 | 2004-07-21 | Heeschen Andreas | Binder-free photopolymerizable compositions |
| JP4633562B2 (ja) * | 2005-07-06 | 2011-02-16 | 大日本印刷株式会社 | 体積型ホログラム感光性組成物 |
| JP4675197B2 (ja) | 2005-09-20 | 2011-04-20 | 富士フイルム株式会社 | 溶媒非含有の光記録用組成物及びその製造方法、並びに光記録媒体 |
| JP2007086234A (ja) | 2005-09-20 | 2007-04-05 | Fujifilm Corp | 光記録用組成物及びこれを用いた光記録媒体 |
| JP2007101743A (ja) | 2005-09-30 | 2007-04-19 | Fujifilm Corp | 光記録用組成物、並びに光記録媒体、光記録方法、及び光記録装置 |
| US20070077498A1 (en) | 2005-09-30 | 2007-04-05 | Fuji Photo Film Co., Ltd. | Optical recording composition, optical recording medium and production method thereof, optical recording method and optical recording apparatus |
| JP2007101881A (ja) | 2005-10-04 | 2007-04-19 | Fujifilm Corp | ホログラム記録媒体及びその製造方法 |
| JP2007187968A (ja) | 2006-01-16 | 2007-07-26 | Fujifilm Corp | ホログラフィック記録用組成物及びその製造方法、並びに光記録媒体 |
| JP2007272044A (ja) | 2006-03-31 | 2007-10-18 | Fujifilm Corp | 光記録用組成物及びこれを用いた光記録媒体 |
| JP2007279585A (ja) | 2006-04-11 | 2007-10-25 | Fujifilm Corp | 感光性組成物、並びに光記録媒体、光記録方法及び光記録装置 |
| JP4633678B2 (ja) | 2006-06-22 | 2011-02-16 | サンデン株式会社 | 収納具 |
| EP1872767A1 (de) | 2006-06-30 | 2008-01-02 | Ernst Mühlbauer GmbH & Co.KG | Polymerisierbares Dentalmaterial |
| JP2008015154A (ja) | 2006-07-05 | 2008-01-24 | Fujifilm Corp | 光記録用組成物、並びに光記録媒体及び光記録方法 |
| US20100039685A1 (en) | 2006-09-05 | 2010-02-18 | Mitsubishi Chemical Corporation | Volume hologram optical recording medium, composition for forming volume hologram recording layer, volume hologram recording material, and volume hologram optical recording method |
| JP2008070464A (ja) | 2006-09-12 | 2008-03-27 | Fujifilm Corp | 感光性組成物、並びに光記録媒体、光記録方法及び光記録装置 |
| US8815472B2 (en) * | 2006-10-25 | 2014-08-26 | Mitsubishi Chemical Corporation | Volume hologram optical recording medium, composition for volume hologram recording layer formation, and volume hologram recording material |
| CA2683886A1 (en) * | 2007-04-11 | 2008-10-23 | Bayer Materialscience Ag | Radiation-crosslinking and thermally crosslinking pu systems based on isocyanate-reactive block copolymers |
| IN2009DN05755A (ja) * | 2007-04-11 | 2015-07-24 | Bayer Materialscience Ag | |
| CN101711410B (zh) * | 2007-04-11 | 2012-12-12 | 拜尔材料科学股份公司 | 用于全息应用的有利记录介质 |
| CN101679574A (zh) * | 2007-04-11 | 2010-03-24 | 拜尔材料科学股份公司 | 包括亚氨基二嗪二酮的辐射交联和热交联聚氨酯体系 |
| IL200996A0 (en) * | 2008-10-01 | 2010-06-30 | Bayer Materialscience Ag | Photopolymer formulations having a low crosslinking density |
| RU2515549C9 (ru) * | 2008-10-01 | 2014-09-20 | Байер Матириальсайенс Аг | Полиуретановые композиции на основе форполимера для изготовления голографических сред |
| IL200722A0 (en) * | 2008-10-01 | 2010-06-30 | Bayer Materialscience Ag | Photopolymer compositions for optical elements and visual displays |
| IL200997A0 (en) * | 2008-10-01 | 2010-06-30 | Bayer Materialscience Ag | Special polyether-based polyurethane formulations for the production of holographic media |
| EP2218743A1 (de) * | 2009-02-12 | 2010-08-18 | Bayer MaterialScience AG | Prepolymerbasierte Polyurethanformulierungen zur Herstellung holographischer Filme |
| US20110172360A1 (en) * | 2009-07-22 | 2011-07-14 | E.I. Du Pont De Nemours And Company | Methods for synthesizing polyether diols and polyester diols |
-
2009
- 2009-09-17 IL IL200995A patent/IL200995A0/en unknown
- 2009-09-18 EP EP09011897.7A patent/EP2172502B1/de active Active
- 2009-09-28 CA CA2680969A patent/CA2680969A1/en not_active Abandoned
- 2009-09-29 US US12/569,203 patent/US20100112459A1/en not_active Abandoned
- 2009-09-30 KR KR1020090093074A patent/KR101871495B1/ko active Active
- 2009-09-30 SG SG200906532-7A patent/SG160314A1/en unknown
- 2009-09-30 TW TW098133071A patent/TWI461454B/zh active
- 2009-09-30 RU RU2009136172/04A patent/RU2518125C9/ru not_active IP Right Cessation
- 2009-09-30 BR BRPI0903949-0A patent/BRPI0903949A2/pt not_active Application Discontinuation
- 2009-09-30 JP JP2009226490A patent/JP5635250B2/ja active Active
- 2009-10-09 CN CN2009101790139A patent/CN101712745B/zh active Active
Patent Citations (3)
| Publication number | Priority date | Publication date | Assignee | Title |
|---|---|---|---|---|
| JP2004537620A (ja) * | 2001-08-07 | 2004-12-16 | インフェイズ テクノロジーズ インコーポレイテッド | ホログラフィック記録製品の迅速大量生産のための製造方法及び組成物 |
| JP2005527867A (ja) * | 2002-05-29 | 2005-09-15 | インフェイズ テクノロジーズ インコーポレイテッド | アルミニウム塩化合物と不斉アクリレート化合物を含むホログラフィックデータ記録媒体 |
| JP2008056757A (ja) * | 2006-08-04 | 2008-03-13 | Hitachi Kasei Polymer Co Ltd | ウレタン(メタ)アクリレートオリゴマー組成物及びそれから得られるシート |
Cited By (8)
| Publication number | Priority date | Publication date | Assignee | Title |
|---|---|---|---|---|
| KR20100037562A (ko) * | 2008-10-01 | 2010-04-09 | 바이엘 머티리얼사이언스 아게 | 홀로그래피 매체 제조용 특정 폴리에테르-기재 폴리우레탄 배합물 |
| JP2010084148A (ja) * | 2008-10-01 | 2010-04-15 | Bayer Materialscience Ag | ホログラフィック媒体を製造するための特定のポリエーテル系ポリウレタン組成物 |
| KR101634385B1 (ko) | 2008-10-01 | 2016-06-28 | 코베스트로 도이칠란드 아게 | 홀로그래피 매체 제조용 특정 폴리에테르-기재 폴리우레탄 배합물 |
| JP2017037315A (ja) * | 2010-11-08 | 2017-02-16 | バイエル・インテレクチュアル・プロパティ・ゲゼルシャフト・ミット・ベシュレンクテル・ハフツングBayer Intellectual Property GmbH | ホログラフィック媒体を製造するためのフォトポリマー処方物 |
| JP2015060113A (ja) * | 2013-09-19 | 2015-03-30 | 大日本印刷株式会社 | ホログラム積層体 |
| WO2017195877A1 (ja) * | 2016-05-12 | 2017-11-16 | コニカミノルタ株式会社 | 光学素子およびその製造方法 |
| KR102033957B1 (ko) * | 2018-05-23 | 2019-10-18 | (주)케이피엘솔루션 | 해상도가 향상된 자외선 경화형 액상 수지 조성물 및 이의 제조방법 |
| JP2023503549A (ja) * | 2019-11-27 | 2023-01-31 | メタ プラットフォームズ テクノロジーズ, リミテッド ライアビリティ カンパニー | 体積ブラッググレーティング用アントラキノン誘導体化モノマー及びポリマー |
Also Published As
| Publication number | Publication date |
|---|---|
| CN101712745B (zh) | 2013-09-11 |
| EP2172502B1 (de) | 2016-04-20 |
| EP2172502A1 (de) | 2010-04-07 |
| US20100112459A1 (en) | 2010-05-06 |
| BRPI0903949A2 (pt) | 2010-07-20 |
| SG160314A1 (en) | 2010-04-29 |
| CN101712745A (zh) | 2010-05-26 |
| JP5635250B2 (ja) | 2014-12-03 |
| RU2518125C9 (ru) | 2015-03-27 |
| CA2680969A1 (en) | 2010-04-01 |
| RU2009136172A (ru) | 2011-04-10 |
| TWI461454B (zh) | 2014-11-21 |
| KR20100037563A (ko) | 2010-04-09 |
| KR101871495B1 (ko) | 2018-06-26 |
| IL200995A0 (en) | 2010-06-30 |
| RU2518125C2 (ru) | 2014-06-10 |
| TW201030040A (en) | 2010-08-16 |
Similar Documents
| Publication | Publication Date | Title |
|---|---|---|
| JP5635250B2 (ja) | ホログラフィック媒体を製造するためのポリエーテル系ポリウレタン組成物 | |
| JP5535564B2 (ja) | ホログラフィック媒体を製造するための特定のポリエーテル系ポリウレタン組成物 | |
| JP5638085B2 (ja) | 異なった書込コモノマーを含有する感光性ポリマー組成物 | |
| US8852829B2 (en) | Prepolymer-based polyurethane formulations for producing holographic media | |
| TWI477525B (zh) | 具有低交聯密度之光聚合物調配物 | |
| JP5886751B2 (ja) | 調節可能な力学的弾性率guvを有する感光性ポリマー組成物 | |
| KR101620652B1 (ko) | 자가 현상 중합체 기재의 체적 홀로그래피 기록용 매체 | |
| TWI488908B (zh) | 製造全像膜的方法 | |
| JP2010209319A (ja) | ホログラフィックフィルムを製造するためのプレポリマーベースポリウレタン組成物 |
Legal Events
| Date | Code | Title | Description |
|---|---|---|---|
| A521 | Request for written amendment filed |
Free format text: JAPANESE INTERMEDIATE CODE: A523 Effective date: 20120927 |
|
| A621 | Written request for application examination |
Free format text: JAPANESE INTERMEDIATE CODE: A621 Effective date: 20120927 |
|
| A977 | Report on retrieval |
Free format text: JAPANESE INTERMEDIATE CODE: A971007 Effective date: 20131108 |
|
| A131 | Notification of reasons for refusal |
Free format text: JAPANESE INTERMEDIATE CODE: A131 Effective date: 20131112 |
|
| A521 | Request for written amendment filed |
Free format text: JAPANESE INTERMEDIATE CODE: A523 Effective date: 20140130 |
|
| TRDD | Decision of grant or rejection written | ||
| A01 | Written decision to grant a patent or to grant a registration (utility model) |
Free format text: JAPANESE INTERMEDIATE CODE: A01 Effective date: 20140930 |
|
| A61 | First payment of annual fees (during grant procedure) |
Free format text: JAPANESE INTERMEDIATE CODE: A61 Effective date: 20141016 |
|
| R150 | Certificate of patent or registration of utility model |
Ref document number: 5635250 Country of ref document: JP Free format text: JAPANESE INTERMEDIATE CODE: R150 |
|
| R250 | Receipt of annual fees |
Free format text: JAPANESE INTERMEDIATE CODE: R250 |
|
| R250 | Receipt of annual fees |
Free format text: JAPANESE INTERMEDIATE CODE: R250 |
|
| R250 | Receipt of annual fees |
Free format text: JAPANESE INTERMEDIATE CODE: R250 |
|
| R250 | Receipt of annual fees |
Free format text: JAPANESE INTERMEDIATE CODE: R250 |
|
| R250 | Receipt of annual fees |
Free format text: JAPANESE INTERMEDIATE CODE: R250 |
|
| R250 | Receipt of annual fees |
Free format text: JAPANESE INTERMEDIATE CODE: R250 |
|
| R250 | Receipt of annual fees |
Free format text: JAPANESE INTERMEDIATE CODE: R250 |
|
| R250 | Receipt of annual fees |
Free format text: JAPANESE INTERMEDIATE CODE: R250 |
|
| R250 | Receipt of annual fees |
Free format text: JAPANESE INTERMEDIATE CODE: R250 |
