JP2010042867A - 基板収納ケース - Google Patents

基板収納ケース Download PDF

Info

Publication number
JP2010042867A
JP2010042867A JP2009260122A JP2009260122A JP2010042867A JP 2010042867 A JP2010042867 A JP 2010042867A JP 2009260122 A JP2009260122 A JP 2009260122A JP 2009260122 A JP2009260122 A JP 2009260122A JP 2010042867 A JP2010042867 A JP 2010042867A
Authority
JP
Japan
Prior art keywords
substrate
storage case
lid
corners
upper lid
Prior art date
Legal status (The legal status is an assumption and is not a legal conclusion. Google has not performed a legal analysis and makes no representation as to the accuracy of the status listed.)
Granted
Application number
JP2009260122A
Other languages
English (en)
Other versions
JP5158056B2 (ja
Inventor
Satoshi Nakamae
聡 中前
Current Assignee (The listed assignees may be inaccurate. Google has not performed a legal analysis and makes no representation or warranty as to the accuracy of the list.)
Dai Nippon Printing Co Ltd
Original Assignee
Dai Nippon Printing Co Ltd
Priority date (The priority date is an assumption and is not a legal conclusion. Google has not performed a legal analysis and makes no representation as to the accuracy of the date listed.)
Filing date
Publication date
Application filed by Dai Nippon Printing Co Ltd filed Critical Dai Nippon Printing Co Ltd
Priority to JP2009260122A priority Critical patent/JP5158056B2/ja
Publication of JP2010042867A publication Critical patent/JP2010042867A/ja
Application granted granted Critical
Publication of JP5158056B2 publication Critical patent/JP5158056B2/ja
Anticipated expiration legal-status Critical
Expired - Lifetime legal-status Critical Current

Links

Images

Landscapes

  • Closures For Containers (AREA)
  • Packaging Frangible Articles (AREA)
  • Preparing Plates And Mask In Photomechanical Process (AREA)
  • Details Of Rigid Or Semi-Rigid Containers (AREA)

Abstract

【課題】 フオトマスク等の基板を収納して、保管時および運搬時に、基板が損傷したり、ケースの内部発塵により汚染したりすることを防止し、取扱いが容易で、基板の出し入れ時に発塵することが抑えられ、ケース自体の洗浄性、乾燥性に優れた、安価な基板収納ケースを提供する。
【解決手段】 上蓋および下蓋の四隅に各々の蓋の内面より突出した支持部が設けられており、基板の四隅の下面側の各2つのエッジでもって前記下蓋の支持部に基板の位置決めと支持を同時に行ない、かつ上蓋を閉めることによって、前記上蓋の支持部により前記基板の四隅の上面側の各2つのエッジを固定して基板を収納するもので、前記ヒンジの位置がケースの厚みの中心より上に位置し、上蓋と下蓋を封止するためのロック部の位置がヒンジよりも下に位置する。
【選択図】 図4

Description

本発明は,半導体素子や液晶表示素子の製造に用いるフオトマスクやフオトマクスブランクス等の基板を保管、運搬するための基板収納ケースに関するものであり、さらに詳しくは、1枚ごとの基板収納ケースに関するもので、ペリクル付フオトマスクの保管、運搬にも対応できる基板収納ケースである。
従来の1枚ごとの基板収納ケースとしては、例えば、本体と蓋体がヒンジを介して連結され、本体と蓋体の内面には被収納物を固定する固定部材が設けられ、本体と蓋体が会合する部位の外面が面一に構成され、ヒンジおよび係止部が会合部位の下方に設けられたケースが提案されている(例えば、特許文献1参照。)。
また、ケース本体と蓋体と蓋固定バンドを具え、ケース本体と蓋体の内面に設けた対抗するピン等の支持突起と、ケース本体に設けた囲み片により、基板の上下、横方向の揺れを阻止する収納ケースが知られている(例えば、特許文献2参照。)。
しかしながら、特許文献1に記載のケースは、蓋体を開けたときにフォトマスク等が本体と共に持ち上がることにより、巻き込み異物等が付着し易く、フォトマスク等に外観欠陥不良を生じるという問題があった。
さらに、フォトマスクの上下方向の支持には、支持部材に柱状の突起を設けてマスク表面および裏面を直接に押さえて支持するので、基板を汚染してしまうという問題があった。
特許文献2に記載の収納ケースは、プラスチック製の支持突起によりフォトマスク等の基板の表面および裏面を直接に押さえて支持するので、基板を汚染してしまうという問題やピン等の支持突起が破損するという問題を生じていた。
近年、フオトマスク等のパターンの微細化、高密度化に伴い、高品質化の要求はますます大きくなり、それに伴い、フオトマスク等の基板収納ケースにも低発塵性、損傷防止、汚染防止、取扱いの容易性等の特性が強く求められるようになってきている。
実公平6−30686号公報
特開平10−142773号公報
上記のように、従来の収納ケースは基板の位置決めと支持を別々に行っており、そのために発塵を引き起こし易く、高品質に基板を保持するのに問題があった。
本発明は,上記のような状況のもと、フオトマスク等の基板を収納して、保管時および運搬時に、基板が損傷したり、ケースの内部発塵により汚染したりすることを防止し、取扱いが容易で、基板の出し入れ時に発塵することが抑えられ、ケース自体の洗浄性、乾燥性に優れた、安価な基板収納ケースを提供するものである。
上記の課題を解決するために、本発明の基板収納ケースは、基板の位置決めと支持を同時に行うようにしたものである。
請求項1に記載の基板収納ケースは、上蓋と下蓋がヒンジを介して開閉自在に連結された基板収納ケースにおいて、前記上蓋および下蓋の四隅に各々の蓋の内面より突出した支持部が設けられており、基板の四隅の下面側の各2つのエッジでもって前記下蓋の支持部に基板の位置決めと支持を同時に行ない、かつ上蓋を閉めることによって、前記上蓋の支持部により前記基板の四隅の上面側の各2つのエッジを固定して基板を収納するもので、前記ヒンジの位置がケースの厚みの中心より上に位置し、上蓋と下蓋を封止するためのロック部の位置がヒンジよりも下に位置するようにしたものである。
請求項2に記載の基板収納ケースは、請求項1に記載の基板収納ケースであって、ロック部の位置をケースの厚みの中心よりも下に位置させ、基板の下に自動搬送アームの指を入れられるスペースを設けているようにしたものである。
請求項3に記載の基板収納ケースは、上蓋と下蓋がヒンジを介して開閉自在に連結された基板収納ケースにおいて、前記上蓋および下蓋の四隅に各々の蓋の内面より突出した支持部が設けられており、基板の四隅の下面側の各2つのエッジでもって前記下蓋の支持部に基板の位置決めと支持を同時に行ない、かつ上蓋を閉めることによって、前記上蓋の支持部により前記基板の四隅の上面側の各2つのエッジを固定して基板を収納するもので、前記支持部を含む基板収納ケースの四隅の厚みが、基板収納ケース全体の厚みよりも薄いようにしたものである。
請求項4に記載の基板収納ケースは、請求項3に記載の基板収納ケースであって、前記基板収納ケースの四隅に、挟み込み部材を差し込むことで蓋の固定とスタンドを兼ねるようにしたものである。
請求項5に記載の基板収納ケースは、上蓋と下蓋がヒンジを介して開閉自在に連結された基板収納ケースにおいて、前記上蓋および下蓋の四隅に各々の蓋の内面より突出した支持部が設けられており、基板の四隅の下面側の各2つのエッジでもって前記下蓋の支持部に基板の位置決めと支持を同時に行ない、かつ上蓋を閉めることによって、前記上蓋の支持部により前記基板の四隅の上面側の各2つのエッジを固定して基板を収納するもので、前記収納ケースにおいて、コーナ部および凹凸部に丸みをもたせているようにしたものである。
請求項6に記載の基板収納ケースは、請求項1ないし5のいずれか1項に記載の基板収納ケースであって、外側表面にICタグを具備しているようにしたものである。
本発明の基板収納ケースによれば、基板の四隅の上面側、下面側の各2つのエッジにより基板の位置決めと支持を同時に行うことにより、フオトマスク等の基板の表面および裏面を直接に押さえることがなく、保管時および運搬時に、基板が損傷したり、ケースの内部発塵により基板が汚染したりすることが防止される。
また、上蓋を開いたときに、基板を載せた下蓋が持ち上がることがなく、基板の出し入れ時に発塵することが抑制され、ケース自体の洗浄性、乾燥性に優れるという効果を有する。
さらに、基板の支持部を蓋と一体構造として成型することにより、支持部の剛性を強化され、支持部が破損することが抑えられ、支持部破損による基板の損傷や汚染が防止される。
また、上蓋と下蓋の支持部を対称とし、収納ケースの成型性を容易とし、安価な基板収納ケースを提供することを可能とする。
本発明の一実施例の基板収納ケースを開いた状態を示す平面図である。 図1に示される基板収納ケースのA−A線における側面断面図である。 本発明の一実施例の基板収納ケースの支持部を示す斜視図である。 本発明の一実施例の基板収納ケースを閉じた状態を示す側面断面図である。 本発明の一実施例の基板収納ケースを閉じた状態を示す側面図である。 本発明の一実施例の四隅の厚みを全体の厚みより薄くした基板収納ケースを閉じた状態を示す平面図である。 本発明の一実施例の四隅の厚みを全体の厚みより薄くした基板収納ケースを閉じた状態を示す側面図である。 図6の基板収納ケースの四隅を挟み込み部材により固定した状態を示す平面図である。 図7の基板収納ケースの四隅をスタンドを兼ねた挟み込み部材により固定し縦に静置した状態を示す側面図である。
以下、本発明の実施の形態について図面を用いて説明する。
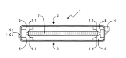
図1は本発明の基板収納ケース1を開いた状態を示す平面図であり、図2は図1に示される基板収納ケース1のA−A線における側面断面図を示す。
図1および図2に示すように、基板収納ケース1は上蓋2と下蓋3で構成され、下蓋3にはフォトマスク等の基板7がパターン膜面等を設けた主面側を下側にして支持されている状態を示す。
本発明の基板収納ケースに用いられる基板7は、半導体素子や液晶表示素子の製造に用いるフオトマスク(レチクルとも称する)やフオトマクスブランクス等の基板であり、低熱膨張ガラスや石英ガラス等を主体に遮光膜が設けられたものであり、一般に遮光膜やパターンを形成する主面は正方形状をしており、基板サイズは規格により外形寸法が定められている。また、本発明における基板7としては、収納ケース1の厚みを厚くすることにより、ペリクル付き基板も収納し得るものである。
上蓋2と下蓋3はヒンジ4を介して開閉自在に連結されている。
本発明におけるヒンジ4は着脱可能にしてあり、上蓋2と下蓋3を270度程度に開くことにより、上蓋2と下蓋3を容易に外すことができ、外した角度において再び簡単に取り付けられる構造にしてあり、ケース洗浄時等において個々に洗浄乾燥することができる。
上蓋2および下蓋3の内面四隅には、それぞれ4箇所の基板の支持部5および6が設けられている。
支持部5および6は蓋と別々に作ってから蓋に接合させることもできるが、支持部5および6を蓋と一体構造として成型する方が、成型の容易さ、支持部の強度・精度の点からより好ましい。
基板の支持部5および6は、基板7の2つのエッジを支持するために、略L字形をしている。
略L字形の2つの支持部の交点は90度をなし、2つの支持部の長さは必ずしも同じ長さである必要はないが、一般にフォトマスク等の基板の主面が正方形なので、支持する方向性が制約されない対称形として、同じ長さとするのがより好ましい。
なお、円形系の基板を支持する際にはその形状に沿った支持部とすることで同様の効果を得ることが出来る。
本発明において、略L字形の支持部5および6の基板を支持する部分は傾斜面を形成しており、各々の基板を支持する部分は基板の1辺のエッジとのみ接するような構造となっている。
図1および図2において、下蓋3の四隅の支持部6上に基板7を静置することにより、支持部6の傾斜面によって、基板7の下面側の四隅にあるにあるそれぞれ2つのエッジが支持部6の2つの傾斜面と接触し、基板7が位置決めされると同時に支持される。
すなわち、基板7は下面側四隅の隣り合って直交する各々2つのエッジにより8箇所で支持部6に支持される。
本発明の基板の支持部についてさらに詳しく説明する。
図3は、基板収納ケース1の下蓋3の四隅にある支持部6の一つの例を示す斜視図である。
基板支持部6のL字形の2辺で囲まれた基板エッジ支持部分11は、L字形2辺のそれぞれから傾斜面を形成している。
傾斜面の角度は、基板が位置決めされ支えられる角度であればよく、蓋の底面に対し、傾斜角15度〜75度程度の範囲で用いられる。
15度未満であると、角度が浅くて基板の支持強度が不十分となりかつ支持位置の再現性が低くなる。
75度を越えると、基板の大きさの寸法公差に対して余裕度が不十分となり基板の損傷を引き起こし易くなるからである。
より好ましくは、支持部の機械的な強度、基板の支持性、基板にかかる力の分散性、基板の大きさに対する余裕度の点から、傾斜角30度〜60度が好ましく、さらにより好ましくは、上下横方向から基板にかかる力が均等となるように、傾斜面の角度は45度に設定するのが望ましい。
また、図3に示すように、基板のずれによるケースとの衝突を防ぎ、支持部6の基板エッジ支持部分11に発生する応力を逃がすために、本発明では、略L字形の2辺の交点に空き12を設けるのも好ましい形態である。
図3は略L字形の2つの支持部の交点周辺を略円柱状に樹脂を取り除いて空き12を設けた例である。
さらに、本発明では、2つの支持部の交点を離して90度で交差するハの字形にすることも可能である。しかし、支持部の強度の点からは前記の略L字形の方
がより好ましい。
次に、上蓋2を閉めることにより、基板7の上面側の四隅のそれぞれ2つのエッジが支持部5の2つの傾斜面と接触して基板7が支持され、基板が固定される。
すなわち、基板7は、下面側と同じく、上面側においても四隅の隣り合って直交する各々2つのエッジにより8箇所で支持部5に支持され、固定される。
図4は上蓋2を閉めた状態を示す側面断面図である。
図4に示すように、基板7は四隅の上下のエッジが、上蓋2側の支持部5と下蓋3側の支持部6の基板エッジ支持部分11の傾斜面で位置決めされ、同時に基板7の上下横方向の動きが阻止されて固定し、搬送時等に生ずる振動によっても動かず、したがって基板7が損傷することはなく、発塵により基板7が汚染されることも防止される。
図5は、本発明の一実施例の基板収納ケースを閉じた状態を示す側面図である。
図5に示すように、本発明では、ヒンジ4の位置がケースの厚みの中心より上に位置し、上蓋2と下蓋3を封止するためのロック部9および10の位置がヒンジ4よりも下に位置している。
したがって、基板収納ケース1の上蓋2と下蓋3の嵌合部13は傾斜面を形成している。
上記のような構造とすることにより、本発明では、図2に示すように、基板収納ケース1の蓋を開いたときに、下蓋3のヒンジ側が浮き上がることがなく、従来のケースのように下蓋のヒンジ側が浮き上がることにより周囲の塵埃を巻き込み、基板に異物付着による外観不良を引き起こすようなことがない。
図2に示した例では、上蓋3は閉じた状態から約185度の角度で開いている。
さらに、本発明では、上記図5のような構造に加え、ロック部の位置をケースの厚みの中心よりも下に位置させ、上蓋が開いたときに、基板の下に自動搬送アームの指を入れられる十分なスペースを設けることにより、上蓋を開き基板を取り出すときに、自動搬送アームの指を基板の下に入れ、人手を介さずに基板の収納ケースへの出し入れが可能となる。
さらに、ロック部のフックを自動搬送アームで開閉し得る構造とすることにより、基板の収納ケースへの出し入れ、収納ケースの搬送を自動化することができる。
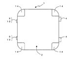
また、本発明の基板収納ケースは、図6および図7に示すように、支持部を含む収納ケースの四隅の厚みを、基板収納ケース全体の厚みよりも薄くする形態も取り得る。
図6は、支持部を含む基板収納ケースの四隅の厚みを全体の厚みより薄くした基板収納ケースを閉じた状態を示す平面図であり、図7は、その側面図である。
図6、図7において、図1、図2、図5と同じ部分を示す場合には同じ符号番号を用いている。
図6、図7において、収納ケース1の上蓋2、下蓋3の四隅は薄くすることにより、段差部14を形成する。四隅を薄くすることでフォトマスクを収納しロックを行う際の作業性を容易にする。
また、四隅の支持部を含むことで支持部の高さを低くすることが出来、結果的に支持部材としての剛性を上げることが出来る。また、四隅薄くし段差を設けることで作業のときなどのケースの固定を下蓋3の最外周ではなくケースの内側(支持部材付近)で行えるようになるため、装置起因の発塵の影響を受けることがない。
図8は、図6の基板収納ケースの四隅を挟み込み部材15により固定した状態を示す平面図である。
本発明においては、基板収納ケース1の四隅に設けた上記の段差部14に、図8に示すように、挟み込み部材15を差し込むことで、蓋の固定をさらに強固なものとすることが可能である。
収納ケース1の四隅の厚みが薄いので、挟み込み部材15の装着、取り外しが容易であり、装着後の挟み込み部材15を含む四隅の厚みを基板収納ケース1の全体の厚みの範囲内にすることも可能であり、ケースの保管、運搬時に挟み込み部材15の厚みが支障とならない。
挟み込み部材15としては、プラスチック製、ゴム製または金属製のクリップや固定バンドを用いることができる。
さらに、図9は、図7の基板収納ケースの四隅をスタンドを兼ねた挟み込み部材15により固定し縦に静置した状態を示す側面図である。
本発明の基板収納ケースは図9に示すように、スタンドを兼ねた挟み込み部材15を用いて縦型にしてマスク保管棚等に書物のように整然と配列することができ、ケース外側にICタグ等を貼付すれば、棚からのケースの自動出し入れ、ケースの自動搬送、基板のケースからの自動出し入れが可能となり、人手作業が減少することにより、塵埃による品質トラブルも減少し、品質、生産性を向上し、高品質マスクの作製、搬送、保管に寄与する。
本発明の基板収納ケース1の上蓋2、下蓋3、支持部5および6の材質は、低発塵性で、洗浄、乾燥性が良くて再利用できるものがよい。
また、基板収納ケースは運搬時等に帯電すると、放電現象によりフォトマスクパターンを破壊したり、空気中の塵埃を吸着して基板を汚染するので、上蓋2、下蓋3、支持部5、6は導電性プラスチックにより形成するのが好ましい。
導電性プラスチックとしては、例えば、電気抵抗率の小さいゴム粒子を硬質樹脂中に分散した構造の商品名バイヨン(呉羽化学工業社製)あるいはノバロイ(ダイセルポリマー社製)という樹脂が使用可能である。
また、嵌合部13の上蓋2と下蓋3のパッキングに用いるガスケット8としては、フッ素系ゴムを用いることが可能であり、例えば、フロロプラス(ニチアス社製)という製品が挙げられる。
本発明では、嵌合する上蓋部分にガスケット8を凸状に設け、対応する下蓋3の嵌合部を凹状とすることにより嵌合部の密着性は維持される。
またガスケットの内側には別途嵌合部を設けてあり、ロックが解除され上蓋2が開いている状態において、ガスケットのシール性が保たれていない状態でも嵌合部は一部が重ね合わさっておりケース外からの異物混入を防ぐようになっている。
その結果、従来の収納ケースのように、基板収納後に上蓋と下蓋の嵌合部をテープ等で貼り合わせる作業を不要とすることが出来た。
また、本発明では、ガスケット8が上蓋2と下蓋3を重ね合わせたときの緩衝材の役割も果たしているものである。
本発明において、ヒンジ4は上蓋2と下蓋3が着脱可能な構造としている。
また、ロック部9、10は1箇所以上設けることでロックされるが、例えば、2ヵ所設け、上蓋2と下蓋3を嵌合したときに、ロック部9、10のフックによりロックされ、かつフックを押すことによりロックが解除される構造とすることができる。
基板を収納したケースの蓋を開くときは、周囲からの塵埃の落下付着の危険性を避けるために、基板のパターン面が下の状態で開けるのが基本であるが、本発明の基板収納ケース1は、ヒンジ4とロック部9、10を除くと、上蓋と下蓋を対称形にして製造することが可能なので、蓋の両面から開けることも可能であり、フォトトマスク製造の内部工程等において、必要に応じて開く蓋を適宜選択することができるという利点を有する。
本発明の基板収納ケース1は、収納ケースの樹脂成型時におけるヒケの問題を生じさせず、収納ケースのコーナ部や凹凸部に塵埃が集まりにくく、洗浄、乾燥し易くするために、コーナ部や凹凸部に丸みをもたせる構造とするのがより好ましい。
上記のように、本発明の基板収納ケース1は、蓋2,3と基板支持部5,6を一体成形で製造することが可能なため、剛性が高く、高品質で安価な基板収納ケースが提供される。
また、基板に直接触れるところに導電性樹脂以外の物質を使用しないことから余分な物質の影響を受けることを防ぐことが出来る。
さらに、本発明の基板収納ケース1の外側表面にバーコードラベルやICタグを具備させ、ケースごと製品管理することも可能である。
次に、上述した実施の形態の具体的実施例について述べる。
6インチのフォトマスク(外形寸法6×6×0.25(厚み)インチ)専用の基板収納ケースを作製するために、ヒンジ部およびロック部を含めたケースの外形寸法220×230×22(厚み)mmの上蓋および下蓋の金型を作製し、商品名ノバロイ(ダイセルポリマー社製)樹脂を用いて樹脂厚3mmの上蓋および下蓋を作製した。
上蓋と下蓋が嵌合する上蓋部分には、ガスケットとしてポリエステルエラストマー樹脂で凸状の嵌合部を設け、対応する下蓋は凹状の嵌合部とした。
ヒンジは上蓋と下蓋が着脱可能な構成とした。
また、ロック部は2ヵ所設け、上蓋と下蓋を嵌合したときに、フックによりロックされ、かつフックを押すことによりロックが解除される構造とした。
上蓋および下蓋の内面四隅には、それぞれ4箇所の支持部を蓋と一体構造で設けた。支持部は30×30×10(高さ)mmの大きさで蓋の底面から突出して形成し、その支持部の内側の角に、さらに20×20×20(蓋の底面からの高さ)mmのL字形の基板エッジ支持部が突き出た構造とし、蓋と一体成型で形成した。
90度で交わるL字形の2辺で囲まれた基板エッジ支持部分は、2辺のそれぞれから傾斜面を形成し、傾斜面の角度は底面に対し45度とした。また、L字形の2辺の交点に円柱状の空きを設けた。
上蓋と下蓋はヒンジとロック部以外は、上下対称の形状とし、基板収納ケースを形成した。
次に、上記の上蓋を開けた収納ケースの下蓋に、6インチのフォトマスク(外形寸法6×6×0.25(厚み)インチ)をパターン面下側にして静置した。
マスクの下面側の四隅にあるにあるそれぞれ2つのエッジが、支持部の基板エッジ支持部分の2つの傾斜面と接触し、位置決めと同時に支持され、マスクは下面側四隅の隣り合って直交する各々2つのエッジにより、8箇所で支持部の傾斜面に支持された状態となった。
次に、上蓋を閉め、ロックすることにより、マスクの上面側の四隅のそれぞれ2つのエッジが、上蓋の支持部の2つの傾斜面と接触してマスクが支持されると同時に固定された。
すなわち、フォトマスクは、下面側と同じく、上面側においても四隅の隣り合って直交する各々2つのエッジにより8箇所で支持され、確実に固定された。
(比較例1)
従来技術により、バイヨン樹脂で形成した上蓋、下蓋が分割できる6インチのフォトマスク収納ケース(225×225×41mm)を作製した。
このケースはマスクを支持するために、マスクの外周を位置決めする外周固定部と、マスクを固定するバイヨン製ピン状突起とを、上蓋、下蓋のそれぞれに設けたものであり、マスクとの接触部のピン状突起先端はシリコン樹脂で覆い接触時の衝撃を緩和するようにした。
このケースに6インチのフォトマスクをパターン面を下にして静置し、上下のピンでマスクを固定した。
次に上下の蓋の嵌合部を梱包テープで封じ、かつ四隅を樹脂クリップにて固定した。
(発塵性の比較)
実施例1の本発明の収納ケースと比較例1の従来の収納ケースを用い、同一条件で強制発塵試験を行ない発塵性を比較した。
測定条件はフォトマスクをそれぞれの収納ケースに収納後、2時間振動させ、ケース収納前とケースに収納し振動後のマスク上の異物の大きさ(μm)をレーザ反射式異物測定装置GM((株)日立製作所製)にて測定し、異物の増加数を比較した。
測定エリアは130×130mmであり、それぞれ4枚について発塵試験を行ない平均値を求めた。
その結果従来の収納ケースと比較して本発明の収納ケースは1/7にまで発塵を低減させることが判明した。
1 基板収納ケース
2 上蓋
3 下蓋
4 ヒンジ
5 支持部
6 支持部
7 基板
8 ガスケット
9 ロック部
10 ロック部
11 基板エッジ支持部分
12 円柱状空き
13 嵌合部
14 段差部
15 挟み込み部材

Claims (6)

  1. 上蓋と下蓋がヒンジを介して開閉自在に連結された基板収納ケースにおいて、前記上蓋および下蓋の四隅に各々の蓋の内面より突出した支持部が設けられており、基板の四隅の下面側の各2つのエッジでもって前記下蓋の支持部に基板の位置決めと支持を同時に行ない、かつ上蓋を閉めることによって、前記上蓋の支持部により前記基板の四隅の上面側の各2つのエッジを固定して基板を収納するもので、前記ヒンジの位置がケースの厚みの中心より上に位置し、上蓋と下蓋を封止するためのロック部の位置がヒンジよりも下に位置することを特徴とする基板収納ケース。
  2. 請求項1に記載の基板収納ケースであって、ロック部の位置をケースの厚みの中心よりも下に位置させ、基板の下に自動搬送アームの指を入れられるスペースを設けたことを特徴とする基板収納ケース。
  3. 上蓋と下蓋がヒンジを介して開閉自在に連結された基板収納ケースにおいて、前記上蓋および下蓋の四隅に各々の蓋の内面より突出した支持部が設けられており、基板の四隅の下面側の各2つのエッジでもって前記下蓋の支持部に基板の位置決めと支持を同時に行ない、かつ上蓋を閉めることによって、前記上蓋の支持部により前記基板の四隅の上面側の各2つのエッジを固定して基板を収納するもので、前記支持部を含む基板収納ケースの四隅の厚みが、基板収納ケース全体の厚みよりも薄いことを特徴とする基板収納ケース。
  4. 請求項3に記載の基板収納ケースであって、前記基板収納ケースの四隅に、挟み込み部材を差し込むことで蓋の固定とスタンドを兼ねることを特徴とする基板収納ケース。
  5. 上蓋と下蓋がヒンジを介して開閉自在に連結された基板収納ケースにおいて、前記上蓋および下蓋の四隅に各々の蓋の内面より突出した支持部が設けられており、基板の四隅の下面側の各2つのエッジでもって前記下蓋の支持部に基板の位置決めと支持を同時に行ない、かつ上蓋を閉めることによって、前記上蓋の支持部により前記基板の四隅の上面側の各2つのエッジを固定して基板を収納するもので、前記収納ケースにおいて、コーナ部および凹凸部に丸みをもたせたことを特徴とする基板収納ケース。
  6. 請求項1ないし5のいずれか1項に記載の基板収納ケースであって、外側表面にICタグを具備していることを特徴とする基板収納ケース。
JP2009260122A 2009-11-13 2009-11-13 基板収納ケース Expired - Lifetime JP5158056B2 (ja)

Priority Applications (1)

Application Number Priority Date Filing Date Title
JP2009260122A JP5158056B2 (ja) 2009-11-13 2009-11-13 基板収納ケース

Applications Claiming Priority (1)

Application Number Priority Date Filing Date Title
JP2009260122A JP5158056B2 (ja) 2009-11-13 2009-11-13 基板収納ケース

Related Parent Applications (1)

Application Number Title Priority Date Filing Date
JP2003323585A Division JP4601932B2 (ja) 2003-09-16 2003-09-16 基板収納ケース

Publications (2)

Publication Number Publication Date
JP2010042867A true JP2010042867A (ja) 2010-02-25
JP5158056B2 JP5158056B2 (ja) 2013-03-06

Family

ID=42014589

Family Applications (1)

Application Number Title Priority Date Filing Date
JP2009260122A Expired - Lifetime JP5158056B2 (ja) 2009-11-13 2009-11-13 基板収納ケース

Country Status (1)

Country Link
JP (1) JP5158056B2 (ja)

Cited By (1)

* Cited by examiner, † Cited by third party
Publication number Priority date Publication date Assignee Title
KR20230111670A (ko) * 2022-01-18 2023-07-26 주식회사 우당기술산업 스프링클러 헤드 보호캡

Citations (5)

* Cited by examiner, † Cited by third party
Publication number Priority date Publication date Assignee Title
JPS6276531A (ja) * 1985-09-27 1987-04-08 Canon Inc 基板収納方法
JP3042696U (ja) * 1997-02-03 1997-10-31 旭化成電子株式会社 収納ケース用コーナークリップ及び収納ケース
JP2001508735A (ja) * 1997-01-07 2001-07-03 フルオロウェア・インコーポレーテッド 自己整列ポケットを備えた集積回路トレイ
JP2003012079A (ja) * 2001-06-27 2003-01-15 High Mold:Kk 記憶ディスク収納ケース
JP2003222992A (ja) * 2002-01-31 2003-08-08 Arakawa Jushi:Kk マスクケース

Patent Citations (5)

* Cited by examiner, † Cited by third party
Publication number Priority date Publication date Assignee Title
JPS6276531A (ja) * 1985-09-27 1987-04-08 Canon Inc 基板収納方法
JP2001508735A (ja) * 1997-01-07 2001-07-03 フルオロウェア・インコーポレーテッド 自己整列ポケットを備えた集積回路トレイ
JP3042696U (ja) * 1997-02-03 1997-10-31 旭化成電子株式会社 収納ケース用コーナークリップ及び収納ケース
JP2003012079A (ja) * 2001-06-27 2003-01-15 High Mold:Kk 記憶ディスク収納ケース
JP2003222992A (ja) * 2002-01-31 2003-08-08 Arakawa Jushi:Kk マスクケース

Cited By (2)

* Cited by examiner, † Cited by third party
Publication number Priority date Publication date Assignee Title
KR20230111670A (ko) * 2022-01-18 2023-07-26 주식회사 우당기술산업 스프링클러 헤드 보호캡
KR102726125B1 (ko) * 2022-01-18 2024-11-06 주식회사 우당기술산업 스프링클러 헤드 보호캡

Also Published As

Publication number Publication date
JP5158056B2 (ja) 2013-03-06

Similar Documents

Publication Publication Date Title
JP4601932B2 (ja) 基板収納ケース
TWI285179B (en) Container for housing a large pellicle
TWI398389B (zh) 防護薄膜組件收納容器
TWI384530B (zh) 防護薄膜組件收納容器
JP4176138B2 (ja) 大型ペリクル収納容器
JPH088332A (ja) ウェーハ収納容器におけるウェーハバスケット
JP5158056B2 (ja) 基板収納ケース
JP5416154B2 (ja) 基板収納容器、膜付きガラス基板収納体、マスクブランク収納体、および転写マスク収納体
JP4614845B2 (ja) ペリクル用収納容器
WO2006035894A1 (ja) 薄膜付基板の支持部材、薄膜付基板の収納容器、マスクブランク収納体、転写マスク収納体、及び薄膜付基板の輸送方法
KR101087356B1 (ko) 펠리클용 수납 용기
JP2013145328A (ja) ペリクル収納容器及びペリクル保管方法
JP2010049266A (ja) 大型ペリクル収納容器及びその製造方法
JP4493711B2 (ja) 大型ペリクル収納容器及びその製造方法
JP4334992B2 (ja) 基板収納ケース
JP2007047238A (ja) ペリクル用収納容器
JP4668724B2 (ja) ペリクル用収納容器
JP5271763B2 (ja) ペリクル収納容器
JP4337988B2 (ja) 大型ペリクル収納容器
TWI526376B (zh) 基板收納容器、遮罩基底收納體、轉印遮罩收納體及覆膜玻璃基板收納體
JP2009037269A5 (ja)
HK1111230B (en) Pellicle storage container and method of manufacturing same
KR20070093441A (ko) 대형 펠리클 수납 용기
HK1111230A1 (zh) 防护薄膜组件收纳容器及其制造方法
JP2005135947A (ja) フォトマスク収納用容器

Legal Events

Date Code Title Description
A977 Report on retrieval

Free format text: JAPANESE INTERMEDIATE CODE: A971007

Effective date: 20111213

A131 Notification of reasons for refusal

Free format text: JAPANESE INTERMEDIATE CODE: A131

Effective date: 20120124

A521 Request for written amendment filed

Free format text: JAPANESE INTERMEDIATE CODE: A523

Effective date: 20120322

A02 Decision of refusal

Free format text: JAPANESE INTERMEDIATE CODE: A02

Effective date: 20120529

A521 Request for written amendment filed

Free format text: JAPANESE INTERMEDIATE CODE: A523

Effective date: 20120827

A911 Transfer to examiner for re-examination before appeal (zenchi)

Free format text: JAPANESE INTERMEDIATE CODE: A911

Effective date: 20120903

TRDD Decision of grant or rejection written
A01 Written decision to grant a patent or to grant a registration (utility model)

Free format text: JAPANESE INTERMEDIATE CODE: A01

Effective date: 20121113

A61 First payment of annual fees (during grant procedure)

Free format text: JAPANESE INTERMEDIATE CODE: A61

Effective date: 20121126

R150 Certificate of patent or registration of utility model

Ref document number: 5158056

Country of ref document: JP

Free format text: JAPANESE INTERMEDIATE CODE: R150

Free format text: JAPANESE INTERMEDIATE CODE: R150

FPAY Renewal fee payment (event date is renewal date of database)

Free format text: PAYMENT UNTIL: 20151221

Year of fee payment: 3

EXPY Cancellation because of completion of term