JP2005291213A - 電磁弁の駆動制御方法 - Google Patents

電磁弁の駆動制御方法 Download PDF

Info

Publication number
JP2005291213A
JP2005291213A JP2005108087A JP2005108087A JP2005291213A JP 2005291213 A JP2005291213 A JP 2005291213A JP 2005108087 A JP2005108087 A JP 2005108087A JP 2005108087 A JP2005108087 A JP 2005108087A JP 2005291213 A JP2005291213 A JP 2005291213A
Authority
JP
Japan
Prior art keywords
voltage
suction
solenoid valve
duration
anzug
Prior art date
Legal status (The legal status is an assumption and is not a legal conclusion. Google has not performed a legal analysis and makes no representation as to the accuracy of the status listed.)
Pending
Application number
JP2005108087A
Other languages
English (en)
Inventor
Helmut Rembold
ヘルムート レムボルト
Wolfgang Bueser
ヴォルフガング ビューザー
Juergen Eckhardt
エックハルト ユルゲン
Bernd Schroeder
ベルント シュレーダー
Current Assignee (The listed assignees may be inaccurate. Google has not performed a legal analysis and makes no representation or warranty as to the accuracy of the list.)
Robert Bosch GmbH
Original Assignee
Robert Bosch GmbH
Priority date (The priority date is an assumption and is not a legal conclusion. Google has not performed a legal analysis and makes no representation as to the accuracy of the date listed.)
Filing date
Publication date
Application filed by Robert Bosch GmbH filed Critical Robert Bosch GmbH
Publication of JP2005291213A publication Critical patent/JP2005291213A/ja
Pending legal-status Critical Current

Links

Images

Classifications

    • FMECHANICAL ENGINEERING; LIGHTING; HEATING; WEAPONS; BLASTING
    • F02COMBUSTION ENGINES; HOT-GAS OR COMBUSTION-PRODUCT ENGINE PLANTS
    • F02MSUPPLYING COMBUSTION ENGINES IN GENERAL WITH COMBUSTIBLE MIXTURES OR CONSTITUENTS THEREOF
    • F02M59/00Pumps specially adapted for fuel-injection and not provided for in groups F02M39/00 -F02M57/00, e.g. rotary cylinder-block type of pumps
    • F02M59/20Varying fuel delivery in quantity or timing
    • F02M59/36Varying fuel delivery in quantity or timing by variably-timed valves controlling fuel passages to pumping elements or overflow passages
    • F02M59/366Valves being actuated electrically
    • FMECHANICAL ENGINEERING; LIGHTING; HEATING; WEAPONS; BLASTING
    • F02COMBUSTION ENGINES; HOT-GAS OR COMBUSTION-PRODUCT ENGINE PLANTS
    • F02DCONTROLLING COMBUSTION ENGINES
    • F02D1/00Controlling fuel-injection pumps, e.g. of high pressure injection type
    • F02D1/02Controlling fuel-injection pumps, e.g. of high pressure injection type not restricted to adjustment of injection timing, e.g. varying amount of fuel delivered
    • FMECHANICAL ENGINEERING; LIGHTING; HEATING; WEAPONS; BLASTING
    • F02COMBUSTION ENGINES; HOT-GAS OR COMBUSTION-PRODUCT ENGINE PLANTS
    • F02MSUPPLYING COMBUSTION ENGINES IN GENERAL WITH COMBUSTIBLE MIXTURES OR CONSTITUENTS THEREOF
    • F02M59/00Pumps specially adapted for fuel-injection and not provided for in groups F02M39/00 -F02M57/00, e.g. rotary cylinder-block type of pumps
    • F02M59/20Varying fuel delivery in quantity or timing
    • F02M59/36Varying fuel delivery in quantity or timing by variably-timed valves controlling fuel passages to pumping elements or overflow passages
    • F02M59/366Valves being actuated electrically
    • F02M59/367Pump inlet valves of the check valve type being open when actuated
    • FMECHANICAL ENGINEERING; LIGHTING; HEATING; WEAPONS; BLASTING
    • F02COMBUSTION ENGINES; HOT-GAS OR COMBUSTION-PRODUCT ENGINE PLANTS
    • F02MSUPPLYING COMBUSTION ENGINES IN GENERAL WITH COMBUSTIBLE MIXTURES OR CONSTITUENTS THEREOF
    • F02M63/00Other fuel-injection apparatus having pertinent characteristics not provided for in groups F02M39/00 - F02M57/00 or F02M67/00; Details, component parts, or accessories of fuel-injection apparatus, not provided for in, or of interest apart from, the apparatus of groups F02M39/00 - F02M61/00 or F02M67/00; Combination of fuel pump with other devices, e.g. lubricating oil pump
    • F02M63/02Fuel-injection apparatus having several injectors fed by a common pumping element, or having several pumping elements feeding a common injector; Fuel-injection apparatus having provisions for cutting-out pumps, pumping elements, or injectors; Fuel-injection apparatus having provisions for variably interconnecting pumping elements and injectors alternatively
    • F02M63/0225Fuel-injection apparatus having a common rail feeding several injectors ; Means for varying pressure in common rails; Pumps feeding common rails
    • FMECHANICAL ENGINEERING; LIGHTING; HEATING; WEAPONS; BLASTING
    • F16ENGINEERING ELEMENTS AND UNITS; GENERAL MEASURES FOR PRODUCING AND MAINTAINING EFFECTIVE FUNCTIONING OF MACHINES OR INSTALLATIONS; THERMAL INSULATION IN GENERAL
    • F16KVALVES; TAPS; COCKS; ACTUATING-FLOATS; DEVICES FOR VENTING OR AERATING
    • F16K31/00Actuating devices; Operating means; Releasing devices
    • F16K31/02Actuating devices; Operating means; Releasing devices electric; magnetic
    • F16K31/06Actuating devices; Operating means; Releasing devices electric; magnetic using a magnet, e.g. diaphragm valves, cutting off by means of a liquid
    • F16K31/0675Electromagnet aspects, e.g. electric supply therefor
    • FMECHANICAL ENGINEERING; LIGHTING; HEATING; WEAPONS; BLASTING
    • F02COMBUSTION ENGINES; HOT-GAS OR COMBUSTION-PRODUCT ENGINE PLANTS
    • F02DCONTROLLING COMBUSTION ENGINES
    • F02D41/00Electrical control of supply of combustible mixture or its constituents
    • F02D41/20Output circuits, e.g. for controlling currents in command coils
    • F02D2041/202Output circuits, e.g. for controlling currents in command coils characterised by the control of the circuit
    • F02D2041/2024Output circuits, e.g. for controlling currents in command coils characterised by the control of the circuit the control switching a load after time-on and time-off pulses
    • F02D2041/2027Control of the current by pulse width modulation or duty cycle control

Landscapes

  • Engineering & Computer Science (AREA)
  • General Engineering & Computer Science (AREA)
  • Mechanical Engineering (AREA)
  • Chemical & Material Sciences (AREA)
  • Combustion & Propulsion (AREA)
  • Physics & Mathematics (AREA)
  • Electromagnetism (AREA)
  • Fuel-Injection Apparatus (AREA)
  • Electrical Control Of Air Or Fuel Supplied To Internal-Combustion Engine (AREA)
  • Magnetically Actuated Valves (AREA)

Abstract

【課題】印加電圧によって生じたコイル電流をそのつどの高圧ポンプ及び/又は内燃機関の作動特性量に適応化させ、通電したコイル電流に起因する熱的負荷をできるだけ小さく抑えること。
【解決手段】吸引電圧及び/又は保持電圧を、高圧ポンプ及び/又は内燃機関の作動特性量に依存して定める。
【選択図】図6

Description

本発明は、電磁弁、特に内燃機関の燃料供給システム内の電磁弁の駆動制御方法であって、前記電磁弁は無電流状態で閉じられており、前記電磁弁は、吸引電圧を介して開弁され、保持電圧を介して開弁状態に維持される、電磁弁の駆動制御のための方法及び装置に関している。さらに本発明は、コンピュータないし制御機器上で当該方法を実施するためのコンピュータプログラム製品に関している。
ドイツ連邦共和国特許出願DE 199 13 477号明細書からは既に、電磁弁(ソレノイドバルブ)を備えた燃料供給装置の作動のための方法が公知である。この電磁弁は、無電流状態で開弁され、閉弁に対しては一定の電圧(バッテリ電圧)を用いて駆動制御されている。ここでは電流が特異的な形式で引き上げられている。電圧が遮断された後は、電流も特異的な形式で降下し、この電流降下の直後に電磁弁が開弁される。この電磁弁の駆動制御の持続時間は、バッテリ電圧に依存して、及び/又は電磁弁のコイル抵抗に依存して制御されている。
またドイツ連邦共和国特許出願DE 102 01 453明細書からは、ブレーキシリンダのための電磁弁の作動方法が公知である。この開弁可能な電磁弁は、無電流状態で開弁され、さらに閉弁に対しては一定の電圧で駆動制御されている。ここでは最大吸引電流に達した場合に、電磁弁のコイルがパルス制御された電圧を用いて駆動制御され、コイルを流れる電流が最小許容保持電流まで低減される。電磁弁の開弁に対しては、電磁弁に印加される電圧が遮断され、その場合に電流降下が保持電流から出発して、現下の最大吸引電流の場合よりも早期時点で行われる。
ドイツ連邦共和国特許出願DE 199 13 477号明細書 ドイツ連邦共和国特許出願DE 102 01 453号明細書
本発明の課題は、従来技術における欠点に鑑みこれを解消すべく改善を行うことである。
前記課題は、本発明により、吸引電圧及び/又は保持電圧を、高圧ポンプ及び/又は内燃機関の作動特性量に依存して定めるようにして解決される。
本発明の手法によれば、有利な形式で、印加電圧によって生じたコイル電流をそのつどの高圧ポンプ及び/又は内燃機関の作動特性量に適応化させ、通電したコイル電流に起因する熱的負荷をできるだけ小さく抑えることが可能となる。
本発明の別の有利な実施例ないし改善例は従属請求項に記載されている。
特に有利には、電磁弁のコイルに印可される保持電圧が高圧ポンプのピストンの回転数及び/又は速度に依存して定められる。この手法により有利には、例えば高圧ポンプの僅かな回転数のもとで僅かな保持電圧を選択することが可能となる。これにより電磁弁のコイルを流れる電流と電磁弁の熱的負荷が低減される。
本発明のさらに別の有利な実施例によれば、吸引電圧及び/又は保持電圧が、電磁弁に影響を及ぼす温度ないしは電磁弁に作用する温度に依存して定められる。この手法により有利には、電磁弁のコイルのオーム抵抗の温度依存性が補償される。
さらに別の有利な実施例によれば、吸引電圧及び/又は保持電圧が、その有効電圧値においてパルス幅変調により制御される。このことは、次のような利点となる。すなわち、全ての電圧が、ベース電圧、例えばバッテリ電圧から出発して、パルス幅変調だけで所望の電圧レベルに相応して設定できるようになる。
さらに別の有利な実施例によれば、吸引電圧及び/又は吸引持続時間が、高圧ポンプ及び/又は内燃機関の作動特性量に依存して定められる。それにより有利には、低い供給電圧が存在する場合には、吸引持続時間を延長し、高い供給電圧が存在する場合には、吸引持続時間を短縮することが可能となる。
さらに別の有利な実施例によれば、吸引電圧及び/又は吸引持続時間が、高圧ポンプのピストンの回転数及び/又は速度に依存して定められ、あるいは、吸引電圧及び/又は吸引持続時間が、電磁弁に影響を及ぼす温度に依存して定められる。これらの特性量の考慮によって有利には、これらの特性量の電磁弁への影響量が補償される。
また本発明の別の有利な実施例によれば、電磁弁の駆動制御のための装置が設けられ、前記装置が電磁弁を駆動制御するための手段を有し、この場合吸引電圧及び/又は保持電圧及び/又は吸引持続時間が、高圧ポンプ及び又は内燃機関の作動特性量に依存して定められている。
次に本発明を図面に基づき以下の明細書で詳細に説明する。
無電流状態で閉弁するいわゆる“無電流閉弁型”電磁弁のコンセプトは、高い回転数とカム数に関して有利である。ポンプピストンの吐出フェーズの期間中は、無電流閉弁型電磁弁が通電されると、それに伴って不要な燃料量が押し開けられた流入弁を介してフィードバックされる。この場合流入弁の開弁維持に必要な磁力は、流入弁において生じた通流圧力+僅かなスプリングないしバネ反発力よりも大きくなければならない。その後で電磁弁が閉弁され、流入弁が閉じられて残留燃料は高圧側の方向に供給される。流入弁の閉弁は、スプリングないしバネによって支援されており、それによって閉弁時間が短縮される。
無電流状態で開弁する“無電流開弁型”電磁弁のコンセプトに比較して、最大磁力は、吸引状態(つまり比較的小さな残留空隙)のもとで構築される。無電流開放型電磁弁の場合には、比較的大きなスプリング反発力が比較的大きな残留空隙のもとで克服されなければならない。
所要の磁気力は、無電流閉弁型電磁弁の場合は比較的小さい。それにより電磁弁は磁界と共にコンパクトに構成され得る。比較的小さな磁界は、動特性に優れ、短い切換時間が実現できる。その上さらに無電流閉弁型電磁弁のコンセプトでは許容偏差にも強い。欠点は、特に少ない吐出量の際の比較的長いスイッチング期間である。吐出量が少ない時には、この無電流閉弁型電磁弁はポンプピストンの終了フェーズにおいて初めて閉弁される。付加的手段(例えば電流制御)なしでは、電磁弁の熱的負荷の危険性が生じる。
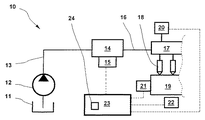
図1には、内燃機関の燃料噴射システム10が示されている。プレ吐出ポンプ12は、燃料タンク11から燃料を吸い上げ管路13を介して燃料ポンプ14に送出する。電磁弁15は、燃料ポンプ14に配設されており、燃料ポンプ14の吐出量を制御している。所要の吐出量は、比較的高い圧力で圧縮され、管路16を介して燃料畜圧器(コモンレール)17へ供給される。そこから燃料が噴射弁18を介して内燃機関19内へ噴射される。コモンレール17には圧力センサ20が設けられている。内燃機関19には、回転数センサ21が設けられている。制御ユニット23は、電磁弁15を制御しており、この場合駆動制御の計算には、センサ20を介した圧力とセンサ21を介した回転数が関与している。さらにさらなる特性量が駆動制御の計算に関与する。例えば温度はセンサ22を介して関与する。電磁弁15の駆動制御の計算のためのプログラムは、制御ユニット23内にある記憶媒体24内に記憶されている。
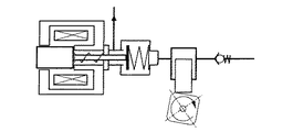
図2には、燃料ポンプ14が吸引フェーズにおいて示されている。ピストン27は、この場合下方に移動し、カム28の輪郭を追従する。燃料は、管路13を通り流入弁25を介して吐出チャンバ26に流入する。この吐出チャンバ26の下流には逆止弁29が設けられており、このバルブは、吸引フェーズにおいて管路16への経路を塞いでいる。マグネットアーマチュア31は、マグネットコイル33によって取り囲まれており、この場合マグネットアーマチュア31から流入弁25の方向にプランジャ32を有している。図2に示されている無電粒状態の電磁弁15においては、マグネットアーマチュア31がプランジャ32と共にスプリング30を介して流入弁25から離れる位置に維持されている。ピストン27は下方に移動しており、それによって吐出チャンバ26の体積も拡大しているので、吐出チャンバ26内の燃料の圧力は、低圧領域の管路13内の燃圧に比べて低下する。そのため流入弁25は、既存の圧力差に基づいて自動的に開き、燃料を吐出チャンバ26内に送り込む。吸引フェーズの終焉では吐出チャンバ26と管路13の間の圧力差は低減し、そのため電磁弁15の通電なしで、流入弁25は再び典型的に閉弁する。
後続する電磁弁制御に対し吸引フェーズにおいて流入弁25を開弁状態に維持するために、吐出フェーズの開始前に電磁弁が通電される。マグネットコイル33は、磁界を形成し、図3に示されているようにマグネットアーマチュア31をスプリング30に抗して右方の流入弁25の方向に引っ張る。プランジャ32を介して流入弁25が突かれる。不要な燃料は、ここにおいて管路13内の低圧側に戻される。
高圧側の管路16内への燃料の吐出に対しては、吐出フェーズの期間中に電磁弁が閉弁される。無電流状態において磁界が消磁され、スプリング30の応力を介してマグネットアーマチュア31が図4に示されているように、プランジャ32と共に左方へ移動され、流入弁25を開放する。流入弁25は閉弁され、残量ないし吐出量が逆止弁29を介して高圧側の管路16内へ供給され、その後燃料畜圧器17へ吐出される。
図5には、ピストンストロークH_k、電磁弁ストロークH_MSV、並びに電圧Uと電流強度Iの時間経過が表されている。吸引フェーズの開始時点では、電磁弁15がまず無電流状態である。まだ吸引フェーズの期間中は、電磁弁15は吸引/通電され、それによって吐出フェーズの開始時点に流入弁25が開弁される。マグネットアーマチュア31の急速な吸引のための吸引電圧Uは、この場合比較的高い有効値を持たなければならない。図5による実施例では、実質的に一定な吸引電圧U_anが持続時間t_Anzugに亘って印加される。マグネットアーマチュア31が吸引されたならば、保持のための電流強度Iは、低減され得る。この電流強度は、当該電磁弁15のマグネットコイル33に印加される電圧Uを保持電圧U_Haltまで低減することによって低減される。当該実施例では、このことが印加電圧のパルス幅変調によって行われている。有効な印加電圧は、この場合パルスのオンオフ比の選択を介して設定される。マグネットコイルに印可される有効電圧の低減によって、電流Iが保持電流I_Halterまで降下する。電流Iは、この場合持続時間t_Haltenを介して、磁力がスプリング力よりも大きくかつ流入弁25に加わる通流圧力よりも大でなければならない。
流入弁25の閉弁に対しては電圧Uが遮断される。フリーホイーリングダイオードを介して電流Iが消弧され、マグネット力が低減される。残留燃料量は、高圧側へ吐出される。
吐出量の制御は有利には圧力を介して行われる。少ない量が吐出される場合、燃料畜圧器17内の圧力実際値は、低減する。燃料蓄積器内の圧力目標値と圧力実際値の比較によって保持持続時間が新たに算出される。過度に少なすぎる圧力実際値の場合には、電磁弁15の保持持続時間t_Haltenが短縮され、多くの量が燃料畜圧器17へポンピングされる。
流入弁25における通量圧力は、低圧側への不要な燃料量のフィードバックによって生じる。この通流圧力は通流速度に依存しているので、通流圧力、ピストン速度、ポンプ回転数の直接の関係が生じる。すなわち増加するポンプ回転数によってピストン27の速度と低圧領域方向への通流速度及び流入弁25に作用する通流圧力が高められる。
低域回転数のもとでは流入バルブ25における通流圧力が僅かとなり、磁力は主要な電流Iないしは印可された保持電圧U_Haltは、明らかに低減され得る。
他方では高回転数のもとで保持力が大きくなければならない。電圧及び電流経過は、図6において切換周期を介して高回転数と低回転数で対比されて示されている。この場合電圧経過はそれぞれ実線で示され、電流経過は波線で表されている。高回転数の場合では、デューティー比、すなわち保持フェーズの間のPMW(パルス幅変調)信号の電圧パルスの周波数が低回転数の場合よりも大である。有効電圧値U_effと電流強度Iもデューティー比でアップダウンする。電磁弁15に印加される有効な電気的保持電圧U_Haltは回転数及び/又は高圧ポンプ14のピストン27の速度と共に上昇する。
低回転数のもとでの電流レベルの低減は必要である。なぜなら相対的な通電時間が増加するからである。この手段なしでは、電磁弁15の熱的な過負荷の危険性が生じる。高回転数のもとでは、保持電流レベルは高いが、相対的な通電時間は少ない。特に少ない吐出量は、熱的過負荷に関しては臨界的である。なぜなら吐出開始時点がポンプピストンの吐出フェーズの終端にあり、保持持続時間は最大となるからである。
さらなる実施例によれば、ポンプ回転数の他にバッテリ電圧もPWM(パルス幅変調)を用いて補償される。高いバッテリ電圧のもとでは保持フェーズ期間中のデューティ比が相応に小さい。これにより低いバッテリ電圧の場合と同じような電流強度が生じる。
さらに別の実施例によれば、温度依存性、特に電磁弁のマグネットコイルの温度依存性が考慮される。その場合、温度の影響がモデル化されたり測定され、PWM計算に加えられる。低い温度のもとでは、マグネットコイルのオーム抵抗が小さく、それによって電流強度は低減可能となり、高い温度のもとではマグネットコイルのオーム抵抗は大きく、それによって電流強度は引き上げられなければならない。
本発明のさらに別の有利な実施例によれば、カムの輪郭が考慮される。すなわちカムの輪郭がPWM計算へ加えられる。通流速度ないしピストン速度は、カムの輪郭に直接依存する。比較的高いピストン速度は、相応に高い電流強度によって補償される。相応する実施例は図7に表されている。電磁弁25の吸引の後では、電流Iが低い第1の保持電流I_Halten1まで低減する。吐出フェーズの開始時点では、ポンプピストン27は下死点にあり、ピストン速度は0である。続いてピストン27は上方に移動し、この場合ピストン速度は増加する。デューティー比の変更により保持電流も追従する。最大のピストン速度の領域においては、電流が高い第2の保持電流I_Halten2になる。電流消弧の開始は、磁力の低下となる。それにより流入弁は閉弁し高圧側方向への吐出が生じる。理想的には、保持電流は、ピストン速度の2乗に比例して追従される。それにより切替え時間と損失が最小になる。
吸引持続時間t_Anzugは、作動状態毎に確実なマグネットの吸引を保証しなければならない。吸引期間中の電圧と温度の補償に対しては、前述したようにデューティ比が出力される。その上さらに吸引持続時間t_Anzug自体は、バッテリ電圧と温度に依存する。高いバッテリ電圧のもとでは、吸引持続時間t_Anzugは短くなり、低いバッテリ電圧のもとでは吸引持続時間t_Anzugは長くなければならない。同様に低い温度のもとでは吸引持続時間t_Anzugは厳密に設定されなければならない。なぜならマグネットコイルのオーム抵抗が少なく、電流強度も高いからである。電磁弁15は吐出フェーズの開始時点で確実に吸引されなければならないので、比較的長い吸引持続時間t_Anzugのもとでは、駆動制御開始が時間的に前倒しされ、比較的短い吸引持続時間t_Anzugのもとでは、駆動制御開始が時間的に後ろにずらされる。
さらに有利には、吸引持続時間が回転数に依存して設定される。すなわち高い回転数のもとでは、電流は可能な消弧時間内(特にフリーホイリングダイオードの消弧に関する)で完全には低減されない。次の吸引パルスの開始時点の残留電流強度は、相応に短い吸引持続時間によって補償できる。
さらに有利には、駆動制御開始が吐出開始に依存してなされる。早期の吐出開始のもとでは駆動制御開始が時間的に前倒しされ、遅い吐出開始のもとでは駆動制御開始が時間的に後ろにずらされる。この場合、電磁弁の機械的な吸引過程は吸引フェーズの間に行われることが基本的に保証されなければならない。場合によって生じ得る内部圧力は、流入弁のストロークと電磁弁のストロークも停止させかねない。動的な磁力形成の際の無駄時間に基づいて、駆動制御開始は先行の吐出フェーズの終端へ完全にずれこむ可能性がある。その他に非常に高い回転数と早期吐出開始の際には、吸引持続時間が低減され得る。いずれにせよ確実性の担保である。
さらに有利には、所定の作動状態において駆動制御開始が吐出開始に依存して制御される。多い吐出量(早期の吐出開始)の場合には、保持フェーズが相応に短くなる。極端なケース(多い吐出量で高い回転数)の場合では、保持フェーズが完全になくされる。図8には例示的に過度に大きな電流強度が吐出開始にどのように影響するかが表されている。保持フェーズは、電流強度を保持電流レベルにもたらすために短くされる。消弧の開始時点では、電流強度は高めである。それにより吐出開始は遅く設定される。このケースでは駆動制御開始は一定の保持期間のもとで時間的に前倒しされる。有利には、駆動制御開始は圧力に関して制御されてもよい。例えば高圧方向への吐出を遅らせるならば、少ない量しか吐出されない。燃料蓄圧器内の圧力実際値は低減する。この圧力実際値は、圧力センサから制御機器に通知される。圧力実際値と圧力目標値の比較によって駆動制御開始が新たに算出される。過度に小さい圧力実際値の場合には、駆動制御がやや早めに開始されなければならない。
総体的に様々な回転数に対する燃料ポンプの吐出量制御は以下のように行われる。すなわち、
1.低い回転数で長い保持フェーズの場合には、吐出量の制御は保持持続時間を介して行われる。駆動制御開始、吸引持続時間及びデューティー比は特性マップを介して制御される
2.高い回転数で短い保持フェーズの場合には、吐出量の制御が駆動制御開始を介して行われる。保持期間、吸引持続時間及びデューティーヒは特性マップを介して制御される。極端なケースでは保持期間がゼロにされる。
内燃機関の燃料供給システムを概略的に示した図 通電された電磁弁の吸引フェーズにおける燃料ポンプを概略的に示した図 通電された電磁弁の吐出フェーズにおける燃料ポンプを概略的に示した図 通電されていない電磁弁の吐出フェーズにおける燃料ポンプを概略的に示した図 ピストン行程と電磁弁行程の時間経過、並びに所属の電流経過と電圧経過を概略的に表わした図 高圧ポンプの異なる回転数のもとでの電流経過と電圧経過を概略的に表わした図。 異なるピストン速度毎の、ピストン行程と電磁弁行程の時間経過、並びに所属の電流経過と電圧経過を概略的に表わした図 高めの電流強度に起因する吐出開始の時間的なずれを概略的に表わした図
符号の説明
13 低圧側管路
14 燃料ポンプ
15 電磁弁
16 高圧側管路
25 流入弁
26 吐出チャンバ
27 ピストン
28 カム
29 逆止弁
30 スプリング、バネ
31 マグネットアーマチュア
32 プランジャ
33 マグネットコイル

Claims (10)

  1. 電磁弁(15)、特に内燃機関の燃料供給システム内の電磁弁(15)の駆動制御のための方法であって、
    前記電磁弁(15)は無電流状態で閉弁され、前記電磁弁(15)は、吸引電圧(U_an)を介して開弁され、保持電圧(U_halt)を介して開弁状態に維持される形式の方法において、
    吸引電圧(U_an)及び/又は保持電圧(U_halt)を、高圧ポンプ及び/又は内燃機関の作動特性量に依存して定めるようにしたことを特徴とする方法。
  2. 吸引電圧(U_an)及び/又は保持電圧(U_halt)を、高圧ポンプ(14)のピストン(27)の回転数及び/又は速度に依存して定める、請求項1記載の方法。
  3. 吸引電圧(U_an)及び/又は保持電圧(U_halt)を、電磁弁(15)に影響を及ぼす温度に依存して定める、請求項1記載の方法。
  4. 吸引電圧(U_an)及び/又は保持電圧(U_halt)を、その有効電圧値においてパルス幅変調によって制御する、請求項1から3いずれか1項記載の方法。
  5. 電磁弁(15)、特に内燃機関の燃料供給システムにおける電磁弁(15)の駆動制御方法であって、
    前記電磁弁(15)は無電流状態で閉弁され、前記電磁弁(15)は、吸引電圧(U_an)を介して吸引持続時間(t_Anzug)の間開弁される形式の方法において、
    吸引電圧(U_an)及び/又は吸引持続時間(t_Anzug)を、高圧ポンプ及び/又は内燃機関の作動特性量に依存して定めるようにしたことを特徴とする方法。
  6. 吸引電圧(U_an)及び/又は吸引持続時間(t_Anzug)を、高圧ポンプ(14)のピストン(27)の回転数及び/又は速度に依存して定める、請求項5記載の方法。
  7. 吸引電圧(U_an)及び/又は吸引持続時間(t_Anzug)を、電磁弁(15)に影響を及ぼす温度に依存して定める、請求項5または6記載の方法。
  8. 吸引持続時間(t_Anzug)を、バッテリ電圧に依存して定める、請求項5から7いずれか1項記載の方法。
  9. 電磁弁(15)の駆動制御のための装置、特に自動車における制御機器であって、
    前記装置が電磁弁を駆動制御するための手段を有し、前記装置が吸引電圧(U_an)によって吸引持続時間(t_Anzug)の間と保持電圧(U_Halt)の間、電磁弁を駆動制御する、形式の装置において、
    吸引電圧(U_an)及び/又は保持電圧(U_Halt)及び/又は吸引持続時間(t_Anzug)が、高圧ポンプ及び又は内燃機関の作動特性量に依存して定められるように構成されていることを特徴とする装置。
  10. プログラムがコンピュータ上で実行される場合に、請求項1から8いずれか1項記載の方法を実施するための、機械的に読出し可能な担体上に記憶されている、プログラムコードを有しているコンピュータプログラム製品。
JP2005108087A 2004-04-03 2005-04-04 電磁弁の駆動制御方法 Pending JP2005291213A (ja)

Applications Claiming Priority (1)

Application Number Priority Date Filing Date Title
DE200410016554 DE102004016554B4 (de) 2004-04-03 2004-04-03 Verfahren und Vorrichtung zur Ansteuerung eines Magnetventils

Publications (1)

Publication Number Publication Date
JP2005291213A true JP2005291213A (ja) 2005-10-20

Family

ID=35062193

Family Applications (1)

Application Number Title Priority Date Filing Date
JP2005108087A Pending JP2005291213A (ja) 2004-04-03 2005-04-04 電磁弁の駆動制御方法

Country Status (2)

Country Link
JP (1) JP2005291213A (ja)
DE (1) DE102004016554B4 (ja)

Cited By (14)

* Cited by examiner, † Cited by third party
Publication number Priority date Publication date Assignee Title
JP2008180169A (ja) * 2007-01-25 2008-08-07 Toyota Motor Corp 内燃機関の制御装置
JP2009129593A (ja) * 2007-11-21 2009-06-11 Honda Motor Co Ltd 遮断弁の開弁完了判断方法および開弁完了判断装置
US7757669B2 (en) 2006-07-31 2010-07-20 Hitachi, Ltd. High-pressure fuel pump control apparatus for an internal combustion engine
JP2010174768A (ja) * 2009-01-30 2010-08-12 Hitachi Automotive Systems Ltd 車載制御装置
JP2010281328A (ja) * 2010-07-12 2010-12-16 Hitachi Automotive Systems Ltd 内燃機関の高圧燃料ポンプ制御装置
CN102245880A (zh) * 2008-12-11 2011-11-16 罗伯特·博世有限公司 用于运行内燃机的燃料喷射系统的方法
JP2012036886A (ja) * 2010-08-11 2012-02-23 Hitachi Ltd 高圧燃料供給ポンプの制御方法および制御装置
JP2013524068A (ja) * 2010-04-01 2013-06-17 エミテック ゲゼルシヤフト フユア エミツシオンステクノロギー ミツト ベシユレンクテル ハフツング 還元剤の送給装置の作動方法
CN103649506A (zh) * 2011-06-22 2014-03-19 罗伯特·博世有限公司 用于运行燃料输送装置的方法
JP2014517212A (ja) * 2011-06-22 2014-07-17 ローベルト ボツシユ ゲゼルシヤフト ミツト ベシユレンクテル ハフツング 内燃機関の燃料供給装置の動作方法および装置
KR101570818B1 (ko) * 2014-07-22 2015-11-20 린나이코리아 주식회사 자기유지형 전자밸브
CN107208615A (zh) * 2015-01-28 2017-09-26 罗伯特·博世有限公司 用于运行活塞泵的方法、活塞泵的操控装置和活塞泵
CN108317016A (zh) * 2016-11-16 2018-07-24 福特环球技术公司 用于操作提升泵的系统和方法
CN114382936A (zh) * 2020-10-20 2022-04-22 福雷亚汽车座椅有限公司 用于操控车辆座椅阀的方法

Families Citing this family (28)

* Cited by examiner, † Cited by third party
Publication number Priority date Publication date Assignee Title
JP4378637B2 (ja) * 2005-03-04 2009-12-09 アイシン精機株式会社 流体制御弁及び弁開閉時期制御装置
FR2899347B1 (fr) * 2006-04-04 2013-03-29 Airbus France Dispositif de commande d'une electrovanne
DE102006037940B4 (de) 2006-08-12 2018-04-05 Leopold Kostal Gmbh & Co. Kg Verfahren zur Ansteuerung eines Hubmagneten in einem Kraftfahrzeug
DE102006061104A1 (de) * 2006-12-22 2008-06-26 Schaeffler Kg Verfahren zum Bestimmen eines Tastverhältnisses für ein Ventil eines Nockenwellenverstellers
JP2008215321A (ja) * 2007-03-08 2008-09-18 Hitachi Ltd 内燃機関の高圧燃料ポンプ制御装置
DE102007028960A1 (de) 2007-06-22 2008-12-24 Robert Bosch Gmbh Hochdruckpumpe für ein Kraftstoffsystem einer Brennkraftmaschine
DE102007035316B4 (de) 2007-07-27 2019-12-24 Robert Bosch Gmbh Verfahren zur Steuerung eines Magnetventils einer Mengensteuerung in einer Brennkraftmaschine
DE102008051818B4 (de) * 2008-10-15 2019-06-27 Volkswagen Ag Verfahren zum Betreiben einer Brennkraftmaschine
DE102009028048A1 (de) 2009-07-28 2011-02-03 Robert Bosch Gmbh Verfahren zum Betreiben eines Magnetventils, insbesondere Einspritzventils einer Kraftstoffeinspritzanlage
DE102009046088B4 (de) 2009-10-28 2021-07-29 Robert Bosch Gmbh Mengensteuerventil, insbesondere in einer Kraftstoff-Hochdruckpumpe, zur Zumessung eines fluiden Mediums
DE102009046082A1 (de) 2009-10-28 2011-05-12 Robert Bosch Gmbh Elektromagnetisch betätigtes Mengensteuerventil, insbesondere zur Steuerung der Fördermenge einer Kraftstoff-Hochdruckpumpe
DE102009046813A1 (de) 2009-11-18 2011-05-19 Robert Bosch Gmbh Elektromagnetisches Schaltventil mit einer Magnetspule
DE102009046822A1 (de) 2009-11-18 2011-05-19 Robert Bosch Gmbh Schaltventil mit einem in einem Gehäuse bewegbaren Ventilelement
EP2402584A1 (en) 2010-06-30 2012-01-04 Hitachi Ltd. Method and control apparatus for controlling a high-pressure fuel supply pump
DE102010062077A1 (de) 2010-11-26 2012-05-31 Robert Bosch Gmbh Ventileinrichtung mit einem wenigstens abschnittsweise zylindrischen Bewegungselement
DE102010064048B4 (de) * 2010-12-23 2013-05-16 Continental Automotive Gmbh Verfahren und Vorrichtung zum Betreiben einer Hochdruckpumpe
DE102010064262A1 (de) * 2010-12-28 2012-04-26 Continental Automotive Gmbh Pumpe und Verfahren zur Steuerung einer Pumpe
US8662056B2 (en) * 2010-12-30 2014-03-04 Delphi Technologies, Inc. Fuel pressure control system and method having a variable pull-in time interval based pressure
DE102011005485A1 (de) 2011-03-14 2012-09-20 Robert Bosch Gmbh Ventileinrichtung zum Schalten oder Zumessen eines Fluids
ES2464523T3 (es) * 2011-06-15 2014-06-03 Delphi International Operations Luxembourg S.À R.L. Dispositivo de válvula de entrada para una bomba de combustible
JP2014065387A (ja) * 2012-09-25 2014-04-17 Showa Corp 自動二輪車の車高調整装置
DE102013103387B4 (de) * 2013-04-05 2025-04-17 Vitesco Technologies Germany Gmbh Verfahren und Vorrichtung zur Ansteuerung eines Magnetventils
DE102016226272A1 (de) * 2015-12-28 2017-06-29 Robert Bosch Gmbh Verfahren und Vorrichtung zur Ansteuerung eines Magnetventils
DE102016208234B3 (de) * 2016-05-12 2017-10-12 Continental Automotive Gmbh Vorrichtung zur Ansteuerung eines Magnetventils
DE102016217230B3 (de) * 2016-09-09 2017-09-14 Continental Automotive Gmbh Verfahren zum Betreiben einer Kraftstoffhochdruckpumpe, sowie Kraftstoffhochdruckpumpe
JP6631456B2 (ja) 2016-09-27 2020-01-15 株式会社デンソー 減圧弁制御装置
DE102016219929B4 (de) * 2016-10-13 2022-06-23 Vitesco Technologies GmbH Verfahren zum Konfigurieren eines Magnetventils zum Stellen eines hydraulischen Stellgliedes für eine Nockenwelle einer Brennkraftmaschine
EP3412946A1 (de) * 2017-06-09 2018-12-12 Andreas Stihl AG & Co. KG Verfahren zur ansteuerung eines elektromagnetischen ventils und elektromagnetisches ventil

Citations (6)

* Cited by examiner, † Cited by third party
Publication number Priority date Publication date Assignee Title
JPH11294244A (ja) * 1998-04-15 1999-10-26 Denso Corp 燃料噴射装置
JP2000130230A (ja) * 1998-10-23 2000-05-09 Isuzu Motors Ltd エンジンの燃料噴射制御装置
DE19913477A1 (de) * 1999-03-25 2000-10-05 Bosch Gmbh Robert Verfahren zum Betreiben einer Kraftstoffzuführeinrichtung einer Brennkraftmaschine insbesondere eines Kraftfahrzeugs
JP2001050092A (ja) * 1999-08-06 2001-02-23 Denso Corp 電磁弁駆動装置
JP2003028029A (ja) * 2001-07-11 2003-01-29 Bosch Automotive Systems Corp 蓄圧式燃料噴射装置
DE10201453A1 (de) * 2001-09-10 2003-05-28 Knorr Bremse Systeme Verfahren und Steuersystem zum Betreiben eines Magnetventiles für pneumatische Bremszylinder

Family Cites Families (2)

* Cited by examiner, † Cited by third party
Publication number Priority date Publication date Assignee Title
DE3417102A1 (de) * 1984-05-09 1985-11-14 Diehl GmbH & Co, 8500 Nürnberg Verfahren zur ansteuerung eines monostabilen relais und anordnung zur durchfuehrung des verfahrens
DE10140093A1 (de) * 2001-08-16 2003-02-27 Bosch Gmbh Robert Verfahren und Vorrichtung zum Ansteuern eines Magnetventils

Patent Citations (6)

* Cited by examiner, † Cited by third party
Publication number Priority date Publication date Assignee Title
JPH11294244A (ja) * 1998-04-15 1999-10-26 Denso Corp 燃料噴射装置
JP2000130230A (ja) * 1998-10-23 2000-05-09 Isuzu Motors Ltd エンジンの燃料噴射制御装置
DE19913477A1 (de) * 1999-03-25 2000-10-05 Bosch Gmbh Robert Verfahren zum Betreiben einer Kraftstoffzuführeinrichtung einer Brennkraftmaschine insbesondere eines Kraftfahrzeugs
JP2001050092A (ja) * 1999-08-06 2001-02-23 Denso Corp 電磁弁駆動装置
JP2003028029A (ja) * 2001-07-11 2003-01-29 Bosch Automotive Systems Corp 蓄圧式燃料噴射装置
DE10201453A1 (de) * 2001-09-10 2003-05-28 Knorr Bremse Systeme Verfahren und Steuersystem zum Betreiben eines Magnetventiles für pneumatische Bremszylinder

Cited By (23)

* Cited by examiner, † Cited by third party
Publication number Priority date Publication date Assignee Title
US7757669B2 (en) 2006-07-31 2010-07-20 Hitachi, Ltd. High-pressure fuel pump control apparatus for an internal combustion engine
JP2008180169A (ja) * 2007-01-25 2008-08-07 Toyota Motor Corp 内燃機関の制御装置
JP2009129593A (ja) * 2007-11-21 2009-06-11 Honda Motor Co Ltd 遮断弁の開弁完了判断方法および開弁完了判断装置
US8925525B2 (en) 2008-12-11 2015-01-06 Robert Bosch Gmbh Method for operating a fuel injection system of an internal combustion engine
CN102245880A (zh) * 2008-12-11 2011-11-16 罗伯特·博世有限公司 用于运行内燃机的燃料喷射系统的方法
JP2012511659A (ja) * 2008-12-11 2012-05-24 ローベルト ボツシユ ゲゼルシヤフト ミツト ベシユレンクテル ハフツング 内燃機関の燃料噴射システムの作動方法
JP2010174768A (ja) * 2009-01-30 2010-08-12 Hitachi Automotive Systems Ltd 車載制御装置
JP2013524068A (ja) * 2010-04-01 2013-06-17 エミテック ゲゼルシヤフト フユア エミツシオンステクノロギー ミツト ベシユレンクテル ハフツング 還元剤の送給装置の作動方法
US9140165B2 (en) 2010-04-01 2015-09-22 Emitec Gesellschaft Fuer Emissionstechnologie Mbh Method for operating a delivery unit for a reducing agent and motor vehicle having a delivery unit
JP2010281328A (ja) * 2010-07-12 2010-12-16 Hitachi Automotive Systems Ltd 内燃機関の高圧燃料ポンプ制御装置
JP2012036886A (ja) * 2010-08-11 2012-02-23 Hitachi Ltd 高圧燃料供給ポンプの制御方法および制御装置
KR20140035948A (ko) * 2011-06-22 2014-03-24 로베르트 보쉬 게엠베하 연료 공급 장치의 작동 방법
JP2014517213A (ja) * 2011-06-22 2014-07-17 ローベルト ボツシユ ゲゼルシヤフト ミツト ベシユレンクテル ハフツング 燃料供給装置の動作方法
JP2014517212A (ja) * 2011-06-22 2014-07-17 ローベルト ボツシユ ゲゼルシヤフト ミツト ベシユレンクテル ハフツング 内燃機関の燃料供給装置の動作方法および装置
CN103649506A (zh) * 2011-06-22 2014-03-19 罗伯特·博世有限公司 用于运行燃料输送装置的方法
US9777662B2 (en) 2011-06-22 2017-10-03 Robert Bosch Gmbh Method and device for operating a fuel delivery device of an internal combustion engine
KR101898881B1 (ko) * 2011-06-22 2018-09-14 로베르트 보쉬 게엠베하 연료 공급 장치의 작동 방법
KR101570818B1 (ko) * 2014-07-22 2015-11-20 린나이코리아 주식회사 자기유지형 전자밸브
CN107208615A (zh) * 2015-01-28 2017-09-26 罗伯特·博世有限公司 用于运行活塞泵的方法、活塞泵的操控装置和活塞泵
JP2018504553A (ja) * 2015-01-28 2018-02-15 ローベルト ボツシユ ゲゼルシヤフト ミツト ベシユレンクテル ハフツングRobert Bosch Gmbh ピストンポンプの動作方法、ピストンポンプの駆動制御装置及びピストンポンプ
US10890167B2 (en) 2015-01-28 2021-01-12 Robert Bosch Gmbh Method for operating a piston pump, control device of a piston pump, and piston pump
CN108317016A (zh) * 2016-11-16 2018-07-24 福特环球技术公司 用于操作提升泵的系统和方法
CN114382936A (zh) * 2020-10-20 2022-04-22 福雷亚汽车座椅有限公司 用于操控车辆座椅阀的方法

Also Published As

Publication number Publication date
DE102004016554B4 (de) 2008-09-25
DE102004016554A1 (de) 2005-10-27

Similar Documents

Publication Publication Date Title
JP2005291213A (ja) 電磁弁の駆動制御方法
CN102245881B (zh) 用于运行内燃机的燃料喷射系统的方法
JP5383820B2 (ja) 内燃機関の燃料噴射システムの作動方法
US9777662B2 (en) Method and device for operating a fuel delivery device of an internal combustion engine
US20080198529A1 (en) Method For Operating A Solenoid Valve For Quantity Control
JP4327183B2 (ja) 内燃機関の高圧燃料ポンプ制御装置
US8214132B2 (en) Efficient wave form to control fuel system
CN105102795B (zh) 用于操控量控阀的方法和设备
US9303582B2 (en) Method for operating a fuel delivery device
CN1952381A (zh) 使用了可变容量式燃料泵的高压燃料供给系统
US9410516B2 (en) Method for operating a fuel system for an internal combustion engine
JP2010174768A (ja) 車載制御装置
CN112983792B (zh) 用于运行泵的方法
US9080527B2 (en) Method and device for controlling a quantity control valve

Legal Events

Date Code Title Description
A621 Written request for application examination

Free format text: JAPANESE INTERMEDIATE CODE: A621

Effective date: 20080403

A977 Report on retrieval

Free format text: JAPANESE INTERMEDIATE CODE: A971007

Effective date: 20100428

A131 Notification of reasons for refusal

Free format text: JAPANESE INTERMEDIATE CODE: A131

Effective date: 20100512

A601 Written request for extension of time

Free format text: JAPANESE INTERMEDIATE CODE: A601

Effective date: 20100811

A602 Written permission of extension of time

Free format text: JAPANESE INTERMEDIATE CODE: A602

Effective date: 20100816

A601 Written request for extension of time

Free format text: JAPANESE INTERMEDIATE CODE: A601

Effective date: 20100913

A602 Written permission of extension of time

Free format text: JAPANESE INTERMEDIATE CODE: A602

Effective date: 20100916

A521 Written amendment

Free format text: JAPANESE INTERMEDIATE CODE: A523

Effective date: 20101012

A02 Decision of refusal

Free format text: JAPANESE INTERMEDIATE CODE: A02

Effective date: 20101217