EP1598210A1 - Sammelhefter für Broschuren - Google Patents

Sammelhefter für Broschuren Download PDF

Info

Publication number
EP1598210A1
EP1598210A1 EP05102775A EP05102775A EP1598210A1 EP 1598210 A1 EP1598210 A1 EP 1598210A1 EP 05102775 A EP05102775 A EP 05102775A EP 05102775 A EP05102775 A EP 05102775A EP 1598210 A1 EP1598210 A1 EP 1598210A1
Authority
EP
European Patent Office
Prior art keywords
machine components
brochures
finger
continuous conveyor
selected machine
Prior art date
Legal status (The legal status is an assumption and is not a legal conclusion. Google has not performed a legal analysis and makes no representation as to the accuracy of the status listed.)
Withdrawn
Application number
EP05102775A
Other languages
English (en)
French (fr)
Inventor
Rolf Böttcher
Lutz Richter
Andreas Steinert
Siegmar Tischer
Current Assignee (The listed assignees may be inaccurate. Google has not performed a legal analysis and makes no representation or warranty as to the accuracy of the list.)
Heidelberger Druckmaschinen AG
Original Assignee
Heidelberger Druckmaschinen AG
Priority date (The priority date is an assumption and is not a legal conclusion. Google has not performed a legal analysis and makes no representation as to the accuracy of the date listed.)
Filing date
Publication date
Application filed by Heidelberger Druckmaschinen AG filed Critical Heidelberger Druckmaschinen AG
Publication of EP1598210A1 publication Critical patent/EP1598210A1/de
Withdrawn legal-status Critical Current

Links

Images

Classifications

    • BPERFORMING OPERATIONS; TRANSPORTING
    • B42BOOKBINDING; ALBUMS; FILES; SPECIAL PRINTED MATTER
    • B42CBOOKBINDING
    • B42C1/00Collating or gathering sheets combined with processes for permanently attaching together sheets or signatures or for interposing inserts
    • B42C1/12Machines for both collating or gathering and permanently attaching together the sheets or signatures
    • BPERFORMING OPERATIONS; TRANSPORTING
    • B42BOOKBINDING; ALBUMS; FILES; SPECIAL PRINTED MATTER
    • B42BPERMANENTLY ATTACHING TOGETHER SHEETS, QUIRES OR SIGNATURES OR PERMANENTLY ATTACHING OBJECTS THERETO
    • B42B4/00Permanently attaching together sheets, quires or signatures by discontinuous stitching with filamentary material, e.g. wire
    • BPERFORMING OPERATIONS; TRANSPORTING
    • B42BOOKBINDING; ALBUMS; FILES; SPECIAL PRINTED MATTER
    • B42CBOOKBINDING
    • B42C19/00Multi-step processes for making books
    • B42C19/08Conveying between operating stations in machines

Definitions

  • the invention relates to a saddle stitcher for brochures with a Dispensing station, machine components which a stapler, a Continuous conveyor, feeder for feeding the continuous conveyor with signatures operatively oscillating, controllable finger comprehensive Finger rail system for the step-by-step transport of the brochures and a Finger-actuating finger actuation gear include, and with Drive means for the machine components.
  • Saddle stitchers of this kind were made by the Brehmer Buchbindereimaschinen GmbH, Leipzig, under the Type designation ST300 sold. They represent an alternative to saddle stitchers, in which the brochures are transported by means of a continuous conveyor in the form of a gathering chain arrangement up to an output station following a stitching station, and have the advantage with respect to the quality of stapling that the stitching at standstill Brochures are done.
  • this advantage must be paid for with a relatively large outlay for changing over when a process-relevant geometric parameter of the brochures is changed, with such a conversion also requiring a considerable amount of mechanical engineering knowledge from the executing personnel.
  • the invention has the object, a saddle stitcher of educate the aforementioned type so that this with the least possible Expenditure can be converted when moving from an order to a follow-up order Process-relevant geometric parameters of the brochures changes.
  • the above-mentioned saddle stitcher equipped with a reference component and selected another of the machine components associated sensors, which Phases of the reference component and those of the selected Give signals defining machine components, and with a the Signals processing and on the selected machine components acting control which the phase angles of the selected Machine components such on at least one process relevant
  • the geometric parameters of the brochures match that the brochures in the output station are aligned substantially center-oriented.
  • a Beêtstation with a Previous feeder follows the stapled leaflets across previously determined by the continuous conveyor and fingerguard system Feed direction feeds front and side cutters.
  • the Side cutters are symmetrical to the longitudinal center of the mentioned Feeder adjustable and thus require the correct execution of the Cropped section of the foot and a middle-oriented orientation of the Brochures in the feeder preceding dispensing station.
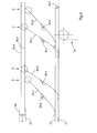
  • the machine components of the saddle stitcher of FIG. 1 include in present embodiment, three investors 10, 12, 14, each one Signature 16, 18, 20 to a continuous conveyor 34 not shown here in detail to hand over.
  • the signatures 16 stacked and superimposed in this way, 18, 20 together form a brochure 30, which as before the forming Paperback, in a transport direction according to the arrow P along a Transport and stitching line 22 is transported along the investor 10, 12, 14 and beyond a stitching station 24 to an output station 29th extends.
  • the stitching station 24 includes in the present embodiment two stitching heads 26 and a respective thereof assigned, in Fig. 1 not recognizable Umbieger, which by means of stapling heads 26 in the stapled Brochures 30 bent Drahtklammem 27 bend and that the Legs of Drahtklammem 27, which penetrates the brochures 30 to have.
  • the dispensing station 29 in the present embodiment comprises a Machine component in the form of a not shown Ejector Sword and Scales 29.1.
  • the ejector sword engages the respective fold break the stapled copies 32, this lifts from the Transport and stitching line 22 and passes them to the Auslegeb section 29.1, by means of which the stapled copies 32 in the direction of arrow T on be transported, and preferably in the direction of a Cutting-device.
  • a measuring station 33 is provided, in which the thickness of the stapling brochures 30 is determined.
  • the continuous conveyor 34 is endless in the present embodiment operationally formed collecting chain formed on which Driver 34.2 are arranged, which in this case astride the Collective chain passed signatures 16, 18, 20 and finally to hefty leaflets 30 in front of him.
  • Fig. 2 shows a stitching station 24 comprehensive section of the transport and Stapling line 22 again.
  • the leaflet 30 is carried out stepwise by means of an operational oscillating FingerAngnsystems 36.
  • This is in Fig. 2 only shown schematically. It includes an anvil strip 36.1 to Endeavor to booklet brochures 30 and a together with the Anvil bar 36.1 oscillating finger bar 36.2.
  • At the finger bar 36.2 are controllable finger 36.3 arranged.
  • the fingers 36.3 are so far controllable, as they are in the direction of the anvil strip 36.1 and in the opposite direction pivotally hinged to the finger bar 36.2, in Swivel direction is biased on the anvil strip 36.1 and under the Effect of a control bar 36.4 in particular from the anvil bar 36.1 away are pivotable.
  • the fingers 36.3 are at their control bar 36.4 facing ends preferably provided with freely rotatable rollers 36.5, which with an adjustment of the control bar 36.4 in the direction of the finger bar 36.2 or roll in the opposite direction on the control bar 36.4. On the control of the fingers 36.3 and the control bar 36.4 will be later discussed in more detail.
  • crank mechanism 40 In Fig. 2, the crank mechanism 40 is shown in its extended position, which a Crank angle of 0 degrees is attributed. In this stretched position that will turn Fingerologicalensystem 36 its direction of movement and moves to the Reaching the top layer of the crank mechanism 40 in the arrow 44th indicated direction, in which also the Transporttrum 34.1 of Continuous conveyor 34 moves.
  • crank angle of 0 degrees and at least up to a certain crank angle - in the present embodiment of 16 degrees - are the anvil bar 36.1 and the finger bar 36.2 one hand and the transport run 34.1 of the continuous conveyor 34 overlaps, so that the Anvil strip 36.1 a positionally appropriate on the Transporttrum 34.1 located Paperback 30 and the fingers 36.3 of the finger bar 36.2 this Pamphlet 30 can press against the anvil strip 36.1.
  • This is done at matching speeds of the finger strip system 36 and the Continuous conveyor 34 - in the present embodiment at a Crank angle of 16 degrees, thus defining a grip point.
  • the speed v36 of the Fingerologicalnsystems 36 a sine curve-like course and has the present embodiment at a crank angle of 183 degrees their Zero-passage in the top layer of the crank mechanism 40.
  • This crank angle is now the one for a storage of previously by the finger strip system 36th taken brochure 30 on the transport and stapling line 22 predestined Operating state reached.
  • the zero crossing thus defines one Drop point.
  • the filing is done in particular by lifting the towards on the anvil bar 36.1 biased fingers 36.3 of the Anvil strip 36.1.
  • the finger strip system 36 thus transports one from the continuous conveyor 34 inherited brochure step by step with a stride, the one stretch corresponds to the gripping point starting to reach the storage point is covered.
  • the traversed by the finger strip system 36 in Fig. 4 indicated steps with the step size S mentally in reverse Direction, starting from the output station 29 towards the continuous conveyor 34th covered, it becomes clear that with a back length L2 the Leaflets 30 shorter by one delta length L backlash than one Back length L1, the driver 34.2 of the continuous conveyor 34 by half of Back length difference delta L shifted in the transport direction according to arrow 44 Need to become.
  • the phase position of the continuous conveyor 34 must therefore by one half the back length difference Delta L corresponding angle in Transport direction can be adjusted according to arrow 44.
  • Fig. 5 are in a particularly advantageous manner the selected machine components - here the continuous conveyor 34 and the Feeder 10, 12, 14 - for the action of the controller 48 via Couplings 50 connected to their drive means, wherein the present Embodiment as a drive means for the investors 10, 12, 14 of Stapling machine drive 42 and as a drive means for the continuous conveyor 34 a separate conveyor drive 52 are provided and preferably the Stapling machine drive 42 and the conveyor drive 52 as servo drives are formed.
  • the stapler drive 42 for sharing the stapler drive 42 for operation the finger strip system 36 via the crank mechanism 40 and the feeder 10, 12, 14 are - as indicated in Fig. 5 - the corresponding Machine components gear 54, 56 upstream. Accordingly can in principle also be moved to the operation of the continuous conveyor 34, that is, as a drive means for this can also be the stapler drive 42nd be used when between this and the continuous conveyor 34, or Preferably, the continuous conveyor 34 upstream clutch 50, a transmission is provided.
  • clutches 50 are in addition to physically available, such as For example, electromagnetic clutches, logical connections of the Control 48 understood with one of the drive means, as in a preferred embodiment provided in the case of the conveyor drive 52 is.
  • the controller 48 acts via the clutches 50 on the selected Machine components, in such a way that they each of the disengages selected machine components from their drive means and at correspondingly changed phase position of the respective drive means again individually to these couples.
  • the controller 48 causes the coupling the selected machine components, here the investor 10, 12, 14 and the continuous conveyor 34 to the associated drive means - here the Stapling machine drive 42 and the conveyor drive 52 - in such a modified Phases that aligned the brochures 30 centered in the Exit station 29 arrive.
  • the thickness of the brochures proves to be another Process-relevant geometric parameters.
  • FIG. 6 shows a finger 36.3 of the finger strip system 36 in FIG Interaction with the control bar 36.4 and with brochures different thicknesses in different operating states a, b, c, d in schematic representation of which rolling on the control bar 36.4 Role 36.5 and the suggestion of an articulated connection 36.6 with the Finger bar 36.2 reveals.
  • the finger strip system 36 performs the control bar 36.4, starting from a first level N1, first a hub with a Stroke length H toward a second level N2 off to one of Papers 30 at the time of agreement of amount and direction of Velocity v36 of finger-grip system 36 at speed v34 the continuous conveyor 34, that is explained in the earlier Gripping point, by means of biased in the direction of the anvil strip 36.1 Finger 36.3 to press the anvil bar 36.1, so from this Gripping point on - in operating state a - the step-by-step transport of the brochure takes place by means of the finger strip system 36.
  • the control bar leads 36.4 a hub again the stroke length H, starting from the second level N2 on the first Level N1 back out to the progressively transported paperback 30 to a Storage time - in operating state b - release, in which the Speed v36 of the brochure 30 transporting Fingerologicalensystem 36 reaches its zero passage - in the present Embodiment at a crank angle of the finger strip system 36th actuated crank mechanism 40 of 183 degrees (see FIG. 3).
  • the lift from the second level N2 to the first level N1 leads the Control bar 36.4 against the action of towards the anvil bar 36.1 existing bias of the fingers 36.3 off.
  • the strokes of the Control bar 36.4 are by means of a cam follower arrangement impressed, which will be discussed in more detail later.
  • Fig. 6 is schematically the continuous conveyor 34 with one of its drivers 34.2 is reproduced and with the line D1 is a thin brochure 30 'and with the Line D2 a thick brochure 30 indicated (see also Fig. 7).
  • a is to be understood as that in which the finger 36.3 under its bias during the stroke of the control bar 36.4 from level N1 to the level N2 in the illustrated gripping point, that is, in agreement of Amount and direction of the speed v34 of the continuous conveyor 34 and the Speed v36 of the finger strip system 36, one by means of the Continuous conveyor 34 zoom brought thick brochure 30 to the anvil bar 36.1 presses.
  • FIG. 7 shows the result of a compromise solution in which It is ensured that brochures 30 and 30 ', ie those different Thick but equal back length only in the output station 29 fact aligned in a center-oriented manner. So it is indeed the thickness-dependent Shift of the gripping point, that is the time interval of Operating conditions a and c - thick brochure 30 in the area of the continuous conveyor 34 clamped and thin brochure 30 'clamped in the region of the continuous conveyor 34 - but accepted by a corresponding thickness-dependent Phase shift of the already mentioned earlier Machine components in the form of the finger actuator 58 for this provided that in the output station 29, the storage of brochures different thickness always in the same place, and indeed centered takes place, wherein, as shown in FIG.
  • this drive shaft 60 at present embodiment via a gear 54 of the Stapler drive 42 driven.
  • a first control cam 58.1 serves the Control of the clamping of the brochures 30 and 30 'in Fingerguard system 36 and a second control cam 58.2 causes the release the previously clamped in the finger strip system brochures 30 and 30 '.
  • the Phases of the two cams 58.1 and 58.2 are preferred to a average thickness of the brochures 30 and 30 'set.
  • each a curve follower 58.3 and 58.4 employed, each having a pivot arm and a freely rotatably mounted thereto Include curve follower role, which is operatively connected to the respectively associated Cams 58.1 and 58.2 unrolls.
  • the swivel arm of the cam 58.1 employed curve follower 58.4 is in a frame-fixed pivot bearing 58.5 recorded while deviating from the swing arm of the Control cam 58.2 - to control the release of the previously in Fingerologicalnsystem 36 clamped brochures 30, 30 '- associated Kurvenmaschineers 58.3 pivotally received in a bearing plate 58.6, the in turn, with respect to the drive shaft 60 rotatably supported by this.
  • the respective cam follower 58.3 and 58.4 is with a handlebar 58.7 to a the two cam followers 58.3 and 58.4 common rocker 58.8 articulated, which preferably by means of an elongated bearing sleeve on a for Transport and stitching line 22 parallel tilting shaft 58.9 is mounted and preferred a plurality of arms, which the bearing sleeve with the Connect control bar 36.4.
  • the cam follower 58.3 - whose cam 58.2 for controlling the intermittent storage of the brochures 30, 30 'on the transport and Stapling line 22 and provided for their release in the output station 29 is, as a result of its articulation with respect to the drive shaft 60th rotatable bearing plate 58.6 in the circumferential direction of the cam 58.2 adjustable with respect to this.
  • For adjustment of the phase position can a hinged to the bearing plate 58.6, lockable pull and Push rod 58.10 are provided.
  • Sensor 46 is provided, for example, emits a signal when the Curve follower 58.3 leaves an inner detent track 58.2 'of the control cam 58.2.
  • a bearing plate 58.6 twisting spindle drive assembly or corresponding gear transmission and a corresponding drive into consideration.

Landscapes

  • Engineering & Computer Science (AREA)
  • Mechanical Engineering (AREA)
  • Textile Engineering (AREA)
  • Folding Of Thin Sheet-Like Materials, Special Discharging Devices, And Others (AREA)
  • Collation Of Sheets And Webs (AREA)
  • Sewing Machines And Sewing (AREA)
  • Feeding Of Articles By Means Other Than Belts Or Rollers (AREA)

Abstract

Zur Optimierung des Aufwandes beim Umrüsten eines Sammelhefters, der zunächst stetig transportierte Broschuren (30; 30') schrittweise in eine Heftstation (24) und anschließend in eine Ausgabestation (29) transportiert, sind von prozessrelevanten geometrischen Parametern bei einem Auftragwechsel betroffenen Maschinenkomponenten und einer Referenzkomponente Sensoren (46) zugeordnet, welche die Phasenlagen der Maschinenkomponenten definierende Signale abgeben und eine die Signale verarbeitende Steuerung (48) stimmt die Phasenlagen so auf wenigstens einen der Parameter ab, dass die Broschuren (30; 30') mittenorientiert in die Ausgabestation (29) gelangen. <IMAGE>

Description

Die Erfindung betrifft einen Sammelhefter für Broschuren mit einer Ausgabestation, Maschinenkomponenten, welche eine Heftmaschine, einen Stetigförderer, Anleger zur Beschickung des Stetigförderers mit Signaturen, ein betriebsmäßig oszillierendes, ansteuerbare Finger umfassendes Fingerleistensystem zum schrittweisen Transport der Broschuren und ein die Finger ansteuerndes Fingerbetätigungsgetriebe umfassen, und mit Antriebsmitteln für die Maschinenkomponenten.
Sammelhefter dieser Art wurden von der
Brehmer Buchbindereimaschinen GmbH, Leipzig, unter der
Typenbezeichnung ST300 vertrieben. Sie stellen eine Alternative dar zu Sammelheftern, bei denen die Broschuren mittels eines Stetigförderers in Form einer Sammelkettenanordnung bis zu einer auf eine Heftstation folgenden Ausgabestation transportiert werden, und haben gegenüber diesen im Hinblick auf die Qualität der Heftung den Vorteil, dass die Heftung im Stillstand der Broschuren erfolgt. Dieser Vorteil muss aber mit einem relativ großen Aufwand zur Umrüstung bei einem Wechsel eines prozessrelevanten geometrischen Parameters der Broschuren erkauft werden, wobei eine derartige Umrüstung überdies dem durchführenden Personal einiges an maschinentechnischen Kenntnissen abverlangt.
Insofern liegt der Erfindung die Aufgabe zugrunde, einen Sammelhefter der eingangs genannten Art so weiterzubilden, dass dieser mit möglichst geringem Aufwand umrüstbar ist, wenn sich von einem Auftrag zu einem Folgeauftrag ein prozessrelevanter geometrischer Parameter der Broschuren ändert.
Zur Lösung dieser Aufgabe wird der eingangs genannte Sammelhefter ausgestattet mit einer als Referenzkomponente dienenden und ausgewählten weiteren der Maschinenkomponenten zugeordneten Sensoren, welche die Phasenlagen der Referenzkomponente und die der ausgewählten Maschinenkomponenten definierende Signale abgeben, und mit einer die Signale verarbeitenden und auf die ausgewählten Maschinenkomponenten einwirkenden Steuerung, welche die Phasenlagen der ausgewählten Maschinenkomponenten derart auf wenigstens einen prozessrelevanten geometrischen Parameter der Broschuren abstimmt, dass die Broschuren in der Ausgabestation im Wesentlichen mittenorientiert ausgerichtet sind.
Als prozessrelevante geometrische Parameter kommen die Rückenlänge der Broschuren und deren Dicke in Betracht. Die genannte Abstimmung der Phasenlagen einzelner Maschinenkomponenten auf wenigstens einen dieser Parameter, und zwar bevorzugt auf eine Veränderung der Rückenlänge der Broschuren bei einem Auftragwechsel, ist insofern erforderlich als üblicherweise auf die genannte Ausgabestation eine Beschnittstation mit einer vorausgehenden Zuführung folgt, welche die gehefteten Broschuren quer zur zuvor von dem Stetigförderer und dem Fingerleistensystem bestimmten Förderrichtung Vorder- und Seitenschnittmessern zuführt. Die Seitenschnittmesser sind aber symmetrisch zur Längsmitte der genannten Zuführung verstellbar und erfordern insofern zur korrekten Ausführung des Kopfschnittes und des Fußschnittes eine mittenorientierte Ausrichtung der Broschuren in der der Zuführung vorausgehenden Ausgabestation.
Bei merklichen Dickenunterschieden der Broschuren zweier unterschiedlicher Aufträge empfiehlt sich auch eine entsprechende Abstimmung der Phasenlage einer weiteren Maschinenkomponente.
Auf die jeweils von der Abstimmung der Phasenlagen betroffenen Maschinenkomponenten wird im weiteren Verlauf noch näher eingegangen.
Die Merkmale der Erfindung sind den beigefügten Zeichnungen und den hierauf Bezug nehmenden nachfolgenden Erläuterungen entnehmbar.
In den Figuren zeigt:
Fig. 1
einen Sammelhefter für Broschuren in vereinfachter Darstellung mit Anlegern, einer Heftstation und einer darauf folgenden Ausgabestation sowie mit hier nicht im Detail dargestellten Transportmitteln, welche von den Anlegern abgegebene Signaturen zur Heftstation und anschließend zur Ausgabestation befördem,
Fig. 2
einen die Heftstation umfassenden Abschnitt der Transportmittel, die einen Stetigförderer und ein darauf folgendes betriebsmäßig oszillierendes Fingerleistensystem mit ansteuerbaren Fingern umfassen,
Fig. 3
das kinematische Zusammenspiel des Stetigförderers und des Fingerleistensystems,
Fig. 4
die Übergabe von Broschuren unterschiedlicher Rückenlängen vom Stetigförderer an das Fingerleistensystem,
Fig. 5
ein Blockschaltbild für eine Abstimmung der Phasenlagen ausgewählter Maschinenkomponenten des Sammelhefters auf einen prozessrelevanten geometrischen Parameter der Broschuren,
Fig. 6
den Einfluss der Dicke der Broschuren auf die Funktion des Fingerleistensystems,
Fig. 7
das funktionelle Zusammenspiel des Stetigförderers und des Fingerleistensystems bei unterschiedlichen Dicken der Broschuren,
Fig. 8
eine von dem Fingerleistensystem ergriffene Broschur in schematischer Darstellung eines Schnittes quer zur Transportrichtung der Broschuren und eine Maschinenkomponente in Form eines Fingerbetätigungsgetriebes zum Ansteuern der Finger des Fingerleistensystems,
Fig. 9
Details des Fingerbetätigungsgetriebes gemäß Fig. 8 in einer Ansicht in Richtung des Pfeils IX in Fig. 8.
Die Maschinenkomponenten des Sammelhefters gemäß Fig. 1 umfassen im vorliegenden Ausführungsbeispiel drei Anleger 10, 12, 14, die jeweils eine Signatur 16, 18, 20 an einen hier nicht im Detail dargestellten Stetigförderer 34 übergeben. Die auf diese Weise ab- und übereinander gelegten Signaturen 16, 18, 20 bilden gemeinsam eine Broschur 30, welche wie zuvor die sich bildende Broschur, in einer Transportrichtung gemäß dem Pfeil P entlang einer Transport- und Heftlinie 22 transportiert wird, die sich entlang der Anleger 10, 12, 14 und über eine Heftstation 24 hinaus bis zu einer Ausgabestation 29 erstreckt. Die Heftstation 24 umfasst beim vorliegenden Ausführungsbeispiel zwei Heftköpfe 26 und einem jeweiligen derselben zugeordnete, in Fig. 1 nicht erkennbare Umbieger, welche mittels der Heftköpfe 26 in die zu heftenden Broschuren 30 eingestochene Drahtklammem 27 umbiegen und zwar die Schenkel der Drahtklammem 27, welche die Broschuren 30 durchdrungen haben.
Die Umbieger bilden gemeinsam mit den Heftköpfen 26 und nicht dargestellten Vorrichtungen zur Herstellung der Drahtklammern 27 eine Maschinenkomponente in Form einer Heftmaschine.
Die Ausgabestation 29 umfasst beim vorliegenden Ausführungsbeispiel eine Maschinenkomponente in Form eines nicht näher dargestellten Auswerferschwertes und Auslegebänder 29.1. Das Auswerferschwert greift in den jeweiligen Falzbruch der gehefteten Exemplare 32 ein, hebt diese aus der Transport- und Heftlinie 22 aus und übergibt sie an die Auslegebänder 29.1, mittels welcher die gehefteten Exemplare 32 in Richtung des Pfeils T weiter transportiert werden, und zwar bevorzugt in Richtung auf eine Beschnittvorrichtung.
Von der Heftstation 24 aus stromaufwärts bezüglich der Transportrichtung gemäß Pfeil P ist eine Mess-Station 33 vorgesehen, in welcher die Dicke der zu heftenden Broschuren 30 ermittelt wird.
Der Stetigförderer 34 ist in vorliegendem Ausführungsbeispiel als endlose betriebsmäßig umlaufende Sammelkette ausgebildet, an welcher Mitnehmer 34.2 angeordnet sind, welche die hierbei rittlings an die Sammelkette übergebenen Signaturen 16, 18, 20 und schließlich die zu heftenden Broschuren 30 vor sich herschieben.
Die Fig. 2 gibt einen die Heftstation 24 umfassenden Abschnitt der Transport-und Heftlinie 22 wieder. In diesem Abschnitt endet ein Transporttrum 34.1 des als Sammelkette ausgebildeten Stetigförderers 34 und der weitere Transport der Broschuren 30 erfolgt schrittweise mittels eines betriebsmäßig oszillierenden Fingerleistensystems 36. Dieses ist in Fig. 2 lediglich schematisch wiedergegeben. Es umfasst eine Ambossleiste 36.1 zum Unterfangen der zu heftenden Broschuren 30 und eine gemeinsam mit der Ambossleiste 36.1 oszillierende Fingerleiste 36.2. An der Fingerleiste 36.2 sind ansteuerbare Finger 36.3 angeordnet. Die Finger 36.3 sind insofern ansteuerbar, als sie in Richtung auf die Ambossleiste 36.1 und in die entgegengesetzte Richtung schwenkbar an der Fingerleiste 36.2 angelenkt, in Schwenkrichtung auf die Ambossleiste 36.1 vorgespannt und unter der Wirkung einer Steuerleiste 36.4 insbesondere von der Ambossleiste 36.1 weg schwenkbar sind. Die Finger 36.3 sind an ihren der Steuerleiste 36.4 zugewandten Enden bevorzugt mit frei drehbaren Rollen 36.5 versehen, welche bei einer Verstellung der Steuerleiste 36.4 in Richtung auf die Fingerleiste 36.2 oder in die entgegengesetzte Richtung an der Steuerleiste 36.4 abrollen. Auf die Ansteuerung der Finger 36.3 bzw. der Steuerleiste 36.4 wird später noch näher eingegangen.
Für die oszillierende Bewegung des Fingerleistensystems 36 ist dieses an eine Koppel eines Koppelgetriebes 38 angelenkt, welches seinerseits mittels eines Kurbeltriebes 40 angetrieben wird. Die zur Betätigung des Kurbeltriebs 40 und damit für die oszillierende Bewegung der in Form des Fingerleistensystems 36 ausgebildeten Maschinenkomponente vorgesehenen Antriebsmittel werden beim vorliegenden Ausführungsbeispiel von einem auch zur Betätigung der Heftköpfe 26 vorgesehenen Heftmaschinenantrieb 42 dargestellt (siehe Fig. 5).
In der Fig. 2 ist der Kurbeltrieb 40 in seiner Strecklage dargestellt, welcher ein Kurbelwinkel von 0 Grad zugeschrieben sei. In dieser Strecklage kehrt das Fingerleistensystem 36 seine Bewegungsrichtung um und bewegt sich bis zum Erreichen der Decklage des Kurbeltriebes 40 in der mit dem Pfeil 44 angegebenen Richtung, in welcher sich auch das Transporttrum 34.1 des Stetigförderers 34 bewegt.
Jedenfalls bei dem genannten Kurbelwinkel von 0 Grad und wenigstens bis zu einem bestimmten Kurbelwinkel - beim vorliegenden Ausführungsbeispiel von 16 Grad - sind die Ambossleiste 36.1 und die Fingerleiste 36.2 einerseits und das Transporttrum 34.1 des Stetigförderers 34 überlappt, so dass die Ambossleiste 36.1 eine lagegerecht auf dem Transporttrum 34.1 befindliche Broschur 30 unterfangen und die Finger 36.3 der Fingerleiste 36.2 diese Broschur 30 gegen die Ambossleiste 36.1 pressen können. Dies erfolgt bei übereinstimmenden Geschwindigkeiten des Fingerleistensystems 36 und des Stetigförderers 34 - im vorliegenden Ausführungsbeispiel bei einem Kurbelwinkel von 16 Grad, der somit einen Greifpunkt definiert.
Wie in Fig. 3 angedeutet, hat die Geschwindigkeit v36 des Fingerleistensystem 36 bei dem genannten Kurbelwinkel von 16 Grad die Geschwindigkeit v34 des Transporttrumes 34.1 des Stetigförderers 34 erreicht. Dies ist der prädestinierte Betriebszustand zur Übernahme einer lagegerecht auf dem Stetigförderer 34 positionierten Broschur 30 seitens des Fingerleistensystems 36, und zwar durch Anpressen der Finger 36.3 gegen die Ambossleiste 36.1.
Wie der Fig. 3 weiterhin entnehmbar, nimmt die Geschwindigkeit v36 des Fingerleistensystems 36 einen einer Sinuskurve ähnlichen Verlauf und hat beim vorliegenden Ausführungsbeispiel bei einem Kurbelwinkel von 183 Grad ihren Null-Durchgang in der Decklage des Kurbeltriebs 40. Bei diesem Kurbelwinkel ist nun der für eine Ablage der zuvor seitens des Fingerleistensystems 36 ergriffenen Broschur 30 auf der Transport- und Heftlinie 22 prädestinierte Betriebszustand erreicht. Der Null-Durchgang definiert somit einen Ablagepunkt. Die Ablage erfolgt insbesondere durch Abheben der in Richtung auf die Ambossleiste 36.1 vorgespannten Finger 36.3 von der Ambossleiste 36.1.
Nach erfolgtem Null-Durchgang der Geschwindigkeit v36 des Fingerleistensystems 36 in der Decklage des Kurbeltriebes 40 kehrt das Fingerleistensystem 36 seine Bewegungsrichtung um und nimmt schließlich wieder eine dem Kurbelwinkel 0 Grad entsprechende überlappte Lage mit dem Transporttrum 34.1 des Stetigförderers 34 ein, das heißt den Startpunkt für einen weiteren Zyklus der oben beschriebenen Art.
Das Fingerleistensystem 36 transportiert somit eine vom Stetigförderer 34 übernommene Broschur schrittweise mit einer Schrittlänge, die einer Strecke entspricht, die im Greifpunkt beginnend bis zum Erreichen des Ablagepunktes zurückgelegt wird.
Eine in einem Zyklus des Fingerleistensystems 36 vom Stetigförderer 34 übemommene und nach einem ersten Schritt auf der Transport- und Heftlinie 22 abgelegte Broschur 30 wird im nachfolgenden Zyklus emeut vom Fingerleistensystem 36 erfasst und ein weiteres Mal um die genannte Schrittlänge weiter transportiert. Für eine jeweilige Broschur 30 wiederholt sich dieser Vorgang so lange, bis sie nach erfolgter Heftung die Ausgabestation 29 erreicht hat.
Wie bereits erwähnt und in Fig. 4 angedeutet, müssen die Broschuren 30 in der Ausgabestation 29 mittenorientiert ausgerichtet sein. Im weiteren Verlauf wird zwar noch ersichtlich, dass und wie das Fingerleistensystem 36 im Hinblick auf eine Verschiebung des Ablagepunktes beeinflussbar ist, die damit erzielbare Größenordnung der Verschiebung ist jedoch für eine Anpassung an einen prozessrelevanten geometrischen Parameter in Form der Rückenlänge der Broschuren 30 nicht ausreichend.
Aus der Zusammenschau der Figuren 2 und 4 ergibt sich bei Beibehaltung der Phasenlage des Kurbeltriebes 40 für eine Umrüstung von einem Format mit der Rückenlänge L1 auf ein Format mit der Rückenlänge L2 der Broschur 30 die Notwendigkeit einer Phasenverstellung des Stetigförderers 34 gegenüber dem Kurbeltrieb 40, woraus des Weiteren die Notwendigkeit einer Phasenverstellung der Anleger 10, 12, 14 gegenüber dem Kurbeltrieb 40 bzw. gegenüber dem Stetigförderer 34 resultiert.
Werden nämlich die vom Fingerleistensystem 36 zurückgelegten, in Fig. 4 angedeuteten Schritte mit der Schrittweite S gedanklich in umgekehrter Richtung, ausgehend von der Ausgabestation 29 hin zum Stetigförderer 34 zurückgelegt, so wird deutlich, dass bei einer Rückenlänge L2 der Broschuren 30, die um eine Rückenlängendifferenz Delta L kürzer ist als eine Rückenlänge L1, die Mitnehmer 34.2 des Stetigförderers 34 um die Hälfte der Rückenlängendifferenz Delta L in Transportrichtung gemäß Pfeil 44 verschoben werden müssen. Die Phasenlage des Stetigförderers 34 muss also um einen der halben Rückenlängendifferenz Delta L entsprechenden Winkel in Transportrichtung gemäß Pfeil 44 verstellt werden.
Wie in Fig. 5 angedeutet, sind insofern ausgewählten Maschinenkomponenten - hier dem Stetigförderer 34 und den Anlegern 10, 12, 14 - sowie einer als Referenzkomponente dienenden Maschinenkomponente in Form der Heftmaschine, genauer dem vom Heftmaschinenantrieb 42 angetriebenen Kurbeltrieb 40 Sensoren 46 zugeordnet, welche die Phasenlagen der Referenzkomponente und der ausgewählten Maschinenkomponenten definierende Signale abgeben. Diese Signale werden in einer Steuerung 48 verarbeitet, welche auf die ausgewählten Maschinenkomponenten - hier den Stetigförderer 34 und die Anleger 10, 12, 14 - einwirkt und die Phasenlagen der ausgewählten Maschinenkomponenten derart auf den prozessrelevanten geometrischen Parameter in Form der Rückenlänge von beispielhaft ansonsten gleichbeschaffenen Broschuren 30 abstimmt, dass die Broschuren 30 in der Ausgabestation 29 mittenorientiert ausgerichtet sind.
Eine nicht nur annähernd sondern faktisch mittenorientiert verbleibende Ausrichtung bei einem Auftragwechsel wird - wie im weiteren Verlauf noch verdeutlicht - ohne weitergehende Maßnahmen jedoch nur dann erzielt, wenn sich lediglich der geometrische Parameter der Rückenlänge ändert.
Wie in Fig. 5 weiterhin angedeutet, sind in besonders vorteilhafter Weise die ausgewählten Maschinenkomponenten - hier der Stetigförderer 34 und die Anleger 10, 12, 14 - für die Einwirkung seitens der Steuerung 48 über Kupplungen 50 mit ihren Antriebsmitteln verbunden, wobei beim vorliegenden Ausführungsbeispiel als Antriebsmittel für die Anleger 10, 12, 14 der Heftmaschinenantrieb 42 und als Antriebsmittel für den Stetigförderer 34 ein separater Förderantrieb 52 vorgesehen sind und bevorzugt der Heftmaschinenantrieb 42 sowie der Förderantrieb 52 als Servoantriebe ausgebildet sind.
Für eine gemeinsame Nutzung des Heftmaschinenantriebs 42 zum Betreiben des Fingerleistensystems 36 über den Kurbeltrieb 40 und der Anleger 10, 12, 14 sind - wie in Fig. 5 angedeutet - den entsprechenden Maschinenkomponenten Getriebe 54, 56 vorgeschaltet. Dementsprechend kann grundsätzlich auch zum Betrieb des Stetigförderers 34 verfahren werden, das heißt als Antriebsmittel hierfür kann ebenfalls der Heftmaschinenantrieb 42 benutzt werden, wenn zwischen diesem und dem Stetigförderer 34, oder bevorzugt der dem Stetigförderer 34 vorgeschalteten Kupplung 50 ein Getriebe vorgesehen wird.
Unter den Kupplungen 50 werden neben körperlich vorhandenen, wie beispielsweise Elektromagnetkupplungen, auch logische Verknüpfungen der Steuerung 48 mit einem der Antriebsmittel verstanden, wie dies bei einem bevorzugten Ausführungsbeispiel im Falle des Förderantriebes 52 vorgesehen ist.
Die Steuerung 48 wirkt über die Kupplungen 50 auf die ausgewählten Maschinenkomponenten ein, und zwar in der Weise, dass sie eine jeweilige der ausgewählten Maschinenkomponenten von ihren Antriebsmitteln abkuppelt und bei entsprechend veränderter Phasenlage der jeweiligen Antriebsmittel wieder individuell an diese ankuppelt.
Bei ausschließlicher Veränderung der Rückenlänge als prozessrelevantem Parameter bei einem Auftragwechsel bewirkt die Steuerung 48 das Ankuppeln der ausgewählten Maschinenkomponenten, hier der Anleger 10, 12 , 14 und des Stetigförderers 34 an die zugeordneten Antriebsmittel - hier den Heftmaschinenantrieb 42 und den Förderantrieb 52 - bei derart veränderten Phasenlagen, dass die Broschuren 30 mittenorientiert ausgerichtet in die Ausgabestation 29 gelangen.
Wie bereits erwähnt und nunmehr anhand der Figuren 6 und 7 in Verbindung mit Fig. 2 erläutert, erweist sich die Dicke der Broschuren als ein weiterer prozessrelevanter geometrischer Parameter. Hiermit ergibt sich für einen Auftragwechsel, bei dem sich sowohl die Rückenlänge als auch die Dicke der Broschuren 30 ändem für den Fall, dass die zur Abstimmung der Phasenlage ausgewählten Maschinenkomponenten lediglich die Anleger 10, 12, 14 und den Stetigförderer 34 umfassen, dass die Ausrichtung der Broschuren 30 in der Ausgabestation lediglich im Wesentlichen mittenorientiert verbleibt.
Das Ergreifen der Broschuren 30 seitens des Fingerleistensystems 36 und das Ablegen derselben auf der bis in die Ausgabestation 29 reichenden Transport-und Heftlinie 22 wird über die in Fig. 2 erkennbare Steuerleiste 36.4 und eine weitere Maschinenkomponente in Form eines die Steuerleiste 36.4 betätigenden Fingerbetätigungsgetriebes 58 (siehe Figuren 8 und 9) bewerkstelligt, auf welches im weiteren Verlauf noch näher eingegangen wird.
Die Fig. 6 zeigt einen Finger 36.3 des Fingerleistensystems 36 im Zusammenwirken mit der Steuerleiste 36.4 und mit Broschuren unterschiedlicher Dicken in verschiednen Betriebszuständen a, b, c, d in schematischer Darstellung, welche die an der Steuerleiste 36.4 abrollende Rolle 36.5 und die Andeutung einer gelenkigen Verbindung 36.6 mit der Fingerleiste 36.2 erkennen lässt. Bei einem jeweiligen der an früherer Stelle erläuterten Zyklen des Fingerleistensystems 36 führt die Steuerleiste 36.4, ausgehend von einem ersten Niveau N1 zunächst einen Hub mit einer Hublänge H in Richtung auf ein zweites Niveau N2 aus, um eine der Broschuren 30 im Zeitpunkt der Übereinstimmung von Betrag und Richtung der Geschwindigkeit v36 des Fingerleistensystems 36 mit der Geschwindigkeit v34 des Stetigförderers 34, das heißt in dem an früherer Stelle erläuterten Greifpunkt, mittels der in Richtung auf die Ambossleiste 36.1 vorgespannten Finger 36.3 an die Ambossleiste 36.1 anzupressen, so dass von diesem Greifpunkt an - im Betriebszustand a - der schrittweise Transport der Broschur mittels des Fingerleistensystems 36 erfolgt. Kurz vor Erreichen der Schrittlänge des schrittweisen Transportes führt die Steuerleiste 36.4 einen Hub mit wiederum der Hublänge H, ausgehend vom zweiten Niveau N2 auf das erste Niveau N1 zurück aus, um die schrittweise transportierte Broschur 30 zu einem Ablagezeitpunkt - im Betriebszustand b - freizugeben, in welchem die Geschwindigkeit v36 des die Broschur 30 transportierenden Fingerleistensystem 36 ihren Null-Durchgang erreicht - im vorliegenden Ausführungsbeispiel bei einem Kurbelwinkel des das Fingerleistensystem 36 betätigenden Kurbeltriebs 40 von 183 Grad (siehe Fig. 3).
Den Hub vom zweiten Niveau N2 zum ersten Niveau N1 führt die Steuerleiste 36.4 gegen die Wirkung der in Richtung auf die Ambossleiste 36.1 bestehenden Vorspannung der Finger 36.3 aus. Die Hubbewegungen der Steuerleiste 36.4 werden dieser mittels einer Kurvenfolgeranordnung eingeprägt, auf welche im weiteren Verlauf noch näher eingegangen wird.
In Fig. 6 ist schematisch der Stetigförderer 34 mit einem seiner Mitnehmer 34.2 wiedergegeben und mit der Linie D1 ist eine dünne Broschur 30' und mit der Linie D2 eine dicke Broschur 30 angedeutet (siehe auch Fig. 7). Der Betriebszustand a ist als jener zu verstehen, in dem der Finger 36.3 unter dessen Vorspannung während des Hubes der Steuerleiste 36.4 vom Niveau N1 zum Niveau N2 im erläuterten Greifpunkt, das heißt bei Übereinstimmung von Betrag und Richtung der Geschwindigkeit v34 des Stetigförderers 34 und der Geschwindigkeit v36 des Fingerleistensystems 36, eine mittels des Stetigförderers 34 herantransportierte dicke Broschur 30 an die Ambossleiste 36.1 andrückt. Dieser Betriebszustand bleibt nun solange bestehen, bis die Steuerleiste 36.4 während deren Hub vom Niveau N2 zum Niveau N1 gegen die Vorspannung des Fingers 36.3 in einem im Betriebszustand b erreichten Ablagezeitpunkt freigibt, in dem die Geschwindigkeit v36 des die Broschur 30 transportierenden Fingerleistensystems 36 ihren Null-Durchgang hat und anschließend wieder in die mit dem Stetigförderer 34 überlappte Position zurückkehrt, um einen nächsten Zyklus zu starten.
Werden die genannte Kurvenfolgeranordnung und deren Betrieb für die Hubbewegung der Steuerleiste 36.4 beibehalten und obige Vorgänge mit einer dünnen Broschur 30' wiederholt, so ergibt sich ein dem Betriebszustand a entsprechender Betriebszustand c - Broschur geklemmt - ersichtlich zu einem späteren Zeitpunkt, da bei beibehaltener Hubbewegung der Steuerleiste 36.4 der Finger 36.3 die dünne Broschur 30' später erreicht als die dicke Broschur 30. Der dem Betriebszustand b entsprechende Betriebszustand d ergibt sich jedoch zu einem früheren Zeitpunkt, da der Finger 36.3 während des Hubes der Steuerleiste 36.4 von Niveau N2 zum Niveau N1 ersichtlich früher von der dünnen Broschur 30' abhebt als von einer dicken.
Um Broschuren 30 oder 30' mit besonders strengen Anforderungen an deren Qualität zu heften und zu beschneiden, müssen die Betriebszustände a und c in ein und demselben Zeitpunkt zu Beginn eines Transportschrittes und die Betriebszustände b und d in ein und demselben Zeitpunkt am Ende dieses Transportschrittes erreicht werden. Damit ergäbe sich neben einem korrekten Beschnitt auch eine stets korrekte Lage der Drahtklammern 27.
In Fig. 7 ist das Ergebnis einer Kompromisslösung wiedergegeben, bei welcher dafür gesorgt ist, dass Broschuren 30 und 30', also solche unterschiedlicher Dicke, aber gleicher Rückenlänge lediglich in der Ausgabestation 29 faktisch mittenorientiert ausgerichtet sind. Es wird also zwar die dickenabhängige Verschiebung des Greifpunktes, das heißt der zeitliche Abstand der Betriebszustände a und c - dicke Broschur 30 im Bereich des Stetigförderers 34 geklemmt und dünne Broschur 30' im Bereich des Stetigförderers 34 geklemmt - in Kauf genommen aber durch eine entsprechende dickenabhängige Phasenverschiebung der bereits an früherer Stelle genannten weiteren Maschinenkomponenten in Form des Fingerbetätigungsgetriebes 58 dafür gesorgt, dass in der Ausgabestation 29 die Ablage von Broschuren unterschiedlicher Dicke immer an ein und derselben Stelle, und zwar mittenorientiert erfolgt, wobei, wie der Fig. 7 entnehmbar, sich der Greifpunkt im Falle der dünnen Broschur 30' gegenüber jenem im Falle der dicken Broschur 30 in Transportrichtung gemäß Pfeil 44 verschiebt und sich in der Heftstation 24 noch unterschiedliche Heftpositionen der Broschuren 30 und 30' ergeben.
In den Figuren 8 und 9 ist ein Ausführungsbeispiel für das Fingerbetätigungsgetriebe 58 wiedergegeben, welches die erläuterten Hubbewegungen der Steuerleiste 36.4 steuert. Wie bereits erwähnt, umfasst dieses eine Kurvenfolgeranordnung. Diese umfasst zwei drehfest mit einer Antriebswelle 60 verbundene Steuerkurven.
Wie in Fig. 9 schematisch dargestellt, wird diese Antriebswelle 60 beim vorliegenden Ausführungsbeispiel über ein Getriebe 54 von dem Heftmaschinenantrieb 42 angetrieben. Eine erste Steuerkurve 58.1 dient der Steuerung der Klemmung der Broschuren 30 bzw. 30' im Fingerleistensystem 36 und eine zweite Steuerkurve 58.2 bewirkt die Freigabe der zuvor im Fingerleistensystem geklemmten Broschuren 30 bzw. 30'. Die Phasenlagen der beiden Steuerkurven 58.1 und 58.2 sind bevorzugt auf eine mittlere Dicke der Broschuren 30 und 30' eingestellt. Gegen die Steuerkurven 58.1 und 58.2 ist jeweils ein Kurvenfolger 58.3 und 58.4 angestellt, die jeweils einen Schwenkarm und eine daran frei drehbar gelagerte Kurvenfolgerrolle umfassen, die betriebsmäßig an der jeweils zugehörigen der Steuerkurven 58.1 und 58.2 abrollt. Der Schwenkarm des an die Steuerkurve 58.1 angestellten Kurvenfolgers 58.4 ist in einem gestellfesten Schwenklager 58.5 aufgenommen, während hiervon abweichend der Schwenkarm des der Steuerkurve 58.2 - zur Steuerung der Freigabe der zuvor im Fingerleistensystem 36 geklemmten Broschuren 30, 30' - zugeordneten Kurvenfolgers 58.3 schwenkbar in einer Lagerplatte 58.6 aufgenommen ist, die ihrerseits bezüglich der Antriebswelle 60 verdrehbar von dieser getragen wird.
Der jeweilige Kurvenfolger 58.3 und 58.4 ist mit je einem Lenker 58.7 an einen den beiden Kurvenfolgern 58.3 und 58.4 gemeinsamen Kipphebel 58.8 angelenkt, der bevorzugt mittels einer langgestreckten Lagerhülse auf einer zur Transport- und Heftlinie 22 parallelen Kippwelle 58.9 gelagert ist und bevorzugt eine Mehrzahl von Armen aufweist, welche die Lagerhülse mit der Steuerleiste 36.4 verbinden. Der Kurvenfolger 58.3 - dessen Steuerkurve 58.2 zur Steuerung der taktweisen Ablage der Broschuren 30, 30' auf der Transport-und Heftlinie 22 und zu deren Freigabe in der Ausgabestation 29 vorgesehen ist, ist in Folge von dessen Anlenkung an die bezüglich der Antriebswelle 60 verdrehbare Lagerplatte 58.6 in Umfangsrichtung der Steuerkurve 58.2 gegenüber dieser verstellbar. Hiermit ist die bereits erläuterte, von der Dicke der Broschuren 30, 30' abhängige Phasenverstellung des Fingerbetätigungsgetriebes 58 realisierbar. Zur Verstellung der Phasenlage kann eine an der Lagerplatte 58.6 angelenkte, arretierbare Zug- und Druckstange 58.10 vorgesehen werden.
In besonders vorteilhafter Weise erfolgt die Verstellung der Phasenlage für unterschiedliche Dicken selbsttätig durch Anbindung der das Fingerbetätigungsgetriebe 58 darstellenden Maschinenkomponente an die Steuerung 48, die entsprechend ausgelegt ist, um auch die Phasenlage des Fingerbetätigungsgetriebes 58 definierende Signale zu verarbeiten und die Phasenlage dieser Maschinenkomponente derart auf den geometrischen Parameter der Dicke der Broschuren 30, 30' abzustimmen, dass die Broschuren 30, 30' in der Ausgabestation 29 mittenorientiert ausgerichtet sind.
Zur Abgabe von die Phasenlagen des Fingerbetätigungsgetriebes 58 definierenden Signalen ist wiederum ein mit der Steuerung 48 verknüpfter Sensor 46 vorgesehen, der beispielsweise ein Signal abgibt, wenn der Kurvenfolger 58.3 eine innere Rastbahn 58.2' der Steuerkurve 58.2 verlässt.
Zur Verstellung der Phasenlage des Fingerbetätigungsgetriebes 58 kommen unter anderem eine die Lagerplatte 58.6 verdrehende Spindeltriebanordnung oder entsprechend wirkende Zahnradgetriebe und ein entsprechender Antrieb in Betracht.
Im dargestellten Beispiel gemäß den Figuren 8 und 9 ist ein Zahnradgetriebe derart vorgesehen, dass eine Lagerbuchse der Lagerplatte 58.6 mit einem Zahnkranz versehen ist, der mit einem Stellritzel 58.1 kämmt, welches mittels eines von der Steuerung 48 angesteuerten Stellantriebes 58.12 verdrehbar ist.
Mit der insoweit dargelegten entsprechenden Verstellung der Phasenlage des Fingerbetätigungsgetriebes 58 in Abhängigkeit von der Dicke der Broschuren 30, 30' gelingt deren mittenorientierte Ablage unabhängig von der Dicke in der Decklage des Kurbeltriebes 40.
Wenn sich bei einem Auftragwechsel prozessrelevante geometrische Parameter in Form der Rückenlänge und der Dicke der Broschuren verändern, so müssen die dargelegten Phasenverstellungen sowohl am Stetigförderer 34 und bei den Anlegern 10, 12, 14 als auch bei dem Fingerbetätigungsgetriebe 58 vorgenommen werden, d. h. es sind all diesen Maschinenkomponenten die genannten Sensoren 46 zuzuordnen, und es ist eine deren Signale - welche Phasenlagen dieser Maschinenkomponenten definieren - verarbeitende Steuerung 48 vorzusehen, welche die Phasenlagen all dieser Maschinenkomponenten derart auf die beiden Parameter abstimmt, dass auch die Broschuren 30, 30' des neuen Auftrages mittenorientiert in die Ausgabestation 29 gelangen.
Bezugszeichenliste
10
Anleger
12
Anleger
14
Anleger
16
Signatur
18
Signatur
20
Signatur
22
Transport- und Heftlinie
24
Heftstation
26
Heftkopf
27
Drahtklammer
29
Ausgabestation
29.1
Auslegeband
30
dicke Broschur
30'
dünne Broschur
32
geheftetes Exemplar
33
Mess-Station
34
Stetigförderer
34.1
Transporttrum des Stetigförderers 34
34.2
Mitnehmer
36
Fingerleistensystem
36.1
Ambossleiste
36.2
Fingerleiste
36.3
Finger
36.4
Steuerleiste
36.5
Rolle
36.6
gelenkige Verbindung
38
Koppelgetriebe
40
Kurbeltrieb
42
Heftmaschinenantrieb
44
Richtungspfeil
46
Sensor
48
Steuerung
50
Kupplung
52
Förderantrieb
54, 56
Getriebe
58
Fingerbetätigungsgetriebe
58.1
erste Steuerkurve
58.2
zweite Steuerkurve
58.2
innere Rastbahn der Steuerkurve 58.2
58.3
Kurvenfolger
58.4
Kurvenfolger
58.5
Schwenklager
58.6
Lagerplatte
58.7
Lenker
58.8
Kipphebel
58.9
Kippwelle
58.10
Zug- und Druckstange
58.11
Stellritzel
58.12
Stellantrieb
60
Antriebswelle
a, b, c, d
Betriebszustände eines Fingers 36.3
D1; D2
Dicke der Broschur 30, 30'
H
Hub der Steuerleiste 36.4
L1, L2
Rückenlänge
N1
1. Niveau der Steuerleiste 36.4
N2
2. Niveau der Steuerleiste 36.4
P
Pfeil, Transportrichtung
S
Schrittweite
T
Pfeil
v34
Geschwindigkeit des Stetigförderers 34
v36
Geschwindigkeit des Fingerleistensystems 36
Delta L
Rückenlängendifferenz

Claims (5)

  1. Sammelhefter für Broschuren, mit
    einer Ausgabestation,
    Maschinenkomponenten, welche
    eine Heftmaschine,
    einen Stetigförderer,
    Anleger zur Beschickung des Stetigförderers mit Signaturen,
    ein betriebsmäßig oszillierendes, ansteuerbare Finger umfassendes Fingerleistensystem zum schrittweisen Transport der Broschuren
    und ein die Finger ansteuemdes Fingerbetätigungsgetriebe umfassen, und mit
    Antriebsmitteln für die Maschinenkomponenten,
    gekennzeichnet durch
    einer als Referenzkomponente dienenden und ausgewählten weiteren der Maschinenkomponenten zugeordnete Sensoren (46), welche die Phasenlagen der Referenzkomponente und der ausgewählten Maschinenkomponenten definierende Signale abgeben, und eine die Signale verarbeitende und auf die ausgewählten Maschinenkomponenten einwirkende Steuerung (48), welche die Phasenlagen der ausgewählten Maschinenkomponenten derart auf wenigstens einen prozessrelevanten geometrischen Parameter der Broschuren (30; 30') abstimmt, dass die Broschuren (30; 30') in der Ausgabestation (29) im Wesentlichen mittenorientiert ausgerichtet sind.
  2. Sammelhefter nach Anspruch 1,
    dadurch gekennzeichnet, dass im Falle der Abstimmung der Phasenlagen der ausgewählten Maschinenkomponenten auf die Rückenlänge der Broschuren (30; 30') die ausgewählten Maschinenkomponenten den Stetigförderer (34) und die Anleger (10, 12, 14) umfassen.
  3. Sammelhefter nach Anspruch 1,
    dadurch gekennzeichnet, dass im Falle der Abstimmung der Phasenlagen der ausgewählten Maschinenkomponenten auf die Rückenlänge und auf die Dicke der Broschuren die ausgewählten Maschinenkomponenten den Stetigförderer (34), die Anleger (10, 12, 14) und das Fingerbetätigungsgetriebe (58) umfassen.
  4. Sammelhefter nach Anspruch 1,
    dadurch gekennzeichnet. dass die Antriebsmittel für die ausgewählten Maschinenkomponenten Kupplungen (50) umfassen, mittels welcher jede dieser Maschinenkomponenten individuell an einen Antrieb ankuppelbar ist, und dass die Steuerung (48) mit den Kupplungen (50) verknüpft ist.
  5. Sammelhefter nach Anspruch 4,
    dadurch gekennzeichnet, dass die Anleger (10, 12, 14) an einem gemeinsamen Antrieb ankuppelbar sind.
EP05102775A 2004-05-04 2005-04-08 Sammelhefter für Broschuren Withdrawn EP1598210A1 (de)

Applications Claiming Priority (2)

Application Number Priority Date Filing Date Title
DE102004021958A DE102004021958A1 (de) 2004-05-04 2004-05-04 Sammelhefter für Broschuren
DE102004021958 2004-05-04

Publications (1)

Publication Number Publication Date
EP1598210A1 true EP1598210A1 (de) 2005-11-23

Family

ID=34979062

Family Applications (1)

Application Number Title Priority Date Filing Date
EP05102775A Withdrawn EP1598210A1 (de) 2004-05-04 2005-04-08 Sammelhefter für Broschuren

Country Status (5)

Country Link
US (1) US7451969B2 (de)
EP (1) EP1598210A1 (de)
JP (1) JP2005319803A (de)
CN (1) CN1693097B (de)
DE (1) DE102004021958A1 (de)

Cited By (4)

* Cited by examiner, † Cited by third party
Publication number Priority date Publication date Assignee Title
EP2189293A2 (de) 2008-11-25 2010-05-26 Heidelberger Druckmaschinen AG Sammelhefter
EP1839897A3 (de) * 2006-03-31 2011-05-25 Heidelberger Druckmaschinen Aktiengesellschaft Sammelhefter mit einem Falzbogenanleger
ITMI20101605A1 (it) * 2010-09-03 2012-03-04 Meccanotecnica Spa Macchina cucitrice con azionamento stazione di alimentazione indipendente
US9033329B2 (en) 2010-09-03 2015-05-19 Meccanotecnica S.P.A. Multi-function binding machine

Families Citing this family (15)

* Cited by examiner, † Cited by third party
Publication number Priority date Publication date Assignee Title
US7588240B2 (en) * 2006-08-09 2009-09-15 Goss International Americas, Inc. Saddle stitcher with individual stitcher drives
DE102007053490A1 (de) * 2006-12-07 2008-06-12 Heidelberger Druckmaschinen Ag Sammelhefter mit variabler Kettenteilung
DE102008012943B4 (de) * 2008-03-04 2018-03-29 Bundesdruckerei Gmbh Verfahren und Heftvorrichtung zum Heften von Folien in einem Folienstapel sowie Zusammentragmaschine für Folien
DE102008023865A1 (de) * 2008-05-16 2009-11-19 Heidelberger Druckmaschinen Ag Sammelhefter mit variabler Kettenteilung
DE102009012724A1 (de) * 2009-03-11 2010-09-16 Heidelberger Druckmaschinen Ag Sammelhefter und Verfahren zum Betreiben eines Sammelhefters
US7984897B2 (en) * 2009-10-23 2011-07-26 Pitney Bowes Inc. Reconfigurable stitcher for binding consecutive variable thickness collations
US8118295B2 (en) * 2009-10-23 2012-02-21 Pitney Bowes Inc. Stitcher/stapler for binding multi-sheet collations and method of operating the same
EP2361785B1 (de) * 2010-02-18 2015-11-11 Müller Martini Holding AG Verfahren zum Heften von Druckprodukten mit einer Heftmaschine und Heftmaschine zum Durchführen des Verfahrens
EP2465697B1 (de) * 2010-12-17 2015-03-25 Müller Martini Holding AG Verfahren und Vorrichtung zur Herstellung von klebegebundenen, aus einem Buchblock und einem Umschlag gebildeten Druckerzeugnissen
EP2492107B1 (de) * 2011-02-25 2013-07-24 Müller Martini Holding AG Fadenheftmaschine
DE102011120994A1 (de) * 2011-12-14 2013-06-20 Heidelberger Druckmaschinen Ag Verfahren zum Steuern eines Anlegers einer Sammelheftmaschine
DE102013003987A1 (de) 2013-03-07 2014-09-11 Heidelberger Druckmaschinen Ag Verfahren zum Heften und Heftverfahren mit nur einem Heftkopf
JP5799984B2 (ja) * 2013-07-03 2015-10-28 コニカミノルタ株式会社 用紙処理装置及び画像形成システム
DE102014009425A1 (de) * 2014-06-25 2015-12-31 Müller Martini Holding AG Verfahren zur Optimierung der Dickeneinstellung eines Klebebinders
EP3587136B1 (de) * 2018-06-29 2021-05-12 Müller Martini Holding AG Anlage und verfahren zur positionierung von druckprodukten in wirkverbindung mit einer auslage

Citations (2)

* Cited by examiner, † Cited by third party
Publication number Priority date Publication date Assignee Title
EP0916514A1 (de) * 1997-11-12 1999-05-19 Brehmer Buchbindereimaschinen GmbH Sammelhefter
EP0917965A1 (de) * 1997-11-24 1999-05-26 Brehmer Buchbindereimaschinen GmbH Sammelhefter für Falzbogen und Verfahren zur Antriebssteuerung eines Sammelheftes

Family Cites Families (15)

* Cited by examiner, † Cited by third party
Publication number Priority date Publication date Assignee Title
US2251943A (en) * 1940-05-15 1941-08-12 Tw & Cb Sheridan Co Signature gathering machine
US3057620A (en) * 1960-02-15 1962-10-09 Chicago Machinery Lab Inc Signature gathering and stitching machine
US3554531A (en) 1968-06-18 1971-01-12 Harris Intertype Corp Binder assembly
SE8601784L (sv) * 1986-04-18 1987-10-19 Flensburg Carl G A Sett for ileggning av signaturer samt ileggare for utovning av settet
DE4133567A1 (de) * 1991-10-10 1993-04-15 Brehmer Buchbindereimaschinen Einrichtung zur einstellung von anlegern fuer unterschiedliche bogenformate
US5326087A (en) * 1993-01-12 1994-07-05 Internationaal Business Machines Corporation System and method for calibrating a document assembly system having multiple asynchronously operated sections
US5568917A (en) * 1994-07-08 1996-10-29 Am International, Inc. Apparatus for calipering a collated assemblage
US5601389A (en) * 1995-02-21 1997-02-11 Minami Seiki Co., Ltd. Automatic book binding machine for cut-sheets
DE19508041C2 (de) * 1995-03-07 1999-05-20 Brehmer Buchbindereimaschinen Vorrichtung zur Synchronisation der Zuführung von Bogen
US5921538A (en) * 1997-10-07 1999-07-13 Heidelberger Druckmaschinen Ag Apparatus and method for combined gathering and binding of sheet like articles
US6447229B1 (en) * 2000-05-12 2002-09-10 Heidelberger Druckmaschinen Ag Device and method for preparing a book spine for binding
US6685416B2 (en) * 2001-07-11 2004-02-03 Dynic Corporation Bookbinding device and method
EP1285871B1 (de) * 2001-08-21 2006-05-31 Grapha-Holding AG Ausleger zur Entnahme von gefalzten Druckprodukten
DE10143571A1 (de) * 2001-09-05 2003-03-20 Heidelberger Druckmasch Ag Verfahren und Vorrichtung zur genauen Ausrichtung eines zu heftenden Produktes in Bezug auf eine Heftvorrichtung
DE502004011656D1 (de) * 2004-02-03 2010-10-28 Mueller Martini Holding Ag Einrichtung zur Herstellung von aus gefalzten Druckbogen bestehenden fadengehefteten Buchblocks

Patent Citations (2)

* Cited by examiner, † Cited by third party
Publication number Priority date Publication date Assignee Title
EP0916514A1 (de) * 1997-11-12 1999-05-19 Brehmer Buchbindereimaschinen GmbH Sammelhefter
EP0917965A1 (de) * 1997-11-24 1999-05-26 Brehmer Buchbindereimaschinen GmbH Sammelhefter für Falzbogen und Verfahren zur Antriebssteuerung eines Sammelheftes

Cited By (7)

* Cited by examiner, † Cited by third party
Publication number Priority date Publication date Assignee Title
EP1839897A3 (de) * 2006-03-31 2011-05-25 Heidelberger Druckmaschinen Aktiengesellschaft Sammelhefter mit einem Falzbogenanleger
US7976002B2 (en) 2006-03-31 2011-07-12 Heidelberger Druckmaschinen Ag Gatherer-stitcher having a folded-sheet feeder
EP2189293A2 (de) 2008-11-25 2010-05-26 Heidelberger Druckmaschinen AG Sammelhefter
DE102008058953A1 (de) 2008-11-25 2010-05-27 Heidelberger Druckmaschinen Ag Sammelhefter
EP2189293A3 (de) * 2008-11-25 2014-04-09 Heidelberger Druckmaschinen AG Sammelhefter
ITMI20101605A1 (it) * 2010-09-03 2012-03-04 Meccanotecnica Spa Macchina cucitrice con azionamento stazione di alimentazione indipendente
US9033329B2 (en) 2010-09-03 2015-05-19 Meccanotecnica S.P.A. Multi-function binding machine

Also Published As

Publication number Publication date
US7451969B2 (en) 2008-11-18
US20050248076A1 (en) 2005-11-10
DE102004021958A1 (de) 2005-12-01
JP2005319803A (ja) 2005-11-17
CN1693097B (zh) 2010-04-28
CN1693092A (zh) 2005-11-09

Similar Documents

Publication Publication Date Title
EP1598210A1 (de) Sammelhefter für Broschuren
EP0893275A1 (de) Verfahren für das Herstellen von Büchern oder Broschüren
EP1645434B1 (de) Einrichtung zur taktweisen Verarbeitung von aus wenigstens einem Druckbogen gebildeten Buchblocks
EP0473902B1 (de) Vorrichtung zum Drahtheften von mehrteiligen Druckereierzeugnissen
EP2147800A2 (de) Heftvorrichtung mit einem Heftkopf für die Verarbeitung von Ringösenheftklammern
EP2189293A2 (de) Sammelhefter
EP1837197B1 (de) Heftvorrichtung mit einem Heftkopf für die Verarbeitung von Ringösenheftklammern
EP1939008B1 (de) Sammelhefter mit variabler Kettenteilung
EP1334938B1 (de) Einrichtung zur Herstellung gebundener Druckprodukte
EP2361785A1 (de) Verfahren zum Heften von Druckprodukten mit einer Heftmaschine und Heftmaschine zum Durchführen des Verfahrens
EP1593526B1 (de) Sammelhefter für Broschuren
EP0981450B1 (de) Vorrichtung zum längsheften von mehrteiligen druckereierzeugnissen
EP1561599B1 (de) Einrichtung zur Herstellung von aus gefalzten Druckbogen bestehenden fadengehefteten Buchblocks
EP2119569B1 (de) Sammelhefter mit variabler Kettenteilung
DE60317844T2 (de) Gerät zur automatischen Bindung von Heften mit variabeler Dicke mit zumindestens zwei Zufuhrvorrichtungen
EP0997421A1 (de) Vorrichtung zum Sammeln von Druckprodukten
EP0068090B1 (de) Maschine zum Sammeln von bedruckten Bögen
EP2774772B1 (de) Verfahren zum Heften und Heftverfahren mit nur einem Heftkopf
EP1291197B1 (de) Verfahren und Vorrichtung zur genauen Ausrichtung eines zu heftenden Produktes in Bezug auf eine Heftvorrichtung
EP1270479B1 (de) Verfahren zur Herstellung eines aus mehreren Druckprodukten bestehendes geheftetes Druckerzeugnis und Vorrichtung zur Durchführung des Verfahrens.
EP1623945B1 (de) Vorrichtung zum Zusammentragen flächiger Werkstücke
DE102008053545A1 (de) Sammelhefter mit variabler Kettenteilung
DE102004011978A1 (de) Sammelhefter mit zwei Arbeitswellen
DE102008013223A1 (de) Vorrichtung zum Heften von Druckprodukten, insbesondere von Broschüren, gefalzten bzw. ungefalzten Bogen, Karten oder dergleichen
EP2119568B1 (de) Sammelhefter

Legal Events

Date Code Title Description
PUAI Public reference made under article 153(3) epc to a published international application that has entered the european phase

Free format text: ORIGINAL CODE: 0009012

AK Designated contracting states

Kind code of ref document: A1

Designated state(s): AT BE BG CH CY CZ DE DK EE ES FI FR GB GR HU IE IS IT LI LT LU MC NL PL PT RO SE SI SK TR

AX Request for extension of the european patent

Extension state: AL BA HR LV MK YU

17P Request for examination filed

Effective date: 20060523

AKX Designation fees paid

Designated state(s): AT BE BG CH CY CZ DE DK EE ES FI FR GB GR HU IE IS IT LI LT LU MC NL PL PT RO SE SI SK TR

GRAP Despatch of communication of intention to grant a patent

Free format text: ORIGINAL CODE: EPIDOSNIGR1

RIC1 Information provided on ipc code assigned before grant

Ipc: B42B 4/00 20060101ALI20120309BHEP

Ipc: B42C 19/08 20060101ALI20120309BHEP

Ipc: B42C 1/12 20060101AFI20120309BHEP

STAA Information on the status of an ep patent application or granted ep patent

Free format text: STATUS: THE APPLICATION IS DEEMED TO BE WITHDRAWN

18D Application deemed to be withdrawn

Effective date: 20120828