EP0331913B1 - Rammbohrgerät mit einer Dreh-Zug-Umsteuerung - Google Patents
Rammbohrgerät mit einer Dreh-Zug-Umsteuerung Download PDFInfo
- Publication number
- EP0331913B1 EP0331913B1 EP89102099A EP89102099A EP0331913B1 EP 0331913 B1 EP0331913 B1 EP 0331913B1 EP 89102099 A EP89102099 A EP 89102099A EP 89102099 A EP89102099 A EP 89102099A EP 0331913 B1 EP0331913 B1 EP 0331913B1
- Authority
- EP
- European Patent Office
- Prior art keywords
- boring machine
- machine according
- ram boring
- control
- locking
- Prior art date
- Legal status (The legal status is an assumption and is not a legal conclusion. Google has not performed a legal analysis and makes no representation as to the accuracy of the status listed.)
- Expired - Lifetime
Links
- 230000008878 coupling Effects 0.000 claims 1
- 238000010168 coupling process Methods 0.000 claims 1
- 238000005859 coupling reaction Methods 0.000 claims 1
- 238000009527 percussion Methods 0.000 abstract description 24
- 230000006835 compression Effects 0.000 description 3
- 238000007906 compression Methods 0.000 description 3
- 230000001419 dependent effect Effects 0.000 description 2
- 238000009423 ventilation Methods 0.000 description 2
- 230000007423 decrease Effects 0.000 description 1
- 238000006073 displacement reaction Methods 0.000 description 1
- 230000007257 malfunction Effects 0.000 description 1
- 238000004519 manufacturing process Methods 0.000 description 1
- 239000004033 plastic Substances 0.000 description 1
- 230000035939 shock Effects 0.000 description 1
- 239000000725 suspension Substances 0.000 description 1
- 238000011144 upstream manufacturing Methods 0.000 description 1
Images
Classifications
-
- E—FIXED CONSTRUCTIONS
- E21—EARTH OR ROCK DRILLING; MINING
- E21B—EARTH OR ROCK DRILLING; OBTAINING OIL, GAS, WATER, SOLUBLE OR MELTABLE MATERIALS OR A SLURRY OF MINERALS FROM WELLS
- E21B4/00—Drives for drilling, used in the borehole
- E21B4/06—Down-hole impacting means, e.g. hammers
- E21B4/14—Fluid operated hammers
- E21B4/145—Fluid operated hammers of the self propelled-type, e.g. with a reverse mode to retract the device from the hole
Definitions
- the invention relates to a ram boring machine with an axially displaceable percussion piston in a tubular housing and a forward and backward movement of the rotary control tube with corresponding control openings which controls radial control openings in the percussion piston.
- This device has a reversal with a fixed one Control sleeve with control openings, in which an axially and rotationally adjustable slide in the form of a head tube with corresponding control openings is rotatably mounted.
- the head tube is on the one hand under the influence of compressed air and on the other hand under the influence of an adjusting spring.
- This has the disadvantage that the slide position during operation is dependent on whether and to what extent the force exerted by the compressed air or the spring force predominates.
- both forces are by no means constant because the compressed air pressure is subject to fluctuations during operation and the spring force changes over time. The slide causing the reversal therefore does not assume a defined position during operation and is also adjusted each time the device is switched on.
- both the rotational and the axial movement of the head tube is controlled by a projection on the head tube by a zigzag groove in the fixed control sleeve.
- the control tube inevitably rotates and shifts axially under the influence of the adjusting spring when the device is at a standstill or when compressed air is switched off or a pressure drop. Consequently, the control tube always assumes an intermediate position when there is insufficient compressed air pressure or when the compressed air is switched off or during breaks in operation, which leads to malfunctions and, when the compressed air is switched on, causes the control tube to initially move into the forward or return position.
- the operator cannot predict which of the two operating positions it is, and can only be identified by the movement of the device or, if the device is in the ground, by the hose movement.
- the invention has for its object to provide a ram boring machine that avoids the disadvantages of the known devices and in particular on the one hand prevents unwanted reversing and on the other hand allows reversing under pressure.
- this object is achieved by a ram boring machine of the type mentioned at the outset with a multi-part control tube, the rear section of which is connected to the supply hose and is relieved of the operating pressure when viewed in the direction of impact and via a force-actuated locking means with the bearing tube which can be axially unlocked by pulling on the supply hose against the acting force connected is.
- the multi-part, preferably two-part control tube according to the invention results in a purely mechanical tension and rotation reversal, which permits reversal of the direction of impact of the percussion piston without interrupting the pressure medium, preferably compressed air.
- the two-part head tube makes it advantageously possible to keep the front head tube section axially displaceable but rotatable in the bearing tube, for example by means of a locking clip or a locking ring that does not prevent rotation and radially encloses the head tube, for example, engaging in a circumferential groove. It is also possible for two pins arranged at a distance from one another and inserted through bores in the bearing tube to engage tangentially in a circumferential groove of the head tube.
- the operating pressure is thus completely absorbed by the front head tube section or the fuse ensuring the axially displaceable position of this section, so that the operating pressure does not increase until the reversal or locking the rear head tube section, hereinafter referred to as hose connection, can propagate.
- the operating pressure can also no longer cause an unwanted unlocking, which, however, cannot be excluded in the device known from German patent specification 21 05 229 by compressing the spring.
- the force acting on the locking can be advantageously applied by a spring, alternatively by a pressure prevailing in a pressure chamber arranged in an annular space between the bearing tube and the hose connection; a combined spring and pressure application can also be used.
- a spring has the advantage that even when the device is switched off, ie when compressed air is not available, the locking device is acted upon by force and thus a firm bond the bearing tube with the head tube is guaranteed.
- a pressurization combined with the spring can compensate for any loss of spring force that may occur during operation of the ram boring machine and, if necessary, due to external influences. The tensile force to be applied by an operator for axial unlocking can thus be kept constant.
- the locking device can consist of axially projecting lugs of the head tube and grooves of the bearing tube corresponding to the lugs, wherein advantageously a ring arranged non-rotatably on the hose connection has two lugs, preferably a stop and a less protruding, diametrically opposite locking lug.
- the lugs are advantageously associated with locking grooves in the end face of the bearing tube and axially deeper recesses than the locking grooves.
- the stop and locking lugs can also be separated from one another, for example arranging the locking lug on a separate ring on the hose connection or at any point on the head tube.
- the locking lug is always assigned at least two locking grooves which are offset from one another at approximately an angle of 90 ° and which define the reversal in the forward and return of the percussion piston of the ram boring machine.
- the outer edges of the recess can advantageously form stops for the stop lug that limit the rotation of the head tube. This can ensure that in the respective end position of the stop lug the locking lug is opposite one of the two locking grooves, so that the rotational position of the head tube required for the respective stroke direction of the percussion piston does not have to be found laboriously.
- a simple and problem-free reversal is also achieved by the lugs of different lengths and the locking grooves for the locking lug, which are less deep compared to the recess.
- the stop lug still protrudes into the recess, so that when the hose connection is turned, the lug surely counteracts the path limiting the rotation The outer edge of the recess strikes.
- the bearing tube can be stored at its rear end, as seen in the direction of impact, in a suspension block provided with axial ventilation bores, cylindrical, advantageously designed as an elastic ring and having at least one separating slot extending over the entire length of the ring.
- the elastic ring absorbs inevitable shocks and vibrations during operation of the ram boring machine and thus keeps these influences as far as possible from reversing. Due to the axial separating slot or in the case of an elastic block consisting of two ring halves, on the one hand a considerable ease of assembly can be achieved and on the other hand a reduction in the manufacturing effort.
- the elastic ring which is made, for example, of rubber or plastic, only needs to be either spread radially and slipped over the bearing tube with its separating slot, or two ring halves need only be placed on the outside of the tube shell and then one for the assembly of the Ram drill already required screwing to be pushed over the elastic ring.
- the screw connection keeps the elastic ring in its installed position.
- the head tube or reversing is thus in an elastic element, i.e. is suspended in the housing.
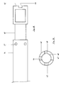
- the ram boring machine 1 has a housing 2, in which a percussion piston 4 is mounted axially displaceably with a small radial gap 3 to the housing 2. At its rear end, the percussion piston 4 has a piston jacket 5 with radial control openings 6.
- An elastic ring 10 is arranged in a screw connection 9 connecting the end screw connection 8 to the housing 2 at the rear end of the ram boring machine 1, viewed in the impact direction 7, with an end screw connection 8 , which has numerous vent holes 11 leading into the free atmosphere.
- a reversing device 12 is suspended in the ring 10.
- the reversal 12 shown in FIG. 8 consists of a bearing tube 14 provided with control openings 22 (see FIG. 1) with a two-part control tube 15 rotatably mounted therein.
- the rear section of the control tube 15 seen in the direction of impact 7 is designed as a hose connection 16; a compressed air hose 17 is attached to it with a union nut 18.
- the front section 19 of the control tube 15 has a thickened control head 20 with control openings 21 which, as will be explained further below, have through openings 22 of a control sleeve 24, not shown in FIG. 8, connected to the bearing tube 14 via radial webs 23 (cf. FIGS. 1, 2, 6 and 7) and has two flats 25 diametrically opposite one another upstream of the control head 20 (cf.
- the head tube section 19 is provided with a circumferential groove 26 (cf. FIG. 13), into which, as shown in FIG. 9, two pins 28 inserted into bores 27 of the bearing tube 14 (cf. FIG. 18) engage; due to the securing by means of the pins 28, the head tube section 19 can be rotated but not moved axially.
- the end of the section 19 facing away from the control head 20 has an inner bore 30 receiving an end pin 29 of the hose connection 16 for snap-in connection with the hose connection 16 and an axial recess 31 into which one transmits the rotary movement of the hose connection 16 to the front head tube section 19
- Driver nose 32 of the hose connection 16 protrudes (cf. FIGS. 14 and 15).
- the hose connection 16 can also be adjusted axially counter to the direction of impact 7 to reverse the direction of impact of the impact piston 4. 1, 7 and 8 by a spring 33, according to FIG. 2 by the spring 33 and supported by a pressure prevailing in a pressure chamber 34 and according to FIG. 6 solely by that into the pressure chamber 34 prevailing pressure to unlock acted lock 35.
- the locking device 35 consists of a locking ring which is pushed against a key surface 36 of the hose connection 16 (cf. FIGS. 15 and 17) and has two locking rings diametrically opposite one another, projecting axially to different degrees, as shown in FIGS. 10, 11, 12 39 and corresponding to the lugs 37, 38 Recesses (see FIG.
- the axial unlocking stroke of the hose connection 16, in which the spring 33 is compressed, is defined by an end position limiting disk 41.
- the limiting disc 41 which is pushed onto the hose connection 16 and is supported against a collar 42, strikes against a radial inner projection 43 of the bearing tube 14 when the disk 41 strikes the projection 43, a locking groove 44 or 45 of the end face 40 of the bearing tube 14, which defines the rotational position of the control tube 15 for either the forward or the return of the percussion piston 4, is moved out while the stop nose 37 is still in a recess 46 of the end face 40 of the bearing tube 14 protrudes.
- FIGS. 18, 19, 20 The design of the locking grooves 44, 45 corresponding to the lugs 37, 38 of the locking ring 39 according to FIG. 10 or of the recess 46 axially deeper than the locking grooves 44, 45 is shown in FIGS. 18, 19, 20.
- the front head tube section 19 simultaneously engaging in its axial recess 31
- Driver nose 32 is rotated, the stop nose 37 - depending on the direction of rotation - either on the outer edge 47 or 48 of the recess 46.
- the locking lug 38 lies in alignment in a defined manner in one of the two Locking grooves 44, 45 opposite and snaps into the groove in question when the tension on the hose connection 16 decreases.
- the bearing tube 14 receiving the reversing device 12 can be arranged in the housing 2 of the ram boring machine 1 by means of the elastic ring 10, it is provided with a radially circumferential recess 49. If the elastic ring - as shown in FIGS. 4 and 9 - has a separating slot 50 which extends over the entire ring length, the ring 10 need only be radially expanded in the region of the separating slot 50 and put over the recess 49. Subsequently, the rear screw connection 9 axially overlapping the ring 10 secures the seat in the recess 49.
- the ram boring machines 1 shown in FIGS. 1, 2 and 6 differ from one another only in the way in which the locking device 35 is acted upon. 1, the catch 35 is held together by the compression spring 33 and in accordance with FIG. 6 by the pressure present in the pressure chamber 34, in accordance with FIG. 2 there is a combined, i.e. Both the compression spring 33 and the pressure in the pressure chamber 34 act upon the locking device 35. 1, 2 and 6, the forward position of the percussion piston 4 in the striking direction 7 is shown.
- compressed air enters the control head 20 via a bore 51 which extends centrally through the entire control tube 15 and from there into a working chamber 52 of the percussion piston 4 and moves the piston 4 in the housing 2 to the front.
- Compressed air displaced on the front end face of the percussion piston 4, which passes via the radial annular gap 3 between the housing 2 and the outside of the percussion piston 4 or the piston skirt 5 to the rear passage openings 22 of the control sleeve 24 not covered by the piston skirt surface 5 and from there
- Axial grooves 54 extending between the webs 23 into a control chamber 55 and finally reaching the free atmosphere via the ventilation bores 11 of the elastic ring 10.
- the air pressure acts on the end face of the control tube 15.
- the hose connection 16 is manually by means of the compressed air hose 17 against the force of the spring 33 and / or the pressure from the pressure chamber 34 axially pulled against the direction of impact 7 and thereby unlocked the lock 35. 5 is locked into the locking groove 44 of the locking ring 38 of the locking ring 35 and then the hose connection 16 is rotated in the direction of arrow 53 until the stop lug 37 abuts the outer edge 47 of the recess 46. In this position, the locking lug 38 is in alignment above the locking groove 45 and consequently engages in it as soon as no more pull is applied.
- the percussion piston 4 therefore initially moves forward, the air in front of its end face in turn passing through the annular gap 3 between the housing 2 and the percussion piston 4 or the piston skirt 5 to the control openings 6, which are now behind the control sleeve 24 and thus allow the air to escape via the control chamber 55 and the vent holes 11 in the elastic ring 10 into the free atmosphere.
- the device according to the invention therefore only requires the two-part control tube 15 after unlocking the hose connection 16 by approximately 90 ° either up to that of the outer edge 48 or up to that of the outer edge 47 of the recess 46 to be rotated in the bearing tube 14 stop fully to the right or to the left.
- the ram boring machine 1 moves backwards, while moving clockwise it moves forward into the engagement situation of the locking device 35 shown in FIG. 5.
Landscapes
- Engineering & Computer Science (AREA)
- Geology (AREA)
- Life Sciences & Earth Sciences (AREA)
- Mining & Mineral Resources (AREA)
- Physics & Mathematics (AREA)
- Environmental & Geological Engineering (AREA)
- Fluid Mechanics (AREA)
- Mechanical Engineering (AREA)
- General Life Sciences & Earth Sciences (AREA)
- Geochemistry & Mineralogy (AREA)
- Earth Drilling (AREA)
- Drilling And Boring (AREA)
- Processing Of Stones Or Stones Resemblance Materials (AREA)
- Drilling And Exploitation, And Mining Machines And Methods (AREA)
Priority Applications (1)
| Application Number | Priority Date | Filing Date | Title |
|---|---|---|---|
| AT89102099T ATE89363T1 (de) | 1988-03-10 | 1989-02-08 | Rammbohrgeraet mit einer dreh-zug-umsteuerung. |
Applications Claiming Priority (2)
| Application Number | Priority Date | Filing Date | Title |
|---|---|---|---|
| DE3807831A DE3807831C1 (enExample) | 1988-03-10 | 1988-03-10 | |
| DE3807831 | 1988-03-10 |
Publications (3)
| Publication Number | Publication Date |
|---|---|
| EP0331913A2 EP0331913A2 (de) | 1989-09-13 |
| EP0331913A3 EP0331913A3 (de) | 1991-06-12 |
| EP0331913B1 true EP0331913B1 (de) | 1993-05-12 |
Family
ID=6349294
Family Applications (1)
| Application Number | Title | Priority Date | Filing Date |
|---|---|---|---|
| EP89102099A Expired - Lifetime EP0331913B1 (de) | 1988-03-10 | 1989-02-08 | Rammbohrgerät mit einer Dreh-Zug-Umsteuerung |
Country Status (5)
| Country | Link |
|---|---|
| US (1) | US4953626A (enExample) |
| EP (1) | EP0331913B1 (enExample) |
| JP (1) | JP2893342B2 (enExample) |
| AT (1) | ATE89363T1 (enExample) |
| DE (2) | DE3807831C1 (enExample) |
Cited By (2)
| Publication number | Priority date | Publication date | Assignee | Title |
|---|---|---|---|---|
| RU2655493C1 (ru) * | 2017-01-09 | 2018-05-28 | Федеральное государственное бюджетное образовательное учреждение высшего образования Новосибирский государственный архитектурно-строительный университет (Сибстрин) | Пневмоударное устройство |
| RU200308U1 (ru) * | 2020-02-27 | 2020-10-16 | ООО Пневмоударная техника | Пневмоударное устройство для проходки скважин в грунте |
Families Citing this family (17)
| Publication number | Priority date | Publication date | Assignee | Title |
|---|---|---|---|---|
| CH681817A5 (enExample) * | 1990-03-09 | 1993-05-28 | Terra Ag Tiefbautechnik | |
| DE4012662A1 (de) * | 1990-04-20 | 1991-10-24 | Tracto Technik | Rammbohrgeraet |
| US5172771A (en) * | 1990-11-06 | 1992-12-22 | Charles Machine Works, Inc. | Reversible impact-operated boring tool |
| DE4109215A1 (de) * | 1991-03-21 | 1992-09-24 | Tracto Technik | Rammbohrgeraet |
| DE4221471A1 (de) * | 1992-06-30 | 1994-01-05 | Tracto Technik | Rammbohrgerät |
| DK9400012U4 (da) * | 1994-01-11 | 1995-04-28 | Breakers As | Hydraulisk drevet underjordisk fortrængningsapparat |
| DE19530972C2 (de) * | 1995-08-23 | 1999-12-02 | Tracto Technik | Selbstgetriebenes Rammbohrgerät |
| US5603383A (en) * | 1995-09-25 | 1997-02-18 | Earth Tool Corporation | Reversible pneumatic ground piercing tool |
| CA2194079C (en) * | 1996-12-19 | 2005-11-29 | Murray P. Craigmile | Methods and apparatus for directionally drilling a bore and placing pipe |
| DE19747087C2 (de) * | 1997-10-24 | 1999-09-23 | Tracto Technik | Verfahren zum Ersetzen eines im Erdreich befindlichen Rohrstrangs |
| KR200294253Y1 (ko) * | 2002-07-10 | 2002-11-04 | 임병덕 | 굴착용 해머비트 타격장치 |
| RU2257448C1 (ru) * | 2004-01-05 | 2005-07-27 | Институт горного дела Сибирского отделения Российской Академии наук (статус государственного учреждения) | Реверсивный пневмопробойник (варианты) |
| US7836976B2 (en) * | 2005-10-20 | 2010-11-23 | Allied Construction Products, L.L.C. | Underground piercing tool |
| US20100059277A1 (en) * | 2006-02-14 | 2010-03-11 | R D Sankey Engineering Limited | A reversible, percussive, ram-boring machine |
| RU2311510C1 (ru) * | 2006-06-13 | 2007-11-27 | Институт горного дела Сибирского отделения Российской академии наук | Реверсивное устройство ударного действия |
| DE102009017515A1 (de) * | 2009-04-20 | 2010-10-28 | TERRA AG für Tiefbautechnik | Rammvorrichtung für Erdbohrabreiten |
| KR101289751B1 (ko) * | 2011-07-07 | 2013-07-26 | 한신공영 주식회사 | 수평타격장치 |
Family Cites Families (7)
| Publication number | Priority date | Publication date | Assignee | Title |
|---|---|---|---|---|
| DE2340751C2 (de) * | 1973-08-11 | 1974-09-26 | Tracto-Technik Paul Schmidt, 5940 Lennestadt | Steuervorrichtung für den Vor- und Rücklauf von Rammbohrgeräten |
| DE2634066C3 (de) * | 1976-07-29 | 1984-09-20 | Paul 5940 Lennestadt Schmidt | Vorrichtung für den Vor- und Rücklauf von selbstangetriebenen, pneumatischen Rammbohrgeräten |
| JPS5624757A (en) * | 1979-08-04 | 1981-03-09 | Hitachi Maxell Ltd | Fabrication of laminated dry cell |
| SU1313972A1 (ru) * | 1983-06-08 | 1987-05-30 | Институт Горного Дела Со Ан Ссср | Реверсивное устройство ударного действи дл проходки скважин в грунте |
| SU1313973A1 (ru) * | 1984-06-20 | 1987-05-30 | Институт Горного Дела Со Ан Ссср | Пневматическое реверсивное устройство ударного действи дл проходки скважин в грунте |
| US4662457A (en) * | 1984-10-19 | 1987-05-05 | Allied Steel & Tractor Products, Inc. | Reversible underground piercing device |
| SU1305272A1 (ru) * | 1985-02-21 | 1987-04-23 | Институт Горного Дела Со Ан Ссср | Реверсивное устройство дл проходки скважин в грунте |
-
1988
- 1988-03-10 DE DE3807831A patent/DE3807831C1/de not_active Expired
-
1989
- 1989-02-02 US US07/306,033 patent/US4953626A/en not_active Expired - Lifetime
- 1989-02-08 DE DE8989102099T patent/DE58904304D1/de not_active Expired - Lifetime
- 1989-02-08 AT AT89102099T patent/ATE89363T1/de not_active IP Right Cessation
- 1989-02-08 EP EP89102099A patent/EP0331913B1/de not_active Expired - Lifetime
- 1989-03-03 JP JP1051791A patent/JP2893342B2/ja not_active Expired - Lifetime
Cited By (2)
| Publication number | Priority date | Publication date | Assignee | Title |
|---|---|---|---|---|
| RU2655493C1 (ru) * | 2017-01-09 | 2018-05-28 | Федеральное государственное бюджетное образовательное учреждение высшего образования Новосибирский государственный архитектурно-строительный университет (Сибстрин) | Пневмоударное устройство |
| RU200308U1 (ru) * | 2020-02-27 | 2020-10-16 | ООО Пневмоударная техника | Пневмоударное устройство для проходки скважин в грунте |
Also Published As
| Publication number | Publication date |
|---|---|
| DE3807831C1 (enExample) | 1989-05-11 |
| EP0331913A3 (de) | 1991-06-12 |
| JPH01284688A (ja) | 1989-11-15 |
| DE58904304D1 (de) | 1993-06-17 |
| JP2893342B2 (ja) | 1999-05-17 |
| ATE89363T1 (de) | 1993-05-15 |
| US4953626A (en) | 1990-09-04 |
| EP0331913A2 (de) | 1989-09-13 |
Similar Documents
| Publication | Publication Date | Title |
|---|---|---|
| EP0331913B1 (de) | Rammbohrgerät mit einer Dreh-Zug-Umsteuerung | |
| DE2634066C3 (de) | Vorrichtung für den Vor- und Rücklauf von selbstangetriebenen, pneumatischen Rammbohrgeräten | |
| DE69809583T2 (de) | Kernbohrgerät | |
| EP0223738A2 (de) | Werkzeughalter für Bohr- und Meisselwerkzeuge | |
| EP0388627B1 (de) | Rammbohrgerät | |
| EP0268758B1 (de) | Bohrfutter | |
| DE4105201C2 (enExample) | ||
| EP0111790B1 (de) | Fensteraufsteller | |
| DE202005011092U1 (de) | Rastriegel mit mittels Drehbewegung axial antreibbarem Raststift | |
| EP1860275A1 (de) | Kupplungsvorrichtung | |
| EP0663498B1 (de) | Schliesszylinder | |
| EP1303679B1 (de) | Rammbohrgerät | |
| DE4109215C2 (enExample) | ||
| EP1182103B1 (de) | Vorrichtung zur Verriegelung der Lenkspindel eines Kraftfahrzeuges | |
| DE102006008525A1 (de) | Vorrichtung zum Befestigen einer Fahrzeugtür | |
| EP1857686A2 (de) | Kolben-Zylinder-Einheit | |
| DE3813236C1 (en) | Self-propelled ram borer | |
| CH627812A5 (de) | Steuereinrichtung, insbesondere fuer schloss. | |
| DE3422488C1 (de) | Einstellmechanismus für einen in einem Scheinwerfergehäuse von Kraftfahrzeugen schwenkbar gelagerten Reflektor | |
| EP3299543B1 (de) | Schliesszylinder | |
| DE69619441T2 (de) | Diebstahlsicherung für Lenksäule | |
| DE102017115684A1 (de) | Bedienelement sowie eine das Bedienelement aufweisende Baueinheit | |
| DE3829736C1 (en) | Steering lock for motor vehicles having an inclinable steering column | |
| DE19815282C2 (de) | Steuerkurve zum Führen eines Führungsbolzens | |
| EP0454947A1 (de) | Rammbohrgerät |
Legal Events
| Date | Code | Title | Description |
|---|---|---|---|
| PUAI | Public reference made under article 153(3) epc to a published international application that has entered the european phase |
Free format text: ORIGINAL CODE: 0009012 |
|
| AK | Designated contracting states |
Kind code of ref document: A2 Designated state(s): AT BE CH DE FR GB IT LI NL SE |
|
| PUAL | Search report despatched |
Free format text: ORIGINAL CODE: 0009013 |
|
| AK | Designated contracting states |
Kind code of ref document: A3 Designated state(s): AT BE CH DE FR GB IT LI NL SE |
|
| 17P | Request for examination filed |
Effective date: 19910726 |
|
| 17Q | First examination report despatched |
Effective date: 19921021 |
|
| GRAA | (expected) grant |
Free format text: ORIGINAL CODE: 0009210 |
|
| ITF | It: translation for a ep patent filed | ||
| AK | Designated contracting states |
Kind code of ref document: B1 Designated state(s): AT BE CH DE FR GB IT LI NL SE |
|
| REF | Corresponds to: |
Ref document number: 89363 Country of ref document: AT Date of ref document: 19930515 Kind code of ref document: T |
|
| REF | Corresponds to: |
Ref document number: 58904304 Country of ref document: DE Date of ref document: 19930617 |
|
| GBT | Gb: translation of ep patent filed (gb section 77(6)(a)/1977) |
Effective date: 19930524 |
|
| ET | Fr: translation filed | ||
| EAL | Se: european patent in force in sweden |
Ref document number: 89102099.2 |
|
| PGFP | Annual fee paid to national office [announced via postgrant information from national office to epo] |
Ref country code: SE Payment date: 19970220 Year of fee payment: 9 |
|
| PG25 | Lapsed in a contracting state [announced via postgrant information from national office to epo] |
Ref country code: SE Free format text: LAPSE BECAUSE OF NON-PAYMENT OF DUE FEES Effective date: 19980209 |
|
| PGFP | Annual fee paid to national office [announced via postgrant information from national office to epo] |
Ref country code: AT Payment date: 19980219 Year of fee payment: 10 |
|
| PGFP | Annual fee paid to national office [announced via postgrant information from national office to epo] |
Ref country code: BE Payment date: 19980220 Year of fee payment: 10 |
|
| EUG | Se: european patent has lapsed |
Ref document number: 89102099.2 |
|
| PG25 | Lapsed in a contracting state [announced via postgrant information from national office to epo] |
Ref country code: AT Free format text: LAPSE BECAUSE OF NON-PAYMENT OF DUE FEES Effective date: 19990208 |
|
| PGFP | Annual fee paid to national office [announced via postgrant information from national office to epo] |
Ref country code: CH Payment date: 19990224 Year of fee payment: 11 |
|
| PG25 | Lapsed in a contracting state [announced via postgrant information from national office to epo] |
Ref country code: BE Free format text: LAPSE BECAUSE OF NON-PAYMENT OF DUE FEES Effective date: 19990228 |
|
| PGFP | Annual fee paid to national office [announced via postgrant information from national office to epo] |
Ref country code: NL Payment date: 19990228 Year of fee payment: 11 |
|
| BERE | Be: lapsed |
Owner name: SCHMIDT PAUL Effective date: 19990228 |
|
| PG25 | Lapsed in a contracting state [announced via postgrant information from national office to epo] |
Ref country code: CH Free format text: LAPSE BECAUSE OF NON-PAYMENT OF DUE FEES Effective date: 20000229 Ref country code: LI Free format text: LAPSE BECAUSE OF NON-PAYMENT OF DUE FEES Effective date: 20000229 |
|
| PG25 | Lapsed in a contracting state [announced via postgrant information from national office to epo] |
Ref country code: NL Free format text: LAPSE BECAUSE OF NON-PAYMENT OF DUE FEES Effective date: 20000901 |
|
| REG | Reference to a national code |
Ref country code: CH Ref legal event code: PL |
|
| NLV4 | Nl: lapsed or anulled due to non-payment of the annual fee |
Effective date: 20000901 |
|
| REG | Reference to a national code |
Ref country code: GB Ref legal event code: IF02 |
|
| PG25 | Lapsed in a contracting state [announced via postgrant information from national office to epo] |
Ref country code: IT Free format text: LAPSE BECAUSE OF NON-PAYMENT OF DUE FEES;WARNING: LAPSES OF ITALIAN PATENTS WITH EFFECTIVE DATE BEFORE 2007 MAY HAVE OCCURRED AT ANY TIME BEFORE 2007. THE CORRECT EFFECTIVE DATE MAY BE DIFFERENT FROM THE ONE RECORDED. Effective date: 20050208 |
|
| PGFP | Annual fee paid to national office [announced via postgrant information from national office to epo] |
Ref country code: GB Payment date: 20080222 Year of fee payment: 20 |
|
| PGFP | Annual fee paid to national office [announced via postgrant information from national office to epo] |
Ref country code: DE Payment date: 20080419 Year of fee payment: 20 Ref country code: FR Payment date: 20080219 Year of fee payment: 20 |
|
| REG | Reference to a national code |
Ref country code: GB Ref legal event code: PE20 Expiry date: 20090207 |
|
| PG25 | Lapsed in a contracting state [announced via postgrant information from national office to epo] |
Ref country code: GB Free format text: LAPSE BECAUSE OF EXPIRATION OF PROTECTION Effective date: 20090207 |
|
| PLBE | No opposition filed within time limit |
Free format text: ORIGINAL CODE: 0009261 |
|
| STAA | Information on the status of an ep patent application or granted ep patent |
Free format text: STATUS: NO OPPOSITION FILED WITHIN TIME LIMIT |