CN215879538U - 一种高精准精密模具 - Google Patents

一种高精准精密模具 Download PDF

Info

Publication number
CN215879538U
CN215879538U CN202122289130.XU CN202122289130U CN215879538U CN 215879538 U CN215879538 U CN 215879538U CN 202122289130 U CN202122289130 U CN 202122289130U CN 215879538 U CN215879538 U CN 215879538U
Authority
CN
China
Prior art keywords
pressing plate
gear
precision
plate
positioning
Prior art date
Legal status (The legal status is an assumption and is not a legal conclusion. Google has not performed a legal analysis and makes no representation as to the accuracy of the status listed.)
Expired - Fee Related
Application number
CN202122289130.XU
Other languages
English (en)
Inventor
沈子然
Current Assignee (The listed assignees may be inaccurate. Google has not performed a legal analysis and makes no representation or warranty as to the accuracy of the list.)
Shenzhen Xinzhizhong Plastic Mould Co ltd
Original Assignee
Shenzhen Xinzhizhong Plastic Mould Co ltd
Priority date (The priority date is an assumption and is not a legal conclusion. Google has not performed a legal analysis and makes no representation as to the accuracy of the date listed.)
Filing date
Publication date
Application filed by Shenzhen Xinzhizhong Plastic Mould Co ltd filed Critical Shenzhen Xinzhizhong Plastic Mould Co ltd
Priority to CN202122289130.XU priority Critical patent/CN215879538U/zh
Application granted granted Critical
Publication of CN215879538U publication Critical patent/CN215879538U/zh
Expired - Fee Related legal-status Critical Current
Anticipated expiration legal-status Critical

Links

Images

Landscapes

  • Press Drives And Press Lines (AREA)

Abstract

本实用新型提供了一种高精准精密模具,涉及精密模具技术领域,包括底座、固定块、导柱和缓冲组件,底座顶部固定安装有固定块,底座顶部固定安装有多根导柱,多根导柱顶部固定连接有顶板,顶板顶部固定安装有电动推杆,电动推杆底部固定连接有按压板,且按压板位于顶板的下方,按压板和固定块之间设置有缓冲组件,用于减缓按压板的下降速度。该种通过缓冲弹簧、导柱、定位块和定位孔的配合使用,使得缓冲定位的功能,通过第一齿轮、第二齿轮、升降板和复位弹簧的配合使用,能够自动弹出工件,提高工作效率。

Description

一种高精准精密模具
技术领域
本实用新型涉及精密模具技术领域,具体是高精准精密模具。
背景技术
模具是用来制作成型物品的工具,这种工具由各种零件构成,不同的模具由不同的零件构成,它主要通过材料的物理状态改变来实现物品外形的加工。
精密模具中的上模具和下模具合模时会产生的撞击力,而现有的精密模具在长时间工作过程中,常常受到冲击力的影响下而出现位置偏移,导致上模具和下模具出现磨损的情况,影响加工精度,且现有的精密模具在进行冲压作业时,由于工件冲压变形,而容易粘附在模具上,需要工作人员使用辅助工件将其取出,影响工作效率。
实用新型内容
本实用新型旨在于解决背景技术中存在的缺点,提供高精准精密模具,通过缓冲弹簧、导柱、定位块和定位孔的配合使用,使得缓冲定位的功能,通过第一齿轮、第二齿轮、升降板和复位弹簧的配合使用,能够自动弹出工件,提高工作效率。
为实现上述目的,本实用新型提供如下技术方案,一种高精准精密模具,包括底座、固定块、导柱和缓冲组件;
所述底座顶部固定安装有固定块,所述底座顶部固定安装有多根导柱,多根所述导柱顶部固定连接有顶板,所述顶板顶部固定安装有电动推杆,所述电动推杆底部固定连接有按压板,且所述按压板位于顶板的下方;
所述按压板和所述固定块之间设置有缓冲组件,用于所述减缓按压板的下降速度。
进一步的,所述缓冲组件包括缓冲弹簧和通孔,所述底座顶部设置有多个缓冲弹簧,且所述缓冲弹簧套接在导柱外侧,所述按压板表面开设有多个与导柱相匹配的通孔,且所述导柱通过通孔与按压板滑动连接。
进一步的,所述按压板底部固定连接有冲压块,所述固定块顶部开设有与冲压块相匹配的冲压槽,所述固定块顶部两侧均开设有定位孔,所述冲压槽内部设置有升降板。
进一步的,所述冲压槽两侧均开设有设备腔,所述设备腔分别与冲压槽和定位孔相导通,所述设备腔内部通过轴承转动连接有第一齿轮和第二齿轮,且所述第一齿轮与第二齿轮啮合连接,所述第二齿轮远离第一齿轮的一侧设置有移动杆,且所述移动杆底端与升降板相连接,所述移动杆靠近第二齿轮的一侧设置有齿牙,所述第二齿轮通过齿牙与移动杆啮合连接。
进一步的,所述升降板底部固定连接有多个复位弹簧,所述复位弹簧底端与冲压槽内壁相连接,多个所述复位弹簧呈水平均匀排列分布。
进一步的,所述按压板底部固定连接有多个与定位孔相匹配的定位块,所述定位块面向冲压槽的一侧设置有齿轮条。
本实用新型提供了一种高精准精密模具,具有以下有益效果:
1、本实用新型优点在于,当按压板向下移动时,通过导柱、通孔、按压板和缓冲弹簧,使得缓冲弹簧产生的弹力作用于按压板上,使得按压板的下降速度减缓,避免按压板的下降速度过快撞击固定块,使得固定块或按压板出现损坏,甚至使出现位置偏移,进而影响工件的加工精度。
2、其次,当按压板在下移时,通过定位块和定位孔,提高冲压作业的精度,实现定位功能,若按压板在长时间的冲压过程中出现位置偏移时,定位块无法插入到定位孔内,从而无法对工件进行冲压,避免冲压出来的工件尺寸不合格。
3、接着,当定位块在插入到定位孔内时,通过齿轮条、第一齿轮、第二齿轮、齿牙、移动杆和升降板,使得复位弹簧受到挤压发生弹性变形产生弹力,当冲压完成后,升降板在复位弹簧弹力的作用下回弹,将冲压成型后的工件弹出冲压槽,便于工作人员取出工件,避免工件在冲压过后粘附在冲压槽内,难以取出,影响工作效率。
附图说明
图1为本实用新型的整体结构示意图。
图2为本实用新型的整体结构剖视图。
图3为本实用新型的整体结构使用示意图。
图4为本实用新型的图3中的A处放大图。
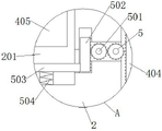
图1-4中:1、底座;2、固定块;201、冲压槽;202、定位孔;3、导柱;301、缓冲弹簧;4、顶板;401、电动推杆;402、按压板;403、通孔;404、定位块;405、冲压块;5、第一齿轮;501、第二齿轮;502、移动杆;503、升降板;504、复位弹簧。
具体实施方式
实施例:
请参阅图1-4中,
本实施例提供的一种高精准精密模具,包括底座1、固定块2、导柱3和缓冲组件;
固定块2固定安装于底座1顶部,底座1顶部固定安装有多根导柱3,多根导柱3顶部固定连接有顶板4,顶板4顶部固定安装有电动推杆401,电动推杆401底部固定连接有按压板402,且按压板402位于顶板4的下方;
按压板402和固定块2之间设置有缓冲组件,用于减缓按压板402的下降速度。
进一步的,缓冲组件包括缓冲弹簧301和通孔403,底座1顶部设置有多个缓冲弹簧301,且缓冲弹簧301套接在导柱3外侧,按压板402表面开设有多个与导柱3相匹配的通孔403,且导柱3通过通孔403与按压板402滑动连接,当按压板402向下移动时,通过导柱3和通孔403对按压板402的移动方向进行限定,同时使得按压板402能够于导柱3外侧的缓冲弹簧301接触,使得缓冲弹簧301受到按压板402的挤压发生弹性变形产生弹力,并将产生的弹力作用于按压板402上,使得按压板402的下降速度减缓,避免按压板402的下降速度过快撞击固定块2,使得固定块2或按压板402出现损坏,且多次快速撞击容易使得按压板402出现位置偏移,进而影响冲压块405的冲压位置,影响工件质量。
进一步的,按压板402底部固定连接有冲压块405,固定块2顶部开设有与冲压块405相匹配的冲压槽201,固定块2顶部两侧均开设有定位孔202,冲压槽201内部设置有升降板503,当需要进行冲压作业时,将需要冲压的材料防止在固定块2上表面,然后启动电动推杆401,使得电动推杆401带动按压板402和冲压块405向下移动,使得冲压块405与材料接触并将材料按压入冲压槽201内,使得材料变形成。
其中冲压块405为冷作模具钢材料制成,冷作模具钢材料具有较低的受热软化能力,因此在冲压块405持续进行冲压工作时能够保证其不会受热软化,同时冷作模具钢材料有较高的耐磨性,能够在保证其使用寿命的同时能够加工更多高精度的冲压件;
进一步的,冲压槽201两侧均开设有设备腔,设备腔分别与冲压槽201和定位孔202相导通,设备腔内部通过轴承转动连接有第一齿轮5和第二齿轮501,且第一齿轮5与第二齿轮501啮合连接,第二齿轮501远离第一齿轮5的一侧设置有移动杆502,且移动杆502底端与升降板503相连接,移动杆502靠近第二齿轮501的一侧设置有齿牙,第二齿轮501通过齿牙与移动杆502啮合连接,第一齿轮5转动带动第二齿轮501进行转动,然后第二齿轮501通过齿牙带动移动杆502向下移动,使得升降板503下降,为冲压槽201内的工件留有冲压的空间。
进一步的,升降板503底部固定连接有多个复位弹簧504,复位弹簧504底端与冲压槽201内壁相连接,多个复位弹簧504呈水平均匀排列分布,升降板503向下移动时,复位弹簧504受到挤压发生弹性变形产生弹力,当冲压完成后,通过电动推杆401抬起按压板402和冲压块405,使得升降板503在复位弹簧504弹力的作用下回弹,将冲压成型后的工件弹出冲压槽201,便于工作人员取出工件,避免工件在冲压过后粘附在冲压槽201内,难以取出,影响工作效率。
进一步的,按压板402底部固定连接有多个与定位孔202相匹配的定位块404,定位块404面向冲压槽201的一侧设置有齿轮条,当按压板402向下移动时,按压板402带动定位块404向下移动,使得定位块404插入到定位孔202内,实现定位功能,若按压板402在长时间的冲压过程中出现位置偏移时,定位块404则无法插入到定位孔202内,从而无法对工件进行冲压,避免冲压出来的工件尺寸不合格,而定位块404在插入到定位孔202内时,定位块404通过齿轮条与第一齿轮5啮合连接,使得定位块404通过齿轮条带动第一齿轮5顺时针转动。
在使用本实用新型时,当需要进行冲压作业时,将需要冲压的材料放置在固定块2上表面,然后启动电动推杆401,使得电动推杆401带动按压板402和冲压块405向下移动,使得冲压块405与材料接触并将材料按压入冲压槽201内,使得材料发生形变,而按压板402向下移动时,通过导柱3和通孔403对按压板402的移动方向进行限定,同时使得按压板402能够与导柱3外侧的缓冲弹簧301接触,使得缓冲弹簧301受到按压板402的挤压发生弹性变形产生弹力,并将产生的弹力作用于按压板402上,减缓按压板402的下降速度,避免按压板402的下降速度过快撞击固定块2,使得固定块2或按压板402出现损坏,且多次快速撞击容易使得按压板402出现位置偏移,进而影响冲压块405的冲压位置,影响工件质量和精度,按压板402在下移动过程中将带动定位块404向下移动,使得定位块404插入到定位孔202内,提高冲压作业的精度,实现定位功能,若按压板402在长时间的冲压过程中出现位置偏移时,定位块404则无法插入到定位孔202内,从而无法对工件进行冲压,避免冲压出来的工件尺寸不合格,而定位块404在插入到定位孔202内时,定位块404通过外侧的齿轮条与第一齿轮5啮合连接,使得定位块404通过齿轮条带动第一齿轮5转动,使得第一齿轮5带动第二齿轮501进行转动,然后第二齿轮501通过齿牙带动移动杆502向下移动,使得升降板503下降,为冲压槽201内的工件留有冲压的空间,而升降板503向下移动时,复位弹簧504受到挤压发生弹性变形产生弹力,当冲压完成后,通过电动推杆401抬起按压板402和冲压块405,使得升降板503在复位弹簧504弹力的作用下回弹,将冲压成型后的工件弹出冲压槽201,便于工作人员取出工件,避免工件在冲压过后粘附在冲压槽201内,难以取出,影响工作效率,通过以上结构能够实现自动弹出工件功能以及定位功能。

Claims (6)

1.一种高精准精密模具,其特征在于,包括底座、固定块、导柱和缓冲组件;
所述底座顶部固定安装有固定块,所述底座顶部固定安装有多根导柱,多根所述导柱顶部固定连接有顶板,所述顶板顶部固定安装有电动推杆,所述电动推杆底部固定连接有按压板,且所述按压板位于顶板的下方;
所述按压板和所述固定块之间设置有缓冲组件,用于减缓所述按压板的下降速度。
2.根据权利要求1所述的高精准精密模具,其特征在于,所述缓冲组件包括缓冲弹簧和通孔,所述底座顶部设置有多个缓冲弹簧,且所述缓冲弹簧套接在导柱外侧,所述按压板表面开设有多个与导柱相匹配的通孔,且所述导柱通过通孔与按压板滑动连接。
3.根据权利要求1所述的高精准精密模具,其特征在于,所述按压板底部固定连接有冲压块,所述固定块顶部开设有与冲压块相匹配的冲压槽,所述固定块顶部两侧均开设有定位孔,所述冲压槽内部设置有升降板。
4.根据权利要求3所述的高精准精密模具,其特征在于,所述冲压槽两侧均开设有设备腔,所述设备腔分别与冲压槽和定位孔相导通,所述设备腔内部通过轴承转动连接有第一齿轮和第二齿轮,且所述第一齿轮与第二齿轮啮合连接,所述第二齿轮远离第一齿轮的一侧设置有移动杆,且所述移动杆底端与升降板相连接,所述移动杆靠近第二齿轮的一侧设置有齿牙,所述第二齿轮通过齿牙与移动杆啮合连接。
5.根据权利要求3所述的高精准精密模具,其特征在于,所述升降板底部固定连接有多个复位弹簧,所述复位弹簧底端与冲压槽内壁相连接,多个所述复位弹簧呈水平均匀排列分布。
6.根据权利要求3所述的高精准精密模具,其特征在于,所述按压板底部固定连接有多个与定位孔相匹配的定位块,所述定位块面向冲压槽的一侧设置有齿轮条。
CN202122289130.XU 2021-09-22 2021-09-22 一种高精准精密模具 Expired - Fee Related CN215879538U (zh)

Priority Applications (1)

Application Number Priority Date Filing Date Title
CN202122289130.XU CN215879538U (zh) 2021-09-22 2021-09-22 一种高精准精密模具

Applications Claiming Priority (1)

Application Number Priority Date Filing Date Title
CN202122289130.XU CN215879538U (zh) 2021-09-22 2021-09-22 一种高精准精密模具

Publications (1)

Publication Number Publication Date
CN215879538U true CN215879538U (zh) 2022-02-22

Family

ID=80348966

Family Applications (1)

Application Number Title Priority Date Filing Date
CN202122289130.XU Expired - Fee Related CN215879538U (zh) 2021-09-22 2021-09-22 一种高精准精密模具

Country Status (1)

Country Link
CN (1) CN215879538U (zh)

Cited By (1)

* Cited by examiner, † Cited by third party
Publication number Priority date Publication date Assignee Title
CN115716099A (zh) * 2022-11-29 2023-02-28 芜湖市星东塑胶模具制品有限公司 注塑模具加工用冲压式快速定型装置

Cited By (1)

* Cited by examiner, † Cited by third party
Publication number Priority date Publication date Assignee Title
CN115716099A (zh) * 2022-11-29 2023-02-28 芜湖市星东塑胶模具制品有限公司 注塑模具加工用冲压式快速定型装置

Similar Documents

Publication Publication Date Title
CN211101140U (zh) 一种高精度的滑轨模具
CN215879538U (zh) 一种高精准精密模具
CN110508643B (zh) 一种板材压弯机
CN113145736A (zh) 一种精密转轴式冲孔折弯结构
CN205798168U (zh) 用于加工z形支架的弯曲模
CN210648096U (zh) 一种冲压模具
CN217665917U (zh) 一种五金件加工冲压模具
CN207982034U (zh) 一种使用方便的五金冲压模具
CN211363652U (zh) 一种用于磁材成型的压机导向工装
CN218079942U (zh) 一种用于冲压件模具的精准定位器
CN212285516U (zh) 一种用于金属管的冲孔模具
CN213195323U (zh) 一种模具加工生产用的冲压装置
CN210936753U (zh) 一种高强度的模具钢
CN223028375U (zh) 一种锻造自动退料装置
CN115041736B (zh) 一种模具导柱加工用油槽开设装置
CN213104193U (zh) 一种五金件冲压模具的顶料机构
CN222094550U (zh) 一种高精度折弯冲压模具
CN214447770U (zh) 具有多级顶出机构的模具
CN221434657U (zh) 便于零件连续加工的冲压模具
CN112828113A (zh) 一种新型液压机
CN221537861U (zh) 一种风冷冷藏风道制作用钣金模具
CN219746199U (zh) 一种齿轮轴闭式挤压成型锻压模具
CN214977176U (zh) 一种连续冲压钢板模具
CN223129082U (zh) 用于家电零部件制作的冲裁机
CN221209674U (zh) 一种具有卸料结构的冲压模具

Legal Events

Date Code Title Description
GR01 Patent grant
GR01 Patent grant
CF01 Termination of patent right due to non-payment of annual fee
CF01 Termination of patent right due to non-payment of annual fee

Granted publication date: 20220222