WO2022158496A1 - 光ファイバ、光ファイバテープ心線および光ファイバケーブル - Google Patents

光ファイバ、光ファイバテープ心線および光ファイバケーブル Download PDF

Info

Publication number
WO2022158496A1
WO2022158496A1 PCT/JP2022/001856 JP2022001856W WO2022158496A1 WO 2022158496 A1 WO2022158496 A1 WO 2022158496A1 JP 2022001856 W JP2022001856 W JP 2022001856W WO 2022158496 A1 WO2022158496 A1 WO 2022158496A1
Authority
WO
WIPO (PCT)
Prior art keywords
optical fiber
less
layer
mpa
refractive index
Prior art date
Legal status (The legal status is an assumption and is not a legal conclusion. Google has not performed a legal analysis and makes no representation as to the accuracy of the status listed.)
Ceased
Application number
PCT/JP2022/001856
Other languages
English (en)
French (fr)
Japanese (ja)
Inventor
和則 武笠
稔 笠原
景一 相曽
幸寛 土田
直也 蓬田
拓巳 数金
一彦 菅沼
朋章 五戸
光洋 岩屋
ゾルターン ヴァーラヤイ
タマーシュ ミヒャルフィ
Current Assignee (The listed assignees may be inaccurate. Google has not performed a legal analysis and makes no representation or warranty as to the accuracy of the list.)
Furukawa Electric Co Ltd
Original Assignee
Furukawa Electric Co Ltd
Priority date (The priority date is an assumption and is not a legal conclusion. Google has not performed a legal analysis and makes no representation as to the accuracy of the date listed.)
Filing date
Publication date
Application filed by Furukawa Electric Co Ltd filed Critical Furukawa Electric Co Ltd
Priority to JP2022576724A priority Critical patent/JPWO2022158496A1/ja
Priority to EP22742618.6A priority patent/EP4283352A4/en
Publication of WO2022158496A1 publication Critical patent/WO2022158496A1/ja
Priority to US18/353,376 priority patent/US20230358949A1/en
Anticipated expiration legal-status Critical
Ceased legal-status Critical Current

Links

Images

Classifications

    • GPHYSICS
    • G02OPTICS
    • G02BOPTICAL ELEMENTS, SYSTEMS OR APPARATUS
    • G02B6/00Light guides; Structural details of arrangements comprising light guides and other optical elements, e.g. couplings
    • G02B6/02Optical fibres with cladding with or without a coating
    • G02B6/02395Glass optical fibre with a protective coating, e.g. two layer polymer coating deposited directly on a silica cladding surface during fibre manufacture
    • GPHYSICS
    • G02OPTICS
    • G02BOPTICAL ELEMENTS, SYSTEMS OR APPARATUS
    • G02B6/00Light guides; Structural details of arrangements comprising light guides and other optical elements, e.g. couplings
    • G02B6/02Optical fibres with cladding with or without a coating
    • G02B6/02004Optical fibres with cladding with or without a coating characterised by the core effective area or mode field radius
    • G02B6/02009Large effective area or mode field radius, e.g. to reduce nonlinear effects in single mode fibres
    • G02B6/02014Effective area greater than 60 square microns in the C band, i.e. 1530-1565 nm
    • G02B6/02019Effective area greater than 90 square microns in the C band, i.e. 1530-1565 nm
    • GPHYSICS
    • G02OPTICS
    • G02BOPTICAL ELEMENTS, SYSTEMS OR APPARATUS
    • G02B6/00Light guides; Structural details of arrangements comprising light guides and other optical elements, e.g. couplings
    • G02B6/02Optical fibres with cladding with or without a coating
    • G02B6/036Optical fibres with cladding with or without a coating core or cladding comprising multiple layers
    • G02B6/03616Optical fibres characterised both by the number of different refractive index layers around the central core segment, i.e. around the innermost high index core layer, and their relative refractive index difference
    • G02B6/03622Optical fibres characterised both by the number of different refractive index layers around the central core segment, i.e. around the innermost high index core layer, and their relative refractive index difference having 2 layers only
    • G02B6/03627Optical fibres characterised both by the number of different refractive index layers around the central core segment, i.e. around the innermost high index core layer, and their relative refractive index difference having 2 layers only arranged - +
    • GPHYSICS
    • G02OPTICS
    • G02BOPTICAL ELEMENTS, SYSTEMS OR APPARATUS
    • G02B6/00Light guides; Structural details of arrangements comprising light guides and other optical elements, e.g. couplings
    • G02B6/02Optical fibres with cladding with or without a coating
    • G02B6/036Optical fibres with cladding with or without a coating core or cladding comprising multiple layers
    • G02B6/03616Optical fibres characterised both by the number of different refractive index layers around the central core segment, i.e. around the innermost high index core layer, and their relative refractive index difference
    • G02B6/03638Optical fibres characterised both by the number of different refractive index layers around the central core segment, i.e. around the innermost high index core layer, and their relative refractive index difference having 3 layers only
    • G02B6/0365Optical fibres characterised both by the number of different refractive index layers around the central core segment, i.e. around the innermost high index core layer, and their relative refractive index difference having 3 layers only arranged - - +

Definitions

  • the present invention relates to optical fibers, optical fiber ribbons and optical fiber cables.
  • An optical fiber that employs a W-type refractive index profile has been actively studied (Patent Documents 1 to 4).
  • W-shaped refractive index profiles have been employed, for example, to increase the effective core area of optical fibers.
  • An optical fiber having a large effective core area suppresses the occurrence of nonlinear optical effects in the optical fiber, and thus can be suitably used as, for example, a long-distance optical transmission line.
  • the effective core cross-sectional area may be described as Aeff.
  • Patent Document 2 discloses a technique in which an optical fiber includes a primary coating layer covering the outer surface of the clad layer and a secondary coating layer covering the outer surface of the primary coating layer.
  • the primary coating layer is formed of an ultraviolet curable resin having a Young's modulus of 1.0 MPa or less and having an outer diameter of 130 ⁇ m or more and 250 ⁇ m or less.
  • the secondary coating layer is a coating layer having an outer diameter of 160 ⁇ m or more and 400 ⁇ m or less, which is formed of an ultraviolet curable resin having a Young's modulus of 500 MPa or more.
  • forming a tape means arranging a plurality of optical fibers to form an optical fiber ribbon.
  • the term “cable” refers to providing an optical fiber or optical fiber ribbon with a tension member or a sheath to form an optical fiber cable. Optical fibers that are taped or cabled are sometimes required to have low microbending loss.
  • the reason for this is that if the optical fiber has a large microbending loss, the transmission loss increases more than that of the optical fiber alone by making it into a tape or a cable. Therefore, there is room for study on how to expand the effective core cross-sectional area and reduce the micro-bend loss at the same time.
  • the present invention has been made in view of the above, and its object is to provide a low microbend loss optical fiber with an enlarged effective core area, and an optical fiber tape core wire and an optical fiber cable using the same. to provide.
  • one aspect of the present invention provides a core portion made of glass, a side core layer made of glass and surrounding the outer periphery of the core portion, and the side core layer made of glass. a primary layer made of resin and surrounding the outer periphery of the clad portion; and a secondary layer made of resin and surrounding the outer periphery of the primary layer.
  • ⁇ 1 be the average maximum relative refractive index difference of the core portion with respect to the average refractive index
  • ⁇ 2 be the relative refractive index difference of the average refractive index of the side core layer
  • ⁇ 2 be the relative refractive index difference of the average refractive index of the side core layer with respect to the average refractive index
  • the relative refractive index of the average refractive index of the clad portion to pure silica glass
  • the core diameter of the core portion is 2a and the outer diameter of the side core layer is 2b. 5 or less
  • 2a is 11.5 ⁇ m or more and 14.5 ⁇ m or less
  • the effective core area at a wavelength of 1550 nm is 90 m 2 or more and 150 ⁇ m or less
  • the primary layer thickness and the secondary The secondary layer thickness, which is the layer thickness of the layer, is 5 ⁇ m or more
  • the primary elastic modulus which is the elastic modulus of the primary layer, is smaller than the secondary elastic modulus, which is the elastic modulus of the secondary layer
  • the microbend loss at a wavelength of 1550 nm is 1.0 dB/km or less, optical fiber.
  • the ratio of the secondary layer thickness to the primary layer thickness may be less than 1.
  • the primary elastic modulus may be 0.2 MPa or higher and 3.0 MPa or lower, and the secondary elastic modulus may be 5.0 MPa or higher and 2000 MPa or lower.
  • the primary elastic modulus may be 0.2 MPa or more and 1.0 MPa or less, and the secondary elastic modulus may be 500 MPa or more and 2000 MPa or less.
  • the primary elastic modulus may be 0.3 MPa or more and 0.6 MPa or less, and the secondary elastic modulus may be 600 MPa or more and 1800 MPa or less.
  • the microbend loss may be a value measured by a sandpaper method.
  • the elongation at break of the secondary layer may be 2.5% or more and 80% or less.
  • the cutoff wavelength may be 1530 nm or less.
  • the thickness of the primary layer and the thickness of the secondary layer may be 5 ⁇ m or more and 60 ⁇ m or less.
  • One aspect of the present invention is an optical fiber tape cable including a plurality of the optical fibers.
  • One aspect of the present invention is an optical fiber cable including the optical fiber.
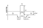
  • FIG. 1 is a schematic cross-sectional view of an optical fiber according to Embodiment 1.
  • FIG. FIG. 2 is a schematic diagram of a refractive index profile of an optical fiber according to Embodiment 1.
  • FIG. 3A is a diagram showing an example of the relationship between ⁇ 2, 2a, and Aeff.
  • FIG. 3B is a diagram showing an example of the relationship between ⁇ 2, 2a, and Aeff.
  • FIG. 3C is a diagram showing an example of the relationship between ⁇ 2, 2a, and Aeff.
  • FIG. 4A is a diagram showing another example of the relationship between ⁇ 2, 2a, and Aeff.
  • FIG. 4B is a diagram showing another example of the relationship between ⁇ 2, 2a, and Aeff.
  • FIG. 4A is a diagram showing another example of the relationship between ⁇ 2, 2a, and Aeff.
  • FIG. 4B is a diagram showing another example of the relationship between ⁇ 2, 2a, and Ae
  • FIG. 4C is a diagram showing another example of the relationship between ⁇ 2, 2a, and Aeff.
  • FIG. 5A is a diagram showing an example of the relationship between ⁇ 2, 2a and microbend loss.
  • FIG. 5B is a diagram showing an example of the relationship between ⁇ 2, 2a and microbend loss.
  • FIG. 5C is a diagram showing an example of the relationship between ⁇ 2, 2a and microbend loss.
  • FIG. 6A is a diagram showing another example of the relationship between ⁇ 2, 2a and microbend loss.
  • FIG. 6B is a diagram showing another example of the relationship between ⁇ 2, 2a and microbend loss.
  • FIG. 6C is a diagram showing another example of the relationship between ⁇ 2, 2a and microbend loss.
  • FIG. 5A is a diagram showing another example of the relationship between ⁇ 2, 2a and microbend loss.
  • FIG. 7A is a diagram showing yet another example of the relationship between ⁇ 2, 2a and microbend loss.
  • FIG. 7B is a diagram showing still another example of the relationship between ⁇ 2, 2a and microbend loss.
  • FIG. 7C is a diagram showing still another example of the relationship between ⁇ 2, 2a and microbend loss.
  • FIG. 8 is a diagram showing an example of the relationship between ⁇ 1 and the average value of microbend loss.
  • FIG. 9 is a diagram showing an example of the relationship between ( ⁇ 1 ⁇ 2) and microbend loss.
  • FIG. 10 is a diagram showing an example of the relationship between Aeff and microbend loss.
  • FIG. 11 is a schematic diagram of the optical fiber ribbon according to the second embodiment.
  • FIG. 12 is a schematic diagram of an optical fiber ribbon according to Embodiment 3.
  • FIG. 13 is a schematic cross-sectional view of an optical fiber cable according to Embodiment 4.
  • FIG. 11 is a schematic diagram of the optical fiber ribbon according to the
  • the cutoff wavelength or the effective cutoff wavelength refers to the ITU-T G.I. Refers to the cable cutoff wavelength ( ⁇ cc) defined in R.650.1. For other terms not specifically defined in this specification, see G.I. 650.1 and G.I. 650.2 shall comply with the definition and measurement method.
  • FIG. 1 is a schematic cross-sectional view of an optical fiber according to Embodiment 1.
  • the optical fiber 10 is made of silica-based glass, and includes a core portion 11 , a side core layer 12 surrounding the outer periphery of the core portion 11 , and a clad portion 13 surrounding the outer periphery of the side core layer 12 .
  • a portion of the optical fiber 10 including the core portion 11, the side core layer 12, and the clad portion 13 is a portion made of glass in the optical fiber, and is sometimes referred to as a glass optical fiber.
  • the optical fiber 10 also includes a coating layer 14 surrounding the outer circumference of the clad portion 13 .
  • the coating layer 14 has a primary layer 14a surrounding the outer periphery of the clad portion 13 and a secondary layer 14b surrounding the outer periphery of the primary layer 14a.
  • An optical fiber with a coating layer 14 is sometimes referred to as an optical fiber core.
  • FIG. 2 is a diagram showing the refractive index profile of the optical fiber 10.
  • FIG. A profile P1 is a refractive index profile of the core portion 11 and has a so-called step shape.
  • Profile P2 is the refractive index profile of the side core layer 12 .
  • a profile P3 is a refractive index profile of the cladding portion 13 .
  • the refractive index profile of the core portion 11 is not limited to a geometrically ideal step shape, but the shape of the top portion is not flat and unevenness is formed due to manufacturing characteristics. It may have a shape that pulls.
  • the refractive index of the substantially flat region at the top of the refractive index profile within the range of the core diameter 2a of the core portion 11 in manufacturing design serves as an index for determining ⁇ 1.
  • the substantially flat region seems to be divided into multiple places, or when it is difficult to define the substantially flat region due to a continuous change, At least any part of the core part other than the part where the rate changes is within the range of ⁇ 1 below, and the difference in ⁇ between the maximum value and the minimum value is within ⁇ 30% of a certain value, desired It has been confirmed that it is possible to produce characteristics close to , and there is no particular problem.
  • the core diameter of the core portion 11 is 2a.
  • the outer diameter of the side core layer 12 is 2b.
  • the relative refractive index difference (maximum relative refractive index difference) of the average maximum refractive index of the core portion 11 with respect to the average refractive index of the clad portion 13 is ⁇ 1.
  • the relative refractive index difference of the average refractive index of the side core layer 12 with respect to the average refractive index of the cladding portion 13 is ⁇ 2.
  • the average maximum refractive index of the core portion 11 is the average value in the radial direction of the refractive index of the substantially flat region at the top of the refractive index profile.
  • the average refractive index of the side core layer 12 and the clad portion 13 is the average value of the refractive indices in the radial direction of the refractive index profile.
  • the relative refractive index difference of the average refractive index of the clad portion 13 with respect to the refractive index of pure silica glass is ⁇ Clad.
  • pure silica glass is very high-purity silica glass that does not substantially contain dopants that change the refractive index and has a refractive index of about 1.444 at a wavelength of 1550 nm.
  • the dashed-dotted line indicates the relative refractive index difference of the pure silica glass with respect to the average refractive index of the cladding portion 13 .
  • the optical fiber 10 has a W-shaped refractive index profile.
  • FIG. 2 shows the case where ⁇ Clad is less than 0%, ⁇ Clad may be 0% or more.
  • the core portion 11 is made of silica-based glass containing a refractive index adjusting dopant for increasing the refractive index.
  • the core portion 11 contains at least one, for example two or more, of germanium (Ge), chlorine (Cl), fluorine (F), potassium (K) and sodium (Na) as a dopant.
  • F lowers the refractive index of quartz glass
  • (Ge), Cl, K and Na are dopants that raise the refractive index of quartz glass.
  • the core portion 11 may be made of pure silica glass.
  • the side core layer 12 and the clad portion 13 are made of quartz-based glass doped with only F and Cl, only F, or only Cl.
  • ⁇ 1> ⁇ Clad> ⁇ 2 and 0> ⁇ 2 are established, and preferable ranges of ⁇ 1, ⁇ 2, and ⁇ Clad, which will be described later, are realized.
  • the clad portion 13 may be made of pure silica glass.
  • the primary layer 14a and the secondary layer 14b are made of resin.
  • This resin is, for example, an ultraviolet curing resin.
  • the UV curable resin is a mixture of various resin materials and additives such as oligomers, diluent monomers, photopolymerization initiators, silane coupling agents, sensitizers and lubricants.
  • oligomer conventionally known materials such as polyether urethane acrylate, epoxy acrylate, polyester acrylate, and silicone acrylate can be used.
  • Conventionally known materials such as monofunctional monomers and polyfunctional monomers can be used as the diluent monomer.
  • the additives are not limited to those described above, and conventionally known additives and the like used for ultraviolet curable resins and the like can be widely used.
  • the primary layer thickness which is the layer thickness of the primary layer 14a
  • the secondary layer thickness which is the layer thickness of the secondary layer 14b
  • the primary elastic modulus which is the elastic modulus of the primary layer 14a
  • the secondary elastic modulus which is the elastic modulus of the secondary layer 14b.
  • Primary and secondary moduli are also called Young's moduli. These elastic moduli can be realized by adjusting the components of the resin, manufacturing conditions, and the like. Specifically, the types, molecular weights and contents of oligomers in the materials constituting the primary layer 14a and the secondary layer 14b, the types and amounts of diluent monomers, the types and contents of other components, the irradiation intensity of ultraviolet rays, etc.
  • the elastic moduli of the primary layer 14a and the secondary layer 14b can be adjusted by the curing conditions and the like.
  • ⁇ 1 is 0.23% or more and 0.30% or less
  • ⁇ 2 is ⁇ 0.23% or more and ⁇ 0.08% or less
  • ( ⁇ 1 ⁇ 2) is 0. .36% or more and 0.53% or less
  • b/a is 2 or more and 5 or less
  • 2a is 11.5 ⁇ m or more and 14.5 ⁇ m or less
  • the primary layer thickness and the secondary layer thickness are 5 ⁇ m or more
  • the primary The elastic modulus is less than the secondary elastic modulus.
  • the characteristics of the optical fiber 10 with increased Aeff and low microbending loss that is, the Aeff at a wavelength of 1550 nm is 90 ⁇ m 2 or more and 150 ⁇ m 2 or less, and the microbending loss at a wavelength of 1550 nm is 1.0 dB/km or less. It is preferably realized.
  • Aeff is a value at a wavelength of 1550 nm.
  • 3A to 3C are diagrams showing an example of the relationship between ⁇ 2, 2a and Aeff. ⁇ 1 is 0.25% in FIG. 3A, 0.27% in FIG. 3B, and 0.29% in FIG. 3C.
  • Aeff tends to decrease as ⁇ 1 increases. Even when ⁇ 1 is 0.23% or 0.3%, Aeff may be 90 ⁇ m 2 or more and 150 ⁇ m 2 or less.
  • ⁇ 1 be 0.23% or more and 0.30% or less
  • ⁇ 2 be ⁇ 0.23% or more and ⁇ 0.02% or less
  • 2a be 11.5 ⁇ m or more in order to satisfy the conditions.
  • 4A to 4C are diagrams showing another example of the relationship between ⁇ 2, 2a and Aeff.
  • b/a is 2 in FIG. 4A
  • b/a is 3 in FIG. 4B
  • b/a is 4 in FIG. 4C.
  • Microbend loss is a value at a wavelength of 1550 nm.
  • a simulation calculation based on the following non-patent document was used to investigate the microbending loss: "Tamas Mihalffy et al., Combined Mechanical-Optical Simulation to Predict Microbending Loss of Single Mode Fibers, OECC 2019, WP4-C1".
  • FIGS. 5A to 5C, 6A to 6C, and 7A to 7C are diagrams showing an example of the relationship between ⁇ 2, 2a, and microbend loss.
  • b/a 2 in FIG. 5A
  • b/a 3 in FIG. 5B
  • microbend loss tends to decrease as b/a increases.
  • microbend loss tends to decrease as ⁇ 1 increases.
  • FIG. 8 is a diagram showing an example of the relationship between ⁇ 1 and the average value of microbend loss.
  • FIG. 8 shows the relationship between ⁇ 1 and the average value of microbend loss at 1550 nm when Aeff at 1550 nm is 120, 130, and 140 ⁇ m 2 when the structural parameters are set within a predetermined range.
  • the predetermined range is a range of -0.23% or more and -0.08% or less for ⁇ 2 and a range of 2 or more and 4 or less for b/a. From the investigation shown in FIG. 8, especially when Aeff increases, microbend loss increases rapidly when ⁇ 1 is less than 0.23%, making it difficult to stably satisfy 1 dB/km or less. I know it's coming.
  • FIG. 9 is a diagram showing an example of the relationship between ( ⁇ 1 ⁇ 2) and microbend loss. As shown in FIG. 9, it was found that the microbending loss increases as ( ⁇ 1 ⁇ 2) decreases. According to investigations by the present inventors, it has been found that ( ⁇ 1 ⁇ 2) is preferably 0.36% or more in order to reliably suppress the microbend loss to 1 dB/km or less. For example, in the example shown in FIG. 9, if ( ⁇ 1 ⁇ 2) is 0.36% or more, it is 0.8 dB/km or less, which is 20% or more lower than 1 dB/km.
  • the configuration of the core portion 11, the side core layer 12, and the clad portion 13 of the optical fiber 10 has ⁇ 1 of 0.23% or more and 0.30% or less, and ⁇ 2 of ⁇ 0. .23% or more and ⁇ 0.08% or less, ( ⁇ 1 ⁇ 2) is 0.36% or more and 0.53% or less, b/a is 2 or more and 5 or less, and 2a is 11.5 ⁇ m or more and 14 0.5 ⁇ m or less, Aeff at a wavelength of 1550 nm is increased to 90 ⁇ m 2 or more and 150 ⁇ m 2 or less, and a low microbend loss of 1.0 dB/km or less at a wavelength of 1550 nm is realized.
  • FIG. 10 is a diagram showing an example of the relationship between Aeff and microbend loss in various combinations of ⁇ 1 and b/a. From FIG. 10, it was confirmed that if the Aeff is the same, the larger ⁇ 1 or the larger b/a can reduce the microbend loss.
  • the cutoff wavelength of the optical fiber 10 is known to be dependent on the length of the fiber, and is not limited, but if the cable cutoff wavelength ( ⁇ cc) measured with a length of 22 m is 1530 nm or less.
  • the optical fiber 10 can be practically used as a single-mode optical transmission line in the C band (for example, 1530 nm to 1565 nm), which is desirable. According to a comprehensive investigation by the present inventors, it has been found that it is easier to set ⁇ cc to 1530 nm or less if the core diameter 2a is 14.5 ⁇ m or less.
  • the characteristics of the resin coating layer 14 are important as well as the configuration of the core portion 11, the side core layer 12, and the clad portion 13 of the glass optical fiber.
  • the present inventors performed comprehensive verification including experiments on the characteristics of the coating layer 14 and optimized them.
  • the coating layer 14 has a two-layer structure of a primary layer 14a surrounding the outer circumference of the cladding portion 13 and a secondary layer 14b surrounding the outer circumference of the primary layer 14a.
  • the secondary layer 14b is made of a soft material with a small thickness, and the secondary layer 14b is made of a harder material. It was found that the microbend loss characteristic of 1.0 dB/km or less is maintained due to the overall effect of .
  • the thickness of the primary layer even if it is 60 ⁇ m or less, there is no change in the characteristics, so in consideration of the material cost and the like, it is preferably 60 ⁇ m or less. Moreover, even if the thickness of the secondary layer is 60 ⁇ m or less, there is no change in the characteristics, so considering the material cost and the like, it is preferably 60 ⁇ m or less.
  • the ratio of the secondary layer thickness to the primary layer thickness is preferably less than 1. If the ratio is less than 1 (i.e., the primary layer thickness is thicker than the secondary layer thickness), the secondary layer 14b is relatively flexible and the primary layer 14a is easy to move. can plan well.
  • the primary elastic modulus is preferably 0.2 MPa or more and 3 MPa or less, more preferably 1.0 MPa or less, and 0.3 MPa or more and 0.6 MPa or less. is even more desirable.
  • the secondary elastic modulus is preferably 5.0 MPa or more and 2000 MPa or less, more preferably 500 MPa or more, and even more preferably 600 MPa or more and 1800 MPa or less.
  • the elongation at break of the secondary layer 14b is preferably 2.5% or more and 80% or less.
  • the primary elastic modulus is defined as measured by the following method. First, using a commercially available stripper, the primary layer and secondary layer in the intermediate portion of the sample optical fiber were stripped off by a length of several millimeters, and then one end of the optical fiber with the coating layer formed thereon was attached with an adhesive. A load F is applied to the other end of the optical fiber on which the coating layer is formed while being fixed on the slide glass. In this state, the displacement .delta. of the primary layer at the boundary between the portion where the coating layer is stripped off and the portion where the coating is formed is read with a microscope.
  • a graph of displacement ⁇ versus load F is created by setting the load F to 10, 20, 30, 50 and 70 gf (ie 98, 196, 294, 490 and 686 mN sequentially). Then, the gradient obtained from the graph and the following formula are used to calculate the primary elastic modulus. Since the calculated primary elastic modulus corresponds to the so-called in-situ modulus (ISM), it is hereinafter appropriately referred to as P-ISM.
  • ISM in-situ modulus
  • the unit of P-ISM is [MPa]. Further, F/ ⁇ is the slope indicated by the graph of displacement ( ⁇ ) [ ⁇ m] against load (F) [gf], l is the sample length (for example, 10 mm), and DP/DG is the outer diameter of the primary layer (DP) [ ⁇ m ] and the outer diameter (DG) [ ⁇ m] of the clad portion of the optical fiber. Therefore, when calculating P-ISM using the above formula from the used F, ⁇ , and l, it is necessary to perform a predetermined unit conversion. The outer diameter of the primary layer and the outer diameter of the clad portion can be measured by observing the cross section of the optical fiber cut by the fiber cutter with a microscope.
  • the secondary elastic modulus is defined as measured by the following method. First, an optical fiber is immersed in liquid nitrogen, and the coating is stripped off with a stripper to prepare a sample of only the coating by pulling out the glass optical fiber from the optical fiber. . Then, the aluminum plate portion is chucked using a Tensilon universal tensile tester in an atmosphere with a temperature of 23° C. and a relative humidity of 50%. Then, the sample is pulled at a gauge line interval of 25 mm and a tensile speed of 1 mm/min, and the tensile force at the time of 2.5% elongation is measured to calculate the secondary elastic modulus.
  • the secondary modulus corresponds to a so-called 2.5% secant modulus, and is hereinafter referred to as S-ISM as appropriate.
  • the elongation at break of the secondary layer is defined as measured by the following method. First, a sample similar to that used for measuring the secondary elastic modulus is prepared, and the end portion of the sample is fixed to an aluminum plate with an adhesive. Then, the aluminum plate portion is chucked using a Tensilon universal tensile tester in an atmosphere with a temperature of 23° C. and a relative humidity of 50%. Then, the sample is pulled at a mark interval of 25 mm and a tensile speed of 50 mm/min, and the elongation at break is measured.
  • the optical fiber 10 As a method for manufacturing the optical fiber 10, it is desirable to manufacture the optical fiber using a known manufacturing method so as to satisfy the above structural parameters and characteristics of the resin layer.
  • the optical fiber 10 is formed by a known method such as a VAD (Vapor Axial Deposition) method, an OVD (Outside Vapor Deposition) method, an MCVD (Modified Chemical Vapor Deposition) method, or a plasma CVD method.
  • VAD Very Axial Deposition
  • OVD Outside Vapor Deposition
  • MCVD Modified Chemical Vapor Deposition
  • a glass optical fiber is drawn from this optical fiber preform in a drawing furnace, a resin is applied to the drawn glass optical fiber, and the resin is irradiated with ultraviolet rays to be cured. can.
  • dopants such as Ge, F, K, and Na can be added to the optical fiber preform by using a gas containing the dopant when synthesizing the soot.
  • Cl can be added to the optical fiber preform by leaving the chlorine gas used in the dehydration step.
  • F can be added to the optical fiber preform by flowing fluorine gas in a vitrified sintering configuration.
  • Example 2 As an example, an optical fiber preform manufactured using the VAD method was drawn, and sample No. 1 having a W-shaped refractive index profile was obtained. 1-5 optical fibers were manufactured. The following two methods were used for the W-type refractive index profile.
  • Method (1) The core part was made of silica-based glass doped with Ge to increase the refractive index, and the clad part was made of pure silica glass or silica-based glass doped with a small amount of dopant.
  • Method (2) The core part is made of pure silica glass or silica-based glass to which the refractive index is lowered by adding F, and the cladding part is silica to which F is further added compared to the core part to further lower the refractive index. glass.
  • the diameter (cladding diameter) of the glass optical fiber was set to 125 ⁇ m.
  • the thickness of the covering portion was about 250 ⁇ m or about 200 ⁇ m.
  • microbend loss is the difference between the transmission loss of the optical fiber in state A and the transmission loss of the optical fiber in state B wound on the same bobbin with the same tension and length as state A without sandpaper wound.
  • the transmission loss of the optical fiber in state B does not include the microbend loss, and is considered to be the transmission loss inherent in the optical fiber itself.
  • This measuring method is similar to the fixed diameter drum method specified in JIS C6823:2010. This measurement method is also called a sandpaper method. In this measurement method, the transmission loss is measured at a wavelength of 1550 nm, so the microbend loss below is also the value at the wavelength of 1550 nm. Also below, the microbend loss is a value at a wavelength of 1550 nm.
  • Table 1 shows the structural parameters, resin layer properties, and optical properties of each sample.
  • the P diameter is the outer diameter of the primary layer
  • the S diameter is the outer diameter of the secondary layer (that is, the outer diameter of the coating layer).
  • MBL means macrobending loss measured by the sandpaper method. MBL was measured three times or more for one sample, and the average value is shown, and the measured value was stably within ⁇ 10 of the average value. Note that Aeff and MBL are values at a wavelength of 1550 nm.
  • Sample No. The primary layer thicknesses of 1-5 were 35.5 ⁇ m, 21.5 ⁇ mm, 33.5 ⁇ m, 36.0 ⁇ m, 35.5 ⁇ m in order.
  • Sample no. The secondary layer thicknesses of 1-5 were 26.5 ⁇ m, 20.0 ⁇ mm, 27.5 ⁇ m, 26.5 ⁇ m, 27.5 ⁇ m in order.
  • the transmission loss at a wavelength of 1550 nm was 0.20 dB/km when the W-shaped refractive index profile was achieved by method (1), and 0.18 dB/km when achieved by method (2). However, all of them had good characteristics. Moreover, no difference was found between the methods (1) and (2) in terms of optical characteristics other than the transmission loss.
  • the optical fiber when measuring the microbend loss, the optical fiber was wound on the same bobbin with a predetermined tension and a predetermined length on the same bobbin without the sandpaper, and the optical fiber was wound without being wound on the bobbin.
  • the transmission loss was measured in a bundle (state C). As a result, there was almost no difference between the transmission loss values measured in the state B and the state C. From this, it is considered that the microbend loss can be verified by using either state B or state C when measuring the microbend loss, and the reproducibility is good.
  • connection characteristics of the optical fibers Nos. 1 to 5 and the cable characteristics when cabled were also confirmed, and the characteristics were not particularly problematic in practice.
  • G.I. Taking the fusion characteristics with a so-called standard single-mode optical fiber (SMF) conforming to the 652 standard as an example, a low connection loss of 0.1 dB or less is stable under conditions where there is no problem with the mechanical strength of the connection point. confirmed to be obtained.
  • SMF standard single-mode optical fiber
  • FIG. 11 is a schematic diagram of the optical fiber ribbon according to the second embodiment.
  • This optical fiber tape core wire 100 has a plurality of optical fibers 10 arranged in parallel according to the first embodiment, and the adjacent optical fibers 10 are intermittently bonded with an adhesive 20 at a plurality of locations in the longitudinal direction. It has a glued structure. Also, the position in the longitudinal direction of the adhesive 20 that bonds a certain first optical fiber 10 and the second optical fiber 10 adjacent thereto, and the position of the first optical fiber 10 and the second optical fiber thereon. The position in the longitudinal direction of the adhesive 20 that bonds the third optical fiber 10 adjacent on the opposite side differs from each other.
  • Such an optical fiber tape cable 100 is also called an intermittent adhesive ribbon cable or a rollable ribbon cable.
  • FIG. 12 is a schematic diagram of an optical fiber ribbon according to Embodiment 3.
  • FIG. This optical fiber tape core wire 100a is obtained by rolling the optical fiber tape core wire 100 according to the second embodiment, spirally winding the bundle tape 30 along its longitudinal direction, and binding it.
  • the optical fiber tape core wires 100 and 100a are low microbend loss optical fiber tape core wires that enjoy the advantages of the optical fiber 10 and have an enlarged effective core cross-sectional area.
  • the optical fiber ribbon 100 by rolling the optical fiber ribbon 100 into the state of the optical fiber ribbon 100a, a state in which the optical fibers 10 are mounted at high density can be realized. Further, when the optical fiber tape core wires 100a are expanded to form the optical fiber tape core wires 100, the work of fusion splicing the optical fiber tape core wires 100 can be performed by a known fusion splicer for optical fiber tape core wires. can be executed in a relatively short time using, and workability is good.
  • the optical fiber cable 1000 includes a central tension member 200, optical fiber tape core wires 100a, 100b, 100c, and 100d arranged so as to surround the outer circumference of the tension member 200, the tension member 200 and the optical fiber tape core wires. It has a water-absorbing nonwoven fabric 300 that collectively wraps 100a, 100b, 100c, and 100d, and a sheath 400 that surrounds the outer periphery of the nonwoven fabric 300. - ⁇ In addition, ripcords 500a and 500b are provided in the vicinity of the nonwoven fabric 300 in the sheath 400 along the longitudinal direction.
  • the optical fiber tape core wire 100a is the optical fiber tape core wire shown in FIG.
  • the optical fiber tape core wires 100b, 100c, and 100d are optical fiber tape core wires obtained by rolling a rollable ribbon core wire including a plurality of optical fibers 10 and binding them with a bundle tape, like the optical fiber tape core wire 100a. .
  • the optical fiber tape core wires 100b, 100c, and 100d may be the same as the optical fiber tape core wire 100a. Since the tension member 200, the nonwoven fabric 300, and the sheath 400 are well-known structures included in the optical fiber cable, description thereof will be omitted. A sheath is also called an outer skin.
  • the optical fiber cable 1000 is a low microbend loss optical fiber cable 1000 that enjoys the advantages of the optical fiber 10 and has an enlarged effective core cross-sectional area. That is, in the optical fiber cable 1000, even if the optical fiber 10 is cabled, an increase in transmission loss due to an increase in microbend loss is suppressed.
  • the optical fiber according to the embodiment of the present invention can be widely used as an optical fiber constituting an optical fiber ribbon or an optical fiber contained in an optical fiber cable.
  • an optical fiber cable or optical fiber tape core wire configured by providing the optical fiber according to the embodiment of the present invention enjoys the advantages of the optical fiber described above. That is, embodiments of the present invention provide optical fiber cables and optical fiber ribbons with low microbend loss optical fibers having an increased effective core area.
  • the configuration of the optical fiber cable according to the embodiment of the present invention is not limited to the illustrated configuration, and conventionally known optical fiber cables such as a configuration in which the optical fiber according to the embodiment of the present invention is provided and the outer circumference of which is covered with a sheath. It can be configured and is not particularly limited.
  • the configuration is arbitrary, such as an optical fiber, tension members arranged in parallel with the optical fiber on both sides of the optical fiber in the longitudinal direction, and an optical fiber cable in which the outer circumference of these members is collectively covered with a sheath. is.
  • a so-called optical fiber drop cable may be configured in which a pair of notches are formed on both sides of the optical fiber cable in the longitudinal direction, and a support portion containing a support line is provided if necessary. do not have.
  • the configuration of the optical fiber cable is not limited to the configuration described above. can also be freely selected. Also, the outer diameter and cross-sectional shape of the optical fiber cable, the shape and size of the notch, the presence or absence of notch formation, etc. can be freely selected.
  • the configuration of the optical fiber tape core wire having a plurality of optical fibers is also configured by arranging a plurality of optical fibers according to the embodiment of the present invention in parallel and connecting or covering them with a predetermined tape material or the like.
  • the configuration of conventionally known optical fiber ribbons can be employed without particular limitation.
  • the optical fiber tape core wires include flat ribbon core wires and the like. Therefore, the optical fiber ribbon may have a configuration in which, for example, a plurality of optical fibers are arranged in parallel and integrated by a connecting portion made of ultraviolet curable resin or the like.
  • the number of optical fibers (number of cores) in the optical fiber ribbon is also, for example, 4 cores, 8 cores, and 12 cores. It can be 24 fibers or the like. That is, the configuration of the optical fiber ribbon and the number of optical fibers are not particularly limited and can be freely selected.
  • the configuration of the coating layer of the optical fiber has been described by showing the configuration in which the primary layer is formed around the optical fiber and the secondary layer is formed around the primary layer in this order.
  • a colored layer may be formed around the secondary layer.
  • Such a configuration is also called an optical fiber colored cord.
  • the constituent material of the colored layer is the ultraviolet curable resin mentioned above as a component constituting the primary layer and the secondary layer.
  • oligomers, diluent monomers, photoinitiators, sensitizers, pigments, lubricants, and the various additives described above can be preferably used.
  • the secondary layer may be colored, and the colored secondary layer may be used as the outermost layer of the colored optical fiber.
  • a colored secondary layer can be formed by adding a coloring agent mixed with a pigment, lubricant, or the like to the secondary layer.
  • the content of the coloring agent in the colored secondary layer may be appropriately determined depending on the content of the pigment contained in the coloring agent, the type of other components such as the ultraviolet curable resin, and the like.
  • the specific structure, shape, and the like in carrying out the present invention may be other structures and the like as long as the object of the present invention can be achieved.
  • the present invention is not limited by the above embodiments.
  • the present invention also includes those configured by appropriately combining the respective constituent elements described above. Further effects and modifications can be easily derived by those skilled in the art. Therefore, broader aspects of the present invention are not limited to the above-described embodiments, and various modifications are possible.
  • the present invention can be used for optical fibers, optical fiber ribbons, and optical fiber cables.
  • Optical fiber 11 Core portion 12: Side core layer 13: Cladding portion 14: Coating layer 14a: Primary layer 14b: Secondary layer 20: Adhesive 30: Bundle tape 100, 100a, 100b, 100c, 100d: Optical fiber tape core Line 200: tension member 300: nonwoven fabric 400: sheath 500a, 500b: ripcord P1, P2, P3: profile

Landscapes

  • Physics & Mathematics (AREA)
  • General Physics & Mathematics (AREA)
  • Optics & Photonics (AREA)
  • Optical Fibers, Optical Fiber Cores, And Optical Fiber Bundles (AREA)
  • Manufacture, Treatment Of Glass Fibers (AREA)
PCT/JP2022/001856 2021-01-21 2022-01-19 光ファイバ、光ファイバテープ心線および光ファイバケーブル Ceased WO2022158496A1 (ja)

Priority Applications (3)

Application Number Priority Date Filing Date Title
JP2022576724A JPWO2022158496A1 (enExample) 2021-01-21 2022-01-19
EP22742618.6A EP4283352A4 (en) 2021-01-21 2022-01-19 OPTICAL FIBER, OPTICAL FIBER RIBBON AND OPTICAL FIBER CABLE
US18/353,376 US20230358949A1 (en) 2021-01-21 2023-07-17 Optical fiber, optical fiber tape core wire, and optical fiber cable

Applications Claiming Priority (2)

Application Number Priority Date Filing Date Title
JP2021-007797 2021-01-21
JP2021007797 2021-01-21

Related Child Applications (1)

Application Number Title Priority Date Filing Date
US18/353,376 Continuation US20230358949A1 (en) 2021-01-21 2023-07-17 Optical fiber, optical fiber tape core wire, and optical fiber cable

Publications (1)

Publication Number Publication Date
WO2022158496A1 true WO2022158496A1 (ja) 2022-07-28

Family

ID=82549464

Family Applications (1)

Application Number Title Priority Date Filing Date
PCT/JP2022/001856 Ceased WO2022158496A1 (ja) 2021-01-21 2022-01-19 光ファイバ、光ファイバテープ心線および光ファイバケーブル

Country Status (4)

Country Link
US (1) US20230358949A1 (enExample)
EP (1) EP4283352A4 (enExample)
JP (1) JPWO2022158496A1 (enExample)
WO (1) WO2022158496A1 (enExample)

Cited By (1)

* Cited by examiner, † Cited by third party
Publication number Priority date Publication date Assignee Title
WO2025033318A1 (ja) * 2023-08-07 2025-02-13 株式会社フジクラ 光ファイバケーブル

Citations (14)

* Cited by examiner, † Cited by third party
Publication number Priority date Publication date Assignee Title
JPH02451B2 (enExample) 1980-09-13 1990-01-08 Hoechst Ag
JPH0227973B2 (enExample) 1981-10-02 1990-06-20 Basf Ag
WO2000062106A1 (en) * 1999-04-13 2000-10-19 Sumitomo Electric Industries, Ltd. Optical fiber and optical communication system comprising the same
WO2002066390A1 (fr) * 2001-02-20 2002-08-29 Sumitomo Electric Industries, Ltd. Fibre optique revetue, bande centrale de fibre optique utilisant cette derniere et ensemble de fibre optique
JP2003066259A (ja) 2001-08-29 2003-03-05 Hitachi Cable Ltd 波長多重伝送用低非線形光ファイバ
JP2009122277A (ja) 2007-11-13 2009-06-04 Furukawa Electric Co Ltd:The 光ファイバおよび光伝送システム
JP2011197667A (ja) * 2010-02-26 2011-10-06 Sumitomo Electric Ind Ltd 光ファイバ及びそれを含む光通信システム
JP2012516473A (ja) * 2009-01-30 2012-07-19 コーニング インコーポレイテッド Ge不含有コアを有する大実効断面積ファイバ
JP2015166853A (ja) * 2014-02-12 2015-09-24 住友電気工業株式会社 光ファイバ
WO2017170652A1 (ja) * 2016-04-01 2017-10-05 株式会社フジクラ 光ファイバ、及び、その製造方法
JP2018533079A (ja) * 2015-09-15 2018-11-08 コーニング インコーポレイテッド 塩素でアップドーピングされたクラッドを有する低曲げ損失シングルモード光ファイバ
US20190243063A1 (en) * 2018-02-05 2019-08-08 Corning Incorporated Low loss wide bandwidth optical fiber
WO2020054753A1 (ja) * 2018-09-13 2020-03-19 古河電気工業株式会社 光ファイバ心線及び光ファイバケーブル
WO2020250838A1 (ja) * 2019-06-11 2020-12-17 住友電気工業株式会社 樹脂組成物、光ファイバ及び光ファイバの製造方法

Family Cites Families (11)

* Cited by examiner, † Cited by third party
Publication number Priority date Publication date Assignee Title
JP3471271B2 (ja) * 1999-08-12 2003-12-02 株式会社フジクラ 光ファイバおよび光伝送システム
US6483975B1 (en) * 2001-04-27 2002-11-19 Fitel Usa Corp. Positive dispersion optical fiber having large effective area
EP2756339A1 (en) * 2011-09-16 2014-07-23 Corning Incorporated Few mode optical fibers for mode division multiplexing
US9594210B2 (en) * 2015-06-30 2017-03-14 Corning Incorporated Optical fiber with large effective area and low bending loss
JP2019120894A (ja) * 2018-01-11 2019-07-22 住友電気工業株式会社 光ファイバ、光ファイバ心線および光伝送システム
US11181686B2 (en) * 2018-04-30 2021-11-23 Corning Incorporated Small diameter low attenuation optical fiber
WO2020005475A1 (en) * 2018-06-29 2020-01-02 Saudi Arabian Oil Company Controlling communications between a plant network and a business network
US11036000B2 (en) * 2019-01-16 2021-06-15 Corning Incorporated Optical fiber cable with high fiber count
JP2020148946A (ja) * 2019-03-14 2020-09-17 住友電気工業株式会社 光ファイバ
CN111694088B (zh) * 2019-09-29 2022-06-14 法尔胜泓昇集团有限公司 一种单模光纤及其制备方法
JP2023536418A (ja) * 2020-07-21 2023-08-25 コーニング インコーポレイテッド 高密度ケーブル及び相互接続のための、薄型コーティングを備えたシングルモード光ファイバ

Patent Citations (14)

* Cited by examiner, † Cited by third party
Publication number Priority date Publication date Assignee Title
JPH02451B2 (enExample) 1980-09-13 1990-01-08 Hoechst Ag
JPH0227973B2 (enExample) 1981-10-02 1990-06-20 Basf Ag
WO2000062106A1 (en) * 1999-04-13 2000-10-19 Sumitomo Electric Industries, Ltd. Optical fiber and optical communication system comprising the same
WO2002066390A1 (fr) * 2001-02-20 2002-08-29 Sumitomo Electric Industries, Ltd. Fibre optique revetue, bande centrale de fibre optique utilisant cette derniere et ensemble de fibre optique
JP2003066259A (ja) 2001-08-29 2003-03-05 Hitachi Cable Ltd 波長多重伝送用低非線形光ファイバ
JP2009122277A (ja) 2007-11-13 2009-06-04 Furukawa Electric Co Ltd:The 光ファイバおよび光伝送システム
JP2012516473A (ja) * 2009-01-30 2012-07-19 コーニング インコーポレイテッド Ge不含有コアを有する大実効断面積ファイバ
JP2011197667A (ja) * 2010-02-26 2011-10-06 Sumitomo Electric Ind Ltd 光ファイバ及びそれを含む光通信システム
JP2015166853A (ja) * 2014-02-12 2015-09-24 住友電気工業株式会社 光ファイバ
JP2018533079A (ja) * 2015-09-15 2018-11-08 コーニング インコーポレイテッド 塩素でアップドーピングされたクラッドを有する低曲げ損失シングルモード光ファイバ
WO2017170652A1 (ja) * 2016-04-01 2017-10-05 株式会社フジクラ 光ファイバ、及び、その製造方法
US20190243063A1 (en) * 2018-02-05 2019-08-08 Corning Incorporated Low loss wide bandwidth optical fiber
WO2020054753A1 (ja) * 2018-09-13 2020-03-19 古河電気工業株式会社 光ファイバ心線及び光ファイバケーブル
WO2020250838A1 (ja) * 2019-06-11 2020-12-17 住友電気工業株式会社 樹脂組成物、光ファイバ及び光ファイバの製造方法

Non-Patent Citations (1)

* Cited by examiner, † Cited by third party
Title
TAMAS MIHALFFY ET AL.: "Combined Mechanical-Optical Simulation to Predict Microbending Loss of Single Mode Fibers", OECC, 2019

Cited By (1)

* Cited by examiner, † Cited by third party
Publication number Priority date Publication date Assignee Title
WO2025033318A1 (ja) * 2023-08-07 2025-02-13 株式会社フジクラ 光ファイバケーブル

Also Published As

Publication number Publication date
EP4283352A1 (en) 2023-11-29
US20230358949A1 (en) 2023-11-09
JPWO2022158496A1 (enExample) 2022-07-28
EP4283352A4 (en) 2024-11-20

Similar Documents

Publication Publication Date Title
JP6632600B2 (ja) 高塩素含有量の低減衰光ファイバー
JP5132563B2 (ja) 低曲げ損失光ファイバ
US7130516B2 (en) Triple-band bend tolerant optical waveguide
CN1133884C (zh) 在铒放大器领域的具有低色散斜率的光纤
US9772445B2 (en) Low attenuation fiber with stress relieving layer and a method of making such
JP2018146968A (ja) 低曲げ損失光ファイバ
US8315494B2 (en) Optical fiber
KR20130037675A (ko) 고개구수 다중방식 광섬유
US11307350B2 (en) Single mode optical fiber with low bend loss at small and large bend diameters
KR20010020867A (ko) 에르븀 증폭기 영역내에서 음성 분산 및 낮은 경사를 갖는광섬유
WO2016190297A1 (ja) 光ファイバ
WO2020162406A1 (ja) 光ファイバ
JPWO2012046696A1 (ja) 偏波保持光ファイバ
CN105209946A (zh) 低弯曲损耗光纤
JPWO2011115146A1 (ja) ホーリーファイバ
WO2022210355A1 (ja) 光ファイバ
WO2015200191A1 (en) Low attenuation fiber with viscosity matched core and inner clad
WO2022158496A1 (ja) 光ファイバ、光ファイバテープ心線および光ファイバケーブル
CN112654908B (zh) 光纤芯线和光纤线缆
JP7793379B2 (ja) 光ファイバ
US7130515B2 (en) Triple-band bend tolerant optical waveguide
US20260043961A1 (en) Optical Fiber Cable and Optical Fiber with Reduced Diameter
JP7502080B2 (ja) 光ファイバ、ならびにその処理方法および製造方法
EP4485022A1 (en) Optical fiber cable and optical fiber with reduced diameter
WO2022215603A1 (ja) 光ファイバ

Legal Events

Date Code Title Description
121 Ep: the epo has been informed by wipo that ep was designated in this application

Ref document number: 22742618

Country of ref document: EP

Kind code of ref document: A1

ENP Entry into the national phase

Ref document number: 2022576724

Country of ref document: JP

Kind code of ref document: A

WWE Wipo information: entry into national phase

Ref document number: 202347049934

Country of ref document: IN

NENP Non-entry into the national phase

Ref country code: DE

ENP Entry into the national phase

Ref document number: 2022742618

Country of ref document: EP

Effective date: 20230821

WWW Wipo information: withdrawn in national office

Ref document number: 2022742618

Country of ref document: EP