WO2018066110A1 - Spacer Included Electrodes Structure and Its Application for High Energy Density and Fast Chargeable Lithium Ion Batteries - Google Patents

Spacer Included Electrodes Structure and Its Application for High Energy Density and Fast Chargeable Lithium Ion Batteries Download PDF

Info

Publication number
WO2018066110A1
WO2018066110A1 PCT/JP2016/079802 JP2016079802W WO2018066110A1 WO 2018066110 A1 WO2018066110 A1 WO 2018066110A1 JP 2016079802 W JP2016079802 W JP 2016079802W WO 2018066110 A1 WO2018066110 A1 WO 2018066110A1
Authority
WO
WIPO (PCT)
Prior art keywords
anode
active material
lithium ion
ion battery
cathode
Prior art date
Legal status (The legal status is an assumption and is not a legal conclusion. Google has not performed a legal analysis and makes no representation as to the accuracy of the status listed.)
Ceased
Application number
PCT/JP2016/079802
Other languages
English (en)
French (fr)
Inventor
Qian CHENG
Katsumi Maeda
Noriyuki Tamura
Current Assignee (The listed assignees may be inaccurate. Google has not performed a legal analysis and makes no representation or warranty as to the accuracy of the list.)
NEC Corp
Original Assignee
NEC Corp
Priority date (The priority date is an assumption and is not a legal conclusion. Google has not performed a legal analysis and makes no representation as to the accuracy of the date listed.)
Filing date
Publication date
Application filed by NEC Corp filed Critical NEC Corp
Priority to US16/339,853 priority Critical patent/US11349125B2/en
Priority to JP2019517121A priority patent/JP6825701B2/ja
Priority to PCT/JP2016/079802 priority patent/WO2018066110A1/en
Publication of WO2018066110A1 publication Critical patent/WO2018066110A1/en
Anticipated expiration legal-status Critical
Ceased legal-status Critical Current

Links

Images

Classifications

    • HELECTRICITY
    • H01ELECTRIC ELEMENTS
    • H01MPROCESSES OR MEANS, e.g. BATTERIES, FOR THE DIRECT CONVERSION OF CHEMICAL ENERGY INTO ELECTRICAL ENERGY
    • H01M10/00Secondary cells; Manufacture thereof
    • H01M10/05Accumulators with non-aqueous electrolyte
    • H01M10/056Accumulators with non-aqueous electrolyte characterised by the materials used as electrolytes, e.g. mixed inorganic/organic electrolytes
    • H01M10/0564Accumulators with non-aqueous electrolyte characterised by the materials used as electrolytes, e.g. mixed inorganic/organic electrolytes the electrolyte being constituted of organic materials only
    • H01M10/0566Liquid materials
    • H01M10/0569Liquid materials characterised by the solvents
    • HELECTRICITY
    • H01ELECTRIC ELEMENTS
    • H01MPROCESSES OR MEANS, e.g. BATTERIES, FOR THE DIRECT CONVERSION OF CHEMICAL ENERGY INTO ELECTRICAL ENERGY
    • H01M4/00Electrodes
    • H01M4/02Electrodes composed of, or comprising, active material
    • H01M4/62Selection of inactive substances as ingredients for active masses, e.g. binders, fillers
    • H01M4/624Electric conductive fillers
    • H01M4/625Carbon or graphite
    • HELECTRICITY
    • H01ELECTRIC ELEMENTS
    • H01MPROCESSES OR MEANS, e.g. BATTERIES, FOR THE DIRECT CONVERSION OF CHEMICAL ENERGY INTO ELECTRICAL ENERGY
    • H01M10/00Secondary cells; Manufacture thereof
    • H01M10/05Accumulators with non-aqueous electrolyte
    • H01M10/052Li-accumulators
    • H01M10/0525Rocking-chair batteries, i.e. batteries with lithium insertion or intercalation in both electrodes; Lithium-ion batteries
    • HELECTRICITY
    • H01ELECTRIC ELEMENTS
    • H01MPROCESSES OR MEANS, e.g. BATTERIES, FOR THE DIRECT CONVERSION OF CHEMICAL ENERGY INTO ELECTRICAL ENERGY
    • H01M10/00Secondary cells; Manufacture thereof
    • H01M10/05Accumulators with non-aqueous electrolyte
    • H01M10/056Accumulators with non-aqueous electrolyte characterised by the materials used as electrolytes, e.g. mixed inorganic/organic electrolytes
    • H01M10/0564Accumulators with non-aqueous electrolyte characterised by the materials used as electrolytes, e.g. mixed inorganic/organic electrolytes the electrolyte being constituted of organic materials only
    • H01M10/0566Liquid materials
    • H01M10/0567Liquid materials characterised by the additives
    • HELECTRICITY
    • H01ELECTRIC ELEMENTS
    • H01MPROCESSES OR MEANS, e.g. BATTERIES, FOR THE DIRECT CONVERSION OF CHEMICAL ENERGY INTO ELECTRICAL ENERGY
    • H01M10/00Secondary cells; Manufacture thereof
    • H01M10/05Accumulators with non-aqueous electrolyte
    • H01M10/056Accumulators with non-aqueous electrolyte characterised by the materials used as electrolytes, e.g. mixed inorganic/organic electrolytes
    • H01M10/0564Accumulators with non-aqueous electrolyte characterised by the materials used as electrolytes, e.g. mixed inorganic/organic electrolytes the electrolyte being constituted of organic materials only
    • H01M10/0566Liquid materials
    • H01M10/0568Liquid materials characterised by the solutes
    • HELECTRICITY
    • H01ELECTRIC ELEMENTS
    • H01MPROCESSES OR MEANS, e.g. BATTERIES, FOR THE DIRECT CONVERSION OF CHEMICAL ENERGY INTO ELECTRICAL ENERGY
    • H01M4/00Electrodes
    • H01M4/02Electrodes composed of, or comprising, active material
    • H01M4/13Electrodes for accumulators with non-aqueous electrolyte, e.g. for lithium-accumulators; Processes of manufacture thereof
    • HELECTRICITY
    • H01ELECTRIC ELEMENTS
    • H01MPROCESSES OR MEANS, e.g. BATTERIES, FOR THE DIRECT CONVERSION OF CHEMICAL ENERGY INTO ELECTRICAL ENERGY
    • H01M4/00Electrodes
    • H01M4/02Electrodes composed of, or comprising, active material
    • H01M4/13Electrodes for accumulators with non-aqueous electrolyte, e.g. for lithium-accumulators; Processes of manufacture thereof
    • H01M4/133Electrodes based on carbonaceous material, e.g. graphite-intercalation compounds or CFx
    • HELECTRICITY
    • H01ELECTRIC ELEMENTS
    • H01MPROCESSES OR MEANS, e.g. BATTERIES, FOR THE DIRECT CONVERSION OF CHEMICAL ENERGY INTO ELECTRICAL ENERGY
    • H01M4/00Electrodes
    • H01M4/02Electrodes composed of, or comprising, active material
    • H01M4/36Selection of substances as active materials, active masses, active liquids
    • H01M4/58Selection of substances as active materials, active masses, active liquids of inorganic compounds other than oxides or hydroxides, e.g. sulfides, selenides, tellurides, halogenides or LiCoFy; of polyanionic structures, e.g. phosphates, silicates or borates
    • H01M4/583Carbonaceous material, e.g. graphite-intercalation compounds or CFx
    • H01M4/587Carbonaceous material, e.g. graphite-intercalation compounds or CFx for inserting or intercalating light metals
    • HELECTRICITY
    • H01ELECTRIC ELEMENTS
    • H01MPROCESSES OR MEANS, e.g. BATTERIES, FOR THE DIRECT CONVERSION OF CHEMICAL ENERGY INTO ELECTRICAL ENERGY
    • H01M4/00Electrodes
    • H01M4/02Electrodes composed of, or comprising, active material
    • H01M4/64Carriers or collectors
    • H01M4/66Selection of materials
    • H01M4/661Metal or alloys, e.g. alloy coatings
    • HELECTRICITY
    • H01ELECTRIC ELEMENTS
    • H01MPROCESSES OR MEANS, e.g. BATTERIES, FOR THE DIRECT CONVERSION OF CHEMICAL ENERGY INTO ELECTRICAL ENERGY
    • H01M4/00Electrodes
    • H01M4/02Electrodes composed of, or comprising, active material
    • H01M2004/021Physical characteristics, e.g. porosity, surface area
    • HELECTRICITY
    • H01ELECTRIC ELEMENTS
    • H01MPROCESSES OR MEANS, e.g. BATTERIES, FOR THE DIRECT CONVERSION OF CHEMICAL ENERGY INTO ELECTRICAL ENERGY
    • H01M2220/00Batteries for particular applications
    • H01M2220/20Batteries in motive systems, e.g. vehicle, ship, plane
    • HELECTRICITY
    • H01ELECTRIC ELEMENTS
    • H01MPROCESSES OR MEANS, e.g. BATTERIES, FOR THE DIRECT CONVERSION OF CHEMICAL ENERGY INTO ELECTRICAL ENERGY
    • H01M2300/00Electrolytes
    • H01M2300/0017Non-aqueous electrolytes
    • H01M2300/0025Organic electrolyte
    • HELECTRICITY
    • H01ELECTRIC ELEMENTS
    • H01MPROCESSES OR MEANS, e.g. BATTERIES, FOR THE DIRECT CONVERSION OF CHEMICAL ENERGY INTO ELECTRICAL ENERGY
    • H01M2300/00Electrolytes
    • H01M2300/0017Non-aqueous electrolytes
    • H01M2300/0025Organic electrolyte
    • H01M2300/0028Organic electrolyte characterised by the solvent
    • H01M2300/0037Mixture of solvents
    • HELECTRICITY
    • H01ELECTRIC ELEMENTS
    • H01MPROCESSES OR MEANS, e.g. BATTERIES, FOR THE DIRECT CONVERSION OF CHEMICAL ENERGY INTO ELECTRICAL ENERGY
    • H01M2300/00Electrolytes
    • H01M2300/0017Non-aqueous electrolytes
    • H01M2300/0025Organic electrolyte
    • H01M2300/0028Organic electrolyte characterised by the solvent
    • H01M2300/0037Mixture of solvents
    • H01M2300/004Three solvents
    • YGENERAL TAGGING OF NEW TECHNOLOGICAL DEVELOPMENTS; GENERAL TAGGING OF CROSS-SECTIONAL TECHNOLOGIES SPANNING OVER SEVERAL SECTIONS OF THE IPC; TECHNICAL SUBJECTS COVERED BY FORMER USPC CROSS-REFERENCE ART COLLECTIONS [XRACs] AND DIGESTS
    • Y02TECHNOLOGIES OR APPLICATIONS FOR MITIGATION OR ADAPTATION AGAINST CLIMATE CHANGE
    • Y02EREDUCTION OF GREENHOUSE GAS [GHG] EMISSIONS, RELATED TO ENERGY GENERATION, TRANSMISSION OR DISTRIBUTION
    • Y02E60/00Enabling technologies; Technologies with a potential or indirect contribution to GHG emissions mitigation
    • Y02E60/10Energy storage using batteries
    • YGENERAL TAGGING OF NEW TECHNOLOGICAL DEVELOPMENTS; GENERAL TAGGING OF CROSS-SECTIONAL TECHNOLOGIES SPANNING OVER SEVERAL SECTIONS OF THE IPC; TECHNICAL SUBJECTS COVERED BY FORMER USPC CROSS-REFERENCE ART COLLECTIONS [XRACs] AND DIGESTS
    • Y02TECHNOLOGIES OR APPLICATIONS FOR MITIGATION OR ADAPTATION AGAINST CLIMATE CHANGE
    • Y02TCLIMATE CHANGE MITIGATION TECHNOLOGIES RELATED TO TRANSPORTATION
    • Y02T10/00Road transport of goods or passengers
    • Y02T10/60Other road transportation technologies with climate change mitigation effect
    • Y02T10/70Energy storage systems for electromobility, e.g. batteries

Definitions

  • the present invention relates to a new system for fast chargeable lithium ion batteries.
  • Lithium-ion (Li-ion) batteries have been widely used for portable electronics, and they are being intensively pursued for hybrid vehicles (HVs), plug-in hybrid vehicles (PHVs), electric vehicles (EVs), and stationary power source applications for smarter energy management systems.
  • HVs hybrid vehicles
  • PSVs plug-in hybrid vehicles
  • EVs electric vehicles
  • stationary power source applications for smarter energy management systems.
  • the greatest challenges in adopting the technology for large-scale applications are the energy density, power density, cost, safety, and cycle life of current electrode materials.
  • high energy density and fast chargeable capabilities are especially important for batteries in automobile application. This is because EV users, for example, are hardly to wait more than half an hour to charge their vehicles during a long drive compared with a refueling period of less than 5 min for gasoline cars.
  • the speed of charge greatly depends on the lithiation rate capability of anode materials, cathode materials, electrolyte as well as solvent.
  • JP2015-040157A proposes to use a lithium iron manganese complex oxide as a cathode active material, which can provide higher energy density than a conventional lithium transition metal oxide cathode material with high capacity retention.
  • WO2015/146899 proposes to use air treated soft carbon such as pitch cokes as an anode active material for lithium ion batteries with high charging rate.
  • the pitch cokes-based soft carbon has smaller capacities than graphite or silicon based materials and it is hard to fabricate a lithium ion battery with energy density higher than 160Wh/kg.
  • JP2009-064574A discloses a double layered anode, in which a first anode layer comprising artificial graphite closer to a current collector and a second anode layer, which is higher in charging rate characteristics than the first anode layer, comprising natural graphite on the first anode layer.
  • JP2015-002122A discloses graphite particles covered with at least one material selected from (1) Si or Si compounds, (2) Sn or Sn compounds, and (3) soft carbons at an edge parts of the graphite particle, where an edge of overlapped multiple layers of a carbon hexagonal network plane is exposed, to increase the charging rate.
  • a non-aqueous electrolytic solution is frequently used in current lithium ion battery industry.
  • mixed solvents of cyclic carbonate such as ethylene carbonate (EC) and propylene carbonate (PC)
  • linear carbonate such as dimethyl carbonate (DMC), diethyl carbonate (DEC) and ethyl methyl carbonate (EMC)
  • lithium salts such as LiPF 6 , LiBF 4 , LiN(SO 2 CF 3 ) 2 , LiN(SO 2 F) 2 , LiN(SO 2 C 2 F 5 ) 2 and Lithium bis(oxalate) borate (LiB(C 2 O 4 ) 2 ) for current lithium ion batteries.
  • JP 2004-134175A discloses a spacer particle having 0.8 to 1.2 times size of the layer thickness.
  • JP 2012-59583A discloses a spacer particle having a size of t-8 ⁇ m to t-12 ⁇ m where t is a target thickness of the electrode material layer.
  • JP2015-040157A WO2015/146899 JP2009-64574A JP2015-2122A JP 2004-134175A JP 2012-59583A
  • JP 2004-134175A also discloses that the addition of spacers can eliminate the insufficiency of an electrolytic solution due to the destruction of the electrode, and it can expect improvement in a cycle characteristic at reacting uniformly by the whole electrode. However, there is no evaluation about cycle characteristics.
  • an object of the present invention is to provide a new lithium ion battery system that can have both high energy density and fast chargeable capability.
  • a lithium ion battery including: an anode including an anode active material layer on an anode current collector, the anode active material layer having a mass load higher than 60g/m 2 , a cathode including a cathode active material layer on a cathode current collector, the cathode active material layer having a mass load higher than 100g/m 2 , and an electrolytic solution including an imide anion based lithium salt and LiPO 2 F 2 , wherein at least one of the anode and cathode active material layers includes a spacer composed of a hard carbon.
  • [E] The lithium ion battery according to [A]-[D], wherein the electrolytic solution includes a composite of the imide anion based lithium salt and a lithium salt other than the imide anion based lithium salt as an electrolyte and the mole ratio of the imide anion based lithium salt to the lithium salt other than the imide anion based lithium salt is from 1/9 to 9/1.
  • [F] The lithium ion battery according to [A]-[E], wherein the total concentration of the electrolyte in the electrolytic solution is in a range of 0.1 to 3 moles/L.
  • [G] The lithium ion battery according to [A]-[F], wherein the cathode current collector is made of aluminum.
  • [H] The lithium ion battery according to [A]-[G], wherein the electrolytic solution includes ethylene carbonate (EC), dimethyl carbonate (DMC) and ethyl methyl carbonate (EMC) as solvents, with the volume ratio of ED/DMC/EMC being x:y:100-x-y, where x is 15 to 50% by volume, y is 20 to 60% by volume and x+y is less than 100% by volume.
  • EC ethylene carbonate
  • DMC dimethyl carbonate
  • EMC ethyl methyl carbonate
  • [I] The lithium ion battery according to [A]-[H], wherein an additive amount of LiPO 2 F 2 is 0.005 to 7 % by mass with respect to 100% by mass of the electrolytic solution.
  • a fast chargeable high energy density lithium ion battery can be provided.
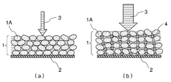
  • Fig. 1(a) is a schematic diagram of an electrode without spacer and Fig. 1(b) is a schematic diagram of an electrode with spacer.
  • Fig. 2 shows a SEM image of the surface of the anode in Example 2.
  • Fig. 3 shows another SEM image of the surface of the anode in Example 2.
  • Fig. 4 shows a SEM image of the surface of the anode in Example 3.
  • Fig. 5 shows a SEM image of the surface of the anode in Example 4.
  • Fig. 6 shows a SEM image of the surface of the anode in Example 5.
  • Fig. 7 shows a SEM image of the cross section of the anode in Example 1.
  • Fig. 8 shows a SEM image of the cross section of the anode in Example 3.
  • Fig. 2 shows a SEM image of the surface of the anode in Example 2.
  • Fig. 3 shows another SEM image of the surface of the anode in Example 2.
  • Fig. 4 shows a
  • FIG. 9 shows a SEM image of the cross section of the anode in Example 4.
  • Fig. 10 shows a SEM image of the cross section of the cathode in Example 6.
  • Fig. 11 shows a SEM image of the cross section of the cathode in Example 7.
  • Fig. 12 shows a SEM image of the cross section of the cathode in Example 9.
  • Fig. 13 shows results of 4.2V, 500h floating corrosion test.
  • a lithium ion battery of one exemplary embodiment of the present invention includes a positive electrode (i.e., cathode) and a negative electrode (i.e., anode), and a spacer composed of hard carbon added to at least one electrode active material layer, and non-aqueous electrolytic solution.
  • This invention proposes a special combination of the specific spacer included anode or cathode or both of them and electrolyte with additives to fabricate lithium ion batteries with fast chargeable capabilities.
  • the anode of the present exemplary embodiment includes a carbon material as an anode active material.
  • the carbon material can be selected from natural graphite, artificial graphite, soft carbon, hard carbon, MCMB, or their composition.
  • the shape of the carbon material can be spherical or flake. The spherical graphite particles are preferred since the compatibility of battery industry and ease of process.
  • the size (diameter or length in the major axis) of the carbon material can be in the range of 1 ⁇ m to 30 ⁇ m, preferably 5 ⁇ m to 20 ⁇ m, and more preferably 7 ⁇ m to 10 ⁇ m. This is because the larger particle size will have a longer in-plane lithium ion diffuse distance when intercalation, that attribute to poor charge rate, in contrast, very small carbon particles, such as less than 1 ⁇ m will have a lot of edge plane which will have irreversible reactions with electrolyte at initial charge and discharge, which lead to low initial coulombic efficiency.
  • the specific surface area of the carbon material is preferably controlled in the range of 1 m 2 /g to 15 m 2 /g so as to have an acceptable initial coulombic efficiency.
  • the carbon material can also have both pores on the surface and hollow or interconnected pores, or interconnected inside cracks at the core part of the graphite material. Regarding to the definition of the core part, it is defined as the inner 70% of the volume of the carbon material.
  • Such a modified carbon material can be obtained by the following steps: (S1) Graphite or graphite-carbon composite with less crystallinity, amorphous or defect rich core is prepared as a raw material. (S2) The raw material is subjected to a first heating in an oxygen-containing atmosphere. The first heating can be carried out in an oven at a temperature of 500 to 800°C with a temperature rising rate of 15 to 30°C/min. The concentration of oxygen is 5% to 30% by volume. Air can be used as the oxygen-containing atmosphere. The temperature and atmosphere are kept for 1 to 4 hours to activate core part of the raw material from the surface.
  • activated carbon material is then subjected to a second heating in an inert atmosphere at a temperature higher than the temperature of the first heating with the slower temperature rising rate than the first heating.
  • the oven is first vacuumed, and then filled with 100% nitrogen and heated up to 900 to 1200°C with the temperature rising rate of 1 to 10°C/min.
  • the second heating can be carried out for 2 to 6 hours to obtain the modified anode material of the present exemplary embodiment.
  • the morphology of the activated carbon material in the first heating can be maintained.
  • the modified carbon material has pores on the surface and inner channels in the core part.
  • the time of the second heating can include the temperature rising period.
  • the carbon materials can be further covered by a thin layer of nano particles of inorganic oxides.
  • Graphite especially natural spherical graphite has less lipophilicity and therefore the wettability of the carbon material to the electrolytic solution including non-aqueous organic solvents would be wrong.
  • the electrolyte ions have difficulties to achieve to the surface of the carbon material.
  • the coating of nano particles of oxides, such as MgO or Al 2 O 3 on the carbon material can have better wettability to the electrolytic solution than the non-coated carbon material; as a result, the rate capability can be increased.
  • the spacer is used to increase the space in the electrodes. This is because the high energy density designed lithium ion battery needs to have high mass load of both anode and cathode, which attribute to ultra-thick electrode.
  • the mass load of the anode is 60g/m 2 or more and the mass load of the cathode is 100g/m 2 or more to realize the energy density higher than 160Wh/kg.
  • the electrode is prepared by coating slurry containing an active material 1A on a current collector 2, drying and then pressing to fix the active material layer 1 on the current collector 2. As shown in Fig 1(a), the conventional electrodes after pressing will have very limited spaces for maintaining the electrolyte 3.
  • the use of spacer 4 can provide more space to absorb the electrolyte 3 in the active material layer 1, and ensure the space is valid for both anode and cathode.
  • the shape of the spacer can be spherical or near spherical for good performance. However, the shape of the spacer is not limited to spherical; it can also be cubic, oval, polytope and any other shapes.
  • the diameter of the spacer is preferably in a range of 500 nm to 20 ⁇ m. This range of the diameter is insufficient to control the thickness of the electrode active material layer. That is, the spacer of the present exemplary embodiment does not act a thickness controller for the electrode as described in the background art.
  • the diameter ratio of the active material to the spacer can be in a range of 0.5 to 20, preferably 1 to 10 and more preferably 1.5 to 6. In the present specification, the diameters mean average diameters.
  • the specific surface area of the spacer is preferably 50 m 2 /g or less for accessible initial coulombic efficiency. On the other hand, the specific surface area of the spacer is preferably over 10 m 2 /g, more preferably 20 m 2 /g or more. That is, the spacer does not contribute the capacity of the battery and therefore, the spacer composed of a hard carbon cannot act as an anode active material when using in the anode active material layer.
  • the spacer can be hard carbon, this is because, firstly, hard carbon has good electric conductivity; secondly, the sp3 bond of hard carbon makes it hard to be deformed at the pressing, which is different from graphite; thirdly, the hard carbon is easily to be synthesized into various morphologies by hydrothermal method.
  • the spacer can control the space in the electrode active layer by the size and the shape thereof.
  • the hard carbon spacer can be obtained by the following method: A precursor, for example saccharides such as glucose and sucrose, is used to prepare hard carbon particles.
  • the typical preparation process can be described simply in two steps, which is namely as dewatering at low temperature and carbonization at high temperature.
  • aqueous precursor solution is filled in a stainless steel autoclave and followed with hydrothermal treatment at 180 to 220°C for 1 to 5 hours to obtain black powders.
  • the obtained black powders are further carbonized in a nitrogen flowed oven at 800 to 1200°C for several hours, for example 4 hours.
  • Thus obtained hard carbon particles can be classified by the conventional classifying method to obtain spacers having a desired diameter.
  • Anode can be fabricated, for example, by forming an anode active material layer containing an anode active material composed of the carbon material, the spacer and a binder, on an anode current collector.
  • the anode active material layer can be formed by a usual slurry applying method. Specifically, a slurry containing the anode active material, the spacer and the binder and a solvent is prepared, applied on the anode current collector, dried, and as required, pressed to thereby obtain an anode.
  • An applying method of the anode slurry includes a doctor blade method, a die coater method, and a dip coating method.
  • the anode may be obtained by in advance forming an anode active material layer, and thereafter forming a thin film of aluminum, nickel or an alloy thereof as a current collector by a method of vapor deposition, sputtering or the like.
  • the binder for the anode is not especially limited, but includes polyvinylidene fluoride (PVdF), vinylidene fluoride-hexafluoropropylene copolymers, vinylidene fluoride-tetrafluoroethylene copolymers, styrene-butadiene copolymer rubber, polytetrafluoroethylene, polypropylene, polyethylene, polyimide, polyamideimide, methyl (meth)acrylate, ethyl (meth)acrylate, butyl (meth)acrylate, (meth)acrylonitrile, isoprene rubber, butadiene rubber, and fluororubber.
  • PVdF polyvinylidene fluoride
  • PVdF vinylidene fluoride-hexafluoropropylene copolymers
  • vinylidene fluoride-tetrafluoroethylene copolymers vinylidene fluoride-tetrafluoroethylene copoly
  • NMP N-methyl-2-pyrrolidone
  • water As the slurry solvent, N-methyl-2-pyrrolidone (NMP) and water can be used.
  • NMP N-methyl-2-pyrrolidone
  • water As the solvent, further as a thickener, there can be used carboxymethyl cellulose, methyl cellulose, hydroxymethyl cellulose, ethyl cellulose, or polyvinyl alcohol.
  • the content of the binder for the anode is preferably in the range of 0.1 to 30 parts by mass with respect to 100 parts by mass of an anode active material, more preferably in the range of 0.5 to 25 parts by mass, and still more preferably in the range of 1 to 20 parts by mass, from the viewpoint of the binding capability and the energy density, which are in a tradeoff relationship.
  • the anode current collector is not especially limited, but, from the electrochemical stability, is preferably copper, nickel, a stainless steel, molybdenum, tungsten, tantalum or an alloy containing two or more thereof.
  • the shape includes a foil, a flat plate and a mesh form.
  • the cathode materials may be at least one material selected from the group consisting of lithium cobalt oxide, lithium nickel oxide, lithium manganese oxide, lithium vanadium oxide, lithium-mixed metal oxide, lithium iron phosphate, lithium manganese phosphate, lithium vanadium phosphate, lithium mixed metal phosphates, metal sulfides, and combinations thereof.
  • the positive electrode active material may also be at least one compound selected from chalcogen compounds, such as titanium disulfate or molybdenum disulfate.
  • lithium cobalt oxide e.g., Li x CoO 2 where 0.8 ⁇ x ⁇ 1
  • lithium nickel oxide e.g., LiNiO 2
  • lithium manganese oxide e.g., LiMn 2 O 4 and LiMnO 2
  • All these cathode materials can be prepared in the form of a fine powder, nano-wire, nano-rod, nano-fiber, or nano-tube. They can be readily mixed with an additional conductor such as acetylene black, carbon black, and ultra-fine graphite particles.
  • lithium-mixed metal oxide such as LiCo 0.8 Ni 0.2 O 2 , LiNi 0.4 Co 0.3 Mn 0.3 O 2 , LiNi 0.5 Co 0.2 Mn 0.3 O 2 , LiNi 0.5 Co 0.3 Mn 0.2 O 2 , LiNi 0.8 Co 0.1 Mn 0.1 O 2 , LiNi 0.8 Co 0.15 Al 0.05 O 2 , Li 1.2 Mn 0.4 Ni 0.4 O 2 , Li 1.2 Mn 0.6 Ni 0.2 O 2 , Li 1.2 Mn 0.56 Ni 0.17 Co 0.07 O 2 , Li 1.2 Mn 0.54 Ni 0.13 Co 0.13 O 2 , Li 1.2 Mn 0.56 Ni 0.17 Co 0.07 O 2 , Li 1.2 Mn 0.54 Ni 0.13 Co 0.13 O 2 , Li 1.2 Mn 0.54 Ni 0.13 Co 0.13 O 2 , LiNi 0.8 Co 0.15 Al 0.05 O 2 , LiNi 0.5 Mn 1.48 Al 0.02 O 4 , LiNi 0.4 Co 0.2 Mn 1.
  • the layered structure cathode materials can be used alone or in combination of two or more materials.
  • NCM523 can be combined with NCM811 with the ratio of 1:1 as cathode materials.
  • NCMabc such as NCM523 and NCM811 is an abbreviation of lithium-nickel-cobalt-manganese complex oxides where a, b and c are mole ratios of nickel, cobalt and manganese, respectively.
  • the specific surface area of the cathode material can be controlled in a range of 0.01 to 20 m 2 /g, preferably 0.05 to 15 m 2 /g, more preferably 0.1 to 10 m 2 /g and most preferably 0.15 to 8 m 2 /g.
  • the diameter of the cathode material can be in a range of 250 nm to 50 ⁇ m, preferably 500 nm to 40 ⁇ m.
  • the binder for the cathode but it is not especially limited, the same ones as the binders for the anode can be used. Among these, from the viewpoint of the versatility and the low cost, polyvinylidene fluoride is preferable.
  • the content of the binder for the cathode is preferably in the range of 1 to 25 parts by mass with respect to 100 parts by mass of a positive electrode active material, more preferably in the range of 2 to 20 parts by mass, and still more preferably in the range of 2 to 10 parts by mass, from the viewpoint of the binding capability and the energy density, which are in a tradeoff relationship.
  • Binders other than polyvinylidene fluoride include vinylidene fluoride-hexafluoropropylene copolymers, vinylidene fluoride-tetrafluoroethylene copolymers, styrene-butadiene copolymer rubber, polytetrafluoroethylene, polypropylene, polyethylene, polyimide and polyamideimide.
  • NMP N-methyl-2-pyrrolidone
  • the cathode current collector but it is not especially limited, there can be used, for example, aluminum, titanium, tantalum, stainless steel (SUS), another valve metal or an alloy thereof from the viewpoint of the electrochemical stability.
  • the shape includes a foil, a flat plate shape and a mesh form and the like. Particularly an aluminum foil can suitably be used.
  • Electrolytic solution includes an electrolyte, an additive and non-aqueous solvent.
  • the electrolytic solution of the present invention includes an imide anion based lithium salt as one kind of electrolyte salt and lithium difluorophosphate (LiPO 2 F 2 ) as an additive.
  • the electrolyte is used as a composite of an imide anion based lithium salt such as lithium bis(fluorosulfonyl) imide (LiFSI) and a conventional lithium salt, such as lithium hexafluorophosphate (LiPF 6 ), lithium tetrafluoroborate (LiBF 4 ) et al.
  • LiFSI lithium bis(fluorosulfonyl) imide
  • LiPF 6 lithium hexafluorophosphate
  • LiBF 4 lithium tetrafluoroborate
  • the total concentration of the electrolyte can be in the range of 0.1 to 3 moles/L.
  • the range is preferable from 0.5 to 2 moles/L.
  • the mole ratio of the imide anion based lithium salt to the conventional lithium salt can be selected from 1/9 to 9/1.
  • the use of the imide anion based lithium salt can have to a quick desolvation effect when intercalation, which attributes to faster charging rate than a conventional electrolyte system.
  • the 4.2 floating experiment is shown in Fig. 13.
  • the floating experiment was carried out by using a test cell of Example 1 below described.
  • the test cell was repeated charging (1C CCCV) and discharging (1C CC) at five times from 2.5V to 4.2V and thereafter charged to 4.2V and kept at floating state at 4.2V for 500h.
  • voltage and current are flat so that it can be learned there is no corrosion current even float in 4.2V for 500h.
  • solvent A wide range of solvent can be used for lithium ion batteries. Most preferred are non-aqueous and polymer gel electrolytes although other types can be used. Any known non-aqueous solvent which has been employed as a solvent for a lithium secondary battery can be employed. A mixed solvent comprising ethylene carbonate (EC) and at least one kind of non-aqueous solvent whose melting point is lower than that of ethylene carbonate and whose donor number is 18 or less may be preferably employed as the non-aqueous solvent.
  • EC ethylene carbonate
  • a mixed solvent comprising ethylene carbonate (EC) and at least one kind of non-aqueous solvent whose melting point is lower than that of ethylene carbonate and whose donor number is 18 or less may be preferably employed as the non-aqueous solvent.
  • This non-aqueous solvent is advantageous in that it is (a) stable against a negative electrode containing a carbonaceous material well developed in graphite structure; (b) effective in suppressing the reductive or oxidative decomposition of electrolyte; and (c) high ion conductivity.
  • a non-aqueous solvent solely composed of ethylene carbonate (EC) is advantageous in that it is relatively stable against decomposition although a reduction by a graphitized carbonaceous material.
  • the melting point of EC is relatively high, 39-40°C, and the viscosity thereof is relatively high, so that the conductivity thereof is low, thus making EC alone unsuited for use as a secondary battery electrolyte solvent to be operated at room temperature or lower.
  • the second solvent to be used in the mixed solvent with EC functions to make the viscosity of the mixed solvent lowering than that of which EC is used alone, thereby improving an ion conductivity of the mixed solvent. Furthermore, when the second solvent having a donor number of 18 or less (the donor number of ethylene carbonate is 16.4) is employed, the aforementioned ethylene carbonate can be easily and selectively solvated with lithium ion, so that the reduction reaction of the second solvent with the carbonaceous material well developed in graphitization is assumed to be suppressed. Further, when the donor number of the second solvent is controlled to not more than 18, the oxidative decomposition potential to the lithium electrode can be easily increased to 4 V or more, so that it is possible to manufacture a lithium secondary battery of high voltage.
  • Preferable second solvents are dimethyl carbonate (DMC), methyl ethyl carbonate (MEC), diethyl carbonate (DEC), ethyl propionate, methyl propionate, propylene carbonate (PC), ⁇ -butyrolactone ( ⁇ -BL), acetonitrile (AN), ethyl acetate (EA), propyl formate (PF), methyl formate (MF), toluene, xylene and methyl acetate (MA).
  • DMC dimethyl carbonate
  • MEC methyl ethyl carbonate
  • DEC diethyl carbonate
  • ethyl propionate methyl propionate
  • PC propylene carbonate
  • ⁇ -BL ⁇ -butyrolactone
  • AN acetonitrile
  • EA ethyl acetate
  • PF propyl formate
  • MF methyl formate
  • MA toluene
  • MA methyl acetate
  • the viscosity of this second solvent should preferably be 28 cps or less at 25°C.
  • the mixing ratio of the aforementioned ethylene carbonate in the mixed solvent should preferably be 10 to 80% by volume. If the mixing ratio of the ethylene carbonate falls outside this range, the conductivity of the solvent may be lowered or the solvent tends to be more easily decomposed, thereby deteriorating the charge/discharge efficiency. More preferable mixing ratio of the ethylene carbonate is 15 to 50% by volume. The larger content of EC will attribute to higher energy cost of desolvation which affects the charging speed. DMC and EMC are also included in this invention as a ternary solvent system of EC/DMC/EMC for better viscosity and ion conduction.
  • the volume ratio of EC/DMC/EMC is defined as x:y:100-x-y, where x is 15 to 50% by volume, y is 20 to 60% by volume and x+y is less than 100% by volume.
  • the volume ratio y of DMC is more preferably 30 to 50% by volume.
  • LiPO 2 F 2 lithium difluorophosphate
  • An additive amount of LiPO 2 F 2 is preferably 0.005 to 7% by mass and more preferably 0.01 to 5% by mass.
  • the decomposition of LiPO 2 F 2 can form a thin and highly conductive film on cathode materials that favorable to the fast charge and discharge capability.
  • the positive and negative electrodes can be stacked with interposing a separator therebetween.
  • the separator can be selected from a synthetic resin nonwoven fabric, porous polyethylene film, porous polypropylene film, or porous PTFE film.
  • a casing for the battery in the exemplary embodiment may be, for example, a laminate film in which a substrate, a metal foil and a sealant are sequentially laminated.
  • a substrate which can be used include a resin film with a thickness of 10 to 25 ⁇ m made of polyester (PET) or Nylon.
  • a metal foil may be an aluminum film with a thickness of 20 to 40 ⁇ m.
  • a sealant may be a rein film with a thickness of 30 to 70 ⁇ m made of polyethylene (PE), polypropylene (PP), modified polypropylene (mPP) or an ionomer.
  • Cathode LiNi 1/3 Co 1/3 Mn 1/3 O 2 (abbreviated as NCM111) having an average diameter of 10 ⁇ m was used as a cathode active material.
  • Cathode slurry was formulated by the mass ratio of the cathode active material: PVDF: carbon black as 89: 4: 7 and deposited on a 15 ⁇ m-thick of Al current collector with the mass load of 200g/m 2 .
  • the density of the cathode is controlled at 2.8g/cm 3 .
  • Anode Spherical natural graphite having a specific surface area of 5 m 2 /g and an average diameter of 12 ⁇ m was used as an anode active material.
  • Anode slurry was formulated by a mass ratio of the anode active materials: CMC: SBR: carbon black as 92:2:2:4 and deposited on a 20 ⁇ m-thick Cu foil with the mass load of 90g/m 2 .
  • the density of the anode is controlled at 1.4g/cm 3 .
  • Cell Thus obtained cathode and anode were laminated interposing porous polypropylene separator.
  • the resultant laminate and an electrolytic solution prepared as follows were sealed into an aluminum laminate container to fabricate a test cell. The energy density of the cell was designed to 200 Wh/kg.
  • Comparative Example 3 was performed in the same manner as in Comparative Example 1 except for adding 10wt% ball spacer (abbreviated as BS) with the average diameter of 6 ⁇ m to the anode slurry.
  • the ball spacer is made of hard carbon.
  • the diameter ratio of active material to ball spacer is 2.
  • Comparative Example 4 Comparative Example 4 was performed in the same manner as in Comparative Example 1 except for adding 10wt% ball spacer with the average diameter of 2 ⁇ m to the anode slurry.
  • the diameter ratio of active material to ball spacer is 6.
  • Comparative Example 5 was performed in the same manner as in Comparative Example 1 except for adding 5wt% ball spacer with the average diameter of 6 ⁇ m to the cathode slurry.
  • the diameter ratio of active material to ball spacer is 1.6.
  • Comparative Example 6 Comparative Example 6 was performed in the same manner as in Comparative Example 1 except for adding 5wt% ball spacer with the average diameter of 2 ⁇ m to the cathode slurry.
  • the diameter ratio of active material to ball spacer is 5.
  • Example 1 was performed in the same manner as in Comparative Example 1 except for adding 10wt% ball spacer with the average diameter of 2 ⁇ m to the anode slurry.
  • the diameter ratio of active material to ball spacer is 6.
  • the cross section image of electrode is shown in Fig. 7.
  • Electrolytic solution: 0.65 mole/L of LiFSI and 0.65 mole/L of LiPF 6 as an electrolyte and 1 % by mass of LiPO 2 F 2 were dissolved in a mixed solvent of EC/DMC/EMC 2/4/4 to prepare an electrolytic solution.
  • Example 2 was performed in the same manner as in Comparative Example 1 except for adding 20wt% ball spacer with the average diameter of 2 ⁇ m to the anode slurry.
  • the diameter ratio of active material to ball spacer is 6.
  • the surface image of the electrode is shown in Fig.2 and Fig.3.
  • Electrolytic solution: 0.65 mole/L of LiFSI and 0.65 mole/L of LiPF 6 as an electrolyte and 1 % by mass of LiPO 2 F 2 were dissolved in a mixed solvent of EC/DMC/EMC 2/4/4 to prepare an electrolytic solution.
  • Example 3 was performed in the same manner as in Comparative Example 1 except for adding 10wt% ball spacer with the average diameter of 6 ⁇ m to the anode slurry.
  • the diameter ratio of active material to ball spacer is 2.
  • the electrode surface is shown in Fig. 4.
  • the cross section image of the electrode is shown in Fig. 8.
  • Electrolytic solution: 0.65 mole/L of LiFSI and 0.65 mole/L of LiPF 6 as an electrolyte and 1 % by mass of LiPO 2 F 2 were dissolved in a mixed solvent of EC/DMC/EMC 2/4/4 to prepare an electrolytic solution.
  • Example 4 was performed in the same manner as in Comparative Example 1 except for adding 20wt% ball spacer with the average diameter of 6 ⁇ m to the anode slurry.
  • the diameter ratio of active material to ball spacer is 2.
  • the image of electrode surface is shown in Fig. 5.
  • the cross section image of the electrode is shown in Fig.9.
  • Electrolytic solution: 0.65 mole/L of LiFSI and 0.65 mole/L of LiPF 6 as an electrolyte and 1 % by mass of LiPO 2 F 2 were dissolved in a mixed solvent of EC/DMC/EMC 2/4/4 to prepare an electrolytic solution.
  • Example 5 was performed in the same manner as in Comparative Example 1 except for adding 5wt% ball spacer with the average diameter of 6 ⁇ m to the anode slurry.
  • the diameter ratio of active material to ball spacer is 2.
  • the image of electrode surface is shown in Fig. 6.
  • Electrolytic solution: 0.65 mole/L of LiFSI and 0.65 mole/L of LiPF 6 as an electrolyte and 1 % by mass of LiPO 2 F 2 were dissolved in a mixed solvent of EC/DMC/EMC 2/4/4 to prepare an electrolytic solution.
  • Example 6 was performed in the same manner as in Comparative Example 1 except for adding 5wt% ball spacer with the average diameter of 2 ⁇ m to the cathode slurry.
  • the diameter ratio of active material to ball spacer is 5.
  • the cross section image of the electrode is shown in Fig. 10.
  • Electrolytic solution: 0.65 mole/L of LiFSI and 0.65 mole/L of LiPF 6 as an electrolyte and 1 % by mass of LiPO 2 F 2 were dissolved in a mixed solvent of EC/DMC/EMC 2/4/4 to prepare an electrolytic solution.
  • Example 7 was performed in the same manner as in Comparative Example 1 except for adding 5wt% ball spacer with the average diameter of 6 ⁇ m to the cathode slurry.
  • the diameter ratio of active material to ball spacer is 1.6.
  • the cross section image of the electrode is shown in Fig. 11.
  • Electrolytic solution: 0.65 mole/L of LiFSI and 0.65 mole/L of LiPF 6 as an electrolyte and 1 % by mass of LiPO 2 F 2 were dissolved in a mixed solvent of EC/DMC/EMC 2/4/4 to prepare an electrolytic solution.
  • Example 8 was performed in the same manner as in Comparative Example 1 except for adding 10wt% ball spacer with the average diameter of 2 ⁇ m to the cathode slurry.
  • the diameter ratio of active material to ball spacer is 5.
  • Electrolytic solution: 0.65 mole/L of LiFSI and 0.65 mole/L of LiPF 6 as an electrolyte and 1 % by mass of LiPO 2 F 2 were dissolved in a mixed solvent of EC/DMC/EMC 2/4/4 to prepare an electrolytic solution.
  • Example 9 was performed in the same manner as in Comparative Example 1 except for adding 10wt% ball spacer with the average diameter of 6 ⁇ m to the cathode slurry.
  • the diameter ratio of active material to ball spacer is 1.6.
  • the cross section image of the electrode is shown in Fig. 12.
  • Example 10 was performed in the same manner as in Comparative Example 1 except for adding 5wt% ball spacer with the average diameter of 6 ⁇ m to the anode and cathode slurry, respectively.
  • the diameter ratios of anode and cathode active materials to ball spacer are 2 and 1.6, respectively.
  • Electrochemical characterization The rate capability was characterized for each cell. Specifically, the cells were charged from 2.5V to 4.2V in 0.1C, 0.2C, 0.5C, 1C, 2C, 3C, 4C, 6C, 8C, 10C in constant current (CC) mode and discharged from 4.2V to 2.5V in 0.1C in CC mode.
  • the capacity ratio 6C/0.1C and 10C/0.1C are used to evaluate the rate performance of the cells.
  • the lithium ion battery of the present invention can have fast chargeability with high energy density. Therefore, the lithium ion battery of the present invention is highly suitable for hybrid vehicles (HVs), plug-in hybrid vehicles (PHVs), electric vehicles (EVs), and stationary power source applications for smarter energy management systems.
  • HVs hybrid vehicles
  • PSVs plug-in hybrid vehicles
  • EVs electric vehicles
  • stationary power source applications for smarter energy management systems.
  • Active material layer 1A Active material 2: Current collector 3: Electrolyte 4: Spacer

Landscapes

  • Chemical & Material Sciences (AREA)
  • General Chemical & Material Sciences (AREA)
  • Chemical Kinetics & Catalysis (AREA)
  • Electrochemistry (AREA)
  • Engineering & Computer Science (AREA)
  • Manufacturing & Machinery (AREA)
  • Inorganic Chemistry (AREA)
  • Physics & Mathematics (AREA)
  • Condensed Matter Physics & Semiconductors (AREA)
  • General Physics & Mathematics (AREA)
  • Materials Engineering (AREA)
  • Secondary Cells (AREA)
  • Battery Electrode And Active Subsutance (AREA)
PCT/JP2016/079802 2016-10-06 2016-10-06 Spacer Included Electrodes Structure and Its Application for High Energy Density and Fast Chargeable Lithium Ion Batteries Ceased WO2018066110A1 (en)

Priority Applications (3)

Application Number Priority Date Filing Date Title
US16/339,853 US11349125B2 (en) 2016-10-06 2016-10-06 Spacer included electrodes structure and its application for high energy density and fast chargeable lithium ion batteries
JP2019517121A JP6825701B2 (ja) 2016-10-06 2016-10-06 スペーサ含有電極構造およびその高エネルギー密度および急速充電可能なリチウムイオン電池への応用
PCT/JP2016/079802 WO2018066110A1 (en) 2016-10-06 2016-10-06 Spacer Included Electrodes Structure and Its Application for High Energy Density and Fast Chargeable Lithium Ion Batteries

Applications Claiming Priority (1)

Application Number Priority Date Filing Date Title
PCT/JP2016/079802 WO2018066110A1 (en) 2016-10-06 2016-10-06 Spacer Included Electrodes Structure and Its Application for High Energy Density and Fast Chargeable Lithium Ion Batteries

Publications (1)

Publication Number Publication Date
WO2018066110A1 true WO2018066110A1 (en) 2018-04-12

Family

ID=61830968

Family Applications (1)

Application Number Title Priority Date Filing Date
PCT/JP2016/079802 Ceased WO2018066110A1 (en) 2016-10-06 2016-10-06 Spacer Included Electrodes Structure and Its Application for High Energy Density and Fast Chargeable Lithium Ion Batteries

Country Status (3)

Country Link
US (1) US11349125B2 (enExample)
JP (1) JP6825701B2 (enExample)
WO (1) WO2018066110A1 (enExample)

Cited By (1)

* Cited by examiner, † Cited by third party
Publication number Priority date Publication date Assignee Title
WO2021015194A1 (ja) * 2019-07-24 2021-01-28 株式会社Gsユアサ 蓄電素子

Families Citing this family (2)

* Cited by examiner, † Cited by third party
Publication number Priority date Publication date Assignee Title
CN113299877B (zh) 2019-12-11 2023-03-24 宁德新能源科技有限公司 负极和包含所述负极的电化学装置及电子装置
CN115832209B (zh) * 2022-08-09 2024-09-06 宁德时代新能源科技股份有限公司 阴极极片、锂离子电池及用电装置

Citations (7)

* Cited by examiner, † Cited by third party
Publication number Priority date Publication date Assignee Title
JPH0745304A (ja) * 1993-08-02 1995-02-14 Japan Storage Battery Co Ltd 有機電解液二次電池
JP2004014270A (ja) * 2002-06-06 2004-01-15 Nec Corp 二次電池
US20100119956A1 (en) * 2007-04-05 2010-05-13 Mitsubishi Chemical Corporation Nonaqueous electrolyte for secondary battery and nonaqueous-electrolyte secondary battery employing the same
JP2014127370A (ja) * 2012-12-26 2014-07-07 Nippon Shokubai Co Ltd リチウム二次電池
WO2015146900A1 (ja) * 2014-03-26 2015-10-01 日本電気株式会社 負極炭素材料、負極炭素材料の製造方法、リチウム二次電池用負極およびリチウム二次電池
US20150349332A1 (en) * 2013-01-11 2015-12-03 Nec Corporation Lithium ion secondary battery
WO2016047326A1 (ja) * 2014-09-26 2016-03-31 株式会社村田製作所 リチウムイオン二次電池用正極およびそれを用いたリチウムイオン二次電池

Family Cites Families (7)

* Cited by examiner, † Cited by third party
Publication number Priority date Publication date Assignee Title
JP2004134175A (ja) 2002-10-09 2004-04-30 Matsushita Electric Ind Co Ltd 電池用電極及びそれを用いた電池
JP2008269979A (ja) 2007-04-20 2008-11-06 Mitsubishi Chemicals Corp 二次電池用非水系電解液及びそれを用いた非水系電解液二次電池
JP5213015B2 (ja) 2007-09-04 2013-06-19 Necエナジーデバイス株式会社 リチウムイオン二次電池
JP5572489B2 (ja) 2010-09-10 2014-08-13 日立ビークルエナジー株式会社 二次電池用電極及び電極の製造方法
JP2015002122A (ja) 2013-06-17 2015-01-05 トヨタ自動車株式会社 リチウムイオン二次電池
JP6252890B2 (ja) 2013-08-23 2017-12-27 日本電気株式会社 リチウム鉄マンガン系複合酸化物およびそれを用いたリチウムイオン二次電池
JP6575509B2 (ja) 2014-03-26 2019-09-18 日本電気株式会社 リチウム二次電池用負極炭素材料、リチウム電池用負極およびリチウム二次電池

Patent Citations (7)

* Cited by examiner, † Cited by third party
Publication number Priority date Publication date Assignee Title
JPH0745304A (ja) * 1993-08-02 1995-02-14 Japan Storage Battery Co Ltd 有機電解液二次電池
JP2004014270A (ja) * 2002-06-06 2004-01-15 Nec Corp 二次電池
US20100119956A1 (en) * 2007-04-05 2010-05-13 Mitsubishi Chemical Corporation Nonaqueous electrolyte for secondary battery and nonaqueous-electrolyte secondary battery employing the same
JP2014127370A (ja) * 2012-12-26 2014-07-07 Nippon Shokubai Co Ltd リチウム二次電池
US20150349332A1 (en) * 2013-01-11 2015-12-03 Nec Corporation Lithium ion secondary battery
WO2015146900A1 (ja) * 2014-03-26 2015-10-01 日本電気株式会社 負極炭素材料、負極炭素材料の製造方法、リチウム二次電池用負極およびリチウム二次電池
WO2016047326A1 (ja) * 2014-09-26 2016-03-31 株式会社村田製作所 リチウムイオン二次電池用正極およびそれを用いたリチウムイオン二次電池

Cited By (4)

* Cited by examiner, † Cited by third party
Publication number Priority date Publication date Assignee Title
WO2021015194A1 (ja) * 2019-07-24 2021-01-28 株式会社Gsユアサ 蓄電素子
JPWO2021015194A1 (enExample) * 2019-07-24 2021-01-28
EP3975286A4 (en) * 2019-07-24 2023-06-28 GS Yuasa International Ltd. Power storage element
US12381223B2 (en) 2019-07-24 2025-08-05 Gs Yuasa International Ltd. Energy storage device

Also Published As

Publication number Publication date
US11349125B2 (en) 2022-05-31
JP2019530183A (ja) 2019-10-17
JP6825701B2 (ja) 2021-02-03
US20190305317A1 (en) 2019-10-03

Similar Documents

Publication Publication Date Title
JP7281570B2 (ja) 非水電解液二次電池およびその製造方法
US8748036B2 (en) Non-aqueous secondary battery
CN110651386B (zh) 电化学装置用负极活性材料、包含所述负极活性材料的负极和包含所述负极的电化学装置
CN111052456B (zh) 用于锂二次电池的负极和包括该负极的锂二次电池
JP5997383B2 (ja) 多層の活物質層を含むリチウム二次電池
KR102335314B1 (ko) 리튬 이차전지용 음극, 및 이를 포함하는 리튬 이차전지
JP6685940B2 (ja) リチウムイオン二次電池用負極及びリチウムイオン二次電池
US11349152B2 (en) Carbon conductive additives for lithium ion battery
JPWO2013150937A1 (ja) リチウムイオン二次電池
WO2014141552A1 (ja) 負極製造用ペーストの製造方法、リチウムイオン二次電池用負極の製造方法、リチウムイオン二次電池用負極およびリチウムイオン二次電池
CN103415951A (zh) 非水二次电池
JP2013145669A (ja) 非水電解液二次電池
JP6683265B2 (ja) ナノカーボン被覆アノード材料およびイミドアニオン系リチウム塩電解質を有する高速充電可能なリチウムイオン電池
US11349125B2 (en) Spacer included electrodes structure and its application for high energy density and fast chargeable lithium ion batteries
JP2018097935A (ja) 炭素質材料、リチウム二次電池および炭素質材料の製造方法
US11682766B2 (en) Silicone ball containing electrode and lithium ion battery including the same
WO2021141074A1 (ja) 非水電解質蓄電素子及びその製造方法
JP7735530B2 (ja) 負極活物質の製造方法、負極及び二次電池
JP6687132B2 (ja) 酸化物ナノ粒子被覆炭素アノード及びイミドアニオン系リチウム塩含有電解質を有する高速充電可能なリチウムイオン電池
WO2025177418A1 (ja) リチウムイオン二次電池用負極材、リチウムイオン二次電池用負極及びリチウムイオン二次電池
KR20240178693A (ko) 리튬 이차 전지
JP2015095319A (ja) リチウムイオン二次電池

Legal Events

Date Code Title Description
121 Ep: the epo has been informed by wipo that ep was designated in this application

Ref document number: 16918306

Country of ref document: EP

Kind code of ref document: A1

ENP Entry into the national phase

Ref document number: 2019517121

Country of ref document: JP

Kind code of ref document: A

NENP Non-entry into the national phase

Ref country code: DE

122 Ep: pct application non-entry in european phase

Ref document number: 16918306

Country of ref document: EP

Kind code of ref document: A1