WO2012029935A1 - 保護機能付きスイッチング電源回路 - Google Patents

保護機能付きスイッチング電源回路 Download PDF

Info

Publication number
WO2012029935A1
WO2012029935A1 PCT/JP2011/069982 JP2011069982W WO2012029935A1 WO 2012029935 A1 WO2012029935 A1 WO 2012029935A1 JP 2011069982 W JP2011069982 W JP 2011069982W WO 2012029935 A1 WO2012029935 A1 WO 2012029935A1
Authority
WO
WIPO (PCT)
Prior art keywords
circuit
electrolytic capacitor
primary
switching
power supply
Prior art date
Legal status (The legal status is an assumption and is not a legal conclusion. Google has not performed a legal analysis and makes no representation as to the accuracy of the status listed.)
Ceased
Application number
PCT/JP2011/069982
Other languages
English (en)
French (fr)
Japanese (ja)
Inventor
孝志 坂
茂太 秋山
和博 松田
克一郎 大塚
Current Assignee (The listed assignees may be inaccurate. Google has not performed a legal analysis and makes no representation or warranty as to the accuracy of the list.)
IO Data Device Inc
Original Assignee
IO Data Device Inc
Priority date (The priority date is an assumption and is not a legal conclusion. Google has not performed a legal analysis and makes no representation as to the accuracy of the date listed.)
Filing date
Publication date
Application filed by IO Data Device Inc filed Critical IO Data Device Inc
Priority to US13/820,502 priority Critical patent/US20130170621A1/en
Priority to KR1020137008361A priority patent/KR101475399B1/ko
Priority to JP2012531972A priority patent/JP5276750B2/ja
Priority to EP11821949.2A priority patent/EP2613431A1/en
Priority to CN201180039230.3A priority patent/CN103038992B/zh
Publication of WO2012029935A1 publication Critical patent/WO2012029935A1/ja
Anticipated expiration legal-status Critical
Ceased legal-status Critical Current

Links

Images

Classifications

    • HELECTRICITY
    • H02GENERATION; CONVERSION OR DISTRIBUTION OF ELECTRIC POWER
    • H02HEMERGENCY PROTECTIVE CIRCUIT ARRANGEMENTS
    • H02H7/00Emergency protective circuit arrangements specially adapted for specific types of electric machines or apparatus or for sectionalised protection of cable or line systems, and effecting automatic switching in the event of an undesired change from normal working conditions
    • H02H7/10Emergency protective circuit arrangements specially adapted for specific types of electric machines or apparatus or for sectionalised protection of cable or line systems, and effecting automatic switching in the event of an undesired change from normal working conditions for converters; for rectifiers
    • H02H7/12Emergency protective circuit arrangements specially adapted for specific types of electric machines or apparatus or for sectionalised protection of cable or line systems, and effecting automatic switching in the event of an undesired change from normal working conditions for converters; for rectifiers for static converters or rectifiers
    • H02H7/1213Emergency protective circuit arrangements specially adapted for specific types of electric machines or apparatus or for sectionalised protection of cable or line systems, and effecting automatic switching in the event of an undesired change from normal working conditions for converters; for rectifiers for static converters or rectifiers for DC-DC converters
    • HELECTRICITY
    • H02GENERATION; CONVERSION OR DISTRIBUTION OF ELECTRIC POWER
    • H02MAPPARATUS FOR CONVERSION BETWEEN AC AND AC, BETWEEN AC AND DC, OR BETWEEN DC AND DC, AND FOR USE WITH MAINS OR SIMILAR POWER SUPPLY SYSTEMS; CONVERSION OF DC OR AC INPUT POWER INTO SURGE OUTPUT POWER; CONTROL OR REGULATION THEREOF
    • H02M3/00Conversion of DC power input into DC power output
    • H02M3/22Conversion of DC power input into DC power output with intermediate conversion into AC
    • H02M3/24Conversion of DC power input into DC power output with intermediate conversion into AC by static converters
    • H02M3/28Conversion of DC power input into DC power output with intermediate conversion into AC by static converters using discharge tubes with control electrode or semiconductor devices with control electrode to produce the intermediate AC
    • HELECTRICITY
    • H02GENERATION; CONVERSION OR DISTRIBUTION OF ELECTRIC POWER
    • H02HEMERGENCY PROTECTIVE CIRCUIT ARRANGEMENTS
    • H02H7/00Emergency protective circuit arrangements specially adapted for specific types of electric machines or apparatus or for sectionalised protection of cable or line systems, and effecting automatic switching in the event of an undesired change from normal working conditions
    • H02H7/10Emergency protective circuit arrangements specially adapted for specific types of electric machines or apparatus or for sectionalised protection of cable or line systems, and effecting automatic switching in the event of an undesired change from normal working conditions for converters; for rectifiers
    • H02H7/12Emergency protective circuit arrangements specially adapted for specific types of electric machines or apparatus or for sectionalised protection of cable or line systems, and effecting automatic switching in the event of an undesired change from normal working conditions for converters; for rectifiers for static converters or rectifiers
    • HELECTRICITY
    • H02GENERATION; CONVERSION OR DISTRIBUTION OF ELECTRIC POWER
    • H02HEMERGENCY PROTECTIVE CIRCUIT ARRANGEMENTS
    • H02H7/00Emergency protective circuit arrangements specially adapted for specific types of electric machines or apparatus or for sectionalised protection of cable or line systems, and effecting automatic switching in the event of an undesired change from normal working conditions
    • H02H7/10Emergency protective circuit arrangements specially adapted for specific types of electric machines or apparatus or for sectionalised protection of cable or line systems, and effecting automatic switching in the event of an undesired change from normal working conditions for converters; for rectifiers
    • H02H7/12Emergency protective circuit arrangements specially adapted for specific types of electric machines or apparatus or for sectionalised protection of cable or line systems, and effecting automatic switching in the event of an undesired change from normal working conditions for converters; for rectifiers for static converters or rectifiers
    • H02H7/125Emergency protective circuit arrangements specially adapted for specific types of electric machines or apparatus or for sectionalised protection of cable or line systems, and effecting automatic switching in the event of an undesired change from normal working conditions for converters; for rectifiers for static converters or rectifiers for rectifiers
    • H02H7/1255Emergency protective circuit arrangements specially adapted for specific types of electric machines or apparatus or for sectionalised protection of cable or line systems, and effecting automatic switching in the event of an undesired change from normal working conditions for converters; for rectifiers for static converters or rectifiers for rectifiers responsive to internal faults, e.g. by monitoring ripple in output voltage
    • HELECTRICITY
    • H02GENERATION; CONVERSION OR DISTRIBUTION OF ELECTRIC POWER
    • H02MAPPARATUS FOR CONVERSION BETWEEN AC AND AC, BETWEEN AC AND DC, OR BETWEEN DC AND DC, AND FOR USE WITH MAINS OR SIMILAR POWER SUPPLY SYSTEMS; CONVERSION OF DC OR AC INPUT POWER INTO SURGE OUTPUT POWER; CONTROL OR REGULATION THEREOF
    • H02M3/00Conversion of DC power input into DC power output
    • H02M3/22Conversion of DC power input into DC power output with intermediate conversion into AC
    • H02M3/24Conversion of DC power input into DC power output with intermediate conversion into AC by static converters
    • H02M3/28Conversion of DC power input into DC power output with intermediate conversion into AC by static converters using discharge tubes with control electrode or semiconductor devices with control electrode to produce the intermediate AC
    • H02M3/325Conversion of DC power input into DC power output with intermediate conversion into AC by static converters using discharge tubes with control electrode or semiconductor devices with control electrode to produce the intermediate AC using devices of a triode or a transistor type requiring continuous application of a control signal
    • H02M3/335Conversion of DC power input into DC power output with intermediate conversion into AC by static converters using discharge tubes with control electrode or semiconductor devices with control electrode to produce the intermediate AC using devices of a triode or a transistor type requiring continuous application of a control signal using semiconductor devices only
    • HELECTRICITY
    • H02GENERATION; CONVERSION OR DISTRIBUTION OF ELECTRIC POWER
    • H02MAPPARATUS FOR CONVERSION BETWEEN AC AND AC, BETWEEN AC AND DC, OR BETWEEN DC AND DC, AND FOR USE WITH MAINS OR SIMILAR POWER SUPPLY SYSTEMS; CONVERSION OF DC OR AC INPUT POWER INTO SURGE OUTPUT POWER; CONTROL OR REGULATION THEREOF
    • H02M3/00Conversion of DC power input into DC power output
    • H02M3/22Conversion of DC power input into DC power output with intermediate conversion into AC
    • H02M3/24Conversion of DC power input into DC power output with intermediate conversion into AC by static converters
    • H02M3/28Conversion of DC power input into DC power output with intermediate conversion into AC by static converters using discharge tubes with control electrode or semiconductor devices with control electrode to produce the intermediate AC
    • H02M3/325Conversion of DC power input into DC power output with intermediate conversion into AC by static converters using discharge tubes with control electrode or semiconductor devices with control electrode to produce the intermediate AC using devices of a triode or a transistor type requiring continuous application of a control signal
    • H02M3/335Conversion of DC power input into DC power output with intermediate conversion into AC by static converters using discharge tubes with control electrode or semiconductor devices with control electrode to produce the intermediate AC using devices of a triode or a transistor type requiring continuous application of a control signal using semiconductor devices only
    • H02M3/33507Conversion of DC power input into DC power output with intermediate conversion into AC by static converters using discharge tubes with control electrode or semiconductor devices with control electrode to produce the intermediate AC using devices of a triode or a transistor type requiring continuous application of a control signal using semiconductor devices only with automatic control of the output voltage or current, e.g. flyback converters
    • H02M3/33523Conversion of DC power input into DC power output with intermediate conversion into AC by static converters using discharge tubes with control electrode or semiconductor devices with control electrode to produce the intermediate AC using devices of a triode or a transistor type requiring continuous application of a control signal using semiconductor devices only with automatic control of the output voltage or current, e.g. flyback converters with galvanic isolation between input and output of both the power stage and the feedback loop
    • HELECTRICITY
    • H05ELECTRIC TECHNIQUES NOT OTHERWISE PROVIDED FOR
    • H05GX-RAY TECHNIQUE
    • H05G1/00X-ray apparatus involving X-ray tubes; Circuits therefor
    • H05G1/08Electrical details
    • H05G1/10Power supply arrangements for feeding the X-ray tube
    • H05G1/12Power supply arrangements for feeding the X-ray tube with DC or rectified single-phase AC or double-phase
    • HELECTRICITY
    • H02GENERATION; CONVERSION OR DISTRIBUTION OF ELECTRIC POWER
    • H02MAPPARATUS FOR CONVERSION BETWEEN AC AND AC, BETWEEN AC AND DC, OR BETWEEN DC AND DC, AND FOR USE WITH MAINS OR SIMILAR POWER SUPPLY SYSTEMS; CONVERSION OF DC OR AC INPUT POWER INTO SURGE OUTPUT POWER; CONTROL OR REGULATION THEREOF
    • H02M1/00Details of apparatus for conversion
    • H02M1/32Means for protecting converters other than automatic disconnection

Definitions

  • the present invention relates to a technique for detecting deterioration of an electrolytic capacitor for a smoothing circuit provided in a switching power supply device and avoiding a damage accident in advance.
  • an electrolytic capacitor used in a smoothing circuit deteriorates due to repeated charge / discharge of a large current and use over time. Therefore, if it continues to be used beyond its lifetime, the switching power supply device may be damaged as the electrolytic capacitor deteriorates, possibly resulting in smoke and fire accidents.
  • Various techniques for detecting and coping with the deterioration of the electrolytic capacitor have also been studied by means of circuit on the switching power supply circuit.
  • an increase in equivalent series resistance (ESR) due to deterioration of an electrolytic capacitor is detected based on a voltage difference between both ends of a secondary winding of a transformer, and a photocoupler (Photo Coupler) is detected.
  • ESR equivalent series resistance
  • a technique for feedback and detection to a primary side circuit using a signal is disclosed.
  • Patent Document 1 requires a circuit change such as addition of a ripple voltage detection circuit using a transistor and a further photocoupler, which increases costs and requires a relatively large space for this countermeasure. There was a problem.
  • an object of the present invention is to provide a low-cost switching power supply device having a function of detecting a deterioration of an electrolytic capacitor of a smoothing circuit by simply adding a simple circuit and avoiding a damage accident from the deterioration of the electrolytic capacitor. Is to provide.
  • the first invention is a transformer having a primary winding, a secondary winding, and a tertiary winding, a primary side rectifier circuit that converts AC power into DC power, and a DC of the primary side rectifier circuit.
  • a primary electrolytic capacitor that smoothes power, a secondary rectifier circuit that converts AC power output from the secondary winding of the transformer into DC power, and DC power output from the secondary rectifier circuit is smoothed
  • the secondary side electrolytic capacitor to be converted, the tertiary side rectifying / smoothing circuit for smoothing by converting the AC power output from the tertiary winding of the transformer into DC power, and the voltage of the primary side electrolytic capacitor are input.
  • a switching circuit that repeatedly opens and closes the primary winding of the transformer, a pulse width control circuit that controls a pulse width of a drive signal that controls opening and closing of the switching circuit, and 2 that detects deterioration of the secondary electrolytic capacitor Secondary electrolytic condenser A deterioration detection circuit; and a stop signal generation circuit for inputting a deterioration detection signal of the secondary electrolytic capacitor deterioration detection circuit, wherein the secondary electrolytic capacitor deterioration detection circuit outputs an output of the tertiary rectification smoothing circuit.
  • the stop signal generation circuit When the voltage is input and the stop signal generation circuit generates a stop signal in response to the deterioration detection signal of the secondary electrolytic capacitor deterioration detection circuit, the supply of the drive signal from the pulse width control circuit to the switching circuit is stopped. Thus, the operation of the switching power supply circuit is stopped.
  • a transformer having a primary winding, a secondary winding, and a tertiary winding, a primary side rectifier circuit that converts AC power to DC power, and the primary side rectifier circuit.
  • a primary side electrolytic capacitor that smoothes DC power, a secondary side rectifier circuit that converts AC power output from the secondary winding of the transformer into DC power, and DC power output from the secondary rectifier circuit A secondary electrolytic capacitor to be smoothed, a switching circuit that repeatedly opens and closes the primary winding of the transformer that inputs the voltage of the primary electrolytic capacitor, and a pulse width of a drive signal that controls the opening and closing of the switching circuit
  • a pulse width control circuit for controlling, a primary side electrolytic capacitor deterioration detecting circuit for detecting deterioration of the primary side electrolytic capacitor, and a stop signal generating circuit for inputting a deterioration detection signal of the primary side electrolytic capacitor deterioration detecting circuit
  • the primary electrolytic capacitor deterioration detection circuit inputs the voltage of the primary electrolytic capacitor, and the stop signal generation circuit generates a stop signal in response to the deterioration detection signal of the primary electrolytic capacitor deterioration detection circuit
  • the operation of the switching power supply circuit is stopped by stopping the supply
  • a transformer having a primary winding, a secondary winding, and a tertiary winding, a primary side rectifier circuit that converts AC power into DC power, and the primary side rectifier circuit.
  • a switching circuit that repeatedly opens and closes the primary winding of the transformer that is input, a pulse width control circuit that controls the pulse width of a drive signal that controls the opening and closing of the switching circuit, and the deterioration of the primary electrolytic capacitor are detected Primary electrolytic condenser Degradation detection circuit, secondary side electrolytic capacitor degradation detection circuit for detecting degradation of the secondary side electrolytic capacitor, degradation detection signals of the primary side electrolytic capacitor degradation detection circuit and the secondary side electrolytic capacitor degradation detection circuit
  • a stop signal generation circuit for inputting, the primary electrolytic capacitor deterioration detection circuit inputs the voltage of the primary
  • the secondary electrolytic capacitor deterioration detection circuit is connected to the second electrolytic capacitor through voltage increase from the secondary winding to the tertiary winding.
  • the stop signal generation circuit generates a stop signal to the pulse width control circuit, and the pulse width control circuit stops supplying the drive signal to the switching circuit, thereby switching power supply. Stop and protect the circuit.
  • the primary electrolytic capacitor deterioration detection circuit detects the deterioration of the primary electrolytic capacitor, and a stop signal generation circuit Generates a stop signal to the pulse width control circuit, and the pulse width control circuit stops supplying the drive signal to the switching circuit, thereby stopping and protecting the operation of the switching power supply circuit.
  • the primary electrolytic capacitor deterioration detection circuit detects the deterioration of the primary electrolytic capacitor, and the secondary side
  • the secondary electrolytic capacitor deterioration detection circuit detects the deterioration of the secondary electrolytic capacitor through a voltage increase from the secondary winding to the tertiary winding.
  • the stop signal generation circuit generates a stop signal to the pulse width control circuit, and the pulse width control circuit stops the operation of the switching power supply circuit by stopping the supply of the drive signal to the switching circuit.
  • the present invention low-cost and space-saving switching with a function of detecting deterioration of an electrolytic capacitor of a smoothing circuit by simply adding a simple circuit and avoiding a damage accident from the deterioration of the electrolytic capacitor in advance.
  • a power supply device can be provided.
  • the circuit of the present invention can be integrated with the pulse width control circuit to form an integrated circuit.
  • FIG. 1 is a circuit diagram showing a schematic configuration of a first embodiment of a switching power supply circuit with a protection circuit of the present invention.
  • a primary side rectifier circuit 101 has a bridge circuit configuration of diodes 121 to 124, and dc power including ripples is obtained by full-wave rectifying AC power (AC voltage A1) input from input terminals 141 and 142. Is output between the primary side DC terminal 147 and the primary side ground 145.
  • the primary side electrolytic capacitor 102 is connected between the primary side DC terminal 147 and the primary side ground 145, and smoothes the DC power including the ripple output from the primary side rectifier circuit 101.
  • the primary side rectification circuit 101 and the primary side electrolytic capacitor 102 constitute a primary side rectification smoothing circuit 103.
  • the transformer 104 includes a primary winding N1, a secondary winding N2, and a tertiary winding N3.
  • the ratio of the number of turns of the primary winding N1, the secondary winding N2, and the tertiary winding N3 is N1: N2: N3.
  • the AC voltage applied to both ends of the primary winding N1 is output to both ends of the secondary winding N2 as an AC voltage approximately N2 / N1 times.
  • an AC voltage approximately N3 / N2 times the voltage across the secondary winding N2 is output across the tertiary winding N3.
  • a circuit related to the primary winding N1 is appropriately expressed as a primary side circuit
  • a circuit related to the secondary winding N2 is referred to as a secondary side circuit
  • a circuit related to the tertiary winding N3 is appropriately referred to as a tertiary side circuit.
  • the first terminal of the primary winding N1 is connected to the primary side DC terminal 147, and the second terminal at the other end is the drain of an N-type MOSFET (Metal-Oxide-Semiconductor Field-Effect Transistor) constituting the switching circuit 108.
  • the source of the N-type MOSFET is connected to the primary side ground 145 through the resistor 162.
  • the first terminal of the secondary winding N2 is connected to the anode of the diode 125, and the cathode of the diode 125 is connected to the secondary side DC output terminal 143.
  • the second terminal of the secondary winding N2 is connected to the secondary side DC output terminal 144 on the ground side.
  • the secondary electrolytic capacitor 105 is connected between the secondary side DC output terminal 143 and the ground side secondary DC output terminal 144.
  • the diode 125 constitutes a secondary side rectifier circuit (125), and rectifies the AC power induced in the secondary winding N2.
  • the secondary electrolytic capacitor 105 smoothes the DC power including the rectified ripple output from the diode 125.
  • the secondary-side rectifying / smoothing circuit 106 is configured by the secondary-side rectifier circuit (125) including the diode 125 and the secondary-side electrolytic capacitor 105.
  • the secondary side rectifying / smoothing circuit 106 applies DC power (secondary side DC output voltage E2) between the secondary side DC output terminal 143 and the secondary side DC output terminal 144 connected to the secondary side ground 146. Output.
  • the secondary side DC output terminal 144 is connected to the secondary side ground 146.
  • the primary side ground 145 and the secondary side ground 146 are both grounded but are galvanically insulated.
  • the first terminal of the tertiary winding N3 is connected to the anode of the diode 126, and the second terminal of the tertiary winding N3 is connected to the primary side ground 145.
  • a smoothing capacitor 127 is connected between the cathode of the diode 126 and the primary side ground 145.
  • the diode 126 constitutes a tertiary rectifier circuit 126, and rectifies the AC power induced in the tertiary winding N3.
  • the smoothing capacitor 127 smoothes the DC power including the rectified ripple output from the diode 126.
  • a tertiary-side rectifying / smoothing circuit 107 is configured by the tertiary-side rectifying circuit (126) including the diode 126 and the smoothing capacitor 127.
  • the tertiary-side rectifying / smoothing circuit 107 obtains rectified and smoothed DC power from the AC power induced in the tertiary winding N3.
  • the output error detection circuit 110 divides the DC voltage (secondary DC output voltage E2) output between the secondary DC output terminals 143 and 144 by the resistors 131 and 132, and the divided voltage and the shunt regulator. This is a circuit for detecting an error (difference) from a reference voltage incorporated in the circuit.
  • the output error detection circuit 110 includes resistors 131, 132, 133, a shunt regulator 134, and a photocoupler 137 composed of a light emitting diode 138 (LED) and a phototransistor 139 (Photo Transistor).
  • the voltage obtained by dividing the secondary side DC output voltage E2 by the resistor 131 and the resistor 132 is input to the REF terminal 135 of the shunt regulator 134.
  • the anode of the shunt regulator 134 is connected to the secondary side ground 146, and the cathode of the shunt regulator 134 is connected to the cathode of the light emitting diode 138.
  • the anode of the light emitting diode 138 is connected to the first terminal of the resistor 133, and the second terminal of the resistor 133 is connected to the secondary side DC output terminal 143.
  • the light emitting diode 138 inputs the output of the emitted light to the base of the phototransistor 139.
  • the emitter of the phototransistor 139 is connected to the primary side ground 145, and the collector is an output terminal of the output error detection circuit 110.
  • the photocoupler 137 including the light emitting diode 138 and the phototransistor 139 is used because the primary side ground 145 and the secondary side ground 146 must be galvanically isolated, and the circuit used at each ground. This is because it cannot be directly transferred by an electrical signal, and is converted into an optical signal for transfer.
  • the secondary side DC output voltage E2 it is determined whether the secondary side DC output voltage E2 is higher or lower than the voltage of (R1 + R2) / R2 times the reference voltage.
  • the shunt regulator 134 is turned on (ON), current flows through the light emitting diode 138, the light emitting diode 138 emits light and outputs an optical signal, and the phototransistor 139 outputs it. Receive light (ON state).
  • the shunt regulator 134 is turned off and no current flows through the light emitting diode 138. Therefore, since the light emitting diode 138 does not emit light, the phototransistor 139 is turned off (OFF state).
  • the on / off (ON / OFF) detection signal of the phototransistor 139 is sent from the collector of the phototransistor 139, that is, the output terminal of the output error detection circuit 110 to the control input terminal 154 of the pulse width control circuit (PWM) 109. It is done.
  • the output error detection circuit is used to stabilize the secondary side DC output voltage E2, and is not used to detect deterioration of the secondary electrolytic capacitor 105 described later.
  • the power supply of the pulse width control circuit 109 is supplied from the 152 through the resistor 160 when the switching power supply circuit is started, but is supplied from the 152 through the output of the tertiary side rectifying and smoothing circuit 107 after the power supply is started up.
  • the output terminal 151 of the pulse width control circuit 109 is connected to the gate (gate input terminal) of the N-type MOSFET which is the switching circuit 108, and controls the on / off of the N-type MOSFET. Note that the pulse width of the drive signal waveform output from the output terminal 151 of the pulse width control circuit 109 is controlled to be variable.
  • the existing switching power supply circuit is basically configured.
  • a primary-side electrolytic capacitor deterioration detection circuit 111, a secondary-side electrolytic capacitor deterioration detection circuit 112, and a stop signal generation circuit 113 are circuits relating to a protection function that is a feature of the present embodiment. Since it is not directly related to basic functions, it will be described later. First, the basic operation of the existing switching power supply circuit will be described first.
  • the DC power rectified and smoothed from AC power by the primary side rectifying and smoothing circuit 103 is applied to both ends of the series circuit of the primary winding N1 of the transformer 104 and the N-type MOSFET which is the switching circuit 108. .
  • the gate of the N-type MOSFET is connected to the output terminal 151 of the pulse width control circuit 109 via the resistor 161 and is controlled to be turned on / off.
  • a current flows or does not flow in the primary winding N1 of the transformer 104.
  • the generated AC component is induced and propagated from the primary winding N1 of the transformer 104 to the secondary winding N2.
  • the AC power induced on the secondary side of the transformer 104 is converted again into DC power by the secondary side rectifying and smoothing circuit 106, and the secondary side DC output voltage E ⁇ b> 2 is connected between the secondary side DC output terminals 143 and 144. Generate DC power.
  • the secondary side DC output voltage E2 is compared with a reference voltage built in the shunt regulator 134 of the output error detection circuit 110 and higher or lower than the voltage divided by the voltage dividing resistors R1 and R2.
  • the output signal of the output error detection circuit 110 is sent to the pulse width control circuit 109.
  • the pulse width control circuit 109 reflects the output signal of the output error detection circuit 110 to change the pulse width, and the switching circuit 108 By controlling the on / off time, the secondary side DC output voltage E2 is adjusted and maintained at the set voltage.
  • FIG. 2 is a schematic diagram of the general characteristics showing how the secondary side DC output voltage E2 changes as a result of current flowing through the primary winding N1 of the transformer 104 due to on / off of the switching circuit 108 or no longer flowing. . It should be noted that the change is shown, and the value of the secondary side DC output voltage E2 and the waveform of the control signal do not necessarily correspond to the actual situation.
  • FIG. 2 shows a case where the control waveform 212 to be turned on / off is the same in the high section 212H and the low section 212L.
  • the average value of the secondary side DC output voltage E2 is the average value 210.
  • (a) is a case where the control waveform 211 to be turned on / off is longer in the high section 211H than the low section 211L.
  • the average value of the secondary side DC output voltage E2 becomes the average value 221. The value is higher than the average value 210 when the high section 212H and the low section 212L are equal.
  • FIG. 2 shows a case where the control waveform 212 to be turned on / off is the same in the high section 212H and the low section 212L.
  • the average value of the secondary side DC output voltage E2 is the average value 210.
  • (c) shows a case where the ON / OFF control waveform 213 is shorter than the low section 213L of the high section 213H.
  • the average value of the secondary side DC output voltage E2 becomes the average value 223.
  • the value is lower than the average value 210 in the case where the high section 212H and the low section 212L are equal.
  • the secondary side DC output voltage E2 is changed by controlling the time (pulse width) in which the current flows through the primary winding N1 of the transformer 104 when the switching circuit 108 is turned on and off.
  • the existing switching power supply device maintains the secondary side DC output voltage E2 at the set voltage.
  • the switching power supply circuit includes a primary side electrolytic capacitor 102 and a secondary side electrolytic capacitor 105 as smoothing capacitors in the primary side rectifying / smoothing circuit 103 and the secondary side rectifying / smoothing circuit 106, respectively. It is installed. As these electrolytic capacitors deteriorate, the equivalent series resistance (ESR) increases and the capacitance decreases.
  • ESR equivalent series resistance
  • an increase in equivalent series resistance (R) occurs, and if current (i) is passed, the electrolytic capacitor itself may become hot due to Joule heat (i 2 R) or may explode due to an increase in internal pressure. is there.
  • a decrease in the capacitance of the electrolytic capacitor may cause a decrease in output characteristics of the switching power supply circuit (device) and abnormal heat generation of other components. Therefore, as described above, when the degradation of the electrolytic capacitor reaches the limit, it is necessary to detect the degradation and take a countermeasure.
  • the primary side electrolytic capacitor deterioration detection circuit (Det1) 111 for detecting the deterioration of the primary side electrolytic capacitor 102 and the secondary side electrolytic capacitor deterioration detection circuit for detecting the deterioration of the secondary side electrolytic capacitor 105 are shown.
  • (Det2) 112 is provided.
  • the stop signal generation circuit 113 outputs the output of the stop signal generation circuit 113 as an N-type MOSFET of the switching circuit 108 according to the deterioration detection signal of the primary side electrolytic capacitor deterioration detection circuit 111 or the secondary side electrolytic capacitor deterioration detection circuit 112 , The drive signal output from the pulse width control circuit 109 is inhibited, and the operation of the switching power supply circuit is stopped.
  • FIG. 3 is a circuit diagram showing a configuration of the primary electrolytic capacitor deterioration detection circuit 111.
  • the first terminal of the capacitor 310 is connected to an input terminal 321 serving as the primary electrolytic capacitor deterioration detection circuit 111.
  • the second terminal of the capacitor 310 and the first terminal of the resistor (R11) 311 are connected.
  • a resistor (R12) 312 is connected between the second terminal of the resistor 311 and the primary side ground 145.
  • the anode of the diode 313 is connected to the primary side ground 145, and the cathode is connected to the second terminal of the resistor 311.
  • a cathode of a Zener diode 314 is connected to the second terminal of the resistor 311.
  • the anode of the Zener diode 314 is connected to an output terminal 322 as the primary electrolytic capacitor deterioration detection circuit 111.
  • the DC component is cut by the capacitor 310, the voltage is divided to an appropriate value by the resistor 311 and the resistor 312, and a ripple (AC component) of the signal input from the input terminal 321 is detected at the dividing point 323. Further, the negative component of the signal is removed by the diode 313, and only the positive component is taken out. Further, the Zener diode 314 is turned on (ON, avalanche breakdown) when the ripple of the detected signal exceeds a certain voltage (Zener voltage, breakdown voltage) as described above, and serves as the primary side electrolytic capacitor deterioration detection circuit 111. The trigger signal is output from the output terminal 322 to the stop signal generation circuit 113 (FIG. 1).
  • the input terminal 321 serving as the primary electrolytic capacitor deterioration detection circuit 111 is connected to the primary DC terminal 147, and the primary electrolytic capacitor 102 is deteriorated from the ripple voltage of the primary electrolytic capacitor 102. Is detected. This is because when the primary electrolytic capacitor 102 deteriorates and the equivalent series resistance increases or the capacitance decreases, the ripple voltage increases at the primary DC terminal 147.
  • the voltage (potential) at the dividing point 323 can be changed to adjust the voltage applied to the Zener diode 314. Since the selection of the Zener voltage characteristic of the Zener diode 314 is limited, after the Zener diode 314 is selected, the resistance ratio (R11 / R12) is adjusted so that an appropriate voltage is applied to the characteristic of the Zener diode 314. Good.
  • FIG. 4 is a circuit diagram of the secondary electrolytic capacitor deterioration detection circuit 112, which is composed of a Zener diode 414.
  • the cathode of the Zener diode 414 is connected to the input terminal 421 of the secondary side electrolytic capacitor deterioration detection circuit 112, and this input terminal 421 is connected to the output terminal 152 of the tertiary side rectifying and smoothing circuit 107.
  • the anode of the Zener diode 414 is connected to the output terminal 422 of the secondary electrolytic capacitor deterioration detection circuit 112.
  • the tertiary side rectifying / smoothing circuit 107 receives AC power induced by the tertiary winding N3 of the transformer 104, and the tertiary winding N3 is induced from AC power of the secondary winding N2. Therefore, when the secondary electrolytic capacitor 105 deteriorates and the equivalent series resistance increases, the voltage generated at both ends of the secondary electrolytic capacitor 105 also increases and is propagated from the secondary winding N2 to the tertiary winding N3. The voltage of the output of the tertiary side rectifying / smoothing circuit 107 also increases.
  • the Zener diode 414 When this voltage increases with the deterioration of the secondary electrolytic capacitor 105 and exceeds a predetermined voltage, the Zener diode 414 is turned on, and a trigger signal is output from the output terminal 422 as the secondary electrolytic capacitor deterioration detection circuit 112. It outputs to the stop signal generation circuit 113 (FIG. 1).
  • FIG. 5 is a circuit diagram showing a configuration of the stop signal generation circuit 113.
  • a cathode of a thyristor 501 is connected to the primary side ground 145, and an anode and a gate are connected to an output terminal 532 and an input terminal 531 of the stop signal generation circuit 113, respectively.
  • the resistor 511 is connected between the input terminal 531 of the stop signal generation circuit 113 and the primary side ground 145.
  • the capacitor 512 may be connected between the input terminal 531 of the stop signal generation circuit 113 and the primary side ground 145 for stable circuit operation (preventing malfunction due to noise).
  • the resistor 511 sets the bias voltage of the input terminal 531.
  • An input terminal 531 of the stop signal generation circuit 113 is connected to an output terminal 322 of the primary electrolytic capacitor deterioration detection circuit 111 and an output terminal 422 of the secondary electrolytic capacitor deterioration detection circuit 112. Therefore, when there is a trigger signal that is a deterioration detection signal from the primary side electrolytic capacitor deterioration detection circuit 111 or the secondary side electrolytic capacitor deterioration detection circuit 112, the thyristor 501 is turned on. As a result, the output terminal 532 of the stop signal generation circuit 113 is substantially at the same potential as the primary side ground 145.
  • the output terminal 532 of the stop signal generation circuit 113 is connected to the gate of the N-type MOSFET which is the switching circuit 108 in FIG.
  • the gate of the N-type MOSFET is fixed to the potential of the primary side ground 145 and the N-type MOSFET is turned off.
  • the N-type MOSFET is turned off, no current flows through the primary winding N1, and no current flows through the secondary winding N2. That is, the switching power supply circuit stops operating.
  • a primary side electrolytic capacitor 102 and a secondary side electrolytic capacitor 105 which are smoothing capacitors, are mounted on the primary side circuit and the secondary side circuit, respectively.
  • a primary side electrolytic capacitor deterioration detection circuit 111 As a means for detecting deterioration of the primary side electrolytic capacitor 102, there is a primary side electrolytic capacitor deterioration detection circuit 111, and as a means for detecting deterioration of the secondary side electrolytic capacitor 105, a secondary side electrolytic capacitor deterioration detection circuit 112 is provided. There is.
  • the primary side electrolytic capacitor deterioration detection circuit 111 or the secondary side electrolytic capacitor deterioration detection circuit 112 detects that the ripple voltage or the terminal voltage has exceeded a certain set voltage, and the trigger signal is sent to the stop signal generation circuit 113. send.
  • the stop signal generation circuit 113 prohibits the drive signal from the output terminal 151 of the pulse width control circuit 109, that is, the gate of the N-type MOSFET that is the switching circuit 108 is approximately at the same potential as the primary side ground 145.
  • the switching power supply circuit is provided with the output error detection circuit 110 as described above, and the secondary side DC output voltage E2 is controlled to maintain a set voltage. Therefore, even if there is a slight deterioration of the primary side electrolytic capacitor 102 or the secondary side electrolytic capacitor 105, fluctuations in the input voltage A1 of the AC power supply, fluctuations in the DC load, or other factors, fluctuations may occur.
  • the side DC output voltage E2 maintains a predetermined voltage. However, if the primary electrolytic capacitor 102 or the secondary electrolytic capacitor 105 exceeds the limit and deteriorates, the primary electrolytic capacitor deterioration detection circuit 111 or the secondary electrolytic capacitor deterioration detection circuit 112 detects an abnormality.
  • FIG. 6 shows a schematic circuit configuration of the second embodiment of the present invention. Since the circuit configuration of FIG. 6 is based on FIG. 1 showing the circuit configuration of the first embodiment, it is almost the same circuit. The difference is that the output signal of the stop signal generation circuit 113 is connected to the gate of the N-type MOSFET of the switching circuit 108 in FIG. 1, whereas in FIG. This is connected to the output terminal 152 of the rectifying / smoothing circuit 107. Other circuit configurations are the same as those in FIG. 6 and FIG.
  • the primary electrolytic capacitor deterioration detection circuit 111 or the secondary electrolytic capacitor deterioration detection circuit 112 detects the deterioration of the primary electrolytic capacitor 102 or the secondary electrolytic capacitor 105, and the stop signal generation circuit 113.
  • Output signal 152 of the tertiary side rectifying / smoothing circuit 107, which is the power supply terminal of the pulse width control circuit 109, is substantially at the same potential as the primary side ground 145. .
  • the pulse width control circuit 109 stops operating because the power is virtually not supplied, and stops supplying the drive signal from the output terminal 151 to the gate of the N-type MOSFET which is the switching circuit 108.
  • the switching power supply circuit is stopped, no current flows through the primary side electrolytic capacitor 102 and the secondary side electrolytic capacitor 105, and the generation of Joule heat is stopped, so that the heat generation of the electrolytic capacitor and the internal pressure increase.
  • the switching power supply circuit is protected by avoiding the abnormal heat generation and avoiding abnormal heat generation of other components.
  • FIG. 7 shows a schematic circuit configuration of the third embodiment of the present invention. Since the circuit configuration of FIG. 7 is based on FIG. 1 showing the circuit configuration of the first embodiment, it is almost the same circuit. The difference is that the output signal of the stop signal generation circuit 113 is connected to the gate of the N-type MOSFET of the switching circuit 108 in FIG. 1, whereas the supply of the output signal of the pulse width control circuit 109 is controlled in FIG. It is connected to the control terminal 153. Other circuit configurations are the same as those in FIG. 7 and FIG.
  • the primary electrolytic capacitor deterioration detection circuit 111 or the secondary electrolytic capacitor deterioration detection circuit 112 detects the deterioration of the primary electrolytic capacitor 102 or the secondary electrolytic capacitor 105, and the stop signal generation circuit 113. Is substantially the same potential as the primary side ground 145, the control terminal 153 of the pulse width control circuit 109 is substantially the same potential as the primary side ground 145. Then, the pulse width control circuit 109 stops supplying the drive signal from the output terminal 151.
  • the supply of the drive signal to the gate of the N-type MOSFET which is the switching circuit 108 is stopped, and the potential of the primary side ground 145 is generally fixed. Then, the operation of the switching power supply circuit is stopped, so that no current flows through the primary side electrolytic capacitor 102 and the secondary side electrolytic capacitor 105, and the generation of Joule heat is stopped. Therefore, the heat generation of the electrolytic capacitor and the internal pressure increase.
  • the switching power supply circuit is protected by avoiding the abnormal heat generation and avoiding abnormal heat generation of other components.
  • the primary-side electrolytic capacitor deterioration detection circuit 111 includes a resistor 311 and a resistor 312. However, depending on the setting of the DC voltage of the primary-side circuit, either one resistor or both resistors It may be possible to delete.
  • FIG. 4, and FIG. 5 show circuit examples of the primary electrolytic capacitor deterioration detection circuit 111, the secondary electrolytic capacitor deterioration detection circuit 112, and the stop signal generation circuit 113, respectively. It is only an example. Another circuit configuration having a similar function may be used. Further, these circuits (111, 112, 113) may be integrated with the pulse width control circuit 109 to form an integrated circuit, so that the occupied area (volume) and the number of circuit elements may be reduced as a whole.
  • the switching circuit 108 uses an N-type MOSFET. However, if the polarity of the drive signal waveform output from the output terminal 151 of the pulse width control circuit 109 is changed, a P-type MOSFET is used. Also good. Moreover, it is not limited to MOSFET, For example, you may use IGBT (Insulated Gate Bipolar Transistor).
  • IGBT Insulated Gate Bipolar Transistor
  • a temperature fuse is brought into close contact with the primary side electrolytic capacitor 102 and the secondary side electrolytic capacitor 105, a temperature rise due to deterioration of the electrolytic capacitor is detected by the temperature fuse, and the temperature fuse is turned off, whereby the pulse width control circuit 109 is obtained.
  • the driving signal may be stopped to protect the switching power supply circuit (device).
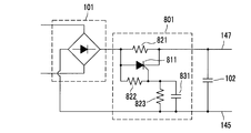
  • an erroneous detection prevention circuit 801 (FIG. 8) that prevents erroneous detection of deterioration of the primary side electrolytic capacitor 102 by the primary side electrolytic capacitor deterioration detection circuit 111 at the time of turning on the power is replaced with the primary side rectifier circuit 101 and the primary side. It may be inserted between the electrolytic capacitor 102.
  • the primary-side electrolytic capacitor deterioration detection circuit 111 indicates that the primary-side electrolytic capacitor 102 has deteriorated when the ripple voltage generated at both ends of the primary-side electrolytic capacitor 102 becomes equal to or higher than a predetermined reference voltage. After the determination, the operation of the switching circuit 108 by the pulse width control circuit 109 is stopped.
  • the frequency of the ripple voltage to be detected and the value obtained by converting the rise time of the terminal voltage of the primary side electrolytic capacitor 102 at the time of power-on (the reciprocal thereof) into a frequency are approximate, and depending on the timing at the time of power-on
  • the primary side electrolytic capacitor deterioration detection circuit 111 erroneously detects and stops the operation of the switching circuit 108. Therefore, the switching power supply circuit may not operate normally.
  • the false detection prevention circuit 801 prevents this false detection when the power is turned on.
  • the erroneous detection preventing circuit 801 will be described with reference to FIGS.
  • FIG. 8 is a circuit diagram showing a configuration in which an erroneous detection preventing circuit 801 is inserted between the primary side rectifier circuit 101 and the primary side electrolytic capacitor 102 according to the first embodiment of the present invention.
  • FIG. 9 is a circuit diagram showing a detailed configuration example of the false detection prevention circuit 801.
  • a resistor (first resistor) 821 is a first DC output terminal (hereinafter referred to as a connection point between the cathodes of the diode 123 (FIG. 8) and the diode 124 (FIG. 8) of the primary rectifier circuit 101. (Referred to as the first DC output terminal) and the primary side DC terminal 147.
  • One end of the resistor (second resistor) 822 is connected to the first DC output terminal of the primary side rectifier circuit 101, and the other end is connected to one end of the capacitor 831.
  • the other end of the capacitor 831 is connected to the primary side ground 145.
  • a resistor (third resistor) 823 is connected to the capacitor 831 in parallel.
  • a second DC output terminal (hereinafter referred to as a second DC output terminal) which is a connection point between the anodes of the diode 121 (FIG. 8) and the diode 122 (FIG. 8) of the primary rectifier circuit 101 is 1 It is connected to the secondary ground 145.
  • the anode of the thyristor 811 is connected to the first DC output terminal of the primary side rectifier circuit 101, and the cathode is connected to the primary side DC terminal 147.
  • the gate of the thyristor 811 is connected to the connection point between the resistor 822 and the capacitor 831 connected in series.
  • the primary side electrolytic capacitor 102 is connected between the primary side DC terminal 147 and the primary side ground 145.
  • the primary side ground 145 is connected to the second DC output terminal of the primary side rectifier circuit 101.
  • the primary side rectifier circuit 101 is a simplified representation of the diode bridge of the primary side rectifier circuit 101 in FIG. 8.
  • the resistor 821 is inserted in series between the first DC output terminal of the primary side rectifier circuit 101 and the primary side electrolytic capacitor 102 in order to slow the rise time immediately after the power is turned on. Yes.
  • the voltage across the primary electrolytic capacitor 102 rises due to the current path between the resistor 821 and the primary electrolytic capacitor 102 and rises with a time constant determined by the resistor 821 and the primary electrolytic capacitor 102.
  • This time constant is set to a value sufficiently larger than the reciprocal of the frequency of the ripple voltage generated at both ends when the primary electrolytic capacitor 102 deteriorates.
  • the gate voltage of the thyristor 811 also rises slowly by a time constant determined by the resistor 822, the resistor 823, and the capacitor 831.
  • the equivalent impedance is sufficiently smaller than the resistor 823, and the capacitor 831 is dominant over the resistor 823 as the current path, so the gate voltage of the thyristor 811 is Rises slowly from 0 (potential of the primary ground 145) with a time constant determined by the resistor 822 and the capacitor 831. Therefore, immediately after the power is turned on, the thyristor 811 is off.
  • the voltage across the primary electrolytic capacitor 102 becomes a voltage sufficient to operate the switching power supply circuit. Reach.
  • the resistor 821 exists between the primary side rectifier circuit 101 and the primary side electrolytic capacitor 102, it becomes an obstacle or a large energy loss source to sufficiently flow the current for operating the switching power supply circuit. It becomes.
  • the equivalent impedance of the capacitor 831 increases, and the gate voltage of the thyristor 811 rises with a time constant determined by the resistors 822, 823, and 831 and eventually triggers.
  • the thyristor 811 When the voltage is reached, the thyristor 811 is turned on.
  • the resistance value of the internal resistance of the turned-on thyristor 811 is very small compared to the resistance value of the resistor 821 and is connected in parallel to the resistor 821, so that the primary side electrolytic capacitor 102 is connected to the primary side rectifier circuit 101.
  • the current flowing through the primary side DC terminal 147 passes through the thyristor 811.
  • the internal resistance of the turned on thyristor 811 is sufficiently small, the energy loss due to the provision of the false detection prevention circuit 801 is very small. Further, if the charge is sufficiently accumulated in the capacitor 831, the equivalent impedance becomes too high and the gate voltage of the thyristor 811 may become unstable, and the charge accumulated in the capacitor 831 when the power supply is shut off is excluded. Therefore, the resistor 823 is connected in parallel with the capacitor 831. Note that in the case where a sufficient amount of charge is accumulated in the capacitor 831, the gate voltage of the thyristor 811 is divided by the resistors 822 and 823 between the first DC output terminal and the DC output terminal of the primary side rectifier circuit 101. It becomes a pressed voltage. By including the erroneous detection prevention circuit 801 having the above configuration, it is possible to prevent malfunction of the switching power supply circuit due to erroneous detection of the primary side electrolytic capacitor deterioration detection circuit 111 when the power is turned on.
  • the erroneous detection prevention circuit 801 illustrated in FIG. 9 is merely an example of a circuit configuration.
  • a MOSFET Metal Oxide Semiconductor Field Effect Transistor
  • IGBT Insulated Gate Bipolar Transistor
  • the circuit configuration shown in FIG. 8 is obtained by inserting a false detection prevention circuit 801 into the first embodiment of FIG. 1, but the second embodiment of FIG. 6 and the third embodiment of FIG. However, even if the false detection prevention circuit 801 is inserted in the same manner, the same effect can be obtained.
  • the switching power supply circuit with a protection function of this embodiment detects the deterioration of the electrolytic capacitor of the smoothing circuit in the primary side circuit and the secondary side circuit, and automatically stops the operation of the switching power supply circuit. It has a function to avoid damage accidents due to capacitor deterioration.
  • the method and circuit for detecting deterioration of the secondary side electrolytic capacitor 105 from the output voltage of the tertiary side rectifying and smoothing circuit 107 by the Zener diode 414, and the secondary side electrolytic capacitor deterioration detecting circuit and circuit configuration are disclosed in the prior art document.
  • the above-described method and circuit of the present embodiment are characterized by being realized by adding simple circuit elements without changing the existing switching power supply circuit.

Landscapes

  • Engineering & Computer Science (AREA)
  • Power Engineering (AREA)
  • Dc-Dc Converters (AREA)
  • Protection Of Static Devices (AREA)
PCT/JP2011/069982 2010-09-01 2011-09-02 保護機能付きスイッチング電源回路 Ceased WO2012029935A1 (ja)

Priority Applications (5)

Application Number Priority Date Filing Date Title
US13/820,502 US20130170621A1 (en) 2010-09-01 2011-09-02 Switching power supply circuit provided with protection function
KR1020137008361A KR101475399B1 (ko) 2010-09-02 2011-09-02 보호 기능 부착된 스위칭 전원 회로
JP2012531972A JP5276750B2 (ja) 2010-09-02 2011-09-02 保護機能付きスイッチング電源回路およびそれを用いた電子機器
EP11821949.2A EP2613431A1 (en) 2010-09-02 2011-09-02 Switching power supply circuit provided with protection function
CN201180039230.3A CN103038992B (zh) 2010-09-02 2011-09-02 带保护功能的开关电源电路

Applications Claiming Priority (2)

Application Number Priority Date Filing Date Title
JP2010-197124 2010-09-02
JP2010197124 2010-09-02

Publications (1)

Publication Number Publication Date
WO2012029935A1 true WO2012029935A1 (ja) 2012-03-08

Family

ID=45773009

Family Applications (1)

Application Number Title Priority Date Filing Date
PCT/JP2011/069982 Ceased WO2012029935A1 (ja) 2010-09-01 2011-09-02 保護機能付きスイッチング電源回路

Country Status (6)

Country Link
US (1) US20130170621A1 (enExample)
EP (1) EP2613431A1 (enExample)
JP (2) JP5276750B2 (enExample)
KR (1) KR101475399B1 (enExample)
CN (1) CN103038992B (enExample)
WO (1) WO2012029935A1 (enExample)

Families Citing this family (15)

* Cited by examiner, † Cited by third party
Publication number Priority date Publication date Assignee Title
CN102801320A (zh) * 2011-05-24 2012-11-28 华硕电脑股份有限公司 电源供应器
JP5887081B2 (ja) * 2011-07-26 2016-03-16 ローム株式会社 Ac/dcコンバータおよびそれを用いたac電源アダプタおよび電子機器
US9112419B2 (en) * 2013-07-16 2015-08-18 Rohm Co., Ltd. AC/DC converter with control circuit that receives rectified voltage at input detection terminal
JP6381953B2 (ja) * 2014-04-25 2018-08-29 ローム株式会社 スイッチング電源の制御回路およびそれを用いた電源回路、ならびに電子機器および基地局
TWI563785B (en) * 2014-06-19 2016-12-21 Richtek Technology Corp Flyback power supply circuit with programmable function and control method thereof
TWI568165B (zh) * 2014-10-09 2017-01-21 立錡科技股份有限公司 具有可程式功能的返馳式電源供應電路及其控制電路與控制方法
WO2016084159A1 (ja) * 2014-11-26 2016-06-02 株式会社 東芝 電子機器
US20170358988A1 (en) * 2014-12-17 2017-12-14 Salcomp Oyj Switched-mode power supply
JP6571442B2 (ja) 2015-08-07 2019-09-04 Necプラットフォームズ株式会社 交流入力直流出力型電源およびその制御方法
JP6656956B2 (ja) * 2016-03-07 2020-03-04 エイブリック株式会社 スイッチングレギュレータ
US9762131B1 (en) * 2016-05-23 2017-09-12 Inno-Tech Co., Ltd. Flyback converter with no need for the auxiliary winding
JP6856859B2 (ja) * 2017-03-23 2021-04-14 東日本旅客鉄道株式会社 電源装置の劣化検知装置および劣化検知方法
US10320301B2 (en) 2017-09-15 2019-06-11 Semiconductor Components Industries, Llc Power converter responsive to device connection status
JP7133436B2 (ja) * 2018-10-26 2022-09-08 富士フイルムヘルスケア株式会社 高電圧装置およびx線画像診断装置
JP7615640B2 (ja) * 2020-12-01 2025-01-17 オムロン株式会社 残寿命予測装置及び残寿命予測方法

Citations (4)

* Cited by examiner, † Cited by third party
Publication number Priority date Publication date Assignee Title
JPH08248086A (ja) * 1995-03-10 1996-09-27 Shindengen Electric Mfg Co Ltd 電解コンデンサ劣化判定回路及びこれを搭載した直流電源 装置
JP2000032747A (ja) 1998-07-09 2000-01-28 Canon Inc スイッチング電源装置
WO2005088819A1 (ja) * 2004-03-17 2005-09-22 Matsushita Electric Industrial Co., Ltd. スイッチング電源装置
JP2010130792A (ja) * 2008-11-27 2010-06-10 Toshiba Corp 電源保護回路及び電源保護方法

Family Cites Families (5)

* Cited by examiner, † Cited by third party
Publication number Priority date Publication date Assignee Title
JP3351631B2 (ja) * 1994-08-24 2002-12-03 株式会社東芝 電気車制御装置
JP3370065B2 (ja) * 2000-07-28 2003-01-27 ニチコン株式会社 リンギングチョークコンバータ
JP2008035901A (ja) * 2006-08-01 2008-02-21 Ge Medical Systems Global Technology Co Llc 磁気共鳴撮像装置及びネットワークシステム
JP2009189202A (ja) * 2008-02-08 2009-08-20 Panasonic Corp 電力変換装置、ブラシレスdcモータおよび換気送風装置
CN201430705Y (zh) * 2009-04-09 2010-03-24 翁延鸣 高转换效率的开关电源电路

Patent Citations (4)

* Cited by examiner, † Cited by third party
Publication number Priority date Publication date Assignee Title
JPH08248086A (ja) * 1995-03-10 1996-09-27 Shindengen Electric Mfg Co Ltd 電解コンデンサ劣化判定回路及びこれを搭載した直流電源 装置
JP2000032747A (ja) 1998-07-09 2000-01-28 Canon Inc スイッチング電源装置
WO2005088819A1 (ja) * 2004-03-17 2005-09-22 Matsushita Electric Industrial Co., Ltd. スイッチング電源装置
JP2010130792A (ja) * 2008-11-27 2010-06-10 Toshiba Corp 電源保護回路及び電源保護方法

Also Published As

Publication number Publication date
EP2613431A1 (en) 2013-07-10
JP5276750B2 (ja) 2013-08-28
JP5617000B2 (ja) 2014-10-29
JPWO2012029935A1 (ja) 2013-10-31
KR101475399B1 (ko) 2014-12-22
US20130170621A1 (en) 2013-07-04
CN103038992A (zh) 2013-04-10
CN103038992B (zh) 2015-09-30
JP2013138608A (ja) 2013-07-11
KR20130064800A (ko) 2013-06-18

Similar Documents

Publication Publication Date Title
JP5276750B2 (ja) 保護機能付きスイッチング電源回路およびそれを用いた電子機器
JP5210424B2 (ja) 保護機能付きスイッチング電源回路およびそれを用いた電子機器
US7315461B2 (en) Power supply device
JP2009195033A (ja) 電源装置及び照明器具
JP5761425B2 (ja) 過電圧保護回路、及びそれを備えた電力変換装置
US10651759B2 (en) Switching power supply device and semiconductor device
JP4752484B2 (ja) Dc−dcコンバータ
KR20180127903A (ko) 절연형 스위칭 전원
JP5126967B2 (ja) スイッチング電源装置
JP5137121B2 (ja) スイッチング電源装置
JP2009081901A (ja) 過電圧保護装置
US20180027619A1 (en) Arcing protector
KR101220775B1 (ko) 과전류 차단 기능을 갖는 스위칭 모드 전원 공급장치
JP2015128356A (ja) 過電圧保護回路、及びそれを備えた電力変換装置
JP2017195648A (ja) 保護回路、及び、スイッチング電源
US12494716B2 (en) Switching power supply device
JP2011035987A (ja) スイッチング電源装置
JP2012138984A (ja) リンギングチョークコンバータ
JP2012161188A (ja) スイッチング電源装置
JP2007267567A (ja) 過電圧保護装置
KR20200103425A (ko) 인버터 회로
JP2015226398A (ja) スイッチング電源装置
JP2013135552A (ja) スイッチング電源装置
JP2013251132A (ja) 照明装置

Legal Events

Date Code Title Description
WWE Wipo information: entry into national phase

Ref document number: 201180039230.3

Country of ref document: CN

121 Ep: the epo has been informed by wipo that ep was designated in this application

Ref document number: 11821949

Country of ref document: EP

Kind code of ref document: A1

WWE Wipo information: entry into national phase

Ref document number: 2012531972

Country of ref document: JP

WWE Wipo information: entry into national phase

Ref document number: 13820502

Country of ref document: US

NENP Non-entry into the national phase

Ref country code: DE

WWE Wipo information: entry into national phase

Ref document number: 2011821949

Country of ref document: EP

ENP Entry into the national phase

Ref document number: 20137008361

Country of ref document: KR

Kind code of ref document: A