WO2012001910A1 - Solid-state imaging device and manufacturing method therefor - Google Patents

Solid-state imaging device and manufacturing method therefor Download PDF

Info

Publication number
WO2012001910A1
WO2012001910A1 PCT/JP2011/003530 JP2011003530W WO2012001910A1 WO 2012001910 A1 WO2012001910 A1 WO 2012001910A1 JP 2011003530 W JP2011003530 W JP 2011003530W WO 2012001910 A1 WO2012001910 A1 WO 2012001910A1
Authority
WO
WIPO (PCT)
Prior art keywords
semiconductor substrate
region
floating diffusion
photoelectric conversion
insulating film
Prior art date
Legal status (The legal status is an assumption and is not a legal conclusion. Google has not performed a legal analysis and makes no representation as to the accuracy of the status listed.)
Ceased
Application number
PCT/JP2011/003530
Other languages
English (en)
French (fr)
Inventor
Mineo Shimotsusa
Fumihiro Inui
Current Assignee (The listed assignees may be inaccurate. Google has not performed a legal analysis and makes no representation or warranty as to the accuracy of the list.)
Canon Inc
Original Assignee
Canon Inc
Priority date (The priority date is an assumption and is not a legal conclusion. Google has not performed a legal analysis and makes no representation as to the accuracy of the date listed.)
Filing date
Publication date
Application filed by Canon Inc filed Critical Canon Inc
Priority to US13/807,065 priority Critical patent/US8928041B2/en
Publication of WO2012001910A1 publication Critical patent/WO2012001910A1/en
Anticipated expiration legal-status Critical
Priority to US14/555,352 priority patent/US9450012B2/en
Priority to US15/239,530 priority patent/US9787931B2/en
Priority to US15/702,097 priority patent/US10462405B2/en
Priority to US16/579,058 priority patent/US11108982B2/en
Priority to US17/393,078 priority patent/US11843886B2/en
Priority to US18/504,046 priority patent/US20240073562A1/en
Ceased legal-status Critical Current

Links

Images

Classifications

    • HELECTRICITY
    • H10SEMICONDUCTOR DEVICES; ELECTRIC SOLID-STATE DEVICES NOT OTHERWISE PROVIDED FOR
    • H10FINORGANIC SEMICONDUCTOR DEVICES SENSITIVE TO INFRARED RADIATION, LIGHT, ELECTROMAGNETIC RADIATION OF SHORTER WAVELENGTH OR CORPUSCULAR RADIATION
    • H10F39/00Integrated devices, or assemblies of multiple devices, comprising at least one element covered by group H10F30/00, e.g. radiation detectors comprising photodiode arrays
    • H10F39/011Manufacture or treatment of image sensors covered by group H10F39/12
    • HELECTRICITY
    • H10SEMICONDUCTOR DEVICES; ELECTRIC SOLID-STATE DEVICES NOT OTHERWISE PROVIDED FOR
    • H10FINORGANIC SEMICONDUCTOR DEVICES SENSITIVE TO INFRARED RADIATION, LIGHT, ELECTROMAGNETIC RADIATION OF SHORTER WAVELENGTH OR CORPUSCULAR RADIATION
    • H10F39/00Integrated devices, or assemblies of multiple devices, comprising at least one element covered by group H10F30/00, e.g. radiation detectors comprising photodiode arrays
    • H10F39/011Manufacture or treatment of image sensors covered by group H10F39/12
    • H10F39/026Wafer-level processing
    • HELECTRICITY
    • H10SEMICONDUCTOR DEVICES; ELECTRIC SOLID-STATE DEVICES NOT OTHERWISE PROVIDED FOR
    • H10FINORGANIC SEMICONDUCTOR DEVICES SENSITIVE TO INFRARED RADIATION, LIGHT, ELECTROMAGNETIC RADIATION OF SHORTER WAVELENGTH OR CORPUSCULAR RADIATION
    • H10F39/00Integrated devices, or assemblies of multiple devices, comprising at least one element covered by group H10F30/00, e.g. radiation detectors comprising photodiode arrays
    • H10F39/10Integrated devices
    • H10F39/12Image sensors
    • H10F39/18Complementary metal-oxide-semiconductor [CMOS] image sensors; Photodiode array image sensors
    • HELECTRICITY
    • H10SEMICONDUCTOR DEVICES; ELECTRIC SOLID-STATE DEVICES NOT OTHERWISE PROVIDED FOR
    • H10FINORGANIC SEMICONDUCTOR DEVICES SENSITIVE TO INFRARED RADIATION, LIGHT, ELECTROMAGNETIC RADIATION OF SHORTER WAVELENGTH OR CORPUSCULAR RADIATION
    • H10F39/00Integrated devices, or assemblies of multiple devices, comprising at least one element covered by group H10F30/00, e.g. radiation detectors comprising photodiode arrays
    • H10F39/10Integrated devices
    • H10F39/12Image sensors
    • H10F39/199Back-illuminated image sensors
    • HELECTRICITY
    • H10SEMICONDUCTOR DEVICES; ELECTRIC SOLID-STATE DEVICES NOT OTHERWISE PROVIDED FOR
    • H10FINORGANIC SEMICONDUCTOR DEVICES SENSITIVE TO INFRARED RADIATION, LIGHT, ELECTROMAGNETIC RADIATION OF SHORTER WAVELENGTH OR CORPUSCULAR RADIATION
    • H10F39/00Integrated devices, or assemblies of multiple devices, comprising at least one element covered by group H10F30/00, e.g. radiation detectors comprising photodiode arrays
    • H10F39/80Constructional details of image sensors
    • HELECTRICITY
    • H10SEMICONDUCTOR DEVICES; ELECTRIC SOLID-STATE DEVICES NOT OTHERWISE PROVIDED FOR
    • H10FINORGANIC SEMICONDUCTOR DEVICES SENSITIVE TO INFRARED RADIATION, LIGHT, ELECTROMAGNETIC RADIATION OF SHORTER WAVELENGTH OR CORPUSCULAR RADIATION
    • H10F39/00Integrated devices, or assemblies of multiple devices, comprising at least one element covered by group H10F30/00, e.g. radiation detectors comprising photodiode arrays
    • H10F39/80Constructional details of image sensors
    • H10F39/803Pixels having integrated switching, control, storage or amplification elements
    • HELECTRICITY
    • H10SEMICONDUCTOR DEVICES; ELECTRIC SOLID-STATE DEVICES NOT OTHERWISE PROVIDED FOR
    • H10FINORGANIC SEMICONDUCTOR DEVICES SENSITIVE TO INFRARED RADIATION, LIGHT, ELECTROMAGNETIC RADIATION OF SHORTER WAVELENGTH OR CORPUSCULAR RADIATION
    • H10F39/00Integrated devices, or assemblies of multiple devices, comprising at least one element covered by group H10F30/00, e.g. radiation detectors comprising photodiode arrays
    • H10F39/80Constructional details of image sensors
    • H10F39/803Pixels having integrated switching, control, storage or amplification elements
    • H10F39/8037Pixels having integrated switching, control, storage or amplification elements the integrated elements comprising a transistor
    • HELECTRICITY
    • H10SEMICONDUCTOR DEVICES; ELECTRIC SOLID-STATE DEVICES NOT OTHERWISE PROVIDED FOR
    • H10FINORGANIC SEMICONDUCTOR DEVICES SENSITIVE TO INFRARED RADIATION, LIGHT, ELECTROMAGNETIC RADIATION OF SHORTER WAVELENGTH OR CORPUSCULAR RADIATION
    • H10F39/00Integrated devices, or assemblies of multiple devices, comprising at least one element covered by group H10F30/00, e.g. radiation detectors comprising photodiode arrays
    • H10F39/80Constructional details of image sensors
    • H10F39/805Coatings
    • H10F39/8053Colour filters
    • HELECTRICITY
    • H10SEMICONDUCTOR DEVICES; ELECTRIC SOLID-STATE DEVICES NOT OTHERWISE PROVIDED FOR
    • H10FINORGANIC SEMICONDUCTOR DEVICES SENSITIVE TO INFRARED RADIATION, LIGHT, ELECTROMAGNETIC RADIATION OF SHORTER WAVELENGTH OR CORPUSCULAR RADIATION
    • H10F39/00Integrated devices, or assemblies of multiple devices, comprising at least one element covered by group H10F30/00, e.g. radiation detectors comprising photodiode arrays
    • H10F39/80Constructional details of image sensors
    • H10F39/805Coatings
    • H10F39/8057Optical shielding
    • HELECTRICITY
    • H10SEMICONDUCTOR DEVICES; ELECTRIC SOLID-STATE DEVICES NOT OTHERWISE PROVIDED FOR
    • H10FINORGANIC SEMICONDUCTOR DEVICES SENSITIVE TO INFRARED RADIATION, LIGHT, ELECTROMAGNETIC RADIATION OF SHORTER WAVELENGTH OR CORPUSCULAR RADIATION
    • H10F39/00Integrated devices, or assemblies of multiple devices, comprising at least one element covered by group H10F30/00, e.g. radiation detectors comprising photodiode arrays
    • H10F39/80Constructional details of image sensors
    • H10F39/806Optical elements or arrangements associated with the image sensors
    • H10F39/8063Microlenses
    • HELECTRICITY
    • H10SEMICONDUCTOR DEVICES; ELECTRIC SOLID-STATE DEVICES NOT OTHERWISE PROVIDED FOR
    • H10FINORGANIC SEMICONDUCTOR DEVICES SENSITIVE TO INFRARED RADIATION, LIGHT, ELECTROMAGNETIC RADIATION OF SHORTER WAVELENGTH OR CORPUSCULAR RADIATION
    • H10F39/00Integrated devices, or assemblies of multiple devices, comprising at least one element covered by group H10F30/00, e.g. radiation detectors comprising photodiode arrays
    • H10F39/80Constructional details of image sensors
    • H10F39/807Pixel isolation structures
    • HELECTRICITY
    • H10SEMICONDUCTOR DEVICES; ELECTRIC SOLID-STATE DEVICES NOT OTHERWISE PROVIDED FOR
    • H10FINORGANIC SEMICONDUCTOR DEVICES SENSITIVE TO INFRARED RADIATION, LIGHT, ELECTROMAGNETIC RADIATION OF SHORTER WAVELENGTH OR CORPUSCULAR RADIATION
    • H10F39/00Integrated devices, or assemblies of multiple devices, comprising at least one element covered by group H10F30/00, e.g. radiation detectors comprising photodiode arrays
    • H10F39/80Constructional details of image sensors
    • H10F39/809Constructional details of image sensors of hybrid image sensors
    • HELECTRICITY
    • H10SEMICONDUCTOR DEVICES; ELECTRIC SOLID-STATE DEVICES NOT OTHERWISE PROVIDED FOR
    • H10FINORGANIC SEMICONDUCTOR DEVICES SENSITIVE TO INFRARED RADIATION, LIGHT, ELECTROMAGNETIC RADIATION OF SHORTER WAVELENGTH OR CORPUSCULAR RADIATION
    • H10F39/00Integrated devices, or assemblies of multiple devices, comprising at least one element covered by group H10F30/00, e.g. radiation detectors comprising photodiode arrays
    • H10F39/80Constructional details of image sensors
    • H10F39/811Interconnections
    • HELECTRICITY
    • H10SEMICONDUCTOR DEVICES; ELECTRIC SOLID-STATE DEVICES NOT OTHERWISE PROVIDED FOR
    • H10FINORGANIC SEMICONDUCTOR DEVICES SENSITIVE TO INFRARED RADIATION, LIGHT, ELECTROMAGNETIC RADIATION OF SHORTER WAVELENGTH OR CORPUSCULAR RADIATION
    • H10F39/00Integrated devices, or assemblies of multiple devices, comprising at least one element covered by group H10F30/00, e.g. radiation detectors comprising photodiode arrays
    • H10F39/80Constructional details of image sensors
    • H10F39/813Electronic components shared by multiple pixels, e.g. one amplifier shared by two pixels

Definitions

  • the present invention relates to a solid-state imaging device.
  • a configuration of a solid-state imaging device in which a photoelectric conversion unit and a peripheral circuit unit are allocated to and formed on separate substrates, respectively, and connected electrically to each other by microbumps or the like.
  • Japanese Patent Application Laid-Open No. 2009-170448 discusses a back-side surface irradiation type solid-state imaging device configured such that a first semiconductor on which pixels each including a photoelectric conversion unit and a reading circuit for reading signals therefrom are arranged, is bonded to a second semiconductor on which a signal processing for processing signals read from the pixels is arranged.
  • the reading circuit includes transistors such as a transferring transistor, an amplifying transistor, and a resetting transistor.
  • At least the resetting transistor is arranged on the first semiconductor substrate on which the photoelectric conversion unit is arranged.
  • An element isolation structure according to element isolation due to insulating film arranged in the semiconductor substrate such as local oxidation of silicon (LOCOS) isolation, or shallow trench isolation (STI), is necessary for element isolation of the resetting transistor or the amplifying transistor from the photoelectric conversion unit.
  • Dark current is liable to be generated at an interface between the insulating film arranged in a semiconductor substrate and the semiconductor substrate. Accordingly, when the element isolation structure due to the insulating film arranged in the semiconductor substrate is used for element isolation of the photoelectric conversion unit, dark current easily flows into the photoelectric conversion unit. The dark current flowing into the photoelectric conversion unit causes noise. Noise generated at a preceding stage at which signals are amplified by the amplifying transistor dominantly affects image quality, as compared with noise generated at a subsequent stage of the amplifying transistor.
  • the insulating film arranged in the semiconductor substrate is not used for element isolation of the resetting transistor and the photoelectric conversion unit, a wider element isolation region is needed to electrically isolate the resetting transistor and the photoelectric conversion unit from each other.
  • the light receiving area of the photoelectric conversion unit is set to be constant in order to maintain sensitivity of the photoelectric conversion unit, a pitch of the pixels increases. Consequently, it is difficult to miniaturize the pixels.
  • the present invention aims at providing a solid-state imaging device favorable to reducing noise caused by dark current generated in an element isolation region for isolating a resetting transistor or an amplifying transistor from a photoelectric conversion unit, and to miniaturizing pixels.
  • a solid-state imaging device having a plurality of pixels each of which includes a photoelectric conversion unit, a floating diffusion region, a transferring transistor including a transferring gate electrode configured to transfer signal charge generated at the photoelectric conversion unit to the floating diffusion region, an amplifying transistor configured to output a signal based on an amount of electric charge of the floating diffusion region, and a resetting transistor configured to reset a voltage of the floating diffusion region.
  • the solid-state imaging device further includes a first semiconductor substrate and a second semiconductor substrate. In the solid-state imaging device, a first insulating film is provided on a first principal surface of the first semiconductor substrate.
  • the first semiconductor substrate includes a first pixel region.
  • a plurality of photoelectric conversion units and a plurality of floating diffusion regions are arranged like a matrix on the first pixel region.
  • a first element isolation portion for electrically isolating the plurality of photoelectric conversion units from the plurality of floating diffusion regions is arranged in the first pixel region.
  • a second insulating film is arranged on the second semiconductor substrate.
  • the second semiconductor substrate includes a second pixel region.
  • a plurality of the amplifying transistors and a plurality of the resetting transistors are arranged on the second pixel region like a matrix.
  • a second element isolation portion for electrically isolating the plurality of the amplifying transistors from the plurality of the resetting transistors is arranged in the second pixel region.
  • An interface between the first semiconductor substrate and the first insulating film in the first element isolation portion is arranged at a first depth with respect to an interface between the first semiconductor substrate and the first insulating film in the photoelectric conversion unit.
  • An interface between the second semiconductor substrate and the second insulating film in the second element isolation portion is arranged at a second depth with respect to an interface between the second semiconductor substrate and the second insulating film in a region in which the amplifying transistor is provided.
  • the first depth is shallower than the second depth.
  • the solid-state imaging device can reduce noise caused by dark current generated in an element isolation region for isolating a resetting transistor or an amplifying transistor from a photoelectric conversion unit, and miniaturize pixels.
  • Fig. 1A is a schematic diagram illustrating planar configurations of substrates.
  • Fig. 1B is a schematic diagram illustrating planar configurations of substrates.
  • Fig. 1C is a schematic diagram illustrating planar configurations of substrates.
  • Fig. 2 is a circuit diagram illustrating an equivalent circuit of a pixel unit of a first exemplary embodiment of a solid-state imaging apparatus according to the present invention.
  • Fig. 3 is an equivalent circuit diagram illustrating an equivalent circuit of a signal processing circuit of the first exemplary embodiment of the solid-state imaging apparatus according to the present invention.
  • Fig. 1A is a schematic diagram illustrating planar configurations of substrates.
  • Fig. 1B is a schematic diagram illustrating planar configurations of substrates.
  • Fig. 1C is a schematic diagram illustrating planar configurations of substrates.
  • Fig. 2 is a circuit diagram illustrating an equivalent circuit of a pixel unit of a first exemplary embodiment of a solid-state imaging apparatus according to the
  • FIG. 4 is a schematic diagram illustrating a cross-sectional structure of the first exemplary embodiment of the solid-state imaging device according to the present invention.
  • Fig. 5A is a schematic diagram illustrating a planar structure of the pixel unit of the first exemplary embodiment of the solid-state imaging device according to the present invention.
  • Fig. 5B is a schematic diagram illustrating a planar structure of the pixel unit of the first exemplary embodiment of the solid-state imaging device according to the present invention.
  • Fig. 6 is an equivalent circuit diagram illustrating a pixel unit of a second exemplary embodiment of a solid-state imaging device according to the present invention.
  • Fig. 5A is a schematic diagram illustrating a planar structure of the pixel unit of the first exemplary embodiment of the solid-state imaging device according to the present invention.
  • Fig. 5B is a schematic diagram illustrating a planar structure of the pixel unit of the first exemplary embodiment of the solid-state imaging device according to the present invention.
  • Fig. 6 is
  • FIG. 7 is a schematic diagram illustrating a planar structure of the pixel unit of the second exemplary embodiment of the solid-state imaging device according to the present invention.
  • Fig. 8 is a schematic diagram illustrating a planar structure of a pixel unit of a modification of the second exemplary embodiment of the solid-state imaging device according to the present invention.
  • Fig. 9 is a schematic diagram illustrating a cross-sectional structure of a third exemplary embodiment of a solid-state imaging device according to the present invention.
  • Fig. 10 is an equivalent circuit diagram illustrating an equivalent circuit of each of a pixel unit and a signal processing circuit of a fourth exemplary embodiment of a solid-state imaging device according to the present invention.
  • Fig. 10 is an equivalent circuit diagram illustrating an equivalent circuit of each of a pixel unit and a signal processing circuit of a fourth exemplary embodiment of a solid-state imaging device according to the present invention.
  • FIG. 11 is a schematic diagram illustrating a cross-sectional structure of the fourth exemplary embodiment of the solid-state imaging device according to the present invention.
  • Fig. 12A is a schematic diagram illustrating a cross-sectional structure of a modification of the first exemplary embodiment of the solid-state imaging device according to the present invention.
  • Fig. 12B is a schematic diagram illustrating a cross-sectional structure of a modification of the first exemplary embodiment of the solid-state imaging device according to the present invention.
  • Fig. 12C is a schematic diagram illustrating a cross-sectional structure of a modification of the first exemplary embodiment of the solid-state imaging device according to the present invention.
  • Fig. 12A is a schematic diagram illustrating a cross-sectional structure of a modification of the first exemplary embodiment of the solid-state imaging device according to the present invention.
  • Fig. 12B is a schematic diagram illustrating a cross-sectional structure of a modification of the first exemplary embodiment of the solid-state imaging device according to the present
  • FIG. 13A is a cross-sectional diagram illustrating a manufacturing method according to the first exemplary embodiment of the solid-state imaging device according to the present invention.
  • Fig. 13B is a cross-sectional diagram illustrating a manufacturing method according to the first exemplary embodiment of the solid-state imaging device according to the present invention.
  • Fig. 13C is a cross-sectional diagram illustrating a manufacturing method according to the first exemplary embodiment of the solid-state imaging device according to the present invention.
  • the present invention can be applied to a configuration treating a hole as a signal charge, by changing a conductivity type of a semiconductor region to an opposite conductivity type.
  • FIG. 1A is a schematic diagram illustrating a planar configuration of each of a first and second semiconductor substrates included in a solid-state imaging device according the present exemplary embodiment.
  • components configuring one pixel are allocated to and provided on the first and second semiconductor substrates.
  • a signal processing circuit for processing signals supplied from pixels is provided on the second semiconductor substrate.
  • a first semiconductor substrate 101 includes a first pixel region 103. Photoelectric conversion units are provided like a matrix on the first pixel region 103.
  • the second semiconductor substrate 102 includes a second pixel region 104. A part of components included in the pixel are provided on the second pixel region 104.
  • the second semiconductor substrate 102 includes a peripheral circuit 105. The signal processing circuit for processing signals supplied from pixels is provided on the peripheral circuit region 105. No photoelectric conversion units are provided on the second pixel region 104 and the peripheral circuit region 105.
  • the first semiconductor substrate 101 and the second semiconductor substrate 102 are provided to face each other across wiring for electrically connecting circuits provided on both of the semiconductor substrates to each other.
  • Element isolation portions for electrically separating a plurality of photoelectric conversion units from one another or from other types of components of each pixel are provided in the first pixel region 103.
  • the element isolation portions provided in the first pixel region 103 include no element isolation structure in which an insulating film is provided in the first semiconductor substrate 101.
  • Fig. 2 illustrates an example of an equivalent circuit of a pixel according to the present exemplary embodiment. Although Fig. 2 illustrates only one pixel, pixels are actually provided like a matrix.
  • a pixel 201 includes a photoelectric conversion unit 202, a transferring transistor 203, a floating diffusion region (hereinafter referred to as FD) 204, an amplifying transistor 205, a resetting transistor 206, and a selecting transistor 207.
  • the photoelectric conversion unit 202 is, e.g., a photodiode.
  • the photoelectric conversion unit 202 performs photoelectric-conversion of incident light. Generated signal charges can be stored by the photoelectric conversion unit 202.
  • the transferring transistor 203 transfers to the FD 204 the signal charges generated in the photoelectric conversion unit 202.
  • the FD 204 is electrically connected to a gate of the amplifying transistor 205.
  • the amplifying transistor 205 outputs a signal based on an amount of electric-charge of the FD 204.
  • the resetting transistor 206 supplies the FD 204 with a voltage based on a resetting power supply, and resets a voltage of the FD 204.
  • the selecting transistor 207 selects a pixel row from which signals are read.
  • Signals output from the amplifying transistor 205 are output to a vertical output line 208.
  • a constant current source 209 is connected to the vertical output line 208.
  • a source follower circuit is configured to include the amplifying transistor 205 and the resetting transistor 206.
  • Each of control lines 210, 211, and 212 is connected to the gates of the transferring transistor 203, the resetting transistor 206, and the selecting transistor 207.
  • the photoelectric conversion unit 202, the transferring transistor 203, and the FD 204 are provided in the first pixel region 103 of the first semiconductor substrate 101 illustrated in Fig. 1A.
  • the amplifying transistor 203, the resetting transistor 206, and the selecting transistor 207 are provided in the second pixel region 104 of the second semiconductor substrate 102 illustrated in Fig. 1A.
  • the second pixel region 104 is an area differing from the first pixel region 103.
  • An electrical connection portion between the first semiconductor substrate 101 and the second semiconductor substrate 102 is provided on an electrical path between the FD 204 and the gate of the amplifying transistor 205.
  • Each pixel according to the present exemplary embodiment includes the selecting transistor.
  • the selecting transistor can be omitted.
  • a configuration has been illustrated in Fig. 2, in which the selecting transistor 207 is provided on a path between a source of the amplifying transistor 205 and the vertical output line 208, the selecting transistor 207 can be provided on a path between a drain of the amplifying transistor 205 and a power supply 209.
  • an analog-to-digital converter hereinafter referred to as an ADC for converting an analog signal output by the amplifying transistor 205 to a digital signal can be included in the pixel 201.
  • Fig. 3 illustrates an equivalent circuit of a set of each pixel 201 and the signal processing circuit according to the present exemplary embodiment.
  • the pixels 201 illustrated in Fig. 2 are arranged like a matrix.
  • Output nodes of a plurality of pixels 201 included in a single pixel column are connected to the single vertical output line 208.
  • the output nodes of the pixels are the sources of the selecting transistors 207.
  • the output nodes of the pixels can be sources of the amplifying transistors 205.
  • a plurality of vertical output lines 208 are provided respectively corresponding to a plurality of pixel columns.
  • signals output from a plurality of pixels 201 included in a single pixel row can be read to a plurality of vertical output lines 208 in parallel.
  • a vertical shift register 301 supplies drive pulses to the control lines 210, 211, and 212. Respective conduction states of the transferring transistor 203, the resetting transistor 206, and the selecting transistor 207 are controlled according to drive pulses supplied by the vertical shift register 301.
  • a column circuit unit 302 includes a correlated double sampling (hereinafter referred to as CDS) circuit for removing a fixed pattern noise of the pixels, and a column amplifying circuit for amplifying signals output from the pixels.
  • the column amplifying circuit is an amplifying circuit configured to include, e.g., an operational amplifier and a feedback capacitor.
  • the column amplifying circuit can be, e.g., a variable-gain amplifying circuit in which a plurality of sets of the feedback capacitor and a switch connected in series to the feedback capacitor are arranged on a feedback path from an output terminal of the operational amplifier to an input terminal thereof.
  • the column circuit unit 302 can include a column ADC circuit for converting, into a digital signal, an analog signal corresponding to each column. It is necessary to provide the column circuit unit 302 only when need arises. A part or the entirety of the column circuit unit 302 can be omitted.
  • a signal holding unit 303 holds signals output from the pixels.
  • the signal holding unit 303 can be configured to hold both of a noise signal and an optical signal onto which the noise signal is superimposed.
  • the noise signal includes noise due to an offset of the column amplifying circuit of the column circuit unit 302.
  • the optical signal is a signal based on an amount of signal charge generated by the photoelectric conversion unit 202.
  • the signal holding unit 303 can be configured to hold only optical signals. If the column circuit unit 302 includes a column ADC circuit, the signal holding portion 303 can be omitted.
  • Fig. 3 illustrates the configuration employing two horizontal output lines. However, if the signal holding unit is configured to hold only optical signals, a single horizontal output line suffices.
  • the vertical shift register 301, the column circuit unit 302, the signal holding unit 303, the horizontal shift register 304, and the difference amplifying unit 306 can be included in the signal processing circuit. At least a part or the entirety of the above signal processing circuit is provided in the peripheral circuit region 105 according to the present exemplary embodiment.
  • Fig. 4 is a schematic diagram illustrating a cross-sectional structure including the first semiconductor substrate, the second semiconductor substrate, and an electrical connection portion between both of the semiconductor substrates.
  • the first semiconductor substrate 401 includes a first pixel region 403.
  • the second semiconductor substrate 402 includes a second pixel region 404 and a peripheral circuit region 405 provided with the signal processing circuit.
  • semiconductor substrate means a layer of a semiconductor material in which a photoelectric conversion unit and elements such as transistors are formed.
  • a structure including semiconductor substrates and members made of materials other than semiconductor materials, such as insulating layers and wiring layers, is referred to simply as a substrate.
  • the substrate is a silicon-on-insulator (SOI) substrate configured by stacking two layers of semiconductor materials across an insulating layer provided therebetween, either of the two layers of semiconductor materials can be a semiconductor substrate.
  • SOI silicon-on-insulator
  • each semiconductor substrate can be a semiconductor layer formed by an epitaxial growth method.
  • the specific region is distinguished from semiconductor substrates, in the following description, by using the term "semiconductor region".
  • an upper principal surface of the first semiconductor substrate 401 is a first principal surface (hereinafter referred to also as a front-side surface) thereof.
  • Wiring electrically connected to a gate electrode of the transferring transistor, and to the FD is provided on the first principal surface (i.e., the front-side surface) of the first semiconductor substrate 401.
  • a lower principal surface of the first semiconductor substrate 401 is a second principal surface (hereinafter referred to also as a back-side surface) thereof.
  • Arrow L indicates a direction in which light impinges upon the structure. Light is incident upon the photoelectric conversion portion from the side of the second principal surface (i.e., the back-side surface) of the first semiconductor substrate 401.
  • a surface (i.e., a lower principal surface illustrated in Fig. 4) of the second semiconductor substrate 402, on which elements are provided, is a front-side surface thereof.
  • a principal surface or a front-side surface of a semiconductor substrate is actually an interface between the semiconductor and an insulating film stacked thereon. More specifically, in the present specification, the term "a front-side surface” or "a principal surface” of a semiconductor substrate is not limited to an interface between a semiconductor substrate and the air or to an interface between a semiconductor substrate and vacuum.
  • the first semiconductor substrate 401 and the second semiconductor substrate 402 are arranged such that the first principal surface (front-side surface) of the first semiconductor substrate 401 is directed to the second semiconductor substrate 402, and that the front-side surface of the second semiconductor substrate is directed to the first semiconductor substrate 401.
  • An electrically-conductive pattern including a connection portion which will be described below is arranged between the first semiconductor substrate 401 and the second semiconductor substrate 402.
  • the first semiconductor substrate 401 and the second semiconductor substrate 402 are arranged to face each other across the electrically-conductive pattern interposed therebetween.
  • the photoelectric conversion portion, the FD, and the transferring transistor are arranged like a matrix in units of pixels. That "a transistor is arranged on a semiconductor substrate” means that if the transistor is a metal-oxide semiconductor (MOS) transistor, a semiconductor region configuring a source, and another semiconductor region configuring a drain are arranged on a semiconductor substrate, and a gate electrode is arranged thereon across an insulating film. The same holds true for a case where a transistor is arranged on a semiconductor region included in a semiconductor substrate.
  • MOS metal-oxide semiconductor
  • the photoelectric conversion unit is configured to include an N-type semiconductor region 406, a P-type semiconductor region 407, and another P-type semiconductor region 408.
  • the N-type semiconductor region 406 is a region in which signal charges are collected.
  • the P-type semiconductor region 407 is arranged in the vicinity of the first principal surface (front-side surface) of the first semiconductor substrate 401 in order to reduce possibility of mixing of dark current generated on the interface between the first semiconductor substrate 401 and the insulating film arranged on the first principal surface (front-side surface) side thereof into the signal charges collected in the N-type semiconductor region 406.
  • the P-type semiconductor region 408 is arranged closer to the second principal surface (back-side surface) of the first semiconductor substrate 401 than the N-type semiconductor region 406.
  • the P-type semiconductor region 408 can be arranged in the vicinity of the first principal surface (front-side surface) of the first semiconductor substrate 401 in order to reduce possibility of mixing of dark current generated on the interface between the first semiconductor substrate 401 and the insulating film arranged on the second principal surface (back-side surface) side thereof into the signal charges collected in the N-type semiconductor region 406.
  • Each N-type semiconductor region 406 and each of the associated P-type semiconductor regions 407 and 408 configure a PN-junction.
  • embedded type photodiodes are configured.
  • a transferring gate electrode 409 is arranged across an insulating film (not shown) on the fist principal surface (front-side surface) side in a channel region adjoining a photoelectric conversion unit of the first semiconductor substrate 401.
  • a channel is formed in the channel region according to a voltage applied to a transferring gate electrode 409.
  • the channel region may be made different from the first semiconductor substrate 401 in impurity concentration by implanting channel-impurities, if necessary.
  • An N-type semiconductor region 410 is arranged adjacent to the channel region.
  • the N-type semiconductor region 410 configures an FD.
  • the N-type semiconductor region 410 is higher in impurity concentration than the N-type semiconductor region 406.
  • a transferring transistor is configured using the N-type semiconductor region 406, the N-type semiconductor region 410, and the transferring gate electrode 409 as a source, a drain, and a gate, respectively.
  • the N-type semiconductor region 410 is connected to wiring across a first plug 411.
  • the first plug 411 is formed by an electrically-conductive material such as tungsten.
  • the first plug 411, and the wiring connected to the first plug 411 are arranged on the first principal surface (front-side surface) side of the first semiconductor substrate 401.
  • the amplifying transistor, the resetting transistor, and the selecting transistor are arranged like a matrix in the second pixel region 404 in units of pixels.
  • Fig. 4 illustrates a cross-section of the amplifying transistor 412 as an example.
  • N-type semiconductor regions serving as a source and a drain of an amplifying transistor 412 are arranged on the second semiconductor substrate 402.
  • the impurity concentrations of the N-type semiconductor regions respectively serving as the source and the drain of the amplifying transistor 412 are higher than that of the N-type semiconductor region 410 configuring the FD.
  • An insulating film (not shown) is arranged on the front-side surface of the second semiconductor substrate 402.
  • a gate electrode 413 of the amplifying transistor 412 is arranged on the front-side surface of the second semiconductor substrate 402 across an insulating film (not shown).
  • the gate electrode 413 of the amplifying transistor 412 is connected to the wiring across a second plug 414.
  • the second plug 414 is formed by an electrically-conductive material such as tungsten.
  • the second plug 414 connected to a gate of the amplifying transistor 412, and the wiring connected to the second plug 414 are arranged on a surface (front-side surface) side of the second semiconductor substrate 402 on which the elements are arranged.
  • the gate electrode 413 of the transistor arranged in the second pixel region 404 can be configured such that a polysilicon layer and a metal silicide layer are stacked.
  • a metal silicide layer can be arranged on a front-side surface of the source regions and the drain regions of the transistors provided in the second pixel region 404.
  • connection portion 415 is an electrically conductive pattern formed by an electrically conductive material, e.g., copper.
  • a connection portion connecting the FD and the gate electrode of the amplifying transistor is arranged in a region obtained by projecting the first pixel region 403 in the direction of the second semiconductor substrate 402.
  • a plurality of connection portions are arranged corresponding to the FDs of a plurality of pixels.
  • FIG. 4 illustrates an element 416 configuring the vertical shift register as an example.
  • the vertical shift register supplies drive pulses to wiring 418 arranged on the first principal surface (front-side surface) side of the first semiconductor substrate 401 via a connection portion 417.
  • the wiring 418 is connected to, e.g., a gate of the transferring transistor.
  • the connection portion 417 is arranged in a region obtained by projecting the peripheral circuit region 405 in the direction of the first semiconductor substrate 401. However, the connection portion 417 can be arranged at another location.
  • a single connection portion 417 can be arranged corresponding to a plurality of pixels included in a single pixel row. Alternatively, a single connection portion 417 can be arranged corresponding to each pixel.
  • element isolation portions for electrically isolating pixels from one another, which are arranged like a matrix, are provided in the first pixel region 403.
  • the element isolation portions isolate the photoelectric conversion portions of adjacent pixels from one another or isolate the photoelectric conversion portion of each pixel from the FD of each pixel adjacent thereto.
  • the element isolation portions can be configured to isolate the FDs of adjacent pixels from one another.
  • the present exemplary embodiment uses PN isolation in the element isolation portions of the first pixel region 403.
  • a P-type semiconductor region 419 is provided between the photoelectric conversion unit and the N-type semiconductor region 410 configuring the FD of the adjacent pixel.
  • the P-type semiconductor region 419 and each of the N-type semiconductor region 406 configuring the photoelectric conversion unit, and the N-type semiconductor region 410 configuring the FD configure a PN-junction.
  • the P-type semiconductor region 419 serves as a potential barrier. Accordingly, element isolation can be performed by the P-type semiconductor region 419.
  • a voltage of the P-type semiconductor region 419 is fixed at a GND voltage, and a reverse bias voltage is applied to the PN junction.
  • the P-type semiconductor regions 407, 408, and 419 can be set at the same voltage by connecting each of the semiconductor regions 407 and 408 to the semiconductor region 419.
  • a plurality of contact plugs can be provided in the first pixel regions 403 as means for supplying a predetermined voltage to each of the P-type semiconductor regions.
  • a single contact plug can be provided in a region other than the first pixel region 403.
  • the contact plug can be connected to a P-type semiconductor region which is provided in the P-type semiconductor regions 407, 408, and 419 and is higher in impurity concentration than these regions.
  • any element isolation structure can be used in the element isolation portions 420 provided in regions other than the first pixel region 403, i.e., in the second pixel region 404 and the peripheral circuit region 405.
  • the LOCOS isolation and the STI isolation are used in the element isolation portions 420.
  • PN isolation and mesa-type insulator isolation can be used in the element isolation portion 420.
  • the element isolation portion of the second pixel region and that of the peripheral circuit region have the same element isolation structure.
  • the element isolation portion of the second pixel region and that of the peripheral circuit region can differ from each other in element isolation structure.
  • Figs. 5A and 5B are schematic diagrams illustrating a planar structure and a cross-sectional structure of each pixel of the first pixel region in the present exemplary embodiment.
  • Fig. 5A is a schematic diagram illustrating a planar structure of each pixel.
  • Fig. 5B is a schematic diagram illustrating a cross-sectional structure taken along line A-B illustrated in Fig. 5A.
  • Each component having the same function as that of an associated component illustrated in Fig. 4 is designated with the same reference numeral as that designating the associated component illustrated in Fig. 4. Description of such components is omitted.
  • Associated parts of different pixels are distinguished from one another by adding different suffixes to ends of reference numerals.
  • Fig. 5A illustrates the N-type semiconductor region 406 configuring the photoelectric conversion unit, the N-type semiconductor region 410 configuring the FD, the P-type semiconductor region 419 configuring the element isolation portion, and the gate electrode 409 of the transferring transistor.
  • one transferring transistor and one FD are provided corresponding to one photoelectric conversion unit.
  • a plurality of transferring transistors and a plurality of FDs are arranged like a matrix in units of pixels. More specifically, the first pixel region is divided into domains and in each domain, each of a plurality of pixels is provided. Thus, in each of the divided domains, a photoelectric conversion unit, a transistor and an FD included in an associated single pixel are provided.
  • the P-type semiconductor region 419 is provided such that a plurality of pixels provided in the first pixel region can electrically be isolated from one another. More specifically, the P-type semiconductor region 419 is provided between an N-type semiconductor region 406a of each pixel and an N-type semiconductor region 406b of each pixel adjacent thereto, and between an N-type semiconductor region 410a of each pixel and an N-type semiconductor region 406c of each pixel adjacent thereto. In addition, the P-type semiconductor region 419 is provided between the N-type semiconductor region 410a of each pixel and an N-type semiconductor region 410b of each pixel adjacent thereto.
  • Each region 501 surrounded by dashed lines illustrated in Fig. 5A indicates an area in which P-type semiconductor regions 407 are not provided.
  • the P-type semiconductor regions 407 are provided in the entire area other than the regions 501. More specifically, the P-type semiconductor region 407 extends over a plurality of pixels.
  • the P-type semiconductor region 407 is higher than the P-type semiconductor region 419 in impurity concentration.
  • the N-type semiconductor regions 410 and the P-type semiconductor region 407 are provided at a predetermined distance in a direction along a plane of a plan diagram.
  • An end part along a channel direction of the transferring gate 409 of each transferring transistor coincides with that of the P-type semiconductor region 407.
  • the P-type semiconductor 407 defines a channel width of the transferring transistor even when an end part of the P-type semiconductor region 407 is located at a lower part of the transferring gate electrode 409.
  • the arrangement of the P-type semiconductor region 407 is not limited to that. As long as the P-type semiconductor region 407 is provided on at least a part of the N-type semiconductor region 406, the arrangement can be employed.
  • the center of gravity of the N-type semiconductor region 410a configuring the FD of each pixel and that of gravity of the N-type semiconductor region 410b configuring the FD of a pixel adjacent thereto are spaced at a distance equal to or less than 3 micrometers.
  • Fig. 5B further illustrates the P-type semiconductor region 408, the first plug 411, an insulating film provided on the first principal surface (front-side surface) side of the first semiconductor substrate 401, and an insulating film 503 provided on the second principal surface (back-side surface) side thereof.
  • Fig. 5B illustrates a configuration in which the P-type semiconductor region 407 is provided only on the first principal surface side of the N-type semiconductor region 406, the P-type semiconductor region 407 can be provided on an area in which the element isolation region 419 is provided.
  • a P-type semiconductor region 504 can be provided under the N-type semiconductor region 410 configuring the FD. It is desirable that the P-type semiconductor region 504 is arranged to extend in the direction of the plane of the plan diagram over the entire surface of the region 501 surrounded by the dashed lines. More specifically, it is desirable that when the P-type semiconductor region 409 and the P-type semiconductor region 504 are projected in the direction of the insulating film 502, an area onto which the P-type semiconductor region 409 is projected does not overlap with an area onto which the P-type semiconductor region 504 is projected.
  • a negative voltage is applied to the transferring gate electrode 407.
  • a potential barrier for electrons in the semiconductor region provided under the transferring gate electrode 407 is increased.
  • an electric field from the transferring gate electrode 407 does not sufficiently reach the inside of the semiconductor substrate. Accordingly, the potential barrier between the N-type semiconductor regions 406 and 410 is low. It is favorable that the P-type semiconductor region 504 is provided in a region which an electric field from the transferring gate electrode 407 does not sufficiently reach, in the semiconductor substrate.
  • a depth of the interface between the first semiconductor substrate 401 and the insulating film 502 in the element isolation portion with respect to the interface therebetween in the photoelectric conversion unit is 0. If the SIT isolation or the LOCOS isolation is applied to the second pixel region or the peripheral circuit region, the depth of the interface between the first semiconductor substrate 401 and the insulating film 502 in the element isolation portion is shallower than that of the interface between the first semiconductor substrate 401 and a insulating film in such an element isolation portion due to the SIT isolation or the LOCOS isolation.
  • the present exemplary embodiment doesn't use an element isolation structure in which an insulating film is provided in the semiconductor substrate, in each element isolation portion due to the LOCOS isolation or the STI isolation in the first pixel region.
  • the structure in which an insulating film is provided in the semiconductor substrate includes a structure in which the insulating film stacked in the semiconductor substrate has a part protruding in a direction of the semiconductor substrate.
  • the element isolation portion of the first pixel region doesn't include an element isolation structure in which the insulating film is provided in the semiconductor substrate.
  • the interface between the first semiconductor substrate 401 and the insulating film 502 provided in the first principal surface (front-side surface) side of the first semiconductor substrate 401 extends flat over the first pixel region.
  • a semiconductor-substrate/insulating-film interface it is not necessary that the interface between the semiconductor substrate and the insulating film (hereinafter sometimes referred to as a semiconductor-substrate/insulating-film interface) is completely flat.
  • a semiconductor-substrate/insulating-film interface can have roughness due to a manufacturing process.
  • the element isolation structure due to the above PN isolation is an element isolation structure due to the semiconductor region serving as a potential barrier for signal charges.
  • the semiconductor-substrate/insulating-film interface extends substantially flat.
  • a structure in which the insulating film is locally thick due to the LOCOS isolation falls under the category of the structure in which the insulating film is provided in the semiconductor substrate.
  • a structure in which the insulating film is embedded into a groove formed in the semiconductor substrate for the STI isolation falls under the category of the structure in which the insulating film is provided in the semiconductor substrate. Accordingly, if the LOCOS isolation or the STI isolation is used in the element isolation portion, the interface between the semiconductor substrate and the insulating film is not flat.
  • the insulating film is provided in the semiconductor substrate, stress is generated in the semiconductor substrate.
  • interface defect increases, as compared with a case where the interface between the semiconductor substrate and the insulating film is substantially flat.
  • dark current increases. Accordingly, if the interface between the semiconductor substrate and the insulating film is substantially flat, the possibility of occurrence of dark current can be reduced, as compared with the case where the interface therebetween is not flat.
  • a (1 0 0)-surface of the semiconductor substrate can be set to be the first principal surface (front-side surface).
  • first principal surface front-side surface
  • an insulating film is provided on the (1 0 0)-surface of the semiconductor substrate, there is an advantage that interface defect is reduced, as compared with the case where the insulating film is provided on another surface. If the interface therebetween is not flat in the configuration in which the (1 0 0)-surface of the semiconductor substrate is set to be the first principal surface, the semiconductor-substrate/insulating-film interface is provided on the surface other than the (1 0 0)-surface. Accordingly, the interface defect increases and the dark current increases.
  • the photoelectric conversion unit, the transferring transistor, and the FD are provided in the first pixel region, while the amplifying transistor, and the resetting transistor are provided in another pixel region, i.e., the second pixel region.
  • the element isolation portion of the first pixel region doesn't include an element isolation structure in which an insulating film is provided in the first semiconductor substrate.
  • the interface between the semiconductor region of the first semiconductor substrate and the insulating film stacked in the front-side surface of the first semiconductor substrate is substantially flat over the first pixel region.
  • noise due to color mixture among pixels can be reduced.
  • the interface between the semiconductor region and the insulating film in the first pixel region is substantially flat. Therefore, irregular reflection of incident light on the first principal surface (front-side surface) of the first semiconductor substrate can be reduced. Consequently, occurrence of color mixture among adjacent pixels can be reduced.
  • a configuration using the PN isolation in the element isolation portion of the first pixel region is described as an example.
  • a modification of the first exemplary embodiment is described.
  • the mesa-type insulator isolation can be used in the element isolation portion of the first pixel region.
  • Fig. 12 is a schematic diagram illustrating a cross-sectional structure of a mesa-type insulator isolation portion.
  • An insulating film provided on the first principal surface (front-side surface) of the first semiconductor substrate 401 has a protrusion portion 1201 provided on a side opposite to the first semiconductor substrate.
  • the protrusion portion 1201 can be configured by either a part of the insulating film provided on the first principal surface of the first semiconductor substrate 401 or a member differing from the insulating film. Alternatively, the protrusion portion 1201 can be configured by stacking an insulating film on another insulating film provided on the first principal surface of the first semiconductor substrate 401.
  • a P-type semiconductor region 1202 is provided in a region in which the protrusion portion 1201 is provided on the first principal surface (front-sided surface) side of the first semiconductor substrate 401.
  • a transferring gate 1202 of the transferring transistor can be provided on the protrusion portion 1201.
  • the element isolation structure in which an insulating film is provided in the semiconductor substrate can be used in the element isolation portion of the first pixel region.
  • Fig. 12B is a schematic diagram illustrating a cross-sectional structure of each pixel in the first pixel region according to a modification of the first exemplary embodiment. However, description of a part thereof, which is similar to that illustrated in Fig. 5B, is omitted.
  • Fig. 12C is a schematic diagram illustrating a cross-sectional structure of the second pixel region or the peripheral circuit region.
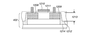
  • an insulating film provided on the first principal surface (front-side surface) of the first semiconductor substrate 401 protrudes into the first semiconductor substrate 401 in the element isolation portion. More specifically, an interface 1204 between the first semiconductor substrate 401 and an insulating film in the element isolation portion is provided at a first depth 1206 with respect to an interface 1204 between the first semiconductor substrate 401 and an insulating film in the photoelectric conversion unit.
  • a P-type semiconductor region 1207 is provided in the element isolation portion of the first pixel region.
  • a practical example of such a configuration is a structure due to electro-deionization (EDI) isolation.
  • the structure due to the EDI isolation is configured to include a P-type semiconductor region and an insulating film deposited on an upper part of the P-type semiconductor region.
  • a depth direction is defined as a direction perpendicular to the first principal surface (front-side surface) in the photoelectric conversion unit of the first semiconductor substrate. That the "depth is shallow” means that a distance from a reference surface is small.
  • Fig. 12C is a schematic diagram illustrating a cross-sectional structure of a transistor provided in the second pixel region or the peripheral circuit region.
  • An example of a configuration using the STI isolation for the element isolation of the second pixel region or the peripheral circuit region is described hereinafter. However, the configuration can use the LOCOS isolation.
  • N-type semiconductor regions 1208 and 1209 respectively configuring a source or a drain of a transistor are provided on the front-side surface of the second semiconductor substrate 402.
  • a gate electrode 1201 is provided on the front-side surface side of the second semiconductor substrate 402 across an insulating film.
  • a P-type semiconductor region 1214 is provided in the element isolation portion of the second semiconductor substrate 402.
  • a groove is provided in the element isolation portion of the second semiconductor substrate 402.
  • An insulating film is embedded in the groove.
  • the insulating film provided on the front-side surface of the second semiconductor substrate 402 protrudes into the second semiconductor substrate 402 in the element isolation portion.
  • an interface 1212 between the second semiconductor substrate 402 and the insulating film in the element isolation portion is provided at a second depth 1213 with respect to an interface 1211 between the second semiconductor substrate 402 and the insulating film in a region in which a transistor is provided.
  • the region serving as a reference, in which a transistor is provided is, e.g., a semiconductor region configuring the source or drain of the transistor.
  • the present exemplary modification has a feature that the first depth 1206 is shallow, as compared with the second depth 1213.
  • the present exemplary modification can be applied to a case where the first depth 1206 is zero, in other words where the interface between the first semiconductor substrate 401 and the insulating film is substantially flat.
  • the element isolation portion of the first pixel region includes the insulating film provided in the semiconductor substrate, increase of dark current is small in case where an amount of protrusion of the insulating film into the semiconductor substrate is small, as compared with the element isolation portions of other regions. Accordingly, advantages substantially the same as those of the first exemplary embodiment can be obtained.
  • the second pixel region included in the second semiconductor substrate, or the element isolation portion provided in the peripheral circuit region is employed as a target of comparison.
  • a configuration including a peripheral circuit region provided in the semiconductor substrate can be employed.
  • an element isolation portion provided in the peripheral circuit region included in the first semiconductor substrate can be employed as a target of comparison.
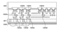
  • Fig. 13A through 13C is a schematic diagram illustrating a cross-sectional structure in a manufacturing process according to the first exemplary embodiment.
  • Fig. 13A illustrates a step of preparing the first semiconductor substrate 401.
  • the first semiconductor substrate 401 is, e.g., a silicon substrate.
  • An element isolation portion is formed in the first pixel region of the first semiconductor substrate 401.
  • each semiconductor region and a gate electrode are formed in and on the first semiconductor substrate 401.
  • a plurality of interlayer insulating films and second multilayer wiring 1301, in which a plurality of wiring layers are stacked, are formed on the first principal surface (front-side surface) side of the first semiconductor substrate 401.
  • a plurality of wiring layers is connected by contact plugs to one another.
  • a connection portion 1302 to be connected to the first semiconductor substrate 401 is provided on the uppermost layer of the first multilayer wiring layer 1301.
  • Fig. 13B illustrates a step of preparing the second semiconductor substrate 402.
  • the second semiconductor substrate 402 is, e.g., a silicon substrate.
  • a second pixel region and an element isolation portion are formed in the second semiconductor substrate and the peripheral circuit region.
  • each semiconductor region and a gate electrode are formed in and on the second semiconductor substrate 402.
  • a plurality of interlayer insulating films and second multilayer wiring 1303, in which a plurality of wiring layers are stacked, are formed on the front-side surface side of the second semiconductor substrate 402.
  • a plurality of wiring layers is connected by contact plugs to one another.
  • a connection portion 1304 to be connected to the first semiconductor substrate 401 is provided on the uppermost layer of the second multilayer wiring layer 1303.
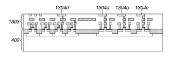
  • Fig. 13C illustrates a step of connecting the first semiconductor substrate 401 to the second semiconductor substrate 402.
  • the connection portion 1302 illustrated in Fig. 13A, and the connection portion 1304 illustrated in Fig. 13B are connected to associated connection parts, respectively.
  • As a suffix of the associated connection part the same alphabetic character is added as that of the connection portion. .
  • a connection portion 1302 illustrated in Fig. 13A is connected to a connection part 1304a illustrated in Fig. 13B.
  • the first semiconductor substrate 401 and the second semiconductor substrate 402 are provided such that the first principal surface (front-side surface) of the first semiconductor substrate 401 faces the second semiconductor substrate 402, and that the front-side surface of the second semiconductor substrate 402 faces the first semiconductor substrate 401.
  • an optical member 1305 is formed on the second principal surface (back-side surface) opposite to the first principal surface of the first semiconductor substrate 401, if necessary.
  • the optical member 1305 can include a light shielding film, a color filter, and a microlens.
  • a silicon dioxide film, a silicon nitride film, a silicon oxynitride film, and a film stack of such films can be used as the insulating film according to the present exemplary embodiment.
  • examples using a silicon dioxide film as the insulating film are described.
  • the first semiconductor substrate 101 and the second semiconductor substrate 102 are arranged to face each other across wiring for connecting circuits provided on both of the semiconductor substrates 101 and 102, similarly to those of the first exemplary embodiment.
  • a feature of the second exemplary embodiment is that a plurality of pixels share an FD.
  • Fig. 6 is an equivalent circuit diagram illustrating an equivalent circuit of each pixel according to the present exemplary embodiment.
  • Each component of the present exemplary embodiment which has the same function as that of an associated component illustrated in Fig. 2, is designated with the same reference numeral as that denoting the associated component. Thus, a detailed description of such components is omitted.
  • a first photoelectric conversion unit 601a, a second photoelectric conversion unit 601b, a first transferring transistor 602a, a second transferring transistor 602b, and an FD 603 are provided.
  • the first photoelectric conversion unit 601a is connected to the FD 603 via the first transferring transistor 602a.
  • the second photoelectric conversion unit 601b is connected to the FD 603 via the second transferring transistor 602b. More specifically, a pixel including the first photoelectric conversion unit 601a and another pixel including the second photoelectric conversion unit 601b share the FD 603. A control line 604a and another control line 604b are connected to a gate of the first transferring transistor 602a and that of the second transferring transistor 602b, respectively.
  • the first photoelectric conversion unit 601a, the second photoelectric conversion unit 601b, the first transferring transistor 602a, the second transferring transistor 602b, and the FD 603 are provided in the first pixel region 103 of the first semiconductor substrate 101 illustrated in Fig. 1A.
  • the amplifying transistor 205, the resetting transistor 206, and the selecting transistor 207 are provided in the second pixel region 104 of the second semiconductor substrate 102 illustrated in Fig. 1A.
  • the electrical connection portion between the first semiconductor substrate 101 and the second semiconductor substrate 102 is provided on the path between the FD 603 and the gate of the amplifying transistor 205.
  • Fig. 6 illustrates a single unit 600 including two pixels that share the FD 603. Actually, a plurality of units 600 are arranged like a matrix. A plurality of units 600 included in a single column is connected to the vertical output line 208.
  • the PN isolation is used in the element isolation portion of the first pixel region. Accordingly, the interface between the first semiconductor substrate 101 and the insulating film stacked on the first principal surface (front-side surface) side thereof extends substantially flat over the first pixel region.
  • Fig. 7 is a schematic diagram illustrating a planar structure of each pixel in the first pixel region in the present exemplary embodiment.
  • Fig. 7 illustrates an N-type semiconductor region 701 configuring the photoelectric conversion unit, a transferring gate electrode 702 of the transferring transistor, and an N-type semiconductor region 703 configuring the FD.
  • Associated components of different pixels are distinguished from one another by adding different suffixes to ends of reference numerals.
  • a set of an N-type semiconductor region 701a and a transferring gate electrode 702a, and a set of an N-type semiconductor region 701b and a transferring gate electrode 702b are provided corresponding to an N-type semiconductor region 703a.
  • Signal charges generated by the N-type semiconductor regions 701a and 701b are transferred by the transferring gate electrodes 702a and 702b to the N-type semiconductor region 703a serving as the FD.
  • a plurality of pixels shares the FD.
  • element isolation portions (not shown) for electrically isolating a plurality of pixels provided in the first pixel region from one another are provided.
  • the solid-state imaging device has the following advantage in addition to those of the first exemplary embodiment.
  • a plurality of the pixels shares the FD.
  • the number of elements configuring each pixel can be reduced.
  • a rate of the photoelectric conversion unit to the planar size of pixels can be further increased. Accordingly, further enhancement of sensitivity of each pixel and further miniaturization thereof can be achieved.
  • Fig. 8 illustrates a planar structure of each pixel of the first pixel region in a modification of the present exemplary embodiment.
  • four N-type semiconductor regions 801a, 801b, 801c, and 801d are respectively connected via transferring gate electrodes 802a, 802b, 802c, and 802d of transferring transistors to an N-type semiconductor region 803 configuring an FD.
  • a configuration similarly to that of the modification of the first exemplary embodiment can be applied to the device.
  • the mesa-type insulator isolation can be used in the element isolation portions of the first pixel region.
  • the element isolation structure in which an insulating film due to the EDI isolation or the like is provided in the semiconductor substrate, can be used in the element isolation portions of the first pixel region.
  • the first semiconductor substrate 101 and the second semiconductor substrate 102 are provided across wiring for connecting circuits provided on both of the semiconductor substrates 101 and 102 to face each other.
  • a feature-part of the third exemplary embodiment is that the first semiconductor substrate includes a first peripheral circuit region in which a part of the signal processing circuit is provided at a location other than the first pixel region in which the photoelectric conversion unit is provided.
  • Fig. 1B is a schematic diagram illustrating a planar structure of the first semiconductor substrate and the second semiconductor substrate included in the solid-state imaging device according to the present exemplary embodiment.
  • a first semiconductor substrate 111 includes a first pixel region 113 and a first peripheral circuit region 114.
  • a second semiconductor substrate 112 includes a second pixel region 115 and a second peripheral circuit region 116.
  • No photoelectric conversion units are provided in the first peripheral circuit region 114, the second pixel region 115, and the peripheral circuit region 116.
  • No photoelectric conversion units are provided in the second pixel region 104 and the peripheral circuit region 105.
  • the first semiconductor substrate 101 and the second semiconductor substrate 102 are provided across wiring for connecting the circuits provided on both of the semiconductor substrates to face each other.
  • Fig. 9 illustrates a schematic diagram illustrating a cross-sectional structure including the first semiconductor substrate, the second semiconductor substrate, and an electrical connection portion between both of the semiconductor substrates in the solid-state imaging device according to the present exemplary embodiment.
  • a first semiconductor substrate 901 includes a first pixel region 903 and a first peripheral circuit region 904.
  • a second semiconductor substrate 902 includes a second pixel region 905 and a second peripheral circuit region 906.
  • an upper principal surface of the first semiconductor substrate 901 is a first principal surface (front-side surface).
  • a gate electrode of the transferring transistor, and wiring connected to an FD are provided on the first principal surface (front-side surface) side of the first semiconductor substrate 901.
  • a lower principal surface of the first semiconductor substrate 901 is a second principal surface (back-side surface).
  • Arrow L indicates a direction in which light is incident. As indicated by arrow L, light is incident on the photoelectric conversion unit from a second principal surface (back-side surface) side of the first semiconductor substrate 901.
  • a surface (lower principal surface illustrated in Fig. 9) of the second semiconductor substrate 902, on which elements are provided, is a front-side surface of the second semiconductor substrate 902.
  • the first semiconductor substrate 401 and the second semiconductor substrate 402 are arranged such that the first principal surface (front-side surface) of the first semiconductor substrate 401 faces the second semiconductor substrate 402, and that the front-side surface of the second semiconductor substrate 402 faces the first semiconductor substrate 401.
  • An electrically-conductive pattern including a connection portion (to be described below) is provided between the first semiconductor substrate 401 and the second semiconductor substrate 402.
  • the first semiconductor substrate 401 and the second semiconductor substrate 402 are arranged across the electrically-conductive pattern to face each other.
  • the photoelectric conversion units, the FDs, and the transferring transistors are arranged like a matrix in units of pixels.
  • the amplifying transistors and the resetting transistors are arranged like a matrix in units of pixels.
  • Fig. 9 illustrates a cross-section of the amplifying transistor as an example.
  • An N-type semiconductor region 907 configuring an FD, and a gate electrode 908 of the amplifying transistor are electrically connected via a connection portion 909 to each other.
  • a part of elements configuring a signal processing circuit is provided in the first peripheral circuit region 904, while another part of the elements is provided in the second peripheral circuit region 906. It is suitable that a circuit 910 for supplying drive pulses to the gate of the transferring transistor, which is included in the vertical shift register, is provided in the first peripheral circuit region 904. Elements provided in the first peripheral circuit region 904 are electrically connected to those provided in the second peripheral circuit region 906 via, e.g., a connection portion 911.
  • Element isolation portions for electrically isolating pixels arranged like a matrix are provided in the first pixel region 903. Each element isolation portion isolates the photoelectric conversion units of pixels adjoining each other. Alternatively, each element isolation portion isolates the photoelectric conversion unit of a pixel from an FD of another pixel adjacent thereto. Alternatively, the element isolation portion can be configured to isolate FDs of pixels adjoining one another.
  • the PN isolation is used in the element isolation portions of the first pixel region 903.
  • the P-type semiconductor region 419 is provided between the photoelectric conversion unit and the N-type semiconductor region 907 configuring the FD of the pixel adjacent thereto.
  • the P-type semiconductor region 419 serves as a potential barrier for electrons in the N-type semiconductor region.
  • the P-type semiconductor region 419 can achieve element isolation.
  • any element isolation structure can be used in regions other than the first pixel region 903, i.e., in the first peripheral circuit region 904, the second pixel region 905, and the second peripheral circuit region 906.
  • the LOCOS isolation and the STI isolation are used.
  • the PN isolation or the mesa-type insulator isolation can be used.
  • an element isolation portion 913a of the first peripheral circuit region, an element isolation portion 913b of the second pixel region, and an element isolation portion 913c of the second peripheral circuit region have the same element isolation structure.
  • the element isolation portions 913a, 913b, and 913c can differ from one another in element isolation structure.
  • a configuration similar to that according to the modification of the first exemplary embodiment can be applied to the device.
  • the mesa-type insulator isolation can be used in the element isolation portions of the first pixel region.
  • An element isolation structure in which an insulating film is provided in the semiconductor substrate can be used in the element isolation portions of the first pixel region.
  • the present exemplary embodiment has the following advantages in addition to those of the first exemplary embodiment.
  • the first semiconductor substrate includes the first peripheral circuit region at a location differing from that of the first pixel region.
  • a part of elements configuring a signal processing circuit are provided in the first peripheral circuit region.
  • a feature-part of the present exemplary embodiment is that one semiconductor substrate includes a first pixel region in which photoelectric conversion portions are provided, and that a second pixel region and a peripheral circuit region are included at a place differing from the first pixel region. Description of components of the present exemplary embodiment, which are similar to associated components of the first through third exemplary embodiments, is omitted.
  • FIG. 1C is a schematic diagram illustrating a planar structure of a semiconductor substrate included in the solid-state imaging device according to the present exemplary embodiment.
  • a semiconductor substrate 121 includes a first pixel region 122, a second pixel region 123, and a peripheral circuit region 124. Photoelectric conversion units are provided in the first pixel region 122. No photoelectric conversion units are provided in the second pixel region 123 and the peripheral circuit region 124.
  • Fig 10 is an equivalent circuit diagram illustrating an equivalent circuit of each pixel according to the present exemplary embodiment.
  • Fig. 10 illustrates six pixels arranged like a matrix with two rows and three columns.
  • the number of pixels included in the solid-state imaging device according to the present exemplary embodiment is not limited thereto.
  • a pixel 1001 includes a photoelectric conversion unit 1002, a transferring transistor 1003, and an FD 1004. An amplifying transistor 1005 and a resetting transistor 1006 are provided in each image column.
  • FDs 1004 of a plurality of pixels included in a single pixel column are connected to one another, and to a gate of the amplifying transistor 1005.
  • a drain of the amplifying transistor 1005 is connected to a power supply.
  • a source of the amplifying transistor 1005 is connected to a vertical output line 1007.
  • a drain of the resetting transistor 1006 is connected to the power supply.
  • a source of the resetting transistor 1006 is connected to the FD 1004.
  • a constant current source 1008 is connected to the vertical output line 1007.
  • the amplifying transistor 1005 and the constant current source 1008 connected thereto configure a source follower circuit.
  • a control line 1010 is connected to a transferring transistor 1002.
  • a control line 1010 is connected to the gate of the resetting transistor 1006.
  • a signal processing circuit (not shown) is provided at a subsequent stage of the vertical output line 1007.
  • elements surrounded by dashed lines 1001 are provided in the first pixel region 122 illustrated in Fig. 1C.
  • Elements surrounded by dashed lines 1012 are provided in the second pixel region 123 illustrated in Fig. 1C.
  • no transistors other than the transferring transistor 1003 are provided in the first pixel region 122 in which a plurality of photoelectric conversion portions are arranged.
  • the amplifying transistors 1005 and the resetting transistors 1006 are provided in the second pixel region 123 other than the first pixel region 122 in which a plurality of photoelectric conversion units are arranged.
  • FIG. 11 is a schematic diagram illustrating a cross-sectional structure of the semiconductor substrate in the sold-state imaging device according to the present exemplary embodiment.
  • a semiconductor substrate 1101 includes a first pixel region 1102, a second pixel region 1103, and a peripheral circuit region 1104.
  • Arrow L indicates a direction in which light is incident. As indicated by arrow L, light is incident from a second principal surface (back-side surface) opposite to the first principal surface (front-side surface) of the semiconductor substrate 1101.
  • Photoelectric conversion units, FDs, and transferring transistors are provided in the first pixel region 1102.
  • the amplifying transistors 106 and the resetting transistors 107 are provided in the second pixel region 1103.
  • FDs of a plurality of pixels included in a single pixel column are connected to common wiring 1105.
  • the common wiring 1105 is connected to a gate electrode of the amplifying transistor 1106.
  • a source of the resetting transistor 1107 is connected to the common wiring 1105.
  • Elements configuring a signal processing circuit are provided in the peripheral circuit region 1104.
  • Element isolation portions for electrically isolating a plurality of pixels arranged like a matrix from one another are provided in the first pixel region 1102.
  • Each element isolation portion isolates the photoelectric conversion units of pixels adjoining each other.
  • each element isolation portion isolates the photoelectric conversion unit of a pixel from an FD of another pixel adjacent thereto.
  • the element isolation portion can be configured to isolate FDs of pixels adjoining one another.
  • the PN isolation is used in the element isolation portions of the first pixel region 1102.
  • the P-type semiconductor region 1108 is provided between the photoelectric conversion unit and the FD of the pixel adjacent thereto in the cross-section illustrated in Fig. 11.
  • the P-type semiconductor region 1108 serves as a potential barrier for electrons in the N-type semiconductor region.
  • the P-type semiconductor region 1108 can achieve element isolation.
  • any element isolation structure can be used in regions other than the first pixel region 1102, i.e., in the element isolation portions 1109 provided in the second pixel region 1103, and the peripheral circuit region 1104.
  • the LOCOS isolation and the STI isolation are used.
  • the PN isolation or the mesa-type insulator isolation can be used.
  • an element isolation portion 1109a of the second pixel region, and an element isolation portion 1109b of the peripheral circuit region have the same element isolation structure.
  • the element isolation portions 1109a and 1109b can differ from one another in element isolation structure.
  • a configuration similar to that according to the modification of the first exemplary embodiment can be applied to the device.
  • the PN isolation and the mesa-type insulator isolation can be used therein.
  • An element isolation structure in which an insulating film is provided in the semiconductor substrate can be used in the element isolation portions of the first pixel region.
  • one semiconductor substrate includes the first pixel region in which the photoelectric conversion units are provided, and the second pixel region and the peripheral circuit region, which are located at places differing from the first pixel region.
  • an element isolation structure in which an insulating film is provided in the semiconductor substrate is not used in the first pixel region.
  • the back-side surface irradiation type solid-state imaging device has been described as an example.
  • the present invention can be applied to a front-side surface irradiation type solid-state imaging device.

Landscapes

  • Solid State Image Pick-Up Elements (AREA)
  • Engineering & Computer Science (AREA)
  • Multimedia (AREA)
  • Signal Processing (AREA)
  • Element Separation (AREA)
PCT/JP2011/003530 2010-06-30 2011-06-21 Solid-state imaging device and manufacturing method therefor Ceased WO2012001910A1 (en)

Priority Applications (7)

Application Number Priority Date Filing Date Title
US13/807,065 US8928041B2 (en) 2010-06-30 2011-06-21 Solid-state imaging device and manufacturing method therefor
US14/555,352 US9450012B2 (en) 2010-06-30 2014-11-26 Solid-state imaging device and manufacturing method therefor
US15/239,530 US9787931B2 (en) 2010-06-30 2016-08-17 Solid-state imaging device and manufacturing method therefor
US15/702,097 US10462405B2 (en) 2010-06-30 2017-09-12 Solid-state imaging device and manufacturing method therefor
US16/579,058 US11108982B2 (en) 2010-06-30 2019-09-23 Solid-state imaging device and manufacturing method therefor
US17/393,078 US11843886B2 (en) 2010-06-30 2021-08-03 Solid-state imaging device and manufacturing method therefor
US18/504,046 US20240073562A1 (en) 2010-06-30 2023-11-07 Solid-state imaging device and manufacturing method therefor

Applications Claiming Priority (2)

Application Number Priority Date Filing Date Title
JP2010-149476 2010-06-30
JP2010149476A JP2012015274A (ja) 2010-06-30 2010-06-30 固体撮像装置、及び固体撮像装置の製造方法。

Related Child Applications (2)

Application Number Title Priority Date Filing Date
US13/807,065 A-371-Of-International US8928041B2 (en) 2010-06-30 2011-06-21 Solid-state imaging device and manufacturing method therefor
US14/555,352 Continuation US9450012B2 (en) 2010-06-30 2014-11-26 Solid-state imaging device and manufacturing method therefor

Publications (1)

Publication Number Publication Date
WO2012001910A1 true WO2012001910A1 (en) 2012-01-05

Family

ID=44504097

Family Applications (1)

Application Number Title Priority Date Filing Date
PCT/JP2011/003530 Ceased WO2012001910A1 (en) 2010-06-30 2011-06-21 Solid-state imaging device and manufacturing method therefor

Country Status (3)

Country Link
US (7) US8928041B2 (enExample)
JP (1) JP2012015274A (enExample)
WO (1) WO2012001910A1 (enExample)

Cited By (1)

* Cited by examiner, † Cited by third party
Publication number Priority date Publication date Assignee Title
JP2024031790A (ja) * 2022-08-26 2024-03-07 台湾積體電路製造股▲ふん▼有限公司 積層型cmosイメージセンサ

Families Citing this family (21)

* Cited by examiner, † Cited by third party
Publication number Priority date Publication date Assignee Title
JP5304536B2 (ja) * 2009-08-24 2013-10-02 ソニー株式会社 半導体装置
JP2012015274A (ja) * 2010-06-30 2012-01-19 Canon Inc 固体撮像装置、及び固体撮像装置の製造方法。
JP6183718B2 (ja) * 2012-06-25 2017-08-23 パナソニックIpマネジメント株式会社 固体撮像装置
US9318640B2 (en) * 2013-03-15 2016-04-19 Taiwan Semiconductor Manufacturing Company, Ltd. Method and apparatus for image sensor packaging
JP6119432B2 (ja) * 2013-05-31 2017-04-26 ソニー株式会社 固体撮像素子、電子機器、および製造方法
US9780137B2 (en) * 2013-11-25 2017-10-03 Taiwan Semiconductor Manufacturing Co., Ltd. Mechanisms for forming image-sensor device with epitaxial isolation feature
JP6366285B2 (ja) * 2014-01-30 2018-08-01 キヤノン株式会社 固体撮像装置
JP2016178408A (ja) 2015-03-19 2016-10-06 キヤノン株式会社 固体撮像装置及びその駆動方法、並びに撮像システム
WO2017057444A1 (ja) * 2015-09-30 2017-04-06 株式会社ニコン 撮像素子および撮像装置
US9812482B2 (en) * 2015-12-28 2017-11-07 Taiwan Semiconductor Manufacturing Co., Ltd. Frontside illuminated (FSI) image sensor with a reflector
JP6789653B2 (ja) * 2016-03-31 2020-11-25 キヤノン株式会社 光電変換装置およびカメラ
JP6856983B2 (ja) * 2016-06-30 2021-04-14 キヤノン株式会社 光電変換装置及びカメラ
WO2018074530A1 (en) 2016-10-18 2018-04-26 Sony Semiconductor Solutions Corporation Photodetector
JP7102119B2 (ja) * 2017-09-29 2022-07-19 キヤノン株式会社 半導体装置および機器
KR102598041B1 (ko) * 2018-02-28 2023-11-07 삼성전자주식회사 이미지 센서 칩
KR20210130868A (ko) * 2020-04-22 2021-11-02 삼성전자주식회사 이미지 센서
JP7248163B2 (ja) * 2020-06-08 2023-03-29 株式会社ニコン 撮像装置
CN111933618B (zh) * 2020-08-13 2022-01-28 武汉新芯集成电路制造有限公司 具有对准标识的晶圆组件及其形成方法、晶圆对准方法
KR20220034973A (ko) * 2020-09-11 2022-03-21 삼성전자주식회사 이미지 센서
CN116686077A (zh) * 2021-02-12 2023-09-01 索尼半导体解决方案公司 光电转换元件及电子设备
JP2022156254A (ja) * 2021-03-31 2022-10-14 ソニーセミコンダクタソリューションズ株式会社 撮像装置及び撮像装置の製造方法

Citations (10)

* Cited by examiner, † Cited by third party
Publication number Priority date Publication date Assignee Title
US20070069258A1 (en) * 2005-09-29 2007-03-29 Samsung Electronics Co., Ltd. Pixel having two semiconductor layers, image sensor including the pixel, and image processing system including the image sensor
US20070194356A1 (en) * 2006-01-31 2007-08-23 Chang-Rok Moon Image sensor having improved sensitivity and decreased crosstalk and method of fabricating same
WO2007105478A1 (ja) * 2006-02-27 2007-09-20 Mitsumasa Koyanagi 集積センサを搭載した積層型半導体装置
EP1883112A1 (fr) * 2006-07-24 2008-01-30 St Microelectronics S.A. Capteur d'images éclairé par la face arrière à température de substrat uniforme
US20080083939A1 (en) * 2006-10-05 2008-04-10 Guidash Robert M Active pixel sensor having two wafers
WO2008156274A1 (en) * 2007-06-19 2008-12-24 Siliconfile Technologies Inc. Pixel array preventing the cross talk between unit pixels and image sensor using the pixel
US20090184349A1 (en) * 2008-01-17 2009-07-23 Micron Technology, Inc. 3d backside illuminated image sensor with multiplexed pixel structure
JP2009170448A (ja) 2008-01-10 2009-07-30 Nikon Corp 固体撮像素子
JP2010149476A (ja) 2008-12-26 2010-07-08 Toyobo Co Ltd ポリアミド系積層二軸延伸フィルム
WO2011077709A1 (en) * 2009-12-26 2011-06-30 Canon Kabushiki Kaisha Solid-state image pickup device and image pickup system

Family Cites Families (10)

* Cited by examiner, † Cited by third party
Publication number Priority date Publication date Assignee Title
JP4340248B2 (ja) * 2005-03-17 2009-10-07 富士通マイクロエレクトロニクス株式会社 半導体撮像装置を製造する方法
JP4525671B2 (ja) 2006-12-08 2010-08-18 ソニー株式会社 固体撮像装置
JP2008277511A (ja) * 2007-04-27 2008-11-13 Fujifilm Corp 撮像素子及び撮像装置
JP5104036B2 (ja) 2007-05-24 2012-12-19 ソニー株式会社 固体撮像素子とその製造方法及び撮像装置
US8072015B2 (en) 2007-06-04 2011-12-06 Sony Corporation Solid-state imaging device and manufacturing method thereof
JP2009064980A (ja) * 2007-09-06 2009-03-26 Canon Inc 撮像装置の製造方法、撮像装置、及び撮像システム
JP5292787B2 (ja) 2007-11-30 2013-09-18 ソニー株式会社 固体撮像装置及びカメラ
EP2133918B1 (en) 2008-06-09 2015-01-28 Sony Corporation Solid-state imaging device, drive method thereof and electronic apparatus
US8471939B2 (en) 2008-08-01 2013-06-25 Omnivision Technologies, Inc. Image sensor having multiple sensing layers
JP2012015274A (ja) * 2010-06-30 2012-01-19 Canon Inc 固体撮像装置、及び固体撮像装置の製造方法。

Patent Citations (10)

* Cited by examiner, † Cited by third party
Publication number Priority date Publication date Assignee Title
US20070069258A1 (en) * 2005-09-29 2007-03-29 Samsung Electronics Co., Ltd. Pixel having two semiconductor layers, image sensor including the pixel, and image processing system including the image sensor
US20070194356A1 (en) * 2006-01-31 2007-08-23 Chang-Rok Moon Image sensor having improved sensitivity and decreased crosstalk and method of fabricating same
WO2007105478A1 (ja) * 2006-02-27 2007-09-20 Mitsumasa Koyanagi 集積センサを搭載した積層型半導体装置
EP1883112A1 (fr) * 2006-07-24 2008-01-30 St Microelectronics S.A. Capteur d'images éclairé par la face arrière à température de substrat uniforme
US20080083939A1 (en) * 2006-10-05 2008-04-10 Guidash Robert M Active pixel sensor having two wafers
WO2008156274A1 (en) * 2007-06-19 2008-12-24 Siliconfile Technologies Inc. Pixel array preventing the cross talk between unit pixels and image sensor using the pixel
JP2009170448A (ja) 2008-01-10 2009-07-30 Nikon Corp 固体撮像素子
US20090184349A1 (en) * 2008-01-17 2009-07-23 Micron Technology, Inc. 3d backside illuminated image sensor with multiplexed pixel structure
JP2010149476A (ja) 2008-12-26 2010-07-08 Toyobo Co Ltd ポリアミド系積層二軸延伸フィルム
WO2011077709A1 (en) * 2009-12-26 2011-06-30 Canon Kabushiki Kaisha Solid-state image pickup device and image pickup system

Cited By (2)

* Cited by examiner, † Cited by third party
Publication number Priority date Publication date Assignee Title
JP2024031790A (ja) * 2022-08-26 2024-03-07 台湾積體電路製造股▲ふん▼有限公司 積層型cmosイメージセンサ
JP7547551B2 (ja) 2022-08-26 2024-09-09 台湾積體電路製造股▲ふん▼有限公司 積層型cmosイメージセンサ

Also Published As

Publication number Publication date
JP2012015274A (ja) 2012-01-19
US11843886B2 (en) 2023-12-12
US10462405B2 (en) 2019-10-29
US20240073562A1 (en) 2024-02-29
US20150076574A1 (en) 2015-03-19
US20180007300A1 (en) 2018-01-04
US20210368120A1 (en) 2021-11-25
US8928041B2 (en) 2015-01-06
US20160360139A1 (en) 2016-12-08
US9450012B2 (en) 2016-09-20
US20200021766A1 (en) 2020-01-16
US11108982B2 (en) 2021-08-31
US9787931B2 (en) 2017-10-10
US20130099291A1 (en) 2013-04-25

Similar Documents

Publication Publication Date Title
US20240073562A1 (en) Solid-state imaging device and manufacturing method therefor
TWI497702B (zh) Solid state camera device
US8198695B2 (en) Back-illuminated type solid-state imaging device
KR101458052B1 (ko) 혼색 방지 구조를 갖는 시모스 이미지 센서 및 그 제조방법
US12021106B2 (en) Solid-state image sensor and electronic device
US20110042723A1 (en) Solid-state imaging device, electronic apparatus, and method for making solid-state imaging device
CN103579274B (zh) 图像拾取装置和图像拾取系统
JP6689936B2 (ja) 撮像装置の製造方法
CN101221968B (zh) 固态成像装置、电子模块和电子设备
US20230197753A1 (en) Solid-state image element and electronic device
US20210193714A1 (en) Imaging device
US9343496B2 (en) Solid-state imaging device, production method thereof and camera
WO2024237009A1 (ja) 光検出装置及び電子機器
JP2020113793A (ja) 撮像装置

Legal Events

Date Code Title Description
121 Ep: the epo has been informed by wipo that ep was designated in this application

Ref document number: 11738329

Country of ref document: EP

Kind code of ref document: A1

WWE Wipo information: entry into national phase

Ref document number: 13807065

Country of ref document: US

NENP Non-entry into the national phase

Ref country code: DE

122 Ep: pct application non-entry in european phase

Ref document number: 11738329

Country of ref document: EP

Kind code of ref document: A1