KR20180098418A - 이소시아네이트의 제조 방법 - Google Patents
이소시아네이트의 제조 방법 Download PDFInfo
- Publication number
- KR20180098418A KR20180098418A KR1020187024178A KR20187024178A KR20180098418A KR 20180098418 A KR20180098418 A KR 20180098418A KR 1020187024178 A KR1020187024178 A KR 1020187024178A KR 20187024178 A KR20187024178 A KR 20187024178A KR 20180098418 A KR20180098418 A KR 20180098418A
- Authority
- KR
- South Korea
- Prior art keywords
- isomers
- phenol
- group
- isomer
- carbonate
- Prior art date
- Legal status (The legal status is an assumption and is not a legal conclusion. Google has not performed a legal analysis and makes no representation as to the accuracy of the status listed.)
- Ceased
Links
- 239000012948 isocyanate Substances 0.000 title claims abstract description 94
- 150000002513 isocyanates Chemical class 0.000 title claims abstract description 94
- 238000004519 manufacturing process Methods 0.000 title claims description 70
- 238000006243 chemical reaction Methods 0.000 claims abstract description 322
- 150000001875 compounds Chemical class 0.000 claims abstract description 250
- QGZKDVFQNNGYKY-UHFFFAOYSA-N Ammonia Chemical compound N QGZKDVFQNNGYKY-UHFFFAOYSA-N 0.000 claims abstract description 239
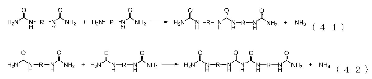
- XSQUKJJJFZCRTK-UHFFFAOYSA-N Urea Chemical compound NC(N)=O XSQUKJJJFZCRTK-UHFFFAOYSA-N 0.000 claims abstract description 221
- 150000002440 hydroxy compounds Chemical class 0.000 claims abstract description 204
- 238000000034 method Methods 0.000 claims abstract description 188
- 150000004657 carbamic acid derivatives Chemical class 0.000 claims abstract description 161
- 239000004202 carbamide Substances 0.000 claims abstract description 120
- 229910021529 ammonia Inorganic materials 0.000 claims abstract description 119
- 230000008569 process Effects 0.000 claims abstract description 69
- 125000002915 carbonyl group Chemical group [*:2]C([*:1])=O 0.000 claims abstract description 24
- 125000002924 primary amino group Chemical class [H]N([H])* 0.000 claims abstract 3
- 239000002994 raw material Substances 0.000 claims description 36
- 239000007788 liquid Substances 0.000 claims description 29
- 239000012808 vapor phase Substances 0.000 claims description 17
- 238000010494 dissociation reaction Methods 0.000 claims description 15
- 230000005593 dissociations Effects 0.000 claims description 11
- 238000010521 absorption reaction Methods 0.000 claims description 6
- OWIKHYCFFJSOEH-UHFFFAOYSA-N Isocyanic acid Chemical compound N=C=O OWIKHYCFFJSOEH-UHFFFAOYSA-N 0.000 claims description 5
- BFNBIHQBYMNNAN-UHFFFAOYSA-N ammonium sulfate Chemical compound N.N.OS(O)(=O)=O BFNBIHQBYMNNAN-UHFFFAOYSA-N 0.000 claims description 5
- 229910052921 ammonium sulfate Inorganic materials 0.000 claims description 5
- 235000011130 ammonium sulphate Nutrition 0.000 claims description 5
- XLJMAIOERFSOGZ-UHFFFAOYSA-N anhydrous cyanic acid Natural products OC#N XLJMAIOERFSOGZ-UHFFFAOYSA-N 0.000 claims description 5
- 239000008346 aqueous phase Substances 0.000 claims description 5
- 150000004679 hydroxides Chemical class 0.000 claims description 4
- VHUUQVKOLVNVRT-UHFFFAOYSA-N Ammonium hydroxide Chemical compound [NH4+].[OH-] VHUUQVKOLVNVRT-UHFFFAOYSA-N 0.000 claims description 2
- FWFGVMYFCODZRD-UHFFFAOYSA-N oxidanium;hydrogen sulfate Chemical compound O.OS(O)(=O)=O FWFGVMYFCODZRD-UHFFFAOYSA-N 0.000 claims description 2
- XLYOFNOQVPJJNP-UHFFFAOYSA-N water Substances O XLYOFNOQVPJJNP-UHFFFAOYSA-N 0.000 abstract description 37
- 238000009833 condensation Methods 0.000 abstract description 2
- 230000005494 condensation Effects 0.000 abstract description 2
- -1 aminophenyl Chemical group 0.000 description 579
- 125000003118 aryl group Chemical group 0.000 description 246
- 125000000753 cycloalkyl group Chemical group 0.000 description 244
- 229910052757 nitrogen Inorganic materials 0.000 description 237
- 125000004432 carbon atom Chemical group C* 0.000 description 214
- ISWSIDIOOBJBQZ-UHFFFAOYSA-N Phenol Chemical compound OC1=CC=CC=C1 ISWSIDIOOBJBQZ-UHFFFAOYSA-N 0.000 description 188
- 235000013877 carbamide Nutrition 0.000 description 111
- 150000002430 hydrocarbons Chemical group 0.000 description 101
- 125000001931 aliphatic group Chemical group 0.000 description 100
- 229910052799 carbon Inorganic materials 0.000 description 83
- 150000003141 primary amines Chemical class 0.000 description 81
- 150000004649 carbonic acid derivatives Chemical class 0.000 description 68
- 150000007945 N-acyl ureas Chemical group 0.000 description 66
- 125000000217 alkyl group Chemical group 0.000 description 65
- 125000004429 atom Chemical group 0.000 description 62
- 125000004435 hydrogen atom Chemical group [H]* 0.000 description 60
- 125000002887 hydroxy group Chemical group [H]O* 0.000 description 59
- 150000002148 esters Chemical class 0.000 description 53
- 238000004821 distillation Methods 0.000 description 52
- KXDHJXZQYSOELW-UHFFFAOYSA-M Carbamate Chemical compound NC([O-])=O KXDHJXZQYSOELW-UHFFFAOYSA-M 0.000 description 49
- 150000001721 carbon Chemical group 0.000 description 48
- 125000001424 substituent group Chemical group 0.000 description 45
- OKTJSMMVPCPJKN-UHFFFAOYSA-N Carbon Chemical compound [C] OKTJSMMVPCPJKN-UHFFFAOYSA-N 0.000 description 42
- 125000003710 aryl alkyl group Chemical group 0.000 description 42
- IJGRMHOSHXDMSA-UHFFFAOYSA-N Atomic nitrogen Chemical compound N#N IJGRMHOSHXDMSA-UHFFFAOYSA-N 0.000 description 40
- 239000002904 solvent Substances 0.000 description 39
- LFQSCWFLJHTTHZ-UHFFFAOYSA-N Ethanol Chemical compound CCO LFQSCWFLJHTTHZ-UHFFFAOYSA-N 0.000 description 38
- 239000003054 catalyst Substances 0.000 description 34
- 150000001412 amines Chemical class 0.000 description 33
- IIEWJVIFRVWJOD-UHFFFAOYSA-N ethylcyclohexane Chemical compound CCC1CCCCC1 IIEWJVIFRVWJOD-UHFFFAOYSA-N 0.000 description 32
- ZWEHNKRNPOVVGH-UHFFFAOYSA-N 2-Butanone Chemical compound CCC(C)=O ZWEHNKRNPOVVGH-UHFFFAOYSA-N 0.000 description 30
- ZUOUZKKEUPVFJK-UHFFFAOYSA-N diphenyl Chemical compound C1=CC=CC=C1C1=CC=CC=C1 ZUOUZKKEUPVFJK-UHFFFAOYSA-N 0.000 description 30
- 125000003277 amino group Chemical group 0.000 description 29
- 125000002496 methyl group Chemical group [H]C([H])([H])* 0.000 description 29
- 239000000203 mixture Substances 0.000 description 29
- 239000007810 chemical reaction solvent Substances 0.000 description 28
- 125000002015 acyclic group Chemical group 0.000 description 27
- 238000009835 boiling Methods 0.000 description 27
- 239000000243 solution Substances 0.000 description 27
- 230000000694 effects Effects 0.000 description 26
- 239000006227 byproduct Substances 0.000 description 25
- 125000000623 heterocyclic group Chemical group 0.000 description 25
- 229910052739 hydrogen Inorganic materials 0.000 description 25
- 239000001257 hydrogen Substances 0.000 description 25
- 239000007791 liquid phase Substances 0.000 description 25
- VLKZOEOYAKHREP-UHFFFAOYSA-N n-Hexane Chemical group CCCCCC VLKZOEOYAKHREP-UHFFFAOYSA-N 0.000 description 25
- 125000001797 benzyl group Chemical group [H]C1=C([H])C([H])=C(C([H])=C1[H])C([H])([H])* 0.000 description 24
- DMEGYFMYUHOHGS-UHFFFAOYSA-N heptamethylene Natural products C1CCCCCC1 DMEGYFMYUHOHGS-UHFFFAOYSA-N 0.000 description 23
- 239000002253 acid Substances 0.000 description 22
- 150000001728 carbonyl compounds Chemical class 0.000 description 22
- UHOVQNZJYSORNB-UHFFFAOYSA-N Benzene Chemical compound C1=CC=CC=C1 UHOVQNZJYSORNB-UHFFFAOYSA-N 0.000 description 21
- 125000004433 nitrogen atom Chemical group N* 0.000 description 21
- 125000001997 phenyl group Chemical group [H]C1=C([H])C([H])=C(*)C([H])=C1[H] 0.000 description 21
- 238000000926 separation method Methods 0.000 description 21
- 239000004305 biphenyl Substances 0.000 description 20
- 235000010290 biphenyl Nutrition 0.000 description 20
- 125000005843 halogen group Chemical group 0.000 description 20
- 125000000962 organic group Chemical group 0.000 description 20
- UFHFLCQGNIYNRP-UHFFFAOYSA-N Hydrogen Chemical compound [H][H] UFHFLCQGNIYNRP-UHFFFAOYSA-N 0.000 description 19
- KXDHJXZQYSOELW-UHFFFAOYSA-N carbonic acid monoamide Natural products NC(O)=O KXDHJXZQYSOELW-UHFFFAOYSA-N 0.000 description 19
- 238000010438 heat treatment Methods 0.000 description 19
- PWXJULSLLONQHY-UHFFFAOYSA-N phenylcarbamic acid Chemical class OC(=O)NC1=CC=CC=C1 PWXJULSLLONQHY-UHFFFAOYSA-N 0.000 description 19
- 125000003367 polycyclic group Chemical group 0.000 description 19
- 238000005979 thermal decomposition reaction Methods 0.000 description 19
- YJTKZCDBKVTVBY-UHFFFAOYSA-N 1,3-Diphenylbenzene Chemical group C1=CC=CC=C1C1=CC=CC(C=2C=CC=CC=2)=C1 YJTKZCDBKVTVBY-UHFFFAOYSA-N 0.000 description 18
- BVKZGUZCCUSVTD-UHFFFAOYSA-L Carbonate Chemical compound [O-]C([O-])=O BVKZGUZCCUSVTD-UHFFFAOYSA-L 0.000 description 18
- RGSFGYAAUTVSQA-UHFFFAOYSA-N Cyclopentane Chemical compound C1CCCC1 RGSFGYAAUTVSQA-UHFFFAOYSA-N 0.000 description 18
- YXFVVABEGXRONW-UHFFFAOYSA-N Toluene Chemical compound CC1=CC=CC=C1 YXFVVABEGXRONW-UHFFFAOYSA-N 0.000 description 18
- 150000004945 aromatic hydrocarbons Chemical group 0.000 description 18
- 239000011521 glass Substances 0.000 description 18
- 125000002950 monocyclic group Chemical group 0.000 description 18
- 238000011084 recovery Methods 0.000 description 18
- 239000007789 gas Substances 0.000 description 17
- 239000011261 inert gas Substances 0.000 description 17
- MNLAVFKVRUQAKW-UHFFFAOYSA-N VR nerve agent Chemical compound CCN(CC)CCSP(C)(=O)OCC(C)C MNLAVFKVRUQAKW-UHFFFAOYSA-N 0.000 description 16
- 125000003545 alkoxy group Chemical group 0.000 description 16
- 125000006267 biphenyl group Chemical group 0.000 description 16
- RWRIWBAIICGTTQ-UHFFFAOYSA-N difluoromethane Chemical compound FCF RWRIWBAIICGTTQ-UHFFFAOYSA-N 0.000 description 16
- 125000005442 diisocyanate group Chemical group 0.000 description 16
- IQPQWNKOIGAROB-UHFFFAOYSA-N isocyanate group Chemical group [N-]=C=O IQPQWNKOIGAROB-UHFFFAOYSA-N 0.000 description 16
- CSCPPACGZOOCGX-UHFFFAOYSA-N Acetone Chemical compound CC(C)=O CSCPPACGZOOCGX-UHFFFAOYSA-N 0.000 description 15
- XDTMQSROBMDMFD-UHFFFAOYSA-N Cyclohexane Chemical compound C1CCCCC1 XDTMQSROBMDMFD-UHFFFAOYSA-N 0.000 description 15
- 125000001495 ethyl group Chemical group [H]C([H])([H])C([H])([H])* 0.000 description 15
- 229910052717 sulfur Inorganic materials 0.000 description 15
- RTZKZFJDLAIYFH-UHFFFAOYSA-N ether Substances CCOCC RTZKZFJDLAIYFH-UHFFFAOYSA-N 0.000 description 14
- 125000004430 oxygen atom Chemical group O* 0.000 description 14
- 229920002635 polyurethane Polymers 0.000 description 14
- XUIMIQQOPSSXEZ-UHFFFAOYSA-N Silicon Chemical group [Si] XUIMIQQOPSSXEZ-UHFFFAOYSA-N 0.000 description 13
- NINIDFKCEFEMDL-UHFFFAOYSA-N Sulfur Chemical compound [S] NINIDFKCEFEMDL-UHFFFAOYSA-N 0.000 description 13
- QVGXLLKOCUKJST-UHFFFAOYSA-N atomic oxygen Chemical compound [O] QVGXLLKOCUKJST-UHFFFAOYSA-N 0.000 description 13
- 125000000319 biphenyl-4-yl group Chemical group [H]C1=C([H])C([H])=C([H])C([H])=C1C1=C([H])C([H])=C([*])C([H])=C1[H] 0.000 description 13
- 239000012295 chemical reaction liquid Substances 0.000 description 13
- 239000000463 material Substances 0.000 description 13
- 229910052760 oxygen Inorganic materials 0.000 description 13
- 239000001301 oxygen Substances 0.000 description 13
- 238000000066 reactive distillation Methods 0.000 description 13
- 229910052710 silicon Inorganic materials 0.000 description 13
- 239000011593 sulfur Substances 0.000 description 13
- WEVYAHXRMPXWCK-UHFFFAOYSA-N Acetonitrile Chemical compound CC#N WEVYAHXRMPXWCK-UHFFFAOYSA-N 0.000 description 12
- XKRFYHLGVUSROY-UHFFFAOYSA-N Argon Chemical compound [Ar] XKRFYHLGVUSROY-UHFFFAOYSA-N 0.000 description 12
- XEKOWRVHYACXOJ-UHFFFAOYSA-N Ethyl acetate Chemical compound CCOC(C)=O XEKOWRVHYACXOJ-UHFFFAOYSA-N 0.000 description 12
- IMNFDUFMRHMDMM-UHFFFAOYSA-N N-Heptane Chemical compound CCCCCCC IMNFDUFMRHMDMM-UHFFFAOYSA-N 0.000 description 12
- UFWIBTONFRDIAS-UHFFFAOYSA-N Naphthalene Chemical compound C1=CC=CC2=CC=CC=C21 UFWIBTONFRDIAS-UHFFFAOYSA-N 0.000 description 12
- 125000005011 alkyl ether group Chemical group 0.000 description 12
- 125000002102 aryl alkyloxo group Chemical group 0.000 description 12
- JFDZBHWFFUWGJE-UHFFFAOYSA-N benzonitrile Chemical compound N#CC1=CC=CC=C1 JFDZBHWFFUWGJE-UHFFFAOYSA-N 0.000 description 12
- 125000003003 spiro group Chemical group 0.000 description 12
- YMWUJEATGCHHMB-UHFFFAOYSA-N Dichloromethane Chemical compound ClCCl YMWUJEATGCHHMB-UHFFFAOYSA-N 0.000 description 11
- BVKZGUZCCUSVTD-UHFFFAOYSA-N carbonic acid Chemical compound OC(O)=O BVKZGUZCCUSVTD-UHFFFAOYSA-N 0.000 description 11
- USIUVYZYUHIAEV-UHFFFAOYSA-N diphenyl ether Chemical group C=1C=CC=CC=1OC1=CC=CC=C1 USIUVYZYUHIAEV-UHFFFAOYSA-N 0.000 description 11
- 230000002829 reductive effect Effects 0.000 description 11
- 239000010703 silicon Substances 0.000 description 11
- KJAMZCVTJDTESW-UHFFFAOYSA-N tiracizine Chemical compound C1CC2=CC=CC=C2N(C(=O)CN(C)C)C2=CC(NC(=O)OCC)=CC=C21 KJAMZCVTJDTESW-UHFFFAOYSA-N 0.000 description 11
- IRIAEXORFWYRCZ-UHFFFAOYSA-N Butylbenzyl phthalate Chemical compound CCCCOC(=O)C1=CC=CC=C1C(=O)OCC1=CC=CC=C1 IRIAEXORFWYRCZ-UHFFFAOYSA-N 0.000 description 10
- CURLTUGMZLYLDI-UHFFFAOYSA-N Carbon dioxide Chemical compound O=C=O CURLTUGMZLYLDI-UHFFFAOYSA-N 0.000 description 10
- KCXZNSGUUQJJTR-UHFFFAOYSA-N Di-n-hexyl phthalate Chemical compound CCCCCCOC(=O)C1=CC=CC=C1C(=O)OCCCCCC KCXZNSGUUQJJTR-UHFFFAOYSA-N 0.000 description 10
- IAZDPXIOMUYVGZ-UHFFFAOYSA-N Dimethylsulphoxide Chemical compound CS(C)=O IAZDPXIOMUYVGZ-UHFFFAOYSA-N 0.000 description 10
- YNQLUTRBYVCPMQ-UHFFFAOYSA-N Ethylbenzene Chemical compound CCC1=CC=CC=C1 YNQLUTRBYVCPMQ-UHFFFAOYSA-N 0.000 description 10
- OFBQJSOFQDEBGM-UHFFFAOYSA-N Pentane Chemical compound CCCCC OFBQJSOFQDEBGM-UHFFFAOYSA-N 0.000 description 10
- WYURNTSHIVDZCO-UHFFFAOYSA-N Tetrahydrofuran Chemical compound C1CCOC1 WYURNTSHIVDZCO-UHFFFAOYSA-N 0.000 description 10
- MWPLVEDNUUSJAV-UHFFFAOYSA-N anthracene Chemical compound C1=CC=CC2=CC3=CC=CC=C3C=C21 MWPLVEDNUUSJAV-UHFFFAOYSA-N 0.000 description 10
- QARVLSVVCXYDNA-UHFFFAOYSA-N bromobenzene Chemical compound BrC1=CC=CC=C1 QARVLSVVCXYDNA-UHFFFAOYSA-N 0.000 description 10
- DIOQZVSQGTUSAI-UHFFFAOYSA-N decane Chemical compound CCCCCCCCCC DIOQZVSQGTUSAI-UHFFFAOYSA-N 0.000 description 10
- DOIRQSBPFJWKBE-UHFFFAOYSA-N dibutyl phthalate Chemical compound CCCCOC(=O)C1=CC=CC=C1C(=O)OCCCC DOIRQSBPFJWKBE-UHFFFAOYSA-N 0.000 description 10
- LQNUZADURLCDLV-UHFFFAOYSA-N nitrobenzene Chemical compound [O-][N+](=O)C1=CC=CC=C1 LQNUZADURLCDLV-UHFFFAOYSA-N 0.000 description 10
- BKIMMITUMNQMOS-UHFFFAOYSA-N nonane Chemical compound CCCCCCCCC BKIMMITUMNQMOS-UHFFFAOYSA-N 0.000 description 10
- 238000003756 stirring Methods 0.000 description 10
- 239000010409 thin film Substances 0.000 description 10
- RTAQQCXQSZGOHL-UHFFFAOYSA-N Titanium Chemical group [Ti] RTAQQCXQSZGOHL-UHFFFAOYSA-N 0.000 description 9
- WJTCGQSWYFHTAC-UHFFFAOYSA-N cyclooctane Chemical compound C1CCCCCCC1 WJTCGQSWYFHTAC-UHFFFAOYSA-N 0.000 description 9
- 239000004914 cyclooctane Substances 0.000 description 9
- 125000004491 isohexyl group Chemical group C(CCC(C)C)* 0.000 description 9
- 125000001436 propyl group Chemical group [H]C([*])([H])C([H])([H])C([H])([H])[H] 0.000 description 9
- 238000000197 pyrolysis Methods 0.000 description 9
- 230000035484 reaction time Effects 0.000 description 9
- 238000007086 side reaction Methods 0.000 description 9
- QEGNUYASOUJEHD-UHFFFAOYSA-N 1,1-dimethylcyclohexane Chemical compound CC1(C)CCCCC1 QEGNUYASOUJEHD-UHFFFAOYSA-N 0.000 description 8
- XTHFKEDIFFGKHM-UHFFFAOYSA-N Dimethoxyethane Chemical compound COCCOC XTHFKEDIFFGKHM-UHFFFAOYSA-N 0.000 description 8
- ATUOYWHBWRKTHZ-UHFFFAOYSA-N Propane Chemical compound CCC ATUOYWHBWRKTHZ-UHFFFAOYSA-N 0.000 description 8
- 150000001491 aromatic compounds Chemical class 0.000 description 8
- 150000001639 boron compounds Chemical class 0.000 description 8
- 125000000484 butyl group Chemical group [H]C([*])([H])C([H])([H])C([H])([H])C([H])([H])[H] 0.000 description 8
- 125000001033 ether group Chemical group 0.000 description 8
- MTZQAGJQAFMTAQ-UHFFFAOYSA-N ethyl benzoate Chemical compound CCOC(=O)C1=CC=CC=C1 MTZQAGJQAFMTAQ-UHFFFAOYSA-N 0.000 description 8
- 239000007792 gaseous phase Substances 0.000 description 8
- 125000004051 hexyl group Chemical group [H]C([H])([H])C([H])([H])C([H])([H])C([H])([H])C([H])([H])C([H])([H])* 0.000 description 8
- VNWKTOKETHGBQD-UHFFFAOYSA-N methane Chemical compound C VNWKTOKETHGBQD-UHFFFAOYSA-N 0.000 description 8
- GTCAXTIRRLKXRU-UHFFFAOYSA-N methyl carbamate Chemical compound COC(N)=O GTCAXTIRRLKXRU-UHFFFAOYSA-N 0.000 description 8
- 229910052755 nonmetal Inorganic materials 0.000 description 8
- 229920006395 saturated elastomer Polymers 0.000 description 8
- 125000004079 stearyl group Chemical group [H]C([*])([H])C([H])([H])C([H])([H])C([H])([H])C([H])([H])C([H])([H])C([H])([H])C([H])([H])C([H])([H])C([H])([H])C([H])([H])C([H])([H])C([H])([H])C([H])([H])C([H])([H])C([H])([H])C([H])([H])C([H])([H])[H] 0.000 description 8
- YGYAWVDWMABLBF-UHFFFAOYSA-N Phosgene Chemical compound ClC(Cl)=O YGYAWVDWMABLBF-UHFFFAOYSA-N 0.000 description 7
- 229920002396 Polyurea Polymers 0.000 description 7
- VYPSYNLAJGMNEJ-UHFFFAOYSA-N Silicium dioxide Chemical compound O=[Si]=O VYPSYNLAJGMNEJ-UHFFFAOYSA-N 0.000 description 7
- 239000003463 adsorbent Substances 0.000 description 7
- 238000000605 extraction Methods 0.000 description 7
- 125000003187 heptyl group Chemical group [H]C([*])([H])C([H])([H])C([H])([H])C([H])([H])C([H])([H])C([H])([H])C([H])([H])[H] 0.000 description 7
- 230000001965 increasing effect Effects 0.000 description 7
- 238000002844 melting Methods 0.000 description 7
- 230000008018 melting Effects 0.000 description 7
- 125000001624 naphthyl group Chemical group 0.000 description 7
- 125000001147 pentyl group Chemical group C(CCCC)* 0.000 description 7
- 239000005056 polyisocyanate Substances 0.000 description 7
- 229920001228 polyisocyanate Polymers 0.000 description 7
- 239000000126 substance Substances 0.000 description 7
- 150000003568 thioethers Chemical class 0.000 description 7
- JOYRKODLDBILNP-UHFFFAOYSA-N urethane group Chemical group NC(=O)OCC JOYRKODLDBILNP-UHFFFAOYSA-N 0.000 description 7
- 239000008096 xylene Substances 0.000 description 7
- JIUPIGIMTHGWSN-UHFFFAOYSA-N 2,3,4-tris(cyclohexyloxymethyl)phenol Chemical compound C1CCCCC1OCC1=C(COC2CCCCC2)C(O)=CC=C1COC1CCCCC1 JIUPIGIMTHGWSN-UHFFFAOYSA-N 0.000 description 6
- 229910000975 Carbon steel Inorganic materials 0.000 description 6
- CTQNGGLPUBDAKN-UHFFFAOYSA-N O-Xylene Chemical compound CC1=CC=CC=C1C CTQNGGLPUBDAKN-UHFFFAOYSA-N 0.000 description 6
- HEMHJVSKTPXQMS-UHFFFAOYSA-M Sodium hydroxide Chemical compound [OH-].[Na+] HEMHJVSKTPXQMS-UHFFFAOYSA-M 0.000 description 6
- 239000004809 Teflon Substances 0.000 description 6
- 229920006362 Teflon® Polymers 0.000 description 6
- 229910052786 argon Inorganic materials 0.000 description 6
- 125000004104 aryloxy group Chemical group 0.000 description 6
- 239000010962 carbon steel Substances 0.000 description 6
- 239000011248 coating agent Substances 0.000 description 6
- 238000000576 coating method Methods 0.000 description 6
- 125000002933 cyclohexyloxy group Chemical group C1(CCCCC1)O* 0.000 description 6
- 125000006612 decyloxy group Chemical group 0.000 description 6
- 150000002170 ethers Chemical class 0.000 description 6
- 229910000856 hastalloy Inorganic materials 0.000 description 6
- 229910052734 helium Inorganic materials 0.000 description 6
- 239000001307 helium Substances 0.000 description 6
- SWQJXJOGLNCZEY-UHFFFAOYSA-N helium atom Chemical compound [He] SWQJXJOGLNCZEY-UHFFFAOYSA-N 0.000 description 6
- 150000002576 ketones Chemical class 0.000 description 6
- 239000012528 membrane Substances 0.000 description 6
- UAEPNZWRGJTJPN-UHFFFAOYSA-N methylcyclohexane Chemical compound CC1CCCCC1 UAEPNZWRGJTJPN-UHFFFAOYSA-N 0.000 description 6
- 150000002843 nonmetals Chemical group 0.000 description 6
- 125000002958 pentadecyl group Chemical group [H]C([*])([H])C([H])([H])C([H])([H])C([H])([H])C([H])([H])C([H])([H])C([H])([H])C([H])([H])C([H])([H])C([H])([H])C([H])([H])C([H])([H])C([H])([H])C([H])([H])C([H])([H])[H] 0.000 description 6
- 230000000737 periodic effect Effects 0.000 description 6
- 239000012071 phase Substances 0.000 description 6
- 239000000047 product Substances 0.000 description 6
- 239000010935 stainless steel Substances 0.000 description 6
- 229910001220 stainless steel Inorganic materials 0.000 description 6
- OKIRBHVFJGXOIS-UHFFFAOYSA-N 1,2-di(propan-2-yl)benzene Chemical compound CC(C)C1=CC=CC=C1C(C)C OKIRBHVFJGXOIS-UHFFFAOYSA-N 0.000 description 5
- PKQYSCBUFZOAPE-UHFFFAOYSA-N 1,2-dibenzyl-3-methylbenzene Chemical compound C=1C=CC=CC=1CC=1C(C)=CC=CC=1CC1=CC=CC=C1 PKQYSCBUFZOAPE-UHFFFAOYSA-N 0.000 description 5
- WQONPSCCEXUXTQ-UHFFFAOYSA-N 1,2-dibromobenzene Chemical compound BrC1=CC=CC=C1Br WQONPSCCEXUXTQ-UHFFFAOYSA-N 0.000 description 5
- NMUWSGQKPAEPBA-UHFFFAOYSA-N 1,2-dibutylbenzene Chemical compound CCCCC1=CC=CC=C1CCCC NMUWSGQKPAEPBA-UHFFFAOYSA-N 0.000 description 5
- RYHBNJHYFVUHQT-UHFFFAOYSA-N 1,4-Dioxane Chemical compound C1COCCO1 RYHBNJHYFVUHQT-UHFFFAOYSA-N 0.000 description 5
- OCJBOOLMMGQPQU-UHFFFAOYSA-N 1,4-dichlorobenzene Chemical compound ClC1=CC=C(Cl)C=C1 OCJBOOLMMGQPQU-UHFFFAOYSA-N 0.000 description 5
- DLKQHBOKULLWDQ-UHFFFAOYSA-N 1-bromonaphthalene Chemical compound C1=CC=C2C(Br)=CC=CC2=C1 DLKQHBOKULLWDQ-UHFFFAOYSA-N 0.000 description 5
- JTPNRXUCIXHOKM-UHFFFAOYSA-N 1-chloronaphthalene Chemical compound C1=CC=C2C(Cl)=CC=CC2=C1 JTPNRXUCIXHOKM-UHFFFAOYSA-N 0.000 description 5
- RJKGJBPXVHTNJL-UHFFFAOYSA-N 1-nitronaphthalene Chemical compound C1=CC=C2C([N+](=O)[O-])=CC=CC2=C1 RJKGJBPXVHTNJL-UHFFFAOYSA-N 0.000 description 5
- AGVZZWPNYXIQTP-UHFFFAOYSA-N 2,3,4-tricyclohexyloxyphenol Chemical compound C1CCCCC1OC1=C(OC2CCCCC2)C(O)=CC=C1OC1CCCCC1 AGVZZWPNYXIQTP-UHFFFAOYSA-N 0.000 description 5
- GSTVESZQTVZYPE-UHFFFAOYSA-N 2,3,4-tris(octoxymethyl)phenol Chemical compound CCCCCCCCOCC1=CC=C(O)C(COCCCCCCCC)=C1COCCCCCCCC GSTVESZQTVZYPE-UHFFFAOYSA-N 0.000 description 5
- GQWHCRLPSIPCIS-UHFFFAOYSA-N 2,3-bis(cyclohexyloxymethyl)phenol Chemical compound C1CCCCC1OCC=1C(O)=CC=CC=1COC1CCCCC1 GQWHCRLPSIPCIS-UHFFFAOYSA-N 0.000 description 5
- GJYCVCVHRSWLNY-UHFFFAOYSA-N 2-butylphenol Chemical compound CCCCC1=CC=CC=C1O GJYCVCVHRSWLNY-UHFFFAOYSA-N 0.000 description 5
- KDTZBYPBMTXCSO-UHFFFAOYSA-N 2-phenoxyphenol Chemical compound OC1=CC=CC=C1OC1=CC=CC=C1 KDTZBYPBMTXCSO-UHFFFAOYSA-N 0.000 description 5
- KWOLFJPFCHCOCG-UHFFFAOYSA-N Acetophenone Chemical compound CC(=O)C1=CC=CC=C1 KWOLFJPFCHCOCG-UHFFFAOYSA-N 0.000 description 5
- RYGMFSIKBFXOCR-UHFFFAOYSA-N Copper Chemical group [Cu] RYGMFSIKBFXOCR-UHFFFAOYSA-N 0.000 description 5
- MQIUGAXCHLFZKX-UHFFFAOYSA-N Di-n-octyl phthalate Natural products CCCCCCCCOC(=O)C1=CC=CC=C1C(=O)OCCCCCCCC MQIUGAXCHLFZKX-UHFFFAOYSA-N 0.000 description 5
- JJHHIJFTHRNPIK-UHFFFAOYSA-N Diphenyl sulfoxide Chemical compound C=1C=CC=CC=1S(=O)C1=CC=CC=C1 JJHHIJFTHRNPIK-UHFFFAOYSA-N 0.000 description 5
- 150000007824 aliphatic compounds Chemical class 0.000 description 5
- 150000001338 aliphatic hydrocarbons Chemical class 0.000 description 5
- BJQHLKABXJIVAM-UHFFFAOYSA-N bis(2-ethylhexyl) phthalate Chemical compound CCCCC(CC)COC(=O)C1=CC=CC=C1C(=O)OCC(CC)CCCC BJQHLKABXJIVAM-UHFFFAOYSA-N 0.000 description 5
- 239000001569 carbon dioxide Substances 0.000 description 5
- 229910002092 carbon dioxide Inorganic materials 0.000 description 5
- MVPPADPHJFYWMZ-UHFFFAOYSA-N chlorobenzene Substances ClC1=CC=CC=C1 MVPPADPHJFYWMZ-UHFFFAOYSA-N 0.000 description 5
- MVPPADPHJFYWMZ-IDEBNGHGSA-N chlorobenzene Chemical group Cl[13C]1=[13CH][13CH]=[13CH][13CH]=[13CH]1 MVPPADPHJFYWMZ-IDEBNGHGSA-N 0.000 description 5
- 238000000354 decomposition reaction Methods 0.000 description 5
- 229960002380 dibutyl phthalate Drugs 0.000 description 5
- 229940117389 dichlorobenzene Drugs 0.000 description 5
- LTYMSROWYAPPGB-UHFFFAOYSA-N diphenyl sulfide Chemical compound C=1C=CC=CC=1SC1=CC=CC=C1 LTYMSROWYAPPGB-UHFFFAOYSA-N 0.000 description 5
- CZZYITDELCSZES-UHFFFAOYSA-N diphenylmethane Chemical compound C=1C=CC=CC=1CC1=CC=CC=C1 CZZYITDELCSZES-UHFFFAOYSA-N 0.000 description 5
- 229910052736 halogen Inorganic materials 0.000 description 5
- 150000002367 halogens Chemical group 0.000 description 5
- 125000002960 margaryl group Chemical group [H]C([*])([H])C([H])([H])C([H])([H])C([H])([H])C([H])([H])C([H])([H])C([H])([H])C([H])([H])C([H])([H])C([H])([H])C([H])([H])C([H])([H])C([H])([H])C([H])([H])C([H])([H])C([H])([H])C([H])([H])[H] 0.000 description 5
- 125000000449 nitro group Chemical group [O-][N+](*)=O 0.000 description 5
- MYDQAEQZZKVJSL-UHFFFAOYSA-N pentyl carbamate Chemical compound CCCCCOC(N)=O MYDQAEQZZKVJSL-UHFFFAOYSA-N 0.000 description 5
- KRIOVPPHQSLHCZ-UHFFFAOYSA-N phenyl propionaldehyde Natural products CCC(=O)C1=CC=CC=C1 KRIOVPPHQSLHCZ-UHFFFAOYSA-N 0.000 description 5
- 230000009257 reactivity Effects 0.000 description 5
- 150000003462 sulfoxides Chemical class 0.000 description 5
- YLQBMQCUIZJEEH-UHFFFAOYSA-N tetrahydrofuran Natural products C=1C=COC=1 YLQBMQCUIZJEEH-UHFFFAOYSA-N 0.000 description 5
- GCYUJISWSVALJD-UHFFFAOYSA-N 1,1-diethylcyclohexane Chemical compound CCC1(CC)CCCCC1 GCYUJISWSVALJD-UHFFFAOYSA-N 0.000 description 4
- RMSGQZDGSZOJMU-UHFFFAOYSA-N 1-butyl-2-phenylbenzene Chemical group CCCCC1=CC=CC=C1C1=CC=CC=C1 RMSGQZDGSZOJMU-UHFFFAOYSA-N 0.000 description 4
- LIJWVAISJVCQSI-UHFFFAOYSA-N 2,3,4-tris(6-phenylhexoxymethyl)phenol Chemical compound C=1C=CC=CC=1CCCCCCOCC1=C(COCCCCCCC=2C=CC=CC=2)C(O)=CC=C1COCCCCCCC1=CC=CC=C1 LIJWVAISJVCQSI-UHFFFAOYSA-N 0.000 description 4
- ABVAHYJDNUPPMO-UHFFFAOYSA-N 2,3,4-tris(butylamino)phenol Chemical compound CCCCNC1=CC=C(O)C(NCCCC)=C1NCCCC ABVAHYJDNUPPMO-UHFFFAOYSA-N 0.000 description 4
- QFASVUCTQSVGKG-UHFFFAOYSA-N 2,3-bis(2-cyclohexyloxypropan-2-yl)phenol Chemical compound C=1C=CC(O)=C(C(C)(C)OC2CCCCC2)C=1C(C)(C)OC1CCCCC1 QFASVUCTQSVGKG-UHFFFAOYSA-N 0.000 description 4
- MGVDORSODDQAEP-UHFFFAOYSA-N 2,3-bis(2-phenoxypropan-2-yl)phenol Chemical compound C=1C=CC(O)=C(C(C)(C)OC=2C=CC=CC=2)C=1C(C)(C)OC1=CC=CC=C1 MGVDORSODDQAEP-UHFFFAOYSA-N 0.000 description 4
- QSKGKJKLMYSCJC-UHFFFAOYSA-N 2,3-bis[phenoxy(diphenyl)methyl]phenol Chemical compound OC1=CC=CC(C(OC=2C=CC=CC=2)(C=2C=CC=CC=2)C=2C=CC=CC=2)=C1C(C=1C=CC=CC=1)(C=1C=CC=CC=1)OC1=CC=CC=C1 QSKGKJKLMYSCJC-UHFFFAOYSA-N 0.000 description 4
- JLSCXEIGXBKNLA-UHFFFAOYSA-N 2,3-dicyclopentyloxyphenol Chemical compound C1CCCC1OC=1C(O)=CC=CC=1OC1CCCC1 JLSCXEIGXBKNLA-UHFFFAOYSA-N 0.000 description 4
- QSZCGGBDNYTQHH-UHFFFAOYSA-N 2,3-dimethoxyphenol Chemical compound COC1=CC=CC(O)=C1OC QSZCGGBDNYTQHH-UHFFFAOYSA-N 0.000 description 4
- KXRBJDHLRRVYAA-UHFFFAOYSA-N 2-(phenylmethoxymethyl)phenol Chemical compound OC1=CC=CC=C1COCC1=CC=CC=C1 KXRBJDHLRRVYAA-UHFFFAOYSA-N 0.000 description 4
- ORFFEUVBNYJFHB-UHFFFAOYSA-N 2-[2,3-di(propan-2-yl)phenoxy]phenol Chemical compound C(C)(C)C=1C(=C(C=CC=1)OC1=C(C=CC=C1)O)C(C)C ORFFEUVBNYJFHB-UHFFFAOYSA-N 0.000 description 4
- RISYVLILTAVNNP-UHFFFAOYSA-N 2-dodecoxyphenol Chemical compound CCCCCCCCCCCCOC1=CC=CC=C1O RISYVLILTAVNNP-UHFFFAOYSA-N 0.000 description 4
- HTHAFCACWWTWGJ-UHFFFAOYSA-N 2-tridecoxyphenol Chemical compound CCCCCCCCCCCCCOC1=CC=CC=C1O HTHAFCACWWTWGJ-UHFFFAOYSA-N 0.000 description 4
- OYPRJOBELJOOCE-UHFFFAOYSA-N Calcium Chemical compound [Ca] OYPRJOBELJOOCE-UHFFFAOYSA-N 0.000 description 4
- OTMSDBZUPAUEDD-UHFFFAOYSA-N Ethane Chemical compound CC OTMSDBZUPAUEDD-UHFFFAOYSA-N 0.000 description 4
- DGAQECJNVWCQMB-PUAWFVPOSA-M Ilexoside XXIX Chemical compound C[C@@H]1CC[C@@]2(CC[C@@]3(C(=CC[C@H]4[C@]3(CC[C@@H]5[C@@]4(CC[C@@H](C5(C)C)OS(=O)(=O)[O-])C)C)[C@@H]2[C@]1(C)O)C)C(=O)O[C@H]6[C@@H]([C@H]([C@@H]([C@H](O6)CO)O)O)O.[Na+] DGAQECJNVWCQMB-PUAWFVPOSA-M 0.000 description 4
- XEEYBQQBJWHFJM-UHFFFAOYSA-N Iron Chemical compound [Fe] XEEYBQQBJWHFJM-UHFFFAOYSA-N 0.000 description 4
- WHXSMMKQMYFTQS-UHFFFAOYSA-N Lithium Chemical compound [Li] WHXSMMKQMYFTQS-UHFFFAOYSA-N 0.000 description 4
- LRHPLDYGYMQRHN-UHFFFAOYSA-N N-Butanol Chemical compound CCCCO LRHPLDYGYMQRHN-UHFFFAOYSA-N 0.000 description 4
- ZLMJMSJWJFRBEC-UHFFFAOYSA-N Potassium Chemical compound [K] ZLMJMSJWJFRBEC-UHFFFAOYSA-N 0.000 description 4
- UCKMPCXJQFINFW-UHFFFAOYSA-N Sulphide Chemical compound [S-2] UCKMPCXJQFINFW-UHFFFAOYSA-N 0.000 description 4
- HCHKCACWOHOZIP-UHFFFAOYSA-N Zinc Chemical group [Zn] HCHKCACWOHOZIP-UHFFFAOYSA-N 0.000 description 4
- 125000004054 acenaphthylenyl group Chemical group C1(=CC2=CC=CC3=CC=CC1=C23)* 0.000 description 4
- 230000001476 alcoholic effect Effects 0.000 description 4
- 150000005215 alkyl ethers Chemical class 0.000 description 4
- 125000005577 anthracene group Chemical group 0.000 description 4
- 229910052787 antimony Inorganic materials 0.000 description 4
- WATWJIUSRGPENY-UHFFFAOYSA-N antimony atom Chemical compound [Sb] WATWJIUSRGPENY-UHFFFAOYSA-N 0.000 description 4
- 150000008378 aryl ethers Chemical class 0.000 description 4
- 229910052788 barium Inorganic materials 0.000 description 4
- DSAJWYNOEDNPEQ-UHFFFAOYSA-N barium atom Chemical compound [Ba] DSAJWYNOEDNPEQ-UHFFFAOYSA-N 0.000 description 4
- 125000002618 bicyclic heterocycle group Chemical group 0.000 description 4
- 229910052797 bismuth Inorganic materials 0.000 description 4
- JCXGWMGPZLAOME-UHFFFAOYSA-N bismuth atom Chemical compound [Bi] JCXGWMGPZLAOME-UHFFFAOYSA-N 0.000 description 4
- GGBJHURWWWLEQH-UHFFFAOYSA-N butylcyclohexane Chemical compound CCCCC1CCCCC1 GGBJHURWWWLEQH-UHFFFAOYSA-N 0.000 description 4
- 229910052791 calcium Inorganic materials 0.000 description 4
- 239000011575 calcium Substances 0.000 description 4
- 238000001816 cooling Methods 0.000 description 4
- 125000004122 cyclic group Chemical group 0.000 description 4
- AXMPFOXRWZXZFA-UHFFFAOYSA-N heptyl carbamate Chemical class CCCCCCCOC(N)=O AXMPFOXRWZXZFA-UHFFFAOYSA-N 0.000 description 4
- 229910052744 lithium Inorganic materials 0.000 description 4
- 230000007246 mechanism Effects 0.000 description 4
- 229910052751 metal Inorganic materials 0.000 description 4
- 239000002184 metal Substances 0.000 description 4
- 150000001247 metal acetylides Chemical class 0.000 description 4
- GDOPTJXRTPNYNR-UHFFFAOYSA-N methylcyclopentane Chemical compound CC1CCCC1 GDOPTJXRTPNYNR-UHFFFAOYSA-N 0.000 description 4
- 150000004767 nitrides Chemical class 0.000 description 4
- 125000001196 nonadecyl group Chemical group [H]C([*])([H])C([H])([H])C([H])([H])C([H])([H])C([H])([H])C([H])([H])C([H])([H])C([H])([H])C([H])([H])C([H])([H])C([H])([H])C([H])([H])C([H])([H])C([H])([H])C([H])([H])C([H])([H])C([H])([H])C([H])([H])C([H])([H])[H] 0.000 description 4
- ITCNMBZZNCMZMS-UHFFFAOYSA-N nonyl carbamate Chemical compound CCCCCCCCCOC(N)=O ITCNMBZZNCMZMS-UHFFFAOYSA-N 0.000 description 4
- IXQGCWUGDFDQMF-UHFFFAOYSA-N o-Hydroxyethylbenzene Natural products CCC1=CC=CC=C1O IXQGCWUGDFDQMF-UHFFFAOYSA-N 0.000 description 4
- YPNZTHVEMNUDND-UHFFFAOYSA-N octyl carbamate Chemical compound CCCCCCCCOC(N)=O YPNZTHVEMNUDND-UHFFFAOYSA-N 0.000 description 4
- 125000002347 octyl group Chemical group [H]C([*])([H])C([H])([H])C([H])([H])C([H])([H])C([H])([H])C([H])([H])C([H])([H])C([H])([H])[H] 0.000 description 4
- 125000000913 palmityl group Chemical group [H]C([*])([H])C([H])([H])C([H])([H])C([H])([H])C([H])([H])C([H])([H])C([H])([H])C([H])([H])C([H])([H])C([H])([H])C([H])([H])C([H])([H])C([H])([H])C([H])([H])C([H])([H])C([H])([H])[H] 0.000 description 4
- 125000004115 pentoxy group Chemical group [*]OC([H])([H])C([H])([H])C([H])([H])C(C([H])([H])[H])([H])[H] 0.000 description 4
- BSCCSDNZEIHXOK-UHFFFAOYSA-N phenyl carbamate Chemical compound NC(=O)OC1=CC=CC=C1 BSCCSDNZEIHXOK-UHFFFAOYSA-N 0.000 description 4
- 229920000768 polyamine Polymers 0.000 description 4
- 229920006389 polyphenyl polymer Polymers 0.000 description 4
- 229910052700 potassium Inorganic materials 0.000 description 4
- 239000011591 potassium Substances 0.000 description 4
- 239000002243 precursor Substances 0.000 description 4
- 239000001294 propane Substances 0.000 description 4
- DEDZSLCZHWTGOR-UHFFFAOYSA-N propylcyclohexane Chemical compound CCCC1CCCCC1 DEDZSLCZHWTGOR-UHFFFAOYSA-N 0.000 description 4
- 229910052761 rare earth metal Inorganic materials 0.000 description 4
- 229910052708 sodium Inorganic materials 0.000 description 4
- 239000011734 sodium Substances 0.000 description 4
- 230000000087 stabilizing effect Effects 0.000 description 4
- 239000007858 starting material Substances 0.000 description 4
- 125000003944 tolyl group Chemical group 0.000 description 4
- 238000012546 transfer Methods 0.000 description 4
- LEONUFNNVUYDNQ-UHFFFAOYSA-N vanadium atom Chemical group [V] LEONUFNNVUYDNQ-UHFFFAOYSA-N 0.000 description 4
- 239000010457 zeolite Substances 0.000 description 4
- WKKUIAOVZOPQSW-UHFFFAOYSA-N (2,3-dibutylphenyl) carbamate Chemical class CCCCC1=CC=CC(OC(N)=O)=C1CCCC WKKUIAOVZOPQSW-UHFFFAOYSA-N 0.000 description 3
- DEXMZBNVWYSCRT-UHFFFAOYSA-N (2,3-diethylphenyl) carbamate Chemical compound CCC1=CC=CC(OC(N)=O)=C1CC DEXMZBNVWYSCRT-UHFFFAOYSA-N 0.000 description 3
- NKVYLZDHXGJGCT-UHFFFAOYSA-N (2-hexylphenyl) carbamate Chemical class CCCCCCC1=CC=CC=C1OC(N)=O NKVYLZDHXGJGCT-UHFFFAOYSA-N 0.000 description 3
- GMEAHOOSLNLMLO-UHFFFAOYSA-N (2-propylphenyl) carbamate Chemical compound CCCC1=CC=CC=C1OC(N)=O GMEAHOOSLNLMLO-UHFFFAOYSA-N 0.000 description 3
- XMKLTEGSALONPH-UHFFFAOYSA-N 1,2,4,5-tetrazinane-3,6-dione Chemical compound O=C1NNC(=O)NN1 XMKLTEGSALONPH-UHFFFAOYSA-N 0.000 description 3
- LABOGOIBHCJFBM-UHFFFAOYSA-N 2,3,4-triethoxyphenol Chemical compound CCOC1=CC=C(O)C(OCC)=C1OCC LABOGOIBHCJFBM-UHFFFAOYSA-N 0.000 description 3
- XQHMEANWYAHVGB-UHFFFAOYSA-N 2,3,4-tris(1-phenoxyundecyl)phenol Chemical compound C=1C=C(O)C(C(CCCCCCCCCC)OC=2C=CC=CC=2)=C(C(CCCCCCCCCC)OC=2C=CC=CC=2)C=1C(CCCCCCCCCC)OC1=CC=CC=C1 XQHMEANWYAHVGB-UHFFFAOYSA-N 0.000 description 3
- FKEBTUJDRISJCK-UHFFFAOYSA-N 2,3,4-tris(2,3,4-trimethylphenoxy)phenol Chemical compound CC1=C(C)C(C)=CC=C1OC1=CC=C(O)C(OC=2C(=C(C)C(C)=CC=2)C)=C1OC1=CC=C(C)C(C)=C1C FKEBTUJDRISJCK-UHFFFAOYSA-N 0.000 description 3
- QHJNIPJOJZCUEX-UHFFFAOYSA-N 2,3,4-tris(butoxymethyl)phenol Chemical compound CCCCOCC1=CC=C(O)C(COCCCC)=C1COCCCC QHJNIPJOJZCUEX-UHFFFAOYSA-N 0.000 description 3
- YHNTUNHVCPEEJN-UHFFFAOYSA-N 2,3,4-tris(decylamino)phenol Chemical compound CCCCCCCCCCNC1=CC=C(O)C(NCCCCCCCCCC)=C1NCCCCCCCCCC YHNTUNHVCPEEJN-UHFFFAOYSA-N 0.000 description 3
- QBBPLEORFMCJPW-UHFFFAOYSA-N 2,3,4-tris(phenylmethoxymethyl)phenol Chemical compound C=1C=CC=CC=1COCC1=C(COCC=2C=CC=CC=2)C(O)=CC=C1COCC1=CC=CC=C1 QBBPLEORFMCJPW-UHFFFAOYSA-N 0.000 description 3
- JZBRINBSFJENTG-UHFFFAOYSA-N 2,3,4-tris[(1-butylcyclohexyl)oxy]phenol Chemical compound C=1C=C(O)C(OC2(CCCC)CCCCC2)=C(OC2(CCCC)CCCCC2)C=1OC1(CCCC)CCCCC1 JZBRINBSFJENTG-UHFFFAOYSA-N 0.000 description 3
- UJEOTEFODMHVQW-UHFFFAOYSA-N 2,3-bis(1-cyclohexyloxypropyl)phenol Chemical compound C=1C=CC(O)=C(C(CC)OC2CCCCC2)C=1C(CC)OC1CCCCC1 UJEOTEFODMHVQW-UHFFFAOYSA-N 0.000 description 3
- UTZXIYCYIOMSHZ-UHFFFAOYSA-N 2,3-bis(1-phenoxyhexyl)phenol Chemical compound C=1C=CC(O)=C(C(CCCCC)OC=2C=CC=CC=2)C=1C(CCCCC)OC1=CC=CC=C1 UTZXIYCYIOMSHZ-UHFFFAOYSA-N 0.000 description 3
- CFHDLSQQBWWVIA-UHFFFAOYSA-N 2,3-bis(2,3-dipentylphenoxy)phenol Chemical compound CCCCCC1=CC=CC(OC=2C(=C(O)C=CC=2)OC=2C(=C(CCCCC)C=CC=2)CCCCC)=C1CCCCC CFHDLSQQBWWVIA-UHFFFAOYSA-N 0.000 description 3
- PSSTXNKDBDKMJV-UHFFFAOYSA-N 2,3-bis(3-phenoxypentan-3-yl)phenol Chemical compound C=1C=CC(O)=C(C(CC)(CC)OC=2C=CC=CC=2)C=1C(CC)(CC)OC1=CC=CC=C1 PSSTXNKDBDKMJV-UHFFFAOYSA-N 0.000 description 3
- FKIGGGSUNAZREB-UHFFFAOYSA-N 2,3-bis(4-phenylbutoxy)phenol Chemical compound C=1C=CC=CC=1CCCCOC=1C(O)=CC=CC=1OCCCCC1=CC=CC=C1 FKIGGGSUNAZREB-UHFFFAOYSA-N 0.000 description 3
- DAOJTXKSRLLWFS-UHFFFAOYSA-N 2,3-bis(6-phenoxyundecan-6-yl)phenol Chemical compound C=1C=CC(O)=C(C(CCCCC)(CCCCC)OC=2C=CC=CC=2)C=1C(CCCCC)(CCCCC)OC1=CC=CC=C1 DAOJTXKSRLLWFS-UHFFFAOYSA-N 0.000 description 3
- ZEKORYUGKAAFFL-UHFFFAOYSA-N 2,3-bis(pentylamino)phenol Chemical compound CCCCCNC1=CC=CC(O)=C1NCCCCC ZEKORYUGKAAFFL-UHFFFAOYSA-N 0.000 description 3
- DCIZZZCFXDWSRW-UHFFFAOYSA-N 2,3-bis[(2,3,4-trimethylphenoxy)methyl]phenol Chemical compound CC1=C(C)C(C)=CC=C1OCC1=CC=CC(O)=C1COC1=CC=C(C)C(C)=C1C DCIZZZCFXDWSRW-UHFFFAOYSA-N 0.000 description 3
- ZFFMLCVRJBZUDZ-UHFFFAOYSA-N 2,3-dimethylbutane Chemical group CC(C)C(C)C ZFFMLCVRJBZUDZ-UHFFFAOYSA-N 0.000 description 3
- IXKVYSRDIVLASR-UHFFFAOYSA-N 2,3-dioctylphenol Chemical compound CCCCCCCCC1=CC=CC(O)=C1CCCCCCCC IXKVYSRDIVLASR-UHFFFAOYSA-N 0.000 description 3
- GMCGITQLTDDFGT-UHFFFAOYSA-N 2-(1-cyclohexyloxyhexyl)phenol Chemical compound C=1C=CC=C(O)C=1C(CCCCC)OC1CCCCC1 GMCGITQLTDDFGT-UHFFFAOYSA-N 0.000 description 3
- YQPLKFUBHKOYDW-UHFFFAOYSA-N 2-(6-phenylhexoxy)phenol Chemical class OC1=CC=CC=C1OCCCCCCC1=CC=CC=C1 YQPLKFUBHKOYDW-UHFFFAOYSA-N 0.000 description 3
- JTOXIUXNGPRKHI-UHFFFAOYSA-N 2-[(2,3,4-trimethylphenoxy)methyl]phenol Chemical compound CC1=C(C)C(C)=CC=C1OCC1=CC=CC=C1O JTOXIUXNGPRKHI-UHFFFAOYSA-N 0.000 description 3
- CRBJBYGJVIBWIY-UHFFFAOYSA-N 2-isopropylphenol Chemical compound CC(C)C1=CC=CC=C1O CRBJBYGJVIBWIY-UHFFFAOYSA-N 0.000 description 3
- CRIQSWIRYKZJAV-UHFFFAOYSA-N 3-hexylphenol Chemical compound CCCCCCC1=CC=CC(O)=C1 CRIQSWIRYKZJAV-UHFFFAOYSA-N 0.000 description 3
- VEXZGXHMUGYJMC-UHFFFAOYSA-N Hydrochloric acid Chemical compound Cl VEXZGXHMUGYJMC-UHFFFAOYSA-N 0.000 description 3
- OKKJLVBELUTLKV-UHFFFAOYSA-N Methanol Chemical compound OC OKKJLVBELUTLKV-UHFFFAOYSA-N 0.000 description 3
- 125000003158 alcohol group Chemical group 0.000 description 3
- 150000001335 aliphatic alkanes Chemical class 0.000 description 3
- 239000012670 alkaline solution Substances 0.000 description 3
- 125000005233 alkylalcohol group Chemical group 0.000 description 3
- AZDRQVAHHNSJOQ-UHFFFAOYSA-N alumane Chemical group [AlH3] AZDRQVAHHNSJOQ-UHFFFAOYSA-N 0.000 description 3
- PNEYBMLMFCGWSK-UHFFFAOYSA-N aluminium oxide Inorganic materials [O-2].[O-2].[O-2].[Al+3].[Al+3] PNEYBMLMFCGWSK-UHFFFAOYSA-N 0.000 description 3
- OHJMTUPIZMNBFR-UHFFFAOYSA-N biuret Chemical group NC(=O)NC(N)=O OHJMTUPIZMNBFR-UHFFFAOYSA-N 0.000 description 3
- SKKTUOZKZKCGTB-UHFFFAOYSA-N butyl carbamate Chemical compound CCCCOC(N)=O SKKTUOZKZKCGTB-UHFFFAOYSA-N 0.000 description 3
- 150000004651 carbonic acid esters Chemical class 0.000 description 3
- 238000002425 crystallisation Methods 0.000 description 3
- 230000008025 crystallization Effects 0.000 description 3
- 125000000000 cycloalkoxy group Chemical group 0.000 description 3
- 125000005112 cycloalkylalkoxy group Chemical group 0.000 description 3
- 125000001887 cyclopentyloxy group Chemical group C1(CCCC1)O* 0.000 description 3
- ANWCICBGKAHUEY-UHFFFAOYSA-N decyl carbamate Chemical compound CCCCCCCCCCOC(N)=O ANWCICBGKAHUEY-UHFFFAOYSA-N 0.000 description 3
- 238000004925 denaturation Methods 0.000 description 3
- 230000036425 denaturation Effects 0.000 description 3
- 208000018459 dissociative disease Diseases 0.000 description 3
- 125000003438 dodecyl group Chemical group [H]C([H])([H])C([H])([H])C([H])([H])C([H])([H])C([H])([H])C([H])([H])C([H])([H])C([H])([H])C([H])([H])C([H])([H])C([H])([H])C([H])([H])* 0.000 description 3
- 238000005755 formation reaction Methods 0.000 description 3
- 125000005446 heptyloxy group Chemical group [H]C([H])([H])C([H])([H])C([H])([H])C([H])([H])C([H])([H])C([H])([H])C([H])([H])O* 0.000 description 3
- NAQMVNRVTILPCV-UHFFFAOYSA-N hexane-1,6-diamine Chemical compound NCCCCCCN NAQMVNRVTILPCV-UHFFFAOYSA-N 0.000 description 3
- ROASJEHPZNKHOF-UHFFFAOYSA-N hexyl carbamate Chemical compound CCCCCCOC(N)=O ROASJEHPZNKHOF-UHFFFAOYSA-N 0.000 description 3
- 125000003707 hexyloxy group Chemical group [H]C([H])([H])C([H])([H])C([H])([H])C([H])([H])C([H])([H])C([H])([H])O* 0.000 description 3
- 150000002431 hydrogen Chemical class 0.000 description 3
- 229910044991 metal oxide Inorganic materials 0.000 description 3
- 150000004706 metal oxides Chemical class 0.000 description 3
- GYNNXHKOJHMOHS-UHFFFAOYSA-N methyl-cycloheptane Natural products CC1CCCCCC1 GYNNXHKOJHMOHS-UHFFFAOYSA-N 0.000 description 3
- 239000011259 mixed solution Substances 0.000 description 3
- 125000001421 myristyl group Chemical group [H]C([*])([H])C([H])([H])C([H])([H])C([H])([H])C([H])([H])C([H])([H])C([H])([H])C([H])([H])C([H])([H])C([H])([H])C([H])([H])C([H])([H])C([H])([H])C([H])([H])[H] 0.000 description 3
- YNTOKMNHRPSGFU-UHFFFAOYSA-N n-Propyl carbamate Chemical compound CCCOC(N)=O YNTOKMNHRPSGFU-UHFFFAOYSA-N 0.000 description 3
- TVMXDCGIABBOFY-UHFFFAOYSA-N octane Chemical compound CCCCCCCC TVMXDCGIABBOFY-UHFFFAOYSA-N 0.000 description 3
- 125000005447 octyloxy group Chemical group [H]C([H])([H])C([H])([H])C([H])([H])C([H])([H])C([H])([H])C([H])([H])C([H])([H])C([H])([H])O* 0.000 description 3
- 239000000377 silicon dioxide Substances 0.000 description 3
- 125000002948 undecyl group Chemical group [H]C([*])([H])C([H])([H])C([H])([H])C([H])([H])C([H])([H])C([H])([H])C([H])([H])C([H])([H])C([H])([H])C([H])([H])C([H])([H])[H] 0.000 description 3
- 239000013585 weight reducing agent Substances 0.000 description 3
- BLXPVQZWXLPAHQ-UHFFFAOYSA-N (2,3-diethylphenyl)urea Chemical compound CCC1=CC=CC(NC(N)=O)=C1CC BLXPVQZWXLPAHQ-UHFFFAOYSA-N 0.000 description 2
- VRCINJWFHSQGDI-UHFFFAOYSA-N (2,3-dihexylphenyl) carbamate Chemical class CCCCCCC1=CC=CC(OC(N)=O)=C1CCCCCC VRCINJWFHSQGDI-UHFFFAOYSA-N 0.000 description 2
- BRCWUAZOJNULLQ-UHFFFAOYSA-N (2,3-dimethylphenyl) carbamate Chemical class CC1=CC=CC(OC(N)=O)=C1C BRCWUAZOJNULLQ-UHFFFAOYSA-N 0.000 description 2
- VPRUORFDFDJDBL-UHFFFAOYSA-N (2,3-dioctadecylphenyl) N-phenylcarbamate Chemical class CCCCCCCCCCCCCCCCCCC1=CC=CC(OC(=O)NC=2C=CC=CC=2)=C1CCCCCCCCCCCCCCCCCC VPRUORFDFDJDBL-UHFFFAOYSA-N 0.000 description 2
- GYADCVCKXWNVAY-UHFFFAOYSA-N (2,3-dioctadecylphenyl) carbamate Chemical compound CCCCCCCCCCCCCCCCCCC1=CC=CC(OC(N)=O)=C1CCCCCCCCCCCCCCCCCC GYADCVCKXWNVAY-UHFFFAOYSA-N 0.000 description 2
- FYSXJXSMBZRBCX-UHFFFAOYSA-N (2-decylphenyl) carbamate Chemical compound CCCCCCCCCCC1=CC=CC=C1OC(N)=O FYSXJXSMBZRBCX-UHFFFAOYSA-N 0.000 description 2
- OJFNLMUVNGGZMP-UHFFFAOYSA-N (2-dodecylphenyl) carbamate Chemical compound CCCCCCCCCCCCC1=CC=CC=C1OC(N)=O OJFNLMUVNGGZMP-UHFFFAOYSA-N 0.000 description 2
- MLZDKXFNXWHKBU-UHFFFAOYSA-N (2-octadecylphenyl) carbamate Chemical compound CCCCCCCCCCCCCCCCCCC1=CC=CC=C1OC(N)=O MLZDKXFNXWHKBU-UHFFFAOYSA-N 0.000 description 2
- LEGIHXSSKUKHSK-UHFFFAOYSA-N (2-pentylphenyl) carbamate Chemical class CCCCCC1=CC=CC=C1OC(N)=O LEGIHXSSKUKHSK-UHFFFAOYSA-N 0.000 description 2
- JBLQXGFSCYVSDP-UHFFFAOYSA-N 1,3-bis(2,3,4-triethylphenyl)urea Chemical compound CCC1=C(CC)C(CC)=CC=C1NC(=O)NC1=CC=C(CC)C(CC)=C1CC JBLQXGFSCYVSDP-UHFFFAOYSA-N 0.000 description 2
- KBPLFHHGFOOTCA-UHFFFAOYSA-N 1-Octanol Chemical compound CCCCCCCCO KBPLFHHGFOOTCA-UHFFFAOYSA-N 0.000 description 2
- BBMCTIGTTCKYKF-UHFFFAOYSA-N 1-heptanol Chemical compound CCCCCCCO BBMCTIGTTCKYKF-UHFFFAOYSA-N 0.000 description 2
- KJCVRFUGPWSIIH-UHFFFAOYSA-N 1-naphthol Chemical compound C1=CC=C2C(O)=CC=CC2=C1 KJCVRFUGPWSIIH-UHFFFAOYSA-N 0.000 description 2
- XDESGXRLUIHEJT-UHFFFAOYSA-N 2,3,4-tribenzylphenol Chemical compound C=1C=CC=CC=1CC1=C(CC=2C=CC=CC=2)C(O)=CC=C1CC1=CC=CC=C1 XDESGXRLUIHEJT-UHFFFAOYSA-N 0.000 description 2
- HSQFVBWFPBKHEB-UHFFFAOYSA-N 2,3,4-trichlorophenol Chemical compound OC1=CC=C(Cl)C(Cl)=C1Cl HSQFVBWFPBKHEB-UHFFFAOYSA-N 0.000 description 2
- LAHMCILVOAKEKQ-UHFFFAOYSA-N 2,3,4-tridodecoxyphenol Chemical compound CCCCCCCCCCCCOC1=CC=C(O)C(OCCCCCCCCCCCC)=C1OCCCCCCCCCCCC LAHMCILVOAKEKQ-UHFFFAOYSA-N 0.000 description 2
- AFXQOXNRTJFOJV-UHFFFAOYSA-N 2,3,4-triethylphenol Chemical compound CCC1=CC=C(O)C(CC)=C1CC AFXQOXNRTJFOJV-UHFFFAOYSA-N 0.000 description 2
- HXCYHAPNIVDCQR-UHFFFAOYSA-N 2,3,4-trioctylphenol Chemical compound CCCCCCCCC1=CC=C(O)C(CCCCCCCC)=C1CCCCCCCC HXCYHAPNIVDCQR-UHFFFAOYSA-N 0.000 description 2
- MQNNIEOHHMVAHY-UHFFFAOYSA-N 2,3,4-tripentoxyphenol Chemical compound CCCCCOC1=CC=C(O)C(OCCCCC)=C1OCCCCC MQNNIEOHHMVAHY-UHFFFAOYSA-N 0.000 description 2
- RCDLELXZNBHNBN-UHFFFAOYSA-N 2,3,4-tripentylphenol Chemical compound CCCCCC1=CC=C(O)C(CCCCC)=C1CCCCC RCDLELXZNBHNBN-UHFFFAOYSA-N 0.000 description 2
- AKRRYBKXTXQJJY-UHFFFAOYSA-N 2,3,4-tripropoxyphenol Chemical compound CCCOC1=CC=C(O)C(OCCC)=C1OCCC AKRRYBKXTXQJJY-UHFFFAOYSA-N 0.000 description 2
- TZIPJVAKPHGVFU-UHFFFAOYSA-N 2,3,4-tripropylphenol Chemical compound CCCC1=CC=C(O)C(CCC)=C1CCC TZIPJVAKPHGVFU-UHFFFAOYSA-N 0.000 description 2
- GYLACRMMTAJVSL-UHFFFAOYSA-N 2,3,4-tris(1-cyclohexyloxypentyl)phenol Chemical compound C=1C=C(O)C(C(CCCC)OC2CCCCC2)=C(C(CCCC)OC2CCCCC2)C=1C(CCCC)OC1CCCCC1 GYLACRMMTAJVSL-UHFFFAOYSA-N 0.000 description 2
- CKPCWBYFTATJBH-UHFFFAOYSA-N 2,3,4-tris(1-cyclohexyloxypropyl)phenol Chemical compound C=1C=C(O)C(C(CC)OC2CCCCC2)=C(C(CC)OC2CCCCC2)C=1C(CC)OC1CCCCC1 CKPCWBYFTATJBH-UHFFFAOYSA-N 0.000 description 2
- IMORYHFXMCBCDJ-UHFFFAOYSA-N 2,3,4-tris(1-phenoxyethyl)phenol Chemical compound C=1C=C(O)C(C(C)OC=2C=CC=CC=2)=C(C(C)OC=2C=CC=CC=2)C=1C(C)OC1=CC=CC=C1 IMORYHFXMCBCDJ-UHFFFAOYSA-N 0.000 description 2
- ZYGIKUNYAAVPAN-UHFFFAOYSA-N 2,3,4-tris(1-phenoxyhexyl)phenol Chemical compound C=1C=C(O)C(C(CCCCC)OC=2C=CC=CC=2)=C(C(CCCCC)OC=2C=CC=CC=2)C=1C(CCCCC)OC1=CC=CC=C1 ZYGIKUNYAAVPAN-UHFFFAOYSA-N 0.000 description 2
- XMXISGGSFCXZTM-UHFFFAOYSA-N 2,3,4-tris(1-phenoxyoctyl)phenol Chemical compound C=1C=C(O)C(C(CCCCCCC)OC=2C=CC=CC=2)=C(C(CCCCCCC)OC=2C=CC=CC=2)C=1C(CCCCCCC)OC1=CC=CC=C1 XMXISGGSFCXZTM-UHFFFAOYSA-N 0.000 description 2
- IPIYKCZKKGVQCY-UHFFFAOYSA-N 2,3,4-tris(1-phenoxypropyl)phenol Chemical compound C=1C=C(O)C(C(CC)OC=2C=CC=CC=2)=C(C(CC)OC=2C=CC=CC=2)C=1C(CC)OC1=CC=CC=C1 IPIYKCZKKGVQCY-UHFFFAOYSA-N 0.000 description 2
- GOOQMNHFUVMJDS-UHFFFAOYSA-N 2,3,4-tris(2,3-diethylphenoxy)phenol Chemical compound CCC1=CC=CC(OC=2C(=C(OC=3C(=C(CC)C=CC=3)CC)C(O)=CC=2)OC=2C(=C(CC)C=CC=2)CC)=C1CC GOOQMNHFUVMJDS-UHFFFAOYSA-N 0.000 description 2
- UWHSJSGNZYCPQR-UHFFFAOYSA-N 2,3,4-tris(2,3-dimethylphenoxy)phenol Chemical compound CC1=CC=CC(OC=2C(=C(OC=3C(=C(C)C=CC=3)C)C(O)=CC=2)OC=2C(=C(C)C=CC=2)C)=C1C UWHSJSGNZYCPQR-UHFFFAOYSA-N 0.000 description 2
- PONHSXBCTFLWPL-UHFFFAOYSA-N 2,3,4-tris(2,3-diphenylphenoxy)phenol Chemical compound C=1C=CC(C=2C=CC=CC=2)=C(C=2C=CC=CC=2)C=1OC1=C(OC=2C(=C(C=3C=CC=CC=3)C=CC=2)C=2C=CC=CC=2)C(O)=CC=C1OC(C=1C=2C=CC=CC=2)=CC=CC=1C1=CC=CC=C1 PONHSXBCTFLWPL-UHFFFAOYSA-N 0.000 description 2
- QCOHBEYQJBFNER-UHFFFAOYSA-N 2,3,4-tris(2-butylphenoxy)phenol Chemical compound CCCCC1=CC=CC=C1OC1=CC=C(O)C(OC=2C(=CC=CC=2)CCCC)=C1OC1=CC=CC=C1CCCC QCOHBEYQJBFNER-UHFFFAOYSA-N 0.000 description 2
- SNJGWQJIAVEAPL-UHFFFAOYSA-N 2,3,4-tris(2-heptylphenoxy)phenol Chemical compound CCCCCCCC1=CC=CC=C1OC1=CC=C(O)C(OC=2C(=CC=CC=2)CCCCCCC)=C1OC1=CC=CC=C1CCCCCCC SNJGWQJIAVEAPL-UHFFFAOYSA-N 0.000 description 2
- RFGHQQUDHPXLJC-UHFFFAOYSA-N 2,3,4-tris(2-pentylphenoxy)phenol Chemical compound CCCCCC1=CC=CC=C1OC1=CC=C(O)C(OC=2C(=CC=CC=2)CCCCC)=C1OC1=CC=CC=C1CCCCC RFGHQQUDHPXLJC-UHFFFAOYSA-N 0.000 description 2
- FOFDKNPHWSCGPA-UHFFFAOYSA-N 2,3,4-tris(4-phenylbutoxy)phenol Chemical compound C=1C=CC=CC=1CCCCOC1=C(OCCCCC=2C=CC=CC=2)C(O)=CC=C1OCCCCC1=CC=CC=C1 FOFDKNPHWSCGPA-UHFFFAOYSA-N 0.000 description 2
- YPDFZNNIMYHULZ-UHFFFAOYSA-N 2,3,4-tris(6-phenylhexoxy)phenol Chemical compound C=1C=CC=CC=1CCCCCCOC1=C(OCCCCCCC=2C=CC=CC=2)C(O)=CC=C1OCCCCCCC1=CC=CC=C1 YPDFZNNIMYHULZ-UHFFFAOYSA-N 0.000 description 2
- LKJIIGXENLURCJ-UHFFFAOYSA-N 2,3,4-tris(9-phenylnonoxy)phenol Chemical compound C=1C=CC=CC=1CCCCCCCCCOC1=C(OCCCCCCCCCC=2C=CC=CC=2)C(O)=CC=C1OCCCCCCCCCC1=CC=CC=C1 LKJIIGXENLURCJ-UHFFFAOYSA-N 0.000 description 2
- PIPOOBOFYTUMFD-UHFFFAOYSA-N 2,3,4-tris(decoxymethyl)phenol Chemical compound CCCCCCCCCCOCC1=CC=C(O)C(COCCCCCCCCCC)=C1COCCCCCCCCCC PIPOOBOFYTUMFD-UHFFFAOYSA-N 0.000 description 2
- ZCOBZQOCYWYHDY-UHFFFAOYSA-N 2,3,4-tris(octadecylamino)phenol Chemical compound CCCCCCCCCCCCCCCCCCNC1=CC=C(O)C(NCCCCCCCCCCCCCCCCCC)=C1NCCCCCCCCCCCCCCCCCC ZCOBZQOCYWYHDY-UHFFFAOYSA-N 0.000 description 2
- GJFIPIOVPAOKFP-UHFFFAOYSA-N 2,3,4-tris[(1-methylcyclopentyl)oxy]phenol Chemical compound C=1C=C(O)C(OC2(C)CCCC2)=C(OC2(C)CCCC2)C=1OC1(C)CCCC1 GJFIPIOVPAOKFP-UHFFFAOYSA-N 0.000 description 2
- CNTSOYPJLTURPR-UHFFFAOYSA-N 2,3,4-tris[(1-propylcyclohexyl)oxy]phenol Chemical compound C=1C=C(O)C(OC2(CCC)CCCCC2)=C(OC2(CCC)CCCCC2)C=1OC1(CCC)CCCCC1 CNTSOYPJLTURPR-UHFFFAOYSA-N 0.000 description 2
- RGPBKNDHMBDPAM-UHFFFAOYSA-N 2,3,4-tris[(2,3,4-triethylphenoxy)methyl]phenol Chemical compound CCC1=C(CC)C(CC)=CC=C1OCC1=CC=C(O)C(COC=2C(=C(CC)C(CC)=CC=2)CC)=C1COC1=CC=C(CC)C(CC)=C1CC RGPBKNDHMBDPAM-UHFFFAOYSA-N 0.000 description 2
- LSIWJURUEPPMLB-UHFFFAOYSA-N 2,3,4-tris[(2,3,4-trimethylphenoxy)methyl]phenol Chemical compound CC1=C(C)C(C)=CC=C1OCC1=CC=C(O)C(COC=2C(=C(C)C(C)=CC=2)C)=C1COC1=CC=C(C)C(C)=C1C LSIWJURUEPPMLB-UHFFFAOYSA-N 0.000 description 2
- TVEOCNAEBOWZRL-UHFFFAOYSA-N 2,3,4-tris[(2,3,4-trimethylphenyl)methyl]phenol Chemical compound CC1=C(C)C(C)=CC=C1CC1=CC=C(O)C(CC=2C(=C(C)C(C)=CC=2)C)=C1CC1=CC=C(C)C(C)=C1C TVEOCNAEBOWZRL-UHFFFAOYSA-N 0.000 description 2
- MJXIAUQMJHAKEI-UHFFFAOYSA-N 2,3,4-tris[(2,3-diethylphenyl)methyl]phenol Chemical compound CCC1=CC=CC(CC=2C(=C(CC=3C(=C(CC)C=CC=3)CC)C(O)=CC=2)CC=2C(=C(CC)C=CC=2)CC)=C1CC MJXIAUQMJHAKEI-UHFFFAOYSA-N 0.000 description 2
- GKPQJDDWDLQWTK-UHFFFAOYSA-N 2,3,4-tris[(2,3-dimethylphenyl)methyl]phenol Chemical compound CC1=CC=CC(CC=2C(=C(CC=3C(=C(C)C=CC=3)C)C(O)=CC=2)CC=2C(=C(C)C=CC=2)C)=C1C GKPQJDDWDLQWTK-UHFFFAOYSA-N 0.000 description 2
- KSTQNSVVVMPBGK-UHFFFAOYSA-N 2,3,4-tris[(2-ethylphenyl)methyl]phenol Chemical compound CCC1=CC=CC=C1CC1=CC=C(O)C(CC=2C(=CC=CC=2)CC)=C1CC1=CC=CC=C1CC KSTQNSVVVMPBGK-UHFFFAOYSA-N 0.000 description 2
- IIZQJFBJNZFKDM-UHFFFAOYSA-N 2,3,4-tris[(2-octylphenyl)methyl]phenol Chemical compound CCCCCCCCC1=CC=CC=C1CC1=CC=C(O)C(CC=2C(=CC=CC=2)CCCCCCCC)=C1CC1=CC=CC=C1CCCCCCCC IIZQJFBJNZFKDM-UHFFFAOYSA-N 0.000 description 2
- TUVKEESFYTWFAQ-UHFFFAOYSA-N 2,3,4-tris[(2-pentylphenyl)methyl]phenol Chemical compound CCCCCC1=CC=CC=C1CC1=CC=C(O)C(CC=2C(=CC=CC=2)CCCCC)=C1CC1=CC=CC=C1CCCCC TUVKEESFYTWFAQ-UHFFFAOYSA-N 0.000 description 2
- ZRRCGEOYQVGPOR-UHFFFAOYSA-N 2,3,4-tris[2-(2,3,4-tributylphenoxy)propyl]phenol Chemical compound CCCCC1=C(CCCC)C(CCCC)=CC=C1OC(C)CC1=CC=C(O)C(CC(C)OC=2C(=C(CCCC)C(CCCC)=CC=2)CCCC)=C1CC(C)OC1=CC=C(CCCC)C(CCCC)=C1CCCC ZRRCGEOYQVGPOR-UHFFFAOYSA-N 0.000 description 2
- OBWGOIBCQUPACR-UHFFFAOYSA-N 2,3,4-tris[2-(2,3,4-triethylphenoxy)propyl]phenol Chemical compound CCC1=C(CC)C(CC)=CC=C1OC(C)CC1=CC=C(O)C(CC(C)OC=2C(=C(CC)C(CC)=CC=2)CC)=C1CC(C)OC1=CC=C(CC)C(CC)=C1CC OBWGOIBCQUPACR-UHFFFAOYSA-N 0.000 description 2
- KAVQNBKOXHEQSY-UHFFFAOYSA-N 2,3,4-tris[2-(2,3,4-trimethylphenoxy)propyl]phenol Chemical compound C=1C=C(C)C(C)=C(C)C=1OC(C)CC(C=1CC(C)OC=2C(=C(C)C(C)=CC=2)C)=CC=C(O)C=1CC(C)OC1=CC=C(C)C(C)=C1C KAVQNBKOXHEQSY-UHFFFAOYSA-N 0.000 description 2
- HGCWEWNKLLCWAN-UHFFFAOYSA-N 2,3,4-tris[2-(2,3,4-tripropylphenoxy)propyl]phenol Chemical compound CCCC1=C(CCC)C(CCC)=CC=C1OC(C)CC1=CC=C(O)C(CC(C)OC=2C(=C(CCC)C(CCC)=CC=2)CCC)=C1CC(C)OC1=CC=C(CCC)C(CCC)=C1CCC HGCWEWNKLLCWAN-UHFFFAOYSA-N 0.000 description 2
- UVTPATOTBOSPAN-UHFFFAOYSA-N 2,3,4-tris[2-methyl-2-(2,3,4-tributylphenoxy)propyl]phenol Chemical compound CCCCC1=C(CCCC)C(CCCC)=CC=C1OC(C)(C)CC1=CC=C(O)C(CC(C)(C)OC=2C(=C(CCCC)C(CCCC)=CC=2)CCCC)=C1CC(C)(C)OC1=CC=C(CCCC)C(CCCC)=C1CCCC UVTPATOTBOSPAN-UHFFFAOYSA-N 0.000 description 2
- UEORHIMLPCGROH-UHFFFAOYSA-N 2,3,4-tris[2-methyl-2-(2,3,4-triethylphenoxy)propyl]phenol Chemical compound CCC1=C(CC)C(CC)=CC=C1OC(C)(C)CC1=CC=C(O)C(CC(C)(C)OC=2C(=C(CC)C(CC)=CC=2)CC)=C1CC(C)(C)OC1=CC=C(CC)C(CC)=C1CC UEORHIMLPCGROH-UHFFFAOYSA-N 0.000 description 2
- XLZRBVMWYAQAQR-UHFFFAOYSA-N 2,3,4-tris[2-methyl-2-(2,3,4-trimethylphenoxy)propyl]phenol Chemical compound CC1=C(C)C(C)=CC=C1OC(C)(C)CC1=CC=C(O)C(CC(C)(C)OC=2C(=C(C)C(C)=CC=2)C)=C1CC(C)(C)OC1=CC=C(C)C(C)=C1C XLZRBVMWYAQAQR-UHFFFAOYSA-N 0.000 description 2
- CJOSDJZQENBKBX-UHFFFAOYSA-N 2,3,4-tris[2-methyl-2-(2,3,4-tripropylphenoxy)propyl]phenol Chemical compound CCCC1=C(CCC)C(CCC)=CC=C1OC(C)(C)CC1=CC=C(O)C(CC(C)(C)OC=2C(=C(CCC)C(CCC)=CC=2)CCC)=C1CC(C)(C)OC1=CC=C(CCC)C(CCC)=C1CCC CJOSDJZQENBKBX-UHFFFAOYSA-N 0.000 description 2
- FKTUMWQFPGXYPG-UHFFFAOYSA-N 2,3-bis(1-cyclohexyloxyhexyl)phenol Chemical compound C=1C=CC(O)=C(C(CCCCC)OC2CCCCC2)C=1C(CCCCC)OC1CCCCC1 FKTUMWQFPGXYPG-UHFFFAOYSA-N 0.000 description 2
- DDNZZLCZGSYXKK-UHFFFAOYSA-N 2,3-bis(1-cyclohexyloxypentyl)phenol Chemical compound C=1C=CC(O)=C(C(CCCC)OC2CCCCC2)C=1C(CCCC)OC1CCCCC1 DDNZZLCZGSYXKK-UHFFFAOYSA-N 0.000 description 2
- MIGXIFIKYPYBNQ-UHFFFAOYSA-N 2,3-bis(1-phenoxyethyl)phenol Chemical compound C=1C=CC(O)=C(C(C)OC=2C=CC=CC=2)C=1C(C)OC1=CC=CC=C1 MIGXIFIKYPYBNQ-UHFFFAOYSA-N 0.000 description 2
- ROZVFKZVOBITTM-UHFFFAOYSA-N 2,3-bis(1-phenoxypropyl)phenol Chemical compound C=1C=CC(O)=C(C(CC)OC=2C=CC=CC=2)C=1C(CC)OC1=CC=CC=C1 ROZVFKZVOBITTM-UHFFFAOYSA-N 0.000 description 2
- NZFSZCZIARDJQB-UHFFFAOYSA-N 2,3-bis(2,3,4-tributylphenoxy)phenol Chemical compound CCCCC1=C(CCCC)C(CCCC)=CC=C1OC1=CC=CC(O)=C1OC1=CC=C(CCCC)C(CCCC)=C1CCCC NZFSZCZIARDJQB-UHFFFAOYSA-N 0.000 description 2
- SANRRXWSZBRUCK-UHFFFAOYSA-N 2,3-bis(2-decylphenoxy)phenol Chemical compound CCCCCCCCCCC1=CC=CC=C1OC1=CC=CC(O)=C1OC1=CC=CC=C1CCCCCCCCCC SANRRXWSZBRUCK-UHFFFAOYSA-N 0.000 description 2
- YEDXTVVDQGYOFM-UHFFFAOYSA-N 2,3-bis(2-ethylphenoxy)phenol Chemical compound CCC1=CC=CC=C1OC1=CC=CC(O)=C1OC1=CC=CC=C1CC YEDXTVVDQGYOFM-UHFFFAOYSA-N 0.000 description 2
- ZKSAJVBCOJFDMT-UHFFFAOYSA-N 2,3-bis(3-cyclohexyloxypentan-3-yl)phenol Chemical compound C=1C=CC(O)=C(C(CC)(CC)OC2CCCCC2)C=1C(CC)(CC)OC1CCCCC1 ZKSAJVBCOJFDMT-UHFFFAOYSA-N 0.000 description 2
- HTMKNBXORVPKLA-UHFFFAOYSA-N 2,3-bis(4-phenylbutoxymethyl)phenol Chemical compound C=1C=CC=CC=1CCCCOCC=1C(O)=CC=CC=1COCCCCC1=CC=CC=C1 HTMKNBXORVPKLA-UHFFFAOYSA-N 0.000 description 2
- WFJSGFRYTNBYDY-UHFFFAOYSA-N 2,3-bis(6-phenylhexoxy)phenol Chemical compound C=1C=CC=CC=1CCCCCCOC=1C(O)=CC=CC=1OCCCCCCC1=CC=CC=C1 WFJSGFRYTNBYDY-UHFFFAOYSA-N 0.000 description 2
- SVGINVZKPNXIFP-UHFFFAOYSA-N 2,3-bis(6-phenylhexoxymethyl)phenol Chemical compound C=1C=CC=CC=1CCCCCCOCC=1C(O)=CC=CC=1COCCCCCCC1=CC=CC=C1 SVGINVZKPNXIFP-UHFFFAOYSA-N 0.000 description 2
- GXPNYSHWANBWQF-UHFFFAOYSA-N 2,3-bis(7-phenoxytridecan-7-yl)phenol Chemical compound C=1C=CC(O)=C(C(CCCCCC)(CCCCCC)OC=2C=CC=CC=2)C=1C(CCCCCC)(CCCCCC)OC1=CC=CC=C1 GXPNYSHWANBWQF-UHFFFAOYSA-N 0.000 description 2
- JRRQFNCTMDEFGG-UHFFFAOYSA-N 2,3-bis(butoxymethyl)phenol Chemical compound CCCCOCC1=CC=CC(O)=C1COCCCC JRRQFNCTMDEFGG-UHFFFAOYSA-N 0.000 description 2
- QHGLRPGNAYXPPM-UHFFFAOYSA-N 2,3-bis(decylamino)phenol Chemical class CCCCCCCCCCNC1=CC=CC(O)=C1NCCCCCCCCCC QHGLRPGNAYXPPM-UHFFFAOYSA-N 0.000 description 2
- QRKULNOHJMMWFC-UHFFFAOYSA-N 2,3-bis(dodecylamino)phenol Chemical compound CCCCCCCCCCCCNC1=CC=CC(O)=C1NCCCCCCCCCCCC QRKULNOHJMMWFC-UHFFFAOYSA-N 0.000 description 2
- XVRGHRZYNMFKNU-UHFFFAOYSA-N 2,3-bis(hexoxymethyl)phenol Chemical compound CCCCCCOCC1=CC=CC(O)=C1COCCCCCC XVRGHRZYNMFKNU-UHFFFAOYSA-N 0.000 description 2
- XWRVPAWRRBUHHO-UHFFFAOYSA-N 2,3-bis(methoxymethyl)phenol Chemical compound COCC1=CC=CC(O)=C1COC XWRVPAWRRBUHHO-UHFFFAOYSA-N 0.000 description 2
- GSFNLBSDDWWGAG-UHFFFAOYSA-N 2,3-bis(propylamino)phenol Chemical compound CCCNC1=CC=CC(O)=C1NCCC GSFNLBSDDWWGAG-UHFFFAOYSA-N 0.000 description 2
- SGGRUXFTGLNYHS-UHFFFAOYSA-N 2,3-bis[(1-butylcyclohexyl)oxy]phenol Chemical compound C=1C=CC(O)=C(OC2(CCCC)CCCCC2)C=1OC1(CCCC)CCCCC1 SGGRUXFTGLNYHS-UHFFFAOYSA-N 0.000 description 2
- ZWFOAVCMLHDXOA-UHFFFAOYSA-N 2,3-bis[(1-ethylcyclohexyl)oxy]phenol Chemical compound C=1C=CC(O)=C(OC2(CC)CCCCC2)C=1OC1(CC)CCCCC1 ZWFOAVCMLHDXOA-UHFFFAOYSA-N 0.000 description 2
- DYTICDBYEFYIOA-UHFFFAOYSA-N 2,3-bis[(2,3,4-tributylphenoxy)methyl]phenol Chemical compound CCCCC1=C(CCCC)C(CCCC)=CC=C1OCC1=CC=CC(O)=C1COC1=CC=C(CCCC)C(CCCC)=C1CCCC DYTICDBYEFYIOA-UHFFFAOYSA-N 0.000 description 2
- VCJSQMVIYXNPGU-UHFFFAOYSA-N 2,3-bis[(2,3,4-triethylphenyl)methyl]phenol Chemical compound CCC1=C(CC)C(CC)=CC=C1CC1=CC=CC(O)=C1CC1=CC=C(CC)C(CC)=C1CC VCJSQMVIYXNPGU-UHFFFAOYSA-N 0.000 description 2
- MBSHOITXIVUQML-UHFFFAOYSA-N 2,3-bis[(2,3,4-trimethylphenyl)methyl]phenol Chemical compound CC1=C(C)C(C)=CC=C1CC1=CC=CC(O)=C1CC1=CC=C(C)C(C)=C1C MBSHOITXIVUQML-UHFFFAOYSA-N 0.000 description 2
- UYUILYHAXZZZTC-UHFFFAOYSA-N 2,3-bis[(2,3-dimethylphenyl)methyl]phenol Chemical compound CC1=CC=CC(CC=2C(=C(O)C=CC=2)CC=2C(=C(C)C=CC=2)C)=C1C UYUILYHAXZZZTC-UHFFFAOYSA-N 0.000 description 2
- NMBPBSQGAXHRLA-UHFFFAOYSA-N 2,3-bis[(2-methylphenyl)methyl]phenol Chemical compound CC1=CC=CC=C1CC1=CC=CC(O)=C1CC1=CC=CC=C1C NMBPBSQGAXHRLA-UHFFFAOYSA-N 0.000 description 2
- WELFGIFNJFLRSA-UHFFFAOYSA-N 2,3-bis[(4,4-diethylcyclohexyl)oxy]phenol Chemical compound C(C)C1(CCC(CC1)OC=1C(=C(C=CC=1)O)OC1CCC(CC1)(CC)CC)CC WELFGIFNJFLRSA-UHFFFAOYSA-N 0.000 description 2
- SANDXFYZMXKNJZ-UHFFFAOYSA-N 2,3-bis[(4,4-dimethylcyclohexyl)oxy]phenol Chemical compound CC1(CCC(CC1)OC=1C(=C(C=CC=1)O)OC1CCC(CC1)(C)C)C SANDXFYZMXKNJZ-UHFFFAOYSA-N 0.000 description 2
- CSXAPHIVWYGVOW-UHFFFAOYSA-N 2,3-bis[phenoxy(phenyl)methyl]phenol Chemical compound C=1C=CC=CC=1OC(C=1C=CC=CC=1)C=1C(O)=CC=CC=1C(C=1C=CC=CC=1)OC1=CC=CC=C1 CSXAPHIVWYGVOW-UHFFFAOYSA-N 0.000 description 2
- JKTAIYGNOFSMCE-UHFFFAOYSA-N 2,3-di(nonyl)phenol Chemical compound CCCCCCCCCC1=CC=CC(O)=C1CCCCCCCCC JKTAIYGNOFSMCE-UHFFFAOYSA-N 0.000 description 2
- XKFDFPNEOPZMFP-UHFFFAOYSA-N 2,3-di(octadecan-2-yl)phenol Chemical compound C(C)(CCCCCCCCCCCCCCCC)C=1C(=C(C=CC=1)O)C(C)CCCCCCCCCCCCCCCC XKFDFPNEOPZMFP-UHFFFAOYSA-N 0.000 description 2
- YHOMKYYXCBXANK-UHFFFAOYSA-N 2,3-di(pentan-2-yl)phenol Chemical compound CCCC(C)C1=CC=CC(O)=C1C(C)CCC YHOMKYYXCBXANK-UHFFFAOYSA-N 0.000 description 2
- ZEFOXNBIQIPHOP-UHFFFAOYSA-N 2,3-di(propan-2-yl)phenol Chemical compound CC(C)C1=CC=CC(O)=C1C(C)C ZEFOXNBIQIPHOP-UHFFFAOYSA-N 0.000 description 2
- PGEBXGLGFFYYFX-UHFFFAOYSA-N 2,3-dibenzylphenol Chemical compound C=1C=CC=CC=1CC=1C(O)=CC=CC=1CC1=CC=CC=C1 PGEBXGLGFFYYFX-UHFFFAOYSA-N 0.000 description 2
- FNAKEOXYWBWIRT-UHFFFAOYSA-N 2,3-dibromophenol Chemical compound OC1=CC=CC(Br)=C1Br FNAKEOXYWBWIRT-UHFFFAOYSA-N 0.000 description 2
- NSENZNPLAVRFMJ-UHFFFAOYSA-N 2,3-dibutylphenol Chemical compound CCCCC1=CC=CC(O)=C1CCCC NSENZNPLAVRFMJ-UHFFFAOYSA-N 0.000 description 2
- ZFYSLVBOPWHICF-UHFFFAOYSA-N 2,3-dicyclohexyloxyphenol Chemical compound C1CCCCC1OC=1C(O)=CC=CC=1OC1CCCCC1 ZFYSLVBOPWHICF-UHFFFAOYSA-N 0.000 description 2
- DSIWZKWQIBJFLX-UHFFFAOYSA-N 2,3-diethoxyphenol Chemical compound CCOC1=CC=CC(O)=C1OCC DSIWZKWQIBJFLX-UHFFFAOYSA-N 0.000 description 2
- TZCAEOZEFPKKHC-UHFFFAOYSA-N 2,3-diheptoxyphenol Chemical compound CCCCCCCOC1=CC=CC(O)=C1OCCCCCCC TZCAEOZEFPKKHC-UHFFFAOYSA-N 0.000 description 2
- QWBBPBRQALCEIZ-UHFFFAOYSA-N 2,3-dimethylphenol Chemical compound CC1=CC=CC(O)=C1C QWBBPBRQALCEIZ-UHFFFAOYSA-N 0.000 description 2
- RPWDMROUGRBIHN-UHFFFAOYSA-N 2,3-dioctoxyphenol Chemical compound CCCCCCCCOC1=CC=CC(O)=C1OCCCCCCCC RPWDMROUGRBIHN-UHFFFAOYSA-N 0.000 description 2
- ICKWICRCANNIBI-UHFFFAOYSA-N 2,4-di-tert-butylphenol Chemical compound CC(C)(C)C1=CC=C(O)C(C(C)(C)C)=C1 ICKWICRCANNIBI-UHFFFAOYSA-N 0.000 description 2
- FHTGJZOULSYEOB-UHFFFAOYSA-N 2,6-di(butan-2-yl)phenol Chemical compound CCC(C)C1=CC=CC(C(C)CC)=C1O FHTGJZOULSYEOB-UHFFFAOYSA-N 0.000 description 2
- QHQWHSKEOXDPRS-UHFFFAOYSA-N 2-(1-butylcyclohexyl)oxyphenol Chemical compound C=1C=CC=C(O)C=1OC1(CCCC)CCCCC1 QHQWHSKEOXDPRS-UHFFFAOYSA-N 0.000 description 2
- BEHKQKDAIWPVKL-UHFFFAOYSA-N 2-(1-cyclohexyloxyethyl)phenol Chemical compound C=1C=CC=C(O)C=1C(C)OC1CCCCC1 BEHKQKDAIWPVKL-UHFFFAOYSA-N 0.000 description 2
- UJLAAOOLNNXWBK-UHFFFAOYSA-N 2-(1-cyclohexyloxypropyl)phenol Chemical compound C=1C=CC=C(O)C=1C(CC)OC1CCCCC1 UJLAAOOLNNXWBK-UHFFFAOYSA-N 0.000 description 2
- WFTRAJQQNMNMCH-UHFFFAOYSA-N 2-(1-ethylcyclohexyl)oxyphenol Chemical compound C=1C=CC=C(O)C=1OC1(CC)CCCCC1 WFTRAJQQNMNMCH-UHFFFAOYSA-N 0.000 description 2
- PEALQJPDQRAVQF-UHFFFAOYSA-N 2-(1-ethylcyclopentyl)oxyphenol Chemical compound C=1C=CC=C(O)C=1OC1(CC)CCCC1 PEALQJPDQRAVQF-UHFFFAOYSA-N 0.000 description 2
- ARVAPOHZGAVALE-UHFFFAOYSA-N 2-(1-methylcyclopentyl)oxyphenol Chemical compound C=1C=CC=C(O)C=1OC1(C)CCCC1 ARVAPOHZGAVALE-UHFFFAOYSA-N 0.000 description 2
- ZZHLMSQRTGURRD-UHFFFAOYSA-N 2-(1-phenoxybutyl)phenol Chemical compound C=1C=CC=C(O)C=1C(CCC)OC1=CC=CC=C1 ZZHLMSQRTGURRD-UHFFFAOYSA-N 0.000 description 2
- CJUHEOYSTSKHMX-UHFFFAOYSA-N 2-(1-phenoxyheptyl)phenol Chemical compound C=1C=CC=C(O)C=1C(CCCCCC)OC1=CC=CC=C1 CJUHEOYSTSKHMX-UHFFFAOYSA-N 0.000 description 2
- FJEIHHRWHLQNMU-UHFFFAOYSA-N 2-(1-phenoxyhexyl)phenol Chemical compound C=1C=CC=C(O)C=1C(CCCCC)OC1=CC=CC=C1 FJEIHHRWHLQNMU-UHFFFAOYSA-N 0.000 description 2
- KQTCATIHPWMPGR-UHFFFAOYSA-N 2-(1-phenoxynonyl)phenol Chemical compound C=1C=CC=C(O)C=1C(CCCCCCCC)OC1=CC=CC=C1 KQTCATIHPWMPGR-UHFFFAOYSA-N 0.000 description 2
- URMRGDZITNQAEY-UHFFFAOYSA-N 2-(1-phenoxyoctyl)phenol Chemical compound C=1C=CC=C(O)C=1C(CCCCCCC)OC1=CC=CC=C1 URMRGDZITNQAEY-UHFFFAOYSA-N 0.000 description 2
- DTLFJURYRRQUFW-UHFFFAOYSA-N 2-(1-phenoxypentyl)phenol Chemical compound C=1C=CC=C(O)C=1C(CCCC)OC1=CC=CC=C1 DTLFJURYRRQUFW-UHFFFAOYSA-N 0.000 description 2
- CSIHANNJAKAORR-UHFFFAOYSA-N 2-(1-phenoxyundecyl)phenol Chemical compound C=1C=CC=C(O)C=1C(CCCCCCCCCC)OC1=CC=CC=C1 CSIHANNJAKAORR-UHFFFAOYSA-N 0.000 description 2
- TUKIBMXPEXVYES-UHFFFAOYSA-N 2-(1-propylcyclohexyl)oxyphenol Chemical compound C=1C=CC=C(O)C=1OC1(CCC)CCCCC1 TUKIBMXPEXVYES-UHFFFAOYSA-N 0.000 description 2
- HOIVRKZCXDJDNI-UHFFFAOYSA-N 2-(2,3-dihexylphenoxy)phenol Chemical compound CCCCCCC1=CC=CC(OC=2C(=CC=CC=2)O)=C1CCCCCC HOIVRKZCXDJDNI-UHFFFAOYSA-N 0.000 description 2
- WSFCUMWOLGWXGH-UHFFFAOYSA-N 2-(2-heptylphenoxy)phenol Chemical class CCCCCCCC1=CC=CC=C1OC1=CC=CC=C1O WSFCUMWOLGWXGH-UHFFFAOYSA-N 0.000 description 2
- IDDZHLNJMSHOFK-UHFFFAOYSA-N 2-(2-hexylphenoxy)phenol Chemical class CCCCCCC1=CC=CC=C1OC1=CC=CC=C1O IDDZHLNJMSHOFK-UHFFFAOYSA-N 0.000 description 2
- PHYLZSUFFZGSBT-UHFFFAOYSA-N 2-(2-octylphenoxy)phenol Chemical compound CCCCCCCCC1=CC=CC=C1OC1=CC=CC=C1O PHYLZSUFFZGSBT-UHFFFAOYSA-N 0.000 description 2
- XFGSJVRIRPLKHH-UHFFFAOYSA-N 2-(2-phenoxypropan-2-yl)phenol Chemical compound C=1C=CC=C(O)C=1C(C)(C)OC1=CC=CC=C1 XFGSJVRIRPLKHH-UHFFFAOYSA-N 0.000 description 2
- BWOOQKKYAWGBBA-UHFFFAOYSA-N 2-(2-phenylphenoxy)phenol Chemical compound OC1=CC=CC=C1OC1=CC=CC=C1C1=CC=CC=C1 BWOOQKKYAWGBBA-UHFFFAOYSA-N 0.000 description 2
- LTDJJOHWVWVFFI-UHFFFAOYSA-N 2-(3-cyclohexyloxypentan-3-yl)phenol Chemical compound C=1C=CC=C(O)C=1C(CC)(CC)OC1CCCCC1 LTDJJOHWVWVFFI-UHFFFAOYSA-N 0.000 description 2
- PDKUJYBOPSDPMX-UHFFFAOYSA-N 2-(3-phenoxypentan-3-yl)phenol Chemical compound C=1C=CC=C(O)C=1C(CC)(CC)OC1=CC=CC=C1 PDKUJYBOPSDPMX-UHFFFAOYSA-N 0.000 description 2
- DRXPURBMNBRARO-UHFFFAOYSA-N 2-(3-phenylpropoxymethyl)phenol Chemical compound OC1=CC=CC=C1COCCCC1=CC=CC=C1 DRXPURBMNBRARO-UHFFFAOYSA-N 0.000 description 2
- XQJWRJCXXKJQSD-UHFFFAOYSA-N 2-(4,4-diethylcyclohexyl)oxyphenol Chemical compound C(C)C1(CCC(CC1)OC1=C(C=CC=C1)O)CC XQJWRJCXXKJQSD-UHFFFAOYSA-N 0.000 description 2
- AOFNLPCQKCCMCE-UHFFFAOYSA-N 2-(4,4-dimethylcyclohexyl)oxyphenol Chemical compound CC1(CCC(CC1)OC1=C(C=CC=C1)O)C AOFNLPCQKCCMCE-UHFFFAOYSA-N 0.000 description 2
- GVGYVHLEACSGGO-UHFFFAOYSA-N 2-(4-phenylbutoxy)phenol Chemical compound OC1=CC=CC=C1OCCCCC1=CC=CC=C1 GVGYVHLEACSGGO-UHFFFAOYSA-N 0.000 description 2
- QAIXXLIAHKUYRR-UHFFFAOYSA-N 2-(5-phenoxynonan-5-yl)phenol Chemical compound C=1C=CC=C(O)C=1C(CCCC)(CCCC)OC1=CC=CC=C1 QAIXXLIAHKUYRR-UHFFFAOYSA-N 0.000 description 2
- OMEAKJKAFMEQIC-UHFFFAOYSA-N 2-(6-phenoxyundecan-6-yl)phenol Chemical compound C=1C=CC=C(O)C=1C(CCCCC)(CCCCC)OC1=CC=CC=C1 OMEAKJKAFMEQIC-UHFFFAOYSA-N 0.000 description 2
- BNJFYQGRBIPNEB-UHFFFAOYSA-N 2-(6-phenylhexoxymethyl)phenol Chemical class OC1=CC=CC=C1COCCCCCCC1=CC=CC=C1 BNJFYQGRBIPNEB-UHFFFAOYSA-N 0.000 description 2
- CBCJNQBAJJUJJW-UHFFFAOYSA-N 2-(8-phenoxypentadecan-8-yl)phenol Chemical compound C=1C=CC=C(O)C=1C(CCCCCCC)(CCCCCCC)OC1=CC=CC=C1 CBCJNQBAJJUJJW-UHFFFAOYSA-N 0.000 description 2
- GNNUWFUVNWRCEO-UHFFFAOYSA-N 2-(Ethoxymethyl)phenol Chemical compound CCOCC1=CC=CC=C1O GNNUWFUVNWRCEO-UHFFFAOYSA-N 0.000 description 2
- VXDHFIYVVXOUMZ-UHFFFAOYSA-N 2-(cyclopentyloxymethyl)phenol Chemical compound OC1=CC=CC=C1COC1CCCC1 VXDHFIYVVXOUMZ-UHFFFAOYSA-N 0.000 description 2
- KXRFDIIEQHZEDM-UHFFFAOYSA-N 2-(decoxymethyl)phenol Chemical compound CCCCCCCCCCOCC1=CC=CC=C1O KXRFDIIEQHZEDM-UHFFFAOYSA-N 0.000 description 2
- CSUQKLLBUKCHBV-UHFFFAOYSA-N 2-(dodecoxymethyl)phenol Chemical compound CCCCCCCCCCCCOCC1=CC=CC=C1O CSUQKLLBUKCHBV-UHFFFAOYSA-N 0.000 description 2
- YXVXLQHVSQPDHS-UHFFFAOYSA-N 2-(heptoxymethyl)phenol Chemical class CCCCCCCOCC1=CC=CC=C1O YXVXLQHVSQPDHS-UHFFFAOYSA-N 0.000 description 2
- YZXNOOXZBHAVER-UHFFFAOYSA-N 2-(heptylamino)phenol Chemical compound CCCCCCCNC1=CC=CC=C1O YZXNOOXZBHAVER-UHFFFAOYSA-N 0.000 description 2
- YAQHVZCUULDGFB-UHFFFAOYSA-N 2-(hexoxymethyl)phenol Chemical class CCCCCCOCC1=CC=CC=C1O YAQHVZCUULDGFB-UHFFFAOYSA-N 0.000 description 2
- JHRMOPDGTKMVMF-UHFFFAOYSA-N 2-(hexylamino)phenol Chemical compound CCCCCCNC1=CC=CC=C1O JHRMOPDGTKMVMF-UHFFFAOYSA-N 0.000 description 2
- BEIMKPPBOAOFET-UHFFFAOYSA-N 2-(octadecoxymethyl)phenol Chemical compound CCCCCCCCCCCCCCCCCCOCC1=CC=CC=C1O BEIMKPPBOAOFET-UHFFFAOYSA-N 0.000 description 2
- KYSUHGWPHOQRJL-UHFFFAOYSA-N 2-(octoxymethyl)phenol Chemical class CCCCCCCCOCC1=CC=CC=C1O KYSUHGWPHOQRJL-UHFFFAOYSA-N 0.000 description 2
- VKMTZBIWDZJVNX-UHFFFAOYSA-N 2-(pentoxymethyl)phenol Chemical compound CCCCCOCC1=CC=CC=C1O VKMTZBIWDZJVNX-UHFFFAOYSA-N 0.000 description 2
- WNKFGPVMJCGWIA-UHFFFAOYSA-N 2-(phenoxymethyl)phenol Chemical compound OC1=CC=CC=C1COC1=CC=CC=C1 WNKFGPVMJCGWIA-UHFFFAOYSA-N 0.000 description 2
- HXIGZOODAOFJLZ-UHFFFAOYSA-N 2-(propoxymethyl)phenol Chemical compound CCCOCC1=CC=CC=C1O HXIGZOODAOFJLZ-UHFFFAOYSA-N 0.000 description 2
- SJQNNBMPKOGXGQ-UHFFFAOYSA-N 2-[(2,3,4-triethylphenoxy)methyl]phenol Chemical compound CCC1=C(CC)C(CC)=CC=C1OCC1=CC=CC=C1O SJQNNBMPKOGXGQ-UHFFFAOYSA-N 0.000 description 2
- XSBRPEPNRFOWLV-UHFFFAOYSA-N 2-[2-(2,3,4-triethylphenyl)propyl]phenol Chemical compound CCC1=C(CC)C(CC)=CC=C1C(C)CC1=CC=CC=C1O XSBRPEPNRFOWLV-UHFFFAOYSA-N 0.000 description 2
- BFXZRFHYWWSQKG-UHFFFAOYSA-N 2-[2-methyl-2-(2,3,4-triethylphenyl)propyl]phenol Chemical compound CCC1=C(CC)C(CC)=CC=C1C(C)(C)CC1=CC=CC=C1O BFXZRFHYWWSQKG-UHFFFAOYSA-N 0.000 description 2
- CDMGNVWZXRKJNS-UHFFFAOYSA-N 2-benzylphenol Chemical compound OC1=CC=CC=C1CC1=CC=CC=C1 CDMGNVWZXRKJNS-UHFFFAOYSA-N 0.000 description 2
- KKOWXJFINYUXEE-UHFFFAOYSA-N 2-butoxyphenol Chemical compound CCCCOC1=CC=CC=C1O KKOWXJFINYUXEE-UHFFFAOYSA-N 0.000 description 2
- WKFFOEYLVYLSTG-UHFFFAOYSA-N 2-butyl-3-phenylphenol Chemical compound CCCCC1=C(O)C=CC=C1C1=CC=CC=C1 WKFFOEYLVYLSTG-UHFFFAOYSA-N 0.000 description 2
- ORHGVWRGYCVFPJ-UHFFFAOYSA-N 2-cycloheptyloxyphenol Chemical compound OC1=CC=CC=C1OC1CCCCCC1 ORHGVWRGYCVFPJ-UHFFFAOYSA-N 0.000 description 2
- IBOBBRLNLVKNME-UHFFFAOYSA-N 2-cyclohexyloxyphenol Chemical compound OC1=CC=CC=C1OC1CCCCC1 IBOBBRLNLVKNME-UHFFFAOYSA-N 0.000 description 2
- UNQOMDNFFVBSPI-UHFFFAOYSA-N 2-cyclooctyloxyphenol Chemical compound OC1=CC=CC=C1OC1CCCCCCC1 UNQOMDNFFVBSPI-UHFFFAOYSA-N 0.000 description 2
- XNBCPAOEBIGWDW-UHFFFAOYSA-N 2-cyclopentyloxyphenol Chemical compound OC1=CC=CC=C1OC1CCCC1 XNBCPAOEBIGWDW-UHFFFAOYSA-N 0.000 description 2
- NOJIVXPLDDHVSU-UHFFFAOYSA-N 2-decoxyphenol Chemical compound CCCCCCCCCCOC1=CC=CC=C1O NOJIVXPLDDHVSU-UHFFFAOYSA-N 0.000 description 2
- SQTNPSPACFIFKU-UHFFFAOYSA-N 2-heptoxyphenol Chemical compound CCCCCCCOC1=CC=CC=C1O SQTNPSPACFIFKU-UHFFFAOYSA-N 0.000 description 2
- WTAUMGJJFXKZLQ-UHFFFAOYSA-N 2-hexoxyphenol Chemical compound CCCCCCOC1=CC=CC=C1O WTAUMGJJFXKZLQ-UHFFFAOYSA-N 0.000 description 2
- ABMULKFGWTYIIK-UHFFFAOYSA-N 2-hexylphenol Chemical compound CCCCCCC1=CC=CC=C1O ABMULKFGWTYIIK-UHFFFAOYSA-N 0.000 description 2
- QTWJRLJHJPIABL-UHFFFAOYSA-N 2-methylphenol;3-methylphenol;4-methylphenol Chemical compound CC1=CC=C(O)C=C1.CC1=CC=CC(O)=C1.CC1=CC=CC=C1O QTWJRLJHJPIABL-UHFFFAOYSA-N 0.000 description 2
- YYLTYJWUTXSVCO-UHFFFAOYSA-N 2-nonoxyphenol Chemical compound CCCCCCCCCOC1=CC=CC=C1O YYLTYJWUTXSVCO-UHFFFAOYSA-N 0.000 description 2
- IWNXSYOIVWMSLX-UHFFFAOYSA-N 2-octadecoxyphenol Chemical compound CCCCCCCCCCCCCCCCCCOC1=CC=CC=C1O IWNXSYOIVWMSLX-UHFFFAOYSA-N 0.000 description 2
- ITKQCIBIWWMFPM-UHFFFAOYSA-N 2-octoxyphenol Chemical compound CCCCCCCCOC1=CC=CC=C1O ITKQCIBIWWMFPM-UHFFFAOYSA-N 0.000 description 2
- HOWXMPOHQRFRMO-UHFFFAOYSA-N 2-octyl-3-phenylphenol Chemical compound CCCCCCCCC1=C(O)C=CC=C1C1=CC=CC=C1 HOWXMPOHQRFRMO-UHFFFAOYSA-N 0.000 description 2
- MDURQPNBPHBIFN-UHFFFAOYSA-N 2-pentoxyphenol Chemical compound CCCCCOC1=CC=CC=C1O MDURQPNBPHBIFN-UHFFFAOYSA-N 0.000 description 2
- CCZCXFHJMKINPE-UHFFFAOYSA-N 2-phenylmethoxyphenol Chemical compound OC1=CC=CC=C1OCC1=CC=CC=C1 CCZCXFHJMKINPE-UHFFFAOYSA-N 0.000 description 2
- JFSVGKRARHIICJ-UHFFFAOYSA-N 2-propoxyphenol Chemical compound CCCOC1=CC=CC=C1O JFSVGKRARHIICJ-UHFFFAOYSA-N 0.000 description 2
- LCHYEKKJCUJAKN-UHFFFAOYSA-N 2-propylphenol Chemical compound CCCC1=CC=CC=C1O LCHYEKKJCUJAKN-UHFFFAOYSA-N 0.000 description 2
- OXYRENDGHPGWKV-UHFFFAOYSA-N 3-methyl-5-phenylpentan-1-ol Chemical compound OCCC(C)CCC1=CC=CC=C1 OXYRENDGHPGWKV-UHFFFAOYSA-N 0.000 description 2
- CIOFRZSCFZHSCI-UHFFFAOYSA-N 3-phenyl-2-propylphenol Chemical compound CCCC1=C(O)C=CC=C1C1=CC=CC=C1 CIOFRZSCFZHSCI-UHFFFAOYSA-N 0.000 description 2
- MPWGZBWDLMDIHO-UHFFFAOYSA-N 3-propylphenol Chemical compound CCCC1=CC=CC(O)=C1 MPWGZBWDLMDIHO-UHFFFAOYSA-N 0.000 description 2
- IGFHQQFPSIBGKE-UHFFFAOYSA-N 4-nonylphenol Chemical compound CCCCCCCCCC1=CC=C(O)C=C1 IGFHQQFPSIBGKE-UHFFFAOYSA-N 0.000 description 2
- QOLQCMKXNHQGDA-UHFFFAOYSA-N 6-phenylhexylurea Chemical compound NC(=O)NCCCCCCC1=CC=CC=C1 QOLQCMKXNHQGDA-UHFFFAOYSA-N 0.000 description 2
- ZCYVEMRRCGMTRW-UHFFFAOYSA-N 7553-56-2 Chemical group [I] ZCYVEMRRCGMTRW-UHFFFAOYSA-N 0.000 description 2
- QTBSBXVTEAMEQO-UHFFFAOYSA-N Acetic acid Chemical compound CC(O)=O QTBSBXVTEAMEQO-UHFFFAOYSA-N 0.000 description 2
- PAYRUJLWNCNPSJ-UHFFFAOYSA-N Aniline Chemical compound NC1=CC=CC=C1 PAYRUJLWNCNPSJ-UHFFFAOYSA-N 0.000 description 2
- WKBOTKDWSSQWDR-UHFFFAOYSA-N Bromine atom Chemical group [Br] WKBOTKDWSSQWDR-UHFFFAOYSA-N 0.000 description 2
- BMTAFVWTTFSTOG-UHFFFAOYSA-N Butylate Chemical compound CCSC(=O)N(CC(C)C)CC(C)C BMTAFVWTTFSTOG-UHFFFAOYSA-N 0.000 description 2
- KYAPEJSZFVHULW-UHFFFAOYSA-N C(C)(CCCCC)C=1C(=C(C=CC1)O)C(C)CCCCC Chemical compound C(C)(CCCCC)C=1C(=C(C=CC1)O)C(C)CCCCC KYAPEJSZFVHULW-UHFFFAOYSA-N 0.000 description 2
- HEDRZPFGACZZDS-UHFFFAOYSA-N Chloroform Chemical compound ClC(Cl)Cl HEDRZPFGACZZDS-UHFFFAOYSA-N 0.000 description 2
- VYZAMTAEIAYCRO-UHFFFAOYSA-N Chromium Chemical group [Cr] VYZAMTAEIAYCRO-UHFFFAOYSA-N 0.000 description 2
- 229940126062 Compound A Drugs 0.000 description 2
- SNRUBQQJIBEYMU-UHFFFAOYSA-N Dodecane Natural products CCCCCCCCCCCC SNRUBQQJIBEYMU-UHFFFAOYSA-N 0.000 description 2
- IFTRQJLVEBNKJK-UHFFFAOYSA-N Ethylcyclopentane Chemical compound CCC1CCCC1 IFTRQJLVEBNKJK-UHFFFAOYSA-N 0.000 description 2
- NLDMNSXOCDLTTB-UHFFFAOYSA-N Heterophylliin A Natural products O1C2COC(=O)C3=CC(O)=C(O)C(O)=C3C3=C(O)C(O)=C(O)C=C3C(=O)OC2C(OC(=O)C=2C=C(O)C(O)=C(O)C=2)C(O)C1OC(=O)C1=CC(O)=C(O)C(O)=C1 NLDMNSXOCDLTTB-UHFFFAOYSA-N 0.000 description 2
- AMQJEAYHLZJPGS-UHFFFAOYSA-N N-Pentanol Chemical compound CCCCCO AMQJEAYHLZJPGS-UHFFFAOYSA-N 0.000 description 2
- QOSMNYMQXIVWKY-UHFFFAOYSA-N Propyl levulinate Chemical compound CCCOC(=O)CCC(C)=O QOSMNYMQXIVWKY-UHFFFAOYSA-N 0.000 description 2
- 229910021536 Zeolite Inorganic materials 0.000 description 2
- FENFXARZCCNJPC-UHFFFAOYSA-N [2-(8-methylnonyl)phenyl] N-phenylcarbamate Chemical class C(CCCCCCC(C)C)C1=C(C=CC=C1)OC(NC1=CC=CC=C1)=O FENFXARZCCNJPC-UHFFFAOYSA-N 0.000 description 2
- 238000009825 accumulation Methods 0.000 description 2
- 230000002411 adverse Effects 0.000 description 2
- 238000013459 approach Methods 0.000 description 2
- 125000001204 arachidyl group Chemical group [H]C([*])([H])C([H])([H])C([H])([H])C([H])([H])C([H])([H])C([H])([H])C([H])([H])C([H])([H])C([H])([H])C([H])([H])C([H])([H])C([H])([H])C([H])([H])C([H])([H])C([H])([H])C([H])([H])C([H])([H])C([H])([H])C([H])([H])C([H])([H])[H] 0.000 description 2
- 125000003828 azulenyl group Chemical group 0.000 description 2
- 230000015572 biosynthetic process Effects 0.000 description 2
- LLEMOWNGBBNAJR-UHFFFAOYSA-N biphenyl-2-ol Chemical compound OC1=CC=CC=C1C1=CC=CC=C1 LLEMOWNGBBNAJR-UHFFFAOYSA-N 0.000 description 2
- YXVFYQXJAXKLAK-UHFFFAOYSA-N biphenyl-4-ol Chemical compound C1=CC(O)=CC=C1C1=CC=CC=C1 YXVFYQXJAXKLAK-UHFFFAOYSA-N 0.000 description 2
- 125000002529 biphenylenyl group Chemical group C1(=CC=CC=2C3=CC=CC=C3C12)* 0.000 description 2
- 125000001951 carbamoylamino group Chemical group C(N)(=O)N* 0.000 description 2
- 125000003178 carboxy group Chemical group [H]OC(*)=O 0.000 description 2
- 238000006757 chemical reactions by type Methods 0.000 description 2
- 125000005578 chrysene group Chemical group 0.000 description 2
- 229910052802 copper Inorganic materials 0.000 description 2
- 239000010949 copper Substances 0.000 description 2
- YMHQVDAATAEZLO-UHFFFAOYSA-N cyclohexane-1,1-diamine Chemical compound NC1(N)CCCCC1 YMHQVDAATAEZLO-UHFFFAOYSA-N 0.000 description 2
- HPXRVTGHNJAIIH-UHFFFAOYSA-N cyclohexanol Chemical compound OC1CCCCC1 HPXRVTGHNJAIIH-UHFFFAOYSA-N 0.000 description 2
- KQWGXHWJMSMDJJ-UHFFFAOYSA-N cyclohexyl isocyanate Chemical compound O=C=NC1CCCCC1 KQWGXHWJMSMDJJ-UHFFFAOYSA-N 0.000 description 2
- FHADSMKORVFYOS-UHFFFAOYSA-N cyclooctanol Chemical compound OC1CCCCCCC1 FHADSMKORVFYOS-UHFFFAOYSA-N 0.000 description 2
- XCIXKGXIYUWCLL-UHFFFAOYSA-N cyclopentanol Chemical compound OC1CCCC1 XCIXKGXIYUWCLL-UHFFFAOYSA-N 0.000 description 2
- MWKFXSUHUHTGQN-UHFFFAOYSA-N decan-1-ol Chemical compound CCCCCCCCCCO MWKFXSUHUHTGQN-UHFFFAOYSA-N 0.000 description 2
- 230000006837 decompression Effects 0.000 description 2
- 125000002704 decyl group Chemical group [H]C([H])([H])C([H])([H])C([H])([H])C([H])([H])C([H])([H])C([H])([H])C([H])([H])C([H])([H])C([H])([H])C([H])([H])* 0.000 description 2
- 238000000113 differential scanning calorimetry Methods 0.000 description 2
- 238000004455 differential thermal analysis Methods 0.000 description 2
- HNPSIPDUKPIQMN-UHFFFAOYSA-N dioxosilane;oxo(oxoalumanyloxy)alumane Chemical compound O=[Si]=O.O=[Al]O[Al]=O HNPSIPDUKPIQMN-UHFFFAOYSA-N 0.000 description 2
- LQZZUXJYWNFBMV-UHFFFAOYSA-N dodecan-1-ol Chemical compound CCCCCCCCCCCCO LQZZUXJYWNFBMV-UHFFFAOYSA-N 0.000 description 2
- CNRDTAOOANTPCG-UHFFFAOYSA-N dodecyl carbamate Chemical compound CCCCCCCCCCCCOC(N)=O CNRDTAOOANTPCG-UHFFFAOYSA-N 0.000 description 2
- 125000004185 ester group Chemical group 0.000 description 2
- 125000000524 functional group Chemical group 0.000 description 2
- LHGVFZTZFXWLCP-UHFFFAOYSA-N guaiacol Chemical compound COC1=CC=CC=C1O LHGVFZTZFXWLCP-UHFFFAOYSA-N 0.000 description 2
- ZSIAUFGUXNUGDI-UHFFFAOYSA-N hexan-1-ol Chemical compound CCCCCCO ZSIAUFGUXNUGDI-UHFFFAOYSA-N 0.000 description 2
- 239000012456 homogeneous solution Substances 0.000 description 2
- 229910052740 iodine Inorganic materials 0.000 description 2
- ZFSLODLOARCGLH-UHFFFAOYSA-N isocyanuric acid Chemical compound OC1=NC(O)=NC(O)=N1 ZFSLODLOARCGLH-UHFFFAOYSA-N 0.000 description 2
- 125000001449 isopropyl group Chemical group [H]C([H])([H])C([H])(*)C([H])([H])[H] 0.000 description 2
- 150000002736 metal compounds Chemical class 0.000 description 2
- 125000001434 methanylylidene group Chemical group [H]C#[*] 0.000 description 2
- 238000006011 modification reaction Methods 0.000 description 2
- 238000000465 moulding Methods 0.000 description 2
- 125000001400 nonyl group Chemical group [H]C([*])([H])C([H])([H])C([H])([H])C([H])([H])C([H])([H])C([H])([H])C([H])([H])C([H])([H])C([H])([H])[H] 0.000 description 2
- GLDOVTGHNKAZLK-UHFFFAOYSA-N octadecan-1-ol Chemical compound CCCCCCCCCCCCCCCCCCO GLDOVTGHNKAZLK-UHFFFAOYSA-N 0.000 description 2
- 150000002894 organic compounds Chemical class 0.000 description 2
- GUVXZFRDPCKWEM-UHFFFAOYSA-N pentalene group Chemical group C1=CC=C2C=CC=C12 GUVXZFRDPCKWEM-UHFFFAOYSA-N 0.000 description 2
- HLTMUYBTNSVOFY-UHFFFAOYSA-N pentylcyclohexane Chemical compound CCCCCC1CCCCC1 HLTMUYBTNSVOFY-UHFFFAOYSA-N 0.000 description 2
- YNPNZTXNASCQKK-UHFFFAOYSA-N phenanthrene Chemical group C1=CC=C2C3=CC=CC=C3C=CC2=C1 YNPNZTXNASCQKK-UHFFFAOYSA-N 0.000 description 2
- 125000005581 pyrene group Chemical group 0.000 description 2
- 239000011541 reaction mixture Substances 0.000 description 2
- 230000009467 reduction Effects 0.000 description 2
- 235000011121 sodium hydroxide Nutrition 0.000 description 2
- 238000001179 sorption measurement Methods 0.000 description 2
- 125000004434 sulfur atom Chemical group 0.000 description 2
- 125000001935 tetracenyl group Chemical group C1(=CC=CC2=CC3=CC4=CC=CC=C4C=C3C=C12)* 0.000 description 2
- VZGDMQKNWNREIO-UHFFFAOYSA-N tetrachloromethane Chemical compound ClC(Cl)(Cl)Cl VZGDMQKNWNREIO-UHFFFAOYSA-N 0.000 description 2
- 229910052719 titanium Inorganic materials 0.000 description 2
- 239000010936 titanium Substances 0.000 description 2
- 125000005580 triphenylene group Chemical group 0.000 description 2
- 150000003672 ureas Chemical class 0.000 description 2
- XJRZZMNOJIHRTH-UHFFFAOYSA-N (2,3,4-trimethylphenyl)urea Chemical compound CC1=CC=C(NC(N)=O)C(C)=C1C XJRZZMNOJIHRTH-UHFFFAOYSA-N 0.000 description 1
- ZNPJIORTGGLBLG-UHFFFAOYSA-N (2,3-dibutylphenyl) N-phenylcarbamate Chemical compound CCCCC1=CC=CC(OC(=O)NC=2C=CC=CC=2)=C1CCCC ZNPJIORTGGLBLG-UHFFFAOYSA-N 0.000 description 1
- ACADOFCZGYXDPF-UHFFFAOYSA-N (2,3-dibutylphenyl)urea Chemical compound CCCCC1=CC=CC(NC(N)=O)=C1CCCC ACADOFCZGYXDPF-UHFFFAOYSA-N 0.000 description 1
- CNXZEVFOQHBWRU-UHFFFAOYSA-N (2,3-didodecylphenyl) N-phenylcarbamate Chemical class CCCCCCCCCCCCC1=CC=CC(OC(=O)NC=2C=CC=CC=2)=C1CCCCCCCCCCCC CNXZEVFOQHBWRU-UHFFFAOYSA-N 0.000 description 1
- GCMSQSUXLQIMRV-UHFFFAOYSA-N (2,3-diheptylphenyl) N-phenylcarbamate Chemical compound CCCCCCCC1=CC=CC(OC(=O)NC=2C=CC=CC=2)=C1CCCCCCC GCMSQSUXLQIMRV-UHFFFAOYSA-N 0.000 description 1
- XWCJHTDLWMXPJX-UHFFFAOYSA-N (2,3-dihexylphenyl) hydrogen carbonate Chemical compound CCCCCCC1=CC=CC(OC(O)=O)=C1CCCCCC XWCJHTDLWMXPJX-UHFFFAOYSA-N 0.000 description 1
- TYJWADQPXMOASZ-UHFFFAOYSA-N (2,3-dihexylphenyl)urea Chemical compound CCCCCCC1=CC=CC(NC(N)=O)=C1CCCCCC TYJWADQPXMOASZ-UHFFFAOYSA-N 0.000 description 1
- YQYZUAZYKRVIAS-UHFFFAOYSA-N (2,3-dimethylphenyl) N-(1,2,2-trimethylcyclohexyl)carbamoperoxoate Chemical compound CC=1C(=C(OOC(NC2(C(CCCC2)(C)C)C)=O)C=CC=1)C YQYZUAZYKRVIAS-UHFFFAOYSA-N 0.000 description 1
- KVIRUGMNMOLCCZ-UHFFFAOYSA-N (2,3-dimethylphenyl) N-phenylcarbamate Chemical class CC1=CC=CC(OC(=O)NC=2C=CC=CC=2)=C1C KVIRUGMNMOLCCZ-UHFFFAOYSA-N 0.000 description 1
- FZAKKMJTXLAJEQ-UHFFFAOYSA-N (2,3-dimethylphenyl)urea Chemical compound CC1=CC=CC(NC(N)=O)=C1C FZAKKMJTXLAJEQ-UHFFFAOYSA-N 0.000 description 1
- JGBWDZWNBHFVKB-UHFFFAOYSA-N (2,3-dioctylphenyl) N-phenylcarbamate Chemical compound CCCCCCCCC1=CC=CC(OC(=O)NC=2C=CC=CC=2)=C1CCCCCCCC JGBWDZWNBHFVKB-UHFFFAOYSA-N 0.000 description 1
- PONWMDWLJCMLMA-UHFFFAOYSA-N (2,3-dioctylphenyl) carbamate Chemical compound CCCCCCCCC1=CC=CC(OC(N)=O)=C1CCCCCCCC PONWMDWLJCMLMA-UHFFFAOYSA-N 0.000 description 1
- PFOLRNSIFWSXSM-UHFFFAOYSA-N (2,3-dipentylphenyl) carbamate Chemical class CCCCCC1=CC=CC(OC(N)=O)=C1CCCCC PFOLRNSIFWSXSM-UHFFFAOYSA-N 0.000 description 1
- WGEOETIRADYHDD-UHFFFAOYSA-N (2,3-diphenylphenyl)urea Chemical compound C1(=CC=CC=C1)C=1C(=C(C=CC=1)NC(=O)N)C1=CC=CC=C1 WGEOETIRADYHDD-UHFFFAOYSA-N 0.000 description 1
- KVMBWYKRWLPEQX-UHFFFAOYSA-N (2,3-dipropylphenyl) N-phenylcarbamate Chemical compound CCCC1=CC=CC(OC(=O)NC=2C=CC=CC=2)=C1CCC KVMBWYKRWLPEQX-UHFFFAOYSA-N 0.000 description 1
- FRLVGRYAODHWDE-UHFFFAOYSA-N (2,3-dipropylphenyl) carbamate Chemical compound CCCC1=CC=CC(OC(N)=O)=C1CCC FRLVGRYAODHWDE-UHFFFAOYSA-N 0.000 description 1
- YBRDBLOLRXJJKJ-UHFFFAOYSA-N (2,3-dipropylphenyl)urea Chemical compound CCCC1=CC=CC(NC(N)=O)=C1CCC YBRDBLOLRXJJKJ-UHFFFAOYSA-N 0.000 description 1
- LELVRQIMXIJKME-UHFFFAOYSA-N (2-butylphenyl) N-phenylcarbamate Chemical class CCCCc1ccccc1OC(=O)Nc1ccccc1 LELVRQIMXIJKME-UHFFFAOYSA-N 0.000 description 1
- LPQRXFFPRPXQJJ-UHFFFAOYSA-N (2-butylphenyl) carbamate Chemical compound CCCCC1=CC=CC=C1OC(N)=O LPQRXFFPRPXQJJ-UHFFFAOYSA-N 0.000 description 1
- NZSGSICYQAAOHL-UHFFFAOYSA-N (2-decylphenyl) N-phenylcarbamate Chemical compound CCCCCCCCCCc1ccccc1OC(=O)Nc1ccccc1 NZSGSICYQAAOHL-UHFFFAOYSA-N 0.000 description 1
- KIFZOWRHACXJEQ-UHFFFAOYSA-N (2-decylphenyl)urea Chemical compound CCCCCCCCCCC1=CC=CC=C1NC(N)=O KIFZOWRHACXJEQ-UHFFFAOYSA-N 0.000 description 1
- QSFFHGOSQUOISK-UHFFFAOYSA-N (2-ethylphenyl) carbamate Chemical class CCC1=CC=CC=C1OC(N)=O QSFFHGOSQUOISK-UHFFFAOYSA-N 0.000 description 1
- JVCAOEDDDQNLJU-UHFFFAOYSA-N (2-ethylphenyl)urea Chemical compound CCC1=CC=CC=C1NC(N)=O JVCAOEDDDQNLJU-UHFFFAOYSA-N 0.000 description 1
- XIPFYOPSPRCJFA-UHFFFAOYSA-N (2-heptylphenyl) N-phenylcarbamate Chemical class CCCCCCCc1ccccc1OC(=O)Nc1ccccc1 XIPFYOPSPRCJFA-UHFFFAOYSA-N 0.000 description 1
- HZIOPELAGLKVNL-UHFFFAOYSA-N (2-heptylphenyl) carbamate Chemical compound CCCCCCCC1=CC=CC=C1OC(N)=O HZIOPELAGLKVNL-UHFFFAOYSA-N 0.000 description 1
- PLMCHDBIRSBITF-UHFFFAOYSA-N (2-heptylphenyl)urea Chemical compound CCCCCCCC1=CC=CC=C1NC(N)=O PLMCHDBIRSBITF-UHFFFAOYSA-N 0.000 description 1
- XNNALCUAUGURCY-UHFFFAOYSA-N (2-hexylphenyl)urea Chemical compound CCCCCCC1=CC=CC=C1NC(N)=O XNNALCUAUGURCY-UHFFFAOYSA-N 0.000 description 1
- MSLMTRGZZRFCSL-UHFFFAOYSA-N (2-methylnaphthalen-1-yl)urea Chemical compound C1=CC=CC2=C(NC(N)=O)C(C)=CC=C21 MSLMTRGZZRFCSL-UHFFFAOYSA-N 0.000 description 1
- YAKLXNIKYVLMSO-UHFFFAOYSA-N (2-methylphenyl) n-[[1,3,3-trimethyl-5-[(2-methylphenoxy)carbonylamino]cyclohexyl]methyl]carbamate Chemical compound CC1=CC=CC=C1OC(=O)NCC1(C)CC(C)(C)CC(NC(=O)OC=2C(=CC=CC=2)C)C1 YAKLXNIKYVLMSO-UHFFFAOYSA-N 0.000 description 1
- AJGFUFPSNGLOPQ-UHFFFAOYSA-N (2-nonylphenyl) N-phenylcarbamate Chemical compound CCCCCCCCCc1ccccc1OC(=O)Nc1ccccc1 AJGFUFPSNGLOPQ-UHFFFAOYSA-N 0.000 description 1
- LDEUBEVSACVILT-UHFFFAOYSA-N (2-nonylphenyl) carbamate Chemical class CCCCCCCCCC1=CC=CC=C1OC(N)=O LDEUBEVSACVILT-UHFFFAOYSA-N 0.000 description 1
- RPWTVIGDFOFWGM-UHFFFAOYSA-N (2-octadecylphenyl) N-phenylcarbamate Chemical compound CCCCCCCCCCCCCCCCCCc1ccccc1OC(=O)Nc1ccccc1 RPWTVIGDFOFWGM-UHFFFAOYSA-N 0.000 description 1
- VBKANHZRVZCJHV-UHFFFAOYSA-N (2-octylphenyl) N-phenylcarbamate Chemical compound CCCCCCCCc1ccccc1OC(=O)Nc1ccccc1 VBKANHZRVZCJHV-UHFFFAOYSA-N 0.000 description 1
- UBZVYDMUKJUBCM-UHFFFAOYSA-N (2-octylphenyl) carbamate Chemical class CCCCCCCCC1=CC=CC=C1OC(N)=O UBZVYDMUKJUBCM-UHFFFAOYSA-N 0.000 description 1
- GQPOSNZMCXQRCS-UHFFFAOYSA-N (2-propylphenyl) n-[[1,3,3-trimethyl-5-[(2-propylphenoxy)carbonylamino]cyclohexyl]methyl]carbamate Chemical compound CCCC1=CC=CC=C1OC(=O)NCC1(C)CC(C)(C)CC(NC(=O)OC=2C(=CC=CC=2)CCC)C1 GQPOSNZMCXQRCS-UHFFFAOYSA-N 0.000 description 1
- NPOSOBUMMHTOPE-UHFFFAOYSA-N (2-propylphenyl)urea Chemical compound CCCC1=CC=CC=C1NC(N)=O NPOSOBUMMHTOPE-UHFFFAOYSA-N 0.000 description 1
- DYLIWHYUXAJDOJ-OWOJBTEDSA-N (e)-4-(6-aminopurin-9-yl)but-2-en-1-ol Chemical compound NC1=NC=NC2=C1N=CN2C\C=C\CO DYLIWHYUXAJDOJ-OWOJBTEDSA-N 0.000 description 1
- ZTGGMXOPIQGSBX-UHFFFAOYSA-N 1,1'-biphenyl;carbamic acid Chemical group NC(O)=O.C1=CC=CC=C1C1=CC=CC=C1 ZTGGMXOPIQGSBX-UHFFFAOYSA-N 0.000 description 1
- JAKQQNJMLCVDDC-UHFFFAOYSA-N 1,1'-biphenyl;carbonic acid Chemical compound OC(O)=O.C1=CC=CC=C1C1=CC=CC=C1.C1=CC=CC=C1C1=CC=CC=C1 JAKQQNJMLCVDDC-UHFFFAOYSA-N 0.000 description 1
- VMDKCOKSZGQUME-UHFFFAOYSA-N 1,2-diisocyanato-3-methylbenzene Chemical compound CC1=CC=CC(N=C=O)=C1N=C=O VMDKCOKSZGQUME-UHFFFAOYSA-N 0.000 description 1
- MTZUIIAIAKMWLI-UHFFFAOYSA-N 1,2-diisocyanatobenzene Chemical compound O=C=NC1=CC=CC=C1N=C=O MTZUIIAIAKMWLI-UHFFFAOYSA-N 0.000 description 1
- ZTNJGMFHJYGMDR-UHFFFAOYSA-N 1,2-diisocyanatoethane Chemical compound O=C=NCCN=C=O ZTNJGMFHJYGMDR-UHFFFAOYSA-N 0.000 description 1
- ZXHZWRZAWJVPIC-UHFFFAOYSA-N 1,2-diisocyanatonaphthalene Chemical compound C1=CC=CC2=C(N=C=O)C(N=C=O)=CC=C21 ZXHZWRZAWJVPIC-UHFFFAOYSA-N 0.000 description 1
- ZGDSDWSIFQBAJS-UHFFFAOYSA-N 1,2-diisocyanatopropane Chemical compound O=C=NC(C)CN=C=O ZGDSDWSIFQBAJS-UHFFFAOYSA-N 0.000 description 1
- RAZWADXTNBRANC-UHFFFAOYSA-N 1,2-dimethylcyclohexan-1-ol Chemical compound CC1CCCCC1(C)O RAZWADXTNBRANC-UHFFFAOYSA-N 0.000 description 1
- GEYOCULIXLDCMW-UHFFFAOYSA-N 1,2-phenylenediamine Chemical compound NC1=CC=CC=C1N GEYOCULIXLDCMW-UHFFFAOYSA-N 0.000 description 1
- BDSBVAYAFIFSLF-UHFFFAOYSA-N 1,3-bis(2,3-diethylphenyl)urea Chemical compound CCC1=CC=CC(NC(=O)NC=2C(=C(CC)C=CC=2)CC)=C1CC BDSBVAYAFIFSLF-UHFFFAOYSA-N 0.000 description 1
- ORRNKACWMOVBCC-UHFFFAOYSA-N 1,3-bis(2,3-dihexylphenyl)urea Chemical compound CCCCCCC1=CC=CC(NC(=O)NC=2C(=C(CCCCCC)C=CC=2)CCCCCC)=C1CCCCCC ORRNKACWMOVBCC-UHFFFAOYSA-N 0.000 description 1
- KHCOIYBYWANAGX-UHFFFAOYSA-N 1,3-bis(2,3-dimethylphenyl)urea Chemical compound CC1=CC=CC(NC(=O)NC=2C(=C(C)C=CC=2)C)=C1C KHCOIYBYWANAGX-UHFFFAOYSA-N 0.000 description 1
- AELBZNKNZDXUTI-UHFFFAOYSA-N 1,3-bis(2,3-diphenylphenyl)urea Chemical compound C1(=CC=CC=C1)C=1C(=C(C=CC=1)NC(NC1=C(C(=CC=C1)C1=CC=CC=C1)C1=CC=CC=C1)=O)C1=CC=CC=C1 AELBZNKNZDXUTI-UHFFFAOYSA-N 0.000 description 1
- HCTLPBCJAKKFQC-UHFFFAOYSA-N 1,3-bis(2-butylphenyl)urea Chemical compound CCCCC1=CC=CC=C1NC(=O)NC1=CC=CC=C1CCCC HCTLPBCJAKKFQC-UHFFFAOYSA-N 0.000 description 1
- RZBXRATWMFWFJW-UHFFFAOYSA-N 1,3-bis(2-heptylphenyl)urea Chemical compound CCCCCCCC1=CC=CC=C1NC(=O)NC1=CC=CC=C1CCCCCCC RZBXRATWMFWFJW-UHFFFAOYSA-N 0.000 description 1
- HCMVEICAMAOWHP-UHFFFAOYSA-N 1,3-bis(2-hexylphenyl)urea Chemical compound CCCCCCC1=CC=CC=C1NC(=O)NC1=CC=CC=C1CCCCCC HCMVEICAMAOWHP-UHFFFAOYSA-N 0.000 description 1
- DRJMDXBVXHEJMF-UHFFFAOYSA-N 1,3-bis(2-octylphenyl)urea Chemical compound CCCCCCCCC1=CC=CC=C1NC(=O)NC1=CC=CC=C1CCCCCCCC DRJMDXBVXHEJMF-UHFFFAOYSA-N 0.000 description 1
- VZPUSZCMPKROED-UHFFFAOYSA-N 1,3-bis(2-pentylphenyl)urea Chemical compound CCCCCC1=CC=CC=C1NC(=O)NC1=CC=CC=C1CCCCC VZPUSZCMPKROED-UHFFFAOYSA-N 0.000 description 1
- VMQLWVGHPWFHEI-UHFFFAOYSA-N 1,3-bis(2-phenylethyl)urea Chemical compound C=1C=CC=CC=1CCNC(=O)NCCC1=CC=CC=C1 VMQLWVGHPWFHEI-UHFFFAOYSA-N 0.000 description 1
- IUDNSGHPXXHSSI-UHFFFAOYSA-N 1,3-bis(3-phenylpropyl)urea Chemical compound C=1C=CC=CC=1CCCNC(=O)NCCCC1=CC=CC=C1 IUDNSGHPXXHSSI-UHFFFAOYSA-N 0.000 description 1
- CFUSTHBYRREFQK-UHFFFAOYSA-N 1,3-bis(7-phenylheptyl)urea Chemical compound C=1C=CC=CC=1CCCCCCCNC(=O)NCCCCCCCC1=CC=CC=C1 CFUSTHBYRREFQK-UHFFFAOYSA-N 0.000 description 1
- WODYGWNMILMWFE-UHFFFAOYSA-N 1,3-bis(8-phenyloctyl)urea Chemical compound C=1C=CC=CC=1CCCCCCCCNC(=O)NCCCCCCCCC1=CC=CC=C1 WODYGWNMILMWFE-UHFFFAOYSA-N 0.000 description 1
- HWUYSWZVLDYIJD-UHFFFAOYSA-N 1,3-bis(9-phenylnonyl)urea Chemical compound C=1C=CC=CC=1CCCCCCCCCNC(=O)NCCCCCCCCCC1=CC=CC=C1 HWUYSWZVLDYIJD-UHFFFAOYSA-N 0.000 description 1
- OVBFMUAFNIIQAL-UHFFFAOYSA-N 1,4-diisocyanatobutane Chemical compound O=C=NCCCCN=C=O OVBFMUAFNIIQAL-UHFFFAOYSA-N 0.000 description 1
- DFPJRUKWEPYFJT-UHFFFAOYSA-N 1,5-diisocyanatopentane Chemical compound O=C=NCCCCCN=C=O DFPJRUKWEPYFJT-UHFFFAOYSA-N 0.000 description 1
- LUBJCRLGQSPQNN-UHFFFAOYSA-N 1-Phenylurea Chemical compound NC(=O)NC1=CC=CC=C1 LUBJCRLGQSPQNN-UHFFFAOYSA-N 0.000 description 1
- KEXNGQZDQJEEHY-UHFFFAOYSA-N 1-[2-(carbamoylamino)phenyl]-3-methylurea Chemical compound CNC(NC1=C(C=CC=C1)NC(=O)N)=O KEXNGQZDQJEEHY-UHFFFAOYSA-N 0.000 description 1
- GJQKKXRRVORFSI-UHFFFAOYSA-N 1-[[carbamoyl(cyclohexyl)amino]methyl]-1-cyclohexylurea Chemical compound C1CCCCC1N(C(=O)N)CN(C(N)=O)C1CCCCC1 GJQKKXRRVORFSI-UHFFFAOYSA-N 0.000 description 1
- JQXMHRHMPDERKS-UHFFFAOYSA-N 1-butyl-2-(2-phenylphenyl)benzene;carbonic acid Chemical group OC(O)=O.CCCCC1=CC=CC=C1C1=CC=CC=C1C1=CC=CC=C1 JQXMHRHMPDERKS-UHFFFAOYSA-N 0.000 description 1
- FNQDPLLPAMJZSP-UHFFFAOYSA-N 1-butyl-2-phenylbenzene;carbonic acid Chemical group OC(O)=O.CCCCC1=CC=CC=C1C1=CC=CC=C1 FNQDPLLPAMJZSP-UHFFFAOYSA-N 0.000 description 1
- RCHLXMOXBJRGNX-UHFFFAOYSA-N 1-butylcyclohexan-1-ol Chemical compound CCCCC1(O)CCCCC1 RCHLXMOXBJRGNX-UHFFFAOYSA-N 0.000 description 1
- BUCJHJXFXUZJHL-UHFFFAOYSA-N 1-ethylcyclohexan-1-ol Chemical compound CCC1(O)CCCCC1 BUCJHJXFXUZJHL-UHFFFAOYSA-N 0.000 description 1
- LPCWIFPJLFCXRS-UHFFFAOYSA-N 1-ethylcyclopentan-1-ol Chemical compound CCC1(O)CCCC1 LPCWIFPJLFCXRS-UHFFFAOYSA-N 0.000 description 1
- FHCVFYFOWIAQDU-UHFFFAOYSA-N 1-hexylcyclohexan-1-ol Chemical compound CCCCCCC1(O)CCCCC1 FHCVFYFOWIAQDU-UHFFFAOYSA-N 0.000 description 1
- PAUHLEIGHAUFAK-UHFFFAOYSA-N 1-isocyanato-1-[(1-isocyanatocyclohexyl)methyl]cyclohexane Chemical compound C1CCCCC1(N=C=O)CC1(N=C=O)CCCCC1 PAUHLEIGHAUFAK-UHFFFAOYSA-N 0.000 description 1
- TWGHZFJDHXHYKK-UHFFFAOYSA-N 1-isocyanato-2,3,4-trimethylnaphthalene Chemical compound CC1=C(C(=C(C2=CC=CC=C12)N=C=O)C)C TWGHZFJDHXHYKK-UHFFFAOYSA-N 0.000 description 1
- LEUIUKYNXGVOGM-UHFFFAOYSA-N 1-isocyanato-2,3-dimethylnaphthalene Chemical compound CC=1C(=C(C2=CC=CC=C2C=1)N=C=O)C LEUIUKYNXGVOGM-UHFFFAOYSA-N 0.000 description 1
- JIABEENURMZTTI-UHFFFAOYSA-N 1-isocyanato-2-[(2-isocyanatophenyl)methyl]benzene Chemical compound O=C=NC1=CC=CC=C1CC1=CC=CC=C1N=C=O JIABEENURMZTTI-UHFFFAOYSA-N 0.000 description 1
- QXYLBDDPVQOLEV-UHFFFAOYSA-N 1-isocyanato-2-[1-(2-isocyanatophenyl)propan-2-yl]benzene Chemical compound C=1C=CC=C(N=C=O)C=1C(C)CC1=CC=CC=C1N=C=O QXYLBDDPVQOLEV-UHFFFAOYSA-N 0.000 description 1
- QIEWSHLFCYYBEV-UHFFFAOYSA-N 1-isocyanato-2-methylnaphthalene Chemical compound C1=CC=CC2=C(N=C=O)C(C)=CC=C21 QIEWSHLFCYYBEV-UHFFFAOYSA-N 0.000 description 1
- CAKWRXVKWGUISE-UHFFFAOYSA-N 1-methylcyclopentan-1-ol Chemical compound CC1(O)CCCC1 CAKWRXVKWGUISE-UHFFFAOYSA-N 0.000 description 1
- GNHXRDSGBDYEAF-UHFFFAOYSA-N 1-methylnaphthalene-2,3-diamine Chemical compound C1=CC=C2C(C)=C(N)C(N)=CC2=C1 GNHXRDSGBDYEAF-UHFFFAOYSA-N 0.000 description 1
- RUFPHBVGCFYCNW-UHFFFAOYSA-N 1-naphthylamine Chemical compound C1=CC=C2C(N)=CC=CC2=C1 RUFPHBVGCFYCNW-UHFFFAOYSA-N 0.000 description 1
- IHBLBMDDUQOYLA-UHFFFAOYSA-N 1-octadecyl-3-[4-[[4-(octadecylcarbamoylamino)phenyl]methyl]phenyl]urea Chemical compound C1=CC(NC(=O)NCCCCCCCCCCCCCCCCCC)=CC=C1CC1=CC=C(NC(=O)NCCCCCCCCCCCCCCCCCC)C=C1 IHBLBMDDUQOYLA-UHFFFAOYSA-N 0.000 description 1
- VSNHCAURESNICA-NJFSPNSNSA-N 1-oxidanylurea Chemical compound N[14C](=O)NO VSNHCAURESNICA-NJFSPNSNSA-N 0.000 description 1
- VLEKNVDVPABNNT-UHFFFAOYSA-N 1-phenoxyethylurea Chemical compound NC(=O)NC(C)OC1=CC=CC=C1 VLEKNVDVPABNNT-UHFFFAOYSA-N 0.000 description 1
- HQRWWHIETAKIMO-UHFFFAOYSA-N 1-phenylbutan-1-ol Chemical compound CCCC(O)C1=CC=CC=C1 HQRWWHIETAKIMO-UHFFFAOYSA-N 0.000 description 1
- UAJVCELPUNHGKE-UHFFFAOYSA-N 1-phenylheptan-1-ol Chemical group CCCCCCC(O)C1=CC=CC=C1 UAJVCELPUNHGKE-UHFFFAOYSA-N 0.000 description 1
- PYLPYOPJKOJRNP-UHFFFAOYSA-N 1-propylcyclohexan-1-ol Chemical compound CCCC1(O)CCCCC1 PYLPYOPJKOJRNP-UHFFFAOYSA-N 0.000 description 1
- KGRVJHAUYBGFFP-UHFFFAOYSA-N 2,2'-Methylenebis(4-methyl-6-tert-butylphenol) Chemical compound CC(C)(C)C1=CC(C)=CC(CC=2C(=C(C=C(C)C=2)C(C)(C)C)O)=C1O KGRVJHAUYBGFFP-UHFFFAOYSA-N 0.000 description 1
- CIGAEZSENSERTH-UHFFFAOYSA-N 2,3,4-tri(cycloheptyloxy)phenol Chemical compound C1CCCCCC1OC1=C(OC2CCCCCC2)C(O)=CC=C1OC1CCCCCC1 CIGAEZSENSERTH-UHFFFAOYSA-N 0.000 description 1
- INNUSMYWZZUFLH-UHFFFAOYSA-N 2,3,4-tri(cyclooctyloxy)phenol Chemical compound C1CCCCCCC1OC1=C(OC2CCCCCCC2)C(O)=CC=C1OC1CCCCCCC1 INNUSMYWZZUFLH-UHFFFAOYSA-N 0.000 description 1
- RBPAPQWTNWGCGO-UHFFFAOYSA-N 2,3,4-tri(nonyl)phenol Chemical compound CCCCCCCCCC1=CC=C(O)C(CCCCCCCCC)=C1CCCCCCCCC RBPAPQWTNWGCGO-UHFFFAOYSA-N 0.000 description 1
- OUCSIUCEQVCDEL-UHFFFAOYSA-N 2,3,4-tribromophenol Chemical class OC1=CC=C(Br)C(Br)=C1Br OUCSIUCEQVCDEL-UHFFFAOYSA-N 0.000 description 1
- QQGRFMIMXPWKPM-UHFFFAOYSA-N 2,3,4-tributylphenol Chemical compound CCCCC1=CC=C(O)C(CCCC)=C1CCCC QQGRFMIMXPWKPM-UHFFFAOYSA-N 0.000 description 1
- MTTGEYRZOWLHSF-UHFFFAOYSA-N 2,3,4-tricyclopentyloxyphenol Chemical class C1CCCC1OC1=C(OC2CCCC2)C(O)=CC=C1OC1CCCC1 MTTGEYRZOWLHSF-UHFFFAOYSA-N 0.000 description 1
- AIKFVNOSMXOPNZ-UHFFFAOYSA-N 2,3,4-tridodecylphenol Chemical compound CCCCCCCCCCCCC1=CC=C(O)C(CCCCCCCCCCCC)=C1CCCCCCCCCCCC AIKFVNOSMXOPNZ-UHFFFAOYSA-N 0.000 description 1
- CXVOFGXUYQGIAM-UHFFFAOYSA-N 2,3,4-triheptoxyphenol Chemical compound CCCCCCCOC1=CC=C(O)C(OCCCCCCC)=C1OCCCCCCC CXVOFGXUYQGIAM-UHFFFAOYSA-N 0.000 description 1
- CBBMIGORSWQJQH-UHFFFAOYSA-N 2,3,4-triheptylphenol Chemical compound CCCCCCCC1=CC=C(O)C(CCCCCCC)=C1CCCCCCC CBBMIGORSWQJQH-UHFFFAOYSA-N 0.000 description 1
- IONXUHMWGCYJJE-UHFFFAOYSA-N 2,3,4-trihexylphenol Chemical compound CCCCCCC1=CC=C(O)C(CCCCCC)=C1CCCCCC IONXUHMWGCYJJE-UHFFFAOYSA-N 0.000 description 1
- OLUNIGWWQYXBJA-UHFFFAOYSA-N 2,3,4-trimethoxyphenol Chemical compound COC1=CC=C(O)C(OC)=C1OC OLUNIGWWQYXBJA-UHFFFAOYSA-N 0.000 description 1
- UAJDPHHQCAYKRZ-UHFFFAOYSA-N 2,3,4-trimethylnaphthalen-1-amine Chemical compound C1=CC=CC2=C(C)C(C)=C(C)C(N)=C21 UAJDPHHQCAYKRZ-UHFFFAOYSA-N 0.000 description 1
- XRUGBBIQLIVCSI-UHFFFAOYSA-N 2,3,4-trimethylphenol Chemical compound CC1=CC=C(O)C(C)=C1C XRUGBBIQLIVCSI-UHFFFAOYSA-N 0.000 description 1
- VMOQSETZRDHYTP-UHFFFAOYSA-N 2,3,4-trioctadecoxyphenol Chemical compound CCCCCCCCCCCCCCCCCCOC1=CC=C(O)C(OCCCCCCCCCCCCCCCCCC)=C1OCCCCCCCCCCCCCCCCCC VMOQSETZRDHYTP-UHFFFAOYSA-N 0.000 description 1
- QPDVLLJKJXOOQM-UHFFFAOYSA-N 2,3,4-trioctadecylphenol Chemical compound CCCCCCCCCCCCCCCCCCC1=CC=C(O)C(CCCCCCCCCCCCCCCCCC)=C1CCCCCCCCCCCCCCCCCC QPDVLLJKJXOOQM-UHFFFAOYSA-N 0.000 description 1
- VRHJALCLXWGSNW-UHFFFAOYSA-N 2,3,4-tris(1-cyclohexyloxybutyl)phenol Chemical compound C=1C=C(O)C(C(CCC)OC2CCCCC2)=C(C(CCC)OC2CCCCC2)C=1C(CCC)OC1CCCCC1 VRHJALCLXWGSNW-UHFFFAOYSA-N 0.000 description 1
- YQHONIHINWAAFC-UHFFFAOYSA-N 2,3,4-tris(1-cyclohexyloxyethyl)phenol Chemical compound C=1C=C(O)C(C(C)OC2CCCCC2)=C(C(C)OC2CCCCC2)C=1C(C)OC1CCCCC1 YQHONIHINWAAFC-UHFFFAOYSA-N 0.000 description 1
- MCSMEOSUIYKONO-UHFFFAOYSA-N 2,3,4-tris(1-cyclohexyloxyheptyl)phenol Chemical compound C=1C=C(O)C(C(CCCCCC)OC2CCCCC2)=C(C(CCCCCC)OC2CCCCC2)C=1C(CCCCCC)OC1CCCCC1 MCSMEOSUIYKONO-UHFFFAOYSA-N 0.000 description 1
- ADZIJOSBBDSSDS-UHFFFAOYSA-N 2,3,4-tris(1-cyclohexyloxyhexyl)phenol Chemical compound C=1C=C(O)C(C(CCCCC)OC2CCCCC2)=C(C(CCCCC)OC2CCCCC2)C=1C(CCCCC)OC1CCCCC1 ADZIJOSBBDSSDS-UHFFFAOYSA-N 0.000 description 1
- RXVHWFLTCLUXEV-UHFFFAOYSA-N 2,3,4-tris(1-cyclopentyloxyethyl)phenol Chemical compound C=1C=C(O)C(C(C)OC2CCCC2)=C(C(C)OC2CCCC2)C=1C(C)OC1CCCC1 RXVHWFLTCLUXEV-UHFFFAOYSA-N 0.000 description 1
- AVCGSBFXSSMYIV-UHFFFAOYSA-N 2,3,4-tris(1-cyclopentyloxypropyl)phenol Chemical compound C=1C=C(O)C(C(CC)OC2CCCC2)=C(C(CC)OC2CCCC2)C=1C(CC)OC1CCCC1 AVCGSBFXSSMYIV-UHFFFAOYSA-N 0.000 description 1
- WJDGQQOUPQXZNZ-UHFFFAOYSA-N 2,3,4-tris(1-phenoxydecyl)phenol Chemical compound C=1C=C(O)C(C(CCCCCCCCC)OC=2C=CC=CC=2)=C(C(CCCCCCCCC)OC=2C=CC=CC=2)C=1C(CCCCCCCCC)OC1=CC=CC=C1 WJDGQQOUPQXZNZ-UHFFFAOYSA-N 0.000 description 1
- QYEUNGUUKAQDBG-UHFFFAOYSA-N 2,3,4-tris(1-phenoxyheptyl)phenol Chemical compound C=1C=C(O)C(C(CCCCCC)OC=2C=CC=CC=2)=C(C(CCCCCC)OC=2C=CC=CC=2)C=1C(CCCCCC)OC1=CC=CC=C1 QYEUNGUUKAQDBG-UHFFFAOYSA-N 0.000 description 1
- KURBGACDVCGTCB-UHFFFAOYSA-N 2,3,4-tris(1-phenoxynonyl)phenol Chemical compound C=1C=C(O)C(C(CCCCCCCC)OC=2C=CC=CC=2)=C(C(CCCCCCCC)OC=2C=CC=CC=2)C=1C(CCCCCCCC)OC1=CC=CC=C1 KURBGACDVCGTCB-UHFFFAOYSA-N 0.000 description 1
- TZMYSJSOSKVLMN-UHFFFAOYSA-N 2,3,4-tris(1-phenoxypentyl)phenol Chemical compound C=1C=C(O)C(C(CCCC)OC=2C=CC=CC=2)=C(C(CCCC)OC=2C=CC=CC=2)C=1C(CCCC)OC1=CC=CC=C1 TZMYSJSOSKVLMN-UHFFFAOYSA-N 0.000 description 1
- AWIAZMGAMCARJK-UHFFFAOYSA-N 2,3,4-tris(2,3,4-tributylphenoxy)phenol Chemical compound CCCCC1=C(CCCC)C(CCCC)=CC=C1OC1=CC=C(O)C(OC=2C(=C(CCCC)C(CCCC)=CC=2)CCCC)=C1OC1=CC=C(CCCC)C(CCCC)=C1CCCC AWIAZMGAMCARJK-UHFFFAOYSA-N 0.000 description 1
- BZPRZKFRMHFHJL-UHFFFAOYSA-N 2,3,4-tris(2,3,4-triethylphenoxy)phenol Chemical compound CCC1=C(CC)C(CC)=CC=C1OC1=CC=C(O)C(OC=2C(=C(CC)C(CC)=CC=2)CC)=C1OC1=CC=C(CC)C(CC)=C1CC BZPRZKFRMHFHJL-UHFFFAOYSA-N 0.000 description 1
- VKLDQMPPPAFVRP-UHFFFAOYSA-N 2,3,4-tris(2,3-dibutylphenoxy)phenol Chemical compound CCCCC1=CC=CC(OC=2C(=C(OC=3C(=C(CCCC)C=CC=3)CCCC)C(O)=CC=2)OC=2C(=C(CCCC)C=CC=2)CCCC)=C1CCCC VKLDQMPPPAFVRP-UHFFFAOYSA-N 0.000 description 1
- IRSAGAPFIQRTDZ-UHFFFAOYSA-N 2,3,4-tris(2,3-dihexylphenoxy)phenol Chemical compound CCCCCCC1=CC=CC(OC=2C(=C(OC=3C(=C(CCCCCC)C=CC=3)CCCCCC)C(O)=CC=2)OC=2C(=C(CCCCCC)C=CC=2)CCCCCC)=C1CCCCCC IRSAGAPFIQRTDZ-UHFFFAOYSA-N 0.000 description 1
- PVZNBVABLCQYCK-UHFFFAOYSA-N 2,3,4-tris(2-butoxy-2-methylpropyl)phenol Chemical compound CCCCOC(C)(C)CC1=CC=C(O)C(CC(C)(C)OCCCC)=C1CC(C)(C)OCCCC PVZNBVABLCQYCK-UHFFFAOYSA-N 0.000 description 1
- CKCNKEZESLYNFZ-UHFFFAOYSA-N 2,3,4-tris(2-butoxypropyl)phenol Chemical compound CCCCOC(C)CC1=CC=C(O)C(CC(C)OCCCC)=C1CC(C)OCCCC CKCNKEZESLYNFZ-UHFFFAOYSA-N 0.000 description 1
- JFZCVBNISOYLSH-UHFFFAOYSA-N 2,3,4-tris(2-cycloheptyloxy-2-methylpropyl)phenol Chemical compound C1CCCCCC1OC(C)(C)CC(C=1CC(C)(C)OC2CCCCCC2)=CC=C(O)C=1CC(C)(C)OC1CCCCCC1 JFZCVBNISOYLSH-UHFFFAOYSA-N 0.000 description 1
- WNMRQOPXQISZEY-UHFFFAOYSA-N 2,3,4-tris(2-cycloheptyloxypropyl)phenol Chemical compound C1CCCCCC1OC(C)CC(C=1CC(C)OC2CCCCCC2)=CC=C(O)C=1CC(C)OC1CCCCCC1 WNMRQOPXQISZEY-UHFFFAOYSA-N 0.000 description 1
- UYMKZZLFJBSPAV-UHFFFAOYSA-N 2,3,4-tris(2-cyclohexyloxy-2-methylpropyl)phenol Chemical compound C1CCCCC1OC(C)(C)CC(C=1CC(C)(C)OC2CCCCC2)=CC=C(O)C=1CC(C)(C)OC1CCCCC1 UYMKZZLFJBSPAV-UHFFFAOYSA-N 0.000 description 1
- VIHLYXIMUPMHEP-UHFFFAOYSA-N 2,3,4-tris(2-cyclohexyloxypropyl)phenol Chemical compound C1CCCCC1OC(C)CC(C=1CC(C)OC2CCCCC2)=CC=C(O)C=1CC(C)OC1CCCCC1 VIHLYXIMUPMHEP-UHFFFAOYSA-N 0.000 description 1
- MIRRLPVXJJGMBF-UHFFFAOYSA-N 2,3,4-tris(2-cyclooctyloxy-2-methylpropyl)phenol Chemical compound C1CCCCCCC1OC(C)(C)CC(C=1CC(C)(C)OC2CCCCCCC2)=CC=C(O)C=1CC(C)(C)OC1CCCCCCC1 MIRRLPVXJJGMBF-UHFFFAOYSA-N 0.000 description 1
- AFACVHWWAZOAAD-UHFFFAOYSA-N 2,3,4-tris(2-cyclooctyloxypropyl)phenol Chemical compound C1CCCCCCC1OC(C)CC(C=1CC(C)OC2CCCCCCC2)=CC=C(O)C=1CC(C)OC1CCCCCCC1 AFACVHWWAZOAAD-UHFFFAOYSA-N 0.000 description 1
- MKHXHJOYWAVPKL-UHFFFAOYSA-N 2,3,4-tris(2-cyclopentyloxy-2-methylpropyl)phenol Chemical compound C1CCCC1OC(C)(C)CC(C=1CC(C)(C)OC2CCCC2)=CC=C(O)C=1CC(C)(C)OC1CCCC1 MKHXHJOYWAVPKL-UHFFFAOYSA-N 0.000 description 1
- FQRQIPZGHNRPDK-UHFFFAOYSA-N 2,3,4-tris(2-cyclopentyloxypropyl)phenol Chemical compound C1CCCC1OC(C)CC(C=1CC(C)OC2CCCC2)=CC=C(O)C=1CC(C)OC1CCCC1 FQRQIPZGHNRPDK-UHFFFAOYSA-N 0.000 description 1
- XUYVPFJRABIYED-UHFFFAOYSA-N 2,3,4-tris(2-decoxy-2-methylpropyl)phenol Chemical compound CCCCCCCCCCOC(C)(C)CC1=CC=C(O)C(CC(C)(C)OCCCCCCCCCC)=C1CC(C)(C)OCCCCCCCCCC XUYVPFJRABIYED-UHFFFAOYSA-N 0.000 description 1
- FJUVKNYHVGXGMD-UHFFFAOYSA-N 2,3,4-tris(2-decoxypropyl)phenol Chemical compound CCCCCCCCCCOC(C)CC1=CC=C(O)C(CC(C)OCCCCCCCCCC)=C1CC(C)OCCCCCCCCCC FJUVKNYHVGXGMD-UHFFFAOYSA-N 0.000 description 1
- UZZDIGMVJBULSR-UHFFFAOYSA-N 2,3,4-tris(2-decylphenoxy)phenol Chemical compound CCCCCCCCCCC1=CC=CC=C1OC1=CC=C(O)C(OC=2C(=CC=CC=2)CCCCCCCCCC)=C1OC1=CC=CC=C1CCCCCCCCCC UZZDIGMVJBULSR-UHFFFAOYSA-N 0.000 description 1
- KOIBKPNTDFVHCH-UHFFFAOYSA-N 2,3,4-tris(2-dodecoxy-2-methylpropyl)phenol Chemical compound CCCCCCCCCCCCOC(C)(C)CC1=CC=C(O)C(CC(C)(C)OCCCCCCCCCCCC)=C1CC(C)(C)OCCCCCCCCCCCC KOIBKPNTDFVHCH-UHFFFAOYSA-N 0.000 description 1
- QEHHZYSMEIKCGZ-UHFFFAOYSA-N 2,3,4-tris(2-dodecoxypropyl)phenol Chemical compound CCCCCCCCCCCCOC(C)CC1=CC=C(O)C(CC(C)OCCCCCCCCCCCC)=C1CC(C)OCCCCCCCCCCCC QEHHZYSMEIKCGZ-UHFFFAOYSA-N 0.000 description 1
- DQPRUSXLTWVAAN-UHFFFAOYSA-N 2,3,4-tris(2-ethoxy-2-methylpropyl)phenol Chemical compound CCOC(C)(C)CC1=CC=C(O)C(CC(C)(C)OCC)=C1CC(C)(C)OCC DQPRUSXLTWVAAN-UHFFFAOYSA-N 0.000 description 1
- TUFRBEQUEBHWIW-UHFFFAOYSA-N 2,3,4-tris(2-ethoxypropyl)phenol Chemical compound CCOC(C)CC1=CC=C(O)C(CC(C)OCC)=C1CC(C)OCC TUFRBEQUEBHWIW-UHFFFAOYSA-N 0.000 description 1
- ZFYBGIPTNJUONB-UHFFFAOYSA-N 2,3,4-tris(2-heptoxy-2-methylpropyl)phenol Chemical compound CCCCCCCOC(C)(C)CC1=CC=C(O)C(CC(C)(C)OCCCCCCC)=C1CC(C)(C)OCCCCCCC ZFYBGIPTNJUONB-UHFFFAOYSA-N 0.000 description 1
- JMCFWIPLGQDCQQ-UHFFFAOYSA-N 2,3,4-tris(2-heptoxypropyl)phenol Chemical compound CCCCCCCOC(C)CC1=CC=C(O)C(CC(C)OCCCCCCC)=C1CC(C)OCCCCCCC JMCFWIPLGQDCQQ-UHFFFAOYSA-N 0.000 description 1
- YEUGKWMOOJQIKW-UHFFFAOYSA-N 2,3,4-tris(2-hexoxy-2-methylpropyl)phenol Chemical compound CCCCCCOC(C)(C)CC1=CC=C(O)C(CC(C)(C)OCCCCCC)=C1CC(C)(C)OCCCCCC YEUGKWMOOJQIKW-UHFFFAOYSA-N 0.000 description 1
- QFXWDDOSQKLXDI-UHFFFAOYSA-N 2,3,4-tris(2-hexoxypropyl)phenol Chemical compound CCCCCCOC(C)CC1=CC=C(O)C(CC(C)OCCCCCC)=C1CC(C)OCCCCCC QFXWDDOSQKLXDI-UHFFFAOYSA-N 0.000 description 1
- MYSGJONNFPDSRZ-UHFFFAOYSA-N 2,3,4-tris(2-methoxy-2-methylpropyl)phenol Chemical compound COC(C)(C)CC1=CC=C(O)C(CC(C)(C)OC)=C1CC(C)(C)OC MYSGJONNFPDSRZ-UHFFFAOYSA-N 0.000 description 1
- ATIKUBPNBNJVGY-UHFFFAOYSA-N 2,3,4-tris(2-methoxypropyl)phenol Chemical compound COC(C)CC1=CC=C(O)C(CC(C)OC)=C1CC(C)OC ATIKUBPNBNJVGY-UHFFFAOYSA-N 0.000 description 1
- UKVNMZHBNSNPME-UHFFFAOYSA-N 2,3,4-tris(2-methyl-2-nonoxypropyl)phenol Chemical compound CCCCCCCCCOC(C)(C)CC1=CC=C(O)C(CC(C)(C)OCCCCCCCCC)=C1CC(C)(C)OCCCCCCCCC UKVNMZHBNSNPME-UHFFFAOYSA-N 0.000 description 1
- FQFSNFYLOOJBMB-UHFFFAOYSA-N 2,3,4-tris(2-methyl-2-octadecoxypropyl)phenol Chemical compound CCCCCCCCCCCCCCCCCCOC(C)(C)CC1=CC=C(O)C(CC(C)(C)OCCCCCCCCCCCCCCCCCC)=C1CC(C)(C)OCCCCCCCCCCCCCCCCCC FQFSNFYLOOJBMB-UHFFFAOYSA-N 0.000 description 1
- MTGDFXNQHIRJAV-UHFFFAOYSA-N 2,3,4-tris(2-methyl-2-octoxypropyl)phenol Chemical compound CCCCCCCCOC(C)(C)CC1=CC=C(O)C(CC(C)(C)OCCCCCCCC)=C1CC(C)(C)OCCCCCCCC MTGDFXNQHIRJAV-UHFFFAOYSA-N 0.000 description 1
- CYSWXFNVMXIVQS-UHFFFAOYSA-N 2,3,4-tris(2-methyl-2-pentoxypropyl)phenol Chemical compound CCCCCOC(C)(C)CC1=CC=C(O)C(CC(C)(C)OCCCCC)=C1CC(C)(C)OCCCCC CYSWXFNVMXIVQS-UHFFFAOYSA-N 0.000 description 1
- JDCQDZIAKJPZAI-UHFFFAOYSA-N 2,3,4-tris(2-methyl-2-phenoxypropyl)phenol Chemical compound C=1C=CC=CC=1OC(C)(C)CC(C=1CC(C)(C)OC=2C=CC=CC=2)=CC=C(O)C=1CC(C)(C)OC1=CC=CC=C1 JDCQDZIAKJPZAI-UHFFFAOYSA-N 0.000 description 1
- DCWINNIEXGGWFT-UHFFFAOYSA-N 2,3,4-tris(2-methyl-2-phenylmethoxypropyl)phenol Chemical compound C=1C=CC=CC=1COC(C)(C)CC(C=1CC(C)(C)OCC=2C=CC=CC=2)=CC=C(O)C=1CC(C)(C)OCC1=CC=CC=C1 DCWINNIEXGGWFT-UHFFFAOYSA-N 0.000 description 1
- JSJIZGPPFJRXCL-UHFFFAOYSA-N 2,3,4-tris(2-methyl-2-phenylpropyl)phenol Chemical compound C=1C=CC=CC=1C(C)(C)CC(C=1CC(C)(C)C=2C=CC=CC=2)=CC=C(O)C=1CC(C)(C)C1=CC=CC=C1 JSJIZGPPFJRXCL-UHFFFAOYSA-N 0.000 description 1
- KDTNFOYGEQUWHB-UHFFFAOYSA-N 2,3,4-tris(2-methyl-2-propoxypropyl)phenol Chemical compound CCCOC(C)(C)CC1=CC=C(O)C(CC(C)(C)OCCC)=C1CC(C)(C)OCCC KDTNFOYGEQUWHB-UHFFFAOYSA-N 0.000 description 1
- FTIAYVVEOASIKQ-UHFFFAOYSA-N 2,3,4-tris(2-methylphenoxy)phenol Chemical compound CC1=CC=CC=C1OC1=CC=C(O)C(OC=2C(=CC=CC=2)C)=C1OC1=CC=CC=C1C FTIAYVVEOASIKQ-UHFFFAOYSA-N 0.000 description 1
- WHSVGFVVRZCLSW-UHFFFAOYSA-N 2,3,4-tris(2-nonoxypropyl)phenol Chemical compound CCCCCCCCCOC(C)CC1=CC=C(O)C(CC(C)OCCCCCCCCC)=C1CC(C)OCCCCCCCCC WHSVGFVVRZCLSW-UHFFFAOYSA-N 0.000 description 1
- UZYWVGZQMBWIAE-UHFFFAOYSA-N 2,3,4-tris(2-nonylphenoxy)phenol Chemical compound CCCCCCCCCC1=CC=CC=C1OC1=CC=C(O)C(OC=2C(=CC=CC=2)CCCCCCCCC)=C1OC1=CC=CC=C1CCCCCCCCC UZYWVGZQMBWIAE-UHFFFAOYSA-N 0.000 description 1
- MUCMRFTXHUXRAA-UHFFFAOYSA-N 2,3,4-tris(2-octadecoxypropyl)phenol Chemical compound CCCCCCCCCCCCCCCCCCOC(C)CC1=CC=C(O)C(CC(C)OCCCCCCCCCCCCCCCCCC)=C1CC(C)OCCCCCCCCCCCCCCCCCC MUCMRFTXHUXRAA-UHFFFAOYSA-N 0.000 description 1
- XSTYHMBWNWOOES-UHFFFAOYSA-N 2,3,4-tris(2-octoxypropyl)phenol Chemical compound CCCCCCCCOC(C)CC1=CC=C(O)C(CC(C)OCCCCCCCC)=C1CC(C)OCCCCCCCC XSTYHMBWNWOOES-UHFFFAOYSA-N 0.000 description 1
- VELQCFWHXRWGLC-UHFFFAOYSA-N 2,3,4-tris(2-pentoxypropyl)phenol Chemical compound CCCCCOC(C)CC1=CC=C(O)C(CC(C)OCCCCC)=C1CC(C)OCCCCC VELQCFWHXRWGLC-UHFFFAOYSA-N 0.000 description 1
- MTWUCMBMQPIZNK-UHFFFAOYSA-N 2,3,4-tris(2-phenoxypropyl)phenol Chemical compound C=1C=CC=CC=1OC(C)CC(C=1CC(C)OC=2C=CC=CC=2)=CC=C(O)C=1CC(C)OC1=CC=CC=C1 MTWUCMBMQPIZNK-UHFFFAOYSA-N 0.000 description 1
- GATZGNVCXPWFOX-UHFFFAOYSA-N 2,3,4-tris(2-phenylethoxy)phenol Chemical compound C=1C=CC=CC=1CCOC1=C(OCCC=2C=CC=CC=2)C(O)=CC=C1OCCC1=CC=CC=C1 GATZGNVCXPWFOX-UHFFFAOYSA-N 0.000 description 1
- ZZZHHMAHJUNCJZ-UHFFFAOYSA-N 2,3,4-tris(2-phenylmethoxypropyl)phenol Chemical compound C=1C=CC=CC=1COC(C)CC(C=1CC(C)OCC=2C=CC=CC=2)=CC=C(O)C=1CC(C)OCC1=CC=CC=C1 ZZZHHMAHJUNCJZ-UHFFFAOYSA-N 0.000 description 1
- YVJJTEADFAZYEE-UHFFFAOYSA-N 2,3,4-tris(2-phenylpropyl)phenol Chemical compound C=1C=CC=CC=1C(C)CC(C=1CC(C)C=2C=CC=CC=2)=CC=C(O)C=1CC(C)C1=CC=CC=C1 YVJJTEADFAZYEE-UHFFFAOYSA-N 0.000 description 1
- JVMVGHORDYRBAF-UHFFFAOYSA-N 2,3,4-tris(2-propoxypropyl)phenol Chemical compound CCCOC(C)CC1=CC=C(O)C(CC(C)OCCC)=C1CC(C)OCCC JVMVGHORDYRBAF-UHFFFAOYSA-N 0.000 description 1
- CFEZXAHRXYSMFJ-UHFFFAOYSA-N 2,3,4-tris(2-propylphenoxy)phenol Chemical compound CCCC1=CC=CC=C1OC1=CC=C(O)C(OC=2C(=CC=CC=2)CCC)=C1OC1=CC=CC=C1CCC CFEZXAHRXYSMFJ-UHFFFAOYSA-N 0.000 description 1
- HDIRLZLFTDVBNM-UHFFFAOYSA-N 2,3,4-tris(3-phenylpropoxymethyl)phenol Chemical compound C=1C=CC=CC=1CCCOCC1=C(COCCCC=2C=CC=CC=2)C(O)=CC=C1COCCCC1=CC=CC=C1 HDIRLZLFTDVBNM-UHFFFAOYSA-N 0.000 description 1
- KATZXNLDHBQXGY-UHFFFAOYSA-N 2,3,4-tris(4-phenylbutoxymethyl)phenol Chemical compound C=1C=CC=CC=1CCCCOCC1=C(COCCCCC=2C=CC=CC=2)C(O)=CC=C1COCCCCC1=CC=CC=C1 KATZXNLDHBQXGY-UHFFFAOYSA-N 0.000 description 1
- UXAWTEMTFQJYAT-UHFFFAOYSA-N 2,3,4-tris(8-phenyloctoxy)phenol Chemical compound C=1C=CC=CC=1CCCCCCCCOC1=C(OCCCCCCCCC=2C=CC=CC=2)C(O)=CC=C1OCCCCCCCCC1=CC=CC=C1 UXAWTEMTFQJYAT-UHFFFAOYSA-N 0.000 description 1
- FUMGYLZFPBJWSH-UHFFFAOYSA-N 2,3,4-tris(cycloheptyloxymethyl)phenol Chemical compound C1CCCCCC1OCC1=C(COC2CCCCCC2)C(O)=CC=C1COC1CCCCCC1 FUMGYLZFPBJWSH-UHFFFAOYSA-N 0.000 description 1
- ATOMOVYLDBPPIO-UHFFFAOYSA-N 2,3,4-tris(dibutylamino)phenol Chemical compound CCCCN(CCCC)C1=CC=C(O)C(N(CCCC)CCCC)=C1N(CCCC)CCCC ATOMOVYLDBPPIO-UHFFFAOYSA-N 0.000 description 1
- KKXIHXUXAMXTGI-UHFFFAOYSA-N 2,3,4-tris(diheptylamino)phenol Chemical compound CCCCCCCN(CCCCCCC)C1=CC=C(O)C(N(CCCCCCC)CCCCCCC)=C1N(CCCCCCC)CCCCCCC KKXIHXUXAMXTGI-UHFFFAOYSA-N 0.000 description 1
- HGIZGDYCZITFJF-UHFFFAOYSA-N 2,3,4-tris(dihexylamino)phenol Chemical compound CCCCCCN(CCCCCC)C1=CC=C(O)C(N(CCCCCC)CCCCCC)=C1N(CCCCCC)CCCCCC HGIZGDYCZITFJF-UHFFFAOYSA-N 0.000 description 1
- PMHQCTYEXGXOHC-UHFFFAOYSA-N 2,3,4-tris(dioctadecylamino)phenol Chemical compound CCCCCCCCCCCCCCCCCCN(CCCCCCCCCCCCCCCCCC)C1=CC=C(O)C(N(CCCCCCCCCCCCCCCCCC)CCCCCCCCCCCCCCCCCC)=C1N(CCCCCCCCCCCCCCCCCC)CCCCCCCCCCCCCCCCCC PMHQCTYEXGXOHC-UHFFFAOYSA-N 0.000 description 1
- AYDXQPKLLCHTPI-UHFFFAOYSA-N 2,3,4-tris(dioctylamino)phenol Chemical compound CCCCCCCCN(CCCCCCCC)C1=CC=C(O)C(N(CCCCCCCC)CCCCCCCC)=C1N(CCCCCCCC)CCCCCCCC AYDXQPKLLCHTPI-UHFFFAOYSA-N 0.000 description 1
- ZCDBNHUVXQICBA-UHFFFAOYSA-N 2,3,4-tris(dipentylamino)phenol Chemical compound CCCCCN(CCCCC)C1=CC=C(O)C(N(CCCCC)CCCCC)=C1N(CCCCC)CCCCC ZCDBNHUVXQICBA-UHFFFAOYSA-N 0.000 description 1
- MCNBWJGGLMZDLT-UHFFFAOYSA-N 2,3,4-tris(dipropylamino)phenol Chemical compound CCCN(CCC)C1=CC=C(O)C(N(CCC)CCC)=C1N(CCC)CCC MCNBWJGGLMZDLT-UHFFFAOYSA-N 0.000 description 1
- ZQHZYSLRMDAYRE-UHFFFAOYSA-N 2,3,4-tris(dodecoxymethyl)phenol Chemical compound CCCCCCCCCCCCOCC1=CC=C(O)C(COCCCCCCCCCCCC)=C1COCCCCCCCCCCCC ZQHZYSLRMDAYRE-UHFFFAOYSA-N 0.000 description 1
- VESOKMVGGDDQFS-UHFFFAOYSA-N 2,3,4-tris(dodecylamino)phenol Chemical compound CCCCCCCCCCCCNC1=CC=C(O)C(NCCCCCCCCCCCC)=C1NCCCCCCCCCCCC VESOKMVGGDDQFS-UHFFFAOYSA-N 0.000 description 1
- AUNJZVHNNMAWBI-UHFFFAOYSA-N 2,3,4-tris(ethoxymethyl)phenol Chemical compound CCOCC1=CC=C(O)C(COCC)=C1COCC AUNJZVHNNMAWBI-UHFFFAOYSA-N 0.000 description 1
- BBFDZOQNMOQXPH-UHFFFAOYSA-N 2,3,4-tris(ethylamino)phenol Chemical compound CCNC1=CC=C(O)C(NCC)=C1NCC BBFDZOQNMOQXPH-UHFFFAOYSA-N 0.000 description 1
- ODUYFWDMXLTLTO-UHFFFAOYSA-N 2,3,4-tris(heptylamino)phenol Chemical compound CCCCCCCNC1=CC=C(O)C(NCCCCCCC)=C1NCCCCCCC ODUYFWDMXLTLTO-UHFFFAOYSA-N 0.000 description 1
- NMDYMESORKAIPP-UHFFFAOYSA-N 2,3,4-tris(hexylamino)phenol Chemical compound CCCCCCNC1=CC=C(O)C(NCCCCCC)=C1NCCCCCC NMDYMESORKAIPP-UHFFFAOYSA-N 0.000 description 1
- CRYHSFLDCJOGMP-UHFFFAOYSA-N 2,3,4-tris(methoxymethyl)phenol Chemical compound COCC1=CC=C(O)C(COC)=C1COC CRYHSFLDCJOGMP-UHFFFAOYSA-N 0.000 description 1
- GVBVRCKFIRHLBK-UHFFFAOYSA-N 2,3,4-tris(methylamino)phenol Chemical compound CNC1=CC=C(O)C(NC)=C1NC GVBVRCKFIRHLBK-UHFFFAOYSA-N 0.000 description 1
- BGQHSQDVKWEXKV-UHFFFAOYSA-N 2,3,4-tris(octylamino)phenol Chemical compound CCCCCCCCNC1=CC=C(O)C(NCCCCCCCC)=C1NCCCCCCCC BGQHSQDVKWEXKV-UHFFFAOYSA-N 0.000 description 1
- OWLYRZCEWKJBJX-UHFFFAOYSA-N 2,3,4-tris(pentoxymethyl)phenol Chemical compound CCCCCOCC1=CC=C(O)C(COCCCCC)=C1COCCCCC OWLYRZCEWKJBJX-UHFFFAOYSA-N 0.000 description 1
- JJUAAUDLDJNNPZ-UHFFFAOYSA-N 2,3,4-tris(pentylamino)phenol Chemical compound CCCCCNC1=CC=C(O)C(NCCCCC)=C1NCCCCC JJUAAUDLDJNNPZ-UHFFFAOYSA-N 0.000 description 1
- AFQIRWHNDPOHID-UHFFFAOYSA-N 2,3,4-tris(phenoxymethyl)phenol Chemical compound C=1C=CC=CC=1OCC1=C(COC=2C=CC=CC=2)C(O)=CC=C1COC1=CC=CC=C1 AFQIRWHNDPOHID-UHFFFAOYSA-N 0.000 description 1
- UDCAQZWRQWTIJK-UHFFFAOYSA-N 2,3,4-tris(propoxymethyl)phenol Chemical compound CCCOCC1=CC=C(O)C(COCCC)=C1COCCC UDCAQZWRQWTIJK-UHFFFAOYSA-N 0.000 description 1
- BYFAKYGJKKOOEY-UHFFFAOYSA-N 2,3,4-tris-decylphenol Chemical compound CCCCCCCCCCC1=CC=C(O)C(CCCCCCCCCC)=C1CCCCCCCCCC BYFAKYGJKKOOEY-UHFFFAOYSA-N 0.000 description 1
- UVLSMKBUOVBUQW-UHFFFAOYSA-N 2,3,4-tris[(1-ethylcyclopentyl)oxy]phenol Chemical compound C=1C=C(O)C(OC2(CC)CCCC2)=C(OC2(CC)CCCC2)C=1OC1(CC)CCCC1 UVLSMKBUOVBUQW-UHFFFAOYSA-N 0.000 description 1
- MSEBGWZXJMGFCT-UHFFFAOYSA-N 2,3,4-tris[(1-methylcyclohexyl)oxy]phenol Chemical compound C=1C=C(O)C(OC2(C)CCCCC2)=C(OC2(C)CCCCC2)C=1OC1(C)CCCCC1 MSEBGWZXJMGFCT-UHFFFAOYSA-N 0.000 description 1
- ZCRLYMKQCKUCJI-UHFFFAOYSA-N 2,3,4-tris[(1-pentylcyclohexyl)oxy]phenol Chemical compound C=1C=C(O)C(OC2(CCCCC)CCCCC2)=C(OC2(CCCCC)CCCCC2)C=1OC1(CCCCC)CCCCC1 ZCRLYMKQCKUCJI-UHFFFAOYSA-N 0.000 description 1
- AFFKXKPDWRYJAF-UHFFFAOYSA-N 2,3,4-tris[(2,3,4-tributylphenoxy)methyl]phenol Chemical compound CCCCC1=C(CCCC)C(CCCC)=CC=C1OCC1=CC=C(O)C(COC=2C(=C(CCCC)C(CCCC)=CC=2)CCCC)=C1COC1=CC=C(CCCC)C(CCCC)=C1CCCC AFFKXKPDWRYJAF-UHFFFAOYSA-N 0.000 description 1
- XIWFMEWEQWIOFL-UHFFFAOYSA-N 2,3,4-tris[(2,3,4-triethylphenyl)methyl]phenol Chemical compound CCC1=C(CC)C(CC)=CC=C1CC1=CC=C(O)C(CC=2C(=C(CC)C(CC)=CC=2)CC)=C1CC1=CC=C(CC)C(CC)=C1CC XIWFMEWEQWIOFL-UHFFFAOYSA-N 0.000 description 1
- PUMMEZPXARUGEX-UHFFFAOYSA-N 2,3,4-tris[(2,3,4-tripropylphenyl)methyl]phenol Chemical compound CCCC1=C(CCC)C(CCC)=CC=C1CC1=CC=C(O)C(CC=2C(=C(CCC)C(CCC)=CC=2)CCC)=C1CC1=CC=C(CCC)C(CCC)=C1CCC PUMMEZPXARUGEX-UHFFFAOYSA-N 0.000 description 1
- HFQXPWSYVIOZSU-UHFFFAOYSA-N 2,3,4-tris[(2,3-dibutylphenyl)methyl]phenol Chemical compound CCCCC1=CC=CC(CC=2C(=C(CC=3C(=C(CCCC)C=CC=3)CCCC)C(O)=CC=2)CC=2C(=C(CCCC)C=CC=2)CCCC)=C1CCCC HFQXPWSYVIOZSU-UHFFFAOYSA-N 0.000 description 1
- LDVWTCISSJSDGI-UHFFFAOYSA-N 2,3,4-tris[(2,3-dihexylphenyl)methyl]phenol Chemical compound CCCCCCC1=CC=CC(CC=2C(=C(CC=3C(=C(CCCCCC)C=CC=3)CCCCCC)C(O)=CC=2)CC=2C(=C(CCCCCC)C=CC=2)CCCCCC)=C1CCCCCC LDVWTCISSJSDGI-UHFFFAOYSA-N 0.000 description 1
- NDHYQARXFPHOCP-UHFFFAOYSA-N 2,3,4-tris[(2-hexylphenyl)methyl]phenol Chemical compound CCCCCCC1=CC=CC=C1CC1=CC=C(O)C(CC=2C(=CC=CC=2)CCCCCC)=C1CC1=CC=CC=C1CCCCCC NDHYQARXFPHOCP-UHFFFAOYSA-N 0.000 description 1
- CVUOGESTIUCMDO-UHFFFAOYSA-N 2,3,4-tris[(2-propylphenyl)methyl]phenol Chemical compound CCCC1=CC=CC=C1CC1=CC=C(O)C(CC=2C(=CC=CC=2)CCC)=C1CC1=CC=CC=C1CCC CVUOGESTIUCMDO-UHFFFAOYSA-N 0.000 description 1
- VBJIWGCBIIYCCZ-UHFFFAOYSA-N 2,3,4-tris[(4,4-dibutylcyclohexyl)oxy]phenol Chemical compound C(CCC)C1(CCC(CC1)OC1=C(C(=C(C=C1)O)OC1CCC(CC1)(CCCC)CCCC)OC1CCC(CC1)(CCCC)CCCC)CCCC VBJIWGCBIIYCCZ-UHFFFAOYSA-N 0.000 description 1
- KDDJOTPVMIMXBP-UHFFFAOYSA-N 2,3,4-tris[(4,4-dimethylcyclohexyl)oxy]phenol Chemical compound CC1(CCC(CC1)OC1=C(C(=C(C=C1)O)OC1CCC(CC1)(C)C)OC1CCC(CC1)(C)C)C KDDJOTPVMIMXBP-UHFFFAOYSA-N 0.000 description 1
- BXEWNBKJQGHRAT-UHFFFAOYSA-N 2,3,4-tris[2-(1,2,2-trimethylcyclohexyl)oxypropyl]phenol Chemical compound C1CCCC(C)(C)C1(C)OC(C)CC(C=1CC(C)OC2(C)C(CCCC2)(C)C)=CC=C(O)C=1CC(C)OC1(C)CCCCC1(C)C BXEWNBKJQGHRAT-UHFFFAOYSA-N 0.000 description 1
- DUAGURRAXSAVJE-UHFFFAOYSA-N 2,3,4-tris[2-(1-butylcyclohexyl)oxy-2-methylpropyl]phenol Chemical compound C=1C=C(O)C(CC(C)(C)OC2(CCCC)CCCCC2)=C(CC(C)(C)OC2(CCCC)CCCCC2)C=1CC(C)(C)OC1(CCCC)CCCCC1 DUAGURRAXSAVJE-UHFFFAOYSA-N 0.000 description 1
- AGTMXMCCANXHJB-UHFFFAOYSA-N 2,3,4-tris[2-(1-butylcyclohexyl)oxypropyl]phenol Chemical compound C=1C=C(O)C(CC(C)OC2(CCCC)CCCCC2)=C(CC(C)OC2(CCCC)CCCCC2)C=1CC(C)OC1(CCCC)CCCCC1 AGTMXMCCANXHJB-UHFFFAOYSA-N 0.000 description 1
- UFUFGGYEWPRWSQ-UHFFFAOYSA-N 2,3,4-tris[2-(1-ethylcyclohexyl)oxy-2-methylpropyl]phenol Chemical compound C=1C=C(O)C(CC(C)(C)OC2(CC)CCCCC2)=C(CC(C)(C)OC2(CC)CCCCC2)C=1CC(C)(C)OC1(CC)CCCCC1 UFUFGGYEWPRWSQ-UHFFFAOYSA-N 0.000 description 1
- PQHFSXFZSHOPTM-UHFFFAOYSA-N 2,3,4-tris[2-(1-ethylcyclohexyl)oxypropyl]phenol Chemical compound C=1C=C(O)C(CC(C)OC2(CC)CCCCC2)=C(CC(C)OC2(CC)CCCCC2)C=1CC(C)OC1(CC)CCCCC1 PQHFSXFZSHOPTM-UHFFFAOYSA-N 0.000 description 1
- CPMLIPVXZYKJDK-UHFFFAOYSA-N 2,3,4-tris[2-(1-ethylcyclopentyl)oxy-2-methylpropyl]phenol Chemical compound C=1C=C(O)C(CC(C)(C)OC2(CC)CCCC2)=C(CC(C)(C)OC2(CC)CCCC2)C=1CC(C)(C)OC1(CC)CCCC1 CPMLIPVXZYKJDK-UHFFFAOYSA-N 0.000 description 1
- SKSSJYITGHXAPT-UHFFFAOYSA-N 2,3,4-tris[2-(1-ethylcyclopentyl)oxypropyl]phenol Chemical compound C=1C=C(O)C(CC(C)OC2(CC)CCCC2)=C(CC(C)OC2(CC)CCCC2)C=1CC(C)OC1(CC)CCCC1 SKSSJYITGHXAPT-UHFFFAOYSA-N 0.000 description 1
- FTFKOGHKVYVTFV-UHFFFAOYSA-N 2,3,4-tris[2-(1-hexylcyclohexyl)oxy-2-methylpropyl]phenol Chemical compound C=1C=C(O)C(CC(C)(C)OC2(CCCCCC)CCCCC2)=C(CC(C)(C)OC2(CCCCCC)CCCCC2)C=1CC(C)(C)OC1(CCCCCC)CCCCC1 FTFKOGHKVYVTFV-UHFFFAOYSA-N 0.000 description 1
- QIPQYUQVFKNYAY-UHFFFAOYSA-N 2,3,4-tris[2-(1-hexylcyclohexyl)oxypropyl]phenol Chemical compound C=1C=C(O)C(CC(C)OC2(CCCCCC)CCCCC2)=C(CC(C)OC2(CCCCCC)CCCCC2)C=1CC(C)OC1(CCCCCC)CCCCC1 QIPQYUQVFKNYAY-UHFFFAOYSA-N 0.000 description 1
- SJKPAPOMYVFCQW-UHFFFAOYSA-N 2,3,4-tris[2-(1-methylcyclohexyl)oxypropyl]phenol Chemical compound C1CCCCC1(C)OC(C)CC(C=1CC(C)OC2(C)CCCCC2)=CC=C(O)C=1CC(C)OC1(C)CCCCC1 SJKPAPOMYVFCQW-UHFFFAOYSA-N 0.000 description 1
- AJJJTTBQTYFJJL-UHFFFAOYSA-N 2,3,4-tris[2-(1-methylcyclopentyl)oxypropyl]phenol Chemical compound C1CCCC1(C)OC(C)CC(C=1CC(C)OC2(C)CCCC2)=CC=C(O)C=1CC(C)OC1(C)CCCC1 AJJJTTBQTYFJJL-UHFFFAOYSA-N 0.000 description 1
- KHARAPXUWYHKGH-UHFFFAOYSA-N 2,3,4-tris[2-(1-pentylcyclohexyl)oxypropyl]phenol Chemical compound C=1C=C(O)C(CC(C)OC2(CCCCC)CCCCC2)=C(CC(C)OC2(CCCCC)CCCCC2)C=1CC(C)OC1(CCCCC)CCCCC1 KHARAPXUWYHKGH-UHFFFAOYSA-N 0.000 description 1
- CRFBBEQQLRTTGC-UHFFFAOYSA-N 2,3,4-tris[2-(1-propylcyclohexyl)oxypropyl]phenol Chemical compound C=1C=C(O)C(CC(C)OC2(CCC)CCCCC2)=C(CC(C)OC2(CCC)CCCCC2)C=1CC(C)OC1(CCC)CCCCC1 CRFBBEQQLRTTGC-UHFFFAOYSA-N 0.000 description 1
- SRVGIKBHHFYSRV-UHFFFAOYSA-N 2,3,4-tris[2-(2,3,4-tributylphenyl)propyl]phenol Chemical compound CCCCC1=C(CCCC)C(CCCC)=CC=C1C(C)CC1=CC=C(O)C(CC(C)C=2C(=C(CCCC)C(CCCC)=CC=2)CCCC)=C1CC(C)C1=CC=C(CCCC)C(CCCC)=C1CCCC SRVGIKBHHFYSRV-UHFFFAOYSA-N 0.000 description 1
- GTMLISDGAAYBBT-UHFFFAOYSA-N 2,3,4-tris[2-(2,3,4-triheptylphenoxy)propyl]phenol Chemical compound CCCCCCCC1=C(CCCCCCC)C(CCCCCCC)=CC=C1OC(C)CC1=CC=C(O)C(CC(C)OC=2C(=C(CCCCCCC)C(CCCCCCC)=CC=2)CCCCCCC)=C1CC(C)OC1=CC=C(CCCCCCC)C(CCCCCCC)=C1CCCCCCC GTMLISDGAAYBBT-UHFFFAOYSA-N 0.000 description 1
- OEDSLMFHNDYATF-UHFFFAOYSA-N 2,3,4-tris[2-(2,3,4-trihexylphenoxy)propyl]phenol Chemical compound CCCCCCC1=C(CCCCCC)C(CCCCCC)=CC=C1OC(C)CC1=CC=C(O)C(CC(C)OC=2C(=C(CCCCCC)C(CCCCCC)=CC=2)CCCCCC)=C1CC(C)OC1=CC=C(CCCCCC)C(CCCCCC)=C1CCCCCC OEDSLMFHNDYATF-UHFFFAOYSA-N 0.000 description 1
- GPKYNXVAEHPZBS-UHFFFAOYSA-N 2,3,4-tris[2-(2,3,4-trimethylphenyl)propyl]phenol Chemical compound C=1C=C(C)C(C)=C(C)C=1C(C)CC(C=1CC(C)C=2C(=C(C)C(C)=CC=2)C)=CC=C(O)C=1CC(C)C1=CC=C(C)C(C)=C1C GPKYNXVAEHPZBS-UHFFFAOYSA-N 0.000 description 1
- HVTMTSXBOAHOCM-UHFFFAOYSA-N 2,3,4-tris[2-(2,3,4-tripentylphenoxy)propyl]phenol Chemical compound CCCCCC1=C(CCCCC)C(CCCCC)=CC=C1OC(C)CC1=CC=C(O)C(CC(C)OC=2C(=C(CCCCC)C(CCCCC)=CC=2)CCCCC)=C1CC(C)OC1=CC=C(CCCCC)C(CCCCC)=C1CCCCC HVTMTSXBOAHOCM-UHFFFAOYSA-N 0.000 description 1
- OAXFDSONXAHWPT-UHFFFAOYSA-N 2,3,4-tris[2-(2,3,4-triphenylphenoxy)propyl]phenol Chemical compound C=1C=C(C=2C=CC=CC=2)C(C=2C=CC=CC=2)=C(C=2C=CC=CC=2)C=1OC(C)CC(C=1CC(C)OC=2C(=C(C=3C=CC=CC=3)C(C=3C=CC=CC=3)=CC=2)C=2C=CC=CC=2)=CC=C(O)C=1CC(C)OC(C(=C1C=2C=CC=CC=2)C=2C=CC=CC=2)=CC=C1C1=CC=CC=C1 OAXFDSONXAHWPT-UHFFFAOYSA-N 0.000 description 1
- WFTYPHFSTCVHIX-UHFFFAOYSA-N 2,3,4-tris[2-(2,3,4-tripropylphenyl)propyl]phenol Chemical compound CCCC1=C(CCC)C(CCC)=CC=C1C(C)CC1=CC=C(O)C(CC(C)C=2C(=C(CCC)C(CCC)=CC=2)CCC)=C1CC(C)C1=CC=C(CCC)C(CCC)=C1CCC WFTYPHFSTCVHIX-UHFFFAOYSA-N 0.000 description 1
- IGUMHEPAHOJQGH-UHFFFAOYSA-N 2,3,4-tris[2-(2,3-dibutylphenyl)-2-methylpropyl]phenol Chemical compound CCCCC1=CC=CC(C(C)(C)CC=2C(=C(CC(C)(C)C=3C(=C(CCCC)C=CC=3)CCCC)C(O)=CC=2)CC(C)(C)C=2C(=C(CCCC)C=CC=2)CCCC)=C1CCCC IGUMHEPAHOJQGH-UHFFFAOYSA-N 0.000 description 1
- FYCHOYZFFOVKAJ-UHFFFAOYSA-N 2,3,4-tris[2-(2,3-dibutylphenyl)propyl]phenol Chemical compound CCCCC1=CC=CC(C(C)CC=2C(=C(CC(C)C=3C(=C(CCCC)C=CC=3)CCCC)C(O)=CC=2)CC(C)C=2C(=C(CCCC)C=CC=2)CCCC)=C1CCCC FYCHOYZFFOVKAJ-UHFFFAOYSA-N 0.000 description 1
- YSZFIRRSEJYHQS-UHFFFAOYSA-N 2,3,4-tris[2-(2,3-diethylphenyl)-2-methylpropyl]phenol Chemical compound CCC1=CC=CC(C(C)(C)CC=2C(=C(CC(C)(C)C=3C(=C(CC)C=CC=3)CC)C(O)=CC=2)CC(C)(C)C=2C(=C(CC)C=CC=2)CC)=C1CC YSZFIRRSEJYHQS-UHFFFAOYSA-N 0.000 description 1
- PSSOADFXDOBEIH-UHFFFAOYSA-N 2,3,4-tris[2-(2,3-diethylphenyl)propyl]phenol Chemical compound CCC1=CC=CC(C(C)CC=2C(=C(CC(C)C=3C(=C(CC)C=CC=3)CC)C(O)=CC=2)CC(C)C=2C(=C(CC)C=CC=2)CC)=C1CC PSSOADFXDOBEIH-UHFFFAOYSA-N 0.000 description 1
- ANVRZRTVEJMJMY-UHFFFAOYSA-N 2,3,4-tris[2-(2,3-diheptylphenyl)-2-methylpropyl]phenol Chemical compound CCCCCCCC1=CC=CC(C(C)(C)CC=2C(=C(CC(C)(C)C=3C(=C(CCCCCCC)C=CC=3)CCCCCCC)C(O)=CC=2)CC(C)(C)C=2C(=C(CCCCCCC)C=CC=2)CCCCCCC)=C1CCCCCCC ANVRZRTVEJMJMY-UHFFFAOYSA-N 0.000 description 1
- JODFLSTUIWDEGO-UHFFFAOYSA-N 2,3,4-tris[2-(2,3-diheptylphenyl)propyl]phenol Chemical compound CCCCCCCC1=CC=CC(C(C)CC=2C(=C(CC(C)C=3C(=C(CCCCCCC)C=CC=3)CCCCCCC)C(O)=CC=2)CC(C)C=2C(=C(CCCCCCC)C=CC=2)CCCCCCC)=C1CCCCCCC JODFLSTUIWDEGO-UHFFFAOYSA-N 0.000 description 1
- WVZAOIFCMMPXRE-UHFFFAOYSA-N 2,3,4-tris[2-(2,3-dihexylphenyl)-2-methylpropyl]phenol Chemical compound CCCCCCC1=CC=CC(C(C)(C)CC=2C(=C(CC(C)(C)C=3C(=C(CCCCCC)C=CC=3)CCCCCC)C(O)=CC=2)CC(C)(C)C=2C(=C(CCCCCC)C=CC=2)CCCCCC)=C1CCCCCC WVZAOIFCMMPXRE-UHFFFAOYSA-N 0.000 description 1
- MMPCJUYZYVCCOE-UHFFFAOYSA-N 2,3,4-tris[2-(2,3-dihexylphenyl)propyl]phenol Chemical compound CCCCCCC1=CC=CC(C(C)CC=2C(=C(CC(C)C=3C(=C(CCCCCC)C=CC=3)CCCCCC)C(O)=CC=2)CC(C)C=2C(=C(CCCCCC)C=CC=2)CCCCCC)=C1CCCCCC MMPCJUYZYVCCOE-UHFFFAOYSA-N 0.000 description 1
- MGQNMCJURMRRBD-UHFFFAOYSA-N 2,3,4-tris[2-(2,3-dimethylphenyl)-2-methylpropyl]phenol Chemical compound CC1=CC=CC(C(C)(C)CC=2C(=C(CC(C)(C)C=3C(=C(C)C=CC=3)C)C(O)=CC=2)CC(C)(C)C=2C(=C(C)C=CC=2)C)=C1C MGQNMCJURMRRBD-UHFFFAOYSA-N 0.000 description 1
- BUCDZHBBRBQKLP-UHFFFAOYSA-N 2,3,4-tris[2-(2,3-dimethylphenyl)propyl]phenol Chemical compound C=1C=CC(C)=C(C)C=1C(C)CC(C=1CC(C)C=2C(=C(C)C=CC=2)C)=CC=C(O)C=1CC(C)C1=CC=CC(C)=C1C BUCDZHBBRBQKLP-UHFFFAOYSA-N 0.000 description 1
- VSVSYAZAWPCXIW-UHFFFAOYSA-N 2,3,4-tris[2-(2,3-dipentylphenyl)-2-methylpropyl]phenol Chemical compound CCCCCC1=CC=CC(C(C)(C)CC=2C(=C(CC(C)(C)C=3C(=C(CCCCC)C=CC=3)CCCCC)C(O)=CC=2)CC(C)(C)C=2C(=C(CCCCC)C=CC=2)CCCCC)=C1CCCCC VSVSYAZAWPCXIW-UHFFFAOYSA-N 0.000 description 1
- HLWGDSMKQQFLNT-UHFFFAOYSA-N 2,3,4-tris[2-(2,3-dipentylphenyl)propyl]phenol Chemical compound CCCCCC1=CC=CC(C(C)CC=2C(=C(CC(C)C=3C(=C(CCCCC)C=CC=3)CCCCC)C(O)=CC=2)CC(C)C=2C(=C(CCCCC)C=CC=2)CCCCC)=C1CCCCC HLWGDSMKQQFLNT-UHFFFAOYSA-N 0.000 description 1
- YMKSLIONDGUTKR-UHFFFAOYSA-N 2,3,4-tris[2-(2,3-dipropylphenyl)-2-methylpropyl]phenol Chemical compound CCCC1=CC=CC(C(C)(C)CC=2C(=C(CC(C)(C)C=3C(=C(CCC)C=CC=3)CCC)C(O)=CC=2)CC(C)(C)C=2C(=C(CCC)C=CC=2)CCC)=C1CCC YMKSLIONDGUTKR-UHFFFAOYSA-N 0.000 description 1
- MWBBZUZUJJHFRA-UHFFFAOYSA-N 2,3,4-tris[2-(2,3-dipropylphenyl)propyl]phenol Chemical compound CCCC1=CC=CC(C(C)CC=2C(=C(CC(C)C=3C(=C(CCC)C=CC=3)CCC)C(O)=CC=2)CC(C)C=2C(=C(CCC)C=CC=2)CCC)=C1CCC MWBBZUZUJJHFRA-UHFFFAOYSA-N 0.000 description 1
- IEEZCHGCOZOVGL-UHFFFAOYSA-N 2,3,4-tris[2-(2-butylphenoxy)-2-methylpropyl]phenol Chemical compound CCCCC1=CC=CC=C1OC(C)(C)CC1=CC=C(O)C(CC(C)(C)OC=2C(=CC=CC=2)CCCC)=C1CC(C)(C)OC1=CC=CC=C1CCCC IEEZCHGCOZOVGL-UHFFFAOYSA-N 0.000 description 1
- ZVPXIQSOSXMNEJ-UHFFFAOYSA-N 2,3,4-tris[2-(2-butylphenoxy)propyl]phenol Chemical compound CCCCC1=CC=CC=C1OC(C)CC1=CC=C(O)C(CC(C)OC=2C(=CC=CC=2)CCCC)=C1CC(C)OC1=CC=CC=C1CCCC ZVPXIQSOSXMNEJ-UHFFFAOYSA-N 0.000 description 1
- FCGAILIYPDPFKO-UHFFFAOYSA-N 2,3,4-tris[2-(2-butylphenyl)-2-methylpropyl]phenol Chemical compound CCCCC1=CC=CC=C1C(C)(C)CC1=CC=C(O)C(CC(C)(C)C=2C(=CC=CC=2)CCCC)=C1CC(C)(C)C1=CC=CC=C1CCCC FCGAILIYPDPFKO-UHFFFAOYSA-N 0.000 description 1
- LOYFSBBYIUCWCW-UHFFFAOYSA-N 2,3,4-tris[2-(2-butylphenyl)propyl]phenol Chemical compound CCCCC1=CC=CC=C1C(C)CC1=CC=C(O)C(CC(C)C=2C(=CC=CC=2)CCCC)=C1CC(C)C1=CC=CC=C1CCCC LOYFSBBYIUCWCW-UHFFFAOYSA-N 0.000 description 1
- SSQOQJVQWSJDDC-UHFFFAOYSA-N 2,3,4-tris[2-(2-decylphenoxy)-2-methylpropyl]phenol Chemical compound CCCCCCCCCCC1=CC=CC=C1OC(C)(C)CC1=CC=C(O)C(CC(C)(C)OC=2C(=CC=CC=2)CCCCCCCCCC)=C1CC(C)(C)OC1=CC=CC=C1CCCCCCCCCC SSQOQJVQWSJDDC-UHFFFAOYSA-N 0.000 description 1
- PXQDLYPXFPTQRZ-UHFFFAOYSA-N 2,3,4-tris[2-(2-decylphenoxy)propyl]phenol Chemical compound CCCCCCCCCCC1=CC=CC=C1OC(C)CC1=CC=C(O)C(CC(C)OC=2C(=CC=CC=2)CCCCCCCCCC)=C1CC(C)OC1=CC=CC=C1CCCCCCCCCC PXQDLYPXFPTQRZ-UHFFFAOYSA-N 0.000 description 1
- RATAWVUCCFVBSH-UHFFFAOYSA-N 2,3,4-tris[2-(2-decylphenyl)-2-methylpropyl]phenol Chemical compound CCCCCCCCCCC1=CC=CC=C1C(C)(C)CC1=CC=C(O)C(CC(C)(C)C=2C(=CC=CC=2)CCCCCCCCCC)=C1CC(C)(C)C1=CC=CC=C1CCCCCCCCCC RATAWVUCCFVBSH-UHFFFAOYSA-N 0.000 description 1
- PBEAFERUCHEOLT-UHFFFAOYSA-N 2,3,4-tris[2-(2-decylphenyl)propyl]phenol Chemical compound CCCCCCCCCCC1=CC=CC=C1C(C)CC1=CC=C(O)C(CC(C)C=2C(=CC=CC=2)CCCCCCCCCC)=C1CC(C)C1=CC=CC=C1CCCCCCCCCC PBEAFERUCHEOLT-UHFFFAOYSA-N 0.000 description 1
- OAJJGKGXSKEGMG-UHFFFAOYSA-N 2,3,4-tris[2-(2-ethylphenoxy)-2-methylpropyl]phenol Chemical compound CCC1=CC=CC=C1OC(C)(C)CC1=CC=C(O)C(CC(C)(C)OC=2C(=CC=CC=2)CC)=C1CC(C)(C)OC1=CC=CC=C1CC OAJJGKGXSKEGMG-UHFFFAOYSA-N 0.000 description 1
- VJFNUSOIQLSLFR-UHFFFAOYSA-N 2,3,4-tris[2-(2-ethylphenoxy)propyl]phenol Chemical compound CCC1=CC=CC=C1OC(C)CC1=CC=C(O)C(CC(C)OC=2C(=CC=CC=2)CC)=C1CC(C)OC1=CC=CC=C1CC VJFNUSOIQLSLFR-UHFFFAOYSA-N 0.000 description 1
- MAINBNYYSUUAGM-UHFFFAOYSA-N 2,3,4-tris[2-(2-ethylphenyl)-2-methylpropyl]phenol Chemical compound CCC1=CC=CC=C1C(C)(C)CC1=CC=C(O)C(CC(C)(C)C=2C(=CC=CC=2)CC)=C1CC(C)(C)C1=CC=CC=C1CC MAINBNYYSUUAGM-UHFFFAOYSA-N 0.000 description 1
- SQQBDKXCIMQJIB-UHFFFAOYSA-N 2,3,4-tris[2-(2-ethylphenyl)propyl]phenol Chemical compound CCC1=CC=CC=C1C(C)CC1=CC=C(O)C(CC(C)C=2C(=CC=CC=2)CC)=C1CC(C)C1=CC=CC=C1CC SQQBDKXCIMQJIB-UHFFFAOYSA-N 0.000 description 1
- FIGHHMFTKJNMTQ-UHFFFAOYSA-N 2,3,4-tris[2-(2-heptylphenoxy)-2-methylpropyl]phenol Chemical compound CCCCCCCC1=CC=CC=C1OC(C)(C)CC1=CC=C(O)C(CC(C)(C)OC=2C(=CC=CC=2)CCCCCCC)=C1CC(C)(C)OC1=CC=CC=C1CCCCCCC FIGHHMFTKJNMTQ-UHFFFAOYSA-N 0.000 description 1
- FIACXWXOWSBKHW-UHFFFAOYSA-N 2,3,4-tris[2-(2-heptylphenoxy)propyl]phenol Chemical compound CCCCCCCC1=CC=CC=C1OC(C)CC1=CC=C(O)C(CC(C)OC=2C(=CC=CC=2)CCCCCCC)=C1CC(C)OC1=CC=CC=C1CCCCCCC FIACXWXOWSBKHW-UHFFFAOYSA-N 0.000 description 1
- NJBSMWUOSIBRPP-UHFFFAOYSA-N 2,3,4-tris[2-(2-heptylphenyl)-2-methylpropyl]phenol Chemical compound CCCCCCCC1=CC=CC=C1C(C)(C)CC1=CC=C(O)C(CC(C)(C)C=2C(=CC=CC=2)CCCCCCC)=C1CC(C)(C)C1=CC=CC=C1CCCCCCC NJBSMWUOSIBRPP-UHFFFAOYSA-N 0.000 description 1
- VGDHIHSWRNJBGN-UHFFFAOYSA-N 2,3,4-tris[2-(2-hexylphenoxy)-2-methylpropyl]phenol Chemical compound CCCCCCC1=CC=CC=C1OC(C)(C)CC1=CC=C(O)C(CC(C)(C)OC=2C(=CC=CC=2)CCCCCC)=C1CC(C)(C)OC1=CC=CC=C1CCCCCC VGDHIHSWRNJBGN-UHFFFAOYSA-N 0.000 description 1
- FRHQHMHSRMYIRH-UHFFFAOYSA-N 2,3,4-tris[2-(2-hexylphenoxy)propyl]phenol Chemical compound CCCCCCC1=CC=CC=C1OC(C)CC1=CC=C(O)C(CC(C)OC=2C(=CC=CC=2)CCCCCC)=C1CC(C)OC1=CC=CC=C1CCCCCC FRHQHMHSRMYIRH-UHFFFAOYSA-N 0.000 description 1
- YRBUQIWEAMRQDB-UHFFFAOYSA-N 2,3,4-tris[2-(2-hexylphenyl)-2-methylpropyl]phenol Chemical compound CCCCCCC1=CC=CC=C1C(C)(C)CC1=CC=C(O)C(CC(C)(C)C=2C(=CC=CC=2)CCCCCC)=C1CC(C)(C)C1=CC=CC=C1CCCCCC YRBUQIWEAMRQDB-UHFFFAOYSA-N 0.000 description 1
- PACPYFIDUXMJQI-UHFFFAOYSA-N 2,3,4-tris[2-(2-hexylphenyl)propyl]phenol Chemical compound CCCCCCC1=CC=CC=C1C(C)CC1=CC=C(O)C(CC(C)C=2C(=CC=CC=2)CCCCCC)=C1CC(C)C1=CC=CC=C1CCCCCC PACPYFIDUXMJQI-UHFFFAOYSA-N 0.000 description 1
- GRRIMNQKKCVEBR-UHFFFAOYSA-N 2,3,4-tris[2-(2-methylphenoxy)propyl]phenol Chemical compound C=1C=CC=C(C)C=1OC(C)CC(C=1CC(C)OC=2C(=CC=CC=2)C)=CC=C(O)C=1CC(C)OC1=CC=CC=C1C GRRIMNQKKCVEBR-UHFFFAOYSA-N 0.000 description 1
- IHIAIMYVXFUJGI-UHFFFAOYSA-N 2,3,4-tris[2-(2-methylphenyl)propyl]phenol Chemical compound C=1C=CC=C(C)C=1C(C)CC(C=1CC(C)C=2C(=CC=CC=2)C)=CC=C(O)C=1CC(C)C1=CC=CC=C1C IHIAIMYVXFUJGI-UHFFFAOYSA-N 0.000 description 1
- QKSKZGIXMGBGIW-UHFFFAOYSA-N 2,3,4-tris[2-(2-nonylphenoxy)propyl]phenol Chemical compound CCCCCCCCCC1=CC=CC=C1OC(C)CC1=CC=C(O)C(CC(C)OC=2C(=CC=CC=2)CCCCCCCCC)=C1CC(C)OC1=CC=CC=C1CCCCCCCCC QKSKZGIXMGBGIW-UHFFFAOYSA-N 0.000 description 1
- ATCAFXDAYCNZMP-UHFFFAOYSA-N 2,3,4-tris[2-(2-nonylphenyl)propyl]phenol Chemical compound CCCCCCCCCC1=CC=CC=C1C(C)CC1=CC=C(O)C(CC(C)C=2C(=CC=CC=2)CCCCCCCCC)=C1CC(C)C1=CC=CC=C1CCCCCCCCC ATCAFXDAYCNZMP-UHFFFAOYSA-N 0.000 description 1
- BAVJKKZQBHJADF-UHFFFAOYSA-N 2,3,4-tris[2-(2-octylphenoxy)propyl]phenol Chemical compound CCCCCCCCC1=CC=CC=C1OC(C)CC1=CC=C(O)C(CC(C)OC=2C(=CC=CC=2)CCCCCCCC)=C1CC(C)OC1=CC=CC=C1CCCCCCCC BAVJKKZQBHJADF-UHFFFAOYSA-N 0.000 description 1
- HDGDGDSZYUYXSQ-UHFFFAOYSA-N 2,3,4-tris[2-(2-octylphenyl)propyl]phenol Chemical compound CCCCCCCCC1=CC=CC=C1C(C)CC1=CC=C(O)C(CC(C)C=2C(=CC=CC=2)CCCCCCCC)=C1CC(C)C1=CC=CC=C1CCCCCCCC HDGDGDSZYUYXSQ-UHFFFAOYSA-N 0.000 description 1
- BRXSBCHHENPAOM-UHFFFAOYSA-N 2,3,4-tris[2-(2-pentylphenoxy)propyl]phenol Chemical compound CCCCCC1=CC=CC=C1OC(C)CC1=CC=C(O)C(CC(C)OC=2C(=CC=CC=2)CCCCC)=C1CC(C)OC1=CC=CC=C1CCCCC BRXSBCHHENPAOM-UHFFFAOYSA-N 0.000 description 1
- MFOFPAPSYZKEED-UHFFFAOYSA-N 2,3,4-tris[2-(2-pentylphenyl)propyl]phenol Chemical compound CCCCCC1=CC=CC=C1C(C)CC1=CC=C(O)C(CC(C)C=2C(=CC=CC=2)CCCCC)=C1CC(C)C1=CC=CC=C1CCCCC MFOFPAPSYZKEED-UHFFFAOYSA-N 0.000 description 1
- RBWMIYGKKRDGKJ-UHFFFAOYSA-N 2,3,4-tris[2-(2-phenylethoxy)propyl]phenol Chemical compound C=1C=CC=CC=1CCOC(C)CC(C=1CC(C)OCCC=2C=CC=CC=2)=CC=C(O)C=1CC(C)OCCC1=CC=CC=C1 RBWMIYGKKRDGKJ-UHFFFAOYSA-N 0.000 description 1
- VUQRCEUHJLEENF-UHFFFAOYSA-N 2,3,4-tris[2-(2-phenylphenoxy)propyl]phenol Chemical compound C=1C=CC=C(C=2C=CC=CC=2)C=1OC(C)CC(C=1CC(C)OC=2C(=CC=CC=2)C=2C=CC=CC=2)=CC=C(O)C=1CC(C)OC1=CC=CC=C1C1=CC=CC=C1 VUQRCEUHJLEENF-UHFFFAOYSA-N 0.000 description 1
- ACCPFSALVHVATP-UHFFFAOYSA-N 2,3,4-tris[2-(2-propylphenoxy)propyl]phenol Chemical compound CCCC1=CC=CC=C1OC(C)CC1=CC=C(O)C(CC(C)OC=2C(=CC=CC=2)CCC)=C1CC(C)OC1=CC=CC=C1CCC ACCPFSALVHVATP-UHFFFAOYSA-N 0.000 description 1
- CYFPBGKCDSXSPU-UHFFFAOYSA-N 2,3,4-tris[2-(2-propylphenyl)propyl]phenol Chemical compound CCCC1=CC=CC=C1C(C)CC1=CC=C(O)C(CC(C)C=2C(=CC=CC=2)CCC)=C1CC(C)C1=CC=CC=C1CCC CYFPBGKCDSXSPU-UHFFFAOYSA-N 0.000 description 1
- AJQFVIKSQSJAAZ-UHFFFAOYSA-N 2,3,4-tris[2-(3-phenylpropoxy)propyl]phenol Chemical compound C=1C=CC=CC=1CCCOC(C)CC(C=1CC(C)OCCCC=2C=CC=CC=2)=CC=C(O)C=1CC(C)OCCCC1=CC=CC=C1 AJQFVIKSQSJAAZ-UHFFFAOYSA-N 0.000 description 1
- KHEBCKCCJYGKRZ-UHFFFAOYSA-N 2,3,4-tris[2-(4-phenylbutoxy)propyl]phenol Chemical compound C=1C=CC=CC=1CCCCOC(C)CC(C=1CC(C)OCCCCC=2C=CC=CC=2)=CC=C(O)C=1CC(C)OCCCCC1=CC=CC=C1 KHEBCKCCJYGKRZ-UHFFFAOYSA-N 0.000 description 1
- GNQMUVMNDPWZQY-UHFFFAOYSA-N 2,3,4-tris[2-(5-phenylpentoxy)propyl]phenol Chemical compound C=1C=CC=CC=1CCCCCOC(C)CC(C=1CC(C)OCCCCCC=2C=CC=CC=2)=CC=C(O)C=1CC(C)OCCCCCC1=CC=CC=C1 GNQMUVMNDPWZQY-UHFFFAOYSA-N 0.000 description 1
- FYCNBLMEFAPWGZ-UHFFFAOYSA-N 2,3,4-tris[2-(6-phenylhexoxy)propyl]phenol Chemical compound C=1C=CC=CC=1CCCCCCOC(C)CC(C=1CC(C)OCCCCCCC=2C=CC=CC=2)=CC=C(O)C=1CC(C)OCCCCCCC1=CC=CC=C1 FYCNBLMEFAPWGZ-UHFFFAOYSA-N 0.000 description 1
- LJDUSAHTORRRCZ-UHFFFAOYSA-N 2,3,4-tris[2-(7-phenylheptoxy)propyl]phenol Chemical compound C=1C=CC=CC=1CCCCCCCOC(C)CC(C=1CC(C)OCCCCCCCC=2C=CC=CC=2)=CC=C(O)C=1CC(C)OCCCCCCCC1=CC=CC=C1 LJDUSAHTORRRCZ-UHFFFAOYSA-N 0.000 description 1
- SSVJOEIHLHMSFC-UHFFFAOYSA-N 2,3,4-tris[2-(8-phenyloctoxy)propyl]phenol Chemical compound C=1C=CC=CC=1CCCCCCCCOC(C)CC(C=1CC(C)OCCCCCCCCC=2C=CC=CC=2)=CC=C(O)C=1CC(C)OCCCCCCCCC1=CC=CC=C1 SSVJOEIHLHMSFC-UHFFFAOYSA-N 0.000 description 1
- WPCCDXRGRGKPLA-UHFFFAOYSA-N 2,3,4-tris[2-(9-phenylnonoxy)propyl]phenol Chemical compound C=1C=CC=CC=1CCCCCCCCCOC(C)CC(C=1CC(C)OCCCCCCCCCC=2C=CC=CC=2)=CC=C(O)C=1CC(C)OCCCCCCCCCC1=CC=CC=C1 WPCCDXRGRGKPLA-UHFFFAOYSA-N 0.000 description 1
- WWAWPMYOKJFBDH-UHFFFAOYSA-N 2,3,4-tris[2-methyl-2-(1,2,2-tributylcyclohexyl)oxypropyl]phenol Chemical compound CCCCC1(CCCC)CCCCC1(CCCC)OC(C)(C)CC1=CC=C(O)C(CC(C)(C)OC2(CCCC)C(CCCC2)(CCCC)CCCC)=C1CC(C)(C)OC1(CCCC)C(CCCC)(CCCC)CCCC1 WWAWPMYOKJFBDH-UHFFFAOYSA-N 0.000 description 1
- DCEVYQORCJVPRF-UHFFFAOYSA-N 2,3,4-tris[2-methyl-2-(1,2,2-trimethylcyclohexyl)oxypropyl]phenol Chemical compound C1CCCC(C)(C)C1(C)OC(C)(C)CC(C=1CC(C)(C)OC2(C)C(CCCC2)(C)C)=CC=C(O)C=1CC(C)(C)OC1(C)CCCCC1(C)C DCEVYQORCJVPRF-UHFFFAOYSA-N 0.000 description 1
- DMBODDUHEGYDGI-UHFFFAOYSA-N 2,3,4-tris[2-methyl-2-(1-methylcyclohexyl)oxypropyl]phenol Chemical compound C1CCCCC1(C)OC(C)(C)CC(C=1CC(C)(C)OC2(C)CCCCC2)=CC=C(O)C=1CC(C)(C)OC1(C)CCCCC1 DMBODDUHEGYDGI-UHFFFAOYSA-N 0.000 description 1
- QVNRNURUDJHQKB-UHFFFAOYSA-N 2,3,4-tris[2-methyl-2-(1-methylcyclopentyl)oxypropyl]phenol Chemical compound C1CCCC1(C)OC(C)(C)CC(C=1CC(C)(C)OC2(C)CCCC2)=CC=C(O)C=1CC(C)(C)OC1(C)CCCC1 QVNRNURUDJHQKB-UHFFFAOYSA-N 0.000 description 1
- BVHBGAGKVXMHSQ-UHFFFAOYSA-N 2,3,4-tris[2-methyl-2-(1-pentylcyclohexyl)oxypropyl]phenol Chemical compound C=1C=C(O)C(CC(C)(C)OC2(CCCCC)CCCCC2)=C(CC(C)(C)OC2(CCCCC)CCCCC2)C=1CC(C)(C)OC1(CCCCC)CCCCC1 BVHBGAGKVXMHSQ-UHFFFAOYSA-N 0.000 description 1
- VGSGSCPONOVUGK-UHFFFAOYSA-N 2,3,4-tris[2-methyl-2-(1-propylcyclohexyl)oxypropyl]phenol Chemical compound C=1C=C(O)C(CC(C)(C)OC2(CCC)CCCCC2)=C(CC(C)(C)OC2(CCC)CCCCC2)C=1CC(C)(C)OC1(CCC)CCCCC1 VGSGSCPONOVUGK-UHFFFAOYSA-N 0.000 description 1
- XPABEPKAPSCLLN-UHFFFAOYSA-N 2,3,4-tris[2-methyl-2-(2,3,4-tributylphenyl)propyl]phenol Chemical compound CCCCC1=C(CCCC)C(CCCC)=CC=C1C(C)(C)CC1=CC=C(O)C(CC(C)(C)C=2C(=C(CCCC)C(CCCC)=CC=2)CCCC)=C1CC(C)(C)C1=CC=C(CCCC)C(CCCC)=C1CCCC XPABEPKAPSCLLN-UHFFFAOYSA-N 0.000 description 1
- KUSWDBHJFXTYDA-UHFFFAOYSA-N 2,3,4-tris[2-methyl-2-(2,3,4-triheptylphenoxy)propyl]phenol Chemical compound CCCCCCCC1=C(CCCCCCC)C(CCCCCCC)=CC=C1OC(C)(C)CC1=CC=C(O)C(CC(C)(C)OC=2C(=C(CCCCCCC)C(CCCCCCC)=CC=2)CCCCCCC)=C1CC(C)(C)OC1=CC=C(CCCCCCC)C(CCCCCCC)=C1CCCCCCC KUSWDBHJFXTYDA-UHFFFAOYSA-N 0.000 description 1
- CNDFJEIXCHQIEF-UHFFFAOYSA-N 2,3,4-tris[2-methyl-2-(2,3,4-trihexylphenoxy)propyl]phenol Chemical compound CCCCCCC1=C(CCCCCC)C(CCCCCC)=CC=C1OC(C)(C)CC1=CC=C(O)C(CC(C)(C)OC=2C(=C(CCCCCC)C(CCCCCC)=CC=2)CCCCCC)=C1CC(C)(C)OC1=CC=C(CCCCCC)C(CCCCCC)=C1CCCCCC CNDFJEIXCHQIEF-UHFFFAOYSA-N 0.000 description 1
- GTLUNPJRNJMPNK-UHFFFAOYSA-N 2,3,4-tris[2-methyl-2-(2,3,4-trimethylphenyl)propyl]phenol Chemical compound CC1=C(C)C(C)=CC=C1C(C)(C)CC1=CC=C(O)C(CC(C)(C)C=2C(=C(C)C(C)=CC=2)C)=C1CC(C)(C)C1=CC=C(C)C(C)=C1C GTLUNPJRNJMPNK-UHFFFAOYSA-N 0.000 description 1
- HJRYTOZQJIHPKV-UHFFFAOYSA-N 2,3,4-tris[2-methyl-2-(2,3,4-tripentylphenoxy)propyl]phenol Chemical compound CCCCCC1=C(CCCCC)C(CCCCC)=CC=C1OC(C)(C)CC1=CC=C(O)C(CC(C)(C)OC=2C(=C(CCCCC)C(CCCCC)=CC=2)CCCCC)=C1CC(C)(C)OC1=CC=C(CCCCC)C(CCCCC)=C1CCCCC HJRYTOZQJIHPKV-UHFFFAOYSA-N 0.000 description 1
- JXYAJQGIFYSDPB-UHFFFAOYSA-N 2,3,4-tris[2-methyl-2-(2,3,4-triphenylphenoxy)propyl]phenol Chemical compound C=1C=C(C=2C=CC=CC=2)C(C=2C=CC=CC=2)=C(C=2C=CC=CC=2)C=1OC(C)(C)CC(C=1CC(C)(C)OC=2C(=C(C=3C=CC=CC=3)C(C=3C=CC=CC=3)=CC=2)C=2C=CC=CC=2)=CC=C(O)C=1CC(C)(C)OC(C(=C1C=2C=CC=CC=2)C=2C=CC=CC=2)=CC=C1C1=CC=CC=C1 JXYAJQGIFYSDPB-UHFFFAOYSA-N 0.000 description 1
- CXNWUWAMLPFTNV-UHFFFAOYSA-N 2,3,4-tris[2-methyl-2-(2,3,4-tripropylphenyl)propyl]phenol Chemical compound CCCC1=C(CCC)C(CCC)=CC=C1C(C)(C)CC1=CC=C(O)C(CC(C)(C)C=2C(=C(CCC)C(CCC)=CC=2)CCC)=C1CC(C)(C)C1=CC=C(CCC)C(CCC)=C1CCC CXNWUWAMLPFTNV-UHFFFAOYSA-N 0.000 description 1
- SCHWHZRLTXMLQC-UHFFFAOYSA-N 2,3,4-tris[2-methyl-2-(2-methylphenoxy)propyl]phenol Chemical compound CC1=CC=CC=C1OC(C)(C)CC1=CC=C(O)C(CC(C)(C)OC=2C(=CC=CC=2)C)=C1CC(C)(C)OC1=CC=CC=C1C SCHWHZRLTXMLQC-UHFFFAOYSA-N 0.000 description 1
- VONJPWIDRBQFKC-UHFFFAOYSA-N 2,3,4-tris[2-methyl-2-(2-methylphenyl)propyl]phenol Chemical compound CC1=CC=CC=C1C(C)(C)CC1=CC=C(O)C(CC(C)(C)C=2C(=CC=CC=2)C)=C1CC(C)(C)C1=CC=CC=C1C VONJPWIDRBQFKC-UHFFFAOYSA-N 0.000 description 1
- SHDXSXDLWSMOFX-UHFFFAOYSA-N 2,3,4-tris[2-methyl-2-(2-nonylphenoxy)propyl]phenol Chemical compound CCCCCCCCCC1=CC=CC=C1OC(C)(C)CC1=CC=C(O)C(CC(C)(C)OC=2C(=CC=CC=2)CCCCCCCCC)=C1CC(C)(C)OC1=CC=CC=C1CCCCCCCCC SHDXSXDLWSMOFX-UHFFFAOYSA-N 0.000 description 1
- DZNKAKIIPCPBOI-UHFFFAOYSA-N 2,3,4-tris[2-methyl-2-(2-nonylphenyl)propyl]phenol Chemical compound CCCCCCCCCC1=CC=CC=C1C(C)(C)CC1=CC=C(O)C(CC(C)(C)C=2C(=CC=CC=2)CCCCCCCCC)=C1CC(C)(C)C1=CC=CC=C1CCCCCCCCC DZNKAKIIPCPBOI-UHFFFAOYSA-N 0.000 description 1
- SPPBROTUJJGNAK-UHFFFAOYSA-N 2,3,4-tris[2-methyl-2-(2-octylphenoxy)propyl]phenol Chemical compound CCCCCCCCC1=CC=CC=C1OC(C)(C)CC1=CC=C(O)C(CC(C)(C)OC=2C(=CC=CC=2)CCCCCCCC)=C1CC(C)(C)OC1=CC=CC=C1CCCCCCCC SPPBROTUJJGNAK-UHFFFAOYSA-N 0.000 description 1
- ICDNASRRFPRHKQ-UHFFFAOYSA-N 2,3,4-tris[2-methyl-2-(2-octylphenyl)propyl]phenol Chemical compound CCCCCCCCC1=CC=CC=C1C(C)(C)CC1=CC=C(O)C(CC(C)(C)C=2C(=CC=CC=2)CCCCCCCC)=C1CC(C)(C)C1=CC=CC=C1CCCCCCCC ICDNASRRFPRHKQ-UHFFFAOYSA-N 0.000 description 1
- ZLNIUEOSOQLUNJ-UHFFFAOYSA-N 2,3,4-tris[2-methyl-2-(2-pentylphenoxy)propyl]phenol Chemical compound CCCCCC1=CC=CC=C1OC(C)(C)CC1=CC=C(O)C(CC(C)(C)OC=2C(=CC=CC=2)CCCCC)=C1CC(C)(C)OC1=CC=CC=C1CCCCC ZLNIUEOSOQLUNJ-UHFFFAOYSA-N 0.000 description 1
- JVMUUONMUGLGCC-UHFFFAOYSA-N 2,3,4-tris[2-methyl-2-(2-pentylphenyl)propyl]phenol Chemical compound CCCCCC1=CC=CC=C1C(C)(C)CC1=CC=C(O)C(CC(C)(C)C=2C(=CC=CC=2)CCCCC)=C1CC(C)(C)C1=CC=CC=C1CCCCC JVMUUONMUGLGCC-UHFFFAOYSA-N 0.000 description 1
- MMWBXJUJOQSDPY-UHFFFAOYSA-N 2,3,4-tris[2-methyl-2-(2-phenylethoxy)propyl]phenol Chemical compound C=1C=CC=CC=1CCOC(C)(C)CC(C=1CC(C)(C)OCCC=2C=CC=CC=2)=CC=C(O)C=1CC(C)(C)OCCC1=CC=CC=C1 MMWBXJUJOQSDPY-UHFFFAOYSA-N 0.000 description 1
- DRHVVIYQRUOUDS-UHFFFAOYSA-N 2,3,4-tris[2-methyl-2-(2-phenylphenoxy)propyl]phenol Chemical compound C=1C=CC=C(C=2C=CC=CC=2)C=1OC(C)(C)CC(C=1CC(C)(C)OC=2C(=CC=CC=2)C=2C=CC=CC=2)=CC=C(O)C=1CC(C)(C)OC1=CC=CC=C1C1=CC=CC=C1 DRHVVIYQRUOUDS-UHFFFAOYSA-N 0.000 description 1
- KWHHJWZFWRZHAP-UHFFFAOYSA-N 2,3,4-tris[2-methyl-2-(2-propylphenoxy)propyl]phenol Chemical compound CCCC1=CC=CC=C1OC(C)(C)CC1=CC=C(O)C(CC(C)(C)OC=2C(=CC=CC=2)CCC)=C1CC(C)(C)OC1=CC=CC=C1CCC KWHHJWZFWRZHAP-UHFFFAOYSA-N 0.000 description 1
- KGDWPVDARMWHLB-UHFFFAOYSA-N 2,3,4-tris[2-methyl-2-(2-propylphenyl)propyl]phenol Chemical compound CCCC1=CC=CC=C1C(C)(C)CC1=CC=C(O)C(CC(C)(C)C=2C(=CC=CC=2)CCC)=C1CC(C)(C)C1=CC=CC=C1CCC KGDWPVDARMWHLB-UHFFFAOYSA-N 0.000 description 1
- XMAQDNQWDGCUAG-UHFFFAOYSA-N 2,3,4-tris[2-methyl-2-(3-phenylpropoxy)propyl]phenol Chemical compound C=1C=CC=CC=1CCCOC(C)(C)CC(C=1CC(C)(C)OCCCC=2C=CC=CC=2)=CC=C(O)C=1CC(C)(C)OCCCC1=CC=CC=C1 XMAQDNQWDGCUAG-UHFFFAOYSA-N 0.000 description 1
- CELFBHYVABQCIH-UHFFFAOYSA-N 2,3,4-tris[2-methyl-2-(4-phenylbutoxy)propyl]phenol Chemical compound C=1C=CC=CC=1CCCCOC(C)(C)CC(C=1CC(C)(C)OCCCCC=2C=CC=CC=2)=CC=C(O)C=1CC(C)(C)OCCCCC1=CC=CC=C1 CELFBHYVABQCIH-UHFFFAOYSA-N 0.000 description 1
- ZJRJFRXFYCSPDZ-UHFFFAOYSA-N 2,3,4-tris[2-methyl-2-(5-phenylpentoxy)propyl]phenol Chemical compound C=1C=CC=CC=1CCCCCOC(C)(C)CC(C=1CC(C)(C)OCCCCCC=2C=CC=CC=2)=CC=C(O)C=1CC(C)(C)OCCCCCC1=CC=CC=C1 ZJRJFRXFYCSPDZ-UHFFFAOYSA-N 0.000 description 1
- KHTBHJLQWGBJHY-UHFFFAOYSA-N 2,3,4-tris[2-methyl-2-(6-phenylhexoxy)propyl]phenol Chemical compound C=1C=CC=CC=1CCCCCCOC(C)(C)CC(C=1CC(C)(C)OCCCCCCC=2C=CC=CC=2)=CC=C(O)C=1CC(C)(C)OCCCCCCC1=CC=CC=C1 KHTBHJLQWGBJHY-UHFFFAOYSA-N 0.000 description 1
- KUCDRZPWMBQYAI-UHFFFAOYSA-N 2,3,4-tris[2-methyl-2-(7-phenylheptoxy)propyl]phenol Chemical compound C=1C=CC=CC=1CCCCCCCOC(C)(C)CC(C=1CC(C)(C)OCCCCCCCC=2C=CC=CC=2)=CC=C(O)C=1CC(C)(C)OCCCCCCCC1=CC=CC=C1 KUCDRZPWMBQYAI-UHFFFAOYSA-N 0.000 description 1
- JNJYMLZBKMAGEP-UHFFFAOYSA-N 2,3,4-tris[2-methyl-2-(8-phenyloctoxy)propyl]phenol Chemical compound C=1C=CC=CC=1CCCCCCCCOC(C)(C)CC(C=1CC(C)(C)OCCCCCCCCC=2C=CC=CC=2)=CC=C(O)C=1CC(C)(C)OCCCCCCCCC1=CC=CC=C1 JNJYMLZBKMAGEP-UHFFFAOYSA-N 0.000 description 1
- QIIQFIDNHLKDOF-UHFFFAOYSA-N 2,3,4-tris[2-methyl-2-(9-phenylnonoxy)propyl]phenol Chemical compound C=1C=CC=CC=1CCCCCCCCCOC(C)(C)CC(C=1CC(C)(C)OCCCCCCCCCC=2C=CC=CC=2)=CC=C(O)C=1CC(C)(C)OCCCCCCCCCC1=CC=CC=C1 QIIQFIDNHLKDOF-UHFFFAOYSA-N 0.000 description 1
- YTSLBFRBKJYAJV-UHFFFAOYSA-N 2,3,4-tris[di(nonyl)amino]phenol Chemical compound CCCCCCCCCN(CCCCCCCCC)C1=CC=C(O)C(N(CCCCCCCCC)CCCCCCCCC)=C1N(CCCCCCCCC)CCCCCCCCC YTSLBFRBKJYAJV-UHFFFAOYSA-N 0.000 description 1
- BKGXXFGCDUQSCH-UHFFFAOYSA-N 2,3,4-tritritylphenol Chemical compound C1(=CC=CC=C1)C(C1=CC=CC=C1)(C1=CC=CC=C1)C1=C(C(=C(C=C1)O)C(C1=CC=CC=C1)(C1=CC=CC=C1)C1=CC=CC=C1)C(C1=CC=CC=C1)(C1=CC=CC=C1)C1=CC=CC=C1 BKGXXFGCDUQSCH-UHFFFAOYSA-N 0.000 description 1
- CPUBJKAKEFJPNW-UHFFFAOYSA-N 2,3-bis(1-cyclohexyloxybutyl)phenol Chemical compound C=1C=CC(O)=C(C(CCC)OC2CCCCC2)C=1C(CCC)OC1CCCCC1 CPUBJKAKEFJPNW-UHFFFAOYSA-N 0.000 description 1
- GVLYLRMNRLBODI-UHFFFAOYSA-N 2,3-bis(1-cyclohexyloxyethyl)phenol Chemical compound C=1C=CC(O)=C(C(C)OC2CCCCC2)C=1C(C)OC1CCCCC1 GVLYLRMNRLBODI-UHFFFAOYSA-N 0.000 description 1
- XBFJLRYMQRWZGH-UHFFFAOYSA-N 2,3-bis(1-cyclohexyloxyheptyl)phenol Chemical compound C=1C=CC(O)=C(C(CCCCCC)OC2CCCCC2)C=1C(CCCCCC)OC1CCCCC1 XBFJLRYMQRWZGH-UHFFFAOYSA-N 0.000 description 1
- NLPUNRLMQUKGHD-UHFFFAOYSA-N 2,3-bis(1-cyclopentyloxyethyl)phenol Chemical compound C=1C=CC(O)=C(C(C)OC2CCCC2)C=1C(C)OC1CCCC1 NLPUNRLMQUKGHD-UHFFFAOYSA-N 0.000 description 1
- RSBGESALECTKOO-UHFFFAOYSA-N 2,3-bis(1-cyclopentyloxypropyl)phenol Chemical compound C=1C=CC(O)=C(C(CC)OC2CCCC2)C=1C(CC)OC1CCCC1 RSBGESALECTKOO-UHFFFAOYSA-N 0.000 description 1
- DQQIVDYKBXCIHV-UHFFFAOYSA-N 2,3-bis(1-phenoxybutyl)phenol Chemical compound C=1C=CC(O)=C(C(CCC)OC=2C=CC=CC=2)C=1C(CCC)OC1=CC=CC=C1 DQQIVDYKBXCIHV-UHFFFAOYSA-N 0.000 description 1
- IWBIEQOFJVCNRP-UHFFFAOYSA-N 2,3-bis(1-phenoxydecyl)phenol Chemical compound C=1C=CC(O)=C(C(CCCCCCCCC)OC=2C=CC=CC=2)C=1C(CCCCCCCCC)OC1=CC=CC=C1 IWBIEQOFJVCNRP-UHFFFAOYSA-N 0.000 description 1
- LKKLNVVBPFLOIN-UHFFFAOYSA-N 2,3-bis(1-phenoxynonyl)phenol Chemical compound C=1C=CC(O)=C(C(CCCCCCCC)OC=2C=CC=CC=2)C=1C(CCCCCCCC)OC1=CC=CC=C1 LKKLNVVBPFLOIN-UHFFFAOYSA-N 0.000 description 1
- MSSXRHKSKUQDBX-UHFFFAOYSA-N 2,3-bis(1-phenoxyoctyl)phenol Chemical compound C=1C=CC(O)=C(C(CCCCCCC)OC=2C=CC=CC=2)C=1C(CCCCCCC)OC1=CC=CC=C1 MSSXRHKSKUQDBX-UHFFFAOYSA-N 0.000 description 1
- BQQLSJHXXFGXAI-UHFFFAOYSA-N 2,3-bis(1-phenoxypentyl)phenol Chemical compound C=1C=CC(O)=C(C(CCCC)OC=2C=CC=CC=2)C=1C(CCCC)OC1=CC=CC=C1 BQQLSJHXXFGXAI-UHFFFAOYSA-N 0.000 description 1
- FHJUVHUFGUXNAB-UHFFFAOYSA-N 2,3-bis(2,3,4-triethylphenoxy)phenol Chemical compound CCC1=C(CC)C(CC)=CC=C1OC1=CC=CC(O)=C1OC1=CC=C(CC)C(CC)=C1CC FHJUVHUFGUXNAB-UHFFFAOYSA-N 0.000 description 1
- DVGWQMKMUSAYSC-UHFFFAOYSA-N 2,3-bis(2,3-diethylphenoxy)phenol Chemical compound CCC1=CC=CC(OC=2C(=C(O)C=CC=2)OC=2C(=C(CC)C=CC=2)CC)=C1CC DVGWQMKMUSAYSC-UHFFFAOYSA-N 0.000 description 1
- XZAQSQPJTNZGHK-UHFFFAOYSA-N 2,3-bis(2,3-diheptylphenoxy)phenol Chemical compound CCCCCCCC1=CC=CC(OC=2C(=C(O)C=CC=2)OC=2C(=C(CCCCCCC)C=CC=2)CCCCCCC)=C1CCCCCCC XZAQSQPJTNZGHK-UHFFFAOYSA-N 0.000 description 1
- JLBMGYGCMKOYCD-UHFFFAOYSA-N 2,3-bis(2,3-dihexylphenoxy)phenol Chemical compound CCCCCCC1=CC=CC(OC=2C(=C(O)C=CC=2)OC=2C(=C(CCCCCC)C=CC=2)CCCCCC)=C1CCCCCC JLBMGYGCMKOYCD-UHFFFAOYSA-N 0.000 description 1
- NTDYEPIMMGSNGH-UHFFFAOYSA-N 2,3-bis(2,3-dimethylphenoxy)phenol Chemical compound CC1=CC=CC(OC=2C(=C(O)C=CC=2)OC=2C(=C(C)C=CC=2)C)=C1C NTDYEPIMMGSNGH-UHFFFAOYSA-N 0.000 description 1
- ITNVXHOHONLWNC-UHFFFAOYSA-N 2,3-bis(2-butoxy-2-methylpropyl)phenol Chemical compound CCCCOC(C)(C)CC1=CC=CC(O)=C1CC(C)(C)OCCCC ITNVXHOHONLWNC-UHFFFAOYSA-N 0.000 description 1
- FQVYRMZOIRSJQO-UHFFFAOYSA-N 2,3-bis(2-butoxypropyl)phenol Chemical compound CCCCOC(C)CC1=CC=CC(O)=C1CC(C)OCCCC FQVYRMZOIRSJQO-UHFFFAOYSA-N 0.000 description 1
- NPZQSCJCRZVJMG-UHFFFAOYSA-N 2,3-bis(2-butylphenoxy)phenol Chemical compound CCCCC1=CC=CC=C1OC1=CC=CC(O)=C1OC1=CC=CC=C1CCCC NPZQSCJCRZVJMG-UHFFFAOYSA-N 0.000 description 1
- KJTLQBVTGZMPMW-UHFFFAOYSA-N 2,3-bis(2-cyclohexyloxy-2-methylpropyl)phenol Chemical compound C1CCCCC1OC(C)(C)CC1=CC=CC(O)=C1CC(C)(C)OC1CCCCC1 KJTLQBVTGZMPMW-UHFFFAOYSA-N 0.000 description 1
- AWPMDUYNYQCJJJ-UHFFFAOYSA-N 2,3-bis(2-cyclohexyloxypropyl)phenol Chemical compound C1CCCCC1OC(C)CC1=CC=CC(O)=C1CC(C)OC1CCCCC1 AWPMDUYNYQCJJJ-UHFFFAOYSA-N 0.000 description 1
- XAAYZZRRTAFRDI-UHFFFAOYSA-N 2,3-bis(2-cyclooctyloxy-2-methylpropyl)phenol Chemical compound C1CCCCCCC1OC(C)(C)CC1=CC=CC(O)=C1CC(C)(C)OC1CCCCCCC1 XAAYZZRRTAFRDI-UHFFFAOYSA-N 0.000 description 1
- RTEBKLLEDWAEGN-UHFFFAOYSA-N 2,3-bis(2-cyclooctyloxypropyl)phenol Chemical compound C1CCCCCCC1OC(C)CC1=CC=CC(O)=C1CC(C)OC1CCCCCCC1 RTEBKLLEDWAEGN-UHFFFAOYSA-N 0.000 description 1
- RJYBDFSLBJZOMJ-UHFFFAOYSA-N 2,3-bis(2-cyclopentyloxy-2-methylpropyl)phenol Chemical compound C1CCCC1OC(C)(C)CC1=CC=CC(O)=C1CC(C)(C)OC1CCCC1 RJYBDFSLBJZOMJ-UHFFFAOYSA-N 0.000 description 1
- HXCKQKVTSPVJAW-UHFFFAOYSA-N 2,3-bis(2-cyclopentyloxypropyl)phenol Chemical compound C1CCCC1OC(C)CC1=CC=CC(O)=C1CC(C)OC1CCCC1 HXCKQKVTSPVJAW-UHFFFAOYSA-N 0.000 description 1
- VSOBQWCZGCKHEB-UHFFFAOYSA-N 2,3-bis(2-decoxy-2-methylpropyl)phenol Chemical compound CCCCCCCCCCOC(C)(C)CC1=CC=CC(O)=C1CC(C)(C)OCCCCCCCCCC VSOBQWCZGCKHEB-UHFFFAOYSA-N 0.000 description 1
- NBVGYEMEJXEFPV-UHFFFAOYSA-N 2,3-bis(2-decoxypropyl)phenol Chemical compound CCCCCCCCCCOC(C)CC1=CC=CC(O)=C1CC(C)OCCCCCCCCCC NBVGYEMEJXEFPV-UHFFFAOYSA-N 0.000 description 1
- VRDTZXHMKPYSLH-UHFFFAOYSA-N 2,3-bis(2-dodecoxy-2-methylpropyl)phenol Chemical compound CCCCCCCCCCCCOC(C)(C)CC1=CC=CC(O)=C1CC(C)(C)OCCCCCCCCCCCC VRDTZXHMKPYSLH-UHFFFAOYSA-N 0.000 description 1
- MUKIKQMQDKGWBR-UHFFFAOYSA-N 2,3-bis(2-dodecoxypropyl)phenol Chemical compound CCCCCCCCCCCCOC(C)CC1=CC=CC(O)=C1CC(C)OCCCCCCCCCCCC MUKIKQMQDKGWBR-UHFFFAOYSA-N 0.000 description 1
- DCOPDTBCJKICFY-UHFFFAOYSA-N 2,3-bis(2-ethoxy-2-methylpropyl)phenol Chemical compound CCOC(C)(C)CC1=CC=CC(O)=C1CC(C)(C)OCC DCOPDTBCJKICFY-UHFFFAOYSA-N 0.000 description 1
- QHKBDUAMICMJMK-UHFFFAOYSA-N 2,3-bis(2-ethoxypropyl)phenol Chemical compound CCOC(C)CC1=CC=CC(O)=C1CC(C)OCC QHKBDUAMICMJMK-UHFFFAOYSA-N 0.000 description 1
- HKIIZQQPGFYEPG-UHFFFAOYSA-N 2,3-bis(2-heptoxy-2-methylpropyl)phenol Chemical compound CCCCCCCOC(C)(C)CC1=CC=CC(O)=C1CC(C)(C)OCCCCCCC HKIIZQQPGFYEPG-UHFFFAOYSA-N 0.000 description 1
- MADUGQCWIKXSFW-UHFFFAOYSA-N 2,3-bis(2-heptoxypropyl)phenol Chemical compound CCCCCCCOC(C)CC1=CC=CC(O)=C1CC(C)OCCCCCCC MADUGQCWIKXSFW-UHFFFAOYSA-N 0.000 description 1
- ZGCYPNQNHZQWNR-UHFFFAOYSA-N 2,3-bis(2-heptylphenoxy)phenol Chemical compound CCCCCCCC1=CC=CC=C1OC1=CC=CC(O)=C1OC1=CC=CC=C1CCCCCCC ZGCYPNQNHZQWNR-UHFFFAOYSA-N 0.000 description 1
- UPZLKXKWQQLYIW-UHFFFAOYSA-N 2,3-bis(2-hexoxy-2-methylpropyl)phenol Chemical compound CCCCCCOC(C)(C)CC1=CC=CC(O)=C1CC(C)(C)OCCCCCC UPZLKXKWQQLYIW-UHFFFAOYSA-N 0.000 description 1
- NYANRJSRPBIKDC-UHFFFAOYSA-N 2,3-bis(2-hexoxypropyl)phenol Chemical compound CCCCCCOC(C)CC1=CC=CC(O)=C1CC(C)OCCCCCC NYANRJSRPBIKDC-UHFFFAOYSA-N 0.000 description 1
- YUVZXNOBURWZJO-UHFFFAOYSA-N 2,3-bis(2-hexylphenoxy)phenol Chemical compound CCCCCCC1=CC=CC=C1OC1=CC=CC(O)=C1OC1=CC=CC=C1CCCCCC YUVZXNOBURWZJO-UHFFFAOYSA-N 0.000 description 1
- KAVGMDBHHJXMCY-UHFFFAOYSA-N 2,3-bis(2-methoxy-2-methylpropyl)phenol Chemical compound COC(C)(C)CC1=CC=CC(O)=C1CC(C)(C)OC KAVGMDBHHJXMCY-UHFFFAOYSA-N 0.000 description 1
- WGDWWRWCEHRFPE-UHFFFAOYSA-N 2,3-bis(2-methoxypropyl)phenol Chemical compound COC(C)CC1=CC=CC(O)=C1CC(C)OC WGDWWRWCEHRFPE-UHFFFAOYSA-N 0.000 description 1
- YADJUTVOBBYOMK-UHFFFAOYSA-N 2,3-bis(2-methyl-2-nonoxypropyl)phenol Chemical compound CCCCCCCCCOC(C)(C)CC1=CC=CC(O)=C1CC(C)(C)OCCCCCCCCC YADJUTVOBBYOMK-UHFFFAOYSA-N 0.000 description 1
- YHERWGOVOLURJP-UHFFFAOYSA-N 2,3-bis(2-methyl-2-octadecoxypropyl)phenol Chemical compound CCCCCCCCCCCCCCCCCCOC(C)(C)CC1=CC=CC(O)=C1CC(C)(C)OCCCCCCCCCCCCCCCCCC YHERWGOVOLURJP-UHFFFAOYSA-N 0.000 description 1
- DCFQIJYYMCKWKE-UHFFFAOYSA-N 2,3-bis(2-methyl-2-octoxypropyl)phenol Chemical compound CCCCCCCCOC(C)(C)CC1=CC=CC(O)=C1CC(C)(C)OCCCCCCCC DCFQIJYYMCKWKE-UHFFFAOYSA-N 0.000 description 1
- VHZURJHGWSTPBH-UHFFFAOYSA-N 2,3-bis(2-methyl-2-pentoxypropyl)phenol Chemical compound CCCCCOC(C)(C)CC1=CC=CC(O)=C1CC(C)(C)OCCCCC VHZURJHGWSTPBH-UHFFFAOYSA-N 0.000 description 1
- DKMNCJVTSJSOOS-UHFFFAOYSA-N 2,3-bis(2-methyl-2-phenoxypropyl)phenol Chemical compound C=1C=CC=CC=1OC(C)(C)CC1=CC=CC(O)=C1CC(C)(C)OC1=CC=CC=C1 DKMNCJVTSJSOOS-UHFFFAOYSA-N 0.000 description 1
- PTUVJNMYYKROLD-UHFFFAOYSA-N 2,3-bis(2-methyl-2-phenylmethoxypropyl)phenol Chemical compound C=1C=CC=CC=1COC(C)(C)CC1=CC=CC(O)=C1CC(C)(C)OCC1=CC=CC=C1 PTUVJNMYYKROLD-UHFFFAOYSA-N 0.000 description 1
- PODPMXZHZVZFHM-UHFFFAOYSA-N 2,3-bis(2-methyl-2-phenylpropyl)phenol Chemical compound C=1C=CC=CC=1C(C)(C)CC1=CC=CC(O)=C1CC(C)(C)C1=CC=CC=C1 PODPMXZHZVZFHM-UHFFFAOYSA-N 0.000 description 1
- SWALKTRDBKLDIE-UHFFFAOYSA-N 2,3-bis(2-methyl-2-propoxypropyl)phenol Chemical compound CCCOC(C)(C)CC1=CC=CC(O)=C1CC(C)(C)OCCC SWALKTRDBKLDIE-UHFFFAOYSA-N 0.000 description 1
- GIYWVJUGJFEQCB-UHFFFAOYSA-N 2,3-bis(2-methylphenoxy)phenol Chemical compound CC1=CC=CC=C1OC1=CC=CC(O)=C1OC1=CC=CC=C1C GIYWVJUGJFEQCB-UHFFFAOYSA-N 0.000 description 1
- IHZHGXWZVUXJER-UHFFFAOYSA-N 2,3-bis(2-nonoxypropyl)phenol Chemical compound CCCCCCCCCOC(C)CC1=CC=CC(O)=C1CC(C)OCCCCCCCCC IHZHGXWZVUXJER-UHFFFAOYSA-N 0.000 description 1
- MEPUNFGVECKVOY-UHFFFAOYSA-N 2,3-bis(2-nonylphenoxy)phenol Chemical compound CCCCCCCCCC1=CC=CC=C1OC1=CC=CC(O)=C1OC1=CC=CC=C1CCCCCCCCC MEPUNFGVECKVOY-UHFFFAOYSA-N 0.000 description 1
- JNZKKKINBTUJGM-UHFFFAOYSA-N 2,3-bis(2-octadecoxypropyl)phenol Chemical compound CCCCCCCCCCCCCCCCCCOC(C)CC1=CC=CC(O)=C1CC(C)OCCCCCCCCCCCCCCCCCC JNZKKKINBTUJGM-UHFFFAOYSA-N 0.000 description 1
- HEZGHUZRLBMIEP-UHFFFAOYSA-N 2,3-bis(2-octoxypropyl)phenol Chemical compound CCCCCCCCOC(C)CC1=CC=CC(O)=C1CC(C)OCCCCCCCC HEZGHUZRLBMIEP-UHFFFAOYSA-N 0.000 description 1
- ZNCICFVONROIML-UHFFFAOYSA-N 2,3-bis(2-octylphenoxy)phenol Chemical compound CCCCCCCCC1=CC=CC=C1OC1=CC=CC(O)=C1OC1=CC=CC=C1CCCCCCCC ZNCICFVONROIML-UHFFFAOYSA-N 0.000 description 1
- ZFRGMQBSGFIHRI-UHFFFAOYSA-N 2,3-bis(2-pentoxypropyl)phenol Chemical compound CCCCCOC(C)CC1=CC=CC(O)=C1CC(C)OCCCCC ZFRGMQBSGFIHRI-UHFFFAOYSA-N 0.000 description 1
- VEFAFXZKDFTEST-UHFFFAOYSA-N 2,3-bis(2-pentylphenoxy)phenol Chemical compound CCCCCC1=CC=CC=C1OC1=CC=CC(O)=C1OC1=CC=CC=C1CCCCC VEFAFXZKDFTEST-UHFFFAOYSA-N 0.000 description 1
- BVSBAUAZOMNPIO-UHFFFAOYSA-N 2,3-bis(2-phenoxypropyl)phenol Chemical compound C=1C=CC=CC=1OC(C)CC1=CC=CC(O)=C1CC(C)OC1=CC=CC=C1 BVSBAUAZOMNPIO-UHFFFAOYSA-N 0.000 description 1
- NNMDTSAYRZKOJU-UHFFFAOYSA-N 2,3-bis(2-phenylethoxy)phenol Chemical compound C=1C=CC=CC=1CCOC=1C(O)=CC=CC=1OCCC1=CC=CC=C1 NNMDTSAYRZKOJU-UHFFFAOYSA-N 0.000 description 1
- DHVMUNUTYVCVPV-UHFFFAOYSA-N 2,3-bis(2-phenylethoxymethyl)phenol Chemical compound C=1C=CC=CC=1CCOCC=1C(O)=CC=CC=1COCCC1=CC=CC=C1 DHVMUNUTYVCVPV-UHFFFAOYSA-N 0.000 description 1
- LYGINEKKRAMHDW-UHFFFAOYSA-N 2,3-bis(2-phenylmethoxypropyl)phenol Chemical compound C=1C=CC=CC=1COC(C)CC1=CC=CC(O)=C1CC(C)OCC1=CC=CC=C1 LYGINEKKRAMHDW-UHFFFAOYSA-N 0.000 description 1
- ONGNZCDPHXUQQC-UHFFFAOYSA-N 2,3-bis(2-phenylpropyl)phenol Chemical compound C=1C=CC=CC=1C(C)CC1=CC=CC(O)=C1CC(C)C1=CC=CC=C1 ONGNZCDPHXUQQC-UHFFFAOYSA-N 0.000 description 1
- VDDLUGDOBDVVIK-UHFFFAOYSA-N 2,3-bis(2-propoxypropyl)phenol Chemical compound CCCOC(C)CC1=CC=CC(O)=C1CC(C)OCCC VDDLUGDOBDVVIK-UHFFFAOYSA-N 0.000 description 1
- UPHJOEUJUDJWRP-UHFFFAOYSA-N 2,3-bis(2-propylphenoxy)phenol Chemical compound CCCC1=CC=CC=C1OC1=CC=CC(O)=C1OC1=CC=CC=C1CCC UPHJOEUJUDJWRP-UHFFFAOYSA-N 0.000 description 1
- WPGIEDHJUPPZEG-UHFFFAOYSA-N 2,3-bis(3-phenylpropoxymethyl)phenol Chemical compound C=1C=CC=CC=1CCCOCC=1C(O)=CC=CC=1COCCCC1=CC=CC=C1 WPGIEDHJUPPZEG-UHFFFAOYSA-N 0.000 description 1
- NBKWBVCMAZAHJJ-UHFFFAOYSA-N 2,3-bis(5-phenoxynonan-5-yl)phenol Chemical compound C=1C=CC(O)=C(C(CCCC)(CCCC)OC=2C=CC=CC=2)C=1C(CCCC)(CCCC)OC1=CC=CC=C1 NBKWBVCMAZAHJJ-UHFFFAOYSA-N 0.000 description 1
- IASUTQDPJBYMMV-UHFFFAOYSA-N 2,3-bis(5-phenylpentoxymethyl)phenol Chemical compound C=1C=CC=CC=1CCCCCOCC=1C(O)=CC=CC=1COCCCCCC1=CC=CC=C1 IASUTQDPJBYMMV-UHFFFAOYSA-N 0.000 description 1
- JUUQHRYOICKVDG-UHFFFAOYSA-N 2,3-bis(8-phenoxypentadecan-8-yl)phenol Chemical compound C=1C=CC(O)=C(C(CCCCCCC)(CCCCCCC)OC=2C=CC=CC=2)C=1C(CCCCCCC)(CCCCCCC)OC1=CC=CC=C1 JUUQHRYOICKVDG-UHFFFAOYSA-N 0.000 description 1
- GHGQFSOEMZFNDH-UHFFFAOYSA-N 2,3-bis(8-phenyloctoxymethyl)phenol Chemical compound C=1C=CC=CC=1CCCCCCCCOCC=1C(O)=CC=CC=1COCCCCCCCCC1=CC=CC=C1 GHGQFSOEMZFNDH-UHFFFAOYSA-N 0.000 description 1
- YAYFBGJIFYKUJP-UHFFFAOYSA-N 2,3-bis(9-phenylnonoxymethyl)phenol Chemical compound C=1C=CC=CC=1CCCCCCCCCOCC=1C(O)=CC=CC=1COCCCCCCCCCC1=CC=CC=C1 YAYFBGJIFYKUJP-UHFFFAOYSA-N 0.000 description 1
- NHWKSVQLVWMCRI-UHFFFAOYSA-N 2,3-bis(butylamino)phenol Chemical compound CCCCNC1=CC=CC(O)=C1NCCCC NHWKSVQLVWMCRI-UHFFFAOYSA-N 0.000 description 1
- ZGGDAIIKKVLWRT-UHFFFAOYSA-N 2,3-bis(cycloheptyloxymethyl)phenol Chemical compound C1CCCCCC1OCC=1C(O)=CC=CC=1COC1CCCCCC1 ZGGDAIIKKVLWRT-UHFFFAOYSA-N 0.000 description 1
- OHPRKLGJCWRBDC-UHFFFAOYSA-N 2,3-bis(cyclopentyloxymethyl)phenol Chemical compound C1CCCC1OCC=1C(O)=CC=CC=1COC1CCCC1 OHPRKLGJCWRBDC-UHFFFAOYSA-N 0.000 description 1
- AOGCYWCCCKSCOF-UHFFFAOYSA-N 2,3-bis(decoxymethyl)phenol Chemical compound CCCCCCCCCCOCC1=CC=CC(O)=C1COCCCCCCCCCC AOGCYWCCCKSCOF-UHFFFAOYSA-N 0.000 description 1
- KYMOXLHVMORJMP-UHFFFAOYSA-N 2,3-bis(dibutylamino)phenol Chemical compound CCCCN(CCCC)C1=CC=CC(O)=C1N(CCCC)CCCC KYMOXLHVMORJMP-UHFFFAOYSA-N 0.000 description 1
- GODHCVXNTQVZSA-UHFFFAOYSA-N 2,3-bis(didodecylamino)phenol Chemical compound CCCCCCCCCCCCN(CCCCCCCCCCCC)C1=CC=CC(O)=C1N(CCCCCCCCCCCC)CCCCCCCCCCCC GODHCVXNTQVZSA-UHFFFAOYSA-N 0.000 description 1
- RQFIZWBYPPLITL-UHFFFAOYSA-N 2,3-bis(diethylamino)phenol Chemical compound CCN(CC)C1=CC=CC(O)=C1N(CC)CC RQFIZWBYPPLITL-UHFFFAOYSA-N 0.000 description 1
- ADELFWKOVYJXBI-UHFFFAOYSA-N 2,3-bis(diheptylamino)phenol Chemical compound CCCCCCCN(CCCCCCC)C1=CC=CC(O)=C1N(CCCCCCC)CCCCCCC ADELFWKOVYJXBI-UHFFFAOYSA-N 0.000 description 1
- JXKATFHBPVTDAO-UHFFFAOYSA-N 2,3-bis(dihexylamino)phenol Chemical compound CCCCCCN(CCCCCC)C1=CC=CC(O)=C1N(CCCCCC)CCCCCC JXKATFHBPVTDAO-UHFFFAOYSA-N 0.000 description 1
- QVQKXHWNDBPYOM-UHFFFAOYSA-N 2,3-bis(dimethylamino)phenol Chemical compound CN(C)C1=CC=CC(O)=C1N(C)C QVQKXHWNDBPYOM-UHFFFAOYSA-N 0.000 description 1
- HZNFLEFIGQSCKE-UHFFFAOYSA-N 2,3-bis(dioctadecylamino)phenol Chemical compound CCCCCCCCCCCCCCCCCCN(CCCCCCCCCCCCCCCCCC)C1=CC=CC(O)=C1N(CCCCCCCCCCCCCCCCCC)CCCCCCCCCCCCCCCCCC HZNFLEFIGQSCKE-UHFFFAOYSA-N 0.000 description 1
- PUFXVIVJXQKCJB-UHFFFAOYSA-N 2,3-bis(dioctylamino)phenol Chemical compound CCCCCCCCN(CCCCCCCC)C1=CC=CC(O)=C1N(CCCCCCCC)CCCCCCCC PUFXVIVJXQKCJB-UHFFFAOYSA-N 0.000 description 1
- DHBVYLXHKUBMGU-UHFFFAOYSA-N 2,3-bis(dipentylamino)phenol Chemical compound CCCCCN(CCCCC)C1=CC=CC(O)=C1N(CCCCC)CCCCC DHBVYLXHKUBMGU-UHFFFAOYSA-N 0.000 description 1
- NQBUVBHNOMNPRG-UHFFFAOYSA-N 2,3-bis(dipropylamino)phenol Chemical compound CCCN(CCC)C1=CC=CC(O)=C1N(CCC)CCC NQBUVBHNOMNPRG-UHFFFAOYSA-N 0.000 description 1
- PMOHTYKJMAEAQC-UHFFFAOYSA-N 2,3-bis(dodecoxymethyl)phenol Chemical class CCCCCCCCCCCCOCC1=CC=CC(O)=C1COCCCCCCCCCCCC PMOHTYKJMAEAQC-UHFFFAOYSA-N 0.000 description 1
- QBCOXNITRDHCNX-UHFFFAOYSA-N 2,3-bis(ethoxymethyl)phenol Chemical compound CCOCC1=CC=CC(O)=C1COCC QBCOXNITRDHCNX-UHFFFAOYSA-N 0.000 description 1
- DYFKHPGZHBOMAG-UHFFFAOYSA-N 2,3-bis(ethylamino)phenol Chemical compound CCNC1=CC=CC(O)=C1NCC DYFKHPGZHBOMAG-UHFFFAOYSA-N 0.000 description 1
- WKGMFPWQDZRKIH-UHFFFAOYSA-N 2,3-bis(heptoxymethyl)phenol Chemical compound CCCCCCCOCC1=CC=CC(O)=C1COCCCCCCC WKGMFPWQDZRKIH-UHFFFAOYSA-N 0.000 description 1
- LCYCZHVEVUZVFR-UHFFFAOYSA-N 2,3-bis(methylamino)phenol Chemical compound CNC1=CC=CC(O)=C1NC LCYCZHVEVUZVFR-UHFFFAOYSA-N 0.000 description 1
- YCWDVBMVUVFWJS-UHFFFAOYSA-N 2,3-bis(nonoxymethyl)phenol Chemical class CCCCCCCCCOCC1=CC=CC(O)=C1COCCCCCCCCC YCWDVBMVUVFWJS-UHFFFAOYSA-N 0.000 description 1
- NFFOWUSHWCVMFZ-UHFFFAOYSA-N 2,3-bis(octadecoxymethyl)phenol Chemical class CCCCCCCCCCCCCCCCCCOCC1=CC=CC(O)=C1COCCCCCCCCCCCCCCCCCC NFFOWUSHWCVMFZ-UHFFFAOYSA-N 0.000 description 1
- OHORSKMJLDDKOH-UHFFFAOYSA-N 2,3-bis(octadecylamino)phenol Chemical compound CCCCCCCCCCCCCCCCCCNC1=CC=CC(O)=C1NCCCCCCCCCCCCCCCCCC OHORSKMJLDDKOH-UHFFFAOYSA-N 0.000 description 1
- PARRIPATLDGRLT-UHFFFAOYSA-N 2,3-bis(octoxymethyl)phenol Chemical compound CCCCCCCCOCC1=CC=CC(O)=C1COCCCCCCCC PARRIPATLDGRLT-UHFFFAOYSA-N 0.000 description 1
- FKUVILRZSFPJNF-UHFFFAOYSA-N 2,3-bis(octylamino)phenol Chemical class CCCCCCCCNC1=CC=CC(O)=C1NCCCCCCCC FKUVILRZSFPJNF-UHFFFAOYSA-N 0.000 description 1
- UQUUWJKSSPNPBQ-UHFFFAOYSA-N 2,3-bis(pentoxymethyl)phenol Chemical compound CCCCCOCC1=CC=CC(O)=C1COCCCCC UQUUWJKSSPNPBQ-UHFFFAOYSA-N 0.000 description 1
- BERJJMZYSXQFEW-UHFFFAOYSA-N 2,3-bis(phenoxymethyl)phenol Chemical compound C=1C=CC=CC=1OCC=1C(O)=CC=CC=1COC1=CC=CC=C1 BERJJMZYSXQFEW-UHFFFAOYSA-N 0.000 description 1
- UKMPOLWIVGIZKU-UHFFFAOYSA-N 2,3-bis(propoxymethyl)phenol Chemical compound CCCOCC1=CC=CC(O)=C1COCCC UKMPOLWIVGIZKU-UHFFFAOYSA-N 0.000 description 1
- YTXZHKOTDGQSMT-UHFFFAOYSA-N 2,3-bis[(1-ethylcyclopentyl)oxy]phenol Chemical compound C=1C=CC(O)=C(OC2(CC)CCCC2)C=1OC1(CC)CCCC1 YTXZHKOTDGQSMT-UHFFFAOYSA-N 0.000 description 1
- UOKLUYVSQQGESM-UHFFFAOYSA-N 2,3-bis[(1-methylcyclohexyl)oxy]phenol Chemical compound C=1C=CC(O)=C(OC2(C)CCCCC2)C=1OC1(C)CCCCC1 UOKLUYVSQQGESM-UHFFFAOYSA-N 0.000 description 1
- AYAXPBWYKJYCMJ-UHFFFAOYSA-N 2,3-bis[(1-pentylcyclohexyl)oxy]phenol Chemical compound C=1C=CC(O)=C(OC2(CCCCC)CCCCC2)C=1OC1(CCCCC)CCCCC1 AYAXPBWYKJYCMJ-UHFFFAOYSA-N 0.000 description 1
- IERNSMLDXXNWDK-UHFFFAOYSA-N 2,3-bis[(2,3,4-tributylphenyl)methyl]phenol Chemical compound CCCCC1=C(CCCC)C(CCCC)=CC=C1CC1=CC=CC(O)=C1CC1=CC=C(CCCC)C(CCCC)=C1CCCC IERNSMLDXXNWDK-UHFFFAOYSA-N 0.000 description 1
- KFCXCDAGFZQFSG-UHFFFAOYSA-N 2,3-bis[(2,3,4-triethylphenoxy)methyl]phenol Chemical compound CCC1=C(CC)C(CC)=CC=C1OCC1=CC=CC(O)=C1COC1=CC=C(CC)C(CC)=C1CC KFCXCDAGFZQFSG-UHFFFAOYSA-N 0.000 description 1
- CUKVHSBWQVYKPH-UHFFFAOYSA-N 2,3-bis[(2,3,4-tripropylphenyl)methyl]phenol Chemical compound CCCC1=C(CCC)C(CCC)=CC=C1CC1=CC=CC(O)=C1CC1=CC=C(CCC)C(CCC)=C1CCC CUKVHSBWQVYKPH-UHFFFAOYSA-N 0.000 description 1
- BUGSYARYAYSPIA-UHFFFAOYSA-N 2,3-bis[(2,3-diethylphenyl)methyl]phenol Chemical compound CCC1=CC=CC(CC=2C(=C(O)C=CC=2)CC=2C(=C(CC)C=CC=2)CC)=C1CC BUGSYARYAYSPIA-UHFFFAOYSA-N 0.000 description 1
- LNTBRDMRVZBZFI-UHFFFAOYSA-N 2,3-bis[(2,3-dipentylphenyl)methyl]phenol Chemical compound CCCCCC1=CC=CC(CC=2C(=C(O)C=CC=2)CC=2C(=C(CCCCC)C=CC=2)CCCCC)=C1CCCCC LNTBRDMRVZBZFI-UHFFFAOYSA-N 0.000 description 1
- BDUYIKBMSAHSGJ-UHFFFAOYSA-N 2,3-bis[(2,3-dipropylphenyl)methyl]phenol Chemical compound CCCC1=CC=CC(CC=2C(=C(O)C=CC=2)CC=2C(=C(CCC)C=CC=2)CCC)=C1CCC BDUYIKBMSAHSGJ-UHFFFAOYSA-N 0.000 description 1
- VUODFLFPVASVTJ-UHFFFAOYSA-N 2,3-bis[(2-decylphenyl)methyl]phenol Chemical compound CCCCCCCCCCC1=CC=CC=C1CC1=CC=CC(O)=C1CC1=CC=CC=C1CCCCCCCCCC VUODFLFPVASVTJ-UHFFFAOYSA-N 0.000 description 1
- FMGMHRDVECUSMY-UHFFFAOYSA-N 2,3-bis[(2-ethylphenyl)methyl]phenol Chemical compound CCC1=CC=CC=C1CC1=CC=CC(O)=C1CC1=CC=CC=C1CC FMGMHRDVECUSMY-UHFFFAOYSA-N 0.000 description 1
- FRGBRDHFGJGILH-UHFFFAOYSA-N 2,3-bis[(2-heptylphenyl)methyl]phenol Chemical compound CCCCCCCC1=CC=CC=C1CC1=CC=CC(O)=C1CC1=CC=CC=C1CCCCCCC FRGBRDHFGJGILH-UHFFFAOYSA-N 0.000 description 1
- VZKJXIZYACEMTF-UHFFFAOYSA-N 2,3-bis[(2-hexylphenyl)methyl]phenol Chemical compound CCCCCCC1=CC=CC=C1CC1=CC=CC(O)=C1CC1=CC=CC=C1CCCCCC VZKJXIZYACEMTF-UHFFFAOYSA-N 0.000 description 1
- QDZVBDNEGQIOED-UHFFFAOYSA-N 2,3-bis[(2-nonylphenyl)methyl]phenol Chemical compound CCCCCCCCCC1=CC=CC=C1CC1=CC=CC(O)=C1CC1=CC=CC=C1CCCCCCCCC QDZVBDNEGQIOED-UHFFFAOYSA-N 0.000 description 1
- YZPCDDOEBIRPAR-UHFFFAOYSA-N 2,3-bis[(2-pentylphenyl)methyl]phenol Chemical compound CCCCCC1=CC=CC=C1CC1=CC=CC(O)=C1CC1=CC=CC=C1CCCCC YZPCDDOEBIRPAR-UHFFFAOYSA-N 0.000 description 1
- XUPNYTBYBSRVMT-UHFFFAOYSA-N 2,3-bis[(2-propylphenyl)methyl]phenol Chemical compound CCCC1=CC=CC=C1CC1=CC=CC(O)=C1CC1=CC=CC=C1CCC XUPNYTBYBSRVMT-UHFFFAOYSA-N 0.000 description 1
- UFMZGLFFJUTLPJ-UHFFFAOYSA-N 2,3-bis[(4,4-dibutylcyclohexyl)oxy]phenol Chemical compound C(CCC)C1(CCC(CC1)OC=1C(=C(C=CC1)O)OC1CCC(CC1)(CCCC)CCCC)CCCC UFMZGLFFJUTLPJ-UHFFFAOYSA-N 0.000 description 1
- YTZMJBUHYKWZMK-UHFFFAOYSA-N 2,3-bis[2-(1-butylcyclohexyl)oxy-2-methylpropyl]phenol Chemical compound C=1C=CC(O)=C(CC(C)(C)OC2(CCCC)CCCCC2)C=1CC(C)(C)OC1(CCCC)CCCCC1 YTZMJBUHYKWZMK-UHFFFAOYSA-N 0.000 description 1
- YQOFUEJDUZMXLG-UHFFFAOYSA-N 2,3-bis[2-(1-butylcyclohexyl)oxypropyl]phenol Chemical compound C=1C=CC(O)=C(CC(C)OC2(CCCC)CCCCC2)C=1CC(C)OC1(CCCC)CCCCC1 YQOFUEJDUZMXLG-UHFFFAOYSA-N 0.000 description 1
- ZWINHBVAGZLKEW-UHFFFAOYSA-N 2,3-bis[2-(1-ethylcyclohexyl)oxy-2-methylpropyl]phenol Chemical compound C=1C=CC(O)=C(CC(C)(C)OC2(CC)CCCCC2)C=1CC(C)(C)OC1(CC)CCCCC1 ZWINHBVAGZLKEW-UHFFFAOYSA-N 0.000 description 1
- NMHFZUXEPMBMKO-UHFFFAOYSA-N 2,3-bis[2-(1-ethylcyclohexyl)oxypropyl]phenol Chemical compound C=1C=CC(O)=C(CC(C)OC2(CC)CCCCC2)C=1CC(C)OC1(CC)CCCCC1 NMHFZUXEPMBMKO-UHFFFAOYSA-N 0.000 description 1
- GYOWAMODQNLWPG-UHFFFAOYSA-N 2,3-bis[2-(1-ethylcyclopentyl)oxy-2-methylpropyl]phenol Chemical compound C=1C=CC(O)=C(CC(C)(C)OC2(CC)CCCC2)C=1CC(C)(C)OC1(CC)CCCC1 GYOWAMODQNLWPG-UHFFFAOYSA-N 0.000 description 1
- SKZZMNFUIKGNCV-UHFFFAOYSA-N 2,3-bis[2-(1-ethylcyclopentyl)oxypropyl]phenol Chemical compound C=1C=CC(O)=C(CC(C)OC2(CC)CCCC2)C=1CC(C)OC1(CC)CCCC1 SKZZMNFUIKGNCV-UHFFFAOYSA-N 0.000 description 1
- XMZWVVQHSSLIPW-UHFFFAOYSA-N 2,3-bis[2-(1-hexylcyclohexyl)oxy-2-methylpropyl]phenol Chemical compound C=1C=CC(O)=C(CC(C)(C)OC2(CCCCCC)CCCCC2)C=1CC(C)(C)OC1(CCCCCC)CCCCC1 XMZWVVQHSSLIPW-UHFFFAOYSA-N 0.000 description 1
- PULNLUJUIWJAPW-UHFFFAOYSA-N 2,3-bis[2-(1-methylcyclohexyl)oxypropyl]phenol Chemical compound C1CCCCC1(C)OC(C)CC1=CC=CC(O)=C1CC(C)OC1(C)CCCCC1 PULNLUJUIWJAPW-UHFFFAOYSA-N 0.000 description 1
- WFLDXGIGQSPHMN-UHFFFAOYSA-N 2,3-bis[2-(1-methylcyclopentyl)oxypropyl]phenol Chemical compound C1CCCC1(C)OC(C)CC1=CC=CC(O)=C1CC(C)OC1(C)CCCC1 WFLDXGIGQSPHMN-UHFFFAOYSA-N 0.000 description 1
- BDDMGBPZCNZVDG-UHFFFAOYSA-N 2,3-bis[2-(1-pentylcyclohexyl)oxypropyl]phenol Chemical compound C=1C=CC(O)=C(CC(C)OC2(CCCCC)CCCCC2)C=1CC(C)OC1(CCCCC)CCCCC1 BDDMGBPZCNZVDG-UHFFFAOYSA-N 0.000 description 1
- MHBSEVMFEARLRR-UHFFFAOYSA-N 2,3-bis[2-(1-propylcyclohexyl)oxypropyl]phenol Chemical compound C=1C=CC(O)=C(CC(C)OC2(CCC)CCCCC2)C=1CC(C)OC1(CCC)CCCCC1 MHBSEVMFEARLRR-UHFFFAOYSA-N 0.000 description 1
- XCUZMJMUTFJBLV-UHFFFAOYSA-N 2,3-bis[2-(2,3,4-tributylphenoxy)propyl]phenol Chemical compound CCCCC1=C(CCCC)C(CCCC)=CC=C1OC(C)CC1=CC=CC(O)=C1CC(C)OC1=CC=C(CCCC)C(CCCC)=C1CCCC XCUZMJMUTFJBLV-UHFFFAOYSA-N 0.000 description 1
- MVCZSDOYPKYIRB-UHFFFAOYSA-N 2,3-bis[2-(2,3,4-tributylphenyl)propyl]phenol Chemical compound CCCCC1=C(CCCC)C(CCCC)=CC=C1C(C)CC1=CC=CC(O)=C1CC(C)C1=CC=C(CCCC)C(CCCC)=C1CCCC MVCZSDOYPKYIRB-UHFFFAOYSA-N 0.000 description 1
- FNYGSWRUASACEC-UHFFFAOYSA-N 2,3-bis[2-(2,3,4-triethylphenoxy)propyl]phenol Chemical compound CCC1=C(CC)C(CC)=CC=C1OC(C)CC1=CC=CC(O)=C1CC(C)OC1=CC=C(CC)C(CC)=C1CC FNYGSWRUASACEC-UHFFFAOYSA-N 0.000 description 1
- FSUHSYZFUMJDLE-UHFFFAOYSA-N 2,3-bis[2-(2,3,4-triethylphenyl)propyl]phenol Chemical compound CCC1=C(CC)C(CC)=CC=C1C(C)CC1=CC=CC(O)=C1CC(C)C1=CC=C(CC)C(CC)=C1CC FSUHSYZFUMJDLE-UHFFFAOYSA-N 0.000 description 1
- QMVBSULQSLPELZ-UHFFFAOYSA-N 2,3-bis[2-(2,3,4-trimethylphenoxy)propyl]phenol Chemical compound C=1C=C(C)C(C)=C(C)C=1OC(C)CC1=CC=CC(O)=C1CC(C)OC1=CC=C(C)C(C)=C1C QMVBSULQSLPELZ-UHFFFAOYSA-N 0.000 description 1
- YPWFXGHVRNZKEK-UHFFFAOYSA-N 2,3-bis[2-(2,3,4-trimethylphenyl)propyl]phenol Chemical compound C=1C=C(C)C(C)=C(C)C=1C(C)CC1=CC=CC(O)=C1CC(C)C1=CC=C(C)C(C)=C1C YPWFXGHVRNZKEK-UHFFFAOYSA-N 0.000 description 1
- GHJOBIYJFOPWMJ-UHFFFAOYSA-N 2,3-bis[2-(2,3,4-tripropylphenoxy)propyl]phenol Chemical compound CCCC1=C(CCC)C(CCC)=CC=C1OC(C)CC1=CC=CC(O)=C1CC(C)OC1=CC=C(CCC)C(CCC)=C1CCC GHJOBIYJFOPWMJ-UHFFFAOYSA-N 0.000 description 1
- NITBBMLSHPVDII-UHFFFAOYSA-N 2,3-bis[2-(2,3,4-tripropylphenyl)propyl]phenol Chemical compound CCCC1=C(CCC)C(CCC)=CC=C1C(C)CC1=CC=CC(O)=C1CC(C)C1=CC=C(CCC)C(CCC)=C1CCC NITBBMLSHPVDII-UHFFFAOYSA-N 0.000 description 1
- BNYPESKZDVNMOF-UHFFFAOYSA-N 2,3-bis[2-(2,3-dibutylphenoxy)-2-methylpropyl]phenol Chemical compound CCCCC1=CC=CC(OC(C)(C)CC=2C(=C(O)C=CC=2)CC(C)(C)OC=2C(=C(CCCC)C=CC=2)CCCC)=C1CCCC BNYPESKZDVNMOF-UHFFFAOYSA-N 0.000 description 1
- HMFZYTUSBQECSL-UHFFFAOYSA-N 2,3-bis[2-(2,3-dibutylphenoxy)propyl]phenol Chemical compound CCCCC1=CC=CC(OC(C)CC=2C(=C(O)C=CC=2)CC(C)OC=2C(=C(CCCC)C=CC=2)CCCC)=C1CCCC HMFZYTUSBQECSL-UHFFFAOYSA-N 0.000 description 1
- QLAIYLWAZBXMKI-UHFFFAOYSA-N 2,3-bis[2-(2,3-dibutylphenyl)-2-methylpropyl]phenol Chemical compound CCCCC1=CC=CC(C(C)(C)CC=2C(=C(O)C=CC=2)CC(C)(C)C=2C(=C(CCCC)C=CC=2)CCCC)=C1CCCC QLAIYLWAZBXMKI-UHFFFAOYSA-N 0.000 description 1
- VSHDODXXXUOHIS-UHFFFAOYSA-N 2,3-bis[2-(2,3-dibutylphenyl)propyl]phenol Chemical compound CCCCC1=CC=CC(C(C)CC=2C(=C(O)C=CC=2)CC(C)C=2C(=C(CCCC)C=CC=2)CCCC)=C1CCCC VSHDODXXXUOHIS-UHFFFAOYSA-N 0.000 description 1
- JWVTYNIYLHMGIH-UHFFFAOYSA-N 2,3-bis[2-(2,3-diethylphenoxy)-2-methylpropyl]phenol Chemical compound CCC1=CC=CC(OC(C)(C)CC=2C(=C(O)C=CC=2)CC(C)(C)OC=2C(=C(CC)C=CC=2)CC)=C1CC JWVTYNIYLHMGIH-UHFFFAOYSA-N 0.000 description 1
- ZNALFTBFIPAYOO-UHFFFAOYSA-N 2,3-bis[2-(2,3-diethylphenoxy)propyl]phenol Chemical compound CCC1=CC=CC(OC(C)CC=2C(=C(O)C=CC=2)CC(C)OC=2C(=C(CC)C=CC=2)CC)=C1CC ZNALFTBFIPAYOO-UHFFFAOYSA-N 0.000 description 1
- OMRSVFVHHHCCLX-UHFFFAOYSA-N 2,3-bis[2-(2,3-diethylphenyl)-2-methylpropyl]phenol Chemical compound CCC1=CC=CC(C(C)(C)CC=2C(=C(O)C=CC=2)CC(C)(C)C=2C(=C(CC)C=CC=2)CC)=C1CC OMRSVFVHHHCCLX-UHFFFAOYSA-N 0.000 description 1
- BFHVQNJXAWVERR-UHFFFAOYSA-N 2,3-bis[2-(2,3-diethylphenyl)propyl]phenol Chemical compound CCC1=CC=CC(C(C)CC=2C(=C(O)C=CC=2)CC(C)C=2C(=C(CC)C=CC=2)CC)=C1CC BFHVQNJXAWVERR-UHFFFAOYSA-N 0.000 description 1
- LMKREOWLRSGZDM-UHFFFAOYSA-N 2,3-bis[2-(2,3-diheptylphenoxy)-2-methylpropyl]phenol Chemical compound CCCCCCCC1=CC=CC(OC(C)(C)CC=2C(=C(O)C=CC=2)CC(C)(C)OC=2C(=C(CCCCCCC)C=CC=2)CCCCCCC)=C1CCCCCCC LMKREOWLRSGZDM-UHFFFAOYSA-N 0.000 description 1
- AGKIINFGGKYWDY-UHFFFAOYSA-N 2,3-bis[2-(2,3-diheptylphenoxy)propyl]phenol Chemical compound CCCCCCCC1=CC=CC(OC(C)CC=2C(=C(O)C=CC=2)CC(C)OC=2C(=C(CCCCCCC)C=CC=2)CCCCCCC)=C1CCCCCCC AGKIINFGGKYWDY-UHFFFAOYSA-N 0.000 description 1
- IXOALRICKBASAO-UHFFFAOYSA-N 2,3-bis[2-(2,3-diheptylphenyl)-2-methylpropyl]phenol Chemical compound CCCCCCCC1=CC=CC(C(C)(C)CC=2C(=C(O)C=CC=2)CC(C)(C)C=2C(=C(CCCCCCC)C=CC=2)CCCCCCC)=C1CCCCCCC IXOALRICKBASAO-UHFFFAOYSA-N 0.000 description 1
- IWDAFOLKCYPGQW-UHFFFAOYSA-N 2,3-bis[2-(2,3-diheptylphenyl)propyl]phenol Chemical compound CCCCCCCC1=CC=CC(C(C)CC=2C(=C(O)C=CC=2)CC(C)C=2C(=C(CCCCCCC)C=CC=2)CCCCCCC)=C1CCCCCCC IWDAFOLKCYPGQW-UHFFFAOYSA-N 0.000 description 1
- FEMGOTAYYVWPDN-UHFFFAOYSA-N 2,3-bis[2-(2,3-dihexylphenoxy)-2-methylpropyl]phenol Chemical compound CCCCCCC1=CC=CC(OC(C)(C)CC=2C(=C(O)C=CC=2)CC(C)(C)OC=2C(=C(CCCCCC)C=CC=2)CCCCCC)=C1CCCCCC FEMGOTAYYVWPDN-UHFFFAOYSA-N 0.000 description 1
- OVABJQZBNHABBF-UHFFFAOYSA-N 2,3-bis[2-(2,3-dihexylphenoxy)propyl]phenol Chemical compound CCCCCCC1=CC=CC(OC(C)CC=2C(=C(O)C=CC=2)CC(C)OC=2C(=C(CCCCCC)C=CC=2)CCCCCC)=C1CCCCCC OVABJQZBNHABBF-UHFFFAOYSA-N 0.000 description 1
- GRYXBOAPGYSMAB-UHFFFAOYSA-N 2,3-bis[2-(2,3-dihexylphenyl)-2-methylpropyl]phenol Chemical compound CCCCCCC1=CC=CC(C(C)(C)CC=2C(=C(O)C=CC=2)CC(C)(C)C=2C(=C(CCCCCC)C=CC=2)CCCCCC)=C1CCCCCC GRYXBOAPGYSMAB-UHFFFAOYSA-N 0.000 description 1
- NVFFTNWCQJABFZ-UHFFFAOYSA-N 2,3-bis[2-(2,3-dihexylphenyl)propyl]phenol Chemical compound CCCCCCC1=CC=CC(C(C)CC=2C(=C(O)C=CC=2)CC(C)C=2C(=C(CCCCCC)C=CC=2)CCCCCC)=C1CCCCCC NVFFTNWCQJABFZ-UHFFFAOYSA-N 0.000 description 1
- DGKVQNUQEHJDRA-UHFFFAOYSA-N 2,3-bis[2-(2,3-dimethylphenoxy)-2-methylpropyl]phenol Chemical compound CC1=CC=CC(OC(C)(C)CC=2C(=C(O)C=CC=2)CC(C)(C)OC=2C(=C(C)C=CC=2)C)=C1C DGKVQNUQEHJDRA-UHFFFAOYSA-N 0.000 description 1
- BZMFFAVPOMSELY-UHFFFAOYSA-N 2,3-bis[2-(2,3-dimethylphenoxy)propyl]phenol Chemical compound C=1C=CC(C)=C(C)C=1OC(C)CC1=CC=CC(O)=C1CC(C)OC1=CC=CC(C)=C1C BZMFFAVPOMSELY-UHFFFAOYSA-N 0.000 description 1
- RDLCZXWFLFYJJK-UHFFFAOYSA-N 2,3-bis[2-(2,3-dimethylphenyl)-2-methylpropyl]phenol Chemical compound CC1=CC=CC(C(C)(C)CC=2C(=C(O)C=CC=2)CC(C)(C)C=2C(=C(C)C=CC=2)C)=C1C RDLCZXWFLFYJJK-UHFFFAOYSA-N 0.000 description 1
- XAJBOBAAZGKZHS-UHFFFAOYSA-N 2,3-bis[2-(2,3-dimethylphenyl)propyl]phenol Chemical compound C=1C=CC(C)=C(C)C=1C(C)CC1=CC=CC(O)=C1CC(C)C1=CC=CC(C)=C1C XAJBOBAAZGKZHS-UHFFFAOYSA-N 0.000 description 1
- JECOKJGVOOPLFS-UHFFFAOYSA-N 2,3-bis[2-(2,3-dipentylphenoxy)-2-methylpropyl]phenol Chemical compound CCCCCC1=CC=CC(OC(C)(C)CC=2C(=C(O)C=CC=2)CC(C)(C)OC=2C(=C(CCCCC)C=CC=2)CCCCC)=C1CCCCC JECOKJGVOOPLFS-UHFFFAOYSA-N 0.000 description 1
- DRRZZTXHSDKKNS-UHFFFAOYSA-N 2,3-bis[2-(2,3-dipentylphenoxy)propyl]phenol Chemical compound CCCCCC1=CC=CC(OC(C)CC=2C(=C(O)C=CC=2)CC(C)OC=2C(=C(CCCCC)C=CC=2)CCCCC)=C1CCCCC DRRZZTXHSDKKNS-UHFFFAOYSA-N 0.000 description 1
- KSMISVBMUHNODK-UHFFFAOYSA-N 2,3-bis[2-(2,3-dipentylphenyl)-2-methylpropyl]phenol Chemical compound CCCCCC1=CC=CC(C(C)(C)CC=2C(=C(O)C=CC=2)CC(C)(C)C=2C(=C(CCCCC)C=CC=2)CCCCC)=C1CCCCC KSMISVBMUHNODK-UHFFFAOYSA-N 0.000 description 1
- WWRFYCNYYBKSAN-UHFFFAOYSA-N 2,3-bis[2-(2,3-dipentylphenyl)propyl]phenol Chemical compound CCCCCC1=CC=CC(C(C)CC=2C(=C(O)C=CC=2)CC(C)C=2C(=C(CCCCC)C=CC=2)CCCCC)=C1CCCCC WWRFYCNYYBKSAN-UHFFFAOYSA-N 0.000 description 1
- XRGHGJFVTPNDBY-UHFFFAOYSA-N 2,3-bis[2-(2,3-diphenylphenoxy)-2-methylpropyl]phenol Chemical compound C=1C=CC(C=2C=CC=CC=2)=C(C=2C=CC=CC=2)C=1OC(C)(C)CC1=CC=CC(O)=C1CC(C)(C)OC(C=1C=2C=CC=CC=2)=CC=CC=1C1=CC=CC=C1 XRGHGJFVTPNDBY-UHFFFAOYSA-N 0.000 description 1
- SQXNKJXEBYLYCM-UHFFFAOYSA-N 2,3-bis[2-(2,3-diphenylphenoxy)propyl]phenol Chemical compound C=1C=CC(C=2C=CC=CC=2)=C(C=2C=CC=CC=2)C=1OC(C)CC1=CC=CC(O)=C1CC(C)OC(C=1C=2C=CC=CC=2)=CC=CC=1C1=CC=CC=C1 SQXNKJXEBYLYCM-UHFFFAOYSA-N 0.000 description 1
- JQZIDDINSGJZGA-UHFFFAOYSA-N 2,3-bis[2-(2,3-dipropylphenoxy)-2-methylpropyl]phenol Chemical compound CCCC1=CC=CC(OC(C)(C)CC=2C(=C(O)C=CC=2)CC(C)(C)OC=2C(=C(CCC)C=CC=2)CCC)=C1CCC JQZIDDINSGJZGA-UHFFFAOYSA-N 0.000 description 1
- AORQQJSURWECQW-UHFFFAOYSA-N 2,3-bis[2-(2,3-dipropylphenoxy)propyl]phenol Chemical compound CCCC1=CC=CC(OC(C)CC=2C(=C(O)C=CC=2)CC(C)OC=2C(=C(CCC)C=CC=2)CCC)=C1CCC AORQQJSURWECQW-UHFFFAOYSA-N 0.000 description 1
- DLCLUWKBLOQSPV-UHFFFAOYSA-N 2,3-bis[2-(2,3-dipropylphenyl)-2-methylpropyl]phenol Chemical compound CCCC1=CC=CC(C(C)(C)CC=2C(=C(O)C=CC=2)CC(C)(C)C=2C(=C(CCC)C=CC=2)CCC)=C1CCC DLCLUWKBLOQSPV-UHFFFAOYSA-N 0.000 description 1
- OYPYHCZUBWZPGD-UHFFFAOYSA-N 2,3-bis[2-(2,3-dipropylphenyl)propyl]phenol Chemical compound CCCC1=CC=CC(C(C)CC=2C(=C(O)C=CC=2)CC(C)C=2C(=C(CCC)C=CC=2)CCC)=C1CCC OYPYHCZUBWZPGD-UHFFFAOYSA-N 0.000 description 1
- YZFGCXDPOOEKTO-UHFFFAOYSA-N 2,3-bis[2-(2-butylphenoxy)-2-methylpropyl]phenol Chemical compound CCCCC1=CC=CC=C1OC(C)(C)CC1=CC=CC(O)=C1CC(C)(C)OC1=CC=CC=C1CCCC YZFGCXDPOOEKTO-UHFFFAOYSA-N 0.000 description 1
- ZLTBBFAVLSXDMG-UHFFFAOYSA-N 2,3-bis[2-(2-butylphenoxy)propyl]phenol Chemical compound CCCCC1=CC=CC=C1OC(C)CC1=CC=CC(O)=C1CC(C)OC1=CC=CC=C1CCCC ZLTBBFAVLSXDMG-UHFFFAOYSA-N 0.000 description 1
- RFJOLTOJASXLBS-UHFFFAOYSA-N 2,3-bis[2-(2-butylphenyl)-2-methylpropyl]phenol Chemical compound CCCCC1=CC=CC=C1C(C)(C)CC1=CC=CC(O)=C1CC(C)(C)C1=CC=CC=C1CCCC RFJOLTOJASXLBS-UHFFFAOYSA-N 0.000 description 1
- NPAXFFFEKVGVRK-UHFFFAOYSA-N 2,3-bis[2-(2-butylphenyl)propyl]phenol Chemical compound CCCCC1=CC=CC=C1C(C)CC1=CC=CC(O)=C1CC(C)C1=CC=CC=C1CCCC NPAXFFFEKVGVRK-UHFFFAOYSA-N 0.000 description 1
- ZOTNXBUMTOTYTA-UHFFFAOYSA-N 2,3-bis[2-(2-decylphenoxy)-2-methylpropyl]phenol Chemical compound CCCCCCCCCCC1=CC=CC=C1OC(C)(C)CC1=CC=CC(O)=C1CC(C)(C)OC1=CC=CC=C1CCCCCCCCCC ZOTNXBUMTOTYTA-UHFFFAOYSA-N 0.000 description 1
- FUYYIEYQWOFSAB-UHFFFAOYSA-N 2,3-bis[2-(2-decylphenoxy)propyl]phenol Chemical compound CCCCCCCCCCC1=CC=CC=C1OC(C)CC1=CC=CC(O)=C1CC(C)OC1=CC=CC=C1CCCCCCCCCC FUYYIEYQWOFSAB-UHFFFAOYSA-N 0.000 description 1
- PCXMTKVGIKEFHX-UHFFFAOYSA-N 2,3-bis[2-(2-decylphenyl)-2-methylpropyl]phenol Chemical compound CCCCCCCCCCC1=CC=CC=C1C(C)(C)CC1=CC=CC(O)=C1CC(C)(C)C1=CC=CC=C1CCCCCCCCCC PCXMTKVGIKEFHX-UHFFFAOYSA-N 0.000 description 1
- MUPOIMUTEJCPEM-UHFFFAOYSA-N 2,3-bis[2-(2-decylphenyl)propyl]phenol Chemical compound CCCCCCCCCCC1=CC=CC=C1C(C)CC1=CC=CC(O)=C1CC(C)C1=CC=CC=C1CCCCCCCCCC MUPOIMUTEJCPEM-UHFFFAOYSA-N 0.000 description 1
- MCWMXVLDLONKPC-UHFFFAOYSA-N 2,3-bis[2-(2-ethylphenoxy)-2-methylpropyl]phenol Chemical compound CCC1=CC=CC=C1OC(C)(C)CC1=CC=CC(O)=C1CC(C)(C)OC1=CC=CC=C1CC MCWMXVLDLONKPC-UHFFFAOYSA-N 0.000 description 1
- YXZSSHRMZRFOLI-UHFFFAOYSA-N 2,3-bis[2-(2-ethylphenoxy)propyl]phenol Chemical compound CCC1=CC=CC=C1OC(C)CC1=CC=CC(O)=C1CC(C)OC1=CC=CC=C1CC YXZSSHRMZRFOLI-UHFFFAOYSA-N 0.000 description 1
- XDZMTHMLPRDVGX-UHFFFAOYSA-N 2,3-bis[2-(2-ethylphenyl)-2-methylpropyl]phenol Chemical compound CCC1=CC=CC=C1C(C)(C)CC1=CC=CC(O)=C1CC(C)(C)C1=CC=CC=C1CC XDZMTHMLPRDVGX-UHFFFAOYSA-N 0.000 description 1
- ORVZPPMSTBCCHK-UHFFFAOYSA-N 2,3-bis[2-(2-ethylphenyl)propyl]phenol Chemical compound CCC1=CC=CC=C1C(C)CC1=CC=CC(O)=C1CC(C)C1=CC=CC=C1CC ORVZPPMSTBCCHK-UHFFFAOYSA-N 0.000 description 1
- ASNUEFQHZHAYNJ-UHFFFAOYSA-N 2,3-bis[2-(2-heptylphenoxy)-2-methylpropyl]phenol Chemical compound CCCCCCCC1=CC=CC=C1OC(C)(C)CC1=CC=CC(O)=C1CC(C)(C)OC1=CC=CC=C1CCCCCCC ASNUEFQHZHAYNJ-UHFFFAOYSA-N 0.000 description 1
- URNLZSGDZLEOBF-UHFFFAOYSA-N 2,3-bis[2-(2-heptylphenoxy)propyl]phenol Chemical compound CCCCCCCC1=CC=CC=C1OC(C)CC1=CC=CC(O)=C1CC(C)OC1=CC=CC=C1CCCCCCC URNLZSGDZLEOBF-UHFFFAOYSA-N 0.000 description 1
- SNAMYIVEGBAWQI-UHFFFAOYSA-N 2,3-bis[2-(2-heptylphenyl)-2-methylpropyl]phenol Chemical compound CCCCCCCC1=CC=CC=C1C(C)(C)CC1=CC=CC(O)=C1CC(C)(C)C1=CC=CC=C1CCCCCCC SNAMYIVEGBAWQI-UHFFFAOYSA-N 0.000 description 1
- AYZVYAQRNBTOJA-UHFFFAOYSA-N 2,3-bis[2-(2-heptylphenyl)propyl]phenol Chemical compound CCCCCCCC1=CC=CC=C1C(C)CC1=CC=CC(O)=C1CC(C)C1=CC=CC=C1CCCCCCC AYZVYAQRNBTOJA-UHFFFAOYSA-N 0.000 description 1
- ILTHWKINDLBDHR-UHFFFAOYSA-N 2,3-bis[2-(2-hexylphenoxy)-2-methylpropyl]phenol Chemical compound CCCCCCC1=CC=CC=C1OC(C)(C)CC1=CC=CC(O)=C1CC(C)(C)OC1=CC=CC=C1CCCCCC ILTHWKINDLBDHR-UHFFFAOYSA-N 0.000 description 1
- HXVLSWAYSISGRT-UHFFFAOYSA-N 2,3-bis[2-(2-hexylphenoxy)propyl]phenol Chemical compound CCCCCCC1=CC=CC=C1OC(C)CC1=CC=CC(O)=C1CC(C)OC1=CC=CC=C1CCCCCC HXVLSWAYSISGRT-UHFFFAOYSA-N 0.000 description 1
- AHZXJBQDAPQNSO-UHFFFAOYSA-N 2,3-bis[2-(2-hexylphenyl)-2-methylpropyl]phenol Chemical compound CCCCCCC1=CC=CC=C1C(C)(C)CC1=CC=CC(O)=C1CC(C)(C)C1=CC=CC=C1CCCCCC AHZXJBQDAPQNSO-UHFFFAOYSA-N 0.000 description 1
- JMHIUDQJBLTKBC-UHFFFAOYSA-N 2,3-bis[2-(2-hexylphenyl)propyl]phenol Chemical compound CCCCCCC1=CC=CC=C1C(C)CC1=CC=CC(O)=C1CC(C)C1=CC=CC=C1CCCCCC JMHIUDQJBLTKBC-UHFFFAOYSA-N 0.000 description 1
- AZWUFRCUOPGADU-UHFFFAOYSA-N 2,3-bis[2-(2-methylphenoxy)propyl]phenol Chemical compound C=1C=CC=C(C)C=1OC(C)CC1=CC=CC(O)=C1CC(C)OC1=CC=CC=C1C AZWUFRCUOPGADU-UHFFFAOYSA-N 0.000 description 1
- MJHOKQWIFIMKQC-UHFFFAOYSA-N 2,3-bis[2-(2-methylphenyl)propyl]phenol Chemical compound C=1C=CC=C(C)C=1C(C)CC1=CC=CC(O)=C1CC(C)C1=CC=CC=C1C MJHOKQWIFIMKQC-UHFFFAOYSA-N 0.000 description 1
- BQVIDYRQLZEENM-UHFFFAOYSA-N 2,3-bis[2-(2-nonylphenoxy)propyl]phenol Chemical compound CCCCCCCCCC1=CC=CC=C1OC(C)CC1=CC=CC(O)=C1CC(C)OC1=CC=CC=C1CCCCCCCCC BQVIDYRQLZEENM-UHFFFAOYSA-N 0.000 description 1
- INPSVYBRNFSNIU-UHFFFAOYSA-N 2,3-bis[2-(2-nonylphenyl)propyl]phenol Chemical compound CCCCCCCCCC1=CC=CC=C1C(C)CC1=CC=CC(O)=C1CC(C)C1=CC=CC=C1CCCCCCCCC INPSVYBRNFSNIU-UHFFFAOYSA-N 0.000 description 1
- GXMJWGPNBOKTBX-UHFFFAOYSA-N 2,3-bis[2-(2-octylphenoxy)propyl]phenol Chemical compound CCCCCCCCC1=CC=CC=C1OC(C)CC1=CC=CC(O)=C1CC(C)OC1=CC=CC=C1CCCCCCCC GXMJWGPNBOKTBX-UHFFFAOYSA-N 0.000 description 1
- ANCDOLFXRNRTOZ-UHFFFAOYSA-N 2,3-bis[2-(2-octylphenyl)propyl]phenol Chemical compound CCCCCCCCC1=CC=CC=C1C(C)CC1=CC=CC(O)=C1CC(C)C1=CC=CC=C1CCCCCCCC ANCDOLFXRNRTOZ-UHFFFAOYSA-N 0.000 description 1
- JLAOKTULQVWAKA-UHFFFAOYSA-N 2,3-bis[2-(2-pentylphenoxy)propyl]phenol Chemical compound CCCCCC1=CC=CC=C1OC(C)CC1=CC=CC(O)=C1CC(C)OC1=CC=CC=C1CCCCC JLAOKTULQVWAKA-UHFFFAOYSA-N 0.000 description 1
- ZWYYZCGRFZDYPI-UHFFFAOYSA-N 2,3-bis[2-(2-pentylphenyl)propyl]phenol Chemical compound CCCCCC1=CC=CC=C1C(C)CC1=CC=CC(O)=C1CC(C)C1=CC=CC=C1CCCCC ZWYYZCGRFZDYPI-UHFFFAOYSA-N 0.000 description 1
- HVXSLOISHADFRI-UHFFFAOYSA-N 2,3-bis[2-(2-phenylethoxy)propyl]phenol Chemical compound C=1C=CC=CC=1CCOC(C)CC1=CC=CC(O)=C1CC(C)OCCC1=CC=CC=C1 HVXSLOISHADFRI-UHFFFAOYSA-N 0.000 description 1
- PJADJXZPWUQNAG-UHFFFAOYSA-N 2,3-bis[2-(2-phenylphenoxy)propyl]phenol Chemical compound C=1C=CC=C(C=2C=CC=CC=2)C=1OC(C)CC1=CC=CC(O)=C1CC(C)OC1=CC=CC=C1C1=CC=CC=C1 PJADJXZPWUQNAG-UHFFFAOYSA-N 0.000 description 1
- RMBCSGXLPRQCHM-UHFFFAOYSA-N 2,3-bis[2-(2-propylphenoxy)propyl]phenol Chemical compound CCCC1=CC=CC=C1OC(C)CC1=CC=CC(O)=C1CC(C)OC1=CC=CC=C1CCC RMBCSGXLPRQCHM-UHFFFAOYSA-N 0.000 description 1
- DILJBYWPHZBHRN-UHFFFAOYSA-N 2,3-bis[2-(2-propylphenyl)propyl]phenol Chemical compound CCCC1=CC=CC=C1C(C)CC1=CC=CC(O)=C1CC(C)C1=CC=CC=C1CCC DILJBYWPHZBHRN-UHFFFAOYSA-N 0.000 description 1
- PTFHNUQOEYMOIW-UHFFFAOYSA-N 2,3-bis[2-(3-phenylpropoxy)propyl]phenol Chemical compound C=1C=CC=CC=1CCCOC(C)CC1=CC=CC(O)=C1CC(C)OCCCC1=CC=CC=C1 PTFHNUQOEYMOIW-UHFFFAOYSA-N 0.000 description 1
- XVCQYRLVBYXICZ-UHFFFAOYSA-N 2,3-bis[2-(4,4-dibutylcyclohexyl)oxy-2-methylpropyl]phenol Chemical compound C(CCC)C1(CCC(CC1)OC(CC=1C(=C(C=CC1)O)CC(C)(OC1CCC(CC1)(CCCC)CCCC)C)(C)C)CCCC XVCQYRLVBYXICZ-UHFFFAOYSA-N 0.000 description 1
- GWRDRGFSXNCZAV-UHFFFAOYSA-N 2,3-bis[2-(4,4-dibutylcyclohexyl)oxypropyl]phenol Chemical compound C(CCC)C1(CCC(CC1)OC(CC=1C(=C(C=CC1)O)CC(OC1CCC(CC1)(CCCC)CCCC)C)C)CCCC GWRDRGFSXNCZAV-UHFFFAOYSA-N 0.000 description 1
- XYWHCIFDQYDORL-UHFFFAOYSA-N 2,3-bis[2-(4,4-diethylcyclohexyl)oxy-2-methylpropyl]phenol Chemical compound C(C)C1(CCC(CC1)OC(CC=1C(=C(C=CC=1)O)CC(C)(OC1CCC(CC1)(CC)CC)C)(C)C)CC XYWHCIFDQYDORL-UHFFFAOYSA-N 0.000 description 1
- GIYPEWVFTCNXBE-UHFFFAOYSA-N 2,3-bis[2-(4,4-diethylcyclohexyl)oxypropyl]phenol Chemical compound C(C)C1(CCC(CC1)OC(CC=1C(=C(C=CC=1)O)CC(OC1CCC(CC1)(CC)CC)C)C)CC GIYPEWVFTCNXBE-UHFFFAOYSA-N 0.000 description 1
- ODVIIISEGBFAQJ-UHFFFAOYSA-N 2,3-bis[2-(4,4-dimethylcyclohexyl)oxy-2-methylpropyl]phenol Chemical compound CC1(CCC(CC1)OC(CC=1C(=C(C=CC=1)O)CC(C)(OC1CCC(CC1)(C)C)C)(C)C)C ODVIIISEGBFAQJ-UHFFFAOYSA-N 0.000 description 1
- DOBNMBRHLSFPHO-UHFFFAOYSA-N 2,3-bis[2-(4,4-dimethylcyclohexyl)oxypropyl]phenol Chemical compound CC1(CCC(CC1)OC(CC=1C(=C(C=CC=1)O)CC(OC1CCC(CC1)(C)C)C)C)C DOBNMBRHLSFPHO-UHFFFAOYSA-N 0.000 description 1
- BLWKWWZEDJCXHU-UHFFFAOYSA-N 2,3-bis[2-(4-phenylbutoxy)propyl]phenol Chemical compound C=1C=CC=CC=1CCCCOC(C)CC1=CC=CC(O)=C1CC(C)OCCCCC1=CC=CC=C1 BLWKWWZEDJCXHU-UHFFFAOYSA-N 0.000 description 1
- ZYSZWJQBCWTGOH-UHFFFAOYSA-N 2,3-bis[2-(5-phenylpentoxy)propyl]phenol Chemical compound C=1C=CC=CC=1CCCCCOC(C)CC1=CC=CC(O)=C1CC(C)OCCCCCC1=CC=CC=C1 ZYSZWJQBCWTGOH-UHFFFAOYSA-N 0.000 description 1
- KQPIIZPYLWJOFL-UHFFFAOYSA-N 2,3-bis[2-(6-phenylhexoxy)propyl]phenol Chemical compound C=1C=CC=CC=1CCCCCCOC(C)CC1=CC=CC(O)=C1CC(C)OCCCCCCC1=CC=CC=C1 KQPIIZPYLWJOFL-UHFFFAOYSA-N 0.000 description 1
- HPCKYRMUVQFUKF-UHFFFAOYSA-N 2,3-bis[2-(7-phenylheptoxy)propyl]phenol Chemical compound C=1C=CC=CC=1CCCCCCCOC(C)CC1=CC=CC(O)=C1CC(C)OCCCCCCCC1=CC=CC=C1 HPCKYRMUVQFUKF-UHFFFAOYSA-N 0.000 description 1
- CCTPNPDEEBLHJM-UHFFFAOYSA-N 2,3-bis[2-(8-phenyloctoxy)propyl]phenol Chemical compound C=1C=CC=CC=1CCCCCCCCOC(C)CC1=CC=CC(O)=C1CC(C)OCCCCCCCCC1=CC=CC=C1 CCTPNPDEEBLHJM-UHFFFAOYSA-N 0.000 description 1
- FUQITKZFLQRARL-UHFFFAOYSA-N 2,3-bis[2-(9-phenylnonoxy)propyl]phenol Chemical compound C=1C=CC=CC=1CCCCCCCCCOC(C)CC1=CC=CC(O)=C1CC(C)OCCCCCCCCCC1=CC=CC=C1 FUQITKZFLQRARL-UHFFFAOYSA-N 0.000 description 1
- PTCHPLLUAWVJJL-UHFFFAOYSA-N 2,3-bis[2-methyl-2-(1-methylcyclohexyl)oxypropyl]phenol Chemical compound C1CCCCC1(C)OC(C)(C)CC1=CC=CC(O)=C1CC(C)(C)OC1(C)CCCCC1 PTCHPLLUAWVJJL-UHFFFAOYSA-N 0.000 description 1
- YEGMYFOKZCZUDF-UHFFFAOYSA-N 2,3-bis[2-methyl-2-(1-methylcyclopentyl)oxypropyl]phenol Chemical compound C1CCCC1(C)OC(C)(C)CC1=CC=CC(O)=C1CC(C)(C)OC1(C)CCCC1 YEGMYFOKZCZUDF-UHFFFAOYSA-N 0.000 description 1
- ONNJHEHYJAOJDX-UHFFFAOYSA-N 2,3-bis[2-methyl-2-(1-pentylcyclohexyl)oxypropyl]phenol Chemical compound C=1C=CC(O)=C(CC(C)(C)OC2(CCCCC)CCCCC2)C=1CC(C)(C)OC1(CCCCC)CCCCC1 ONNJHEHYJAOJDX-UHFFFAOYSA-N 0.000 description 1
- RFNLLFMUJYIFDU-UHFFFAOYSA-N 2,3-bis[2-methyl-2-(1-propylcyclohexyl)oxypropyl]phenol Chemical compound C=1C=CC(O)=C(CC(C)(C)OC2(CCC)CCCCC2)C=1CC(C)(C)OC1(CCC)CCCCC1 RFNLLFMUJYIFDU-UHFFFAOYSA-N 0.000 description 1
- CJEUDPBEHXIHBH-UHFFFAOYSA-N 2,3-bis[2-methyl-2-(2,3,4-tributylphenoxy)propyl]phenol Chemical compound CCCCC1=C(CCCC)C(CCCC)=CC=C1OC(C)(C)CC1=CC=CC(O)=C1CC(C)(C)OC1=CC=C(CCCC)C(CCCC)=C1CCCC CJEUDPBEHXIHBH-UHFFFAOYSA-N 0.000 description 1
- XXCDDDHDYUCOJS-UHFFFAOYSA-N 2,3-bis[2-methyl-2-(2,3,4-tributylphenyl)propyl]phenol Chemical compound CCCCC1=C(CCCC)C(CCCC)=CC=C1C(C)(C)CC1=CC=CC(O)=C1CC(C)(C)C1=CC=C(CCCC)C(CCCC)=C1CCCC XXCDDDHDYUCOJS-UHFFFAOYSA-N 0.000 description 1
- QNJPDLGOWSPLSV-UHFFFAOYSA-N 2,3-bis[2-methyl-2-(2,3,4-triethylphenoxy)propyl]phenol Chemical compound CCC1=C(CC)C(CC)=CC=C1OC(C)(C)CC1=CC=CC(O)=C1CC(C)(C)OC1=CC=C(CC)C(CC)=C1CC QNJPDLGOWSPLSV-UHFFFAOYSA-N 0.000 description 1
- IMRSQSKNQRAABO-UHFFFAOYSA-N 2,3-bis[2-methyl-2-(2,3,4-triethylphenyl)propyl]phenol Chemical compound CCC1=C(CC)C(CC)=CC=C1C(C)(C)CC1=CC=CC(O)=C1CC(C)(C)C1=CC=C(CC)C(CC)=C1CC IMRSQSKNQRAABO-UHFFFAOYSA-N 0.000 description 1
- OWHFUFRTQHUQKL-UHFFFAOYSA-N 2,3-bis[2-methyl-2-(2,3,4-trimethylphenoxy)propyl]phenol Chemical compound CC1=C(C)C(C)=CC=C1OC(C)(C)CC1=CC=CC(O)=C1CC(C)(C)OC1=CC=C(C)C(C)=C1C OWHFUFRTQHUQKL-UHFFFAOYSA-N 0.000 description 1
- JLRRYSCYKKHVFL-UHFFFAOYSA-N 2,3-bis[2-methyl-2-(2,3,4-trimethylphenyl)propyl]phenol Chemical compound CC1=C(C)C(C)=CC=C1C(C)(C)CC1=CC=CC(O)=C1CC(C)(C)C1=CC=C(C)C(C)=C1C JLRRYSCYKKHVFL-UHFFFAOYSA-N 0.000 description 1
- MUBCOMLSVMSGLD-UHFFFAOYSA-N 2,3-bis[2-methyl-2-(2,3,4-tripropylphenoxy)propyl]phenol Chemical compound CCCC1=C(CCC)C(CCC)=CC=C1OC(C)(C)CC1=CC=CC(O)=C1CC(C)(C)OC1=CC=C(CCC)C(CCC)=C1CCC MUBCOMLSVMSGLD-UHFFFAOYSA-N 0.000 description 1
- DJWBHHYYXIUPTD-UHFFFAOYSA-N 2,3-bis[2-methyl-2-(2,3,4-tripropylphenyl)propyl]phenol Chemical compound CCCC1=C(CCC)C(CCC)=CC=C1C(C)(C)CC1=CC=CC(O)=C1CC(C)(C)C1=CC=C(CCC)C(CCC)=C1CCC DJWBHHYYXIUPTD-UHFFFAOYSA-N 0.000 description 1
- FJFJMHDRDVBMJV-UHFFFAOYSA-N 2,3-bis[2-methyl-2-(2-methylphenoxy)propyl]phenol Chemical compound CC1=CC=CC=C1OC(C)(C)CC1=CC=CC(O)=C1CC(C)(C)OC1=CC=CC=C1C FJFJMHDRDVBMJV-UHFFFAOYSA-N 0.000 description 1
- HKIMFVAHXIIFPE-UHFFFAOYSA-N 2,3-bis[2-methyl-2-(2-methylphenyl)propyl]phenol Chemical compound CC1=CC=CC=C1C(C)(C)CC1=CC=CC(O)=C1CC(C)(C)C1=CC=CC=C1C HKIMFVAHXIIFPE-UHFFFAOYSA-N 0.000 description 1
- ZYHBYNZXPWSRAS-UHFFFAOYSA-N 2,3-bis[2-methyl-2-(2-nonylphenoxy)propyl]phenol Chemical compound CCCCCCCCCC1=CC=CC=C1OC(C)(C)CC1=CC=CC(O)=C1CC(C)(C)OC1=CC=CC=C1CCCCCCCCC ZYHBYNZXPWSRAS-UHFFFAOYSA-N 0.000 description 1
- ZGAUBPILLSIQRE-UHFFFAOYSA-N 2,3-bis[2-methyl-2-(2-nonylphenyl)propyl]phenol Chemical compound CCCCCCCCCC1=CC=CC=C1C(C)(C)CC1=CC=CC(O)=C1CC(C)(C)C1=CC=CC=C1CCCCCCCCC ZGAUBPILLSIQRE-UHFFFAOYSA-N 0.000 description 1
- XKECWACEHMIVFW-UHFFFAOYSA-N 2,3-bis[2-methyl-2-(2-octylphenoxy)propyl]phenol Chemical compound CCCCCCCCC1=CC=CC=C1OC(C)(C)CC1=CC=CC(O)=C1CC(C)(C)OC1=CC=CC=C1CCCCCCCC XKECWACEHMIVFW-UHFFFAOYSA-N 0.000 description 1
- YFCLTCFQZLNOEA-UHFFFAOYSA-N 2,3-bis[2-methyl-2-(2-octylphenyl)propyl]phenol Chemical compound CCCCCCCCC1=CC=CC=C1C(C)(C)CC1=CC=CC(O)=C1CC(C)(C)C1=CC=CC=C1CCCCCCCC YFCLTCFQZLNOEA-UHFFFAOYSA-N 0.000 description 1
- HDRYOZSPWLMWCW-UHFFFAOYSA-N 2,3-bis[2-methyl-2-(2-pentylphenoxy)propyl]phenol Chemical compound CCCCCC1=CC=CC=C1OC(C)(C)CC1=CC=CC(O)=C1CC(C)(C)OC1=CC=CC=C1CCCCC HDRYOZSPWLMWCW-UHFFFAOYSA-N 0.000 description 1
- MPTQZWZAJRUIEP-UHFFFAOYSA-N 2,3-bis[2-methyl-2-(2-pentylphenyl)propyl]phenol Chemical compound CCCCCC1=CC=CC=C1C(C)(C)CC1=CC=CC(O)=C1CC(C)(C)C1=CC=CC=C1CCCCC MPTQZWZAJRUIEP-UHFFFAOYSA-N 0.000 description 1
- HQZMYIFPVHWXMC-UHFFFAOYSA-N 2,3-bis[2-methyl-2-(2-phenylethoxy)propyl]phenol Chemical compound C=1C=CC=CC=1CCOC(C)(C)CC1=CC=CC(O)=C1CC(C)(C)OCCC1=CC=CC=C1 HQZMYIFPVHWXMC-UHFFFAOYSA-N 0.000 description 1
- HPILGPXIKIIXCO-UHFFFAOYSA-N 2,3-bis[2-methyl-2-(2-phenylphenoxy)propyl]phenol Chemical compound C=1C=CC=C(C=2C=CC=CC=2)C=1OC(C)(C)CC1=CC=CC(O)=C1CC(C)(C)OC1=CC=CC=C1C1=CC=CC=C1 HPILGPXIKIIXCO-UHFFFAOYSA-N 0.000 description 1
- FJGJOPNQSDOZHX-UHFFFAOYSA-N 2,3-bis[2-methyl-2-(2-propylphenoxy)propyl]phenol Chemical compound CCCC1=CC=CC=C1OC(C)(C)CC1=CC=CC(O)=C1CC(C)(C)OC1=CC=CC=C1CCC FJGJOPNQSDOZHX-UHFFFAOYSA-N 0.000 description 1
- YWMFBVMBXXMTLK-UHFFFAOYSA-N 2,3-bis[2-methyl-2-(2-propylphenyl)propyl]phenol Chemical compound CCCC1=CC=CC=C1C(C)(C)CC1=CC=CC(O)=C1CC(C)(C)C1=CC=CC=C1CCC YWMFBVMBXXMTLK-UHFFFAOYSA-N 0.000 description 1
- NBFYCBRDFLCEFA-UHFFFAOYSA-N 2,3-bis[2-methyl-2-(3-phenylpropoxy)propyl]phenol Chemical compound C=1C=CC=CC=1CCCOC(C)(C)CC1=CC=CC(O)=C1CC(C)(C)OCCCC1=CC=CC=C1 NBFYCBRDFLCEFA-UHFFFAOYSA-N 0.000 description 1
- HNWHOPLUJPNIKE-UHFFFAOYSA-N 2,3-bis[2-methyl-2-(4-phenylbutoxy)propyl]phenol Chemical compound C=1C=CC=CC=1CCCCOC(C)(C)CC1=CC=CC(O)=C1CC(C)(C)OCCCCC1=CC=CC=C1 HNWHOPLUJPNIKE-UHFFFAOYSA-N 0.000 description 1
- IHWRHNKSXCOFSU-UHFFFAOYSA-N 2,3-bis[2-methyl-2-(5-phenylpentoxy)propyl]phenol Chemical compound C=1C=CC=CC=1CCCCCOC(C)(C)CC1=CC=CC(O)=C1CC(C)(C)OCCCCCC1=CC=CC=C1 IHWRHNKSXCOFSU-UHFFFAOYSA-N 0.000 description 1
- XJUUGSJJWORGJO-UHFFFAOYSA-N 2,3-bis[2-methyl-2-(6-phenylhexoxy)propyl]phenol Chemical compound C=1C=CC=CC=1CCCCCCOC(C)(C)CC1=CC=CC(O)=C1CC(C)(C)OCCCCCCC1=CC=CC=C1 XJUUGSJJWORGJO-UHFFFAOYSA-N 0.000 description 1
- ZXQTXDYIPOUVFQ-UHFFFAOYSA-N 2,3-bis[2-methyl-2-(7-phenylheptoxy)propyl]phenol Chemical compound C=1C=CC=CC=1CCCCCCCOC(C)(C)CC1=CC=CC(O)=C1CC(C)(C)OCCCCCCCC1=CC=CC=C1 ZXQTXDYIPOUVFQ-UHFFFAOYSA-N 0.000 description 1
- OSCPIMVTGLWXAX-UHFFFAOYSA-N 2,3-bis[2-methyl-2-(8-phenyloctoxy)propyl]phenol Chemical compound C=1C=CC=CC=1CCCCCCCCOC(C)(C)CC1=CC=CC(O)=C1CC(C)(C)OCCCCCCCCC1=CC=CC=C1 OSCPIMVTGLWXAX-UHFFFAOYSA-N 0.000 description 1
- JKQNZIJKHZBUHW-UHFFFAOYSA-N 2,3-bis[2-methyl-2-(9-phenylnonoxy)propyl]phenol Chemical compound C=1C=CC=CC=1CCCCCCCCCOC(C)(C)CC1=CC=CC(O)=C1CC(C)(C)OCCCCCCCCCC1=CC=CC=C1 JKQNZIJKHZBUHW-UHFFFAOYSA-N 0.000 description 1
- AMYBSUUIUYRWAD-UHFFFAOYSA-N 2,3-bis[di(nonyl)amino]phenol Chemical compound CCCCCCCCCN(CCCCCCCCC)C1=CC=CC(O)=C1N(CCCCCCCCC)CCCCCCCCC AMYBSUUIUYRWAD-UHFFFAOYSA-N 0.000 description 1
- OQWULDKWKWVRMR-UHFFFAOYSA-N 2,3-di(cycloheptyloxy)phenol Chemical compound C1CCCCCC1OC=1C(O)=CC=CC=1OC1CCCCCC1 OQWULDKWKWVRMR-UHFFFAOYSA-N 0.000 description 1
- YKQCPOFSPHZECS-UHFFFAOYSA-N 2,3-di(cyclooctyloxy)phenol Chemical compound C1CCCCCCC1OC=1C(O)=CC=CC=1OC1CCCCCCC1 YKQCPOFSPHZECS-UHFFFAOYSA-N 0.000 description 1
- UJMKTJDTRICXLP-UHFFFAOYSA-N 2,3-di(hexan-2-yl)phenol Chemical compound C(C)(CCCC)C=1C(=C(C=CC1)O)C(C)CCCC UJMKTJDTRICXLP-UHFFFAOYSA-N 0.000 description 1
- XURNPTKYROQAHO-UHFFFAOYSA-N 2,3-di(nonoxy)phenol Chemical compound CCCCCCCCCOC1=CC=CC(O)=C1OCCCCCCCCC XURNPTKYROQAHO-UHFFFAOYSA-N 0.000 description 1
- UMPSXRYVXUPCOS-UHFFFAOYSA-N 2,3-dichlorophenol Chemical compound OC1=CC=CC(Cl)=C1Cl UMPSXRYVXUPCOS-UHFFFAOYSA-N 0.000 description 1
- NPLASOSBOAALEK-UHFFFAOYSA-N 2,3-didodecoxyphenol Chemical compound CCCCCCCCCCCCOC1=CC=CC(O)=C1OCCCCCCCCCCCC NPLASOSBOAALEK-UHFFFAOYSA-N 0.000 description 1
- ILJOIOLSOMYKNF-UHFFFAOYSA-N 2,3-didodecylphenol Chemical class CCCCCCCCCCCCC1=CC=CC(O)=C1CCCCCCCCCCCC ILJOIOLSOMYKNF-UHFFFAOYSA-N 0.000 description 1
- RLEWTHFVGOXXTN-UHFFFAOYSA-N 2,3-diethylphenol Chemical compound CCC1=CC=CC(O)=C1CC RLEWTHFVGOXXTN-UHFFFAOYSA-N 0.000 description 1
- ARHAISXOLPRHQN-UHFFFAOYSA-N 2,3-dihexylphenol Chemical compound CCCCCCC1=CC=CC(O)=C1CCCCCC ARHAISXOLPRHQN-UHFFFAOYSA-N 0.000 description 1
- JUBWTRYWZXUSDX-UHFFFAOYSA-N 2,3-dioctadecoxyphenol Chemical compound CCCCCCCCCCCCCCCCCCOC1=CC=CC(O)=C1OCCCCCCCCCCCCCCCCCC JUBWTRYWZXUSDX-UHFFFAOYSA-N 0.000 description 1
- PTMRDOLOEDPHLB-UHFFFAOYSA-N 2,3-dipentylphenol Chemical compound CCCCCC1=CC=CC(O)=C1CCCCC PTMRDOLOEDPHLB-UHFFFAOYSA-N 0.000 description 1
- DJCWFRWSLBEHGS-UHFFFAOYSA-N 2,3-diphenoxyphenol Chemical compound C=1C=CC=CC=1OC=1C(O)=CC=CC=1OC1=CC=CC=C1 DJCWFRWSLBEHGS-UHFFFAOYSA-N 0.000 description 1
- GWLFZSJPILVFHL-UHFFFAOYSA-N 2,3-dipropoxyphenol Chemical compound CCCOC1=CC=CC(O)=C1OCCC GWLFZSJPILVFHL-UHFFFAOYSA-N 0.000 description 1
- HRQPPTDGMMGDKC-UHFFFAOYSA-N 2,3-dipropylphenol Chemical compound CCCC1=CC=CC(O)=C1CCC HRQPPTDGMMGDKC-UHFFFAOYSA-N 0.000 description 1
- LAVMWOGIDKQCDK-UHFFFAOYSA-N 2,4,6-tri(butan-2-yl)phenol Chemical compound CCC(C)C1=CC(C(C)CC)=C(O)C(C(C)CC)=C1 LAVMWOGIDKQCDK-UHFFFAOYSA-N 0.000 description 1
- VFIRUTDWDCYQQU-UHFFFAOYSA-N 2,4,6-tri(dodecan-2-yl)phenol Chemical compound CCCCCCCCCCC(C)C1=CC(C(C)CCCCCCCCCC)=C(O)C(C(C)CCCCCCCCCC)=C1 VFIRUTDWDCYQQU-UHFFFAOYSA-N 0.000 description 1
- CWUGCYIXFLREKG-UHFFFAOYSA-N 2,4,6-tri(heptan-2-yl)phenol Chemical compound CCCCCC(C)C1=CC(C(C)CCCCC)=C(O)C(C(C)CCCCC)=C1 CWUGCYIXFLREKG-UHFFFAOYSA-N 0.000 description 1
- HBALPZVEOCGPIS-UHFFFAOYSA-N 2,4,6-tri(hexan-2-yl)phenol Chemical compound CCCCC(C)C1=CC(C(C)CCCC)=C(O)C(C(C)CCCC)=C1 HBALPZVEOCGPIS-UHFFFAOYSA-N 0.000 description 1
- UQGUWEYJHWNXTQ-UHFFFAOYSA-N 2,4,6-tri(nonan-2-yl)phenol Chemical compound CCCCCCCC(C)C1=CC(C(C)CCCCCCC)=C(O)C(C(C)CCCCCCC)=C1 UQGUWEYJHWNXTQ-UHFFFAOYSA-N 0.000 description 1
- CEULPFDHRMHJDL-UHFFFAOYSA-N 2,4,6-tri(octadecan-2-yl)phenol Chemical compound CCCCCCCCCCCCCCCCC(C)C1=CC(C(C)CCCCCCCCCCCCCCCC)=C(O)C(C(C)CCCCCCCCCCCCCCCC)=C1 CEULPFDHRMHJDL-UHFFFAOYSA-N 0.000 description 1
- DHSRJJBKWYKSHC-UHFFFAOYSA-N 2,4,6-tri(octan-2-yl)phenol Chemical compound CCCCCCC(C)C1=CC(C(C)CCCCCC)=C(O)C(C(C)CCCCCC)=C1 DHSRJJBKWYKSHC-UHFFFAOYSA-N 0.000 description 1
- DPNXLIVXTVCYIN-UHFFFAOYSA-N 2,4,6-tri(pentan-2-yl)phenol Chemical compound CCCC(C)C1=CC(C(C)CCC)=C(O)C(C(C)CCC)=C1 DPNXLIVXTVCYIN-UHFFFAOYSA-N 0.000 description 1
- HVFKKINZIWVNQG-UHFFFAOYSA-N 2,4,6-tri(propan-2-yl)phenol Chemical compound CC(C)C1=CC(C(C)C)=C(O)C(C(C)C)=C1 HVFKKINZIWVNQG-UHFFFAOYSA-N 0.000 description 1
- BSWWXRFVMJHFBN-UHFFFAOYSA-N 2,4,6-tribromophenol Chemical compound OC1=C(Br)C=C(Br)C=C1Br BSWWXRFVMJHFBN-UHFFFAOYSA-N 0.000 description 1
- ZVDSMYGTJDFNHN-UHFFFAOYSA-N 2,4,6-trimethylbenzene-1,3-diamine Chemical group CC1=CC(C)=C(N)C(C)=C1N ZVDSMYGTJDFNHN-UHFFFAOYSA-N 0.000 description 1
- RQENCFYPRXZBDL-UHFFFAOYSA-N 2,4,6-tris(2,4,4-trimethylpentan-2-yl)phenol Chemical compound CC(C)(C)CC(C)(C)C1=CC(C(C)(C)CC(C)(C)C)=C(O)C(C(C)(C)CC(C)(C)C)=C1 RQENCFYPRXZBDL-UHFFFAOYSA-N 0.000 description 1
- YGOXSUSKUVELDI-UHFFFAOYSA-N 2,4,6-tris(2-methylbutan-2-yl)phenol Chemical compound CCC(C)(C)C1=CC(C(C)(C)CC)=C(O)C(C(C)(C)CC)=C1 YGOXSUSKUVELDI-UHFFFAOYSA-N 0.000 description 1
- AUFYXGGVADPVCH-UHFFFAOYSA-N 2,4,6-tris(2-methylhexan-2-yl)phenol Chemical compound CCCCC(C)(C)C1=CC(C(C)(C)CCCC)=C(O)C(C(C)(C)CCCC)=C1 AUFYXGGVADPVCH-UHFFFAOYSA-N 0.000 description 1
- ASWOQSUJILLKKH-UHFFFAOYSA-N 2,4,6-tris(2-methylpentan-2-yl)phenol Chemical compound CCCC(C)(C)C1=CC(C(C)(C)CCC)=C(O)C(C(C)(C)CCC)=C1 ASWOQSUJILLKKH-UHFFFAOYSA-N 0.000 description 1
- ALHSGQYMQLAUDI-UHFFFAOYSA-N 2,4,6-tris(decan-2-yl)phenol Chemical compound CCCCCCCCC(C)C1=CC(C(C)CCCCCCCC)=C(O)C(C(C)CCCCCCCC)=C1 ALHSGQYMQLAUDI-UHFFFAOYSA-N 0.000 description 1
- PFEFOYRSMXVNEL-UHFFFAOYSA-N 2,4,6-tritert-butylphenol Chemical compound CC(C)(C)C1=CC(C(C)(C)C)=C(O)C(C(C)(C)C)=C1 PFEFOYRSMXVNEL-UHFFFAOYSA-N 0.000 description 1
- DNYCICZKXQGHBJ-UHFFFAOYSA-N 2,4-bis(2,4,4-trimethylpentan-2-yl)phenol Chemical compound CC(C)(C)CC(C)(C)C1=CC=C(O)C(C(C)(C)CC(C)(C)C)=C1 DNYCICZKXQGHBJ-UHFFFAOYSA-N 0.000 description 1
- WMVJWKURWRGJCI-UHFFFAOYSA-N 2,4-bis(2-methylbutan-2-yl)phenol Chemical compound CCC(C)(C)C1=CC=C(O)C(C(C)(C)CC)=C1 WMVJWKURWRGJCI-UHFFFAOYSA-N 0.000 description 1
- MAMJDDMWMOZZJI-UHFFFAOYSA-N 2,4-bis(2-methylhexan-2-yl)phenol Chemical compound CCCCC(C)(C)C1=CC=C(O)C(C(C)(C)CCCC)=C1 MAMJDDMWMOZZJI-UHFFFAOYSA-N 0.000 description 1
- OWEBEKTUZXQSHB-UHFFFAOYSA-N 2,4-bis(2-methylpentan-2-yl)phenol Chemical compound CCCC(C)(C)C1=CC=C(O)C(C(C)(C)CCC)=C1 OWEBEKTUZXQSHB-UHFFFAOYSA-N 0.000 description 1
- IOHOXICUFCTPHY-UHFFFAOYSA-N 2,4-di(decan-2-yl)phenol Chemical compound CCCCCCCCC(C)C1=CC=C(O)C(C(C)CCCCCCCC)=C1 IOHOXICUFCTPHY-UHFFFAOYSA-N 0.000 description 1
- DGOXPVZTBOVSNE-UHFFFAOYSA-N 2,4-di(nonan-2-yl)phenol Chemical compound CCCCCCCC(C)C1=CC=C(O)C(C(C)CCCCCCC)=C1 DGOXPVZTBOVSNE-UHFFFAOYSA-N 0.000 description 1
- KOAIKVCVJSQYBS-UHFFFAOYSA-N 2,4-di(octan-2-yl)phenol Chemical compound CCCCCCC(C)C1=CC=C(O)C(C(C)CCCCCC)=C1 KOAIKVCVJSQYBS-UHFFFAOYSA-N 0.000 description 1
- VVNDEUQQZUVMNA-UHFFFAOYSA-N 2,6-bis(2,4,4-trimethylpentan-2-yl)phenol Chemical compound CC(C)(C)CC(C)(C)C1=CC=CC(C(C)(C)CC(C)(C)C)=C1O VVNDEUQQZUVMNA-UHFFFAOYSA-N 0.000 description 1
- JUXXUMCETXNMIJ-UHFFFAOYSA-N 2,6-bis(2-methylbutan-2-yl)phenol Chemical compound CCC(C)(C)C1=CC=CC(C(C)(C)CC)=C1O JUXXUMCETXNMIJ-UHFFFAOYSA-N 0.000 description 1
- QNJHAAMQKPVCJS-UHFFFAOYSA-N 2,6-bis(2-methylhexan-2-yl)phenol Chemical compound CCCCC(C)(C)C1=CC=CC(C(C)(C)CCCC)=C1O QNJHAAMQKPVCJS-UHFFFAOYSA-N 0.000 description 1
- KKLBGRKIXPIQKE-UHFFFAOYSA-N 2,6-bis(2-methylpentan-2-yl)phenol Chemical compound CCCC(C)(C)C1=CC=CC(C(C)(C)CCC)=C1O KKLBGRKIXPIQKE-UHFFFAOYSA-N 0.000 description 1
- AMAPQLXDBQEZPS-UHFFFAOYSA-N 2,6-di(decan-2-yl)phenol Chemical compound CCCCCCCCC(C)C1=CC=CC(C(C)CCCCCCCC)=C1O AMAPQLXDBQEZPS-UHFFFAOYSA-N 0.000 description 1
- MGZUGYOHCXZHRD-UHFFFAOYSA-N 2,6-di(dodecan-2-yl)phenol Chemical compound CCCCCCCCCCC(C)C1=CC=CC(C(C)CCCCCCCCCC)=C1O MGZUGYOHCXZHRD-UHFFFAOYSA-N 0.000 description 1
- KEQGHBGKFWPEDT-UHFFFAOYSA-N 2,6-di(hexan-2-yl)phenol Chemical compound CCCCC(C)C1=CC=CC(C(C)CCCC)=C1O KEQGHBGKFWPEDT-UHFFFAOYSA-N 0.000 description 1
- SYDLDOUEFBDHER-UHFFFAOYSA-N 2,6-di(nonan-2-yl)phenol Chemical compound CCCCCCCC(C)C1=CC=CC(C(C)CCCCCCC)=C1O SYDLDOUEFBDHER-UHFFFAOYSA-N 0.000 description 1
- DKCPKDPYUFEZCP-UHFFFAOYSA-N 2,6-di-tert-butylphenol Chemical compound CC(C)(C)C1=CC=CC(C(C)(C)C)=C1O DKCPKDPYUFEZCP-UHFFFAOYSA-N 0.000 description 1
- ATGFTMUSEPZNJD-UHFFFAOYSA-N 2,6-diphenylphenol Chemical compound OC1=C(C=2C=CC=CC=2)C=CC=C1C1=CC=CC=C1 ATGFTMUSEPZNJD-UHFFFAOYSA-N 0.000 description 1
- NLEOXGOFMWDNKH-UHFFFAOYSA-N 2-(1-cyclohexyloxybutyl)phenol Chemical compound C=1C=CC=C(O)C=1C(CCC)OC1CCCCC1 NLEOXGOFMWDNKH-UHFFFAOYSA-N 0.000 description 1
- WXCFIVVROWYKFE-UHFFFAOYSA-N 2-(1-cyclohexyloxypentyl)phenol Chemical compound C=1C=CC=C(O)C=1C(CCCC)OC1CCCCC1 WXCFIVVROWYKFE-UHFFFAOYSA-N 0.000 description 1
- CSDQKOPMLYJJRK-UHFFFAOYSA-N 2-(1-cyclopentyloxyethyl)phenol Chemical compound C=1C=CC=C(O)C=1C(C)OC1CCCC1 CSDQKOPMLYJJRK-UHFFFAOYSA-N 0.000 description 1
- MIRLYQQBYZNJSD-UHFFFAOYSA-N 2-(1-cyclopentyloxypropyl)phenol Chemical compound C=1C=CC=C(O)C=1C(CC)OC1CCCC1 MIRLYQQBYZNJSD-UHFFFAOYSA-N 0.000 description 1
- WQPILMFJDSOSHE-UHFFFAOYSA-N 2-(1-methylcyclohexyl)oxyphenol Chemical compound C=1C=CC=C(O)C=1OC1(C)CCCCC1 WQPILMFJDSOSHE-UHFFFAOYSA-N 0.000 description 1
- ZXOPOUDRZMPWOY-UHFFFAOYSA-N 2-(1-pentylcyclohexyl)oxyphenol Chemical compound C=1C=CC=C(O)C=1OC1(CCCCC)CCCCC1 ZXOPOUDRZMPWOY-UHFFFAOYSA-N 0.000 description 1
- GTQXKCWPYFKCTG-UHFFFAOYSA-N 2-(1-phenoxydecyl)phenol Chemical compound C=1C=CC=C(O)C=1C(CCCCCCCCC)OC1=CC=CC=C1 GTQXKCWPYFKCTG-UHFFFAOYSA-N 0.000 description 1
- SHEVEUQGJRUUEX-UHFFFAOYSA-N 2-(1-phenoxyethyl)phenol Chemical compound C=1C=CC=C(O)C=1C(C)OC1=CC=CC=C1 SHEVEUQGJRUUEX-UHFFFAOYSA-N 0.000 description 1
- YQKNDOCZVYMEPO-UHFFFAOYSA-N 2-(1-phenoxypropyl)phenol Chemical compound C=1C=CC=C(O)C=1C(CC)OC1=CC=CC=C1 YQKNDOCZVYMEPO-UHFFFAOYSA-N 0.000 description 1
- ODQHUZDKNLTXAU-UHFFFAOYSA-N 2-(2,3,4-tributylphenoxy)phenol Chemical compound CCCCC1=C(CCCC)C(CCCC)=CC=C1OC1=CC=CC=C1O ODQHUZDKNLTXAU-UHFFFAOYSA-N 0.000 description 1
- WIZSKRCQEMKYBQ-UHFFFAOYSA-N 2-(2,3,4-triethylphenoxy)phenol Chemical compound CCC1=C(CC)C(CC)=CC=C1OC1=CC=CC=C1O WIZSKRCQEMKYBQ-UHFFFAOYSA-N 0.000 description 1
- USIJOKZLEMABKI-UHFFFAOYSA-N 2-(2,3-diethylphenoxy)phenol Chemical compound CCC1=CC=CC(OC=2C(=CC=CC=2)O)=C1CC USIJOKZLEMABKI-UHFFFAOYSA-N 0.000 description 1
- KWPMADBAHPGDCD-UHFFFAOYSA-N 2-(2,3-diheptylphenoxy)phenol Chemical compound CCCCCCCC1=CC=CC(OC=2C(=CC=CC=2)O)=C1CCCCCCC KWPMADBAHPGDCD-UHFFFAOYSA-N 0.000 description 1
- DKPYOQXUORHQLH-UHFFFAOYSA-N 2-(2,3-dimethylphenoxy)phenol Chemical compound CC1=CC=CC(OC=2C(=CC=CC=2)O)=C1C DKPYOQXUORHQLH-UHFFFAOYSA-N 0.000 description 1
- HWKGTFVHWJATLS-UHFFFAOYSA-N 2-(2,3-dipentylphenoxy)phenol Chemical compound CCCCCC1=CC=CC(OC=2C(=CC=CC=2)O)=C1CCCCC HWKGTFVHWJATLS-UHFFFAOYSA-N 0.000 description 1
- XSXWOBXNYNULJG-UHFFFAOYSA-N 2-(2,4,4-trimethylpentan-2-yl)phenol Chemical compound CC(C)(C)CC(C)(C)C1=CC=CC=C1O XSXWOBXNYNULJG-UHFFFAOYSA-N 0.000 description 1
- IICPVTGFIXGAHL-UHFFFAOYSA-N 2-(2-butoxy-2-methylpropyl)phenol Chemical compound CCCCOC(C)(C)CC1=CC=CC=C1O IICPVTGFIXGAHL-UHFFFAOYSA-N 0.000 description 1
- SBQWJJMUYJGVPE-UHFFFAOYSA-N 2-(2-butoxypropyl)phenol Chemical compound CCCCOC(C)CC1=CC=CC=C1O SBQWJJMUYJGVPE-UHFFFAOYSA-N 0.000 description 1
- KAMSPDBJAHFLRA-UHFFFAOYSA-N 2-(2-butylphenoxy)phenol Chemical compound CCCCC1=CC=CC=C1OC1=CC=CC=C1O KAMSPDBJAHFLRA-UHFFFAOYSA-N 0.000 description 1
- OOIUOFXAWGFTGW-UHFFFAOYSA-N 2-(2-cycloheptyloxy-2-methylpropyl)phenol Chemical compound C1CCCCCC1OC(C)(C)CC1=CC=CC=C1O OOIUOFXAWGFTGW-UHFFFAOYSA-N 0.000 description 1
- JSQPIJSKFPXUSR-UHFFFAOYSA-N 2-(2-cycloheptyloxypropyl)phenol Chemical compound C1CCCCCC1OC(C)CC1=CC=CC=C1O JSQPIJSKFPXUSR-UHFFFAOYSA-N 0.000 description 1
- FKGHLNTYSGKJSP-UHFFFAOYSA-N 2-(2-cyclohexyloxy-2-methylpropyl)phenol Chemical compound C1CCCCC1OC(C)(C)CC1=CC=CC=C1O FKGHLNTYSGKJSP-UHFFFAOYSA-N 0.000 description 1
- TZUXHQOQMJYYPC-UHFFFAOYSA-N 2-(2-cyclohexyloxypropyl)phenol Chemical compound C1CCCCC1OC(C)CC1=CC=CC=C1O TZUXHQOQMJYYPC-UHFFFAOYSA-N 0.000 description 1
- MWRCJKAWVOVKFA-UHFFFAOYSA-N 2-(2-cyclooctyloxy-2-methylpropyl)phenol Chemical compound C1CCCCCCC1OC(C)(C)CC1=CC=CC=C1O MWRCJKAWVOVKFA-UHFFFAOYSA-N 0.000 description 1
- JVTJEBDTTWNRFZ-UHFFFAOYSA-N 2-(2-cyclooctyloxypropyl)phenol Chemical compound C1CCCCCCC1OC(C)CC1=CC=CC=C1O JVTJEBDTTWNRFZ-UHFFFAOYSA-N 0.000 description 1
- PDTKODSUNUWTMN-UHFFFAOYSA-N 2-(2-cyclopentyloxy-2-methylpropyl)phenol Chemical compound C1CCCC1OC(C)(C)CC1=CC=CC=C1O PDTKODSUNUWTMN-UHFFFAOYSA-N 0.000 description 1
- DGGXCZGXHRZRGZ-UHFFFAOYSA-N 2-(2-cyclopentyloxypropyl)phenol Chemical compound C1CCCC1OC(C)CC1=CC=CC=C1O DGGXCZGXHRZRGZ-UHFFFAOYSA-N 0.000 description 1
- JJEKVSYEAHMRSX-UHFFFAOYSA-N 2-(2-decoxy-2-methylpropyl)phenol Chemical compound CCCCCCCCCCOC(C)(C)CC1=CC=CC=C1O JJEKVSYEAHMRSX-UHFFFAOYSA-N 0.000 description 1
- NZXCZGFYXCGLBA-UHFFFAOYSA-N 2-(2-decoxypropyl)phenol Chemical compound CCCCCCCCCCOC(C)CC1=CC=CC=C1O NZXCZGFYXCGLBA-UHFFFAOYSA-N 0.000 description 1
- JPPUOVHTSRYXMS-UHFFFAOYSA-N 2-(2-decylphenoxy)phenol Chemical compound CCCCCCCCCCC1=CC=CC=C1OC1=CC=CC=C1O JPPUOVHTSRYXMS-UHFFFAOYSA-N 0.000 description 1
- HKBRZKSZRQZAGX-UHFFFAOYSA-N 2-(2-dodecoxy-2-methylpropyl)phenol Chemical compound CCCCCCCCCCCCOC(C)(C)CC1=CC=CC=C1O HKBRZKSZRQZAGX-UHFFFAOYSA-N 0.000 description 1
- HJKSKMKAJXJVAC-UHFFFAOYSA-N 2-(2-dodecoxypropyl)phenol Chemical compound CCCCCCCCCCCCOC(C)CC1=CC=CC=C1O HJKSKMKAJXJVAC-UHFFFAOYSA-N 0.000 description 1
- XHIXZVJKFPIZAS-UHFFFAOYSA-N 2-(2-ethoxy-2-methylpropyl)phenol Chemical compound CCOC(C)(C)CC1=CC=CC=C1O XHIXZVJKFPIZAS-UHFFFAOYSA-N 0.000 description 1
- PCLWSEMNYVUZMA-UHFFFAOYSA-N 2-(2-ethoxypropyl)phenol Chemical compound CCOC(C)CC1=CC=CC=C1O PCLWSEMNYVUZMA-UHFFFAOYSA-N 0.000 description 1
- FZGOGMYJRYWWHF-UHFFFAOYSA-N 2-(2-ethylphenoxy)phenol Chemical compound CCC1=CC=CC=C1OC1=CC=CC=C1O FZGOGMYJRYWWHF-UHFFFAOYSA-N 0.000 description 1
- GDLHZZTZQGFENL-UHFFFAOYSA-N 2-(2-heptoxy-2-methylpropyl)phenol Chemical compound CCCCCCCOC(C)(C)CC1=CC=CC=C1O GDLHZZTZQGFENL-UHFFFAOYSA-N 0.000 description 1
- AMRZRPSYHRWSMI-UHFFFAOYSA-N 2-(2-heptoxypropyl)phenol Chemical compound CCCCCCCOC(C)CC1=CC=CC=C1O AMRZRPSYHRWSMI-UHFFFAOYSA-N 0.000 description 1
- RCAIOARPJRZBDL-UHFFFAOYSA-N 2-(2-hexoxy-2-methylpropyl)phenol Chemical compound CCCCCCOC(C)(C)CC1=CC=CC=C1O RCAIOARPJRZBDL-UHFFFAOYSA-N 0.000 description 1
- KUHXRNBMNIIIJK-UHFFFAOYSA-N 2-(2-hexoxypropyl)phenol Chemical compound CCCCCCOC(C)CC1=CC=CC=C1O KUHXRNBMNIIIJK-UHFFFAOYSA-N 0.000 description 1
- LOIJXCWBBNITDA-UHFFFAOYSA-N 2-(2-methoxy-2-methylpropyl)phenol Chemical compound COC(C)(C)CC1=CC=CC=C1O LOIJXCWBBNITDA-UHFFFAOYSA-N 0.000 description 1
- YKPOGZFRULQBPW-UHFFFAOYSA-N 2-(2-methoxypropyl)phenol Chemical compound COC(C)CC1=CC=CC=C1O YKPOGZFRULQBPW-UHFFFAOYSA-N 0.000 description 1
- JHQYRQUJUSUQOT-UHFFFAOYSA-N 2-(2-methyl-2-nonoxypropyl)phenol Chemical compound CCCCCCCCCOC(C)(C)CC1=CC=CC=C1O JHQYRQUJUSUQOT-UHFFFAOYSA-N 0.000 description 1
- XPSDTYGOWSWGFN-UHFFFAOYSA-N 2-(2-methyl-2-octadecoxypropyl)phenol Chemical compound CCCCCCCCCCCCCCCCCCOC(C)(C)CC1=CC=CC=C1O XPSDTYGOWSWGFN-UHFFFAOYSA-N 0.000 description 1
- HLSXXVRJPYJAHB-UHFFFAOYSA-N 2-(2-methyl-2-octoxypropyl)phenol Chemical compound CCCCCCCCOC(C)(C)CC1=CC=CC=C1O HLSXXVRJPYJAHB-UHFFFAOYSA-N 0.000 description 1
- ITCIYYNIELEJLM-UHFFFAOYSA-N 2-(2-methyl-2-pentoxypropyl)phenol Chemical compound CCCCCOC(C)(C)CC1=CC=CC=C1O ITCIYYNIELEJLM-UHFFFAOYSA-N 0.000 description 1
- WUULDCVEQNHTES-UHFFFAOYSA-N 2-(2-methyl-2-phenoxypropyl)phenol Chemical compound C=1C=CC=CC=1OC(C)(C)CC1=CC=CC=C1O WUULDCVEQNHTES-UHFFFAOYSA-N 0.000 description 1
- IEYOJMPPVUPERB-UHFFFAOYSA-N 2-(2-methyl-2-phenylmethoxypropyl)phenol Chemical compound C=1C=CC=CC=1COC(C)(C)CC1=CC=CC=C1O IEYOJMPPVUPERB-UHFFFAOYSA-N 0.000 description 1
- YONSOPSEPCXNJC-UHFFFAOYSA-N 2-(2-methyl-2-phenylpropyl)phenol Chemical compound C=1C=CC=CC=1C(C)(C)CC1=CC=CC=C1O YONSOPSEPCXNJC-UHFFFAOYSA-N 0.000 description 1
- XAEOAVFKOFLJAT-UHFFFAOYSA-N 2-(2-methyl-2-propoxypropyl)phenol Chemical compound CCCOC(C)(C)CC1=CC=CC=C1O XAEOAVFKOFLJAT-UHFFFAOYSA-N 0.000 description 1
- BGRKGHSKCFAPCL-UHFFFAOYSA-N 2-(2-methylbutan-2-yl)phenol Chemical compound CCC(C)(C)C1=CC=CC=C1O BGRKGHSKCFAPCL-UHFFFAOYSA-N 0.000 description 1
- XRPPGJGOROEZPG-UHFFFAOYSA-N 2-(2-methylhexan-2-yl)phenol Chemical compound CCCCC(C)(C)C1=CC=CC=C1O XRPPGJGOROEZPG-UHFFFAOYSA-N 0.000 description 1
- YLKVTTYYNZNLBS-UHFFFAOYSA-N 2-(2-methylpentan-2-yl)phenol Chemical compound CCCC(C)(C)C1=CC=CC=C1O YLKVTTYYNZNLBS-UHFFFAOYSA-N 0.000 description 1
- VBYGHXFBLOWOMS-UHFFFAOYSA-N 2-(2-methylphenoxy)phenol Chemical compound CC1=CC=CC=C1OC1=CC=CC=C1O VBYGHXFBLOWOMS-UHFFFAOYSA-N 0.000 description 1
- GPAGKPFNMROOFU-UHFFFAOYSA-N 2-(2-methylpropoxymethyl)phenol Chemical compound C(C(C)C)OCC1=C(C=CC=C1)O GPAGKPFNMROOFU-UHFFFAOYSA-N 0.000 description 1
- RFNBWKBEVULADH-UHFFFAOYSA-N 2-(2-nonoxypropyl)phenol Chemical compound CCCCCCCCCOC(C)CC1=CC=CC=C1O RFNBWKBEVULADH-UHFFFAOYSA-N 0.000 description 1
- IVGXTLASSJJBEB-UHFFFAOYSA-N 2-(2-nonylphenoxy)phenol Chemical compound CCCCCCCCCC1=CC=CC=C1OC1=CC=CC=C1O IVGXTLASSJJBEB-UHFFFAOYSA-N 0.000 description 1
- KFDSOMAALXJLDI-UHFFFAOYSA-N 2-(2-octadecoxypropyl)phenol Chemical compound CCCCCCCCCCCCCCCCCCOC(C)CC1=CC=CC=C1O KFDSOMAALXJLDI-UHFFFAOYSA-N 0.000 description 1
- MLLOZOCCQVZWNE-UHFFFAOYSA-N 2-(2-octoxypropyl)phenol Chemical compound CCCCCCCCOC(C)CC1=CC=CC=C1O MLLOZOCCQVZWNE-UHFFFAOYSA-N 0.000 description 1
- ALULDVTYIHEKHB-UHFFFAOYSA-N 2-(2-pentoxypropyl)phenol Chemical compound CCCCCOC(C)CC1=CC=CC=C1O ALULDVTYIHEKHB-UHFFFAOYSA-N 0.000 description 1
- GDHFRUXPCWTYMD-UHFFFAOYSA-N 2-(2-pentylphenoxy)phenol Chemical compound CCCCCC1=CC=CC=C1OC1=CC=CC=C1O GDHFRUXPCWTYMD-UHFFFAOYSA-N 0.000 description 1
- SHUHKSOINPTBPR-UHFFFAOYSA-N 2-(2-phenoxypropyl)phenol Chemical compound C=1C=CC=CC=1OC(C)CC1=CC=CC=C1O SHUHKSOINPTBPR-UHFFFAOYSA-N 0.000 description 1
- RCEILIWEQZAHER-UHFFFAOYSA-N 2-(2-phenylethoxy)phenol Chemical compound OC1=CC=CC=C1OCCC1=CC=CC=C1 RCEILIWEQZAHER-UHFFFAOYSA-N 0.000 description 1
- PHEFPQZYYWWRDU-UHFFFAOYSA-N 2-(2-phenylethoxymethyl)phenol Chemical compound OC1=CC=CC=C1COCCC1=CC=CC=C1 PHEFPQZYYWWRDU-UHFFFAOYSA-N 0.000 description 1
- MCAANQTXHQXLCE-UHFFFAOYSA-N 2-(2-phenylmethoxypropyl)phenol Chemical compound C=1C=CC=CC=1COC(C)CC1=CC=CC=C1O MCAANQTXHQXLCE-UHFFFAOYSA-N 0.000 description 1
- TYVUZHAPQWPWKJ-UHFFFAOYSA-N 2-(2-phenylpropyl)phenol Chemical compound C=1C=CC=CC=1C(C)CC1=CC=CC=C1O TYVUZHAPQWPWKJ-UHFFFAOYSA-N 0.000 description 1
- OTNRZHVCNQQORG-UHFFFAOYSA-N 2-(2-propoxypropyl)phenol Chemical compound CCCOC(C)CC1=CC=CC=C1O OTNRZHVCNQQORG-UHFFFAOYSA-N 0.000 description 1
- HUIKTSSMXJQUMR-UHFFFAOYSA-N 2-(2-propylphenoxy)phenol Chemical compound CCCC1=CC=CC=C1OC1=CC=CC=C1O HUIKTSSMXJQUMR-UHFFFAOYSA-N 0.000 description 1
- IYCYNSDDXRWCOK-UHFFFAOYSA-N 2-(2-tert-butylphenoxy)phenol Chemical compound CC(C)(C)C1=CC=CC=C1OC1=CC=CC=C1O IYCYNSDDXRWCOK-UHFFFAOYSA-N 0.000 description 1
- HIXDQWDOVZUNNA-UHFFFAOYSA-N 2-(3,4-dimethoxyphenyl)-5-hydroxy-7-methoxychromen-4-one Chemical compound C=1C(OC)=CC(O)=C(C(C=2)=O)C=1OC=2C1=CC=C(OC)C(OC)=C1 HIXDQWDOVZUNNA-UHFFFAOYSA-N 0.000 description 1
- HSEVXVYXTFIXCT-UHFFFAOYSA-N 2-(4,4-dibutylcyclohexyl)oxyphenol Chemical compound C(CCC)C1(CCC(CC1)OC1=C(C=CC=C1)O)CCCC HSEVXVYXTFIXCT-UHFFFAOYSA-N 0.000 description 1
- XLENTBUFKFJRAV-UHFFFAOYSA-N 2-(4-phenylbutoxymethyl)phenol Chemical compound OC1=CC=CC=C1COCCCCC1=CC=CC=C1 XLENTBUFKFJRAV-UHFFFAOYSA-N 0.000 description 1
- XYGUKVHRVGJXKK-UHFFFAOYSA-N 2-(5-cyclohexyloxynonan-5-yl)phenol Chemical compound C=1C=CC=C(O)C=1C(CCCC)(CCCC)OC1CCCCC1 XYGUKVHRVGJXKK-UHFFFAOYSA-N 0.000 description 1
- GDBKFAMAFHXHDI-UHFFFAOYSA-N 2-(5-phenylpentoxymethyl)phenol Chemical compound OC1=CC=CC=C1COCCCCCC1=CC=CC=C1 GDBKFAMAFHXHDI-UHFFFAOYSA-N 0.000 description 1
- HNQVYDFCNLJFGT-UHFFFAOYSA-N 2-(7-phenoxytridecan-7-yl)phenol Chemical compound C=1C=CC=C(O)C=1C(CCCCCC)(CCCCCC)OC1=CC=CC=C1 HNQVYDFCNLJFGT-UHFFFAOYSA-N 0.000 description 1
- ULFYAWKOQKKOSJ-UHFFFAOYSA-N 2-(8-phenyloctoxymethyl)phenol Chemical compound OC1=CC=CC=C1COCCCCCCCCC1=CC=CC=C1 ULFYAWKOQKKOSJ-UHFFFAOYSA-N 0.000 description 1
- AZLGCUWSBQSZQB-UHFFFAOYSA-N 2-(9-phenylnonoxymethyl)phenol Chemical compound OC1=CC=CC=C1COCCCCCCCCCC1=CC=CC=C1 AZLGCUWSBQSZQB-UHFFFAOYSA-N 0.000 description 1
- OPASHQLYPOFCMA-UHFFFAOYSA-N 2-(9-phenylnonyl)phenol Chemical compound C(C1=CC=CC=C1)CCCCCCCCC1=C(C=CC=C1)O OPASHQLYPOFCMA-UHFFFAOYSA-N 0.000 description 1
- WANLPVNRLQTCOX-UHFFFAOYSA-N 2-(butoxymethyl)phenol Chemical compound CCCCOCC1=CC=CC=C1O WANLPVNRLQTCOX-UHFFFAOYSA-N 0.000 description 1
- WTFYGNVWNFVUIK-UHFFFAOYSA-N 2-(butylamino)phenol Chemical class CCCCNC1=CC=CC=C1O WTFYGNVWNFVUIK-UHFFFAOYSA-N 0.000 description 1
- QMWYUXGOHMQBNE-UHFFFAOYSA-N 2-(cycloheptyloxymethyl)phenol Chemical compound OC1=CC=CC=C1COC1CCCCCC1 QMWYUXGOHMQBNE-UHFFFAOYSA-N 0.000 description 1
- LUEVOVZMSYICLD-UHFFFAOYSA-N 2-(cyclohexyloxymethyl)-3-pentylphenol Chemical compound C(CCCC)C=1C(=C(C=CC=1)O)COC1CCCCC1 LUEVOVZMSYICLD-UHFFFAOYSA-N 0.000 description 1
- NPSWRQFCRZXYLO-UHFFFAOYSA-N 2-(cyclohexyloxymethyl)phenol Chemical compound OC1=CC=CC=C1COC1CCCCC1 NPSWRQFCRZXYLO-UHFFFAOYSA-N 0.000 description 1
- HWWTYELVHCTKSF-UHFFFAOYSA-N 2-(decylamino)phenol Chemical compound CCCCCCCCCCNC1=CC=CC=C1O HWWTYELVHCTKSF-UHFFFAOYSA-N 0.000 description 1
- NOXLTVYOJPQDLQ-UHFFFAOYSA-N 2-(dibutylamino)phenol Chemical compound CCCCN(CCCC)C1=CC=CC=C1O NOXLTVYOJPQDLQ-UHFFFAOYSA-N 0.000 description 1
- GOFNIMHTIOWHQC-UHFFFAOYSA-N 2-(didecylamino)phenol Chemical compound CCCCCCCCCCN(CCCCCCCCCC)C1=CC=CC=C1O GOFNIMHTIOWHQC-UHFFFAOYSA-N 0.000 description 1
- YOIQWFZSLGRZJX-UHFFFAOYSA-N 2-(diethylamino)phenol Chemical compound CCN(CC)C1=CC=CC=C1O YOIQWFZSLGRZJX-UHFFFAOYSA-N 0.000 description 1
- HBXNXRPWFHBUQJ-UHFFFAOYSA-N 2-(diheptylamino)phenol Chemical compound CCCCCCCN(CCCCCCC)C1=CC=CC=C1O HBXNXRPWFHBUQJ-UHFFFAOYSA-N 0.000 description 1
- RWWLLSSSJJQYDQ-UHFFFAOYSA-N 2-(dihexylamino)phenol Chemical compound CCCCCCN(CCCCCC)C1=CC=CC=C1O RWWLLSSSJJQYDQ-UHFFFAOYSA-N 0.000 description 1
- AUABZJZJXPSZCN-UHFFFAOYSA-N 2-(dimethylamino)phenol Chemical compound CN(C)C1=CC=CC=C1O AUABZJZJXPSZCN-UHFFFAOYSA-N 0.000 description 1
- IYBXNXQGHYXIRN-UHFFFAOYSA-N 2-(dioctadecylamino)phenol Chemical compound CCCCCCCCCCCCCCCCCCN(CCCCCCCCCCCCCCCCCC)C1=CC=CC=C1O IYBXNXQGHYXIRN-UHFFFAOYSA-N 0.000 description 1
- ASJVAFOTLDOWQL-UHFFFAOYSA-N 2-(dioctylamino)phenol Chemical compound CCCCCCCCN(CCCCCCCC)C1=CC=CC=C1O ASJVAFOTLDOWQL-UHFFFAOYSA-N 0.000 description 1
- IOYREIWOPMPAOG-UHFFFAOYSA-N 2-(dipentylamino)phenol Chemical compound CCCCCN(CCCCC)C1=CC=CC=C1O IOYREIWOPMPAOG-UHFFFAOYSA-N 0.000 description 1
- SVFWTJMLZPCSMK-UHFFFAOYSA-N 2-(dipropylamino)phenol Chemical compound CCCN(CCC)C1=CC=CC=C1O SVFWTJMLZPCSMK-UHFFFAOYSA-N 0.000 description 1
- OTIZVGWFJLKHNH-UHFFFAOYSA-N 2-(dodecylamino)phenol Chemical compound CCCCCCCCCCCCNC1=CC=CC=C1O OTIZVGWFJLKHNH-UHFFFAOYSA-N 0.000 description 1
- BCESCHGDVIYYPC-UHFFFAOYSA-N 2-(ethylamino)phenol Chemical class CCNC1=CC=CC=C1O BCESCHGDVIYYPC-UHFFFAOYSA-N 0.000 description 1
- SSICPQZWCDZSQA-UHFFFAOYSA-N 2-(methoxymethyl)phenol Chemical compound COCC1=CC=CC=C1O SSICPQZWCDZSQA-UHFFFAOYSA-N 0.000 description 1
- JHKKTXXMAQLGJB-UHFFFAOYSA-N 2-(methylamino)phenol Chemical compound CNC1=CC=CC=C1O JHKKTXXMAQLGJB-UHFFFAOYSA-N 0.000 description 1
- DKZNWWQWSMQNIK-UHFFFAOYSA-N 2-(octylamino)phenol Chemical class CCCCCCCCNC1=CC=CC=C1O DKZNWWQWSMQNIK-UHFFFAOYSA-N 0.000 description 1
- OVHIFTNMBBXWHE-UHFFFAOYSA-N 2-(pentylamino)phenol Chemical compound CCCCCNC1=CC=CC=C1O OVHIFTNMBBXWHE-UHFFFAOYSA-N 0.000 description 1
- HPOGUOCKUDJHBK-UHFFFAOYSA-N 2-(propylamino)phenol Chemical class CCCNC1=CC=CC=C1O HPOGUOCKUDJHBK-UHFFFAOYSA-N 0.000 description 1
- UGPQWRMDCLHVHY-UHFFFAOYSA-N 2-[(2,3,4-tributylphenoxy)methyl]phenol Chemical compound CCCCC1=C(CCCC)C(CCCC)=CC=C1OCC1=CC=CC=C1O UGPQWRMDCLHVHY-UHFFFAOYSA-N 0.000 description 1
- YIKUBBTZZDRZFN-UHFFFAOYSA-N 2-[1-(2-aminophenyl)ethyl]aniline Chemical compound C=1C=CC=C(N)C=1C(C)C1=CC=CC=C1N YIKUBBTZZDRZFN-UHFFFAOYSA-N 0.000 description 1
- DJPOKCXZSCBNTA-UHFFFAOYSA-N 2-[2-(1,2,2-tributylcyclohexyl)oxypropyl]phenol Chemical compound C(CCC)C1(C(CCCC1)(OC(CC1=C(C=CC=C1)O)C)CCCC)CCCC DJPOKCXZSCBNTA-UHFFFAOYSA-N 0.000 description 1
- PGJSDMLQBPKVQG-UHFFFAOYSA-N 2-[2-(1,2,2-triethylcyclohexyl)oxypropyl]phenol Chemical compound C(C)C1(C(CCCC1)(OC(CC1=C(C=CC=C1)O)C)CC)CC PGJSDMLQBPKVQG-UHFFFAOYSA-N 0.000 description 1
- MVVXQZJCFLBNDK-UHFFFAOYSA-N 2-[2-(1-butylcyclohexyl)oxy-2-methylpropyl]phenol Chemical compound C=1C=CC=C(O)C=1CC(C)(C)OC1(CCCC)CCCCC1 MVVXQZJCFLBNDK-UHFFFAOYSA-N 0.000 description 1
- XUPNBTSPYZVKNG-UHFFFAOYSA-N 2-[2-(1-butylcyclohexyl)oxypropyl]phenol Chemical compound C=1C=CC=C(O)C=1CC(C)OC1(CCCC)CCCCC1 XUPNBTSPYZVKNG-UHFFFAOYSA-N 0.000 description 1
- MHGFNHVFJQZAFI-UHFFFAOYSA-N 2-[2-(1-ethylcyclohexyl)oxy-2-methylpropyl]phenol Chemical compound C=1C=CC=C(O)C=1CC(C)(C)OC1(CC)CCCCC1 MHGFNHVFJQZAFI-UHFFFAOYSA-N 0.000 description 1
- TZYATOGWMDYDGT-UHFFFAOYSA-N 2-[2-(1-ethylcyclohexyl)oxypropyl]phenol Chemical compound C=1C=CC=C(O)C=1CC(C)OC1(CC)CCCCC1 TZYATOGWMDYDGT-UHFFFAOYSA-N 0.000 description 1
- WLOZTGBZCQWHEH-UHFFFAOYSA-N 2-[2-(1-ethylcyclopentyl)oxy-2-methylpropyl]phenol Chemical compound C=1C=CC=C(O)C=1CC(C)(C)OC1(CC)CCCC1 WLOZTGBZCQWHEH-UHFFFAOYSA-N 0.000 description 1
- KJRIYTOJFDXOHI-UHFFFAOYSA-N 2-[2-(1-ethylcyclopentyl)oxypropyl]phenol Chemical compound C=1C=CC=C(O)C=1CC(C)OC1(CC)CCCC1 KJRIYTOJFDXOHI-UHFFFAOYSA-N 0.000 description 1
- BHXIKOQFMBYQBI-UHFFFAOYSA-N 2-[2-(1-methylcyclohexyl)oxypropyl]phenol Chemical compound C1CCCCC1(C)OC(C)CC1=CC=CC=C1O BHXIKOQFMBYQBI-UHFFFAOYSA-N 0.000 description 1
- XIZAJTHDAQZLHE-UHFFFAOYSA-N 2-[2-(1-methylcyclopentyl)oxypropyl]phenol Chemical compound C1CCCC1(C)OC(C)CC1=CC=CC=C1O XIZAJTHDAQZLHE-UHFFFAOYSA-N 0.000 description 1
- AIDNUJQYAWJJMC-UHFFFAOYSA-N 2-[2-(1-pentylcyclohexyl)oxypropyl]phenol Chemical compound C=1C=CC=C(O)C=1CC(C)OC1(CCCCC)CCCCC1 AIDNUJQYAWJJMC-UHFFFAOYSA-N 0.000 description 1
- FYLZFXOBMJARIO-UHFFFAOYSA-N 2-[2-(1-propylcyclohexyl)oxypropyl]phenol Chemical compound C=1C=CC=C(O)C=1CC(C)OC1(CCC)CCCCC1 FYLZFXOBMJARIO-UHFFFAOYSA-N 0.000 description 1
- OEUJRZYHLFBJQW-UHFFFAOYSA-N 2-[2-(2,3,4-tributylphenoxy)propyl]phenol Chemical compound CCCCC1=C(CCCC)C(CCCC)=CC=C1OC(C)CC1=CC=CC=C1O OEUJRZYHLFBJQW-UHFFFAOYSA-N 0.000 description 1
- GRWONFDQUQAUGD-UHFFFAOYSA-N 2-[2-(2,3,4-tributylphenyl)propyl]phenol Chemical compound CCCCC1=C(CCCC)C(CCCC)=CC=C1C(C)CC1=CC=CC=C1O GRWONFDQUQAUGD-UHFFFAOYSA-N 0.000 description 1
- ZCGUIZNTHRFTBQ-UHFFFAOYSA-N 2-[2-(2,3,4-triethylphenoxy)propyl]phenol Chemical compound CCC1=C(CC)C(CC)=CC=C1OC(C)CC1=CC=CC=C1O ZCGUIZNTHRFTBQ-UHFFFAOYSA-N 0.000 description 1
- MQTRUNDETNWXOW-UHFFFAOYSA-N 2-[2-(2,3,4-trimethylphenoxy)propyl]phenol Chemical compound C=1C=C(C)C(C)=C(C)C=1OC(C)CC1=CC=CC=C1O MQTRUNDETNWXOW-UHFFFAOYSA-N 0.000 description 1
- FJCIQFZYUOVLDN-UHFFFAOYSA-N 2-[2-(2,3,4-trimethylphenyl)propyl]phenol Chemical compound C=1C=C(C)C(C)=C(C)C=1C(C)CC1=CC=CC=C1O FJCIQFZYUOVLDN-UHFFFAOYSA-N 0.000 description 1
- RCTXMRVQCBZSDE-UHFFFAOYSA-N 2-[2-(2,3,4-tripropylphenyl)propyl]phenol Chemical compound CCCC1=C(CCC)C(CCC)=CC=C1C(C)CC1=CC=CC=C1O RCTXMRVQCBZSDE-UHFFFAOYSA-N 0.000 description 1
- XVQOHBDYHGGXDF-UHFFFAOYSA-N 2-[2-(2,3-dibutylphenoxy)-2-methylpropyl]phenol Chemical compound CCCCC1=CC=CC(OC(C)(C)CC=2C(=CC=CC=2)O)=C1CCCC XVQOHBDYHGGXDF-UHFFFAOYSA-N 0.000 description 1
- DHVDLIHUFXIBEB-UHFFFAOYSA-N 2-[2-(2,3-dibutylphenoxy)propyl]phenol Chemical compound CCCCC1=CC=CC(OC(C)CC=2C(=CC=CC=2)O)=C1CCCC DHVDLIHUFXIBEB-UHFFFAOYSA-N 0.000 description 1
- SJQXJZDUOWMFER-UHFFFAOYSA-N 2-[2-(2,3-dibutylphenyl)-2-methylpropyl]phenol Chemical compound CCCCC1=CC=CC(C(C)(C)CC=2C(=CC=CC=2)O)=C1CCCC SJQXJZDUOWMFER-UHFFFAOYSA-N 0.000 description 1
- ASEBLDNJOXZJFP-UHFFFAOYSA-N 2-[2-(2,3-dibutylphenyl)propyl]phenol Chemical compound CCCCC1=CC=CC(C(C)CC=2C(=CC=CC=2)O)=C1CCCC ASEBLDNJOXZJFP-UHFFFAOYSA-N 0.000 description 1
- VCEXOJGDWDJARW-UHFFFAOYSA-N 2-[2-(2,3-diethylphenoxy)-2-methylpropyl]phenol Chemical compound CCC1=CC=CC(OC(C)(C)CC=2C(=CC=CC=2)O)=C1CC VCEXOJGDWDJARW-UHFFFAOYSA-N 0.000 description 1
- VTJIYYVUCMZSQE-UHFFFAOYSA-N 2-[2-(2,3-diethylphenoxy)propyl]phenol Chemical compound CCC1=CC=CC(OC(C)CC=2C(=CC=CC=2)O)=C1CC VTJIYYVUCMZSQE-UHFFFAOYSA-N 0.000 description 1
- IKPVJTOCMNHVMM-UHFFFAOYSA-N 2-[2-(2,3-diethylphenyl)-2-methylpropyl]phenol Chemical compound CCC1=CC=CC(C(C)(C)CC=2C(=CC=CC=2)O)=C1CC IKPVJTOCMNHVMM-UHFFFAOYSA-N 0.000 description 1
- FWLOBFBYNRBYSN-UHFFFAOYSA-N 2-[2-(2,3-diethylphenyl)propyl]phenol Chemical compound CCC1=CC=CC(C(C)CC=2C(=CC=CC=2)O)=C1CC FWLOBFBYNRBYSN-UHFFFAOYSA-N 0.000 description 1
- FEBZXIZYDMARAR-UHFFFAOYSA-N 2-[2-(2,3-diheptylphenoxy)-2-methylpropyl]phenol Chemical compound CCCCCCCC1=CC=CC(OC(C)(C)CC=2C(=CC=CC=2)O)=C1CCCCCCC FEBZXIZYDMARAR-UHFFFAOYSA-N 0.000 description 1
- QAIJGJUUUUHQQN-UHFFFAOYSA-N 2-[2-(2,3-diheptylphenoxy)propyl]phenol Chemical compound CCCCCCCC1=CC=CC(OC(C)CC=2C(=CC=CC=2)O)=C1CCCCCCC QAIJGJUUUUHQQN-UHFFFAOYSA-N 0.000 description 1
- QZRSVKWJTVXTHV-UHFFFAOYSA-N 2-[2-(2,3-diheptylphenyl)-2-methylpropyl]phenol Chemical compound CCCCCCCC1=CC=CC(C(C)(C)CC=2C(=CC=CC=2)O)=C1CCCCCCC QZRSVKWJTVXTHV-UHFFFAOYSA-N 0.000 description 1
- UBZCCGAOGVRSKY-UHFFFAOYSA-N 2-[2-(2,3-diheptylphenyl)propyl]phenol Chemical compound CCCCCCCC1=CC=CC(C(C)CC=2C(=CC=CC=2)O)=C1CCCCCCC UBZCCGAOGVRSKY-UHFFFAOYSA-N 0.000 description 1
- HMVHMOYGVZDFKN-UHFFFAOYSA-N 2-[2-(2,3-dihexylphenoxy)-2-methylpropyl]phenol Chemical compound CCCCCCC1=CC=CC(OC(C)(C)CC=2C(=CC=CC=2)O)=C1CCCCCC HMVHMOYGVZDFKN-UHFFFAOYSA-N 0.000 description 1
- NFVSRAXCKCCVTH-UHFFFAOYSA-N 2-[2-(2,3-dihexylphenoxy)propyl]phenol Chemical compound CCCCCCC1=CC=CC(OC(C)CC=2C(=CC=CC=2)O)=C1CCCCCC NFVSRAXCKCCVTH-UHFFFAOYSA-N 0.000 description 1
- IPIFXPPTJRQIJL-UHFFFAOYSA-N 2-[2-(2,3-dihexylphenyl)-2-methylpropyl]phenol Chemical compound CCCCCCC1=CC=CC(C(C)(C)CC=2C(=CC=CC=2)O)=C1CCCCCC IPIFXPPTJRQIJL-UHFFFAOYSA-N 0.000 description 1
- XEBIKKGFJZHXJE-UHFFFAOYSA-N 2-[2-(2,3-dihexylphenyl)propyl]phenol Chemical compound CCCCCCC1=CC=CC(C(C)CC=2C(=CC=CC=2)O)=C1CCCCCC XEBIKKGFJZHXJE-UHFFFAOYSA-N 0.000 description 1
- JYCUGSXYEOMNMP-UHFFFAOYSA-N 2-[2-(2,3-dimethylphenoxy)-2-methylpropyl]phenol Chemical compound CC1=CC=CC(OC(C)(C)CC=2C(=CC=CC=2)O)=C1C JYCUGSXYEOMNMP-UHFFFAOYSA-N 0.000 description 1
- DOUFDHWEBOWYLO-UHFFFAOYSA-N 2-[2-(2,3-dimethylphenoxy)propyl]phenol Chemical compound C=1C=CC(C)=C(C)C=1OC(C)CC1=CC=CC=C1O DOUFDHWEBOWYLO-UHFFFAOYSA-N 0.000 description 1
- JVSGQTHRMWTHHQ-UHFFFAOYSA-N 2-[2-(2,3-dimethylphenyl)-2-methylpropyl]phenol Chemical compound CC1=CC=CC(C(C)(C)CC=2C(=CC=CC=2)O)=C1C JVSGQTHRMWTHHQ-UHFFFAOYSA-N 0.000 description 1
- GRXPYFAXRJVXPC-UHFFFAOYSA-N 2-[2-(2,3-dimethylphenyl)propyl]phenol Chemical compound C=1C=CC(C)=C(C)C=1C(C)CC1=CC=CC=C1O GRXPYFAXRJVXPC-UHFFFAOYSA-N 0.000 description 1
- SJZPOEQIIZLQBI-UHFFFAOYSA-N 2-[2-(2,3-dipentylphenoxy)-2-methylpropyl]phenol Chemical compound CCCCCC1=CC=CC(OC(C)(C)CC=2C(=CC=CC=2)O)=C1CCCCC SJZPOEQIIZLQBI-UHFFFAOYSA-N 0.000 description 1
- PKPQODPBQKRWDM-UHFFFAOYSA-N 2-[2-(2,3-dipentylphenoxy)propyl]phenol Chemical compound CCCCCC1=CC=CC(OC(C)CC=2C(=CC=CC=2)O)=C1CCCCC PKPQODPBQKRWDM-UHFFFAOYSA-N 0.000 description 1
- BBROXISJIDTUAZ-UHFFFAOYSA-N 2-[2-(2,3-dipentylphenyl)-2-methylpropyl]phenol Chemical compound CCCCCC1=CC=CC(C(C)(C)CC=2C(=CC=CC=2)O)=C1CCCCC BBROXISJIDTUAZ-UHFFFAOYSA-N 0.000 description 1
- TUKUTDXIOVRWEZ-UHFFFAOYSA-N 2-[2-(2,3-dipentylphenyl)propyl]phenol Chemical compound CCCCCC1=CC=CC(C(C)CC=2C(=CC=CC=2)O)=C1CCCCC TUKUTDXIOVRWEZ-UHFFFAOYSA-N 0.000 description 1
- ZSBJBMSFQNZOOY-UHFFFAOYSA-N 2-[2-(2,3-diphenylphenoxy)-2-methylpropyl]phenol Chemical compound C=1C=CC(C=2C=CC=CC=2)=C(C=2C=CC=CC=2)C=1OC(C)(C)CC1=CC=CC=C1O ZSBJBMSFQNZOOY-UHFFFAOYSA-N 0.000 description 1
- GJEYJZAQCSROTO-UHFFFAOYSA-N 2-[2-(2,3-diphenylphenoxy)propyl]phenol Chemical compound C=1C=CC(C=2C=CC=CC=2)=C(C=2C=CC=CC=2)C=1OC(C)CC1=CC=CC=C1O GJEYJZAQCSROTO-UHFFFAOYSA-N 0.000 description 1
- HTWHLJFPFWZWDM-UHFFFAOYSA-N 2-[2-(2,3-dipropylphenoxy)-2-methylpropyl]phenol Chemical compound CCCC1=CC=CC(OC(C)(C)CC=2C(=CC=CC=2)O)=C1CCC HTWHLJFPFWZWDM-UHFFFAOYSA-N 0.000 description 1
- IAAYNXKQEHLQQJ-UHFFFAOYSA-N 2-[2-(2,3-dipropylphenoxy)propyl]phenol Chemical compound CCCC1=CC=CC(OC(C)CC=2C(=CC=CC=2)O)=C1CCC IAAYNXKQEHLQQJ-UHFFFAOYSA-N 0.000 description 1
- AQSMWGGPBRJGNN-UHFFFAOYSA-N 2-[2-(2,3-dipropylphenyl)-2-methylpropyl]phenol Chemical compound CCCC1=CC=CC(C(C)(C)CC=2C(=CC=CC=2)O)=C1CCC AQSMWGGPBRJGNN-UHFFFAOYSA-N 0.000 description 1
- FDLDVHDZVZHJKX-UHFFFAOYSA-N 2-[2-(2,3-dipropylphenyl)propyl]phenol Chemical compound CCCC1=CC=CC(C(C)CC=2C(=CC=CC=2)O)=C1CCC FDLDVHDZVZHJKX-UHFFFAOYSA-N 0.000 description 1
- KUMOGXLTFZRTJB-UHFFFAOYSA-N 2-[2-(2-butylphenoxy)-2-methylpropyl]phenol Chemical compound CCCCC1=CC=CC=C1OC(C)(C)CC1=CC=CC=C1O KUMOGXLTFZRTJB-UHFFFAOYSA-N 0.000 description 1
- KBVDVNSEVNMKKV-UHFFFAOYSA-N 2-[2-(2-butylphenoxy)propyl]phenol Chemical compound CCCCC1=CC=CC=C1OC(C)CC1=CC=CC=C1O KBVDVNSEVNMKKV-UHFFFAOYSA-N 0.000 description 1
- XAPCHLJRCAWUQF-UHFFFAOYSA-N 2-[2-(2-butylphenyl)-2-methylpropyl]phenol Chemical compound CCCCC1=CC=CC=C1C(C)(C)CC1=CC=CC=C1O XAPCHLJRCAWUQF-UHFFFAOYSA-N 0.000 description 1
- XNPSIPMKDBHOBE-UHFFFAOYSA-N 2-[2-(2-butylphenyl)propyl]phenol Chemical compound CCCCC1=CC=CC=C1C(C)CC1=CC=CC=C1O XNPSIPMKDBHOBE-UHFFFAOYSA-N 0.000 description 1
- VBXZCIMCIYPXFD-UHFFFAOYSA-N 2-[2-(2-decylphenoxy)-2-methylpropyl]phenol Chemical compound CCCCCCCCCCC1=CC=CC=C1OC(C)(C)CC1=CC=CC=C1O VBXZCIMCIYPXFD-UHFFFAOYSA-N 0.000 description 1
- MHPZNZMJDDMYCR-UHFFFAOYSA-N 2-[2-(2-decylphenoxy)propyl]phenol Chemical compound CCCCCCCCCCC1=CC=CC=C1OC(C)CC1=CC=CC=C1O MHPZNZMJDDMYCR-UHFFFAOYSA-N 0.000 description 1
- RSKRQBRBOLRHQQ-UHFFFAOYSA-N 2-[2-(2-decylphenyl)-2-methylpropyl]phenol Chemical compound CCCCCCCCCCC1=CC=CC=C1C(C)(C)CC1=CC=CC=C1O RSKRQBRBOLRHQQ-UHFFFAOYSA-N 0.000 description 1
- UIPUXLJXXHVVSM-UHFFFAOYSA-N 2-[2-(2-decylphenyl)propyl]phenol Chemical compound CCCCCCCCCCC1=CC=CC=C1C(C)CC1=CC=CC=C1O UIPUXLJXXHVVSM-UHFFFAOYSA-N 0.000 description 1
- ABNFTINUDRIIND-UHFFFAOYSA-N 2-[2-(2-ethylphenoxy)-2-methylpropyl]phenol Chemical compound CCC1=CC=CC=C1OC(C)(C)CC1=CC=CC=C1O ABNFTINUDRIIND-UHFFFAOYSA-N 0.000 description 1
- USHCMWXKNCOATB-UHFFFAOYSA-N 2-[2-(2-ethylphenoxy)propyl]phenol Chemical compound CCC1=CC=CC=C1OC(C)CC1=CC=CC=C1O USHCMWXKNCOATB-UHFFFAOYSA-N 0.000 description 1
- FNQGZHVXKMLDHF-UHFFFAOYSA-N 2-[2-(2-ethylphenyl)-2-methylpropyl]phenol Chemical compound CCC1=CC=CC=C1C(C)(C)CC1=CC=CC=C1O FNQGZHVXKMLDHF-UHFFFAOYSA-N 0.000 description 1
- OIXNHUYOJRHNOP-UHFFFAOYSA-N 2-[2-(2-ethylphenyl)propyl]phenol Chemical compound CCC1=CC=CC=C1C(C)CC1=CC=CC=C1O OIXNHUYOJRHNOP-UHFFFAOYSA-N 0.000 description 1
- URHSTLUVKBMMRT-UHFFFAOYSA-N 2-[2-(2-heptylphenoxy)-2-methylpropyl]phenol Chemical compound CCCCCCCC1=CC=CC=C1OC(C)(C)CC1=CC=CC=C1O URHSTLUVKBMMRT-UHFFFAOYSA-N 0.000 description 1
- LPRFHVFNNDFMQA-UHFFFAOYSA-N 2-[2-(2-heptylphenoxy)propyl]phenol Chemical compound CCCCCCCC1=CC=CC=C1OC(C)CC1=CC=CC=C1O LPRFHVFNNDFMQA-UHFFFAOYSA-N 0.000 description 1
- RDKGJDKDLWOENX-UHFFFAOYSA-N 2-[2-(2-heptylphenyl)-2-methylpropyl]phenol Chemical compound CCCCCCCC1=CC=CC=C1C(C)(C)CC1=CC=CC=C1O RDKGJDKDLWOENX-UHFFFAOYSA-N 0.000 description 1
- XJXNKRDCSNDBSH-UHFFFAOYSA-N 2-[2-(2-heptylphenyl)propyl]phenol Chemical compound CCCCCCCC1=CC=CC=C1C(C)CC1=CC=CC=C1O XJXNKRDCSNDBSH-UHFFFAOYSA-N 0.000 description 1
- RHKMVBXHTDYREJ-UHFFFAOYSA-N 2-[2-(2-hexylphenoxy)-2-methylpropyl]phenol Chemical compound CCCCCCC1=CC=CC=C1OC(C)(C)CC1=CC=CC=C1O RHKMVBXHTDYREJ-UHFFFAOYSA-N 0.000 description 1
- MJCLRFHPPYICHP-UHFFFAOYSA-N 2-[2-(2-hexylphenoxy)propyl]phenol Chemical compound CCCCCCC1=CC=CC=C1OC(C)CC1=CC=CC=C1O MJCLRFHPPYICHP-UHFFFAOYSA-N 0.000 description 1
- JEMQQKQKLJIQER-UHFFFAOYSA-N 2-[2-(2-hexylphenyl)-2-methylpropyl]phenol Chemical compound CCCCCCC1=CC=CC=C1C(C)(C)CC1=CC=CC=C1O JEMQQKQKLJIQER-UHFFFAOYSA-N 0.000 description 1
- QDOHEKOZIFXZSM-UHFFFAOYSA-N 2-[2-(2-hexylphenyl)propyl]phenol Chemical compound CCCCCCC1=CC=CC=C1C(C)CC1=CC=CC=C1O QDOHEKOZIFXZSM-UHFFFAOYSA-N 0.000 description 1
- LXHYMCZHPNVZBU-UHFFFAOYSA-N 2-[2-(2-methylphenoxy)propyl]phenol Chemical compound C=1C=CC=C(C)C=1OC(C)CC1=CC=CC=C1O LXHYMCZHPNVZBU-UHFFFAOYSA-N 0.000 description 1
- WLIMBQPOKMGSAW-UHFFFAOYSA-N 2-[2-(2-methylphenyl)propyl]phenol Chemical compound C=1C=CC=C(C)C=1C(C)CC1=CC=CC=C1O WLIMBQPOKMGSAW-UHFFFAOYSA-N 0.000 description 1
- WKPFEIXTRLTPEX-UHFFFAOYSA-N 2-[2-(2-nonylphenoxy)propyl]phenol Chemical compound CCCCCCCCCC1=CC=CC=C1OC(C)CC1=CC=CC=C1O WKPFEIXTRLTPEX-UHFFFAOYSA-N 0.000 description 1
- NAFBGNJJPZYODA-UHFFFAOYSA-N 2-[2-(2-nonylphenyl)propyl]phenol Chemical compound CCCCCCCCCC1=CC=CC=C1C(C)CC1=CC=CC=C1O NAFBGNJJPZYODA-UHFFFAOYSA-N 0.000 description 1
- LKWZAOSDWWHOEQ-UHFFFAOYSA-N 2-[2-(2-octylphenoxy)propyl]phenol Chemical compound CCCCCCCCC1=CC=CC=C1OC(C)CC1=CC=CC=C1O LKWZAOSDWWHOEQ-UHFFFAOYSA-N 0.000 description 1
- GDXHXJIOBUGYHK-UHFFFAOYSA-N 2-[2-(2-octylphenyl)propyl]phenol Chemical compound CCCCCCCCC1=CC=CC=C1C(C)CC1=CC=CC=C1O GDXHXJIOBUGYHK-UHFFFAOYSA-N 0.000 description 1
- YOIHGXZQFUGFHC-UHFFFAOYSA-N 2-[2-(2-pentylphenoxy)propyl]phenol Chemical compound CCCCCC1=CC=CC=C1OC(C)CC1=CC=CC=C1O YOIHGXZQFUGFHC-UHFFFAOYSA-N 0.000 description 1
- MANVMPCIQQVFFU-UHFFFAOYSA-N 2-[2-(2-pentylphenyl)propyl]phenol Chemical compound CCCCCC1=CC=CC=C1C(C)CC1=CC=CC=C1O MANVMPCIQQVFFU-UHFFFAOYSA-N 0.000 description 1
- XYULIBGAAVKIQK-UHFFFAOYSA-N 2-[2-(2-phenylethoxy)propyl]phenol Chemical compound C=1C=CC=CC=1CCOC(C)CC1=CC=CC=C1O XYULIBGAAVKIQK-UHFFFAOYSA-N 0.000 description 1
- RBUGKQFLXDNFDE-UHFFFAOYSA-N 2-[2-(2-phenylphenoxy)propyl]phenol Chemical compound C=1C=CC=C(C=2C=CC=CC=2)C=1OC(C)CC1=CC=CC=C1O RBUGKQFLXDNFDE-UHFFFAOYSA-N 0.000 description 1
- JTVNZTYRGPURRZ-UHFFFAOYSA-N 2-[2-(2-propylphenoxy)propyl]phenol Chemical compound CCCC1=CC=CC=C1OC(C)CC1=CC=CC=C1O JTVNZTYRGPURRZ-UHFFFAOYSA-N 0.000 description 1
- LYUVBSNOZMRKTR-UHFFFAOYSA-N 2-[2-(2-propylphenyl)propyl]phenol Chemical compound CCCC1=CC=CC=C1C(C)CC1=CC=CC=C1O LYUVBSNOZMRKTR-UHFFFAOYSA-N 0.000 description 1
- ONSXZYFAVAFZDN-UHFFFAOYSA-N 2-[2-(3-phenylpropoxy)propyl]phenol Chemical compound C=1C=CC=CC=1CCCOC(C)CC1=CC=CC=C1O ONSXZYFAVAFZDN-UHFFFAOYSA-N 0.000 description 1
- SKYYNFFWRIEVLB-UHFFFAOYSA-N 2-[2-(4,4-dibutylcyclohexyl)oxy-2-methylpropyl]phenol Chemical compound C(CCC)C1(CCC(CC1)OC(CC1=C(C=CC=C1)O)(C)C)CCCC SKYYNFFWRIEVLB-UHFFFAOYSA-N 0.000 description 1
- FSTFAQPWIWGJLI-UHFFFAOYSA-N 2-[2-(4,4-dibutylcyclohexyl)oxypropyl]phenol Chemical compound C(CCC)C1(CCC(CC1)OC(CC1=C(C=CC=C1)O)C)CCCC FSTFAQPWIWGJLI-UHFFFAOYSA-N 0.000 description 1
- UUAJSUHELXOAOR-UHFFFAOYSA-N 2-[2-(4,4-diethylcyclohexyl)oxy-2-methylpropyl]phenol Chemical compound C(C)C1(CCC(CC1)OC(CC1=C(C=CC=C1)O)(C)C)CC UUAJSUHELXOAOR-UHFFFAOYSA-N 0.000 description 1
- GPIJMJFLAQXFOC-UHFFFAOYSA-N 2-[2-(4,4-diethylcyclohexyl)oxypropyl]phenol Chemical compound C(C)C1(CCC(CC1)OC(CC1=C(C=CC=C1)O)C)CC GPIJMJFLAQXFOC-UHFFFAOYSA-N 0.000 description 1
- ZQMWKFKHQBAZOU-UHFFFAOYSA-N 2-[2-(4,4-dimethylcyclohexyl)oxy-2-methylpropyl]phenol Chemical compound CC1(CCC(CC1)OC(CC1=C(C=CC=C1)O)(C)C)C ZQMWKFKHQBAZOU-UHFFFAOYSA-N 0.000 description 1
- PEMSVYHPQFGKBX-UHFFFAOYSA-N 2-[2-(4,4-dimethylcyclohexyl)oxypropyl]phenol Chemical compound CC1(CCC(CC1)OC(CC1=C(C=CC=C1)O)C)C PEMSVYHPQFGKBX-UHFFFAOYSA-N 0.000 description 1
- YTXXBOBLNJRUNI-UHFFFAOYSA-N 2-[2-(4-phenylbutoxy)propyl]phenol Chemical compound C=1C=CC=CC=1CCCCOC(C)CC1=CC=CC=C1O YTXXBOBLNJRUNI-UHFFFAOYSA-N 0.000 description 1
- OHEKJAVNBCVSAA-UHFFFAOYSA-N 2-[2-(5-phenylpentoxy)propyl]phenol Chemical compound C=1C=CC=CC=1CCCCCOC(C)CC1=CC=CC=C1O OHEKJAVNBCVSAA-UHFFFAOYSA-N 0.000 description 1
- BARGKDWDNXONJT-UHFFFAOYSA-N 2-[2-(6-phenylhexoxy)propyl]phenol Chemical compound C=1C=CC=CC=1CCCCCCOC(C)CC1=CC=CC=C1O BARGKDWDNXONJT-UHFFFAOYSA-N 0.000 description 1
- AEONPAYIPDKYIH-UHFFFAOYSA-N 2-[2-(7-phenylheptoxy)propyl]phenol Chemical compound C=1C=CC=CC=1CCCCCCCOC(C)CC1=CC=CC=C1O AEONPAYIPDKYIH-UHFFFAOYSA-N 0.000 description 1
- LDCJCVZRXRYGNT-UHFFFAOYSA-N 2-[2-(8-phenyloctoxy)propyl]phenol Chemical compound C=1C=CC=CC=1CCCCCCCCOC(C)CC1=CC=CC=C1O LDCJCVZRXRYGNT-UHFFFAOYSA-N 0.000 description 1
- HTBGVGLYTICKKB-UHFFFAOYSA-N 2-[2-(9-phenylnonoxy)propyl]phenol Chemical compound C=1C=CC=CC=1CCCCCCCCCOC(C)CC1=CC=CC=C1O HTBGVGLYTICKKB-UHFFFAOYSA-N 0.000 description 1
- GYSDAFPVPCMXNK-UHFFFAOYSA-N 2-[2-methyl-2-(1,2,2-triethylcyclohexyl)oxypropyl]phenol Chemical compound C(C)C1(C(CCCC1)(OC(CC1=C(C=CC=C1)O)(C)C)CC)CC GYSDAFPVPCMXNK-UHFFFAOYSA-N 0.000 description 1
- GXHGMHYGFKRWRQ-UHFFFAOYSA-N 2-[2-methyl-2-(1-methylcyclohexyl)oxypropyl]phenol Chemical compound C1CCCCC1(C)OC(C)(C)CC1=CC=CC=C1O GXHGMHYGFKRWRQ-UHFFFAOYSA-N 0.000 description 1
- FAJJAXVBFZKRFC-UHFFFAOYSA-N 2-[2-methyl-2-(1-methylcyclopentyl)oxypropyl]phenol Chemical compound C1CCCC1(C)OC(C)(C)CC1=CC=CC=C1O FAJJAXVBFZKRFC-UHFFFAOYSA-N 0.000 description 1
- XRFQZGMQIJMMDS-UHFFFAOYSA-N 2-[2-methyl-2-(1-pentylcyclohexyl)oxypropyl]phenol Chemical compound C=1C=CC=C(O)C=1CC(C)(C)OC1(CCCCC)CCCCC1 XRFQZGMQIJMMDS-UHFFFAOYSA-N 0.000 description 1
- OHOWSWLVEWZSKA-UHFFFAOYSA-N 2-[2-methyl-2-(1-propylcyclohexyl)oxypropyl]phenol Chemical compound C=1C=CC=C(O)C=1CC(C)(C)OC1(CCC)CCCCC1 OHOWSWLVEWZSKA-UHFFFAOYSA-N 0.000 description 1
- NMJBEUYGCNVDEW-UHFFFAOYSA-N 2-[2-methyl-2-(2,3,4-tributylphenoxy)propyl]phenol Chemical compound CCCCC1=C(CCCC)C(CCCC)=CC=C1OC(C)(C)CC1=CC=CC=C1O NMJBEUYGCNVDEW-UHFFFAOYSA-N 0.000 description 1
- ZIXTUSCOUTXJDF-UHFFFAOYSA-N 2-[2-methyl-2-(2,3,4-tributylphenyl)propyl]phenol Chemical compound CCCCC1=C(CCCC)C(CCCC)=CC=C1C(C)(C)CC1=CC=CC=C1O ZIXTUSCOUTXJDF-UHFFFAOYSA-N 0.000 description 1
- GMHVYECUNNKORI-UHFFFAOYSA-N 2-[2-methyl-2-(2,3,4-triethylphenoxy)propyl]phenol Chemical compound CCC1=C(CC)C(CC)=CC=C1OC(C)(C)CC1=CC=CC=C1O GMHVYECUNNKORI-UHFFFAOYSA-N 0.000 description 1
- VTNKMMAOWQZQPS-UHFFFAOYSA-N 2-[2-methyl-2-(2,3,4-trimethylphenoxy)propyl]phenol Chemical compound CC1=C(C)C(C)=CC=C1OC(C)(C)CC1=CC=CC=C1O VTNKMMAOWQZQPS-UHFFFAOYSA-N 0.000 description 1
- SZIQLSJNPIKCOP-UHFFFAOYSA-N 2-[2-methyl-2-(2,3,4-trimethylphenyl)propyl]phenol Chemical compound CC1=C(C)C(C)=CC=C1C(C)(C)CC1=CC=CC=C1O SZIQLSJNPIKCOP-UHFFFAOYSA-N 0.000 description 1
- MIYOTLCFVDSWPH-UHFFFAOYSA-N 2-[2-methyl-2-(2,3,4-tripropylphenoxy)propyl]phenol Chemical compound CCCC1=C(CCC)C(CCC)=CC=C1OC(C)(C)CC1=CC=CC=C1O MIYOTLCFVDSWPH-UHFFFAOYSA-N 0.000 description 1
- CKNNDYBRVMKFOT-UHFFFAOYSA-N 2-[2-methyl-2-(2,3,4-tripropylphenyl)propyl]phenol Chemical compound CCCC1=C(CCC)C(CCC)=CC=C1C(C)(C)CC1=CC=CC=C1O CKNNDYBRVMKFOT-UHFFFAOYSA-N 0.000 description 1
- YAOITBJRGYPBHV-UHFFFAOYSA-N 2-[2-methyl-2-(2-methylphenoxy)propyl]phenol Chemical compound CC1=CC=CC=C1OC(C)(C)CC1=CC=CC=C1O YAOITBJRGYPBHV-UHFFFAOYSA-N 0.000 description 1
- LSPKJJRVRUGFQR-UHFFFAOYSA-N 2-[2-methyl-2-(2-methylphenyl)propyl]phenol Chemical compound CC1=CC=CC=C1C(C)(C)CC1=CC=CC=C1O LSPKJJRVRUGFQR-UHFFFAOYSA-N 0.000 description 1
- UNAVMPOIZGZTIF-UHFFFAOYSA-N 2-[2-methyl-2-(2-nonylphenoxy)propyl]phenol Chemical compound CCCCCCCCCC1=CC=CC=C1OC(C)(C)CC1=CC=CC=C1O UNAVMPOIZGZTIF-UHFFFAOYSA-N 0.000 description 1
- CSGMVVHDGYGZQZ-UHFFFAOYSA-N 2-[2-methyl-2-(2-nonylphenyl)propyl]phenol Chemical compound CCCCCCCCCC1=CC=CC=C1C(C)(C)CC1=CC=CC=C1O CSGMVVHDGYGZQZ-UHFFFAOYSA-N 0.000 description 1
- UITPIJLCHCYINS-UHFFFAOYSA-N 2-[2-methyl-2-(2-octylphenoxy)propyl]phenol Chemical compound CCCCCCCCC1=CC=CC=C1OC(C)(C)CC1=CC=CC=C1O UITPIJLCHCYINS-UHFFFAOYSA-N 0.000 description 1
- SLGMCMYHAPWXGB-UHFFFAOYSA-N 2-[2-methyl-2-(2-octylphenyl)propyl]phenol Chemical compound CCCCCCCCC1=CC=CC=C1C(C)(C)CC1=CC=CC=C1O SLGMCMYHAPWXGB-UHFFFAOYSA-N 0.000 description 1
- ZGLJXPVSTQSPOH-UHFFFAOYSA-N 2-[2-methyl-2-(2-pentylphenoxy)propyl]phenol Chemical compound CCCCCC1=CC=CC=C1OC(C)(C)CC1=CC=CC=C1O ZGLJXPVSTQSPOH-UHFFFAOYSA-N 0.000 description 1
- ICFQYDARPQYHEQ-UHFFFAOYSA-N 2-[2-methyl-2-(2-pentylphenyl)propyl]phenol Chemical compound CCCCCC1=CC=CC=C1C(C)(C)CC1=CC=CC=C1O ICFQYDARPQYHEQ-UHFFFAOYSA-N 0.000 description 1
- UEAQOWHSMBSCRN-UHFFFAOYSA-N 2-[2-methyl-2-(2-phenylethoxy)propyl]phenol Chemical compound C=1C=CC=CC=1CCOC(C)(C)CC1=CC=CC=C1O UEAQOWHSMBSCRN-UHFFFAOYSA-N 0.000 description 1
- DPWXBRNJCUNTDF-UHFFFAOYSA-N 2-[2-methyl-2-(2-phenylphenoxy)propyl]phenol Chemical compound C=1C=CC=C(C=2C=CC=CC=2)C=1OC(C)(C)CC1=CC=CC=C1O DPWXBRNJCUNTDF-UHFFFAOYSA-N 0.000 description 1
- CFOJITIPFYQTGW-UHFFFAOYSA-N 2-[2-methyl-2-(2-propylphenoxy)propyl]phenol Chemical compound CCCC1=CC=CC=C1OC(C)(C)CC1=CC=CC=C1O CFOJITIPFYQTGW-UHFFFAOYSA-N 0.000 description 1
- YQGVONLHKJGWTA-UHFFFAOYSA-N 2-[2-methyl-2-(2-propylphenyl)propyl]phenol Chemical compound CCCC1=CC=CC=C1C(C)(C)CC1=CC=CC=C1O YQGVONLHKJGWTA-UHFFFAOYSA-N 0.000 description 1
- BNNOEGAHEFTSAU-UHFFFAOYSA-N 2-[2-methyl-2-(3-phenylpropoxy)propyl]phenol Chemical compound C=1C=CC=CC=1CCCOC(C)(C)CC1=CC=CC=C1O BNNOEGAHEFTSAU-UHFFFAOYSA-N 0.000 description 1
- LZZXRQCTNNOKAK-UHFFFAOYSA-N 2-[2-methyl-2-(4-phenylbutoxy)propyl]phenol Chemical compound C=1C=CC=CC=1CCCCOC(C)(C)CC1=CC=CC=C1O LZZXRQCTNNOKAK-UHFFFAOYSA-N 0.000 description 1
- KZDAIKXWFWMHFW-UHFFFAOYSA-N 2-[2-methyl-2-(5-phenylpentoxy)propyl]phenol Chemical compound C=1C=CC=CC=1CCCCCOC(C)(C)CC1=CC=CC=C1O KZDAIKXWFWMHFW-UHFFFAOYSA-N 0.000 description 1
- RMBMOZVNGIUXRM-UHFFFAOYSA-N 2-[2-methyl-2-(6-phenylhexoxy)propyl]phenol Chemical compound C=1C=CC=CC=1CCCCCCOC(C)(C)CC1=CC=CC=C1O RMBMOZVNGIUXRM-UHFFFAOYSA-N 0.000 description 1
- MWNUIDGAYUPPQD-UHFFFAOYSA-N 2-[2-methyl-2-(7-phenylheptoxy)propyl]phenol Chemical compound C=1C=CC=CC=1CCCCCCCOC(C)(C)CC1=CC=CC=C1O MWNUIDGAYUPPQD-UHFFFAOYSA-N 0.000 description 1
- AJJKDPVQEKWVFE-UHFFFAOYSA-N 2-[2-methyl-2-(8-phenyloctoxy)propyl]phenol Chemical compound C=1C=CC=CC=1CCCCCCCCOC(C)(C)CC1=CC=CC=C1O AJJKDPVQEKWVFE-UHFFFAOYSA-N 0.000 description 1
- PFNDVEFCURDRHR-UHFFFAOYSA-N 2-[2-methyl-2-(9-phenylnonoxy)propyl]phenol Chemical compound C=1C=CC=CC=1CCCCCCCCCOC(C)(C)CC1=CC=CC=C1O PFNDVEFCURDRHR-UHFFFAOYSA-N 0.000 description 1
- LCRRRVCBNYXRQD-UHFFFAOYSA-N 2-[di(nonyl)amino]phenol Chemical compound CCCCCCCCCN(CCCCCCCCC)C1=CC=CC=C1O LCRRRVCBNYXRQD-UHFFFAOYSA-N 0.000 description 1
- MNQJGSCHVDVZGH-UHFFFAOYSA-N 2-[phenoxy(diphenyl)methyl]phenol Chemical compound OC1=CC=CC=C1C(C=1C=CC=CC=1)(C=1C=CC=CC=1)OC1=CC=CC=C1 MNQJGSCHVDVZGH-UHFFFAOYSA-N 0.000 description 1
- WDNZXHUUNHEDJY-UHFFFAOYSA-N 2-[phenoxy(phenyl)methyl]phenol Chemical compound OC1=CC=CC=C1C(C=1C=CC=CC=1)OC1=CC=CC=C1 WDNZXHUUNHEDJY-UHFFFAOYSA-N 0.000 description 1
- VADKRMSMGWJZCF-UHFFFAOYSA-N 2-bromophenol Chemical compound OC1=CC=CC=C1Br VADKRMSMGWJZCF-UHFFFAOYSA-N 0.000 description 1
- ISPYQTSUDJAMAB-UHFFFAOYSA-N 2-chlorophenol Chemical compound OC1=CC=CC=C1Cl ISPYQTSUDJAMAB-UHFFFAOYSA-N 0.000 description 1
- YYUUSAFRJJBDDU-UHFFFAOYSA-N 2-decan-2-ylphenol Chemical compound CCCCCCCCC(C)C1=CC=CC=C1O YYUUSAFRJJBDDU-UHFFFAOYSA-N 0.000 description 1
- FDIPWBUDOCPIMH-UHFFFAOYSA-N 2-decylphenol Chemical compound CCCCCCCCCCC1=CC=CC=C1O FDIPWBUDOCPIMH-UHFFFAOYSA-N 0.000 description 1
- PCONHAXLMNWOQO-UHFFFAOYSA-N 2-dodecan-2-ylphenol Chemical compound CCCCCCCCCCC(C)C1=CC=CC=C1O PCONHAXLMNWOQO-UHFFFAOYSA-N 0.000 description 1
- CYEJMVLDXAUOPN-UHFFFAOYSA-N 2-dodecylphenol Chemical compound CCCCCCCCCCCCC1=CC=CC=C1O CYEJMVLDXAUOPN-UHFFFAOYSA-N 0.000 description 1
- MOEFFSWKSMRFRQ-UHFFFAOYSA-N 2-ethoxyphenol Chemical compound CCOC1=CC=CC=C1O MOEFFSWKSMRFRQ-UHFFFAOYSA-N 0.000 description 1
- CKVQIYQLENENJN-UHFFFAOYSA-N 2-heptan-2-ylphenol Chemical compound CCCCCC(C)C1=CC=CC=C1O CKVQIYQLENENJN-UHFFFAOYSA-N 0.000 description 1
- YIQMALLXRXXWPJ-UHFFFAOYSA-N 2-heptyl-3-phenylphenol Chemical compound CCCCCCCC1=C(O)C=CC=C1C1=CC=CC=C1 YIQMALLXRXXWPJ-UHFFFAOYSA-N 0.000 description 1
- FIWYWGLEPWBBQU-UHFFFAOYSA-N 2-heptylphenol Chemical compound CCCCCCCC1=CC=CC=C1O FIWYWGLEPWBBQU-UHFFFAOYSA-N 0.000 description 1
- FNIMGPUBQOHMLJ-UHFFFAOYSA-N 2-hexan-2-ylphenol Chemical compound CCCCC(C)C1=CC=CC=C1O FNIMGPUBQOHMLJ-UHFFFAOYSA-N 0.000 description 1
- DYSYKDCSJGCGRJ-UHFFFAOYSA-N 2-hexyl-3-phenylphenol Chemical compound CCCCCCC1=C(O)C=CC=C1C1=CC=CC=C1 DYSYKDCSJGCGRJ-UHFFFAOYSA-N 0.000 description 1
- CXCMHIHWZCWXQU-UHFFFAOYSA-N 2-methylpyridine-3,4-diamine Chemical compound CC1=NC=CC(N)=C1N CXCMHIHWZCWXQU-UHFFFAOYSA-N 0.000 description 1
- LQONMLFUIKXNDX-UHFFFAOYSA-N 2-nonan-2-ylphenol Chemical compound CCCCCCCC(C)C1=CC=CC=C1O LQONMLFUIKXNDX-UHFFFAOYSA-N 0.000 description 1
- GEXGYOKUETVDBV-UHFFFAOYSA-N 2-octadecan-2-ylphenol Chemical compound CCCCCCCCCCCCCCCCC(C)C1=CC=CC=C1O GEXGYOKUETVDBV-UHFFFAOYSA-N 0.000 description 1
- WCRKLZYTQVZTMM-UHFFFAOYSA-N 2-octadecylphenol Chemical compound CCCCCCCCCCCCCCCCCCC1=CC=CC=C1O WCRKLZYTQVZTMM-UHFFFAOYSA-N 0.000 description 1
- YENLEHMSMBFUTB-UHFFFAOYSA-N 2-octan-2-ylphenol Chemical compound CCCCCCC(C)C1=CC=CC=C1O YENLEHMSMBFUTB-UHFFFAOYSA-N 0.000 description 1
- ROMXEVFSCNLHAB-UHFFFAOYSA-N 2-pentan-2-ylphenol Chemical compound CCCC(C)C1=CC=CC=C1O ROMXEVFSCNLHAB-UHFFFAOYSA-N 0.000 description 1
- BUJVYYWUGLRIRU-UHFFFAOYSA-N 2-pentyl-3-phenylphenol Chemical class CCCCCC1=C(O)C=CC=C1C1=CC=CC=C1 BUJVYYWUGLRIRU-UHFFFAOYSA-N 0.000 description 1
- MEEKGULDSDXFCN-UHFFFAOYSA-N 2-pentylphenol Chemical compound CCCCCC1=CC=CC=C1O MEEKGULDSDXFCN-UHFFFAOYSA-N 0.000 description 1
- HPVTTYNAENJWQG-UHFFFAOYSA-N 2-phenoxybenzene-1,3-diol Chemical compound OC1=CC=CC(O)=C1OC1=CC=CC=C1 HPVTTYNAENJWQG-UHFFFAOYSA-N 0.000 description 1
- OWBBKSORQDLSSW-UHFFFAOYSA-N 2-phenyl-3-propylbenzene-1,4-diol Chemical compound OC1=C(C(=C(C=C1)O)CCC)C1=CC=CC=C1 OWBBKSORQDLSSW-UHFFFAOYSA-N 0.000 description 1
- UPXZHXVOMCGZDS-UHFFFAOYSA-N 2-phenylbenzene-1,3-diol Chemical compound OC1=CC=CC(O)=C1C1=CC=CC=C1 UPXZHXVOMCGZDS-UHFFFAOYSA-N 0.000 description 1
- 229940061334 2-phenylphenol Drugs 0.000 description 1
- 125000003903 2-propenyl group Chemical group [H]C([*])([H])C([H])=C([H])[H] 0.000 description 1
- NGFPWHGISWUQOI-UHFFFAOYSA-N 2-sec-butylphenol Chemical compound CCC(C)C1=CC=CC=C1O NGFPWHGISWUQOI-UHFFFAOYSA-N 0.000 description 1
- WJQOZHYUIDYNHM-UHFFFAOYSA-N 2-tert-Butylphenol Chemical compound CC(C)(C)C1=CC=CC=C1O WJQOZHYUIDYNHM-UHFFFAOYSA-N 0.000 description 1
- RGVIYLQXUDJMCP-UHFFFAOYSA-N 2-tridecylphenol Chemical compound CCCCCCCCCCCCCC1=CC=CC=C1O RGVIYLQXUDJMCP-UHFFFAOYSA-N 0.000 description 1
- GVEXOXFTENPDOH-UHFFFAOYSA-N 3,4-diamino-2-methylphenol Chemical compound CC1=C(O)C=CC(N)=C1N GVEXOXFTENPDOH-UHFFFAOYSA-N 0.000 description 1
- MHQULXYNBKWNDF-UHFFFAOYSA-N 3,4-dimethylbenzene-1,2-diamine Chemical group CC1=CC=C(N)C(N)=C1C MHQULXYNBKWNDF-UHFFFAOYSA-N 0.000 description 1
- UAVTXKDNWNFZKC-UHFFFAOYSA-N 3-(2-heptylphenyl)-2-methylphenol Chemical compound C(CCCCCC)C1=C(C=CC=C1)C=1C(=C(C=CC=1)O)C UAVTXKDNWNFZKC-UHFFFAOYSA-N 0.000 description 1
- RNLHGQLZWXBQNY-UHFFFAOYSA-N 3-(aminomethyl)-3,5,5-trimethylcyclohexan-1-amine Chemical compound CC1(C)CC(N)CC(C)(CN)C1 RNLHGQLZWXBQNY-UHFFFAOYSA-N 0.000 description 1
- MQSXUKPGWMJYBT-UHFFFAOYSA-N 3-butylphenol Chemical compound CCCCC1=CC=CC(O)=C1 MQSXUKPGWMJYBT-UHFFFAOYSA-N 0.000 description 1
- PPUYTKKLEAZCCW-UHFFFAOYSA-N 3-dodecylphenol Chemical compound CCCCCCCCCCCCC1=CC=CC(O)=C1 PPUYTKKLEAZCCW-UHFFFAOYSA-N 0.000 description 1
- LBGWUZMLOWVHOG-UHFFFAOYSA-N 3-methylbutan-2-yl carbamate Chemical compound CC(C)C(C)OC(N)=O LBGWUZMLOWVHOG-UHFFFAOYSA-N 0.000 description 1
- GWEIDBLEDZNHPX-UHFFFAOYSA-N 3-octadecylphenol Chemical compound CCCCCCCCCCCCCCCCCCC1=CC=CC(O)=C1 GWEIDBLEDZNHPX-UHFFFAOYSA-N 0.000 description 1
- YBRVSVVVWCFQMG-UHFFFAOYSA-N 4,4'-diaminodiphenylmethane Chemical compound C1=CC(N)=CC=C1CC1=CC=C(N)C=C1 YBRVSVVVWCFQMG-UHFFFAOYSA-N 0.000 description 1
- MWHLORMGUXPWLW-UHFFFAOYSA-N 4,4-diethylcyclohexan-1-ol Chemical compound CCC1(CC)CCC(O)CC1 MWHLORMGUXPWLW-UHFFFAOYSA-N 0.000 description 1
- HMJBXEZHJUYJQY-UHFFFAOYSA-N 4-(aminomethyl)octane-1,8-diamine Chemical compound NCCCCC(CN)CCCN HMJBXEZHJUYJQY-UHFFFAOYSA-N 0.000 description 1
- KJWMCPYEODZESQ-UHFFFAOYSA-N 4-Dodecylphenol Chemical compound CCCCCCCCCCCCC1=CC=C(O)C=C1 KJWMCPYEODZESQ-UHFFFAOYSA-N 0.000 description 1
- KLSLBUSXWBJMEC-UHFFFAOYSA-N 4-Propylphenol Chemical compound CCCC1=CC=C(O)C=C1 KLSLBUSXWBJMEC-UHFFFAOYSA-N 0.000 description 1
- CGTLMVREWQIWEC-UHFFFAOYSA-N 4-decylphenol Chemical compound CCCCCCCCCCC1=CC=C(O)C=C1 CGTLMVREWQIWEC-UHFFFAOYSA-N 0.000 description 1
- MQWCXKGKQLNYQG-UHFFFAOYSA-N 4-methylcyclohexan-1-ol Chemical compound CC1CCC(O)CC1 MQWCXKGKQLNYQG-UHFFFAOYSA-N 0.000 description 1
- KNDDEFBFJLKPFE-UHFFFAOYSA-N 4-n-Heptylphenol Chemical compound CCCCCCCC1=CC=C(O)C=C1 KNDDEFBFJLKPFE-UHFFFAOYSA-N 0.000 description 1
- SZWBRVPZWJYIHI-UHFFFAOYSA-N 4-n-Hexylphenol Chemical compound CCCCCCC1=CC=C(O)C=C1 SZWBRVPZWJYIHI-UHFFFAOYSA-N 0.000 description 1
- ZNPSUQQXTRRSBM-UHFFFAOYSA-N 4-n-Pentylphenol Chemical compound CCCCCC1=CC=C(O)C=C1 ZNPSUQQXTRRSBM-UHFFFAOYSA-N 0.000 description 1
- QIZUBPHXHVWGHD-UHFFFAOYSA-N 4-octadecylphenol Chemical compound CCCCCCCCCCCCCCCCCCC1=CC=C(O)C=C1 QIZUBPHXHVWGHD-UHFFFAOYSA-N 0.000 description 1
- NTDQQZYCCIDJRK-UHFFFAOYSA-N 4-octylphenol Chemical compound CCCCCCCCC1=CC=C(O)C=C1 NTDQQZYCCIDJRK-UHFFFAOYSA-N 0.000 description 1
- BJIYQBIFXLHQRV-UHFFFAOYSA-N 4-phenylbutylurea Chemical compound NC(=O)NCCCCC1=CC=CC=C1 BJIYQBIFXLHQRV-UHFFFAOYSA-N 0.000 description 1
- DPZMVZIQRMVBBW-UHFFFAOYSA-N 5-Phenyl-1-pentanol Chemical compound OCCCCCC1=CC=CC=C1 DPZMVZIQRMVBBW-UHFFFAOYSA-N 0.000 description 1
- XYMBZQPBNSAQID-UHFFFAOYSA-N C(=O)=NN(C(OOC1=C(C(=CC=C1)CCCCC)CCCCC)=O)C1(C(CCCC1)(C)C)C Chemical compound C(=O)=NN(C(OOC1=C(C(=CC=C1)CCCCC)CCCCC)=O)C1(C(CCCC1)(C)C)C XYMBZQPBNSAQID-UHFFFAOYSA-N 0.000 description 1
- NOPUFFHSIIVMDX-UHFFFAOYSA-N C(C)(C)C(OC1=CC=CC=C1)(C(C)C)C1=C(C=CC=C1)O Chemical compound C(C)(C)C(OC1=CC=CC=C1)(C(C)C)C1=C(C=CC=C1)O NOPUFFHSIIVMDX-UHFFFAOYSA-N 0.000 description 1
- NVDVENHBYIIDEE-UHFFFAOYSA-N C(C)(C)C1(CCC(CC1)OC1=C(C=CC=C1)O)C(C)C.CC1=C(C=CC=C1)OC1=C(C(=C(C=C1)O)OC1=C(C=CC=C1)C)OC1=C(C=CC=C1)C Chemical compound C(C)(C)C1(CCC(CC1)OC1=C(C=CC=C1)O)C(C)C.CC1=C(C=CC=C1)OC1=C(C(=C(C=C1)O)OC1=C(C=CC=C1)C)OC1=C(C=CC=C1)C NVDVENHBYIIDEE-UHFFFAOYSA-N 0.000 description 1
- ICQUAXISSSFJML-UHFFFAOYSA-N C(C)(C)C=1C(=C(C=CC1)OC(NC1CC(CC(C1)(C)C)(C)CNC(=O)OC1=C(C=CC=C1)CCCCCCCCCCCC)=O)C(C)C Chemical compound C(C)(C)C=1C(=C(C=CC1)OC(NC1CC(CC(C1)(C)C)(C)CNC(=O)OC1=C(C=CC=C1)CCCCCCCCCCCC)=O)C(C)C ICQUAXISSSFJML-UHFFFAOYSA-N 0.000 description 1
- GSHZCPBPVBUYKB-UHFFFAOYSA-N C(C)(CCCCCCCCCC)C=1C(=C(C=CC1)O)C(C)CCCCCCCCCC Chemical compound C(C)(CCCCCCCCCC)C=1C(=C(C=CC1)O)C(C)CCCCCCCCCC GSHZCPBPVBUYKB-UHFFFAOYSA-N 0.000 description 1
- KXTXPSGRHPVKHW-UHFFFAOYSA-N C(C)C1(CCCC1)OC1=C(C=CC=C1)O.C1(CCCCC1)OC1=C(C=CC=C1)O Chemical compound C(C)C1(CCCC1)OC1=C(C=CC=C1)O.C1(CCCCC1)OC1=C(C=CC=C1)O KXTXPSGRHPVKHW-UHFFFAOYSA-N 0.000 description 1
- SLGMAKDOFNKSHR-UHFFFAOYSA-N C(C)C1(CCCCC1)OC=1C(=C(C=CC1)O)OC1(CCCCC1)CC.CC1(CCCC1)OC=1C(=C(C=CC1)O)OC1(CCCC1)C Chemical compound C(C)C1(CCCCC1)OC=1C(=C(C=CC1)O)OC1(CCCCC1)CC.CC1(CCCC1)OC=1C(=C(C=CC1)O)OC1(CCCC1)C SLGMAKDOFNKSHR-UHFFFAOYSA-N 0.000 description 1
- WQZRCUBVUZCEEH-UHFFFAOYSA-N C(C)C1=C(C=CC=C1)OC1=C(C(=C(C=C1)O)OC1=C(C=CC=C1)CC)OC1=C(C=CC=C1)CC.C(C)C1(CCC(CC1)OC1=C(C(=C(C=C1)O)OC1CCC(CC1)(CC)CC)OC1CCC(CC1)(CC)CC)CC Chemical compound C(C)C1=C(C=CC=C1)OC1=C(C(=C(C=C1)O)OC1=C(C=CC=C1)CC)OC1=C(C=CC=C1)CC.C(C)C1(CCC(CC1)OC1=C(C(=C(C=C1)O)OC1CCC(CC1)(CC)CC)OC1CCC(CC1)(CC)CC)CC WQZRCUBVUZCEEH-UHFFFAOYSA-N 0.000 description 1
- LKQLVXWRFBIJNA-UHFFFAOYSA-N C(CC)C=1C(=C(C=CC1)O)CCC.C(C)C=1C(=C(C=CC1)O)CC Chemical compound C(CC)C=1C(=C(C=CC1)O)CCC.C(C)C=1C(=C(C=CC1)O)CC LKQLVXWRFBIJNA-UHFFFAOYSA-N 0.000 description 1
- MVEXJRUZNNFJGJ-UHFFFAOYSA-N C(CC)OC(OCCC)C=1C(=C(C=CC=1)O)C(OCCC)OCCC Chemical compound C(CC)OC(OCCC)C=1C(=C(C=CC=1)O)C(OCCC)OCCC MVEXJRUZNNFJGJ-UHFFFAOYSA-N 0.000 description 1
- SRYIYNNLMINOEW-UHFFFAOYSA-N C(CCCC)OCC1=C(C=CC=C1)O.C(CCC)OCC1=C(C=CC=C1)O Chemical compound C(CCCC)OCC1=C(C=CC=C1)O.C(CCC)OCC1=C(C=CC=C1)O SRYIYNNLMINOEW-UHFFFAOYSA-N 0.000 description 1
- JGFSZTOVBOBQLC-UHFFFAOYSA-N C(CCCCC)C(OC1CCCCC1)(CCCCCC)C1=C(C=CC=C1)O Chemical compound C(CCCCC)C(OC1CCCCC1)(CCCCCC)C1=C(C=CC=C1)O JGFSZTOVBOBQLC-UHFFFAOYSA-N 0.000 description 1
- GPFPLTADLPKFEO-UHFFFAOYSA-N C(CCCCC)C1=C(C=CC=C1)CC=1C(=C(C=CC1)O)CC1=C(C=CC=C1)CCCCCC.C(C)C1=C(C=CC=C1)CC=1C(=C(C=CC1)O)CC1=C(C=CC=C1)CC Chemical compound C(CCCCC)C1=C(C=CC=C1)CC=1C(=C(C=CC1)O)CC1=C(C=CC=C1)CCCCCC.C(C)C1=C(C=CC=C1)CC=1C(=C(C=CC1)O)CC1=C(C=CC=C1)CC GPFPLTADLPKFEO-UHFFFAOYSA-N 0.000 description 1
- SJBQTMUZQJDLKP-UHFFFAOYSA-N C(CCCCC)C=1C(=C(C=CC1)OC=1C(=C(C=CC1)O)OC1=C(C(=C(C=C1)C(C)C)C(C)C)C(C)C)CCCCCC Chemical compound C(CCCCC)C=1C(=C(C=CC1)OC=1C(=C(C=CC1)O)OC1=C(C(=C(C=C1)C(C)C)C(C)C)C(C)C)CCCCCC SJBQTMUZQJDLKP-UHFFFAOYSA-N 0.000 description 1
- QWNXBDGAVYXEGG-UHFFFAOYSA-N C(CCCCCCC(C)C)C1=C(C=CC=C1)OC(NC1(C(C(CC(C1)(C)C)C)C(NC(=O)OC1=CC=CC=C1)(CCCCCCCCCCCCCCCCCC)CCCCCCCCCCCCCCCCCC)C(CCCCCCCCCCCCCCCCCC)(CCCCCCCCCCCCCCCCCC)NC(=O)OC1=CC=CC=C1)=O Chemical compound C(CCCCCCC(C)C)C1=C(C=CC=C1)OC(NC1(C(C(CC(C1)(C)C)C)C(NC(=O)OC1=CC=CC=C1)(CCCCCCCCCCCCCCCCCC)CCCCCCCCCCCCCCCCCC)C(CCCCCCCCCCCCCCCCCC)(CCCCCCCCCCCCCCCCCC)NC(=O)OC1=CC=CC=C1)=O QWNXBDGAVYXEGG-UHFFFAOYSA-N 0.000 description 1
- MLOJDEUETBESMT-UHFFFAOYSA-N C(CCCCCCC(C)C)NC1=C(C(=C(C=C1)O)NCCCCCCCC(C)C)NCCCCCCCC(C)C Chemical compound C(CCCCCCC(C)C)NC1=C(C(=C(C=C1)O)NCCCCCCCC(C)C)NCCCCCCCC(C)C MLOJDEUETBESMT-UHFFFAOYSA-N 0.000 description 1
- CIIHFEWWNUYGBQ-UHFFFAOYSA-N C(CCCCCCC)C1=C(C=CC=C1)OC(NC1CC(CC(C1)(C)C)(C)CNC(=O)OC1=C(C=CC=C1)CCCCCCCCC)=O Chemical compound C(CCCCCCC)C1=C(C=CC=C1)OC(NC1CC(CC(C1)(C)C)(C)CNC(=O)OC1=C(C=CC=C1)CCCCCCCCC)=O CIIHFEWWNUYGBQ-UHFFFAOYSA-N 0.000 description 1
- NQDIEEUYZJZMRM-UHFFFAOYSA-N C(CCCCCCCC)OC(NC1CC(CC(C1)(C)C)(C)CNC(=O)OCCCCCCCCCCCC)=O Chemical compound C(CCCCCCCC)OC(NC1CC(CC(C1)(C)C)(C)CNC(=O)OCCCCCCCCCCCC)=O NQDIEEUYZJZMRM-UHFFFAOYSA-N 0.000 description 1
- ZRHOZXYGUYNOLR-UHFFFAOYSA-N C(CCCCCCCCC)OC(NC1CC(CC(C1)(C)C)(C)CNC(=O)OCCCCCCCCC)=O Chemical compound C(CCCCCCCCC)OC(NC1CC(CC(C1)(C)C)(C)CNC(=O)OCCCCCCCCC)=O ZRHOZXYGUYNOLR-UHFFFAOYSA-N 0.000 description 1
- VPYDVRQKUQBYSD-UHFFFAOYSA-N C(CCCCCCCCCCC)C1=C(C=CC=C1)OC(NC1CC(CC(C1)(C)C)(C)CNC(=O)OC1=C(C=CC=C1)CCCCCCCCCCCCCCCCCC)=O Chemical compound C(CCCCCCCCCCC)C1=C(C=CC=C1)OC(NC1CC(CC(C1)(C)C)(C)CNC(=O)OC1=C(C=CC=C1)CCCCCCCCCCCCCCCCCC)=O VPYDVRQKUQBYSD-UHFFFAOYSA-N 0.000 description 1
- YANPGOPYAHENPW-UHFFFAOYSA-N C(CCCCCCCCCCCCCCCCC)C1=C(C=CC=C1)O.C(CCCCCCC)C1=C(C=CC=C1)O Chemical compound C(CCCCCCCCCCCCCCCCC)C1=C(C=CC=C1)O.C(CCCCCCC)C1=C(C=CC=C1)O YANPGOPYAHENPW-UHFFFAOYSA-N 0.000 description 1
- WCIQOIWJKWIOBY-UHFFFAOYSA-N C(CCCCCCCCCCCCCCCCC)C=1C(=C(C=CC1)OC(NC1CC(CC(C1)(C)C)(C)C(C)(C(C)C)C(C)C)=O)CCCCCCCCCCCCCCCCCC Chemical compound C(CCCCCCCCCCCCCCCCC)C=1C(=C(C=CC1)OC(NC1CC(CC(C1)(C)C)(C)C(C)(C(C)C)C(C)C)=O)CCCCCCCCCCCCCCCCCC WCIQOIWJKWIOBY-UHFFFAOYSA-N 0.000 description 1
- FWNNNZDAMKIWEC-UHFFFAOYSA-N C1(=CC=CC=C1)C1=C(C(=C(OC=2C(=C(C=CC=2)O)OC2=C(C(=C(C=C2)C2=CC=CC=C2)C2=CC=CC=C2)C2=CC=CC=C2)C=C1)C1=CC=CC=C1)C1=CC=CC=C1 Chemical compound C1(=CC=CC=C1)C1=C(C(=C(OC=2C(=C(C=CC=2)O)OC2=C(C(=C(C=C2)C2=CC=CC=C2)C2=CC=CC=C2)C2=CC=CC=C2)C=C1)C1=CC=CC=C1)C1=CC=CC=C1 FWNNNZDAMKIWEC-UHFFFAOYSA-N 0.000 description 1
- GYHXCPURFCGACL-UHFFFAOYSA-N C1(=CC=CC=C1)C=1C(=C(C=CC1)OC(NC1=C(C(=CC=C1)C)C)=O)C1=CC=CC=C1 Chemical compound C1(=CC=CC=C1)C=1C(=C(C=CC1)OC(NC1=C(C(=CC=C1)C)C)=O)C1=CC=CC=C1 GYHXCPURFCGACL-UHFFFAOYSA-N 0.000 description 1
- RRJKBBFTXBRELG-UHFFFAOYSA-N C1(=CC=CC=C1)C=1C(=C(C=CC1)OC(NC1=CC=CC=C1)=O)C1=CC=CC=C1 Chemical class C1(=CC=CC=C1)C=1C(=C(C=CC1)OC(NC1=CC=CC=C1)=O)C1=CC=CC=C1 RRJKBBFTXBRELG-UHFFFAOYSA-N 0.000 description 1
- XXRSBDHYCWVDEJ-UHFFFAOYSA-N C1(=CC=CC=C1)CCCCCCOCC=1C(=C(C=CC1)O)C(OCC(C)C)C1=CC=CC=C1 Chemical compound C1(=CC=CC=C1)CCCCCCOCC=1C(=C(C=CC1)O)C(OCC(C)C)C1=CC=CC=C1 XXRSBDHYCWVDEJ-UHFFFAOYSA-N 0.000 description 1
- LLOIOUWUDICQFR-UHFFFAOYSA-N C1(=CC=CC=C1)CCCCOC=1C(=C(C(=C(C1)O)OC(C(C)C)C1=CC=CC=C1)OCCCCC1=CC=CC=C1)OCCCCC1=CC=CC=C1 Chemical compound C1(=CC=CC=C1)CCCCOC=1C(=C(C(=C(C1)O)OC(C(C)C)C1=CC=CC=C1)OCCCCC1=CC=CC=C1)OCCCCC1=CC=CC=C1 LLOIOUWUDICQFR-UHFFFAOYSA-N 0.000 description 1
- YYZJUGIRWCTEDW-UHFFFAOYSA-N C1(=CC=CC=C1)CCCCOCC=1C(=C(C=CC1)O)COCCCCC1=CC=CC=C1.C1(=CC=CC=C1)COCC=1C(=C(C=CC1)O)COCC1=CC=CC=C1 Chemical compound C1(=CC=CC=C1)CCCCOCC=1C(=C(C=CC1)O)COCCCCC1=CC=CC=C1.C1(=CC=CC=C1)COCC=1C(=C(C=CC1)O)COCC1=CC=CC=C1 YYZJUGIRWCTEDW-UHFFFAOYSA-N 0.000 description 1
- FRHFCBHCVBYRPT-UHFFFAOYSA-N C1(=CC=CC=C1)CCCOC=1C(=C(C(=C(C1)O)OCCCCCCC1=CC=CC=C1)OCCCCCCC1=CC=CC=C1)OCCCC1=CC=CC=C1 Chemical compound C1(=CC=CC=C1)CCCOC=1C(=C(C(=C(C1)O)OCCCCCCC1=CC=CC=C1)OCCCCCCC1=CC=CC=C1)OCCCC1=CC=CC=C1 FRHFCBHCVBYRPT-UHFFFAOYSA-N 0.000 description 1
- ZUSXMFJETGDIDE-UHFFFAOYSA-N C1(=CC=CC=C1)O.C(CC)C1(CCCCC1)OC=1C(=C(C=CC1)O)OC1(CCCCC1)CCC Chemical compound C1(=CC=CC=C1)O.C(CC)C1(CCCCC1)OC=1C(=C(C=CC1)O)OC1(CCCCC1)CCC ZUSXMFJETGDIDE-UHFFFAOYSA-N 0.000 description 1
- LTNYPKDHICTOIJ-UHFFFAOYSA-N C1(=CC=CC=C1)O.C(CCCCCC)C1=C(C=CC=C1)O Chemical compound C1(=CC=CC=C1)O.C(CCCCCC)C1=C(C=CC=C1)O LTNYPKDHICTOIJ-UHFFFAOYSA-N 0.000 description 1
- FLACYJWTUAHCKJ-UHFFFAOYSA-N C1(=CC=CC=C1)O.C(CCCCCCCCCCCCCCCCC)NC1=C(C=CC=C1)O Chemical compound C1(=CC=CC=C1)O.C(CCCCCCCCCCCCCCCCC)NC1=C(C=CC=C1)O FLACYJWTUAHCKJ-UHFFFAOYSA-N 0.000 description 1
- BYSAMTXAWAGLNH-UHFFFAOYSA-N C1(=CC=CC=C1)O.C1(=CC=CC=C1)C=1C(=C(C=CC1)O)CCCCCCC Chemical compound C1(=CC=CC=C1)O.C1(=CC=CC=C1)C=1C(=C(C=CC1)O)CCCCCCC BYSAMTXAWAGLNH-UHFFFAOYSA-N 0.000 description 1
- NYRAIGZOAKMVCT-UHFFFAOYSA-N C1(=CC=CC=C1)O.C1(CCCCCC1)OCC1=C(C=CC=C1)O Chemical compound C1(=CC=CC=C1)O.C1(CCCCCC1)OCC1=C(C=CC=C1)O NYRAIGZOAKMVCT-UHFFFAOYSA-N 0.000 description 1
- SVGDPBDKSVYTOE-UHFFFAOYSA-N C1(=CC=CC=C1)O.CC1(CCCCC1)OC=1C(=C(C=CC1)O)OC1(CCCCC1)C Chemical compound C1(=CC=CC=C1)O.CC1(CCCCC1)OC=1C(=C(C=CC1)O)OC1(CCCCC1)C SVGDPBDKSVYTOE-UHFFFAOYSA-N 0.000 description 1
- WVTAVJMCMPIXGN-UHFFFAOYSA-N CC(C)CCCCCCCOC(O)=O Chemical compound CC(C)CCCCCCCOC(O)=O WVTAVJMCMPIXGN-UHFFFAOYSA-N 0.000 description 1
- TVHSMYCMZILPNY-UHFFFAOYSA-N CC1=C(C(=C(C=C1)CC=1C(=C(C=CC1)O)CC1=C(C(=C(C=C1)C)C)C)C)C.C(CCC)C=1C(=C(C=CC1)CC=1C(=C(C=CC1)O)CC1=C(C(=CC=C1)CCCC)CCCC)CCCC Chemical compound CC1=C(C(=C(C=C1)CC=1C(=C(C=CC1)O)CC1=C(C(=C(C=C1)C)C)C)C)C.C(CCC)C=1C(=C(C=CC1)CC=1C(=C(C=CC1)O)CC1=C(C(=CC=C1)CCCC)CCCC)CCCC TVHSMYCMZILPNY-UHFFFAOYSA-N 0.000 description 1
- OQYDTOSGONANPV-UHFFFAOYSA-N CCCCCCCCCCCC.C(N)(O)=O Chemical compound CCCCCCCCCCCC.C(N)(O)=O OQYDTOSGONANPV-UHFFFAOYSA-N 0.000 description 1
- NYCOCIMURSFSJM-UHFFFAOYSA-N CCOC1=CC=CC=C1.N=C=O Chemical compound CCOC1=CC=CC=C1.N=C=O NYCOCIMURSFSJM-UHFFFAOYSA-N 0.000 description 1
- QOSSAOTZNIDXMA-UHFFFAOYSA-N Dicylcohexylcarbodiimide Chemical compound C1CCCCC1N=C=NC1CCCCC1 QOSSAOTZNIDXMA-UHFFFAOYSA-N 0.000 description 1
- OIFBSDVPJOWBCH-UHFFFAOYSA-N Diethyl carbonate Chemical compound CCOC(=O)OCC OIFBSDVPJOWBCH-UHFFFAOYSA-N 0.000 description 1
- ZAFNJMIOTHYJRJ-UHFFFAOYSA-N Diisopropyl ether Chemical compound CC(C)OC(C)C ZAFNJMIOTHYJRJ-UHFFFAOYSA-N 0.000 description 1
- PIICEJLVQHRZGT-UHFFFAOYSA-N Ethylenediamine Chemical compound NCCN PIICEJLVQHRZGT-UHFFFAOYSA-N 0.000 description 1
- RYECOJGRJDOGPP-UHFFFAOYSA-N Ethylurea Chemical compound CCNC(N)=O RYECOJGRJDOGPP-UHFFFAOYSA-N 0.000 description 1
- 239000005909 Kieselgur Substances 0.000 description 1
- CERQOIWHTDAKMF-UHFFFAOYSA-N Methacrylic acid Chemical class CC(=C)C(O)=O CERQOIWHTDAKMF-UHFFFAOYSA-N 0.000 description 1
- JLTDJTHDQAWBAV-UHFFFAOYSA-N N,N-dimethylaniline Chemical compound CN(C)C1=CC=CC=C1 JLTDJTHDQAWBAV-UHFFFAOYSA-N 0.000 description 1
- 238000007126 N-alkylation reaction Methods 0.000 description 1
- XGEGHDBEHXKFPX-UHFFFAOYSA-N N-methylthiourea Natural products CNC(N)=O XGEGHDBEHXKFPX-UHFFFAOYSA-N 0.000 description 1
- KUUSPELANRKKIS-UHFFFAOYSA-N N=C=O.N=C=O.C(C=C1)=CC=C1C1=CC=CC2=CC=CC=C12 Chemical compound N=C=O.N=C=O.C(C=C1)=CC=C1C1=CC=CC2=CC=CC=C12 KUUSPELANRKKIS-UHFFFAOYSA-N 0.000 description 1
- TWZLXXVREXAEJX-UHFFFAOYSA-N N=C=O.N=C=O.C1=CC=C2C(C)=CC=CC2=C1 Chemical compound N=C=O.N=C=O.C1=CC=C2C(C)=CC=CC2=C1 TWZLXXVREXAEJX-UHFFFAOYSA-N 0.000 description 1
- UJURFSDRMQAYSU-UHFFFAOYSA-N N=C=O.N=C=O.C1=CC=CC2=C(C=CC=C3)C3=C21 Chemical compound N=C=O.N=C=O.C1=CC=CC2=C(C=CC=C3)C3=C21 UJURFSDRMQAYSU-UHFFFAOYSA-N 0.000 description 1
- AEZZSRCTSQADDX-UHFFFAOYSA-N N=C=O.N=C=O.CC1=CC(C)=CC(C)=C1 Chemical compound N=C=O.N=C=O.CC1=CC(C)=CC(C)=C1 AEZZSRCTSQADDX-UHFFFAOYSA-N 0.000 description 1
- GRYLNZFGIOXLOG-UHFFFAOYSA-N Nitric acid Chemical compound O[N+]([O-])=O GRYLNZFGIOXLOG-UHFFFAOYSA-N 0.000 description 1
- 238000001069 Raman spectroscopy Methods 0.000 description 1
- ATJFFYVFTNAWJD-UHFFFAOYSA-N Tin Chemical compound [Sn] ATJFFYVFTNAWJD-UHFFFAOYSA-N 0.000 description 1
- NUUUZTFGUBJHQL-UHFFFAOYSA-N [2,3-di(nonyl)phenyl] carbamate Chemical class CCCCCCCCCC1=CC=CC(OC(N)=O)=C1CCCCCCCCC NUUUZTFGUBJHQL-UHFFFAOYSA-N 0.000 description 1
- LOGWSCAQXLBAIX-UHFFFAOYSA-N [3-[(carbamoylamino)methyl]-3,5,5-trimethylcyclohexyl]urea Chemical compound CC1(C)CC(NC(N)=O)CC(C)(CNC(N)=O)C1 LOGWSCAQXLBAIX-UHFFFAOYSA-N 0.000 description 1
- XGXYRFYJUXSORP-UHFFFAOYSA-N [3-[[(2,3-diethylphenoxy)carbonylamino]methyl]-3,5,5-trimethylcyclohexyl]carbamic acid Chemical compound CCC1=CC=CC(OC(=O)NCC2(C)CC(C)(C)CC(C2)NC(O)=O)=C1CC XGXYRFYJUXSORP-UHFFFAOYSA-N 0.000 description 1
- UBZKKLINCSWUEP-UHFFFAOYSA-N [3-[[(2,3-dimethylphenoxy)carbonylamino]methyl]-3,5,5-trimethylcyclohexyl]carbamic acid Chemical compound CC1=CC=CC(OC(=O)NCC2(C)CC(C)(C)CC(C2)NC(O)=O)=C1C UBZKKLINCSWUEP-UHFFFAOYSA-N 0.000 description 1
- LDNMZNCIJAYURW-UHFFFAOYSA-N [3-[[(2-decylphenoxy)carbonylamino]methyl]-3,5,5-trimethylcyclohexyl]carbamic acid Chemical compound CCCCCCCCCCC1=CC=CC=C1OC(=O)NCC1(C)CC(C)(C)CC(NC(O)=O)C1 LDNMZNCIJAYURW-UHFFFAOYSA-N 0.000 description 1
- WRAPDFMJZKJPJS-UHFFFAOYSA-N [3-[[(2-heptylphenoxy)carbonylamino]methyl]-3,5,5-trimethylcyclohexyl]carbamic acid Chemical compound CCCCCCCC1=CC=CC=C1OC(=O)NCC1(C)CC(C)(C)CC(NC(O)=O)C1 WRAPDFMJZKJPJS-UHFFFAOYSA-N 0.000 description 1
- DHKHKXVYLBGOIT-UHFFFAOYSA-N acetaldehyde Diethyl Acetal Natural products CCOC(C)OCC DHKHKXVYLBGOIT-UHFFFAOYSA-N 0.000 description 1
- 150000001241 acetals Chemical class 0.000 description 1
- 230000002378 acidificating effect Effects 0.000 description 1
- 125000002252 acyl group Chemical group 0.000 description 1
- 150000001298 alcohols Chemical class 0.000 description 1
- 125000002723 alicyclic group Chemical group 0.000 description 1
- 229910052783 alkali metal Inorganic materials 0.000 description 1
- 150000001340 alkali metals Chemical class 0.000 description 1
- 229910052784 alkaline earth metal Inorganic materials 0.000 description 1
- 150000001342 alkaline earth metals Chemical class 0.000 description 1
- 229910052782 aluminium Inorganic materials 0.000 description 1
- XAGFODPZIPBFFR-UHFFFAOYSA-N aluminium Chemical compound [Al] XAGFODPZIPBFFR-UHFFFAOYSA-N 0.000 description 1
- 235000011114 ammonium hydroxide Nutrition 0.000 description 1
- 125000005428 anthryl group Chemical group [H]C1=C([H])C([H])=C2C([H])=C3C(*)=C([H])C([H])=C([H])C3=C([H])C2=C1[H] 0.000 description 1
- 239000007864 aqueous solution Substances 0.000 description 1
- 125000006615 aromatic heterocyclic group Chemical group 0.000 description 1
- 238000007080 aromatic substitution reaction Methods 0.000 description 1
- 238000010923 batch production Methods 0.000 description 1
- HFACYLZERDEVSX-UHFFFAOYSA-N benzidine Chemical group C1=CC(N)=CC=C1C1=CC=C(N)C=C1 HFACYLZERDEVSX-UHFFFAOYSA-N 0.000 description 1
- RJNJWHFSKNJCTB-UHFFFAOYSA-N benzylurea Chemical compound NC(=O)NCC1=CC=CC=C1 RJNJWHFSKNJCTB-UHFFFAOYSA-N 0.000 description 1
- 230000033228 biological regulation Effects 0.000 description 1
- IFVTZJHWGZSXFD-UHFFFAOYSA-N biphenylene Chemical group C1=CC=C2C3=CC=CC=C3C2=C1 IFVTZJHWGZSXFD-UHFFFAOYSA-N 0.000 description 1
- RDVFJLBGJRECDY-UHFFFAOYSA-N bis(2,3,4-tributylphenyl) carbonate Chemical compound CCCCC1=C(CCCC)C(CCCC)=CC=C1OC(=O)OC1=CC=C(CCCC)C(CCCC)=C1CCCC RDVFJLBGJRECDY-UHFFFAOYSA-N 0.000 description 1
- YQCFGACXGBVHCV-UHFFFAOYSA-N bis(2,3,4-triethylphenyl) carbonate Chemical compound CCC1=C(CC)C(CC)=CC=C1OC(=O)OC1=CC=C(CC)C(CC)=C1CC YQCFGACXGBVHCV-UHFFFAOYSA-N 0.000 description 1
- FYBYSMGULHLCHZ-UHFFFAOYSA-N bis(2,3,4-trimethylphenyl) carbonate Chemical compound CC1=C(C)C(C)=CC=C1OC(=O)OC1=CC=C(C)C(C)=C1C FYBYSMGULHLCHZ-UHFFFAOYSA-N 0.000 description 1
- PMPLRKBTHULVDG-UHFFFAOYSA-N bis(2,3-dibutylphenyl) carbonate Chemical compound CCCCC1=CC=CC(OC(=O)OC=2C(=C(CCCC)C=CC=2)CCCC)=C1CCCC PMPLRKBTHULVDG-UHFFFAOYSA-N 0.000 description 1
- DJVJYUSJJPGJQA-UHFFFAOYSA-N bis(2,3-diethylphenyl) carbonate Chemical compound CCC1=CC=CC(OC(=O)OC=2C(=C(CC)C=CC=2)CC)=C1CC DJVJYUSJJPGJQA-UHFFFAOYSA-N 0.000 description 1
- PHELLELHPSEBMW-UHFFFAOYSA-N bis(2,3-diheptylphenyl) carbonate Chemical compound CCCCCCCC1=CC=CC(OC(=O)OC=2C(=C(CCCCCCC)C=CC=2)CCCCCCC)=C1CCCCCCC PHELLELHPSEBMW-UHFFFAOYSA-N 0.000 description 1
- RHATVZBALBUXBY-UHFFFAOYSA-N bis(2,3-dimethylphenyl) carbonate Chemical compound CC1=CC=CC(OC(=O)OC=2C(=C(C)C=CC=2)C)=C1C RHATVZBALBUXBY-UHFFFAOYSA-N 0.000 description 1
- POOPXLHKYKMWDJ-UHFFFAOYSA-N bis(2,3-dipentylphenyl) carbonate Chemical compound CCCCCC1=CC=CC(OC(=O)OC=2C(=C(CCCCC)C=CC=2)CCCCC)=C1CCCCC POOPXLHKYKMWDJ-UHFFFAOYSA-N 0.000 description 1
- LIGCAYURCGDSRQ-UHFFFAOYSA-N bis(2,3-dipropylphenyl) carbonate Chemical compound CCCC1=CC=CC(OC(=O)OC=2C(=C(CCC)C=CC=2)CCC)=C1CCC LIGCAYURCGDSRQ-UHFFFAOYSA-N 0.000 description 1
- FWRXBOKRNGWMDD-UHFFFAOYSA-N bis(2-butylphenyl) carbonate Chemical compound CCCCC1=CC=CC=C1OC(=O)OC1=CC=CC=C1CCCC FWRXBOKRNGWMDD-UHFFFAOYSA-N 0.000 description 1
- PWHSYFPCSWTHDH-UHFFFAOYSA-N bis(2-decylphenyl) carbonate Chemical compound CCCCCCCCCCC1=CC=CC=C1OC(=O)OC1=CC=CC=C1CCCCCCCCCC PWHSYFPCSWTHDH-UHFFFAOYSA-N 0.000 description 1
- YAPBIDJHZIYQSK-UHFFFAOYSA-N bis(2-ethylphenyl) carbonate Chemical compound CCC1=CC=CC=C1OC(=O)OC1=CC=CC=C1CC YAPBIDJHZIYQSK-UHFFFAOYSA-N 0.000 description 1
- KCEREQHILNJCKS-UHFFFAOYSA-N bis(2-heptylphenyl) carbonate Chemical compound CCCCCCCC1=CC=CC=C1OC(=O)OC1=CC=CC=C1CCCCCCC KCEREQHILNJCKS-UHFFFAOYSA-N 0.000 description 1
- OVOJOVKLDIRHBD-UHFFFAOYSA-N bis(2-hexylphenyl) carbonate Chemical compound CCCCCCC1=CC=CC=C1OC(=O)OC1=CC=CC=C1CCCCCC OVOJOVKLDIRHBD-UHFFFAOYSA-N 0.000 description 1
- POZGCGJFBOZPCM-UHFFFAOYSA-N bis(2-methylphenyl) carbonate Chemical compound CC1=CC=CC=C1OC(=O)OC1=CC=CC=C1C POZGCGJFBOZPCM-UHFFFAOYSA-N 0.000 description 1
- OOJFDVPHZVRRJS-UHFFFAOYSA-N bis(2-nonylphenyl) carbonate Chemical compound CCCCCCCCCC1=CC=CC=C1OC(=O)OC1=CC=CC=C1CCCCCCCCC OOJFDVPHZVRRJS-UHFFFAOYSA-N 0.000 description 1
- IVZVDXZDEYZQRJ-UHFFFAOYSA-N bis(2-octylphenyl) carbonate Chemical compound CCCCCCCCC1=CC=CC=C1OC(=O)OC1=CC=CC=C1CCCCCCCC IVZVDXZDEYZQRJ-UHFFFAOYSA-N 0.000 description 1
- YNQHBBBRRLHNGJ-UHFFFAOYSA-N bis(2-pentylphenyl) carbonate Chemical compound CCCCCC1=CC=CC=C1OC(=O)OC1=CC=CC=C1CCCCC YNQHBBBRRLHNGJ-UHFFFAOYSA-N 0.000 description 1
- KPTHKGHRNZMEAM-UHFFFAOYSA-N bis(2-phenylethyl) carbonate Chemical compound C=1C=CC=CC=1CCOC(=O)OCCC1=CC=CC=C1 KPTHKGHRNZMEAM-UHFFFAOYSA-N 0.000 description 1
- LGXDMAUHWFVPKO-UHFFFAOYSA-N bis(2-phenylphenyl) carbonate Chemical compound C=1C=CC=C(C=2C=CC=CC=2)C=1OC(=O)OC1=CC=CC=C1C1=CC=CC=C1 LGXDMAUHWFVPKO-UHFFFAOYSA-N 0.000 description 1
- NXWNUSGXRSUNBA-UHFFFAOYSA-N bis(2-propylphenyl) carbonate Chemical compound CCCC1=CC=CC=C1OC(=O)OC1=CC=CC=C1CCC NXWNUSGXRSUNBA-UHFFFAOYSA-N 0.000 description 1
- IHYIGUIPVVUALV-UHFFFAOYSA-N bis(3-phenylpropyl) carbonate Chemical compound C=1C=CC=CC=1CCCOC(=O)OCCCC1=CC=CC=C1 IHYIGUIPVVUALV-UHFFFAOYSA-N 0.000 description 1
- UIMMIZFQKKQYGW-UHFFFAOYSA-N bis(4-phenylbutyl) carbonate Chemical compound C=1C=CC=CC=1CCCCOC(=O)OCCCCC1=CC=CC=C1 UIMMIZFQKKQYGW-UHFFFAOYSA-N 0.000 description 1
- VEWFBWYHSIGPGE-UHFFFAOYSA-N bis(5-phenylpentyl) carbonate Chemical compound C=1C=CC=CC=1CCCCCOC(=O)OCCCCCC1=CC=CC=C1 VEWFBWYHSIGPGE-UHFFFAOYSA-N 0.000 description 1
- UCSGLZXKQODUOA-UHFFFAOYSA-N bis(6-phenylhexyl) carbonate Chemical compound C=1C=CC=CC=1CCCCCCOC(=O)OCCCCCCC1=CC=CC=C1 UCSGLZXKQODUOA-UHFFFAOYSA-N 0.000 description 1
- ZSCAODKZXWOTTE-UHFFFAOYSA-N bis(7-phenylheptyl) carbonate Chemical compound C=1C=CC=CC=1CCCCCCCOC(=O)OCCCCCCCC1=CC=CC=C1 ZSCAODKZXWOTTE-UHFFFAOYSA-N 0.000 description 1
- TVFMFNIIJNIRKW-UHFFFAOYSA-N bis(8-phenyloctyl) carbonate Chemical compound C=1C=CC=CC=1CCCCCCCCOC(=O)OCCCCCCCCC1=CC=CC=C1 TVFMFNIIJNIRKW-UHFFFAOYSA-N 0.000 description 1
- TXZWTLIBBPJBRD-UHFFFAOYSA-N bis(9-phenylnonyl) carbonate Chemical compound C=1C=CC=CC=1CCCCCCCCCOC(=O)OCCCCCCCCCC1=CC=CC=C1 TXZWTLIBBPJBRD-UHFFFAOYSA-N 0.000 description 1
- 239000012267 brine Substances 0.000 description 1
- SXDBWCPKPHAZSM-UHFFFAOYSA-M bromate Inorganic materials [O-]Br(=O)=O SXDBWCPKPHAZSM-UHFFFAOYSA-M 0.000 description 1
- SXDBWCPKPHAZSM-UHFFFAOYSA-N bromic acid Chemical compound OBr(=O)=O SXDBWCPKPHAZSM-UHFFFAOYSA-N 0.000 description 1
- GHWVXCQZPNWFRO-UHFFFAOYSA-N butane-2,3-diamine Chemical compound CC(N)C(C)N GHWVXCQZPNWFRO-UHFFFAOYSA-N 0.000 description 1
- DUAXEFJRDGQLLU-UHFFFAOYSA-N butyl n-[3-[(butoxycarbonylamino)methyl]-3,5,5-trimethylcyclohexyl]carbamate Chemical compound CCCCOC(=O)NCC1(C)CC(NC(=O)OCCCC)CC(C)(C)C1 DUAXEFJRDGQLLU-UHFFFAOYSA-N 0.000 description 1
- ZTIMKJROOYMUMU-UHFFFAOYSA-N butyl n-phenylcarbamate Chemical compound CCCCOC(=O)NC1=CC=CC=C1 ZTIMKJROOYMUMU-UHFFFAOYSA-N 0.000 description 1
- CNWSQCLBDWYLAN-UHFFFAOYSA-N butylurea Chemical compound CCCCNC(N)=O CNWSQCLBDWYLAN-UHFFFAOYSA-N 0.000 description 1
- VHCISIXWAAFVQC-UHFFFAOYSA-N carbamic acid 1,2-diphenylbenzene Chemical group NC(O)=O.C1=CC=CC=C1C1=CC=CC=C1C1=CC=CC=C1 VHCISIXWAAFVQC-UHFFFAOYSA-N 0.000 description 1
- 150000001722 carbon compounds Chemical class 0.000 description 1
- 239000011203 carbon fibre reinforced carbon Substances 0.000 description 1
- IJICVQMBGJZNOV-UHFFFAOYSA-N carbonic acid;1-ethyl-2-(2-phenylphenyl)benzene Chemical group OC(O)=O.CCC1=CC=CC=C1C1=CC=CC=C1C1=CC=CC=C1 IJICVQMBGJZNOV-UHFFFAOYSA-N 0.000 description 1
- XAMBAGRSPJSLCA-UHFFFAOYSA-N carbonic acid;1-ethyl-2-phenylbenzene Chemical group OC(O)=O.CCC1=CC=CC=C1C1=CC=CC=C1 XAMBAGRSPJSLCA-UHFFFAOYSA-N 0.000 description 1
- VKDUNRAMQRTEGB-UHFFFAOYSA-N carbonic acid;1-heptyl-2-phenylbenzene Chemical group OC(O)=O.CCCCCCCC1=CC=CC=C1C1=CC=CC=C1 VKDUNRAMQRTEGB-UHFFFAOYSA-N 0.000 description 1
- JAOFWWHNYULFMO-UHFFFAOYSA-N carbonic acid;1-hexyl-2-(2-phenylphenyl)benzene Chemical group OC(O)=O.CCCCCCC1=CC=CC=C1C1=CC=CC=C1C1=CC=CC=C1 JAOFWWHNYULFMO-UHFFFAOYSA-N 0.000 description 1
- FSJUTAHQWGTNSY-UHFFFAOYSA-N carbonic acid;1-hexyl-2-phenylbenzene Chemical group OC(O)=O.CCCCCCC1=CC=CC=C1C1=CC=CC=C1 FSJUTAHQWGTNSY-UHFFFAOYSA-N 0.000 description 1
- YUDSMGPPEIXEIB-UHFFFAOYSA-N carbonic acid;1-methyl-2-(2-phenylphenyl)benzene Chemical group OC(O)=O.CC1=CC=CC=C1C1=CC=CC=C1C1=CC=CC=C1 YUDSMGPPEIXEIB-UHFFFAOYSA-N 0.000 description 1
- UZZZSJKANGJWDL-UHFFFAOYSA-N carbonic acid;1-methyl-2-phenylbenzene Chemical group OC(O)=O.CC1=CC=CC=C1C1=CC=CC=C1 UZZZSJKANGJWDL-UHFFFAOYSA-N 0.000 description 1
- JJCPEVNAGYFDBX-UHFFFAOYSA-N carbonic acid;1-octyl-2-phenylbenzene Chemical group OC(O)=O.CCCCCCCCC1=CC=CC=C1C1=CC=CC=C1 JJCPEVNAGYFDBX-UHFFFAOYSA-N 0.000 description 1
- BXHGXWHMBBFYGC-UHFFFAOYSA-N carbonic acid;1-pentyl-2-(2-phenylphenyl)benzene Chemical group OC(O)=O.CCCCCC1=CC=CC=C1C1=CC=CC=C1C1=CC=CC=C1 BXHGXWHMBBFYGC-UHFFFAOYSA-N 0.000 description 1
- OXMBEIRCFLWCGQ-UHFFFAOYSA-N carbonic acid;1-pentyl-2-phenylbenzene Chemical group OC(O)=O.CCCCCC1=CC=CC=C1C1=CC=CC=C1 OXMBEIRCFLWCGQ-UHFFFAOYSA-N 0.000 description 1
- NATNJAIIHSZDHB-UHFFFAOYSA-N carbonic acid;1-phenyl-2-(2-propylphenyl)benzene Chemical group OC(O)=O.CCCC1=CC=CC=C1C1=CC=CC=C1C1=CC=CC=C1 NATNJAIIHSZDHB-UHFFFAOYSA-N 0.000 description 1
- WOENEQCYQQOADQ-UHFFFAOYSA-N carbonic acid;1-phenyl-2-propylbenzene Chemical group OC(O)=O.CCCC1=CC=CC=C1C1=CC=CC=C1 WOENEQCYQQOADQ-UHFFFAOYSA-N 0.000 description 1
- 239000007795 chemical reaction product Substances 0.000 description 1
- 239000000460 chlorine Substances 0.000 description 1
- 229910052801 chlorine Inorganic materials 0.000 description 1
- 150000001805 chlorine compounds Chemical class 0.000 description 1
- 125000001309 chloro group Chemical group Cl* 0.000 description 1
- 238000005112 continuous flow technique Methods 0.000 description 1
- 238000011437 continuous method Methods 0.000 description 1
- 239000000498 cooling water Substances 0.000 description 1
- 150000004696 coordination complex Chemical class 0.000 description 1
- 238000005260 corrosion Methods 0.000 description 1
- 230000007797 corrosion Effects 0.000 description 1
- 238000005336 cracking Methods 0.000 description 1
- QCRFMSUKWRQZEM-UHFFFAOYSA-N cycloheptanol Chemical compound OC1CCCCCC1 QCRFMSUKWRQZEM-UHFFFAOYSA-N 0.000 description 1
- OWEZJUPKTBEISC-UHFFFAOYSA-N decane-1,1-diamine Chemical compound CCCCCCCCCC(N)N OWEZJUPKTBEISC-UHFFFAOYSA-N 0.000 description 1
- GCAJWNIRJIYNAK-UHFFFAOYSA-N decyl n-phenylcarbamate Chemical compound CCCCCCCCCCOC(=O)NC1=CC=CC=C1 GCAJWNIRJIYNAK-UHFFFAOYSA-N 0.000 description 1
- 238000007872 degassing Methods 0.000 description 1
- 238000011161 development Methods 0.000 description 1
- 230000018109 developmental process Effects 0.000 description 1
- PIZLBWGMERQCOC-UHFFFAOYSA-N dibenzyl carbonate Chemical compound C=1C=CC=CC=1COC(=O)OCC1=CC=CC=C1 PIZLBWGMERQCOC-UHFFFAOYSA-N 0.000 description 1
- QLVWOKQMDLQXNN-UHFFFAOYSA-N dibutyl carbonate Chemical compound CCCCOC(=O)OCCCC QLVWOKQMDLQXNN-UHFFFAOYSA-N 0.000 description 1
- GGSUCNLOZRCGPQ-UHFFFAOYSA-N diethylaniline Chemical compound CCN(CC)C1=CC=CC=C1 GGSUCNLOZRCGPQ-UHFFFAOYSA-N 0.000 description 1
- WKLIBSXVDBSEKQ-UHFFFAOYSA-N diheptadecyl carbonate Chemical compound CCCCCCCCCCCCCCCCCOC(=O)OCCCCCCCCCCCCCCCCC WKLIBSXVDBSEKQ-UHFFFAOYSA-N 0.000 description 1
- ZYKOICDLSSOLAN-UHFFFAOYSA-N diheptyl carbonate Chemical compound CCCCCCCOC(=O)OCCCCCCC ZYKOICDLSSOLAN-UHFFFAOYSA-N 0.000 description 1
- RAIOXDBEGGPDRH-UHFFFAOYSA-N dihexadecyl carbonate Chemical compound CCCCCCCCCCCCCCCCOC(=O)OCCCCCCCCCCCCCCCC RAIOXDBEGGPDRH-UHFFFAOYSA-N 0.000 description 1
- OKQDSOXFNBWWJL-UHFFFAOYSA-N dihexyl carbonate Chemical compound CCCCCCOC(=O)OCCCCCC OKQDSOXFNBWWJL-UHFFFAOYSA-N 0.000 description 1
- PGFGNMIDBOQRTR-UHFFFAOYSA-N diisocyanatomethane;hexane Chemical compound CCCCCC.O=C=NCN=C=O PGFGNMIDBOQRTR-UHFFFAOYSA-N 0.000 description 1
- IEJIGPNLZYLLBP-UHFFFAOYSA-N dimethyl carbonate Chemical compound COC(=O)OC IEJIGPNLZYLLBP-UHFFFAOYSA-N 0.000 description 1
- AZTIBGIAIDOHEN-UHFFFAOYSA-N dinonadecyl carbonate Chemical compound CCCCCCCCCCCCCCCCCCCOC(=O)OCCCCCCCCCCCCCCCCCCC AZTIBGIAIDOHEN-UHFFFAOYSA-N 0.000 description 1
- FHWFURWDUGYUMA-UHFFFAOYSA-N dinonyl carbonate Chemical compound CCCCCCCCCOC(=O)OCCCCCCCCC FHWFURWDUGYUMA-UHFFFAOYSA-N 0.000 description 1
- XZMJPSTVHZJNLE-UHFFFAOYSA-N dioctadecyl carbonate Chemical compound CCCCCCCCCCCCCCCCCCOC(=O)OCCCCCCCCCCCCCCCCCC XZMJPSTVHZJNLE-UHFFFAOYSA-N 0.000 description 1
- PKPOVTYZGGYDIJ-UHFFFAOYSA-N dioctyl carbonate Chemical compound CCCCCCCCOC(=O)OCCCCCCCC PKPOVTYZGGYDIJ-UHFFFAOYSA-N 0.000 description 1
- HSNQKJVQUFYBBY-UHFFFAOYSA-N dipentyl carbonate Chemical compound CCCCCOC(=O)OCCCCC HSNQKJVQUFYBBY-UHFFFAOYSA-N 0.000 description 1
- ROORDVPLFPIABK-UHFFFAOYSA-N diphenyl carbonate Chemical compound C=1C=CC=CC=1OC(=O)OC1=CC=CC=C1 ROORDVPLFPIABK-UHFFFAOYSA-N 0.000 description 1
- VUPKGFBOKBGHFZ-UHFFFAOYSA-N dipropyl carbonate Chemical compound CCCOC(=O)OCCC VUPKGFBOKBGHFZ-UHFFFAOYSA-N 0.000 description 1
- POLCUAVZOMRGSN-UHFFFAOYSA-N dipropyl ether Chemical group CCCOCCC POLCUAVZOMRGSN-UHFFFAOYSA-N 0.000 description 1
- 238000002845 discoloration Methods 0.000 description 1
- JTUSQSYFVVBAED-UHFFFAOYSA-N ditetradecyl carbonate Chemical compound CCCCCCCCCCCCCCOC(=O)OCCCCCCCCCCCCCC JTUSQSYFVVBAED-UHFFFAOYSA-N 0.000 description 1
- GKVQWKKFAVIRMY-UHFFFAOYSA-N ditridecyl carbonate Chemical compound CCCCCCCCCCCCCOC(=O)OCCCCCCCCCCCCC GKVQWKKFAVIRMY-UHFFFAOYSA-N 0.000 description 1
- UATVIVWPWXCCFM-UHFFFAOYSA-N dodecyl n-phenylcarbamate Chemical class CCCCCCCCCCCCOC(=O)NC1=CC=CC=C1 UATVIVWPWXCCFM-UHFFFAOYSA-N 0.000 description 1
- 230000002708 enhancing effect Effects 0.000 description 1
- 125000004494 ethyl ester group Chemical group 0.000 description 1
- FBJXFMGDCCZQHZ-UHFFFAOYSA-N ethyl n-[3-[(ethoxycarbonylamino)methyl]-3,5,5-trimethylcyclohexyl]carbamate Chemical compound CCOC(=O)NCC1(C)CC(NC(=O)OCC)CC(C)(C)C1 FBJXFMGDCCZQHZ-UHFFFAOYSA-N 0.000 description 1
- 230000001747 exhibiting effect Effects 0.000 description 1
- 239000003337 fertilizer Substances 0.000 description 1
- 239000008187 granular material Substances 0.000 description 1
- 150000008282 halocarbons Chemical class 0.000 description 1
- 230000017525 heat dissipation Effects 0.000 description 1
- IDCDOSMGPPXJTF-UHFFFAOYSA-N heptyl n-[3-[(heptoxycarbonylamino)methyl]-3,5,5-trimethylcyclohexyl]carbamate Chemical compound CCCCCCCOC(=O)NCC1(C)CC(NC(=O)OCCCCCCC)CC(C)(C)C1 IDCDOSMGPPXJTF-UHFFFAOYSA-N 0.000 description 1
- DJPWEXJHYGPFIU-UHFFFAOYSA-N hexadecyl carbamate Chemical compound CCCCCCCCCCCCCCCCOC(N)=O DJPWEXJHYGPFIU-UHFFFAOYSA-N 0.000 description 1
- 125000004836 hexamethylene group Chemical group [H]C([H])([*:2])C([H])([H])C([H])([H])C([H])([H])C([H])([H])C([H])([H])[*:1] 0.000 description 1
- JUVJQIPDVWOVNP-UHFFFAOYSA-N hexylurea Chemical compound CCCCCCNC(N)=O JUVJQIPDVWOVNP-UHFFFAOYSA-N 0.000 description 1
- 229930195733 hydrocarbon Natural products 0.000 description 1
- 238000006460 hydrolysis reaction Methods 0.000 description 1
- 238000009776 industrial production Methods 0.000 description 1
- 239000004615 ingredient Substances 0.000 description 1
- 239000000543 intermediate Substances 0.000 description 1
- 238000011835 investigation Methods 0.000 description 1
- 230000002427 irreversible effect Effects 0.000 description 1
- NIMLQBUJDJZYEJ-UHFFFAOYSA-N isophorone diisocyanate Chemical compound CC1(C)CC(N=C=O)CC(C)(CN=C=O)C1 NIMLQBUJDJZYEJ-UHFFFAOYSA-N 0.000 description 1
- 150000002605 large molecules Chemical class 0.000 description 1
- 239000011133 lead Substances 0.000 description 1
- 238000004811 liquid chromatography Methods 0.000 description 1
- 238000012423 maintenance Methods 0.000 description 1
- 150000002739 metals Chemical class 0.000 description 1
- BZYNNUKPJKITSL-UHFFFAOYSA-N methyl n-(2,3-dimethylphenyl)carbamate Chemical compound COC(=O)NC1=CC=CC(C)=C1C BZYNNUKPJKITSL-UHFFFAOYSA-N 0.000 description 1
- BAMOLHXSXMKLAA-UHFFFAOYSA-N methyl n-[3-[(methoxycarbonylamino)methyl]-3,5,5-trimethylcyclohexyl]carbamate Chemical compound COC(=O)NCC1(C)CC(NC(=O)OC)CC(C)(C)C1 BAMOLHXSXMKLAA-UHFFFAOYSA-N 0.000 description 1
- IAGUPODHENSJEZ-UHFFFAOYSA-N methyl n-phenylcarbamate Chemical compound COC(=O)NC1=CC=CC=C1 IAGUPODHENSJEZ-UHFFFAOYSA-N 0.000 description 1
- XGEGHDBEHXKFPX-NJFSPNSNSA-N methylurea Chemical compound [14CH3]NC(N)=O XGEGHDBEHXKFPX-NJFSPNSNSA-N 0.000 description 1
- YZOISHTVEWVNHA-UHFFFAOYSA-N n,n'-dicyclohexylmethanediamine Chemical compound C1CCCCC1NCNC1CCCCC1 YZOISHTVEWVNHA-UHFFFAOYSA-N 0.000 description 1
- AJUXDFHPVZQOGF-UHFFFAOYSA-N n,n-dimethyl-1-naphthylamine Chemical compound C1=CC=C2C(N(C)C)=CC=CC2=C1 AJUXDFHPVZQOGF-UHFFFAOYSA-N 0.000 description 1
- MMFBQHXDINNBMW-UHFFFAOYSA-N n,n-dipropylaniline Chemical compound CCCN(CCC)C1=CC=CC=C1 MMFBQHXDINNBMW-UHFFFAOYSA-N 0.000 description 1
- 125000003136 n-heptyl group Chemical group [H]C([H])([H])C([H])([H])C([H])([H])C([H])([H])C([H])([H])C([H])([H])C([H])([H])* 0.000 description 1
- NVSYANRBXPURRQ-UHFFFAOYSA-N naphthalen-1-ylmethanamine Chemical compound C1=CC=C2C(CN)=CC=CC2=C1 NVSYANRBXPURRQ-UHFFFAOYSA-N 0.000 description 1
- FVSUYFWWFUVGRG-UHFFFAOYSA-N naphthalen-1-ylurea Chemical compound C1=CC=C2C(NC(=O)N)=CC=CC2=C1 FVSUYFWWFUVGRG-UHFFFAOYSA-N 0.000 description 1
- 229910052754 neon Inorganic materials 0.000 description 1
- GKAOGPIIYCISHV-UHFFFAOYSA-N neon atom Chemical compound [Ne] GKAOGPIIYCISHV-UHFFFAOYSA-N 0.000 description 1
- 229910017604 nitric acid Inorganic materials 0.000 description 1
- 231100000989 no adverse effect Toxicity 0.000 description 1
- ILUPTSRJUVPYEE-UHFFFAOYSA-N nonadecylcarbamic acid Chemical compound CCCCCCCCCCCCCCCCCCCNC(O)=O ILUPTSRJUVPYEE-UHFFFAOYSA-N 0.000 description 1
- IULGYNXPKZHCIA-UHFFFAOYSA-N octadecyl carbamate Chemical compound CCCCCCCCCCCCCCCCCCOC(N)=O IULGYNXPKZHCIA-UHFFFAOYSA-N 0.000 description 1
- BAQUTPOTCQVDHK-UHFFFAOYSA-N octadecyl n-phenylcarbamate Chemical class CCCCCCCCCCCCCCCCCCOC(=O)NC1=CC=CC=C1 BAQUTPOTCQVDHK-UHFFFAOYSA-N 0.000 description 1
- ODKJMILTPYJXLI-UHFFFAOYSA-N octyl N-(2,3-dimethylphenyl)carbamate Chemical compound CCCCCCCCOC(=O)NC1=CC=CC(C)=C1C ODKJMILTPYJXLI-UHFFFAOYSA-N 0.000 description 1
- RXLYYEUUGZFNAB-UHFFFAOYSA-N octyl n-[[1,3,3-trimethyl-5-(octoxycarbonylamino)cyclohexyl]methyl]carbamate Chemical compound CCCCCCCCOC(=O)NCC1(C)CC(NC(=O)OCCCCCCCC)CC(C)(C)C1 RXLYYEUUGZFNAB-UHFFFAOYSA-N 0.000 description 1
- 239000012074 organic phase Substances 0.000 description 1
- 150000002902 organometallic compounds Chemical class 0.000 description 1
- 235000010292 orthophenyl phenol Nutrition 0.000 description 1
- 230000036961 partial effect Effects 0.000 description 1
- KFKNEHAORPTUSX-UHFFFAOYSA-N pentadecyl carbamate Chemical compound CCCCCCCCCCCCCCCOC(N)=O KFKNEHAORPTUSX-UHFFFAOYSA-N 0.000 description 1
- GPCKFIWBUTWTDH-UHFFFAOYSA-N pentane-3,3-diamine Chemical compound CCC(N)(N)CC GPCKFIWBUTWTDH-UHFFFAOYSA-N 0.000 description 1
- SLFLQKJIFGXDLR-UHFFFAOYSA-N pentyl n-[[1,3,3-trimethyl-5-(pentoxycarbonylamino)cyclohexyl]methyl]carbamate Chemical compound CCCCCOC(=O)NCC1(C)CC(NC(=O)OCCCCC)CC(C)(C)C1 SLFLQKJIFGXDLR-UHFFFAOYSA-N 0.000 description 1
- BIYXGLPPMRDUNY-UHFFFAOYSA-N pentyl n-phenylcarbamate Chemical class CCCCCOC(=O)NC1=CC=CC=C1 BIYXGLPPMRDUNY-UHFFFAOYSA-N 0.000 description 1
- 125000004894 pentylamino group Chemical group C(CCCC)N* 0.000 description 1
- MONRWRVYLOHUFA-UHFFFAOYSA-N pentylurea Chemical compound CCCCCNC(N)=O MONRWRVYLOHUFA-UHFFFAOYSA-N 0.000 description 1
- 125000000951 phenoxy group Chemical group [H]C1=C([H])C([H])=C(O*)C([H])=C1[H] 0.000 description 1
- DGTNSSLYPYDJGL-UHFFFAOYSA-N phenyl isocyanate Chemical compound O=C=NC1=CC=CC=C1 DGTNSSLYPYDJGL-UHFFFAOYSA-N 0.000 description 1
- XVNKRRXASPPECQ-UHFFFAOYSA-N phenyl n-phenylcarbamate Chemical compound C=1C=CC=CC=1OC(=O)NC1=CC=CC=C1 XVNKRRXASPPECQ-UHFFFAOYSA-N 0.000 description 1
- 125000000286 phenylethyl group Chemical group [H]C1=C([H])C([H])=C(C([H])=C1[H])C([H])([H])C([H])([H])* 0.000 description 1
- DYFXGORUJGZJCA-UHFFFAOYSA-N phenylmethanediamine Chemical compound NC(N)C1=CC=CC=C1 DYFXGORUJGZJCA-UHFFFAOYSA-N 0.000 description 1
- 229920000642 polymer Polymers 0.000 description 1
- 229920001296 polysiloxane Polymers 0.000 description 1
- 239000004814 polyurethane Substances 0.000 description 1
- 239000000843 powder Substances 0.000 description 1
- 238000001556 precipitation Methods 0.000 description 1
- 238000002360 preparation method Methods 0.000 description 1
- 230000001737 promoting effect Effects 0.000 description 1
- BDERNNFJNOPAEC-UHFFFAOYSA-N propan-1-ol Chemical compound CCCO BDERNNFJNOPAEC-UHFFFAOYSA-N 0.000 description 1
- ZNZJJSYHZBXQSM-UHFFFAOYSA-N propane-2,2-diamine Chemical compound CC(C)(N)N ZNZJJSYHZBXQSM-UHFFFAOYSA-N 0.000 description 1
- VXPLXMJHHKHSOA-UHFFFAOYSA-N propham Chemical compound CC(C)OC(=O)NC1=CC=CC=C1 VXPLXMJHHKHSOA-UHFFFAOYSA-N 0.000 description 1
- GSTSIZAGGDKQSV-UHFFFAOYSA-N propyl n-[[1,3,3-trimethyl-5-(propoxycarbonylamino)cyclohexyl]methyl]carbamate Chemical compound CCCOC(=O)NCC1(C)CC(NC(=O)OCCC)CC(C)(C)C1 GSTSIZAGGDKQSV-UHFFFAOYSA-N 0.000 description 1
- ZQZJKHIIQFPZCS-UHFFFAOYSA-N propylurea Chemical compound CCCNC(N)=O ZQZJKHIIQFPZCS-UHFFFAOYSA-N 0.000 description 1
- 238000000746 purification Methods 0.000 description 1
- 150000003254 radicals Chemical group 0.000 description 1
- 239000000376 reactant Substances 0.000 description 1
- 230000008929 regeneration Effects 0.000 description 1
- 238000011069 regeneration method Methods 0.000 description 1
- 150000003839 salts Chemical class 0.000 description 1
- 229930195734 saturated hydrocarbon Natural products 0.000 description 1
- HPALAKNZSZLMCH-UHFFFAOYSA-M sodium;chloride;hydrate Chemical compound O.[Na+].[Cl-] HPALAKNZSZLMCH-UHFFFAOYSA-M 0.000 description 1
- 239000007787 solid Substances 0.000 description 1
- 238000007711 solidification Methods 0.000 description 1
- 230000008023 solidification Effects 0.000 description 1
- IUODKOVOMUTKCL-UHFFFAOYSA-N tetradecyl carbamate Chemical compound CCCCCCCCCCCCCCOC(N)=O IUODKOVOMUTKCL-UHFFFAOYSA-N 0.000 description 1
- 238000002411 thermogravimetry Methods 0.000 description 1
- 239000011135 tin Substances 0.000 description 1
- 230000001988 toxicity Effects 0.000 description 1
- 231100000419 toxicity Toxicity 0.000 description 1
- 238000005809 transesterification reaction Methods 0.000 description 1
- QALJFPILSNRZQT-UHFFFAOYSA-N tridecyl carbamate Chemical compound CCCCCCCCCCCCCOC(N)=O QALJFPILSNRZQT-UHFFFAOYSA-N 0.000 description 1
- 125000002889 tridecyl group Chemical group [H]C([*])([H])C([H])([H])C([H])([H])C([H])([H])C([H])([H])C([H])([H])C([H])([H])C([H])([H])C([H])([H])C([H])([H])C([H])([H])C([H])([H])C([H])([H])[H] 0.000 description 1
- IDGNOEREFKPSJG-UHFFFAOYSA-N undecyl carbamate Chemical compound CCCCCCCCCCCOC(N)=O IDGNOEREFKPSJG-UHFFFAOYSA-N 0.000 description 1
- 230000008016 vaporization Effects 0.000 description 1
- 230000004580 weight loss Effects 0.000 description 1
- 239000011701 zinc Substances 0.000 description 1
- 229910052725 zinc Inorganic materials 0.000 description 1
Images
Classifications
-
- C—CHEMISTRY; METALLURGY
- C07—ORGANIC CHEMISTRY
- C07C—ACYCLIC OR CARBOCYCLIC COMPOUNDS
- C07C263/00—Preparation of derivatives of isocyanic acid
- C07C263/04—Preparation of derivatives of isocyanic acid from or via carbamates or carbamoyl halides
-
- C—CHEMISTRY; METALLURGY
- C07—ORGANIC CHEMISTRY
- C07C—ACYCLIC OR CARBOCYCLIC COMPOUNDS
- C07C263/00—Preparation of derivatives of isocyanic acid
- C07C263/18—Separation; Purification; Stabilisation; Use of additives
-
- C—CHEMISTRY; METALLURGY
- C07—ORGANIC CHEMISTRY
- C07C—ACYCLIC OR CARBOCYCLIC COMPOUNDS
- C07C263/00—Preparation of derivatives of isocyanic acid
- C07C263/18—Separation; Purification; Stabilisation; Use of additives
- C07C263/20—Separation; Purification
-
- C—CHEMISTRY; METALLURGY
- C07—ORGANIC CHEMISTRY
- C07C—ACYCLIC OR CARBOCYCLIC COMPOUNDS
- C07C265/00—Derivatives of isocyanic acid
- C07C265/14—Derivatives of isocyanic acid containing at least two isocyanate groups bound to the same carbon skeleton
-
- C—CHEMISTRY; METALLURGY
- C07—ORGANIC CHEMISTRY
- C07C—ACYCLIC OR CARBOCYCLIC COMPOUNDS
- C07C269/00—Preparation of derivatives of carbamic acid, i.e. compounds containing any of the groups, the nitrogen atom not being part of nitro or nitroso groups
- C07C269/04—Preparation of derivatives of carbamic acid, i.e. compounds containing any of the groups, the nitrogen atom not being part of nitro or nitroso groups from amines with formation of carbamate groups
-
- C—CHEMISTRY; METALLURGY
- C07—ORGANIC CHEMISTRY
- C07C—ACYCLIC OR CARBOCYCLIC COMPOUNDS
- C07C269/00—Preparation of derivatives of carbamic acid, i.e. compounds containing any of the groups, the nitrogen atom not being part of nitro or nitroso groups
- C07C269/08—Separation; Purification; Stabilisation; Use of additives
-
- C—CHEMISTRY; METALLURGY
- C07—ORGANIC CHEMISTRY
- C07C—ACYCLIC OR CARBOCYCLIC COMPOUNDS
- C07C271/00—Derivatives of carbamic acids, i.e. compounds containing any of the groups, the nitrogen atom not being part of nitro or nitroso groups
- C07C271/06—Esters of carbamic acids
-
- Y—GENERAL TAGGING OF NEW TECHNOLOGICAL DEVELOPMENTS; GENERAL TAGGING OF CROSS-SECTIONAL TECHNOLOGIES SPANNING OVER SEVERAL SECTIONS OF THE IPC; TECHNICAL SUBJECTS COVERED BY FORMER USPC CROSS-REFERENCE ART COLLECTIONS [XRACs] AND DIGESTS
- Y02—TECHNOLOGIES OR APPLICATIONS FOR MITIGATION OR ADAPTATION AGAINST CLIMATE CHANGE
- Y02P—CLIMATE CHANGE MITIGATION TECHNOLOGIES IN THE PRODUCTION OR PROCESSING OF GOODS
- Y02P20/00—Technologies relating to chemical industry
- Y02P20/50—Improvements relating to the production of bulk chemicals
Landscapes
- Chemical & Material Sciences (AREA)
- Organic Chemistry (AREA)
- Organic Low-Molecular-Weight Compounds And Preparation Thereof (AREA)
Abstract
Description
도 2는 본 실시형태의 이소시아네이트의 제조 방법에 따른 장치의 개략도이다.
도 3은 본 실시형태의 이소시아네이트의 제조 방법에 따른 장치의 개략도이다.
도 4는 본 실시형태의 이소시아네이트의 제조 방법에 따른 장치의 개략도이다.
도 5는 본 실시형태의 이소시아네이트의 제조 방법에 따른 장치의 개략도이다.
도 6은 본 실시형태의 이소시아네이트의 제조 방법에 따른 장치의 개략도이다.
도 7은 본 실시형태의 이소시아네이트의 제조 방법에 따른 장치의 개략도이다.
도 8은 본 실시형태의 이소시아네이트의 제조 방법에 따른 장치의 개략도이다.
도 9는 본 실시형태의 이소시아네이트의 제조 방법에 따른 장치의 개략도이다.
도 10은 본 실시형태의 이소시아네이트의 제조 방법에 따른 장치의 개략도이다.
도 11은 본 실시형태의 이소시아네이트의 제조 방법에 따른 장치의 개략도이다.
도 12는 본 실시형태의 이소시아네이트의 제조 방법에 따른 장치의 개략도이다.
도 13은 본 실시형태의 이소시아네이트의 제조 방법에 따른 장치의 개략도이다.
도 14는 본 실시형태의 이소시아네이트의 제조 방법에 따른 장치의 개략도이다.
도 15는 본 실시형태의 이소시아네이트의 제조 방법에 따른 장치의 개략도이다.
도 16은 본 실시형태의 이소시아네이트의 제조 방법에 따른 장치의 개략도이다.
도 17은 본 실시형태의 이소시아네이트의 제조 방법에 따른 장치의 개략도이다.
도 18은 본 실시형태의 이소시아네이트의 제조 방법에 따른 장치의 개략도이다.
도 19는 본 실시형태의 이소시아네이트의 제조 방법에 따른 장치의 개략도이다.
도 20은 본 실시형태의 이소시아네이트의 제조 방법에 따른 장치의 개략도이다.
도 21은 본 실시형태의 이소시아네이트의 제조 방법에 따른 장치의 개략도이다.
도 22는 본 실시형태의 이소시아네이트의 제조 방법에 따른 장치의 개략도이다.
Claims (1)
- 유기 제1 아민과, 요소와, 유기 히드록시 화합물을 원료로 한 이소시아네이트의 제조 방법으로서,
상기 유기 제1 아민과, 상기 요소와, 상기 유기 히드록시 화합물로부터 카르바메이트화 반응에 의해 N-치환 카르바메이트를 생성하고, 상기 요소 및/또는 상기 요소에 유래하는 카르보닐기를 갖는 화합물과, 상기 유기 히드록시 화합물과, 암모니아를 포함하는 제1의 기상 성분을 회수하는 카르바메이트화 공정과,
상기 제1의 기상 성분을 응축기에 의해 응축하는 응축 공정과,
상기 N-치환 카르바메이트를 열분해하여 이소시아네이트를 제조하는 이소시아네이트 제조 공정과,
상기 응축기로부터 기상 성분으로서 회수되는, 암모니아를 주성분으로 하는 제2의 기상 성분을 황산수에 흡수시켜 황산암모늄을 생성하는 암모니아 흡수 공정과,
상기 황산암모늄을 가열하여 상기 황산암모늄으로부터 상기 암모니아를 분리하는 암모니아 방산 공정
을 구비하며,
상기 암모니아 방산 공정에서 상기 암모니아를 분리한 후에 얻어지는 액상 성분에 포함되는 유기 히드록시 화합물과 수상을 분리하는 유기 히드록시 화합물 분리 공정을 더 포함하고,
상기 제2의 기상 성분이 요소 또는 이소시안산 또는 요소 및 이소시안산과 유기 히드록시 화합물을 함유하고,
상기 암모니아 방산 공정에서 암모니아를 분리한 후에 얻은 액상 성분이 유기 히드록시 화합물과 수상을 포함하고, 또한 상기 유기 히드록시 화합물과 상기 수상이 상분리되는 것인 이소시아네이트의 제조 방법.
Applications Claiming Priority (5)
| Application Number | Priority Date | Filing Date | Title |
|---|---|---|---|
| JPJP-P-2013-072440 | 2013-03-29 | ||
| JPJP-P-2013-072441 | 2013-03-29 | ||
| JP2013072440 | 2013-03-29 | ||
| JP2013072441 | 2013-03-29 | ||
| PCT/JP2014/059187 WO2014157636A1 (ja) | 2013-03-29 | 2014-03-28 | イソシアネートの製造方法 |
Related Parent Applications (1)
| Application Number | Title | Priority Date | Filing Date |
|---|---|---|---|
| KR1020177023387A Division KR101893177B1 (ko) | 2013-03-29 | 2014-03-28 | 이소시아네이트의 제조 방법 |
Publications (1)
| Publication Number | Publication Date |
|---|---|
| KR20180098418A true KR20180098418A (ko) | 2018-09-03 |
Family
ID=51624592
Family Applications (3)
| Application Number | Title | Priority Date | Filing Date |
|---|---|---|---|
| KR1020157025274A Expired - Fee Related KR101773830B1 (ko) | 2013-03-29 | 2014-03-28 | 이소시아네이트의 제조 방법 |
| KR1020187024178A Ceased KR20180098418A (ko) | 2013-03-29 | 2014-03-28 | 이소시아네이트의 제조 방법 |
| KR1020177023387A Expired - Fee Related KR101893177B1 (ko) | 2013-03-29 | 2014-03-28 | 이소시아네이트의 제조 방법 |
Family Applications Before (1)
| Application Number | Title | Priority Date | Filing Date |
|---|---|---|---|
| KR1020157025274A Expired - Fee Related KR101773830B1 (ko) | 2013-03-29 | 2014-03-28 | 이소시아네이트의 제조 방법 |
Family Applications After (1)
| Application Number | Title | Priority Date | Filing Date |
|---|---|---|---|
| KR1020177023387A Expired - Fee Related KR101893177B1 (ko) | 2013-03-29 | 2014-03-28 | 이소시아네이트의 제조 방법 |
Country Status (9)
| Country | Link |
|---|---|
| US (1) | US9714215B2 (ko) |
| EP (3) | EP3838892B1 (ko) |
| JP (3) | JP6055084B2 (ko) |
| KR (3) | KR101773830B1 (ko) |
| CN (2) | CN107266338B (ko) |
| BR (1) | BR112015024827A2 (ko) |
| RU (2) | RU2635090C2 (ko) |
| TW (1) | TWI552982B (ko) |
| WO (1) | WO2014157636A1 (ko) |
Families Citing this family (13)
| Publication number | Priority date | Publication date | Assignee | Title |
|---|---|---|---|---|
| JP2016117674A (ja) * | 2014-12-19 | 2016-06-30 | 三井化学株式会社 | イソシアネートの製造方法 |
| JP2016204286A (ja) * | 2015-04-20 | 2016-12-08 | 旭化成株式会社 | カルバメート化合物の製造方法 |
| WO2018184980A1 (de) * | 2017-04-03 | 2018-10-11 | Covestro Deutschland Ag | Reinigungsvorrichtung für gasströme aus der isocyanatherstellung |
| EP3459930A1 (en) * | 2017-09-26 | 2019-03-27 | Covestro Deutschland AG | Multistep process for the preparation of hexamethylene diisocyanate, pentamethylene diisocyanate or toluene diisocyanate |
| EP3459931A1 (en) * | 2017-09-26 | 2019-03-27 | Covestro Deutschland AG | Multistep process for the preparation of diisocyanates |
| TW201930259A (zh) * | 2017-12-27 | 2019-08-01 | 日商旭化成股份有限公司 | 有機胺之回收方法 |
| CN112657326B (zh) * | 2020-12-03 | 2022-12-13 | 安徽申兰华色材有限公司 | 铜酞菁生产过程中产生的尾气的净化系统和净化方法 |
| CN113024417B (zh) * | 2021-05-27 | 2021-08-31 | 中国科学院过程工程研究所 | 一种制备异氰酸酯中强化分离的方法及装置 |
| WO2023080257A1 (ja) | 2021-11-08 | 2023-05-11 | 旭化成株式会社 | イソシアネート化合物の製造方法、カルバメート化合物の製造方法、アミン化合物の回収方法、イソシアネート組成物 |
| EP4446310A4 (en) * | 2021-12-08 | 2025-04-09 | Asahi Kasei Kabushiki Kaisha | Method for producing blocked isocyanate compound and method for producing isocyanate compound |
| JP2023092840A (ja) * | 2021-12-22 | 2023-07-04 | 旭化成株式会社 | イソシアネートの製造方法 |
| CN114470812B (zh) * | 2021-12-28 | 2023-05-26 | 万华化学集团股份有限公司 | Tdi回收液中焦油粉末的分离装置及方法 |
| CN115607982A (zh) * | 2022-09-28 | 2023-01-17 | 山西钢科碳材料有限公司 | 二甲基亚砜精馏残液回收系统及其回收方法 |
Citations (3)
| Publication number | Priority date | Publication date | Assignee | Title |
|---|---|---|---|---|
| JPH06115928A (ja) | 1992-05-30 | 1994-04-26 | Huels Ag | 有機物、二酸化炭素及びアンモニアを含む排ガスから、アンモニア及び有機化合物を回収する方法 |
| WO2007036479A1 (de) | 2005-09-29 | 2007-04-05 | Basf Se | Verfahren zur aufreinigung von isocyanathaltigen rückständen |
| WO2011158598A1 (ja) | 2010-06-16 | 2011-12-22 | 三井化学株式会社 | カルバメートの製造方法、イソシアネートの製造方法、カルバメートの製造装置、および、イソシアネートの製造装置 |
Family Cites Families (26)
| Publication number | Priority date | Publication date | Assignee | Title |
|---|---|---|---|---|
| US2677698A (en) * | 1950-08-01 | 1954-05-04 | Spencer Chem Co | Preparation of nu-monosubstituted carbamic acid esters |
| US3097065A (en) * | 1957-05-17 | 1963-07-09 | Koppers Co Inc | Process for recovery of ammonia from coke oven gas as ammonium chloride and ammonium sulfate |
| JPS4925560B1 (ko) | 1968-04-16 | 1974-07-01 | ||
| JPS6048505B2 (ja) | 1975-11-25 | 1985-10-28 | ザ スタンダード オイル コムパニー | アクリロニトリルおよびメタクリロニトリルの回収および精製 |
| JPH05310677A (ja) | 1992-05-01 | 1993-11-22 | Asahi Chem Ind Co Ltd | カルバミン酸エステルの製造方法 |
| DE4231417A1 (de) | 1992-05-05 | 1993-11-11 | Huels Chemische Werke Ag | Kontinuierliches mehrstufiges Verfahren zur Herstellung von (cyclo)aliphatischen Diisocyanaten |
| US5962728A (en) | 1997-10-31 | 1999-10-05 | Arco Chemical Technology, L.P. | Isocyanate residue purification |
| CN1173939C (zh) * | 2001-01-16 | 2004-11-03 | 西北大学 | 氨基甲酸酯的制备方法 |
| MY143253A (en) * | 2002-08-01 | 2011-04-15 | Gfe Patent As | Method and device for stripping ammonia from liquids |
| DE10338508A1 (de) * | 2003-08-22 | 2005-03-17 | Degussa Ag | Mehrstufiges Verfahren zur kontinuierlichen Herstellung von cycloaliphatischen Diisocyanaten |
| DE10338509A1 (de) * | 2003-08-22 | 2005-03-17 | Degussa Ag | Mehrstufiges Verfahren zur kontinuierlichen Herstellung von cycloaliphatischen Diisocyanaten |
| DE10338511A1 (de) * | 2003-08-22 | 2005-03-17 | Degussa Ag | Mehrstufiges Verfahren zur kontinuierlichen Herstellung von cycloaliphatischen Diisocyanaten |
| DE102005046816A1 (de) * | 2005-09-29 | 2007-04-05 | Basf Ag | Verfahren zur Aufreinigung von isocyanathaltigen Rückständen |
| JP4969149B2 (ja) * | 2006-05-18 | 2012-07-04 | バブコック日立株式会社 | 排熱回収ボイラ用のアンモニア注入装置と方法 |
| KR101002385B1 (ko) * | 2006-11-17 | 2010-12-20 | 아사히 가세이 케미칼즈 가부시키가이샤 | 이소시아네이트의 제조 방법 |
| DE102006061475A1 (de) | 2006-12-23 | 2008-06-26 | Evonik Degussa Gmbh | Verfahren zur kontinuierlichen Herstellung von (cyclo)aliphatischen Diisocyanaten |
| RU2434849C2 (ru) * | 2007-01-11 | 2011-11-27 | Асахи Касеи Кемикалз Корпорейшн | Способ получения изоцианатов |
| TW200844080A (en) * | 2007-01-11 | 2008-11-16 | Asahi Kasei Chemicals Corp | Process for producing isocyanate |
| CN101451711A (zh) | 2007-12-06 | 2009-06-10 | 北京航天石化技术装备工程公司 | 处理含氨废气的焚烧工艺及其系统 |
| AU2009201322B2 (en) | 2008-04-03 | 2014-10-30 | Nu-Iron Technology, Llc | System and method for producing metallic iron |
| EP2462109B1 (de) * | 2009-08-04 | 2014-03-19 | Basf Se | Verfahren zur herstellung von isocyanaten |
| BRPI0919143B1 (pt) * | 2009-08-21 | 2018-03-13 | Asahi Kasei Chemicals Corporation | Método para produzir pelo menos um o-aril éster de ácido carbâmico n-substituído, e, composição para transferência e armazenamento de um composto tendo um grupo ureído |
| KR101429834B1 (ko) * | 2009-12-24 | 2014-08-12 | 미쓰이 가가쿠 가부시키가이샤 | 아이소사이아네이트 잔사의 처리 방법 및 카보네이트의 처리 방법 |
| CN102107887A (zh) * | 2010-12-16 | 2011-06-29 | 昆山科技大学 | 氨气回收方法、硫酸铵溶液的浓度测量方法及硫酸铵溶液的浓度控制方法 |
| US8957241B2 (en) * | 2011-02-21 | 2015-02-17 | Asahi Kasei Chemicals Corporation | Method for producing carbonyl compound |
| JP5626027B2 (ja) * | 2011-03-03 | 2014-11-19 | セイコーエプソン株式会社 | 液体噴射装置 |
-
2014
- 2014-03-27 TW TW103111405A patent/TWI552982B/zh not_active IP Right Cessation
- 2014-03-28 WO PCT/JP2014/059187 patent/WO2014157636A1/ja not_active Ceased
- 2014-03-28 EP EP21154854.0A patent/EP3838892B1/en active Active
- 2014-03-28 KR KR1020157025274A patent/KR101773830B1/ko not_active Expired - Fee Related
- 2014-03-28 CN CN201710356359.6A patent/CN107266338B/zh active Active
- 2014-03-28 BR BR112015024827A patent/BR112015024827A2/pt not_active Application Discontinuation
- 2014-03-28 EP EP17188407.5A patent/EP3293173B1/en active Active
- 2014-03-28 US US14/781,192 patent/US9714215B2/en active Active
- 2014-03-28 RU RU2015146505A patent/RU2635090C2/ru not_active IP Right Cessation
- 2014-03-28 CN CN201480018713.9A patent/CN105102422B/zh active Active
- 2014-03-28 EP EP14774772.9A patent/EP2980066B1/en active Active
- 2014-03-28 KR KR1020187024178A patent/KR20180098418A/ko not_active Ceased
- 2014-03-28 JP JP2015508771A patent/JP6055084B2/ja active Active
- 2014-03-28 RU RU2017119446A patent/RU2017119446A/ru not_active Application Discontinuation
- 2014-03-28 KR KR1020177023387A patent/KR101893177B1/ko not_active Expired - Fee Related
-
2016
- 2016-10-07 JP JP2016199354A patent/JP6207707B2/ja active Active
-
2017
- 2017-07-24 JP JP2017142945A patent/JP6316491B2/ja not_active Expired - Fee Related
Patent Citations (3)
| Publication number | Priority date | Publication date | Assignee | Title |
|---|---|---|---|---|
| JPH06115928A (ja) | 1992-05-30 | 1994-04-26 | Huels Ag | 有機物、二酸化炭素及びアンモニアを含む排ガスから、アンモニア及び有機化合物を回収する方法 |
| WO2007036479A1 (de) | 2005-09-29 | 2007-04-05 | Basf Se | Verfahren zur aufreinigung von isocyanathaltigen rückständen |
| WO2011158598A1 (ja) | 2010-06-16 | 2011-12-22 | 三井化学株式会社 | カルバメートの製造方法、イソシアネートの製造方法、カルバメートの製造装置、および、イソシアネートの製造装置 |
Also Published As
| Publication number | Publication date |
|---|---|
| CN107266338B (zh) | 2019-10-11 |
| BR112015024827A2 (pt) | 2017-07-18 |
| US20160052874A1 (en) | 2016-02-25 |
| RU2635090C2 (ru) | 2017-11-09 |
| EP2980066A4 (en) | 2016-11-23 |
| EP3838892B1 (en) | 2022-10-12 |
| RU2017119446A3 (ko) | 2018-11-05 |
| CN105102422B (zh) | 2018-01-09 |
| EP3293173B1 (en) | 2021-07-28 |
| KR20170100055A (ko) | 2017-09-01 |
| EP3838892A1 (en) | 2021-06-23 |
| EP2980066A1 (en) | 2016-02-03 |
| KR101773830B1 (ko) | 2017-09-04 |
| KR20150117704A (ko) | 2015-10-20 |
| WO2014157636A1 (ja) | 2014-10-02 |
| US9714215B2 (en) | 2017-07-25 |
| JP2018021025A (ja) | 2018-02-08 |
| JP6055084B2 (ja) | 2016-12-27 |
| CN105102422A (zh) | 2015-11-25 |
| EP3293173A1 (en) | 2018-03-14 |
| TW201500335A (zh) | 2015-01-01 |
| JP2017039753A (ja) | 2017-02-23 |
| TWI552982B (zh) | 2016-10-11 |
| JPWO2014157636A1 (ja) | 2017-02-16 |
| KR101893177B1 (ko) | 2018-08-29 |
| RU2015146505A (ru) | 2017-05-05 |
| RU2017119446A (ru) | 2018-11-05 |
| EP2980066B1 (en) | 2021-04-21 |
| JP6207707B2 (ja) | 2017-10-04 |
| JP6316491B2 (ja) | 2018-04-25 |
| CN107266338A (zh) | 2017-10-20 |
Similar Documents
| Publication | Publication Date | Title |
|---|---|---|
| KR101893177B1 (ko) | 이소시아네이트의 제조 방법 | |
| KR101347403B1 (ko) | N-치환 카르밤산 에스테르의 제조 방법, 상기 n-치환 카르밤산 에스테르를 이용하는 이소시아네이트의 제조 방법, 및 n-치환 카르밤산 에스테르 및 방향족 히드록시 화합물을 포함하는 n-치환 카르밤산 에스테르의 이송용 및 저장용 조성물 | |
| JP6140768B2 (ja) | カルボニル化合物の製造方法 |
Legal Events
| Date | Code | Title | Description |
|---|---|---|---|
| A107 | Divisional application of patent | ||
| A201 | Request for examination | ||
| PA0104 | Divisional application for international application |
Comment text: Divisional Application for International Patent Patent event code: PA01041R01D Patent event date: 20180822 Application number text: 1020177023387 Filing date: 20170822 |
|
| PA0201 | Request for examination | ||
| PG1501 | Laying open of application | ||
| E902 | Notification of reason for refusal | ||
| PE0902 | Notice of grounds for rejection |
Comment text: Notification of reason for refusal Patent event date: 20181030 Patent event code: PE09021S01D |
|
| E601 | Decision to refuse application | ||
| PE0601 | Decision on rejection of patent |
Patent event date: 20190309 Comment text: Decision to Refuse Application Patent event code: PE06012S01D Patent event date: 20181030 Comment text: Notification of reason for refusal Patent event code: PE06011S01I |

















































