JP7166315B2 - ラジカルを輸送するための装置および方法 - Google Patents

ラジカルを輸送するための装置および方法 Download PDF

Info

Publication number
JP7166315B2
JP7166315B2 JP2020135584A JP2020135584A JP7166315B2 JP 7166315 B2 JP7166315 B2 JP 7166315B2 JP 2020135584 A JP2020135584 A JP 2020135584A JP 2020135584 A JP2020135584 A JP 2020135584A JP 7166315 B2 JP7166315 B2 JP 7166315B2
Authority
JP
Japan
Prior art keywords
chamber
plasma
guide body
outlets
beamlet
Prior art date
Legal status (The legal status is an assumption and is not a legal conclusion. Google has not performed a legal analysis and makes no representation as to the accuracy of the status listed.)
Active
Application number
JP2020135584A
Other languages
English (en)
Other versions
JP2021002661A (ja
Inventor
ピーテル・クルイト
マルク・スミッツ
Current Assignee (The listed assignees may be inaccurate. Google has not performed a legal analysis and makes no representation or warranty as to the accuracy of the list.)
ASML Netherlands BV
Original Assignee
ASML Netherlands BV
Priority date (The priority date is an assumption and is not a legal conclusion. Google has not performed a legal analysis and makes no representation as to the accuracy of the date listed.)
Filing date
Publication date
Family has litigation
First worldwide family litigation filed litigation Critical https://patents.darts-ip.com/?family=48049956&utm_source=google_patent&utm_medium=platform_link&utm_campaign=public_patent_search&patent=JP7166315(B2) "Global patent litigation dataset” by Darts-ip is licensed under a Creative Commons Attribution 4.0 International License.
Application filed by ASML Netherlands BV filed Critical ASML Netherlands BV
Publication of JP2021002661A publication Critical patent/JP2021002661A/ja
Priority to JP2022129814A priority Critical patent/JP7446374B2/ja
Application granted granted Critical
Publication of JP7166315B2 publication Critical patent/JP7166315B2/ja
Active legal-status Critical Current
Anticipated expiration legal-status Critical

Links

Images

Classifications

    • BPERFORMING OPERATIONS; TRANSPORTING
    • B82NANOTECHNOLOGY
    • B82YSPECIFIC USES OR APPLICATIONS OF NANOSTRUCTURES; MEASUREMENT OR ANALYSIS OF NANOSTRUCTURES; MANUFACTURE OR TREATMENT OF NANOSTRUCTURES
    • B82Y10/00Nanotechnology for information processing, storage or transmission, e.g. quantum computing or single electron logic
    • FMECHANICAL ENGINEERING; LIGHTING; HEATING; WEAPONS; BLASTING
    • F15FLUID-PRESSURE ACTUATORS; HYDRAULICS OR PNEUMATICS IN GENERAL
    • F15DFLUID DYNAMICS, i.e. METHODS OR MEANS FOR INFLUENCING THE FLOW OF GASES OR LIQUIDS
    • F15D1/00Influencing flow of fluids
    • F15D1/02Influencing flow of fluids in pipes or conduits
    • F15D1/025Influencing flow of fluids in pipes or conduits by means of orifice or throttle elements
    • GPHYSICS
    • G03PHOTOGRAPHY; CINEMATOGRAPHY; ANALOGOUS TECHNIQUES USING WAVES OTHER THAN OPTICAL WAVES; ELECTROGRAPHY; HOLOGRAPHY
    • G03FPHOTOMECHANICAL PRODUCTION OF TEXTURED OR PATTERNED SURFACES, e.g. FOR PRINTING, FOR PROCESSING OF SEMICONDUCTOR DEVICES; MATERIALS THEREFOR; ORIGINALS THEREFOR; APPARATUS SPECIALLY ADAPTED THEREFOR
    • G03F7/00Photomechanical, e.g. photolithographic, production of textured or patterned surfaces, e.g. printing surfaces; Materials therefor, e.g. comprising photoresists; Apparatus specially adapted therefor
    • G03F7/70Microphotolithographic exposure; Apparatus therefor
    • G03F7/708Construction of apparatus, e.g. environment aspects, hygiene aspects or materials
    • G03F7/70908Hygiene, e.g. preventing apparatus pollution, mitigating effect of pollution or removing pollutants from apparatus
    • G03F7/70925Cleaning, i.e. actively freeing apparatus from pollutants, e.g. using plasma cleaning
    • HELECTRICITY
    • H01ELECTRIC ELEMENTS
    • H01JELECTRIC DISCHARGE TUBES OR DISCHARGE LAMPS
    • H01J37/00Discharge tubes with provision for introducing objects or material to be exposed to the discharge, e.g. for the purpose of examination or processing thereof
    • H01J37/30Electron-beam or ion-beam tubes for localised treatment of objects
    • H01J37/3002Details
    • H01J37/3007Electron or ion-optical systems
    • HELECTRICITY
    • H01ELECTRIC ELEMENTS
    • H01JELECTRIC DISCHARGE TUBES OR DISCHARGE LAMPS
    • H01J37/00Discharge tubes with provision for introducing objects or material to be exposed to the discharge, e.g. for the purpose of examination or processing thereof
    • H01J37/30Electron-beam or ion-beam tubes for localised treatment of objects
    • H01J37/317Electron-beam or ion-beam tubes for localised treatment of objects for changing properties of the objects or for applying thin layers thereon, e.g. for ion implantation
    • H01J37/3174Particle-beam lithography, e.g. electron beam lithography
    • H01J37/3177Multi-beam, e.g. fly's eye, comb probe
    • HELECTRICITY
    • H01ELECTRIC ELEMENTS
    • H01JELECTRIC DISCHARGE TUBES OR DISCHARGE LAMPS
    • H01J37/00Discharge tubes with provision for introducing objects or material to be exposed to the discharge, e.g. for the purpose of examination or processing thereof
    • H01J37/32Gas-filled discharge tubes
    • H01J37/32431Constructional details of the reactor
    • H01J37/32798Further details of plasma apparatus not provided for in groups H01J37/3244 - H01J37/32788; special provisions for cleaning or maintenance of the apparatus
    • H01J37/32853Hygiene
    • H01J37/32862In situ cleaning of vessels and/or internal parts
    • HELECTRICITY
    • H01ELECTRIC ELEMENTS
    • H01JELECTRIC DISCHARGE TUBES OR DISCHARGE LAMPS
    • H01J9/00Apparatus or processes specially adapted for the manufacture, installation, removal, maintenance of electric discharge tubes, discharge lamps, or parts thereof; Recovery of material from discharge tubes or lamps
    • H01J9/38Exhausting, degassing, filling, or cleaning vessels
    • BPERFORMING OPERATIONS; TRANSPORTING
    • B82NANOTECHNOLOGY
    • B82YSPECIFIC USES OR APPLICATIONS OF NANOSTRUCTURES; MEASUREMENT OR ANALYSIS OF NANOSTRUCTURES; MANUFACTURE OR TREATMENT OF NANOSTRUCTURES
    • B82Y40/00Manufacture or treatment of nanostructures
    • GPHYSICS
    • G21NUCLEAR PHYSICS; NUCLEAR ENGINEERING
    • G21KTECHNIQUES FOR HANDLING PARTICLES OR IONISING RADIATION NOT OTHERWISE PROVIDED FOR; IRRADIATION DEVICES; GAMMA RAY OR X-RAY MICROSCOPES
    • G21K2201/00Arrangements for handling radiation or particles
    • G21K2201/06Arrangements for handling radiation or particles using diffractive, refractive or reflecting elements
    • HELECTRICITY
    • H01ELECTRIC ELEMENTS
    • H01JELECTRIC DISCHARGE TUBES OR DISCHARGE LAMPS
    • H01J2237/00Discharge tubes exposing object to beam, e.g. for analysis treatment, etching, imaging
    • H01J2237/006Details of gas supplies, e.g. in an ion source, to a beam line, to a specimen or to a workpiece
    • HELECTRICITY
    • H01ELECTRIC ELEMENTS
    • H01JELECTRIC DISCHARGE TUBES OR DISCHARGE LAMPS
    • H01J2237/00Discharge tubes exposing object to beam, e.g. for analysis treatment, etching, imaging
    • H01J2237/02Details
    • H01J2237/022Avoiding or removing foreign or contaminating particles, debris or deposits on sample or tube
    • HELECTRICITY
    • H01ELECTRIC ELEMENTS
    • H01JELECTRIC DISCHARGE TUBES OR DISCHARGE LAMPS
    • H01J2237/00Discharge tubes exposing object to beam, e.g. for analysis treatment, etching, imaging
    • H01J2237/32Processing objects by plasma generation
    • H01J2237/327Arrangements for generating the plasma
    • HELECTRICITY
    • H01ELECTRIC ELEMENTS
    • H01JELECTRIC DISCHARGE TUBES OR DISCHARGE LAMPS
    • H01J37/00Discharge tubes with provision for introducing objects or material to be exposed to the discharge, e.g. for the purpose of examination or processing thereof
    • H01J37/30Electron-beam or ion-beam tubes for localised treatment of objects
    • H01J37/317Electron-beam or ion-beam tubes for localised treatment of objects for changing properties of the objects or for applying thin layers thereon, e.g. for ion implantation
    • H01J37/3174Particle-beam lithography, e.g. electron beam lithography
    • YGENERAL TAGGING OF NEW TECHNOLOGICAL DEVELOPMENTS; GENERAL TAGGING OF CROSS-SECTIONAL TECHNOLOGIES SPANNING OVER SEVERAL SECTIONS OF THE IPC; TECHNICAL SUBJECTS COVERED BY FORMER USPC CROSS-REFERENCE ART COLLECTIONS [XRACs] AND DIGESTS
    • Y10TECHNICAL SUBJECTS COVERED BY FORMER USPC
    • Y10TTECHNICAL SUBJECTS COVERED BY FORMER US CLASSIFICATION
    • Y10T137/00Fluid handling
    • Y10T137/206Flow affected by fluid contact, energy field or coanda effect [e.g., pure fluid device or system]
    • Y10T137/2082Utilizing particular fluid
    • YGENERAL TAGGING OF NEW TECHNOLOGICAL DEVELOPMENTS; GENERAL TAGGING OF CROSS-SECTIONAL TECHNOLOGIES SPANNING OVER SEVERAL SECTIONS OF THE IPC; TECHNICAL SUBJECTS COVERED BY FORMER USPC CROSS-REFERENCE ART COLLECTIONS [XRACs] AND DIGESTS
    • Y10TECHNICAL SUBJECTS COVERED BY FORMER USPC
    • Y10TTECHNICAL SUBJECTS COVERED BY FORMER US CLASSIFICATION
    • Y10T137/00Fluid handling
    • Y10T137/8593Systems
    • Y10T137/87571Multiple inlet with single outlet

Landscapes

  • Engineering & Computer Science (AREA)
  • Chemical & Material Sciences (AREA)
  • Physics & Mathematics (AREA)
  • Analytical Chemistry (AREA)
  • Epidemiology (AREA)
  • Public Health (AREA)
  • Health & Medical Sciences (AREA)
  • Nanotechnology (AREA)
  • Plasma & Fusion (AREA)
  • General Physics & Mathematics (AREA)
  • Crystallography & Structural Chemistry (AREA)
  • Manufacturing & Machinery (AREA)
  • Atmospheric Sciences (AREA)
  • Life Sciences & Earth Sciences (AREA)
  • Environmental & Geological Engineering (AREA)
  • Theoretical Computer Science (AREA)
  • Condensed Matter Physics & Semiconductors (AREA)
  • Mathematical Physics (AREA)
  • Fluid Mechanics (AREA)
  • Mechanical Engineering (AREA)
  • General Engineering & Computer Science (AREA)
  • Electron Beam Exposure (AREA)
  • Exposure And Positioning Against Photoresist Photosensitive Materials (AREA)
  • Plasma Technology (AREA)
  • Cleaning In General (AREA)
  • Particle Accelerators (AREA)
  • Cleaning Or Drying Semiconductors (AREA)
  • X-Ray Techniques (AREA)

Description

本発明は、たとえば汚染物質堆積物の除去のためのラジカルを輸送するための装置および方法に関する。本発明はさらに、そのような装置を備えている荷電粒子リソグラフィシステムに関する。本発明はさらに、プラズマチャンバーへの連結のための圧力レギュレーターに関する。本発明はさらに、ラジカルを輸送する方法に関する。
荷電粒子リソグラフィシステムの精度と信頼度は、汚染によって負の影響を受ける。そのようなリソグラフィシステムにおける汚染に対する重要な寄与は、汚染物質の堆積の蓄積によって引き起こされる。パターニングビームレットの一部であり、システム中に作り出される荷電粒子は、システム中に既にある炭化水素と相互作用する。結果の電子ビーム誘導堆積物(EBID)は、システムの表面にカーボン含有層を形成する。カーボン含有材料のこの層は、ビーム安定性に影響を及ぼす。荷電粒子ビームおよび/またはビームレットが通り抜ける開口の中と周囲のそのようなカーボン含有層の蓄積はまた、開口のサイズを減少させ、これらの開口を通るビームまたはビームレットの伝達を減少させる。したがって、特に炭化水素分圧が比較的高くビーム電流密度が比較的高いエリアにおけるEBIDの除去が強く望まれる。
そのような堆積物は、原子クリーニングによって低減または除去されることが可能である。これは、堆積物と反応する原子のストリームを作り出すプラズマ発生器を使用して達成され得る。プラズマと、その中に提供される原子、特にラジカルの輸送は、しばしば非能率的であり、それは、比較的長いクリーニング期間と、不十分なクリーニング品質、すなわち特定の表面または特定のボリュームにおける汚染物質の不完全または不適当な除去をもたらすことがある。
たとえば汚染物質堆積物が除去されることになっている領域に向けて、より効率的な手法で、ラジカルを輸送するための装置および方法を提供することが本発明の目的である。この目的のために、本発明のいくつかの実施形態は、たとえば汚染物質堆積物の除去のためにラジカルを輸送するための装置に関しており、前記装置は、その中にプラズマが形成され得るチャンバーを備えているプラズマ発生器を備えており、前記チャンバーは、投入ガスを受け入れるための注入口と、その中に作り出された前記プラズマおよびラジカルの少なくとも一方の除去のための一つ以上の放出口を備えており、前記装置はさらに、前記プラズマ中に形成されたラジカルを、汚染物質堆積物が除去されることになっているエリアまたはボリュームに向けて導くための中空ガイド本体を備えており、チャンバー注入口は、前記ガイド本体中に流れを作り出すように前記チャンバーの中にパルス圧力を提供するための加圧装置につながれている。チャンバー2の内側の圧力をパルス手法で増大させることによって、その中に生成されるラジカルは、もはや分子流体制で移動せず、代わりに、いわゆる粘性圧力体制で移動する。粘性圧力体制では、プラズマは、ラジカルを輸送する、粘性流と呼ばれ得る流れを形成する。局所的に増大される圧力のこれらの期間のあいだ、ラジカルは、ラジカルおよび任意にプラズマの搬送の効率を著しく増大させ得るガイド本体の方に導かれることが可能である。その結果、ガイド本体を通って希望の個所たとえば汚染エリアの方に搬送される原子ラジカルの数が増大する。加えて、パルス手法で局所的に増大される圧力の期間を提供することによって、ガイド本体中のプラズマ消滅の起こり得る危険が減少される。
好ましくは、前記加圧装置はバルブである。バルブは、注入口のすばやい開け閉めを可能にし、そのことは、パルス圧力を比較的高い周波数で提供することを可能にする。
いくつかの実施形態では、本発明は、たとえば汚染物質堆積物の除去のためのラジカルを輸送するための装置に関しており、前記装置は、その中にプラズマが形成され得るチャンバーを備えているプラズマ発生器を備えており、前記チャンバーは、投入ガスを受け入れるための注入口と、その中に作り出された前記プラズマおよびラジカルの少なくとも一方の除去のための一つ以上の放出口を備えており、前記装置はさらに、前記プラズマ中に形成されたラジカルを、汚染物質堆積物が除去されることになっているエリアまたはボリュームに向けて導くための一つ以上のチャンバー放出口につながれた中空ガイド本体を備えており、ラジカルを引きずるに十分な強さをもった流れを形成するために前記チャンバー内の圧力が一時的に増大されることが可能である。前記ガイド本体の内側の一時的に増大される圧力は、プラズマを消滅させ得る。さらに、そのような圧力上昇は、たとえば三体相互作用(ラジカル+ラジカル+分子)によって、再結合に起因するラジカルの還元を増大させ得る。しかしながら、これらのイベントの一方または両方が起こるであろうありそうにない状況下でさえ、増大される圧力の結果としての前記チャンバーから前記ガイド本体の放出口の方へのラジカルのより効率的な搬送は、一時的なプラズマ消滅および/または再結合に起因するラジカル損失に勝る。特に、増大される圧力は、搬送されるラジカルの数の増大を引き起こし得る。圧力上昇がパルス性質である場合、プラズマ消滅の機会が著しく減少し、その結果、ラジカル輸送の増大された効率は、前記ガイド本体中のプラズマの残存と結合され得る。
いくつかの実施形態では、本発明は、たとえば汚染物質堆積物の除去のためのラジカルを輸送するための装置に関しており、前記装置は、その中にプラズマが形成され得るチャンバーを備えているプラズマ発生器を備えており、前記チャンバーは、投入ガスを受け入れるための注入口と、その中に作り出された前記プラズマおよびラジカルの少なくとも一方の除去のための一つ以上の放出口を備えており、さらに、前記プラズマ中に形成されたラジカルを、汚染物質堆積物が除去されることになっているエリアまたはボリュームに向けて導くための前記チャンバーの前記一つ以上の放出口につながれた中空ガイド本体と、第一の断面積をもつ注入口と、第二の断面積をもつ放出口を有している圧力レギュレーターをさらに備えており、前記第一の断面積は前記第二の断面積よりも大きく、圧力レギュレーター注入口は一つ以上のチャンバー放出口につながれており、圧力レギュレーター放出口は前記ガイド本体につながれており、前記圧力レギュレーターには、追加の注入ガスを受け入れるための追加の注入口が設けられている。ファンネル圧力レギュレーターの追加の注入口の存在は、前記チャンバーの内側と前記ガイド本体の内側の圧力を独立して調整する可能性を開く。前記ガイド本体のコンダクタンスはいま、前記ガイド本体の内側の圧力が最適値未満であるように設計されていてよい。それから、最適の圧力は、前記追加の注入口を通して前記圧力レギュレーター内に追加ガスを入れることによって実施され得る。したがって、前記チャンバー内の圧力は、ラジカルを生成するために最適化され得る一方、前記ガイド本体の内側の圧力は、ラジカルをその放出口の方へ導くため、前記追加の注入口を通した適切なガスの制御された供給によって最適化され得る。
前記プラズマ発生器の前記チャンバーは、有孔壁などの流れ制限体を備えていてよい。前記流れ制限体は、前記プラズマ発生器の前記チャンバーと、前記圧力レギュレーターの前記放出口が連結されている環境、一般に真空環境との間の圧力差を維持するのを支援する。前記圧力レギュレーターの前記注入口の位置と前記ガイド本体の前記放出口との間の圧力差は、任意にプラズマ流れと組み合わさって、ラジカルの流れを作り出すのを支援する。
要約すると、上に説明された装置は、前記ガイド本体によってラジカル輸送効率を増大
させる。
本発明のいくつかの実施形態は、プラズマを収容するチャンバーへの連結のための圧力レギュレーターに関しており、前記圧力レギュレーターは、その中に作り出されたプラズマとラジカルの少なくとも一方を受け入れるための、第一の断面積を有している注入口と、第二の断面積をもつ放出口を有しており、前記第一の断面積は前記第二の断面積よりも大きく、圧力レギュレーター注入口は、前記プラズマチャンバーにつながれ、圧力レギュレーター放出口は、中空体に取り外し可能に取り付け可能である。前記圧力レギュレーターは、ファンネルの形を取っていてよい。前記圧力レギュレーターには、たとえば先に説明された目的のために、追加の注入ガスを受け入れるための追加の注入口が設けられていてよい。
本発明のいくつかの実施形態はリソグラフィシステムに関しており、そのシステムは、複数のビームレットを生成するためのビームレット発生器と、ビームレットを操作するための複数のビームレットマニピュレーター素子と、上述の実施形態のひとつによる装置を備えており、前記装置は、その中に作り出されるプラズマとラジカルを生成し、前記ビームレットマニピュレーター素子の一つ以上の表面上にラジカルを方向付けるように適合されている。ビームレットマニピュレーター素子の例は、それに限らないが、投影レンズ構造体とビームレット変調構造体を含んでいる。任意にプラズマと組み合わせてラジカルを、ビームレットマニピュレーター素子の一つ以上の表面に方向付けることによって、汚染物質堆積物が、効率的な手法で局所的に除去され得る。
前記リソグラフィシステムは、荷電粒子リソグラフィシステムであってよい。それから、各ビームレットマニピュレーター素子は、ビームレットが通り抜ける複数の開口を備えていてよい。それから、ビームレット変調構造体は、ブランカー構造体すなわち複数のブランカーの配列の形を取っていてよく、前記ブランカーは、一つ以上の荷電粒子ビームレットを偏向させることが可能である。一般に、前記ブランカーは、第一の電極と第二の電極と開口が設けられた静電偏向器である。それから、前記電極は、前記開口を横切る電場を生成するため、前記開口の反対側に配置されている。一般に、第二の電極は、グラウンド電極、すなわちグラウンド電位に接続されている電極である。荷電粒子リソグラフィシステムでは、前記投影レンズ構造体は、一つ以上の静電レンズアレイを有していてよい。
他のいくつかの実施形態では、前記リソグラフィシステムは、極紫外(EUV)リソグラフィシステムである。そのようなシステムでは、各ビームレットマニピュレーター素子は、その方位が制御可能である、ミラーなどの反射素子の形を取っていてよい。
本発明のいくつかの実施形態は、ラジカルを輸送する方法に関しており、前記方法は、上記実施形態のひとつによる装置を前記中空ガイド本体の端部にごく接近させて提供することと、前記チャンバーの中に投入ガスを入れることと、前記チャンバー内にプラズマとラジカルを形成することと、前記中空ガイド本体の前記端部に向かうラジカルの流れを作り出すことを有している。好ましくは、流れを作り出すことは、バルブやポンプなどの加圧装置によって前記チャンバーの中にパルス圧力を提供することを有している。バルブは、すばやく動作し、比較的高い周波数で動作されることが可能であるので、非常に効率的である。
最後に、本発明のいくつかの実施形態は、ラジカルを輸送する方法に関しており、前記方法は、上記実施形態のひとつによる装置を前記中空ガイド本体の端部にごく接近させて提供することと、前記チャンバーの中に投入ガスを入れることと、前記チャンバー内にプラズマとラジカルを形成することと、ラジカルを引きずるに十分な強さをもった流れを形成するために前記チャンバー内の圧力を一時的に増大させることを有している。
本発明の実施形態が、いま、添付概略図を参照して、単なる例として説明される。
図1は、本発明の実施形態によるラジカルを輸送するための装置を概略的に示している。 図2は、本発明の別の実施形態によるラジカルを輸送するための装置を示している。 図3は、分子流体制のラジカルのいくつかの代表的軌道を描いている。 図4は、粘性流体制のラジカルのいくつかの代表的軌道を描いている。 図5aは、図1の装置を概略的に示しており、加圧装置をさらに備えている。 図5bは、図5aの装置を概略的に示しており、追加注入口をさらに備えている。 図6aは、圧力レギュレーターが追加の注入口を備えている装置の代替実施形態を概略的に示している。 図6bは、図6aにおいて使用される圧力レギュレーターのより詳細な景観を概略的に示している。 図7は、荷電粒子マルチビームレットリソグラフィシステムの実施形態の簡略概略図を示している。 図8は、モジュール式リソグラフィシステムの簡略ブロック図を示している。 図9は、ラジカルを輸送するための装置の実施形態の上げられた上面図を示している。 図10は、図9に描かれた装置を備えているモジュール式リソグラフィシステムの断面図を示している。 図11は、図9に描かれた装置の圧力レギュレーターと図8に描かれたリソグラフィシステムにおいて使用されるモジュールとの間の連結の実施形態のより詳細な景観を示している。
以下は、本発明のさまざまな実施形態の説明であり、それらは、単なる例として図に関連して与えられる。図は、スケール通りには描かれておらず、単に説明目的のために意図されている。
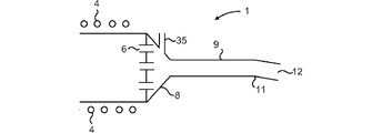
図1は、たとえば汚染物質堆積物の除去のためのラジカルを輸送するための装置1を概略的に示しており、特に、汚染物質は、真空環境内に配置された表面に堆積されている。装置1は、プラズマを使用して動作するので、そのような装置は、プラズマ発生源とも呼ばれ得る。装置1は、チャンバー2を備えている高周波(RF)プラズマ発生器を備えており、チャンバー2の外側のまわりにRFコイル4を備えている。チャンバー2には、酸素などの投入ガスのチャンバー2への進入を可能にするための注入口5が設けられている。投入ガスは、チャンバー2内に生成されるラジカルの前駆物質であり、好ましくは、これらのラジカルの用途を考慮して選択される。チャンバー2内のガスは、酸素原子ラジカルなどのラジカルを有するプラズマを作り出すように、コイル4に印加されたRF電圧で通電されてよい。プラズマとラジカルは、一つ以上の放出口6を通ってチャンバー2を去り得る。
装置1は、ファンネル8などの圧力レギュレーターと、その中に作り出されたプラズマおよびラジカルを集中させて所定の目的エリアの方に導くための、チューブ9などのガイド本体をさらに備えている。ガイド本体は、まっすぐであってもよいし、プラズマを希望の方向に方向付ける屈曲部11(図1に描かれる)やひじ部12(図2に描かれる)などの一つ以上の屈曲部を備えていてよい。好ましくは、ガイド本体は、ガイド本体を通って搬送されるラジカルの平均寿命を増大させるため、可能な限りまっすぐである。ガイド本体は、低減または除去されることになっている汚染物質堆積物にごく接近させて配置され得る放出口12を有している。一般に、放出口12は、真空環境と直接接触している。
いくつかの実施形態では、チャンバー2には、開口アレイの形を取っていてよい複数の放出口6を作り出している有孔壁などの流れ制限体が設けられている。流れ制限体は、プラズマ発生器のチャンバーと、圧力レギュレーターの放出口が連結されている環境、一般に真空環境との間の圧力差を維持するのを支援する。圧力レギュレーターの注入口の位置とガイド本体の放出口との間の圧力差は、ラジカルの流れを作り出すのを支援する。
図2は、ラジカルを輸送するための装置1’を示している。装置1’は、ガイド本体が、図1の装置に描かれた屈曲部11に代えて、湾曲部またはひじ部13を有しているチューブ9の形を取っていることを除いて、図1の装置1と同様である。さらに、図2は、チャンバー2内にプラズマ20が生成された状況下で動作中の装置1’を示している。図1に示された装置は、同様の手法で動作されてよいことが理解される。
特に、酸素などの投入ガスがチャンバー2内に供給され、RFコイル4が通電されて投入ガスを誘導的に加熱して、チャンバー2内にプラズマ20が生成される。プラズマ20は、また特にその中に作り出されたラジカルは、破線矢印21によって概略的に表わされているようにチャンバー2を出て、ファンネル8とチューブ9の中に流れ込み得る。
酸素の使用の場合、プラズマ発生器1からの酸素ラジカルが、特にEBID汚染によって引き起こされた、汚染物質堆積物を除去または低減するために使用される。チャンバー2内に生成される酸素ラジカルは、ファンネル8とガイド本体を通って、低減または除去されることになっている汚染物質堆積物の方に導かれる。ファンネル8および/またはガイド本体は、石英やポリテトラフルオロエチレン(テフロン(登録商標)の名前で良く知られている)などの不活性材料で作られていてよく、あるいは、それらの内側表面は、酸素原子ラジカルがこれらの要素と相互作用するときのそれらの消滅を抑えるために、そのような不活性材料で被覆されていてよい。
以下では、本発明の実施形態は、酸素原子ラジカルに関連して説明される。しかしながら、本発明のいくつかの実施形態は、他のラジカルを使用し得ることが理解されよう。さらに、ラジカルの輸送について言及されるが、そのような言及は、ラジカルと組み合わさったプラズマの輸送を除外しない。
電子ビーム誘導堆積物(一般に「カーボン」)を表面、たとえばリソグラフィシステムの一つ以上のビームレットマニピュレーター素子の表面から除去するため、酸素原子ラジカルなどのラジカルが使用され得る。そのような酸素原子ラジカルは、図1および2に示された装置1,1’のチャンバー2の内側に作り出され得る。
残念ながら、ラジカルの大きな損失がこれらの装置1,1’において観察され、それは、これらの装置中のラジカルがいわゆる分子流体制で輸送されることによると理解され得る。そのような体制では、他のラジカルとのラジカルの相互作用は無視されてよいが、壁との相互作用は再結合をもたらすことがある。さらに、ラジカルは、チャンバー2を去り、図1,2のガイド本体すなわちチューブ9に、放出口全体にわたってランダムな角度で進入する。
分子流体制のラジカルのいくつかの代表的軌道が破線15として図3に描かれている。図3に見られ得るように、ラジカルは、ガイド本体にまったく進入しないで、「跳ね返り戻る」ことがある。
本発明者は、ラジカル輸送の効率は、装置1,1’の全体にわたって使用される圧力に依存することを理解した。チャンバー2の内側の圧力は、プラズマの効率と、その中に生成されるラジカルの数を決定する。ガイド本体(とファンネル8)の内側の圧力は、ガイド本体を通るラジカルの輸送の効率を決定する。
チャンバー2の内側の圧力をパルス手法で増大させることによって、その中に生成されるラジカルは、もはや分子流体制で移動せず、代わりに、いわゆる粘性圧力体制で移動する。粘性圧力体制では、プラズマは、たとえば図4に矢印によって概略的に示されるようにラジカルを輸送する、粘性流と呼ばれ得る流れを形成する。局所的に増大される圧力のこれらの期間のあいだ、ラジカルは、ガイド本体を通って希望の個所たとえば汚染エリアの方に搬送される原子ラジカルの数を著しく増大させ得るガイド本体の方に導かれることが可能である。
いくつかの実施形態では、ガイド本体の内側の一時的に増大される圧力は、プラズマを消滅させる。さらに、いくつかの実施形態では、たとえば三体相互作用(ラジカル+ラジカル+分子)によって、再結合に起因するラジカルの還元が、一時的に増大される圧力の結果として増大することも可能である。しかしながら、形成されている流れの存在に起因するチャンバー2からチューブ放出口12の方に搬送されるラジカルの数の増大は、一時的なプラズマ消滅および再結合に起因するラジカル損失に勝る。
図5aは、図1の装置1を概略的に示しており、制御ユニット45によって制御可能である加圧装置40、好ましくはバルブ、任意にポンプなどの別の実体をさらに備えている。制御ユニット45は、チャンバー2からチューブ放出口12の方へラジカルを引きずるに十分な強さをもった流れを形成するためにチャンバー2内の圧力の一時的な増大を与えるようになっていてよい。制御ユニット45は、ポンプなどの加圧装置40を直接制御してよい。しかしながら、制御ユニット45は、そのようなポンプとチャンバー2の間の連結を制御する一つ以上のバルブを制御してもよい。
加圧装置40は、チャンバー内の圧力が周期的な圧力パルスを受ける、すなわち、圧力が周期的に一時的に増大されるように制御されてよい。圧力上昇は、注入口5を通ってチャンバー2の中へのより多くの投入ガスを一時的に可能にすることをもたらし得る。あるいは、圧力上昇は、追加投入ガスを一つ以上の注入口を通して入れることによって達成され得る。
代替的に、または付加的に、一時的な圧力上昇は、追加の投入ガスたとえば窒素ガスを入れることによって実施され得る。追加の投入ガスは、注入口5を通して入れられてよい。あるいは、追加の投入ガスは、図5bに描かれたようなチャンバー2の追加注入口5’を通していられてよい。追加注入口5’は、加圧装置41たとえばバルブやポンプにつながれていてよく、制御ユニット45などの制御ユニットによって制御されてよい。
図5a,5bの装置では、チャンバー2の内側と、ガイド本体、これらの実施形態ではチューブ9の内側の圧力は、独立して調整され得ない。両圧力は、一つ以上の放出口6のコンダクタンスによって、またチューブ9それ自体のコンダクタンスによって、関連づけられる。さらに、先に述べられたように、この装置では、チューブ9の内側の一時的に増大される圧力はプラズマを消滅させる。
図6aは、酸素などの追加投入ガスや窒素などのバッファガスの供給のための追加の注入口35がファンネル8などの圧力レギュレーターに設けられた装置の代替実施形態を示している。以下では、追加の注入口35を通して供給されるガスは追加の注入ガスと呼ばれる。図6aのファンネル8は、図6bに、より詳細に描かれている。ファンネル8の追加の注入口35の存在は、チャンバー2の内側とチューブ9の内側の圧力を独立して調整する可能性を開く。チューブ9のコンダクタンスはいま、チューブ9の内側の圧力が最適値未満であるように設計されていてよい。それから、最適の圧力は、追加の注入口35を通して追加ガスを入れることによって実施され得る。それから、チャンバー2の圧力は、ラジカルを生成するために最適化され得、ガイド本体の内側の圧力は、ラジカルをその放出口の方へ導くため、追加の注入口35を通した適切なガスの制御された供給によって最適化され得る。追加の注入口35の提供はまた、プラズマがチューブ9内で消滅する危険を低減し得る。追加の注入口35は、バルブやポンプなどの加圧装置に連結されていてよい。加圧装置は、制御ユニット45などの制御ユニットに連結されていてよい。
図7は、荷電粒子マルチビームレットリソグラフィシステム51の実施形態の簡略概略図を示している。そのようなリソグラフィシステムは、たとえば、米国特許第6,897,458号と第6、958,804号と第7.084,414号と第7,129,502号に説明されており、それらは、本願の出願人に譲渡されており、参照によってそのままここに組み込まれる。
そのようなリソグラフィシステム51は、複数のビームレットを生成するビームレット発生器と、ビームレットをパターニングして複数の変調ビームレットを形成するビームレット変調器と、変調ビームレットをターゲットの表面上に投影するためのビームレットプロジェクターを適切に備えている。
ビームレット発生器は一般に、発生源と少なくとも一つのビームスプリッターを備えている。図7の発生源は、実質的に一様な膨脹する電子ビーム54を作り出すようになっている電子発生源53である。電子ビーム54のビームエネルギーは、好ましくは、約1ないし10のkeVの範囲内に比較的低く維持される。これを達成するため、加速電圧は好ましくは低く、電子発生源53は、グラウンド電位にあるターゲットに対して約-1ないし-10kVの間の電圧に維持され得るが、他のセッティングが使用されてもよい。
図7では、電子発生源53からの電子ビーム54は、電子ビーム54をコリメートするためのコリメーターレンズ55を通る。コリメーターレンズ55は、どんなタイプのコリメート光学系であってよい。コリメーションの前に、電子ビーム54は、ダブルオクタポール(図示せず)を通ってよい。
続いて、電子ビーム54は、ビームスプリッター、図7の実施形態では開口アレイ56に衝突する。開口アレイ56は、好ましくは、複数の貫通孔を有しているプレートから構成されている。開口アレイ56は、ビーム54の一部を遮断するようになっている。加えて、アレイ56は、複数の平行電子ビームレット57を作り出すように複数のビームレット57が通り抜けることを可能にする。
図7のリソグラフィシステム51は、多数のビームレット57、好ましくは10,000ないし1,000,000のビームレットを生成するが、もちろん、それよりも多くのまたは少ないビームレットが生成されることも可能である。他の既知の方法が、コリメートされたビームレットを生成するために使用されてもよいことに注意されたい。電子ビーム54からサブビームを作り出し、サブビームから電子ビームレット57を作り出すように、第二の開口アレイがシステムに追加されてもよい。これは、さらなる下流におけるサブビームの操作を可能にし、それは、特にシステム中のビームレットの数が5,000以上であるときに、システム動作に有益である。
ビームレット変調器は、図7に変調システム58として示されており、一般に、複数のブランカーの配列を備えているビームレットブランカーアレイ59と、ビームレットストップアレイ70を備えている。ブランカーは、一つ以上の電子ビームレット57を偏向させることが可能である。本発明の実施形態では、ブランカーは、より明確には、第一の電極と第二の電極と開口が設けられた静電偏向器である。それから、電極は、開口を横切る電場を生成するため、開口の反対側に配置されている。一般に、第二の電極は、グラウンド電極、すなわちグラウンド電位に接続されている電極である。
電子ビームレット57をブランカーアレイ50の平面内に合焦させるために、リソグラフィシステムはコンデンサーレンズアレイ(図示せず)をさらに備えていてよい。
図7の実施形態では、ビームレットストップアレイ70は、ビームレットが通り抜けることを可能にするための開口のアレイを備えている。ビームレットストップアレイ70は、その基本形態では、複数の貫通孔が設けられた基板であり、貫通孔は一般に丸穴であるが、他の形が使用されてもよい。いくつかの実施形態では、ビームレットストップアレイ70の基板は、シリコンウェファーから形成され、一定間隔で離間した貫通孔のアレイを備えており、表面帯電を防止するために金属の表面層で覆われていてよい。いくつかのさらなる実施形態では、金属は、CrMoなど、自然酸化物被膜を形成しないタイプである。
ビームレットブランカーアレイ59およびビームレットストップアレイ70は、一緒に動作してビームレット57を遮断するか通過させる。いくつかの実施形態では、ビームレットストップアレイ70の開口は、ビームレットブランカーアレイ59の静電偏向器の開口と整列されている。ビームレットブランカーアレイ59がビームレットを偏向させると、それはビームレットストップアレイ70の対応の開口を通り抜けない。代わりに、ビームレットは、ビームレット遮断アレイ70の基板によって遮断される。ビームレットブランカーアレイ59がビームレットを偏向させなければ、ビームレットは、ビームレットストップアレイ70中の対応の開口を通り抜ける。いくつかの代替実施形態では、ビームレットブランカーアレイ59とビームレットストップアレイ70の共働は、ブランカーアレイ59の偏向器によるビームレットの偏向が、ビームレットストップアレイ70の対応の開口を通るビームレットの通過をもたらす一方、非偏向が、ビームレットストップアレイ70の基板による遮断をもたらすようになっている。
変調システム58は、制御ユニット60によって供給される入力に基づいてビームレット57にパターンを追加するようになっている。制御ユニット60は、データストレージユニット61と読み出しユニット62とデータコンバーター63を備えていてよい。制御ユニット60は、システムの残りから離して、たとえばクリーンルームの内側部分の外に配置されていてよい。パターンデータを有している変調光ビーム74は、光ファイバー64を使用して、(概略的にプレート75として描かれた)ファイバーアレイ内のファイバーの端から、破線ボックスと参照番号78によって概略的に示された、リソグラフィシステム51の電子光学部分内に光を投影するプロジェクター65に送られてよい。
図7の実施形態では、変調光ビームは、ビームレットブランカーアレイ59上に投影される。特に、光ファイバー端からの変調光ビーム74は、ビームレットブランカーアレイ59上に配置された対応の光感応素子に投影される。光感応素子は、光信号を別種の信号たとえば電気信号に変換するようになっていてよい。変調光ビーム74は、対応の光感応素子に接続されている一つ以上のブランカーを制御するためのパターンデータの一部分を運ぶ。適切には、光ビーム74を対応の光感応素子上に投影するために、プロジェクター65などの光学素子が使用されてよい。加えて、適切な入射角での光ビーム74の投影を可能にするため、たとえばプロジェクター65とビームレットブランカーアレイ59の間にミラーが適切に配置されていてよい。
プロジェクター65は、制御ユニット60の制御下にあるプロジェクター位置決めデバイス77によってプレート75と適切に整列され得る。その結果、プロジェクター65とビームレットブランカーアレイ59内の光感応素子の間の距離は、同様に変化し得る。
いくつかの実施形態では、光ビームは、少なくとも部分的に、光導波路によってプレートから光感応素子の方に送られてよい。光導波路は、光感応素子に非常に近い、適切には1センチメートル未満の、好ましくは約1ミリメートル離れた位置まで光を導き得る。光導波路と対応の光感応素子の間の短い距離は、光損失を低減する。他方において、荷電粒子ビームレットによって占有され得る空間から離して配置されたプレート75とプロジェクター65の使用は、ビームレット外乱が最小化され、ビームレットブランカーアレイ59の構築が複雑でないという利点を有している。
ビームレット変調器から出て来る変調ビームレットは、ビームレットプロジェクターによって、ターゲット84のターゲット表面73上にスポットとして投影される。ビームレットプロジェクターは、一般に、変調ビームレットをターゲット表面73上で走査するための走査偏向器と、変調ビームレットをターゲット表面73上に合焦させるための投影レンズ系を備えている。これらのコンポーネントは、シングルエンドモジュール内に存在していてよい。
そのようなエンドモジュールは、好ましくは、挿入可能交換可能ユニットとして構成されている。したがって、エンドモジュールは、偏向器アレイ71と投影レンズ装置72を備えていてよい。挿入可能交換可能ユニットはまた、ビームレット変調器に関連して上に論じられたようなビームレットストップアレイ70を有していてよい。エンドモジュールを去った後、ビームレット57は、ターゲット面に配置されたターゲット表面73に衝突する。リソグラフィ用途では、ターゲットは、通常、荷電粒子感応層またはレジスト層が設けられたウェーハである。
偏向器アレイ71は、ビームレットストップアレイ70を通過した各ビームレット57を偏向させるようになっている走査偏向器アレイの形を取っていてよい。偏向器アレイ71は、比較的小さい駆動電圧の印加を可能にする複数の静電偏向器であってよい。偏向器アレイ71は、投影レンズ装置72の上流に描かれているが、偏向器アレイ71はまた、投影レンズ装置72とターゲット表面73の間に配置されてもよい。
投影レンズ装置72は、偏向器アレイ71による偏向の前または後に、ビームレット57を合焦させるようになっている。好ましくは、合焦は、直径が約10ないし30ナノメートルの幾何学的スポットサイズをもたらす。そのような好ましい実施形態では、投影レンズ装置72は、好ましくは約100~500倍の、最も好ましくは可能な限り大きい、たとえば300~500倍の範囲内の縮小率を提供する。この好ましい実施形態では、投影レンズ装置72は、好都合に、ターゲット表面73に接近して位置されていてよい。
いくつかの実施形態では、ビームプロテクター(図示せず)が、ターゲット表面73と投影レンズ装置72の間に配置されていてよい。ビームプロテクターは、複数の適切に配置された開口が設けられたホイルまたはプレートであってよい。ビームプロテクターは、解放されたレジスト粒子がリソグラフィシステム51の感応素子のいずれかに到達する前に、それらを吸収するようになっている。
投影レンズ装置72は、ターゲット表面73上の単一ピクセルのスポットサイズが正確であることを確実にし得、一方、偏向器アレイ71は、適切な走査動作によって、ターゲット表面73上のピクセルの位置がマイクロスケール上で正確であることを確実にし得る。特に、偏向器アレイ71の動作は、ターゲット表面73上のパターンを最終的に構成するピクセルのグリッドにピクセルがぴったり合うようなものである。ターゲット表面73上のピクセルのマクロスケールの位置決めは、ターゲット84の下方に存在するウェーハ位置決めシステムによって適切に実現されることが理解される。
一般に、ターゲット表面73は、基板の上面にあるレジスト膜である。レジスト膜の一部は、荷電粒子すなわち電子のビームレットの照射によって化学的に改変される。その結果、膜の照射部分は、現像液にいくぶん可溶性になり、ウェーハ上のレジストパターンをもたらす。ウェーハ上のレジストパターンは、続いて、すなわち、半導体製造の分野において知られているインプリメンテーション、エッチングおよび/または堆積ステップによって、下層に転写されることが可能である。明らかに、照射が均一でないならば、レジストは均一に現像され得ず、パターンの誤りをもたらす。したがって、複製可能な結果を提供するリソグラフィシステムを得るために高品質投影が問題とされる。照射の違いは、偏向ステップに起因しないはずである。
特に荷電粒子マルチビームレットリソグラフィシステムについて言及されるけれども、本発明のいくつかの実施形態は、露出目的のために極紫外(EUV)放射を使用するリソグラフィシステムなどの他のタイプのリソグラフィシステムに向けられてよい。EUVリソグラフィシステムでは、一般に、ミラーなどの反射面が、パターン形成されたまたは変調された放射ビームを作り出すために、または選択されたビームレットが露出されるターゲット、一般には適切なレジスト層が設けられたウェーハに到達するビームレットの軌道に影響を及ぼすために使用される。
図8は、モジュール式リソグラフィシステムの簡略ブロック図を示している。リソグラフィシステムは、好ましくは、メンテナンスのしやすさを可能にするためにモジュール方式に設計されている。主要サブシステムは、好ましくは、自己完結型取り外し可能モジュールに構成されており、それにより、他のサブシステムに対する外乱が可能な限りなくリソグラフィ機械装置から取り外されることが可能である。これは、機械装置へのアクセスが限定されている、真空チャンバー内に閉じ込められているリソグラフィ機械装置にとって特に有利である。したがって、欠陥のあるサブシステムは、他のシステムを不必要に分離したり妨害したりすることなく、すばやく取り外され交換されることが可能である。
図8に示された実施形態では、これらのモジュール式サブシステムは、荷電粒子ビーム発生源101とビームコリメート系102を有している照明光学モジュール201と、開口アレイ103とコンデンサーレンズアレイ104を有している開口アレイおよびコンデンサーレンズモジュール202と、ビームレットブランカーアレイ105を有しているビームスイッチングモジュール203と、ビームストップアレイ108とビーム偏向器アレイ109と投影レンズアレイ110を有している投影光学モジュール204を有している。モジュールは、アライメントフレームにスライドさせて出し入れされるように設計されていてよい。図8に示された実施形態では、アライメントフレームは、アライメント内側サブフレーム205とアライメント外側サブフレーム206を備えている。投影光学モジュール204は、一つ以上のたわみ部によって、アライメント内側サブフレーム205とアライメント外側サブフレームの少なくとも一つに連結されていてよい。
照明光学モジュール201と開口アレイおよびコンデンサーレンズモジュール202とビームスイッチングモジュール203と投影光学モジュール204の上述のコンポーネントは、図7のリソグラフィシステム1に対して同様のコンポーネントの機能に相当して動作するようになっている。
図8の実施形態では、フレーム208が、振動減衰マウント207を介してアライメントサブフレーム205,206を支持している。この実施形態では、ウェーハ130は、ウェーハテーブル209の上に載っており、テーブルは、今度は、追加の支持構造体210に搭載されている。ウェーハテーブル209と追加の支持構造体210の組み合わせは、以下では、チャック210とも呼ばれ得る。チャック210は、ステージショートストローク211およびロングストローク212の上に鎮座している。リソグラフィ機械装置は、真空チャンバー250内に閉じ込められており、チャンバーは、好ましくは、一つまたは複数のミューメタルシールド層215を有している。機械装置は、フレーム部材221によって支持されたベースプレート220の上に載っている。
各モジュールは、多数の電気信号および/または光信号と、その動作のための電力を必要とすることがある。真空チャンバーの内側のモジュールは、一般にチャンバーの外側に配置されている一つ以上の制御システム224からこれらの信号を受け取る。真空チャンバー250は、ケーブルのまわりの真空シールを維持しつつ、信号を制御システムから真空ハウジングの中に伝えるケーブルを通すための、ポートと呼ばれる開口を有している。各モジュールは、好ましくは、そのモジュールに専用の一つ以上のポートを通って取り回された電気、光学および/または電力ケーブル接続の集まりを有している。これは、特定のモジュールのためのケーブルが、他のモジュールのいずれかのためのケーブルを乱すことなく、分離され取り外され交換される。いくつかの実施形態では、パッチパネルが、真空チャンバー250内に設けられてよい。パネルは、モジュールの一つ以上を取り外し可能に連結するための一つ以上のコネクターを備えている。一つ以上のポートは、真空チャンバー内への取り外し可能モジュールの一つ以上の連結を通すために使用されてもよい。
図9は、汚染物質堆積物の除去のための装置300の実施形態の上げられた上面図を示している。装置300は、ファンネル308の形をしている圧力レギュレーターにつながれた、その中にプラズマが形成され得るチャンバー302を備えている。ファンネル308には、スリット307a,307bの形をしている二つの放出口が設けられている。
図10は、図9に描かれた汚染物質堆積物の除去のための装置を備えているモジュール式リソグラフィシステムの断面図を示している。示された実施形態では、モジュール式リソグラフィシステムは、図8を参照して論じられたシステムである。チャンバー302は、特定のこの実施形態ではファンネル308も、一つ以上のモジュールを収容するためのアライメントフレーム208の中に統合されている。装置はさらに、スリット307aに連結された第一のチューブ309aと、スリット307bに連結された第二のチューブ309bを備えている。第二のチューブ309bは、投影光学モジュール204の表面に近い放出口を有している。第一のチューブ309aは、別のモジュール、たとえば図8のモジュール式リソグラフィシステムのビームスイッチングモジュール203にラジカルを搬送するようになっている。
図11は、チューブ309bを使用しているファンネル308と投影光学モジュール204の間の連結の実施形態についての詳細図を示している。同様の連結が、ファンネル308と他のモジュールの間になされてよい。示された連結では、チューブ309bは、スリット307bの延長部分の上に合わされることが可能である。したがって、圧力レギュレーター放出口307bには、ガイド本体すなわち図11のチューブ309bが取り外し可能に取り付け可能な延長部分が設けられている。
さらに、チューブ周囲の方への原子ラジカルなどの粒子状物質の漏れを減少させるために実際の連結の個所を覆って配置され得るカバー400が設けられている。カバー400は、スライド可能なカバーであってよい。
チューブ309bは、好ましくは、チューブ309bの内側壁との原子ラジカルの相互作用を最小にするように可能な限りまっすぐである。この特定の実施形態では、投影光学モジュール204はモジュールプレート410に装着されており、チューブ309bはプレート410を通って延びている。そのような構築物は、プレート410とチューブ309bによって占有される空間を減少させる。
上に論じられたいくつかの実施形態に関連して本発明が説明された。添付の請求の範囲の中に定められている本発明の要旨から逸脱することなく、この分野の当業者に良く知られたさまざまな修正および代替形態の余地があることが認められよう。
米国特許第6,897,458号 米国特許第6,958,804号 米国特許第7,084,414号 米国特許第7,129,502号

Claims (14)

  1. 複数の電子ビームレットを生成するためのビームレット発生器と、
    前記複数の電子ビームレットを操作するための開口アレイを備えたビームレットマニピュレーターと、
    プラズマが形成されるチャンバーを備えた、プラズマを生成するプラズマ発生器と、
    前記プラズマに形成されたラジカルを、汚染物質の堆積を除去することになる前記開口アレイの方に導く1つ以上のガイド本体放出口を備え、1つ以上のチャンバー放出口に結合された中空ガイド本体と
    を備えた真空チャンバーにおいて、
    前記プラズマ発生器の前記チャンバーは、投入ガスを受け入れるための注入口と、その中に作り出されたプラズマ及びラジカルの少なくとも一方の除去のための前記1つ以上のチャンバー放出口を備える、
    前記チャンバーと、前記中空ガイド本体のチューブとの間に、ファンネルが配置される、
    前記1つ以上のチャンバー放出口は、前記1つ以上のガイド本体放出口と流れ結合し、前記チャンバー内の圧力が、前記注入口に接続された加圧装置によって、周期的に一時的に増大されるように構成されている、真空チャンバー。
  2. 前記発生器放出口の少なくとも1つが前記ビームレットマニピュレーターに近い位置に配置されている、請求項に記載の真空チャンバー。
  3. 前記プラズマ発生器は、前記中空ガイド本体の前記ファンネルを介して前記1つ以上のガイド本体放出口の少なくとも1つと接続する、請求項又はに記載の真空チャンバー。
  4. 前記ファンネルは、スリットの形態で少なくとも2つの前記ガイド本体放出口を設けられる、請求項に記載の真空チャンバー。
  5. 前記ガイド本体放出口のそれぞれの前記スリットに接続された、前記中空ガイド本体のチューブをさらに備え、各チューブは、汚染物質の堆積を除去するための前記開口アレイの表面に近い位置に配置されている放出口を有する、請求項に記載の真空チャンバー。
  6. 前記中空ガイド本体と前記発生器放出口の延長部分の間の連結を覆った配置のためのカバーをさらに備える、請求項1~5のいずれか1項に記載の真空チャンバー。
  7. 前記カバーは、前記連結の箇所を覆ってスライド可能に置かれるように配置されている、請求項に記載の真空チャンバー。
  8. 前記中空ガイド本体は、前記発生器放出口と前記ビームレットマニピュレーターとの間の流れ結合を達成する、請求項1~のいずれか1項に記載の真空チャンバー。
  9. 前記ビームレットマニピュレーターが、取り外し可能なモジュールプレートに搭載され、前記中空ガイド本体が前記取り外し可能なモジュールプレートを通って延びている、請求項1~のいずれか1項に記載の真空チャンバー。
  10. 前記ビームレットマニピュレーターを支持するために配置されたアライメントフレームと、
    前記アライメントフレームを支持するために配置されたフレームと、
    をさらに備え、
    前記プラズマ発生器の前記チャンバーおよび前記ファンネルは、前記アライメントフレームの中に統合されている、請求項に記載の真空チャンバー。
  11. 前記フレームが、振動減衰マウントを介して前記アライメントフレームを支持するように配置されている、請求項10に記載の真空チャンバー。
  12. 前記プラズマ発生器が前記ビームレットマニピュレーターの側方に配置されている、請求項10又は11に記載の真空チャンバー。
  13. 前記アライメントフレームは、スライドして取り外し可能なビームレットマニピュレーターモジュールを支持するように構成されている、請求項10~12のいずれか1項に記載の真空チャンバー。
  14. 複数の電子ビームレットを操作するための開口アレイを備えたビームレットマニピュレーターをプラズマクリーニングする方法において、前記ビームレットマニピュレーターは、複数の電子ビームレットを生成するためのビームレット発生器をさらに備える真空チャンバー内に備えられ、
    前記方法は、
    プラズマを生成することと、
    1つ以上のチャンバー放出口に結合された中空ガイド本体によって、前記プラズマに形成されたラジカルを、前記中空ガイド本体の1つ以上のガイド本体放出口から汚染物質の堆積を除去することになる前記開口アレイの方に導くことと、
    を含み、
    前記プラズマを生成することは、
    プラズマ発生器の注入口を通して、投入ガスを受け入れることと、
    前記プラズマ発生器内でプラズマを形成することと、
    前記プラズマ発生器の前記1つ以上のチャンバー放出口を通して、その中に作り出されたプラズマ及びラジカルの少なくとも一方の除去することと、
    を含み、
    前記チャンバーと、前記中空ガイド本体のチューブとの間に、ファンネルが配置される、
    前記1つ以上のチャンバー放出口は、前記1つ以上のガイド本体放出口と流れ結合し、前記チャンバー内の圧力が、前記注入口に接続された加圧装置によって、周期的に一時的に増大されるように構成されている、方法。

JP2020135584A 2012-03-20 2020-08-11 ラジカルを輸送するための装置および方法 Active JP7166315B2 (ja)

Priority Applications (1)

Application Number Priority Date Filing Date Title
JP2022129814A JP7446374B2 (ja) 2012-03-20 2022-08-17 ラジカルを輸送するための装置および方法

Applications Claiming Priority (2)

Application Number Priority Date Filing Date Title
US201261613391P 2012-03-20 2012-03-20
US61/613,391 2012-03-20

Related Parent Applications (1)

Application Number Title Priority Date Filing Date
JP2017210550A Division JP2018050061A (ja) 2012-03-20 2017-10-31 ラジカルを輸送するための装置および方法

Related Child Applications (1)

Application Number Title Priority Date Filing Date
JP2022129814A Division JP7446374B2 (ja) 2012-03-20 2022-08-17 ラジカルを輸送するための装置および方法

Publications (2)

Publication Number Publication Date
JP2021002661A JP2021002661A (ja) 2021-01-07
JP7166315B2 true JP7166315B2 (ja) 2022-11-07

Family

ID=48049956

Family Applications (4)

Application Number Title Priority Date Filing Date
JP2015500917A Active JP6239583B2 (ja) 2012-03-20 2013-03-20 ラジカルを輸送するための装置および方法
JP2017210550A Pending JP2018050061A (ja) 2012-03-20 2017-10-31 ラジカルを輸送するための装置および方法
JP2020135584A Active JP7166315B2 (ja) 2012-03-20 2020-08-11 ラジカルを輸送するための装置および方法
JP2022129814A Active JP7446374B2 (ja) 2012-03-20 2022-08-17 ラジカルを輸送するための装置および方法

Family Applications Before (2)

Application Number Title Priority Date Filing Date
JP2015500917A Active JP6239583B2 (ja) 2012-03-20 2013-03-20 ラジカルを輸送するための装置および方法
JP2017210550A Pending JP2018050061A (ja) 2012-03-20 2017-10-31 ラジカルを輸送するための装置および方法

Family Applications After (1)

Application Number Title Priority Date Filing Date
JP2022129814A Active JP7446374B2 (ja) 2012-03-20 2022-08-17 ラジカルを輸送するための装置および方法

Country Status (8)

Country Link
US (2) US9123507B2 (ja)
EP (1) EP2828708B1 (ja)
JP (4) JP6239583B2 (ja)
KR (4) KR102136829B1 (ja)
CN (2) CN106933063B (ja)
NL (3) NL2010488C2 (ja)
RU (2) RU2017146228A (ja)
WO (1) WO2013139878A2 (ja)

Families Citing this family (5)

* Cited by examiner, † Cited by third party
Publication number Priority date Publication date Assignee Title
DE102013226678A1 (de) * 2013-12-19 2015-06-25 Carl Zeiss Smt Gmbh EUV-Lithographiesystem und Transporteinrichtung zum Transport eines reflektiven optischen Elements
US9981293B2 (en) * 2016-04-21 2018-05-29 Mapper Lithography Ip B.V. Method and system for the removal and/or avoidance of contamination in charged particle beam systems
NL2022156B1 (en) 2018-12-10 2020-07-02 Asml Netherlands Bv Plasma source control circuit
CN114616198A (zh) * 2019-11-22 2022-06-10 Abb瑞士股份有限公司 输送机、输送系统以及输送机的制造方法
CN111638569B (zh) * 2020-07-17 2022-04-22 中国人民解放军空军工程大学 一种射频感性耦合等离子体叠加相位梯度超表面吸波结构

Citations (3)

* Cited by examiner, † Cited by third party
Publication number Priority date Publication date Assignee Title
JP2001144000A (ja) 1999-11-16 2001-05-25 Nikon Corp 荷電粒子線転写装置及びそのクリーニング方法並びにそれを用いるデバイス製造方法
JP2001148340A (ja) 1999-11-19 2001-05-29 Advantest Corp 荷電粒子ビーム露光方法及び装置
WO2010094719A1 (en) 2009-02-22 2010-08-26 Mapper Lithography Ip B.V. Charged particle lithography apparatus and method of generating vacuum in a vacuum chamber

Family Cites Families (60)

* Cited by examiner, † Cited by third party
Publication number Priority date Publication date Assignee Title
JPS586129A (ja) * 1981-07-03 1983-01-13 Fujitsu Ltd 電子ビ−ム露光装置
US4555303A (en) * 1984-10-02 1985-11-26 Motorola, Inc. Oxidation of material in high pressure oxygen plasma
JPS62274080A (ja) * 1986-05-21 1987-11-28 Hitachi Ltd プラズマ処理方法
US4870030A (en) * 1987-09-24 1989-09-26 Research Triangle Institute, Inc. Remote plasma enhanced CVD method for growing an epitaxial semiconductor layer
JP3253675B2 (ja) * 1991-07-04 2002-02-04 株式会社東芝 荷電ビーム照射装置及び方法
US5466942A (en) * 1991-07-04 1995-11-14 Kabushiki Kaisha Toshiba Charged beam irradiating apparatus having a cleaning means and a method of cleaning a charged beam irradiating apparatus
JPH05198536A (ja) * 1992-01-23 1993-08-06 Sony Corp ドライエッチング方法
CN1078768A (zh) * 1992-05-16 1993-11-24 S·H·福尔 进气控制装置
JP3258104B2 (ja) * 1992-12-21 2002-02-18 株式会社東芝 荷電ビーム照射方法及び装置
JP3568553B2 (ja) * 1993-03-18 2004-09-22 富士通株式会社 荷電粒子ビーム露光装置及びそのクリーニング方法
JPH0737807A (ja) * 1993-07-21 1995-02-07 Hitachi Ltd 原子、分子線による表面処理方法およびその装置
JP3466744B2 (ja) * 1993-12-29 2003-11-17 株式会社東芝 洗浄機能付き荷電ビーム装置および荷電ビーム装置の洗浄方法
JP3257742B2 (ja) * 1994-03-15 2002-02-18 富士通株式会社 電子ビーム露光装置
US5665640A (en) 1994-06-03 1997-09-09 Sony Corporation Method for producing titanium-containing thin films by low temperature plasma-enhanced chemical vapor deposition using a rotating susceptor reactor
JPH09223594A (ja) * 1996-02-16 1997-08-26 Ebara Corp ビーム源及び微細加工方法
JP3827359B2 (ja) 1996-03-19 2006-09-27 富士通株式会社 荷電粒子ビーム露光方法及びその装置
JPH09293472A (ja) 1996-04-26 1997-11-11 Fujitsu Ltd 荷電粒子ビーム露光装置、その露光方法及びその製造方法
US5788778A (en) 1996-09-16 1998-08-04 Applied Komatsu Technology, Inc. Deposition chamber cleaning technique using a high power remote excitation source
US6039834A (en) 1997-03-05 2000-03-21 Applied Materials, Inc. Apparatus and methods for upgraded substrate processing system with microwave plasma source
US8075789B1 (en) * 1997-07-11 2011-12-13 Applied Materials, Inc. Remote plasma cleaning source having reduced reactivity with a substrate processing chamber
JPH11135297A (ja) * 1997-10-31 1999-05-21 Kumagai Hiromi プラズマ発生器
US6182603B1 (en) * 1998-07-13 2001-02-06 Applied Komatsu Technology, Inc. Surface-treated shower head for use in a substrate processing chamber
US6989546B2 (en) * 1998-08-19 2006-01-24 Ims-Innenmikrofabrikations Systeme Gmbh Particle multibeam lithography
GB9822294D0 (en) 1998-10-14 1998-12-09 Univ Birmingham Contaminant removal method
US6105589A (en) * 1999-01-11 2000-08-22 Vane; Ronald A. Oxidative cleaning method and apparatus for electron microscopes using an air plasma as an oxygen radical source
US6394109B1 (en) 1999-04-13 2002-05-28 Applied Materials, Inc. Method and apparatus for removing carbon contamination in a sub-atmospheric charged particle beam lithography system
US6465795B1 (en) 2000-03-28 2002-10-15 Applied Materials, Inc. Charge neutralization of electron beam systems
US6387207B1 (en) 2000-04-28 2002-05-14 Applied Materials, Inc. Integration of remote plasma generator with semiconductor processing chamber
US6905547B1 (en) * 2000-12-21 2005-06-14 Genus, Inc. Method and apparatus for flexible atomic layer deposition
US20020144706A1 (en) 2001-04-10 2002-10-10 Davis Matthew F. Remote plasma cleaning of pumpstack components of a reactor chamber
US6772776B2 (en) 2001-09-18 2004-08-10 Euv Llc Apparatus for in situ cleaning of carbon contaminated surfaces
US6936551B2 (en) 2002-05-08 2005-08-30 Applied Materials Inc. Methods and apparatus for E-beam treatment used to fabricate integrated circuit devices
EP2302458B1 (en) 2002-10-25 2016-09-14 Mapper Lithography Ip B.V. Lithography system
CN101414129B (zh) 2002-10-30 2012-11-28 迈普尔平版印刷Ip有限公司 电子束曝光系统
KR100536140B1 (ko) * 2002-11-26 2005-12-14 한국전자통신연구원 반도체 소자의 제조 장치 및 이를 이용한 반도체 소자의제조 방법
DE60323927D1 (de) 2002-12-13 2008-11-20 Asml Netherlands Bv Lithographischer Apparat und Verfahren zur Herstellung einer Vorrichtung
JP4484868B2 (ja) 2003-03-10 2010-06-16 マッパー・リソグラフィー・アイピー・ビー.ブイ. 複数の小ビームを発生させるための装置
US7084414B2 (en) 2003-05-28 2006-08-01 Mapper Lithography Ip B.V. Charged particle beamlet exposure system
JP2005208120A (ja) * 2004-01-20 2005-08-04 Ebara Corp 試料修正装置及び試料修正方法並びに該方法を用いたデバイス製造方法
JP2006128542A (ja) * 2004-11-01 2006-05-18 Nec Electronics Corp 電子デバイスの製造方法
ITMI20050585A1 (it) * 2005-04-07 2006-10-08 Francesco Cino Matacotta Apparato e processo per la generazione accelerazione e propagazione di fasci di elettroni e plasma
KR100717505B1 (ko) * 2005-11-25 2007-05-14 동부일렉트로닉스 주식회사 노광장치의 투영 렌즈 세정장치
US7465943B2 (en) * 2005-12-08 2008-12-16 Asml Netherlands B.V. Controlling the flow through the collector during cleaning
JP4952375B2 (ja) 2007-05-23 2012-06-13 株式会社明電舎 レジスト除去方法及びその装置
CN100591801C (zh) * 2007-09-30 2010-02-24 南京大学 快速大面积制备薄膜材料的装置及设置方法
JP5017232B2 (ja) * 2007-10-31 2012-09-05 エーエスエムエル ネザーランズ ビー.ブイ. クリーニング装置および液浸リソグラフィ装置
KR20140097574A (ko) * 2007-11-06 2014-08-06 칼 짜이스 에스엠티 게엠베하 광학면으로부터 오염층을 제거하는 방법, 세정 가스를 생성하는 방법 및 대응하는 세정 및 세정 가스 생성 장치들
TWI377593B (en) 2008-02-26 2012-11-21 Mapper Lithography Ip Bv A charged particle multi-beamlet system for exposing a target using a plurality of beamlets
US7967913B2 (en) * 2008-10-22 2011-06-28 Applied Materials, Inc. Remote plasma clean process with cycled high and low pressure clean steps
EP2399272A1 (en) * 2009-02-22 2011-12-28 Mapper Lithography IP B.V. A method and arrangement for realizing a vacuum in a vacuum chamber
EP2399271B1 (en) * 2009-02-22 2013-01-16 Mapper Lithography IP B.V. Lithography machine and substrate handling arrangement
JP5658245B2 (ja) * 2009-06-23 2015-01-21 エーエスエムエル ネザーランズ ビー.ブイ. レーザクリーニングデバイス、リソグラフィ投影装置および表面を浄化する方法
US8349125B2 (en) * 2009-07-24 2013-01-08 Xei Scientific, Inc. Cleaning device for transmission electron microscopes
CN102098863B (zh) * 2009-12-14 2013-09-11 北京北方微电子基地设备工艺研究中心有限责任公司 用于等离子体加工设备的电极板和清除工艺沉积物的方法
JP5988537B2 (ja) * 2010-06-10 2016-09-07 株式会社ニコン 荷電粒子線露光装置及びデバイス製造方法
JP2012023316A (ja) * 2010-07-16 2012-02-02 Canon Inc 荷電粒子線描画装置および物品の製造方法
JP5709535B2 (ja) 2011-01-07 2015-04-30 キヤノン株式会社 電子ビーム描画装置、およびそれを用いた物品の製造方法
JP5709546B2 (ja) * 2011-01-19 2015-04-30 キヤノン株式会社 エネルギービーム描画装置及びデバイス製造方法
JP5785436B2 (ja) * 2011-05-09 2015-09-30 キヤノン株式会社 荷電粒子線描画装置およびそのクリーニング方法ならびにデバイスの製造方法
WO2013045643A2 (en) * 2011-09-28 2013-04-04 Mapper Lithography Ip B.V. Plasma generator

Patent Citations (4)

* Cited by examiner, † Cited by third party
Publication number Priority date Publication date Assignee Title
JP2001144000A (ja) 1999-11-16 2001-05-25 Nikon Corp 荷電粒子線転写装置及びそのクリーニング方法並びにそれを用いるデバイス製造方法
JP2001148340A (ja) 1999-11-19 2001-05-29 Advantest Corp 荷電粒子ビーム露光方法及び装置
WO2010094719A1 (en) 2009-02-22 2010-08-26 Mapper Lithography Ip B.V. Charged particle lithography apparatus and method of generating vacuum in a vacuum chamber
JP2012518897A (ja) 2009-02-22 2012-08-16 マッパー・リソグラフィー・アイピー・ビー.ブイ. 荷電粒子リソグラフィ装置

Also Published As

Publication number Publication date
WO2013139878A3 (en) 2013-12-27
JP2021002661A (ja) 2021-01-07
EP2828708A2 (en) 2015-01-28
NL2013637C2 (en) 2015-08-25
JP2022167939A (ja) 2022-11-04
KR102069183B1 (ko) 2020-01-22
CN104321701B (zh) 2017-04-12
WO2013139878A2 (en) 2013-09-26
JP7446374B2 (ja) 2024-03-08
KR101905618B1 (ko) 2018-10-10
KR102206544B1 (ko) 2021-01-25
KR102136829B1 (ko) 2020-07-24
NL2010488A (en) 2013-09-23
CN106933063B (zh) 2019-01-18
US20150028223A1 (en) 2015-01-29
US20150332899A1 (en) 2015-11-19
NL2015332A (en) 2016-06-27
NL2010488C2 (en) 2014-10-21
NL2013637A (en) 2014-12-15
CN104321701A (zh) 2015-01-28
NL2015332B1 (en) 2016-09-30
KR20140141665A (ko) 2014-12-10
KR20200008064A (ko) 2020-01-22
CN106933063A (zh) 2017-07-07
KR20180108894A (ko) 2018-10-04
RU2017146228A (ru) 2019-02-20
JP2015518268A (ja) 2015-06-25
JP2018050061A (ja) 2018-03-29
KR20200091478A (ko) 2020-07-30
RU2014142037A (ru) 2016-05-10
US9484187B2 (en) 2016-11-01
EP2828708B1 (en) 2022-11-02
RU2642494C2 (ru) 2018-01-25
JP6239583B2 (ja) 2017-11-29
US9123507B2 (en) 2015-09-01

Similar Documents

Publication Publication Date Title
JP7166315B2 (ja) ラジカルを輸送するための装置および方法
JP7065027B2 (ja) 荷電粒子ビームシステムにおける汚染の除去及び/又は回避のための方法及びシステム
JP6430606B2 (ja) 荷電粒子ビーム発生器の高電圧シールド及び冷却
US8698095B2 (en) Charged particle beam drawing apparatus and article manufacturing method
JP2014535125A (ja) プラズマ発生器
JP2004014960A (ja) 露光装置および露光方法
JP2015149449A (ja) 荷電粒子線描画装置、汚染物除去方法、及びデバイス製造方法

Legal Events

Date Code Title Description
A521 Request for written amendment filed

Free format text: JAPANESE INTERMEDIATE CODE: A523

Effective date: 20200910

A621 Written request for application examination

Free format text: JAPANESE INTERMEDIATE CODE: A621

Effective date: 20200910

A977 Report on retrieval

Free format text: JAPANESE INTERMEDIATE CODE: A971007

Effective date: 20210712

A131 Notification of reasons for refusal

Free format text: JAPANESE INTERMEDIATE CODE: A131

Effective date: 20210716

A601 Written request for extension of time

Free format text: JAPANESE INTERMEDIATE CODE: A601

Effective date: 20211014

A521 Request for written amendment filed

Free format text: JAPANESE INTERMEDIATE CODE: A523

Effective date: 20211216

A02 Decision of refusal

Free format text: JAPANESE INTERMEDIATE CODE: A02

Effective date: 20220418

A521 Request for written amendment filed

Free format text: JAPANESE INTERMEDIATE CODE: A523

Effective date: 20220817

C60 Trial request (containing other claim documents, opposition documents)

Free format text: JAPANESE INTERMEDIATE CODE: C60

Effective date: 20220817

A911 Transfer to examiner for re-examination before appeal (zenchi)

Free format text: JAPANESE INTERMEDIATE CODE: A911

Effective date: 20220906

C21 Notice of transfer of a case for reconsideration by examiners before appeal proceedings

Free format text: JAPANESE INTERMEDIATE CODE: C21

Effective date: 20220907

TRDD Decision of grant or rejection written
A01 Written decision to grant a patent or to grant a registration (utility model)

Free format text: JAPANESE INTERMEDIATE CODE: A01

Effective date: 20221012

A61 First payment of annual fees (during grant procedure)

Free format text: JAPANESE INTERMEDIATE CODE: A61

Effective date: 20221025

R150 Certificate of patent or registration of utility model

Ref document number: 7166315

Country of ref document: JP

Free format text: JAPANESE INTERMEDIATE CODE: R150

R250 Receipt of annual fees

Free format text: JAPANESE INTERMEDIATE CODE: R250