JP4591639B2 - 遊技機 - Google Patents

遊技機 Download PDF

Info

Publication number
JP4591639B2
JP4591639B2 JP2000256844A JP2000256844A JP4591639B2 JP 4591639 B2 JP4591639 B2 JP 4591639B2 JP 2000256844 A JP2000256844 A JP 2000256844A JP 2000256844 A JP2000256844 A JP 2000256844A JP 4591639 B2 JP4591639 B2 JP 4591639B2
Authority
JP
Japan
Prior art keywords
frame
gaming machine
pachinko machine
door frame
main body
Prior art date
Legal status (The legal status is an assumption and is not a legal conclusion. Google has not performed a legal analysis and makes no representation as to the accuracy of the status listed.)
Expired - Lifetime
Application number
JP2000256844A
Other languages
English (en)
Other versions
JP2002066064A (ja
Inventor
渉 押見
Current Assignee (The listed assignees may be inaccurate. Google has not performed a legal analysis and makes no representation or warranty as to the accuracy of the list.)
Sanyo Bussan Co Ltd
Original Assignee
Sanyo Bussan Co Ltd
Priority date (The priority date is an assumption and is not a legal conclusion. Google has not performed a legal analysis and makes no representation as to the accuracy of the date listed.)
Filing date
Publication date
Application filed by Sanyo Bussan Co Ltd filed Critical Sanyo Bussan Co Ltd
Priority to JP2000256844A priority Critical patent/JP4591639B2/ja
Publication of JP2002066064A publication Critical patent/JP2002066064A/ja
Application granted granted Critical
Publication of JP4591639B2 publication Critical patent/JP4591639B2/ja
Anticipated expiration legal-status Critical
Expired - Lifetime legal-status Critical Current

Links

Images

Landscapes

  • Pinball Game Machines (AREA)

Description

【0001】
【発明の属する技術分野】
本発明は遊技機に関し、特に遊技機本体と前面枠を開閉する際に開閉状態を検出できるセンサを備えた遊技機に関するものである。
【0002】
【従来の技術】
遊技機の一種である例えばパチンコ機においては遊技機本体としてのパチンコ機本体や前面枠としての扉枠やガラス枠(以下扉枠等という)を開放した場合には管理室において開放の有無を報知とその時間を記録するようになっている。これは機器の保守・点検のためにホール側で開放する場合もあるが、主として遊技者側の不正を防止する観点から行われているものである。遊技者は釘を入りやすく調整したり、不正にセーフ球とするために扉枠等を開放する不正を行う。また、もっと大がかりな場合には制御機構内のROMを入れ替え(いわゆる裏ROMの不正使用)るためにパチンコ機本体を開放する。
開放の有無は具体的には扉枠等とパチンコ機本体との間に扉枠等の開放を検出する第1のセンサを配設し、支持枠体としての外枠とパチンコ機本体との間にパチンコ機本体の開放を検出する第2のセンサを配設する。
また、機種によってはパチンコ機本体に開閉盤としてのセット盤が開閉可能に装着され、このセット盤の基盤ボックス内に制御機構が設けられているものがある。この場合には裏ROMの不正使用はパチンコ機本体に対してセット盤を開放し、基盤ボックスを取り外して行われるためパチンコ機本体とセット盤との間にパチンコ機本体の開放を検出する第2のセンサを配設する必要がある。
【0003】
【発明が解決しようとする課題】
しかしながら、上記のように2つのセンサを配設するのは、コストアップにつながり、装着作業も両方行うこととなりこの点でもコストアップとなる。本発明は、このような従来の技術に存在する問題点に着目してなされたものであり、の目的は、遊技機本体と前面枠のそれぞれの開放状態の検出を一つの検出手段で可能とした遊技機を提供するものである。
【0004】
上記の目的を達成するために、請求項1に記載の発明では、支持枠体と、支持枠体に対して開閉可能に支持され遊技面が形成された遊技盤と遊技球発射機構とを備えた遊技機本体と、前記遊技盤の前面に配置され前記遊技機本体に対して開閉可能に装着された前面枠とを備えた遊技機において、前記遊技機本体及び前面枠が前記支持枠体に対して閉塞状態にある場合に、前記前面枠と前記支持枠体との間に前記遊技機本体を介在させた状態で前記前面枠に配設した検出手段の検出部と前記支持枠体の被検出部と接触、押圧あるいは近接状態とさ前記遊技機本体又は前面枠のいずれかが開放された場合に前記被検出部の前記検出部に対する接触、押圧あるいは近接状態が解除されるようにしたことをその要旨とする
【0005】
請求項2に記載の発明では、支持枠体と、支持枠体に対して開閉可能に支持され遊技面が形成された遊技盤と遊技球発射機構とを備えた遊技機本体と、前記遊技盤の前面側に配置され前記遊技機本体に対して開閉可能に装着された前面枠とを備えた遊技機において、前記遊技機本体には前後方向にスライド移動して端部が外方に露出するスライド部材を装着し、前記遊技機本体及び前面枠が前記支持枠体に対して閉塞状態にある場合には、前記支持枠体の被検出部と前記スライド部材の一端当接すると共にスライド部材の他端部と前記前面枠に配設した検出手段の検出部とが接触、押圧あるいは近接状態とさ前記遊技機本体又は前面枠のいずれか開放された場合に前記スライド部材の他端部の前記検出部に対する接触、押圧あるいは近接状態が解除されるようにしたことをその要旨とする
【0008】
【発明の効果】
発明では、前面枠又は遊技機本体の開放の有無を1つの検出手段のみで検出することができるため、検出手段のコストの削減に寄与できる
【0009】
【発明の実施の形態】
以下、本発明をパチンコ機に応用した実施の形態1及び2について図面に基づいて説明する。まず、主として図1〜図4に基づいてパチンコ機の概略を説明し、その後実施の形態1及び2それぞれの固有の構成について説明する。尚、以下の説明で前面側或いは表面側とは遊技者が正対する側をいい、後面側或いは背面側とはその反対側をいうものとする。また図4における説明では裏面側からみた左右方向をそれぞれ左右とする。
図1〜図4に示すように、パチンコ遊技機の支持枠体としての外枠1は上下左右の各枠板1a〜1dによって四角形に枠組みされた木製の枠体とされている。
下部枠板1b上面には幕板2が配設されている。図2及び図3に示すように、外枠1には遊技機本体としてのパチンコ機本体4が装着されている。パチンコ機本体4はヒンジ金具6の回動軸6aを中心に回動し外枠1に対して開閉可能とされている。パチンコ機本体4の上半身には遊技盤5が装着されている。図1〜図3に示すように、遊技盤5の前面にはほぼ垂直に配置された遊技面9が形成されている。遊技面9上には内レール10、外レール11、入賞口12及び可変表示装置13等が所定位置に配置された遊技領域14が形成されている。尚、釘については図示が省略されている。遊技盤5の周囲は額縁状の扉枠支持フレーム7にて包囲されている。扉枠支持フレーム7はパチンコ機本体4と一体的に形成されている。扉枠支持フレーム7の上部前面には水平方向に3つのランプ8が配設されている。
【0010】
図4に示すように、遊技盤5の背面側には開閉可能に開閉盤としてのセット盤22がパチンコ機本体4に対して開閉可能に装着されている。セット盤22は上下に配設されたヒンジ部23によってパチンコ機本体4に支持されており、盤面に散点的に配置された開閉ピン26の引き出し及び押し込みによってパチンコ機本体4に着脱される。セット盤22の中央付近には可変表示装置13の制御を行う制御機構としての図柄表示装置ユニット31が配設されている。同ユニット31に隣接して賞球の排出等のパチンコ機の電子的制御を行う制御機構としての制御装置ユニット32が配設されている。同両ユニット31,32の上方には賞球タンク33が配設されている。賞球タンク33の右方には入出力基盤34が配設されている。入出力基盤34の下方には球払い出し機構Pが配設されている。球払い出し機構Pの下方にはセーフ球処理機構Qが配設されている。セット盤22の下方には遊技球発射機構Rが配設されている。
【0011】
図1〜図3に示すように、遊技盤5の前面には前面枠としての扉枠15が配設されている。扉枠15はヒンジ金具6の回動軸6aを中心に回動しパチンコ機本体4に対して開閉可能とされている。扉枠15は閉じられた状態で前記扉枠支持フレーム7に当接する。扉枠15はほぼ正方形の外形を有し、中央にほぼ正方形の大型の窓穴16が形成されている。扉枠15上方の上梁19には水平方向に3つの透孔24が形成されている。透孔24は前記扉枠支持フレーム7のランプ8に対応しており、扉枠15を閉じた時に各ランプ8が対応する透孔24内に配置される。上梁19前面には半透明の装飾パネル25が配設され、同透孔24を覆っている。ランプ8の光は同透孔24を通して光透過性の装飾パネル25を明るく照らし出す。左縦枠21には鍵穴27を(図1参照)露出させるための台形の大きな切り欠き28が形成されている。
図2及び図3に示すように、扉枠15の背面側には同窓穴16の全周囲に渡って同窓穴16を包囲する金属製の補強フレーム29が配設されている。
【0012】
扉枠15の下方には上部カバープレート35が装着されている。上部カバープレート35はパチンコ機本体4に対して図示しないヒンジ金具によって片持ち支持され同パチンコ機本体4に対して開閉可能とされている。上部カバープレート35は前方に突出形成され、上面に上受け皿36が載置されている。上部カバープレート35の下方には下部カバープレート37が配設されている。下部カバープレート37はパチンコ機本体4に対して固着されている。下部カバープレート37は前方に突出形成され、上面に下受け皿38が載置されている。下受け皿38は主として上受け皿36に貯留しきれなかった遊技球を貯留するものである。下部カバープレート37には灰皿40が装着されている。下受け皿38の右側方には操作ハンドル39が取付けられている。
【0013】
(実施の形態1)
以下実施の形態1の固有の構成について説明する。
図2、図8及び図9に示すように、前記上梁19内部であってヒンジ金具6の回動軸6a寄り位置にはセンサとしてのリミットスイッチ51が配設されている。リミットスイッチ51は上梁19内部の設置台52に固着されている。リミットスイッチ51は同設置台52上に設置された本体51aと検出部としてのレバー51bとを備えている。レバー51bは前後方向に進退可能とされており、図示しない内部のスプリングによって後方側(つまりレバー51b先端側)に付勢されている。図2及び図7に示すように、レバー51bは上梁19に形成された開口部53から後方に向かって突出させられている。
図2、図5〜図7及び図9等に示すように、扉枠支持フレーム7にはリミットスイッチ51のレバー51bを挿入するための透孔55が形成されている。透孔55はトンネル状に前後面に連通されており、図7に示すように、扉枠15をパチンコ機本体4に装着した状態においてレバー51bは同透孔55に挿入されてその先端が後方側に露出される。また、図5及び図9に示すように扉枠15及びパチンコ機本体4が閉塞された状態ではレバー51bは外枠1の上部枠板1aの前面に当接し、図示しないスプリングの付勢力に抗して前方方向(本体51a方向)に押し込まれた状態で保持される。
【0014】
このような構成の実施の形態1のパチンコ機の作用について説明する。
図1のパチンコ機本体4と扉枠15を完全に閉塞した状態(つまり、通常の遊技可能状態)においては図5及び図9に示すように、リミットスイッチ51のレバー51bは外枠1の上部枠板1aの前面に当接している。本実施の形態ではこのレバー51bが本体51a方向に押し込まれた状態はリミットスイッチ51が入力されていない非検出の状態とされる。
まず、扉枠15のみを開放させると図6に示すように開放にともないリミットスイッチ51のレバー51bは透孔55から抜け出、外枠1の上部枠板1aによる押動作用が解消されるため図示しないスプリングの付勢力によって復帰する。すなわち、リミットスイッチ51が入力されて扉枠15が開放されたことが検出される。
また、パチンコ機本体4を開放させると扉枠15も同時に開放することとなり、図7に示すようにリミットスイッチ51のレバー51bは透孔55内に配置されたままではあるが、外枠1の上部枠板1aによる押動作用が解消され図示しないスプリングの付勢力によって復帰する。すなわち、リミットスイッチ51が入力されてパチンコ機本体4が開放されたことが検出される。
【0015】
このように構成することにより本実施の形態1は次のような効果を奏する。
(1)扉枠15及びパチンコ機本体4のそれぞれが開放されたことをチェックするためにそれぞれにセンサが必要であるところ、1つのリミットスイッチ51によっていずれが開放されたことも検出できることとなり、2つのセンサを使用していた従来に比べコストが削減され、その装着作業や保守・点検も軽減されるためトータルとしてパチンコ機のコストが削減される。
(2)リミットスイッチ51のレバー51bは透孔55を通して外枠1の上部枠板1aに当接するため、扉枠15及びパチンコ機本体4が閉塞された状態では外からいたずらに触わることも目視することもできない。
(3)不正遊技をたくらむ者は例えば扉枠15を少しだけ開放して指を入れてリミットスイッチ51のレバー51bを押さえることでリミットスイッチ51が入力されるのを阻止しようとする可能性がある。ところが、このように透孔55位置がヒンジ金具6寄りに、かつ上梁19に形成されているため、非常に指が入れにくく、またレバー51bも目視しにくいため不正遊技防止に大きく貢献する。
【0016】
(実施の形態2)
以下実施の形態2の固有の構成について説明する。
図10〜図14に示すように、前記パチンコ機本体4の上部中央寄りには中間スイッチ61が配設されている。図15(a)〜図15(c)に示すように、中間スイッチ61は本体ケース62とスライド部材としてのスライドピン63とコイルスプリング64とより構成されている。本体ケース62の前後面壁65,66にはそれぞれ開口部65a,66aが形成され、スライドピン63は同両開口部65a,66a間にスライド可能に懸架されている。スライドピン63の前端寄りには小フランジ63aが形成されている、コイルスプリング64は前面壁65と小フランジ63a間に配置されて小フランジ63aを介してスライドピン63を前面壁65方向に付勢している。この付勢状態において図3に示すように、スライドピン63の前端はパチンコ機本体4に形成された透孔4aから前方に突出させられている。
【0017】
セット盤22の裏面側にはセンサとしてのリミットスイッチ67が配設されている。リミットスイッチ67はセット盤22に直接図示しない締結部材で固着されている。図11〜図13及び図15(a)〜図15(c)に示すように、リミットスイッチ67は本体67aと検出部としてのレバー67bを備えており、同レバー67bはセット盤22に開口された開口部22aから前方に向かって露出されている。パチンコ機本体4に閉塞された状態で開口部22aは上記透孔4aと前後方向に重複して配置される。
パチンコ機本体4に対して扉枠15及びセット盤22が閉塞状態にある図10に示す状態ではスライドピン63の前端は図15(b)に示すように扉枠15(の上梁19)によって押動されてスライドピン63の後端がリミットスイッチ67のレバー67bを押動する。一方、図15(a)に示すように扉枠15の押動がなくなるとコイルスプリング64の付勢力によってスライドピン63は前方にスライド移動し、リミットスイッチ67のレバー67bと干渉しなくなる。
【0018】
このような構成の実施の形態2のパチンコ機の作用について説明する。
図10のパチンコ機本体4に対して扉枠15とセット盤22を完全に閉塞した状態においては図15(b)に示すように、リミットスイッチ67のレバー67bはスライドピン63の後端によって押動されている。本実施の形態ではこのレバー67bが本体67a方向に押された状態はリミットスイッチ67が入力されていない非検出の状態とされる。
まず、扉枠15のみを開放させると図12及び図15(a)に示すように開放にともない扉枠15のスライドピン63に対する押動作用がなくなるためスライドピン63はコイルスプリング64の付勢力によって前方にスライド移動し、リミットスイッチ67のレバー67bと干渉しなくなる。すなわち、リミットスイッチ67が入力されて扉枠15が開放されたことが検出される。
また、図13のように扉枠15を閉塞したままでセット盤22のみを開放させるとスライドピン63の後端のリミットスイッチ67のレバー67bへの押動が解消される。すなわち、リミットスイッチ51が入力されてセット盤22が開放されたことが検出される。但し扉枠15を閉塞したままなので扉枠15のスライドピン63に対する押動作用は維持されたままである(図15(c)参照)。
【0019】
このように構成することにより本実施の形態1は次のような効果を奏する。
(1)扉枠15とセット盤22のそれぞれが開放されたことをチェックするためにそれぞれにセンサが必要であるところ、1つのリミットスイッチ67によっていずれが開放されたことも検出できることとなり、2つのセンサを使用していた従来に比べコストが削減され、その装着作業や保守・点検も軽減されるためトータルとしてパチンコ機のコストが削減される。
(2)扉枠15とセット盤22との間隔がパチンコ機本体4を挟んで開いているため、リミットスイッチ67を入り切りしにくいところ、スライドピン63が中間に介在されているため、従来からの既存のリミットスイッチ67であっても正確に入り切りすることができる。
(3)リミットスイッチ67のレバー67bは透孔55を通して外枠1の上部枠板1aに当接するため、扉枠15及びパチンコ機本体4が閉塞された状態では外からいたずらに触わることも目視することもできない。
(4)不正遊技をたくらむ者は例えば扉枠15を少しだけ開放して指を入れてリミットスイッチ67のレバー67bを押さえることでリミットスイッチ67が入力されるのを阻止しようとする可能性がある。ところが、このように中間スイッチ61配設位置が開放口から離間した中央寄り、かつ上梁19に形成されているため、非常に指が入れにくく、またレバー67bも目視しにくいため不正遊技防止に大きく貢献する。
【0020】
尚、この発明は、次のように変更して具体化することも可能である。
・実施の形態1のように外枠1に対して扉枠15とパチンコ機本体4との開閉を検出する場合において実施の形態2のような中間スイッチ61をパチンコ機本体4に配設しても構わない。
・図16に示すように、外枠1の上部枠板1aから被検出部としてのブラケット71を前方に向かって延出させ、扉枠15及びパチンコ機本体4を閉塞した状態でリミットスイッチ51のレバー51bとブラケット71とが透孔55内で当接するようにしてもよい。このように構成すれば、レバー51bをそれほど長く構成しなくともよくなる。
・図17に示すように、実施の形態2におけるリミットスイッチ67をセット盤22側ではなく扉枠15側に配設するようにしても構わない。
・図18に示すように、図16のリミットスイッチ51とブラケット71との装着位置を逆転させて構成してもよい。
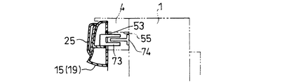
・図19に示すように、リミットスイッチ51の代わりに光センサ73を使用し、外枠1の上部枠板1aには扉枠15及びパチンコ機本体4を閉塞した状態で光センサ73の光軸を遮るブラケット74を装着するようにしてもよい。もちろん、光センサ73とブラケット74の装着位置を逆転させてもよい。
・図20に示すように、リミットスイッチ51、光センサ73の代わりに近接スイッチ75を使用し、外枠1の上部枠板1aに近接スイッチ75に近接する鉄製のブラケット76を装着するようにしてもよい。もちろん、近接スイッチ75とブラケット76の装着位置を逆転させてもよい。
・図21に示すように、高感度の近接スイッチ75を使用することで、透孔55を設けずともパチンコ機本体4を間に介在させて外枠1側の金属プレート77を検出するようにしてもよい。もちろん、近接スイッチ75と金属プレート77の装着位置を逆転させてもよい。
・透孔55は扉枠15及びパチンコ機本体4を閉塞した状態では外部から目視不能となっていたが、これを外部から目視できる切り欠き状に形成しても構わない。
・例えば上記実施の形態1ではセンサとしてのリミットスイッチ51を上方に配設したが、扉枠15、パチンコ機本体4及び外枠1が重複する位置であるならばいずれに配設しても構わない。
・上記実施の形態2の中間スイッチ61は他の構成としても構わない。例えば、上記ではコイルスプリング64を配設していたが、これは必ずしもなくとも構わない。また、スライドピン63は一体の棒体で構成されていたが、必ずしも棒体形状でなくともよく、一本で構成されていなくとも構わない。
・本発明はパチンコ機以外にもアレパチ、アレンジボール等の遊技機にも応用可能である等その他、本発明の趣旨を逸脱しない態様で実施することは自由である。
【0021】
上記実施の形態から把握できる本発明のその他の技術的思想について下記に付記として説明する。
(1)前記遊技機本体及び前面枠が前記支持枠体に対して閉塞状態にある場合に同支持枠体又は前面枠のいずれか一方側に配設したセンサの検出部と同支持枠体又は前面枠のいずれか他方側の被検出部とを同遊技機本体に形成された連通路を介して接触、押圧あるいは近接させるようにしたことを特徴とする請求項1に記載の遊技機。
(2)前記開閉盤及び前面枠が前記遊技機本体に対して閉塞状態にある場合に同開閉盤又は前面枠のいずれか一方側に配設したセンサの検出部と同開閉盤又は前面枠のいずれか他方側の被検出部とを同遊技機本体に形成された連通路を介して接触、押圧あるいは近接させるようにしたことを特徴とする請求項3に記載の遊技機。
(3)前記遊技機本体に形成された連通路は左右いずれかの開閉口から離間した位置に形成されていることを特徴とする付記1又は2に記載の遊技機。
(4)前記遊技機本体に装着されたスライド部材は左右いずれかの開閉口から離間した位置に形成されていることを特徴とする請求項2又は4に記載の遊技機。
(5)前記連通路は前記遊技盤及び前面枠が前記支持枠体に対して閉鎖状態にある場合には外部から目視不能であることを特徴とする付記1〜3のいずれかに記載の遊技機。
(6)前記センサの検出部と前記被検出部材とは前記連通路内にて検出状態となることを特徴とする付記1〜3、5のいずれかに記載の遊技機。
(7)スライド部材は付勢手段によっていずれか一方の端部方向に付勢されていることを特徴とする請求項2又は4若しくは付記4のいずれかに記載の遊技機。
【0022】
【図面の簡単な説明】
【図1】本発明の実施の形態1及び2のパチンコ機の正面図。
【図2】実施の形態1のパチンコ機の扉枠を開放した状態の斜視図。
【図3】実施の形態2のパチンコ機の扉枠を開放した状態の斜視図。
【図4】実施の形態1及び2のパチンコ機における裏面図。
【図5】実施の形態1のパチンコ機における部分拡大平面図。
【図6】実施の形態1のパチンコ機における部分拡大平面図。
【図7】実施の形態1のパチンコ機における部分拡大平面図。
【図8】実施の形態1のパチンコ機における扉枠裏面の部分拡大斜視図。
【図9】実施の形態1のパチンコ機において扉枠及びパチンコ機本体を閉塞したときのリミットスイッチの配置状態を説明する概念図。
【図10】実施の形態2のパチンコ機における部分平面図。
【図11】実施の形態2のパチンコ機における部分拡大平面図。
【図12】実施の形態2のパチンコ機における部分拡大平面図。
【図13】実施の形態2のパチンコ機における部分拡大平面図。
【図14】実施の形態2のパチンコ機においてパチンコ機本体にセット盤を閉塞させたときのリミットスイッチ及び中間スイッチの配置関係を説明する部分断面図。
【図15】実施の形態2のパチンコ機における中間スイッチの断面図であって、(a)はスライドピンがリミットスイッチにも扉枠にも接していない状態(b)スライドピンがリミットスイッチ及び扉枠に接した状態(c)はスライドピンが扉枠に接しいるがリミットスイッチに接していない状態。
【図16】他の実施の形態のパチンコ機において扉枠及びパチンコ機本体を閉塞したときのリミットスイッチの配置状態を説明する概念図。
【図17】他の実施の形態のパチンコ機において扉枠及びパチンコ機本体を閉塞したときのリミットスイッチ及び中間スイッチの配置状態を説明する概念図。
【図18】他の実施の形態のパチンコ機において扉枠及びパチンコ機本体を閉塞したときのリミットスイッチの配置状態を説明する概念図。
【図19】他の実施の形態のパチンコ機において扉枠及びパチンコ機本体を閉塞したときの光センサの配置状態を説明する概念図。
【図20】他の実施の形態のパチンコ機において扉枠及びパチンコ機本体を閉塞したときの近接スイッチの配置状態を説明する概念図。
【図21】他の実施の形態のパチンコ機において扉枠及びパチンコ機本体を閉塞したときの近接スイッチの配置状態を説明する概念図。
【符号の説明】
1…支持枠体としての外枠、1a…被検出部としての上部枠板、4…遊技機本体としてのパチンコ機本体、5…遊技盤、9…遊技面、15…前面枠としての扉枠、22…開閉盤としてのセット盤、51…センサとしてのリミットスイッチ、51b…検出部としてのレバー、55…連通路としての透孔、61…中間スイッチ、63…スライド部材としてのスライドピン、67…センサとしてのリミットスイッチ、67b…検出部としてのレバー、71,74,76…被検出部としてのブラケット、73…センサとしての光センサ、75…センサとしての近接スイッチ。

Claims (2)

  1. 支持枠体と、支持枠体に対して開閉可能に支持され遊技面が形成された遊技盤と遊技球発射機構とを備えた遊技機本体と、前記遊技盤の前面に配置され前記遊技機本体に対して開閉可能に装着された前面枠とを備えた遊技機において、
    前記遊技機本体及び前面枠が前記支持枠体に対して閉塞状態にある場合に、前記前面枠と前記支持枠体との間に前記遊技機本体を介在させた状態で前記前面枠に配設した検出手段の検出部と前記支持枠体の被検出部と接触、押圧あるいは近接状態とさ
    前記遊技機本体又は前面枠のいずれかが開放された場合に前記被検出部の前記検出部に対する接触、押圧あるいは近接状態が解除されるようにしたことを特徴とする遊技機。
  2. 支持枠体と、支持枠体に対して開閉可能に支持され遊技面が形成された遊技盤と遊技球発射機構とを備えた遊技機本体と、前記遊技盤の前面側に配置され前記遊技機本体に対して開閉可能に装着された前面枠とを備えた遊技機において、
    前記遊技機本体には前後方向にスライド移動して端部が外方に露出するスライド部材を装着し、
    前記遊技機本体及び前面枠が前記支持枠体に対して閉塞状態にある場合には、前記支持枠体の被検出部と前記スライド部材の一端当接すると共にスライド部材の他端部と前記前面枠に配設した検出手段の検出部とが接触、押圧あるいは近接状態とさ
    前記遊技機本体又は前面枠のいずれか開放された場合に前記スライド部材の他端部の前記検出部に対する接触、押圧あるいは近接状態が解除されるようにしたことを特徴とする遊技機。
JP2000256844A 2000-08-28 2000-08-28 遊技機 Expired - Lifetime JP4591639B2 (ja)

Priority Applications (1)

Application Number Priority Date Filing Date Title
JP2000256844A JP4591639B2 (ja) 2000-08-28 2000-08-28 遊技機

Applications Claiming Priority (1)

Application Number Priority Date Filing Date Title
JP2000256844A JP4591639B2 (ja) 2000-08-28 2000-08-28 遊技機

Related Child Applications (3)

Application Number Title Priority Date Filing Date
JP2002315324A Division JP2003175252A (ja) 2002-10-30 2002-10-30 遊技機
JP2002315325A Division JP2003175263A (ja) 2002-10-30 2002-10-30 遊技機
JP2010160260A Division JP5077721B2 (ja) 2010-07-15 2010-07-15 遊技機

Publications (2)

Publication Number Publication Date
JP2002066064A JP2002066064A (ja) 2002-03-05
JP4591639B2 true JP4591639B2 (ja) 2010-12-01

Family

ID=18745389

Family Applications (1)

Application Number Title Priority Date Filing Date
JP2000256844A Expired - Lifetime JP4591639B2 (ja) 2000-08-28 2000-08-28 遊技機

Country Status (1)

Country Link
JP (1) JP4591639B2 (ja)

Families Citing this family (11)

* Cited by examiner, † Cited by third party
Publication number Priority date Publication date Assignee Title
JP4550593B2 (ja) * 2005-01-17 2010-09-22 株式会社ニューギン 遊技機
JP5082090B2 (ja) * 2006-07-11 2012-11-28 株式会社ソフイア 遊技機
JP2008295953A (ja) * 2007-06-04 2008-12-11 Olympia:Kk パチンコ機
JP5274036B2 (ja) * 2008-02-01 2013-08-28 株式会社藤商事 弾球遊技機
JP2010000249A (ja) * 2008-06-20 2010-01-07 Kyoraku Sangyo Kk 大入賞装置、遊技盤ユニット、及びパチンコ遊技機
JP2011019655A (ja) * 2009-07-15 2011-02-03 Nippon Pachinko Buhin Kk 遊技機
JP4897027B2 (ja) * 2009-10-16 2012-03-14 株式会社藤商事 弾球遊技機
JP4482059B2 (ja) * 2009-10-19 2010-06-16 株式会社ニューギン 遊技機用の開閉検出用センサユニット
JP5712021B2 (ja) * 2011-03-28 2015-05-07 ホシデン株式会社 2方向操作スイッチ
JP5484435B2 (ja) * 2011-12-20 2014-05-07 株式会社藤商事 弾球遊技機
JP6518638B2 (ja) * 2016-09-16 2019-05-22 株式会社ユニバーサルエンターテインメント 遊技機

Family Cites Families (3)

* Cited by examiner, † Cited by third party
Publication number Priority date Publication date Assignee Title
JP2915086B2 (ja) * 1990-06-01 1999-07-05 株式会社日立製作所 紙葉類取扱装置
JPH1033807A (ja) * 1996-07-25 1998-02-10 Toyomaru Sangyo Kk 遊技機の管理装置
JP3849414B2 (ja) * 2000-08-11 2006-11-22 株式会社三洋物産 遊技機

Also Published As

Publication number Publication date
JP2002066064A (ja) 2002-03-05

Similar Documents

Publication Publication Date Title
JP4591639B2 (ja) 遊技機
JP3849414B2 (ja) 遊技機
JP2008061945A (ja) 遊技機
JP4642888B2 (ja) 遊技機
JP4797234B2 (ja) 遊技機
JP5077721B2 (ja) 遊技機
JP3960199B2 (ja) 遊技機
US20060211492A1 (en) Gaming machine
JP5842878B2 (ja) 遊技機
JP5429318B2 (ja) 遊技機
JP2003175263A (ja) 遊技機
JP2006191942A (ja) 遊技機
JP3849413B2 (ja) 遊技機
JP3915657B2 (ja) 遊技機
JPH05285264A (ja) パチンコ機
JP5082090B2 (ja) 遊技機
JP4220706B2 (ja) 遊技機
JP2003175252A (ja) 遊技機
JP3681014B2 (ja) 遊技機
JP2002102488A (ja) 遊技機
JP5023302B2 (ja) 遊技機
JP3982383B2 (ja) 遊技機
JP4228054B2 (ja) 遊技機
JP2002102495A (ja) 遊技機
JP4590816B2 (ja) 遊技機

Legal Events

Date Code Title Description
A621 Written request for application examination

Free format text: JAPANESE INTERMEDIATE CODE: A621

Effective date: 20070731

A131 Notification of reasons for refusal

Free format text: JAPANESE INTERMEDIATE CODE: A131

Effective date: 20100518

A977 Report on retrieval

Free format text: JAPANESE INTERMEDIATE CODE: A971007

Effective date: 20100519

A521 Request for written amendment filed

Free format text: JAPANESE INTERMEDIATE CODE: A523

Effective date: 20100715

TRDD Decision of grant or rejection written
A01 Written decision to grant a patent or to grant a registration (utility model)

Free format text: JAPANESE INTERMEDIATE CODE: A01

Effective date: 20100818

A01 Written decision to grant a patent or to grant a registration (utility model)

Free format text: JAPANESE INTERMEDIATE CODE: A01

A61 First payment of annual fees (during grant procedure)

Free format text: JAPANESE INTERMEDIATE CODE: A61

Effective date: 20100831

FPAY Renewal fee payment (event date is renewal date of database)

Free format text: PAYMENT UNTIL: 20130924

Year of fee payment: 3

R150 Certificate of patent or registration of utility model

Ref document number: 4591639

Country of ref document: JP

Free format text: JAPANESE INTERMEDIATE CODE: R150

Free format text: JAPANESE INTERMEDIATE CODE: R150

R250 Receipt of annual fees

Free format text: JAPANESE INTERMEDIATE CODE: R250

R250 Receipt of annual fees

Free format text: JAPANESE INTERMEDIATE CODE: R250

R250 Receipt of annual fees

Free format text: JAPANESE INTERMEDIATE CODE: R250

R250 Receipt of annual fees

Free format text: JAPANESE INTERMEDIATE CODE: R250

R250 Receipt of annual fees

Free format text: JAPANESE INTERMEDIATE CODE: R250

EXPY Cancellation because of completion of term