JP4558366B2 - システム顕微鏡 - Google Patents

システム顕微鏡 Download PDF

Info

Publication number
JP4558366B2
JP4558366B2 JP2004098230A JP2004098230A JP4558366B2 JP 4558366 B2 JP4558366 B2 JP 4558366B2 JP 2004098230 A JP2004098230 A JP 2004098230A JP 2004098230 A JP2004098230 A JP 2004098230A JP 4558366 B2 JP4558366 B2 JP 4558366B2
Authority
JP
Japan
Prior art keywords
objective lens
support leg
microscope
specimen
observation
Prior art date
Legal status (The legal status is an assumption and is not a legal conclusion. Google has not performed a legal analysis and makes no representation as to the accuracy of the status listed.)
Expired - Fee Related
Application number
JP2004098230A
Other languages
English (en)
Other versions
JP2005283994A (ja
Inventor
寧 青野
竜男 中田
敦宏 土屋
Current Assignee (The listed assignees may be inaccurate. Google has not performed a legal analysis and makes no representation or warranty as to the accuracy of the list.)
Olympus Corp
Original Assignee
Olympus Corp
Priority date (The priority date is an assumption and is not a legal conclusion. Google has not performed a legal analysis and makes no representation as to the accuracy of the date listed.)
Filing date
Publication date
Application filed by Olympus Corp filed Critical Olympus Corp
Priority to JP2004098230A priority Critical patent/JP4558366B2/ja
Priority to US11/075,786 priority patent/US20050219687A1/en
Priority to DE602005007647T priority patent/DE602005007647D1/de
Priority to EP05005645A priority patent/EP1582904B1/en
Publication of JP2005283994A publication Critical patent/JP2005283994A/ja
Application granted granted Critical
Publication of JP4558366B2 publication Critical patent/JP4558366B2/ja
Anticipated expiration legal-status Critical
Expired - Fee Related legal-status Critical Current

Links

Images

Classifications

    • GPHYSICS
    • G02OPTICS
    • G02BOPTICAL ELEMENTS, SYSTEMS OR APPARATUS
    • G02B21/00Microscopes
    • G02B21/0004Microscopes specially adapted for specific applications
    • G02B21/0088Inverse microscopes
    • GPHYSICS
    • G02OPTICS
    • G02BOPTICAL ELEMENTS, SYSTEMS OR APPARATUS
    • G02B21/00Microscopes
    • G02B21/06Means for illuminating specimens
    • GPHYSICS
    • G02OPTICS
    • G02BOPTICAL ELEMENTS, SYSTEMS OR APPARATUS
    • G02B21/00Microscopes
    • G02B21/24Base structure
    • G02B21/248Base structure objective (or ocular) turrets

Landscapes

  • Physics & Mathematics (AREA)
  • Chemical & Material Sciences (AREA)
  • Analytical Chemistry (AREA)
  • General Physics & Mathematics (AREA)
  • Optics & Photonics (AREA)
  • Microscoopes, Condenser (AREA)

Description

本発明は、標本の下方側及び上方側に各対物レンズを配置し、これら対物レンズを通して照明光を標本に照射し、各対物レンズを通して標本像を観察するシステム顕微鏡に関する。
標本を下方側から観察する倒立顕微鏡がある。この倒立顕微鏡をベースにし、標本の上方側から標本像を観察する観察光学系を備えたシステム顕微鏡に関する技術が例えば特許文献1及び3に開示されている。
特許文献1には、標本を透過照明する光源装置を配設した照明系支柱に対して回転可能に複数の補助装置、例えば位相差観察用コンデンサレンズ等の位相差装置や微分干渉用コンデンサレンズ等の微分干渉装置を設け、これら位相差装置や微分干渉装置を選択的に光軸上に挿入すること倒立顕微鏡が開示されている。
特許文献2には、透過照明用の光源を上部に設けた透過照明支柱にコンデンサを保持するホルダ部を設け、このホルダ部の下方に対物レンズを保持する倒立顕微鏡が開示されている。
特許文献3には、標本を透過照明するための光源とコンデンサとを照明支柱に設け、これら光源とコンデンサとの間に光分離手段を設ける。この光分離手段により光源からの照明光の一部を透過し、標本からの反射光の一部を照明光路から分離し、分離された反射光を集光して標本像を形成する倒立顕微鏡が開示されている。
これら特許文献1乃至3は、いずれも倒立顕微鏡の透過照明支柱に設けられた上下移動可能なホルダ部(以下、上下動ホルダ部と称する)等に対物レンズ及びこの対物レンズからの光を集光して標本像を形成する観察装置を設けている。なお、対物レンズは、コンデンサレンズで代用したものも含む。このため、観察装置の配置スペースは、透過照明支柱のオーバーハング部の高さまでに制限され、自由度が低い。
通常、倒立顕微鏡の透過照明支柱に設けられる上下動ホルダ部は、コンデンサレンズの位置合わせに用いられる。このような用途であるため、上下動ホルダ部の上下方向の位置合わせの調整精度は粗い。高倍率の対物レンズにより標本を観察する場合、サブミクロン単位の焦点深度内での位置合わせが必要になる。このような上下動ホルダ部を用いて高倍率の対物レンズを上下動させてサブミクロン単位の焦点深度内での位置合わせ調整するのは、至難である。このため、上下動ホルダ部を用いた顕微鏡は、用途を限定した汎用性の低いものとならざるを得ない。
汎用性を有する顕微鏡が例えば特許文献4に開示されている。この特許文献4には、倒立顕微鏡の透過照明支柱を除外し、焦準機構を備えた対物レンズ保持部、照明装置及び観察装置を構成配置したシステム顕微鏡が開示されている。このシステム顕微鏡は、上側対物レンズを焦準機構により高倍率での微調整を可能とし、照明装置及び観察装置の配置の自由度を高め、システムの汎用性を向上している。
特許文献4では、対物レンズ等を上下動させる焦準機構の可動側に各片持ち支持部材を固定し、これら片持ち支持部材上に対物レンズ保持部、照明装置及び観察装置を設けている。これにより、対物レンズ保持部、照明装置及び観察装置は、片持ち支持で標本上にオーバーハングして設けられている。このため、対物レンズ保持部、照明装置及び観察装置を支持する剛性が低い。さらに、僅かな振動が片持ち支持部材で増幅されたり、熱によるドリフトでピントが大きくずれる等の問題を有する。
このような問題を減少させたものとして特許文献5がある。この特許文献5には、中空状のピラミッド又は円錐型の支持体をベースにした顕微鏡が開示されている。特許文献5は、重心が低く、かつ水平面内に対称形に作られた支持体であるので、熱等に起因する変形が少ない。ベースが除振台と一体的に構成されているので、振動に対しても強く、高い安定性を有する。
特公平5−5330号公報 特開平10−90604号公報 特開平11−218683号公報 特開2002−55282号公報 特開2003−270537号公報
上記の如く特許文献4は、上側対物レンズを焦準機構により高倍率での微調整を可能とし、照明装置及び観察装置の配置の自由度を高め、システムの汎用性を向上しているが、対物レンズ保持部、照明装置及び観察装置は、片持ち支持で標本上にオーバーハングして設けられているために対物レンズ保持部、照明装置及び観察装置を支持する剛性が低い。
このような問題を減少させた特許文献5は、ベースの形状が閉鎖的であるため、装置の増設や外部からのアクセスが困難であり、システムの汎用性や拡張性を犠牲にせざるを得ない。また、除振台を含めた一体型装置であり、顕微鏡としては極めて特殊な構造であるため、非常に高価となる。
本発明は、顕微鏡本体と、顕微鏡本体の上部に設けられ、標本を載置するステージと、ステージの下方に設けられた下側対物レンズと、ステージの上方に設けられた上側対物レンズと、顕微鏡本体の上部にステージを跨いで設けられるとともに、ステージとの鉛直方向の間隔を調整及び固定可能な門型支持部材と、顕微鏡本体に設けられ、標本を下方側から照明する下側照明光学系と、門型支持部材上に設けられ、標本を上方から照明する上側照明光学系と、顕微鏡本体に設けられ、下側対物レンズからの標本の観察像を取得する下側接眼レンズと、門型支持部材上に設けられ、上側対物レンズからの標本の観察像を取得する上側接眼レンズと備え、標本が大きい場合は門型支持部材を高く設定し、標本が小さい場合は門型支持部材を低く設定するシステム顕微鏡である。
本発明は、剛性が高く、簡潔な構造で、システムの汎用性や拡張性に優れたシステム顕微鏡を提供できる。
以下、本発明の第1の実施の形態について図面を参照して説明する。
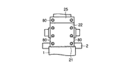
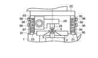
図1はシステム顕微鏡の側面図であり、図2は正面図である。倒立顕微鏡本体1の上部には、ステージ2が固定されている。このステージ2上には、標本3が載置される。
倒立顕微鏡本体1には、下側対物レンズ保持部4が設けられている。この下側対物レンズ保持部4には、下側対物レンズ5が取り付けられている。下側対物レンズ保持部4は、図示しない倒立顕微鏡本体1内部のラック−ピニオン機構を介して下側焦準ノブ6に接続されている。この下側焦準ノブ6が回転すると、この回転がラック−ピニオン機構を介して上下方向の移動に変換されて下側対物レンズ保持部4に伝達される。これにより、下側対物レンズ5は、光軸Q方向に上下移動可能となる。
下側照明装置7が倒立顕微鏡本体1に固定されている。この下側照明装置7は、照明光を出力する下側光源8を有する。この下側光源8から出力された照明光の光路上には、下側照明光学系9及び下側照明光反射部材10が設けられている。下側照明光学系9は、複数のレンズを有し、下側照明装置7から出力された照明光を下側照明光反射部材10に伝送する。下側照明光反射部材10は、下側照明装置7から出力された照明光の光路と下側対物レンズ5の光軸Qとの交点に設けられている。下側照明光反射部材10は、下側照明光学系9により伝送された照明光を下側対物レンズ5の光軸Q方向に上方に反射し、かつ下側対物レンズ5からの光を透過する。下側照明光反射部材10は、例えば用途に応じて全反射ミラー、ハーフミラー又はダイクロイックミラーが選択されて用いられる。ダイクロイックミラーを用いる場合は、破線により示すように励起フィルタ11及び吸収フィルタ12が光路中に配置される。
下側照明光反射部材10を通る光軸Qの下方には、下側結像レンズ13、下側観察光路切換部材14及び折返しミラー15が設けられている。下側観察光路切換部材14は、図2に示すように下側観察光路切換部材16又は下側観察光路切換部材17のいずれか一方を選択的に観察光路(光軸Q上)中に配置する。下側観察光路切換部材16は、標本3からの観察光の略100%を透過する。下側観察光路切換部材17は、標本3からの観察光の略100%若しくはその一部を倒立顕微鏡本体1の側面に構成されたサイドポート18側へ反射する。サイドポート18には、下側観察装置19が取り付けられている。この下側観察装置19は、入射した標本3からの観察光を撮像するもので、例えばCCD等の撮像素子を有する。折返しミラー15は、下側結像レンズ13及び下側観察光路切換部材14を通ってきた観察光をシステム顕微鏡の正面側の斜め上方に反射する。折返しミラー15は、倒立顕微鏡本体1の底面に傾斜して固定されている。この折返しミラー15の反射光路上には、下側接眼レンズ20が設けられている。
従って、下側光源8から出力された照明光は、下側照明光学系9により伝送され、下側照明光反射部材10で上方の下側対物レンズ5側に反射される。下側照明光反射部材10で反射した照明光は、下側対物レンズ5を介して標本3に照射される。
標本3からの観察光は、下側対物レンズ5を通って平行光束となり、下側結像レンズ13を通った後、下側観察光路切換部材14に入射する。この下側観察光路切換部材14で反射された観察光は、サイドポート10に固定された下側観察装置19に入射し、この下側観察装置19により撮像される。下側観察光路切換部材14を透過した観察光は、倒立顕微鏡本体1の底面に固定された折返しミラー15で反射された後、下側接眼レンズ20を通して検鏡者により観察される。
倒立顕微鏡本体1上における正面側には、前側取付部21が設けられている。この前側取付部21には、前側支持脚22が倒立顕微鏡本体1に対して垂直方向に立設した状態で固定されている。この前側支持脚22は、平板に形成されている。
倒立顕微鏡本体1上における背面側には、後側取付部23が設けられている。この後側取付部23には、後側支持脚24が倒立顕微鏡本体1に対して垂直方向に立設した状態で固定されている。この後側支持脚24は、平板に形成されている。
前側支持脚22と後側支持脚24との各上部には、水平部材25が水平方向に支持され固定されている。この水平部材25は、平板に形成されている。なお、水平部材25における上側対物レンズ29の光軸Qの通る部分には、観察光を通過させる開口部が形成されている。
これら前側支持脚22、後側支持脚24及び水平部材25は、ステージ2を跨ぐ形状に構成され、かつ一体的な剛体として門型支持部材の構造(以下、門型構造と省略する)を成している。
上側焦準ユニット26が後側支持脚24の内側に設けられている。この上側焦準ユニット26は、内部に図示しないラック−ピニオン機構を有し、このラック−ピニオン機構に上側焦準ノブ27が接続されている。ラック−ピニオン機構には、上側対物レンズ保持部28が接続されている。この上側対物レンズ保持部28の下面には、上側対物レンズ29が光軸Q上に取り付けられている。従って、上側焦準ノブ27が回転すると、この上側焦準ノブ27の回転に応動して上側焦準ユニット26は、ラック−ピニオン機構を介して上側対物レンズ保持部28を光軸Qの方向に上下移動させる。
上側照明装置30が水平部材25の上面に積載固定されている。この上側照明装置30の一端部には、照明光を出力する上側光源31が設けられている。上側照明装置30は、上側光源31から出力された照明光を伝送するもので、光学レンズ等からなる上側照明光学系32と上側照明光反射部材33とを有する。上側照明光反射部材33は、上側光源31から出力された照明光を光軸Qの下方に向けて反射し、かつ上側対物レンズ29からの標本3の観察光を透過する。上側照明光反射部材33は、用途に応じて例えば全反射ミラー、ハーフミラー又はダイクロイックミラーを用いる。ダイクロイックミラーを用いる場合は、破線で示す励起フィルタ34及び吸収フィルタ35を光路中に設ける。
三眼鏡筒36が上側照明装置30の上面に積載固定されている。この三眼鏡筒36の内部には、光軸Q上に上側結像レンズ37及び上側観察光路切換部材38が設けられている。上側観察光路切換部材38は、図2に示すように上側観察光路切換部材39又は上側観察光路切換部材40を選択的に観察光路(光軸Q上)中に配置する。上側観察光路切換部材39は、標本3からの観察光の略100%を上側接眼レンズ41側に反射する。上側観察光路切換部材40は、標本3からの観察光の略100%若しくはその一部を上側観察装置42側に透過する。上側観察装置42は、三眼鏡筒36の上面に積載固定されている。この上側観察装置42は、入射した標本3からの観察光を撮像するもので、例えばCCD等の撮像素子を有する。
上側光源31から出力された照明光は、上側照明光学系32を伝送し、上側照明光反射部材33で下方の上側対物レンズ29に向けて反射され、この上側対物レンズ29を通して標本3に照射される。
標本3からの観察光は、上側対物レンズ29を通って平行光束となり、上側結像レンズ37を通った後、上側観察光路切換部材28に入射する。この上側観察光路切換部材28で反射された観察光は、上側接眼レンズ41を通して検鏡者により観察される。上側観察光路切換部材28を透過した観察光は、三眼鏡筒36に固定された上側観察装置42で撮像される。
次に、上記の如く構成されたシステム顕微鏡の作用について説明する。
水平部材25の上方には、上側照明装置30、三眼鏡筒36、上側接眼レンズ41及び上側観察装置42が積載固定されている。これら積載固定された各部材の重量の総和が水平部材25に荷重される。
しかるに、水平部材25、前側支持脚22及び後側支持脚24は、一体的な剛体として門型構造を成し、この門型構造を倒立顕微鏡本体1上の前側取付部21と後側取付部23とに固定している。これにより、門型構造は、全体として倒立顕微鏡本体1の前後でそれぞれ固定する両端固定の構造体をなす。
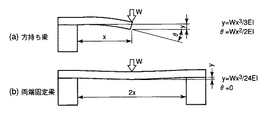
このような門型構造に荷重を掛けた場合に生じる撓みの態様について一般的に用いられている従来の片持ちの構造体と比較する。図3(a)(b)は本発明の門型構造と従来の片持ち梁の構造との比較を示す。同図は、説明を簡単にするために従来技術を片持ち梁の先端に集中荷重が掛かった状態として近似し、本発明を両端固定梁の中央に集中荷重が掛かった状態として近似したモデルとして示す。ここで、同一の条件として、集中荷重をW(N)、固定端から荷重点までの距離をx(mm)とすると、荷重点における撓みy(mm)と撓み角θ(rad)は次の各式(1)(2)で算出される。
片持ち梁の場合、 y=W・x/3E・I、 θ=W・x/2E・I …(1)
両端固定梁の場合、y=W・x/24E・I、θ=0 …(2)
Eは梁の材質によって決まるヤング率(N/mm)、Iは梁の断面形状によって決まる断面二次モーメント(mm)である。
従って、同一の材質と断面形状をもつ片持ち梁と両端固定梁とを比較した場合、両端固定梁の撓みは、片持ち梁の8分の1に抑えることができる。両端固定梁の撓み角θは、梁の中央すなわち荷重点では0となる。この計算結果は近似的なものであるが、実際の形態においても同等の挙動を示すものと見なすことができる。即ち、本発明の門型構造は、従来技術の形態に比べて、遥かに高い剛性を有する。
このように上記第1の実施の形態によれば、前側支持脚22、後側支持脚24及び水平部材25により門型支持部材の構造を成し、この門型構造を倒立顕微鏡本体1上に固定する。この門型構造は、前側支持脚22、後側支持脚24及び水平部材25により一体的な剛体としての構造を成している。これにより、門型構造上に上側照明装置30、三眼鏡筒36、上側接眼レンズ41及び上側観察装置42を剛性高く積載固定でき、かつ門型構造内の後側支持脚24に上側対物レンズ29、上側対物レンズ保持部28及び上側焦準ユニット26も剛性高く設けることができる。従って、門型構造を設ければ、振動に対して強く、高い安定性を有する。
前側支持脚22、後側支持脚24及び水平部材25からなる門型構造を倒立顕微鏡本体1上の前側取付部21と後側取付部23との上に固定するだけなので、一般的に普及している既存の倒立顕微鏡の前後側にそれぞれ各取付部を設けるだけで、容易に門型構造を取り付けて本発明のシステム顕微鏡を実現することが可能であり、特殊な構造を必要とせず安価に提供できる。
門型構造は、倒立顕微鏡本体1の前後側にそれぞれ前側支持脚22、後側支持脚24を立設しているので、倒立顕微鏡本体1の左右側の各側面は、制限の殆どない空間となっている。これにより、倒立顕微鏡本体1の左右側からそれぞれ例えば標本3に対して操作する等のアクセスが容易である。
水平部材25の上方も空間的な制約が完全に無いので、例えば接眼レンズ、CCD等の撮像素子を有する観察装置を複数増設することが容易であり、システムの汎用性や拡張性に優れている。
図4は図1に示すシステム顕微鏡に第2の上側照明装置50及び中間観察鏡筒51を付加したシステム顕微鏡の側面図であり、図5は正面図である。なお、図1及び図2と同一部分には同一符号を付してその詳しい説明は省略する。
第2の上側照明装置50が上側照明装置30上に積載固定されている。第2の上側照明装置50は、照明光を出力する第2の上側光源52を有する。この第2の上側照明装置50は、光学レンズ等からなる第2の上側照明光学系53及び第2の上側照明光反射部材54を有する。第2の上側照明光反射部材54は、第2の上側照明光学系53により伝送された第2の上側光源52からの照明光を光軸Q方向の下方に向けて反射し、かつ標本3からの観察光を透過する。この第2の上側照明光反射部材54は、例えば用途に応じて全反射ミラー、ハーフミラー又はダイクロイヅクミラーを用いる。ダイクロイックミラーを用いる場合は、図5中の破線で示すように励起フィルタ55及び吸収フィルタ56が光路中に設けられる。
中間観察鏡筒51が第2の上側照明装置50上に積載固定されている。この中間観察鏡筒51内には、第2の上側観察光路切換部材57、第2の上側結像レンズ58が設けられている。第2の上側観察光路切換部材57は、光路中に挿脱可能である。この第2の上側観察光路切換部材57を光路中から退避させたとき、標本3からの観察光は直進して三眼鏡筒36に進入する。中間観察鏡筒51の端部には、CCD等の撮像素子を有する第2の上側観察装置59が設けられている。
第2の上側光源52から出力された照明光は、第2の上側照明光学系53により伝送されて第2の上側照明光反射部材54に入射し、この第2の上側照明光反射部材54により下方に向けて反射し、上側対物レンズ29を通して標本3に照射される。
標本3からの観察光は、上側対物レンズ29を通って平行光束となり、第2の上側観察光路切換部材57で反射され、第2の上側結像レンズ58を通った後、第2の上側観察装置59で観察される。
このように水平部材25の上部には、複数の照明装置及び観察装置を自由に組み合わせて積層固定することができる。これら照明装置及び観察装置の重量の総和が大きくなったとしても、前側支持脚22、後側支持脚24及び水平部材25から成る一体的剛体の剛性が高いので、システム顕微鏡全体の安定性を維持できる。
なお、上記第1の実施の形態において、上側焦準ユニット26は、後側支持脚24に固定しているが、例えば図6に示すように前側支持脚22に固定してもよい。この場合、上側焦準ユニット26は、倒立顕微鏡本体1の前側(検鏡者の手前側)に配置されるので、検鏡者の操作性に優れた構成とすることができる。
上側焦準ユニット26は、図7に示すように水平部材25の下面に固定してもよい。この場合、上側対物レンズ保持部28は、長さを短くでき、上側準焦ユニット26による保持位置から上側対物レンズ29の保持位置までの距離を短くできる。この距離を短くできることは、上側対物レンズ29の保持位置を従来の片持ち梁の先端荷重点とした場合の上記式(1)における固定端から荷重点までの距離xの値を小さくすることに相当し、撓みy及び撓み角θを小さくできるので、上側対物レンズ保持部29の剛性を高くすることができる。
次に、本発明の第2の実施の形態について図面を参照して説明する。なお、図1及び図2と同一部分には同一符号を付してその詳しい説明は省略する。
図8はシステム顕微鏡における標本3近傍の詳細を示す拡大構成図である。上側対物レンズ保持部28は、上側対物レンズ保持部本体60を有する。この上側対物レンズ保持部本体60の下面には、取付用穴61が形成されている。この取付用穴61内には、上側対物レンズ29を着脱可能に固定した対物レンズ固定部62が設けられている。取付用穴61側面には、バネ63及び2本の調整ネジ64(図8では1本のみ図示)が設けられている。これにより、対物レンズ固定部62は、取付用穴61内にバネ63及び2本の調整ネジ64により3点支持される。
2本の調整ネジ64に対して工具65を用いて出し入れすると、対物レンズ固定部62は、上側対物レンズ保持部本体60上で、上側対物レンズ29と一体的に光軸Qに対して垂直方向の面内で保持位置がずれる。
次に、上記の如く構成されたシステム顕微鏡の作用について説明する。
下側対物レンズ5を通して標本3に照明される照明光は、下側対物レンズ5の光軸Qを略中心とした略円形の範囲に照明される。標本3を出た観察光は、下側対物レンズ5の光軸Qを略中心とした略円形の範囲が観察される。
上側対物レンズ29は、上側対物レンズ保持部64上で光軸Qと垂直方向の面内で保持位置をずらすことで、下側対物レンズ5の光軸Qに対して相対的に光軸位置がずれる。これにより、下側対物レンズ5によって規定される標本3上の照明範囲及び観察範囲に対して、上側対物レンズ29によって規定される標本3上の照明範囲及び観察範囲も相対的にずれる。
このように上記第2の実施の形態によれば、下側対物レンズ5の光軸Qに対して上側対物レンズ29の光軸Qを相対的にずらすことができる。これにより、下側対物レンズ5と上側対物レンズ29とによって標本3上の異なる範囲の照明及び観察を行うことができる。
上側対物レンズ29の位置を調整して下側対物レンズ5の光軸Qと上側対物レンズ29の光軸Qとを正確に合致させることで、これら下側対物レンズ5と上側対物レンズ29とによる標本3上の照明範囲及び観察範囲を合致させることができる。
このように用途に応じて下側対物レンズ5と上側対物レンズ29との相対位置を任意に設定することができる。
なお、本実施の形態においては、上側対物レンズ29の光軸Qの位置をずらすようにしているが、下側対物レンズ5の光軸Qの位置をずらすようにすることも当然可能である。
次に、本発明の第3の実施の形態について図面を参照して説明する。なお、図1及び図2と同一部分には同一符号を付してその詳しい説明は省略する。
図9はシステム顕微鏡の側面図であり、図10は正面図である。覗き穴(覗き窓)70が前側支持脚22に設けられている。この覗き穴70は、倒立顕微鏡本体1の正面側から検鏡者によりステージ2上に載置された標本3を目視観察するために設けられている。
このような上記第3の実施の形態であれば、検鏡者は、覗き穴70からステージ2の上に載置された標本3を目視観察して確認することができるので、標本3を載置したり除去したり操作する際の視認性を確保することができる。
なお、上記第3の実施の形態では、前側支持脚22に覗き穴70を設けることで視認性を確保しているが、例えば図11に示すように前側支持脚22を二股の構成にしたり、図12に示すように前側支持脚22を少なくとも2本の棒状の脚22a、22bにより構成する等してもよい。このように前側支持脚22は、剛性を著しく劣化させない範囲でその形状を任意に変更しても、同様の効果を得ることができる。
次に、本発明の第4の実施の形態について図面を参照して説明する。なお、図1及び図2と同一部分には同一符号を付してその詳しい説明は省略する。
図13はシステム顕微鏡の側面図であり、図14は正面図である。複数の雌ネジ80が前側支持脚22、後側支持脚24及び水平部材25の各側面に設けられている。これら雌ネジ80は、マニピュレータ81等の各種機材を取り付けるための締結構造である。任意の位置の各雌ネジ80には、把持部材82がネジ83によってネジ止め固定されている。把持部材82には、マニピュレータ81が把持固定されている。なお、各種機材としては、マニピュレータ81の他に、例えば標本3に各種溶液を供給する装置、照明装置などがある。
マニピュレータ81は、X軸駆動ノブ84、Y軸駆動ノブ85及びZ軸駆動ノブ86を有し、これらX軸駆動ノブ84、Y軸駆動ノブ85及びZ軸駆動ノブ86の操作によってプローブ87を標本3を含む三次元空間内にアクセスし、マニピュレーションを行う。
このように上記第4の実施の形態によれば、門型構造を有する前側支持脚22、後側支持脚24及び水平部材25に複数の雌ネジ80を設け、これら雌ネジ80の任意の位置に把持部材82を固定してマニピュレータ81を保持できる。把持部材82を固定する門型構造は、剛性が高く、かつ把持部材82は、顕微鏡外部から標本3をアクセスする場合よりも全長を短く構成できる。これにより、マニピュレータ81は、高い剛性で保持でき、振動等の影響を受けにくい堅牢なシステムを構成できる。
なお、上記第4の実施の形態は、雌ネジ80を前側支持脚22、後側支持脚24及び水平部材25の各側面に設けているが、例えば図15に示すように剛性を著しく劣化させない範囲で側面以外の位置、前側支持脚22、後側支持脚24及び水平部材25の各上面に設けてもよい。
締結構造は、雌ネジ80及びネジ83に限らず、例えば図16に示すようにスライドアリ88と固定ネジ89を用いる等を用いても、同様の効果を得ることができる。
次に、本発明の第5の実施の形態について図面を参照して説明する。なお、図1及び図2と同一部分には同一符号を付してその詳しい説明は省略する。
図17はシステム顕微鏡の門型構造の構成図である。前側支持脚下部90が倒立顕微鏡本体1の前側取付部21に立設して固定されている。後側支持脚下部91が倒立顕微鏡本体1の後側取付部23に立設して固定されている。
水平部材25の下面の前後側には、それぞれ前側支持脚上部92、後側支持脚上部93が固定されている。これら前側支持脚上部92、後側支持脚上部93は、水平部材25の下面から垂下方向に設けられている。
前側支持脚上部92には、複数の雌ネジ94が上下方向に等間隔で設けられている。前側支持脚下部90には、複数のネジ孔95が各雌ネジ94の間隔の倍数の間隔で設けられている。従って、前側支持脚下部90と前側支持脚上部92とは、ネジ96をネジ孔95と雌ネジ94とに通すことによって締結固定される。
後側支持脚上部93には、複数の雌ネジ97が上下方向に等間隔で設けられている。後側支持脚下部93には、複数のネジ孔98が各雌ネジ97の間隔の倍数の間隔で設けられている。従って、後側支持脚下部91と後側支持脚上部93とは、ネジ99をネジ孔98と雌ネジ97とに通すことによって締結固定される。
このような上記第5の実施の形態によれば、図18に示すように例えば標本3が大きく、上側対物レンズ29を上方に移動する必要が有る場合、各ネジ96及び99を外す。これにより、前側支持脚上部92、後側支持脚上部93及び水平部材25を一体的に上方に持ち上げて移動し、水平部材25の高さ位置を高くする。これら前側支持脚上部92、後側支持脚上部93及び水平部材25を持ち上げる高さは、雌ネジ94、97の上下方向の間隔の倍数で任意に定めることができる。この後、各ネジ96及び99を再締結し、前側支持脚上部92、後側支持脚上部93をそれぞれ前側支持脚下部90、後側支持脚下部91に再固定する。
このように上記第5の実施の形態によれば、ステージ2上における門型構造で囲まれた空間の高さを変えることができる。これにより、大きな標本3の観察を行う場合、又はステージ2上の標本3の載置位置の高さを上げる場合に、上側対物レンズ29を上方に移動させる等の使用状況に応じた変更ができる。
なお、本発明は、上記各実施形態に限定されるものではなく、種々変形してもよい。
例えば、上記システム顕微鏡は、下側照明装置7、上側照明装置30、下側観察装置19、上側観察装置42、下側接眼レンズ20、上側接眼レンズ41などを設けた構成について説明したが、倒立顕微鏡を構成する下側照明装置7、下側観察装置19、下側接眼レンズ20などを用いた構成のみにしてもよく、又は正立顕微鏡を構成する上側照明装置30、上側観察装置42、上側接眼レンズ41などを用いた構成のみにしてもよい。
門型構造を成す前側支持脚22、後側支持脚24は、例えば中空のパイプ状の構造にしたり、T形状又はH形状の断面を有する強度の高い複数の棒状部材を用いてもよい。これら棒状部材を用いる場合は、例えば当該棒状部材の少なくとも3本を倒立顕微鏡本体1の上部の3箇所に設けたり、4本を倒立顕微鏡本体1の上部の四隅に設ければよい。又、多数の棒状部材を羅列してもよい。
門型構造を成す前側支持脚22、後側支持脚24及び水平部材25の材質は、例えばシステム顕微鏡を構成する他の部材、例えば倒立顕微鏡本体1の材質と同一材質を用いるのが通常であるが、倒立顕微鏡本体1の材質よりも強度の高い材質を用いてもよい。
門型構造の剛性を高くするために、前側支持脚22と後側支持脚24との間に少なくとも1本の梁を設けてもよい。
上記第1の実施の形態は、水平部材25の上部に複数の照明装置及び観察装置を自由に組み合わせて積層固定しているが、水平部材25の上部への複数の照明装置及び観察装置の積層は、第2乃至第5の実施の形態にも適用可能である。
上記第1の実施の形態のように上側焦準ユニット26を後側支持脚24や前側支持脚22、水平部材25の下面に固定することは、第2乃至第5の実施の形態にも適用可能である。
上記第2の実施の形態のように下側対物レンズ5の光軸Qに対して上側対物レンズ29の光軸Qを相対的にずらすことは、第3乃至第5の実施の形態にも適用可能である。
上記第3の実施の形態のように覗き穴70を設けることは、第2、第4及び第5の実施の形態にも適用可能である。
上記第4の実施の形態のように門型構造を有する前側支持脚22、後側支持脚24及び水平部材25に複数の雌ネジ80を設け、これら雌ネジ80の任意の位置に把持部材82を固定してマニピュレータ81を保持することは、第2、第3及び第5の実施の形態にも適用可能である。
上記第5の実施の形態のように締結部材を用いて門型構造の高さを可変にすることは、第3乃至第4の実施の形態にも適用可能である。
本発明に係るシステム顕微鏡の第1の実施の形態を示す側面構成図。 同システム顕微鏡の正面図。 同システム顕微鏡の門型構造と従来の片持ち梁の構造との比較を示す。 同システム顕微鏡に第2の上側照明装置及び中間観察鏡筒を付加したシステム顕微鏡の側面図。 同システム顕微鏡の正面図。 同システム顕微鏡の変形例を示す構成図。 同システム顕微鏡の変形例を示す構成図。 本発明に係るシステム顕微鏡の第2の実施の形態を示す構成図。 本発明に係るシステム顕微鏡の第3の実施の形態を示す側面構成図。 同システム顕微鏡の正面図。 同システム顕微鏡の変形例を示す構成図。 同システム顕微鏡の変形例を示す構成図。 本発明に係るシステム顕微鏡の第4の実施の形態を示す側面構成図。 同システム顕微鏡の正面図。 同システム顕微鏡の変形例を示す構成図。 同システム顕微鏡の変形例を示す構成図。 本発明に係るシステム顕微鏡の第4の実施の形態における門型構造の構成図。 同システム顕微鏡の作用を示す図。
符号の説明
1:倒立顕微鏡本体、2:ステージ、3:標本、4:下側対物レンズ保持部、5:下側対物レンズ、6:下側焦準ノブ、7:下側照明装置、8:下側光源、9:下側照明光学系、10:下側照明光反射部材、11:励起フィルタ、12:吸収フィルタ、13:下側結像レンズ、14:下側観察光路切換部材、15:折返しミラー、16:下側観察光路切換部材、17:下側観察光路切換部材、18:サイドポート、19:下側観察装置、20:下側接眼レンズ、21:前側取付部、22:前側支持脚、22a,22b:棒状の脚、23:後側取付部、24:後側支持脚、25:水平部材、26:上側焦準ユニット、27:上側焦準ノブ、28:上側対物レンズ保持部、29:上側対物レンズ、30:上側照明装置、31:上側光源、32:上側照明光学系、33:上側照明光反射部材、34:励起フィルタ、35:吸収フィルタ、36:三眼鏡筒、37:上側結像レンズ、38:上側観察光路切換部材、39:上側観察光路切換部材、40:上側観察光路切換部材、41:上側接眼レンズ、42:上側観察装置、50:第2の上側照明装置、51:中間観察鏡筒、52:第2の上側光源、53:第2の上側照明光学系、54:第2の上側照明光反射部材、55:励起フィルタ、56:吸収フィルタ、57:第2の上側観察光路切換部材、58:第2の上側結像レンズ、59:第2の上側観察装置、60:上側対物レンズ保持部本体、61:取付用穴、62:対物レンズ固定部、63:バネ、64:調整ネジ、65:工具、70:覗き穴、80,94,97:雌ネジ、81:マニピュレータ、82:把持部材、83,96,99:ネジ、84:X軸駆動ノブ、85:Y軸駆動ノブ、86:Z軸駆動ノブ、87:プローブ、88:スライドアリ、89:固定ネジ、90:前側支持脚下部、91:後側支持脚下部、92:前側支持脚上部、93:後側支持脚上部、95,98:ネジ孔。

Claims (16)

  1. 顕微鏡本体と、
    前記顕微鏡本体の上部に設けられ、標本を載置するステージと、
    前記ステージの下方に設けられた下側対物レンズと、
    前記ステージの上方に設けられた上側対物レンズと、
    前記顕微鏡本体の上部に前記ステージを跨いで設けられるとともに、前記ステージとの鉛直方向の間隔を調整及び固定可能な門型支持部材と、
    前記顕微鏡本体に設けられ、前記標本を下方側から照明する下側照明光学系と、
    門型支持部材上に設けられ、前記標本を上方から照明する上側照明光学系と、
    前記顕微鏡本体に設けられ、前記下側対物レンズからの前記標本の観察像を取得する下側接眼レンズと、
    前記門型支持部材上に設けられ、前記上側対物レンズからの前記標本の観察像を取得する上側接眼レンズとを備え、
    前記標本が大きい場合は前記門型支持部材を高く設定し、前記標本が小さい場合は前記門型支持部材を低く設定することを特徴とするシステム顕微鏡。
  2. 前記門型支持部材は、前記顕微鏡本体上に立設された少なくとも2つの第1の部材と、
    これら第1の部材間上に設けられた第2の部材とを有し、前記2つの第1の部材のそれぞれの長さの調整が可能であることを特徴とする請求項記載のシステム顕微鏡。
  3. 前記第1の部材は、前記顕微鏡本体の前側の支持脚下部および支持脚上部と、後側の支持脚下部および支持脚上部とを備える支持脚を有し、前記第2の部材は、前側の前記支持脚上部と後側の前記支持脚上部の間に水平に固定された水平部材を有しており、前側の前記支持脚下部と前記支持脚上部の間、及び後側の前記支持脚下部と前記支持脚上部の間でそれぞれ長さ調整が可能であることを特徴とする請求項記載のシステム顕微鏡。
  4. 前記門型支持部材は、前記各支持脚及び前記水平部材により一体的な剛体を成すことを特徴とする請求項1〜3記載のシステム顕微鏡。
  5. 前記各支持脚及び前記水平部材は、それぞれ平板からなることを特徴とする請求項記載のシステム顕微鏡。
  6. 前記門型支持部材上には、前記上側照明光学系と、前記上側接眼レンズと、上側対物レンズからの前記標本の観察像を撮像する少なくとも1つの撮像光学系とを設けたことを特徴とする請求項1記載のシステム顕微鏡。
  7. 前記上側照明光学系、前記上側接眼レンズ及び前記撮像光学系は、それぞれ前記門型支持部材上に着脱可能であることを特徴とする請求項記載のシステム顕微鏡。
  8. 前記上側対物レンズは、前記上側対物レンズを光軸方向に移動させる焦準ユニットを介して前記後側の前記支持脚に設けたことを特徴とする請求項記載のシステム顕微鏡。
  9. 前記上側対物レンズは、前記上側対物レンズを光軸方向に移動させる焦準ユニットを介して前記前側の前記支持脚に設けたことを特徴とする請求項記載のシステム顕微鏡。
  10. 前記上側対物レンズは、前記上側対物レンズを光軸方向に移動させる焦準ユニットを介して前記水平部材の下側面に設けたことを特徴とする請求項記載のシステム顕微鏡。
  11. 前記下側対物レンズ又は前記上側対物レンズのうちいずれか一方を前記下側対物レンズ又は前記上側対物レンズの光軸方向に対して垂直方向の面内で横ずらしする少なくとも1つの横ずらし機構を設けたことを特徴とする請求項記載のシステム顕微鏡。
  12. 前記顕微鏡本体の前側に設けられた前記支持脚に覗き窓を設けたことを特徴とする請求項又は記載のシステム顕微鏡。
  13. 前記顕微鏡本体の前側に設けられた前記支持脚は、二股構造を有することを特徴とする請求項記載のシステム顕微鏡。
  14. 前記顕微鏡本体の前側に設けられた前記支持脚は、少なくとも2本の棒状の脚からなることを特徴とする請求項記載のシステム顕微鏡。
  15. 前記門型支持部材には、各種機材を取り付けるための締結構造を有することを特徴とする請求項記載のシステム顕微鏡。
  16. 前記門型支持部材には、前記標本を操作するためのマニピュレータを前記締結構造を介して固定することを特徴とする請求項15記載のシステム顕微鏡。
JP2004098230A 2004-03-30 2004-03-30 システム顕微鏡 Expired - Fee Related JP4558366B2 (ja)

Priority Applications (4)

Application Number Priority Date Filing Date Title
JP2004098230A JP4558366B2 (ja) 2004-03-30 2004-03-30 システム顕微鏡
US11/075,786 US20050219687A1 (en) 2004-03-30 2005-03-09 System microscope
DE602005007647T DE602005007647D1 (de) 2004-03-30 2005-03-15 Mikroskopsystem
EP05005645A EP1582904B1 (en) 2004-03-30 2005-03-15 System microscope

Applications Claiming Priority (1)

Application Number Priority Date Filing Date Title
JP2004098230A JP4558366B2 (ja) 2004-03-30 2004-03-30 システム顕微鏡

Publications (2)

Publication Number Publication Date
JP2005283994A JP2005283994A (ja) 2005-10-13
JP4558366B2 true JP4558366B2 (ja) 2010-10-06

Family

ID=34879949

Family Applications (1)

Application Number Title Priority Date Filing Date
JP2004098230A Expired - Fee Related JP4558366B2 (ja) 2004-03-30 2004-03-30 システム顕微鏡

Country Status (4)

Country Link
US (1) US20050219687A1 (ja)
EP (1) EP1582904B1 (ja)
JP (1) JP4558366B2 (ja)
DE (1) DE602005007647D1 (ja)

Families Citing this family (11)

* Cited by examiner, † Cited by third party
Publication number Priority date Publication date Assignee Title
JP4603283B2 (ja) * 2004-04-14 2010-12-22 オリンパス株式会社 システム顕微鏡
US8077386B2 (en) * 2008-10-22 2011-12-13 Microbrightfield, Inc. Movable objective lens assembly for an optical microscope and optical microscopes having such an assembly
JP5242351B2 (ja) * 2008-11-14 2013-07-24 オリンパス株式会社 顕微鏡
EP2246725A3 (en) * 2009-04-30 2011-01-26 Olympus Corporation Microscope with fixed imaging unit and movable objective lens
KR101056484B1 (ko) * 2010-02-19 2011-08-12 김우준 사각 광경로를 형성하는 광학 시스템 및 그 방법
JP5988629B2 (ja) * 2012-03-14 2016-09-07 オリンパス株式会社 複数の光学ユニットを備えた顕微鏡
CN105579881B (zh) * 2013-06-28 2019-09-10 探索回声公司 直立倒置显微镜
US9989748B1 (en) 2013-06-28 2018-06-05 Discover Echo Inc. Upright and inverted microscope
GB2523774B (en) * 2014-03-04 2019-07-17 Calamat Ltd Microscope slide
JP6203102B2 (ja) * 2014-03-27 2017-09-27 オリンパス株式会社 倒立顕微鏡装置
US11454799B2 (en) * 2019-01-29 2022-09-27 Formfactor, Inc. Microscopes with objective assembly crash detection and methods of utiliizing the same

Family Cites Families (17)

* Cited by examiner, † Cited by third party
Publication number Priority date Publication date Assignee Title
US149845A (en) * 1874-04-21 Improvement in apparatus for mixing medical compounds
US117204A (en) * 1871-07-18 Improvement in combined hay-rakes and loaders
US3259012A (en) * 1960-09-12 1966-07-05 Inv S Finance Corp Microscope having bridge type support arm for body tube and focusing mechanism
US3259312A (en) * 1965-01-15 1966-07-05 Clement E Birkmeyer Compensative bridge score computer
US4328713A (en) * 1980-03-03 1982-05-11 Eikonix Corporation Controlling translation
DE9004328U1 (de) * 1989-05-16 1990-06-21 Reichert-Jung Optische Werke AG, Wien Aufrechtes Mikroskop
JPH0544370Y2 (ja) * 1989-08-21 1993-11-10
JP3537202B2 (ja) * 1994-12-19 2004-06-14 オリンパス株式会社 複数ヘッド顕微鏡装置
US5750989A (en) * 1995-02-10 1998-05-12 Molecular Imaging Corporation Scanning probe microscope for use in fluids
JP3631303B2 (ja) * 1995-10-12 2005-03-23 オリンパス株式会社 大型標本観察用顕微鏡装置
US6285498B1 (en) * 1997-10-17 2001-09-04 Accumed International, Inc. High-precision computer-aided microscope system
JP3855428B2 (ja) * 1998-02-02 2006-12-13 株式会社ニコン 倒立顕微鏡及びコンデンサ装置
US6163417A (en) * 1999-05-24 2000-12-19 Newport Corporation Pegs for joining modular translation stages and other optical test bench hardware
WO2001071406A1 (en) * 2000-03-24 2001-09-27 Olympus Optical Co., Ltd. Microscope unit
JP4653292B2 (ja) * 2000-08-09 2011-03-16 オリンパス株式会社 システム顕微鏡
JP2002169100A (ja) * 2000-12-05 2002-06-14 Nikon Corp 顕微鏡装置
JP4084061B2 (ja) * 2002-03-18 2008-04-30 独立行政法人科学技術振興機構 高安定性光学顕微鏡

Also Published As

Publication number Publication date
EP1582904B1 (en) 2008-06-25
US20050219687A1 (en) 2005-10-06
EP1582904A1 (en) 2005-10-05
DE602005007647D1 (de) 2008-08-07
JP2005283994A (ja) 2005-10-13

Similar Documents

Publication Publication Date Title
JP4558366B2 (ja) システム顕微鏡
JP3537194B2 (ja) 光学顕微鏡
KR100806023B1 (ko) 현미경 장치
JP4084061B2 (ja) 高安定性光学顕微鏡
JP6978592B2 (ja) 広領域の共焦点及び多光子顕微鏡で用いる動的フォーカス・ズームシステム
KR20200054255A (ko) 광시야, 공초점 및 다광자 현미경과 함께 사용하기 위한 동적 초점 및 줌 시스템
KR101375196B1 (ko) 현미경
JP2003140053A (ja) 光学顕微鏡別軸一体型走査型プローブ顕微鏡
JP5123100B2 (ja) 顕微鏡
US10466461B2 (en) Dynamic focus and zoom system for use with wide-field, confocal and multiphoton microscopes
US9405113B2 (en) Microscope focusing mechanism with movable components formed of materials having different linear expansion coefficients
JP2005234306A (ja) 顕微鏡観察装置
JP4046525B2 (ja) 倒立型顕微鏡
JPS60227214A (ja) 双眼実体顕微鏡
JP6203102B2 (ja) 倒立顕微鏡装置
JP2001264641A (ja) 倒立顕微鏡
WO2012137212A2 (en) Portable microscope
KR102715080B1 (ko) 현미경용 얼라인 장치
JP4717185B2 (ja) 顕微鏡の焦準装置
JPH05323201A (ja) 顕微鏡
KR101309494B1 (ko) 줌 경통 부착형 틸팅장치
JP3868026B2 (ja) 顕微鏡
JP2006292831A (ja) 顕微鏡用鏡筒
JPH05323200A (ja) 顕微鏡
JP2004286855A (ja) 実体顕微鏡

Legal Events

Date Code Title Description
A621 Written request for application examination

Free format text: JAPANESE INTERMEDIATE CODE: A621

Effective date: 20070315

A977 Report on retrieval

Free format text: JAPANESE INTERMEDIATE CODE: A971007

Effective date: 20100416

A131 Notification of reasons for refusal

Free format text: JAPANESE INTERMEDIATE CODE: A131

Effective date: 20100427

A521 Request for written amendment filed

Free format text: JAPANESE INTERMEDIATE CODE: A523

Effective date: 20100628

TRDD Decision of grant or rejection written
A01 Written decision to grant a patent or to grant a registration (utility model)

Free format text: JAPANESE INTERMEDIATE CODE: A01

Effective date: 20100713

A01 Written decision to grant a patent or to grant a registration (utility model)

Free format text: JAPANESE INTERMEDIATE CODE: A01

A61 First payment of annual fees (during grant procedure)

Free format text: JAPANESE INTERMEDIATE CODE: A61

Effective date: 20100721

R151 Written notification of patent or utility model registration

Ref document number: 4558366

Country of ref document: JP

Free format text: JAPANESE INTERMEDIATE CODE: R151

FPAY Renewal fee payment (event date is renewal date of database)

Free format text: PAYMENT UNTIL: 20130730

Year of fee payment: 3

S531 Written request for registration of change of domicile

Free format text: JAPANESE INTERMEDIATE CODE: R313531

R350 Written notification of registration of transfer

Free format text: JAPANESE INTERMEDIATE CODE: R350

R250 Receipt of annual fees

Free format text: JAPANESE INTERMEDIATE CODE: R250

LAPS Cancellation because of no payment of annual fees