JP4487682B2 - コンデンサとその設置方法 - Google Patents

コンデンサとその設置方法 Download PDF

Info

Publication number
JP4487682B2
JP4487682B2 JP2004236948A JP2004236948A JP4487682B2 JP 4487682 B2 JP4487682 B2 JP 4487682B2 JP 2004236948 A JP2004236948 A JP 2004236948A JP 2004236948 A JP2004236948 A JP 2004236948A JP 4487682 B2 JP4487682 B2 JP 4487682B2
Authority
JP
Japan
Prior art keywords
capacitor
terminal
igbt
module
conductor
Prior art date
Legal status (The legal status is an assumption and is not a legal conclusion. Google has not performed a legal analysis and makes no representation as to the accuracy of the status listed.)
Expired - Fee Related
Application number
JP2004236948A
Other languages
English (en)
Other versions
JP2006060876A (ja
Inventor
聡毅 滝沢
Current Assignee (The listed assignees may be inaccurate. Google has not performed a legal analysis and makes no representation or warranty as to the accuracy of the list.)
Fuji Electric Co Ltd
Original Assignee
Fuji Electric Holdings Ltd
Priority date (The priority date is an assumption and is not a legal conclusion. Google has not performed a legal analysis and makes no representation as to the accuracy of the date listed.)
Filing date
Publication date
Application filed by Fuji Electric Holdings Ltd filed Critical Fuji Electric Holdings Ltd
Priority to JP2004236948A priority Critical patent/JP4487682B2/ja
Publication of JP2006060876A publication Critical patent/JP2006060876A/ja
Application granted granted Critical
Publication of JP4487682B2 publication Critical patent/JP4487682B2/ja
Anticipated expiration legal-status Critical
Expired - Fee Related legal-status Critical Current

Links

Images

Landscapes

  • Power Conversion In General (AREA)
  • Inverter Devices (AREA)

Description

この発明は、電力変換装置や信号回路などに適用されるコンデンサの構造およびその設置方法に関する。
図5に、電力変換装置の代表的な回路としてインバータ主回路の一般的な例を示す。
11は直流電源回路、12はモータなどの負荷、13は電力用半導体素子からなるインバータ部で、電圧と周波数の可変出力が可能である。直流電源回路11は通常、図示していない交流電源とダイオード整流器を介して、大容量の直流電解コンデンサで構成されるのが一般的である。また、インバータ部13の、符号14はIGBT(絶縁ゲートバイポーラトランジスタ)などのスイッチング素子、15はこれに逆並列に接続されるダイオードであり、これらが6回路で構成されている。電力用半導体モジュール16a〜16cは通常、上下アーム2素子分を1組としている。
図6に、IGBTモジュールの外観図を示す。
IGBTモジュールは図示のように、正側直流出力端子(P端子)と、負側直流出力端子(N端子)と、交流出力端子(U端子)とを備えている。また、3相出力のインバータ構成とする場合に、ある程度の容量以上の装置では図示のモジュールを並列接続し、3の倍数台適用して構成することが多い。また、図5の17a〜17cはスナバコンデンサで、IGBTがスイッチングする際、直流電源回路1とIGBTモジュール16a〜16c間の配線インダクタンス(L3)18の電流エネルギ吸収用(サージ電圧の抑制用)として、各IGBTモジュール毎に1ないし2個接続されており、ある程度の容量以上の装置には必須である。
図7にIGBTモジュールにスナバコンデンサモジュールを接続した例を示す。これは、IGBTモジュールを2並列構成で合計6モジュール構成とし、スナバコンデンサモジュール3を各IGBTモジュール毎に1個接続した例である。
図8に、例えば特許文献1に開示されているスナバコンデンサの外観と内部構成例を示す。
先の図7に示すように、IGBTモジュール上のP端子とN端子間に設置され、P側引出し端子1とN側引出し端子2と樹脂モールドされ、外観が例えば図8(a)のように示されるスナバコンデンサモジュール3の内部は、図8(b)のようにP側導体板4と、N側導体板5とコンデンサ自身となるフィルムエレメント6とから構成される(フィルムコンデンサには極性はないが、ここではIGBT側の極性と合わせて記載した)。
特開2000−102241号公報(第4頁、図2)
図9に、IGBTがターンオフする際のコレクタ−エミッタ間電圧VCEとコレクタ電流icの波形を示す。
図示の期間tにおいて、コレクタ電流icのdi/dtにより、高いサージ電圧が発生する。このサージ電圧VCE(PEAK)は、次の(1)式により概略計算できる。
CE(PEAK)=Ed+L1・di/dt+L2・di/dt …(1)
Ed:直流電圧
L1:スナバコンデンサの内部配線などのインダクタンス値
L2:IGBTモジュール内部の配線インダクタンス値(図示なし)
di/dt:IGBTターンオフ時の電流変化率
上記(1)式から、スナバコンデンサの内部インダクタンス値が大きいとVCE(PEAK)が高くなり、そのため耐圧の高いIGBTが必要となる。
図10にスナバコンデンサの内部に基く等価回路を示す。上記(1)式のL1はP,Nの引出し端子,各導体板およびフィルムエレメント(L1p,L1n,L1pp,L1nn,L1e)よりなるが、配線長からL1eが最も支配的となる。
L1p:P側引出し端子部インダクタンス,L1n:N側引出し端子部インダクタンス
L1pp:P側導体板インダクタンス
L1nn:N側導体板インダクタンス
L1e:フィルムエレメントのインダクタンス
また、別の問題として、IGBTがスイッチングする際、スナバコンデンサ自身の容量と配線インダクタンス18(図5参照)との共振現象(通常数100kHz)や、スナバコンデンサとIGBTモジュール内部の浮遊容量と、その間の配線インダクタンスによって発生する共振現象(通常数10MHz)により、スナバコンデンサ自身がノイズ源となり、周辺回路が誤動作するという問題も生じる。
したがって、この発明の課題は、スイッチ素子によるスイッチング時のサージ電圧の低減、自身がノイズ源となることによる周辺回路誤動作の低減を図ることが可能なコンデンサとその設置方法を提供することにある。
このような課題を解決するため、請求項1の発明では、正側電位用端子と負側電位用端子の引き出し端子と、容量成分となるエレメントを支持するそれぞれの導体板とが、前記正側電位用端子と負側電位用端子とを挟む中心線に対し反対側に位置するように、内部または外部に電位極性反転用導体を設けることを特徴とする。
上記請求項1に記載のコンデンサと従来タイプのコンデンサとを、隣り合わせにして電子機器またはプリント基板上に設置することができる(請求項2の発明)。
また、請求項1に記載のコンデンサと従来タイプのコンデンサとを、1つのモジュール内に収納することができる(請求項3の発明)。
この発明によれば、特に従来タイプのコンデンサと隣り合わせで用いることで、両コンデンサから発生する漏洩磁界を低減させ、スイッチ素子によるスイッチング時のサージ電圧の低減、自身がノイズ源となることによる周辺回路誤動作の低減を図れるようにする。その結果、スイッチ素子の電圧定格の低減化によるコストダウンや、周辺回路を誤動作させない高信頼の装置を提供することができる。
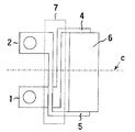
図1はこの発明の第1の実施の形態を示す構成図である。
これは、P側引出し端子1とN側引出し端子2に対し、P側の導体板5とN側の導体板4が、中心線cに対して反対側に位置するように、導体7を追加して構成される。フィルムエレメント6に着目した場合、図1のものと従来タイプのコンデンサとでは、流れる電流が互いに逆になる。
図2は図1の変形例を示す構成図である。
図2(a)は図1に示すものに対し、導体7をコンデンサモジュール3内(コンデンサチップ内部)に収めた例であり、図2(b)は導体7をコンデンサモジュール3内に収めず、外付け(コンデンサチップ外部)とした例である。なお、図1では導体7を端子1や端子2と同一導体を想定しているが、別の導体をねじ留めや半田付けで接続するようにしても良い。
図3はこの発明の第2の実施の形態を説明するための説明図である。
これは、例えば3相出力インバータで、IGBTモジュール20aと20b,21aと21b,22aと22bを2並列接続した例である。つまり、従来タイプのコンデンサ91,92,93をIGBTモジュール20b,21b,22b上にそれぞれ配置するとともに、この発明によるコンデンサ95,96,97をIGBTモジュール20a,21a,22a上にそれぞれ配置して構成する。これにより、隣り合うコンデンサのフィルムエレメント内に流れる電流の向きは、図の矢印で示すように互いに反対方向となる。
図4にこの発明の第3の実施の形態を示す。
図3では、コンデンサ91と95、コンデンサ92と96およびコンデンサ93と97はそれぞれ別のコンデンサであるが、ここでは同一のモジュール8内に収めて構成される。こうすることで、図3のものより一層低インダクタンス化や低ノイズ化が図られ、小型化,低コスト化も可能となる。
以上では、電力変換装置に用いるスナバコンデンサを例に説明したが、この発明はプリント板上に設置されるフィルムコンデンサや積層チップコンデンサ等にも、同様にして適用することができる。例えば、バイパスコンデンサ用のチップコンデンサにおいて、隣り合って設置する場合などに用いることができる。
この発明の第1の実施の形態を示す構成図 図1の変形例を示す構成図 この発明の第2の実施の形態を示す構成図 この発明の第3の実施の形態を示す構成図 インバータ回路の一般的な例を示す回路図 一般的なIGBTモジュールの外観図 IGBTモジュールにスナバコンデンサを接続した例を示す構成図 スナバコンデンサの従来例の説明図 図5のIGBTターンオフ時の動作波形図 コンデンサの内部等価回路図
符号の説明
1…P側引出し端子、2…N側引出し端子、3…スナバコンデンサモジュール、4…P側導体板、5…N側導体板、6…フィルムエレメント、7…導体、8…モジュール、91,92,93,95,96,97…コンデンサ、20a,20b,21a,21b,22a,22b…IGBTモジュール。

Claims (3)

  1. 正側電位用端子と負側電位用端子の引き出し端子と、容量成分となるエレメントを支持するそれぞれの導体板とが、前記正側電位用端子と負側電位用端子とを挟む中心線に対し反対側に位置するように、内部または外部に電位極性反転用導体を設けることを特徴とするコンデンサ。
  2. 前記請求項1に記載のコンデンサと従来タイプのコンデンサとを、隣り合わせにして電子機器またはプリント基板上に設置することを特徴とするコンデンサの設置方法。
  3. 請求項1に記載のコンデンサと従来タイプのコンデンサとを、1つのモジュール内に収納したことを特徴とするコンデンサ。

JP2004236948A 2004-08-17 2004-08-17 コンデンサとその設置方法 Expired - Fee Related JP4487682B2 (ja)

Priority Applications (1)

Application Number Priority Date Filing Date Title
JP2004236948A JP4487682B2 (ja) 2004-08-17 2004-08-17 コンデンサとその設置方法

Applications Claiming Priority (1)

Application Number Priority Date Filing Date Title
JP2004236948A JP4487682B2 (ja) 2004-08-17 2004-08-17 コンデンサとその設置方法

Publications (2)

Publication Number Publication Date
JP2006060876A JP2006060876A (ja) 2006-03-02
JP4487682B2 true JP4487682B2 (ja) 2010-06-23

Family

ID=36107902

Family Applications (1)

Application Number Title Priority Date Filing Date
JP2004236948A Expired - Fee Related JP4487682B2 (ja) 2004-08-17 2004-08-17 コンデンサとその設置方法

Country Status (1)

Country Link
JP (1) JP4487682B2 (ja)

Cited By (1)

* Cited by examiner, † Cited by third party
Publication number Priority date Publication date Assignee Title
CN110168903A (zh) * 2016-12-13 2019-08-23 日立汽车系统株式会社 母排构造和使用它的电力变换装置

Families Citing this family (3)

* Cited by examiner, † Cited by third party
Publication number Priority date Publication date Assignee Title
JP6102668B2 (ja) * 2013-10-03 2017-03-29 三菱電機株式会社 電力変換装置
WO2018043002A1 (ja) * 2016-09-02 2018-03-08 三菱電機株式会社 バスバー構造体およびこれを用いた電力変換装置
JP2020088888A (ja) 2018-11-15 2020-06-04 株式会社日立製作所 電圧フィルタおよび電力変換装置

Family Cites Families (5)

* Cited by examiner, † Cited by third party
Publication number Priority date Publication date Assignee Title
JPS6112665Y2 (ja) * 1981-01-09 1986-04-19
JP2001251845A (ja) * 2000-03-06 2001-09-14 Matsushita Electric Ind Co Ltd スナバコンデンサ
JP4476465B2 (ja) * 2000-10-04 2010-06-09 三菱電機株式会社 電力変換装置
JP2003318066A (ja) * 2002-04-25 2003-11-07 Taiyo Yuden Co Ltd コンデンサモジュール
JP3780975B2 (ja) * 2002-05-22 2006-05-31 松下電器産業株式会社 コンデンサの製造方法およびコンデンサ

Cited By (2)

* Cited by examiner, † Cited by third party
Publication number Priority date Publication date Assignee Title
CN110168903A (zh) * 2016-12-13 2019-08-23 日立汽车系统株式会社 母排构造和使用它的电力变换装置
CN110168903B (zh) * 2016-12-13 2020-11-13 日立汽车系统株式会社 母排构造和使用它的电力变换装置

Also Published As

Publication number Publication date
JP2006060876A (ja) 2006-03-02

Similar Documents

Publication Publication Date Title
EP2264894B1 (en) Power module with additional transient current path and power module system
JP6041862B2 (ja) 電力変換装置
JP5369922B2 (ja) 3レベル電力変換装置
US8901602B2 (en) Power semiconductor device and power conversion system using the device
US20180205309A1 (en) High Power Density Inverter (I)
JPH03107328A (ja) 電力変換装置のスナバ回路
JP2009022062A (ja) 3レベル電力変換回路の配線構造
US20170117820A1 (en) Semiconductor device
JP2010199473A (ja) 電力変換ユニット
JP5571013B2 (ja) 半導体スイッチ、及び電力変換装置
JP4487682B2 (ja) コンデンサとその設置方法
JPWO2020017169A1 (ja) 駆動回路内蔵型パワーモジュール
JP6289577B2 (ja) 電力変換装置
JP2009273272A (ja) インバータモジュール
JP2020005411A (ja) 電力変換装置
JP2006197735A (ja) インバータ装置
JP2007181351A (ja) 電力変換装置のインバータモジュール
US10165701B2 (en) Electric power conversion device for providing a stabilized potential to a cooler
JP5516623B2 (ja) 電力変換装置
WO2002015651A2 (en) Low inductance transistor module with distributed bus
JP5307370B2 (ja) 電力変換回路
JPH01209951A (ja) 電力変換装置
JP2005197433A (ja) 電力用半導体モジュール
JP7763717B2 (ja) 電力変換装置
JP6344054B2 (ja) 直列接続コンデンサの配置配線構造

Legal Events

Date Code Title Description
A621 Written request for application examination

Free format text: JAPANESE INTERMEDIATE CODE: A621

Effective date: 20070614

TRDD Decision of grant or rejection written
A01 Written decision to grant a patent or to grant a registration (utility model)

Free format text: JAPANESE INTERMEDIATE CODE: A01

Effective date: 20100309

A01 Written decision to grant a patent or to grant a registration (utility model)

Free format text: JAPANESE INTERMEDIATE CODE: A01

A61 First payment of annual fees (during grant procedure)

Free format text: JAPANESE INTERMEDIATE CODE: A61

Effective date: 20100322

FPAY Renewal fee payment (prs date is renewal date of database)

Free format text: PAYMENT UNTIL: 20130409

Year of fee payment: 3

R150 Certificate of patent (=grant) or registration of utility model

Free format text: JAPANESE INTERMEDIATE CODE: R150

FPAY Renewal fee payment (prs date is renewal date of database)

Free format text: PAYMENT UNTIL: 20130409

Year of fee payment: 3

S533 Written request for registration of change of name

Free format text: JAPANESE INTERMEDIATE CODE: R313533

FPAY Renewal fee payment (prs date is renewal date of database)

Free format text: PAYMENT UNTIL: 20130409

Year of fee payment: 3

R350 Written notification of registration of transfer

Free format text: JAPANESE INTERMEDIATE CODE: R350

LAPS Cancellation because of no payment of annual fees