JP4430181B2 - クロ―ラ作業車 - Google Patents
クロ―ラ作業車 Download PDFInfo
- Publication number
- JP4430181B2 JP4430181B2 JP34842099A JP34842099A JP4430181B2 JP 4430181 B2 JP4430181 B2 JP 4430181B2 JP 34842099 A JP34842099 A JP 34842099A JP 34842099 A JP34842099 A JP 34842099A JP 4430181 B2 JP4430181 B2 JP 4430181B2
- Authority
- JP
- Japan
- Prior art keywords
- steering
- speed
- crawler
- turning
- traveling crawler
- Prior art date
- Legal status (The legal status is an assumption and is not a legal conclusion. Google has not performed a legal analysis and makes no representation as to the accuracy of the status listed.)
- Expired - Fee Related
Links
- 230000009467 reduction Effects 0.000 claims description 10
- 230000035945 sensitivity Effects 0.000 claims description 8
- 230000005540 biological transmission Effects 0.000 description 77
- 230000008859 change Effects 0.000 description 58
- 230000007935 neutral effect Effects 0.000 description 37
- 230000007246 mechanism Effects 0.000 description 27
- 238000010586 diagram Methods 0.000 description 15
- 238000003306 harvesting Methods 0.000 description 9
- 230000033001 locomotion Effects 0.000 description 9
- 230000006870 function Effects 0.000 description 8
- 235000013339 cereals Nutrition 0.000 description 7
- 238000001514 detection method Methods 0.000 description 4
- 238000000034 method Methods 0.000 description 3
- 230000004044 response Effects 0.000 description 3
- 230000004048 modification Effects 0.000 description 2
- 238000012986 modification Methods 0.000 description 2
- 230000008569 process Effects 0.000 description 2
- 230000035807 sensation Effects 0.000 description 2
- 240000007594 Oryza sativa Species 0.000 description 1
- 235000007164 Oryza sativa Nutrition 0.000 description 1
- 239000006096 absorbing agent Substances 0.000 description 1
- 230000001133 acceleration Effects 0.000 description 1
- 239000000969 carrier Substances 0.000 description 1
- 238000010276 construction Methods 0.000 description 1
- 230000003247 decreasing effect Effects 0.000 description 1
- 230000000694 effects Effects 0.000 description 1
- 238000009313 farming Methods 0.000 description 1
- 230000006872 improvement Effects 0.000 description 1
- 238000006386 neutralization reaction Methods 0.000 description 1
- 235000009566 rice Nutrition 0.000 description 1
Images
Landscapes
- Motor Power Transmission Devices (AREA)
- Non-Deflectable Wheels, Steering Of Trailers, Or Other Steering (AREA)
- Control Of Fluid Gearings (AREA)
- Guiding Agricultural Machines (AREA)
- Harvester Elements (AREA)
Description
【発明の属する技術分野】
本発明は左右一対の走行クローラを装設して移動するコンバインまたはトラクタまたは建設車輌などのクローラ作業車に関する。
【0002】
【発明が解決しようとする課題】
従来、左右走行クローラを装設したコンバインなどにおいて、エンジン出力を変速伝達するミッションケースの左右走行出力を左右サイドクラッチを介して左右走行クローラに伝達させ、左右サイドクラッチの継断操作により旋回内側の走行クローラの駆動を一時的に中止させて旋回させる構造では、動力の継断によって大きな衝撃が生じ易く、スムーズな旋回動作を容易に得られないと共に、略180度方向転換させるスピンターン動作で路面を乱し易い不具合があり、旋回性能の向上を容易に図り得ない等の問題がある。
【0003】
そこで、左右走行クローラを同一方向に同一速度で駆動する1組の油圧無段変速用油圧ポンプと油圧モータによって形成する変速部材と、左右走行クローラを逆方向に同一速度で駆動する1組の油圧無段変速用油圧ポンプと油圧モータによって形成する操向部材を設け、動力を継断することなく左右走行クローラを旋回駆動し、前記サイドクラッチによる不具合をなくす技術がある。しかし乍ら、変速部材の変速制御を行ったとき、操向部材の操向制御によって決定される左右走行クローラの速度差が一定であると、旋回半径が変化するから、旋回半径を一定に保つには、変速操作と略同時に操向操作を行う必要があり、操向操作を行うことなく旋回半径を一定に保ち乍ら車速を変更できる四輪自動車の運転感覚を容易に得られないと共に、走行クローラの走行抵抗及び横滑り抵抗などが大きく変化し易い圃場など泥土路面作業で、乾湿状態などに対して走行クローラの旋回力を容易に選択し得ない等の問題がある。また、操向部材の操向制御による旋回半径の大小に関係なく車速が一定に保たれ、旋回半径が小さい操向操作を行うときに略同時に車速を減速する変速操作を行う必要があると共に、変速部材の駆動力がないときでも操向部材の操向制御だけで左右走行クローラが駆動される不具合があり、左右走行クローラの走行変速及び操向機能の向上などを容易に図り得ない等の問題がある。
【0004】
【課題を解決するための手段】
そこで、本発明では、変速レバーの手動操作によって左右走行クローラを同一方向に同一速度で駆動する変速部材と、操向ハンドルの手動操作によって左右走行クローラを逆方向に同一速度で駆動する操向部材を設けるクローラ作業車において、左右走行クローラの車速の変更によって左右走行クローラの操向量を自動的に変化させるように構成し、左右走行クローラの操向操作量が一定のときに左右走行クローラの変速出力を変化させても旋回半径を一定に保つように構成し、左右走行クローラの操向操作量に比例させて左右走行クローラを減速させると共に、操向操作量に対する減速率を旋回感度設定器を介した手元操作によって変更させるように構成すると共に、旋回感度設定器は、前記変速レバー操作量によって決定される車速を前記操向ハンドル操作量に比例させて減速させ、前記走行クローラを駆動するエンジン負荷を旋回時に低減させると共に、一方の走行クローラを中心にもう一方の走行クローラを旋回させるスピンターン動作に直進動作から連続的に減速させ乍ら移行させると共に、操向ハンドル操作量に対して車速の減速比を変更させて、圃場条件に適した操向動作を得るものであることを特徴とするクローラ作業車を提供するものである。
【0005】
【発明の実施の形態】
以下、本発明の実施例を図面に基づいて詳述する。図1は全体側面図、図2は同平面図であり、図中(1)は走行クローラ(2)を装設するトラックフレーム、(3)は前記トラックフレーム(1)に架設する機台、(4)はフィードチェン(5)を左側に張架し扱胴(6)及び処理胴(7)を内蔵している脱穀部、(8)は刈刃(9)及び穀稈搬送機構(10)などを備える刈取部、(11)は刈取フレーム(12)を介して刈取部(8)を昇降させる油圧昇降シリンダ、(13)は排藁チェン(14)終端を臨ませる排藁処理部、(15)は脱穀部(4)からの穀粒を揚穀筒(16)を介して搬入する穀物タンク、(17)は前記タンク(15)の穀粒を機外に搬出する排出オーガ、(18)は丸形操向ハンドル(19)及び運転席(20)などを備える運転キャビン、(21)は運転キャビン(18)下方に設けるエンジンであり、連続的に穀稈を刈取って脱穀するように構成している。
【0006】
さらに、図3、図4に示す如く、前記走行クローラ(2)を駆動するミッションケース(22)上面に、1対の第1油圧ポンプ(23)及び第1油圧モータ(24)からなる主変速機構である走行用の油圧式無段変速機構(25)と、1対の第2油圧ポンプ(26)及び第2油圧モータ(27)からなる操向機構である旋回用の油圧式無段変速機構(28)を並設させ、前記エンジン(21)の出力軸(21a)駆動力を変速及び操向用の第1及び第2油圧ポンプ(23)(26)の入力軸(29)にカウンタケース(30)を介してベルト伝動させ、各油圧ポンプ(23)(26)を駆動するように構成している。
【0007】
そして、前記第1油圧モータ(24)の出力軸(31)に、副変速機構(32)及び差動機構(33)を介し、左右走行クローラ(2)(2)の駆動輪(34)(34)を連動連結させるもので、前記差動機構(33)は左右対称の1対の遊星ギヤ機構(35)(35)を有する。前記遊星ギヤ機構(35)は1つのサンギヤ(36)と、該サンギヤ(36)の外周で噛合う3つのプラネタリギヤ(37)…と、各プラネタリギヤ(37)…に噛合うリングギヤ(38)などで形成している。
【0008】
また、前記各プラネタリギヤ(37)…は、サンギヤ軸(39)と同軸線上とのキャリヤ軸(40)のキャリヤ(41)にそれぞれ回転自在に軸支させ、左右のサンギヤ(36)(36)を挾んで左右のキャリヤ(41)を対向配置させると共に、前記リングギヤ(38)は、各プラネタリギヤ(37)に噛み合う内歯を有し、サンギヤ軸(39)と同一軸芯上のキャリヤ軸(40)に回転自在に軸支させている。
【0009】
また、走行用の油圧式無段変速機構(25)は、第1油圧ポンプ(23)の回転斜板の角度変更調節により第1油圧モータ(24)の正逆回転と回転数の制御を行うもので、第1油圧モータ(24)の回転出力を出力軸(31)の伝達ギヤ(42)から、各ギヤ(43)(44)(45)及び副変速機構(32)を介し、サンギヤ軸(39)に固定したセンタギヤ(46)に伝達し、サンギヤ(36)を回転するように構成している。前記副変速機構(32)は、前記ギヤ(45)を有する副変速軸(47)と、前記センタギヤ(46)に噛合うギヤ(48)を有する駐車ブレーキ軸(49)とを備え、副変速軸(47)とブレーキ軸(49)間に、低速用ギヤ(50)(48)及び中速用ギヤ(51)(52)及び高速用ギヤ(53)(54)を設け、中央位置の副変速切換用ギヤ(51)のスライダ摺動操作によって副変速の低速と中速と高速の切換を行う。また、副変速の低速と中速の間及び中速と高速の間には副変速中立(出力オフ)を有する。なお、刈取部(8)に回転力を伝達する刈取PTO軸(55)のPTO入力ギヤ(56)に、前記出力軸(31)の伝達ギヤ(42)を噛合連結させている。
【0010】
そして、前記センタギヤ(46)を介しサンギヤ軸(39)に伝達された第1油圧モータ(24)からの駆動力を、左右の遊星ギヤ機構(35)(35)を介して左右キャリヤ軸(40)(40)に伝達させ、各キャリヤ軸(40)(40)に伝達された回転出力を左右一対二組の減速ギヤ(57)(57)(58)(58)を介して左右の駆動輪(34)(34)の左右車軸(59)(59)にそれぞれ伝えると共に、左右のギヤ(58)(58)の回転数によって左右走行クローラ(2)(2)の車速を検出する左右車速センサ(60)(61)を設けている。
【0011】
さらに、旋回用の油圧式無段変速機構(28)は、第2油圧ポンプ(26)の回転斜板の角度変更調節により第2油圧モータ(27)の正逆回転切換と回転数の制御を行うもので、第2油圧モータ(27)の出力軸(62)の出力ギヤからギヤ伝達機構(63)を介し旋回入力軸(64)の左右の入力ギヤ(65)(66)に回転出力を伝達し、右側のリングギヤ(38)の外歯に対して左入力ギヤ(65)を噛合させ、また左側のリングギヤ(38)の外歯に逆転ギヤ(67)を介して右入力ギヤ(66)を連結させ、第2油圧モータ(27)の正転時に左右のリングギヤ(38)(38)を左右同一回転数で回転させ、かつ左リングギヤ(38)を正転させ、右リングギヤ(38)を逆転させるように構成している。
【0012】
そして、旋回用の第2油圧モータ(27)の駆動を停止させ、かつ左右リングギヤ(38)を静止固定させた状態で、走行用の第1油圧モータ(24)を駆動させると、第1油圧モータ(24)からの回転出力はセンタギヤ(46)から左右のサンギヤ(36)に同一回転数で伝達され、左右遊星ギヤ機構(35)のプラネタリギヤ(37)及びキャリヤ(41)及び減速ギヤ(57)(58)を介して左右の車軸(59)(59)に左右同一回転方向でかつ同一回転数で伝達され、機体の前後直進走行が行われる。一方、走行用の第1油圧モータ(24)を停止させ、かつ左右のサンギヤ(36)(36)を静止固定させた状態で、旋回用の第2油圧モータ(27)を正逆回転駆動すると、左側の遊星ギヤ機構(35)が正或いは逆回転し、また右側の遊星ギヤ機構(35)が逆或いは正回転し、左右走行クローラ(2)(2)の一方を前進回転させかつもう一方を後進回転させ、機体を左或いは右にその場で方向転換(心地旋回)させ、圃場枕地での方向転換などを行うように構成している。
【0013】
さらに、走行用の第1油圧モータ(24)を駆動させながら、旋回用の第2油圧モータ(27)を駆動すると、左右走行クローラ(2)(2)の駆動速度に差が生じて機体を左右に旋回させ、旋回半径の大きい旋回によって走行方向が修正され、また前記旋回半径は左右走行クローラ(2)(2)の速度差に応じて決定されると共に、左右走行クローラ(2)(2)の駆動速度の差を大きくすることにより、一方の走行クローラ(2)を停止または逆転させて該クローラ(2)を中心にもう一方の走行クローラ(2)を旋回させ、略V字形に方向転換するスピンターンを行えるように構成している。
【0014】
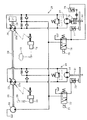
さらに、図5に示す如く、前記入力軸(29)上に設けて各ポンプ(23)(26)と連動してエンジン(21)により駆動する油圧チャージポンプ(68)と、走行変速レバー(69)手動操作によって切換える電動変速モータ(70)と、走行変速レバー(69)の中立操作時に電磁中立ソレノイド(71)を作動させて切換える中立バルブ(72)と、該バルブ(72)を介して前記チャージポンプ(68)に接続させる変速ブレーキシリンダ(73)を設ける。そして、前記走行変速レバー(69)を操作して変速モータ(70)を作動させて変速ポンプ(23)の斜板(23a)角度を変更させ、第1油圧モータ(24)の出力軸(31)の回転数を無段階に変化させたり、逆転させる前後進切換動作を行わせ、走行変速レバー(69)の操作量に比例させて前記斜板(23a)角度を変化させ、第1油圧モータ(24)の回転数を変更させると共に、前記走行変速レバー(69)の中立操作によって電磁中立ソレノイド(71)が励磁して中立バルブ(72)が自動的に切換わり、変速ブレーキシリンダ(73)を作動させて第2油圧モータ(24)の出力軸(31)を制動し、中立操作時の出力軸(31)の前後進回転を阻止するように構成している。
【0015】
さらに、前記操向ハンドル(19)手動操作によって切換える電動操向モータ(74)と、操向ハンドル(19)の直進操作並びに副変速機構(32)中立切換によって電磁直進ソレノイド(75)を作動させて切換える直進バルブ(76)と、該バルブ(76)を介して前記チャージポンプ(68)に接続させる操向ブレーキシリンダ(77)及びクラッチシリンダ(78)を設ける。そして、前記操向ハンドル(19)を操作して操向モータ(74)を作動させて第2油圧ポンプ(26)の斜板(26a)角度を変更させ、第2油圧モータ(27)の出力軸(62)の回転数を無段階に変化させたり、逆転させる左右操向動作を行わせ、走行方向を左右に変更して圃場枕地で方向転換したり進路を修正する。また操向ハンドル(19)の操作量に比例させて前記斜板(26a)角度を変化させ、操向モータ(27)の回転数を変更させると共に、前記操向ハンドル(19)の直進操作並びに副変速機構(32)の中立操作によって直進ソレノイド(75)が励磁して直進バルブ(76)が自動的に切換わり、操向ブレーキシリンダ(77)を作動させて第2油圧モータ(27)の出力軸(62)を制動し、直進操作時の出力軸(62)の左右操向回転を阻止する一方、副変速機構(32)の中立操作によって直進ソレノイド(75)が励磁してクラッチシリンダ(78)を作動させ、第2油圧モータ(27)の駆動力を出力軸(62)に伝える操向クラッチ(79)をクラッチシリンダ(78)によって切動作させ、操向駆動を中止させるように構成している。
【0016】
さら、図6に示す如く、前記操向ハンドル(19)を固定させるハンドル操作軸(80)下端部にギヤ(81)を設け、この後方の回転軸(82)に取付けるセクタギヤ(83)に前記ギヤ(81)を噛合せると共に、前記ギヤ(81)下方のハンドル操作軸(80)下端に直進位置決めカム板(84)を固定させ、軸(85)回りに回転自在な直進アーム(86)先端のローラ(87)をカム板(84)のノッチ(88)にバネ(89)によって係脱自在に弾圧係入させ、操向ハンドル(19)を左右回転自在に直進位置に支持させ、操向ハンドル(19)の直進支持を直進アーム(86)を介して検出するオンオフスイッチ型直進センサ(90)を設けている。また、前記回転軸(82)に操向出力アーム(91)の一端を固定させ、操向ハンドル(19)を直進位置に戻す左右一対の直進バネ(92)(92)と、前記バネ(92)に抗して操向ハンドル(19)の回転速度を遅くする戻り抵抗アブソーバ(93)を、前記出力アーム(91)に連結させ、操向ハンドル(19)を左右に回転させる手動操作を行ったとき、ハンドル(19)から作業者が手を離すことにより、ハンドル(19)を緩やかに直進位置に自動的に戻し、作業者によるハンドル(19)直進戻し操作を省くと共に、スライドポテンショメータ型操向角度センサ(94)を前記出力アーム(91)に連結させ、操向ハンドル(19)の操向操作量を操向角度センサ(94)によって検出させるように構成している。
【0017】
さらに、図7に示す如く、前記主変速レバー(69)の変速操作位置及び中立位置及び前後進切換動作を検出するポテンショメータ型主変速センサ(95)と、前記副変速機構(32)を切換える副変速レバー(96)の変速操作位置及び中立位置を検出するポテンショメータ型副変速センサ(97)と、作業者が切換える撮形手元操作部材(98)の操作によって操向ハンドル(19)の切れ角増大に対する車速の減速比を変更させるボリューム形旋回感度設定器(99)と、前記左右車速センサ(60)(61)及び直進センサ(90)を、マイクロコンピュータで形成する変速操向コントローラ(100)に入力接続させる。
【0018】
さらに、前記変速モータ(70)を正転または逆転させる増速及び減速回路(101)(102)を前記コントローラ(100)に接続させ、主変速レバー(69)操作量(操作角度)に対して変速モータ(70)による第1油圧ポンプ(23)の斜板(23a)角を略正比例させて変化させ、主変速レバー(69)の傾き操作に応じた車速を得ると共に、前記中立バルブ(72)を切換えて変速ブレーキシリンダ(73)を作動させる主変速回路(103)を前記コントローラ(100)に接続させ、主変速レバー(69)中立時に第1油圧モータ(24)の出力軸(31)を停止維持させ、主変速レバー(69)中立操作状態下での第1油圧モータ(24)による走行クローラ(2)の駆動を阻止している。
【0019】
さらに、前記操向モータ(74)を正転または逆転させる左右旋回回路(104)(105)を前記コントローラ(100)に接続させ、操向ハンドル(19)の操向操作量(左右回転角度)に対して操向モータ(74)による第2油圧ポンプ(26)の斜板(26a)を略正比例させて変化させ、また図8の旋回出力線図に示す如く、主変速レバー(69)の前進操作時と後進操作時とでは、操向ハンドル(19)の左右回転に対して左右旋回出力を逆にし、前進時と後進時とで逆ハンドルになるのを防ぎ、四輪自動車と同じ操向動作を行わせて前後進させる。また、主変速レバー(69)が中立のときは、第2油圧ポンプ(26)の斜板(26a)角を零に保ち、第2油圧モータ(27)の出力軸(62)を停止維持し、主変速中立状態下でのハンドル(19)操作による旋回動作を阻止すると共に、操向ハンドル(19)切れ角に応じて大きくなる第2油圧ポンプ(26)の斜板(26a)角の絶対値を主変速レバー(69)操作角度の絶対値と比例するように制御し、操向ハンドル(19)切れ角が一定のときに車速を変化させても旋回半径を一定に保ち、四輪自動車と同じ操向動作で旋回させる。また、直進バルブ(76)を切換えて操向ブレーキシリンダ(77)及びクラッチシリンダ(78)を作動させる直進回路(106)を前記コントローラ(100)に接続させ、副変速中立またはハンドル(19)直進によって出力軸(62)を自動的に停止させる。また、未刈り穀稈列に対する刈取部(8)の位置を検出させる操向センサ(111)と、前記センサ(111)の検出結果に基づき操向モータ(74)を自動制御する操向回路(112)を設け、操向ハンドル(19)の手動操作による操向角度センサ(94)入力を優先させ乍ら操向センサ(111)入力によって操向モータ(74)を作動させ、未刈り穀稈列に沿わせて進路を自動的に修正させ、収穫作業を行わせる。
【0020】
上記のように、左右走行クローラ(2)(2)を駆動する第1油圧ポンプ(23)及び第1油圧モータ(24)と、左右走行クローラ(2)(2)の駆動速度に差を生じさせる第2油圧ポンプ(26)及び第2油圧モータ(27)を設ける移動農機において、主変速レバー(69)操作量を検出して第1油圧ポンプ(23)の出力制御を行う変速アクチュエータである変速モータ(70)と、操向ハンドル(19)操作量を検出して第2油圧ポンプ(26)の出力制御を行う操向アクチュエータである操向モータ(74)を設け、変速モータ(70)と操向モータ(74)を作動させる変速操向コントローラ(100)に主変速レバー(69)操作量と操向ハンドル(19)操作量を各センサ(95)(94)から入力させて走行変速制御と操向制御を行い、主変速レバー(69)及び操向ハンドル(19)と第1及び第2油圧ポンプ(23)(26)を相互に連結させる機構を不要にし、組立調整作業及び部品管理の簡略化などを行い、取扱い作業性の向上並びに走行変速及び操向性能の多様化などを図る。
【0021】
また、主変速レバー(69)操作量に対して第1油圧モータ(24)出力を比例させて変化させ、主変速レバー(69)の操作角度に応じた車速を得ると共に、主変速レバー(69)の前進操作と後進操作とで操向アクチュエータ(74)による左右走行クローラ(2)(2)の操向制御動作を逆にし、前後輪を備える走行車と同様の感覚で操向操作を行わせる。
【0022】
また、主変速レバー(69)が中立のときに第2油圧モータ(27)の出力をオフ維持させ、停止時に操向ハンドル(19)の操作によって走行クローラ(2)が旋回動作するのを防止すると共に、操向ハンドル(19)操作量と第2油圧モータ(27)出力を比例させて変化させ、操向ハンドル(19)の操作量が略一定に維持されている状態下で、第2油圧モータ(27)出力である第2油圧ポンプ(26)の斜板(26a)角の絶対値を主変速レバー(69)操作量であるレバー(69)傾き角の絶対値と比例させることにより、操向ハンドル(19)操作量が一定のとき、車速を変化させても走行クローラ(2)の旋回半径が同一に保たれるもので、走行クローラ(2)変速制御が中立時に走行クローラ(2)操向制御を直進状態に保ち、走行変速が中立の状態で走行クローラ(2)を停止させているとき、操向部材(28)が単独で操作されても、操向部材(28)による走行クローラ(2)の駆動を防止し、操向操作の簡略化並びに操向制御機能の向上などを図る。
【0023】
上記から明らかなように、左右走行クローラ(2)を同一方向に同一速度で駆動する変速部材(25)と、左右走行クローラ(2)を逆方向に同一速度で駆動する操向部材(28)を設けるクローラ作業車において、前記変速部材(25)の変速量を変化させる左右走行クローラ(2)の車速変更によって左右走行クローラの操向量を自動的に変化させ、車速の変更だけで旋回内側走行クローラ(2)と旋回外側走行クローラ(2)の速度差を変化させ、増速に伴う旋回半径の拡大量だけ左右走行クローラ(2)の速度差を大きくする一方、減速に伴う旋回半径の縮少量だけ左右走行クローラ(2)の速度差を小さくし、旋回半径を変化させることなく車速を変更し、四輪自動車の車速増減速と略同様の運転感覚で走行クローラ(2)の車速変更を行い、走行クローラ(2)の走行変速及び操向機能の向上などを図る。
【0024】
また、変速部材(25)の変速量である左右走行クローラ(2)の車速変化に比例させて左右走行クローラ(2)の操向量を前記コントローラ(62)の演算出力によって自動的に変化させ、操向操作が一定のとき、変速操作だけで、旋回半径を一定に保って、車速を増減速変化させ、車速の変更に対して旋回内側走行クローラ(2)の速度と旋回外側走行クローラ(2)の速度の比が一定に保たれ、走行クローラ(2)の走行変速及び操向機能の向上並びに走行変速及び操向制御の簡略化などを容易に図ると共に、車速を変更する変速操作によって主変速センサ(53)に基づき左右走行クローラ(2)の操向量を自動的に変化させ、操向操作を行うことなく、旋回半径を略一定に保ち乍ら車速を変更し、四輪自動車のアクセルペダルに近似した走行クローラ(2)の変速操作と旋回動作を行わせ、走行クローラ(2)の車速制御及び操向制御機能の向上並びに変速操作及び操向操作の簡略化などを図る。
【0025】
さらに、図9、図10の車速出力線図に示す如く、操向ハンドル(19)の切れ角の増大に伴い、主変速レバー(69)変速位置で決定される車速を減速させるもので、主変速レバー(69)を一定位置に保ち乍らハンドル(19)切れ角に比例させて減速させ、ハンドル(19)を直進に戻すだけでレバー(69)速度に自動的に戻ると共に、ハンドル(19)最大切り角でスピンターン速度に減速され、またハンドル(19)の直進を中心とする不感帯(約15度の回転角度)でレバー(69)速度を保たせ、収穫作業中に未刈り穀稈列に沿わせる条合せ(進路修正)のための操向操作を行っても、走行速度が減速されたり増速されて収穫作業途中に走行速度が不均一に変化するのを防ぎ、作業者の運転感覚とコンバインの走行動作との間にずれが生じることなく適正な操向操作を行わせる。このように、走行クローラ(2)の操向量の変更によって車速を自動的に変化させ、旋回半径に比例して車速を自動的に減速または増速させ、操向操作だけで旋回半径に適した車速を得、操向操作の簡略化並びに変速及び操向制御機能の向上などを図る。
【0026】
また、前記副変速センサ(97)によって検出する副変速レバー(96)の低速及び中速及び高速の切換(低速収穫作業、標準収穫作業、路上走行の切換)、または手元操作部材(98)を用いた作業者の手動切換により、図10のように、鋭敏な旋回、通常間旋回、滑らかな旋回となるように減速比を変化させる制御を、前記センサ(97)の自動または前記部材(98)の手動によって行わせ、作業内容、圃場条件、作物状況などに適応させた旋回性能を得る。
【0027】
上記のように、主変速レバー(69)操作量によって決定される車速を操向ハンドル(19)操作量に比例させて減速させ、走行クローラ(2)を駆動するエンジン(21)負荷を旋回時に低減させると共に、一方の走行クローラ(2)を中心にもう一方の走行クローラ(2)を旋回させるスピンターン動作に直進動作から連続的に減速させ乍ら移行させると共に、操向ハンドル(19)操作量に対して車速の減速比を変更させ、圃場条件に適した操向動作を得るもので、操向ハンドル(19)操作量に対して車速の減速比を変更させる手元操作部材(98)を設け、運転作業者に適した操向動作を得る。
【0028】
また、操向ハンドル(19)の最大操作によってスピンターン動作を行わせ、主変速レバー(69)の操作を行うことなく、圃場枕地での方向転換乃至直進走行作業を操向ハンドル(19)操作だけで適正走行速度によって行い、農作業中の直進走行及び進路修正動作と、圃場枕地で次作業工程位置に向けて方向転換させるスピンターン動作とを、連続した一連の操向操作だけでスムーズに行わせると共に、操向ハンドル(19)の直進付近の操作に対して車速を略一定に保ち、農作業中に作物列または畦などに機体を沿わせる操向操作を行っても走行速度が不均一に変化するのを防止し、略同一走行速度を保ち乍ら農作業中の進路修正を行い、作業者の運転感覚と機体の走行動作とを略一致させて適正な操向操作を行わせる。
【0029】
上記から明らかなように、左右走行クローラ(2)の操向操作量に比例させて左右走行クローラ(2)を減速させると共に、操向操作量に対する減速比を副変速操作または手元操作の少なくとも一方または両方の操作によって変更させるように構成したもので、例えば圃場などの作業条件または運転作業者の熟練度などに応じて操向応答性を変更させ、例えば作物などに沿わせる進路修正並びに圃場枕地で方向転換させるスピンターンなどを適正に行い、旋回操作の簡略化並びに走行性の向上などを図る。
【0030】
さらに、左右走行クローラ(2)(2)を駆動する第1油圧ポンプ(23)及び第1油圧モータ(24)と、左右走行クローラ(2)(2)の駆動速度に差を生じさせる第2油圧ポンプ(26)及び第2油圧モータ(27)を設ける移動農機において、操向ハンドル(19)操作量を検出して第2油圧ポンプ(26)の出力制御を行う操向モータ(74)を設け、副変速レバー(96)の中立を副変速センサ(97)によって検出して第2油圧ポンプ(26)及び第2油圧モータ(27)による操向動作を中止させ、操向モータ(74)を作動させるコントローラ(100)に操向ハンドル(19)操作量を入力させて操向制御を行い、副変速機構(32)の中立によって第2油圧モータ(27)の操向動作を禁止させるロック機構を不要にし、組立調整作業及び部品管理の簡略化などを行い、取扱い作業性の向上並びに走行変速及び操向性能の多様化などを図るもので、副変速レバー(96)の中立を副変速センサ(97)によって検出して第2油圧ポンプ(26)の斜板(26a)を中立に維持させるように操向モータ(74)を中立復帰動作させることにより、副変速の中立によって操向モータ(74)の動作を制限するだけで副変速中立時の旋回動作を自動的に阻止できると共に、副変速レバー(96)の中立を副変速センサ(97)によって検出して第2油圧モータ(27)の出力をオフにする旋回クラッチ(79)を設けることにより、第2油圧モータ(27)による走行クローラ(2)の旋回駆動力を旋回クラッチ(79)によって入切し、副変速中立時に自動的に旋回クラッチ(79)を切にして走行クローラ(2)の旋回動作を阻止できる。
【0031】
さらに、図11の旋回出力線図に示す如く、前記主変速レバー(69)の操作角度を検出する主変速センサ(95)入力に対し、操向角度センサ(94)に基づきコントローラ(100)から出力される操向モータ(74)制御出力を二次曲線形に変化させ、容積効率が低い斜板(26a)の小さいときに車速が遅くても操向ハンドル(19)を少し切るだけで斜板(26a)を大きく変化させ、第2油圧ポンプ(26)及び油圧モータ(27)の特性を電気的に補正して遅い車速であっても敏感に操向モータ(74)により第2油圧ポンプ(26)を旋回制御し、主変速レバー(69)の変速全域で操向ハンドル(19)の切れ角に対して走行クローラ(2)の旋回半径を略同一に保つもので、主変速レバー(69)が高速のときよりも低速のときの操向ハンドル(19)操作量に対する第2油圧ポンプ(26)制御量の割合を大きくし、第2油圧ポンプ(26)出力が低効率になる低速域で車速が遅いときであっても操向ハンドル(19)の少量操作によって適正な旋回動作を行わせ、操向ハンドル(19)の操作量と走行クローラ(2)の旋回半径を一致させる。
【0032】
また、走行速度が遅くて動力伝達効率が低いときの第2油圧ポンプ(26)の操向制御を敏感に行わせ、主変速レバー(67)変速全域並びに操向ハンドル(19)操作全域において操向ハンドル(19)操作量と走行クローラ(2)旋回半径を一致させ、操向操作性及び操向機能の向上を図ると共に、主変速レバー(69)の中立を主変速センサ(95)によって検出して第2油圧ポンプ(26)を中立に維持させ、停止時の走行クローラ(2)の旋回動作を阻止し乍ら低速域の旋回性能を向上させ、操向ハンドル(19)の操作性向上並びに運転操作の簡略化などを図る。
【0033】
上記から明らかなように、左右走行クローラ(2)を駆動して前後進及び旋回移動させるクローラ作業車において、左右走行クローラ(2)の操向操作量が一定のときに左右走行クローラ(2)の変速出力を変化させても旋回半径を一定に保つ。そして、変速操作による移動速度の変更に関係なく、旋回内側と旋回外側の走行クローラ(2)の速度比を略一定に保ち、操向操作によって決定される旋回半径を維持して方向転換させ、例えばコンバインの収穫作業時、圃場枕地で方向転換するとき、途中で移動速度を変化させても、次の作業工程開始位置に到達させ、旋回操作の簡略化並びに走行性の向上などを図ると共に、主変速レバー(69)操作に伴う機体中心速度(車速)の変化に対して旋回半径を略一定に保つことにより、トラクタまたは田植機などの四輪自動車の運転感覚で、左右一対の走行クローラ(2)を装設したコンバインなどの進路修正及び方向転換などを行える。
【0034】
さらに、図12の旋回出力線図に示す如く、操向ハンドル(19)の切れ角を検出する操向角度センサ(94)入力に対し、直進位置を基準にしてハンドル(19)切れ角が小さい(約0〜10度の範囲)ときにコントローラ(100)から出力させる操向モータ(74)制御出力を大きく変化させ、ハンドル(19)切れ角が大きい(約10〜70度の範囲)ときにコントローラ(100)から出力させる操向モータ(74)制御出力を小さく変化させ、第2油圧ポンプ(26)及びモータ(27)の特性を電気的に補正して小さい切れ角のときにハンドル(19)操作に対して操向モータ(74)制御を敏感にし、低効率となる低出力域での第2油圧ポンプ(26)及びモータ(27)による走行クローラ(2)旋回を機敏に行わせるもので、操向ハンドル(19)の切れ角度が小さいときに操向制御出力の変化を大きくし、畦または作物列に走行進路を一致させる条合せ等の微少進路修正を行わせ、農作業中の直進走行時の操向性能の向上などを図る。
【0035】
また、操向ハンドル(19)の切れ角度が小さいときに敏感な操向制御を行い、操向ハンドル(19)の切れ角度が大きいときに鈍感な操向制御を行い、直進作業時の進路修正を適正に行い、また操向ハンドル(19)の誤操作による過剰進路修正を防止し、高速走行での方向転換などを安定良く行わせると共に、操向ハンドル(19)の操作量に対して第2油圧ポンプ(26)の制御出力を非直線的に変化させ、第2油圧ポンプ(26)の特性または農作業内容などに適応させた操向動作を設定し、操向機能並びに取扱い操作性の向上などを図る。
【0036】
本実施例は上記の如く構成するもので、図13のフローチャートに示す如く、主変速センサ(95)、副変速センサ(97)、操向角度センサ(94)、旋回感度設定器(99)、直進センサ(90)、左右車速センサ(60)(61)からコントローラ(100)に入力させる。そして、副変速レバー(96)が中立のときに旋回出力切制御を行って第2油圧モータ(27)を停止維持し、かつ操向クラッチ(79)を切動作させると共に、副変速高速切換によって図8の旋回出力による路上走行モードで旋回制御を行い、副変速中速切換並びに副変速低速切換によって図10乃至図12の出力線図に基づき主変速制御及び操向制御を行わせるもので、主変速レバー(69)が中立のとき、旋回出力切制御によって第2油圧モータ(27)の出力軸(62)を停止させ、かつ主変速制動制御によって第1油圧モータ(24)の出力軸(31)を停止させると共に、操向ハンドル(19)が直進位置のとき、操向制動制御によって第2油圧モータ(27)の出力軸(62)を停止させる。また、副変速が中速または低速で、主変速が中立以外で、操向ハンドル(19)が直進以外に操作されることにより、主変速センサ(95)入力と操向角度センサ(94)入力によって走行速度(車速)及び操向角度及び操向方向が演算されて決定され、主変速及び操向制御によって変速モータ(70)及び操向モータ(74)を作動させ、左右走行クローラ(2)(2)の駆動速度を変更して条合せ進路修正並びに圃場枕地でのスピンターンによる方向転換を行い、連続的に穀稈を刈取って脱穀する収穫作業を行う。
【0037】
さらに、図14、図15に示す如く、主変速センサ(95)によって切換える電磁変速バルブ(107)と、前記チャージポンプ(68)に変速バルブ(107)を介して接続させる変速シリンダ(108)を設け、図7に示す変速モータ(70)を省き、増速及び減速回路(101)(102)を介してコントローラ(100)に変速バルブ(107)の増速ソレノイド及び減速ソレノイドを接続させ、前記主変速センサ(95)の検出結果に基づき変速バルブ(107)を自動的に切換え、変速シリンダ(108)を作動させて第1油圧ポンプ(23)の斜板(23a)角度を変更させ、第1油圧モータ(24)の出力軸(31)の回転数を無段階に変化させたり、逆転させる走行変速動作を行わせ、また前記斜板(23a)の角度調節動作によって変速バルブ(107)が中立復帰するフィードバック動作を行わせ、主変速レバー(69)の操作量に比例させて前記斜板(23a)角度を変化させ、第1油圧モータ(24)の回転数を変更させる。さらに、操向角度センサ(94)によって切換える電磁操向バルブ(109)と、前記チャージポンプ(68)に操向バルブ(109)を介して接続させる操向シリンダ(110)を設け、図7に示す操向モータ(74)を省き、左及び右旋回回路(104)(105)を介してコントローラ(100)に操向バルブ(109)の左旋回ソレノイド及び右旋回ソレノイドを接続させ、前記操向角度センサ(94)の検出結果に基づき操向バルブ(109)を自動的に切換え、操向シリンダ(110)を作動させて第2油圧ポンプ(26)の斜板(26a)角度を変更させ、第2油圧モータ(27)の出力軸(62)の回転数を無段階に変化させたり、逆転させる左右操向動作を行わせ、走行方向を左右に変更して圃場枕地で方向転換させるスピンターン動作と進路を修正する条合せ動作を行わせる。また前記斜板(26a)の角度調節動作によって操向バルブ(109)が中立復帰するフィードバック動作を行わせ、操向ハンドル(19)の操作量に比例させて前記斜板(26a)角度を変化させ、第2油圧モータ(27)の回転数を変更させる。また、未刈り穀稈列に対する刈取部(8)の位置を検出させる操向センサ(111)と、前記センサ(111)の検出結果に基づき操向バルブ(109)を自動制御する操向回路(112)を設け、操向ハンドル(19)の手動操作による操向角度センサ(94)入力を優先させ乍ら操向センサ(111)入力によって操向シリンダ(110)を作動させ、未刈り穀稈列に沿わせて進路を自動的に修正させ、収穫作業を行わせる。上記のように、変速アクチュエータとして変速モータ(70)または変速シリンダ(108)を用い、操向アクチュエータとして操向モータ(74)または操向シリンダ(110)を用いる。なお、図14において、操向バルブ(109)に電磁比例弁(113)(114)を設け、前記各回路(104)(105)によって比例弁(113)(114)とバルブ(109)を作動させる。
【0038】
【発明の効果】
以上実施例から明らかなように本発明は、変速レバー(69)の手動操作によって左右走行クローラ(2)を同一方向に同一速度で駆動する変速部材(25)と、操向ハンドル(19)の手動操作によって左右走行クローラ(2)を逆方向に同一速度で駆動する操向部材(28)を設けるクローラ作業車において、左右走行クローラ(2)の車速の変更によって左右走行クローラ(2)の操向量を自動的に変化させるように構成し、左右走行クローラ(2)の操向操作量が一定のときに左右走行クローラ(2)の変速出力を変化させても旋回半径を一定に保つように構成し、左右走行クローラ(2)の操向操作量に比例させて左右走行クローラ(2)を減速させると共に、操向操作量に対する減速率を旋回感度設定器(99)を介した手元操作によって変更させるように構成すると共に、旋回感度設定器(99)は、前記変速レバー(69)操作量によって決定される車速を前記操向ハンドル(19)操作量に比例させて減速させ、前記走行クローラ(2)を駆動するエンジン(21)負荷を旋回時に低減させると共に、一方の走行クローラ(2)を中心にもう一方の走行クローラ(2)を旋回させるスピンターン動作に直進動作から連続的に減速させ乍ら移行させると共に、操向ハンドル(19)操作量に対して車速の減速比を変更させて、圃場条件に適した操向動作を得るもので、例えば圃場などの作業条件または運転作業者の熟練度などに応じて操向応答性を変更させ、例えば作物などに沿わせる進路修正並びに圃場枕地で方向転換させるスピンターンなどを適正に行い、旋回操作の簡略化並びに走行性の向上などを図ることができる。その結果、運転作業者に適した操向動作を得ることができる。
【図面の簡単な説明】
【図1】 コンバインの全体側面図。
【図2】 同平面図。
【図3】 走行ミッション部の側面図。
【図4】 変速及び操向駆動説明図。
【図5】 変速及び操向油圧回路図。
【図6】 操向ハンドル部の平面説明図。
【図7】 変速及び操向制御回路図。
【図8】 操向ハンドルと旋回出力を示す線図。
【図9】 操向ハンドルと変速出力を示す線図。
【図10】 操向ハンドルと変速出力を示す線図。
【図11】 主変速レバーと旋回出力を示す線図。
【図12】 操向ハンドルと旋回出力を示す線図。
【図13】 図7の変速操向制御フローチャート。
【図14】 図5の変形例を示す油圧回路図。
【図15】 図7の変形例を示す制御回路図。
【符号の説明】
(2) 走行クローラ
(25) 変速部材
(28) 操向部材
Claims (1)
- 変速レバー(69)の手動操作によって左右走行クローラ(2)を同一方向に同一速度で駆動する変速部材(25)と、操向ハンドル(19)の手動操作によって左右走行クローラ(2)を逆方向に同一速度で駆動する操向部材(28)を設けるクローラ作業車において、
左右走行クローラ(2)の車速の変更によって左右走行クローラ(2)の操向量を自動的に変化させるように構成し、
左右走行クローラ(2)の操向操作量が一定のときに左右走行クローラ(2)の変速出力を変化させても旋回半径を一定に保つように構成し、
左右走行クローラ(2)の操向操作量に比例させて左右走行クローラ(2)を減速させると共に、操向操作量に対する減速率を旋回感度設定器(99)を介した手元操作によって変更させるように構成すると共に、
旋回感度設定器(99)は、前記変速レバー(69)操作量によって決定される車速を前記操向ハンドル(19)操作量に比例させて減速させ、前記走行クローラ(2)を駆動するエンジン(21)負荷を旋回時に低減させると共に、一方の走行クローラ(2)を中心にもう一方の走行クローラ(2)を旋回させるスピンターン動作に直進動作から連続的に減速させ乍ら移行させると共に、操向ハンドル(19)操作量に対して車速の減速比を変更させて、圃場条件に適した操向動作を得るものであることを特徴とするクローラ作業車。
Priority Applications (1)
| Application Number | Priority Date | Filing Date | Title |
|---|---|---|---|
| JP34842099A JP4430181B2 (ja) | 1998-07-10 | 1999-12-08 | クロ―ラ作業車 |
Applications Claiming Priority (2)
| Application Number | Priority Date | Filing Date | Title |
|---|---|---|---|
| JP21194798A JP4097100B2 (ja) | 1998-07-10 | 1998-07-10 | 移動農機 |
| JP34842099A JP4430181B2 (ja) | 1998-07-10 | 1999-12-08 | クロ―ラ作業車 |
Related Parent Applications (1)
| Application Number | Title | Priority Date | Filing Date |
|---|---|---|---|
| JP21194798A Division JP4097100B2 (ja) | 1998-07-10 | 1998-07-10 | 移動農機 |
Publications (2)
| Publication Number | Publication Date |
|---|---|
| JP2000142456A JP2000142456A (ja) | 2000-05-23 |
| JP4430181B2 true JP4430181B2 (ja) | 2010-03-10 |
Family
ID=16614341
Family Applications (2)
| Application Number | Title | Priority Date | Filing Date |
|---|---|---|---|
| JP21194798A Expired - Fee Related JP4097100B2 (ja) | 1998-07-10 | 1998-07-10 | 移動農機 |
| JP34842099A Expired - Fee Related JP4430181B2 (ja) | 1998-07-10 | 1999-12-08 | クロ―ラ作業車 |
Family Applications Before (1)
| Application Number | Title | Priority Date | Filing Date |
|---|---|---|---|
| JP21194798A Expired - Fee Related JP4097100B2 (ja) | 1998-07-10 | 1998-07-10 | 移動農機 |
Country Status (1)
| Country | Link |
|---|---|
| JP (2) | JP4097100B2 (ja) |
Families Citing this family (9)
| Publication number | Priority date | Publication date | Assignee | Title |
|---|---|---|---|---|
| JP4639307B2 (ja) * | 2001-05-31 | 2011-02-23 | 株式会社 神崎高級工機製作所 | 作業車両の動力伝達制御装置 |
| JP4070697B2 (ja) * | 2003-09-30 | 2008-04-02 | 株式会社クボタ | 作業車の旋回制御装置 |
| JP4526086B2 (ja) * | 2006-09-20 | 2010-08-18 | ヤンマー株式会社 | コンバイン |
| JP4526087B2 (ja) * | 2006-09-20 | 2010-08-18 | ヤンマー株式会社 | コンバイン |
| JP5302038B2 (ja) * | 2009-02-13 | 2013-10-02 | ヤンマー株式会社 | コンバイン |
| JP2010007865A (ja) * | 2009-10-16 | 2010-01-14 | Yanmar Co Ltd | 作業車両のhst斜板制御機構 |
| JP5140689B2 (ja) * | 2010-01-06 | 2013-02-06 | 株式会社小松製作所 | 装軌車両の操向制御装置 |
| JP6129046B2 (ja) * | 2013-09-27 | 2017-05-17 | 株式会社クボタ | シリーズハイブリッドコンバイン |
| JP7414759B2 (ja) * | 2021-03-12 | 2024-01-16 | ヤンマーホールディングス株式会社 | 農作業車両 |
-
1998
- 1998-07-10 JP JP21194798A patent/JP4097100B2/ja not_active Expired - Fee Related
-
1999
- 1999-12-08 JP JP34842099A patent/JP4430181B2/ja not_active Expired - Fee Related
Also Published As
| Publication number | Publication date |
|---|---|
| JP4097100B2 (ja) | 2008-06-04 |
| JP2000025641A (ja) | 2000-01-25 |
| JP2000142456A (ja) | 2000-05-23 |
Similar Documents
| Publication | Publication Date | Title |
|---|---|---|
| WO1998032645A1 (en) | Mobile agricultural machine | |
| JP4430181B2 (ja) | クロ―ラ作業車 | |
| JP3998109B2 (ja) | 移動農機 | |
| JP4248715B2 (ja) | クローラ走行車 | |
| JP4390960B2 (ja) | クローラ走行車 | |
| JP2001138944A (ja) | クローラ走行車 | |
| JP3174952B2 (ja) | 移動農機 | |
| JP4485623B2 (ja) | 移動農機 | |
| JP4249197B2 (ja) | 走行クローラの旋回機構 | |
| JP3902343B2 (ja) | 移動農機 | |
| JP4267774B2 (ja) | 移動農機 | |
| JP4112738B2 (ja) | 移動農機 | |
| JP4417498B2 (ja) | クローラ走行車 | |
| JP4422241B2 (ja) | 移動農機 | |
| JP4422254B2 (ja) | クローラ走行車 | |
| JP4248714B2 (ja) | クローラ走行車 | |
| JP4417500B2 (ja) | クローラ走行車 | |
| JP3691703B2 (ja) | 移動農機 | |
| JP3816645B2 (ja) | 移動農機 | |
| JP2001163247A (ja) | クローラ走行車 | |
| JP4313802B2 (ja) | 走行クローラの制御機構 | |
| JP3749358B2 (ja) | 移動農機 | |
| JP3730378B2 (ja) | 移動農機 | |
| JP4248713B2 (ja) | クローラ走行車 | |
| JP3013179B1 (ja) | 移動農機の走行装置 |
Legal Events
| Date | Code | Title | Description |
|---|---|---|---|
| RD04 | Notification of resignation of power of attorney |
Free format text: JAPANESE INTERMEDIATE CODE: A7424 Effective date: 20040610 |
|
| RD04 | Notification of resignation of power of attorney |
Free format text: JAPANESE INTERMEDIATE CODE: A7424 Effective date: 20040810 |
|
| A072 | Dismissal of procedure |
Free format text: JAPANESE INTERMEDIATE CODE: A073 Effective date: 20050222 |
|
| A621 | Written request for application examination |
Free format text: JAPANESE INTERMEDIATE CODE: A621 Effective date: 20050408 |
|
| RD02 | Notification of acceptance of power of attorney |
Free format text: JAPANESE INTERMEDIATE CODE: A7422 Effective date: 20050622 |
|
| A131 | Notification of reasons for refusal |
Free format text: JAPANESE INTERMEDIATE CODE: A131 Effective date: 20070828 |
|
| A521 | Written amendment |
Free format text: JAPANESE INTERMEDIATE CODE: A523 Effective date: 20071029 |
|
| A131 | Notification of reasons for refusal |
Free format text: JAPANESE INTERMEDIATE CODE: A131 Effective date: 20080205 |
|
| A521 | Written amendment |
Free format text: JAPANESE INTERMEDIATE CODE: A523 Effective date: 20080401 |
|
| A02 | Decision of refusal |
Free format text: JAPANESE INTERMEDIATE CODE: A02 Effective date: 20080812 |
|
| A521 | Written amendment |
Free format text: JAPANESE INTERMEDIATE CODE: A523 Effective date: 20081006 |
|
| A911 | Transfer of reconsideration by examiner before appeal (zenchi) |
Free format text: JAPANESE INTERMEDIATE CODE: A911 Effective date: 20081021 |
|
| A912 | Removal of reconsideration by examiner before appeal (zenchi) |
Free format text: JAPANESE INTERMEDIATE CODE: A912 Effective date: 20081121 |
|
| A711 | Notification of change in applicant |
Free format text: JAPANESE INTERMEDIATE CODE: A712 Effective date: 20090618 |
|
| A521 | Written amendment |
Free format text: JAPANESE INTERMEDIATE CODE: A523 Effective date: 20091022 |
|
| A01 | Written decision to grant a patent or to grant a registration (utility model) |
Free format text: JAPANESE INTERMEDIATE CODE: A01 |
|
| A61 | First payment of annual fees (during grant procedure) |
Free format text: JAPANESE INTERMEDIATE CODE: A61 Effective date: 20091217 |
|
| FPAY | Renewal fee payment (prs date is renewal date of database) |
Free format text: PAYMENT UNTIL: 20121225 Year of fee payment: 3 |
|
| R150 | Certificate of patent (=grant) or registration of utility model |
Free format text: JAPANESE INTERMEDIATE CODE: R150 |
|
| FPAY | Renewal fee payment (prs date is renewal date of database) |
Free format text: PAYMENT UNTIL: 20121225 Year of fee payment: 3 |
|
| FPAY | Renewal fee payment (prs date is renewal date of database) |
Free format text: PAYMENT UNTIL: 20131225 Year of fee payment: 4 |
|
| FPAY | Renewal fee payment (prs date is renewal date of database) |
Free format text: PAYMENT UNTIL: 20131225 Year of fee payment: 4 |
|
| S531 | Written request for registration of change of domicile |
Free format text: JAPANESE INTERMEDIATE CODE: R313531 |
|
| FPAY | Renewal fee payment (prs date is renewal date of database) |
Free format text: PAYMENT UNTIL: 20131225 Year of fee payment: 4 |
|
| R350 | Written notification of registration of transfer |
Free format text: JAPANESE INTERMEDIATE CODE: R350 |
|
| FPAY | Renewal fee payment (prs date is renewal date of database) |
Free format text: PAYMENT UNTIL: 20131225 Year of fee payment: 4 |
|
| FPAY | Renewal fee payment (prs date is renewal date of database) |
Free format text: PAYMENT UNTIL: 20141225 Year of fee payment: 5 |
|
| LAPS | Cancellation because of no payment of annual fees |