JP3607042B2 - 圧縮機の運転方法 - Google Patents
圧縮機の運転方法 Download PDFInfo
- Publication number
- JP3607042B2 JP3607042B2 JP14627997A JP14627997A JP3607042B2 JP 3607042 B2 JP3607042 B2 JP 3607042B2 JP 14627997 A JP14627997 A JP 14627997A JP 14627997 A JP14627997 A JP 14627997A JP 3607042 B2 JP3607042 B2 JP 3607042B2
- Authority
- JP
- Japan
- Prior art keywords
- pressure
- operation state
- psl
- established
- relationship
- Prior art date
- Legal status (The legal status is an assumption and is not a legal conclusion. Google has not performed a legal analysis and makes no representation as to the accuracy of the status listed.)
- Expired - Fee Related
Links
- 238000000034 method Methods 0.000 title claims description 30
- 238000011017 operating method Methods 0.000 description 4
- 230000001105 regulatory effect Effects 0.000 description 4
- 238000012937 correction Methods 0.000 description 1
- 238000010586 diagram Methods 0.000 description 1
- 230000000694 effects Effects 0.000 description 1
Images
Classifications
-
- F—MECHANICAL ENGINEERING; LIGHTING; HEATING; WEAPONS; BLASTING
- F04—POSITIVE - DISPLACEMENT MACHINES FOR LIQUIDS; PUMPS FOR LIQUIDS OR ELASTIC FLUIDS
- F04C—ROTARY-PISTON, OR OSCILLATING-PISTON, POSITIVE-DISPLACEMENT MACHINES FOR LIQUIDS; ROTARY-PISTON, OR OSCILLATING-PISTON, POSITIVE-DISPLACEMENT PUMPS
- F04C28/00—Control of, monitoring of, or safety arrangements for, pumps or pumping installations specially adapted for elastic fluids
- F04C28/24—Control of, monitoring of, or safety arrangements for, pumps or pumping installations specially adapted for elastic fluids characterised by using valves controlling pressure or flow rate, e.g. discharge valves or unloading valves
-
- F—MECHANICAL ENGINEERING; LIGHTING; HEATING; WEAPONS; BLASTING
- F04—POSITIVE - DISPLACEMENT MACHINES FOR LIQUIDS; PUMPS FOR LIQUIDS OR ELASTIC FLUIDS
- F04B—POSITIVE-DISPLACEMENT MACHINES FOR LIQUIDS; PUMPS
- F04B49/00—Control, e.g. of pump delivery, or pump pressure of, or safety measures for, machines, pumps, or pumping installations, not otherwise provided for, or of interest apart from, groups F04B1/00 - F04B47/00
- F04B49/08—Regulating by delivery pressure
-
- F—MECHANICAL ENGINEERING; LIGHTING; HEATING; WEAPONS; BLASTING
- F04—POSITIVE - DISPLACEMENT MACHINES FOR LIQUIDS; PUMPS FOR LIQUIDS OR ELASTIC FLUIDS
- F04B—POSITIVE-DISPLACEMENT MACHINES FOR LIQUIDS; PUMPS
- F04B2205/00—Fluid parameters
- F04B2205/16—Opening or closing of a valve in a circuit
-
- F—MECHANICAL ENGINEERING; LIGHTING; HEATING; WEAPONS; BLASTING
- F04—POSITIVE - DISPLACEMENT MACHINES FOR LIQUIDS; PUMPS FOR LIQUIDS OR ELASTIC FLUIDS
- F04B—POSITIVE-DISPLACEMENT MACHINES FOR LIQUIDS; PUMPS
- F04B2207/00—External parameters
- F04B2207/04—Settings
- F04B2207/042—Settings of pressure
- F04B2207/0421—Settings of pressure maximum
-
- F—MECHANICAL ENGINEERING; LIGHTING; HEATING; WEAPONS; BLASTING
- F04—POSITIVE - DISPLACEMENT MACHINES FOR LIQUIDS; PUMPS FOR LIQUIDS OR ELASTIC FLUIDS
- F04B—POSITIVE-DISPLACEMENT MACHINES FOR LIQUIDS; PUMPS
- F04B2207/00—External parameters
- F04B2207/04—Settings
- F04B2207/042—Settings of pressure
- F04B2207/0422—Settings of pressure minimum
-
- F—MECHANICAL ENGINEERING; LIGHTING; HEATING; WEAPONS; BLASTING
- F04—POSITIVE - DISPLACEMENT MACHINES FOR LIQUIDS; PUMPS FOR LIQUIDS OR ELASTIC FLUIDS
- F04B—POSITIVE-DISPLACEMENT MACHINES FOR LIQUIDS; PUMPS
- F04B2207/00—External parameters
- F04B2207/04—Settings
- F04B2207/043—Settings of time
Landscapes
- Engineering & Computer Science (AREA)
- Mechanical Engineering (AREA)
- General Engineering & Computer Science (AREA)
- Physics & Mathematics (AREA)
- Fluid Mechanics (AREA)
- Control Of Positive-Displacement Pumps (AREA)
- Applications Or Details Of Rotary Compressors (AREA)
Description
【発明の属する技術分野】
本発明は、吐出流路の圧力を調節するための圧縮機の運転方法に関するものである。
【0002】
【従来の技術】
従来、吸込流路に設けた吸気調節弁を開閉させることにより、即ちオン/オフさせることにより、吐出流路の圧力、即ち吐出圧力を負荷側で要求される必要最低圧力以上に保ち、かつ必要以上に吐出圧力を高くしないことにより省エネルギ運転を行うようにした圧縮機は公知である(特開平4−159491号公報)。この圧縮機では、吐出圧力(=負荷側に供給されるガスの圧力)が上限設定圧力以上になると吸気調節弁をオフにして圧縮機への吸気ガスの供給を止め、アンロード運転状態にする一方、吐出圧力が下限設定圧力以下になった場合には吸気調節弁をオンにして吸気量を最大の状態、即ちロード運転状態にすることにより、吐出圧力を一定の範囲内の値に保つようになっている。
【0003】
さらに、この圧縮機では、吸気調節弁を頻繁にオン/オフさせることにより寿命が短くなったり、信頼性が低下する部品、例えば電磁弁等の部品を考慮して、オン/オフの時間間隔を設定時間範囲(Δtmin〜Δtmax)内の値にする制御が行われるようになっている。即ち、圧縮機の運転中に、時間tに関しての吐出圧力pの変化率(Δp/Δt)を検出し、上記設定時間範囲内の値になるように上記上限圧力設定値或いは下限圧力設定値の補正が行われるようになっている。したがって、上記変化率(Δp/Δt)の絶対値が大きい程、上、下限圧力設定値の差は大きく、逆に上記絶対値が小さい程、上、下限圧力設定値の差は小さくなる。
【0004】
【発明が解決しようとする課題】
上記従来の圧縮機の運転方法の場合、負荷が変動する場合には、上、下限圧力設定値について、常に補正する必要があり、特に急激な負荷変動がある場合に対応するためには、設定したい周期よりも長い周期を設定する必要があるという問題がある。
また、上記運転方法の場合、アナログ式の圧力検出器および変化率(Δp/Δt)を演算する演算装置が必要になるという問題もある。
本発明は、斯る従来の問題をなくすことを課題としてなされたもので、頻繁なオン/オフの繰り返しによることなく、アナログ式の圧力検出器、演算装置を使うことなく、吐出圧力を負荷側で要求される必要最低圧力以上に保つとともに省エネルギ運転を行うことを可能とした圧縮機の運転方法を提供しようとするものである。
【0005】
【課題を解決するための手段】
上記課題を解決するために、第1発明は、吐出圧力Pdと下限設定圧力PSLとの間でPd≦PSLの関係が成立する場合には、ロード、アンロードのいずれの運転状態にあってもロード運転状態とし、吐出圧力Pdと下限設定圧力PSLとの間でPd>PSLの関係が成立し、かつアンロード運転開始時にスタートさせられるタイマにより示されるカウント時間Tcと設定時間Tsとの間でTc≧Tsの関係が成立する場合には、上記タイマをリセツトした後、このタイマをスタートし、ロード、アンロードのいずれの運転状態にあってもアンロード運転状態とし、吐出圧力Pdと上限設定圧力PSH間でPd≧PSHの関係が成立し、かつ上記カウント時間Tcと設定時間Tsとの間でTc<Tsの関係が成立し、かつロード運転状態にある場合には、上記タイマをリセツトした後、このタイマをスタートし、新たにアンロード運転を開始し、吐出圧力Pdと上限設定圧力PSHとの間でPd≧PSHの関係が成立し、かつ上記カウント時間Tcと設定時間Tsとの間でTc<Tsの関係が成立し、かつアンロード運転状態にある場合には、さらにアンロード運転を続行し、吐出圧力Pdと下限設定圧力PSLと上限設定圧力PSHとの間でPSH>Pd>PSLの関係が成立し、かつ上記カウント時間Tcと設定時間Tsとの間でTc<Tsの関係が成立する場合には、ロード、アンロードいずれかの現運転状態を続行するようにした。
【0006】
また、第2発明は、吐出圧力Pdと下限設定圧力PSLとの間でPd≦PSLの関係が成立し、かつロード運転状態にある場合には、ロード運転開始時にスタートさせられるタイマをリセットした後、このタイマをスタートし、ロード、アンロードのいずれの運転状態にあってもロード運転状態とし、吐出圧力Pdと下限設定圧力PSLとの間でPd≦PSLの関係が成立し、かつアンロード運転状態にある場合には、新たにロード運転を開始し、吐出圧力Pdと上限設定圧力PSHとの間でPd≧PSHの関係が成立する場合には、ロード、アンロードのいずれの運転状態にあってもアンロード運転状態とし、吐出圧力Pdと下限設定圧力PSLと上限設定圧力PSHとの間でPSH>Pd>PSLの関係が成立し、かつ上記カウント時間Tcと設定時間Tsとの間でTc≧Tsの関係が成立する場合する場合には、上記タイマをリセツトし、ロード、アンロードのいずれの運転状態にあってもアンロード運転状態とし、吐出圧力Pdと下限設定圧力PSLと上限設定圧力PSHとの間でPSH>Pd>PSLの関係が成立し、かつ上記カウント時間Tcと設定時間Tsとの間でTc<Tsの関係が成立する場合には、ロード、アンロードいずれかの現運転状態を続行するようにした。
【0007】
【発明の実施の形態】
次に、本発明の実施の一形態を図面にしたがって説明する。
図1は、本発明に係る圧縮機の運転方法が適用される装置の一例を示し、圧縮機1、例えばスクリュ圧縮機の吸込流路2には吸込みフィルタ3および吸気調節弁4が設けられ、吐出流路5には圧力検出可能に圧力検出器6の他にリザーバ7が設けられている。負荷側への圧縮ガスの供給は、このリザーバ7を介して行われる。そして、圧力検出器6により検出した吐出圧力を示す圧力信号は制御装置8に入力され、この吐出圧力に基づいて制御装置8から吸気調節弁4に対して制御信号が出力され、以下に詳述するように、吸気調節弁4のオン/オフ制御が行われるようになっている。
【0008】
次に、この装置に適用される第1発明に係る圧縮機の運転方法について説明する。
この運転方法によれば、圧縮機1の吐出流路5の吐出圧力Pdが予め定めた下限設定圧力PSL以下(Pd≦PSL)の場合には、吸気調節弁4は開の状態となり、圧縮機1はロードされ全負荷運転状態になる一方、吐出圧力Pdが予め定めた上限設定圧力PSH以上(Pd≧PSH)の場合には、吸気調節弁4は閉の状態となり、圧縮機1はアンロードされ無負荷運転状態になる。また、吐出圧力Pdが下限設定圧力PSLと上限設定圧力PSHとの間に保たれている場合(PSL<Pd<PSHの場合)において、圧縮機1をロード運転状態からアンロード運転状態に切り換える場合は、前のアンロード運転状態とその後のアンロード運転状態との間の時間間隔は少なくとも予め定めた設定時間Tsは確保されるようになっている。
【0009】
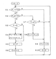
さらに、上述した運転方法を図2を参照して具体的に説明する。
圧縮機1の運転開始と同時に制御装置8による制御がスタートし、まずステップ1(S1)で、吐出圧力Pdが下限設定圧力PSL(例:5.5kg/cm2G)より高いか否か判断され、イエス(Y)の場合はステップ2(S2)に進み、ノー(N)の場合はステップ8(S8)に進む。ここで、下限設定圧力PSLは、負荷側で決定される必要最低圧力、圧縮機1から負荷に至るまでの圧損等を考慮して決められる。
ステップ2で、制御装置8に内蔵されたタイマによるカウント値により決まるカウント時間Tcが設定時間Ts(例:60sec)以上か否か判断され、イエス(Y)の場合はステップ3(S3)に進み、ノー(N)の場合はステップ6(S6)に進む。
【0010】
ステップ3で、タイマのカウント時間Tcを0(Tc=0)にした後、即ちタイマをリセットした後、タイマをスタートさせる。
ステップ4で、アンロード運転を開始する。
ステップ5で、運転状態識別フラグCに1を加算する(C=C+1)。
このステップ1〜5は、吐出圧力Pdが下限設定圧力PSLを超えている場合において、設定時間Ts以上前に最も新しいアンロード運転状態の開始がなされている場合には、タイマのカウントを再スタートをさせるとともに、アンロード運転状態にすることを意味している。即ち、吐出圧力Pdが上限設定圧力PSH以上にならない限り、アンロード運転状態の時間間隔を設定時間Tsよりも短くしないようになっている。
一方、ステップ6では、吐出圧力Pdが上限設定圧力PSH以上か否かが判断され、イエス(Y)の場合はステップ7(S7)に進み、ノー(N)の場合はステップ1に戻る。
【0011】
ステップ7では、運転状態識別フラグCが0であるか否かが判断され、イエス(Y)の場合、ステップ3に進み、ノー(N)の場合、ステップ4に進む。
このステップ6,7は、吐出圧力Pdが下限設定圧力PSLを超えており、最も新しいアンロード運転状態が開始されて設定時間Tsが経過していない可能性があり、かつ吐出圧力Pdが上限設定圧力PSH以上の場合にアンロード運転状態にするに当たって、現状がアンロード運転状態かロード運転状態かによって処理の内容を異ならせるようにしたものである。ここでは、ロード運転状態のときは運転状態識別フラグC=0、アンロード運転状態のときは運転状態識別フラグC≠0となるようにしてあり、運転状態識別フラグC=0のときはロード運転状態をアンロード運転状態に切り換えるにあたって、タイマをリセットした後、再スタートさせ、運転状態識別フラグC≠0のときはさらにアンロード運転を継続させることになる故、タイマに対しては、何もすることなく、アンロード運転状態にするステップに進むようになっている。
【0012】
また、ステップ6で、吐出圧力Pdが上限設定圧力PSHより低い場合には、吐出圧力Pdは、PSL<Pd<PSHの関係を満たす一方、アンロード運転状態の時間間隔が設定時間Tsだけ確保されない故、アンロード運転の新たな開始をしないために、ステップ1に戻り、これ以降のステップに進むようにしてある。次に、ステップ8では、ロード運転状態とし、ステップ9(S9)で運転状態識別フラグCを0に設定した後、ステップ1に戻る。
ステップ9は、上述したように運転状態識別フラグCによりロード運転状態にあることを示すためであり、ステップ8とステップ9の順序は入れ換えてもよい。
【0013】
このように、この圧縮機では、吐出圧力Pdが下限設定圧力PSL以下の場合には、ロード運転状態になり、吐出圧力Pdが下限設定圧力PSLと上限設定圧力PSHとの間に保たれ、かつ最も新しいアンロード運転状態の開始から設定時間Ts以上経過していない場合には、現状を維持し、その他の場合にはアンロード運転状態になるようになっている。そして、前のアンロード運転と次のアンロード運転との時間間隔が設定時間Tsよりも短くならないようになっている。
【0014】
続いて、図1に示す装置に適用される第2発明に係る圧縮機の運転方法について説明する。
この運転方法によれば、圧縮機1の吐出流路5の吐出圧力Pdが予め定めた下限設定圧力PSL以下(Pd≦PSL)の場合には、吸気調節弁4は開の状態となり、圧縮機1はロードされ全負荷運転状態になる一方、吐出圧力Pdが予め定めた上限設定圧力PSH以上(Pd≧PSH)の場合には、吸気調節弁4は閉の状態となり、圧縮機1はアンロードされ無負荷運転状態になる。また、吐出圧力Pdが下限設定圧力PSLと上限設定圧力PSHとの間に保たれている場合(PSL<Pd<PSHの場合)において、圧縮機1をロード運転状態からアンロード運転状態に切り換える場合には、少なくとも設定時間Tsの長さのロード運転状態が確保されるようになっている。
【0015】
さらに、上述した運転方法を図3を参照して具体的に説明する。
圧縮機1の運転開始と同時に制御装置8による制御がスタートし、まずステップ1(S1)で、吐出圧力Pdが上限設定圧力PSHより低いか否か判断され、イエス(Y)の場合はステップ2(S2)に進み、ノー(N)の場合はステップ9(S9)に進む。
ステップ2で、吐出圧力Pdが下限設定圧力PSL(例:5.5kg/cm2G)以下か否か判断され、イエス(Y)の場合はステップ3(S3)に進み、ノー(N)の場合はステップ7(S7)に進む。ここで、下限設定圧力PSLは、上述したように負荷側で決定される必要最低圧力、圧縮機1から負荷に至るまでの圧損等を考慮して決められる。
【0016】
ステップ3で、運転状態識別フラグCが0であるか否かが判断され、イエス(Y)の場合はステップ4(S4)に進み、ノー(N)の場合はステップ5(S5)に進む。
ステップ4で、タイマのカウント時間Tcを0(Tc=0)にした後、即ちタイマをリセットした後、タイマをスタートさせる。
このステップ3,4では、吐出圧力Pdが下限設定圧力PSL以下になっており、無条件にロード運転状態にする場合において、運転状態識別フラグCがゼロか否か判断することにより、既にロード運転状態になっているか、否かを判断し、ロード運転状態にない場合、即ちアンロード運転状態にある場合にのみタイマをリセットしてカウントを開始させるようになっている。
ステップ5で、ロード運転状態とし、ステップ6(S6)で運転状態識別フラグCに1を加算して(C=C+1)、ステップ1に戻る。
ステップ7(S7)で、制御装置8に内蔵されたタイマによるカウント値に基づき決まるカウント時間Tcが設定時間Ts(例:60sec)以上か否か判断され、イエス(Y)の場合はステップ8(S8)に進み、ノー(N)の場合はステップ1に戻る。
【0017】
ステップ8で、タイマのカウント値Tcを0(Tc=0)にした後、ステップ9に進む。
ステップ9で、アンロード運転を開始する。
このステップ2に続くステップ7〜9は、吐出圧力Pdが下限設定圧力PSLと上限設定圧力PSHとの間に保たれている場合において、最も新しいロード運転状態の開始が行われて設定時間Ts以上経過している場合には、タイマをリセットするとともに、アンロード運転を開始することを意味している。
また、吐出圧力Pdは上限設定圧力PSHと下限設定圧力PSLとの間に保たれ、タイマによるのカウント時間Tcが設定時間Tsより短い場合には、現状を維持すればよい故、ステップ1に戻り、これ以降のステップに進むようになっている。
ステップ10(S10)で、運転状態識別フラグCを0に設定し、その後ステップ1に戻る。
【0018】
このように、吐出圧力Pdが上限設定圧力PSH以上の場合には、無条件にアンロード運転状態とし、吐出圧力Pdが下限設定圧力PSL以下の場合には、無条件にロード運転状態とし、アンロード運転状態にした場合には、運転状態識別フラグC=0とし、ロード運転状態にした場合には、運転状態識別フラグC≠0とするようにしてある。
また、アンロード運転状態からロード運転状態に切り換える場合には、タイマをリセットした後、カウントを開始させる一方、吐出圧力Pdが上限設定圧力PSHより低く、かつ下限設定圧力PSLより高く保たれている場合において、ロード運転状態が設定時間Ts以上続けば、アンロード運転状態に切り換えるようにしてある。逆に言えば、吐出圧力Pdが下限設定圧力PSLと上限設定圧力PSHとの間に保たれている場合でも、ロード運転状態からアンロード運転状態への切り換えは、ロード運転開始から少なくとも設定時間Tsの間は行われない。
【0019】
このように、この圧縮機では、吐出圧力Pdが下限設定圧力PSL以下の場合には、ロード運転状態になり、吐出圧力PdがPSL<Pd<PSHの関係を満たし、かつ最も新しいロード運転状態の開始から設定時間Tsが経過していない場合には、現状を維持し、その他の場合にはアンロード運転状態になるようになっている。そして、ロード運転状態が少なくとも設定時間Tsの長さだけ確保されるようになっている。
【0020】
【発明の効果】
以上の説明より明らかなように、第1発明によれば、吐出圧力Pdと下限設定圧力PSLとの間でPd≦PSLの関係が成立する場合には、ロード、アンロードのいずれの運転状態にあってもロード運転状態とし、吐出圧力Pdと下限設定圧力PSLとの間でPd>PSLの関係が成立し、かつアンロード運転開始時にスタートさせられるタイマにより示されるカウント時間Tcと設定時間Tsとの間でTc≧Tsの関係が成立する場合には、上記タイマをリセツトした後、このタイマをスタートし、ロード、アンロードのいずれの運転状態にあってもアンロード運転状態とし、吐出圧力Pdと上限設定圧力PSH間でPd≧PSHの関係が成立し、かつ上記カウント時間Tcと設定時間Tsとの間でTc<Tsの関係が成立し、かつロード運転状態にある場合には、上記タイマをリセツトした後、このタイマをスタートし、新たにアンロード運転を開始し、吐出圧力Pdと上限設定圧力PSHとの間でPd≧PSHの関係が成立し、かつ上記カウント時間Tcと設定時間Tsとの間でTc<Tsの関係が成立し、かつアンロード運転状態にある場合には、さらにアンロード運転を続行し、吐出圧力Pdと下限設定圧力PSLと上限設定圧力PSHとの間でPSH>Pd>PSLの関係が成立し、かつ上記カウント時間Tcと設定時間Tsとの間でTc<Tsの関係が成立する場合には、ロード、アンロードいずれかの現運転状態を続行するようにしてある。
【0021】
また、第2発明によれば、吐出圧力Pdと下限設定圧力PSLとの間でPd≦PSLの関係が成立し、かつロード運転状態にある場合には、ロード運転開始時にスタートさせられるタイマをリセットした後、このタイマをスタートし、ロード、アンロードのいずれの運転状態にあってもロード運転状態とし、吐出圧力Pdと下限設定圧力PSLとの間でPd≦PSLの関係が成立し、かつアンロード運転状態にある場合には、新たにロード運転を開始し、吐出圧力Pdと上限設定圧力PSHとの間でPd≧PSHの関係が成立する場合には、ロード、アンロードのいずれの運転状態にあってもアンロード運転状態とし、吐出圧力Pdと下限設定圧力PSLと上限設定圧力PSHとの間でPSH>Pd>PSLの関係が成立し、かつ上記カウント時間Tcと設定時間Tsとの間でTc≧Tsの関係が成立する場合する場合には、上記タイマをリセツトし、ロード、アンロードのいずれの運転状態にあってもアンロード運転状態とし、吐出圧力Pdと下限設定圧力PSLと上限設定圧力PSHとの間でPSH>Pd>PSLの関係が成立し、かつ上記カウント時間Tcと設定時間Tsとの間でTc<Tsの関係が成立する場合には、ロード、アンロードいずれかの現運転状態を続行するようにしてある。
【0022】
このため、頻繁なオン/オフの繰り返しによることなく、アナログ式の圧力検出器、演算装置を使うことなく、吐出圧力を負荷側で要求される必要最低圧力以上に保つとともに省エネルギ運転を行うことが可能になり、上記繰り返しにより耐久性が低下する部品に要求される寿命を長くすることが可能になる等の効果を奏する。
【図面の簡単な説明】
【図1】本発明に係る運転方法が適用される圧縮機の概略を示す図である。
【図2】第1発明に係る運転方法を示すフローチャートである。
【図3】第2発明に係る運転方法を示すフローチャートである。
【符号の説明】
1 圧縮機 2 吸込流路
3 吸込みフィルタ 4 吸気調節弁
5 吐出流路 6 圧力検出器
7 リザーバ 8 制御装置
Claims (2)
- 吐出圧力Pdと下限設定圧力PSLとの間でPd≦PSLの関係が成立する場合には、ロード、アンロードのいずれの運転状態にあってもロード運転状態とし、
吐出圧力Pdと下限設定圧力PSLとの間でPd>PSLの関係が成立し、かつアンロード運転開始時にスタートさせられるタイマにより示されるカウント時間Tcと設定時間Tsとの間でTc≧Tsの関係が成立する場合には、上記タイマをリセットした後、このタイマをスタートし、ロード、アンロードのいずれの運転状態にあってもアンロード運転状態とし、
吐出圧力Pdと上限設定圧力PSH間でPd≧PSHの関係が成立し、かつ上記カウント時間Tcと設定時間Tsとの間でTc<Tsの関係が成立し、かつロード運転状態にある場合には、上記タイマをリセットした後、このタイマをスタートし、新たにアンロード運転を開始し、
吐出圧力Pdと上限設定圧力PSHとの間でPd≧PSHの関係が成立し、かつ上記カウント時間Tcと設定時間Tsとの間でTc<Tsの関係が成立し、かつアンロード運転状態にある場合には、さらにアンロード運転を続行し、
吐出圧力Pdと下限設定圧力PSLと上限設定圧力PSHとの間でPSH>Pd>PSLの関係が成立し、かつ上記カウント時間Tcと設定時間Tsとの間でTc<Tsの関係が成立する場合には、ロード、アンロードいずれかの現運転状態を続行することを特徴とする圧縮機の運転方法。 - 吐出圧力Pdと下限設定圧力PSLとの間でPd≦PSLの関係が成立し、かつロード運転状態にある場合には、ロード運転開始時にスタートさせられるタイマをリセットした後、このタイマをスタートし、ロード、アンロードのいずれの運転状態にあってもロード運転状態とし、
吐出圧力Pdと下限設定圧力PSLとの間でPd≦PSLの関係が成立し、かつアンロード運転状態にある場合には、新たにロード運転を開始し、
吐出圧力Pdと上限設定圧力PSHとの間でPd≧PSHの関係が成立する場合には、ロード、アンロードのいずれの運転状態にあってもアンロード運転状態とし、
吐出圧力Pdと下限設定圧力PSLと上限設定圧力PSHとの間でPSH>Pd>PSLの関係が成立し、かつ上記カウント時間Tcと設定時間Tsとの間でTc≧Tsの関係が成立する場合には、上記タイマをリセットし、ロード、アンロードのいずれの運転状態にあってもアンロード運転状態とし、
吐出圧力Pdと下限設定圧力PSLと上限設定圧力PSHとの間でPSH>Pd>PSLの関係が成立し、かつ上記カウント時間Tcと設定時間Tsとの間でTc<Tsの関係が成立する場合には、ロード、アンロードいずれかの現運転状態を続行することを特徴とすることを特徴とする圧縮機の運転方法。
Priority Applications (3)
| Application Number | Priority Date | Filing Date | Title |
|---|---|---|---|
| JP14627997A JP3607042B2 (ja) | 1997-06-04 | 1997-06-04 | 圧縮機の運転方法 |
| GB9811523A GB2325994B (en) | 1997-06-04 | 1998-05-28 | Compressor |
| US09/086,576 US6174137B1 (en) | 1997-06-04 | 1998-05-29 | Compressor having load control |
Applications Claiming Priority (1)
| Application Number | Priority Date | Filing Date | Title |
|---|---|---|---|
| JP14627997A JP3607042B2 (ja) | 1997-06-04 | 1997-06-04 | 圧縮機の運転方法 |
Publications (2)
| Publication Number | Publication Date |
|---|---|
| JPH10339287A JPH10339287A (ja) | 1998-12-22 |
| JP3607042B2 true JP3607042B2 (ja) | 2005-01-05 |
Family
ID=15404135
Family Applications (1)
| Application Number | Title | Priority Date | Filing Date |
|---|---|---|---|
| JP14627997A Expired - Fee Related JP3607042B2 (ja) | 1997-06-04 | 1997-06-04 | 圧縮機の運転方法 |
Country Status (3)
| Country | Link |
|---|---|
| US (1) | US6174137B1 (ja) |
| JP (1) | JP3607042B2 (ja) |
| GB (1) | GB2325994B (ja) |
Cited By (1)
| Publication number | Priority date | Publication date | Assignee | Title |
|---|---|---|---|---|
| US9175687B2 (en) | 2011-11-17 | 2015-11-03 | Kobe Steel, Ltd. | Compression apparatus |
Families Citing this family (11)
| Publication number | Priority date | Publication date | Assignee | Title |
|---|---|---|---|---|
| US5713724A (en) * | 1994-11-23 | 1998-02-03 | Coltec Industries Inc. | System and methods for controlling rotary screw compressors |
| US6379122B1 (en) * | 1999-11-10 | 2002-04-30 | Ingersoll-Rand Company | System and method for automatic thermal protection of a fluid compressing system |
| JP3837278B2 (ja) | 2000-08-10 | 2006-10-25 | 株式会社神戸製鋼所 | 圧縮機の運転方法 |
| JP3751208B2 (ja) | 2001-02-23 | 2006-03-01 | 株式会社神戸製鋼所 | 多段可変速圧縮機の制御方法 |
| JP5203117B2 (ja) * | 2008-10-02 | 2013-06-05 | 北越工業株式会社 | 空気圧縮機のドレン排出方法及びドレン排出機構 |
| JP5224474B2 (ja) * | 2009-12-02 | 2013-07-03 | アネスト岩田株式会社 | 圧縮機の容量制御方法及び圧縮装置 |
| US20130121843A1 (en) * | 2011-11-11 | 2013-05-16 | Thermo King Corporation | Compressor digital control failure shutdown algorithm |
| JP6220303B2 (ja) * | 2014-03-27 | 2017-10-25 | 株式会社神戸製鋼所 | 圧縮装置および圧縮装置の制御方法 |
| CN105673470B (zh) * | 2016-03-24 | 2017-08-29 | 江苏中科君达物联网股份有限公司 | 压缩机运转压力调整提示装置 |
| CN110906501A (zh) * | 2019-12-11 | 2020-03-24 | 宁波奥克斯电气股份有限公司 | 一种控制方法、系统及空调器 |
| TWI767693B (zh) * | 2021-05-10 | 2022-06-11 | 復盛股份有限公司 | 流體機械及其控制方法 |
Family Cites Families (5)
| Publication number | Priority date | Publication date | Assignee | Title |
|---|---|---|---|---|
| US3961862A (en) * | 1975-04-24 | 1976-06-08 | Gardner-Denver Company | Compressor control system |
| SE396445B (sv) * | 1975-06-23 | 1977-09-19 | Atlas Copco Ab | Forfarande och en anordning for reglering av trycket hos ett arbetsmedium levererat av en av en drivmotor deriven kompressor |
| US4068980A (en) * | 1976-10-01 | 1978-01-17 | Gardner-Denver Company | Compressor startup control |
| US4249866A (en) * | 1978-03-01 | 1981-02-10 | Dunham-Bush, Inc. | Control system for screw compressor |
| JP3125794B2 (ja) * | 1990-10-24 | 2001-01-22 | 株式会社日立製作所 | スクリュー圧縮機の容量制御方法及び装置 |
-
1997
- 1997-06-04 JP JP14627997A patent/JP3607042B2/ja not_active Expired - Fee Related
-
1998
- 1998-05-28 GB GB9811523A patent/GB2325994B/en not_active Expired - Fee Related
- 1998-05-29 US US09/086,576 patent/US6174137B1/en not_active Expired - Lifetime
Cited By (1)
| Publication number | Priority date | Publication date | Assignee | Title |
|---|---|---|---|---|
| US9175687B2 (en) | 2011-11-17 | 2015-11-03 | Kobe Steel, Ltd. | Compression apparatus |
Also Published As
| Publication number | Publication date |
|---|---|
| JPH10339287A (ja) | 1998-12-22 |
| GB9811523D0 (en) | 1998-07-29 |
| GB2325994B (en) | 1999-08-04 |
| US6174137B1 (en) | 2001-01-16 |
| GB2325994A (en) | 1998-12-09 |
Similar Documents
| Publication | Publication Date | Title |
|---|---|---|
| JP3607042B2 (ja) | 圧縮機の運転方法 | |
| JP2754079B2 (ja) | コンプレッサシステムの制御方法及び制御装置 | |
| US7722331B2 (en) | Control system for air-compressing apparatus | |
| US6041605A (en) | Compressor protection | |
| US4149827A (en) | Method and apparatus for controlling operation of a compressor | |
| JP3125794B2 (ja) | スクリュー圧縮機の容量制御方法及び装置 | |
| JP2009156208A (ja) | 圧縮機の制御装置 | |
| JP5205032B2 (ja) | 空気圧縮装置および空気圧縮機本体の制御装置 | |
| JP2002063946A (ja) | 電気自動車用バッテリシステムの結露防止装置 | |
| JP3404492B2 (ja) | 圧縮機運転制御方法及び圧縮機運転制御装置 | |
| JP2756584B2 (ja) | 圧縮機の自動発停運転方法 | |
| JP2968189B2 (ja) | 圧縮機の運転方法 | |
| JP2737207B2 (ja) | コンプレッサ自動発停方法 | |
| JP2006322681A (ja) | コンプレッサの運転制御装置及び運転制御方法 | |
| JP2737254B2 (ja) | コンプレッサの容量制御切換方法 | |
| JPH0663505B2 (ja) | 空気圧縮機 | |
| JP2001050188A (ja) | 加圧給水装置とその運転方法 | |
| JP5896965B2 (ja) | 圧縮機およびその圧力制御方法 | |
| JPH0658112B2 (ja) | 圧縮機の台数制御装置 | |
| JP2715470B2 (ja) | コンプレッサ自動発停装置 | |
| KR100342774B1 (ko) | 차량의에어콘동작시압축기의과부하방지장치및방법 | |
| JPS6252225B2 (ja) | ||
| JPH04106384A (ja) | 冷蔵庫の運転制御方法 | |
| JPH07103201A (ja) | 油圧供給装置 | |
| JPH0395338A (ja) | 空気調和機の除霜制御装置 |
Legal Events
| Date | Code | Title | Description |
|---|---|---|---|
| TRDD | Decision of grant or rejection written | ||
| A01 | Written decision to grant a patent or to grant a registration (utility model) |
Free format text: JAPANESE INTERMEDIATE CODE: A01 Effective date: 20040928 |
|
| A61 | First payment of annual fees (during grant procedure) |
Free format text: JAPANESE INTERMEDIATE CODE: A61 Effective date: 20041006 |
|
| R150 | Certificate of patent or registration of utility model |
Free format text: JAPANESE INTERMEDIATE CODE: R150 |
|
| FPAY | Renewal fee payment (event date is renewal date of database) |
Free format text: PAYMENT UNTIL: 20081015 Year of fee payment: 4 |
|
| FPAY | Renewal fee payment (event date is renewal date of database) |
Free format text: PAYMENT UNTIL: 20081015 Year of fee payment: 4 |
|
| FPAY | Renewal fee payment (event date is renewal date of database) |
Free format text: PAYMENT UNTIL: 20091015 Year of fee payment: 5 |
|
| FPAY | Renewal fee payment (event date is renewal date of database) |
Free format text: PAYMENT UNTIL: 20091015 Year of fee payment: 5 |
|
| FPAY | Renewal fee payment (event date is renewal date of database) |
Free format text: PAYMENT UNTIL: 20101015 Year of fee payment: 6 |
|
| FPAY | Renewal fee payment (event date is renewal date of database) |
Free format text: PAYMENT UNTIL: 20111015 Year of fee payment: 7 |
|
| FPAY | Renewal fee payment (event date is renewal date of database) |
Free format text: PAYMENT UNTIL: 20111015 Year of fee payment: 7 |
|
| FPAY | Renewal fee payment (event date is renewal date of database) |
Free format text: PAYMENT UNTIL: 20121015 Year of fee payment: 8 |
|
| FPAY | Renewal fee payment (event date is renewal date of database) |
Free format text: PAYMENT UNTIL: 20131015 Year of fee payment: 9 |
|
| LAPS | Cancellation because of no payment of annual fees |