JP3604557B2 - 油圧制御装置 - Google Patents
油圧制御装置 Download PDFInfo
- Publication number
- JP3604557B2 JP3604557B2 JP08778498A JP8778498A JP3604557B2 JP 3604557 B2 JP3604557 B2 JP 3604557B2 JP 08778498 A JP08778498 A JP 08778498A JP 8778498 A JP8778498 A JP 8778498A JP 3604557 B2 JP3604557 B2 JP 3604557B2
- Authority
- JP
- Japan
- Prior art keywords
- spool
- pressure
- chamber
- switching
- passage
- Prior art date
- Legal status (The legal status is an assumption and is not a legal conclusion. Google has not performed a legal analysis and makes no representation as to the accuracy of the status listed.)
- Expired - Lifetime
Links
- 238000004891 communication Methods 0.000 claims description 69
- 230000007935 neutral effect Effects 0.000 claims description 14
- 230000000903 blocking effect Effects 0.000 claims description 4
- 230000004044 response Effects 0.000 claims description 3
- 239000003921 oil Substances 0.000 description 82
- 238000006073 displacement reaction Methods 0.000 description 19
- 230000000694 effects Effects 0.000 description 5
- 230000004043 responsiveness Effects 0.000 description 5
- 239000010720 hydraulic oil Substances 0.000 description 4
- 238000011144 upstream manufacturing Methods 0.000 description 3
- 238000007599 discharging Methods 0.000 description 2
- 239000012530 fluid Substances 0.000 description 2
- 238000000034 method Methods 0.000 description 2
- 238000010276 construction Methods 0.000 description 1
- 230000007423 decrease Effects 0.000 description 1
- 230000004048 modification Effects 0.000 description 1
- 238000012986 modification Methods 0.000 description 1
Images
Landscapes
- Fluid-Pressure Circuits (AREA)
- Fluid-Driven Valves (AREA)
Description
【発明の属する技術分野】
本発明は、建設機械等に適用される油圧バルブ等の油圧制御装置に係り、特に圧力損失が少なく応答性が良好にして安定性および複合操作性に優れた油圧制御装置に関するものである。
【0002】
【従来の技術】
従来、この種の油圧制御装置として、例えば図8に示す構成からなる油圧制御弁が知られている。
【0003】
すなわち、図8に示す油圧制御弁は、バルブボディ10内に切換スプール12を内蔵し、油圧ポンプの供給通路14からの圧油を、シリンダポート16aまたは16bへ供給するに際し、前記切換スプール12のバルブボディ10に対する相対移動に伴い、供給通路14から油室18への通路が開口され、これにより油室18へ流入した圧油は、油室20に至り、前記切換スプール12が中立位置にある時は、前記油室20とこの下流にあってシリンダポート16aまたは16bに至る通路22、22とを遮断しているプランジャ24を、図において上方へ移動させた後、前記通路22、22へ流入して前記シリンダポート16aまたは16bへ流出するように構成されている。
【0004】
また、前記プランジャ24の背室25には、このプランジャ24に作用する圧油が、油室20から通路22へ通過するに際し、前記プランジャ24を圧力補償手段として作用させるように、ほぼ一定の圧力降下を生じさせているため、また前記プランジャ24の確実な作動を行なわせるため、ばね26を設けて、このばね26の弾力により前記プランジャ24が油室20と通路22とを遮断するように構成されている。なお、このばね26がない場合には、前記プランジャ24の平衡する位置が定まらず、圧力補償機能を安定化することが困難である。
【0005】
また、前記プランジャ24の背室25は、連通路28を介して外部に接続されており、さらにこの連通路28は適宜絞りを介してタンク回路29に接続されている。
【0006】
なお、前記以外の公知の油圧制御弁においても、油圧ポンプの供給通路からシリンダポートへ圧油を供給する場合において、圧油の流入する通路上に圧力補償弁としての可動部材を設け、この可動部材の前後にほぼ一定の圧力降下を発生させるために、前記可動部材に対して前記供給通路からシリンダポートへの通路を遮断するように、ばね力を作用させる構成とすることが知られている。
【0007】
【発明が解決しようとする課題】
しかしながら、前述した従来の油圧制御弁においては、改善されるべき種々の問題が残されている。
【0008】
すなわち、前記従来技術においては、全て油圧ポンプの供給通路とシリンダポートの間において、圧力補償弁が設けられており、かつこれらの圧力補償弁は、加圧流体が作用しない状態では、前述した油圧ポンプの供給通路からシリンダポートへ圧油を供給する通路を遮断するように、ばね力を作用させている。従って、切換スプールが操作され、圧油がシリンダポートへ流入する際には、常にばね力に対向して前記圧力補償弁を開口させなければならない。また、前記圧力補償弁としての機能を持たせるためには、前記ばね力は、微弱ではない値を有しており、従って常にこのばね力に相当する圧力損失を伴うことから、省エネルギー上において問題がある。
【0009】
さらに、前記図8に示す構成からなる油圧制御弁において、プランジャの背室は、適宜絞りを介してタンク回路に接続されているが、切換スプールが非作動状態では、前記圧力補償弁は油圧ポンプの供給通路からシリンダポートへ圧油を供給する通路を遮断している。従って、この油圧制御弁が寒冷地等で使用される際には、作動油の粘度が非常に高い状態で急始動される場合において、前記圧力補償弁の弁室内の作動油は前記絞りを経て外部へ排出されるので、この排出に際して多少の時間を要するため、前記圧力補償弁としてのプランジャが移動してその前後の通路が開口するには、応答遅れが発生する惧れがある。
【0010】
なお、この場合、前記絞りの開度を大きく設定すれば、応答性は改善されるが、前記圧力補償弁に十分な性能を維持させるためには、前記絞りからの排出油が多くなり、システムとしての省エネルギー上において問題がある。
【0011】
しかも、2つのスプールを同時操作する場合には、全ての圧力補償弁が、閉鎖位置と開放位置の中間位置で、それぞれ平衡しなければならないため、相互の影響を受け易く、安定性に対して十分な配慮をする必要がある。
【0012】
そこで、本発明者は、鋭意研究ならび検討を重ねた結果、バルブボディ内に複数の切換スプールと、これら切換スプールの少なくとも一部に対応して逆止弁とを設け、各切換弁に対して共通の圧油供給通路からの圧油を、前記切換スプールの移動によって、この切換スプールが中立位置にある時は閉鎖状態に維持し、中立からの移動に従い開度の調整される前記切換スプールの開口部を介してシリンダポートに供給するように構成すると共に、前記切換スプールの開口部とシリンダポートとの間に前記逆止弁を配置した構成からなる油圧制御弁において、前記各切換スプールの開口部とシリンダポートとの間に、その間の通路の開度を調整する流量調整手段をそれぞれ設けると共に、これらの流量調整手段を相互に連通接続する連通路を設け、前記各流量調整手段にばね力を作用させて、切換スプールが中立位置にある場合、あるいは単独操作した場合、および複数の切換スプールを同時操作したときに、一方の切換スプールの開口部とシリンダポート間の第1の圧力が、同時操作された他方の切換スプールの開口部とシリンダポート間の第2の圧力より高い場合または等しい場合には、前記切換スプールの開口部とシリンダポートとの間の通路の開度を最大に維持し、また前記第1の圧力が同時操作された他方の切換スプールの第2の圧力より低い場合には、前記第2の圧力が前記連通路を介して一方の切換スプールの流量調整手段に対して前記ばね力および第1の圧力に対向して作用して、前記一方の切換スプールの通路の開度を閉方向に調整するように構成すれば、前記各切換スプールの開口部とシリンダポートとの間の通路が最少限の開度を維持して、高負荷側の圧力と軽負荷側の圧力との差が大きい場合でも、高負荷側の圧力によって軽負荷側の通路が遮断されることなく、しかも機械的なストローク制限手段を必要とすることなく、省エネルギーで応答性に優れた油圧制御装置を得ることができることを突き止めた。
【0013】
従って、本発明の目的は、構造が比較的簡単にして、省エネルギーで応答性に優れ、しかも複合操作に際しての操作性および安定性に優れた油圧制御装置を提供することにある。
【0014】
【課題を解決するための手段】
前記目的を達成するため、本発明に係る油圧制御装置は、バルブボディ内に複数の切換スプールと、これら切換スプールの少なくとも一部に対応して逆止弁とを設け、各切換弁に対して共通の圧油供給通路からの圧油を、前記切換スプールの移動によって、この切換スプールが中立位置にある時は閉鎖状態に維持し、中立からの移動に従い開度の調整される前記切換スプールの開口部を介してシリンダポートに供給するように構成すると共に、前記切換スプールの開口部とシリンダポートとの間に前記逆止弁を配置してなる油圧制御装置であって、前記各切換スプールの開口部とシリンダポートとの間に、その間の通路の開度を調整する流量調整手段をそれぞれ設けると共に、これらの流量調整手段を相互に連通接続する連通路を設け、前記各流量調整手段にばね力を作用させて、切換スプールが中立位置にある場合、あるいは単独操作した場合、および複数の切換スプールを同時操作したときに、一方の切換スプールの開口部とシリンダポート間の第1の圧力が、同時操作された他方の切換スプールの開口部とシリンダポート間の第2の圧力より高い場合または等しい場合には、前記切換スプールの開口部とシリンダポートとの間の通路の開度を最大に維持し、前記第1の圧力が同時操作された他方の切換スプールの第2の圧力より低い場合には、前記第2の圧力が前記連通路を介して一方の切換スプールの流量調整手段に対して前記ばね力および第1の圧力に対向して作用し、前記一方の切換スプールの通路の開度を閉方向に調整するように構成する油圧制御装置において、前記各流量調整手段は、その一方を各切換スプールの開口部とシリンダポートとの間に形成した前室に開口すると共に、他方をそれぞれ独立した背室に開口してなるスプールからなり、前記各前室をこの前室への圧油の流れが阻止される向きに設けた逆止弁を介して各連通路および背室に連通接続し、背室には前記スプールを前記切換スプールの開口部とシリンダポートとの間の通路の開度を開放する向きに作用するばね手段を設けた構成とすることができる。
【0016】
この場合、前記流量調整手段のスプール中に逆止弁を内蔵することができる。
【0017】
また、前記各流量調整手段のスプールの背室と前室との間に連通路を設け、この連通路に対して前記スプールの側面に設けた中間室にスプール内通路を開口し、連通路の圧力が、前記前室の圧力と前記スプールを開放位置に保持するばね力との和を越える際、前記スプールの最大ストロークを制限するように前記中間室とスプール内通路との間で背室への開口を制限するよう構成することができる。
【0018】
さらに、前記各流量調整手段のスプールの背室と前室との間に連通路を設け、この連通路に対し前記スプールの側面に設けた中間室から前室および背室にそれぞれ独立して通路を開口し、さらに前記前室からは前記開口と前室との間に絞りを設け、前記連通路と前室の圧力差の増加に応じて前記スプールが移動した際、連通路に接続する中間室と前室との連通を遮断しつつ中間室と前室との開口を制限するように構成することができる。
【0019】
一方、前記各流量調整手段のスプールの背室と前室との間に第1および第2の連通路を設け、第1の連通路に対し前記各スプールの側面に、そのスプール内に設けた逆止弁を介して前記前室と連通する通路を開口させ、さらに前記各スプールの背室と連通する独立した第2の連通路を設け、前記各背室は前記第2の連通路によってのみ外部と接続し、前記第2の連通路には前記第1の連通路内の圧力を制御圧とする減圧弁の2次圧力を作用させるように構成することもできる。
【0020】
この場合、前記減圧弁の2次圧力を外部信号により調整するように構成することができる。
【0021】
また、前記切換スプールは、クローズドセンタ型の油圧制御装置として構成することもできる。
【0022】
さらに、前記切換スプールは、オープンセンタ型の油圧制御装置として構成しすることができる。
【0023】
この場合、前記可変容量ポンプにより圧油を供給するように構成し、複数の切換弁のセンタバイパスの最下流側に圧力発生手段を設け、前記圧力発生手段の上流側圧力に応じて前記可変容量ポンプの吐出流量をネガティブ流量制御により調整するよう構成することができる。
【0024】
また、前記可変容量ポンプにより圧油を供給するように構成し、複数の切換弁の切換スプールを操作するパイロットバルブを設け、このパイロットバルブを操作する操作信号に応じて前記可変容量ポンプの吐出流量をポジティブ流量制御により調整するよう構成することもできる。
【0025】
【発明の実施の形態】
次に、本発明に係る油圧制御装置の実施例につき、添付図面を参照しながら以下詳細に説明する。
【0026】
実施例1
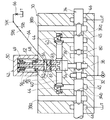
図1は、本発明に係る油圧制御装置の一実施例を示すものである。すなわち、図1において、参照符号30はバルブボディを示し、このバルブボディ30は、可変容量ポンプPからの圧油の供給を受ける共通の圧油供給通路32と、切換スプール34と、この切換スプール34の移動により圧油供給通路32からの圧油の供給を受ける油室36と、シリンダポート38a、38bと、前記油室36からシリンダポート38aまたは38bへの通路40、40の途中に設けられた流量調整手段42と、逆止弁44、44と、前記切換スプール34の移動によりシリンダポート38a、38bの圧油をタンクTへ排出するタンクポート46とをそれぞれ内蔵した構成からなる。
【0027】
しかるに、前記流量調整手段42は、スプール48とばね49とを備え、その中立位置において、ばね49はスプール48に対して油室36からシリンダポート38a、38bへ連通する通路39を開放する側にこれを保持している。このスプール48は、カバー50により囲繞するすると共に、その一端を前記カバー50に当接させて、スプール48をバルブボディ30に設けたスプール穴52内に摺動自在かつ液密的に保持する。
【0028】
一方、バルブボディ30には、前記通路39に連通する通路40、40が設けられると共に、これら通路40、40の途中には逆止弁44、44が設けられ、そして前記通路39の油室36側には前室54が形成されている。また、前記スプール48の一端を保持するカバー50内には、背室56が形成され、この背室56に前記ばね49が収納配置されている。
【0029】
さらに、前記通路40と背室56との間のスプール穴52の中間部には、中間室58が設けられ、この中間室58に対しては、スプール48が中立位置にある時、前記スプール48に設けられた通路60、61が開口するように構成配置されている。しかるに、この前記スプール48は、前記通路60がスプール内通路62を介して背室56と連通接続され、また前記通路61がスプール内通路63を介して前室54と連通接続されている。なお、前記通路61は、比較的小径とし、絞り効果を持たせてある。
【0030】
そして、前記中間室58は、本実施例の図1に示す構成と同一の他の切換スプールに係るスプールの各中間室(例えば59a、59b、59c)と連通路64を介して接続し、この連通路64を適宜絞り66を介してタンクTへ連通接続する。
【0031】
次に、前記構成からなる本実施例における油圧制御装置の動作につき説明する。
【0032】
(1)単独操作する場合
図1に示す構成ないしこれと同じ構成からなる複数の切換スプールを有する油圧制御装置において、前記いずれか1つの切換スプールを操作した場合、例えば図1において、切換スプール34を左方へ移動させると、前記切換スプール34の一部に設けた切欠部34aが、共通の圧油供給通路32に開口し、この開口部から圧油が油室36へ流入し、前室54、通路39、通路40、40を経て、逆止弁44、44、油室45、45へ至り、前記切換スプール34の一部に設けた切欠部34bを介して一方のシリンダポート38bへ流入する。
【0033】
そこで、単独操作の場合には、前室54の圧油は、スプール48内の通路63、61、60、62を経て、背室56へ至ると共に、中間室58から連通路64を経て、他の切換スプールに係る中間室(59a、59b、59c)と相互に連通してタンクTへ排出される。しかし、前記他の切換スプールにおける前室、背室等へも圧油は伝達されるが、これらは全て外部に対しては閉鎖された空間であるので、前記油室36に流入した圧油は、その僅かな一部が絞り66を介してタンクTへ排出される以外は、全てシリンダポート38aまたは38bへ供給される。また、この場合、前室54とスプール48の背室56とは、前記のように連通した状態にあり、しかもばね49はスプール48を図1において上方に保持することができる。
【0034】
従って、本実施例の油圧制御装置によれば、通路39は常時開放されているので、前記スプール48による圧力損失は無くなる。さらに、前述したように、切換スプール34が急始動しても、従来技術の圧力補償弁のように常時は通路を遮断していないので、寒冷地等において作動油の粘度が高くなる場合においても、応答遅れを生じることが無くなる。このようにして、本実施例の油圧制御装置においては、従来技術に比較して、省エネルギー、応答性、安定性等の点において大幅に改善されることが明らかである。
【0035】
(2)複数の切換スプールを同時操作した場合(高負荷側の動作)
高負荷側に係るスプール48については、前記単独操作の場合と同じである。但し、スプール48の絞られた通路61から中間室58へ流出した圧油は、他の軽負荷側の中間室(59a)を経て、他の軽負荷側の前室(54)、油室(40、45)を経てシリンダポート(38b)へ流出しようとするが、他の切換スプール(34)に係るスプール(48)の通路(61)も絞られているので、圧力損失が生じ、しかも背室(56)へは連通路64の圧力が作用する。このため、前記他の切換スプール(34)においてはスプール(48)の背室(56)内の圧力が前室54内の圧力より相対的に大きくなり、この圧力差が前記スプール48を、ばね49のばね力に対抗して下降されるので、前記絞られた通路61からの他の軽負荷側の切換スプール(34)側への圧油の流れは遮断される〔図2の(a)参照〕。
【0036】
この場合、スプール34を保持するばね49のばね力を、小さく設定しておけば、高負荷側から軽負荷側への中間室58からの圧油の流れは、非常に僅かな圧力差で即遮断されるので、高負荷側の負荷は独立して確実に動作させることができる。なお、前記高負荷側と軽負荷側との両者の圧力がほぼ等しい場合には、各スプール48の絞られた通路61の連通は維持されるが、これはほぼ等しい負荷を共に動作させる目的であるから、何等問題ではなく、前記両者への供給油量をより均等化する場合においても好都合である。
【0037】
(3)複数の切換スプールを同時操作した場合(軽負荷側の動作)
軽負荷側のシリンダポート38aまたは38bへは、軽負荷側の切換スプール34の切欠部34aを経た圧油が、圧油供給通路32から流入し、油室36、前室54、通路40、逆止弁44、通路45を経て供給されるが、スプール48に対しては高負荷側の圧油が、前述したように相互に連通路64を経て背室56へ供給され、しかもこの圧力は軽負荷側の前室54の圧力に比較して高い。このため、スプール48をばね49のばね力に抗して通路39の開度を小さくする方向に移動させ、このスプール48は下降してその他端により前室54を圧縮し、通路39の開度を制限する。この時、前記通路39の開度は、背室56の圧力が前室54の圧力とばね49のばね力の和とが平衡する位置に制御される。
【0038】
従って、前記ばね49のばね力を小さく設定することにより、油室36の圧力は上昇して高負荷側の油室(36)の圧力は、前述した場合と同様に、高負荷側のスプール(48)は開放位置に保持されるので、前室54、通路40とほぼ同圧になり、この結果、軽負荷側の負荷は高負荷側の負荷とほぼ同圧にて動作させることができる。
【0039】
前述したように、本実施例の油圧制御装置においては、スプール48には、中間室58を介して背室56へ圧油を導入しているので、切換スプール34が低負荷側に使用された場合には、相互に連通路64を経て背室56へ導入した圧力が、自ら中間室58と背室56の通路60を遮断しようとするので、スプール48はそれ以上移動することができない〔図2の(b)参照〕。この結果、この状態で通路39の最少限の開度を維持すれば、高負荷側と低負荷側との圧力差が大きい場合でも、高負荷側の圧力によって低負荷側の通路が遮断されることはなく、しかも機械的なストローク制限手段が不要であることから、構造物の信頼性も向上させることができる。
【0040】
実施例2
図3は、本発明に係る油圧制御装置の別の実施例を示すものである。すなわち、本実施例においては、図1に示す実施例1の油圧制御装置における流量調整手段42の別の構成例を示すものである。なお、説明の便宜上、図1に示す油圧制御装置の構成と同一の構成部分については同一の参照符号を付し、詳細な説明は省略する。
【0041】
図3において、本実施例の流量調整手段42は、スプール48は、その内部に通路63および65を有し、これらの通路63および65は前室54と中間室58とを連通接続するものであり、前記路63と65との間に中間室58から前室54への圧油の流れを阻止する向きに逆止弁68が設けた構成からなる。
【0042】
前記中間室58は、他の切換スプールに係るスプールの各中間室(例えば59a、59b、59c)と第1の連通路64を介して接続し、この第1の連通路64は、減圧弁70の制御室71に連通接続されている。
【0043】
また、前記スプール48は、背室56に収納配置したばね49により、通路39を開放する位置に保持しているが、背室56は中間室58とは完全に独立しているが、第2の連通路72により、他の切換スプールに係るスプールの各背室(例えば57a、57b、57c)と連通接続され、この第2の連通路72は前記減圧弁70の2次圧室73に連通接続されている。なお、前記第1の連通路64と第2の連通路72には、それぞれ絞り66と74を介してタンクTに連通接続されており、非作動時において前記第1の連通路64と第2の連通路72とを、それぞれ低圧に維持するように設定されている。
【0044】
前記減圧弁70には、ばね75が設けてあり、このばね75は一端が減圧弁スプール76に当接し、他端は外部の信号圧によって移動するピストン77が当接しており、油室78へのパイロット信号圧力の給排により、前記減圧弁スプール76に対するばね荷重を調整できるように構成されている。そして、前記減圧弁70の減圧弁スプール76の側面には、本実施例の油圧制御装置に圧油を供給する可変容量ポンプPからの圧油を分岐して、この圧油を導入する油室79が設けられている。
【0045】
従って、前記減圧弁70においては、油室(2次圧室)73の圧力は油室(制御室)71の圧力に比較し、常にばね75のばね力に相当する圧力の差ΔPだけ低い圧力に維持されている。すなわち、第1の連通路64の圧力が変化しても、第2の連通路72の圧力つまり背室56の圧力は、常にこの変化に対応して前記圧力差ΔPをもって追従することになる。
【0046】
しかるに、前記第1の連通路64に連通接続される中間室58内の圧力は、各スプールに設けた逆止弁68により、各前室54の最も高い圧力が選択されて供給されているので、各背室56へはこの最も高い圧力に対応した圧力が、前記減圧弁70より供給され、この結果として、前記図1に示す実施例1の油圧制御装置と同等の作用および効果を得ることができる。しかも、図3に示す本実施例の油圧制御装置の場合には、第1の連通路64と第2の連通路72とが互いに独立しているので、第1の連通路64の変化油量は、減圧弁70の比較的小さな減圧弁スプール76を移動させる量となるので、少量でよく、従って逆止弁68を経て供給される油量も少量でよく、流量調整手段42の作動はより安定したものとなる。
【0047】
特に、本実施例の油圧制御装置において、流量調整手段には、順次高圧を比較選択動作を行う複雑な構成からなるシャトルバルブ等は不要であり、単に各スプールに逆止弁を設ける構造でよく、従って構造も簡単となる利点が得られる。しかも、本実施例の油圧制御装置においては、前述した構成により、減圧弁の2次圧力を、減圧弁スプールに対する油室への信号圧力の供給により調整することができるので、2以上の切換弁を操作する場合における、軽負荷側の最小通路開度を調整することができ、この種の油圧制御装置の適用される用途に応じて、最適な同時操作性を得ることが可能となる。
【0048】
実施例3
図4は、本発明に係る油圧制御装置のさらに別の実施例を示すものである。すなわち、本実施例においては、図1に示す実施例1のクローズドセンタ型の油圧制御装置に対し、センタバイパス通路を有するオープンセンタ型の油圧制御装置として構成したものである。なお、説明の便宜上、図1に示す油圧制御装置の構成と同一の構成部分については同一の参照符号を付し、詳細な説明は省略する。
【0049】
図4において、本実施例の油圧制御装置は、切換スプール34の一部に、可変容量ポンプPからの圧油の供給を受ける圧油供給通路32に対して分岐される圧油を供給する、センタバイパス通路80を設けた構成からなる。その他の構成は、前記実施例1の油圧制御装置の構成と同一である。このように、本発明に係る油圧制御装置は、クローズドセンタ型およびオープンセンタ型の油圧制御装置として、それぞれの特性に適合させ、広く応用することができる。
【0050】
実施例4
図5は、本発明に係る油圧制御装置のさらにまた別の実施例を示すものである。すなわち、本実施例においては、図1に示す実施例1の油圧制御装置における流量調整手段42のさらに別の構成例を示すものであり、図3に示す実施例2の油圧制御装置の変形例を示すものである。なお、説明の便宜上、図1に示す油圧制御装置の構成と同一の構成部分については同一の参照符号を付し、詳細な説明は省略する。
【0051】
しかるに、本実施例の油圧制御装置は、図5に示すように、図3に示す実施例2の油圧制御装置において、流量調整手段42を構成するスプール48に対して、中間室58および連通路64を省略し、一方前室54に連通する油室36に対し、前室54への圧油の流れを阻止する向きに逆止弁82を設けた構成からなる。
【0052】
前記逆止弁82に対しては、他の切換えスプールに対応する油室にそれぞれ設けた各逆止弁(例えば83a、83b、83c)と連通路84を介して連通接続し、この連通路84を適宜絞り86を介してタンクTへ連通接続する。
【0053】
また、前記流量調整手段42を構成するスプール48に対して設けられた背室56は、他の切換えスプールに係るスプールの各背室(例えば57a、57b、57c)と連通路72を介して連通接続し、さらにこの連通路72を前記各逆止弁と連通接続される連通路84と相互に連通接続されている。
【0054】
このように構成することによっても、図3に示す実施例2の油圧制御装置と同様にして、図1に示す実施例1の油圧制御装置と同等の作用および効果を得ることができる。
【0055】
実施例5
図6は、本発明に係る油圧制御装置の他の実施例を示すものである。すなわち、本実施例においては、図4に示すオープンセンタ型の油圧制御装置を構成する切換弁を適用した他の実施例である。
【0056】
すなわち、図6に示すように、複数の前記構成からなる切換弁90a、90b、90cのセンタバイパス通路92の出口側すなわち下流側に、圧力発生手段94を設けた構成からなる。また、前記各切換弁90a、90b、90cのアクチュエータへの供給通路を、これらの各切換弁90a、90b、90cの外部で接続した迂回回路93a、93b、93cにそれぞれ可変絞り95a、95b、95cを設ける。この場合、前記各可変絞り95a、95b、95cの開方向には、各切換弁90a、90b、90cにそれぞれ接続されたアクチュエータの各負荷圧力を作用させると共に、前記各可変絞り95a、95b、95cの閉方向には、各切換弁90a、90b、90cにそれぞれ接続されたアクチュエータの各負荷圧力をそれぞれの可変絞り95a、95b、95cに導くように構成したものである。
【0057】
本実施例の油圧制御装置によれば、前記圧力発生手段94の上流側圧力に応じて、可変容量ポンプPの吐出流量を調整するように構成されている。従って、この可変容量ポンプPの吐出流量調整方式を、ネガティブ流量制御方式とした場合には、各切換弁90a、90b、90cの各切換スプールの移動に伴い、センタバイパス通路92の通過油量が減少して、前記圧力発生手段94の上流側圧力が低下する。これにより、前記可変容量ポンプPからの吐出流量は、増加しつつ、その吐出圧油が各切換弁90a、90b、90cを介してそれぞれのアクチュエータへ供給される。この時、複数の切換弁が同時操作される場合には、前述したように、各切換弁90a、90b、90cの操作量に応じて、前記ネガティブ流量制御された可変容量ポンプPからの圧油が、各アクチュエータへ配分される。
【0058】
なお、従来技術におけるネガティブ流量制御方式の可変容量ポンプからなる油圧制御装置においては、複数の切換弁を操作した場合の流量配分は、共通の圧油供給通路から各切換弁への供給通路を分岐して、これら分岐された供給通路上に固定絞りもしくは外部信号により、開度を段階的に調整し得る可変絞りを設けることにより、負荷の異なる各アクチュエータへの流量配分を行っている。従って、この場合には、前記可変容量ポンプを駆動する原動機の回転数の変化や各切換弁に接続されたアクチュエータの負荷の変化によって、各切換弁に供給される圧油の配分比が変化するので、油圧制御装置を適切に操作することが非常に困難となる場合がある。
【0059】
しかしながら、本実施例の油圧制御装置においては、前述した原動機の運転条件やアクチュエータの負荷条件に拘らず、各切換弁90a、90b、90cへの前記可変容量ポンプPからの圧油の分流比は、常に一定であるので、同時操作時の操作性を大幅に改善することができる。
【0060】
実施例6
図7は、本発明に係る油圧制御装置のさらに他の実施例を示すものである。すなわち、本実施例においては、図6に示す実施例5のネガティブ流量制御方式の可変容量ポンプからなる油圧制御装置に代えて、各切換弁の切換スプールの操作量の増加に対応して吐出流量の増加するポジティブ流量制御方式の可変容量ポンプからなる油圧制御装置として構成したものである。なお、説明の便宜上、図6に示す油圧制御装置の構成と同一の構成部分については同一の参照符号を付し、詳細な説明は省略する。
【0061】
本実施例の油圧制御装置においては、図7に示すように、図6に示す実施例5の油圧制御装置において、圧力発生手段94に代えて、各切換弁90a、90b、90cの切換スプールをそれぞれ操作する切換弁操作用パイロットバルブ98a、98b、98cをそれぞれ設け、前記各切換弁の切換スプールを操作するように構成したものである。この場合、前記各切換弁に接続されたアクチュエータの負荷圧力の中から最大負荷圧力を選択して、この選択された最大負荷圧力によって可変容量ポンプPの吐出流量をポジティブ流量制御するように構成される。
【0062】
従って、本実施例の油圧制御装置においても、図6に示す実施例5のネガティブ流量制御方式と同様の効果を得ることができる。
【0063】
以上、本発明の好適な実施例として油圧ショベルに適用した場合について説明したが、本発明は前記実施例に限定されることなく、本発明の精神を逸脱しない範囲内において多くの設計変更が可能である。
【0064】
【発明の効果】
前述したように、本発明に係る油圧制御装置は、バルブボディ内に複数の切換スプールと、これら切換スプールの少なくとも一部に対応して逆止弁とを設け、各切換弁に対して共通の圧油供給通路からの圧油を、前記切換スプールの移動によって、この切換スプールが中立位置にある時は閉鎖状態に維持し、中立からの移動に従い開度の調整される前記切換スプールの開口部を介してシリンダポートに供給するように構成すると共に、前記切換スプールの開口部とシリンダポートとの間に前記逆止弁を配置してなる油圧制御装置であって、前記各切換スプールの開口部とシリンダポートとの間に、その間の通路の開度を調整する流量調整手段をそれぞれ設けると共に、これらの流量調整手段を相互に連通接続する連通路を設け、前記各流量調整手段にばね力を作用させて、切換スプールが中立位置にある場合、あるいは単独操作した場合、および複数の切換スプールを同時操作したときに、一方の切換スプールの開口部とシリンダポート間の第1の圧力が、同時操作された他方の切換スプールの開口部とシリンダポート間の第2の圧力より高い場合または等しい場合には、前記切換スプールの開口部とシリンダポートとの間の通路の開度を最大に維持し、前記第1の圧力が同時操作された他方の切換スプールの第2の圧力より低い場合には、前記第2の圧力が前記連通路を介して一方の切換スプールの流量調整手段に対して前記ばね力および第1の圧力に対向して作用し、前記一方の切換スプールの通路の開度を閉方向に調整するように構成する油圧制御装置において、前記各流量調整手段は、その一方を各切換スプールの開口部とシリンダポートとの間に形成した前室に開口すると共に、他方をそれぞれ独立した背室に開口してなるスプールからなり、前記各前室をこの前室への圧油の流れが阻止される向きに設けた逆止弁を介して各連通路および背室に連通接続し、背室には前記スプールを前記切換スプールの開口部とシリンダポートとの間の通路の開度を開放する向きに作用するばね手段を設けた構成としたことにより、前記各切換スプールの開口部とシリンダポートとの間の通路が最少限の開度を維持して、高負荷側の圧力と軽負荷側の圧力との差が大きい場合でも、高負荷側の圧力によって軽負荷側の通路が遮断されることなく、しかも機械的なストローク制限手段を必要とすることなく、省エネルギーで応答性に優れ、しかも複合操作に際しての操作性および安定性に優れた油圧制御装置を得ることができる。
【図面の簡単な説明】
【図1】本発明に係る油圧制御装置の一実施例としての概略構成を示す要部断面説明図である。
【図2】(a)および(b)は、図1に示す油圧制御装置において複数の切換スプールをと同時操作した場合の高負荷側および軽負荷側における圧力補償弁のそれぞれスプールの動作状態を示す要部概略説明図である。
【図3】本発明に係る油圧制御装置の別の実施例としての概略構成を示す要部断面説明図である。
【図4】本発明に係る油圧制御装置のさらに別の実施例としての概略構成を示す要部断面説明図である。
【図5】本発明に係る油圧制御装置のさらにまた別の実施例としての概略構成を示す要部断面説明図である。
【図6】本発明に係る油圧制御装置の他の実施例としての概略構成を示す要部断面説明図である。
【図7】本発明に係る油圧制御装置のさらに他の実施例としての概略構成を示す要部断面説明図である。
【図8】従来の油圧制御装置の概略構成を示す要部断面説明図である。
【符号の説明】
30 バルブボディ
32 圧油供給通路
34 切換スプール
34a、34b 切欠部
36 油室
38a、38b シリンダポート
39 通路
40 通路
42 流量調整手段
44 逆止弁
45 油室
46 タンクポート
48 スプール
49 ばね
50 カバー
52 スプール穴
54 前室
56 背室
57a、57b、57c 他の背室
58 中間室
59a、59b、59c 他の中間室
60、61 通路
62、63 スプール内通路
64 連通路(第1の連通路)
65 通路
66 絞り
68 逆止弁
70 減圧弁
71 制御室
72 第2の連通路
73 2次圧室
74 絞り
75 ばね
76 減圧弁スプール
77 ピストン
78 油室
79 油室
80 センタバイパス通路
82 逆止弁
83a、83b、83c 他の逆止弁
84 連通路
86 絞り
90a、90b、90c 切換弁
92 センタバイパス通路
94 圧力発生手段
93a、93b、93c 迂回回路
95a、95b、95c 可変絞り
96 絞り
98a、98b、98c 切換弁操作用パイロットバルブ
P 可変容量ポンプ
T タンク
Claims (6)
- バルブボディ内に複数の切換スプールと、これら切換スプールの少なくとも一部に対応して逆止弁とを設け、各切換弁に対して共通の圧油供給通路からの圧油を、前記切換スプールの移動によって、この切換スプールが中立位置にある時は閉鎖状態に維持し、中立からの移動に従い開度の調整される前記切換スプールの開口部を介してシリンダポートに供給するように構成すると共に、前記切換スプールの開口部とシリンダポートとの間に前記逆止弁を配置してなる油圧制御装置であって、前記各切換スプールの開口部とシリンダポートとの間に、その間の通路の開度を調整する流量調整手段をそれぞれ設けると共に、これらの流量調整手段を相互に連通接続する連通路を設け、前記各流量調整手段にばね力を作用させて、切換スプールが中立位置にある場合、あるいは単独操作した場合、および複数の切換スプールを同時操作したときに、一方の切換スプールの開口部とシリンダポート間の第1の圧力が、同時操作された他方の切換スプールの開口部とシリンダポート間の第2の圧力より高い場合または等しい場合には、前記切換スプールの開口部とシリンダポートとの間の通路の開度を最大に維持し、前記第1の圧力が同時操作された他方の切換スプールの第2の圧力より低い場合には、前記第2の圧力が前記連通路を介して一方の切換スプールの流量調整手段に対して前記ばね力および第1の圧力に対向して作用し、前記一方の切換スプールの通路の開度を閉方向に調整するように構成する油圧制御装置において、前記各流量調整手段は、その一方を各切換スプールの開口部とシリンダポートとの間に形成した前室に開口すると共に、他方をそれぞれ独立した背室に開口してなるスプールからなり、前記各前室をこの前室への圧油の流れが阻止される向きに設けた逆止弁を介して各連通路および背室に連通接続し、背室には前記スプールを前記切換スプールの開口部とシリンダポートとの間の通路の開度を開放する向きに作用するばね手段を設けてなる油圧制御装置。
- 流量調整手段のスプール中に逆止弁を内蔵してなる請求項1記載の油圧制御装置。
- 各流量調整手段のスプールの背室と前室との間に連通路を設け、この連通路に対して前記スプールの側面に設けた中間室にスプール内通路を開口し、連通路の圧力が、前記前室の圧力と前記スプールを開放位置に保持するばね力との和を越える際、前記スプールの最大ストロークを制限するように前記中間室とスプール内通路との間で背室への開口を制限するよう構成してなる請求項1記載の油圧制御装置。
- 各流量調整手段のスプールの背室と前室との間に連通路を設け、この連通路に対し前記スプールの側面に設けた中間室から前室および背室にそれぞれ独立して通路を開口し、さらに前記前室からは前記開口と前室との間に絞りを設け、前記連通路と前室の圧力差の増加に応じて前記スプールが移動した際、連通路に接続する中間室と前室との連通を遮断しつつ中間室と前室との開口を制限するように構成してなる請求項1記載の油圧制御装置。
- 各流量調整手段のスプールの背室と前室との間に第1および第2の連通路を設け、第1の連通路に対し前記各スプールの側面に、そのスプール内に設けた逆止弁を介して前記前室と連通する通路を開口させ、さらに前記各スプールの背室と連通する独立した第2の連通路を設け、前記各背室は前記第2の連通路によってのみ外部と接続し、前記第2の連通路には前記第1の連通路内の圧力を制御圧とする減圧弁の2次圧力を作用させるように構成してなる請求項1記載の油圧制御装置。
- 減圧弁の2次圧力を外部信号により調整するように構成してなる請求項5記載の油圧制御装置。
Priority Applications (1)
| Application Number | Priority Date | Filing Date | Title |
|---|---|---|---|
| JP08778498A JP3604557B2 (ja) | 1998-03-31 | 1998-03-31 | 油圧制御装置 |
Applications Claiming Priority (1)
| Application Number | Priority Date | Filing Date | Title |
|---|---|---|---|
| JP08778498A JP3604557B2 (ja) | 1998-03-31 | 1998-03-31 | 油圧制御装置 |
Publications (2)
| Publication Number | Publication Date |
|---|---|
| JPH11287208A JPH11287208A (ja) | 1999-10-19 |
| JP3604557B2 true JP3604557B2 (ja) | 2004-12-22 |
Family
ID=13924615
Family Applications (1)
| Application Number | Title | Priority Date | Filing Date |
|---|---|---|---|
| JP08778498A Expired - Lifetime JP3604557B2 (ja) | 1998-03-31 | 1998-03-31 | 油圧制御装置 |
Country Status (1)
| Country | Link |
|---|---|
| JP (1) | JP3604557B2 (ja) |
Families Citing this family (1)
| Publication number | Priority date | Publication date | Assignee | Title |
|---|---|---|---|---|
| JP5166319B2 (ja) * | 2009-02-25 | 2013-03-21 | 東芝機械株式会社 | 建設機械の油圧制御装置 |
-
1998
- 1998-03-31 JP JP08778498A patent/JP3604557B2/ja not_active Expired - Lifetime
Also Published As
| Publication number | Publication date |
|---|---|
| JPH11287208A (ja) | 1999-10-19 |
Similar Documents
| Publication | Publication Date | Title |
|---|---|---|
| US4107923A (en) | Load responsive valve assemblies | |
| JP3703265B2 (ja) | 油圧制御装置 | |
| JP3264651B2 (ja) | 油圧制御装置 | |
| JP3604557B2 (ja) | 油圧制御装置 | |
| KR940008818B1 (ko) | 유압회로 | |
| JPH02248702A (ja) | 圧力補償付液圧弁 | |
| JPH11257303A (ja) | 切換弁 | |
| JP3155243B2 (ja) | 再生機能を有する油圧制御装置 | |
| JPH0443127B2 (ja) | ||
| JPS6022201B2 (ja) | 流体装置 | |
| JPH03213703A (ja) | 負荷圧補償ポンプ吐出流量制御回路 | |
| JP3798187B2 (ja) | 油圧駆動装置 | |
| JP3912762B2 (ja) | 切換弁操作回路 | |
| JP2821923B2 (ja) | アクチュエータの合流制御回路 | |
| JP2005337388A (ja) | 油圧制御装置 | |
| JP3240286B2 (ja) | 油圧システム | |
| US5140815A (en) | Valve apparatus | |
| JPH0792062B2 (ja) | 液圧制御装置 | |
| JP3708725B2 (ja) | 油圧制御装置 | |
| JP3703300B2 (ja) | 油圧制御装置 | |
| JP3689597B2 (ja) | 油圧制御回路 | |
| JP2652791B2 (ja) | 流量制御装置 | |
| CA1063483A (en) | Load responsive fluid control system | |
| JP2821922B2 (ja) | アクチュエータの合流制御回路 | |
| JPS605121Y2 (ja) | 流体装置 |
Legal Events
| Date | Code | Title | Description |
|---|---|---|---|
| A977 | Report on retrieval |
Free format text: JAPANESE INTERMEDIATE CODE: A971007 Effective date: 20040507 |
|
| A131 | Notification of reasons for refusal |
Free format text: JAPANESE INTERMEDIATE CODE: A131 Effective date: 20040512 |
|
| A521 | Written amendment |
Free format text: JAPANESE INTERMEDIATE CODE: A523 Effective date: 20040709 |
|
| TRDD | Decision of grant or rejection written | ||
| A01 | Written decision to grant a patent or to grant a registration (utility model) |
Free format text: JAPANESE INTERMEDIATE CODE: A01 Effective date: 20040922 |
|
| A61 | First payment of annual fees (during grant procedure) |
Free format text: JAPANESE INTERMEDIATE CODE: A61 Effective date: 20040929 |
|
| R150 | Certificate of patent or registration of utility model |
Free format text: JAPANESE INTERMEDIATE CODE: R150 |
|
| FPAY | Renewal fee payment (event date is renewal date of database) |
Free format text: PAYMENT UNTIL: 20081008 Year of fee payment: 4 |
|
| FPAY | Renewal fee payment (event date is renewal date of database) |
Free format text: PAYMENT UNTIL: 20081008 Year of fee payment: 4 |
|
| S531 | Written request for registration of change of domicile |
Free format text: JAPANESE INTERMEDIATE CODE: R313531 |
|
| FPAY | Renewal fee payment (event date is renewal date of database) |
Free format text: PAYMENT UNTIL: 20081008 Year of fee payment: 4 |
|
| R350 | Written notification of registration of transfer |
Free format text: JAPANESE INTERMEDIATE CODE: R350 |
|
| FPAY | Renewal fee payment (event date is renewal date of database) |
Free format text: PAYMENT UNTIL: 20081008 Year of fee payment: 4 |
|
| FPAY | Renewal fee payment (event date is renewal date of database) |
Free format text: PAYMENT UNTIL: 20091008 Year of fee payment: 5 |
|
| FPAY | Renewal fee payment (event date is renewal date of database) |
Free format text: PAYMENT UNTIL: 20091008 Year of fee payment: 5 |
|
| FPAY | Renewal fee payment (event date is renewal date of database) |
Free format text: PAYMENT UNTIL: 20101008 Year of fee payment: 6 |
|
| FPAY | Renewal fee payment (event date is renewal date of database) |
Free format text: PAYMENT UNTIL: 20111008 Year of fee payment: 7 |
|
| FPAY | Renewal fee payment (event date is renewal date of database) |
Free format text: PAYMENT UNTIL: 20111008 Year of fee payment: 7 |
|
| FPAY | Renewal fee payment (event date is renewal date of database) |
Free format text: PAYMENT UNTIL: 20121008 Year of fee payment: 8 |
|
| FPAY | Renewal fee payment (event date is renewal date of database) |
Free format text: PAYMENT UNTIL: 20131008 Year of fee payment: 9 |
|
| S111 | Request for change of ownership or part of ownership |
Free format text: JAPANESE INTERMEDIATE CODE: R313113 |
|
| R350 | Written notification of registration of transfer |
Free format text: JAPANESE INTERMEDIATE CODE: R350 |
|
| R250 | Receipt of annual fees |
Free format text: JAPANESE INTERMEDIATE CODE: R250 |
|
| R250 | Receipt of annual fees |
Free format text: JAPANESE INTERMEDIATE CODE: R250 |
|
| R250 | Receipt of annual fees |
Free format text: JAPANESE INTERMEDIATE CODE: R250 |
|
| EXPY | Cancellation because of completion of term |