JP2016123789A - 障害釘、弾球遊技機及び障害釘の製造方法 - Google Patents

障害釘、弾球遊技機及び障害釘の製造方法 Download PDF

Info

Publication number
JP2016123789A
JP2016123789A JP2015001882A JP2015001882A JP2016123789A JP 2016123789 A JP2016123789 A JP 2016123789A JP 2015001882 A JP2015001882 A JP 2015001882A JP 2015001882 A JP2015001882 A JP 2015001882A JP 2016123789 A JP2016123789 A JP 2016123789A
Authority
JP
Japan
Prior art keywords
axial direction
obstacle nail
value
radial dimension
tip
Prior art date
Legal status (The legal status is an assumption and is not a legal conclusion. Google has not performed a legal analysis and makes no representation as to the accuracy of the status listed.)
Granted
Application number
JP2015001882A
Other languages
English (en)
Other versions
JP6433299B2 (ja
Inventor
貴大 宇野
Takahiro Uno
貴大 宇野
Current Assignee (The listed assignees may be inaccurate. Google has not performed a legal analysis and makes no representation or warranty as to the accuracy of the list.)
Fukui Byora Co Ltd
Original Assignee
Fukui Byora Co Ltd
Priority date (The priority date is an assumption and is not a legal conclusion. Google has not performed a legal analysis and makes no representation as to the accuracy of the date listed.)
Filing date
Publication date
Application filed by Fukui Byora Co Ltd filed Critical Fukui Byora Co Ltd
Priority to JP2015001882A priority Critical patent/JP6433299B2/ja
Publication of JP2016123789A publication Critical patent/JP2016123789A/ja
Application granted granted Critical
Publication of JP6433299B2 publication Critical patent/JP6433299B2/ja
Active legal-status Critical Current
Anticipated expiration legal-status Critical

Links

Images

Landscapes

  • Pinball Game Machines (AREA)

Abstract

【課題】弾球遊技機の遊技盤の材質に関わらず、障害釘を遊技盤に精度よく配列し固定することができる技術を提供する。
【解決手段】障害釘の軸部は、先端部と弾球衝突部とガイド部と突出部と第一拡大部を備える。先端部は、軸方向の第一側に向けて先細りした形状を有し、軸方向の第一側における障害釘の端部に設けられる。弾球衝突部は、径方向の寸法が第一値である円柱形状を有し、先端部と障害釘の頭部の間に設けられる。ガイド部は、径方向の寸法が軸方向の第二側における先端部の端部の径方向の寸法に一致する第二値である円柱形状を有し、先端部と弾球衝突部の間に設けられる。突出部は、環状の溝部と、径方向の寸法が第一値より大きい環状の隆起部によって形成され、ガイド部と弾球衝突部の間に設けられる。第一拡大部は、軸方向の第一側に向けて先細りした形状を有し、先細り端部の径方向の寸法が第二値で、ガイド部と突出部の間に設けられる。
【選択図】図2

Description

本発明は、弾球遊技機の障害釘、弾球遊技機及び障害釘の製造方法に関する。
弾球遊技機の障害釘に関する技術が提案されている。例えば、出願人は、特許文献1、特許文献2及び特許文献3において、弾球遊技機用釘を提案している。弾球遊技機は、パチンコ機等である。
特許文献1の弾球遊技機用釘は、頭部と軸部を備える。軸部は、頭部に加えられた打ち込み力によって、合成樹脂等からなる遊技盤に形成された下穴に挿入される。弾球遊技機用釘は、遊技球の流路を形成する。軸部は、テーパ部と、螺旋部と、第一ストレート部と、第二ストレート部を備える。これら各部分は、釘の先端部から基端部(頭部との境界部)に向けて、テーパ部、第二ストレート部、螺旋部、第一ストレート部の順に形成される。テーパ部は、先端に向けて漸次先細りする。螺旋部は、円柱体の外周面に螺旋を有する。螺旋の山頂幅は、先端において狭く、基端において広くなるようにされる。第二ストレート部の径は、テーパ部の基端径と同じとされる。このように形成された第二ストレート部は、下穴に沿って挿入された釘を垂直に案内するガイド機能を発揮する。釘を確実に下穴に沿って垂直に且つスムーズに打ち込むことが可能となる。第一ストレート部には、螺旋部寄りの部分に、環状溝が形成される。
特許文献2の弾球遊技機用釘は、頭部と軸部を備える。軸部は、先端に向けて先細りとなるテーパ部を有する。テーパ部は、密接部と、食い込み部を有する。密接部は、基端部と先端部に設けられる。密接部は、弾球遊技機の基盤に形成されたテーパ孔の内面に密接する。食い込み部は、基端部と先端部の間に設けられる。食い込み部は、テーパ孔の内面に食い込む。食い込み部は、第一の円錐台状部と第二の円錐台状部を軸方向に交互に備え。第一の円錐台状部は、先端に向けてテーパ孔と略同じ傾きをもって縮径する。第二の円錐台状部は、先端に向けてテーパ孔よりも大きい傾きをもって縮径する。別の形態として、食い込み部は、螺旋状に形成された突条を備える。突条の一部分には、略V字状の切欠が形成される。
特許文献3の弾球遊技機用釘は、頭部と軸部を備える。軸部は、非螺旋部と、螺旋部を有する。非螺施部は、基端側に設けられる。非螺施部は、螺旋の無い部分である。螺旋部は、先端側に設けられる。螺旋部は、外周面に螺旋が形成された部分である。螺旋部の山条には、複数のV字状切込みが形成されている。
この他、出願人は、特許文献4で、弾球遊技機の障害釘に関する技術を提案している。この障害釘では、軸部は、弾球衝突部と先端部の間に中間部を有する。中間部は、弾球衝突部の外径以下の径で、且つ弾球衝突部より高硬度とされる。
特開2006−102394号公報 特開2007−306949号公報 特開2010−4957号公報 特許第5016068号公報
パチンコ機等の弾球遊技機では、障害釘を遊技盤に精度よく配列し固定することが求められることがある。遊技盤は、例えば、木製又は樹脂製のものがある。遊技盤が木製である場合、障害釘は、直接、障害釘が遊技盤に取り付けられることがある。障害釘の遊技盤への取り付けは、例えば、障害釘の頭部に衝撃を与え、障害釘を遊技盤に打ち込み行われる。この場合、障害釘の位置ずれが生じることがある。遊技盤が樹脂製である場合、遊技盤には穴部が形成されることがある。これは、遊技盤を形成する樹脂が高硬度であることに起因する。即ち、障害釘を直接樹脂製の遊技盤に打ち込むと、障害釘の軸部が変形するためである。障害釘が、高硬度の樹脂製の遊技盤に打ち込まれないこともある。樹脂製の遊技盤においては、穴部を形成することで、障害釘を、穴部の内周に沿わせつつ、穴部に挿入することができる。その結果、障害釘は、遊技盤に精度よく配列され、固定され易くなる。そこで、発明者は、遊技盤の材質に関わらず、遊技盤に障害釘を固定する穴部が形成された場合に、障害釘を精度よく配列させ、固定させ易くすることができる技術について検討を行った。
本発明は、弾球遊技機の遊技盤の材質に関わらず、障害釘を遊技盤に精度よく配列し固定することができる技術を提供することを目的とする。
本発明の一側面は、頭部と、前記頭部と一体をなす軸部と、を備える、弾球遊技機の障害釘であって、前記頭部は、前記障害釘の軸心に沿った軸方向の第一側とは反対側となる前記軸方向の第二側における前記障害釘の端部に設けられ、前記軸部は、前記軸方向の第二側から第一側に向けて先細りした形状を有し、前記軸方向の第一側における前記障害釘の端部に設けられる先端部と、前記軸方向に直交する径方向の寸法が第一値である円柱形状を有し、前記先端部と前記頭部との間に設けられる弾球衝突部と、前記径方向の寸法が、前記軸方向の第二側における前記先端部の端部の前記径方向の寸法に一致する第二値である円柱形状を有し、前記先端部と前記弾球衝突部との間に設けられるガイド部と、環状の溝部と、前記径方向の寸法が前記第一値より大きい環状の隆起部と、によって形成され、前記ガイド部と前記弾球衝突部との間に設けられる突出部と、前記軸方向の第二側から第一側に向けて先細りした形状を有し、先細り端部の前記径方向の寸法が前記第二値で、前記ガイド部と前記突出部との間に設けられる第一拡大部と、を備える、障害釘である。
これによれば、遊技盤に形成する穴部を、円柱形状のガイド部の径方向の寸法に対応させた寸法の穴とすることで、先端部が穴部に挿入された後、障害釘は、ガイド部の外周が穴部の内周に倣った状態となる。その結果、障害釘は、ガイド部によって穴部の内周にガイドされる。ガイド部をスムーズに穴部に挿入することができる。そのため、取り付け途中の障害釘を、障害釘の軸心と穴部の軸心を一致させた状態で、遊技盤に支持することができる。その後、第一拡大部が穴部に挿入されることとなる。第一拡大部を、軸方向の第二側から第一側に向けて先細りした形状とすることで、第一拡大部を穴部に挿入する際の挿入荷重の急激な増加を抑制しつつ、穴部を径方向に拡大させ、その後、突出部の挿入へと移行することができる。障害釘の遊技盤へのスムーズな取り付けを実現することができる。取り付けが完了した状態において、第一拡大部は、穴部に圧入状態となり、突出部は、穴部の内周に押し込まれた状態となる。突出部と第一拡大部によって、遊技盤からの障害釘の抜けに対する抗力を向上させることができる。
軸方向の第二側における先端部の端部について、先端部の形状が円錐又は円錐台である場合、この部分の径方向の寸法は、円錐又は円錐台の底面の外径である。隆起部について、隆起部の形状が円環状である場合、径方向の寸法は、隆起部の外径である。第一拡大部の先細り端部について、第一拡大部の形状が円錐台である場合、この部分の径方向の寸法は、円錐台の天面の外径である。弾球衝突部の径方向の寸法は、弾球衝突部の外径である。ガイド部の径方向の寸法は、ガイド部の外径である。
障害釘において、前記ガイド部は、前記径方向の寸法が前記第一値より小さい前記第二値である円柱形状を有し、前記第一拡大部は、前記障害釘の軸心に対する傾斜角が第一角度で、前記軸方向の第二側から第一側に向けて先細りした形状を有し、ローレット目が外周に形成され、前記径方向の寸法が前記第一値より大きい第一ローレット部と、前記障害釘の軸心に対する傾斜角が前記第一角度より大きい第二角度で、前記軸方向の第二側から第一側に向けて先細りした形状を有し、先細り端部の前記径方向の寸法が前記第二値で、前記軸方向の第一側で、前記軸方向の第二側における前記ガイド部の端部と隣接し、且つ前記軸方向の第二側で、前記軸方向の第一側における前記第一ローレット部の端部と隣接する第一境界部と、を備える、ようにしてもよい。この場合、前記第一ローレット部には、螺旋状の凹部と、螺旋状の凸部と、による前記ローレット目が外周に形成されている、ようにしてもよい。
これによれば、軸方向の第一側において、ローレット目を形成する凸部の端部を、軸方向の第一側に設けられた境界部の側へと、緩やかに傾斜させ、逃がした形状とすることができる。ローレット目を形成する凸部は、穴部の内周に押し込まれた状態となる。ローレット目によって、遊技盤に固定された障害釘の回転に対する抗力を向上させつつ、ローレット目の形成に伴う径方向の寸法の急激な変化(拡大)を、第一境界部によって抑制することができる。つまり、ローレット目を形成したとしても、穴部への挿入を阻害する可能性のある段差の発生を、第一境界部によって抑制することができる。穴部の径方向の寸法を、前述の段差を考慮した値とする必要がなく、ガイド部の径方向の寸法に対応した値に設定することができる。障害釘の取り付け途中における、障害釘の軸心と穴部の軸心の一致度を向上させることができる。
本発明の他の側面は、頭部と、前記頭部と一体をなす軸部と、を備える、弾球遊技機の障害釘であって、前記頭部は、前記障害釘の軸心に沿った軸方向の第一側とは反対側となる前記軸方向の第二側における前記障害釘の端部に設けられ、前記軸部は、前記軸方向の第二側から第一側に向けて先細りした形状を有し、前記軸方向の第一側における前記障害釘の端部に設けられる先端部と、前記軸方向に直交する径方向の寸法が第一値である円柱形状を有し、前記先端部と前記頭部との間に設けられる弾球衝突部と、前記径方向の寸法が、前記軸方向の第二側における前記先端部の端部の前記径方向の寸法に一致する、前記第一値より小さい第二値である円柱形状を有し、前記先端部と前記弾球衝突部との間に設けられるガイド部と、ローレット目が外周に形成され、前記径方向の寸法が前記第一値より大きい第二ローレット部と、前記軸方向の第二側から第一側に向けて先細りした形状を有し、先細り端部の前記径方向の寸法が前記第二値で、前記軸方向の第一側で、前記軸方向の第二側における前記ガイド部の端部と隣接し、且つ前記軸方向の第二側で、前記軸方向の第一側における前記第二ローレット部の端部と隣接する第二境界部と、を備え、前記ガイド部と前記弾球衝突部との間に設けられる第二拡大部と、を備える、障害釘である。
これによれば、遊技盤に形成する穴部を、円柱形状のガイド部の径方向の寸法に対応させた寸法の穴とすることで、先端部が穴部に挿入された後、障害釘は、ガイド部の外周が穴部の内周に倣った状態となる。その結果、障害釘は、ガイド部によって穴部の内周にガイドされる。ガイド部をスムーズに穴部に挿入することができる。そのため、取り付け途中の障害釘を、障害釘の軸心と穴部の軸心を一致させた状態で、遊技盤に支持することができる。その後、第二拡大部が穴部に挿入されることとなる。軸方向の第一側において、ローレット目を形成する凸部の端部を、軸方向の第一側に設けられた境界部の側へと、緩やかに傾斜させ、逃がした形状とすることができる。ローレット目を形成する凸部は、穴部の内周に押し込まれた状態となる。ローレット目によって、遊技盤に固定された障害釘の回転に対する抗力を向上させつつ、ローレット目の形成に伴う径方向の寸法の急激な変化(拡大)を、第二境界部によって抑制することができる。つまり、ローレット目を形成したとしても、穴部への挿入を阻害する可能性のある段差の発生を、第二境界部によって抑制することができる。穴部の径方向の寸法を、前述の段差を考慮した値とする必要がなく、ガイド部の径方向の寸法に対応した値に設定することができる。障害釘の取り付け途中における、障害釘の軸心と穴部の軸心の一致度を向上させることができる。この障害釘においても、第二ローレット部の外周に、螺旋状の凹部と螺旋状の凸部によるローレット目を形成するようにしてもよい。
軸方向の第二側における先端部の端部について、先端部の形状が円錐又は円錐台である場合、この部分の径方向の寸法は、円錐又は円錐台の底面の外径である。第二境界部の先細り端部について、第二境界部の形状が円錐台である場合、この部分の径方向の寸法は、円錐台の天面の外径である。弾球衝突部の径方向の寸法は、弾球衝突部の外径である。ガイド部の径方向の寸法は、ガイド部の外径である。
本発明の更に他の側面は、上述した何れかの障害釘と、穴部が形成され、前記障害釘が前記穴部に固定された遊技盤と、を備え、前記障害釘は、前記ガイド部が前記穴部に嵌め合わされた状態で、前記穴部に固定されている、弾球遊技機である。
これによれば、弾球遊技機において、上述した特有の機能が実現される。即ち、障害釘が遊技盤に精度よく配列され固定された弾球遊技機とすることができる。
本発明の更に他の側面は、頭部と、前記頭部と一体をなす軸部と、を備える、弾球遊技機の障害釘の製造方法であって、前記頭部が設けられる前記障害釘の軸心に沿った軸方向の第二側から、前記軸方向の第二側とは反対側となる前記軸方向の第一側に向けて先細りした形状を有し、前記軸方向の第一側における前記障害釘の端部に設けられる先端部と、前記軸方向に直交する径方向の寸法が第一値である円柱形状を有し、前記先端部と前記頭部との間に設けられる弾球衝突部と、前記径方向の寸法が、前記軸方向の第二側における前記先端部の端部の前記径方向の寸法に一致する、前記第一値より小さい第二値である円柱形状を有し、前記先端部と前記弾球衝突部との間に設けられるガイド部と、ローレット目が外周に形成され、前記径方向の寸法が前記第一値より大きいローレット部と、前記軸方向の第二側から第一側に向けて先細りした形状を有し、先細り端部の前記径方向の寸法が前記第二値で、前記軸方向の第一側で、前記軸方向の第二側における前記ガイド部の端部と隣接し、且つ前記軸方向の第二側で、前記軸方向の第一側における前記ローレット部の端部と隣接する境界部と、を備え、前記ガイド部と前記弾球衝突部との間に設けられる拡大部と、を備える前記軸部を、軸基材を加工して形成する成形工程を含み、前記成形工程は、前記径方向の寸法が前記第一値である円柱形状の第一素材部と、前記径方向の寸法が前記第二値である円柱形状の第二素材部と、前記軸方向の第二側から第一側に向けて前記第一値から前記第二値へと先細りした形状を有し、前記軸方向の第一側で、前記軸方向の第二側における前記第二素材部の端部と隣接し、且つ前記軸方向の第二側で、前記軸方向の第一側における前記第一素材部の端部と隣接する第三素材部と、を備える前記軸基材のうち、前記軸方向の第一側における前記第二素材部の端部を含む、前記第二素材部の一部の領域を塑性変形させて前記先端部を形成する工程と、前記軸基材のうち、前記軸方向の第一側における前記第一素材部の端部を含む、前記第一素材部の一部の領域を塑性変形させて前記ローレット部を形成する工程と、を含む製造方法である。
これによれば、上述した特有の機能を有する障害釘を製造することができる。この製造方法によって形成される、ローレット部は、上述した第一ローレット部又は第二ローレット部に対応し、境界部は、上述した第一境界部又は第二境界部に対応する。従って、拡大部は、上述した、第一ローレット部と第一境界部を備える第一拡大部、又は第二ローレット部と第二境界部を備える第二拡大部に対応する。この製造方法における成形工程は、第一素材部の所定の領域を塑性変形させて、上述した突出部を形成する工程を含んでもよい。
本発明によれば、弾球遊技機の遊技盤の材質に関わらず、障害釘を遊技盤に精度よく配列し固定することができる技術を得ることができる。
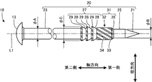
弾球遊技機の一部の概略を示す部分断面図である。障害釘が遊技盤に固定された状態の一例を示す。 障害釘の概略の一例を示す図である。 図2に示す障害釘の拡大部を示す拡大図である。 取付方法の概略を示す部分断面図である。ガイド部が穴部に挿入されている状態の一例を示す。 障害釘の製造方法の概略を示す図である。上段は、素材釘の一例を示す。下段は、完成状態の障害釘の一例を示す。 障害釘の概略の他の例を示す図である。
本発明を実施するための実施形態について、図面を用いて説明する。本発明は、以下に記載の構成に限定されるものではなく、同一の技術的思想において種々の構成を採用することができる。例えば、以下に示す構成の一部は、省略し又は他の構成等に置換してもよい。他の構成を含むようにしてもよい。
<弾球遊技機>
弾球遊技機1の概略について、図1を参照して説明する。弾球遊技機1は、例えば、パチンコ機である。弾球遊技機1は、各種の部品によって構成される。例えば、弾球遊技機1は、遊技盤3と、障害釘10を備える。弾球遊技機1は、遊技盤3及び障害釘10の他、公知の弾球遊技機と同様の構成を備える。
遊技盤3は、例えば、木製とされる。但し、遊技盤3は、樹脂製としてもよい。遊技盤3には、障害釘10が固定される位置に、穴部5が形成される。障害釘10は、穴部5に挿入された状態で、遊技盤3に固定される。弾球遊技機1では、遊技盤3に固定された障害釘10に、遊技球が衝突する。障害釘10に衝突した遊技球は、所定の方向に反発する。
弾球遊技機1では、軸心L1,L2を一致させた状態で、障害釘10を、穴部5に挿入し、遊技盤3に固定することが可能となる。軸心L1は、障害釘10の軸心(中心軸)を示す。軸心L2は、穴部5の軸心(中心軸)を示す。実施形態では、障害釘10の軸心L1に沿った方向を「軸方向」という。図1及び後述する図4に示すように、軸心L1,L2が一致した状態では、軸心L2は、軸方向に沿う。軸方向の一方側(障害釘10の先端側)を「第一側」といい、軸方向の他方側(障害釘10の後端側)を「第二側」という。軸方向に直交する方向を「径方向」という。
<障害釘>
障害釘10について、図2及び図3を参照して説明する。実施形態における障害釘10では、軸方向の全領域において、軸心L1に垂直な断面形状は、軸心L1を中心とする円形又は円に近い外形とされている。前述した断面形状が円に近い外形となる部分(後述する「ローレット部32」及び「隆起部29」の外周参照)においても、径方向の先端は、所定の直径の円周上に配置することとしている。従って、実施形態では、障害釘10の各部における径方向の寸法を表す用語として「外径」を用いる。
障害釘10は、公知の障害釘と同様、金属材料により形成される。障害釘10を形成する金属材料としては、例えば、黄銅が挙げられる。障害釘10は、図2に示すように、頭部13と軸部20を備える。頭部13と軸部20は、一体をなす。頭部13は、軸方向の第二側における障害釘10の端部に設けられる。頭部13は、公知の障害釘と同様である。従って、頭部13に関する説明は省略する。
軸部20は、図2に示すように、先端部21と、弾球衝突部23と、ガイド部25と、突出部27と、拡大部31を備える。軸部20において、前述した各部は、軸方向の第一側から第二側に、先端部21、ガイド部25、拡大部31、突出部27及び弾球衝突部23の順で配置される。即ち、先端部21は、軸方向の第一側における障害釘10の端部に設けられる。弾球衝突部23は、先端部21と頭部13の間に設けられる。ガイド部25は、先端部21と弾球衝突部23の間に設けられる。突出部27は、ガイド部25と弾球衝突部23の間に設けられる。拡大部31は、ガイド部25と突出部27の間に設けられる。
先端部21は、障害釘10の先端を形成する。先端部21は、軸方向の第二側から第一側に向けて先細りした形状を有する。先端部21の形状は、円錐とされる。但し、先端部21の形状は、円錐台としてもよい。先端部21の形状は、諸条件を考慮して適宜決定される。
弾球衝突部23は、外径が第一値である円柱形状を有する。実施形態では、第一値である外径を「外径φA」という。弾球衝突部23は、軸方向の第二側で、頭部13の軸方向の第一側に隣接し、頭部13と一体をなす。弾球遊技機1において、遊技球は、弾球衝突部23に衝突する。
ガイド部25は、外径が第二値である円柱形状を有する。実施形態では、第二値である外径を「外径φB」という。外径φA,φBの関係は、「外径φA>外径φB」である(図2参照)。ガイド部25は、軸方向の第一側で、軸方向の第二側における先端部21の端部に隣接する。ガイド部25の外径φBは、軸方向の第二側における先端部21の端部の外径に一致する。
突出部27は、図2に示すように、環状の溝部28と、環状の隆起部29によって形成される。実施形態では、溝部28と隆起部29は、共に軸心L1を中心とした円環状とされている。溝部28と隆起部29は、軸方向に隣接した状態で設けられる。実施形態における突出部27では、1組の溝部28と隆起部29は、軸方向に3組連続して設けられている。即ち、突出部27では、溝部28と隆起部29は、軸方向の第一側から第二側に向けて、溝部28、隆起部29、溝部28、隆起部29、溝部28及び隆起部29の順で繰り返して形成されている。突出部27において、溝部28と隆起部29が繰り返される回数は、3回とは異なる数としてもよい。
溝部28は、円周方向に連なる無端溝である。溝部28は、円環状の面と、傾斜した面によって形成される(図2参照)。溝部28を形成する円環状の面は、径方向に沿って配置される。溝部28を形成する傾斜した面は、軸心L1(軸方向)と、軸心L1に直交する仮想直線(径方向)に対して傾斜する。傾斜方向は、軸方向の第二側から第一側に向けて、径方向を軸心L1の側に接近する方向である。溝部28の溝形状は、前述した形状とは異なる形状としてもよい。溝部28の溝形状は、諸条件を考慮して適宜決定される。
隆起部29は、径方向に隆起した円周方向に連なる突起である。隆起部29の外径φCは、外径φAより大きくされる。軸部20において、外径φCである隆起部29は、最も太い部分となる。隆起部29の頂部の形状は、円筒状の面とされている。但し、隆起部29の頂部の形状は、これとは異なる形状としてもよい。隆起部29の頂部の形状は、諸条件を考慮して適宜決定される。実施形態では、隆起部29の外周には、後述する凹部33及び凸部34に対応する凹凸によるローレット目が形成されている(図2及び図5下段参照)。この点については後述する。
突出部27は、軸方向の第二側で、軸方向の第一側における弾球衝突部23の端部と隣接する。但し、突出部27と弾球衝突部23の間に、径方向の寸法(外径)が、外径φA以上で、外径φCより小さい所定の構成、又は外径φA未満の所定の構成を設けるようにしてもよい。前述した所定の構成としては、例えば、上述した特許文献4に記載された中間部が挙げられる。
拡大部31は、図2に示すように、ローレット部32と、境界部35を備える。ローレット部32の外周には、ローレット目が全周に亘って形成される。ローレット目は、凹部33と凸部34を含む。実施形態では、ローレット目を形成する凹部33と凸部34は、共に螺旋状とされている。即ち、ローレット部32の外周には、螺旋状の凹部33と螺旋状の凸部34によるローレット目が、全周に亘って形成されている。ローレット部32は、軸方向の第二側で、軸方向の第一側における突出部27の端部と隣接する。境界部35は、軸方向の第一側で、軸方向の第二側におけるガイド部25の端部と隣接し、且つ軸方向の第二側で、軸方向の第一側におけるローレット部32の端部と隣接する。境界部35では、所定の領域(後述する図5下段に示す「領域R7」参照)に、ローレット部32の外周に形成されたローレット目の端部が形成される。
ローレット部32は、軸心L1(軸方向)に対する傾斜角が角度θ1で、軸方向の第二側から第一側に向けて先細りした形状を有する(図3参照)。境界部35は、軸心L1(軸方向)に対する傾斜角が角度θ2で、軸方向の第二側から第一側に向けて先細りした形状を有する(図3参照)。角度θ2は、角度θ1より大きな値とされる。即ち、拡大部31は、全体として、軸方向の第二側から第一側に向けて先細りした形状を有する。実施形態では、上述した通り、ローレット部32の外周及び境界部35の外周の一部に、ローレット目が形成されているものの、ローレット部32及び境界部35の各形状は、共に円錐台状とされている。
ローレット部32の外径は、軸方向の全領域において、外径φA以上とされる。即ち、ローレット部32は、外径φAより大きくなる部分を含む。但し、ローレット部32の外径は、軸方向の所定の位置より軸方向の第一側において、外径φAより小さくなり、前述した所定の位置から軸方向の第二側において、外径φA以上となるようにしてもよい。図3に示す外径φDは、ローレット部32の外周を全周に亘って形成される複数の凸部34の先端円の直径である。外径が先端円の直径であることは、外周に凹部33及び凸部34に対応するローレット目が形成される隆起部29の外径φCについても同じである。境界部35では、先細り端部の外径は、外径φBに一致する。ローレット部32と境界部35の隣接面における両部の外径は、同一とされる。
<取付方法>
取付方法について、図1及び図4を参照して説明する。障害釘10は、取付方法によって、遊技盤3に取り付けられ、遊技盤3に固定される(図1参照)。取付方法の実施に際し、遊技盤3には穴部5が事前に形成される。穴部5は、内径φEがガイド部25の外径φBに対応した値の穴である。穴部5の内径φEは、ガイド部25の外径φB(図2参照)より僅かに大きな値又は僅かに小さな値とされる。穴部5の内径φEは、外径φBと同一としてもよい。穴部5の内径φEは、諸条件を考慮して適宜設定される。例えば、ガイド部25の穴部5へのスムーズな挿入と、ガイド部25を介した穴部5による障害釘10のガイドを考慮し、穴部5の内径φEは、外径φBに対して、−0.2mm〜0.2mm程度の値とされる。
取付方法では、先端部21が穴部5に仮挿入された状態で、頭部13に力が付与される。例えば、頭部13に付与される力は、所定の工具又は装置によって発生される衝撃力である。障害釘10は、頭部13に付与された力によって、穴部5を底の側へと移動する。即ち、頭部13に付与された力は、障害釘10を穴部5に挿入する挿入荷重となる。先端部21の全体が穴部5に挿入されると、その後、ガイド部25が穴部5に挿入される。これに伴い、障害釘10は、ガイド部25の外周が穴部5の内周に倣った状態で支持される。つまり、障害釘10は、遊技盤3に対して、軸心L1が軸心L2に一致した状態となる。障害釘10は、このような状態のまま、更に、穴部5を底の側へと移動する。
続けて、障害釘10は、拡大部31で穴部5を漸次変形させながら、穴部5を底の側へと移動する。このとき、穴部5の内周は、凸部34によって変形し、変形した部分が、凹部33へと流入する。これに伴い、凹部33には、変形した部分が充填される。その後、突出部27が穴部5に挿入されると、穴部5の内周は、更に隆起部29によって変形し、変形した部分が、溝部28へと流入する。これに伴い、溝部28には、変形した部分が充填される。このようにして、障害釘10は、図1に示す状態となる。これに伴い、1本の障害釘10を対象とした取付方法が終了する。図1に示す状態において、障害釘10は、ガイド部25が穴部5に嵌め合わされた状態となっている。
図1に示す例では、先端部21が穴部5の底にくい込んでいる。障害釘10を遊技盤3に対して、前述したような状態とすることで、遊技盤3から障害釘10を抜き取る際の荷重を高めることが可能となり、障害釘10の引抜強度を向上させることができる。換言すれば、このような状態によって、障害釘10の遊技盤3からの脱落を、突出部27及び拡大部31と共に抑制することが可能となる。
<障害釘の製造方法>
障害釘10の製造方法について、図5を参照して説明する。障害釘10は、図5上段に示すような、素材釘40を加工して形成される。素材釘40の軸心L1は、そのまま、障害釘10の軸心L1となる。従って、実施形態において、障害釘10の軸心L1に沿った方向として定義される「軸方向」は、素材釘40の軸心L1に沿った方向でもある。素材釘40は、例えば、所定の長さの円柱形状の素材を鍛造する等して形成される。素材釘40は、頭部13と、軸基材41を備える。頭部13と軸基材41は一体をなす。頭部13は、例えば鍛造によって素材釘40を形成する際に形成される。頭部13は、そのまま、障害釘10の頭部13となる。換言すれば、障害釘10の頭部13は、素材釘40を形成する際に形成される。頭部13は、素材釘40の軸方向の第二側に形成される。
軸基材41は、第一素材部42と、第二素材部43と、第三素材部44を備える。第一素材部42は、円柱形状を有する。第一素材部42の外径は、外径φAとされる。第二素材部43は、円柱形状を有する。第二素材部43の外径は、外径φBとされる。第三素材部44は、軸方向の第二側から第一側に向けて外径φAから外径φBへと先細りした形状を有する。第三素材部44は、軸方向の第一側で、軸方向の第二側における第二素材部43の端部と隣接する。第三素材部44は、軸方向の第二側で、軸方向の第一側における第一素材部42の端部と隣接する。
素材釘40を対象とした障害釘10の製造方法は、軸基材41から軸部20を形成する成形工程を含む。この成形工程では、軸基材41に対して転造が施される。
軸基材41に対する転造には、一対の成形金型が用いられる。実施形態では、一対の成形金型の図示は省略されている。各成形金型の成形面は、第一成形部と、第二成形部と、第三成形部を含む。第一成形部は、先端部21を成形する部分である。第二成形部は、拡大部31と、隆起部29の外周におけるローレット目を成形する部分である。隆起部29の外周におけるローレット目は、省略することもできる。この場合、第二成形部は、拡大部31を成形する部分となる。第三成形部は、突出部27を成形する部分である。一対の成形金型は、第一成形部と第二成形部と第三成形部を含む成形面が所定の隙間を隔てて対向する状態で、転造装置に取り付けられる。素材釘40は、転造装置にセットされる。転造装置では、一対の成形金型における第一金型と第二金型の各成形面が、素材釘40の周方向に対応する方向に相対移動される。素材釘40は、軸基材41が、成形面が対向配置された一対の成形金型(第一金型及び第二金型)の間に挟み込まれた状態で、周方向に回転する。
回転する素材釘40では、第二素材部43の領域R1が、一対の成形金型の各第一成形部によって塑性変形される。領域R1は、軸方向の第一側における第二素材部43の端部を含む、第二素材部43の一部の領域である。これに伴い、第二素材部43の領域R1が、円錐状とされる。このとき、第二素材部43の領域R1では、素材が軸方向の第一側へと流れ、領域R1は、軸方向の第一側に伸張する。このようにして、第二素材部43の領域R1は、先端部21となる。第二素材部43の領域R2は、そのまま、外径φBのガイド部25となる。領域R2は、領域R1を除く第二素材部43の領域である。領域R2は、一対の成形金型の成形面によっては加工(転造)されない。
回転する素材釘40では、第一素材部42の領域R3が、一対の成形金型の各第二成形部によって塑性変形される。領域R3は、軸方向の第一側における第一素材部42の端部を含む、第一素材部42の一部の領域である。実施形態では、領域R3のうち、軸方向の第一側の端部を含む領域を「領域R4」といい、領域R4に対して軸方向の第二側となる領域を「領域R5」という。これに伴い、第一素材部42の領域R3には、螺旋状の凹部と凸部によるローレット目が外周に形成される。このとき、少なくとも領域R3の一部である領域R4は、軸心L1(軸方向)に対する傾斜角が角度θ1で、軸方向の第二側から第一側に向けて先細りした形状へと塑性変形される。領域R3の全体が、前述したように先細りした形状へと塑性変形されるようにしてもよい。先細り端部の外径は、例えば、外径φAのままとされる。前述した先細り端部の外径は、形成されたローレット目における凸部の先端に対応した先端円の外径である。
領域R4を上述したように塑性変形させた場合、軸方向の第一側における領域R4の端部では、この部分を形成する素材が、軸方向の第一側に設けられた第三素材部44の側へと流れる。これに伴い、軸方向の第二側における第三素材部44の領域R7には、領域R4に形成された凸部の端部が形成される(図5下段参照)。領域R7は、軸方向の第二側における第三素材部44の端部を含む、第三素材部44の一部の領域である。
このようにして、領域R4は、ローレット部32となり、第三素材部44は、境界部35となる。このとき、領域R4の外周に形成されたローレット目は、ローレット部32の外周におけるローレット目となる。つまり、領域R4の外周における螺旋状の凹部は、螺旋状の凹部33となり、領域R4の外周における螺旋状の凸部は、螺旋状の凸部34となる。即ち、領域R4と第三素材部44は、拡大部31となる。上記では説明を省略したが、第三素材部44では、外周を、外径φAから外径φBへとする傾斜角は、転造後の角度θ2に対応する角度とされる。一対の成形金型の第一成形部と第二成形部による転造は、例えば、同じタイミングで行うようにしてもよい。
領域R3の外周にローレット目が形成された後、一対の成形金型における第一金型と第二金型の各成形面の相対移動は、更に継続される。この相対移動に応じて回転する素材釘40では、第一素材部42の領域R5が、一対の成形金型の各第三成形部によって塑性変形される。これに伴い、第一素材部42の領域R5には、径方向に凹んだ円環状の溝部と径方向に隆起した円環状の隆起部が、軸方向に交互に繰り返して各3個形成される。円環状の隆起部の外周には、第二成形部によって領域R5の外周に形成された螺旋状の凹部と螺旋状の凸部によるローレット目が残存することとなる。このようにして、領域R5は、突出部27となる。このとき、領域R5に形成された円環状の溝部は、円環状の溝部28となり、領域R5に形成された円環状の隆起部は、円環状の隆起部29となる。
第一素材部42の領域R6は、そのまま、外径φAの弾球衝突部23となる。領域R6は、領域R3(領域R4及び領域R5)を除く第一素材部42の領域である。領域R6は、一対の成形金型の成形面によっては加工(転造)されない。
<実施形態の効果>
実施形態によれば、次のような効果を得ることができる。
(1)障害釘10の軸部20は、先端部21と、弾球衝突部23と、ガイド部25と、突出部27と、拡大部31を備える(図2参照)。突出部27は、円環状の溝部28と円環状の隆起部29によって形成される(図2参照)。溝部28と隆起部29は、軸方向に隣接した状態で設けられる。隆起部29の外径は、軸部20において最も太くなる外径φCとされる(図2参照)。境界部35と共に拡大部31を形成するローレット部32の外周には、螺旋状の凹部33と螺旋状の凸部34によるローレット目が、全周に亘って形成される(図3参照)。そのため、突出部27と拡大部31によって、障害釘10を遊技盤3に固定することができる。例えば、弾球の衝突による障害釘10の抜け落ちと回転を抑制することができる。
(2)ローレット部32は、軸心L1(軸方向)に対する傾斜角が角度θ1で、軸方向の第二側から第一側に向けて先細りした形状とされる(図3参照)。境界部35は、軸心L1(軸方向)に対する傾斜角が角度θ2(角度θ2>角度θ1)で、軸方向の第二側から第一側に向けて先細りした形状とされる(図3参照)。
そのため、軸基材41を転造し軸部20を形成する際、軸方向の第一側において、螺旋状の凸部34の端部を、境界部35の側へと、緩やかに傾斜させ、逃がすことができる。即ち、軸方向の第一側において、凸部34の端部を、境界部35の側へと、緩やかに傾斜させ、逃がした形状とすることができる。障害釘10では、ローレット目の形成に伴う外径の急激な変化(拡大)を、境界部35によって抑制することができる。つまり、ローレット目を形成したとしても、穴部5への挿入を阻害する可能性のある段差の発生を、境界部35によって抑制することができる。拡大部31を穴部5に挿入する際、挿入荷重の急激な増加を抑制しつつ、内径φEの穴部5を径方向に拡大させ、その後、突出部27の挿入へと移行することができる。障害釘10の遊技盤3へのスムーズな取り付けを実現することができる。穴部5の内径φEを、前述の段差を考慮した値とする必要がなく、ガイド部25の外径φBに対応した値に設定することができる。障害釘10の取り付け途中における、障害釘10の軸心L1と穴部5の軸心L2の一致度を向上させることができる。遊技盤3の材質に関わらず、障害釘10を遊技盤3に精度よく配列し固定することができる。
(3)ガイド部25は、軸方向の第二側で、軸方向の第一側における先端部21の端部と隣接した状態で設けられる(図2参照)。そのため、先端部21が穴部5に挿入された直後に、ガイド部25を、穴部5に挿入することができる(図4参照)。先端部21の穴部5への挿入からガイド部25の穴部5への挿入へと、スムーズに移行することができる。先端部21が挿入された後、取り付け途中の障害釘10がぐらつくことを抑制することができる。
<変形例>
実施形態は、次のようにすることもできる。以下に示す変形例のうちの幾つかの構成は、適宜組み合わせて採用することもできる。以下では上記とは異なる点を説明することとし、同様の点についての説明は適宜省略する。
(1)上記では、ローレット部32の外周に形成されたローレット目が、螺旋状の凹部33と、螺旋状の凸部34である構成を例に説明した(図1〜図5参照)。ローレット部の外周には、上記とは異なるローレット目を形成するようにしてもよい。例えば、ローレット部の外周に形成されるローレット目は、平目又はアヤ目としてもよい。ローレット部の外周に形成されるローレット目は、諸条件を考慮して適宜決定される。
遊技盤3に固定された状態において、障害釘10の回転強度を確保することができており、障害釘10の回転が大きな問題とならない場合、ローレット部32の外周におけるローレット目は、省略するようにしてもよい。この場合、拡大部は、軸心(軸方向)に対する傾斜角が所定の一定の角度で、軸方向の第二側から第一側に向けて先細りした、単一の円錐台部(テーパ部)とされる。拡大部の先細り端部の外径は、ガイド部25の外径に一致する外径φBとされる。突出部27を形成する隆起部29の外周におけるローレット目も、省略される。但し、突出部には、隆起部の外周に、所定のローレット目を形成するようにしてもよい。
(2)上記では、障害釘10の軸部20に、突出部27と拡大部31を設けた構成を例に説明した(図1、図2、図4及び図5参照)。遊技盤3に固定された状態において、障害釘10の引抜強度を確保することができており、障害釘10の抜け落ちが大きな問題とならない場合、突出部27は、省略するようにしてもよい。上述した通り、穴部5を底のある穴とし(図1及び図4参照)、先端部21を穴部5の底にくい込ませると、引抜強度を向上させることが可能となる。
(3)上記では、拡大部31を備える障害釘10を例に説明した(図2参照)。拡大部31において、ローレット部32は、軸心L1(軸方向)に対する傾斜角が角度θ1で、軸方向の第二側から第一側に向けて先細りした形状を有する(図2参照)。障害釘10において、拡大部31のローレット部32の形状は、図6に示すような形状としてもよい。図6では、図1〜図5との対応を考慮し、各部に対する符号は、上記と同じとしている。即ち、図6に示す障害釘10では、ローレット部32は、外周が傾斜面とはされておらず、円柱形状とされている。ローレット部32の外径(凸部34の先端に対応した先端円の外径)は、諸条件を考慮して適宜決定される。例えば、ローレット部32の外径は、外径φA,φBより大きく、外径φCより小さな値とされる。
(4)上記では、遊技盤3に形成された穴部5を、底を有する穴とした。穴部は、遊技盤を、遊技盤の板厚方向に貫通した穴としてもよい。
1 弾球遊技機、 3 遊技盤、 5 穴部、 10 障害釘、 13 頭部
20 軸部、 21 先端部、 23 弾球衝突部、 25 ガイド部
27 突出部、 28 溝部、 29 隆起部、 31 拡大部
32 ローレット部、 33 凹部、 34 凸部、 35 境界部 40 素材釘
41 軸基材、 42 第一素材部、 43 第二素材部、 44 第三素材部
L1,L2 軸心、 R1,R2,R3,R4,R5,R6,R7 領域
θ1,θ2 角度、φA,φB,φC,φD 外径、 φE 内径

Claims (6)

  1. 頭部と、前記頭部と一体をなす軸部と、を備える、弾球遊技機の障害釘であって、
    前記頭部は、前記障害釘の軸心に沿った軸方向の第一側とは反対側となる前記軸方向の第二側における前記障害釘の端部に設けられ、
    前記軸部は、
    前記軸方向の第二側から第一側に向けて先細りした形状を有し、前記軸方向の第一側における前記障害釘の端部に設けられる先端部と、
    前記軸方向に直交する径方向の寸法が第一値である円柱形状を有し、前記先端部と前記頭部との間に設けられる弾球衝突部と、
    前記径方向の寸法が、前記軸方向の第二側における前記先端部の端部の前記径方向の寸法に一致する第二値である円柱形状を有し、前記先端部と前記弾球衝突部との間に設けられるガイド部と、
    環状の溝部と、前記径方向の寸法が前記第一値より大きい環状の隆起部と、によって形成され、前記ガイド部と前記弾球衝突部との間に設けられる突出部と、
    前記軸方向の第二側から第一側に向けて先細りした形状を有し、先細り端部の前記径方向の寸法が前記第二値で、前記ガイド部と前記突出部との間に設けられる第一拡大部と、を備える、障害釘。
  2. 前記ガイド部は、前記径方向の寸法が前記第一値より小さい前記第二値である円柱形状を有し、
    前記第一拡大部は、
    前記障害釘の軸心に対する傾斜角が第一角度で、前記軸方向の第二側から第一側に向けて先細りした形状を有し、ローレット目が外周に形成され、前記径方向の寸法が前記第一値より大きい第一ローレット部と、
    前記障害釘の軸心に対する傾斜角が前記第一角度より大きい第二角度で、前記軸方向の第二側から第一側に向けて先細りした形状を有し、先細り端部の前記径方向の寸法が前記第二値で、前記軸方向の第一側で、前記軸方向の第二側における前記ガイド部の端部と隣接し、且つ前記軸方向の第二側で、前記軸方向の第一側における前記第一ローレット部の端部と隣接する第一境界部と、を備える、請求項1に記載の障害釘。
  3. 前記第一ローレット部には、螺旋状の凹部と、螺旋状の凸部と、による前記ローレット目が外周に形成されている、請求項2に記載の障害釘。
  4. 頭部と、前記頭部と一体をなす軸部と、を備える、弾球遊技機の障害釘であって、
    前記頭部は、前記障害釘の軸心に沿った軸方向の第一側とは反対側となる前記軸方向の第二側における前記障害釘の端部に設けられ、
    前記軸部は、
    前記軸方向の第二側から第一側に向けて先細りした形状を有し、前記軸方向の第一側における前記障害釘の端部に設けられる先端部と、
    前記軸方向に直交する径方向の寸法が第一値である円柱形状を有し、前記先端部と前記頭部との間に設けられる弾球衝突部と、
    前記径方向の寸法が、前記軸方向の第二側における前記先端部の端部の前記径方向の寸法に一致する、前記第一値より小さい第二値である円柱形状を有し、前記先端部と前記弾球衝突部との間に設けられるガイド部と、
    ローレット目が外周に形成され、前記径方向の寸法が前記第一値より大きい第二ローレット部と、前記軸方向の第二側から第一側に向けて先細りした形状を有し、先細り端部の前記径方向の寸法が前記第二値で、前記軸方向の第一側で、前記軸方向の第二側における前記ガイド部の端部と隣接し、且つ前記軸方向の第二側で、前記軸方向の第一側における前記第二ローレット部の端部と隣接する第二境界部と、を備え、前記ガイド部と前記弾球衝突部との間に設けられる第二拡大部と、を備える、障害釘。
  5. 請求項1から請求項4の何れか1項に記載の障害釘と、
    穴部が形成され、前記障害釘が前記穴部に固定された遊技盤と、を備え、
    前記障害釘は、前記ガイド部が前記穴部に嵌め合わされた状態で、前記穴部に固定されている、弾球遊技機。
  6. 頭部と、前記頭部と一体をなす軸部と、を備える、弾球遊技機の障害釘の製造方法であって、
    前記頭部が設けられる前記障害釘の軸心に沿った軸方向の第二側から、前記軸方向の第二側とは反対側となる前記軸方向の第一側に向けて先細りした形状を有し、前記軸方向の第一側における前記障害釘の端部に設けられる先端部と、前記軸方向に直交する径方向の寸法が第一値である円柱形状を有し、前記先端部と前記頭部との間に設けられる弾球衝突部と、前記径方向の寸法が、前記軸方向の第二側における前記先端部の端部の前記径方向の寸法に一致する、前記第一値より小さい第二値である円柱形状を有し、前記先端部と前記弾球衝突部との間に設けられるガイド部と、ローレット目が外周に形成され、前記径方向の寸法が前記第一値より大きいローレット部と、前記軸方向の第二側から第一側に向けて先細りした形状を有し、先細り端部の前記径方向の寸法が前記第二値で、前記軸方向の第一側で、前記軸方向の第二側における前記ガイド部の端部と隣接し、且つ前記軸方向の第二側で、前記軸方向の第一側における前記ローレット部の端部と隣接する境界部と、を備え、前記ガイド部と前記弾球衝突部との間に設けられる拡大部と、を備える前記軸部を、軸基材を加工して形成する成形工程を含み、
    前記成形工程は、
    前記径方向の寸法が前記第一値である円柱形状の第一素材部と、前記径方向の寸法が前記第二値である円柱形状の第二素材部と、前記軸方向の第二側から第一側に向けて前記第一値から前記第二値へと先細りした形状を有し、前記軸方向の第一側で、前記軸方向の第二側における前記第二素材部の端部と隣接し、且つ前記軸方向の第二側で、前記軸方向の第一側における前記第一素材部の端部と隣接する第三素材部と、を備える前記軸基材のうち、前記軸方向の第一側における前記第二素材部の端部を含む、前記第二素材部の一部の領域を塑性変形させて前記先端部を形成する工程と、
    前記軸基材のうち、前記軸方向の第一側における前記第一素材部の端部を含む、前記第一素材部の一部の領域を塑性変形させて前記ローレット部を形成する工程と、を含む製造方法。
JP2015001882A 2015-01-07 2015-01-07 障害釘、弾球遊技機及び障害釘の製造方法 Active JP6433299B2 (ja)

Priority Applications (1)

Application Number Priority Date Filing Date Title
JP2015001882A JP6433299B2 (ja) 2015-01-07 2015-01-07 障害釘、弾球遊技機及び障害釘の製造方法

Applications Claiming Priority (1)

Application Number Priority Date Filing Date Title
JP2015001882A JP6433299B2 (ja) 2015-01-07 2015-01-07 障害釘、弾球遊技機及び障害釘の製造方法

Publications (2)

Publication Number Publication Date
JP2016123789A true JP2016123789A (ja) 2016-07-11
JP6433299B2 JP6433299B2 (ja) 2018-12-05

Family

ID=56358450

Family Applications (1)

Application Number Title Priority Date Filing Date
JP2015001882A Active JP6433299B2 (ja) 2015-01-07 2015-01-07 障害釘、弾球遊技機及び障害釘の製造方法

Country Status (1)

Country Link
JP (1) JP6433299B2 (ja)

Cited By (2)

* Cited by examiner, † Cited by third party
Publication number Priority date Publication date Assignee Title
JP2017012256A (ja) * 2015-06-29 2017-01-19 株式会社三洋物産 遊技機
JP2019076227A (ja) * 2017-10-20 2019-05-23 サミー株式会社 遊技機

Citations (13)

* Cited by examiner, † Cited by third party
Publication number Priority date Publication date Assignee Title
JPS63165037A (ja) * 1986-12-25 1988-07-08 Shinjiyou Seisakusho:Kk 拡開アンカ−における打込みピンの製造方法
WO1992020851A1 (en) * 1991-05-10 1992-11-26 Organ Needle Co., Ltd. Sewing machine needle and method of manufacturing same
JPH07275447A (ja) * 1994-04-13 1995-10-24 Toei Seibiyou Kk パチンコパネルの製法及びパチンコ機用釘
JPH11216289A (ja) * 1998-02-04 1999-08-10 Organ Needle Co Ltd ミシン針およびその製造方法
JP2002291884A (ja) * 2001-01-25 2002-10-08 Terumo Corp 液体注入針および液体注入装置
JP2005021672A (ja) * 2003-06-10 2005-01-27 Mitsubishi Pencil Co Ltd 注射針、注射針の製造方法及び注射針の製造装置
JP3116027U (ja) * 2005-08-23 2005-11-24 東永製鋲株式会社 パチンコパネル及び該パネルに用いる釘
JP2006102393A (ja) * 2004-10-08 2006-04-20 Fukui Byora Co Ltd 弾球遊技機用釘
JP2007105312A (ja) * 2005-10-14 2007-04-26 Okumura Yu-Ki Co Ltd パチンコ機
JP2009195971A (ja) * 2008-02-25 2009-09-03 Asmo Co Ltd 段部付きシャフトの製造方法及びアーマチャシャフトの製造方法、並びに段部付きシャフトの成型装置
JP2010003870A (ja) * 2008-06-20 2010-01-07 Denso Corp 半導体装置およびその製造方法
JP2010004958A (ja) * 2008-06-24 2010-01-14 Fukui Byora Co Ltd 弾球遊技機用釘及び弾球遊技機用パネル
JP2014023718A (ja) * 2012-07-26 2014-02-06 Sanyo Product Co Ltd 遊技機

Patent Citations (13)

* Cited by examiner, † Cited by third party
Publication number Priority date Publication date Assignee Title
JPS63165037A (ja) * 1986-12-25 1988-07-08 Shinjiyou Seisakusho:Kk 拡開アンカ−における打込みピンの製造方法
WO1992020851A1 (en) * 1991-05-10 1992-11-26 Organ Needle Co., Ltd. Sewing machine needle and method of manufacturing same
JPH07275447A (ja) * 1994-04-13 1995-10-24 Toei Seibiyou Kk パチンコパネルの製法及びパチンコ機用釘
JPH11216289A (ja) * 1998-02-04 1999-08-10 Organ Needle Co Ltd ミシン針およびその製造方法
JP2002291884A (ja) * 2001-01-25 2002-10-08 Terumo Corp 液体注入針および液体注入装置
JP2005021672A (ja) * 2003-06-10 2005-01-27 Mitsubishi Pencil Co Ltd 注射針、注射針の製造方法及び注射針の製造装置
JP2006102393A (ja) * 2004-10-08 2006-04-20 Fukui Byora Co Ltd 弾球遊技機用釘
JP3116027U (ja) * 2005-08-23 2005-11-24 東永製鋲株式会社 パチンコパネル及び該パネルに用いる釘
JP2007105312A (ja) * 2005-10-14 2007-04-26 Okumura Yu-Ki Co Ltd パチンコ機
JP2009195971A (ja) * 2008-02-25 2009-09-03 Asmo Co Ltd 段部付きシャフトの製造方法及びアーマチャシャフトの製造方法、並びに段部付きシャフトの成型装置
JP2010003870A (ja) * 2008-06-20 2010-01-07 Denso Corp 半導体装置およびその製造方法
JP2010004958A (ja) * 2008-06-24 2010-01-14 Fukui Byora Co Ltd 弾球遊技機用釘及び弾球遊技機用パネル
JP2014023718A (ja) * 2012-07-26 2014-02-06 Sanyo Product Co Ltd 遊技機

Cited By (2)

* Cited by examiner, † Cited by third party
Publication number Priority date Publication date Assignee Title
JP2017012256A (ja) * 2015-06-29 2017-01-19 株式会社三洋物産 遊技機
JP2019076227A (ja) * 2017-10-20 2019-05-23 サミー株式会社 遊技機

Also Published As

Publication number Publication date
JP6433299B2 (ja) 2018-12-05

Similar Documents

Publication Publication Date Title
JP4492521B2 (ja) ロータシャフトの製造方法
JP5083396B2 (ja) 締結ねじの製造方法
JP5046130B2 (ja) 転がり軸受及びその製造方法
JP2008005994A (ja) アイアン型ゴルフクラブヘッド
JP6433299B2 (ja) 障害釘、弾球遊技機及び障害釘の製造方法
JP4255231B2 (ja) ブラインドリベット
JP6567292B2 (ja) 孔を有する金属板の製造方法、周設孔付外歯歯車の製造方法及び金属板の製造方法
JP5397396B2 (ja) 回転電機の回転子鉄心の製造方法
US10960457B2 (en) Rivet bonding mold
JP6949428B2 (ja) ベルト式無段変速機用プーリシャフトの製造方法
JP4609050B2 (ja) トリポード型等速ジョイント
JP2016161043A (ja) 自己タップねじ及びその製造方法
JP5779913B2 (ja) スプライン成形体の成形方法、及び、内径スプライン歯成形装置
JP6292944B2 (ja) 金型強化方法及び鍛造用金型
JP2017012256A (ja) 遊技機
JP5016068B2 (ja) 弾球遊技機の障害釘、弾球遊技機、弾球遊技機の障害釘の製造方法および弾球遊技機の障害釘の成形金型
JP2016118228A (ja) 波形保持器及びそのリベット加締め方法
JP6565965B2 (ja) リベット接合用金型
JP5018854B2 (ja) ロータシャフト
JP2010004958A (ja) 弾球遊技機用釘及び弾球遊技機用パネル
JP2006158477A (ja) ソケットおよびこれを用いたゴルフクラブ
JP2010047989A (ja) スクリューポイント
RU2612857C1 (ru) Инструмент для планетарного накатывания резьбы с осевым колебанием формообразующей поверхности
JP6704649B2 (ja) スプリングピン
JP2010004957A (ja) 弾球遊技機用釘及び弾球遊技機用パネル

Legal Events

Date Code Title Description
A621 Written request for application examination

Free format text: JAPANESE INTERMEDIATE CODE: A621

Effective date: 20171010

A977 Report on retrieval

Free format text: JAPANESE INTERMEDIATE CODE: A971007

Effective date: 20180706

A131 Notification of reasons for refusal

Free format text: JAPANESE INTERMEDIATE CODE: A131

Effective date: 20180717

A521 Request for written amendment filed

Free format text: JAPANESE INTERMEDIATE CODE: A523

Effective date: 20180913

TRDD Decision of grant or rejection written
A01 Written decision to grant a patent or to grant a registration (utility model)

Free format text: JAPANESE INTERMEDIATE CODE: A01

Effective date: 20181030

A61 First payment of annual fees (during grant procedure)

Free format text: JAPANESE INTERMEDIATE CODE: A61

Effective date: 20181106

R150 Certificate of patent or registration of utility model

Ref document number: 6433299

Country of ref document: JP

Free format text: JAPANESE INTERMEDIATE CODE: R150

R250 Receipt of annual fees

Free format text: JAPANESE INTERMEDIATE CODE: R250

R250 Receipt of annual fees

Free format text: JAPANESE INTERMEDIATE CODE: R250

R250 Receipt of annual fees

Free format text: JAPANESE INTERMEDIATE CODE: R250

R250 Receipt of annual fees

Free format text: JAPANESE INTERMEDIATE CODE: R250

R250 Receipt of annual fees

Free format text: JAPANESE INTERMEDIATE CODE: R250