JP2010080722A - フレキシブルプリント配線板シート、その製造方法、およびハードディスク装置用フレキシブルプリント配線板シート - Google Patents

フレキシブルプリント配線板シート、その製造方法、およびハードディスク装置用フレキシブルプリント配線板シート Download PDF

Info

Publication number
JP2010080722A
JP2010080722A JP2008248250A JP2008248250A JP2010080722A JP 2010080722 A JP2010080722 A JP 2010080722A JP 2008248250 A JP2008248250 A JP 2008248250A JP 2008248250 A JP2008248250 A JP 2008248250A JP 2010080722 A JP2010080722 A JP 2010080722A
Authority
JP
Japan
Prior art keywords
flexible printed
plating
wiring board
printed wiring
sheet
Prior art date
Legal status (The legal status is an assumption and is not a legal conclusion. Google has not performed a legal analysis and makes no representation as to the accuracy of the status listed.)
Granted
Application number
JP2008248250A
Other languages
English (en)
Other versions
JP5190695B2 (ja
Inventor
Tetsuya Shimomura
哲也 下村
Toru Matsuoka
徹 松岡
Current Assignee (The listed assignees may be inaccurate. Google has not performed a legal analysis and makes no representation or warranty as to the accuracy of the list.)
Sumitomo Electric Printed Circuits Inc
Original Assignee
Sumitomo Electric Printed Circuits Inc
Priority date (The priority date is an assumption and is not a legal conclusion. Google has not performed a legal analysis and makes no representation as to the accuracy of the date listed.)
Filing date
Publication date
Application filed by Sumitomo Electric Printed Circuits Inc filed Critical Sumitomo Electric Printed Circuits Inc
Priority to JP2008248250A priority Critical patent/JP5190695B2/ja
Priority to TW98127150A priority patent/TWI439187B/zh
Priority to CN 200910176054 priority patent/CN101686600B/zh
Publication of JP2010080722A publication Critical patent/JP2010080722A/ja
Application granted granted Critical
Publication of JP5190695B2 publication Critical patent/JP5190695B2/ja
Active legal-status Critical Current
Anticipated expiration legal-status Critical

Links

Images

Landscapes

  • Manufacturing Of Printed Wiring (AREA)
  • Structure Of Printed Boards (AREA)
  • Insulated Metal Substrates For Printed Circuits (AREA)
  • Manufacturing Of Printed Circuit Boards (AREA)
  • Adjustment Of The Magnetic Head Position Track Following On Tapes (AREA)
  • Supporting Of Heads In Record-Carrier Devices (AREA)
  • Non-Metallic Protective Coatings For Printed Circuits (AREA)

Abstract

【課題】 めっきリードの切断に伴うバリ等の問題を生じることなく、簡単にシート状態で電気検査ができる、FPCシート、その製造方法、およびハードディスク装置用FPCシートを提供する。
【解決手段】めっきフレーム21と、複数のFPC10とを備えるシートであって、FPCは、ステンレス箔1と、基部絶縁層2と、配線11と、配線から延びてめっきフレームに連結するめっきリード部11kと、これらを覆うカバー絶縁層3とを有し、カバー絶縁層は、めっきフレームを覆いながらシートにわたって共通に位置し、複数のFPCでは、いずれも、めっきリード部を覆うカバー絶縁層の部分が除去され、根元露出部Kが形成されていることを特徴とする。
【選択図】 図1

Description

本発明は、フレキシブルプリント配線板シート、その製造方法、およびハードディスク装置用フレキシブルプリント配線板シートに関するものである。
ハードディスク装置の磁気ヘッドを支持する支持体(金属箔)と、信号伝達のための配線とが一体化された配線板(以下、「磁気ヘッド配線板」と記す)等においては、垂直磁気記録方式などの情報密度の増大に対応して、配線が高密度化している。磁気ヘッド配線板は、支持体に薄いステンレス板(箔)を使用し、エッチング、めっき等の工程を経て製造される。これらの工程で、配線部に意図しない、断線、微細配線間における短絡が生じることがある。現状、このような欠陥は、磁気ヘッド配線板を組み込んで中間製品にまで進んだ段階で、電気検査により発見している。しかし、中間製品にまで進んだ段階で不良品とされ、廃棄される場合、それまでの工数および部品がすべて無駄になる。中間製品に組まれる前の段階で、上記磁気ヘッド配線板の欠陥が発見されることが好ましい。
磁気ヘッド配線板は、1枚のシート内に、数十個、設けられている。1枚のシート内には、めっきフレーム(めっき電極)が巡らされ、そのめっきフレームに繋がれて数十個の同一配線パターン(磁気ヘッド配線板)が形成されている。個々の磁気ヘッド配線板は、配線からめっきリードを延ばして、めっきフレームと導通をとる。配線は銅で形成されており、上記のめっきフレームを用いて、配線の所定部分(接続部)に金めっき層を形成する。個々の磁気ヘッド配線板では、複数の配線が並行しており、配線の根元にめっきリード部が連続し、一方、反対側の先端は、上記複数の配線が開放している。上記の金めっき層を形成し、その他の処理を行ったあと、シートの状態で、中間製品メーカまたは磁気ヘッド配線板組み込みメーカに出荷される。そこで、シートから個々の磁気ヘッド配線板を切り離したあと、中間製品に組み込んでゆく。
上記シート状態における断線等の検査の方法として、金めっき処理後に配線の色または光沢をみて、断線を検査する方法が提案されている(特許文献1)。また、同じ文献において、めっき処理後にめっきリード部を切断して、プローブによって配線間の短絡を検査する方法(電気検査法)が提案されている。
特開2000−57543号公報
上記色や光沢の外観検査では、断線のみしか検査できず、短絡は電気検査が必須となる。しかし、電気検査のためには、めっきリード部を切断しなければならないが、金型等で切断すると、切断部での端子接触、バリやゴミの発生がある。これらのバリやゴミは、短絡、製品キズ、微小パーティクルの発生につながり、追加の加工、追加の検査工程が必要となる。
本発明は、上記めっきリードの切断に伴うバリ等の問題を生じることなく、簡単にシート状態で電気検査ができる、フレキシブルプリント配線板シート、その製造方法、およびハードディスク装置用フレキシブルプリント配線板シートを提供することを目的とする。
本発明のフレキシブルプリント配線板シートは、めっきフレームと、複数のフレキシブルプリント配線板とを備えるシートである。このシートにおいて、フレキシブルプリント配線板は、金属箔と、金属箔上に位置する基部絶縁層と、基部絶縁層上に位置する配線と、配線から延びてめっきフレームに連結するめっきリード部と、配線、およびめっきリード部を覆うカバー絶縁層とを有し、カバー絶縁層は、めっきフレームを覆いながらシートにわたって共通に位置している。そして、複数の配線板では、いずれも、めっきリード部を覆うカバー絶縁層の部分が除去されていることを特徴とする。
上記の構成によれば、つぎの工程(a1)または(a2)を選択的にとることができる。(a1)この後、フレキシブルプリント配線板シートの製造工場出荷前に、工場においてめっきリード部を切断して、各配線板をめっきフレームから分離して、配線板ごとに電気検査をすることができる。(a2)このまま出荷して、中間製品メーカまたは磁気ヘッド配線板組み込みメーカで、めっきリード部を切断して(切断方法は問わない)、配線板を組み込む前に、配線板ごとに電気検査を行うことができる。
上記の(a1)または(a2)により、配線板を中間製品に組み込む前に、フレキシブルプリント配線板シートのままの状態で電気検査を行うので、不具合が発見された場合、当該配線板のみを廃棄すればよいので、無駄を抑制して、製造原価を抑えることができる。また、(a2)において、何らかの理由により従来の方法を踏襲して、中間製品に組み込んだ後に電気検査をするという選択肢もとることができる。
上記(a1)または(a2)で、めっきリード部の切断を、直ちにエッチングによって行うことができる(カバー絶縁層などを除去した後にエッチングを行うという手数をとらなくてよい)。エッチングによって、めっきリード部を除去することで、型抜きやレーザ切断などの切断方法によって発生するバリ、塵芥等の発生を防止することができ、バリ、塵芥等の除去の手間なく、電気検査を確実に行うことが可能になる。
上記カバー絶縁層が除去されている部分のめっきリード部が、除去されていてもよい。これによって、工場出荷前に、シートの状態のまま、フレキシブルプリント配線板ごとに電気検査を行うことができる。このため、フレキシブルプリント配線板を組み込んだ後に電気検査を行って不良が発見される場合に比べて、無駄を大幅に抑えることができる。この結果、フレキシブルプリント配線板を組み込んだ製品の製造歩留りの向上に寄与することができ、またフレキシブルプリント配線板シートに対する高い信頼性を得ることができる。
本発明のフレキシブルプリント配線板シートの製造方法は、めっき処理される配線を有する複数のフレキシブルプリント配線板を備えるシートを製造する方法である。この製造方法では、基部絶縁層上に、めっきフレーム、フレキシブルプリント配線板ごとの配線、およびめっきフレームとフレキシブルプリント配線板ごとの配線とを連結するめっきリード部、を形成する配線層形成工程と、配線層を覆うカバー絶縁層を形成する工程と、めっきリード部上のカバー絶縁層の部分を除去する工程とを備えることを特徴とする。
上記の方法によれば、この後、めっきリード部を簡単に切断することができ、配線板シートの状態のまま電気検査を行うことができる。このため、フレキシブルプリント配線板を中間製品に組み込んでから行う電気検査によってフレキシブルプリント配線板に不具合が発見された場合に比べて、除去による無駄を抑制することができる。
上記の除去されたカバー絶縁層の部分のめっきリード部を、エッチングによって除去することができる。これによって、塵芥、金属粉などの発生なく、確実にめっきリード部をめっきフレームから分離することができる。このため、配線板ごとに、信頼性の高い電気検査を行うことができる。
金属箔の部分をエッチングする工程を備え、めっきリード部のエッチング工程では、同じエッチング機会に、ともにエッチングするのがよい。これによって、たとえば上記のフレキシブルプリント配線板を磁気ヘッドに用いる場合、磁気ヘッドの磁気信号採取部となる、フレキシブルプリント配線板の先端部(めっきリードと逆側の端)の金属箔を除去する必要があるが、この金属箔の除去の機会に合わせて、めっきリード部を除去することができ、製造能率の向上を得ることができる。
上記のフレキシブルプリント配線板の配線の部分に金めっき処理をする工程を備え、めっきリード部上のカバー絶縁層の部分の除去は、金めっき処理をする部分のカバー絶縁層を除去する機会に、ともに行うことができる。これによって、工数節減をして製造能率を向上することができる。
本発明のハードディスク装置用フレキシブルプリント配線板シートは、上記のいずれかのフレキシブルプリント配線板シート、またはいずれかの製造方法で製造されたフレキシブルプリント配線板シートにおいて、フレキシブルプリント配線板を、磁気ヘッドに用いるフレキシブルプリント配線板とすることを特徴とする。これによって、製造原価を抑制できるフレキシブルプリント配線板シートを経た、高信頼性の配線板からなるハードディスク装置用フレキシブルプリント配線板シートを得ることができる。
本発明のフレキシブルプリント配線板シート等によって、バリ等の問題を生じることなく、簡単にシート状態での電気検査が可能となる。
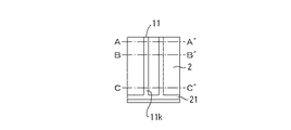
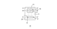
図1は、本発明の実施の形態におけるフレキシブルプリント配線板シート50を示す平面図である。フレキシブルプリント配線板10は、ハードディスク装置用フレキシブルプリント配線板(以下、FPCと記し、FPCを含むシートをFPCシートと記す)であり、矩形の点線で輪郭が表示されている。図1のFPCシート50では、FPC10の配列は縦横が辺に平行するように揃っているが、揃っている必要はなく、同じ端部を突き合わせて、シートまたはカバー絶縁層3の辺に対して斜めに配置されていてもよい。また、このあと説明するめっきフレーム21に対して斜めに配置されていてもよい。図1では、FPC10の配線11は、1本の太線で表示されているが、より詳しくは、図2に示すように、たとえば3本またはそれを超える本数の導線が並行している。配線11は、先端部が屈曲しており、その屈曲部が対向し、対をなすように配置される。配線11から延びてめっきリード部11kが設けられ、このめっきリード部11kは、めっきフレーム21に連続している。めっきリード部11kは、図1では、FPCの一方の端にのみ設けられているが、両方の端に設けられてもよい。配線11/めっきリード部11k/めっきフレーム21は、図1および図2において、同じ層(高さ、厚み方向位置)である配線層に位置している。この配線層は、このあと説明する製造方法から分かるように、図2に示す基部絶縁層2上に位置する。配線層を覆うようにカバー絶縁層3が位置するが、配線11の一部の領域では、接続のために金めっき処理されており(図14および図15(b)参照)、この接続用の金めっきされた箇所では、カバー絶縁層3は除去されている。
(本発明の実施の形態のFPCシート50におけるポイント)
ポイントは、図2に示すように、めっきリード部11k上のカバー絶縁層3が除去され、めっきリード部11kの一部が露出される根元露出部Kが形成されている点にある。根元露出部Kは、めっきリード部11kのすべての部分に対応する領域を露出したものでもよいし、めっきリード部11kの一部の領域を露出したものでもよい。根元露出部Kでは、基部絶縁層2と、その基部絶縁層上のめっきリード部11kと、が露出される。めっきリード部11kは、上述の接続のための金めっき処理のために必要であるが、金めっき処理を終了した後では、不要となる。むしろFPC10を、個々に、電気検査するためには、めっきリード部11kが、めっきフレーム21に連結されていることは、障害になる。めっきリード部11kの除去は、エッチング処理で行えば、上述のようにバリ、塵芥等が発生せずに、確実かつ容易に、FPCごとに電気検査を行うことが可能になる。図1に示すように、FPCシート50に根元露出部Kを形成することは、(e1)エッチングによるめっきリード部11kの除去の準備となる。
また、たとえば、エッチングではなく型抜きやレーザ照射により、切断する場合でも、(e2)根元露出部Kのみが露出されるので、電気検査において、バリや塵芥の影響を受けにくくする。根元露出部Kは、配線11の全巾または配線の本数すべて、を露出させなければならないが、長手方向には、切断(開放)が確保されるだけの長さがあればよい。さらに、エッチングだけでなく、(e3)型抜き(金属刃による切断)やレーザ切断(光エネルギの融解による切断)によるめっきリード部11kの切断を、円滑に行うための準備となる。
根元露出部Kの形成によって、上記(e1)〜(e3)の利点を得ることができる。
次に、上記のFPCシート50の製造方法について、説明する。
まず、図3に示すように、金属箔であるステンレススティール(以下、ステンレス)箔1の上に、基部絶縁層2となるポリイミド層を形成する。ステンレス箔1は、支持体としての強度上の中核部材であり、磁気ヘッドの信号採取部分が、磁気記録媒体(ディスク)面から浮き上がることを許容しながら弾性的に支持する役割を担う。
次に、図4および図5に示すように、配線11/めっきリード部11k/めっきフレーム21からなる配線層を形成する。より細かく具体的な処理について述べれば、図3のポリイミド層2の上に、無電解めっき等によりニッケルやクロムなどの導体薄膜を形成する。その導体薄膜上にレジストパターンを形成した後、導体薄膜上に銅めっきにより、配線11/めっきリード部11k/めっきフレーム21を形成する。そのあと、配線11/めっきリード部11k/めっきフレーム21が形成されていない部分(図示せず)の導体薄膜を除去する。この段階では、図4における、以下の3つの位置での断面は同じである。
断面位置A−A’:信号採取部に対応する先端位置
断面位置B−B’:接続のための金めっき層が形成される位置
断面位置C−C’:めっきリード11kに対応する位置
たとえば断面位置A−A’を、A断面位置またはA断面と記す。BおよびCについても同様である。なお、配線は、図1の表示に合わせて2本が示されているが、実際は、図2に示すように、より多くの配線が設けられる。
次いで、カバー絶縁層3で、配線11/めっきリード部11k/めっきフレームを被覆する。カバー絶縁層3は、ポリイミド、テフロン(登録商標)、および液晶ポリマーのいずれかで形成するのがよい。剛性が大きくなることが問題にならない場合には、ガラスエポキシでカバー絶縁層を形成してもよい。しかし、磁気ヘッドの場合には、上述のように、微妙でしなやかな弾性を必要とするので、上記材料で形成するのがよい。カバー絶縁層3を形成した後、図6および図7に示すように、金めっきする部分(B断面位置)およびめっきリード部11kに対応する部分(C断面位置)のカバー絶縁層3を除去する。図7(a)は、図6におけるA断面であり、図7(b)は、図6において同じ断面形態を示す、B断面およびC断面を示す。めっきリード部11kの位置におけるカバー絶縁層3を、除去しておくのは、後で説明するように、金めっき処理が済んだ後、めっきリード部11kを除去するのを能率よく行うためである。
次いで、図8および図9に示すように、金めっき層を形成する部分(B断面位置)をあけて、レジストパターン4を形成する。図9(a)は図8のA断面であり、図9(b)はB断面であり、図9(c)はC断面である。金めっき層を形成するB断面位置のみあけており、金めっきのめっき液が導入されるようになっている。金めっき層の形成はしないので、めっきリード部11kの位置では、カバー絶縁層が除去された状態でレジストの天井(蓋)4が形成される。
次に、B断面位置の配線11に金めっき層15が形成される。図10は、配線11に金めっき層15が形成されたB断面を示す図である。金めっき処理においては、上記のめっきフレーム21をめっき電極(マイナス極)として、図示しない金イオン供給電極(プラス極)から金イオンが供給され、金めっき層15が形成される。この金めっき層15が形成された部分には、接続のためのボンディングなどがなされる。この後、レジストパターン4を除去すると、図11(a)〜(c)の各断面の状態が得られる。この後、図11(c)に示すC断面におけるめっきリード部11kを除去するために、レジストパターンを形成する。
図12は、めっきリード部11kおよびA断面位置のステンレス箔1の一部を、エッチングによって除去するためのレジストパターンを、形成した状態の平面図である。また、図13(a)〜図13(c)は、A断面図〜C断面図である。レジストパターン6は、2箇所であいている。1つは、先端部のA断面位置であり、除去するステンレス箔1の部分に対応してあいている。他の1つは、めっきリード部11kが位置するC断面位置である。図13(a)〜(c)の状態のFPCシート50をエッチャントに浸漬して、図13(a)のステンレス箔1の一部、および図13(c)のめっきリード部11kを、それぞれ除去する。そのあと、レジストパターン6を除去する。
図14は、上記レジストパターンを除去した後の平面図である。また、図15(a)〜(c)は、A断面図〜C断面図である。本発明の実施の形態におけるFPCシート50では、図15(c)に示すように、めっきリード部11kが除去されている。
従来は、めっきリード部11kの除去は、FPCシート製造工場においても、また出荷先のFPCを中間製品に組み込む中間製品メーカにおいても、なされたことはなかった。このため、従来は、出荷時において、めっきリード部11kを被覆するカバー絶縁層3は残存していた。従来は、図7(b)のようにカバー絶縁層3が除去される工程はなく、常に、図7(a)のようにカバー絶縁層3に被覆されていた。ただし、先端部(A断面位置)において、ステンレス箔1の一部分を除去するのは、磁気ディスクから信号を採取するのに必須であり、例外なく行われていた。上記のめっきリード部11kのエッチングによる除去は、上記ステンレス箔1の一部の除去の後で、別個の処理によって行ってもよいが、先端部のステンレス箔1の一部の除去と同じ機会に行うことで、工数を節減することができる。
図16は、上記本発明の実施の形態におけるFPCシート50の利点を、説明するためのフローチャートである。上記の製造方法の説明で用いた図と併用する。
(1)カバー絶縁層の除去
本発明の実施の形態においては、FPCシート50において、各FPC10に設けられためっきリード部11kを露出させる。そのために、図6および図7に示す段階で、カバー絶縁層3について、めっきリード部11kを被覆しない状態を準備しておく。すなわち、必須の処理である金めっき処理をするB断面位置と同じように、C断面位置においても、カバー絶縁層3を除去しておく。C断面位置のために特別に、カバー絶縁層3の除去工程を設けるのではなく、B断面位置のカバー絶縁層3の除去と同じタイミングで行うことにより、工数節減をすることができる。
B断面位置で、配線11に金めっき層15を形成した後、レジストパターンを除去すると、図11(c)に示すように、めっきリード部11kが露出される。このめっきリード部11kが露出された状態(図11(c))が、図16に示す本発明の実施の形態のトップ欄の段階を示す。めっきリード部11kは金めっき処理が終了した後は、使用することはない。このあと、(a1)コースについて説明する。
(2)エッチング処理
(a1)コースでは、エッチング処理の機会に、めっきリード部11k、および先端部のステンレス箔の一部を、ともに除去する。上述のように、先端部のステンレス箔1の一部の除去は、磁気ヘッド用配線板においては、必須である。この必須のエッチング処理の際に、めっきリード部11kを除去することができる。したがって別個にめっきリード部11kを除去するためのエッチング処理工程を設ける必要がなく、工数節減をすることができる。
(3)FPCシートの状態での電気検査
FPC10は、上記めっきリード部11kの除去によって、電気的に独立した状態になり、個別に、電気検査をすることができる。これによって、中間製品に組み込んだ後で電気検査をして不良品が見出される場合に比べて、早い段階で不良品を発見することができる。よって、中間製品の製造歩留りを高め、中間製品における部品(配線板)コストを抑制することができる。この結果、出荷先の中間製品メーカの製造コストを低減することができる。
めっきリード部11kを露出させ、次いで、めっきリード部11kを除去することなく、ステンレス箔1の一部を除去して、出荷したフローについて説明する。このフローは、(a2)コースである。(a2)コースでは、出荷先は、任意の方法でめっきリード部11kを、めっきフレーム21から分離することができる。めっきリード部11kは、カバー絶縁層3に被覆されていないので、そのめっきリード部11kの切断は、比較的、容易である。切断には、エッチング以外に、打ち抜きやレーザ切断などの方法を用いてもよい。めっきリード部11kのみが露出して、他の配線の部分は被覆されているので、バリ等の影響を抑制することができる。このため、工数を要さず各FPCをめっきフレーム21から分離することができ、FPCシート50の状態のまま、FPC10ごとに電気検査を行うことができる。これによって、(a1)コースと同じ利点を得ることができる。
(a2)コースの場合、出荷先で、めっきリード部11kを切断することなく、FPCを取り出し、そのFPCを中間製品に組み込んでもよい。この場合は、従来の方式と変わらず、中間製品で電気検査を行うことになる。このコースは、最も広い本発明の範囲における「めっきリード部を露出させたFPCシート」の利点を生かしておらず、従来と実質的に同じになる。本発明は、上述のように、めっきリード部を切断して、工場出荷時に、FPCごとに電気検査を行い、このような不利用のコースを生じさせない範囲を含んでいる。
比較のために、従来のフローを、図17に示す。めっきリード部11kは、カバー絶縁層3に被覆されており、当然、めっきリード部11kは残存したまま、出荷される。ただし、必須の処理である先端部のステンレス箔1の一部の除去は行われる。電気検査が、シートの状態で、フレキシブルプリント配線板ごとに行われることはなく、中間製品に組み込んだあと、中間製品の状態で電気検査が行われる。図17のフローと、図16のフローとを比較すれば、(1)フレキシブルプリント配線板シートに対する高い信頼性の確保、(2)フレキシブルプリント配線板シートを組み込んだ製品の製造歩留りの向上への寄与、という点で、本発明の有用性は明白である。
上記において、本発明の実施の形態および実施例について説明を行ったが、上記に開示された本発明の実施の形態および実施例は、あくまで例示であって、本発明の範囲はこれら発明の実施の形態に限定されない。本発明の範囲は、特許請求の範囲の記載によって示され、さらに特許請求の範囲の記載と均等の意味および範囲内でのすべての変更を含むものである。
本発明により、とくに工数を余分に設けることなく、シートの状態のまま、フレキシブルプリント配線板ごとに電気検査を行うことが可能になる。このため、製造コストを高めずに、中間製品におけるコスト等を節減することができる。
本発明の実施の形態におけるFPCシートを示す平面図である。 図1のFPCにおけるめっきリード部の部分拡大図である。 図1のFPCシートの製造において、ステンレス箔上にポリイミド層の基部絶縁層を形成した状態を示す図である。 基部絶縁層上に、配線/めっきリード部/めっきフレームを形成した状態を示す平面図である。 図4の各部の断面図であり、A、BおよびC断面位置で同じである。 カバー絶縁層で一様に被覆した後、B断面位置の配線に金めっきするために、カバー絶縁層を部分的に除去した状態を示す平面図である。 図6の各部の断面図であり、(a)はA断面図であり、(b)は、B断面図およびC断面図である。 B断面位置の配線に金めっきするためのレジストパターンを形成した状態の平面図である。 図8の各部の断面図であり、(a)はA断面図、(b)はB断面図、(c)はC断面図である。 金めっき処理した後の、B断面図である。 金めっき処理後にレジストパターンを除去した後の断面図であり、(a)はA断面図、(b)はB断面図、(c)はC断面図である。 めっきリード部および先端部のステンレス箔の一部を除去するためにレジストパターンを形成した状態の平面図である。 図12の各部の断面図であり、(a)はA断面図、(b)はB断面図、(c)はC断面図である。 エッチングにより、めっきリード部および先端部のステンレス箔の一部を除去した状態を示す平面図である。 図14の各部の断面図であり、(a)はA断面図、(b)はB断面図、(c)はC断面図である。 本発明の実施の形態のFPCシートの出荷および電気検査の工程を含むフローチャートである。 従来のFPCシートの出荷および電気検査の工程を含むフローチャートである。
符号の説明
1 ステンレス箔、2 ポリイミド層(基部絶縁層)、3 カバー絶縁層、4 レジストパターン、6 レジストパターン、10 フレキシブルプリント配線板(FPC)、11 配線、11k めっきリード部、15 金めっき層、21 めっきフレーム、50 フレキシブルプリント配線板シート、K 根元露出部。

Claims (7)

  1. めっきフレームと、複数のフレキシブルプリント配線板とを備えるシートであって、
    前記フレキシブルプリント配線板は、
    金属箔と、
    前記金属箔上に位置する基部絶縁層と、
    前記基部絶縁層上に位置する配線と、
    前記配線から延びて前記めっきフレームに連結するめっきリード部と、
    前記配線、および前記めっきリード部を覆うカバー絶縁層とを有し、
    前記カバー絶縁層は、前記めっきフレームを覆いながら前記シートにわたって共通に設けられており、
    前記複数の配線板では、いずれも、前記めっきリード部を覆う前記カバー絶縁層の部分が除去されていることを特徴とする、フレキシブルプリント配線板シート。
  2. 前記カバー絶縁層の除去されている部分の前記めっきリード部が、除去されていることを特徴とする、請求項1に記載のフレキシブルプリント配線板シート。
  3. めっき処理される配線を有する複数のフレキシブルプリント配線板を備えるシートの製造方法であって、
    基部絶縁層上に、めっきフレーム、前記フレキシブルプリント配線板ごとの配線、および前記めっきフレームとフレキシブルプリント配線板ごとの配線とを連結するめっきリード部、を形成する配線層形成工程と、
    前記配線層を覆うカバー絶縁層を形成する工程と、
    前記めっきリード部上のカバー絶縁層の部分を除去する工程とを備えることを特徴とする、フレキシブルプリント配線板シートの製造方法。
  4. 前記除去されたカバー絶縁層の部分のめっきリード部を、エッチングによって除去することを特徴とする、請求項3に記載のフレキシブルプリント配線板シートの製造方法。
  5. 前記金属箔の部分をエッチングする工程を備え、前記めっきリード部のエッチング工程では、同じエッチング機会に、ともにエッチングすることを特徴とする、請求項4に記載のフレキシブルプリント配線板シートの製造方法。
  6. 前記フレキシブルプリント配線板の配線の部分に金めっき処理をする工程を備え、前記めっきリード部上のカバー絶縁層の部分の除去は、前記金めっき処理をする部分のカバー絶縁層を除去する機会に、ともに行うことを特徴とする、請求項3〜5のいずれか1項に記載のフレキシブルプリント配線板シートの製造方法。
  7. 請求項1もしくは2に記載の前記フレキシブルプリント配線板シート、または請求項3〜6のいずれか1項に記載の前記製造方法で製造された前記フレキシブルプリント配線板シートにおいて、前記フレキシブルプリント配線板を、磁気ヘッドに用いられるフレキシブルプリント配線板とすることを特徴とする、ハードディスク装置用フレキシブルプリント配線板シート。
JP2008248250A 2008-09-26 2008-09-26 フレキシブルプリント配線板シート、およびその製造方法 Active JP5190695B2 (ja)

Priority Applications (3)

Application Number Priority Date Filing Date Title
JP2008248250A JP5190695B2 (ja) 2008-09-26 2008-09-26 フレキシブルプリント配線板シート、およびその製造方法
TW98127150A TWI439187B (zh) 2008-09-26 2009-08-12 可撓性印刷配線板薄片及其製造方法
CN 200910176054 CN101686600B (zh) 2008-09-26 2009-09-25 柔性印刷配线板片及其制造方法、以及硬盘装置用柔性印刷配线板片

Applications Claiming Priority (1)

Application Number Priority Date Filing Date Title
JP2008248250A JP5190695B2 (ja) 2008-09-26 2008-09-26 フレキシブルプリント配線板シート、およびその製造方法

Publications (2)

Publication Number Publication Date
JP2010080722A true JP2010080722A (ja) 2010-04-08
JP5190695B2 JP5190695B2 (ja) 2013-04-24

Family

ID=42049474

Family Applications (1)

Application Number Title Priority Date Filing Date
JP2008248250A Active JP5190695B2 (ja) 2008-09-26 2008-09-26 フレキシブルプリント配線板シート、およびその製造方法

Country Status (3)

Country Link
JP (1) JP5190695B2 (ja)
CN (1) CN101686600B (ja)
TW (1) TWI439187B (ja)

Cited By (2)

* Cited by examiner, † Cited by third party
Publication number Priority date Publication date Assignee Title
JP2013186934A (ja) * 2012-03-12 2013-09-19 Dainippon Printing Co Ltd 支持枠付サスペンション用基板
US12317424B2 (en) 2019-05-16 2025-05-27 Nitto Denko Corporation Wiring circuit board

Families Citing this family (5)

* Cited by examiner, † Cited by third party
Publication number Priority date Publication date Assignee Title
CN103634704A (zh) * 2012-08-24 2014-03-12 四川联友电讯技术有限公司 具有保护罩的数字配线架
CN103060809B (zh) * 2013-01-09 2015-05-06 苏州运宏电子有限公司 不锈钢无微连接点蚀刻成形方法
TWI600072B (zh) * 2017-01-23 2017-09-21 Linco Technology Co Ltd Coated film burr removal method
JP7060450B2 (ja) * 2018-05-31 2022-04-26 日東電工株式会社 配線回路基板集合体シート、その製造方法および配線回路基板の製造方法
CN110944459B (zh) * 2019-11-11 2021-06-18 广州兴森快捷电路科技有限公司 一种去除fpc覆盖膜的方法

Citations (2)

* Cited by examiner, † Cited by third party
Publication number Priority date Publication date Assignee Title
JP2002020898A (ja) * 2000-07-07 2002-01-23 Nitto Denko Corp 長尺基板のめっき方法およびめっき装置
JP2003321796A (ja) * 2002-04-30 2003-11-14 Nitto Denko Corp めっき装置およびそれを用いた配線基板の製造方法

Family Cites Families (4)

* Cited by examiner, † Cited by third party
Publication number Priority date Publication date Assignee Title
JP2001209918A (ja) * 1999-11-19 2001-08-03 Nitto Denko Corp 回路付サスペンション基板
JP4158772B2 (ja) * 2005-01-25 2008-10-01 日本電気株式会社 接栓端子付きプリント基板及びその製造方法
JP4762749B2 (ja) * 2006-02-14 2011-08-31 日東電工株式会社 配線回路基板およびその製造方法
CN100558221C (zh) * 2006-07-28 2009-11-04 比亚迪股份有限公司 柔性线路板图形镀方法、图形镀底片及柔性线路板

Patent Citations (2)

* Cited by examiner, † Cited by third party
Publication number Priority date Publication date Assignee Title
JP2002020898A (ja) * 2000-07-07 2002-01-23 Nitto Denko Corp 長尺基板のめっき方法およびめっき装置
JP2003321796A (ja) * 2002-04-30 2003-11-14 Nitto Denko Corp めっき装置およびそれを用いた配線基板の製造方法

Cited By (2)

* Cited by examiner, † Cited by third party
Publication number Priority date Publication date Assignee Title
JP2013186934A (ja) * 2012-03-12 2013-09-19 Dainippon Printing Co Ltd 支持枠付サスペンション用基板
US12317424B2 (en) 2019-05-16 2025-05-27 Nitto Denko Corporation Wiring circuit board

Also Published As

Publication number Publication date
TW201014477A (en) 2010-04-01
TWI439187B (zh) 2014-05-21
CN101686600A (zh) 2010-03-31
CN101686600B (zh) 2013-10-16
JP5190695B2 (ja) 2013-04-24

Similar Documents

Publication Publication Date Title
JP5190695B2 (ja) フレキシブルプリント配線板シート、およびその製造方法
KR100503977B1 (ko) 플렉시블 배선기판 소편 및 배선시트
US8853546B2 (en) Printed circuit board and method of manufacturing the same
EP1906714B1 (en) Wired Circuit Board and Producing Method Thereof
CN106356079B (zh) 带电路的悬挂基板集合体片及其制造方法和检查方法
US9451704B2 (en) Suspension board assembly sheet with circuits and method for manufacturing the same
JP2005100488A (ja) 回路付サスペンション基板およびその製造方法
JP2011118966A (ja) 電子部品と配線回路基板との接続構造、配線回路基板アッセンブリ、および、電子部品の検査方法
US9648726B2 (en) Suspension board assembly sheet with circuits and manufacturing method of the same
JP2012142053A (ja) サスペンション用基板、サスペンション、ヘッド付サスペンション、およびハードディスクドライブ、並びにサスペンション用基板の製造方法
US20110048791A1 (en) Printed circuit board and method of manufacturing the same
CN101562170A (zh) 带电路的悬挂基板及其制造方法
US20130029500A1 (en) Connector and fabrication method thereof
JP2010010346A (ja) プリント基板の製造方法
JP5565182B2 (ja) 支持枠付サスペンション用基板およびその製造方法
US20070089826A1 (en) Method for producing a multilayer printed wiring board
JP4358682B2 (ja) 回路付サスペンション基板の導体パターンの導通検査方法
JP5058041B2 (ja) コンタクトプローブの製造方法
JP2009200432A (ja) フレキシブル配線基板およびその製造方法
JPH10154308A (ja) Hdd磁気ヘッド用フレキシブル配線材

Legal Events

Date Code Title Description
A625 Written request for application examination (by other person)

Free format text: JAPANESE INTERMEDIATE CODE: A625

Effective date: 20110421

A977 Report on retrieval

Free format text: JAPANESE INTERMEDIATE CODE: A971007

Effective date: 20120531

A131 Notification of reasons for refusal

Free format text: JAPANESE INTERMEDIATE CODE: A131

Effective date: 20120626

A521 Request for written amendment filed

Free format text: JAPANESE INTERMEDIATE CODE: A523

Effective date: 20120821

TRDD Decision of grant or rejection written
A01 Written decision to grant a patent or to grant a registration (utility model)

Free format text: JAPANESE INTERMEDIATE CODE: A01

Effective date: 20130107

A61 First payment of annual fees (during grant procedure)

Free format text: JAPANESE INTERMEDIATE CODE: A61

Effective date: 20130117

R150 Certificate of patent or registration of utility model

Ref document number: 5190695

Country of ref document: JP

Free format text: JAPANESE INTERMEDIATE CODE: R150

Free format text: JAPANESE INTERMEDIATE CODE: R150

FPAY Renewal fee payment (event date is renewal date of database)

Free format text: PAYMENT UNTIL: 20160208

Year of fee payment: 3

R250 Receipt of annual fees

Free format text: JAPANESE INTERMEDIATE CODE: R250

R250 Receipt of annual fees

Free format text: JAPANESE INTERMEDIATE CODE: R250

R250 Receipt of annual fees

Free format text: JAPANESE INTERMEDIATE CODE: R250

R250 Receipt of annual fees

Free format text: JAPANESE INTERMEDIATE CODE: R250

R250 Receipt of annual fees

Free format text: JAPANESE INTERMEDIATE CODE: R250

R250 Receipt of annual fees

Free format text: JAPANESE INTERMEDIATE CODE: R250

R250 Receipt of annual fees

Free format text: JAPANESE INTERMEDIATE CODE: R250

R250 Receipt of annual fees

Free format text: JAPANESE INTERMEDIATE CODE: R250

R250 Receipt of annual fees

Free format text: JAPANESE INTERMEDIATE CODE: R250

R250 Receipt of annual fees

Free format text: JAPANESE INTERMEDIATE CODE: R250