JP2010067279A - ラベル発行情報処理システム - Google Patents

ラベル発行情報処理システム Download PDF

Info

Publication number
JP2010067279A
JP2010067279A JP2009280795A JP2009280795A JP2010067279A JP 2010067279 A JP2010067279 A JP 2010067279A JP 2009280795 A JP2009280795 A JP 2009280795A JP 2009280795 A JP2009280795 A JP 2009280795A JP 2010067279 A JP2010067279 A JP 2010067279A
Authority
JP
Japan
Prior art keywords
label
information
issuance
issuer
issue
Prior art date
Legal status (The legal status is an assumption and is not a legal conclusion. Google has not performed a legal analysis and makes no representation as to the accuracy of the status listed.)
Granted
Application number
JP2009280795A
Other languages
English (en)
Other versions
JP5007741B2 (ja
Inventor
Jun Okazaki
潤 岡▲崎▼
Yasuyuki Uchiyama
康幸 内山
Hayato Hikimoto
隼 挽本
Current Assignee (The listed assignees may be inaccurate. Google has not performed a legal analysis and makes no representation or warranty as to the accuracy of the list.)
Max Co Ltd
Original Assignee
Max Co Ltd
Priority date (The priority date is an assumption and is not a legal conclusion. Google has not performed a legal analysis and makes no representation as to the accuracy of the date listed.)
Filing date
Publication date
Application filed by Max Co Ltd filed Critical Max Co Ltd
Priority to JP2009280795A priority Critical patent/JP5007741B2/ja
Publication of JP2010067279A publication Critical patent/JP2010067279A/ja
Application granted granted Critical
Publication of JP5007741B2 publication Critical patent/JP5007741B2/ja
Active legal-status Critical Current
Anticipated expiration legal-status Critical

Links

Images

Landscapes

  • Accessory Devices And Overall Control Thereof (AREA)

Abstract

【課題】ラベル発行操作が許可された者によってラベルが発行されたラベルプリンタ毎に、そのラベル発行履歴を一元管理できるようにする。
【解決手段】食品表示に関する情報をラベルに印字して出力する複数のラベルプリンタ100と、ラベル発行操作が許可された者を識別する情報を発行者識別情報としたとき、少なくとも、ラベルプリンタ毎に発行者識別情報を設定するラベル発行管理システム300とを備え、ラベル発行管理システム300は、発行者識別情報が設定されたラベルプリンタ100からラベル発行時のラベル発行操作によって生じたラベル発行履歴情報をラベル発行後に受信し、当該ラベルプリンタから受信したラベル発行履歴情報を当該ラベルプリンタ100毎に蓄積して情報処理する。ラベル発行操作が許可された者によってラベルが発行されたラベルプリンタ毎に、そのラベル発行履歴情報を一元管理できるようになる。
【選択図】 図1

Description

この発明は、食品表示に関する情報をラベルに印字して発行する発行者及び発行賞味期限管理システムに適用可能なラベル発行情報処理システムに関するものである。詳しくは、発行者識別情報をラベルプリンタ毎に設定するラベル発行管理装置を備え、ラベルプリンタから受信したラベル発行履歴情報を当該ラベルプリンタ毎に蓄積して情報処理するようにして、ラベル発行操作が許可された者によってラベルが発行されたラベルプリンタ毎に、そのラベル発行履歴情報を一元管理できるようにすると共に、ラベルの発行者や、その発行枚数、金額及び賞味期限等を含むラベル発行履歴情報を基にして生産計画を組むこと、及び、賞味期限の偽造や賞味期限の発行ミス等を防止できるようにしたものである。
現在、スーパー等で販売されている食料品等には、その包装容器などに食料品等の内容が判るように適切な表示が、食品衛生法やJAS法(農林物質の規格化および品質表示の適正化に関する法律)によって義務付けられている。この食品表示では、食品衛生法やJAS法に規定された最低限の表示項目を満たす必要がある。名称(品名)、原材料名(遺伝子組み換え食品である旨、食品添加物)、内容量、期限表示(消費期限、賞味期限)、保存方法および製造者、製造所の所在地などの7項目が食品表示に必要な表示項目とされている。通常はこれらの表示項目の全てがラベルシート(ロール紙)に印字され、印字されたラベルが包装容器に貼着される。
ラベルの作成及び貼付作業には、通常、ラベルプリンタが使用される。ラベルプリンタは、入力操作部から直接入力されたレイアウト情報、又はパーソナルコンピュータ(以下パソコンという)等で作成された後、メモリカード等を介して入力されたレイアウト情報を、ラベルに印刷するものである。ラベル用のロール紙は、帯状の剥離紙に、一定のピッチで所定の大きさのシール状のラベルが連続して仮止めされているものであり、ロール状に巻かれた状態でラベルプリンタ本体に装着される。
上述したようにラベルプリンタには印字情報を保存するメモリ手段が備えられ、印字情報を含んだレイアウト情報(定型版)を読み出し、使用者が生産し、製造し、加工する品目に適した表示項目と表示内容に変更した上で、それぞれ品目に関連させて保存されている。また、品目の販売定価は、日々変更されるケースが多いので、実際に印字するときには、保存された品目レイアウト(レイアウト情報)を読み出し、価格項目の欄に印字される価格を修正した上で、所定枚数のラベルを印字している。
この種のラベルプリンタに関連して、特許文献1には、管理サーバから配信されたユーザ毎の商品マスタに基づいて値付けを行うシステムが開示されている。特許文献2には、通信回線を介して接続された中央装置から売値情報を受信することで、売値の更新操作を効率よく行えるようにしたものである。特許文献3は商品の売値情報などを記憶したファイルを、通信回線を介してアクセスできるようにしたものである。
特開2004−351775号公報 特開平7−205950号公報 特開平11−232067号公報
ところで、従来例及び特許文献1〜3に見られるようなラベルプリンタによれば、ラベル発行操作が許可された者以外の者でも、ラベルプリンタを操作して、ラベルを発行することができる。このように、ラベルの発行者を特定せず、誰でもラベルが発行ができてしまうと、何かしらの問題があった場合に、ラベルの発行履歴を確認することが困難となる。また、賞味期限の書き換え権限も与えることなく、自由に書き換えを許してしまうと、賞味期限の改ざん等に繋がるという問題がある。
現行では、ラベルの発行履歴が一元管理されておらず、ラベルの発行者や、その発行枚数、金額及び賞味期限等を含むラベル発行計画と、販売製造対象となった製品の生産計画とをリンクさせた情報管理システムが未だ確立されていない。従って、賞味期限の偽造や賞味期限の発行ミス等を防止できていないのが現状である。因みに、賞味期限の発行ミス等の問題が発生したとき、ラベルの発行履歴の検索や、検証に供される情報が整備されていないので、その原因を早期に究明することが困難となる。
そこで、この発明は上述した課題を解決したものであって、ラベル発行操作が許可された者によってラベルが発行されたラベルプリンタ毎に、そのラベル発行履歴情報を一元管理できるようにしたラベル発行情報処理システムを提供することを目的とする。
上記課題を解決するために、本発明に係るラベル発行情報処理システムは、食品表示に関する情報をラベルに印字して出力する複数のラベルプリンタと、ラベル発行操作が許可された者を識別する情報を発行者識別情報としたとき、少なくとも、前記ラベルプリンタ毎に発行者識別情報を設定するラベル発行管理装置とを備え、前記ラベル発行管理装置は、前記発行者識別情報が設定された前記ラベルプリンタからラベル発行時の前記ラベル発行操作によって生じたラベル発行履歴情報をラベル発行後に受信し、当該ラベルプリンタから受信したラベル発行履歴情報を当該ラベルプリンタ毎に蓄積して情報処理することを特徴とするものである。
本発明に係るラベル発行情報処理システムによれば、ラベル発行管理装置は、ラベル発行操作が許可された者を識別するための発行者識別情報をラベルプリンタ毎に設定する。これを前提にして、ラベル発行管理装置は、発行者識別情報が設定されたラベルプリンタからラベル発行時のラベル発行操作によって生じたラベル発行履歴情報をラベル発行後に受信する。その後、ラベル発行管理装置はラベルプリンタから受信したラベル発行履歴情報を当該ラベルプリンタ毎に蓄積して情報処理するようになる。従って、ラベル発行操作が許可された者によってラベルが発行されたラベルプリンタ毎に、そのラベル発行履歴を一元管理できるようになる。
本発明に係るラベル発行情報処理システムによれば、ラベル発行操作が許可された者を識別するための発行者識別情報をラベルプリンタ毎に設定するラベル発行管理装置を備え、ラベルプリンタから受信したラベル発行履歴情報を当該ラベルプリンタ毎に蓄積して情報処理するようになされる。
この構成によって、ラベル発行操作が許可された者によってラベルが発行されたラベルプリンタ毎に、そのラベル発行履歴を一元管理できるようになる。これにより、ラベルの発行者や、その発行枚数、金額及び賞味期限等を含むラベル発行履歴情報を元に生産計画を組むことができる。しかも、賞味期限の偽造や賞味期限の発行ミス等を防止できるようになる。因みに賞味期限の発行ミス等の問題が発生したとき、ラベル発行履歴情報を検索及び検証することで、その原因を早期に究明できるようになる。
実施形態として発行者&発行賞味期限管理システム1の構成例を示す説明図である。 FTPサーバ20の制御系の構成例を示すブロック図である。 ラベルプリンタ100の外観例を示す斜視図である。 入力操作部74の構成例を示す平面図である。 ラベルプリンタ100の制御系の構成例を示すブロック図である。 発行者リストファイルF1の構成例を示す表図である。 食品用のリストファイルF2の構成例を示す表図である。 ラベル30の構成例を示す平面図である。 (A)及び(B)は、レイアウトファイルF3及びその書き換え例を示す表図である。 (A)及び(B)は、発行記録ファイルF4及びF4’の記述例を示す表図である。 FTPサーバ20、生産管理システム400及び管理ビュアシステム500における情報の流れを示す説明図である。 生産管理システム400における情報処理例を示すフローチャートである。 ラベル発行管理システム300における情報処理例を示すフローチャートである。 FTPサーバ20及びラベルプリンタ100における情報の流れを示す説明図である。
以下、図面を参照しながら、この発明に係る実施形態としてのラベル発行情報処理システムについて説明をする。図1は、実施形態として発行者&発行賞味期限管理システム1の構成例を示す説明図である。
図1に示す発行者&発行賞味期限管理システム1は、ラベル発行情報処理システムの一例を構成し、食品表示に関する情報をラベル30(図8参照)に印字して発行する複数のラベルプリンタ100及び、これを取り扱う発行者を管理するシステムであって、ラベルプリンタ100で期限付きラベル30を発行する、食品業界や食品製造工場等に適用可能なシステムである。
発行者&発行賞味期限管理システム1は、1以上のラベルプリンタ100と、通信機能付きのラベルプリンタ200と、ラベル発行管理システム300と、生産管理システム400と、管理ビュアシステム500とを有して構成される。
ラベルプリンタ100は、食品表示に関する情報をラベル30に印字して出力するものである(図2〜図4参照)。ラベルプリンタ100は、食品販売店舗や食品製造工場(ライン)等に配置され、同店舗や工場ライン等に従事する社員や、パート社員又はアルバイト社員によって操作される。ラベルプリンタ100は管理ユーザと同店舗や工場等の製造・販売業者間で契約されて使用される。ラベルプリンタ100は通信情報を処理するモデム(以下単にモデム37という)に接続して使用される。
モデム37の一端は、情報通信時、ラベルプリンタ100に接続され、他端は通信手段43に接続される。通信手段43には公衆通信回線や専用通信回線、インターネットが使用される。公衆通信回線には、WAN(ワールド・エリア・ネットワーク)が含まれる。この例で、ラベルプリンタ100の他に通信機能付きのラベルプリンタ200も使用される。ラベルプリンタ200は内部に通信モデム機能を有したもので、直接、公衆通信回線等の通信手段43に接続して使用される。
ラベル発行管理システム300は、ファイル転送プロトコル(File Transfer Protocol)準拠の情報管理サーバ(以下単にFTPサーバ20という)、情報蓄積装置31及びモデム36を有して構成される。
FTPサーバ20はラベル発行管理装置の一例を構成し、クライアント側のラベルプリンタ100,200・・・等と生産管理システム400との間を仲介する機能を有する。この例で、FTPサーバ20は、ラベル30の発行をチェックする機能を有しており、少なくとも、食品表示に関する情報をラベル30に印字して出力するラベルプリンタ100毎に発行者識別情報を設定する。ここに発行者識別情報とはラベル発行操作が許可された者を識別する情報をいい、以下で発行者ID番号という。
この発行者ID番号は、当該ラベルプリンタ100のラベル発行操作を許可された者を一覧表等に示すリストにまとめられ、このリストにまとめられた発行者ID番号の情報を発行者リスト情報D1という。FTPサーバ20は、発行者リスト情報D1を該当するラベルプリンタ100,200毎に設定する。
また、FTPサーバ20は、各製品の賞味期限に関する加算日情報をラベルプリンタ100に設定する。各製品の賞味期限は、指定した加算日で算出される。この例で、ラベルプリンタ100に設定される発行者識別情報には、賞味期限を変更するための権限を特定する情報が含まれる。
FTPサーバ20は、モデム36を介して通信手段43に接続され、1以上のラベルプリンタ100を管理するようになされる。FTPサーバ20は、例えば、ラベル発注データの有無を監視し、ラベル発注データと顧客情報とを関連付けて登録するようになされる(発行ラベルチェック機能)。
FTPサーバ20には、パーソナルコンピュータが使用される。FTPサーバ20は、発行者識別情報が設定されたラベルプリンタ100,200・・・の発行操作によって生じた、少なくとも、当該ラベル30の発行者、発行日、発行枚数及び賞味期限を含むラベル発行履歴情報D4を、ラベル発行後、当該ラベルプリンタに発行履歴ファイルとして保存すると共に、当該ラベルプリンタ100,200・・・等からラベル発行履歴情報D4を受信する。更に、FTPサーバ20は、ラベルプリンタ100毎に受信したラベル発行履歴情報D4を当該ラベルプリンタ100毎に蓄積してラベル発行履歴情報D4を情報処理する。
FTPサーバ20は、ハードディスク等の大容量の情報蓄積装置31を備え、ラベルプリンタ100,200等から受信したラベル発行履歴情報D4を保存するようになされる。情報蓄積装置31には発行ラベルデータベース32や、発行者データベース33が構築される。発行ラベルデータベース32には、レイアウトデータD2、発行記録(履歴情報)及び予約発行更新リスト等が記録される。発行者データベース33には、ラベル発行操作を許可された者が登録される。
FTPサーバ20にはLAN(Local Area Network)等の通信手段40を介して生産管理用の情報端末装置41が接続される。情報端末装置41にはパーソナルコンピュータが使用される。情報端末装置41には生産計画データベース42が接続され、製品の金額やその賞味期限、発行者リスト情報D1、ラベル30のレイアウトデータD2や、予約発行リストデータD3等の食品表示に関する情報を記録し更新するようになされる。
この例で、情報端末装置41及び生産計画データベース42は生産管理システム400を構成する。生産計画データベース42はハードディスク等の大容量の情報蓄積装置から構成される。生産計画データベース42は、これを構築する情報蓄積装置が情報端末装置41に接続される形態又は、情報端末装置41内に実装される形態のどちらであってもよい。
発行者&発行賞味期限管理システム1では、ラベル発行管理システム300から提供される発行者リスト情報D1や、ラベル30のレイアウトデータD2、予約発行リストデータD3等が、生産管理システム400の生産計画に基づいて更新される。ラベル発行管理システム300は、更新後の発行者リスト情報D1や、ラベル30のレイアウトデータD2、予約発行リストデータD3等を参照し、これらの食品表示に関する情報を各々の食品販売店舗や食品製造工場等に配信する。これにより、同店舗や工場ライン等において、レイアウトデータD2や予約発行リストデータD3等の食品表示に関する情報に基づいてラベル30を発行できるようになる。
上述の通信手段43にはモデム38を介して管理ビュア専用の情報処理装置51が接続される。情報処理装置51はラベルプリンタ100,200等で計画通りに、製品の金額やその賞味期限等の適切なラベル30が発行されたかをチェックする。情報処理装置51は、ラベル30の発行記録に関するラベル発行履歴情報D4を取得して編集し、専用アプリケーションを用いて、ラベル30の発行記録をチェック(一元管理)する。情報処理装置51には、パーソナルコンピュータが使用される。
専用アプリケーションには、ラベルの発行場所(店舗)、その発行日、その発行者ID番号、製品の賞味期限、製品の金額、ラベル発行枚数を表示するソフトウエアや、その製品のラベル発行場所、ラベル発行日、ラベル発行枚数等の生産計画を立てるためのソフトウエア等が含まれる。モデム38及び情報処理装置51は食品店舗又は食品製造工場等の本社や本部等となる管理ユーザに備えられ、管理ビュアシステム500を構成する。この例で、管理ビュアシステム500を生産拠点に配置し、上述のラベル発行管理システム300と生産管理システム400とを接続するLAN等の通信手段40に接続して情報処理をしてもよい。
各々の食品販売店舗や食品製造工場等で発行したラベル30の記録は、適時、生産管理システム400にフィードバックされ、情報端末装置41で計画通りに、製品の金額やその賞味期限等の適切なラベル30が発行されたかがチェックされる。また、情報端末装置41におけるチェックでエラーが検出された場合に、発行記録に基づいて出荷ミスなどの追跡調査するようになされる。この例では、生産計画データベース42の内容を検証することで、問題発生時の生産状態をトレースすることができる。なお、発行した賞味期限の残り期日に変更制限を加えることで、偽造を防ぐことができる。
続いて、FTPサーバ20の制御系の構成例について説明する。図2は、FTPサーバ20の制御系の構成例を示すブロック図である。図2に示すFTPサーバ20はクライアント側のラベルプリンタ100,200・・・等と生産管理システム400との間を仲介する機能を有する。例えば、FTPサーバ20は、制御部2、通信用のインタフェース24,27、情報蓄積装置31、入力操作部34及び表示部35を有して構成される。
制御部2はROM(Read Only Memory)21、ワーク用のRAM(Random Access Memory)22、システムバス23、CPU(Central Processing Unit;中央処理ユニット)25及びI/Oインタフェース26を有して構成される。CPU25にはシステムバス23を介してROM21が接続され、当該FTPサーバ全体を制御するためのシステム起動用のプログラムデータD21が格納される。システムバス23に接続されたRAM22には、プログラムデータD21や、発行者識別情報、ラベル発行履歴情報D4の他に、情報蓄積時の制御コマンド、レイアウトデータD2を一時記憶するようになされる。
CPU25は電源がオンされると、ROM21からシステム起動用のプログラムデータD21をRAM22へ読み出してシステムを起動し、当該FTPサーバ全体を制御するようになされる。CPU25にはI/Oインタフェース26が接続され、入力操作部34や表示部35等のユーザインタフェースの入出力を制御する。I/Oインタフェース26は、システム起動時の操作データD34を入力操作部34から入力する。
入力操作部34は、当該ラベル発行管理システム300からスタンドアロン型のラベルプリンタ100等へ転送して登録される各製品の加算日情報(賞味期限)等を入力する際に操作される。各製品の賞味期限は、ラベル発行管理システム300からラベルプリンタ100等へ指定される加算日となされる。入力操作部34は、加算日情報等の操作データD34をCPU25に出力するようになされる。
CPU25は、入力操作部34又は情報処理装置51(管理ユーザ)の入力操作部(不図示)からの指示(操作データD34等)に基づいて、生産計画データベース42を参照し、生産計画に基づく製品に適用するラベル30及び発行者リストを更新する。
表示部35には、レイアウトデータD2に基づくレイアウト映像が表示されると共に、入力操作部34での入力情報を表示するようになされる。レイアウトデータD2は、上述した食品表示に関する表示項目にそれぞれ表示しなければならない最低限の表示情報が、所定サイズのラベル30に表示できるようにレイアウト化された情報である。レイアウトデータD2には、製造日や賞味期限、内容量や販売価格などの検証可能な情報が含まれる。レイアウトデータD2は表示データD35に基づいて表示部35に表示される。
FTPサーバ20は、ハードディスク等の大容量の情報蓄積装置31を備え、ラベルプリンタ100,200等から受信したラベル発行履歴情報D4を保存する。情報蓄積装置31にはレイアウトデータD2、発行記録(履歴情報)及び予約発行更新リスト等が記録される発行ラベルデータベース32や、ラベル発行操作を許可された者が登録される発行者データベース33等が構築される。
この例で、システムバス23にはデータ処理部39が接続され、情報蓄積装置31へのデータの書込み又は情報蓄積装置31からのデータの読み出し処理を実行する。例えば、データ処理部39は、CPU25からラベルプリンタ100等へ転送される各製品の加算日情報の他に、発行者名やそのID番号等(以下発行者ID番号という)の発行者リスト情報D1を転送するように制御される。
また、ラベル発行時に賞味期限を変更する場合は、特定な発行者だけが変更可能とする権限を発行者リスト情報D1に付加して転送するように制御される。例えば、ラベル発行時、賞味期限変更許可データを発行者リスト情報D1に付加する。ここに、賞味期限変更許可データとは、特定な発行者だけにラベル賞味期限の変更を許可するデータであって、当該賞味期限を変更するための権限を特定するデータをいう。
この例で、ラベルプリンタ側では、ラベル発行時及び賞味期限変更時に、発行者ID番号等を入力して、誰がラベル30の賞味期限を変更したか、あるいは、誰がラベル30を発行したかを発行履歴ファイルに残すようになされる。これらの変更内容は、FTPサーバ20へ返信され、データ処理部39によっては、発行ラベルデータベース32及び発行者データベース33の保存内容を書き換えるようになされる。
上述のシステムバス23には通信用のインタフェース24が接続されている。インタフェース24は外部端子28に接続される。外部端子28には通信用のモデム36が接続され、インターネット等の公衆通信回線に接続される。インタフェース24は、複数のラベルプリンタ100,200等の間で通信処理を実行するようになされる。この通信処理で、複数のラベルプリンタ100,200等からラベル発行履歴情報D4を取得するようになされる。例えば、インタフェース27は、ラベル発行後、ラベルプリンタ100から、誰が何時、どこで何枚、どのような賞味期限の印字内容でラベル30を発行したかを示すラベル発行履歴データを受信するようになされる。
システムバス23には通信用のインタフェース24の他に、通信用のインタフェース27が接続される。インタフェース27は外部端子29に接続される。外部端子29にはLAN等の通信手段40を介して生産管理システム400の情報端末装置41が接続される。インタフェース27はFTPサーバ20で蓄積されるラベル発行履歴データを生産管理システム400の情報端末装置41に送信する。
情報端末装置41では、次の製品の生産計画にフィードバックするために、計画通りに適切なラベル30(金額、賞味期限など)が発行されたかをチェックするようになされる。これらにより、FTPサーバ20等がラベル30の発行をチェックするラベル発行管理システム300を構成する。もちろん、ラベル発行チェック機能は、生産管理システム400の情報端末装置41や管理ビュアシステム500の情報処理装置51等に設けてもよい。
続いて、ラベルプリンタ100の構成例について説明する。図3はラベルプリンタ100の外観例を示す斜視図である。図3に示すラベルプリンタ100は、食品表示に関する情報をラベル印字用のロール紙に印字したラベル30を出力するものである。ラベルプリンタ100は装置本体部101を有している。装置本体部101は、所定のデザインにより樹脂成形された下部筐体11及び下部筐体12から構成される。下部筐体11と下部筐体12とはヒンジ機構13で開閉自在に係合されている。
下部筐体12内には、図示しないラベル印字用のロール紙や、図5に示すような印字ユニット7、制御部8等が実装され、食品表示に関する情報をラベルに印字して出力するように成される。(株)筐体11の上面には、入力操作部74及び表示部75が設けられ、印字ユニット7によって印字出力されるラベル30を発行する発行者の識別情報(発行者ID番号)を入力する際に操作される。この例で、ラベル30は、装置本体部101の前面側の上部筐体11と下部筐体12との境界付近から出力するようになされる。
図4は、入力操作部74の構成例を示す平面図である。図4に示す入力操作部74は入力手段の一例を構成し、入力操作部74にはテンキーを成す数字「1」〜「9」,「0」キーK1〜K10や、変換/空白キーK11、発行キーK12、確定キーK13、停止・削除キーK14、テスト印刷キーK15、十字キーK16、入力キーK17、日付キーK18、取消キーK19、編集キーK20、シフトキーK21等が配設されている。
数字「1」〜「9」,「0」キーK1〜K10は、例えば、図8に示すラベル30の図7に示すリストファイルF2から、図9に示すそのレイアウトファイルF3の内容を抽出する際に、リンク番号等を入力するように操作される。また、ラベル30を発行する発行者の発行者ID番号を入力する際にも数字「1」〜「9」,「0」キーK1〜K10が操作される。更に、ラベル30の発行枚数を設定する際にも、数字「1」〜「9」,「0」キーK1〜K10を操作して数量等を入力するようになされる。
日付キーK18は賞味期限(加算日)等を入力する際に操作される。発行キーK12は、ラベル30を発行する際に操作される。テスト印刷キーK15は、ラベル30を試しに印字出力する際に操作される。他の変換/空白キーK11や、確定キーK13、停止・削除キーK14、十字キーK16、入力キーK17、日付キーK18、取消キーK19、編集キーK20、シフトキーK21等はラベル30のレイアウトファイルF3の内容を編集や検証する際に使用される。
図5は、ラベルプリンタ100の制御系の構成例を示すブロック図である。図5に示すラベルプリンタ100は、食品表示に関する情報をラベル30に印字出力するために、印字ユニット7、制御部8、入力操作部74、表示部75、発行者管理用の内部メモリ78及び、発行履歴管理用のコンパクトフラッシュ(登録商標)メモリカード(以下CFカード79という)を備えて構成される。
制御部8はCPU80、ROM81、ワーク用のRAM82、システムバス83及びI/Oインタフェース86を有して構成される。CPU80にはシステムバス83を介してROM81が接続され、当該プリンタ全体を制御するためのシステム起動用のプログラムデータD81が格納される。システムバス83に接続されたRAM82には、プログラムデータD81や、書き換え、編集や検証等の情報処理実行時の制御コマンドを一時記憶するようになされる。
更に、RAM82には内部記憶データD82が一時記憶される。内部記憶データD82には、発行者管理用の発行者ID番号、発行者の氏名、ラベル変更権限を含む発行者リスト情報D1や、発行時変更内容となる商品名、原材料、数量、賞味期限、金額、ラベル30の発行枚数等のレイアウトデータD2や、予約発行リストデータD3が含まれる。
CPU80は電源がオンされると、ROM81からシステム起動用のプログラムデータD81をRAM82へ読み出してシステムを起動し、当該プリンタ全体を制御するようになされる。CPU80にはI/Oインタフェース86が接続され、入力操作部74や表示部75等のユーザインタフェースの入出力を制御する。I/Oインタフェース86は、システム起動時の操作データD74を入力操作部74から入力する。
この例では、入力操作部74は印字ユニット7によって印字出力されるラベル30を発行する操作者の発行者ID番号の他に、ラベル30の発行枚数を設定する際の数量、賞味期限(加算日)、ラベル30の発行、そのテスト印刷、そのレイアウトファイルF3の内容を編集や検証等する際に入力された操作データD74を制御部8に出力するようになされる。
この例で表示部75には、レイアウトデータD2が表示されると共に、入力操作部74での入力情報を表示するようになされる。レイアウトデータD2は、上述した食品表示に関する表示項目にそれぞれ表示しなければならない最低限の表示情報が、所定サイズのラベル30に表示できるようにレイアウト化された情報である。レイアウトデータD2に対する入力情報としては、製造日や賞味期限、内容量や販売価格などの編集や検証等の可能な情報であって、入力操作部74はこの編集や検証等の可能な情報を修正入力するための手段として機能する。レイアウトデータD2は表示データD75に基づいて表示部75に表示される。
また、印字ユニット7は、プリンタ機能を達成するためにCPU80の管理下に置かれ、ラベル搬送系71、印字ヘッド72、ロール紙装填検知部76及びプリンタ制御部77を有して構成され、食品表示に関する情報をラベル30に印字して出力するようになされる。
プリンタ制御部77はシステムバス83に接続され、CPU80からプリンタ制御データD77を入力すると共に、ロール紙装填検知部76から紙装填検知データD76を入力してラベル搬送系71及び印字ヘッド72の出力制御を実行する。プリンタ制御部77はCPU80の制御を分担し、その制御負担を軽減するようになされる。
ラベル搬送系71及び印字ヘッド72はプリンタ制御部77に接続される。ラベル搬送系71は搬送制御データD71を入力して印字ヘッド72の下方へロール紙を搬送するように制御される。搬送制御データD71はプリンタ制御部77からラベル搬送系71へ出力される。
印字ヘッド72は印字制御データD72を入力し、ラベル搬送系71によって搬送されてきたラベル用のロール紙に、食品表示に関する所定のレイアウトデータD2を印字してラベル30を出力する。印字制御データD72はプリンタ制御部77から印字ヘッド72へ出力される。印字ヘッド72には、通常感熱ヘッドが使用される。感熱ヘッドはラインヘッドであるが、ラインヘッドに限定されるものではない。
この例で、ラベル搬送系71にはロール紙装填検知部76が設けられ、ロール紙が空となったとき、ロール紙の装填を検知して紙装填検知データD76をプリンタ制御部77に出力する。紙装填検知データD76は、新しいロール紙が交換された装填回数を検知して印字ヘッド72の交換を促すようになされる。
CPU80は、入力操作部74によって入力された発行者ID番号と、FTPサーバ20から設定された発行者識別情報(発行者ID番号)とを照合し、照合結果に基づいてラベル発行操作を受け付けるようになされる。例えば、賞味期限の変更時、CPU80は食品表示に関する情報の書き換え制御を実行するが、ラベル30に印字する賞味期限に関して、入力操作部74から賞味期限を変更する操作入力を受け付けた場合、その操作データD34に基づく賞味期限(加算日)によらず、FTPサーバ20から指定された加算日情報から加算日を算出するようになされる。
CPU80は、ラベル発行時に変更された食品表示に関する情報の内容をラベル発行履歴情報D4として保存するようになされる。CPU80は、ラベル発行時のラベル発行履歴情報D4(場所(店舗)、発行日、発行者ID番号、賞味期限、金額、発行枚数)を保存し、同じ内容のラベル発行履歴情報D4をFTPサーバ20ヘ転送するようになされる。
上述のシステムバス83には発行履歴ファイルの一例を構成する内部メモリ78が接続され、ラベル発行管理システム300からダウンロードした、発行者管理用の発行者ID番号、発行者の氏名、ラベル変更権限を含む発行者リスト情報D1や、発行時変更内容となる商品名、原材料、数量、賞味期限、金額、ラベル30の発行枚数等のレイアウトデータD2や、予約発行リストデータD3が記憶される。ラベル発行時に、例えば、発行者を識別する情報が内部メモリ78からRAM82へ読み出される。内部メモリ78に記憶される発行者ID番号は、FTPサーバ20から予め設定されたものである。
また、入力操作部74によって入力された発行者ID番号(IDコード)がその氏名と共に発行履歴ファイルに記述される。IDコードは、例えば、当該ラベルプリンタ100に登録された発行者の順に付与されたシリアルNo.である。内部メモリ78には電源が切られても記録情報が失われないEEPROM等の不揮発性のメモリが使用される。
この例で、上述のシステムバス83にはメモリカード用のインタフェース73が接続され、発行履歴管理用のCFカード79が装着される。CFカード79には、持ち運び可能な不揮発性のメモリとなる、例えば,USBメモリが使用される。CFカード79にはラベル発行管理システム300からダウンロードしたラベル30のレイアウトデータD2が記憶される。
CFカード79には、レイアウトデータD2の他に、ラベル発行履歴情報D4が発行記録ファイルF4,F4’(図10参照)に記述される。ラベル発行履歴情報D4は、内部記憶データD52を集めた情報であって、RAM82から転送される情報である。ラベル発行履歴情報D4には、少なくとも、ラベル30を発行した日付、食品表示に関する情報のファイル番号、ラベル30を発行した発行者の発行者ID番号、ラベル発行時に変更した食品表示に関する情報の項目名、内容(品名・原材料・賞味期限・価格・・・etc)及びラベル発行時に発行したラベル30の枚数が含まれる。
このようなラベル発行履歴情報D4を内部メモリ78又はCFカード79に保存することで、厳密に誰が何時、どのような内容のラベル30を発行したかを一元管理できるようになる(図10参照)。この例で、内部メモリ78を発行履歴管理用の記憶手段として使用し、CFカード79と共に、又は、CFカード79と独立してラベル発行履歴情報D4を記憶(保存)するようにしてもよい。
上述のシステムバス83にはメモリカード用のインタフェース73の他に、通信用のインタフェース84が接続されている。インタフェース84は外部端子85に接続される。外部端子85には通信用のモデムが接続され、インターネット等の公衆通信回線に接続されて、ラベル発行管理システム300のFTPサーバ20との間で通信処理を実行するようになされる。この通信処理で、上述のメモリカード用のインタフェース73から取得されるレイアウトデータD2をFTPサーバ20から直接取得するようになされる。これらによりラベルプリンタ100を構成する。
図6は、発行者リストファイルF1の構成例を示す表図である。図6に示す発行者リストファイルF1は、ラベル発行管理システム300の発行者データベース33に構築され、例えば、ラベルプリンタ100等の利用管理契約と共に、内部メモリ78又はCFカード79内に転送される。発行者リストファイルF1には発行者ID番号を記述する欄と、発行者の氏名を記述する欄とが割り当てられる。この例で、発行者ID番号の記述欄にはID番号=No.001が記述され、ID番号=No.001には発行者の氏名○○○○が記述される。同様にして、ID番号=No.003には発行者の氏名△△△△が記述される。ID番号=No.004には発行者の氏名□□□□が記述される。発行者リストファイルF1は発行者ID番号を示す操作データD74に基づいて内部メモリ78又はCFカード79に記述される。
図7は、食品用のリストファイルF2の構成例を示す表図である。図7に示す食品用のリストファイルF2は、例えば、ラベル発行管理システム300のFTPサーバ20から、CFカード79又は内部メモリ78に転送されるものである。食品用のリストファイルF2には、リンク番号、品名、原材料、賞味期限(加算日)、価格及び品番を記述する欄が設けられる。
この例で、リンク番号の欄には「1」が記述され、リンク番号「1」の品名の欄には「クッキー」が記述され、その原材料の欄には「小麦粉、卵、牛乳、アーモンド」が記述され、その賞味期限(加算日)の欄には「10」が記述され、その価格の欄には「750」が記述され、及び、品番の欄には「001」が記述される。
同様にして、リンク番号「2」の品名の欄には「ケーキ」が記述され、その原材料の欄には「小麦粉、卵、牛乳、イチゴ」が記述され、その賞味期限(加算日)の欄には「1」が記述され、その価格の欄には「350」が記述され、及び、品番の欄には「002」が記述される。
リンク番号「3」の品名の欄には「どらやき」が記述され、その原材料の欄には「小麦粉、小豆、牛乳」が記述され、その賞味期限(加算日)の欄には「3」が記述され、その価格の欄には「300」が記述され、及び、品番の欄には「003」が記述される。食品用のリストファイルF2は表示部75に展開され、入力操作部74を操作してリンク番号を指定すると、そのリンク番号に記述された内容で、ラベル30を発行するようになされる。この方法によれば、食品用の1つのリストファイルF2で複数の種類のラベル30を発行できるというものである。
図8は、ラベル30の構成例を示す平面図である。図8に示すラベル30によれば、レイアウトファイルF3の内容を食品用のリストファイルF2から読み出して(引っ張って)きてラベル30を発行する場合に、当該リストファイルF2でリンク番号「1」を入力すると、長さl×幅wのラベル用のロール紙にリンク番号「1」の内容である品名欄に「クッキー」が印刷され、その原材料の欄には「小麦粉、卵、牛乳、アーモンド」が印字され、その賞味期限(加算日)の欄には「10」が印字され、その価格の欄には「750」が印字され、及び、バーコードの欄には「4923100107508」が印字される。図中の破線枠内のレイアウトデータD2は、リストファイルF2から読み出して(引っ張って)きて印刷される。
図9A及びBは、レイアウトファイルF3及びその書き換え例を示す表図である。図9Aに示すレイアウトファイルF3は書き換え前の内容を訂正したものである。図9Bに示すレイアウトファイルF3は書き換え後のレイアウトファイルF3’の内容である。
書き換え前のレイアウトファイルF3の内容は、図9Aに示すようにリンク番号の欄には「1」が記述され、リンク番号「1」の品名の欄には「クッキー詰め合わせ」が記述され、その原材料の欄には「小麦粉、卵、・・・・」が記述され、その価格の欄には「750」が記述され、その数量には「8個」が記述され、その賞味期限(加算日)の欄には「3」が記述され、及び、製造元の欄には「○○○(株)」が記述される。
このレイアウトファイルF3の内容において、「クッキー詰め合わせ」の数量が8個から10個に書き換えが生じ、更に、「クッキー詰め合わせ」の消費期限(加算日)が「3」から「5」に書き換えが生じたとき、書き換え前のレイアウトファイルF3の「クッキー詰め合わせ」の数量「8個」が「10個」に更新(上書き)される。また、その消費期限(加算日)「3」が「5」に更新(上書き)される。
書き換え後のレイアウトファイルF3’の内容は、図9Bに示すようにリンク番号の欄には「1」が記述され、リンク番号「1」の品名の欄には「クッキー詰め合わせ」が記述され、その原材料の欄には「小麦粉、卵、・・・・」が記述され、その価格の欄には「750」が記述され、その数量には「8個」が記述され、その消費期限(加算日)の欄には、生産年月日が2008年8月10日で加算日が「3」の場合は、3日を加算した2008年8月13日が記述され、及び、製造元の欄には「○○○(株)」が記述される。
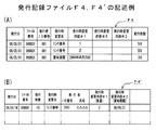
図10A及びBは、発行記録ファイルF4及びF4’の記述例を示す表図である。図10A及びBに示す発行記録ファイルF4,F4’の内容は発行履歴管理用の内部メモリ78又はCFカード79に記述(保存)される。この例で発行記録ファイルF4,F4’には、ラベル発行履歴情報D4を成す発行日、ファイル番号、発行者ID番号、発行時変更名、発行変更内容及び発行枚数の記述欄が設けられる。発行記録ファイルF4及びF4’の違いは、発行枚数の記述位置、発行時変更名及び発行時変更内容#1,#2,#3の記述方法に変形を加えたものである。
例えば、内部メモリ78又はCFカード79に構築される、図10Aに示すような発行記録ファイルF4には、発行日08/05/01に対してファイル番号「00001」、発行者ID番号=「001」、発行時変更名=「リンク番号」、発行変更内容#1=「1」、発行枚数=50枚が記述される。
更に、発行記録ファイルF4には発行日08/05/01に対してファイル番号「00001」、発行者ID番号=「001」、発行時変更名=「リスト番号」、発行時変更内容#1=「2」、発行枚数=50枚が記述される。また、発行記録ファイルF4には発行日08/05/01に対してファイル番号「00001」、発行者ID番号=「002」、発行時変更名=「賞味期限」、発行変更内容「2008年05月26日」、発行枚数=30枚が記述される。
同様にして構築される、図10Bに示すような発行記録ファイルF4’には、発行日08/05/14に対してファイル番号「00001」、発行枚数=10枚が記述され、発行者ID番号=「003」及び氏名「△△△△」が記述される。発行記録ファイルF4’では、発行記録ファイルF4のように発行時変更名と発行時変更内容#1との項分け記述は無く、発行時変更内容#1の中で発行時変更名を括弧書きで記述するようになされる。図10Bに示した場合は、発行記録ファイルF4に比べて発行記録ファイルF4’の内容検索を容易かつ簡素にできるようになる。
続いて、発行者&発行賞味期限管理システム1における情報処理例について、生産管理システム400、ラベル発行管理システム300、ラベルプリンタ100における動作例及び管理ビュアシステム500の4つに分けて説明する。
[生産管理システムにおける情報処理例]
図11は、FTPサーバ20、生産管理システム400及び管理ビュアシステム500における情報の流れを示す説明図である。図11に示す管理ビュアシステム500は、ラベル発行によって発生するラベル発行履歴情報D4の編集及びその検証処理を分担する。図中のフローチャートは、ラベル発行後の管理ビュアシステム500における情報処理例を示している。この例では、先に生産管理システム400における情報処理例について説明する。
図12は、生産管理システム400における情報処理例を示すフローチャートである。この例で生産管理システム400は、製造販売対象となった製品(食品を含む)に貼付するためのラベル30の発行計画を分担する。生産管理システム400では、製造販売計画した製品に対応してラベル発行に関する情報、例えば、食品表示に関する情報を準備するようになされる。
これを情報処理条件にして生産管理システム400では、図12に示すフローチャートのステップST1で情報端末装置41が製造販売対象となる製品(食品を含む)の生産を計画を支援すると共に、当該製品に貼付するためのラベル発行計画を支援するように使用される。例えば、情報端末装置41は、製造販売対象となる製品の金額やその賞味期限を決めたり、発行者リスト情報D1や、当該製品に貼付するためのラベル30のレイアウトデータD2、予約発行リストデータD3等を決定するように使用される。
次に、ステップST2で情報端末装置41は、先に決定された製造販売対象となった製品の生産計画に基づいて製品の金額やその賞味期限、発行者リスト情報D1、ラベル30の発行に関するレイアウトデータD2、予約発行リストデータD3等の食品表示に関する情報を作成するようになされる。更に、ステップST3で、情報端末装置41は、製品の金額やその賞味期限や、発行者リスト情報D1、ラベル30のレイアウトデータD2、予約発行リストデータD3等の食品表示に関する情報を生産計画データベース42に記録する。
その後、ステップST4で情報端末装置41は生産計画データベース42の記録内容の更新有無に応じて制御を分岐する。生産計画データベース42の記録内容に書き換えが生じた場合は、ステップST5に移行して情報端末装置41は生産計画データベース42の記録内容を更新する。記録前の食品表示に関する情報が生産計画データベース42に既に存在する場合、情報端末装置41は、食品表示に関する情報を更新する。
発行者リスト情報D1や、ラベル30のレイアウトデータD2、予約発行リストデータD3等は、生産管理システム400からラベル発行管理システム300を通じて各々の食品販売店舗や食品製造工場等に配信するようになされる。その後、ステップST1に戻る。生産計画データベース42の記録内容に書き換えが生じていない場合は、その記録内容を更新することなくステップST1に戻る。これにより、生産管理システム400で製造販売計画した製品に対応した食品表示に関する情報(ラベル発行に関する情報)を準備できるようになる。
[ラベル発行管理システムにおける情報処理例]
図13は、ラベル発行管理システム300における情報処理例を示すフローチャートである。この例では、当該製品を製造又は販売するユーザが、ラベルプリンタ100,200・・・等を使用してFTPサーバ20へ当該製品の製造時又は販売時に貼付するラベル発行に関する情報、例えば、食品表示に関する情報のダウンロード要求がなされる。
これを情報処理条件にして、図13に示すフローチャートのステップST11でラベル発行管理システム300は当該製品に対応するラベル発行に関する情報のダウンロード要求を受け付ける。このとき、FTPサーバ20は、ユーザのラベルプリンタ100,200・・・等から当該製品の販売時に貼付する食品表示に関する情報のダウンロード要求情報を受信する。
ステップST12でFTPサーバ20は、管理対象のラベルプリンタ100,200・・・等であるか否かをチェックする。この際のチェックは、発行者&発行賞味期限管理システム1を構成するラベルプリンタ100,200・・・等であるか否かを検証することにより行われる。例えば、ラベル発行操作が許可された者を識別する機能及び発行者識別情報等を格納できるようなラベルプリンタであるか否かで管理対象のラベルプリンタ100等であるかを判別するようにしてもよい。
上述の要求に対応して、ラベルプリンタ100,200・・・等が管理対象である場合は、ステップST13でFTPサーバ20は各ユーザに対して発行者識別情報を設定する。発行者識別情報は、FTPサーバ20からラベルプリンタ100毎に設定される。この発行者識別情報は、ラベル発行操作を許可された複数の者をリストにまとめた発行者リスト情報D1となる。発行者リスト情報D1は、FTPサーバ20から該当するラベルプリンタ100,200毎に設定される。この例で、ラベルプリンタ100に設定される発行者識別情報には、賞味期限を変更するための権限を特定する情報が含まれる。
その後、ステップST14でFTPサーバ20は、管理対象のラベルプリンタ100等へ当該製品に対応したラベル30であって、当該製品に貼付するためのラベル30のレイアウトデータD2を送信する。また、FTPサーバ20は、各製品の賞味期限に関する加算日情報をラベルプリンタ100に設定する。各製品の賞味期限は、指定した加算日で算出される。
そして、ステップST15でFTPサーバ20は、ラベル発行後、管理対象のラベルプリンタ100,200・・・等からラベル発行履歴情報D4を受信する。ラベル発行履歴情報D4は、発行者識別情報が設定されたラベルプリンタ100,200・・・の発行操作によって生じた、少なくとも、当該ラベル30の発行者、発行場所、発行枚数及び賞味期限を含む記録情報である。ラベル発行履歴情報D4は、当該ラベルプリンタ100,200・・・等に発行履歴ファイルとして保存されるものである。例えば、前日までのラベル発行履歴情報D4をラベルプリンタ100等からFTPサーバ20にアップロード(送信)される。
その後、ステップST16に移行してFTPサーバ20は、ラベルプリンタ100毎に受信したラベル発行履歴情報D4を当該ラベルプリンタ100毎に発行者データベース33に蓄積して情報処理する。例えば、1以上のラベルプリンタ100を管理するために、FTPサーバ20は、ラベル発注データの有無を監視し、ラベル発注データと顧客情報とを関連付けて発行者データベース33に登録するようになされる(発行ラベルチェック機能)。
FTPサーバ20は生産管理システム400の生産計画データベース42を参照し、製造販売対象となった製品の生産計画に基づく、発行者リスト情報D1や、当日毎のラベル30の発行に関するレイアウトデータD2、予約発行リストデータD3等に書き換えが生じたとき、発行ラベルデータベース32や発行者データベース33等の記録内容を更新するようになされる。これにより、FTPサーバ20でラベル発行履歴情報D4を各ユーザ別に蓄積して一元管理できるようになる。
[ラベルプリンタにおける動作例]
図14は、FTPサーバ20及びラベルプリンタ100における情報の流れを示す説明図であり、ラベルプリンタ100における動作フローチャートを示している。この実施例では、各々の食品販売店舗や食品製造工場等で使用されるラベルプリンタ100等のユーザ(クライアント)が、ラベル発行管理システム300に対して、製造あるいは販売対象となった製品に対応するラベル発行に関する情報、例えば、食品表示に関する情報のダウンロード(DL)を要求する。
ダウンロードした当該製品に対応する食品表示に関する情報は、CFカード79又は内部メモリ78等の不揮発性のメモリに記憶される場合を例に挙げる。この例では、ラベル発行時の変更内容をラベル発行履歴情報D4として上述の不揮発性のメモリに保存できるようにした。
これらを動作条件にして、当該製品の工場ラインやその販売店舗等では、図14に示す動作フローチャートのステップST21で、ラベルプリンタ100がユーザの操作入力に対応して、製造あるいは販売対象となった製品に対応するラベル発行に関する情報、例えば、食品表示に関する情報のダウンロードをラベル発行管理システム300のFTPサーバ20に要求する。
次に、ステップST22でラベルプリンタ100は、適宜、当該製品に対応する発行者識別情報と、ラベル30のレイアウトデータD2及び予約発行リストデータD3とをダウンロードする。発行者識別情報は、FTPサーバ20からラベルプリンタ100毎に設定される。この発行者識別情報にはラベル発行操作を許可された者をリストにまとめた発行者リスト情報D1が含まれる。発行者リスト情報D1は、FTPサーバ20から該当するラベルプリンタ100毎に設定される。
この例で、ラベルプリンタ100に設定される発行者識別情報には、賞味期限を変更するための権限を特定する情報が含まれる。ここでダウンロードした当該製品に対応する発行者リスト情報D1と、ラベル30のレイアウトデータD2及び予約発行リストデータD3は、CFカード79又は内部メモリ78等の不揮発性のメモリに記憶される。
ステップST23でラベルプリンタ100は、ラベル発行時、発行者ID照合処理を実行する。発行者ID照合処理では、ユーザが、入力操作部74の数字「0」〜「9」及び、文字入力キーを操作して発行者ID番号及び氏名を入力する。この例で、ユーザは「発行者ID番号:003」及び、「氏名△△△△」を入力する。
その後、CPU80は、発行者リストファイルF1の検索処理を実行する。この例では、図6に示した発行者リストファイルF1に「発行者ID番号:003」及び、「氏名△△△△」が既に登録されている場合である。そして、CPU80は発行者ID番号及び氏名の照合判定処理を実行する。
この照合判定処理では、入力操作部74から出力される「発行者ID番号:003」及び「氏名△△△△」に関する入力情報と、予めFTPサーバ20から内部メモリ78又はCFカード79に登録された「発行者ID番号:003」及び「氏名△△△△」に関する登録情報とがCPU80で比較され、入力情報と登録情報との内容一致又は不一致の判別がなされる。
この例では、発行者ID番号「003」及び「氏名△△△△」が発行者リストファイルF1に登録されており、入力処理された「発行者ID番号:003」及び「氏名△△△△」と、予めFTPサーバ20から内部メモリ78又はCFカード79に登録されている「発行者ID番号:003」及び「氏名△△△△」とが一致した場合は、ステップST24に移行する。
ステップST24でラベルプリンタ100は、ユーザが発行するラベルを選択し、発行者にラベル変更権限があって、賞味期限や金額等を変更する必要がある場合は、賞味期限や金額等を変更してラベル発行枚数を決定するようになされる。このとき、CPU80は、ラベル発行時の変更内容の入力処理を実行する。例えば、図9Aに示したレイアウトファイルF3の内容を、図9Bに示したレイアウトファイルF3’の内容に書き換える場合である。
図9Aに示したレイアウトファイルF3及びその書き換え例によれば、リンク番号「1」の品名「クッキー詰め合わせ」、原材料「小麦粉・卵・・・・」、価格「750円」に関して、数量を「8個」から「10個」に更新(訂正)する場合であり、更に、賞味期限「3」(加算日)を賞味期限「5」(加算日)に更新する場合である。この例では、ラベル発行後、発行記録ファイルF4にラベル発行履歴情報D4を記述するために、CPU80は、発行時の変更内容を示す数量「10」や賞味期限「5(加算日)」等の内部記憶データD52をRAM82に一時記憶する。
ステップST25でラベルプリンタ100は、レイアウトデータD2や予約発行リストデータD3等の食品表示に関する情報に基づいてラベル30を発行する。このとき、CPU80は印字ユニット7を制御して、ラベル発行処理を実行する。印字ユニット7はレイアウトファイルF3’に基づいてラベル30をプリントアウトを実行する。このとき、CPU80は、印字ユニット7がラベル30を1枚発行する毎に発行枚数をカウントアップする。CPU80はラベル発行後、ラベル発行履歴情報D4を発行記録ファイルF4やF4’等に記述するために、ラベル30の発行枚数を示す内部記憶データD52をRAM82に一時記憶する。
ステップST26でラベルプリンタ100はラベル発行履歴情報D4を追加してCFカード79又は内部メモリ78等の不揮発性のメモリに記録する。例えば、CPU80は発行記録ファイルF4やF4’等にラベル発行履歴情報D4を記述するように内部メモリ78や、CFカード79をメモリ制御する。このとき、CPU80は、RAM82から数量「10」や賞味期限「5(加算日)」等の内部記憶データD52を取得して、例えば、CFカード79内の発行記録ファイルF4’内にラベル発行履歴情報D4を記憶する。図10Bに示した発行記録ファイルF4’によれば、発行日、ファイル番号、発行枚数、発行者ID番号、氏名及び発行時変更内容#1の記述欄が設けられる。
発行日には、例えば、5/14が記述され、ファイル番号には「000001」が記述される。発行枚数には「10枚」が記述され、発行者ID番号には「001」が記述され、氏名には「△△△△」が記述される。発行時変更内容#1には数量「10」が記述される。発行時変更内容#2には賞味期限5/21が記述される。
ステップST27で、ラベルプリンタ100は、適宜、ラベル発行履歴情報D4をラベル発行管理システム300へアップロードする。又は、ラベル発行履歴情報D4は、ラベルプリンタ100から通信手段43を介して管理ビュアシステム500へフィードバックされる。
ラベル発行管理システム300では、各々の食品販売店舗や食品製造工場等で発行したラベル30の発行記録(ラベル発行履歴情報D4)を、適時、生産管理システム400へ転送するようになされる。ラベル発行履歴情報D4は、生産管理システム400や管理ビュアシステム500において、ラベルプリンタ100でラベル発行処理が正しく行われたか否かを検証する際に使用される。
この例では、ラベル発行履歴情報D4のアップロード等を終了すると、ステップST28でラベルプリンタ100は、ラベル発行処理の終了を判別する。例えば、CPU80は、入力操作部74からの操作データD74を監視し、プリンタオフを示す操作データD74が検出された場合は、ラベル発行処理を終了する。そのプリンタオフを示す操作データD74が検出されていない場合は、ステップST22に戻ってラベル発行処理を継続する。
[管理ビュアシステムにおける情報処理例]
図11に示した管理ビュアシステム500における情報処理例によれば、ステップST31で情報処理装置51は、ラベルプリンタ100等の発行操作によって生じた、少なくとも、当該ラベル30の発行者、発行場所、発行枚数及び賞味期限を含むラベル発行履歴情報D4を受信する。
次に、ステップST32で情報処理装置51は、専用アプリケーションを用いてラベル30の発行記録をチェックし、計画通りにラベル30が発行されたか否かを検証する。この検証処理では、例えば、製品販売店舗や製品製造工場等におけるラベル30の発行者、その発行枚数、ラベル発行日、ラベル発行時の製品の金額、その製品の賞味期限等を含むラベル発行履歴情報D4と、生産計画時のラベル30の発行枚数、ラベル発行日、製品の金額、その製品の賞味期限等を含む生産計画データとが情報処理装置51によって比較照合される。
ステップST33に移行して、比較照合の結果、生産計画通りにラベル30が発行されている場合は、情報処理装置51は、ステップST35に移行して、専用アプリケーションを用いて、次の製品の生産計画を立てる。当該製品の生産計画によって生じたラベル30の発行枚数、ラベル発行日、製品の金額、その製品の賞味期限等を含むラベル発行に関する情報はステップST35に移行した情報処理装置51から生産管理システム400の生産計画データベース42に転送される。生産計画データベース42ではその記録内容が生産計画によって生じたラベル発行に関する情報に基づいて更新するようになされる。
上述の比較照合の結果、生産計画通りにラベル30が発行されていない場合、例えば、出荷ミスや賞味期限の偽造等の問題点が発生した場合は、ステップST34に移行して問題点を取り除く。出荷ミスは、ラベル発行履歴情報D4(発行記録)を追跡調査して把握する。情報処理装置51は、専用アプリケーションを用いて、再度、該当製品の生産計画を立てる。
当該製品の再生産計画によって生じたラベル30の発行枚数、ラベル発行日、製品の金額、その製品の賞味期限等を含むラベル発行に関する情報は、ステップST35に移行して情報処理装置51から生産管理システムに400の生産計画データベース42に転送される。生産計画データベース42ではその記録内容が、再生産計画によって生じたラベル発行に関する情報に基づいて更新するようになされる。なお、発行した賞味期限に関して、残り期日の変更に制限を加えることで、偽造を防ぐことができる。
このように実施形態としての発行者&発行賞味期限管理システム1によれば、生産管理システム400、ラベル発行管理システム300、ラベルプリンタ100等及び管理ビュアシステム500を備え、ラベル発行履歴情報D4を共有しつつ、製造及び販売対象となった製品に貼付するラベル30の発行計画を生産管理システム400+ラベル発行管理システム300で、ラベル30の発行実施をラベルプリンタ100,200・・・等で、ラベル30の発行履歴管理を管理ビュアシステム500で、個別に独立して三つ巴のシステムでラベル発行を一元管理できるようになる。
しかも、ラベル発行管理システム300にFTPサーバ20が備えられ、FTPサーバ20は、発行者識別情報が設定されたラベルプリンタ100等からラベル発行時のラベル発行操作によって生じたラベル発行履歴情報D4をラベル発行後に受信する。その後、FTPサーバ20はラベルプリンタ100,200等から受信したラベル発行履歴情報D4を当該ラベルプリンタ100,200毎に蓄積して情報処理するようになる。
従って、ラベル発行操作が許可された者によってラベル30が発行されたラベルプリンタ100,200・・・毎に、そのラベル発行履歴を一元管理できるようになる。これにより、ラベル30の発行者や、その発行枚数、金額及び賞味期限等を含むラベル発行履歴情報D4を基にして生産計画を組むことができる。しかも、賞味期限の偽造や賞味期限の発行ミス等を防止できるようになる。
因みに賞味期限の発行ミス等の問題が発生したとき、生産管理システム400又は管理ビュアシステム500でラベル発行履歴情報D4を検索及び検証(トレサビリティ)することができ、その原因を早期に究明できるようになる。しかも、ラベル30のラベル発行履歴情報D4(発行時変更内容、発行者、発行日・・・等)に基づいて製品管理を実行できるばかりか、また、賞味期限の管理も同時に実行することもできる。
この発明は、食品表示に関する情報をラベルに印字して発行する発行者及び発行賞味期限管理システムに適用して極めて好適である。
2・・・制御部、
7・・・印字ユニット(印字手段)、
8・・・制御部(制御手段)、
11・・・上部筐体、
12・・・下部筐体、
13・・・ヒンジ機構、
20・・・FTPサーバ(ラベル発行管理装置)、
21,81・・・ROM(制御手段)、
22,82・・・RAM(制御手段)、
24,27,84・・・通信用のインタフェース、
25,80・・・CPU(制御手段)、
26,86・・・I/Oインタフェース(制御手段)
28,29・・・外部端子、
31・・・・情報蓄積装置、
32・・・発行ラベルデータベース、
33・・・発行者データベース、
34,74・・・入力操作部(入力手段)、
35,75・・・表示部、
36〜38・・・モデム、
39・・・データ処理部、
41・・・情報端末装置
42・・・生産計画データベース、
40,43・・・通信手段、
51・・・情報処理装置
71・・・ラベル搬送系(印字手段)、
72・・・印字ヘッド(印字手段)、
73・・・メモリカード用のインタフェース、
76・・・ロール紙装填検知部(印字手段)、
77・・・プリンタ制御部(印字手段)、
78・・・内部メモリ、
79・・・CFカード、
100,200・・・ラベルプリンタ、
300・・・ラベル発行管理システム(ラベル発行管理装置)、
400・・・生産管理システム、
500・・・管理ビュアシステム(情報処理装置)

Claims (9)

  1. ラベル発行に関する情報をラベルに印字して出力する複数のラベルプリンタと、
    ラベル発行操作が許可された者を識別する情報を発行者識別情報としたとき、
    少なくとも、前記ラベルプリンタ毎に発行者識別情報を設定するラベル発行管理装置とを備え、
    前記ラベル発行管理装置は、
    前記発行者識別情報が設定された各々の前記ラベルプリンタからラベル発行時の前記ラベル発行操作によって生じたラベル発行履歴情報をラベル発行後に受信し、当該ラベルプリンタから受信したラベル発行履歴情報を当該ラベルプリンタ毎に蓄積して情報処理することを特徴とするラベル発行情報処理システム。
  2. 前記ラベルプリンタは、
    ラベル発行に関する情報をラベルに印字して出力する印字手段と、
    前記印字手段によって印字出力されるラベルを発行する発行者の識別情報を入力する入力手段と、
    前記入力手段によって入力された前記発行者の識別情報と、前記ラベル発行管理装置から設定された発行者識別情報とを照合し、照合結果に基づいて前記ラベル発行操作を受け付ける制御手段とを有することを特徴とする請求項1に記載のラベル発行情報処理システム。
  3. 前記ラベルプリンタに設定される発行者識別情報は、
    当該ラベルプリンタによるラベル発行操作が許可された者をリストにまとめた発行者リスト情報となされ、
    前記ラベル発行管理装置は、
    前記発行者リスト情報を該当する前記ラベルプリンタに設定することを特徴とする請求項2に記載のラベル発行情報処理システム。
  4. 前記ラベルプリンタには発行履歴ファイルが設けられ、
    ラベル発行時に前記発行者の識別情報が入力されて前記発行履歴ファイルに記録されることを特徴とする請求項3に記載のラベル発行情報処理システム。
  5. 前記ラベル発行管理装置は、
    前記ラベル発行に関する情報が食品表示に関する情報であって、各製品の賞味期限に関する加算日情報を前記ラベルプリンタに設定することを特徴とする請求項1に記載のラベル発行情報処理システム。
  6. 前記各製品の賞味期限は、指定した加算日で算出されることを特徴とする請求項5に記載のラベル発行情報処理システム。
  7. 前記ラベルプリンタに設定される発行者識別情報には、
    前記ラベル発行に関する情報が食品表示に関する情報であって賞味期限を変更するための権限を特定する情報が含まれることを特徴とする請求項1に記載のラベル発行情報処理システム。
  8. 前記ラベル発行管理装置は、
    前記ラベルプリンタの発行操作によって生じた、少なくとも、当該ラベルの発行者、発行日、発行枚数及び賞味期限を含むラベル発行履歴情報を、ラベル発行後、当該ラベルプリンタに発行履歴ファイルとして保存すると共に、当該ラベルプリンタからラベル発行履歴情報を受信することを特徴とする請求項1に記載のラベル発行情報処理システム。
  9. 前記ラベル発行管理装置によって受信された前記ラベル発行履歴情報を保存する情報蓄積装置が備えられることを特徴とする請求項8に記載のラベル発行情報処理システム。
JP2009280795A 2009-12-10 2009-12-10 ラベル発行情報処理システム Active JP5007741B2 (ja)

Priority Applications (1)

Application Number Priority Date Filing Date Title
JP2009280795A JP5007741B2 (ja) 2009-12-10 2009-12-10 ラベル発行情報処理システム

Applications Claiming Priority (1)

Application Number Priority Date Filing Date Title
JP2009280795A JP5007741B2 (ja) 2009-12-10 2009-12-10 ラベル発行情報処理システム

Related Parent Applications (1)

Application Number Title Priority Date Filing Date
JP2008230232A Division JP4462374B2 (ja) 2008-09-08 2008-09-08 ラベル発行情報処理システム

Publications (2)

Publication Number Publication Date
JP2010067279A true JP2010067279A (ja) 2010-03-25
JP5007741B2 JP5007741B2 (ja) 2012-08-22

Family

ID=42192743

Family Applications (1)

Application Number Title Priority Date Filing Date
JP2009280795A Active JP5007741B2 (ja) 2009-12-10 2009-12-10 ラベル発行情報処理システム

Country Status (1)

Country Link
JP (1) JP5007741B2 (ja)

Cited By (4)

* Cited by examiner, † Cited by third party
Publication number Priority date Publication date Assignee Title
JP2018101362A (ja) * 2016-12-21 2018-06-28 朋和産業株式会社 送信装置、送信方法、送信システム及び印刷方法
JP2021012737A (ja) * 2020-10-21 2021-02-04 朋和産業株式会社 送信装置、送信方法、送信システム及び印刷方法
JP2021144670A (ja) * 2020-03-12 2021-09-24 株式会社オービック 期限管理装置、期限管理方法、及び期限管理プログラム
WO2024203613A1 (ja) * 2023-03-31 2024-10-03 ブラザー工業株式会社 プログラム、サーバ、およびラベルデータ共有システム

Citations (6)

* Cited by examiner, † Cited by third party
Publication number Priority date Publication date Assignee Title
JP2003191575A (ja) * 2001-12-27 2003-07-09 Sato Corp 印字装置及び履歴情報管理システム
JP2003228476A (ja) * 2002-02-06 2003-08-15 Sato Corp 印字装置および稼動状況管理システム
JP2003296053A (ja) * 2002-03-29 2003-10-17 Casio Comput Co Ltd 出所印刷システム及び出所確認システム
JP2004007185A (ja) * 2002-05-31 2004-01-08 Toshiba Corp 放送受信機、情報処理装置、通信装置、及び情報配信方法
JP2004303129A (ja) * 2003-04-01 2004-10-28 Nec Engineering Ltd 印刷制御システム
JP2004355378A (ja) * 2003-05-29 2004-12-16 Teraoka Seiko Co Ltd ラベルプリンタを用いた業務連絡方法

Patent Citations (6)

* Cited by examiner, † Cited by third party
Publication number Priority date Publication date Assignee Title
JP2003191575A (ja) * 2001-12-27 2003-07-09 Sato Corp 印字装置及び履歴情報管理システム
JP2003228476A (ja) * 2002-02-06 2003-08-15 Sato Corp 印字装置および稼動状況管理システム
JP2003296053A (ja) * 2002-03-29 2003-10-17 Casio Comput Co Ltd 出所印刷システム及び出所確認システム
JP2004007185A (ja) * 2002-05-31 2004-01-08 Toshiba Corp 放送受信機、情報処理装置、通信装置、及び情報配信方法
JP2004303129A (ja) * 2003-04-01 2004-10-28 Nec Engineering Ltd 印刷制御システム
JP2004355378A (ja) * 2003-05-29 2004-12-16 Teraoka Seiko Co Ltd ラベルプリンタを用いた業務連絡方法

Cited By (4)

* Cited by examiner, † Cited by third party
Publication number Priority date Publication date Assignee Title
JP2018101362A (ja) * 2016-12-21 2018-06-28 朋和産業株式会社 送信装置、送信方法、送信システム及び印刷方法
JP2021144670A (ja) * 2020-03-12 2021-09-24 株式会社オービック 期限管理装置、期限管理方法、及び期限管理プログラム
JP2021012737A (ja) * 2020-10-21 2021-02-04 朋和産業株式会社 送信装置、送信方法、送信システム及び印刷方法
WO2024203613A1 (ja) * 2023-03-31 2024-10-03 ブラザー工業株式会社 プログラム、サーバ、およびラベルデータ共有システム

Also Published As

Publication number Publication date
JP5007741B2 (ja) 2012-08-22

Similar Documents

Publication Publication Date Title
CN114008970B (zh) 供应链管理方法、供应链管理程序、供应链管理系统以及交易记录显示程序
US7917248B2 (en) Dynamic marking system
US20080134073A1 (en) Method for controlling and/or monitoring data processing device and computer program
JP4462374B2 (ja) ラベル発行情報処理システム
JP2005529411A5 (ja)
JP2005529411A (ja) ルールに基づく内容の検証を用いた包装データの集中管理
JP5007741B2 (ja) ラベル発行情報処理システム
JP5146400B2 (ja) ラベルプリンタ
JP2005276154A (ja) 食品トレースバックシステム及び方法並びに2次元コード発行装置
JP2021015576A (ja) 物品管理システムおよび物品管理方法
AU2023278040B2 (en) Multi-user retail photo product creation system and method of use
KR102017813B1 (ko) 의약품 판매관리 방법 및 이를 위한 컴퓨터 프로그램, 그 기록매체, 의약품 정보 시트
WO2020008950A1 (ja) 医療材料管理システムおよび医療材料管理方法
JP5181407B2 (ja) 仕向先別製品のための物流管理システム及び方法
JP2001349057A (ja) 情報記憶媒体及び情報記憶媒体を用いた工事支援方法
JP5621359B2 (ja) 伝票管理システム、制御方法、およびプログラム
JP2009069913A (ja) 情報管理装置
JP6803220B2 (ja) 送信装置、送信方法、送信システム及び印刷方法
JP7187515B2 (ja) 送信装置、送信方法、送信システム及び印刷方法
JP2010052298A (ja) ラベルプリンタ
JP2021015578A (ja) 物品管理システムおよび物品管理方法
JP2003330527A (ja) 生産管理装置及び生産管理システム
WO2020008951A1 (ja) 医療材料管理システム、医療材料管理方法、およびプログラム
WO2020008953A1 (ja) 医療材料管理システムおよび医療材料管理方法
JP2009015447A (ja) 加工食品管理システム及び該システムを用いた管理法

Legal Events

Date Code Title Description
A521 Written amendment

Free format text: JAPANESE INTERMEDIATE CODE: A523

Effective date: 20100120

A621 Written request for application examination

Free format text: JAPANESE INTERMEDIATE CODE: A621

Effective date: 20100806

A621 Written request for application examination

Free format text: JAPANESE INTERMEDIATE CODE: A621

Effective date: 20100806

RD02 Notification of acceptance of power of attorney

Free format text: JAPANESE INTERMEDIATE CODE: A7422

Effective date: 20110915

A131 Notification of reasons for refusal

Free format text: JAPANESE INTERMEDIATE CODE: A131

Effective date: 20120221

A977 Report on retrieval

Free format text: JAPANESE INTERMEDIATE CODE: A971007

Effective date: 20120222

A521 Written amendment

Free format text: JAPANESE INTERMEDIATE CODE: A523

Effective date: 20120402

TRDD Decision of grant or rejection written
A01 Written decision to grant a patent or to grant a registration (utility model)

Free format text: JAPANESE INTERMEDIATE CODE: A01

Effective date: 20120501

A01 Written decision to grant a patent or to grant a registration (utility model)

Free format text: JAPANESE INTERMEDIATE CODE: A01

A61 First payment of annual fees (during grant procedure)

Free format text: JAPANESE INTERMEDIATE CODE: A61

Effective date: 20120514

R150 Certificate of patent or registration of utility model

Ref document number: 5007741

Country of ref document: JP

Free format text: JAPANESE INTERMEDIATE CODE: R150

Free format text: JAPANESE INTERMEDIATE CODE: R150

FPAY Renewal fee payment (event date is renewal date of database)

Free format text: PAYMENT UNTIL: 20150608

Year of fee payment: 3