JP2010049149A - Tft基板及びその製造方法 - Google Patents

Tft基板及びその製造方法 Download PDF

Info

Publication number
JP2010049149A
JP2010049149A JP2008215076A JP2008215076A JP2010049149A JP 2010049149 A JP2010049149 A JP 2010049149A JP 2008215076 A JP2008215076 A JP 2008215076A JP 2008215076 A JP2008215076 A JP 2008215076A JP 2010049149 A JP2010049149 A JP 2010049149A
Authority
JP
Japan
Prior art keywords
wiring
electrode
diode
protection circuit
film
Prior art date
Legal status (The legal status is an assumption and is not a legal conclusion. Google has not performed a legal analysis and makes no representation as to the accuracy of the status listed.)
Granted
Application number
JP2008215076A
Other languages
English (en)
Other versions
JP5156542B2 (ja
Inventor
Makoto Otani
誠 大谷
Hatsumi Kimura
初美 木村
Harumi Murakami
春美 村上
Current Assignee (The listed assignees may be inaccurate. Google has not performed a legal analysis and makes no representation or warranty as to the accuracy of the list.)
Mitsubishi Electric Corp
Original Assignee
Mitsubishi Electric Corp
Priority date (The priority date is an assumption and is not a legal conclusion. Google has not performed a legal analysis and makes no representation as to the accuracy of the date listed.)
Filing date
Publication date
Application filed by Mitsubishi Electric Corp filed Critical Mitsubishi Electric Corp
Priority to JP2008215076A priority Critical patent/JP5156542B2/ja
Publication of JP2010049149A publication Critical patent/JP2010049149A/ja
Application granted granted Critical
Publication of JP5156542B2 publication Critical patent/JP5156542B2/ja
Active legal-status Critical Current
Anticipated expiration legal-status Critical

Links

Images

Classifications

    • YGENERAL TAGGING OF NEW TECHNOLOGICAL DEVELOPMENTS; GENERAL TAGGING OF CROSS-SECTIONAL TECHNOLOGIES SPANNING OVER SEVERAL SECTIONS OF THE IPC; TECHNICAL SUBJECTS COVERED BY FORMER USPC CROSS-REFERENCE ART COLLECTIONS [XRACs] AND DIGESTS
    • Y02TECHNOLOGIES OR APPLICATIONS FOR MITIGATION OR ADAPTATION AGAINST CLIMATE CHANGE
    • Y02BCLIMATE CHANGE MITIGATION TECHNOLOGIES RELATED TO BUILDINGS, e.g. HOUSING, HOUSE APPLIANCES OR RELATED END-USER APPLICATIONS
    • Y02B20/00Energy efficient lighting technologies, e.g. halogen lamps or gas discharge lamps
    • Y02B20/30Semiconductor lamps, e.g. solid state lamps [SSL] light emitting diodes [LED] or organic LED [OLED]

Landscapes

  • Devices For Indicating Variable Information By Combining Individual Elements (AREA)
  • Liquid Crystal (AREA)
  • Semiconductor Integrated Circuits (AREA)
  • Thin Film Transistor (AREA)
  • Electroluminescent Light Sources (AREA)

Abstract

【課題】サージ電流による影響が発生しにくいTFT基板及びその製造方法を提供することができる。
【解決手段】本実施の形態にかかるTFT基板1は、表示領域2の外側に設けられ、第1の保護回路21、51及び第2の保護回路22、52がショート配線27と、アドレス配線4又はデータ配線5との間に並列に接続された並列保護回路20を有するものである。第1の保護回路21、51は、ショート配線27からアドレス配線4又はデータ配線5の方向を順方向とする第1のダイオード25、55と、第1のダイオード25、55に直列に接続された第1のコンデンサ23、53とを有する。そして、第2の保護回路22、52は、アドレス配線4又はデータ配線5からショート配線27の方向を順方向とする第2のダイオード26、56と、第2のダイオード26、56に直列に接続された第2のコンデンサ24、54とを有する。
【選択図】図3

Description

本発明は、TFT基板及びその製造方法に関する。
近年、液晶表示装置は、CRTに換わるフラットパネルディスプレイの一つとして、低消費電力や薄型であるという特徴を活かした製品への応用が盛んになされている。液晶表示装置には、単純マトリックス型液晶表示装置と、薄膜トランジスタ(以下、TFTと略す)をスイッチング素子として用いるTFT−LCDがある。携帯性、表示品位の点で、CRTや単純マトリックス型液晶表示装置より優れた特徴をもつTFT−LCDがノート型パソコンなどに広く実用化されている。TFT−LCDでは、一般にTFTアレイ基板と対向基板との間に液晶層が挟持されている。TFTアレイ基板上には、TFTがアレイ状に形成されている。このようなTFTアレイ基板及び対向基板の外側にはそれぞれ偏光板が設けられ、さらに一方の側にはバックライトが設けられている。このような構造によって良好なカラー表示が得られる。
しかしながら、TFT−LCDに用いられるTFTアレイ基板は、半導体技術を用いてTFTをガラス基板上にアレイ状に形成する必要があり、多くの工程数を必要とする。これらの各工程では、処理工程において静電気が発生するため、サージ電流が表示TFT部などに侵入して素子破壊を引き起こす。これにより、欠陥や不良が発生しやすく歩留の低下を招くという問題がある。
特開平5−142568号公報
以上のような問題に対し、特許文献1では、表示部周辺に配置した接地配線と、アドレス配線又はデータ配線との間に、TFTで形成したガード抵抗を設けている。これにより、外部端子よりアドレス配線又はデータ配線に進入する電荷を接地線に放電することができ、電荷が各配線を経由して表示領域内に進入することを防止することができる。そして、表示部にあるTFT特性の変化が防止され、その画素が点欠陥などの欠陥になることを避けることができる。すなわち、液晶駆動用アクティブマトリックス基板を静電気による劣化から保護することができる。
特許文献1に記載された、TFTで構成するガード抵抗は、大きな電流を流す能力が高い。また、液晶に接する電極に瞬間的に大きな電流を流すと、液晶/配向膜間に存在するHO分子を分解し、水素ラジカルなどの化学的に活性な化学種が発生する。ガード抵抗を構成し、液晶と接する配線には、ITO膜が使用されるが、水素ラジカルによってITO配線は還元腐食し断線に至りガード抵抗としての機能を失う。
本発明は、上記の問題を鑑みるためになされたものであり、サージ電流による影響が発生しにくいTFT基板及びその製造方法を提供することを目的とする。
本実施の形態にかかるTFT基板は、前記画素に設けられたTFTと、基準電位が供給される第1の配線と、前記画素が複数配置された表示領域の外側に形成された端子と、前記TFTと前記端子とを接続する第2の配線と、表示領域の外側に設けられ、第1の保護回路及び第2の保護回路が前記第1の配線と前記第2の配線との間に並列に接続された並列保護回路とを有するTFT基板であって、前記第1の保護回路が前記第1の配線から前記第2の配線の方向を順方向とする第1のダイオードと、前記第1のダイオードに直列に接続された第1のコンデンサとを有し、前記第2の保護回路が前記第2の配線から前記第1の配線の方向を順方向とする第2のダイオードと、前記第2のダイオードに直列に接続された第2のコンデンサとを有するものである。
本実施の形態にかかるTFT基板の製造方法であって、TFTを有する画素が複数配置された表示領域と、基準電位が供給される第1の配線とを備えるTFT基板の製造方法であって、前記表示領域の外側に配置される端子と、前記TFTと前記端子とを接続する第2の配線とを形成する工程と、前記表示領域の外側に設けられ、第1の保護回路及び第2の保護回路が前記第1の配線と前記第2の配線との間に並列に接続された並列保護回路を形成する工程であって、前記第1の配線から前記第2の配線の方向を順方向とする第1のダイオード及び第1のコンデンサが直列に接続した第1の保護回路と、前記第2の配線から前記第1の配線の方向を順方向とする第2のダイオード及び第2のコンデンサが直列に接続した第2の保護回路を形成する工程とを備えるものである。
本発明によれば、サージ電流による影響が発生しにくいTFT基板及びその製造方法を提供することができる。
実施の形態.
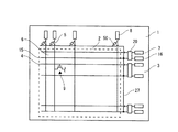
まず、図1を参照して、TFT基板の構成を説明する。図1は、TFT基板の構成を示す平面図である。TFT基板は、液晶表示装置や有機EL表示装置等の平面型表示装置(フラットパネルディスプレイ)に用いることができる。
TFT基板1は、例えば、薄膜トランジスタ(以下TFT:Thin Film Transistor)9がアレイ状に配列したTFTアレイ基板である。TFT基板1には、表示領域2と表示領域2を囲むように設けられた額縁領域3とが設けられている。この表示領域2には、複数のアドレス配線(ゲート信号線)4、複数の共通配線15、及び複数のデータ配線(ソース信号線)5が形成されている。複数のアドレス配線4及び複数の共通配線15は、平行に設けられている。共通配線15は、隣接するアドレス配線4間にそれぞれ設けられている。すなわち、アドレス配線4と共通配線15とは、交互に配置されている。
そして、複数のデータ配線5は平行に設けられている。アドレス配線4とデータ配線5とは互いに交差するように形成されている。同様に、共通配線15とデータ配線5とは互いに交差するように形成されている。アドレス配線4とデータ配線5とは直交している。同様に、共通配線15とデータ配線5とは直交している。そして、隣接するアドレス配線4と共通配線15、隣接するデータ配線5とで囲まれた領域が画素6となる。TFT基板1では、画素6がマトリクス状に配列される。
アドレス配線4は、表示領域2から額縁領域3まで延設されている。アドレス配線4は、端部にゲート駆動用端子7を有する。共通配線15は、表示領域2から額縁領域3まで延設されている。共通配線15は、端部に共通配線用端子16を有する。データ配線5は、表示領域2から額縁領域3まで延設されている。そして、データ配線5は、端部にソース駆動用端子8を有する。
また、額縁領域3には、ショート配線27が形成される。ショート配線27は、表示領域2の外形に沿ってL字型に形成される。ショート配線27は、表示領域2とゲート駆動用端子7との間、表示領域2と共通配線用端子16との間、及び表示領域2とソース駆動用端子8との間に形成される。ショート配線27は、アドレス配線4、データ配線5、及び共通配線15と交差するように形成される。ショート配線27は、全ての共通配線15に電気的に接続する。
また、表示領域2の外側から、ゲート駆動用端子7及び共通配線用端子16までの間に並列保護回路20が形成される。具体的には、ショート配線27とゲート駆動用端子7との間、及びショート配線27と共通配線用端子16との間に並列保護回路20が形成される。また、表示領域2の外側から、ソース駆動用端子8までの間に並列保護回路50が形成される。具体的には、ショート配線27とソース駆動用端子8との間に並列保護回路50が形成される。なお、並列保護回路20、50については後述する。このように、表示領域2の外側(額縁領域3)には、ゲート駆動用端子7、ソース駆動用端子8、共通配線用端子16、ショート配線27、並列保護回路20、50等が形成される。
ゲート駆動用端子7、ソース駆動用端子8、及び共通配線用端子16には、例えば制御回路が接続される。そして、ゲート駆動用端子7、ソース駆動用端子8、及び共通配線用端子16を介して、制御回路からの各種信号が表示領域2に供給される。具体的には、ゲート駆動用端子7を介して、ゲート信号(走査信号)がアドレス配線4に供給される。このゲート信号によって、アドレス配線4が順次選択されていく。そして、ソース駆動用端子8を介して、表示信号(表示電圧)がデータ配線5に供給される。これにより、表示データに応じた表示電圧を各画素6に供給することができる。また、共通配線用端子16を介して、共通信号(共通電位)が共通配線15に供給される。
画素6内には、少なくとも1つのTFT9と、TFT9と接続されたコンデンサ(不図示)とが形成されている。TFT9はアドレス配線4とデータ配線5の交差点近傍に配置される。例えば、このTFT9が画素電極に表示電圧を供給するためのスイッチング素子となる。TFT9のゲート電極はアドレス配線4に接続され、ゲート駆動用端子7から入力されるゲート信号によってTFT9のONとOFFを制御している。TFT9のソース電極はデータ配線5に接続されている。ゲート電極に電圧が印加され、TFT9がONされると、データ配線5から電流が流れるようになる。これにより、データ配線5から、TFT9のドレイン電極に接続された画素電極に表示電圧が印加される。そして、画素電極と、対向電極との間に、表示電圧に応じた電界が生じる。
一方、コンデンサは、TFT9だけでなく、共通配線15を介して対向電極とも電気的に接続されている。従って、コンデンサは、画素電極と対向電極との間の容量と並列接続されていることになる。コンデンサは、対向配置される電極間に誘電体絶縁膜を形成して構成される。そして、コンデンサによって画素電極に印加される電圧を一定時間保持することができる。TFT基板1の表面には、配向膜(不図示)が形成される。TFT基板1は、以上のように構成される。
さらに、液晶表示装置の場合、TFT基板1には、対向基板が対向して配置されている。対向基板は、例えばカラーフィルタ基板であり、視認側に配置される。対向基板には、カラーフィルタ、ブラックマトリクス(BM)、対向電極、及び配向膜等が形成されている。なお、例えば、IPS方式の液晶表示装置の場合、対向電極は、TFT基板1側に配置される。そして、TFT基板1と対向基板との間に液晶層が挟持される。すなわち、TFT基板1と対向基板との間には液晶が注入されている。さらに、TFT基板1と対向基板との外側の面には、偏光板、及び位相差板等などが設けられる。また、以上のように構成された液晶表示パネルの反視認側には、バックライトユニット等が配設される。
画素電極と対向電極との間の電界によって、液晶が駆動される。すなわち、基板間の液晶の配向方向が変化する。これにより、液晶層を通過する光の偏光状態が変化する。すなわち、偏光板を通過して直線偏光となった光は液晶層によって、偏光状態が変化する。具体的には、バックライトユニットからの光及び外部から入射した外光は、TFT基板1側の偏光板によって直線偏光になる。そして、この直線偏光が液晶層を通過することによって、偏光状態が変化する。
従って、偏光状態によって、対向基板側の偏光板を通過する光量が変化する。すなわち、バックライトユニットから液晶表示パネルを透過する透過光のうち、視認側の偏光板を通過する光の光量が変化する。液晶の配向方向は、印加される表示電圧によって変化する。従って、表示電圧を制御することによって、視認側の偏光板を通過する光量を変化させることができる。すなわち、画素毎に表示電圧を変えることによって、所望の画像を表示することができる。これら一連の動作で、コンデンサにおいては画素電極と対向電極との間の電界と並列に電界を形成させることにより、表示電圧の保持に寄与する。
次に、図2を参照してTFT基板1の画素6の構成について説明する。図2は、TFT基板1の画素6の構成を示す断面図である。図6においては、左側にTFT9、右側にコンデンサ14を示す。
ガラス等からなる透明な絶縁性基板30上には、ゲート電極4a及び共通電極15aが形成される。ゲート電極4aは、アドレス配線4の一部である。アドレス配線4は、複数の画素6に亘って延在し、それぞれの画素6のゲート電極4aにゲート信号を供給する。共通電極15aは、共通配線15の一部である。共通配線15は、複数の画素6に亘って延在し、それぞれの画素6の共通電極15aに共通電位を供給する。そして、ゲート電極4a、共通電極15a等を覆うように、ゲート絶縁膜32が形成される。
ゲート絶縁膜32上には、i型半導体膜であるアモルファスシリコン(a−Si)膜33が形成される。a−Si膜33は、ゲート絶縁膜32を介して、ゲート電極4aと対向配置される。a−Si膜33上には、n型半導体膜であるn型アモルファスシリコン(n−a−Si)膜34が形成される。n−a−Si膜34は、a−Siにリン(P)等が微量にドーピングされたn型半導体膜である。ゲート電極4a上において、n−a−Si膜34は、a−Si膜33の両端に形成される。すなわち、ゲート電極4a上において、a−Si膜33の中央部には、n−a−Si膜34が形成されていない。このn−a−Si膜34が形成されない領域がチャネル領域である。
a−Si膜33の両端に形成されたn−a−Si膜34は、一方がドレイン領域、他方がソース領域を構成する。図2においては、共通電極15a側のn−a−Si膜34がドレイン領域、共通電極15aとは反対側のn−a−Si膜34がソース領域を構成する。ソース・ドレイン領域は、チャネル領域より低抵抗となっている。ここで、チャネル領域とは、ゲート電極4aにゲート電圧を印加した際に、チャネルが形成される領域を示す。これにより、ゲート電極4aにゲート電圧を印加すると、チャネル領域の裏面には、チャネルが形成される。そして、ソース領域とドレイン領域との間に所定の電圧を与えた状態でゲート電圧を印加すると、ソース領域とドレイン領域の間にはゲート電圧に応じたドレイン電流が流れる。
n−a−Si膜34上には、ソース電極5a及びドレイン電極11が形成される。具体的には、ソース領域上にソース電極5a、ドレイン領域上にドレイン電極11が形成される。ソース電極5aは、データ配線5の一部である。データ配線5は、複数の画素6に亘って延在し、それぞれの画素6のソース電極5aにソース信号を供給する。TFT9は、ゲート電極4a、ゲート絶縁膜32、a−Si膜33、n−a−Si膜34、ソース電極5a、ドレイン電極11などによって構成される。これらを覆うように、保護絶縁膜36が形成される。ドレイン電極11上の保護絶縁膜36には、コンタクトホール12が形成される。
そして、保護絶縁膜36上に、画素電極13が形成される。画素電極13は、画素6の略全体に形成される。そして、画素電極13は、ドレイン電極11及び共通電極15aの少なくとも一部と重なる。つまり、画素電極13は、ゲート絶縁膜32、保護絶縁膜36を介して下層の共通電極15aとオーバーラップしている。これにより、共通電極15aと画素電極13との間に電荷が蓄えられる。このように、共通電極15a、ゲート絶縁膜32、保護絶縁膜36、及び画素電極13は、画素電極13に印加される電圧を一定時間保持するためのコンデンサ14を構成する。画素電極13は、コンタクトホール12に埋設される。そして、コンタクトホール12を介して、画素電極13とドレイン電極11が電気的に接続される。TFT基板1の画素6は、上記のように構成される。
また、本実施の形態にかかるTFT基板1には、図1に示されるように、表示領域2と、ゲート駆動用端子7及び共通配線用端子16との間に並列保護回路20が形成される。そして、表示領域2とソース駆動用端子8との間に並列保護回路50が形成される。すなわち、額縁領域3に、並列保護回路20、50が形成される。換言すると、1列に配列された複数の画素6のうち、最も端の画素6と、ゲート駆動用端子7及び共通配線用端子16との間に並列保護回路20が形成される。そして、最も端の画素6と、ソース駆動用端子8との間に並列保護回路50が形成される。ここで、図3を参照して並列保護回路20、50の構成について説明する。図3は、並列保護回路20、50の構成を示す回路図である。すなわち、図3は、図1のゲート駆動用端子7、ソース駆動用端子8、及び共通配線用端子16近傍を拡大した図である。
まず、ゲート駆動用端子7側に形成された並列保護回路20について説明する。並列保護回路20は、一端がアドレス配線4、他端が共通配線15及びショート配線27に電気的に接続される。すなわち、それぞれのアドレス配線4に対して並列保護回路20が形成される。また、ゲート駆動用端子7上では絶縁膜等が除去され、ゲート駆動用端子7が外部に露出されている。また、共通配線用端子16上では絶縁膜等が除去され、共通配線用端子16が外部に露出されている。共通配線用端子16及びゲート駆動用端子7は、矩形状に形成される。ショート配線27は、最も端の画素6とゲート駆動用端子7との間に形成される。また、ショート配線27は、最も端の画素6とソース駆動用端子8との間に形成される。制御回路等が接続される前の共通配線用端子16は、接地されている。すなわち、TFT基板1製造工程時の共通配線用端子16は、接地されている。これにより、ショート配線27及び共通配線15には、基準電位が供給される。
並列保護回路20では、第1の保護回路21及び第2の保護回路22がアドレス配線4と共通配線15との間に並列に接続されている。すなわち、並列保護回路20では、第1の保護回路21及び第2の保護回路22がアドレス配線4とショート配線27との間に並列に接続されている。並列保護回路20は、ゲート駆動用端子7より進入する静電気を共通配線15やショート配線27に逃がすガード抵抗としての働きをもつ。第1の保護回路21では、第1のコンデンサ23と第1のダイオード25とが直列に接続される。第1のコンデンサ23の一端は共通配線15に接続され、第1のダイオード25の一端はアドレス配線4に接続される。第2の保護回路22では、第2のコンデンサ24と第2のダイオード26とが直列に接続される。第2のコンデンサ24の一端はアドレス配線4に接続され、第2のダイオード26の一端は共通配線15に接続される。
ダイオード25、26は、アノード(陽極)およびカソード(陰極)を有し、電流を一方向にしか流さない。すなわち、アノードからカソードへは電流を流すが、カソードからアノードへはほとんど電流を流さない。第1のダイオード25は、共通配線15(ショート配線27)からアドレス配線4への方向を順方向とする。すなわち、第1のダイオード25によって、共通配線15からアドレス配線4へ向けて電流が流れる。一方、第2のダイオード26では、アドレス配線4から共通配線15(ショート配線27)への方向を順方向とする。すなわち、第2のダイオード26によって、アドレス配線4から共通配線15へ向けて電流が流れる。つまり、第2のダイオード26の順方向は、第1のダイオード25の順方向とは反対方向となっている。従って、並列に接続された保護回路21、22には、互いに反対方向に電流が流れる。また、コンデンサ23、24は、それぞれの保護回路21、22において、ダイオード25、26の順方向後方側に設けられる。
次に、ソース駆動用端子8側に形成された並列保護回路50について説明する。並列保護回路50は、一端がデータ配線5、他端が共通配線15及びショート配線27に電気的に接続される。すなわち、それぞれのデータ配線5に対して並列保護回路50が形成される。また、ソース駆動用端子8上では絶縁膜等が除去され、ソース駆動用端子8が外部に露出されている。ソース駆動用端子8は、矩形状に形成される。
並列保護回路50では、第1の保護回路51及び第2の保護回路52がデータ配線5とショート配線27との間に並列に接続されている。並列保護回路50は、ソース駆動用端子8より進入する静電気を共通配線15やショート配線27に逃がすガード抵抗としての働きをもつ。第1の保護回路51では、第1のコンデンサ53と第1のダイオード55とが直列に接続される。第1のコンデンサ53の一端はショート配線27に接続され、第1のダイオード55の一端はデータ配線5に接続される。第2の保護回路52では、第2のコンデンサ54と第2のダイオード56とが直列に接続される。第2のコンデンサ54の一端はデータ配線5に接続され、第2のダイオード56の一端はショート配線27に接続される。
第1のダイオード55は、ショート配線27(共通配線15)からデータ配線5への方向を順方向とする。すなわち、第1のダイオード55によって、ショート配線27からデータ配線5へ向けて電流が流れる。一方、第2のダイオード56では、データ配線5からショート配線27(共通配線15)への方向を順方向とする。すなわち、第2のダイオード56によって、データ配線5からショート配線27へ向けて電流が流れる。つまり、第2のダイオード56の順方向は、第1のダイオード55の順方向とは反対方向となっている。従って、並列に接続された保護回路51、52には、互いに反対方向に電流が流れる。また、コンデンサ53、54は、それぞれの保護回路51、52において、ダイオード55、56の順方向後方側に設けられる。
次に、図4、5を参照して、ゲート駆動端子7側に形成された並列保護回路20の構成について詳細に説明する。図4は、ゲート駆動端子7側に形成された並列保護回路20の構成を示す平面図である。図5は、図4のV−V断面図である。
絶縁性基板30上に、共通電極15b、ゲート電極4b、4c、及びコンデンサ電極31が形成される。共通電極15bは、共通配線15の一部である。ゲート電極4b、4cは、アドレス配線4の一部である。すなわち、共通配線15及びアドレス配線4は、同一層に形成される。図4に示されるように、コンデンサ電極31は、矩形状であり、アドレス配線4と平行に延在する。また、コンデンサ電極31は、コンタクトホール39から第1の保護回路21に亘って形成される。共通電極15b、ゲート電極4b、4c、コンデンサ電極31等を覆うように、ゲート絶縁膜32が形成される。
ゲート絶縁膜32上には、ダイオード25、26が形成される。そして、ゲート絶縁膜32を介して、コンデンサ電極31と第1のダイオード25とが対向配置される。そして、ゲート絶縁膜32を介して、ゲート電極4bと第2のダイオード26とが対向配置される。ダイオード25、26は、a−Si膜33、n−a−Si膜34、ダイオード電極35が順次積層された構成を有する。a−Si膜33は、島状に形成される。n−a−Si膜34及びダイオード電極35は、a−Si膜33より小さく形成される。a−Si膜33は、ダイオード25、26のアノード側に配置される。ダイオード電極35は、ダイオード25、26のカソード側に配置される。すなわち、a−Si膜33からダイオード電極35に向けて電流が流れる。
また、第1のダイオード25のa−Si膜33、コンデンサ電極31、及びゲート絶縁膜32によって第1のコンデンサ23が構成される。すなわち、第1のコンデンサ23上に第1のダイオード25が設けられる。そして、第2のダイオード26のa−Si膜33、ゲート電極4b、及びゲート絶縁膜32によって第2のコンデンサ24が構成される。すなわち、第2のコンデンサ24上に第2のダイオード26が設けられる。
ダイオード25、26を覆うように、保護絶縁膜36が形成される。また、ゲート電極4c、共通電極15b、コンデンサ電極31、及びダイオード25、26上には、コンタクトホール41、37、39、40、38がそれぞれ形成される。具体的には、ゲート電極4c上のコンタクトホール41では、ゲート絶縁膜32及び保護絶縁膜36が除去される。共通電極15b上のコンタクトホール37では、ゲート絶縁膜32及び保護絶縁膜36が除去される。コンデンサ電極31上のコンタクトホール39では、ゲート絶縁膜32及び保護絶縁膜36が除去される。第1のダイオード25上のコンタクトホール40では、保護絶縁膜36が除去される。第2のダイオード26上のコンタクトホール38では、保護絶縁膜36が除去される。
また、図4に示されるように、コンタクトホール37、38、39は、直線状に並んで設けられる。また、コンタクトホール38とコンタクトホール41は、アドレス配線4上に隣接して設けられる。換言すると、第2の保護回路22とコンタクトホール41は、アドレス配線4上に隣接して設けられる。具体的には、アドレス配線4のゲート駆動用端子7側にコンタクトホール41、アドレス配線4のゲート駆動用端子7とは反対側に第2の保護回路22が形成される。図4においては、アドレス配線4の右側にコンタクトホール41、アドレス配線4の左側に第2の保護回路22が形成される。そして、コンタクトホール39とコンタクトホール40とは、コンデンサ電極31上に隣接して設けられる。換言すると、コンタクトホール39と第1の保護回路21とは、コンデンサ電極31上に隣接して設けられる。図4においては、コンデンサ電極31の右側に第1の保護回路21、左側にコンタクトホール39が形成される。
そして、保護絶縁膜36上には、ショート配線27及び接続電極42が形成される。ショート配線27及び接続電極42は、図2に示された画素電極13と同一層に形成される。図4に示されるように、ショート配線27及び接続電極42は、それぞれ直線状に形成される。ショート配線27及び接続電極42は、互いに平行になるように形成される。ショート配線27は、コンタクトホール37、38、39上を通るように形成される。すなわち、ショート配線27と共通配線15との交差位置にコンタクトホール37が形成される。また、ショート配線27とアドレス配線4との交差位置にコンタクトホール38が形成される。そして、コンデンサ電極31とショート配線27との交差位置にコンタクトホール39が形成される。
接続電極42は、コンタクトホール40、41上を通るように形成される。すなわち、コンデンサ電極31と接続電極42との交差位置にコンタクトホール40が形成される。そして、アドレス配線4と接続電極42との交差位置にコンタクトホール41が形成される。また、ショート配線27は、コンタクトホール37、38、39に埋設され、共通電極15b、第2のダイオード26のダイオード電極35、コンデンサ電極31に電気的に接続される。接続電極42は、コンタクトホール40、41に埋設され、第1のダイオード25のダイオード電極35及びゲート電極4cに電気的に接続される。
このように、接続電極42と下層のアドレス配線4とが電気的に接続されることにより、第1のダイオード25のカソード側は、アドレス配線4と電気的に接続される。そして、ショート配線27と下層のコンデンサ電極31とが電気的に接続されることにより、第1のダイオード25のアノード側は、ショート配線27と電気的に接続される。また、第2のダイオード26のカソード側は、ショート配線27と電気的に接続される。そして、アドレス配線4(ゲート電極4b)上に、第2のダイオード26を形成することにより、第2のダイオード26のアノード側は、アドレス配線4に電気的に接続される。これにより、ダイオード25、26のアノードを同一層に形成し、ダイオード25、26のカソードを同一層に形成しても、ダイオード25、26の順方向を互いに反対にすることができる。このため、構成及び製造工程を簡素化できる。本実施の形態にかかる並列保護回路20は、以上のように構成される。
次に、ゲート駆動用端子7側に形成された並列保護回路20の動作について説明する。第1の配線をショート配線27、第2の配線をアドレス配線4とした場合、第1のダイオード25では、第1の配線から第2の配線への方向を順方向としている。また、第2のダイオード26では、第2の配線から第1の配線への方向を順方向としている。また、ダイオード25、26には、コンデンサ23、24が直列に接続されている。すなわち、図5に示されるように、第1のダイオード25とコンデンサ電極31との間には、ゲート絶縁膜32が形成されており、通常時では絶縁が保たれる。同様に、第2のダイオード26とゲート電極4bとの間には、ゲート絶縁膜32が形成されており、通常時では絶縁が保たれる。
ここで、製造工程等において、静電気によりアドレス配線4に大きなサージ電流が流れた場合、コンデンサ23、24の下部電極から上部電極に電流が流れる。具体的には、第1のコンデンサ23のコンデンサ電極31からa−Si膜33に電流が流れる。そして、第2のコンデンサ24のゲート電極4bからa−Si膜33に電流が流れる。これにより、ダイオード25、26にも電流が供給される。例えば、アドレス配線4が共通配線15(ショート配線27)の電位に対して正帯電した場合、第2のダイオード26には、アノードであるa−Si膜33に正電圧、カソードであるダイオード電極35に負電圧が印加される。すなわち、第2のダイオード26には、順方向にバイアスが印加され、電流がa−Si膜33からダイオード電極35に流れる。一方、第1のダイオード25には、アノードであるa−Si膜33に負電圧、カソードであるダイオード電極35に正電圧が印加される。すなわち、第1のダイオード25には、逆方向にバイアスが印加され、電流が流れにくくなる。従って、上記のように正帯電した場合、第2のコンデンサ24、第2のダイオード26を経由し、共通配線15やショート配線27から放電される。
反対に、アドレス配線4が共通配線15の電位に対して負帯電した場合、第1のダイオード25には、順方向にバイアスが印加され、電流がa−Si膜33からダイオード電極35に流れる。また、第2のダイオード26には、逆方向にバイアスが印加され、電流が流れにくくなる。従って、上記のように負帯電した場合、第1のコンデンサ23、第1のダイオード25を経由し、アドレス配線4に電流が流れる。このように、ゲート駆動用端子7の電荷を打ち消す方向に電流が流れる。そして、過渡電流として帯電電荷を放電させることができる。すなわち、静電気の電荷極性に関係なく適切な放電特性を実現できる。
次に、図6、7を参照して、ソース駆動端子8側に形成された並列保護回路50の構成について詳細に説明する。図6は、ソース駆動端子8側に形成された並列保護回路50の構成を示す平面図である。図7は、図6のVII−VII断面図である。
絶縁性基板30上に、コンデンサ電極60、61が形成される。コンデンサ電極60、61は、上記の共通配線15及びアドレス配線4と同一層に形成される。図6に示されるように、コンデンサ電極60は、データ配線5と直交するように、コンタクトホール62からコンタクトホール63に亘って形成される。コンデンサ電極60は、両端部が幅広の矩形状になっている。また、コンデンサ電極60とデータ配線5との交差位置には、第1の保護回路51が形成される。また、コンデンサ電極61は、矩形状であり、データ配線5と平行に延在する。コンデンサ電極60、61等を覆うように、ゲート絶縁膜32が形成される。
ゲート絶縁膜32上には、ダイオード55、56、及びソース電極5cが形成される。そして、ゲート絶縁膜32を介して、コンデンサ電極60と第1のダイオード55とが対向配置される。そして、ゲート絶縁膜32を介して、コンデンサ電極61と第2のダイオード56とが対向配置される。第1のダイオード55は、a−Si膜33、n−a−Si膜34、ソース電極5bが順次積層された構成を有する。ソース電極5b、5cは、データ配線5の一部である。第2のダイオード56は、a−Si膜33、n−a−Si膜34、ダイオード電極35が順次積層された構成を有する。a−Si膜33は、島状に形成される。n−a−Si膜34、ダイオード電極35、及びソース電極5bは、a−Si膜33より小さく形成される。a−Si膜33は、ダイオード55、56のアノード側に配置される。ダイオード電極35及びソース電極5bは、ダイオード55、56のカソード側に配置される。すなわち、a−Si膜33からダイオード電極35又はソース電極5bに向けて電流が流れる。
また、第1のダイオード55のa−Si膜33、コンデンサ電極60、及びゲート絶縁膜32によって第1のコンデンサ53が構成される。すなわち、第1のコンデンサ53上に第1のダイオード55が設けられる。そして、第2のダイオード56のa−Si膜33、コンデンサ電極61、及びゲート絶縁膜32によって第2のコンデンサ54が構成される。すなわち、第2のコンデンサ54上に第2のダイオード56が設けられる。
ダイオード55、56を覆うように、保護絶縁膜36が形成される。また、コンデンサ電極60、61、第2のダイオード56、及びソース電極5c上には、コンタクトホール62、63、65、64、66が形成される。具体的には、コンデンサ電極60上のコンタクトホール62、63では、ゲート絶縁膜32及び保護絶縁膜36が除去される。コンデンサ電極61上のコンタクトホール65では、ゲート絶縁膜32及び保護絶縁膜36が除去される。第2のダイオード56上のコンタクトホール64では、保護絶縁膜36が除去される。ソース電極5c上のコンタクトホール66では、保護絶縁膜36が除去される。
また、図6に示されるように、コンタクトホール63、64、65は、順に直線状に並んで設けられる。すなわち、コンタクトホール63とコンタクトホール65とは、第2の保護回路52を挟むように設けられる。また、コンデンサ電極60上において、コンタクトホール62とコンタクトホール63は、第1の保護回路51を挟むように設けられる。図6においては、コンデンサ電極60の右側から順に、コンタクトホール62、第1の保護回路51、コンタクトホール63が設けられる。また、コンタクトホール66は、データ配線5上において、第1の保護回路51と隣接して設けられる。具体的には、データ配線5のデータ駆動用端子8側にコンタクトホール66、データ配線5のデータ駆動用端子8とは反対側に第1の保護回路51が形成される。図6においては、データ配線5の上側にコンタクトホール66、データ配線5の下側に第1の保護回路51が形成される。
そして、保護絶縁膜36上には、ショート配線27及び接続電極67が形成される。ショート配線27及び接続電極67は、図2に示された画素電極13と同一層に形成される。図6に示されるように、ショート配線27は、データ配線5によって分断される。すなわち、ショート配線27は、データ配線5とは重ならないように、隣接するデータ配線5間に形成される。すなわち、データ配線5とショート配線27とは接しない。隣接するデータ配線5によって区分けされたショート配線27は、一端がソース駆動用端子8側に屈折したL字型を有する。接続電極67は、データ配線5と直交するように、直線状に形成される。屈折部分以外のショート配線27、接続電極67、及びコンデンサ電極60は、互いに平行になるように延在する。ショート配線27は、コンタクトホール62、63、64上を通るように形成される。ショート配線27とコンデンサ電極60の両端部とが重なる部分に、コンタクトホール62、63がそれぞれ形成される。また、ショート配線27の屈折部分の端部と、コンデンサ電極61の端部とが重なる部分に、コンタクトホール64が形成される。
接続電極67は、コンタクトホール65、66上を通るように形成される。すなわち、接続電極67の一端部と、コンデンサ電極61のショート配線27とは反対側の端部とが重なる部分に、コンタクトホール65が形成される。また、接続電極67の他端部とデータ配線5とが重なる部分に、コンタクトホール66が形成される。また、ショート配線27は、コンタクトホール62、63、64に埋設され、コンデンサ電極60及びダイオード電極35に電気的に接続される。接続電極67は、コンタクトホール65、66に埋設され、コンデンサ電極61及びデータ配線5に電気的に接続される。
このように、第1のダイオード55のカソード側は、データ配線5(ソース電極5b)によって形成される。そして、ショート配線27とコンデンサ電極60とが電気的に接続されることにより、第1のダイオード55のアノード側は、ショート配線27と電気的に接続される。また、第2のダイオード56のカソード側は、ショート配線27と電気的に接続される。そして、接続電極67を介して、データ配線5とコンデンサ電極61とが電気的に接続されることにより、第2のダイオード56のアノード側は、データ配線5と電気的に接続される。これにより、ダイオード55、56のアノードを同一層に形成し、ダイオード55、56のカソードを同一層に形成しても、ダイオード55、56の順方向を互いに反対にすることができる。このため、構成及び製造工程を簡素化できる。本実施の形態にかかる並列保護回路50は、以上のように構成される。
次に、ソース駆動用端子8側に形成された並列保護回路50の動作について説明する。第1の配線をショート配線27、第2の配線をデータ配線5とした場合、第1のダイオード55は、第1の配線から第2の配線への方向を順方向としている。また、第2のダイオード56は、第2の配線から第1の配線への方向を順方向としている。そして、並列回路50も、ゲート駆動用端子7側に形成された並列回路20と同様の動作を行う。すなわち、ソース駆動用端子8の電荷を打ち消す方向に電流が流れる。そして、過渡電流として帯電電荷を放電させることができる。
このように、本実施の形態にかかるTFT基板1は、静電気による電荷がアドレス配線4又はデータ配線5を経由して表示領域2内に進入しにくくなる。すなわち、静電気を急激に放電するのではなく、緩やかに放電することができる。このため、急激な静電気の放電による配線、TFT等の破壊を抑制することができる。すなわち、サージ電流による影響が発生しにくいTFT基板1を得ることができる。換言すると、静電気に強いTFT基板1を得ることができる。これにより、画素6に点欠陥等の欠陥が発生しにくくなり、本実施の形態にかかるTFT基板1を用いた表示装置の表示特性を向上させることができる。
また、本実施の形態にかかるTFT基板1を用いた表示装置の場合、画素単位での電気的検査を正確に行うことができる。画素単位の電気的検査は、ゲート駆動用端子7と共通配線15との間に印加するパルス信号電圧を低くして行われる。この際、a−Si(n)/a−Si(i)接合によるダイオードでは、抵抗が十分に高くなる。このため、周囲のデータ配線5からの電流の回り込みを最小限にすることができる。これにより、画素単位の電気的検査への影響は、無視できる程度になり、画素単位での電気的検査を正確に行うことができる。
また、TFT基板1を液晶表示装置に用いた場合、特許文献1と異なり、並列保護回路20を構成し、液晶と接触する配線に、瞬間的に大きな電流を流す必要がない。すなわち、並列保護回路20、50のショート配線27、接続電極42、67等の配線に、瞬間的に大きな電流を流す必要がない。このため、並列保護回路20、50のショート配線27、接続電極42、67等の配線にITO膜等を用いても、この配線が還元腐食断線することが抑制でき、製品の歩留が向上する。
さらに、このような並列保護回路20、50は、パネル微細化した場合でも形成でき、特許文献1のようにTFTで構成するガード抵抗ではコンパクト化できない小型高微細化した製品にも適用できる。
次に、図8−10を参照して、TFT基板1の製造方法について説明する。図8は、TFT基板1の画素6における製造工程を示す断面図である。図9は、TFT基板1のゲート駆動用端子7側の並列保護回路20における製造工程を示す断面図である。図10は、TFT基板1のソース駆動用端子8側の並列保護回路50における製造工程を示す断面図である。
まず、ガラス基板や石英基板などの光透過性を有する絶縁性基板30上に、プレーナーマグネトロン法により、第1の導電膜を成膜する。なお、ここでは、プレーナーマグネトロン法(スパッタリング法)により成膜するが、蒸着法等により成膜してもよい。第1の導電膜としては、Mo、Ta、TaN、Cr、Al、W、Cu、それらを主成分とする合金膜またはそれらの積層膜を用いることができる。本実施の形態では、第1の導電膜として、Mo−Nb合金膜を用いる。そして、Mo−Nb合金膜を250nmの膜厚に成膜する。そして、第1の導電膜上に、感光性樹脂であるレジスト(フォトレジスト)をスピンコートによって塗布し、塗布したレジストを露光、現像する公知の写真製版法を行う。これにより、所望の形状にレジストがパターニングされる。その後、レジストパターンをマスクとして、第1の導電膜をエッチングし、所望の形状にパターニングする。その後、レジストを除去する。
これにより、画素6においては、TFT9のゲート電極4a、及び共通電極15aが形成される。そして、並列保護回路20においては、ゲート電極4b、4c、共通電極15b、及びコンデンサ電極31が形成される。また、並列保護回路50においては、コンデンサ電極60、61が形成される。なお、図8−10においては図示しないが、アドレス配線4、共通配線15、ゲート駆動用端子7、及び共通配線用端子16も形成される。また、本実施の形態では、エッチングとして、燐酸・硝酸・酢酸混合溶液を用いたウェットエッチング法を行う。なお、上記の電極等の端面は、テーパー形状とすることが望ましい。テーパー形状とすることにより、後に成膜するゲート絶縁膜32の被覆性が向上する。そして、絶縁膜耐圧が向上するという効果を奏する。以上の工程により、図8(a)、図9(a)、及び図10(a)に示す構成となる。
次に、これらを覆うように、プラズマCVD法によりゲート絶縁膜32を成膜する。本実施の形態では、ゲート絶縁膜32として、窒化シリコン膜(SiN膜)を用いる。そして、SiN膜を400nmの膜厚に成膜する。なお、これに限らず、ゲート絶縁膜32として、例えば第1の導電膜の陽極酸化膜、スパッタリング法によるSiOx膜、SiNx膜、TaOx膜、プラズマCVD法によるSiOx膜またはそれらの積層膜を用いてもよい。また、ゲート絶縁膜32の膜厚は上記膜厚に限るものではなく、絶縁耐圧や絶縁膜容量などを勘案して決定すればよい。
その後、ゲート絶縁膜32の上に、プラズマCVD法により、a−Si膜33、n−a−Si膜34を順次成膜する。本実施の形態では、a−Si膜33を170nm、n−a−Si膜34を30nmの膜厚に成膜する。また、a−Si膜33及びn−a−Si膜34は、同一装置あるいは同一チャンバ内にて連続的に成膜することが好ましい。もちろん、ゲート絶縁膜32も、同一装置あるいは同一チャンバ内にて連続的に成膜してもよい。これにより、大気雰囲気中に存在するボロンなどの汚染物質が各膜の界面に取り込まれることを抑制することができる。
次に、公知の写真製版法およびドライエッチング法を用いて、a−Si膜33及びn−a−Si膜34を所望の形状にパターニングし、レジストを除去する。これにより、画素6においては、ゲート電極4a上に、a−Si膜33及びn−a−Si膜34が島状に加工される。そして、並列保護回路20においては、ゲート電極4b及びコンデンサ電極31上に、a−Si膜33及びn−a−Si膜34がそれぞれ島状に加工される。並列保護回路50においては、コンデンサ電極60、61上に、a−Si膜33及びn−a−Si膜34がそれぞれ島状に加工される。本実施の形態では、エッチングガスとして、フッ素系ガスを用いる。以上の工程により、図8(b)、図9(b)、及び図10(b)に示す構成となる。
次に、プレーナーマグネトロン法により、n−a−Si膜34上に、第2の導電膜を成膜する。なお、ここでは、プレーナーマグネトロン法(スパッタリング法)により成膜するが、蒸着法等により成膜してもよい。第2の導電膜としては、Mo、Al、Cr、Cu、Ti、TaN、W、それらを主成分とする合金またはそれらの積層膜を用いることができる。本実施の形態では、第2の導電膜として、Cr膜、Al膜が順次成膜された積層膜を用いる。Cr膜は、50nmの膜厚に成膜される。Al膜は、300nmの膜厚に成膜される。
そして、公知の写真製版法およびウェットエッチング法を用いて、第2の導電膜を所望の形状にパターニングし、レジストを除去する。これにより、画素6においては、ソース電極5a及びドレイン電極11が形成される。ソース電極5a及びドレイン電極11は、n−a−Si膜34の両端に形成される。すなわち、n−a−Si膜34の中央部では、n−a−Si膜34が露出する。そして、並列保護回路20においては、ダイオード電極35が形成される。並列保護回路50においては、ダイオード電極35及びソース電極5b、5cが形成される。並列保護回路20、50において、ダイオード電極35及びソース電極5bは、下層のa−Si膜33及びn−a−Si膜34より小さく形成される。なお、図8−10には図示しないが、データ配線5及びソース駆動用端子8も形成される。本実施の形態では、Al膜を燐酸・硝酸・酢酸混合溶液でエッチングする。そして、Cr膜を硝酸セリウムアンモニウム溶液でエッチングする。
次に、ソース・ドレイン電極5a、11をマスクとして、n−a−Si膜34をドライエッチング法によりエッチングする。これにより、ソース電極5aとドレイン電極11との間に露出したn−a−Si膜34が除去される。そして、チャネル領域が形成される。また、ダイオード電極35より外側のn−a−Si膜34が除去される。本実施の形態では、エッチングガスとして、フッ素系ガスを用いる。以上の工程により、図8(c)、図9(c)、及び図10(c)に示す構成となる。
その後、プラズマCVD法により、TFT9のチャネル領域を保護するために、保護絶縁膜36を成膜する。保護絶縁膜36は、ソース・ドレイン電極5a、11を覆うように成膜される。本実施の形態では、保護絶縁膜36として、SiN膜を用いる。そして、SiN膜を200nmの膜厚に成膜する。なお、これに限らず、保護絶縁膜36として、例えばスパッタリング法で形成されたSiOx、SiNx、プラズマCVD法で形成されたSiOx、SiNxまたはそれらの積層膜を使用してもよい。そして、公知の写真製版法およびドライエッチング法を用いて、保護絶縁膜36を所望の形状にパターニングし、レジストを除去する。これにより、画素6においては、ドレイン電極11上の保護絶縁膜36が除去され、コンタクトホール12が開口する。すなわち、コンタクトホール12では、ドレイン電極11が露出する。
そして、並列保護回路20においては、共通電極15b上のゲート絶縁膜32及び保護絶縁膜36が除去され、コンタクトホール37が開口する。これにより、コンタクトホール37では、共通電極15bが露出する。また、第2のダイオード26上の保護絶縁膜36が除去され、コンタクトホール38が開口する。これにより、コンタクトホール38では、第2のダイオード26のダイオード電極35が露出する。そして、コンデンサ電極31上のゲート絶縁膜32及び保護絶縁膜36が除去され、コンタクトホール39が開口する。これにより、コンタクトホール39では、コンデンサ電極31が露出する。そして、第1のダイオード25上の保護絶縁膜36が除去され、コンタクトホール40を開口する。これにより、コンタクトホール40では、第1のダイオード25のダイオード電極35が露出する。また、ゲート電極4c上のゲート絶縁膜32及び保護絶縁膜36が除去され、コンタクトホール41が開口する。これにより、コンタクトホール41では、ゲート電極4cが露出する。
そして、並列保護回路50においては、コンデンサ電極60上のゲート絶縁膜32及び保護絶縁膜36が除去され、コンタクトホール62、63が開口する。これにより、コンタクトホール62、63では、コンデンサ電極60が露出する。また、第2のダイオード56上の保護絶縁膜36が除去され、コンタクトホール64が開口する。これにより、コンタクトホール64では、第2のダイオード56のダイオード電極35が露出する。そして、コンデンサ電極61上のゲート絶縁膜32及び保護絶縁膜36が除去され、コンタクトホール65が開口する。これにより、コンタクトホール65では、コンデンサ電極61が露出する。そして、ソース電極5c上の保護絶縁膜36が除去され、コンタクトホール66を開口する。これにより、コンタクトホール66では、ソース電極5cが露出する。以上の工程により、図8(d)、図9(d)、及び図10(d)に示す構成となる。
次に、保護絶縁膜36上に、プレーナーマグネトロン法により、第3の導電膜を成膜する。第3の導電膜としては、透明導電膜を用いることができる。本実施の形態では、第3の導電膜として、非晶質ITO膜を用いる。そして、非晶質ITO膜を80nmの膜厚に成膜する。なお、これに限らず、第3の導電膜として、例えばスパッタリング法による非晶質IZO、非晶質AZOを用いてもよい。そして、公知の写真製版法及びウェットエッチング法により所望の形状にパターニングして、レジストを除去する。本実施の形態では、エッチング液として、シュウ酸溶液を用いる。
これにより、画素6においては、画素電極13が形成される。画素電極13は、コンタクトホール12を介して、ドレイン電極11と電気的に接続する。そして、並列保護回路20においては、ショート配線27、及び接続電極42が形成される。ショート配線27は、コンタクトホール37、38、39を介して、共通電極15b、第2のダイオード26のダイオード電極35、及びコンデンサ電極31と電気的に接続する。そして、接続電極42は、コンタクトホール40、41を介して、第1のダイオード25のダイオード電極35及びゲート電極4cと電気的に接続する。また、並列保護回路50においては、ショート配線27及び接続電極67が形成される。ショート配線27は、コンタクトホール62、63、64を介して、コンデンサ電極60、及び第2のダイオード56のダイオード電極35と電気的に接続する。そして、接続電極67は、コンタクトホール65、66を介して、コンデンサ電極61及びソース電極5cと電気的に接続する。その後、230℃以上の大気中熱処理により非晶質ITO膜を結晶化させる。これにより、図8(e)、図9(e)、及び図10(e)に示されるように、TFT基板1が完成する。
上記のように、並列保護回路20、50の構成要素は、画素6のTFT9等と同一層において同一材料により形成される。例えば、並列保護回路20、50のコンデンサ23、24、53、54は、TFT9のゲート電極4a、ゲート絶縁膜32、及びa−Si膜33と同一層において同一材料により形成される。そして、並列保護回路20、50のダイオード25、26、55、56は、TFT9のa−Si膜33、n−a−Si膜34、ソース・ドレイン電極5a、11と同一層において同一材料により形成される。これにより、余分な工程を追加することなく、並列保護回路20、50を形成することができる。
なお、本実施の形態では、ゲート駆動用端子7側及びソース駆動用端子8側に並列保護回路20、50を形成したがこれに限らず、いずれか一方に形成してもよい。また、共通配線用端子16は、ゲート駆動用端子7側に形成したが、ゲート駆動用端子7とは反対側に形成してもよい。さらには、共通配線用端子16を接地させたが、ショート配線27の端子を接地させてもよい。
実施の形態にかかるTFT基板の構成を示す平面図である。 実施の形態にかかるTFT基板の画素の構成を示す断面図である。 実施の形態にかかる並列保護回路の構成を示す回路図である。 実施の形態にかかるゲート駆動用端子側に形成された並列保護回路の構成を示す平面図である。 図4のV−V断面図である。 実施の形態にかかるソース駆動用端子側に形成された並列保護回路の構成を示す平面図である。 図6のVII−VII断面図である。 実施の形態にかかるTFT基板の画素における製造工程を示す断面図である。 実施の形態にかかるTFT基板のゲート駆動用端子側の並列保護回路における製造工程を示す断面図である。 実施の形態にかかるTFT基板のソース駆動用端子側の並列保護回路における製造工程を示す断面図である。
符号の説明
1 TFT基板、2 表示領域、3 額縁領域、4 アドレス配線、4a ゲート電極、
4b ゲート電極、4c ゲート電極、5 データ配線、5a ソース電極、
5b ソース電極、5c ソース電極、6 画素、7 ゲート駆動用端子、
8 ソース駆動用端子、9 TFT、11 ドレイン電極、12 コンタクトホール、
13 画素電極、14 コンデンサ、15 共通配線、15a 共通電極、
15b 共通電極、16 共通配線用端子、20 並列保護回路、
21 第1の保護回路、22 第2の保護回路、23 第1のコンデンサ、
24 第2のコンデンサ、25 第1のダイオード、26 第2のダイオード、
27 ショート配線、30 絶縁性基板、31 コンデンサ電極、32 ゲート絶縁膜、
33 a−Si膜、34 n−a−Si膜、35 ダイオード電極、36 保護絶縁膜、
37 コンタクトホール、38 コンタクトホール、39 コンタクトホール、
40 コンタクトホール、41 コンタクトホール、42 接続電極、
50 並列保護回路、51 第1の保護回路、52 第2の保護回路、
53 第1のコンデンサ、54 第2のコンデンサ、55 第1のダイオード、
56 第2のダイオード、60 コンデンサ電極、61 コンデンサ電極、
62 コンタクトホール、63 コンタクトホール、64 コンタクトホール、
65 コンタクトホール、66 コンタクトホール、67 接続電極

Claims (8)

  1. 画素に設けられたTFTと、
    基準電位が供給される第1の配線と、
    前記画素が複数配置された表示領域の外側に形成された端子と、
    前記TFTと前記端子とを接続する第2の配線と、
    表示領域の外側に設けられ、第1の保護回路及び第2の保護回路が前記第1の配線と前記第2の配線との間に並列に接続された並列保護回路とを有するTFT基板であって、
    前記第1の保護回路が前記第1の配線から前記第2の配線の方向を順方向とする第1のダイオードと、前記第1のダイオードに直列に接続された第1のコンデンサとを有し、
    前記第2の保護回路が前記第2の配線から前記第1の配線の方向を順方向とする第2のダイオードと、前記第2のダイオードに直列に接続された第2のコンデンサとを有するTFT基板。
  2. 前記TFTに接続された画素電極をさらに有し、
    前記画素電極と前記第1の配線とは、同一層において透明導電膜により形成される請求項1に記載のTFT基板。
  3. 前記第1の配線の下層であって前記第2の配線と同一層に形成され、前記TFTに電気的に接続された共通配線を有し、
    前記第1の配線は、前記共通配線と電気的に接続する請求項1又は2に記載のTFT基板。
  4. TFTを有する画素が複数配置された表示領域と、基準電位が供給される第1の配線とを備えるTFT基板の製造方法であって、
    前記表示領域の外側に配置される端子と、前記TFTと前記端子とを接続する第2の配線とを形成する工程と、
    前記表示領域の外側に設けられ、第1の保護回路及び第2の保護回路が前記第1の配線と前記第2の配線との間に並列に接続された並列保護回路を形成する工程であって、前記第1の配線から前記第2の配線の方向を順方向とする第1のダイオード及び第1のコンデンサが直列に接続した第1の保護回路と、前記第2の配線から前記第1の配線の方向を順方向とする第2のダイオード及び第2のコンデンサが直列に接続した第2の保護回路を形成する工程とを備えるTFT基板の製造方法。
  5. 前記第1の保護回路及び前記第2の保護回路を形成する工程では、
    前記第1のダイオードを構成する第1のアノードと、前記第2のダイオードを構成する第2のアノードとを形成する工程と、
    前記第1のアノード及び前記第2のアノード上に、前記第1のダイオードを構成する第1のカソードと、前記第2のダイオードを構成する第2のカソードとを形成する工程とを備える請求項4に記載のTFT基板の製造方法。
  6. 前記第1のカソード及び前記第2のカソードを形成する工程後、前記第1のカソード上において前記第1のカソードと前記第2の配線とを電気的に接続する接続電極、及び前記第2のカソード上において前記第2のカソードと電気的に接続する前記第1の配線を形成する工程を備える請求項5に記載のTFT基板の製造方法。
  7. 前記第1のアノード及び前記第2のアノードを形成する工程では、前記TFTのi型半導体膜をさらに形成し、
    前記第1のカソード及び前記第2のカソードを形成する工程では、前記TFTのn型半導体膜をさらに形成する請求項5又は6に記載のTFT基板の製造方法。
  8. 前記接続電極及び前記第1の配線を形成する工程では、前記TFTに接続された画素電極をさらに形成する請求項6に記載のTFT基板の製造方法。
JP2008215076A 2008-08-25 2008-08-25 Tft基板及びその製造方法 Active JP5156542B2 (ja)

Priority Applications (1)

Application Number Priority Date Filing Date Title
JP2008215076A JP5156542B2 (ja) 2008-08-25 2008-08-25 Tft基板及びその製造方法

Applications Claiming Priority (1)

Application Number Priority Date Filing Date Title
JP2008215076A JP5156542B2 (ja) 2008-08-25 2008-08-25 Tft基板及びその製造方法

Publications (2)

Publication Number Publication Date
JP2010049149A true JP2010049149A (ja) 2010-03-04
JP5156542B2 JP5156542B2 (ja) 2013-03-06

Family

ID=42066261

Family Applications (1)

Application Number Title Priority Date Filing Date
JP2008215076A Active JP5156542B2 (ja) 2008-08-25 2008-08-25 Tft基板及びその製造方法

Country Status (1)

Country Link
JP (1) JP5156542B2 (ja)

Cited By (1)

* Cited by examiner, † Cited by third party
Publication number Priority date Publication date Assignee Title
WO2014129669A1 (en) * 2013-02-25 2014-08-28 Semiconductor Energy Laboratory Co., Ltd. Display device and electronic device

Citations (4)

* Cited by examiner, † Cited by third party
Publication number Priority date Publication date Assignee Title
JPH0527263A (ja) * 1991-07-22 1993-02-05 Toshiba Corp 液晶表示装置
JPH06289417A (ja) * 1993-03-31 1994-10-18 Casio Comput Co Ltd 薄膜トランジスタパネル
JPH0980469A (ja) * 1995-09-13 1997-03-28 Toshiba Corp サージ電圧保護機能を有する表示装置
JPH09113932A (ja) * 1995-10-19 1997-05-02 Fujitsu Ltd 配線基板とその製造方法

Patent Citations (4)

* Cited by examiner, † Cited by third party
Publication number Priority date Publication date Assignee Title
JPH0527263A (ja) * 1991-07-22 1993-02-05 Toshiba Corp 液晶表示装置
JPH06289417A (ja) * 1993-03-31 1994-10-18 Casio Comput Co Ltd 薄膜トランジスタパネル
JPH0980469A (ja) * 1995-09-13 1997-03-28 Toshiba Corp サージ電圧保護機能を有する表示装置
JPH09113932A (ja) * 1995-10-19 1997-05-02 Fujitsu Ltd 配線基板とその製造方法

Cited By (5)

* Cited by examiner, † Cited by third party
Publication number Priority date Publication date Assignee Title
WO2014129669A1 (en) * 2013-02-25 2014-08-28 Semiconductor Energy Laboratory Co., Ltd. Display device and electronic device
JP2015043064A (ja) * 2013-02-25 2015-03-05 株式会社半導体エネルギー研究所 表示装置及び電子機器
US9482919B2 (en) 2013-02-25 2016-11-01 Semiconductor Energy Laboratory Co., Ltd. Display device and electronic device with improved driver circuit
JP2018151649A (ja) * 2013-02-25 2018-09-27 株式会社半導体エネルギー研究所 表示装置
JP2023065489A (ja) * 2013-02-25 2023-05-12 株式会社半導体エネルギー研究所 表示装置

Also Published As

Publication number Publication date
JP5156542B2 (ja) 2013-03-06

Similar Documents

Publication Publication Date Title
KR100675631B1 (ko) 횡전계방식 액정표시장치 및 그 제조방법
US10197841B2 (en) Liquid crystal display device and method of manufacturing the same
US10825840B2 (en) Thin-film transistor panel
JP2009180981A (ja) アクティブマトリックス基板及びその製造方法
JP2018049919A (ja) 表示装置
US9627585B2 (en) Wiring structure, thin film transistor array substrate including the same, and display device
KR101620527B1 (ko) 박막트랜지스터 기판 및 그 제조 방법
KR20040031370A (ko) 액정표시패널 및 그 제조방법
JP4967631B2 (ja) 表示装置
JP5525773B2 (ja) Tft基板及びその製造方法
JP5026019B2 (ja) 薄膜トランジスタ基板、薄膜トランジスタの製造方法、及び表示装置
JP4884864B2 (ja) Tftアレイ基板及びその製造方法、並びにこれを用いた表示装置
JP2007013083A (ja) 薄膜トランジスタ基板及びその製造方法
JP5156542B2 (ja) Tft基板及びその製造方法
JP5221082B2 (ja) Tft基板
JP5667424B2 (ja) 薄膜トランジスタ、アクティブマトリクス基板、およびそれらの製造方法
WO2013008402A1 (ja) 薄膜トランジスタ基板及びそれを備えた表示装置
JP2000194012A (ja) 薄膜トランジスタマトリクスの製造方法と薄膜トランジスタマトリクス
KR100558717B1 (ko) 수평 전계 인가형 액정 표시 패널 및 그 제조 방법
KR100558713B1 (ko) 수평 전계 인가형 액정 표시 패널 및 그 제조 방법
KR100512623B1 (ko) 액정표시장치용 어레이 기판 및 그 제조방법
KR100637061B1 (ko) 수평 전계 인가형 액정 표시 패널 및 그 제조 방법
KR101222537B1 (ko) 액정표시패널 및 그 제조방법
JP5236370B2 (ja) Tft基板の製造方法及びtft基板
WO2012042824A1 (ja) 薄膜トランジスタ基板及びその製造方法、表示装置

Legal Events

Date Code Title Description
A621 Written request for application examination

Free format text: JAPANESE INTERMEDIATE CODE: A621

Effective date: 20110113

A977 Report on retrieval

Free format text: JAPANESE INTERMEDIATE CODE: A971007

Effective date: 20120829

A131 Notification of reasons for refusal

Free format text: JAPANESE INTERMEDIATE CODE: A131

Effective date: 20120925

A521 Request for written amendment filed

Free format text: JAPANESE INTERMEDIATE CODE: A523

Effective date: 20121115

TRDD Decision of grant or rejection written
A01 Written decision to grant a patent or to grant a registration (utility model)

Free format text: JAPANESE INTERMEDIATE CODE: A01

Effective date: 20121204

A61 First payment of annual fees (during grant procedure)

Free format text: JAPANESE INTERMEDIATE CODE: A61

Effective date: 20121210

FPAY Renewal fee payment (event date is renewal date of database)

Free format text: PAYMENT UNTIL: 20151214

Year of fee payment: 3

R151 Written notification of patent or utility model registration

Ref document number: 5156542

Country of ref document: JP

Free format text: JAPANESE INTERMEDIATE CODE: R151

FPAY Renewal fee payment (event date is renewal date of database)

Free format text: PAYMENT UNTIL: 20151214

Year of fee payment: 3

R250 Receipt of annual fees

Free format text: JAPANESE INTERMEDIATE CODE: R250

R250 Receipt of annual fees

Free format text: JAPANESE INTERMEDIATE CODE: R250

R250 Receipt of annual fees

Free format text: JAPANESE INTERMEDIATE CODE: R250

R250 Receipt of annual fees

Free format text: JAPANESE INTERMEDIATE CODE: R250

R250 Receipt of annual fees

Free format text: JAPANESE INTERMEDIATE CODE: R250

R250 Receipt of annual fees

Free format text: JAPANESE INTERMEDIATE CODE: R250

R250 Receipt of annual fees

Free format text: JAPANESE INTERMEDIATE CODE: R250

R250 Receipt of annual fees

Free format text: JAPANESE INTERMEDIATE CODE: R250

R250 Receipt of annual fees

Free format text: JAPANESE INTERMEDIATE CODE: R250

R250 Receipt of annual fees

Free format text: JAPANESE INTERMEDIATE CODE: R250