JP2010046589A - オゾン洗浄槽及びオゾン洗浄装置 - Google Patents

オゾン洗浄槽及びオゾン洗浄装置 Download PDF

Info

Publication number
JP2010046589A
JP2010046589A JP2008211907A JP2008211907A JP2010046589A JP 2010046589 A JP2010046589 A JP 2010046589A JP 2008211907 A JP2008211907 A JP 2008211907A JP 2008211907 A JP2008211907 A JP 2008211907A JP 2010046589 A JP2010046589 A JP 2010046589A
Authority
JP
Japan
Prior art keywords
ozone
water
gas
cleaning
liquid separation
Prior art date
Legal status (The legal status is an assumption and is not a legal conclusion. Google has not performed a legal analysis and makes no representation as to the accuracy of the status listed.)
Granted
Application number
JP2008211907A
Other languages
English (en)
Other versions
JP5282481B2 (ja
Inventor
Hiroshi Kurobe
洋 黒部
Hiroshi Morita
博志 森田
Current Assignee (The listed assignees may be inaccurate. Google has not performed a legal analysis and makes no representation or warranty as to the accuracy of the list.)
Kurita Water Industries Ltd
Original Assignee
Kurita Water Industries Ltd
Priority date (The priority date is an assumption and is not a legal conclusion. Google has not performed a legal analysis and makes no representation as to the accuracy of the date listed.)
Filing date
Publication date
Application filed by Kurita Water Industries Ltd filed Critical Kurita Water Industries Ltd
Priority to JP2008211907A priority Critical patent/JP5282481B2/ja
Publication of JP2010046589A publication Critical patent/JP2010046589A/ja
Application granted granted Critical
Publication of JP5282481B2 publication Critical patent/JP5282481B2/ja
Expired - Fee Related legal-status Critical Current
Anticipated expiration legal-status Critical

Links

Images

Landscapes

  • Cleaning By Liquid Or Steam (AREA)
  • Cleaning Or Drying Semiconductors (AREA)

Abstract

【課題】オゾン濃度が高くしかもオゾン気泡を全く又は殆ど含まないオゾン水が洗浄部に供給されるよう構成されたオゾン洗浄槽及びオゾン洗浄装置を提供する。
【解決手段】オゾン水生成器1に対し超純水などの水とオゾンガスとが供給され、オゾン水−オゾンガス混合水が生成する。この混合水は、配管2、受入口3を介して気液分離室4に導入され、混合水中の未溶解オゾンガスよりなる気泡が浮上分離される。気液分離室4内で気液分離されて気泡を含まないようになったオゾン水は、連通部6から洗浄室7に導入される。
【選択図】図1

Description

本発明は、オゾン水によって被洗浄物を洗浄するためのオゾン洗浄槽及びオゾン洗浄装置に係り、特に、半導体や液晶等の電子デバイスの製造工程で用いるのに好適なオゾン洗浄槽及びオゾン洗浄装置に関する。
オゾンを超純水に溶解させたオゾン水によってシリコンウェハなどの電子デバイス部品を洗浄することは公知である(例えば、特開2005−186067)。
上記特開2005−186067では、オゾンを超純水に溶解させたオゾン含有超純水を配管によってユースポイントへ供給すると共に、このユースポイントの直前で気液分離を行うようにしている。
特開2005−186067
上記特開2005−186067のようにオゾン溶解水を配管で輸送すると、この輸送途中で水中から離脱するオゾン量が多くなり、ユースポイントに供給されるオゾン水のオゾン濃度が低下する。
またユースポイントの直前で気液分離しても、気液分離装置からユースポイントに到る途中でオゾン水濃度の低下が起こる。このようにオゾン水濃度が低下したオゾン水でシリコンウェハ等を洗浄した場合、洗浄性低下が生じる。
本発明は、上記の問題点を解決し、オゾン濃度が高くしかもオゾン気泡を全く又は殆ど含まないオゾン水が洗浄部に供給されるよう構成されたオゾン洗浄槽及びオゾン洗浄装置を提供することを目的とする。
本発明(請求項1)のオゾン洗浄槽は、オゾン水によって被洗浄物を洗浄するオゾン洗浄槽において、槽体と、該槽体内を、オゾン水−オゾンガス混合水を受け入れて気液分離する気液分離室と洗浄室とに区画する仕切板と、該仕切板の下部に設けられた、該気液分離室と洗浄室とを連通する連通部と、を備えたことを特徴とするものである。
請求項2のオゾン洗浄装置は、請求項1のオゾン洗浄槽と、該槽体に当接又は近接して設けられた、該気液分離室にオゾン水−オゾンガス混合水を供給するための、オゾンガスを水に溶解させてオゾン水−オゾンガス混合水を生成させるオゾン水生成器とを備えてなるものである。
請求項3のオゾン洗浄装置は、請求項2において、前記オゾン水生成器はエジェクタであることを特徴とするものである。
本発明のオゾン洗浄槽及びオゾン洗浄装置では、オゾン水−オゾンガス混合水が槽体内の気液分離室に導入される。このオゾン水にオゾン気泡が含まれていた場合、このオゾン気泡は該気液分離室内において浮上し、気液分離される。そして、オゾン気泡を含まないようになったオゾン水が連通部から洗浄室へ導入される。従って、洗浄室ではオゾン気泡を全く又は殆ど含まないオゾン水によって被洗浄物が洗浄される。
また、本発明のオゾン洗浄装置では、オゾン水生成器がこの槽体に当接又は近接して設けられている場合、オゾン水生成器で生成したオゾン水が直ちに気液分離室に導入されるようになる。これにより、気液分離されたオゾン水を供給する場合にくらべ、オゾン濃度の高いオゾン水を洗浄室に導入することが可能となる。
以下、図面を参照して実施の形態について説明する。
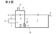
第1図は実施の形態に係るオゾン洗浄槽及びオゾン洗浄装置の縦断面図である。槽体10内が仕切板5によって気液分離室4と洗浄室7とに区画されている。この槽体10及び仕切板5は、耐オゾン性に優れたPFA,PTFEなどの合成樹脂製とされるか合成樹脂被覆されることが望ましい。
気液分離室4と洗浄室7とは、仕切板5の下部の開口よりなる連通部6によって連通している。この連通部6には、気液分離室4側から洗浄室7側に向って下り勾配となるようにバッフル6aが設けられている。気液分離室4の側壁に設けられたオゾン水の受入口3に対し、好ましくは10000mm以下特に好ましくは1000mm以下の短い配管2を介してオゾン水生成器1が接続されている。この受入口3は連通部6よりも好ましくは100mm以上上位に設けられている。オゾン水生成器1としては不純物混入のおそれが少ないエジェクタが好適であるが、これに限定されない。
気液分離室4には天蓋11が槽体10の上端と仕切板5の上端とに跨がって設けられている。この天蓋11にオゾンガスの流出口12が設けられている。
このように構成されたオゾン洗浄装置において、オゾン水生成器1に対し超純水などの水とオゾンガスとが供給され、オゾン水−オゾンガス混合水が生成する。この混合水は、配管2、受入口3を介して気液分離室4に導入され、混合水中の未溶解オゾンガスよりなる気泡が浮上分離される。気液分離室4の水面から離脱したオゾンガスは流出口12から流出し、オゾン水生成器1に再循環されるか、又はオゾン分解触媒等を備えたオゾン分解処理装置へ送られる。
気液分離室4内で気液分離されて気泡を含まないようになったオゾン水は、連通部6から洗浄室7に導入される。この洗浄室7内において、シリコンウェハなどの被洗浄物とオゾン水とが接触し、被洗浄物が洗浄される。洗浄排水は、槽体10の側壁上部に設けられたオーバーフロー口8からオーバーフローして排出される。洗浄排水は、処理後、廃棄されてもよく、再利用されてもよい。
このオゾン洗浄装置では、オゾン洗浄装置内でオゾン水−オゾンガス混合水の気液分離を行っているので、気液分離されたオゾン水を洗浄装置に供給した場合にくらべ、洗浄室7内のオゾン水のオゾン濃度が高い。また、気液分離室4と洗浄処理用の洗浄室7とが仕切板5を介して隣接配置されている。従って、オゾン気泡を全く又は殆ど含まないオゾン濃度の高いオゾン水が気液分離室4から洗浄室7へ導入され、洗浄室7において効率よくオゾン洗浄が行われる。
この実施の形態では、受入口3が連通部6よりも上部に設けられており、また連通部6に洗浄室7へ向って下り勾配となるバッフル6aが設けられているので、気液分離室4内のオゾン気泡が浮遊して洗浄室7へ流入することも防止される。
なお、気液分離室4内における気液分離を促進させるために、受入口3を上向きに設けるようにしてもよい。
上記実施の形態では、オゾン水生成器1を槽体10と若干離隔させているが、第2図のようにオゾン水生成器1を槽体10に当接させ、オゾン水生成器1の混合水流出口を受入口3に直結してもよい。第2図のその他の構成は第1図と同一である。第2図のオゾン洗浄装置は、第1図と同様の作用効果を奏する。
以下、実施例及び比較例について説明する。
[実施例1,2]
第1図及び第2図に示すオゾン洗浄装置において、諸元を次の通りとした。
槽体10の水深:30cm
気液分離室4の容積:10L
洗浄室7の容積:20L
第1図の配管2の長さ:1000mm
この気液分離室4に対し、オゾン水生成器1からオゾン水−オゾンガス混合水を供給し、洗浄室7内のオゾン濃度を測定したところ、いずれも約25mg/Lであった。
[比較例1,2]
エジェクターを用いて、オゾン水−オゾンガス混合水を生成したのち、気液分離器によって気液分離し、この気液分離後のオゾン水(オゾン濃度25mg/L)を管長1000mm(比較例1)又は3000mm(比較例2)の配管によって洗浄室7に導入した。その結果、洗浄室7内のオゾン濃度は次の通りとなった。
比較例1:22mg/L
比較例2:15mg/L
以上の実施例及び比較例からも明らかな通り、本発明によると洗浄室内のオゾン濃度を高くすることができる。
実施の形態に係るオゾン洗浄装置の断面図である。 別の実施の形態に係るオゾン洗浄装置の断面図である。
符号の説明
1 オゾン水生成器
2 配管
3 受入口
4 気液分離室
5 仕切板
6 連通部
7 洗浄室
10 槽体
11 天蓋
12 オゾンガス流出口

Claims (3)

  1. オゾン水によって被洗浄物を洗浄するオゾン洗浄槽において、
    槽体と、
    該槽体内を、オゾン水−オゾンガス混合水を受け入れて気液分離する気液分離室と洗浄室とに区画する仕切板と、
    該仕切板の下部に設けられた、該気液分離室と洗浄室とを連通する連通部と、
    を備えたことを特徴とするオゾン洗浄槽。
  2. 請求項1のオゾン洗浄槽と、
    該槽体に当接又は近接して設けられた、該気液分離室にオゾン水−オゾンガス混合水を供給するための、オゾンガスを水に溶解させてオゾン水−オゾンガス混合水を生成させるオゾン水生成器と
    を備えてなるオゾン洗浄装置。
  3. 請求項2において、前記オゾン水生成器はエジェクタであることを特徴とするオゾン洗浄装置。
JP2008211907A 2008-08-20 2008-08-20 オゾン洗浄槽及びオゾン洗浄装置 Expired - Fee Related JP5282481B2 (ja)

Priority Applications (1)

Application Number Priority Date Filing Date Title
JP2008211907A JP5282481B2 (ja) 2008-08-20 2008-08-20 オゾン洗浄槽及びオゾン洗浄装置

Applications Claiming Priority (1)

Application Number Priority Date Filing Date Title
JP2008211907A JP5282481B2 (ja) 2008-08-20 2008-08-20 オゾン洗浄槽及びオゾン洗浄装置

Publications (2)

Publication Number Publication Date
JP2010046589A true JP2010046589A (ja) 2010-03-04
JP5282481B2 JP5282481B2 (ja) 2013-09-04

Family

ID=42064151

Family Applications (1)

Application Number Title Priority Date Filing Date
JP2008211907A Expired - Fee Related JP5282481B2 (ja) 2008-08-20 2008-08-20 オゾン洗浄槽及びオゾン洗浄装置

Country Status (1)

Country Link
JP (1) JP5282481B2 (ja)

Citations (5)

* Cited by examiner, † Cited by third party
Publication number Priority date Publication date Assignee Title
JPH07328316A (ja) * 1994-04-12 1995-12-19 Choonpa Kogyo Kk 脱気方法
JP2001314740A (ja) * 2000-05-12 2001-11-13 Kurita Water Ind Ltd ガス溶解洗浄水供給装置
JP2002052301A (ja) * 2000-08-10 2002-02-19 Max Co Ltd オゾン水生成器
JP2004031852A (ja) * 2002-06-28 2004-01-29 Sony Corp 基板処理装置および基板処理方法
JP2004188246A (ja) * 2002-12-06 2004-07-08 Toshiba Plant Systems & Services Corp オゾン水製造システム

Patent Citations (5)

* Cited by examiner, † Cited by third party
Publication number Priority date Publication date Assignee Title
JPH07328316A (ja) * 1994-04-12 1995-12-19 Choonpa Kogyo Kk 脱気方法
JP2001314740A (ja) * 2000-05-12 2001-11-13 Kurita Water Ind Ltd ガス溶解洗浄水供給装置
JP2002052301A (ja) * 2000-08-10 2002-02-19 Max Co Ltd オゾン水生成器
JP2004031852A (ja) * 2002-06-28 2004-01-29 Sony Corp 基板処理装置および基板処理方法
JP2004188246A (ja) * 2002-12-06 2004-07-08 Toshiba Plant Systems & Services Corp オゾン水製造システム

Also Published As

Publication number Publication date
JP5282481B2 (ja) 2013-09-04

Similar Documents

Publication Publication Date Title
KR100968668B1 (ko) 기포/약액 혼합 세정액을 이용하는 반도체 기판의 세정방법
CN104995722B (zh) 臭氧气体溶解水的制造方法及电子材料的洗净方法
KR20110007092A (ko) 전자 재료용 세정수, 전자 재료의 세정 방법 및 가스 용해수의 공급 시스템
US20150265980A1 (en) Air diffusion device, air diffusion method, and water treatment device
JP2010153615A (ja) マイクロバブル生成装置及びシリコンウェハ洗浄装置
KR20190136105A (ko) 수처리막의 세정 장치 및 세정 방법, 및 수처리 시스템
JP5912603B2 (ja) 飽和ガス含有ナノバブル水の製造方法
JP2006147617A (ja) 基板処理装置およびパーティクル除去方法
JP2006179765A (ja) 基板処理装置およびパーティクル除去方法
US20140130979A1 (en) Cleaning apparatus
JP5282481B2 (ja) オゾン洗浄槽及びオゾン洗浄装置
JP3639102B2 (ja) ウェット処理装置
JP6411051B2 (ja) 浸漬型膜分離装置及びその運転方法
JP2003040649A5 (ja)
JP2005000767A (ja) フィルター装置および半導体製造装置
JP2006179764A (ja) 基板処理装置およびパーティクル除去方法
JP2010094639A (ja) 被洗浄物の洗浄方法およびその洗浄装置
JPH11354478A (ja) マイクロバブル付着防止装置
US6270063B1 (en) Ozone diffuser for deionized water
JP2008306104A (ja) ウェット処理装置及びウェット処理方法
JP4475781B2 (ja) 基板処理装置
JP2010264449A (ja) 浮上分離装置
JP2003164861A (ja) オゾン水脱オゾンシステム
JP2005349354A (ja) 有機性廃水の浮上分離処理方法
JP2005186067A (ja) オゾン含有超純水供給方法及び装置

Legal Events

Date Code Title Description
A621 Written request for application examination

Free format text: JAPANESE INTERMEDIATE CODE: A621

Effective date: 20110706

A977 Report on retrieval

Free format text: JAPANESE INTERMEDIATE CODE: A971007

Effective date: 20121030

A131 Notification of reasons for refusal

Free format text: JAPANESE INTERMEDIATE CODE: A131

Effective date: 20121106

A521 Written amendment

Free format text: JAPANESE INTERMEDIATE CODE: A523

Effective date: 20121221

A01 Written decision to grant a patent or to grant a registration (utility model)

Free format text: JAPANESE INTERMEDIATE CODE: A01

Effective date: 20130430

A61 First payment of annual fees (during grant procedure)

Free format text: JAPANESE INTERMEDIATE CODE: A61

Effective date: 20130513

LAPS Cancellation because of no payment of annual fees