JP2010045259A - 配線基板、これを備える車載用音響再生装置および電子機器 - Google Patents

配線基板、これを備える車載用音響再生装置および電子機器 Download PDF

Info

Publication number
JP2010045259A
JP2010045259A JP2008209184A JP2008209184A JP2010045259A JP 2010045259 A JP2010045259 A JP 2010045259A JP 2008209184 A JP2008209184 A JP 2008209184A JP 2008209184 A JP2008209184 A JP 2008209184A JP 2010045259 A JP2010045259 A JP 2010045259A
Authority
JP
Japan
Prior art keywords
wiring
noise
board
output
wiring board
Prior art date
Legal status (The legal status is an assumption and is not a legal conclusion. Google has not performed a legal analysis and makes no representation as to the accuracy of the status listed.)
Granted
Application number
JP2008209184A
Other languages
English (en)
Other versions
JP5342829B2 (ja
Inventor
Kenji Furukawa
健司 古川
Current Assignee (The listed assignees may be inaccurate. Google has not performed a legal analysis and makes no representation or warranty as to the accuracy of the list.)
Denso Ten Ltd
Original Assignee
Denso Ten Ltd
Priority date (The priority date is an assumption and is not a legal conclusion. Google has not performed a legal analysis and makes no representation as to the accuracy of the date listed.)
Filing date
Publication date
Application filed by Denso Ten Ltd filed Critical Denso Ten Ltd
Priority to JP2008209184A priority Critical patent/JP5342829B2/ja
Publication of JP2010045259A publication Critical patent/JP2010045259A/ja
Application granted granted Critical
Publication of JP5342829B2 publication Critical patent/JP5342829B2/ja
Expired - Fee Related legal-status Critical Current
Anticipated expiration legal-status Critical

Links

Images

Landscapes

  • Printing Elements For Providing Electric Connections Between Printed Circuits (AREA)
  • Structure Of Printed Boards (AREA)
  • Combinations Of Printed Boards (AREA)

Abstract


【課題】 外部出力部に複数の出力配線が接続される場合にも外部出力部近傍の配線を過密にすることなく、外部出力部の近傍にノイズ除去のための素子を容易に設け、外部出力部を介してノイズが出力されることを確実に防止することができる配線基板、これを備える車載用音響再生装置11および電子機器を提供することである。
【解決手段】 配線基板10は、基板本体12と、補助基板13とを含む。基板本体12は、また外部出力部16を有する。外部出力部16には、出力配線からの電気信号を出力する複数の出力端子17が集合して設けられる。基板本体12には、露出領域18が外部出力部16の近傍に形成され、露出領域18では、出力配線が露出する。補助基板13は、露出領域18に設置され、ノイズ除去のための素子19を有する。ノイズ除去のための素子19は、出力配線に電気的に接続して設置される。
【選択図】 図1

Description

本発明は、外部に電気信号を出力する配線基板、これを備える車載用音響再生装置および電子機器に関する。
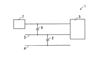
図1は、従来技術に係る配線基板1における配線関係を表す回路図である。従来技術に係る配線基板1において、第1のコンデンサ2は、アナロググラウンド3とデジタルグラウンド4とに接続される。第1のコンデンサ2は、外部接続部5から2mm〜10mmの位置に接続される。第2のコンデンサ6の一部は、外部接続部5とアナログ回路7との間に接続される。これによって、外部接続部5に高周波ノイズが伝送されることを防止する。
特開2001−284828号公報
従来技術における外部接続部5のように、外部への出力端子が1個所に設けられ、出力配線が複数接続される場合には、各出力配線とグラウンド層との間に複数のノイズ除去のための素子を、個別に設置することが必要となる。したがって、ノイズ除去のための素子の設置にかかる作業が煩雑になるという問題点がある。
ノイズ除去のための素子が設けられる位置は、外部への出力端子に近ければ近いほど、ノイズ除去の効果が高い。しかし、外部への出力端子が設けられる外部出力部に、複数の出力配線が接続される場合には、ノイズ除去のための素子を設置する位置を外部出力部の近傍に設定すると、外部出力部の近傍の配線が過密状態となってしまうという問題点がある。したがって、ノイズ除去のための素子と出力端子との間に10mm程度の距離が設定される場合もある。このようにノイズ除去のための素子が設置される位置と出力端子までの距離が長いと、この部分を介して電気信号にノイズが混入する可能性が大きくなるという問題点がある。
しかも外部出力部に、電力供給のための配線が設けられる場合には、各配線を充分な太さに設定する必要があり、かつ配線と配線との間を充分な距離とする必要がある。したがって、外部出力部近傍の配線が過密状態となることを防止するためには、出力配線のノイズ除去のための素子を、外部への出力端子の近傍に配置することができないという問題点がある。
本発明の目的は、外部出力部に複数の出力配線が接続される場合にも外部出力部近傍の配線を過密にすることなく、外部出力部の近傍にノイズ除去のための素子を容易に設け、外部出力部を介してノイズが出力されることを確実に防止することができる配線基板、これを備える車載用音響再生装置および電子機器を提供することである。
本発明(1)に従えば、配線基板は、基板本体と、補助基板とを含んで構成される。基板本体は、外部に電気信号を出力するための出力配線が複数設けられ、また外部出力部を有する。外部出力部には、出力配線からの電気信号を出力する複数の出力端子が集合して設けられる。基板本体には、露出領域が外部出力部の近傍に形成され、露出領域では、出力配線が露出する。補助基板は、露出領域に設置され、ノイズ除去のための素子を有する。ノイズ除去のための素子は、出力配線の露出領域で露出する部分に電気的に接続して設置される。
また本発明(6)に従えば、車載用音響再生装置は、前記配線基板を備える。
また本発明(9)に従えば、電子機器は、前記配線基板を備える。
本発明(1)によれば、基板本体には、露出領域が外部出力部の近傍に形成され、露出領域では、出力配線が露出する。補助基板は、露出領域に設置され、ノイズ除去のための素子を有する。これによって、ノイズ除去のための素子を外部出力部近傍に配置することができる。したがって、出力配線および出力端子を介して出力される電気信号に含まれるノイズを、外部出力部近傍で除去することができる。補助基板を露出領域に設置することによって、ノイズ除去のための素子を配置することができるので、外部出力部近傍の配線を過密にすることなく、ノイズ除去のための素子を基板本体に対して容易に設置することができる。
露出領域は、外部出力部近傍に形成されるので、出力配線のうち、露出領域から外部出力部までの部分を介して電気信号にノイズが混入することを抑制することができる。したがって、外部出力部から外部に出力される電気信号に、ノイズが含まれる可能性を可及的に低減することができる。これによって、ノイズ除去のための素子が配置されない場合、およびノイズ除去のための素子が外部出力部から遠い位置に配置される場合に比べて、出力端子を介して外部に出力される電気信号の情報の信頼度を高くすることができる。
また本発明(6)によれば、車載用音響再生装置は、前記配線基板を備える。これによって、出力端子を介して外部に電気信号を伝送する配線が、他の電子機器に近接して配置される場合にも、出力配線および出力端子を介して出力される電気信号に含まれるノイズが、他の電子機器に影響することを防止することができる。したがって、他の電子機器に誤作動が生じることを防止することができる。
また本発明(9)によれば、電子機器は、前記配線基板を備える。これによって、出力配線および出力端子を介して出力される電気信号に含まれるノイズを、外部出力部近傍で除去することができる。また露出領域から外部出力部までの部分を介して電気信号にノイズが混入することを抑制することができる。したがって、ノイズ除去のための素子が配置されない場合、およびノイズ除去のための素子が外部出力部から遠い位置に配置される場合に比べて、出力端子を介して外部に出力される電気信号の情報の信頼度を高くすることができる。
以下、図面を参照しながら本発明を実施するための形態を、複数の形態について説明する。以下の説明においては、各形態に先行する形態ですでに説明している事項に対応している部分には同一の参照符を付し、重複する説明を略する場合がある。構成の一部のみを説明している場合、構成の他の部分は、先行して説明している形態と同様とする。実施の各形態で具体的に説明している部分の組合せばかりではなく、特に組合せに支障が生じなければ、実施の形態同士を部分的に組合せることも可能である。以下の説明は、配線基板10、車載用音響再生装置11、および電子機器についての説明をも含む。
(第1実施形態)
図2は、本発明の第1実施形態に係る配線基板10の斜視図である。図3は、本発明の第1実施形態に係る配線基板10の平面図である。図2において、基板本体12と補助基板13とは、基板本体12の厚み方向Zに分解して、示してある。
本実施形態において配線基板10は、外部に電気信号を出力する基板であり、外部に出力される電気信号は、音響情報を表す電気信号である。車載用音響再生装置11は、車両に搭載され、配線基板10を備える。車載用音響再生装置11は、配線基板10から出力される電気信号を音声として出力する部分を含み、音声を再生する装置である。車載用音響再生装置11は、電子部品を含んで構成される電子機器である。車両用音響再生装置は、文字情報、計数情報、画像情報をさらに取扱ってもよく、また記録媒体に対して情報の記録、消去、書換えをさらに行う機能を備えていてもよい。本実施形態において車載用音響再生装置11は、自動車に搭載される。
配線基板10は、基板本体12と、補助基板13とを含んで構成される。基板本体12は、外部に電気信号を出力するための出力配線が複数設けられ、また外部出力部16を有する。外部出力部16には、出力配線からの電気信号を出力する複数の出力端子17が集合して設けられる。基板本体12には、露出領域18が外部出力部16の近傍に形成され、露出領域18では、出力配線が露出する。補助基板13は、露出領域18に設置され、ノイズ除去のための素子19を有する。ノイズ除去のための素子19は、出力配線の露出領域18で露出する部分に電気的に接続して設置される。以下、ノイズ除去のための素子19を「ノイズ除去素子」19と称する。
基板本体12には、デジタル部品とアナログ部品とが設けられる。デジタル部品は、たとえば記録媒体にデジタル信号として記録されている音声情報を処理する部品を含む。アナログ部品は、デジタル−アナログ変換された後のアナログ信号を増幅するアンプを含む。デジタル部品の処理によって、デジタル部品からノイズが出力されてしまうことがあり、また記録媒体から読み込まれる信号に、ノイズが重畳される場合もある。アナログ部品にこのノイズが正規の電気信号と同様に入力されると、アナログ部品がノイズを増幅してしまうことがある。
基板本体12に設けられる出力配線の端部は、外部出力部16において出力端子17に接続され、出力端子17は、配線基板10外の部品に接続される。基板本体12に、出力配線および出力端子17はそれぞれ複数設けられ、出力配線と出力端子17とは、1対1に対応して接続される。複数の出力配線、および複数の出力端子17は、音声信号を基板本体12から外部に電気信号として出力する信号伝送路の一部を形成する。出力端子17を伝送される電気信号は、音声の波形と同じ波形を有する電気信号であり、出力端子17は配線基板10外においてスピーカ23に接続されることによって、出力端子17を伝送された電気信号の情報は、スピーカ23から音声として出力される。
外部端子には、出力端子17とは異なる入力端子およびグラウンド端子が形成される。入力端子は、車載用音響再生装置11を起動させる信号が伝送される伝送路の一部を形成する。この信号は、配線基板10の外部から、基板本体12に入力される信号で、たとえば自動車のエンジンを始動させることによって、配線基板10に入力される。グラウンド端子は、導線によってフレームハウスに接続される端子で、フレームハウスまでの配線経路途中に他の部品が配置される端子に比べて、グラウンドとして接地効果の高い端子である。入力端子に電気的に接続され、基板本体12において伝送路の一部を形成する配線を「入力配線」と称し、グラウンド端子に電気的に接続され、基板本体12において伝送路の一部を形成する配線を「グラウンド配線」と称する。
図4は、本発明の第1実施形態に係る車載用音響再生装置11の構成を表す図である。外部出力部16において出力端子17に接続され、配線基板10の外部において信号伝送路を形成する配線は、配線基板10の外部に設けられるスピーカ23に接続される。この配線を「基板外配線」20と称すると、基板外配線20の一部は、車両内において、自動車に搭載される他の電子部品の近傍に配置される場合がある。したがって、仮に基板本体12から出力端子17を介して配線基板10外に出力される電気信号にノイズが重畳されると、このノイズが基板外配線20を伝送され、基板外配線20の近傍に配置される他の電子部品にノイズが影響する可能性がある。他の電子部品は、ノイズがないことを前提として設置されるので、ノイズによる影響が観測される場合には、不所望な悪影響である場合が多い。
基板本体12からのノイズには、基板本体12に含まれる電子部品から電波として発せられ、電磁波として配線基板10の外部に伝播されるノイズと、出力端子17を介して基板外配線20を介して伝送されるノイズと、基板外配線20を介して伝送されていくうちに、基板外配線20から電磁波として基板外配線20の外部に伝播されるノイズとがある。これらのノイズによる影響のうち、基板本体12に含まれる電子部品から電波として発せられ、電磁波として配線基板10の外部に伝播されるノイズによる影響は、ノイズを発する基板本体12の電子部品から離れるにつれて小さくなり、電子部品からの距離の二乗に反比例して小さくなる。
基板本体12の電子部品から電磁波として伝播されるノイズの影響に比較して、基板外配線20を介して配線基板10の外部に伝送されるノイズによる影響は、導体層27を伝送されていく中で減衰する割合は小さく、配線基板10からの距離が大きな減衰要因とはならない。したがって、出力端子17を介して配線基板10の外部に伝送されるノイズを除去することによって、他の電子部品に対するノイズの悪影響を効果的に防止することができる。
本実施形態において基板本体12は、大略的に平板状に形成され、厚み方向Zに垂直な表面のうち、一方の一表面に、複数の電子部品が搭載される。基板本体12は、単層の基板であっても複数層から成る基板として形成されてもよい。厚み方向Zに見て基板本体12は大略的に長方形に形成され、その角部近傍に、長方形を成す辺および厚み方向Zに突出して出力配線が設けられる。出力配線は、少なくとも音声信号を出力する複数の出力配線は1つの角部の近傍に集合して配置され、1つの外部出力部16を形成する。基板の厚み方向Zを、単に「厚み方向」Zと称する。
外部出力部16は、これら複数の出力端子17を固定する部品、および他部品からの出力端子17への接触を防止するために複数の出力端子17を覆って形成される樹脂製のカバー体21を含んで形成される。外部出力部16に含まれる出力端子17は1つの向きに突出して形成され、この向きから外部出力部16に対応して形成される基板外配線20の端子が嵌合され、出力端子17と電気的に接続される。
露出領域18は、基板本体12の厚み方向Zに垂直な一表面上に形成され、補助基板13は、大略的に平板状に形成され、その厚み方向を基板本体12の厚み方向Zに一致させて設置される。ノイズ除去素子19は、コンデンサ22を含む。基板本体12には、貫通ピン24が配置され、貫通ピン24は、露出領域18から突出する。補助基板13には、貫通孔26が形成され、貫通孔26は、貫通ピン24に対応して形成される。補助基板13は、貫通ピン24が貫通孔26に挿入された状態で、基板本体12に取付けられる。貫通ピン24は、出力配線および出力端子17に対し露出領域18で電気的に接続され、ノイズ除去素子19は、補助基板13上で貫通ピン24に電気的に接続される。厚み方向Zのうち、露出領域18が臨む向きを「厚み方向一方」Z1と称し、厚み方向Zのうち、厚み方向一方Z1と逆の向きを「厚み方向他方」Z2と称する。
出力配線に電気的に接続される出力配線の一部は、露出領域18において基板本体12の一表面で露出する。露出領域18は、外部出力部16が形成される角部の近傍に形成され、基板本体12の厚み方向一方Z1側の一表面の一部を成す。露出領域18で露出する出力配線の一部は、貫通ピン24によって形成される。貫通ピン24の一部は、露出領域18に垂直に、露出領域18から厚み方向一方Z1に突出する。すなわち、基板本体12の一表面に垂直に、一表面から厚み方向一方Z1に突出する。露出領域18の面積は、基板本体12の一表面の面積よりも小さく設定される。貫通ピン24のうち露出領域18から突出する部分の厚み方向Zの長さは、補助基板13の厚みよりも大きい寸法に設定される。
露出領域18には、さらに入力端子に接続される配線の一部と、グラウンド端子に接続される配線の一部とが露出する。入力端子に接続される配線の一部、およびグラウンド端子に接続される配線の一部も、露出領域18において貫通ピン24として形成され、露出領域18から厚み方向一方Z1に突出する。この貫通ピン24の露出領域18から突出する部分の長さも、補助基板13の厚みよりも大きい寸法として設定される。
露出領域18で露出する出力配線の一部、入力配線の一部、およびグラウンド端子の一部のうち、入力配線の一部が最も大きい電流に対応して形成される。エンジンキーのスイッチの態様をオン状態としたときに、入力配線には、およそ12Vの電圧が印加される。したがって、外部出力部16の近傍において形成される少なくとも入力配線は、12Vの電圧の印加されたときに生じる電流にも、耐久性を有する断面積を有して設計され、形成される。
外部出力部16は、基板本体12の露出領域18が形成される一表面とは反対側に設けられ、基板本体12のうち、露出領域18が形成される部分に対して厚み方向他方Z2から基板本体12に接触して配置される。外部出力部16を小形化するために、外部出力部16の出力端子17、入力端子およびグラウンド端子は、可及的に密に配置される。これによって、外部出力部16の近傍の露出領域18における出力配線、入力配線およびグラウンド配線も、密に配置される。ノイズ除去素子19は、各出力配線とグラウンド配線とに電気的に接続され、各出力配線とグラウンド配線との間に設けられる。しかも出力配線は複数設けられるので、ノイズ除去素子19も複数設けられる。
したがって、仮に複数のノイズ除去素子19を個別に設置すれば、外部出力部16の近傍の配線はさらに密になる。特に入力配線には12Vの電圧が印加され、入力配線に生じる電流が入力配線近傍の配線に影響する可能性も生じる。また複数のノイズ除去素子19を配線が密集する外部出力部16の近傍で個別に設置すれば、設置に手間がかかり、作業が煩雑となる。したがって、従来技術では、ノイズ除去素子19を基板本体12上に設置する場合には、外部出力部16から離れ、配線が外部出力部16の近傍に比べて疎である位置に設置していた。
本実施形態においては、補助基板13に予めノイズ除去素子19を設置し、補助基板13を基板本体12の表面に電気的に接続することによって、基板本体12の一表面から厚み方向Zに離れた位置にノイズ除去素子19を設置する。これによって、複数のノイズ除去素子19を、出力端子17近傍に配置することができる。補助基板13上において複数のノイズ除去素子19は、一体化して設けられる。したがって、補助基板13を基板本体12上で固定すれば、複数のノイズ除去素子19を固定することができる。複数のノイズ除去素子19が、補助基板13の電気的接続の作業中に個々に移動変位することもないので、半田などによる電気的接続も、容易に行うことができる。作業を容易に行うことができるので、出力配線、入力配線およびグラウンド配線に対する電気的接続を、確実にすることができる。
ノイズ除去素子19を外部出力部16から離れた位置に設置しても、ノイズ除去素子19は、基板本体12から出力される電気信号に重畳されるノイズを除去することはできる。しかし、ノイズ除去素子19がノイズを除去した後、出力端子17にまで伝送される間に、基板本体12でノイズを発生する電子部品から電磁波として放出されるノイズが、再び電気信号に重畳される可能性がある。ノイズ除去素子19から出力端子17までの出力配線は、基板本体12に設けられるので、配線基板10外の電子部品に比べれば、基板本体12の他の電子部品との距離も近い。したがって、ノイズ除去素子19から出力端子17までの出力配線にノイズが与える影響は大きい。
ノイズの混入の可能性は、ノイズ除去素子19から出力端子17までの出力配線を短くすることで大きく低減される。出力端子17を介して配線基板10の外部に伝送されたノイズから、配線基板10外の他の電子部品が悪影響を受ける現象は、ノイズ除去素子19から出力端子17までの出力配線の長さが数ミリメートル(millimeters, 略号「mm」)短く設定されることによって、防止される。
ノイズ除去素子19は、312MHz以上315MHz以下の周波数帯域のノイズを除去する。ノイズ除去素子19は、2GHz以上5GHz以下の周波数帯域のノイズを除去するものとしてもよく、好ましくは、312MHz以上315MHz以下の周波数帯域と、2GHz以上5GHz以下の周波数帯域との、両方のノイズを除去する。
自動車に搭載される電子機器の中には、電磁波を受けて態様が切換えられる電子部品を搭載するものがある。たとえば、自動車のドアの開閉をリモートコントロールするキーレスエントリ、自動車のエンジンの始動をリモートコントロールする遠隔始動装置、ノンストップ自動料金収受(electronic toll collection, 略称「ETC」)システムなどである。たとえば、従来技術に係る車載用音響再生装置11の配線が、キーレスエントリのうち電磁波を受信する受信部の近傍に配置され、出力端子17からのノイズが受信部の近傍の配線を介して受信部に悪影響を与えると、キーレスエントリに利用される電磁波が受信部によって受信されにくくなり、キーレスエントリの動作不良の原因となる。
キーレスエントリに利用される電磁波の周波数帯域は、312MHz以上315MHz以下であるので、本実施形態におけるノイズ除去素子19で、312MHz以上315MHz以下の周波数帯域のノイズを除去することによって、仮に本実施形態に係る車載用音響再生装置11の配線がキーレスエントリの受信部の近傍に配置されても、キーレスエントリに動作不良が生じることを防止することができる。
たとえば、従来技術に係る車載用音響再生装置11の配線が、ETCシステムのうち電磁波を受信する受信部の近傍に配置され、出力端子17からのノイズが受信部の近傍の配線を介して受信部に悪影響を与えると、ETCシステムに利用される電磁波が受信部によって受信されにくくなり、ETCシステムの動作不良の原因となる。ETCシステムに動作不良が生じると、高速道路の料金所でゲートが開かないという現象を生じる可能性があり、自動車を予想に反して停止させることが必要となる。これによって後続車の異常接近を招く可能性があり、さらには後続車の追突の可能性を増大させることになる。
ETCシステムに利用される電磁波の周波数帯域は、2GHz以上5GHz以下であるので、本実施形態におけるノイズ除去素子19で、2GHz以上5GHz以下の周波数帯域のノイズを除去することによって、仮に本実施形態に係る車載用音響再生装置11の配線がETCシステムの受信部の近傍に配置されても、ETCシステムに動作不良が生じることを防止することができる。したがって、車両の予想外の停止を防止することができ、後続車の追突も防止される。
またさらに好ましくは、ノイズ除去素子19は、20kHz以上10GHz以下の周波数帯域のノイズを除去する。自動車に搭載される電子機器のうち、電磁波の送信および受信の少なくとも一方を行う電子機器は、20kHz以上10GHz以下の周波数帯域のうち、一部の周波数帯域の電磁波を利用する。したがって、本実施形態におけるノイズ除去素子19で20kHz以上10GHz以下の周波数帯域のノイズを除去することによって、仮に本実施形態に係る車載用音響再生装置11の配線が、電磁波を利用する電子機器の近傍に配置されても、それらの電子機器に動作不良が生じることを防止することができる。
補助基板13は、露出領域18の形状に対応して形成され、露出領域18よりもわずかに大きく形成される。補助基板13の大きさは、大まかには外部出力部16と同程度の大きさに形成され、露出領域18において露出する出力配線、入力配線およびグラウンド配線のそれぞれの一部を厚み方向一方Z1から覆う。具体的には、補助基板13には、出力配線、入力配線およびグラウンド配線の貫通ピン24に対応する貫通孔26が形成される。貫通ピン24は複数設けられるので、貫通孔26も貫通ピン24と同じ個数、形成される。
補助基板13は、ノイズ除去素子19と導体層27と、これらを保持する絶縁層28とを含んで形成され、補助基板13の所定の表面部には、貫通孔26を規定する部位に導体層27の一部が設けられる。貫通孔26の貫通ピン24に対する対応関係は、予め定められ、各貫通孔26は、これに対応する貫通孔26に貫通する。この状態で、各貫通ピン24は、貫通孔26を規定する部位の導体層27の一部に、たとえば半田によって電気的に接続される。補助基板13は、所定の表面部が厚み方向一方Z1に臨む姿勢で、基板本体12に搭載される。これによって、各貫通ピン24と補助基板13の導体層27との電気的接続の作業は、補助基板13の厚み方向一方Z1側から行うことができる。
補助基板13が基板本体12に搭載され、各貫通ピン24と補助基板13の導体層27との電気的接続が完了した状態で、出力配線とグラウンド配線とは、ノイズ除去素子19を介して接続される。ノイズ除去素子19は、本実施形態では予め定めるコンデンサ22を含む。コンデンサ22は、ローパスフィルタを実現する。コンデンサ22によって除去されるノイズの周波数帯域は、このコンデンサ22に接続される出力配線に設けられる抵抗の抵抗値と、このコンデンサ22の容量とによって、決定される。
補助基板13は、基板本体12の角部近傍に設けられる外部出力部16の近傍に設けられ、基板本体12と厚み方向を一致させて、基板本体12の角部に設置される。基板本体12のうち、露出領域18を除く他の部位には、複数の電子部品が設けられる。基板本体12は、複数の電子部品が設けられることによって、厚み方向一方Z1に凹凸のある形状を成して形成される。場合によっては、露出領域18を除く基板本体12の厚み方向一方Z1の一表面に、複数の電子部品を覆う蓋体が設置されることもある。露出領域18から厚み方向一方Z1に突出する貫通ピン24の長さ、および補助基板13に設けられるノイズ除去素子19の厚み方向Zの寸法は、基板本体12に設けられる複数の電子部品のうち、最も厚み方向一方Z1に突出する電子部品の厚み方向Zの寸法以下の大きさに設定される。
貫通ピン24の長さおよび補助基板13に設けられるノイズ除去素子19の厚み方向Zの寸法をこのように定め、かつ補助基板13の厚み方向を基板本体12の厚み方向Zに一致させて、補助基板13を基板本体12に設置することによって、基板本体12が占める空間が、補助基板13の設置によって大きくなることを抑制することができる。
本実施形態の配線基板10は、基板本体12と補助基板13とを含み、本実施形態に係る車両音響再生装置は、配線基板10を含む。これによって出力端子17を介してノイズが配線基板10の外部に伝送されることを防止することができる。ただし、統一した規格に基づいて作成される自動車または車両音響装置のうち一部の自動車または車両音響装置について、音声情報出力のための基板を、本実施形態に係る配線基板10とすることも可能である。
たとえば、予め定める自動車または車両音響装置において、音声情報出力のための基板として、本実施形態における基板本体12を搭載し、補助基板13はまず搭載せず、自動車に利用される電子機器に動作不良が生じた場合にのみ、基板本体12に対して補助基板13を追加して設けることも可能である。基板本体12に対して補助基板13を搭載する空間的余裕は、必要であるけれども、本実施形態において補助基板13が搭載されることによって配線基板10が占有する空間の大きさは、基板の実装形態に変更を強いるほどに大きいものではない。したがって、ほとんどの音声情報出力のための基板の実装形態では、本実施形態における補助基板13を搭載する空間的余裕はあり、実装に支障が生じることはない。
補助基板13に搭載されるノイズ除去素子19は、規格の異なる他のノイズ除去素子19に取換え可能である。たとえば自動車に搭載される電子機器に不具合が生じた場合に、その不具合の原因となるノイズの周波数帯域は、不具合が生じている電子機器の種類から、推測することができる。またノイズ除去素子19が除去できるノイズの周波数帯域は、たとえばノイズ除去素子19に含まれるコンデンサ22の容量、および出力配線に接続される抵抗の抵抗値などから予測可能である。したがって、不具合が生じた電子機器が特定される場合に、その不具合の原因に応じたノイズ除去素子19を補助基板13に設け、補助基板13を基板本体12に取付けることも可能である。
また基板本体12に補助基板13を搭載した後の動作確認の作業において、たとえば全ての不具合が改善できない場合にも、補助基板13に搭載されるノイズ除去素子19は、交換が可能である。仮に外部出力部16近傍の基板本体12上において、コンデンサ22などを個別に接続したり、また接続を解除したりする作業は、外部出力部16近傍の基板本体12における出力配線、入力配線およびグラウンド配線が混雑していることによって、煩雑な作業となる。これに対し、補助基板13では、出力配線に接続される導体層27と、グラウンド配線に接続される導体層27とにノイズ除去素子19を配置することが目的であり、補助基板13における導体層27は、基板本体12の露出領域18よりも簡単化することができる。したがって、補助基板13においてノイズ除去素子19を交換することは、基板本体12にノイズ除去素子19を直接接続する場合よりも、容易である。
基板本体12に取付けられた補助基板13を、基板本体12から取外すこと、および異なる別の補助基板13に交換することも、可能である。補助基板13が基板本体12に半田によって接合された場合には、たとえばヒートガンによって補助基板13と基板本体12との接合部を加熱することによって、接合を解除する。これによって、取外しまたは取外しと新たな補助基板13との交換は、可能となる。
ノイズ除去素子19が除去するノイズの周波数帯域を、20kHz以上10GHz以下の全範囲の周波数帯域とすることも可能であるけれども、特定の周波数帯域のノイズの発生が観測されたり、または特定の周波数帯域のノイズの除去によって他の電子機器の不具合を解消することができる場合には、ノイズ除去素子19で除去するノイズの周波数帯域は、狭くする方が、ノイズ除去素子19および補助基板13の構造を簡単化できる場合がある。
20kHz未満の周波数帯域は、音声の振動波の周波数帯域および音声情報を表す電気信号の周波数帯域に一致する場合があるけれども、ほとんどの場合において音声の周波数帯域は、10kHz未満としても問題はない。また車載用の電子機器に利用される電磁波の周波数帯域は、ほとんどの場合10GHz以下である。したがって、ノイズ除去素子19が除去するノイズの周波数帯域を、10kHz以上10GHz以下のうちのいずれかの周波数帯域として設定することも可能である。
本実施形態において貫通ピン24は、基板本体12から厚み方向一方Z1に突出する。貫通ピン24のうち露出領域18から突出する部分がアンテナとしての機能を有することによって、貫通ピン24が貫通ピン24近傍に形成される電磁場から影響を受け、電磁波を受信しノイズを出力端子17に伝送する可能性もあるけれども、補助基板13を、貫通ピン24を貫通孔26に挿入した状態で設置することによって、貫通ピン24がアンテナとしての機能を有することを阻止することができる。
第1実施形態によれば、基板本体12には、露出領域18が外部出力部16の近傍に形成され、露出領域18では、出力配線が露出する。補助基板13は、露出領域18に設置され、ノイズ除去素子19を有する。ノイズ除去素子19は、出力配線に電気的に接続して設置される。これによって、ノイズ除去素子19を外部出力部16近傍に配置することができる。したがって、出力配線および出力端子17を介して出力される電気信号に含まれるノイズを、外部出力部16近傍で除去することができる。補助基板13を露出領域18に設置することによって、ノイズ除去のための素子を配置することができるので、外部出力部16近傍の配線を過密にすることなく、ノイズ除去のための素子を基板本体12に対して容易に設置することができる。
露出領域18は、外部出力部16近傍に形成されるので、出力配線のうち、露出領域18から外部出力部16までの部分を介して電気信号にノイズが混入することを抑制することができる。したがって、外部出力部16から外部に出力される電気信号に、ノイズが含まれる可能性を可及的に低減することができる。これによって、ノイズ除去素子19が配置されない場合、およびノイズ除去素子19が外部出力部16から遠い位置に配置される場合に比べて、出力端子17を介して外部に出力される電気信号の情報の信頼度を高くすることができる。
またノイズ除去素子19は、基板本体12の一表面から厚み方向Zに離れた位置に設置される。補助基板13において複数のノイズ除去素子19は、一体化して設けられる。これによって、補助基板13を基板本体12上で固定すれば、複数のノイズ除去素子19を固定することができる。複数のノイズ除去素子19が、補助基板13の電気的接続の作業中に個々に移動変位することはないので、半田などによる電気的接続も、容易に行うことができる。作業を容易に行うことができるので、出力配線、入力配線およびグラウンド配線に対する電気的接続を、確実にすることができる。
仮に、各ノイズ除去素子19を個別に手作業で半田付けすれば、ノイズ除去素子19の接続の確実性は、作業者によって繰返される手作業の確実性に依存する。これに対し、本実施形態では、1回の補助基板13の基板本体12に対する取付け作業で、複数のノイズ除去素子19の接続が完了するので、ノイズ除去素子19の電気的接続の確実性を、向上させることができる。これによって、ノイズ除去の信頼度を高くすることができる。
また第1実施形態によれば、露出領域18は、基板本体12の厚み方向Zに垂直な一表面上に形成され、補助基板13は、その厚み方向を基板本体12の厚み方向Zに一致させて設置される。これによって、補助基板13が基板本体12に対して角度を成して設置される場合に比べて、配線基板10が占有する空間を小さくすることができる。
また第1実施形態によれば、ノイズ除去素子19は、コンデンサ22を含む。これによって、電気信号に含まれる高周波ノイズが、出力端子17を介して出力されることを防止することができる。
また第1実施形態によれば、基板本体12には、貫通ピン24が配置され、補助基板13は、貫通ピン24が貫通孔26に挿入された状態で、基板本体12に取付けられる。貫通ピン24は、出力配線および出力端子17に対し露出領域18で電気的に接続され、ノイズ除去素子19は、補助基板13上で貫通ピン24に電気的に接続される。
これによって、補助基板13が基板本体12に対して、たとえば半田によって接続される場合に比べて、補助基板13を基板本体12に強固に取付けることができる。したがって、振動が生じる環境下で使用されても、補助基板13が基板本体12から外れることを防止することができる。ノイズ除去素子19は、外部出力部16の近傍で貫通ピン24を介して出力配線および出力端子17に電気的に接続されるので、ノイズ除去素子19が接続された位置から出力端子17までの間の出力配線を介して、電気信号にノイズが混入する可能性を低減することができる。したがって、補助基板13を基板本体12に強固に固定することと、ノイズを除去し、ノイズ除去の可能性を可及的に少なくすることとを、両立することができる。
また第1実施形態において、ノイズ除去素子19が、20kHz以上10GHz以下の周波数帯域のノイズを除去する場合には、音声として利用する周波数帯域よりも高周波のノイズが、外部出力部16よりも外部に出力されることを防止することができる。したがって、出力される電気信号の情報が音声に変換されたときにも、音声にノイズが重畳することを防止することができる。
また第1実施形態によれば、車載用音響再生装置11は、前記配線基板10を備える。これによって、出力端子17を介して外部に電気信号を伝送する配線が、他の電子機器に近接して配置される場合にも、出力配線および出力端子17を介して出力される電気信号に含まれるノイズが、他の電子機器に影響することを防止することができる。したがって、他の電子機器に誤作動が生じることを防止することができる。
また第1実施形態において、ノイズ除去素子19が、312MHz以上315MHz以下の周波数帯域のノイズを除去する場合には、キーレスエントリーに利用される周波数帯域と同じ周波数帯域のノイズが出力端子17を介して外部に伝送されることを防止することができる。したがって、キーレスエントリーを実現する電子機器が、基板本体12からのノイズの影響されることを防止することができる。これによって、キーレスエントリーを実現する電子機器に誤作動が生じることを防止することができる。
また第1実施形態において、ノイズ除去素子19が、2GHz以上5GHz以下の周波数帯域のノイズを除去する場合には、ETCシステムに利用される周波数帯域と同じ周波数帯域のノイズが出力端子17を介して外部に出力されることを防止することができる。したがって、ETCシステムを実現する電子機器が、基板本体12からのノイズに影響されることを防止することができる。これによって、ETCシステムを実現する電子機器に誤作動が生じることを防止することができる。
また第1実施形態によれば、車載用音響再生装置11に含まれるノイズ除去素子19は、20kHz以上10GHz以下の周波数帯域のノイズを除去する。これによって、車両に搭載される電子機器に基板本体12からのノイズが影響することを防止することができる。したがって、音声を出力することと、車両に搭載される電子機器の動作の確実性を向上することとを、両立することができる。
このように、ノイズ除去素子19によって除去するノイズの周波数帯域は、車載用音響再生装置11の配線の近傍に設置される電子機器に対応したものとし、除去するノイズの周波数帯域を、電子機器が利用する電磁波の周波数帯域とする。これによって、電子機器の誤作動を防止することができるという効果は、ノイズ除去素子19によるノイズの除去が確実であることを前提としている。換言すれば、出力端子17から外部に伝送される電気信号に、ノイズが重畳されることを確実に防止することによって、電子機器の誤作動を防止できるという効果は、格段に向上し、確実となる。
また、ノイズ除去素子19が他の電子機器に対応した特定周波数のノイズを除去することによって、電子機器の誤作動を防止できるという効果は、ノイズ除去素子19を出力端子17近傍に設置することによって、さらに確実となる。本実施形態において、ノイズ除去素子19が特定周波数のノイズを除去することと、ノイズ除去素子19を出力端子17近傍に、しかも確実に設置することとは、互いに独立したものではなく、互いに関連する。ノイズの出力を確実に防止することは、電子機器の誤作動の防止に大きく貢献する。
(第2実施形態)
図5は、本発明の第2実施形態に係る配線基板10の斜視図である。図5において、配線基板10は、基板本体12の厚み方向Zに分解して示してある。第2実施形態に係る配線基板10は、第1実施形態に係る配線基板10に類似しており、以下、第1実施形態に対する第2実施形態の相違点を中心に説明する。
第2実施形態において、露出領域18で露出する少なくとも出力配線およびグラウンド配線の表面は、厚み方向一方Z1から見て円形に形成される。すなわち露出領域18に垂直に見て円形に形成される。露出領域18において円形に露出して形成されるこれらの部分を「円形露出部」32と称する。露出領域18において円形露出部32以外の部分は樹脂などの絶縁体によって形成される。円形露出部32は、円形露出部32の周囲に位置する樹脂製の部分と、同一の平面内において表面が形成されてもよく、または円形露出部32の表面部が、円形露出部32の周囲の樹脂製の部分よりもわずかに厚み方向一方Z1に突出して形成されてもよい。
図6は、本発明の第2実施形態における補助基板13を、基板本体12に臨んで配置されるべき表面を上方に向けて表した斜視図である。補助基板13は、基板本体12の円形露出部32に対応する位置に、円形露出部32に対応した大きさの、円形の貫通導電体33を含む。貫通導電体33は、補助基板13を厚み方向Zに貫通し、補助基板13の厚み方向Zに垂直な両方の表面において露出する。これによって貫通導電体33は、補助基板13を厚み方向Zに貫通する伝送路を形成する。図5の斜視図において上方に向けて示される補助基板13の厚み方向一方Z1には、ノイズ除去素子19が設けられる。ノイズ除去素子19は、各出力配線に対応して形成される各貫通導電体33と、グラウンド配線に対応して形成される貫通導電体33とに電気的に接続される。
本実施形態において補助基板13は、補助基板13を貫通するねじ部品によって、基板本体12にねじ止めして固定される。補助基板13を基板本体12に固定するねじ部品は、ボルトであってもよく、またはすり割り付きのねじ部品であってもよい。本実施形態においてねじ部品は、ビス34であるものとする。ビス34の軸部は、補助基板13に貫通して形成されるねじ孔36を、厚み方向一方Z1側から貫通し、基板本体12に形成される雌ねじ部38に螺合することによって、補助基板13を基板本体12に固定する。
本実施形態において外部出力部16は、基板本体12のうち露出領域18が形成される部分の厚み方向他方Z2に位置して設けられ、補助基板13を基板本体12に固定するねじ部品の軸部の一部は、外部出力部16を形成するカバー体21の一部に螺合する。これによって、ねじ部品は、基板本体12に対して補助基板13とカバー体21との両方を固定する。
ねじ部品によって基板本体12に取付けられた補助基板13は、基板本体12に対して厚み方向Zに押圧されて固定される。これによって、貫通導電体33は、基板本体12の円形露出部32に接触し、電気的に接続される。貫通導電体33のうち、出力配線とグラウンド配線とに対応する貫通導電体33は、互いにノイズ除去部品を介して接続されるので、補助基板13が基板本体12に固定されることによって、出力配線およびグラウンド配線とノイズ除去素子19との電気的接続も実現される。
このように、補助基板13の基板本体12に対する実装を、ねじ部品による固定によって実現することによって、ノイズ除去部品の配置および電気的接続は、ねじ部品による固定によって実現される。したがって、補助基板13は、ねじ部品を取外すことによって基板本体12から取外すことが可能となり、補助基板13を基板本体12に対して半田などによって接合する場合に比べて、補助基板13の交換を容易にすることができる。
したがって、たとえば最も懸念される電磁波障害に対応した周波数帯域のノイズを除去するノイズ除去素子19を補助基板13に搭載し、補助基板13を基板本体12に取付けた後、想定した電磁波障害とは周波数帯域の異なる障害が発生したときには、実際に障害の原因となった電磁波の周波数帯域と同じ周波数帯域のノイズを除去できるノイズ除去素子19を他の補助基板13に搭載し、基板本体12に取付けられた補助基板13と、他の補助基板13とを交換することによって実際に傷害の原因となった電磁波障害を解消することができる。
補助基板13の基板本体12に対する交換を、ねじ部品による固定および固定の解除によって行うことができるので、交換を繰返しても、半田を用いる場合などに比べて、基板本体12の汚損を防止することができる。また第2実施形態においても、第1実施形態と同様の、前述の効果を達成することができる。
第1実施形態では、基板本体12に対して補助基板13は、半田付けによって固定され、第2実施形態においては、ねじ止めによって固定されるものとしたけれども、他の実施形態においては、たとえば、導電性接着剤、バンプ、リベットなどによって固定されてもよい。
第1および第2実施形態において、配線基板10を搭載する電子機器は、車載用音響再生装置11であるものとしたけれども、他の実施形態において、配線基板10を搭載する電子機器は、車載用音響再生装置11でなくてもよい。電子機器が配線基板10を備えることによって、電子機器に含まれる配線基板10以外の電子部品に、基板本体12からのノイズが影響することを防止することができる。また配線基板10を備える電子機器の近傍に他の電子機器が配置されても、他の電子機器に基板本体12からのノイズが影響することを防止することができる。
従来技術に係る配線基板1における配線関係を表す回路図である。 本発明の第1実施形態に係る配線基板10の斜視図である。 本発明の第1実施形態に係る配線基板10の平面図である。 本発明の第1実施形態に係る車載用音響再生装置11の構成を表す図である。 本発明の第2実施形態に係る配線基板10の斜視図である。 本発明の第2実施形態における補助基板13を、基板本体12に臨んで配置されるべき表面を上方に向けて表した斜視図である。
符号の説明
10 配線基板
11 車載用音響再生装置
12 基板本体
13 補助基板
16 外部出力部
17 出力端子
18 露出領域
19 ノイズ除去素子
22 コンデンサ
24 貫通ピン
26 貫通孔

Claims (9)

  1. 外部に電気信号を出力するための出力配線が複数設けられる基板本体であって、
    前記出力配線からの電気信号を出力するための複数の出力端子が集合して設けられる外部出力部を有し、
    前記出力配線の露出する露出領域が前記外部出力部の近傍に形成される基板本体と、
    前記露出領域に設置される補助基板であって、
    前記出力配線の前記露出領域で露出する部分に電気的に接続して設置されるノイズ除去のための素子を有する補助基板とを含むことを特徴とする配線基板。
  2. 前記露出領域は、基板本体の厚み方向に垂直な一表面上に形成され、
    前記補助基板は、その厚み方向を基板本体の厚み方向に一致させて設置されることを特徴とする請求項1に記載の配線基板。
  3. 前記ノイズ除去のための素子は、コンデンサを含むことを特徴とする請求項1または2に記載の配線基板。
  4. 前記基板本体には、露出領域から突出する貫通ピンが配置され、前記補助基板には、前記貫通ピンに対応して貫通孔が形成され、前記補助基板は、前記貫通ピンが前記貫通孔に挿入された状態で基板本体に取付けられることを特徴とする請求項1〜3のいずれか1つに記載の配線基板。
  5. 前記ノイズ除去のための素子は、20kHz以上10GHz以下の周波数帯域のノイズを除去することを特徴とする請求項1〜4のいずれか1つに記載の配線基板。
  6. 請求項1〜4のいずれか1つに記載の配線基板を備え、
    前記ノイズ除去のための素子は、312MHz以上315MHz以下の周波数帯域のノイズを除去することを特徴とする車載用音響再生装置。
  7. 請求項1〜4のいずれか1つに記載の配線基板を備え、
    前記ノイズ除去のための素子は、2GHz以上5GHz以下の周波数帯域のノイズを除去することを特徴とする車載用音響再生装置。
  8. 請求項5に記載の配線基板を備えることを特徴とする車載用音響再生装置。
  9. 請求項1〜5のいずれか1つに記載の配線基板を備えることを特徴とする電子機器。
JP2008209184A 2008-08-15 2008-08-15 配線基板、これを備える車載用音響再生装置および電子機器 Expired - Fee Related JP5342829B2 (ja)

Priority Applications (1)

Application Number Priority Date Filing Date Title
JP2008209184A JP5342829B2 (ja) 2008-08-15 2008-08-15 配線基板、これを備える車載用音響再生装置および電子機器

Applications Claiming Priority (1)

Application Number Priority Date Filing Date Title
JP2008209184A JP5342829B2 (ja) 2008-08-15 2008-08-15 配線基板、これを備える車載用音響再生装置および電子機器

Publications (2)

Publication Number Publication Date
JP2010045259A true JP2010045259A (ja) 2010-02-25
JP5342829B2 JP5342829B2 (ja) 2013-11-13

Family

ID=42016387

Family Applications (1)

Application Number Title Priority Date Filing Date
JP2008209184A Expired - Fee Related JP5342829B2 (ja) 2008-08-15 2008-08-15 配線基板、これを備える車載用音響再生装置および電子機器

Country Status (1)

Country Link
JP (1) JP5342829B2 (ja)

Cited By (1)

* Cited by examiner, † Cited by third party
Publication number Priority date Publication date Assignee Title
WO2011114704A1 (ja) * 2010-03-16 2011-09-22 シャープ株式会社 回路基板

Citations (4)

* Cited by examiner, † Cited by third party
Publication number Priority date Publication date Assignee Title
JPH10275965A (ja) * 1997-03-28 1998-10-13 Nec Corp 電子部品組立体およびその製造方法
JP2004186219A (ja) * 2002-11-29 2004-07-02 Nippon Soken Inc プリント基板およびメータ装置
WO2006112010A1 (ja) * 2005-04-13 2006-10-26 Renesas Technology Corp. 電子装置
JP2007335618A (ja) * 2006-06-15 2007-12-27 Canon Inc プリント回路基板

Patent Citations (4)

* Cited by examiner, † Cited by third party
Publication number Priority date Publication date Assignee Title
JPH10275965A (ja) * 1997-03-28 1998-10-13 Nec Corp 電子部品組立体およびその製造方法
JP2004186219A (ja) * 2002-11-29 2004-07-02 Nippon Soken Inc プリント基板およびメータ装置
WO2006112010A1 (ja) * 2005-04-13 2006-10-26 Renesas Technology Corp. 電子装置
JP2007335618A (ja) * 2006-06-15 2007-12-27 Canon Inc プリント回路基板

Cited By (1)

* Cited by examiner, † Cited by third party
Publication number Priority date Publication date Assignee Title
WO2011114704A1 (ja) * 2010-03-16 2011-09-22 シャープ株式会社 回路基板

Also Published As

Publication number Publication date
JP5342829B2 (ja) 2013-11-13

Similar Documents

Publication Publication Date Title
JPS6239857B2 (ja)
JP2005091082A (ja) アンテナ一体型ナビゲーション装置
JP5342829B2 (ja) 配線基板、これを備える車載用音響再生装置および電子機器
JP2977018B2 (ja) インタフェースケーブル接続用コネクタ
JP3752963B2 (ja) Gpsセンサ
JP2009188956A (ja) チューナモジュールのシールド構造およびそれを備える受信装置
JP2015053758A (ja) 電力変換装置
US12069813B2 (en) Electronic device and electric power steering apparatus having electronic device mounted thereto
JP6576605B2 (ja) 車載情報機器
JP4682029B2 (ja) 増幅装置の設置構造
JP2001135972A (ja) ノイズ対策用シールドケース
WO2023276231A1 (ja) 電子制御装置
US20100202124A1 (en) Circuit board mounting structure of compound circuit
JP4184627B2 (ja) 車載用電子機器
JPH0632716Y2 (ja) 電子機器のシールド構造
JP2021061144A (ja) コネクタおよび電子デバイス
JPH0129835Y2 (ja)
JPH0625029Y2 (ja) 高周波雑音防止用プリント板
JPH0625027Y2 (ja) 高周波雑音防止用プリント板
JP4723299B2 (ja) 電子機器
JPH0126151Y2 (ja)
JP2584580Y2 (ja) 半導体素子測定用プローブ
JPS6230359Y2 (ja)
JP3426430B2 (ja) 高周波ノイズを低減した電気機器
JP2008205242A (ja) 筺体及び筺体を備えた電子機器

Legal Events

Date Code Title Description
A621 Written request for application examination

Free format text: JAPANESE INTERMEDIATE CODE: A621

Effective date: 20110801

A521 Request for written amendment filed

Free format text: JAPANESE INTERMEDIATE CODE: A523

Effective date: 20120323

A977 Report on retrieval

Free format text: JAPANESE INTERMEDIATE CODE: A971007

Effective date: 20120712

A131 Notification of reasons for refusal

Free format text: JAPANESE INTERMEDIATE CODE: A131

Effective date: 20130108

A521 Request for written amendment filed

Free format text: JAPANESE INTERMEDIATE CODE: A523

Effective date: 20130305

TRDD Decision of grant or rejection written
A01 Written decision to grant a patent or to grant a registration (utility model)

Free format text: JAPANESE INTERMEDIATE CODE: A01

Effective date: 20130730

A61 First payment of annual fees (during grant procedure)

Free format text: JAPANESE INTERMEDIATE CODE: A61

Effective date: 20130812

R150 Certificate of patent or registration of utility model

Ref document number: 5342829

Country of ref document: JP

Free format text: JAPANESE INTERMEDIATE CODE: R150

Free format text: JAPANESE INTERMEDIATE CODE: R150

R250 Receipt of annual fees

Free format text: JAPANESE INTERMEDIATE CODE: R250

R250 Receipt of annual fees

Free format text: JAPANESE INTERMEDIATE CODE: R250

R250 Receipt of annual fees

Free format text: JAPANESE INTERMEDIATE CODE: R250

LAPS Cancellation because of no payment of annual fees