JP2006201433A - 半透過型液晶表示装置用カラーフィルタの製造方法及び半透過型液晶表示装置用カラーフィルタ - Google Patents

半透過型液晶表示装置用カラーフィルタの製造方法及び半透過型液晶表示装置用カラーフィルタ Download PDF

Info

Publication number
JP2006201433A
JP2006201433A JP2005012477A JP2005012477A JP2006201433A JP 2006201433 A JP2006201433 A JP 2006201433A JP 2005012477 A JP2005012477 A JP 2005012477A JP 2005012477 A JP2005012477 A JP 2005012477A JP 2006201433 A JP2006201433 A JP 2006201433A
Authority
JP
Japan
Prior art keywords
colored
liquid crystal
crystal display
display device
color filter
Prior art date
Legal status (The legal status is an assumption and is not a legal conclusion. Google has not performed a legal analysis and makes no representation as to the accuracy of the status listed.)
Pending
Application number
JP2005012477A
Other languages
English (en)
Inventor
Yuichiro Abe
裕一郎 阿部
Current Assignee (The listed assignees may be inaccurate. Google has not performed a legal analysis and makes no representation or warranty as to the accuracy of the list.)
Toppan Inc
Original Assignee
Toppan Printing Co Ltd
Priority date (The priority date is an assumption and is not a legal conclusion. Google has not performed a legal analysis and makes no representation as to the accuracy of the date listed.)
Filing date
Publication date
Application filed by Toppan Printing Co Ltd filed Critical Toppan Printing Co Ltd
Priority to JP2005012477A priority Critical patent/JP2006201433A/ja
Publication of JP2006201433A publication Critical patent/JP2006201433A/ja
Pending legal-status Critical Current

Links

Images

Landscapes

  • Liquid Crystal (AREA)
  • Optical Filters (AREA)

Abstract

【課題】着色画素が光透過領域の着色層と、光反射領域の透明部を有する着色層とで構成されるカラーフィルタの製造にて、表面が平坦で、透明部と着色層部分の位置精度の優れたカラーフィルタを廉価に、容易に製造する半透過型液晶表示装置用カラーフィルタの製造方法を提供すること。
【解決手段】基板11上に着色フォトレジストを用いて着色画素13を形成し、着色画素が形成された基板上の全面に無色透明フォトレジスト18を塗布し、着色画素の厚さに、着色画素上に形成される無色透明樹脂層の厚さを加算した厚さ(D8)を、透明部に充填される無色透明樹脂層の厚さ(D5)と同一に形成するためのハーフトーン部1を有するフォトマスクPM1を介して露光し、現像処理を行うこと。
【選択図】図1

Description

本発明は、液晶表示装置用カラーフィルタの製造方法に関するものであり、特に、一画素中の着色画素が、一画素中の光透過領域に形成された着色層と、光反射領域に形成され、透明部を有する着色層とで構成されるカラーフィルタを精度よく、廉価に製造することのできる半透過型液晶表示装置用カラーフィルタに関する。
液晶表示装置は自発光型の表示装置ではないので、その表示には他からの光を必要とし、例えば、その後方にバックライトを設け、後方からの光によって表示を行っている。このような液晶表示装置は透過型液晶表示装置と称され、主に屋内のような暗い環境下で用いられる。
また、例えば、その後方に光反射層を設け、液晶表示装置を観視する際の周囲からの外光によって表示を行う液晶表示装置がある。このような液晶表示装置は反射型液晶表示装置と称され、主に屋外のような周囲が明るい環境下で用いられる。
上記透過型液晶表示装置においては、その後方に設けられたバックライトからの光はカラーフィルタの着色画素を透過し、液晶表示装置が観視される前方の外部へ射出されるようになっている。
この際の着色画素の分光透過率は、例えば、図5における実線で示すように、赤色の着色画素の分光透過率は波長400〜600nmにおいては透過率が低く、波長600〜700nmにおいては透過率が高いものが好ましいものである。
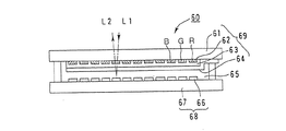
図6は、従来法の反射型液晶表示装置の一例を断面で示す説明図であるが、図6に示すように、反射型液晶表示装置(60)は、対向基板(68)、液晶(65)、カラーフィルタ(69)などで構成されている。図6において、対向基板(68)は、画素表示に必要な駆動素子(図示せず)や光拡散反射性の電極層(66)などが基板(67)上に形成されたもので構成されている。
また、カラーフィルタ(69)は、ガラス基板(61)、着色画素(62)、オーバーコート層(63)、透明電極層(64)などで構成されている。
図6において、外光(L1)は着色画素(62)を通過し色光となり、光拡散反射性の電極層(66)にて反射され、再び着色画素(62)を通過して、外部へ反射光(L2)として射出されるようになっている。
このような反射型液晶表示装置用カラーフィルタの着色画素(62)の色濃度は、透過型液晶表示装置用カラーフィルタのカラーフィルタ画素の色濃度より低い色濃度のものである。
これは、上記のように外部からの光は、入射の際と反射の際の2回にわたり赤色の着色画素を透過し、外部へ射出されるので、例えば、図5における点線で示すように、赤色の着色画素の分光透過率は波長400〜600nmにおいて透過率がやや高く、波長600〜700nmにおいても透過率がやや高いものを用いることにより、実線で示す透過型に用いられる赤色の着色画素の分光透過率と同様の効果が得られるようにしているのである。
そして、このような点線で示す分光透過率を有する着色画素の形成は、例えば、着色画素に含まれる顔料の含有量を少なくすることにより行われている。
さて、液晶表示装置用カラーフィルタの着色画素の形成は、種々な方法により行われているが、感光性樹脂組成物に顔料を分散させた感光性着色樹脂組成物(着色フォトレジスト)を材料として用い、フォトリソグラフィー法により着色画素を形成する顔料分散法が広く採用されている。
この顔料分散法、すなわち、着色フォトレジストを用いフォトリソグラフィー法により、上記のような反射型液晶表示装置用カラーフィルタの着色画素を形成する場合には、画素の色濃度を低くするため、その着色画素に含まれる顔料の含有量を少なくしたり、または、着色画素の厚さを薄く形成する手段が用いられている。
上記透過型液晶表示装置は、主に屋内のような暗い環境下で用いられるものであり、屋外のような周囲が明るい環境下では、その表示が見にくいといった欠点がある。また、上記反射型液晶表示装置は、主に屋外のような周囲が明るい環境下で用いられるものであり、屋内のような暗い環境下では、その表示が見にくいといった欠点がある。
このような透過型液晶表示装置、反射型液晶表示装置に対し、半透過型液晶表示装置と称される液晶表示装置は、1基の液晶表示装置において透過型と反射型の両機能を兼ね備えた液晶表示装置である。
この半透過型液晶表示装置は、屋外のような非常に明るい環境下でも、屋内のような暗い環境下でも用いることができるものであり、モバイル機器に用いられる液晶表示装置である。
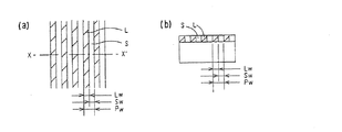
図3は、半透過型液晶表示装置に用いられるカラーフィルタの一例を示したものであり、特に、一画素に対応する部位を拡大して示す平面図である。また、図4は、図3に示す半透過型液晶表示装置用カラーフィルタを用いた半透過型液晶表示装置の一画素の部分を示す断面説明図である。図3におけるX−X’線の断面が、図4に示す半透過型液晶表示装置用カラーフィルタ(30)の断面に相当する。
図3、及び図4に示すように、この半透過型液晶表示装置は、半透過型液晶表示装置用カラーフィルタ(30)、半透過型液晶表示装置用カラーフィルタ上に形成された透明電極(14)、液晶(50)、TFT素子(図示せず)などが形成されたTFT基板(40)、TFT基板上に形成された透明電極(41)及び反射電極(42)で構成されている。
半透過型液晶表示装置用カラーフィルタ(30)は、ガラス基板(11)上にブラックマトリックス(12)、着色画素(13)が形成されたものである。また、透明電極(41)及び反射電極(42)はTFT素子のドレイン電極と接続されている。
1画素の領域(Px)はブラックマトリックス(12)を除くと、光透過領域(Tr)と光反射領域(Re)とで構成されている。
光透過領域(Tr)は、透過型液晶表示装置として機能する領域であり、光反射領域(Re)は、反射型液晶表示装置として機能する領域である。
1画素の領域(Px)内の着色層(15)及び透明部を有する着色層(16)は、同一の着色層形成材料を用いて設けられた同一厚さの着色層である。図4にては、説明上、左斜線と右斜線で表記してある。また、図4中、反射電極(42)の両端の上方が着色層(15)と透明部を有する着色層(16)との境界であり、鎖線で表記してある。
着色画素(13)の光透過領域(Tr)には、その全領域に厚さD1の均一な着色層(15)が形成され、また、光反射領域(Re)には、外光が入反射する透明部(スルーホー
ル部)(17)を有する着色層(16)が形成されている。
すなわち、1画素の領域(Px)内では、光透過領域(Tr)の均一な着色層(15)と、光反射領域(Re)の透明部を有する着色層(16)とで着色画素(13)が構成されている。
そして、この透明部を有する着色層(16)の厚さは、その平均厚さ(D2)で表される。尚、平坦性をもたせるため着色層(16)の透明部(スルーホール部)(17)には、無色透明な樹脂を充填するのが一般的である。
図4に示す、厚さD1を有する均一な着色層(15)の分光透過率は図5に実線で示すような、例えば、赤色の着色画素の分光透過率は波長400〜600nmにおいては透過率が低く、波長600〜700nmにおいては透過率が高い透過型液晶表示装置に好適な分光透過率を有する。
光透過領域(Tr)においては白太矢印(A)で示すバックライトからの白色光が、TFT基板(40)、透明電極(41)、液晶(50)、透明電極(14)を経て着色画素(13)の光透過領域(Tr)の着色層(15)を通過し色光となり白細矢印(a)で示すように、外部へ射出するようになっている。
従って、この半透過型液晶表示装置のバックライトを点灯し透過型液晶表示装置として使用した際には、透過型液晶表示装置として優れた明度、彩度を有する透過カラー表示をする。
また、この半透過型液晶表示装置のバックライトを消灯し、屋外のような非常に明るい環境下で反射型液晶表示装置として使用した際には、光反射領域(Re)において、斜線太矢印(B)で示す周囲からの外光が、ガラス基板(11)、平均厚さ(D2)の、透明部を有する着色層(16)を通過し色光となり反射電極(42)にて反射され、斜線細矢印(b)で示すように、再び外部へ射出するようになっている。
この際の反射光は、平均厚さ(D2)の透明部を有する着色層(16)を2回にわたり通過しているので、その分光透過率は図5に点線で示すような、赤色の着色画素の分光透過率は波長400〜600nmにおいて透過率がかなり高く、波長600〜700nmにおいても透過率が高い、すなわち、反射型液晶表示装置の分光透過率として好適な分光透過率を有するものとなる。
このような半透過型液晶表示装置用カラーフィルタを用いることにより、透過型液晶表示装置としての優れた明度、彩度を有する透過カラー表示をし、また、反射型液晶表示装置として暗くならず、優れた明度、彩度を有する反射カラー表示をすることが可能となる。
図2は、上述した半透過型液晶表示装置用カラーフィルタを製造する従来の方法の一例の説明図である。この方法は、図2(a)に示すように、先ず、ブラックマトリックス(12)が形成されたガラス基板(11)上に、着色層(25)を形成し、次に、図2(b)に示すように、着色層(25)が形成されたガラス基板(11)上の全面に、透明な光硬化性樹脂(22)を塗布し、全面に露光を与え、透明部(スルーホール部)(27)に透明樹脂を充填する方法である。
しかし、この方法によると、ガラス基板(11)上には着色層(25)が形成されていない部分と、着色層(25)が形成されている部分に着色層(25)の厚さに相当する段差(D3)があるために、例えば、スピンナーで透明な光硬化性樹脂(22)を塗布すると、図2(b’)に示すように、透明部(スルーホール部)(27)に充填した光硬化性樹脂(22)の表面は平坦にならず、窪み(23)が生じたものとなりやすい。
この窪み(23)の深さ(D4)は、厚み1.2μm程度の着色層(25)に、厚さ1.95μm程度の光硬化性樹脂(22)を形成した際に0.2μm程度となる。表面に窪みが生じたカラーフィルタは、液晶表示装置に用いた際に、窪みのセルギャップが局所的に広くなり、表示ムラを生じる場合があり好ましいものではない。
従って、透明部(27)の表面を平坦に充填する方法としては、例えば、図7(a)〜(f)に示す方法がとられる場合がある。
すなわち、先ず、ブラックマトリックス(12)が形成されたガラス基板(11)上に、ネガ型無色透明フォトレジスト(78)を塗布し、透明部(17)を光透過させるフォトマスク(PM3)を介して露光(C)、現像処理を行い、透明部(17)を形成する(図7(a)〜(c))。
次に、透明部が形成されたガラス基板(11)上に、ネガ型着色フォトレジスト(79)を塗布し、着色層の部分を光透過させるフォトマスク(PM4)を介して露光(C)、現像処理を行い、着色層(15)を形成し、均一な着色層(15)と透明部を有する着色層(16)とで構成される着色画素(13)を形成するといった方法である。(図7(d)〜(f))
この方法によれば、透明部(17)の厚さと着色層(15)の厚さが同一で窪みのない、表面が面一な、すなわち、表面が平坦な着色画素を有するカラーフィルタが得られる。
しかし、この方法は、透明部の部分を光透過させるフォトマスク(PM3)と着色層の部分を光透過させるフォトマスク(PM4)の2枚のフォトマスクを使用するので、カラーフィルタを製造する際のガラス基板が大型の場合などには、透明部を有する着色層(16)の透明部(17)と着色層部分の境界(E)の位置関係を精度よく合わせて製造するのは困難であり、境界(E)には、着色層部分が透明部に重なった角(ツノ)や隙間が発生し、液晶の配向に悪影響を及ぼすこととなる。
特許第3485997号公報
本発明は、上記問題を解決するためになされたものであり、着色画素が光透過領域に形成された着色層と、光反射領域に形成され、透明部(スルーホール部)を有する着色層とで構成される半透過型液晶表示装置用カラーフィルタの製造において、表面が平坦で、着色層中の透明部(スルーホール部)と着色層部分の位置精度の優れたカラーフィルタを廉価に、容易に製造することのできる半透過型液晶表示装置用カラーフィルタの製造方法を提供することを課題とするものである。
また、本発明は、上記半透過型液晶表示装置用カラーフィルタを提供することを課題とする。
本発明は、一画素中の着色画素が、光透過領域に形成された着色層と、光反射領域に形成され、透明部を有する着色層とで構成される半透過型液晶表示装置用カラーフィルタの製造方法において、
1)基板上に着色フォトレジストを用いて着色画素を形成し、
2)着色画素が形成された基板上の全面に無色透明フォトレジストを塗布し、
3)着色画素の厚さに、着色画素上に形成される無色透明樹脂層の厚さを加算した厚さ(D8)を、透明部に充填される無色透明樹脂層の厚さ(D5)と同一に形成するためのハーフトーン部を有するフォトマスクを介して露光し、現像処理を行い、
透明部に充填された無色透明樹脂層の表面と着色画素上に形成された無色透明樹脂層の表面とが面一で平坦なカラーフィルタを製造することを特徴とする半透過型液晶表示装置用カラーフィルタの製造方法である。
また、本発明は、前記ハーフトーン部がクロム膜、金属酸化膜、又はラインアンドスペースパターンであることを特徴とする半透過型液晶表示装置用カラーフィルタの製造方法である。
また、本発明は、請求項1又は請求項2記載の半透過型液晶表示装置用カラーフィルタの製造方法を用いて製造したことを半透過型液晶表示装置用カラーフィルタである。
本発明は、一画素中の着色画素が、光透過領域に形成された着色層と、光反射領域に形成され、透明部を有する着色層とで構成される半透過型液晶表示装置用カラーフィルタの製造方法において、基板上に着色フォトレジストを用いて着色画素を形成し、着色画素が形成された基板上の全面に無色透明フォトレジストを塗布し、着色画素の厚さに、着色画素上に形成される無色透明樹脂層の厚さを加算した厚さを、透明部に充填される無色透明樹脂層の厚さと同一に形成するためのハーフトーン部を有するフォトマスクを介して露光し、現像処理を行い、半透過型液晶表示装置用カラーフィルタを製造する方法であるので、透明部に充填された無色透明樹脂層の表面と着色画素上に形成された無色透明樹脂層の表面とが面一で平坦で、着色層中の該透明部(スルーホール部)と着色層部分の位置精度の優れたカラーフィルタを廉価に、容易に製造することのできる半透過型液晶表示装置用カラーフィルタの製造方法となる。
以下に本発明による半透過型液晶表示装置用カラーフィルタの製造方法を、その一実施形態に基づいて説明する。
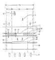
図1(a)〜(d)は、本発明による半透過型液晶表示装置用カラーフィルタの製造方法の一実施例を示す断面図である。図1は、半透過型液晶表示装置用カラーフィルタを構成する一画素中の着色画素部分の断面を拡大して示すものである。
図1(d)に示すように、本発明による半透過型液晶表示装置用カラーフィルタの製造方法は、例えば、ブラックマトリックス(12)が形成されたガラス基板(11)上に、光透過領域に形成される着色層(15)と、光反射領域に形成され透明部を有する着色層(16)とで構成される着色画素(13)を有し、透明部に充填された無色透明樹脂層の表面(8A)と着色画素上に形成された無色透明樹脂層の表面(8B)とが面一で平坦なカラーフィルタを製造する方法である。
先ず、ブラックマトリックス(12)が形成されたガラス基板(11)上に、ネガ型の着色フォトレジストを塗布し、着色画素(13)部を光透過させるフォトマスクを介した露光、現像、バーニングを行い着色画素(13)を形成する。
着色画素(13)は、着色層(15)と、透明部(17)を有する着色層(16)とで構成されている。図1(a)は着色画素(13)が形成された段階のものである。
次に、図1(b)に示すように、着色画素(13)が形成されたガラス基板(11)上の全面に無色透明フォトレジスト(18)を塗布する。ガラス基板(11)上には既に着色画素(13)が形成されているので、ガラス基板(11)上の全面に無色透明フォトレジスト(18)を塗布すると、透明部上に塗布された無色透明フォトレジスト(18)のガラス基板(11)からの厚さ(D5)は、着色画素(13)の厚さに、着色画素(13
)上に塗布された無色透明フォトレジスト(18)の厚さを加算した厚さ(D6)より薄いものとなり、窪み(23)が生じる。尚、符号(D7)は窪み(23)の深さを表している(D7=D6−D5)。
次に、図1(c)に示すように、フォトマスク(PM1)を介した露光(C)を行う。フォトマスク(PM1)は、透明基板(40)に、ハーフトーン部(1)、フォトマスク透明部(2)が設けられたものである。
ハーフトーン部(1)は、着色画素(13)の厚さに、着色画素(13)上に形成される無色透明樹脂層の厚さを加算した厚さ(D8)を、透明部(17)に充填される無色透明樹脂層の厚さ(D5)と同一に形成するためのハーフトーン部である。フォトマスク透明部(2)は、透明部(17)に充填される無色透明樹脂層の形成に対応したフォトマスク透明部である。
ハーフトーン部(1)の光学濃度は、着色画素(13)上に形成される無色透明樹脂層の形成に対応した光学濃度を有し、透明部(2)の光学濃度はゼロである。このようなフォトマスク(PM1)は、例えば、透明基板(40)上に成膜されたクロム膜をフォトエッチングすることによって得られる。尚、図1中にては、光学濃度の高さを各部の厚みで模式的に表している。
図1(c)に示すように、フォトマスク(PM1)の上方からの、白太矢印で示す紫外光はフォトマスクの全域を均一に照射されるが、透明部(2)では略その全量が透過し、ハーフトーン部(1)では、その光学濃度に応じた白細矢印で示す紫外光が透過することになる。
その光学濃度は、着色画素(13)上に形成される無色透明樹脂層の厚さと、着色画素(13)の厚さを加算した厚さ(D8)が、透明部(17)に充填される無色透明樹脂層の厚さ(D5)と同一になるような厚さの無色透明樹脂層を着色画素(13)上に形成する光学濃度である。
従って、図1(d)に示すように、露光後の現像処理によって得られる、透明部に充填された無色透明樹脂層の表面(8A)と、着色画素上に形成された無色透明樹脂層の表面(8B)とが面一で平坦なカラーフィルタとなる。
また、得られた着色画素(13)と透明部(17)の境界(E)には、着色層部分が透明部に重なった角(ツノ)や隙間は生じない。
図8は、本発明における、平坦な表面を形成するためのハーフトーン部を有するフォトマスクの第2例を説明する断面図である。
図8に示すように、第2例のフォトマスク(PM2A)は、透明基板(40)に、紫外光を減衰させる薄膜、例えば、ITOなどの金属酸化物膜からなるハーフトーン部(1A)、紫外光の略全量が透過する透明部(2)が設けられたものである。
ハーフトーン部(1A)の膜厚は、前記着色画素(13)上の無色透明樹脂層)の形成に応じた紫外光の強度となるように設定される。
この第2例に示すフォトマスク(PM2A)を用いることによって、図1に示す例と同様に、着色画素(13)が形成されたガラス基板(11)上に、透明部に充填された無色透明樹脂層の表面(8A)と、着色画素上に形成された無色透明樹脂層の表面(8B)とが面一で平坦なカラーフィルタとなる。
図9は、本発明における、平坦な表面を形成するためのハーフトーン部を有するフォトマスクの第3例を説明する断面図である。
図9に示すように、第3例のフォトマスク(PM2B)は、透明基板(40)に、ライン
アンドスペースパターンからなるハーフトーン部(1B)、紫外光の略全量が透過する透明部(2)が設けられたものである。
ハーフトーン部(1B)のラインアンドスペースパターンは、前記着色画素(13)上の無色透明樹脂層の形成に応じた紫外光を透過するように設定される。
この第3例に示すフォトマスク(PM2B)を用いることによって、図1に示す例と同様に、着色画素(13)が形成されたガラス基板(11)上に、透明部に充填された無色透明樹脂層の表面(8A)と、着色画素上に形成された無色透明樹脂層の表面(8B)とが面一で平坦なカラーフィルタとなる。
図10(a)は、図9に示すハーフトーン部(1B)の一部分を拡大して示す平面図である。また、図10(b)は、図10(a)におけるX−X’線の断面図である。図10(a)、(b)に示すように、このハーフトーン部(1B)は光を遮光するライン(L)と光を透過するスペース(S)で構成されるラインアンドスペースパターンである。
本発明における第3例のフォトマスク(PM2B)は、このフォトマスク上のハーフトーン部(1B)のラインアンドスペースパターンが、用いるフォトリソグラフィー法の系の解像度以下となっているフォトマスクである。
フォトリソグラフィー法の系とは、無色透明樹脂層を形成する際の光学系、フォトマスク、無色透明フォトレジスト、現像処理などのプロセス全体を指し、得られる無色透明樹脂層のパターンの解像度は、この系の解像度によって定まる。
例えば、露光光の位相のそろい度合い、フォトマスクを縮小投影して用いる場合と、原寸にて用いる場合、或いはフォトマスクの構造形式によりフォトマスクの実効解像度の相違、原寸露光におけるプロキシミティ量、或いは無色透明フォトレジストの解像度、現像処理条件などによって系の解像度が定まる。
本発明においては、1枚のフォトマスクを介した露光によって、着色画素の厚さに、着色画素上に形成される無色透明樹脂層の厚さを加算した厚さ(D8)を、透明部に充填される無色透明樹脂層の厚さ(D5)と同一に、且つ平坦に形成するために、フォトマスク上のハーフトーン部(1B)のラインアンドスペースパターンを、無色透明フォトレジストへの露光時において、そのフォトリソグラフィー法の系の解像度以下とする。
図11は、図10(b)に示すハーフトーン部(1B)の断面を拡大して示すものであり、ハーフトーン部(1B)のスペース(S)(透明部分(開口部))を透過した光の、無色透明フォトレジスト上での強度分布を模式的に表したものある。図11(a)に示すように、ラインアンドスペースパターンのピッチ(Pw)、及びラインの巾(Lw)が十分に大きければ、開口部を透過した光はフォトマスク上の像を形成する。
しかし、図11(b)に示すように、例えば、ラインの巾(Lw)が狭くなると、隣り合った開口部からの光による回折によって像が分離できなくなる。ついには、開口部を透過した光は一様な強度分布に平均化されてしまう。
すなわち、本発明においては、ラインアンドスペースパターンをフォトリソグラフィー法の系の解像度以下とすることによって、フォトマスク上のハーフトーン部(1B)のラインアンドスペースパターンをラインアンドスペースの像を形成させるパターンとして機能させるのではなく、均一な光学濃度のハーフトーン部として機能させるものである。
ハーフトーン部としての実効の光学濃度は、単位面積に占めるラインとスペースの割合で表される。また、ラインアンドスペースのライン(L)は光を遮光する濃度(例えば、OD>2.5以上)を有し、スペース(S)は光を透過し、濃度は略ゼロである。従って
、ラインの割合を調節することによって任意に実効の光学濃度を有する半遮光部を精度よく得ることができる。
また、本発明におけるラインアンドスペースパターンは、フォトリソグラフィー法の系の解像度以下のラインアンドスペースパターンであって、単位面積に占めるラインの割合で光学濃度を表すパターンであれば、特に限定されるものではない。例えば、市松模様、波状、円形などがあげられる。
尚、本発明による、カラーフィルタの表面を平坦にする技法は、上記半透過型液晶表示装置用カラーフィルタにおける透明部(スルーホール部)を無色透明樹脂層で充填する場合に限定されるものではない。例えば、カラーフィルタとして、着色画素のもつ耐熱性、耐湿性、及び耐薬品性などの性能を補うために、或いは着色画素からの溶出物のバリアとして着色画素上に保護層(オーバーコート層)を形成し、信頼性を高めることがある。
このような場合に、ガラス基板(11)上に形成されたブラックマトリックスが、黒色感光性樹脂を用いて形成したブラックマトリックスであると、ブラックマトリックスの膜厚が厚いために、着色画素の表面は下地のブラックマトリックスの膜厚の影響を受け平坦性は悪化したものとなる。
この際、本発明による技法を採用することによって、下地のブラックマトリックスの膜厚の影響を相殺し、着色画素上に保護層(オーバーコート層)を平坦に形成することが可能となる。

(a)〜(d)は、本発明による半透過型液晶表示装置用カラーフィルタの製造方法の一実施例を示す断面図である。 半透過型液晶表示装置用カラーフィルタを製造する従来の方法の一例の説明図である。 半透過型液晶表示装置に用いられるカラーフィルタの一例を示したものであり、特に、一画素に対応する部位を拡大して示す平面図である。 図3に示す半透過型液晶表示装置用カラーフィルタを用いた半透過型液晶表示装置の一画素の部分を示す断面説明図である。 透過型液晶表示装置用及び反射型液晶表示装置用カラーフィルタの赤色の着色画素の分光透過率を示した説明図である。 従来法における反射型液晶表示装置の一例を断面で示す説明図である。 (a)〜(f)は、半透過型液晶表示装置用カラーフィルタを製造する方法の一例の説明図である。 本発明における、平坦な表面を形成するためのハーフトーン部を有するフォトマスクの第2例を説明する断面図である。 本発明における、平坦な表面を形成するためのハーフトーン部を有するフォトマスクの第3例を説明する断面図である。 (a)は、図9に示すハーフトーン部の一部分を拡大して示す平面図である。(b)は、図10(a)におけるX−X’線の断面図である。 図10(b)に示すハーフトーン部の断面を拡大して示す説明図である。
符号の説明
1、1A、1B…ハーフトーン部
2…フォトマスク透明部
8A…透明部に充填された無色透明樹脂層の表面
8B…着色画素上に形成された無色透明樹脂層の表面
11、61…ガラス基板
12…ブラックマトリックス
13、62…着色画素
14…透明電極
15…光透過領域の均一な着色層
16…光反射領域の透明部を有する着色層
17、27…透明部(スルーホール部)
18…無色透明フォトレジスト
22…光硬化性樹脂
23…窪み
25…着色層
30…半透過型液晶表示装置用カラーフィルタ
40…TFT素子などが形成されたTFT基板
41…TFT基板上に形成された透明電極
42…TFT基板上に形成された反射電極
50、65…液晶
60…反射型液晶表示装置の一例
63…オーバーコート層
64…透明電極層
66…光拡散反射性の電極層
67…基板
68…対向基板
69…カラーフィルタ
78…ネガ型無色透明フォトレジスト
79…ネガ型着色フォトレジスト
A…バックライトからの白色光
B…周囲からの外光
C…フォトマスクを介して露光
D1、D3…着色層の厚さ
D2…透明部を有する着色層の平均厚さ
D4、D7…窪みの深さ
D5…透明部に充填された無色透明樹脂層の厚さ
D6…着色画素の厚さに、着色画素上に塗布された無色透明フォトレジストの厚さを加算した厚さ
D8…着色画素の厚さに、着色画素上に形成された無色透明樹脂層の厚さを加算した厚さE…透明部と着色層の境界
L…ライン
L1…入射光
L2…反射光
LS …スペースの巾
Lw…ラインの巾
PM1…本発明におけるハーフトーン部を有するフォトマスク
PM2A…本発明におけるハーフトーン部を有するフォトマスクの第2例
PM2B…本発明におけるハーフトーン部を有するフォトマスクの第3例
PM3…透明部の部分を光透過させるフォトマスク
PM4…着色層の部分を光透過させるフォトマスク
Px…1画素の領域
Re…光反射領域
S…スペース
Tr…光透過領域
a…光透過領域の着色層を通過した色光
b…光反射領域の着色層を通過した色光

Claims (3)

  1. 一画素中の着色画素が、光透過領域に形成された着色層と、光反射領域に形成され、透明部を有する着色層とで構成される半透過型液晶表示装置用カラーフィルタの製造方法において、
    1)基板上に着色フォトレジストを用いて着色画素を形成し、
    2)着色画素が形成された基板上の全面に無色透明フォトレジストを塗布し、
    3)着色画素の厚さに、着色画素上に形成される無色透明樹脂層の厚さを加算した厚さ(D8)を、透明部に充填される無色透明樹脂層の厚さ(D5)と同一に形成するためのハーフトーン部を有するフォトマスクを介して露光し、現像処理を行い、
    透明部に充填された無色透明樹脂層の表面と着色画素上に形成された無色透明樹脂層の表面とが面一で平坦なカラーフィルタを製造することを特徴とする半透過型液晶表示装置用カラーフィルタの製造方法。
  2. 前記ハーフトーン部がクロム膜、金属酸化膜、又はラインアンドスペースパターンであることを特徴とする請求項1記載の半透過型液晶表示装置用カラーフィルタの製造方法。
  3. 請求項1又は請求項2記載の半透過型液晶表示装置用カラーフィルタの製造方法を用いて製造したことを半透過型液晶表示装置用カラーフィルタ。
JP2005012477A 2005-01-20 2005-01-20 半透過型液晶表示装置用カラーフィルタの製造方法及び半透過型液晶表示装置用カラーフィルタ Pending JP2006201433A (ja)

Priority Applications (1)

Application Number Priority Date Filing Date Title
JP2005012477A JP2006201433A (ja) 2005-01-20 2005-01-20 半透過型液晶表示装置用カラーフィルタの製造方法及び半透過型液晶表示装置用カラーフィルタ

Applications Claiming Priority (1)

Application Number Priority Date Filing Date Title
JP2005012477A JP2006201433A (ja) 2005-01-20 2005-01-20 半透過型液晶表示装置用カラーフィルタの製造方法及び半透過型液晶表示装置用カラーフィルタ

Publications (1)

Publication Number Publication Date
JP2006201433A true JP2006201433A (ja) 2006-08-03

Family

ID=36959488

Family Applications (1)

Application Number Title Priority Date Filing Date
JP2005012477A Pending JP2006201433A (ja) 2005-01-20 2005-01-20 半透過型液晶表示装置用カラーフィルタの製造方法及び半透過型液晶表示装置用カラーフィルタ

Country Status (1)

Country Link
JP (1) JP2006201433A (ja)

Cited By (2)

* Cited by examiner, † Cited by third party
Publication number Priority date Publication date Assignee Title
JP2008096733A (ja) * 2006-10-12 2008-04-24 Toppan Printing Co Ltd 半透過型液晶表示装置用カラーフィルタ及び半透過型液晶表示装置
JP2011258844A (ja) * 2010-06-10 2011-12-22 Sharp Corp 半導体素子およびその製造方法、固体撮像素子、固体撮像素子の製造方法、電子情報機器

Citations (16)

* Cited by examiner, † Cited by third party
Publication number Priority date Publication date Assignee Title
JPH0593809A (ja) * 1991-09-30 1993-04-16 Kyocera Corp カラーフイルタとその製造方法
JPH0651290A (ja) * 1992-07-30 1994-02-25 Kyocera Corp 液晶表示装置およびその製造方法
JPH10221700A (ja) * 1997-02-10 1998-08-21 Fujitsu Ltd 液晶表示装置の製造方法
JP2002122887A (ja) * 2000-06-12 2002-04-26 Nec Corp 液晶表示装置及びその製造方法
JP2002268054A (ja) * 2001-03-07 2002-09-18 Toshiba Corp 液晶表示装置及び液晶表示装置の製造方法
JP2003005203A (ja) * 2001-06-19 2003-01-08 Hitachi Ltd 液晶表示装置およびその製造方法
JP2003121829A (ja) * 2001-07-13 2003-04-23 Seiko Epson Corp カラーフィルタ基板及び電気光学装置、カラーフィルタ基板の製造方法及び電気光学装置の製造方法並びに電子機器
JP2003279720A (ja) * 2002-03-26 2003-10-02 Toppan Printing Co Ltd 半透過型液晶表示装置用カラーフィルタの製造方法
JP2004029400A (ja) * 2002-06-26 2004-01-29 Toppan Printing Co Ltd 半透過型lcd用カラーフイルタ及びその製造方法
JP2004045757A (ja) * 2002-07-11 2004-02-12 Seiko Epson Corp カラーフィルタの製造方法、電気光学装置及び電子機器
JP2004070308A (ja) * 2002-06-13 2004-03-04 Tfpd Kk 表示装置用アレイ基板及びその製造方法
JP2004212846A (ja) * 2003-01-08 2004-07-29 Toppan Printing Co Ltd 半透過型液晶表示装置用カラーフィルタの製造方法
JP2004239929A (ja) * 2003-02-03 2004-08-26 Toppan Printing Co Ltd 半透過型液晶表示装置用カラーフィルタ
JP2004271676A (ja) * 2003-03-06 2004-09-30 Seiko Epson Corp 液晶表示装置及び電子機器
JP2004279765A (ja) * 2003-03-17 2004-10-07 Toray Ind Inc 液晶表示装置用カラーフィルター、および液晶表示装置
JP2004325528A (ja) * 2003-04-21 2004-11-18 Seiko Epson Corp 液晶表示装置および電子機器

Patent Citations (16)

* Cited by examiner, † Cited by third party
Publication number Priority date Publication date Assignee Title
JPH0593809A (ja) * 1991-09-30 1993-04-16 Kyocera Corp カラーフイルタとその製造方法
JPH0651290A (ja) * 1992-07-30 1994-02-25 Kyocera Corp 液晶表示装置およびその製造方法
JPH10221700A (ja) * 1997-02-10 1998-08-21 Fujitsu Ltd 液晶表示装置の製造方法
JP2002122887A (ja) * 2000-06-12 2002-04-26 Nec Corp 液晶表示装置及びその製造方法
JP2002268054A (ja) * 2001-03-07 2002-09-18 Toshiba Corp 液晶表示装置及び液晶表示装置の製造方法
JP2003005203A (ja) * 2001-06-19 2003-01-08 Hitachi Ltd 液晶表示装置およびその製造方法
JP2003121829A (ja) * 2001-07-13 2003-04-23 Seiko Epson Corp カラーフィルタ基板及び電気光学装置、カラーフィルタ基板の製造方法及び電気光学装置の製造方法並びに電子機器
JP2003279720A (ja) * 2002-03-26 2003-10-02 Toppan Printing Co Ltd 半透過型液晶表示装置用カラーフィルタの製造方法
JP2004070308A (ja) * 2002-06-13 2004-03-04 Tfpd Kk 表示装置用アレイ基板及びその製造方法
JP2004029400A (ja) * 2002-06-26 2004-01-29 Toppan Printing Co Ltd 半透過型lcd用カラーフイルタ及びその製造方法
JP2004045757A (ja) * 2002-07-11 2004-02-12 Seiko Epson Corp カラーフィルタの製造方法、電気光学装置及び電子機器
JP2004212846A (ja) * 2003-01-08 2004-07-29 Toppan Printing Co Ltd 半透過型液晶表示装置用カラーフィルタの製造方法
JP2004239929A (ja) * 2003-02-03 2004-08-26 Toppan Printing Co Ltd 半透過型液晶表示装置用カラーフィルタ
JP2004271676A (ja) * 2003-03-06 2004-09-30 Seiko Epson Corp 液晶表示装置及び電子機器
JP2004279765A (ja) * 2003-03-17 2004-10-07 Toray Ind Inc 液晶表示装置用カラーフィルター、および液晶表示装置
JP2004325528A (ja) * 2003-04-21 2004-11-18 Seiko Epson Corp 液晶表示装置および電子機器

Cited By (2)

* Cited by examiner, † Cited by third party
Publication number Priority date Publication date Assignee Title
JP2008096733A (ja) * 2006-10-12 2008-04-24 Toppan Printing Co Ltd 半透過型液晶表示装置用カラーフィルタ及び半透過型液晶表示装置
JP2011258844A (ja) * 2010-06-10 2011-12-22 Sharp Corp 半導体素子およびその製造方法、固体撮像素子、固体撮像素子の製造方法、電子情報機器

Similar Documents

Publication Publication Date Title
TWI235269B (en) Liquid crystal display
KR100353167B1 (ko) 액정표시장치 및 그 제조방법
WO2012081410A1 (ja) 光拡散部材およびその製造方法、表示装置
US20030147115A1 (en) Substrate for electrooptical device, method for manufacturing the substrate, electrooptical device, method for manufacturing the electrooptical device, and electronic apparatus
TWI300493B (ja)
CN1523436B (zh) 半透射式液晶显示装置
JP2001242452A (ja) 液晶表示装置
JP4082106B2 (ja) 半透過型lcd用カラーフイルタ及びその製造方法
JP4151233B2 (ja) 半透過型液晶表示装置用カラーフィルタ
JP2006201433A (ja) 半透過型液晶表示装置用カラーフィルタの製造方法及び半透過型液晶表示装置用カラーフィルタ
KR100590119B1 (ko) 전기 광학 장치 및 액정 장치
JP4009779B2 (ja) 液晶素子及びその製造方法
JP2005181827A (ja) 露光用マスク及びその製造方法、並びに液晶装置の製造方法
JP2002090512A (ja) 反射板及びその反射板を備えた反射型液晶表示素子
JP2002365422A (ja) 半透過型液晶表示装置用カラーフィルタ及びその製造方法
JP5369890B2 (ja) カラーフィルタの製造方法及び半透過型液晶表示装置用カラーフィルタ
JP4957140B2 (ja) カラーフィルタ用フォトマスク、カラーフィルタの製造方法、カラーフィルタ、及び液晶表示装置
JP4706102B2 (ja) 半透過型液晶表示装置用カラーフィルタ
JP5061419B2 (ja) 半透過型液晶表示装置用カラーフィルタ
JP2005099271A (ja) 半透過型液晶表示装置用カラーフィルタ及びその製造方法
JP2005140886A (ja) 半透過型液晶表示装置用カラーフィルタ及びその製造方法
JP2004212846A (ja) 半透過型液晶表示装置用カラーフィルタの製造方法
JP4618274B2 (ja) 液晶表示パネル用カラーフィルタ基板及び液晶表示装置、並びに電子機器
JP2004264717A (ja) 半透過型液晶表示装置用カラーフィルタの製造方法
JP4968429B2 (ja) 液晶表示装置用のカラーフィルタ形成基板の製造方法

Legal Events

Date Code Title Description
A621 Written request for application examination

Free format text: JAPANESE INTERMEDIATE CODE: A621

Effective date: 20071220

A131 Notification of reasons for refusal

Free format text: JAPANESE INTERMEDIATE CODE: A131

Effective date: 20100727

A521 Written amendment

Free format text: JAPANESE INTERMEDIATE CODE: A523

Effective date: 20100825

A131 Notification of reasons for refusal

Free format text: JAPANESE INTERMEDIATE CODE: A131

Effective date: 20100914

A02 Decision of refusal

Free format text: JAPANESE INTERMEDIATE CODE: A02

Effective date: 20110208