CN214737333U - 一种可拆卸调节式预制墩柱桥梁承台预埋主筋定位装置 - Google Patents

一种可拆卸调节式预制墩柱桥梁承台预埋主筋定位装置 Download PDF

Info

Publication number
CN214737333U
CN214737333U CN202120597852.9U CN202120597852U CN214737333U CN 214737333 U CN214737333 U CN 214737333U CN 202120597852 U CN202120597852 U CN 202120597852U CN 214737333 U CN214737333 U CN 214737333U
Authority
CN
China
Prior art keywords
main reinforcement
bearing platform
positioning device
embedded main
prefabricated pier
Prior art date
Legal status (The legal status is an assumption and is not a legal conclusion. Google has not performed a legal analysis and makes no representation as to the accuracy of the status listed.)
Active
Application number
CN202120597852.9U
Other languages
English (en)
Inventor
姚兵
刘建
殷航
罗锋
陈伟
孙洪斌
张纪光
Current Assignee (The listed assignees may be inaccurate. Google has not performed a legal analysis and makes no representation or warranty as to the accuracy of the list.)
Henan Yanke Engineering Testing Co ltd
China Construction Seventh Engineering Division Corp Ltd
Transportation Construction Co Ltd of China Construction Seventh Engineering Division Corp Ltd
Original Assignee
Henan Yanke Engineering Testing Co ltd
China Construction Seventh Engineering Division Corp Ltd
Transportation Construction Co Ltd of China Construction Seventh Engineering Division Corp Ltd
Priority date (The priority date is an assumption and is not a legal conclusion. Google has not performed a legal analysis and makes no representation as to the accuracy of the date listed.)
Filing date
Publication date
Application filed by Henan Yanke Engineering Testing Co ltd, China Construction Seventh Engineering Division Corp Ltd, Transportation Construction Co Ltd of China Construction Seventh Engineering Division Corp Ltd filed Critical Henan Yanke Engineering Testing Co ltd
Priority to CN202120597852.9U priority Critical patent/CN214737333U/zh
Application granted granted Critical
Publication of CN214737333U publication Critical patent/CN214737333U/zh
Active legal-status Critical Current
Anticipated expiration legal-status Critical

Links

Images

Landscapes

  • Bridges Or Land Bridges (AREA)

Abstract

本实用新型涉及一种可拆卸调节式预制墩柱桥梁承台预埋主筋定位装置,有效解决不同柱心距承台主筋定位不方便的问题;其解决的技术方案是包括;其解决的技术方案是包括横向的限位架,限位架的左右两端均布置有多组耳板,每组耳板均有前后两个耳板组成;限位架的左右两端各安装有一个限位板,限位板上开设有多个连接孔;限位板上开设有一圈竖直贯穿的定位孔,每个定位孔的下端均固定有对应的套管,本实用新型可以对承台主筋进行定位并夹紧。

Description

一种可拆卸调节式预制墩柱桥梁承台预埋主筋定位装置
技术领域
本实用新型涉及桥梁施工技术领域,特别是一种可拆卸调节式预制墩柱桥梁承台预埋主筋定位装置。
背景技术
目前国内承台与预制立柱、以及预制立柱和预制盖梁之间部分采用预埋主筋与预埋灌浆套筒或波纹管相连接,由于墩柱与上方的预制盖梁之间的相对位置精度要求比较高,因此需要对预埋主筋进行定位;预埋主筋的定位一般采用定位架来进行精准定位;同时由于预制盖梁在施工中宽度、类型不一,导致预制立柱的类型种类繁多,且双立柱之间的间距也不一样。若根据每一种立柱和双立柱之的间距都做出一种定位框架,则定位框架的数量势必非常多,也不经济,还会造成资源浪费,因此需要一种能够实现精准调节间距的定位装置。
发明内容
针对上述情况,为解决现有技术中存在的问题,本实用新型之目的就是提供一种可拆卸调节式预制墩柱桥梁承台预埋主筋定位装置,可有效解决不同柱心距的承台预埋主筋定位不方便的问题。
其解决的技术方案是包括横向的限位架,限位架的左右两端均布置有多组耳板,每组耳板均有前后两个耳板组成;限位架的左右两端各安装有一个限位板,限位板上开设有多个连接孔;限位板上开设有一圈竖直贯穿的定位孔,每个定位孔的下端均固定有对应的套管。
所述的连接孔与耳板之间通过螺栓进行连接。
所述限位架上设有多个吊环。
所述的限位架由前后两个横梁以及多个竖梁组成。
所述的限位板由内部的竖直内面板和水平的钢筋板组成,定位孔开设在钢筋板上,连接孔固定在内面板的内侧面上
本实用新型好处:(1)可以对承台预埋主筋进行定位并夹紧;(2)承台预埋主筋与预制墩柱对接方便,定位精度高;(3)通过安装、拆卸连接架,可满足单墩柱主筋定位,同时也可满足多墩柱不同间距主筋定位。
附图说明
图1为本实用新型的主视图。
图2为本实用新型的俯视图。
图3为本实用新型的左视图。
图4为限位板的俯视图。
具体实施方式
以下结合附图对本实用新型的具体实施方式做进一步详细说明。
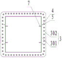
由图1至图4给出,本实用新型包括横向的限位架1,限位架1的左右两端均布置有多组耳板2,每组耳板2均有前后两个耳板2组成;限位架1的左右两端各安装有一个限位板3,限位板3上开设有多个连接孔4;限位板3上开设有一圈竖直贯穿的定位孔5,每个定位孔5的下端均固定有对应的套管6。
为了实现限位板3位置的移动,所述的连接孔4与耳板2之间通过螺栓进行连接。
为了方便吊装,所述限位架1和限位板3上均设有多个吊环7。
为了方便支撑,所述的限位架1由前后两个横梁101以及多个竖梁102组成。
为了方便定位,所述的限位板3由内部的竖直内面板301和上下两个水平的钢筋板302组成,定位孔5开设在上下两个钢筋板302上,套管6设置在上下两个钢筋板302之间,连接孔4固定在内面板301的内侧面上。
为了方便适用,所述的限位板3上的定位孔5为48孔或54孔。
为了方便连接,所述的每组耳板2均设有编号;方便根据柱心距直接进行选择。
根据一般常规的桥面宽幅,预设如下耳板2距离:
柱心距=7860时,连接1号耳板2,用于桥幅宽34.06米;
柱心距=7280时,连接2号耳板2,用于桥幅宽33.48米;
柱心距=6940时,连接3号耳板2,用于桥幅宽33.14米;
柱心距=6818时,连接1、4号耳板2,用于桥幅宽33.018米;
柱心距=6800时,连接3、5号耳板2,用于桥幅宽33米、32.8米;
具体使用时,先将单个或多个限位板3固定在限位架1上,保证多个限位架1之间的相对位置准确,再将限位架1放置在需要定位承台预埋主筋的位置上,调平后再将承台预埋主筋穿过套管6进行定位;通过套管6的设计可以保证钢筋更好的被扶持。
定位连接钢筋分为平面位置定位和高程定位。
平面位置定位:采用限位架1定位调节。先将限位架1吊到预埋连接钢筋上方,然后将所有预埋连接钢筋套进限位板3的套管6内,用全站仪测量4个角的钢筋平面位置,一边测量,一边用螺杆微调钢筋位置,当偏差值小于2mm后,锁定4个角的螺杆。最后分别调整其他螺杆,进行锁定。
高程定位:采用水准仪测量预埋连接钢筋骨架四角的钢筋高程,用千斤顶微调钢筋骨架,直到钢筋高程偏差值小于5mm,然后固定钢筋骨架,最后拆除千斤顶。
本装置通过在限位板3上设有若干个固定承台预埋主筋的定位孔5。在限位架1上依据不同柱心距预设多个耳板2,通过使连接孔4连接不同的耳板2,实现了对不同桥面宽幅,即不同柱心距之间的调节;同时多个限位架1之间还可以方便进行测量和精准校位。简化了操作,提高了工作效率。

Claims (7)

1.一种可拆卸调节式预制墩柱桥梁承台预埋主筋定位装置,包括横向的限位架(1),其特征在于,限位架(1)的左右两端均布置有多组耳板(2),每组耳板(2)均有前后两个耳板(2)组成;限位架(1)的左右两端各安装有一个限位板(3),限位板(3)上开设有多个连接孔(4);限位板(3)上开设有一圈竖直贯穿的定位孔(5),每个定位孔(5)的下端均固定有对应的套管(6)。
2.根据权利要求1所述的一种可拆卸调节式预制墩柱桥梁承台预埋主筋定位装置,其特征在于,所述的连接孔(4)与耳板(2)之间通过螺栓进行连接。
3.根据权利要求1所述的一种可拆卸调节式预制墩柱桥梁承台预埋主筋定位装置,其特征在于,所述限位架(1)和限位板(3)上均设有多个吊环(7)。
4.根据权利要求1所述的一种可拆卸调节式预制墩柱桥梁承台预埋主筋定位装置,其特征在于,所述的限位架(1)由前后两个横梁(101)以及多个竖梁(102)组成。
5.根据权利要求1所述的一种可拆卸调节式预制墩柱桥梁承台预埋主筋定位装置,其特征在于,所述的限位板(3)由内部的竖直内面板(301)和上下两个水平的钢筋板(302)组成,定位孔(5)开设在上下两个钢筋板(302)上,套管(6)设置在上下两个钢筋板(302)之间,连接孔(4)固定在内面板(301)的内侧面上。
6.根据权利要求1所述的一种可拆卸调节式预制墩柱桥梁承台预埋主筋定位装置,其特征在于,所述的限位板(3)上的定位孔(5)为48孔。
7.根据权利要求1所述的一种可拆卸调节式预制墩柱桥梁承台预埋主筋定位装置,其特征在于,所述的限位板(3)上的定位孔(5)为54孔。
CN202120597852.9U 2021-03-24 2021-03-24 一种可拆卸调节式预制墩柱桥梁承台预埋主筋定位装置 Active CN214737333U (zh)

Priority Applications (1)

Application Number Priority Date Filing Date Title
CN202120597852.9U CN214737333U (zh) 2021-03-24 2021-03-24 一种可拆卸调节式预制墩柱桥梁承台预埋主筋定位装置

Applications Claiming Priority (1)

Application Number Priority Date Filing Date Title
CN202120597852.9U CN214737333U (zh) 2021-03-24 2021-03-24 一种可拆卸调节式预制墩柱桥梁承台预埋主筋定位装置

Publications (1)

Publication Number Publication Date
CN214737333U true CN214737333U (zh) 2021-11-16

Family

ID=78595840

Family Applications (1)

Application Number Title Priority Date Filing Date
CN202120597852.9U Active CN214737333U (zh) 2021-03-24 2021-03-24 一种可拆卸调节式预制墩柱桥梁承台预埋主筋定位装置

Country Status (1)

Country Link
CN (1) CN214737333U (zh)

Cited By (2)

* Cited by examiner, † Cited by third party
Publication number Priority date Publication date Assignee Title
CN114837088A (zh) * 2022-04-27 2022-08-02 中国建筑第七工程局有限公司 一种公路上承台的施工方法
CN115627859A (zh) * 2022-12-06 2023-01-20 中国二十二冶集团有限公司 现浇混凝土结构与预制墙板的连接装置及连接方法

Cited By (2)

* Cited by examiner, † Cited by third party
Publication number Priority date Publication date Assignee Title
CN114837088A (zh) * 2022-04-27 2022-08-02 中国建筑第七工程局有限公司 一种公路上承台的施工方法
CN115627859A (zh) * 2022-12-06 2023-01-20 中国二十二冶集团有限公司 现浇混凝土结构与预制墙板的连接装置及连接方法

Similar Documents

Publication Publication Date Title
CN212715972U (zh) 一种适用于多种规格墩柱钢筋的预制胎架
CN214737333U (zh) 一种可拆卸调节式预制墩柱桥梁承台预埋主筋定位装置
CN211647444U (zh) 能调整标高的钢结构组拼支撑胎架
CN217266955U (zh) 一种可调高低桥梁盖梁抱箍法施工工具
CN209919190U (zh) 一种储罐倒装法无肋式顶板安装装置
CN112095485B (zh) 一种桥梁斜拉索锚筒预埋定位装置及其使用方法
CN212957700U (zh) 一种三维可调式地脚螺栓精确定位固定安装架
CN109972847A (zh) 一种结构柱的定位、调垂装置
CN221277308U (zh) 一种大型设备预埋螺栓就位固定装置
CN211228923U (zh) 隔震支座下预埋钢板的固定装置
CN113265950A (zh) 一种用于大悬臂盖梁施工的支架及其施工方法
CN218562389U (zh) 一种用于埋入式劲性钢柱的支撑架
CN110144927B (zh) 一种预埋地脚螺栓群的装置
CN204959790U (zh) 一种弹簧隔振基础施工模板调平装置
CN212688718U (zh) 一种盖梁钢筋绑扎胎架结构
CN210827533U (zh) 一种预埋地脚螺栓群的装置
CN202830788U (zh) 一种既有桥悬臂板下便梁支点支撑结构
CN221030694U (zh) 埋入式柱脚支撑结构
CN110735368A (zh) 一种设备轨道安装系统及方法
CN219862418U (zh) 装配式高架桥盖梁的支撑结构
CN218405523U (zh) 一种钢结构预埋地脚螺栓的固定装置
CN219430545U (zh) 一种塔柱首节段利用劲性骨架的操作平台
CN214533854U (zh) 一种基础预埋螺栓精确定位装置
CN222730361U (zh) 一种斜拉桥首节钢锚梁定位支架
CN206800204U (zh) 一种公路桥盖梁钢筋笼胎具

Legal Events

Date Code Title Description
GR01 Patent grant
GR01 Patent grant