CN211804439U - 一种激光切割下料装置 - Google Patents
一种激光切割下料装置 Download PDFInfo
- Publication number
- CN211804439U CN211804439U CN202020131473.6U CN202020131473U CN211804439U CN 211804439 U CN211804439 U CN 211804439U CN 202020131473 U CN202020131473 U CN 202020131473U CN 211804439 U CN211804439 U CN 211804439U
- Authority
- CN
- China
- Prior art keywords
- base
- cutting
- laser cutting
- sheet metal
- sides
- Prior art date
- Legal status (The legal status is an assumption and is not a legal conclusion. Google has not performed a legal analysis and makes no representation as to the accuracy of the status listed.)
- Active
Links
- 238000003698 laser cutting Methods 0.000 title claims abstract description 24
- 238000005520 cutting process Methods 0.000 claims abstract description 56
- 238000007789 sealing Methods 0.000 claims description 4
- 239000002184 metal Substances 0.000 abstract description 27
- 230000008901 benefit Effects 0.000 abstract description 4
- 238000010009 beating Methods 0.000 description 2
- 238000010586 diagram Methods 0.000 description 2
- 239000010977 jade Substances 0.000 description 2
- 239000007858 starting material Substances 0.000 description 2
- 230000004075 alteration Effects 0.000 description 1
- 230000009286 beneficial effect Effects 0.000 description 1
- 238000013329 compounding Methods 0.000 description 1
- 230000007547 defect Effects 0.000 description 1
- 238000005516 engineering process Methods 0.000 description 1
- 238000004519 manufacturing process Methods 0.000 description 1
- 238000000034 method Methods 0.000 description 1
- 238000012986 modification Methods 0.000 description 1
- 230000004048 modification Effects 0.000 description 1
- 230000008569 process Effects 0.000 description 1
- 238000004080 punching Methods 0.000 description 1
- 230000009467 reduction Effects 0.000 description 1
- 238000010008 shearing Methods 0.000 description 1
- 238000006467 substitution reaction Methods 0.000 description 1
- 238000003466 welding Methods 0.000 description 1
Images
Landscapes
- Laser Beam Processing (AREA)
Abstract
本实用新型公开了一种激光切割下料装置,包括底座、支撑柱、立柱和顶板,所述底座的上端两侧均固定安装有立柱,所述底座底端两侧固定安装有支撑柱,两个所述立柱顶端之间固定连接有顶板,所述顶板下方位于两个立柱之间设有固定板,一侧所述立柱的外璧固定安装有电机,本实用新型通过在底座底端中部设有收集箱,当第一切割台和第二切割台上的钣金件切割完成后,通过控制两个伸缩气缸工作,同时带动第一切割台和第二切割台相靠近的一端向下移动,使得切割后的钣金件分别沿第一切割台和第二切割台上的上端面滑落至收集箱内,收集箱用于对切割后的钣金件进行集中收集,以方便对钣金件的集中处理以及节省人工成本和降低工人的工作强度。
Description
技术领域
本实用新型涉及一种下料装置,特别涉及一种激光切割下料装置,属于切割下料技术领域。
背景技术
在对钣金件的制作工艺中,涉及到钣金剪、冲/切/复合、折、焊接、铆接、拼接、成型等多道工序。而在对钣金件进行切割加工这一道工序后,往往需要对切割台上切割后的钣金件进行下料处理收集,传统的下料处理工艺中,都是采用人工搬运的方式,该种方式存在下料速度慢、工人工作强度和加工成本高等缺点。
实用新型内容
本实用新型提供一种激光切割下料装置,用于解决背景技术中提出的问题。
为了解决上述技术问题,本实用新型提供了如下的技术方案:
本实用新型一种激光切割下料装置,包括底座、支撑柱、立柱和顶板,所述底座的上端两侧均固定安装有立柱,所述底座底端两侧固定安装有支撑柱,两个所述立柱顶端之间固定连接有顶板,所述顶板下方位于两个立柱之间设有固定板,一侧所述立柱的外璧固定安装有电机,所述电机的输出轴贯穿立柱和固定板的一端固定连接有丝杆,所述丝杆上螺纹安装有移动块,所述固定板的底端设有凹槽,且所述移动块的底端固定安装有液压缸,所述液压缸的输出端固定安装有激光切割头。
作为本实用新型的一种优选技术方案,所述底座的上端两侧均开设有凹槽,且凹槽内均安装有伸缩气缸,所述伸缩气缸的一端均固定连接有伸缩杆。
作为本实用新型的一种优选技术方案,两个所述立柱的下方内侧壁上均固定安装有安装板,两个所述安装板相对的一侧分别通过转轴转动安装有第一切割台和第二切割台。
作为本实用新型的一种优选技术方案,两个所述伸缩杆的一端分别通过活动轴与第一切割台和第二切割台的底表面固定连接。
作为本实用新型的一种优选技术方案,所述底座的底端中部固定安装有收集箱,所述收集箱的两侧铰接安装有密封门。
本实用新型所达到的有益效果是:
1、本实用新型结构简单,通过设置的电机、固定板、丝杆、移动块、液压缸和激光切割头之间的相互配合使用,实现对第一切割台和第二切割台上的待切割钣金件进行切割,当对第一切割台和第二切割台的钣金件进行切割时,启动电机,电机驱动移动块在丝杆上左右移动,从而带动激光切割头沿前后方向移动,同时确定好钣金的切割尺寸后通过控制液压缸对激光切割头下移,从而实现对钣金件进行切割。本实用新型通过电机工作可以带动激光切割头沿前后方向移动,以完成对钣金件的自动切割,无需工人手动调整钣金件的位置,具有切割速度快,切割方向准确和切割效率高等优点。
2、本实用新型通过在底座底端中部设有收集箱,当第一切割台和第二切割台上的钣金件切割完成后,通过控制两个伸缩气缸工作,同时带动第一切割台和第二切割台相靠近的一端向下移动,使得切割后的钣金件分别沿第一切割台和第二切割台上的上端面滑落至收集箱内,收集箱用于对切割后的钣金件进行集中收集,以方便对钣金件的集中处理以及节省人工成本和降低工人的工作强度。
附图说明
附图用来提供对本实用新型的进一步理解,并且构成说明书的一部分,与本实用新型的实施例一起用于解释本实用新型,并不构成对本实用新型的限制。在附图中:
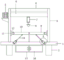
图1是本实用新型的结构示意图;
图2是本实用新型固定板内部结构示意图;
图3是本实用新型图1中A的结构示意图。
图中:1、底座;2、支撑柱;3、立柱;4、顶板;5、电机;6、固定板; 61、丝杆;62、移动块;7、液压缸;8、激光切割头;9、第一切割台;10、第二切割台;11、安装板;12、转轴;13、伸缩气缸;14、伸缩杆;15、收集箱;16、密封门。
具体实施方式
下面将结合本实用新型实施例中的附图,对本实用新型实施例中的技术方案进行清楚、完整地描述,显然,所描述的实施例仅仅是本实用新型一部分实施例,而不是全部的实施例。基于本实用新型中的实施例,本领域普通技术人员在没有做出创造性劳动前提下所获得的所有其他实施例,都属于本实用新型保护的范围。
实施例:如图1-3所示,一种激光切割下料装置,包括底座1、支撑柱2、立柱3和顶板4,底座1的上端两侧均固定安装有立柱3,底座1底端两侧固定安装有支撑柱2,两个立柱3顶端之间固定连接有顶板4,顶板4下方位于两个立柱3之间设有固定板6,一侧立柱3的外璧固定安装有电机5,电机5 的输出轴贯穿立柱3和固定板6的一端固定连接有丝杆61,丝杆61上螺纹安装有移动块62,固定板6的底端设有凹槽,且移动块62的底端固定安装有液压缸7,液压缸7的输出端固定安装有激光切割头8。
底座1的上端两侧均开设有凹槽,且凹槽内均安装有伸缩气缸13,伸缩气缸13的一端均固定连接有伸缩杆14,两个立柱3的下方内侧壁上均固定安装有安装板11,两个安装板11相对的一侧分别通过转轴12转动安装有第一切割台9和第二切割台10,两个伸缩杆14的一端分别通过活动轴与第一切割台9和第二切割台10的底表面固定连接,底座1的底端中部固定安装有收集箱15,收集箱15的两侧铰接安装有密封门16。
工作原理:本实用新型结构简单,通过设置的电机5、固定板6、丝杆61、移动块62、液压缸7和激光切割头8之间的相互配合使用,实现对第一切割台9和第二切割台10上的待切割钣金件进行切割,当对第一切割台9和第二切割台10的钣金件进行切割时,启动电机5,电机5驱动移动块62在丝杆 61上左右移动,从而带动激光切割头8沿前后方向移动,同时确定好钣金的切割尺寸后通过控制液压缸7对激光切割头8下移,从而实现对钣金件进行切割。本实用新型通过电机5工作可以带动激光切割头8沿前后方向移动,以完成对钣金件的自动切割,无需工人手动调整钣金件的位置,具有切割速度快,切割方向准确和切割效率高等优点,本实用新型通过在底座1底端中部设有收集箱15,当第一切割台9和第二切割台10上的钣金件切割完成后,通过控制两个伸缩气缸13工作,同时带动第一切割台9和第二切割台10相靠近的一端向下移动,使得切割后的钣金件分别沿第一切割台9和第二切割台10上的上端面滑落至收集箱15内,收集箱15用于对切割后的钣金件进行集中收集,以方便对钣金件的集中处理以及节省人工成本和降低工人的工作强度。
尽管已经示出和描述了本实用新型的实施例,对于本领域的普通技术人员而言,可以理解在不脱离本实用新型的原理和精神的情况下可以对这些实施例进行多种变化、修改、替换和变型,本实用新型的范围由所附权利要求及其等同物限定。
Claims (5)
1.一种激光切割下料装置,其特征在于,包括底座(1)、支撑柱(2)、立柱(3)和顶板(4),所述底座(1)的上端两侧均固定安装有立柱(3),所述底座(1)底端两侧固定安装有支撑柱(2),两个所述立柱(3)顶端之间固定连接有顶板(4),所述顶板(4)下方位于两个所述立柱(3)之间设有固定板(6),一侧所述立柱(3)的外璧固定安装有电机(5),所述电机(5)的输出轴贯穿立柱(3)和固定板(6)的一端固定连接有丝杆(61),所述丝杆(61)上螺纹安装有移动块(62),所述固定板(6)的底端设有凹槽,且所述移动块(62)的底端固定安装有液压缸(7),所述液压缸(7)的输出端固定安装有激光切割头(8)。
2.根据权利要求1所述的一种激光切割下料装置,其特征在于:所述底座(1)的上端两侧均开设有凹槽,且凹槽内均安装有伸缩气缸(13),所述伸缩气缸(13)的一端均固定连接有伸缩杆(14)。
3.根据权利要求1所述的一种激光切割下料装置,其特征在于:两个所述立柱(3)的下方内侧壁上均固定安装有安装板(11),两个所述安装板(11)相对的一侧分别通过转轴(12)转动安装有第一切割台(9)和第二切割台(10)。
4.根据权利要求2所述的一种激光切割下料装置,其特征在于:两个所述伸缩杆(14)的一端分别通过活动轴与第一切割台(9)和第二切割台(10)的底表面固定连接。
5.根据权利要求1所述的一种激光切割下料装置,其特征在于:所述底座(1)的底端中部固定安装有收集箱(15),所述收集箱(15)的两侧铰接安装有密封门(16)。
Priority Applications (1)
| Application Number | Priority Date | Filing Date | Title |
|---|---|---|---|
| CN202020131473.6U CN211804439U (zh) | 2020-01-20 | 2020-01-20 | 一种激光切割下料装置 |
Applications Claiming Priority (1)
| Application Number | Priority Date | Filing Date | Title |
|---|---|---|---|
| CN202020131473.6U CN211804439U (zh) | 2020-01-20 | 2020-01-20 | 一种激光切割下料装置 |
Publications (1)
| Publication Number | Publication Date |
|---|---|
| CN211804439U true CN211804439U (zh) | 2020-10-30 |
Family
ID=72992042
Family Applications (1)
| Application Number | Title | Priority Date | Filing Date |
|---|---|---|---|
| CN202020131473.6U Active CN211804439U (zh) | 2020-01-20 | 2020-01-20 | 一种激光切割下料装置 |
Country Status (1)
| Country | Link |
|---|---|
| CN (1) | CN211804439U (zh) |
Cited By (3)
| Publication number | Priority date | Publication date | Assignee | Title |
|---|---|---|---|---|
| CN113977120A (zh) * | 2021-12-14 | 2022-01-28 | 江苏腾弘重工机械有限公司 | 激光切割机自动封闭落料装置 |
| CN119525751A (zh) * | 2024-10-21 | 2025-02-28 | 南京康时信科技有限公司 | 一种精密零件激光切割机 |
| CN119794616A (zh) * | 2025-03-13 | 2025-04-11 | 深圳市润泽机器人有限公司 | 一种能够对水口回收的激光切割机器人 |
-
2020
- 2020-01-20 CN CN202020131473.6U patent/CN211804439U/zh active Active
Cited By (4)
| Publication number | Priority date | Publication date | Assignee | Title |
|---|---|---|---|---|
| CN113977120A (zh) * | 2021-12-14 | 2022-01-28 | 江苏腾弘重工机械有限公司 | 激光切割机自动封闭落料装置 |
| CN113977120B (zh) * | 2021-12-14 | 2024-01-23 | 江苏腾弘重工机械有限公司 | 激光切割机自动封闭落料装置 |
| CN119525751A (zh) * | 2024-10-21 | 2025-02-28 | 南京康时信科技有限公司 | 一种精密零件激光切割机 |
| CN119794616A (zh) * | 2025-03-13 | 2025-04-11 | 深圳市润泽机器人有限公司 | 一种能够对水口回收的激光切割机器人 |
Similar Documents
| Publication | Publication Date | Title |
|---|---|---|
| CN116140676B (zh) | 钢板四边全自动数控铣边机 | |
| CN211804439U (zh) | 一种激光切割下料装置 | |
| CN115121661B (zh) | 一种可实现自翻面效果的数控折弯机 | |
| CN109732244B (zh) | 一种通过式筒体纵缝自动焊接装置 | |
| CN111299367A (zh) | 一种金属板材折弯用柔性智能折弯设备 | |
| CN109590764B (zh) | 一种用于栅格板的自动化生产线及其工作方法 | |
| CN110788477B (zh) | 一种槽梁加工系统 | |
| CN111085830B (zh) | 一种铝板制作铝制品的成型加工工艺 | |
| CN220445802U (zh) | 一种机械零部件生产加工用可调节定位装置 | |
| CN219541419U (zh) | 一种数控折弯机的分段折弯机构 | |
| CN218533196U (zh) | 一种用于钢模板加工的激光切割机 | |
| CN216420827U (zh) | 一种钣金成型自动生产线侧翻边压机 | |
| CN215143534U (zh) | 一种割草机刀片整形专用装置 | |
| CN110254854A (zh) | 自动绕线装置 | |
| CN210848556U (zh) | 防弯曲割管装置 | |
| CN113996861A (zh) | 立式板材开槽装置 | |
| CN222902806U (zh) | 一种铝板材加工用倒角加工机 | |
| CN221337377U (zh) | 一种车架焊接变位机 | |
| CN222725178U (zh) | 一种角钢塔用折弯机的上料装置 | |
| CN222608345U (zh) | 一种激光焊接机 | |
| CN221792598U (zh) | 一种具有工件定位机构的多自由度平台 | |
| CN219925088U (zh) | 一种新型焊接辅助工装 | |
| CN217475561U (zh) | 一种钣金箱体快速打磨工具 | |
| CN221391247U (zh) | 一种自动化板切装置 | |
| CN221110404U (zh) | 一种汽车车身钣金件夹持焊接装置 |
Legal Events
| Date | Code | Title | Description |
|---|---|---|---|
| GR01 | Patent grant | ||
| GR01 | Patent grant |