CN202841863U - Combined machine for soil preparing, plastic film mulching, pipe laying, fertilizing, hole sowing and soil covering - Google Patents
Combined machine for soil preparing, plastic film mulching, pipe laying, fertilizing, hole sowing and soil covering Download PDFInfo
- Publication number
- CN202841863U CN202841863U CN201220522488.0U CN201220522488U CN202841863U CN 202841863 U CN202841863 U CN 202841863U CN 201220522488 U CN201220522488 U CN 201220522488U CN 202841863 U CN202841863 U CN 202841863U
- Authority
- CN
- China
- Prior art keywords
- soil
- film
- frame
- pipe laying
- covering
- Prior art date
- Legal status (The legal status is an assumption and is not a legal conclusion. Google has not performed a legal analysis and makes no representation as to the accuracy of the status listed.)
- Expired - Fee Related
Links
- 239000002689 soil Substances 0.000 title claims abstract description 110
- 239000002985 plastic film Substances 0.000 title claims description 11
- 229920006255 plastic film Polymers 0.000 title claims description 11
- 238000009331 sowing Methods 0.000 title abstract description 10
- 230000007246 mechanism Effects 0.000 claims abstract description 42
- 238000003825 pressing Methods 0.000 claims abstract description 19
- 239000002362 mulch Substances 0.000 claims abstract description 14
- 238000003892 spreading Methods 0.000 claims abstract description 11
- 238000003973 irrigation Methods 0.000 claims description 20
- 230000002262 irrigation Effects 0.000 claims description 20
- 239000003337 fertilizer Substances 0.000 claims description 12
- 210000003127 knee Anatomy 0.000 claims 2
- 240000001931 Ludwigia octovalvis Species 0.000 claims 1
- 230000006835 compression Effects 0.000 claims 1
- 238000007906 compression Methods 0.000 claims 1
- 230000004720 fertilization Effects 0.000 abstract description 17
- 238000002360 preparation method Methods 0.000 abstract description 17
- XLYOFNOQVPJJNP-UHFFFAOYSA-N water Substances O XLYOFNOQVPJJNP-UHFFFAOYSA-N 0.000 abstract description 10
- 230000007480 spreading Effects 0.000 abstract description 9
- 230000001629 suppression Effects 0.000 abstract description 6
- 238000000034 method Methods 0.000 abstract description 4
- 239000012528 membrane Substances 0.000 description 7
- 241000405070 Percophidae Species 0.000 description 5
- 238000010586 diagram Methods 0.000 description 5
- 230000008020 evaporation Effects 0.000 description 3
- 238000001704 evaporation Methods 0.000 description 3
- 229920006302 stretch film Polymers 0.000 description 3
- 241000721671 Ludwigia Species 0.000 description 2
- 230000008859 change Effects 0.000 description 2
- 238000009412 basement excavation Methods 0.000 description 1
- 238000007664 blowing Methods 0.000 description 1
- 238000005056 compaction Methods 0.000 description 1
- 230000008602 contraction Effects 0.000 description 1
- 238000009328 dry farming Methods 0.000 description 1
- 230000009191 jumping Effects 0.000 description 1
- 238000010899 nucleation Methods 0.000 description 1
- 238000011017 operating method Methods 0.000 description 1
- 230000008569 process Effects 0.000 description 1
- 230000001105 regulatory effect Effects 0.000 description 1
- 238000005096 rolling process Methods 0.000 description 1
- 239000007787 solid Substances 0.000 description 1
- 239000000725 suspension Substances 0.000 description 1
- 230000032258 transport Effects 0.000 description 1
Images
Classifications
-
- Y—GENERAL TAGGING OF NEW TECHNOLOGICAL DEVELOPMENTS; GENERAL TAGGING OF CROSS-SECTIONAL TECHNOLOGIES SPANNING OVER SEVERAL SECTIONS OF THE IPC; TECHNICAL SUBJECTS COVERED BY FORMER USPC CROSS-REFERENCE ART COLLECTIONS [XRACs] AND DIGESTS
- Y02—TECHNOLOGIES OR APPLICATIONS FOR MITIGATION OR ADAPTATION AGAINST CLIMATE CHANGE
- Y02A—TECHNOLOGIES FOR ADAPTATION TO CLIMATE CHANGE
- Y02A40/00—Adaptation technologies in agriculture, forestry, livestock or agroalimentary production
- Y02A40/10—Adaptation technologies in agriculture, forestry, livestock or agroalimentary production in agriculture
- Y02A40/28—Adaptation technologies in agriculture, forestry, livestock or agroalimentary production in agriculture specially adapted for farming
Landscapes
- Protection Of Plants (AREA)
- Soil Working Implements (AREA)
- Transplanting Machines (AREA)
Abstract
一种整地铺膜铺管施肥穴播覆土联合作业机,包括机架、整地镇压驱动机构、开沟覆土机构、展膜压膜机构、膜面覆土机构及调节送土机构。在机具前下方装一个可调节人字铲和一个镇压辊,人字铲将机具前方地表干土层推向机具两侧,镇压辊将已推开的地表压实。在膜边左右两侧各装一开沟、覆土圆盘,开沟圆盘在铺膜前将地表面豁开一条沟并将土壤向外翻,展膜辊和压膜轮随地表将地膜拉展铺开,压膜轮在沟内滚动将两侧膜边嵌入已豁开的沟内,覆土圆盘将前方豁起外翻的土壤向内翻压在嵌入沟内的地膜上方,避免了风将膜边吹起。本实用新型能够一次完成整地、铺膜、铺管、施肥、覆土、点播种植等多道作业工序,而且能够克服干旱地区严重缺乏水分的问题。
A joint operation machine for soil preparation, film laying, pipe laying, pipe laying, fertilization, hole sowing and soil covering includes a machine frame, a driving mechanism for land preparation and suppression, a ditching and soil covering mechanism, a film spreading and film pressing mechanism, a film surface covering soil mechanism, and a soil feeding mechanism for adjustment. Install an adjustable herringbone shovel and a pressure roller under the front and bottom of the implement. The herringbone shovel pushes the dry soil layer on the surface in front of the implement to both sides of the implement, and the restraint roller compacts the pushed away ground surface. Install a ditching and soil-covering disc on the left and right sides of the film. The ditching disc will open a ditch on the ground surface and turn the soil outward before the film is laid. The film spreading roller and the film pressing wheel will pull the film along with the ground surface. Spread out, the film pressing wheel rolls in the ditch and embeds the film edges on both sides into the opened ditch, and the soil covering disc turns the soil that has been turned upside down inwards on the top of the mulch embedded in the ditch, avoiding wind Blow up the edges of the film. The utility model can complete multiple operation procedures such as soil preparation, film laying, pipe laying, fertilization, soil covering, and on-demand planting at one time, and can overcome the problem of severe lack of water in arid areas.
Description
技术领域 technical field
本实用新型涉及农业机械中的整地、铺膜覆土、施肥、点播、铺设管道等技术领域,具体说是一种整地铺膜铺管施肥穴播覆土联合作业机。 The utility model relates to the technical fields of soil preparation, film-laying, soil-covering, fertilization, on-demand planting, pipeline laying and the like in agricultural machinery, in particular to a joint operation machine for soil preparation, film-laying, pipe-laying, fertilization, hole-sowing and soil-covering.
背景技术 Background technique
我国是一个水资源严重缺乏的国家,尤其是西北内陆地区,年蒸发量远远大于年降雨量,使得一些地区出现了土地荒漠化,由于水资源缺乏严重制约了我国西北地区农业的可持续发展,近年来农业技术人员在水的利用及节水种植方面想了许多行之有效的办法,在无灌溉条件的旱作农业区,采用在地表垄沟全膜覆盖防止土壤中水份蒸发,同时利用垄沟接纳天上雨水从而达到蓄住天上水保住土中墒,但在降雨量极少的西部灌区,单凭全膜覆盖农作物还是难以生长的,则需采用在地膜下方铺设滴灌带,给膜下土壤适量的水份补充,从而达到避免水份蒸发和水补充的目的。然而完成整地铺膜覆土、铺设滴灌带、施肥、穴播等工序所需作业程序多,作业难度大,费工费时,作业质量难以保证。目前国内已有各种整地机械,铺膜机械、施肥及点播机械,但功能均都相对单一,不能一次完成整地、铺设滴灌带、施肥、铺膜覆土、点播种植等多道作业工序。 China is a country seriously short of water resources, especially in the northwest inland areas, where the annual evaporation is far greater than the annual rainfall, resulting in land desertification in some areas. Due to the lack of water resources, the sustainable development of agriculture in Northwest China is seriously restricted. In recent years, agricultural technicians have thought of many effective methods in terms of water utilization and water-saving planting. In dry farming areas without irrigation conditions, full-film covering of surface furrows is used to prevent water evaporation in the soil, and at the same time, use The furrows receive the rainwater from the sky to store the water in the sky and keep the moisture in the soil. However, in the western irrigation area with very little rainfall, it is still difficult to grow crops with full film coverage alone. It is necessary to lay drip irrigation belts under the film to feed the soil under the film. Appropriate amount of water replenishment, so as to avoid water evaporation and water replenishment. However, there are many operating procedures required to complete the processes of soil preparation, film covering, laying of drip irrigation belts, fertilization, and hole sowing, which are difficult, labor-intensive and time-consuming, and the quality of the operations is difficult to guarantee. At present, there are various land preparation machines, film laying machines, fertilization and on-demand planting machines in China, but their functions are relatively single, and they cannot complete multiple operations such as land preparation, drip irrigation belt laying, fertilization, film covering, and on-demand planting at one time.
实用新型内容 Utility model content
本实用新型所要解决的技术问题是提供一种能够一次完成整地、铺膜、铺管、施肥、覆土、点播种植等多道作业工序,而且能够克服干旱地区严重缺乏水分的问题的一种整地铺膜铺管施肥穴播覆土联合作业机。 The technical problem to be solved by this utility model is to provide a kind of ground preparation and paving that can complete multiple operations such as soil preparation, film laying, pipe laying, fertilization, soil covering, on-demand planting, etc., and can overcome the serious lack of water in arid areas. Membrane pipe laying, fertilization, hole sowing and soil covering combined operation machine.
本实用新型的技术问题采用下述技术方案解决: The technical problem of the utility model adopts following technical scheme to solve:
一种整地铺膜铺管施肥穴播覆土联合作业机,包括机架、整地镇压驱动机构、开沟覆土机构、展膜压膜机构、膜面覆土机构及多方位调节送土机构: A joint operation machine for soil preparation, film laying, pipe laying, pipe laying, fertilization, hole sowing and soil covering, including a machine frame, a driving mechanism for land preparation and suppression, a ditching and soil covering mechanism, a film spreading and film pressing mechanism, a film surface covering soil mechanism and a multi-directional adjustment soil feeding mechanism:
所述的整地镇压驱动机构设在前端,是在所述的机架前下方设一人字铲,机架前横梁下端设有施肥开沟器,机架前横梁两端分别设有镇压辊; The driving mechanism for soil preparation and suppression is arranged at the front end, and a herringbone shovel is arranged at the front and bottom of the frame, a fertilization ditch is provided at the lower end of the front beam of the frame, and pressing rollers are respectively provided at both ends of the front beam of the frame;
所述的开沟覆土机构是在所述的镇压辊后侧各设一开沟圆盘,开沟圆盘连接一土壤导向板,土壤导向板后端连接一覆土圆盘; The ditching soil-covering mechanism is to set a ditching disc on the rear side of the pressure roller, the ditching discs are connected to a soil guide plate, and the rear end of the soil guide plate is connected to a soil-covering disc;
所述的展膜压膜机构是在所述的开沟圆盘内侧上方的机架上两侧各设一梯型挂接架,梯型挂接架之间连接一调节固定杆,调节固定杆两端内侧通过弧形连接架铰接套装压膜轮,所述梯型挂接架下端连接一展膜辊,展膜辊前上方机架上设有挂膜架,挂膜架后上方设有滴灌带盘; The film stretching and film pressing mechanism is to set a ladder-type hitch frame on both sides of the frame above the inner side of the ditching disc, and an adjustment fixing rod is connected between the ladder-type hitch racks, and the adjustment fixing rod The inner sides of both ends are hinged to cover the film pressing wheel through the arc-shaped connecting frame. The lower end of the ladder-shaped mounting frame is connected to a filming roller. Tape;
所述的膜面覆土机构是在机架后端下方左右各装一送土圆盘,两送土圆盘之间设一旋土筒,旋土筒挂接在旋土筒连接架下方,旋土筒连接架连接在机架后端。 The membrane surface soil covering mechanism is to install a soil sending disc on the left and right under the rear end of the frame, and a rotary soil tube is arranged between the two soil sending discs, and the rotary soil tube is hooked under the rotary soil tube connecting frame, and the rotary soil tube The soil tube connecting frame is connected to the rear end of the frame.
所述的多方位调节送土机构是在所述的送土圆盘中心装有一根送土盘轴,送土盘轴一侧设一角度调节板,角度调节板下方铰接一牵引拉杆,牵引拉杆另一头套装在牵引套管内,牵引套管经销轴与机架铰接。 The multi-directional adjustment soil feeding mechanism is equipped with a soil feeding disc shaft in the center of the soil feeding disc, an angle adjustment plate is arranged on one side of the soil sending disc shaft, and a traction rod is hinged below the angle adjustment plate, and the traction rod The other end is set in the traction sleeve, and the traction sleeve is hinged with the frame through the pin shaft.
所述牵引套管后端上方连接一根挺杆,挺杆上套装一压力弹簧。 A tappet is connected above the rear end of the traction sleeve, and a pressure spring is set on the tappet.
所述展膜压膜机构的挂膜架后上方设有滴灌带盘,滴灌带盘后下方机架上排列有数个穴播器,每个穴播器上方都对应装有一个种子箱。 A drip irrigation tape tray is arranged on the back and upper side of the film hanging frame of the film spreading and pressing mechanism, and several hole sowing devices are arranged on the frame below the rear and lower part of the drip irrigation tape disk, and a seed box is correspondingly installed above each hole seeding device.
所述展膜压膜机构的梯型挂接架通过连接销轴连接在机架上,梯型挂接架的第一弯曲处焊接一限位块,梯型挂接架第二弯曲处焊接有转动套,调节固定杆两端套装在转动套内。 The ladder-type hook frame of the film-expanding and pressing-film mechanism is connected to the frame through a connecting pin, a limit block is welded at the first bend of the ladder-type hitch, and a limit block is welded at the second bend of the ladder-type hitch. The rotating sleeve is used to adjust the two ends of the fixed rod to be set in the rotating sleeve.
所述机架前上方装有两组所述的肥料箱,肥料箱与施肥开沟器之间连接有肥料输送管。 Two groups of fertilizer boxes are arranged on the top front of the frame, and a fertilizer conveying pipe is connected between the fertilizer box and the fertilization opener.
本实用新型在机具前下方位置安装一个可调节人字铲和一个镇压辊,机具向前行驶,人字铲将机具前方地表干土层推向机具两侧,镇压辊将已推开的地表压实,从而避免了干土块将地膜扎破。滴灌带盘在机具向前行驶中通过滴灌带导向夹持装置将滴灌带自动拉开,铺放在已被推平压实的地表。挂膜架将地膜卷自动拉开,覆盖在已铺设滴灌带的地表面。为了防止地膜从两边被风吹起,本实用新型在膜边左右两侧按前后开沟覆土顺序各装一个开沟覆土圆盘,前圆盘在铺膜前将地表面豁开一条沟并将土壤向外翻,随后展膜辊和压膜轮随地表自动仿形将地膜拉展铺开,压膜轮在沟内滚动将两侧膜边嵌入已豁开的沟内,紧随其后的覆土圆盘将前方豁起外翻的土壤向内翻压在嵌入沟内的地膜上方,从而避免了风将膜边吹起。点播器沿膜面滚动,鸭嘴将地膜扎破并将种子点播在地膜下方,左右多方位调整送土圆盘与机架呈铰接状态,送土圆盘可通过牵引套管的伸缩改变送土圆盘与旋土筒的前后位置,通过调整送土盘轴在套内左右位置,改变送土圆盘与旋土筒的轴向位置。还可通过调整角度调节板改变送土圆盘与旋土筒的夹角从而获得不同进土量。送土圆盘在受拉力和压力情况下沿表土层自动仿形滚动,将前方人字铲推向两边的干土输入左右旋土筒内,进入旋土筒内的土壤在螺旋叶片推动作用下沿设计出土口排出,成条状压在被穴播器鸭嘴扎破的膜孔上方,从而保证了已被扎破的地膜不会被风扯破。 The utility model installs an adjustable herringbone shovel and a pressure roller at the front and lower position of the machine tool. When the machine tool moves forward, the herringbone shovel pushes the dry soil layer on the surface in front of the machine tool to both sides of the machine tool, and the pressure roller presses the pushed away ground surface. solid, so as to avoid the mulch film being punctured by dry soil. The drip irrigation tape is automatically pulled apart by the drip irrigation tape guiding and clamping device when the implement is moving forward, and laid on the ground that has been pushed flat and compacted. The film hanging frame automatically pulls the film roll and covers it on the ground surface where the drip irrigation tape has been laid. In order to prevent the film from being blown up by the wind from both sides, the utility model installs a ditching disc on the left and right sides of the film according to the sequence of ditching and covering soil. The front disc opens a ditch on the ground surface before laying the film The soil is turned outwards, and then the film spreading roller and film pressing wheel automatically follow the surface to spread the film, and the film pressing wheel rolls in the ditch to insert the film edges on both sides into the opened ditch, followed by The soil-covering disc turns the soil turned upside down inwards and presses it on the top of the mulch embedded in the ditch, thereby preventing the wind from blowing up the edges of the mulch. The on-demand device rolls along the film surface, the duckbill punctures the mulch film and sows the seeds under the mulch film, and the left and right multi-directional adjustment of the soil feeding disc is in a hinged state with the frame, and the soil feeding disc can be changed by the expansion and contraction of the traction sleeve. The front and rear positions of the disc and the rotary soil cylinder can be changed by adjusting the left and right positions of the soil delivery disc shaft in the casing to change the axial position of the soil delivery disc and the soil rotary cylinder. It is also possible to change the angle between the soil sending disc and the soil rotating cylinder by adjusting the angle adjustment plate to obtain different soil intake. The soil feeding disc automatically rolls along the surface soil layer under tension and pressure, and pushes the front shovel to both sides of the dry soil into the left and right rotary soil cylinders, and the soil entering the rotary soil cylinders is pushed by the spiral blades It is discharged along the designed excavation opening, and pressed in strips above the film hole punctured by the duckbill of the hole sowing device, thus ensuring that the punctured mulch film will not be torn by the wind.
附图说明 Description of drawings
图1为本实用新型结构示意图; Fig. 1 is the structural representation of the utility model;
图2为本实用新型整地镇压驱动机构结构示意图; Fig. 2 is a structural schematic diagram of the driving mechanism for land preparation and suppression of the utility model;
图3为本实用新型开沟覆土机构结构示意图; Fig. 3 is a structural schematic diagram of the ditching soil covering mechanism of the utility model;
图4为本实用新型展膜压膜机构结构示意图; Fig. 4 is a structural schematic diagram of the film-expanding and film-pressing mechanism of the present invention;
图5为本实用新型膜面覆土机构结构示意图; Fig. 5 is a structural schematic diagram of the membrane surface soil covering mechanism of the present invention;
图6为本实用新型多方位调节送土机构结构示意图. Fig. 6 is a structural schematic diagram of the multi-directional adjustment soil feeding mechanism of the present invention.
具体实施方式 Detailed ways
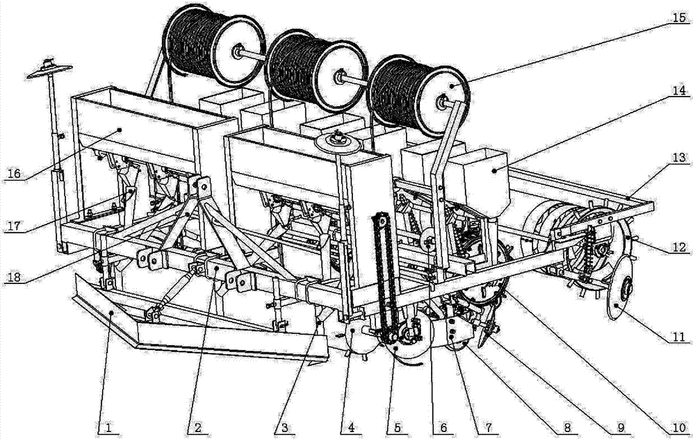
本实用新型的整地铺膜铺管施肥穴播覆土联合作业机,包括机架、整地镇压驱动机构、开沟覆土机构、展膜压膜机构、膜面覆土机构及多方位调节送土机构。整地镇压驱动机构设在前端,在机架2下前方安装一个可调节人字铲1,人字铲1后方机架2前横梁下方安装数个施肥开沟器3,机架2前横梁两端分别安装镇压辊4;机架2前上方装有两组肥料箱16,肥料箱16与施肥开沟器3之间装有肥料输送管17。开沟覆土机构是在镇压辊4后侧各各装有一个上下左右均可调节的开沟圆盘5,开沟圆盘5连接一土壤导向板7,土壤导向板7后端连接一覆土圆盘9。开沟圆盘5将地表豁开一条沟,并将豁起的土壤向外翻,同时沿土壤导向板7向后移动。展膜压膜机构是在左右开沟圆盘5内侧上方机架2上通过连接销轴23各装有一个梯型挂接架22,梯型挂接架22的第一弯曲处机架2下方焊接一限位块21,梯型挂接架22第二弯曲处凸出处焊接有一个转动套,左右转动套内装有一根调节固定杆20,压膜轮8通过一弧形连接架铰接套装在调节固定杆20两端内侧。梯型挂接架22下端连接一展膜辊19,展膜辊19左右两端通过螺栓铰接在梯型挂接架22下端套内,挂膜架6装在展膜辊19前机架2上方。展膜压膜机构的挂膜架6后上方设有滴灌带盘15,滴灌带盘15及其配套的滴灌带导向夹持装置均采用本领域常规装置,按照常规方式安装在机架2上,滴灌带盘15后下方机架上排列有数个穴播器10,每个穴播器10上方都对应装有一个种子箱14。覆土圆盘9将前方开沟圆盘5豁起输送过来的土壤内翻覆盖在沟内地膜两侧。膜面覆土机构是在机架2后端下方左右各装有一个送土圆盘11,送土圆盘11中心装有一根送土盘轴26,送土盘轴26套装在与角度调节板25焊合在一起的套管内。牵引拉杆27一头铰接在角度调节板25下方,一头套装在牵引套管29内,牵引套管29经销轴30与机架2铰接。为防止送土圆盘11在工作中跳动,该结构还在牵引套管29后端上方铰接了一根挺杆31,压力弹簧28套装在挺杆31上,通过机架2给送土圆盘一定压力。左右旋土筒12通过一根轴挂接在旋土筒连接架13下方,使旋土筒12达到上下浮动并沿地膜表面向前滚动。
The combined operation machine for soil preparation, film laying, pipe laying, pipe laying, fertilization, hole sowing and soil covering of the utility model includes a machine frame, a driving mechanism for land preparation and suppression, a ditching and soil covering mechanism, a film spreading and film pressing mechanism, a film surface covering soil mechanism and a multi-directional adjustment soil feeding mechanism. The driving mechanism for soil preparation and suppression is located at the front end, and an adjustable shovel 1 is installed in front of the
工作原理working principle
当拖拉机通过三点挂接架18悬挂牵引机具向前行驶,人字铲1将机具前方地表干土层推向机具两侧,镇压辊4沿地表滚动并通过链轮链条驱动肥料箱16下方的排肥器转动工作,肥料经肥料输管17、施肥开沟器3将肥料施在地表下方,镇压辊4转动将施肥开沟器3所开的沟和已被人字铲1推平的地表压实,滴灌带盘15通过滴灌带导向夹持装置将滴灌带自动拉开,铺放在已被推平压实的地表,挂膜架6上的膜卷也同时自动拉开,铺盖在已铺设了滴灌带的地表面。左右两侧开沟圆盘5将铺膜前地膜边地表面豁出一条沟并将土壤向外翻,梯型挂接架22通过连接销轴23铰接固定在机架2上,梯型挂接架22末端套装有展膜辊19和压膜轮8,展膜辊19随地表自动仿形转动将地膜拉展铺开,左右压膜轮8沿沟内膜上滚动将两侧膜边压嵌入已豁开的沟内,紧随其后的覆土圆盘9将前面开沟圆盘5向外豁起的土壤向内翻,压在嵌入沟内的膜边上方,穴播器10沿膜面滚动,鸭嘴将地膜扎破并将种子点播在地膜下方,为防止风从膜孔进入膜下将地膜扯起,穴播器10后方装有左右旋土筒12,旋土筒12与穴播器10沿膜面滚动,左右多方位调节送土圆盘11将前方人字铲1推向两边的干土输送入左右旋土筒12内,进入旋土筒12的土壤在螺旋叶片推动下,沿设计出口排出,成条状压在被穴播器鸭嘴扎破的膜面上方,各条被鸭嘴扎破的孔带压土量多少,可通过土量调节套筒24来调节完成。
When the tractor travels forward through the suspension of the three-
Claims (6)
Priority Applications (1)
| Application Number | Priority Date | Filing Date | Title |
|---|---|---|---|
| CN201220522488.0U CN202841863U (en) | 2012-10-12 | 2012-10-12 | Combined machine for soil preparing, plastic film mulching, pipe laying, fertilizing, hole sowing and soil covering |
Applications Claiming Priority (1)
| Application Number | Priority Date | Filing Date | Title |
|---|---|---|---|
| CN201220522488.0U CN202841863U (en) | 2012-10-12 | 2012-10-12 | Combined machine for soil preparing, plastic film mulching, pipe laying, fertilizing, hole sowing and soil covering |
Publications (1)
| Publication Number | Publication Date |
|---|---|
| CN202841863U true CN202841863U (en) | 2013-04-03 |
Family
ID=47973127
Family Applications (1)
| Application Number | Title | Priority Date | Filing Date |
|---|---|---|---|
| CN201220522488.0U Expired - Fee Related CN202841863U (en) | 2012-10-12 | 2012-10-12 | Combined machine for soil preparing, plastic film mulching, pipe laying, fertilizing, hole sowing and soil covering |
Country Status (1)
| Country | Link |
|---|---|
| CN (1) | CN202841863U (en) |
Cited By (11)
| Publication number | Priority date | Publication date | Assignee | Title |
|---|---|---|---|---|
| CN102845153A (en) * | 2012-10-12 | 2013-01-02 | 酒泉市铸陇机械制造有限责任公司 | Combined operation machine for soil preparation, filming, pipelaying, fertilizing, hole sowing and earthing |
| CN105766496A (en) * | 2016-03-11 | 2016-07-20 | 童思佳 | Covering mechanism of rice spreading type cultivation machine |
| CN105794376A (en) * | 2016-05-20 | 2016-07-27 | 山东农业大学 | Multifunctional vegetable transplanting machine |
| CN107318314A (en) * | 2017-08-24 | 2017-11-07 | 青岛理工大学 | Smart agricultural machinery equipment of smart volume seed manure is executed with shallow intelligent pipe laying of driping irrigation of burying simultaneously |
| CN107750491A (en) * | 2017-10-27 | 2018-03-06 | 王社民 | A kind of multifunctional seed drill |
| CN110431939A (en) * | 2019-06-14 | 2019-11-12 | 黑龙江省农业科学院齐齐哈尔分院 | Crops seal ridge and suppress equipment |
| CN111279823A (en) * | 2020-04-03 | 2020-06-16 | 山东驰象机械科技有限公司 | A continuous anti-seepage membrane laying equipment |
| CN113439510A (en) * | 2021-05-13 | 2021-09-28 | 山西省农业科学院棉花研究所 | Morchella furrow sowing machine |
| CN113475180A (en) * | 2021-07-22 | 2021-10-08 | 湖南农业大学 | Front-mounted ditching and soil preparation device suitable for high-ground-clearance crawler-type seeder |
| CN119278689A (en) * | 2024-11-07 | 2025-01-10 | 山西农业大学 | A ridge-forming, sowing and film-covering integrated device that is easy to collect rainwater and reduce fertilizer volatilization |
| CN119422545A (en) * | 2025-01-10 | 2025-02-14 | 甘肃天诚农机具制造有限公司 | Top clamp corn film laying and cutting precision seeder |
-
2012
- 2012-10-12 CN CN201220522488.0U patent/CN202841863U/en not_active Expired - Fee Related
Cited By (13)
| Publication number | Priority date | Publication date | Assignee | Title |
|---|---|---|---|---|
| CN102845153A (en) * | 2012-10-12 | 2013-01-02 | 酒泉市铸陇机械制造有限责任公司 | Combined operation machine for soil preparation, filming, pipelaying, fertilizing, hole sowing and earthing |
| CN105766496A (en) * | 2016-03-11 | 2016-07-20 | 童思佳 | Covering mechanism of rice spreading type cultivation machine |
| CN105794376A (en) * | 2016-05-20 | 2016-07-27 | 山东农业大学 | Multifunctional vegetable transplanting machine |
| CN107318314B (en) * | 2017-08-24 | 2023-08-04 | 青岛理工大学 | Intelligent agricultural equipment integrated with simultaneous application of precise seed and fertilizer and shallow buried drip irrigation pipe laying |
| CN107318314A (en) * | 2017-08-24 | 2017-11-07 | 青岛理工大学 | Smart agricultural machinery equipment of smart volume seed manure is executed with shallow intelligent pipe laying of driping irrigation of burying simultaneously |
| CN107750491A (en) * | 2017-10-27 | 2018-03-06 | 王社民 | A kind of multifunctional seed drill |
| CN110431939A (en) * | 2019-06-14 | 2019-11-12 | 黑龙江省农业科学院齐齐哈尔分院 | Crops seal ridge and suppress equipment |
| CN111279823A (en) * | 2020-04-03 | 2020-06-16 | 山东驰象机械科技有限公司 | A continuous anti-seepage membrane laying equipment |
| CN113439510A (en) * | 2021-05-13 | 2021-09-28 | 山西省农业科学院棉花研究所 | Morchella furrow sowing machine |
| CN113475180A (en) * | 2021-07-22 | 2021-10-08 | 湖南农业大学 | Front-mounted ditching and soil preparation device suitable for high-ground-clearance crawler-type seeder |
| CN119278689A (en) * | 2024-11-07 | 2025-01-10 | 山西农业大学 | A ridge-forming, sowing and film-covering integrated device that is easy to collect rainwater and reduce fertilizer volatilization |
| CN119422545A (en) * | 2025-01-10 | 2025-02-14 | 甘肃天诚农机具制造有限公司 | Top clamp corn film laying and cutting precision seeder |
| CN119422545B (en) * | 2025-01-10 | 2025-05-13 | 甘肃天诚农机具制造有限公司 | Top-clamping type corn film-laying and film-breaking precision seeder |
Similar Documents
| Publication | Publication Date | Title |
|---|---|---|
| CN202841863U (en) | Combined machine for soil preparing, plastic film mulching, pipe laying, fertilizing, hole sowing and soil covering | |
| CN102845153B (en) | Combined operation machine for soil preparation, filming, pipelaying, fertilizing, hole sowing and earthing | |
| CN203261705U (en) | Plastic film mulch planting machine of potatoes | |
| CN103597936A (en) | Fertilizer-applying tape-laying film-coating multifunctional seeder | |
| CN102124844A (en) | Ditching and planting and film mulching integrated machine of selenium sand melon | |
| CN108353591A (en) | A kind of bowl sugarcane seedling planting machine and its application method | |
| CN103190230B (en) | Full-automatic film laminating planter for tuber crops | |
| CN102349377B (en) | Sowing machine | |
| CN107493707A (en) | Plantation exempts to put the corn rotary tillage overlay film precision drill of seedling under film | |
| CN205847933U (en) | A kind of tectorial seeder | |
| CN205454438U (en) | Precision planter is driped irrigation to ridge shop membrane down | |
| CN106922256A (en) | A kind of nonirrigated farmland mulch film earthing pea seeder | |
| CN206353948U (en) | A kind of western muskmelon pipe laying tectorial seeder | |
| CN201004780Y (en) | Seeding, pipe laying and film laying combined operation machine | |
| CN203086956U (en) | No-tillage wheat seeding device integrating seeds and fertilizers in same furrow | |
| CN204837013U (en) | Trench sowing film mulching sowing machine | |
| CN205611220U (en) | Normal position fertilizing and seeding machine | |
| CN205196284U (en) | Seeding part and corresponding seeder | |
| CN108093784A (en) | A kind of potato planting machine | |
| CN106385818A (en) | Double-stage press device for sowing of small-grain crops | |
| CN202310540U (en) | Combined operation machine for ridge tillage, furrow irrigation, full film mulch, earth covering, dibble seeding and fertilizing | |
| CN206118371U (en) | Cotton film mulching sowing machine | |
| CN202050666U (en) | Film mulching cultivation seeder | |
| CN222148167U (en) | Integrated grain seeder | |
| CN211745251U (en) | Layered fertilizing and seeding machine |
Legal Events
| Date | Code | Title | Description |
|---|---|---|---|
| C14 | Grant of patent or utility model | ||
| GR01 | Patent grant | ||
| CF01 | Termination of patent right due to non-payment of annual fee |
Granted publication date: 20130403 Termination date: 20161012 |
|
| CF01 | Termination of patent right due to non-payment of annual fee |
