CN110842579B - 一种金属板材表面打磨切割一体装置 - Google Patents

一种金属板材表面打磨切割一体装置 Download PDF

Info

Publication number
CN110842579B
CN110842579B CN202010034307.9A CN202010034307A CN110842579B CN 110842579 B CN110842579 B CN 110842579B CN 202010034307 A CN202010034307 A CN 202010034307A CN 110842579 B CN110842579 B CN 110842579B
Authority
CN
China
Prior art keywords
seat
mounting
metal plate
hole
limiting
Prior art date
Legal status (The legal status is an assumption and is not a legal conclusion. Google has not performed a legal analysis and makes no representation as to the accuracy of the status listed.)
Active
Application number
CN202010034307.9A
Other languages
English (en)
Other versions
CN110842579A (zh
Inventor
吕玉萍
王尧杰
姚燕
宋鹏超
张海明
Current Assignee (The listed assignees may be inaccurate. Google has not performed a legal analysis and makes no representation or warranty as to the accuracy of the list.)
Shandong Jiazhuofeng Metal Materials Co.,Ltd.
Original Assignee
Yantai Engineering and Technology College
Priority date (The priority date is an assumption and is not a legal conclusion. Google has not performed a legal analysis and makes no representation as to the accuracy of the date listed.)
Filing date
Publication date
Application filed by Yantai Engineering and Technology College filed Critical Yantai Engineering and Technology College
Priority to CN202010034307.9A priority Critical patent/CN110842579B/zh
Publication of CN110842579A publication Critical patent/CN110842579A/zh
Application granted granted Critical
Publication of CN110842579B publication Critical patent/CN110842579B/zh
Active legal-status Critical Current
Anticipated expiration legal-status Critical

Links

Images

Classifications

    • BPERFORMING OPERATIONS; TRANSPORTING
    • B23MACHINE TOOLS; METAL-WORKING NOT OTHERWISE PROVIDED FOR
    • B23PMETAL-WORKING NOT OTHERWISE PROVIDED FOR; COMBINED OPERATIONS; UNIVERSAL MACHINE TOOLS
    • B23P23/00Machines or arrangements of machines for performing specified combinations of different metal-working operations not covered by a single other subclass
    • B23P23/04Machines or arrangements of machines for performing specified combinations of different metal-working operations not covered by a single other subclass for both machining and other metal-working operations

Landscapes

  • Physics & Mathematics (AREA)
  • Optics & Photonics (AREA)
  • Engineering & Computer Science (AREA)
  • Mechanical Engineering (AREA)
  • Finish Polishing, Edge Sharpening, And Grinding By Specific Grinding Devices (AREA)

Abstract

本发明涉及金属加工技术领域,具体涉及一种金属板材表面打磨切割一体装置,工作台上左右相对设有两个支撑座,两个支撑座上分别转动安装有左右延伸的转动轴,支撑座与转动轴之间设有限位机构,两个转动轴的内端分别固定安装有板材夹具,工作台上还左右滑动安装有龙门支架,龙门支架上设有打磨切割一体机构;本发明通过两个板材夹具分别夹持金属板材的左右两端,通过限位机构调使金属板材保持水平状态,然后通过打磨切割一体机构对金属板材位于上方的侧面进行打磨,打磨完毕之后,通过调节限位机构使金属板材未被打磨的一侧向上,然后通过打磨切割一体机构对金属板材的另一侧面进行打磨,只需一次装夹即可对金属板材的两面进行打磨,效率较高。

Description

一种金属板材表面打磨切割一体装置
技术领域
本发明涉及金属加工技术领域,具体涉及一种金属板材表面打磨切割一体装置。
背景技术
金属加工领域内,金属板材往往会提前加工完毕,经过一定的处理后进入仓库储存。存储过程中由于环境变化或者储存方法不合适等影响,金属板材表面会与氧气发生氧化作用,产生锈迹,严重的会产生大量的铁刺。出厂时,为了防止铁锈和铁刺影响板材质量,需要将其去除。目前一般采用金属板材打磨装置对金属板材进行打磨除锈,而现有的金属板材打磨装置每次只能对金属板材的一个面进行打磨,当需要对金属板材的两个面都进行打磨时,需要进行两次装夹,工序复杂,工作效率低。
发明内容
本发明所要解决的技术问题是提供一种金属板材表面打磨切割一体装置,只需一次装夹即可对金属板材的两个面都进行打磨,以解决现有技术中的问题。
为解决上述技术问题,本发明的技术方案是:一种金属板材表面打磨切割一体装置,包括工作台,所述工作台上左右相对设有两个支撑座,两个所述支撑座上分别转动安装有左右延伸的转动轴,所述支撑座与所述转动轴之间设有限位机构,两个所述转动轴的内端分别固定安装有板材夹具;所述工作台上还左右滑动安装有龙门支架,所述龙门支架上设有打磨切割一体机构。
作为优选的技术方案,所述板材夹具包括固定安装在所述转动轴的内端的安装座,所述安装座远离相应的所述转动轴的一侧设有安装槽,所述安装槽内上下活动安装有两个水平的夹板,两个所述夹板上下相对设置于所述安装槽内;所述安装槽内还设有竖向延伸的双向螺柱,所述双向螺柱的外侧设有旋向相反的外螺纹,所述双向螺柱通过端部的光杆转动安装在所述安装槽内,两个所述夹板分别旋合在所述双向螺柱的不同旋向的外螺纹上;述双向螺柱两端的光杆分别延伸至所述安装座的外侧并固定安装有旋钮。
作为优选的技术方案,两个所述支撑座分别为位于左侧的定支撑座和位于右侧的动支撑座,所述定支撑座固定安装在所述工作台上,所述工作台上设有左右延伸的滑道,所述滑道位于所述定支撑座的右侧,所述动支撑座活动安装在所述滑道内,所述滑道内还设有带动所述动支撑座左右移动的连动机构。
作为优选的技术方案,所述连动机构包括与所述滑道同向延伸的丝杆,所述丝杆通过端部的光杆转动安装在所述滑道内,所述动支撑座旋合在所述丝杆上;所述丝杆的右端延伸至所述工作台的外侧并固安装有旋把。
作为优选的技术方案,所述支撑座上设有左右延伸的通孔,相应的所述转动轴转动安装在所述通孔内;所述限位机构包括位于所述定支撑座内的第一安装腔,所述第一安装腔设有向下延伸并连通相应的所述通孔的过孔,所述过孔内活动安装有限位销,相应的所述转动轴的外侧相对地设有两个与所述限位销相匹配的限位槽,当所述限位销插入任一所述限位槽内时,相应的所述夹板呈水平状态;所述限位销的上端固定安装有位于所述第一安装腔内的第一挡板,所述第一挡板的上侧与所述第一安装腔之间设有第一弹簧;所述第一挡板上还固定安装有向上延伸的拉杆,所述定支撑座上设有供所述拉杆穿出的辅助孔。
作为优选的技术方案,所述限位机构还包括位于所述动支撑座内的第二安装腔,所述第二安装腔设有向下延伸并连通相应的所述通孔的圆孔,所述圆孔内活动安装有锁紧销,所述锁紧销的下端呈半球形,相应的所述转动轴的外侧相对地设有两个与所述锁紧销相匹配的半球形的锁紧槽,当所述锁紧销插入任一所述锁紧槽内时,相应的所述夹板呈水平状态;所述锁紧销的上方固定安装有位于所述第二安装腔内的第二挡板,所述第二挡板的上侧与所述第二安装腔之间设有第二弹簧。
作为优选的技术方案,所述龙门支架包括前后相对设置的两个支撑柱,两个所述支撑柱的上端之间固定安装有横梁;所述工作台的上端面前后相对设有两个与所述支撑柱一一对应的滑槽,所述滑槽左右延伸,两个所述支撑座均位于两个所述滑槽之间,所述支撑柱的下端活动安装在相应的所述滑槽内;所述滑槽与相应的支撑柱之间还设有带动所述支撑柱沿所述滑槽移动的电动推杆。
作为优选的技术方案,所述打磨切割一体机构包括位于所述横梁的下方的连接座,所述横梁的下侧设有前后延伸的滑动道,所述连接座活动安装在所述滑动道内,所述连接座与所述滑动道之间还设有带动所述连接座沿所述滑动道移动的电动伸缩杆;所述连接座的下端固定安装有向下延伸的液压缸,所述液压缸的下端固定安装有移动座,所述移动座的下端相对固定安装有两个安装板,两个安装板之间设有电机座;所述电机座上转动安装有竖轴,所述竖轴的两端均延伸至所述电机座的外侧,所述竖轴的一端固定安装有打磨盘,所述竖轴的另一端固定安装有铣刀;所述电机座内设有辅助腔,所述辅助腔内固定安装有第一电机,所述第一电机的转动轴上同轴固定安装有第一齿轮,所述竖轴上同轴固定安装有与所述第一齿轮相啮合的第二齿轮;所述电机座相对的两个侧面上分别固定安装有铰接轴,所述电机座通过两个所述铰接轴转动安装在两个所述安装板之间,其中一个所述安装板上还固定安装有带动所述电机座转动的第二电机。
由于采用了上述技术方案,一种金属板材表面打磨切割一体装置,包括工作台,所述工作台上左右相对设有两个支撑座,两个所述支撑座上分别转动安装有左右延伸的转动轴,所述支撑座与所述转动轴之间设有限位机构,两个所述转动轴的内端分别固定安装有板材夹具,所述工作台上还左右滑动安装有龙门支架,所述龙门支架上设有打磨切割一体机构;本发明通过两个板材夹具分别夹持金属板材的左右两端,通过限位机构调使金属板材保持水平状态,然后通过打磨切割一体机构对金属板材位于上方的侧面进行打磨,打磨完毕之后,通过调节限位机构使金属板材转动一百八十度,使金属板材未被打磨的一侧向上,然后通过打磨切割一体机构对金属板材的另一侧面进行打磨,只需一次装夹即可对金属板材的两面进行打磨,具有效率高的优点;本法发明通过摇动旋把带动丝杆转动,丝杆转动时带动动支撑座沿滑道左右移动,从而调节两个支撑座或两个板材夹具之间的距离,具有方便夹持不同长度的金属板材的优点;本发明通过限位销插限位槽内时,从而确保金属板材在被打磨或裁切时保持水平状态,或通过拉动拉杆带动限位销脱离限位槽,从而进行转动调节金属板材位于上方的侧面,使用方便;本发明通过锁紧销插入锁紧槽,使转动轴的无外力的作用下不易转动,从而使相应的两个夹板保持水平状态,从而方便对金属板材进行装夹;本发明通过第二电机带动打磨盘转动至电机座的正下方对金属板材进行打磨,或通过第二电机带动铣刀转动至电机座的正下方对金属板材进行裁切,具有功能齐全的优点。
附图说明
为了更清楚地说明本发明实施例或现有技术中的技术方案,下面将对实施例或现有技术描述中所需要使用的附图作简单地介绍,显而易见地,下面描述中的附图仅仅是本发明的一些实施例,对于本领域普通技术人员来讲,在不付出创造性劳动性的前提下,还可以根据这些附图获得其他的附图。
图1是本发明实施例的结构示意图;
图2是本发明实施例的安装座的结构示意图;
图3是图1中Ⅰ部分的局部放大图;
图4是图1中Ⅱ部分的局部放大图;
图5是图1中左视示意图;
图6是图5中Ⅲ部分的局部放大图;
图7是图1的俯视示意图。
图中:1-工作台;2-支撑座;201-定支撑座;202-动支撑座;3-转动轴;4-安装座;5-安装槽;6-夹板;7-双向螺柱;8-旋钮;9-滑道;10-丝杆;11-旋把;12-通孔;13-第一安装腔;14-过孔;15-限位销;16-限位槽;17-第一挡板;18-第一弹簧;19-拉杆;20-辅助孔;21-第二安装腔;22-圆孔;23-锁紧销;24-锁紧槽;25-第二挡板;26-第二弹簧;27-支撑柱;28-横梁;29-滑槽;30-电动推杆;31-连接座;32-滑动道;33-电动伸缩杆;34-液压缸;35-移动座;36-安装板;37-电机座;38-竖轴;39-打磨盘;40-铣刀;41-辅助腔;42-第一电机;43-第一齿轮;44-第二齿轮;45-铰接轴;46-第二电机;47-金属板材。
具体实施方式
如图1至图7所示,一种金属板材表面打磨切割一体装置,包括工作台1,所述工作台1上左右相对设有两个支撑座2,两个所述支撑座2上分别转动安装有左右延伸的转动轴3,所述支撑座2与所述转动轴3之间设有限位机构,两个所述转动轴3的内端分别固定安装有板材夹具;所述工作台1上还左右滑动安装有龙门支架,所述龙门支架上设有打磨切割一体机构。使用时,通过两个板材夹具分别夹持金属板材47的左右两端,通过限位机构调使金属板材47保持水平状态,然后通过打磨切割一体机构对金属板材47位于上方的侧面进行打磨,打磨完毕之后,通过调节限位机构使金属板材47转动一百八十度,使金属板材47未被打磨的一侧向上,然后通过打磨切割一体机构对金属板材47的另一侧面进行打磨,对金属板材47的两个侧面均打磨完毕之后,通过打磨切割一体机构将金属板材47裁切成合适大小即可。
如图2所示,所述板材夹具包括固定安装在所述转动轴3的内端的安装座4,所述安装座4远离相应的所述转动轴3的一侧设有安装槽5,所述安装槽5内上下活动安装有两个水平的夹板6,两个所述夹板6上下相对设置于所述安装槽5内;所述安装槽5内还设有竖向延伸的双向螺柱7,所述双向螺柱7的外侧设有旋向相反的外螺纹,所述双向螺柱7通过端部的光杆转动安装在所述安装槽5内,两个所述夹板6分别旋合在所述双向螺柱7的不同旋向的外螺纹上;述双向螺柱7两端的光杆分别延伸至所述安装座4的外侧并固定安装有旋钮8。
具体使用时,将金属板材47的一端置于两个夹板6之间,通过正向转动双向螺柱7带动两个夹板6沿安装槽5向内移动夹持金属板材47,或通过反向转动双向螺柱7带动两个夹板6沿安装槽5向外移动松开金属板材47。
如图1所示,两个所述支撑座2分别为位于左侧的定支撑座201和位于右侧的动支撑座202,所述定支撑座201固定安装在所述工作台1上,所述工作台1上设有左右延伸的滑道9,所述滑道9位于所述定支撑座201的右侧,所述动支撑座202活动安装在所述滑道9内,所述滑道9内还设有带动所述动支撑座202左右移动的连动机构。
具体的,所述连动机构包括与所述滑道9同向延伸的丝杆10,所述丝杆10通过端部的光杆转动安装在所述滑道9内,所述动支撑座202旋合在所述丝杆10上;所述丝杆10的右端延伸至所述工作台1的外侧并固安装有旋把11。
使用时,可通过摇动旋把11带动丝杆10转动,丝杆10转动时带动动支撑座202沿滑道9左右移动,从而调节两个支撑座2或两个板材夹具之间的距离,从而方便夹持不同长度的金属板材47。
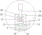
如图3所示,所述支撑座2上设有左右延伸的通孔12,相应的所述转动轴3转动安装在所述通孔12内;所述限位机构包括位于所述定支撑座201内的第一安装腔13,所述第一安装腔13设有向下延伸并连通相应的所述通孔12的过孔14,所述过孔14内活动安装有限位销15,相应的所述转动轴3的外侧相对地设有两个与所述限位销15相匹配的限位槽16,当所述限位销15插入任一所述限位槽16内时,相应的所述夹板6呈水平状态;所述限位销15的上端固定安装有位于所述第一安装腔13内的第一挡板17,所述第一挡板17的上侧与所述第一安装腔13之间设有第一弹簧18;所述第一挡板17上还固定安装有向上延伸的拉杆19,所述定支撑座201上设有供所述拉杆19穿出的辅助孔20。
当限位销15插入任一限位槽16内时,相应的夹板6呈水平状态,从而确保两个夹板6之间夹持的金属板材47同样为水平状态,此时定支撑座201内的转动轴3不可在通孔12内转动,从而确保金属板材47在被打磨或裁切时保持水平状态;当对金属板材47的一个侧面打磨完毕后,可通过拉动拉杆19带动第一挡板17向远离通孔14的一侧移动并使第一弹簧18压缩,同时第一挡板17带动限位销15收进过孔14内并脱离初始时插入的限位槽16,失去了限位销15的限位作用后,可转动转动轴3;当转动轴3转动至第二个限位槽16与过孔14对齐时,此时转动轴3带动安装座4转动一百八十度,使金属板材47未被打磨的一侧向上,松开拉杆19后,在第一弹簧18的推动下,挡板17带动限位销15插入第二个限位槽16使转动轴3不可继续转动,从而对金属板材47的另一面进行打磨。
如图4所示,所述限位机构还包括位于所述动支撑座202内的第二安装腔21,所述第二安装腔21设有向下延伸并连通相应的所述通孔12的圆孔22,所述圆孔22内活动安装有锁紧销23,所述锁紧销23的下端呈半球形,相应的所述转动轴3的外侧相对地设有两个与所述锁紧销23相匹配的半球形的锁紧槽24,当所述锁紧销23插入任一所述锁紧槽24内时,相应的所述夹板6呈水平状态;所述锁紧销23的上方固定安装有位于所述第二安装腔21内的第二挡板25,所述第二挡板25的上侧与所述第二安装腔21之间设有第二弹簧26。
将锁紧销23的下端设置为半球形目的在于,当通过外力使动支撑座202内的转动轴3在通孔12内转动时,转动轴3与锁紧销23的下端相对移动,转动轴3可通过推动锁紧销23的下端的半球形面使锁紧销23向上移动收进圆孔22内从而不阻挡转动轴3转动;当转动轴3转动至任一锁紧槽24与圆孔22对齐时,在第二弹簧26的推动下,第二挡板25带动锁紧销23插入此锁紧槽24,使转动轴3的无外力的作用下不易转动,从而使相应的两个夹板6保持水平状态,从而方便对金属板材47进行装夹。
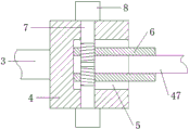
如图5所示,所述龙门支架包括前后相对设置的两个支撑柱27,两个所述支撑柱27的上端之间固定安装有横梁28;所述工作台1的上端面前后相对设有两个与所述支撑柱27一一对应的滑槽29,所述滑槽29左右延伸,两个所述支撑座2均位于两个所述滑槽29之间,所述支撑柱27的下端活动安装在相应的所述滑槽29内;所述滑槽29与相应的支撑柱27之间还设有带动所述支撑柱27沿所述滑槽29移动的电动推杆30。
如图5和图6所示,所述打磨切割一体机构包括位于所述横梁的下方的连接座31,所述横梁28的下侧设有前后延伸的滑动道32,所述连接座31活动安装在所述滑动道32内,所述连接座31与所述滑动道32之间还设有带动所述连接座31沿所述滑动道32移动的电动伸缩杆33;所述连接座31的下端固定安装有向下延伸的液压缸34,所述液压缸34的下端固定安装有移动座35,所述移动座35的下端相对固定安装有两个安装板36,两个安装板36之间设有电机座37;所述电机座37上转动安装有竖轴38,所述竖轴38的两端均延伸至所述电机座37的外侧,所述竖轴38的一端固定安装有打磨盘39,所述竖轴38的另一端固定安装有铣刀40;所述电机座37内设有辅助腔41,所述辅助腔41内固定安装有第一电机42,所述第一电机42的转动轴上同轴固定安装有第一齿轮43,所述竖轴38上同轴固定安装有与所述第一齿轮43相啮合的第二齿轮44;所述电机座37相对的两个侧面上分别固定安装有铰接轴45,所述电机座37通过两个所述铰接轴45转动安装在两个所述安装板36之间,其中一个所述安装板36上还固定安装有带动所述电机座37转动的第二电机46。
具体使用时,当需要对金属板材47进行打磨时,可通过第二电机46带动电机座37转动,使打磨盘39转动至电机座37的正下方,或当需要对金属板材47进行裁切时,可通过第二电机46带动电机座37转动,使铣刀40转动至电机座37的正下方;然后通过第一电机42带动第一齿轮43转动,第一齿轮43带动第二齿轮44和竖轴38转动,竖轴38转动时带动打磨盘39和铣刀40转动;然后通过液压缸34伸展带动打磨盘39或铣刀40向下移动作用在金属板材47上对金属板材47进行打磨或裁切。在打磨或裁切过程中,通过电动推杆30带动支撑柱27在滑槽29内左右移动,支撑柱27通过横梁28、连接座31、移动座35带动电机座37左右移动,电机座37带动打磨盘39或铣刀40左右移动;通过电动伸缩杆33带动连接座31在滑动道32内前后移动,连接座31通过移动座35带动电机座37前后移动,电机座37带动打磨盘39或铣刀40前后移动。
以上显示和描述了本发明的基本原理、主要特征及本发明的优点。本行业的技术人员应该了解,本发明不受上述实施例的限制,上述实施例和说明书中描述的只是说明本发明的原理,在不脱离本发明精神和范围的前提下,本发明还会有各种变化和改进,这些变化和改进都落入要求保护的本发明范围内。本发明要求保护范围由所附的权利要求书及其等效物界定。

Claims (4)

1.一种金属板材表面打磨切割一体装置,其特征在于:包括工作台,所述工作台上左右相对设有两个支撑座,两个所述支撑座上分别转动安装有左右延伸的转动轴,所述支撑座与所述转动轴之间设有限位机构,两个所述转动轴的内端分别固定安装有板材夹具;所述板材夹具包括固定安装在所述转动轴的内端的安装座,所述安装座远离相应的所述转动轴的一侧设有安装槽,所述安装槽内上下活动安装有两个水平的夹板,两个所述夹板上下相对设置于所述安装槽内;所述工作台上还左右滑动安装有龙门支架,所述龙门支架上设有打磨切割一体机构;
所述龙门支架包括前后相对设置的两个支撑柱,两个所述支撑柱的上端之间固定安装有横梁;所述工作台的上端面前后相对设有两个与所述支撑柱一一对应的滑槽,所述滑槽左右延伸,两个所述支撑座均位于两个所述滑槽之间,所述支撑柱的下端活动安装在相应的所述滑槽内;所述滑槽与相应的支撑柱之间还设有带动所述支撑柱沿所述滑槽移动的电动推杆;
所述打磨切割一体装置包括位于所述横梁的下方的连接座,所述横梁的下侧设有前后延伸的滑动道,所述连接座活动安装在所述滑动道内,所述连接座与所述滑动道之间还设有带动所述连接座沿所述滑动道移动的电动伸缩杆;所述连接座的下端固定安装有向下延伸的液压缸,所述液压缸的下端固定安装有移动座,所述移动座的下端相对固定安装有两个安装板,两个安装板之间设有电机座;所述电机座上转动安装有竖轴,所述竖轴的两端均延伸至所述电机座的外侧,所述竖轴的一端固定安装有打磨盘,所述竖轴的另一端固定安装有铣刀;所述电机座内设有辅助腔,所述辅助腔内固定安装有第一电机,所述第一电机的转动轴上同轴固定安装有第一齿轮,所述竖轴上同轴固定安装有与所述第一齿轮相啮合的第二齿轮;所述电机座相对的两个侧面上分别固定安装有铰接轴,所述电机座通过两个所述铰接轴转动安装在两个所述安装板之间,其中一个所述安装板上还固定安装有带动所述电机座转动的第二电机;
所述支撑座上设有左右延伸的通孔,相应的所述转动轴转动安装在所述通孔内;两个所述支撑座分别为位于左侧的定支撑座和位于右侧的动支撑座,所述限位机构包括位于所述定支撑座内的第一安装腔,所述第一安装腔设有向下延伸并连通相应的所述通孔的过孔,所述过孔内活动安装有限位销,相应的所述转动轴的外侧相对地设有两个与所述限位销相匹配的限位槽,当所述限位销插入任一所述限位槽内时,相应的所述夹板呈水平状态;所述限位销的上端固定安装有位于所述第一安装腔内的第一挡板,所述第一挡板的上侧与所述第一安装腔之间设有第一弹簧;所述第一挡板上还固定安装有向上延伸的拉杆,所述定支撑座上设有供所述拉杆穿出的辅助孔;
所述限位机构还包括位于所述动支撑座内的第二安装腔,所述第二安装腔设有向下延伸并连通相应的所述通孔的圆孔,所述圆孔内活动安装有锁紧销,所述锁紧销的下端呈半球形,相应的所述转动轴的外侧相对地设有两个与所述锁紧销相匹配的半球形的锁紧槽,当所述锁紧销插入任一所述锁紧槽内时,相应的所述夹板呈水平状态;所述锁紧销的上方固定安装有位于所述第二安装腔内的第二挡板,所述第二挡板的上侧与所述第二安装腔之间设有第二弹簧。
2.如权利要求1所述的一种金属板材表面打磨切割一体装置,其特征在于:所述安装槽内还设有竖向延伸的双向螺柱,所述双向螺柱的外侧设有旋向相反的外螺纹,所述双向螺柱通过端部的光杆转动安装在所述安装槽内,两个所述夹板分别旋合在所述双向螺柱的不同旋向的外螺纹上;所述双向螺柱两端的光杆分别延伸至所述安装座的外侧并固定安装有旋钮。
3.如权利要求2所述的一种金属板材表面打磨切割一体装置,其特征在于:所述定支撑座固定安装在所述工作台上,所述工作台上设有左右延伸的滑道,所述滑道位于所述定支撑座的右侧,所述动支撑座活动安装在所述滑道内,所述滑道内还设有带动所述动支撑座左右移动的连动机构。
4.如权利要求3所述的一种金属板材表面打磨切割一体装置,其特征在于:所述连动机构包括与所述滑道同向延伸的丝杆,所述丝杆通过端部的光杆转动安装在所述滑道内,所述动支撑座旋合在所述丝杆上;所述丝杆的右端延伸至所述工作台的外侧并固安装有旋把。
CN202010034307.9A 2020-01-14 2020-01-14 一种金属板材表面打磨切割一体装置 Active CN110842579B (zh)

Priority Applications (1)

Application Number Priority Date Filing Date Title
CN202010034307.9A CN110842579B (zh) 2020-01-14 2020-01-14 一种金属板材表面打磨切割一体装置

Applications Claiming Priority (1)

Application Number Priority Date Filing Date Title
CN202010034307.9A CN110842579B (zh) 2020-01-14 2020-01-14 一种金属板材表面打磨切割一体装置

Publications (2)

Publication Number Publication Date
CN110842579A CN110842579A (zh) 2020-02-28
CN110842579B true CN110842579B (zh) 2020-05-26

Family

ID=69610689

Family Applications (1)

Application Number Title Priority Date Filing Date
CN202010034307.9A Active CN110842579B (zh) 2020-01-14 2020-01-14 一种金属板材表面打磨切割一体装置

Country Status (1)

Country Link
CN (1) CN110842579B (zh)

Families Citing this family (5)

* Cited by examiner, † Cited by third party
Publication number Priority date Publication date Assignee Title
CN112846649B (zh) * 2020-12-24 2022-05-06 常州市瑞悦车业有限公司 一种固定在散热器上方的横梁结构
CN114311168A (zh) * 2021-12-21 2022-04-12 唐山市宝珠家具有限公司 一种用于家具产品的全自动加工系统及其加工方法
CN117340626B (zh) * 2023-12-06 2024-02-09 浙江天能电池江苏新能源有限公司 一种新型节能电池箱生产加工装置
CN117921378B (zh) * 2024-01-30 2024-07-12 盐城金韦尔智能装备有限公司 一种板材切割机及其使用方法
CN119098782B (zh) * 2024-09-05 2025-03-28 山东彩山铝业有限公司 一种用于防火复合板的金属切割装置

Family Cites Families (9)

* Cited by examiner, † Cited by third party
Publication number Priority date Publication date Assignee Title
JP3368139B2 (ja) * 1996-03-19 2003-01-20 東芝機械株式会社 電子ビーム描画装置用試料ステージ
CN206561330U (zh) * 2017-03-06 2017-10-17 东莞市佳鸿五金有限公司 一种金属切削打磨一体化设备
CN107443116A (zh) * 2017-08-07 2017-12-08 芜湖挺优机电技术有限公司 机械加工用板材可转动夹具
CN107685242A (zh) * 2017-08-31 2018-02-13 芜湖挺优机电技术有限公司 一种机械加工用夹持用具
CN108372405B (zh) * 2018-01-30 2020-11-06 冯坚钢 一种板材加工用钻孔打磨一体化机械
CN209335286U (zh) * 2018-03-01 2019-09-03 江苏食品药品职业技术学院 一种汽车配件双面打磨装置
CN208494683U (zh) * 2018-06-29 2019-02-15 宿迁市金板木业有限公司 一种板材加工用具有翻转功能的喷漆装置
CN109397005A (zh) * 2018-10-09 2019-03-01 四川省长江龙科技有限公司 一种手机液晶显示屏玻璃切割打磨一体机
CN209919607U (zh) * 2019-06-03 2020-01-10 仁新实业发展(信阳)有限公司 石英石板材抛光机

Also Published As

Publication number Publication date
CN110842579A (zh) 2020-02-28

Similar Documents

Publication Publication Date Title
CN110842579B (zh) 一种金属板材表面打磨切割一体装置
CN111085735B (zh) 一种用于非渐开线变厚齿轮的加工装置
CN207982765U (zh) 数控立式车磨复合机床
CN112658822A (zh) 应用于高硬度玻璃钻头制备装置
CN111408796B (zh) 一种旋转式齿盘壁螺纹孔倒角机
CN118060638B (zh) 一种齿轮加工用磨齿机及其磨齿方法
CN120461135A (zh) 一种高精度滚珠丝杆螺母磨削装置
CN113352153A (zh) 一种便于多角度反复打磨的磨刀机
CN215470295U (zh) 一种水钻加工用多工位多角度自动化磨面抛光装置
CN111571420A (zh) 一种机械设备生产用多级磨床
CN216138691U (zh) 一种便于调节角度的汽车零部件用打磨装置
CN201505851U (zh) 一种全自动磨切机
CN215699676U (zh) 一种龙门立式五轴联动数控磨铣加工中心
CN211163238U (zh) 铸件外廓清理工作台
CN213034318U (zh) 一种可转动磨头的砂带磨床
CN115055743A (zh) 一种用于磨削的智能机床
CN208841180U (zh) 一种传动齿轮生产用外圆磨床夹持装置
CN218800987U (zh) 一种钻头加工用打磨装置
CN220839447U (zh) 一种分气缸加工用缸壳打磨装置
CN222520801U (zh) 一种钢板生产用表面处理用去毛刺装置
CN220561060U (zh) 多功能直刀磨刀机
CN222903629U (zh) 一种铣刀加工定位装置
CN221539190U (zh) 一种管件切割面磨光机
CN222038074U (zh) 一种黄金饰品加工用抛光装置
CN221583129U (zh) 一种用于机械加工的多功能打磨设备

Legal Events

Date Code Title Description
PB01 Publication
PB01 Publication
SE01 Entry into force of request for substantive examination
SE01 Entry into force of request for substantive examination
GR01 Patent grant
GR01 Patent grant
TR01 Transfer of patent right

Effective date of registration: 20211108

Address after: 223800 south of Weier Road, ecological Chemical Technology Industrial Park, Suqian City, Jiangsu Province

Patentee after: Suqian Suyun plate making Co.,Ltd.

Address before: 264006 Zhujianglu Road 92, Yantai economic and Technological Development Zone, Shandong

Patentee before: YANTAI ENGINEERING & TECHNOLOGY College

TR01 Transfer of patent right
TR01 Transfer of patent right

Effective date of registration: 20250905

Address after: 256600 Dongguan Village, Dianzi Town, Bosheng County, Binzhou City, Shandong Province

Patentee after: Shandong Jiazhuofeng Metal Materials Co.,Ltd.

Country or region after: China

Address before: 223800 south of Weier Road, ecological Chemical Technology Industrial Park, Suqian City, Jiangsu Province

Patentee before: Suqian Suyun plate making Co.,Ltd.

Country or region before: China

TR01 Transfer of patent right