RU2025769C1 - Device for formation of faber-shauder functions - Google Patents
Device for formation of faber-shauder functions Download PDFInfo
- Publication number
- RU2025769C1 RU2025769C1 SU5012253A RU2025769C1 RU 2025769 C1 RU2025769 C1 RU 2025769C1 SU 5012253 A SU5012253 A SU 5012253A RU 2025769 C1 RU2025769 C1 RU 2025769C1
- Authority
- RU
- Russia
- Prior art keywords
- group
- elements
- output
- level
- outputs
- Prior art date
Links
Images
Landscapes
- Complex Calculations (AREA)
Abstract
Description
Изобретение относится к области автоматического управления и вычислительной технике и представляет собой устройство формирования функций Фабера-Шаудера, которое может быть использовано в анализаторах спектра Фабера-Шаудера и в качестве самостоятельного генератора. The invention relates to the field of automatic control and computer engineering and is a device for generating Faber-Schauder functions, which can be used in Faber-Schauder spectrum analyzers and as an independent generator.
Известен цифровой генератор ортогональных функций, содержащий кольцевой регистр номера функции, регистр аргумента, элемент И, одноразрядный регистр сдвига, блок преобразования прямого кода в дополнительный, два триггера, сумматор по модулю два, блок формирования пачек импульсов, дополнительный блок преобразования прямого кода в дополнительный и множительный блок. Назначение генератора - формирование обычных и квадратичных функций Фабера-Шаудера. Недостатком его является сложность конструкции. A well-known digital generator of orthogonal functions, containing a ring register of function numbers, argument register, AND element, one-bit shift register, unit for converting direct code to additional, two triggers, adder modulo two, unit for generating bursts of pulses, additional unit for converting direct code to additional and multiplying block. The purpose of the generator is the formation of ordinary and quadratic Faber-Schauder functions. Its disadvantage is the complexity of the design.
Известен также цифровой генератор функций, содержащий первый триггер сдвига, элемент И, второй регистр сдвига, вычитающий счетчик, два триггера, блок формирования пачек импульсов, два элемента ИЛИ, два элемента ИЛИ-НЕ, сумматор по модулю два, реверсивный счетчик и блок сравнения. Назначение цифрового генератора функций - формирование в цифровом виде функций Хаара и Фабера-Шаудера. Недостатком его является сложность. Also known is a digital function generator containing a first shift trigger, an AND element, a second shift register, a subtracting counter, two triggers, a pulse train forming unit, two OR elements, two OR-NOT elements, an adder modulo two, a reversible counter, and a comparison unit. The purpose of the digital function generator is the digitalization of the Haar and Faber-Schauder functions. Its disadvantage is complexity.
Известен функциональный генератор, содержащий тактовый генератор, счетчик, m+1 интеграторов, ключи и элементы И. Назначение функционального генератора - формирование функций Фабера-Шаудера. Недостаток - избыточное количество интеграторов, из-за чего усложняется конструкция. Known functional generator containing a clock generator, counter, m + 1 integrators, keys and elements I. The purpose of the functional generator is the formation of Faber-Schauder functions. The disadvantage is the excessive number of integrators, which complicates the design.
Наиболее близким к заявляемому является устройство формирования сигналов Радемахера, содержащее тактовый генератор, выход которого соединен с входом m-разрядного двоичного счетчика (m - число формируемых сигналов Радемахера), m-1 сумматоров по модулю два, причем i-й и (i+1)-й (i = 1, 2, ... , m-1) разрядные выходы счетчика (нумерация со стороны младшего разряда) подключены к входам i-го сумматора по модулю два, интегратор, m-1 знаковых умножителей и m блоков смещения уровня, причем m-й разрядный выход счетчика подключен к входу интегратора, выход i-го сумматора по модулю два - к знаковому входу i-го знакового умножителя, информационный вход и выход i-го знакового умножителя подключены соответственно к выходу (i+1)-го блока смещения уровня и к входу i-го блока смещения уровня, выход интегратора подключен к входу m-го блока смещения уровня, выходы всех блоков смещения уровня являются выходами устройства. Назначение устройства - формирование интегральных (кусочно-линейных) ортогональных сигналов Радемахера. Недостатком его является невозможность формирования полной системы сигналов, например, Фабера-Шаудера. Closest to the claimed is a Rademacher signal generation device containing a clock, the output of which is connected to the input of an m-bit binary counter (m is the number of generated Rademacher signals), m-1 adders modulo two, with the i-th and (i + 1 ) -th (i = 1, 2, ..., m-1) counter outputs of the counter (numbering from the low-order side) are connected to the inputs of the i-th adder modulo two, an integrator, m-1 signed multipliers and m bias units level, and the mth bit output of the counter is connected to the input of the integrator, the output of the i-th total modulo two - to the sign input of the i-th sign multiplier, the information input and output of the i-sign sign multiplier are connected respectively to the output of the (i + 1) -th block of level displacement and to the input of the i-th block of level displacement, the output of the integrator is connected to the input of the m-th block of level displacement, the outputs of all blocks of level displacement are outputs of the device. The purpose of the device is the formation of integral (piecewise linear) orthogonal Rademacher signals. Its disadvantage is the impossibility of forming a complete system of signals, for example, Faber-Schauder.
Целью изобретения является расширение функциональных возможностей устройства за счет формирования полной системы функций Фабера-Шаудера и его упрощение. The aim of the invention is to expand the functionality of the device due to the formation of a complete system of Faber-Schauder functions and its simplification.
Цель достигается тем, что устройство формирования функций Фабера-Шаудера, содержащее тактовый генератор, выход которого соединен с входом m-разрядного двоичного счетчика, m-1 сумматоров по модулю два (2m-1 - число формируемых функций), причем i-й и (i+1)-й (i = 1, 2, ..., m-1) разрядные выходы счетчика подключены к входам i-го сумматора по модулю два, интегратор, к входу которого подключен m-й разрядный выход m-разрядного двоичного счетчика, группу из m блоков смещения уровня, группу из m-1 знаковых перемножителей, при этом выход i-го сумматора по модулю два подключен к знаковому входу i-го знакового перемножителя, информационный вход и выход i-го знакового перемножителя группы из m-1 знаковых перемножителей подключены соответственно к выходу (i+1)-го блока смещения уровня и к входу i-го блока смещения уровня группы из m блоков смещения уровня, дополнительно содержит m-2 блоков смещения уровня, m-2 групп элементов И, при этом в каждой k-й группе содержится 2k+1 элементов И, m-1 групп ключей, содержащих в каждой r-й (r = 1, 2, ..., m-1) группе 2r ключей, выход каждого блока смещения уровня группы из m блоков смещения уровня, кроме первого и m-го, соединены с входом блока смещения дополнительной группы из m-2 блоков смещения уровня, выход первого блока смещения уровня группы из m блоков смещения уровня и выходы блоков смещения уровня дополнительных m-2 блоков смещения уровня соединены с информационными входами групп ключей, выход первого блока смещения уровня группы из m блоков смещения уровня соединен с информационным входом двух ключей первой группы, управляющие входы которых соединены с m-м прямым и инверсным выходами m-разрядного двоичного счетчика, выход k-го блока смещения уровня дополнительной группы из m-2 блоков смещения уровня соединен с информационным входом (k+1)-й группы ключей, выход интегратора и выходы ключей всех групп ключей являются информационными выходами устройства формирования функций Фабера-Шаудера, управляющие входы второй и последующих групп ключей соединены с выходами первой и последующих групп элементов И, первые и вторые входы элементов И первой группы элементов И попарно соединены с прямыми и инверсными выходами m-го и (m-1)-го разрядов m-разрядного двоичного счетчика, а выход каждого элемента И первой группы элементов И соединен с парой входов двух различных элементов И второй группы элементов И, остальные входы элементов И второй группы элементов И соединены соответственно поровну с прямыми и инверсными выходами (m-2)-го разряда m-разрядного двоичного счетчика, а выходы элементов И второй группы элементов И соединены с управляющими входами ключей третьей группы ключей, входы каждой пары элементов И k-й группы элементов И соединены с выходами элементов И (r-1)-й группы элементов И, а остальные входы соединены соответственно поровну с прямыми и инверсными выходами (m-k)-го разряда m-разрядного двоичного счетчика, выходы элементов И k-й группы элементов И соединены с управляющими входами ключей (k+1)-й группы ключей и соединены попарно с входами двух различных элементов И (k+1)-й группы элементов И.The goal is achieved in that the device for generating Faber-Schauder functions, containing a clock, the output of which is connected to the input of the m-bit binary counter, m-1 adders modulo two (2 m -1 - the number of generated functions), and the i-th and (i + 1) -th (i = 1, 2, ..., m-1) counter outputs are connected to the inputs of the i-th adder modulo two, an integrator, to the input of which the m-th bit output of the m-bit binary counter, a group of m level offset blocks, a group of m-1 signed multipliers, and the output of the i-th adder modulo two under is connected to the sign input of the i-th sign multiplier, the information input and output of the i-sign sign multiplier of the group of m-1 sign multipliers are connected respectively to the output of the (i + 1) -th block of the level offset and to the input of the i-th block of the level shift of m blocks of level displacement, additionally contains m-2 blocks of level displacement, m-2 groups of And elements, with each k-th group containing 2 k + 1 elements of And, m-1 groups of keys containing in each r-th (r = 1, 2, ..., m-1) to a group of 2 r keys, the output of each group level shift block from m level shift blocks I, except the first and the mth, are connected to the input of the bias block of an additional group of m-2 level bias blocks, the output of the first block of the group level bias from m level bias blocks and the outputs of the level bias blocks of the additional m-2 level bias blocks are connected to information inputs of key groups, the output of the first block of the level shift of the group of m blocks of level shift is connected to the information input of two keys of the first group, the control inputs of which are connected to the m-th direct and inverse outputs of the m-bit binary counter, the output is k o the level shifting unit of an additional group of m-2 level shifting blocks is connected to the information input of the (k + 1) th key group, the integrator output and key outputs of all key groups are information outputs of the Faber-Schauder function generation device, the control inputs of the second and subsequent key groups are connected to the outputs of the first and subsequent groups of AND elements, the first and second inputs of AND elements of the first group of AND elements are paired with direct and inverse outputs of the mth and (m-1) th bits of the m-bit binary counter, and the output of each element AND of the first group of elements AND is connected to a pair of inputs of two different elements AND of the second group of elements AND, the remaining inputs of the elements AND of the second group of elements AND are connected respectively equally with the direct and inverse outputs of the (m-2) th discharge of the m-bit binary counter and the outputs of the elements AND of the second group of elements AND are connected to the control inputs of the keys of the third group of keys, the inputs of each pair of elements AND of the k-th group of elements AND are connected to the outputs of the elements And (r-1) -th group of elements And, and the rest of the inputs are connected respectively, equally with direct and inverse outputs of the (mk) th discharge of the m-bit binary counter, the outputs of the AND elements of the kth group of elements AND are connected to the control inputs of the keys of the (k + 1) th group of keys and are connected in pairs with the inputs of two different elements And the (k + 1) th group of elements of I.
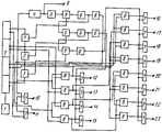
На чертеже представлено устройство формирования функций Фабера-Шаудера для случая формирования пятнадцати функций. Оно содержит тактовый генератор 1, выход которого соединен с входом четырехразрядного двоичного счетчика 2, три сумматора 3 по модулю два, интегратор 4, три знаковых перемножителя 5, группу из четырех блоков 6 смещения уровня и дополнительную группу из двух блоков 6 смещения уровня, дополнительные три группы ключей 7 и две группы элементов И 8. Первая группа ключей содержит два ключа 7, вторая - четыре, а третья - восемь. Первая группа элементов И содержит четыре элемента И 8, а вторая - восемь. Кроме того, имеются пятнадцать информационных выходов 9 - 23 устройства. Выходы i-го и (i+1)-го (i = 1, 2, 3) разрядов четырехразрядного двоичного счетчика 2 соединены с входами i-го сумматора 3 по модулю два. Четвертый разряд четырехразрядного счетчика 2 соединен с входом интегратора 4, выход которого соединен с входом четвертого блока 6 смещения уровня. Выход i-го сумматора 3 по модулю два соединен со знаковым входом i-го знакового перемножителя 5. Информационные входы и выходы i-го знакового перемножителя 5 соединены с выходом (i +1)-го блока 6 смещения уровня и с входом i-го блока 6 смещения уровня группы из четырех блоков смещения уровня. Выходы блоков 6 смещения уровня группы из четырех блоков смещения уровня, кроме первого и четвертого, соединены соответственно с входами блоков 6 смещения уровня дополнительной группы из двух блоков смещения уровня. Выход первого блока 6 смещения уровня группы из четырех блоков смещения уровня соединен с информационными входами двух ключей 7 первой группы ключей, управляющие входы которых соединены соответственно с прямым и инверсным выходом четвертого разряда счетчика 2. Выход первого блока 6 смещения уровня из дополнительной группы смещения уровня соединен с информационными входами четырех ключей 7 второй группы ключей, а их управляющие входы соединены с выходами четырех элементов И 8 первой группы элементов И. Первые и вторые входы различных элементов И 8 первой группы элементов И попарно соединены с прямыми и инверсными выходами четвертого и третьего разрядов счетчика 2. Выходы элементов И 8 первой группы элементов И соединены попарно с входами двух различных элементов И 8 второй группы элементов И. Выход второго блока 6 смещения уровня дополнительной группы из двух блоков смещения уровня соединен с информационными входами восьми ключей 7 третьей группы ключей, управляющие входы которых подключены к выходам элементов И 8 второй группы элементов И. Вторые входы элементов И 8 второй группы элементов И, свободные от соединения с выходами элементов И 8 первой группы элементов И, соединены поровну с прямыми и инверсными выходами второго разряда счетчика 2. The drawing shows a device for generating Faber-Schauder functions for the case of the formation of fifteen functions. It contains a
Устройство функционирует следующим образом. The device operates as follows.
В момент начала работы устройства тактовые импульсы с выхода генератора 1 подаются на вход счетчика 2, который формирует сигналы Радемахера R1, R2, R3 и R4. Сигнал Радемахера R1 поступает на вход интегратора 4, где интегрируется и превращается в первую треугольную функцию Фабера-Шаудера, которая снимается с выхода 9 устройства. Эта функция подается на вход третьего знакового перемножителя 5, на знаковый вход которого подается функция R1⊕ R2 , где ⊕ - символ суммирования по модулю два, в результате чего на его выходе получают вторую интегральную функцию Радемахера, которая третьим блоком 6 смещения уровня смещается по уровню и подается одновременно на первый блок 6 смещения уровня дополнительной группы из двух блоков 6 смещения уровня и на информационный вход второго знакового перемножителя 5. В результате дополнительного смещения в первом блоке 6 смещения уровня дополнительной группы смещения уровня на его выходе получают функцию, которая на периоде представляется двумя последовательными треугольными функциями. Они подаются на информационные входы двух ключей 7 первой группы ключей, на управляющие входы которых подается прямой и инверсный сигналы Радемахера. В результате этого на выходах 10 и 11 ключей 7 получают соответственно вторую и третью функции Фабера-Шаудера. На знаковый вход второго знакового перемножителя 5 подается функция R2⊕ R3, в результате этого на его выходе получают третью интегральную функцию Радемахера, которая одновременно поступает на второй блок 6 смещения уровня дополнительной группы из двух блоков 6 смещения уровня и на информационный вход первого знакового перемножителя 5. В результате дополнительного смещения в блоке 6 смещения уровня третья интегральная функция Радемахера превращается в функцию, имеющую на своем интервале определения четыре последовательные треугольные функции, которые поступают на информационные входы четырех ключей 7 второй группы ключей, управление которыми осуществляется с помощью элементов И 8 первой группы элементов И. На первый и второй входы первого элемента И 8 первой группы элементов И подаются функции R1 и R2, а на его выходе имеют функцию , поэтому первый ключ 7 открыт в первую четверть интервала определения функции, и на его выходе 12 получают четвертую функцию Фабера-Шаудера. Второй ключ 7 с помощью управляющего сигнала R1 R открыт во второй четверти интервала определения функции, и на его выходе 13 получают пятую функцию Фабера-Шаудера. Третий ключ 7 управляющим сигналом R2 открыт на третьей четверти интервала определения функции, и на его выходе 14 получают шестую функцию Фабера-Шаудера. Аналогично четвертый ключ 7 второй группы ключей сигналом открыт только на последней четверти интервала определения функции, поэтому с выхода 15 получают седьмую функцию Фабера-Шаудера.At the time the device starts to work, clock pulses from the output of the
На знаковый вход первого знакового перемножителя 5 подается функция R3⊕ R4 , поэтому на его выходе получают четвертую интегральную функцию Радемахера, которая с помощью первого блока 6 смещения уровня группы из четырех блоков смещения уровня смещается по уровню и представляет собой последовательный набор из восьми треугольных функций на интервале ее определения. Эта функция подается на информационные входы ключей 7 третьей группы ключей, на управляющие входы которых подаются управляющие функции , RR, R, RR, R, R, и , поэтому с выходов 16 - 23 устройства получают остальные восемь функций Фабера-Шаудера аналогично изложенному выше. Через шестнадцать тактов работы устройство возвращается в исходное состояние.The function R 3 ⊕ R 4 is supplied to the sign input of the
Из рассмотренного следует, что, во-первых, устройство действительно позволяет получить искомые функции Фабера-Шаудера, а во-вторых, оно действительно проще известных. From the above it follows that, firstly, the device really allows you to get the desired Faber-Schauder functions, and secondly, it is really simpler than the known ones.
Claims (1)
Priority Applications (1)
| Application Number | Priority Date | Filing Date | Title |
|---|---|---|---|
| SU5012253 RU2025769C1 (en) | 1991-08-16 | 1991-08-16 | Device for formation of faber-shauder functions |
Applications Claiming Priority (1)
| Application Number | Priority Date | Filing Date | Title |
|---|---|---|---|
| SU5012253 RU2025769C1 (en) | 1991-08-16 | 1991-08-16 | Device for formation of faber-shauder functions |
Publications (1)
| Publication Number | Publication Date |
|---|---|
| RU2025769C1 true RU2025769C1 (en) | 1994-12-30 |
Family
ID=21589375
Family Applications (1)
| Application Number | Title | Priority Date | Filing Date |
|---|---|---|---|
| SU5012253 RU2025769C1 (en) | 1991-08-16 | 1991-08-16 | Device for formation of faber-shauder functions |
Country Status (1)
| Country | Link |
|---|---|
| RU (1) | RU2025769C1 (en) |
-
1991
- 1991-08-16 RU SU5012253 patent/RU2025769C1/en active
Non-Patent Citations (2)
| Title |
|---|
| Авторское свидетельство СССР N 1437850, кл. G 06F 1/025, 1986. * |
| Авторское свидетельство СССР N 1487016, кл. G 06F 1/025, 1987. * |
Similar Documents
| Publication | Publication Date | Title |
|---|---|---|
| RU2025769C1 (en) | Device for formation of faber-shauder functions | |
| RU2081450C1 (en) | Generator of n-bit random sequence | |
| RU2022332C1 (en) | Orthogonal digital signal generator | |
| SU1539774A1 (en) | Pseudorandom series generator | |
| RU2012054C1 (en) | Device for exhaustion of permutations | |
| RU2051406C1 (en) | Device for generation of faber-schauder signals | |
| SU1697071A1 (en) | Orthogonal signal generator | |
| SU1511865A2 (en) | Binary code transmission device | |
| SU1504803A1 (en) | N-ary code shaper | |
| SU1259494A1 (en) | Code converter | |
| SU1198533A1 (en) | Device for simulating phase jitter of pulses of code sequence | |
| SU739603A1 (en) | Multichannel pseudorandom number generator | |
| SU1023326A1 (en) | Orthogonal pseudorandom sequence generator | |
| SU1651383A1 (en) | Bipulse-to-binary code converter | |
| RU2047895C1 (en) | Spectrum analyzer | |
| RU1772801C (en) | Generator of discrete orthogonal signal system | |
| RU96107384A (en) | DEVICE FOR FORMING A RESIDUAL BY MODULE FROM NUMBER | |
| SU860082A1 (en) | Stochastic integrator | |
| SU1423997A1 (en) | Haar signal generator | |
| SU1180917A1 (en) | Permutation generator | |
| RU2200972C2 (en) | Transorthogonal code generator | |
| SU1674151A1 (en) | Permutation generator | |
| SU1076904A1 (en) | Device for raising to some power | |
| SU1223350A1 (en) | Pseudorandom number generator | |
| SU1746374A1 (en) | Basic function consistent system generator |
