KR20140144683A - 중탄산나트륨 제품 - Google Patents
중탄산나트륨 제품 Download PDFInfo
- Publication number
- KR20140144683A KR20140144683A KR1020147026280A KR20147026280A KR20140144683A KR 20140144683 A KR20140144683 A KR 20140144683A KR 1020147026280 A KR1020147026280 A KR 1020147026280A KR 20147026280 A KR20147026280 A KR 20147026280A KR 20140144683 A KR20140144683 A KR 20140144683A
- Authority
- KR
- South Korea
- Prior art keywords
- sodium bicarbonate
- product
- particles
- hollow
- water
- Prior art date
- Legal status (The legal status is an assumption and is not a legal conclusion. Google has not performed a legal analysis and makes no representation as to the accuracy of the status listed.)
- Abandoned
Links
- UIIMBOGNXHQVGW-UHFFFAOYSA-M Sodium bicarbonate Chemical compound [Na+].OC([O-])=O UIIMBOGNXHQVGW-UHFFFAOYSA-M 0.000 title claims abstract description 469
- 235000017557 sodium bicarbonate Nutrition 0.000 title claims abstract description 234
- 229910000030 sodium bicarbonate Inorganic materials 0.000 title claims abstract description 234
- 239000002245 particle Substances 0.000 claims abstract description 191
- 239000007787 solid Substances 0.000 claims abstract description 27
- 239000013078 crystal Substances 0.000 claims abstract description 25
- 239000003795 chemical substances by application Substances 0.000 claims abstract description 17
- 239000000725 suspension Substances 0.000 claims abstract description 14
- 238000001694 spray drying Methods 0.000 claims abstract description 10
- 238000010411 cooking Methods 0.000 claims abstract description 7
- 239000000047 product Substances 0.000 claims description 173
- 238000000034 method Methods 0.000 claims description 94
- 239000000843 powder Substances 0.000 claims description 81
- XLYOFNOQVPJJNP-UHFFFAOYSA-N water Substances O XLYOFNOQVPJJNP-UHFFFAOYSA-N 0.000 claims description 66
- 239000000203 mixture Substances 0.000 claims description 64
- 235000012459 muffins Nutrition 0.000 claims description 45
- 239000011368 organic material Substances 0.000 claims description 35
- 238000004519 manufacturing process Methods 0.000 claims description 32
- 235000013305 food Nutrition 0.000 claims description 27
- 240000004808 Saccharomyces cerevisiae Species 0.000 claims description 20
- 239000007864 aqueous solution Substances 0.000 claims description 20
- 230000008569 process Effects 0.000 claims description 20
- 238000001704 evaporation Methods 0.000 claims description 15
- 235000010489 acacia gum Nutrition 0.000 claims description 14
- 239000000463 material Substances 0.000 claims description 14
- 150000001720 carbohydrates Chemical class 0.000 claims description 13
- 235000014633 carbohydrates Nutrition 0.000 claims description 13
- 235000013312 flour Nutrition 0.000 claims description 13
- 229920000084 Gum arabic Polymers 0.000 claims description 12
- 239000000205 acacia gum Substances 0.000 claims description 12
- UIIMBOGNXHQVGW-DEQYMQKBSA-M Sodium bicarbonate-14C Chemical compound [Na+].O[14C]([O-])=O UIIMBOGNXHQVGW-DEQYMQKBSA-M 0.000 claims description 10
- 239000006185 dispersion Substances 0.000 claims description 10
- 244000215068 Acacia senegal Species 0.000 claims description 9
- 229920002774 Maltodextrin Polymers 0.000 claims description 9
- 229920002148 Gellan gum Polymers 0.000 claims description 8
- 239000005913 Maltodextrin Substances 0.000 claims description 8
- 229920002472 Starch Polymers 0.000 claims description 8
- 230000008020 evaporation Effects 0.000 claims description 8
- 235000010492 gellan gum Nutrition 0.000 claims description 8
- 239000000216 gellan gum Substances 0.000 claims description 8
- 229940035034 maltodextrin Drugs 0.000 claims description 8
- 239000003755 preservative agent Substances 0.000 claims description 8
- 230000002335 preservative effect Effects 0.000 claims description 8
- 235000019698 starch Nutrition 0.000 claims description 8
- 239000003623 enhancer Substances 0.000 claims description 7
- 229920001277 pectin Polymers 0.000 claims description 6
- 239000001814 pectin Substances 0.000 claims description 6
- 235000010987 pectin Nutrition 0.000 claims description 6
- 239000008107 starch Substances 0.000 claims description 6
- 239000002202 Polyethylene glycol Substances 0.000 claims description 5
- 239000002253 acid Substances 0.000 claims description 5
- 125000002252 acyl group Chemical group 0.000 claims description 5
- 238000000889 atomisation Methods 0.000 claims description 5
- 229920001223 polyethylene glycol Polymers 0.000 claims description 5
- 229920002261 Corn starch Polymers 0.000 claims description 4
- 229920000161 Locust bean gum Polymers 0.000 claims description 4
- 230000002378 acidificating effect Effects 0.000 claims description 4
- 239000008120 corn starch Substances 0.000 claims description 4
- 239000000835 fiber Substances 0.000 claims description 4
- 235000010420 locust bean gum Nutrition 0.000 claims description 4
- 239000000711 locust bean gum Substances 0.000 claims description 4
- 239000012071 phase Substances 0.000 claims description 4
- 229920000642 polymer Polymers 0.000 claims description 4
- 229920001285 xanthan gum Polymers 0.000 claims description 4
- 239000000230 xanthan gum Substances 0.000 claims description 4
- 235000010493 xanthan gum Nutrition 0.000 claims description 4
- 229940082509 xanthan gum Drugs 0.000 claims description 4
- WQZGKKKJIJFFOK-GASJEMHNSA-N Glucose Natural products OC[C@H]1OC(O)[C@H](O)[C@@H](O)[C@@H]1O WQZGKKKJIJFFOK-GASJEMHNSA-N 0.000 claims description 3
- 229920002153 Hydroxypropyl cellulose Polymers 0.000 claims description 3
- JUNWLZAGQLJVLR-UHFFFAOYSA-J calcium diphosphate Chemical compound [Ca+2].[Ca+2].[O-]P([O-])(=O)OP([O-])([O-])=O JUNWLZAGQLJVLR-UHFFFAOYSA-J 0.000 claims description 3
- 229940043256 calcium pyrophosphate Drugs 0.000 claims description 3
- 235000019821 dicalcium diphosphate Nutrition 0.000 claims description 3
- 229920001971 elastomer Polymers 0.000 claims description 3
- 239000008103 glucose Substances 0.000 claims description 3
- 150000004676 glycans Chemical class 0.000 claims description 3
- 239000001863 hydroxypropyl cellulose Substances 0.000 claims description 3
- 235000010977 hydroxypropyl cellulose Nutrition 0.000 claims description 3
- 229920001542 oligosaccharide Polymers 0.000 claims description 3
- 150000002482 oligosaccharides Chemical class 0.000 claims description 3
- 239000004033 plastic Substances 0.000 claims description 3
- 229920003023 plastic Polymers 0.000 claims description 3
- 229920001282 polysaccharide Polymers 0.000 claims description 3
- 239000005017 polysaccharide Substances 0.000 claims description 3
- 229920001592 potato starch Polymers 0.000 claims description 3
- 238000002360 preparation method Methods 0.000 claims description 3
- 102000004169 proteins and genes Human genes 0.000 claims description 3
- 108090000623 proteins and genes Proteins 0.000 claims description 3
- FQENQNTWSFEDLI-UHFFFAOYSA-J sodium diphosphate Chemical compound [Na+].[Na+].[Na+].[Na+].[O-]P([O-])(=O)OP([O-])([O-])=O FQENQNTWSFEDLI-UHFFFAOYSA-J 0.000 claims description 3
- 229940048086 sodium pyrophosphate Drugs 0.000 claims description 3
- 235000019818 tetrasodium diphosphate Nutrition 0.000 claims description 3
- 239000001577 tetrasodium phosphonato phosphate Substances 0.000 claims description 3
- 239000004599 antimicrobial Substances 0.000 claims description 2
- 239000008346 aqueous phase Substances 0.000 claims description 2
- 239000001506 calcium phosphate Substances 0.000 claims description 2
- 238000010438 heat treatment Methods 0.000 claims description 2
- -1 wool Polymers 0.000 claims description 2
- 210000002268 wool Anatomy 0.000 claims description 2
- 229920005613 synthetic organic polymer Polymers 0.000 claims 6
- 239000001785 acacia senegal l. willd gum Substances 0.000 claims 2
- 235000010418 carrageenan Nutrition 0.000 claims 2
- 239000000679 carrageenan Substances 0.000 claims 2
- 229920001525 carrageenan Polymers 0.000 claims 2
- 229940113118 carrageenan Drugs 0.000 claims 2
- 229940099112 cornstarch Drugs 0.000 claims 2
- 239000002861 polymer material Substances 0.000 claims 2
- UHVMMEOXYDMDKI-JKYCWFKZSA-L zinc;1-(5-cyanopyridin-2-yl)-3-[(1s,2s)-2-(6-fluoro-2-hydroxy-3-propanoylphenyl)cyclopropyl]urea;diacetate Chemical compound [Zn+2].CC([O-])=O.CC([O-])=O.CCC(=O)C1=CC=C(F)C([C@H]2[C@H](C2)NC(=O)NC=2N=CC(=CC=2)C#N)=C1O UHVMMEOXYDMDKI-JKYCWFKZSA-L 0.000 claims 2
- 239000004604 Blowing Agent Substances 0.000 claims 1
- ZQKXOSJYJMDROL-UHFFFAOYSA-H aluminum;trisodium;diphosphate Chemical compound [Na+].[Na+].[Na+].[Al+3].[O-]P([O-])([O-])=O.[O-]P([O-])([O-])=O ZQKXOSJYJMDROL-UHFFFAOYSA-H 0.000 claims 1
- YYRMJZQKEFZXMX-UHFFFAOYSA-L calcium bis(dihydrogenphosphate) Chemical compound [Ca+2].OP(O)([O-])=O.OP(O)([O-])=O YYRMJZQKEFZXMX-UHFFFAOYSA-L 0.000 claims 1
- 230000002708 enhancing effect Effects 0.000 claims 1
- 235000001727 glucose Nutrition 0.000 claims 1
- 235000019691 monocalcium phosphate Nutrition 0.000 claims 1
- 229910000150 monocalcium phosphate Inorganic materials 0.000 claims 1
- 238000003860 storage Methods 0.000 claims 1
- 230000008961 swelling Effects 0.000 abstract description 15
- 239000002002 slurry Substances 0.000 abstract description 10
- 239000000126 substance Substances 0.000 abstract description 3
- CURLTUGMZLYLDI-UHFFFAOYSA-N Carbon dioxide Chemical compound O=C=O CURLTUGMZLYLDI-UHFFFAOYSA-N 0.000 description 44
- 235000002639 sodium chloride Nutrition 0.000 description 32
- 238000009826 distribution Methods 0.000 description 31
- 244000299461 Theobroma cacao Species 0.000 description 28
- 239000007921 spray Substances 0.000 description 27
- 239000000243 solution Substances 0.000 description 25
- 235000019219 chocolate Nutrition 0.000 description 24
- 239000000523 sample Substances 0.000 description 24
- 150000003839 salts Chemical class 0.000 description 23
- 239000001569 carbon dioxide Substances 0.000 description 22
- 229910002092 carbon dioxide Inorganic materials 0.000 description 22
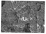
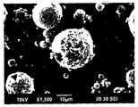
- 238000001878 scanning electron micrograph Methods 0.000 description 21
- 239000011734 sodium Substances 0.000 description 21
- DGAQECJNVWCQMB-PUAWFVPOSA-M Ilexoside XXIX Chemical compound C[C@@H]1CC[C@@]2(CC[C@@]3(C(=CC[C@H]4[C@]3(CC[C@@H]5[C@@]4(CC[C@@H](C5(C)C)OS(=O)(=O)[O-])C)C)[C@@H]2[C@]1(C)O)C)C(=O)O[C@H]6[C@@H]([C@H]([C@@H]([C@H](O6)CO)O)O)O.[Na+] DGAQECJNVWCQMB-PUAWFVPOSA-M 0.000 description 20
- 235000015424 sodium Nutrition 0.000 description 20
- 229910052708 sodium Inorganic materials 0.000 description 20
- FAPWRFPIFSIZLT-UHFFFAOYSA-M Sodium chloride Chemical compound [Na+].[Cl-] FAPWRFPIFSIZLT-UHFFFAOYSA-M 0.000 description 15
- CDBYLPFSWZWCQE-UHFFFAOYSA-L Sodium Carbonate Chemical compound [Na+].[Na+].[O-]C([O-])=O CDBYLPFSWZWCQE-UHFFFAOYSA-L 0.000 description 14
- 230000000694 effects Effects 0.000 description 13
- 238000009472 formulation Methods 0.000 description 13
- 238000003756 stirring Methods 0.000 description 11
- 235000019640 taste Nutrition 0.000 description 11
- 238000002441 X-ray diffraction Methods 0.000 description 9
- 230000000052 comparative effect Effects 0.000 description 9
- 239000011780 sodium chloride Substances 0.000 description 9
- 230000008901 benefit Effects 0.000 description 7
- 238000001035 drying Methods 0.000 description 7
- 229910000029 sodium carbonate Inorganic materials 0.000 description 7
- 235000017550 sodium carbonate Nutrition 0.000 description 7
- 241000209140 Triticum Species 0.000 description 6
- 235000021307 Triticum Nutrition 0.000 description 6
- 238000006243 chemical reaction Methods 0.000 description 6
- 235000009508 confectionery Nutrition 0.000 description 6
- 235000015497 potassium bicarbonate Nutrition 0.000 description 6
- 239000011736 potassium bicarbonate Substances 0.000 description 6
- 229910000028 potassium bicarbonate Inorganic materials 0.000 description 6
- TYJJADVDDVDEDZ-UHFFFAOYSA-M potassium hydrogencarbonate Chemical compound [K+].OC([O-])=O TYJJADVDDVDEDZ-UHFFFAOYSA-M 0.000 description 6
- 230000002829 reductive effect Effects 0.000 description 6
- 244000290333 Vanilla fragrans Species 0.000 description 5
- 235000009499 Vanilla fragrans Nutrition 0.000 description 5
- 235000012036 Vanilla tahitensis Nutrition 0.000 description 5
- 239000004615 ingredient Substances 0.000 description 5
- 238000005259 measurement Methods 0.000 description 5
- 238000001228 spectrum Methods 0.000 description 5
- 239000007858 starting material Substances 0.000 description 5
- 235000000346 sugar Nutrition 0.000 description 5
- 229910021642 ultra pure water Inorganic materials 0.000 description 5
- 239000012498 ultrapure water Substances 0.000 description 5
- ATRRKUHOCOJYRX-UHFFFAOYSA-N Ammonium bicarbonate Chemical compound [NH4+].OC([O-])=O ATRRKUHOCOJYRX-UHFFFAOYSA-N 0.000 description 4
- 229910000013 Ammonium bicarbonate Inorganic materials 0.000 description 4
- CIWBSHSKHKDKBQ-JLAZNSOCSA-N Ascorbic acid Chemical compound OC[C@H](O)[C@H]1OC(=O)C(O)=C1O CIWBSHSKHKDKBQ-JLAZNSOCSA-N 0.000 description 4
- BVKZGUZCCUSVTD-UHFFFAOYSA-M Bicarbonate Chemical compound OC([O-])=O BVKZGUZCCUSVTD-UHFFFAOYSA-M 0.000 description 4
- 235000009470 Theobroma cacao Nutrition 0.000 description 4
- 235000012538 ammonium bicarbonate Nutrition 0.000 description 4
- 239000001099 ammonium carbonate Substances 0.000 description 4
- 230000000845 anti-microbial effect Effects 0.000 description 4
- 210000002969 egg yolk Anatomy 0.000 description 4
- 239000003995 emulsifying agent Substances 0.000 description 4
- 235000013310 margarine Nutrition 0.000 description 4
- 239000003264 margarine Substances 0.000 description 4
- 230000007246 mechanism Effects 0.000 description 4
- 235000019198 oils Nutrition 0.000 description 4
- 235000021023 sodium intake Nutrition 0.000 description 4
- CHHHXKFHOYLYRE-UHFFFAOYSA-M 2,4-Hexadienoic acid, potassium salt (1:1), (2E,4E)- Chemical compound [K+].CC=CC=CC([O-])=O CHHHXKFHOYLYRE-UHFFFAOYSA-M 0.000 description 3
- 239000008367 deionised water Substances 0.000 description 3
- 229910021641 deionized water Inorganic materials 0.000 description 3
- 238000004090 dissolution Methods 0.000 description 3
- 239000012456 homogeneous solution Substances 0.000 description 3
- 239000004302 potassium sorbate Substances 0.000 description 3
- 229940069338 potassium sorbate Drugs 0.000 description 3
- 235000010241 potassium sorbate Nutrition 0.000 description 3
- 230000009467 reduction Effects 0.000 description 3
- 238000007873 sieving Methods 0.000 description 3
- 239000002904 solvent Substances 0.000 description 3
- TWRXJAOTZQYOKJ-UHFFFAOYSA-L Magnesium chloride Chemical compound [Mg+2].[Cl-].[Cl-] TWRXJAOTZQYOKJ-UHFFFAOYSA-L 0.000 description 2
- WCUXLLCKKVVCTQ-UHFFFAOYSA-M Potassium chloride Chemical compound [Cl-].[K+] WCUXLLCKKVVCTQ-UHFFFAOYSA-M 0.000 description 2
- 239000004373 Pullulan Substances 0.000 description 2
- 229920001218 Pullulan Polymers 0.000 description 2
- 241000607479 Yersinia pestis Species 0.000 description 2
- 239000004480 active ingredient Substances 0.000 description 2
- 235000015895 biscuits Nutrition 0.000 description 2
- 239000007844 bleaching agent Substances 0.000 description 2
- 238000004140 cleaning Methods 0.000 description 2
- 150000001875 compounds Chemical class 0.000 description 2
- 238000000354 decomposition reaction Methods 0.000 description 2
- 235000015872 dietary supplement Nutrition 0.000 description 2
- 201000006549 dyspepsia Diseases 0.000 description 2
- 238000000635 electron micrograph Methods 0.000 description 2
- 239000004088 foaming agent Substances 0.000 description 2
- 230000036541 health Effects 0.000 description 2
- 239000003112 inhibitor Substances 0.000 description 2
- 230000000704 physical effect Effects 0.000 description 2
- BASFCYQUMIYNBI-UHFFFAOYSA-N platinum Chemical compound [Pt] BASFCYQUMIYNBI-UHFFFAOYSA-N 0.000 description 2
- 235000019423 pullulan Nutrition 0.000 description 2
- 239000002994 raw material Substances 0.000 description 2
- 238000005070 sampling Methods 0.000 description 2
- 229920006395 saturated elastomer Polymers 0.000 description 2
- 235000020238 sunflower seed Nutrition 0.000 description 2
- 229920001059 synthetic polymer Polymers 0.000 description 2
- 238000012360 testing method Methods 0.000 description 2
- VTYYLEPIZMXCLO-UHFFFAOYSA-L Calcium carbonate Chemical class [Ca+2].[O-]C([O-])=O VTYYLEPIZMXCLO-UHFFFAOYSA-L 0.000 description 1
- UXVMQQNJUSDDNG-UHFFFAOYSA-L Calcium chloride Chemical compound [Cl-].[Cl-].[Ca+2] UXVMQQNJUSDDNG-UHFFFAOYSA-L 0.000 description 1
- BVKZGUZCCUSVTD-UHFFFAOYSA-L Carbonate Chemical compound [O-]C([O-])=O BVKZGUZCCUSVTD-UHFFFAOYSA-L 0.000 description 1
- 241000272194 Ciconiiformes Species 0.000 description 1
- ZZZCUOFIHGPKAK-UHFFFAOYSA-N D-erythro-ascorbic acid Natural products OCC1OC(=O)C(O)=C1O ZZZCUOFIHGPKAK-UHFFFAOYSA-N 0.000 description 1
- 241000588724 Escherichia coli Species 0.000 description 1
- 206010020772 Hypertension Diseases 0.000 description 1
- 239000002211 L-ascorbic acid Substances 0.000 description 1
- 235000000069 L-ascorbic acid Nutrition 0.000 description 1
- 241000186779 Listeria monocytogenes Species 0.000 description 1
- 229920000881 Modified starch Polymers 0.000 description 1
- 239000004368 Modified starch Substances 0.000 description 1
- 241000237502 Ostreidae Species 0.000 description 1
- 229910019142 PO4 Inorganic materials 0.000 description 1
- 244000131316 Panax pseudoginseng Species 0.000 description 1
- 235000005035 Panax pseudoginseng ssp. pseudoginseng Nutrition 0.000 description 1
- 235000003140 Panax quinquefolius Nutrition 0.000 description 1
- 229920005372 Plexiglas® Polymers 0.000 description 1
- 241000589517 Pseudomonas aeruginosa Species 0.000 description 1
- 241000282849 Ruminantia Species 0.000 description 1
- 241000191967 Staphylococcus aureus Species 0.000 description 1
- 208000006011 Stroke Diseases 0.000 description 1
- 229930003268 Vitamin C Natural products 0.000 description 1
- 150000007513 acids Chemical class 0.000 description 1
- 230000002411 adverse Effects 0.000 description 1
- 230000004075 alteration Effects 0.000 description 1
- GHHVYBBTKTVOPA-UHFFFAOYSA-K aluminum;sodium;phosphate Chemical compound [Na+].[Al+3].[O-]P([O-])([O-])=O GHHVYBBTKTVOPA-UHFFFAOYSA-K 0.000 description 1
- 238000004458 analytical method Methods 0.000 description 1
- 229940069428 antacid Drugs 0.000 description 1
- 239000003159 antacid agent Substances 0.000 description 1
- RJGDLRCDCYRQOQ-UHFFFAOYSA-N anthrone Chemical compound C1=CC=C2C(=O)C3=CC=CC=C3CC2=C1 RJGDLRCDCYRQOQ-UHFFFAOYSA-N 0.000 description 1
- 230000001458 anti-acid effect Effects 0.000 description 1
- 230000000844 anti-bacterial effect Effects 0.000 description 1
- 230000000843 anti-fungal effect Effects 0.000 description 1
- 239000003963 antioxidant agent Substances 0.000 description 1
- 230000003078 antioxidant effect Effects 0.000 description 1
- 235000006708 antioxidants Nutrition 0.000 description 1
- 238000013459 approach Methods 0.000 description 1
- 229960005070 ascorbic acid Drugs 0.000 description 1
- 239000003637 basic solution Substances 0.000 description 1
- 230000002902 bimodal effect Effects 0.000 description 1
- 230000000853 biopesticidal effect Effects 0.000 description 1
- 238000005422 blasting Methods 0.000 description 1
- 239000000872 buffer Substances 0.000 description 1
- 239000001110 calcium chloride Substances 0.000 description 1
- 229910001628 calcium chloride Inorganic materials 0.000 description 1
- 229910000389 calcium phosphate Inorganic materials 0.000 description 1
- 235000011010 calcium phosphates Nutrition 0.000 description 1
- JYYOBHFYCIDXHH-UHFFFAOYSA-N carbonic acid;hydrate Chemical compound O.OC(O)=O JYYOBHFYCIDXHH-UHFFFAOYSA-N 0.000 description 1
- 210000004027 cell Anatomy 0.000 description 1
- 230000001276 controlling effect Effects 0.000 description 1
- 238000007796 conventional method Methods 0.000 description 1
- 238000001816 cooling Methods 0.000 description 1
- 230000002596 correlated effect Effects 0.000 description 1
- 230000000875 corresponding effect Effects 0.000 description 1
- 239000006071 cream Substances 0.000 description 1
- 239000002781 deodorant agent Substances 0.000 description 1
- 238000004332 deodorization Methods 0.000 description 1
- 230000001877 deodorizing effect Effects 0.000 description 1
- 239000003599 detergent Substances 0.000 description 1
- 239000003085 diluting agent Substances 0.000 description 1
- 230000009977 dual effect Effects 0.000 description 1
- 239000000975 dye Substances 0.000 description 1
- 235000006694 eating habits Nutrition 0.000 description 1
- 230000000504 effect on taste Effects 0.000 description 1
- 239000000839 emulsion Substances 0.000 description 1
- 238000004880 explosion Methods 0.000 description 1
- 239000002360 explosive Substances 0.000 description 1
- 239000012530 fluid Substances 0.000 description 1
- 238000005187 foaming Methods 0.000 description 1
- 235000012041 food component Nutrition 0.000 description 1
- 239000005417 food ingredient Substances 0.000 description 1
- 235000003599 food sweetener Nutrition 0.000 description 1
- 235000008434 ginseng Nutrition 0.000 description 1
- PCHJSUWPFVWCPO-UHFFFAOYSA-N gold Chemical compound [Au] PCHJSUWPFVWCPO-UHFFFAOYSA-N 0.000 description 1
- 239000010931 gold Substances 0.000 description 1
- 229910052737 gold Inorganic materials 0.000 description 1
- 230000005484 gravity Effects 0.000 description 1
- 208000024798 heartburn Diseases 0.000 description 1
- 239000003845 household chemical Substances 0.000 description 1
- 239000003317 industrial substance Substances 0.000 description 1
- 230000002401 inhibitory effect Effects 0.000 description 1
- 239000000543 intermediate Substances 0.000 description 1
- 239000010985 leather Substances 0.000 description 1
- 239000007788 liquid Substances 0.000 description 1
- 244000144972 livestock Species 0.000 description 1
- 229910001629 magnesium chloride Inorganic materials 0.000 description 1
- 235000013372 meat Nutrition 0.000 description 1
- 230000000813 microbial effect Effects 0.000 description 1
- 235000019426 modified starch Nutrition 0.000 description 1
- 235000016337 monopotassium tartrate Nutrition 0.000 description 1
- 239000010448 nahcolite Substances 0.000 description 1
- 239000010447 natron Substances 0.000 description 1
- 229920005615 natural polymer Polymers 0.000 description 1
- 238000006386 neutralization reaction Methods 0.000 description 1
- 230000003472 neutralizing effect Effects 0.000 description 1
- 235000015097 nutrients Nutrition 0.000 description 1
- 235000020636 oyster Nutrition 0.000 description 1
- 239000003973 paint Substances 0.000 description 1
- 239000006072 paste Substances 0.000 description 1
- 230000035515 penetration Effects 0.000 description 1
- 235000021317 phosphate Nutrition 0.000 description 1
- 150000003013 phosphoric acid derivatives Chemical class 0.000 description 1
- 238000007747 plating Methods 0.000 description 1
- 229910052697 platinum Inorganic materials 0.000 description 1
- 239000004926 polymethyl methacrylate Substances 0.000 description 1
- KYKNRZGSIGMXFH-ZVGUSBNCSA-M potassium bitartrate Chemical compound [K+].OC(=O)[C@H](O)[C@@H](O)C([O-])=O KYKNRZGSIGMXFH-ZVGUSBNCSA-M 0.000 description 1
- 239000001103 potassium chloride Substances 0.000 description 1
- 235000011164 potassium chloride Nutrition 0.000 description 1
- 239000002244 precipitate Substances 0.000 description 1
- 238000012545 processing Methods 0.000 description 1
- 230000005180 public health Effects 0.000 description 1
- 238000000197 pyrolysis Methods 0.000 description 1
- 102200042353 rs1130335 Human genes 0.000 description 1
- 210000004767 rumen Anatomy 0.000 description 1
- 235000019643 salty taste Nutrition 0.000 description 1
- 235000020161 semi-skimmed milk Nutrition 0.000 description 1
- 235000020183 skimmed milk Nutrition 0.000 description 1
- 235000012237 sodium aluminium phosphate Nutrition 0.000 description 1
- 229910001415 sodium ion Inorganic materials 0.000 description 1
- 239000011343 solid material Substances 0.000 description 1
- 235000013599 spices Nutrition 0.000 description 1
- 238000010561 standard procedure Methods 0.000 description 1
- 239000003765 sweetening agent Substances 0.000 description 1
- 239000000606 toothpaste Substances 0.000 description 1
- 229940034610 toothpaste Drugs 0.000 description 1
- IQQWMJSNEUUJAY-UHFFFAOYSA-D trialuminum;sodium;dihydrogen phosphate;hydrogen phosphate;tetrahydrate Chemical compound O.O.O.O.[Na+].[Al+3].[Al+3].[Al+3].OP(O)([O-])=O.OP(O)([O-])=O.OP(O)([O-])=O.OP(O)([O-])=O.OP(O)([O-])=O.OP(O)([O-])=O.OP([O-])([O-])=O.OP([O-])([O-])=O IQQWMJSNEUUJAY-UHFFFAOYSA-D 0.000 description 1
- QORWJWZARLRLPR-UHFFFAOYSA-H tricalcium bis(phosphate) Chemical compound [Ca+2].[Ca+2].[Ca+2].[O-]P([O-])([O-])=O.[O-]P([O-])([O-])=O QORWJWZARLRLPR-UHFFFAOYSA-H 0.000 description 1
- 235000019154 vitamin C Nutrition 0.000 description 1
- 239000011718 vitamin C Substances 0.000 description 1
Images
Classifications
-
- A—HUMAN NECESSITIES
- A21—BAKING; EDIBLE DOUGHS
- A21D—TREATMENT OF FLOUR OR DOUGH FOR BAKING, e.g. BY ADDITION OF MATERIALS; BAKING; BAKERY PRODUCTS
- A21D10/00—Batters, dough or mixtures before baking
- A21D10/002—Dough mixes; Baking or bread improvers; Premixes
- A21D10/005—Solid, dry or compact materials; Granules; Powders
-
- C—CHEMISTRY; METALLURGY
- C01—INORGANIC CHEMISTRY
- C01D—COMPOUNDS OF ALKALI METALS, i.e. LITHIUM, SODIUM, POTASSIUM, RUBIDIUM, CAESIUM, OR FRANCIUM
- C01D7/00—Carbonates of sodium, potassium or alkali metals in general
-
- A—HUMAN NECESSITIES
- A01—AGRICULTURE; FORESTRY; ANIMAL HUSBANDRY; HUNTING; TRAPPING; FISHING
- A01N—PRESERVATION OF BODIES OF HUMANS OR ANIMALS OR PLANTS OR PARTS THEREOF; BIOCIDES, e.g. AS DISINFECTANTS, AS PESTICIDES OR AS HERBICIDES; PEST REPELLANTS OR ATTRACTANTS; PLANT GROWTH REGULATORS
- A01N25/00—Biocides, pest repellants or attractants, or plant growth regulators, characterised by their forms, or by their non-active ingredients or by their methods of application, e.g. seed treatment or sequential application; Substances for reducing the noxious effect of the active ingredients to organisms other than pests
- A01N25/12—Powders or granules
-
- A—HUMAN NECESSITIES
- A01—AGRICULTURE; FORESTRY; ANIMAL HUSBANDRY; HUNTING; TRAPPING; FISHING
- A01N—PRESERVATION OF BODIES OF HUMANS OR ANIMALS OR PLANTS OR PARTS THEREOF; BIOCIDES, e.g. AS DISINFECTANTS, AS PESTICIDES OR AS HERBICIDES; PEST REPELLANTS OR ATTRACTANTS; PLANT GROWTH REGULATORS
- A01N59/00—Biocides, pest repellants or attractants, or plant growth regulators containing elements or inorganic compounds
-
- A—HUMAN NECESSITIES
- A21—BAKING; EDIBLE DOUGHS
- A21D—TREATMENT OF FLOUR OR DOUGH FOR BAKING, e.g. BY ADDITION OF MATERIALS; BAKING; BAKERY PRODUCTS
- A21D2/00—Treatment of flour or dough by adding materials thereto before or during baking
- A21D2/02—Treatment of flour or dough by adding materials thereto before or during baking by adding inorganic substances
-
- A—HUMAN NECESSITIES
- A21—BAKING; EDIBLE DOUGHS
- A21D—TREATMENT OF FLOUR OR DOUGH FOR BAKING, e.g. BY ADDITION OF MATERIALS; BAKING; BAKERY PRODUCTS
- A21D2/00—Treatment of flour or dough by adding materials thereto before or during baking
- A21D2/08—Treatment of flour or dough by adding materials thereto before or during baking by adding organic substances
- A21D2/14—Organic oxygen compounds
-
- A—HUMAN NECESSITIES
- A21—BAKING; EDIBLE DOUGHS
- A21D—TREATMENT OF FLOUR OR DOUGH FOR BAKING, e.g. BY ADDITION OF MATERIALS; BAKING; BAKERY PRODUCTS
- A21D2/00—Treatment of flour or dough by adding materials thereto before or during baking
- A21D2/08—Treatment of flour or dough by adding materials thereto before or during baking by adding organic substances
- A21D2/14—Organic oxygen compounds
- A21D2/18—Carbohydrates
-
- A—HUMAN NECESSITIES
- A21—BAKING; EDIBLE DOUGHS
- A21D—TREATMENT OF FLOUR OR DOUGH FOR BAKING, e.g. BY ADDITION OF MATERIALS; BAKING; BAKERY PRODUCTS
- A21D2/00—Treatment of flour or dough by adding materials thereto before or during baking
- A21D2/08—Treatment of flour or dough by adding materials thereto before or during baking by adding organic substances
- A21D2/14—Organic oxygen compounds
- A21D2/18—Carbohydrates
- A21D2/181—Sugars or sugar alcohols
-
- A—HUMAN NECESSITIES
- A21—BAKING; EDIBLE DOUGHS
- A21D—TREATMENT OF FLOUR OR DOUGH FOR BAKING, e.g. BY ADDITION OF MATERIALS; BAKING; BAKERY PRODUCTS
- A21D2/00—Treatment of flour or dough by adding materials thereto before or during baking
- A21D2/08—Treatment of flour or dough by adding materials thereto before or during baking by adding organic substances
- A21D2/14—Organic oxygen compounds
- A21D2/18—Carbohydrates
- A21D2/183—Natural gums
-
- A—HUMAN NECESSITIES
- A23—FOODS OR FOODSTUFFS; TREATMENT THEREOF, NOT COVERED BY OTHER CLASSES
- A23L—FOODS, FOODSTUFFS OR NON-ALCOHOLIC BEVERAGES, NOT OTHERWISE PROVIDED FOR; PREPARATION OR TREATMENT THEREOF
- A23L33/00—Modifying nutritive qualities of foods; Dietetic products; Preparation or treatment thereof
- A23L33/10—Modifying nutritive qualities of foods; Dietetic products; Preparation or treatment thereof using additives
- A23L33/16—Inorganic salts, minerals or trace elements
-
- C—CHEMISTRY; METALLURGY
- C01—INORGANIC CHEMISTRY
- C01D—COMPOUNDS OF ALKALI METALS, i.e. LITHIUM, SODIUM, POTASSIUM, RUBIDIUM, CAESIUM, OR FRANCIUM
- C01D7/00—Carbonates of sodium, potassium or alkali metals in general
- C01D7/38—Preparation in the form of granules, pieces or other shaped products
-
- C—CHEMISTRY; METALLURGY
- C08—ORGANIC MACROMOLECULAR COMPOUNDS; THEIR PREPARATION OR CHEMICAL WORKING-UP; COMPOSITIONS BASED THEREON
- C08K—Use of inorganic or non-macromolecular organic substances as compounding ingredients
- C08K3/00—Use of inorganic substances as compounding ingredients
- C08K3/18—Oxygen-containing compounds, e.g. metal carbonyls
- C08K3/24—Acids; Salts thereof
- C08K3/26—Carbonates; Bicarbonates
-
- C—CHEMISTRY; METALLURGY
- C08—ORGANIC MACROMOLECULAR COMPOUNDS; THEIR PREPARATION OR CHEMICAL WORKING-UP; COMPOSITIONS BASED THEREON
- C08L—COMPOSITIONS OF MACROMOLECULAR COMPOUNDS
- C08L3/00—Compositions of starch, amylose or amylopectin or of their derivatives or degradation products
-
- C—CHEMISTRY; METALLURGY
- C08—ORGANIC MACROMOLECULAR COMPOUNDS; THEIR PREPARATION OR CHEMICAL WORKING-UP; COMPOSITIONS BASED THEREON
- C08L—COMPOSITIONS OF MACROMOLECULAR COMPOUNDS
- C08L5/00—Compositions of polysaccharides or of their derivatives not provided for in groups C08L1/00 or C08L3/00
-
- C—CHEMISTRY; METALLURGY
- C08—ORGANIC MACROMOLECULAR COMPOUNDS; THEIR PREPARATION OR CHEMICAL WORKING-UP; COMPOSITIONS BASED THEREON
- C08L—COMPOSITIONS OF MACROMOLECULAR COMPOUNDS
- C08L5/00—Compositions of polysaccharides or of their derivatives not provided for in groups C08L1/00 or C08L3/00
- C08L5/06—Pectin; Derivatives thereof
-
- C—CHEMISTRY; METALLURGY
- C08—ORGANIC MACROMOLECULAR COMPOUNDS; THEIR PREPARATION OR CHEMICAL WORKING-UP; COMPOSITIONS BASED THEREON
- C08L—COMPOSITIONS OF MACROMOLECULAR COMPOUNDS
- C08L5/00—Compositions of polysaccharides or of their derivatives not provided for in groups C08L1/00 or C08L3/00
- C08L5/12—Agar or agar-agar, i.e. mixture of agarose and agaropectin; Derivatives thereof
-
- C—CHEMISTRY; METALLURGY
- C08—ORGANIC MACROMOLECULAR COMPOUNDS; THEIR PREPARATION OR CHEMICAL WORKING-UP; COMPOSITIONS BASED THEREON
- C08K—Use of inorganic or non-macromolecular organic substances as compounding ingredients
- C08K3/00—Use of inorganic substances as compounding ingredients
- C08K3/18—Oxygen-containing compounds, e.g. metal carbonyls
- C08K3/24—Acids; Salts thereof
- C08K3/26—Carbonates; Bicarbonates
- C08K2003/262—Alkali metal carbonates
-
- Y—GENERAL TAGGING OF NEW TECHNOLOGICAL DEVELOPMENTS; GENERAL TAGGING OF CROSS-SECTIONAL TECHNOLOGIES SPANNING OVER SEVERAL SECTIONS OF THE IPC; TECHNICAL SUBJECTS COVERED BY FORMER USPC CROSS-REFERENCE ART COLLECTIONS [XRACs] AND DIGESTS
- Y10—TECHNICAL SUBJECTS COVERED BY FORMER USPC
- Y10T—TECHNICAL SUBJECTS COVERED BY FORMER US CLASSIFICATION
- Y10T428/00—Stock material or miscellaneous articles
- Y10T428/29—Coated or structually defined flake, particle, cell, strand, strand portion, rod, filament, macroscopic fiber or mass thereof
- Y10T428/2982—Particulate matter [e.g., sphere, flake, etc.]
Landscapes
- Chemical & Material Sciences (AREA)
- Life Sciences & Earth Sciences (AREA)
- Engineering & Computer Science (AREA)
- Organic Chemistry (AREA)
- Health & Medical Sciences (AREA)
- Food Science & Technology (AREA)
- Inorganic Chemistry (AREA)
- Polymers & Plastics (AREA)
- Materials Engineering (AREA)
- Chemical Kinetics & Catalysis (AREA)
- Medicinal Chemistry (AREA)
- Molecular Biology (AREA)
- General Health & Medical Sciences (AREA)
- Mycology (AREA)
- Nutrition Science (AREA)
- Pest Control & Pesticides (AREA)
- Agronomy & Crop Science (AREA)
- Plant Pathology (AREA)
- Dentistry (AREA)
- Wood Science & Technology (AREA)
- Zoology (AREA)
- Environmental Sciences (AREA)
- Toxicology (AREA)
- Medicinal Preparation (AREA)
- Detergent Compositions (AREA)
- General Preparation And Processing Of Foods (AREA)
- Cosmetics (AREA)
- Coloring Foods And Improving Nutritive Qualities (AREA)
- Seeds, Soups, And Other Foods (AREA)
- Processes Of Treating Macromolecular Substances (AREA)
- Compositions Of Macromolecular Compounds (AREA)
- Grain Derivatives (AREA)
- Bakery Products And Manufacturing Methods Therefor (AREA)
Applications Claiming Priority (3)
| Application Number | Priority Date | Filing Date | Title |
|---|---|---|---|
| GB201202797A GB201202797D0 (en) | 2012-02-20 | 2012-02-20 | Sodium bicarbonate product |
| GB1202797.5 | 2012-02-20 | ||
| PCT/GB2013/050412 WO2013124652A1 (en) | 2012-02-20 | 2013-02-20 | Sodium bicarbonate product |
Publications (1)
| Publication Number | Publication Date |
|---|---|
| KR20140144683A true KR20140144683A (ko) | 2014-12-19 |
Family
ID=45939825
Family Applications (1)
| Application Number | Title | Priority Date | Filing Date |
|---|---|---|---|
| KR1020147026280A Abandoned KR20140144683A (ko) | 2012-02-20 | 2013-02-20 | 중탄산나트륨 제품 |
Country Status (14)
| Country | Link |
|---|---|
| US (1) | US9648884B2 (enExample) |
| EP (1) | EP2816907B1 (enExample) |
| JP (1) | JP6621988B2 (enExample) |
| KR (1) | KR20140144683A (enExample) |
| CN (1) | CN104244739B (enExample) |
| AR (1) | AR090108A1 (enExample) |
| AU (1) | AU2013223882B2 (enExample) |
| CA (1) | CA2864402C (enExample) |
| ES (1) | ES2637660T3 (enExample) |
| GB (1) | GB201202797D0 (enExample) |
| IL (1) | IL234112A (enExample) |
| IN (1) | IN2014DN07158A (enExample) |
| MX (1) | MX348866B (enExample) |
| WO (1) | WO2013124652A1 (enExample) |
Cited By (1)
| Publication number | Priority date | Publication date | Assignee | Title |
|---|---|---|---|---|
| KR20240137366A (ko) | 2023-03-08 | 2024-09-20 | 순천향대학교 산학협력단 | 중탄산나트륨을 포함하는 운동수행능력 개선용 또는 위장관 장해 개선용 장용성 제제 |
Families Citing this family (9)
| Publication number | Priority date | Publication date | Assignee | Title |
|---|---|---|---|---|
| JP6367222B2 (ja) * | 2012-12-21 | 2018-08-01 | ソルヴェイ(ソシエテ アノニム) | 噴霧法により製造される炭酸水素ナトリウム粒子 |
| FR3007753A1 (fr) * | 2013-06-26 | 2015-01-02 | Solvay | Procede de preparation de particules de bicarbonate de metal alcalin |
| US20210237035A1 (en) * | 2014-06-20 | 2021-08-05 | Church & Dwight Co., Inc. | Hollow core granules, products incorporating the granules, and methods of preparing the granules |
| EP3037387A1 (en) * | 2014-12-22 | 2016-06-29 | Solvay SA | Alkali metal bicarbonate particles with exceptional flowability |
| GB201518909D0 (en) * | 2015-10-26 | 2015-12-09 | Tate & Lyle Technology Ltd | A formulation |
| CN105540618B (zh) * | 2015-12-23 | 2017-03-29 | 湖南工业大学 | 一种碳酸氢钠及其制备方法和碳酸氢钠在发泡材料中的应用 |
| KR101976246B1 (ko) * | 2016-11-22 | 2019-05-07 | 롯데첨단소재(주) | 항균성 열가소성 수지 조성물 및 이로부터 제조된 성형품 |
| JP7475270B2 (ja) * | 2017-07-20 | 2024-04-26 | ソルヴェイ(ソシエテ アノニム) | 発泡剤としての官能化微粒子重炭酸塩、それを含有する発泡性ポリマー組成物、及び熱可塑性発泡ポリマーの製造でのその使用 |
| WO2021216986A1 (en) * | 2020-04-24 | 2021-10-28 | Church & Dwight Co., Inc. | Hollow core granules, products incorporating the granules, and methods of preparing the granules |
Family Cites Families (23)
| Publication number | Priority date | Publication date | Assignee | Title |
|---|---|---|---|---|
| US3647365A (en) | 1970-01-06 | 1972-03-07 | Olin Corp | Coarse light sodium bicarbonate |
| US4900577A (en) * | 1983-03-30 | 1990-02-13 | Nabisco Brands, Inc. | Leavening composition for crackers |
| GB8710291D0 (en) * | 1987-04-30 | 1987-06-03 | Unilever Plc | Preparation of granular detergent composition |
| JPH0576309A (ja) | 1991-09-19 | 1993-03-30 | Takara Shuzo Co Ltd | 塩味料粉末 |
| US5262134A (en) * | 1992-02-21 | 1993-11-16 | Fmc Corporation | Process for producing sodium salts from brines of sodium ores |
| US5417963A (en) * | 1992-12-08 | 1995-05-23 | Church & Dwight Co., Inc. | Hydrophilic polymer-coated microcrystallites of bicarbonate ingredient |
| US5482702A (en) * | 1993-04-27 | 1996-01-09 | Church & Dwight Co., Inc. | Hydrophilic polymer-coated microcrystallites of bicarbonate salt |
| US5693334A (en) | 1995-10-05 | 1997-12-02 | Church & Dwight Co., Inc. | Chewing gum product with dental health benefits |
| JP2001270956A (ja) * | 2000-03-24 | 2001-10-02 | Iwata Kagaku Kogyo Kk | 発泡剤及び発泡剤組成物 |
| JP4515780B2 (ja) * | 2004-01-16 | 2010-08-04 | 奥多摩工業株式会社 | 中空柱状炭酸カルシウムおよびその製造方法 |
| JP2006238868A (ja) * | 2005-03-04 | 2006-09-14 | Masaya Nagai | カルシウム系の酸味緩和剤と膨張剤を使用した食品等々 |
| US8361361B2 (en) * | 2006-03-24 | 2013-01-29 | Ingenia Polymers Corp. | Foaming agents for thermoplastic resins and method of preparing same |
| RU2418413C2 (ru) * | 2006-11-29 | 2011-05-20 | Мицуй Кемикалс, Инк. | Композиция для контроля болезней растений и повреждений растений насекомыми, способ профилактики указанных болезней и повреждений (варианты), семя растения и древесина для экспорта/импорта |
| JP5371195B2 (ja) * | 2007-02-23 | 2013-12-18 | ハッポー化学工業株式会社 | 艶消し木質調木口材 |
| JP2008255243A (ja) * | 2007-04-05 | 2008-10-23 | Furukawa Electric Co Ltd:The | 樹脂発泡体の製造方法 |
| JP5007184B2 (ja) * | 2007-09-19 | 2012-08-22 | 三井化学アグロ株式会社 | 病害虫防除方法 |
| CN101367531A (zh) * | 2008-04-07 | 2009-02-18 | 崔怀奇 | 一种将表面工程技术应用于天然碱生产领域的联合制碱法 |
| GB0807919D0 (enExample) | 2008-05-01 | 2008-06-04 | Moorlodge Biotech Ventures Ltd | |
| JP5411450B2 (ja) * | 2008-05-30 | 2014-02-12 | 昭和シェル石油株式会社 | 抗菌性潤滑剤組成物 |
| DK2328426T3 (en) * | 2008-07-31 | 2014-12-08 | Senomyx Inc | COMPOSITIONS INCLUDING SWEET AMPLIFIERS AND PROCEDURES FOR PRODUCING THEREOF |
| JP2011017968A (ja) * | 2009-07-10 | 2011-01-27 | Oki Data Corp | 現像装置および画像形成装置 |
| US20110207554A1 (en) * | 2010-02-24 | 2011-08-25 | Bridgestone Sports Co., Ltd. | Multiple-piece golf ball |
| JP2011213822A (ja) * | 2010-03-31 | 2011-10-27 | Mitsui Chemicals Inc | エチレン・ブテン・非共役ポリエン共重合体、該共重合体を含むゴム組成物および該組成物の用途 |
-
2012
- 2012-02-20 GB GB201202797A patent/GB201202797D0/en not_active Ceased
-
2013
- 2013-02-20 WO PCT/GB2013/050412 patent/WO2013124652A1/en not_active Ceased
- 2013-02-20 IN IN7158DEN2014 patent/IN2014DN07158A/en unknown
- 2013-02-20 KR KR1020147026280A patent/KR20140144683A/ko not_active Abandoned
- 2013-02-20 CN CN201380010263.4A patent/CN104244739B/zh not_active Expired - Fee Related
- 2013-02-20 ES ES13721983.8T patent/ES2637660T3/es active Active
- 2013-02-20 MX MX2014010030A patent/MX348866B/es active IP Right Grant
- 2013-02-20 US US14/380,027 patent/US9648884B2/en not_active Expired - Fee Related
- 2013-02-20 EP EP13721983.8A patent/EP2816907B1/en not_active Not-in-force
- 2013-02-20 JP JP2014558202A patent/JP6621988B2/ja not_active Expired - Fee Related
- 2013-02-20 CA CA2864402A patent/CA2864402C/en not_active Expired - Fee Related
- 2013-02-20 AU AU2013223882A patent/AU2013223882B2/en not_active Ceased
- 2013-02-21 AR ARP130100523 patent/AR090108A1/es active IP Right Grant
-
2014
- 2014-08-13 IL IL234112A patent/IL234112A/en active IP Right Grant
Cited By (2)
| Publication number | Priority date | Publication date | Assignee | Title |
|---|---|---|---|---|
| KR20240137366A (ko) | 2023-03-08 | 2024-09-20 | 순천향대학교 산학협력단 | 중탄산나트륨을 포함하는 운동수행능력 개선용 또는 위장관 장해 개선용 장용성 제제 |
| KR20240152291A (ko) | 2023-03-08 | 2024-10-21 | 순천향대학교 산학협력단 | 중탄산나트륨을 포함하는 운동수행능력 개선용 또는 위장관 장해 개선용 장용성 제제 |
Also Published As
| Publication number | Publication date |
|---|---|
| WO2013124652A9 (en) | 2014-10-09 |
| EP2816907A1 (en) | 2014-12-31 |
| EP2816907B1 (en) | 2017-06-07 |
| MX348866B (es) | 2017-07-03 |
| JP2015514391A (ja) | 2015-05-21 |
| US20150071979A1 (en) | 2015-03-12 |
| CA2864402C (en) | 2020-03-10 |
| AU2013223882B2 (en) | 2016-10-20 |
| AR090108A1 (es) | 2014-10-22 |
| CN104244739B (zh) | 2019-01-08 |
| GB201202797D0 (en) | 2012-04-04 |
| JP6621988B2 (ja) | 2019-12-25 |
| ES2637660T3 (es) | 2017-10-16 |
| CA2864402A1 (en) | 2013-08-29 |
| CN104244739A (zh) | 2014-12-24 |
| US9648884B2 (en) | 2017-05-16 |
| AU2013223882A1 (en) | 2014-08-21 |
| IN2014DN07158A (enExample) | 2015-04-24 |
| MX2014010030A (es) | 2015-06-10 |
| IL234112A (en) | 2017-05-29 |
| WO2013124652A1 (en) | 2013-08-29 |
Similar Documents
| Publication | Publication Date | Title |
|---|---|---|
| KR20140144683A (ko) | 중탄산나트륨 제품 | |
| JP2015514391A5 (enExample) | ||
| CN113812441B (zh) | 一种具有多相释放特性的微胶囊食品添加剂及其制备方法 | |
| JPS5944019B2 (ja) | 保存性の良好な中湿度飼料の製造法 | |
| US4279939A (en) | Milk replacer for baking containing isolated vegetable protein | |
| Faridi et al. | Soft wheat products | |
| US20200154718A1 (en) | Cooking compositions comprising a chemical leavening agent substitute | |
| WO2011057987A1 (de) | Magnesiumpyrophosphat enthaltendes produkt und dessen verwendung als triebsäure für die herstellung von backwaren | |
| CN110150562A (zh) | 一种夹心米饼及其制备方法 | |
| CN100506045C (zh) | 富含全价动物骨粉的糕点 | |
| JP2010000045A (ja) | 食品用小麦粉粉末中麺の製造方法 | |
| US20020018836A1 (en) | Production of porous bakery products | |
| JP4636847B2 (ja) | 全粒粉からなる小麦粉の加工方法及びその加工方法により得られた加工小麦粉並びにその加工小麦粉を使用した食品 | |
| JP4835871B2 (ja) | 卵白凝固物 | |
| CN101528051A (zh) | 包覆的载体 | |
| JP2002199851A (ja) | 麺類改質剤、及びこれを用いた麺類の製造方法 | |
| JPH02142437A (ja) | 化学的レブニングシステム | |
| JP4184503B2 (ja) | 製麺用製剤 | |
| CN114600929B (zh) | 一种中种法自保鲜碱式面包及其制作方法 | |
| JP6298282B2 (ja) | 中華麺用穀粉組成物およびその製造方法 | |
| KR101539901B1 (ko) | 저염화 빵의 제조방법 | |
| JPH09224550A (ja) | 加工適性に優れる菓子類用小麦粉組成物 | |
| JPH0231637A (ja) | スポンジケーキ及びパン | |
| JPH05236892A (ja) | 餅または団子 | |
| JP2006115778A (ja) | 蒸しパン様食品、蒸しパン様食品用ミックス粉及び蒸しパン様食品の製造方法 |
Legal Events
| Date | Code | Title | Description |
|---|---|---|---|
| PA0105 | International application |
Patent event date: 20140919 Patent event code: PA01051R01D Comment text: International Patent Application |
|
| PG1501 | Laying open of application | ||
| PA0201 | Request for examination |
Patent event code: PA02012R01D Patent event date: 20180214 Comment text: Request for Examination of Application |
|
| E902 | Notification of reason for refusal | ||
| PE0902 | Notice of grounds for rejection |
Comment text: Notification of reason for refusal Patent event date: 20190418 Patent event code: PE09021S01D |
|
| E902 | Notification of reason for refusal | ||
| PE0902 | Notice of grounds for rejection |
Comment text: Notification of reason for refusal Patent event date: 20191014 Patent event code: PE09021S01D |
|
| E701 | Decision to grant or registration of patent right | ||
| PE0701 | Decision of registration |
Patent event code: PE07011S01D Comment text: Decision to Grant Registration Patent event date: 20200414 |
|
| PC1904 | Unpaid initial registration fee |