JP5877323B2 - 光学式アブソリュートエンコーダ及び装置 - Google Patents

光学式アブソリュートエンコーダ及び装置 Download PDF

Info

Publication number
JP5877323B2
JP5877323B2 JP2011124810A JP2011124810A JP5877323B2 JP 5877323 B2 JP5877323 B2 JP 5877323B2 JP 2011124810 A JP2011124810 A JP 2011124810A JP 2011124810 A JP2011124810 A JP 2011124810A JP 5877323 B2 JP5877323 B2 JP 5877323B2
Authority
JP
Japan
Prior art keywords
signal
offset
abnormality
sine wave
value
Prior art date
Legal status (The legal status is an assumption and is not a legal conclusion. Google has not performed a legal analysis and makes no representation as to the accuracy of the status listed.)
Active
Application number
JP2011124810A
Other languages
English (en)
Other versions
JP2012251879A (ja
Inventor
太郎 岸部
太郎 岸部
隆宏 増田
隆宏 増田
Current Assignee (The listed assignees may be inaccurate. Google has not performed a legal analysis and makes no representation or warranty as to the accuracy of the list.)
Panasonic Intellectual Property Management Co Ltd
Original Assignee
Panasonic Intellectual Property Management Co Ltd
Priority date (The priority date is an assumption and is not a legal conclusion. Google has not performed a legal analysis and makes no representation as to the accuracy of the date listed.)
Filing date
Publication date
Application filed by Panasonic Intellectual Property Management Co Ltd filed Critical Panasonic Intellectual Property Management Co Ltd
Priority to JP2011124810A priority Critical patent/JP5877323B2/ja
Publication of JP2012251879A publication Critical patent/JP2012251879A/ja
Application granted granted Critical
Publication of JP5877323B2 publication Critical patent/JP5877323B2/ja
Active legal-status Critical Current
Anticipated expiration legal-status Critical

Links

Images

Landscapes

  • Transmission And Conversion Of Sensor Element Output (AREA)
  • Optical Transform (AREA)

Description

本発明は、サーボモータの回転位置検出に用いる光学式アブソリュートエンコーダにおいて、光学系の異常を検出する。
従来、半導体製造装置やロボット、各種工作機械などのFA(Factory Automation)システム装置などの装置には高精度の位置決め制御を行うため、サーボモータが広く利用されている。サーボモータの回転位置の検出には光学式エンコーダが幅広く用いられており、発光素子と受光素子の光軸上にスリット部及び非スリット部を設けた回転板を配置し、発光素子からの光が回転板の位置によってスリット部を透過又は非スリット部を非透過とする構成を設けて、受光素子で光の強弱を検出することによって回転位置を検出している。近年では高分解能化のため、回転板スリット間の周期に合わせて90度位相差の正弦波信号が出力されるようにスリット形状を構成し、内挿演算を行うことで更に分解能を高めたエンコーダが主流となってきている。
光学式エンコーダにはインクリメンタルエンコーダとアブソリュートエンコーダがあり、インクリメンタルエンコーダは原点となる1回転で1パルスのZ相と、1回転でNパルスのA相と、A相に対して90度位相差のあるB相パルスで構成されたものであり、Z相を基準の原点としてA/B相によるインクリメンタルカウンタで位置を検出する。更にモータの磁極位置を示すコミュテーションセンサを備えており、3相モータではモータの逆起電力の位相に合わせて120度の位相差をもった3つの信号で構成され、原点が通過するまで不明となる位置をコミュテーションセンサで補っている。
一方、アブソリュートエンコーダは、回転板の円周上にN個のトラックでグレーコードを出力するようにスリットを設けられており、電源投入時から1回転上の任意の位置が検出できるため、コミュテーションセンサが不要である。
これらの光学式エンコーダには様々な異常検出手段が設けられているが、発光素子の不点灯ではインクリメンタルエンコーダにおいては3つのコミュテーションセンサの組み合わせが全てHまたはLとならないことを利用して異常を検出することは公知の技術である。(例えば特許文献1)
特開2007−17385号公報
しかしながら、上述の手法はコミュテーションセンサを有するインクリメンタルエンコーダでは有効であるが、アブソリュートエンコーダにはコミュテーションセンサがないため、発光素子の異常を検出することができないという課題があった。
本発明は上述従来の課題を解決するものであり、90度位相差の2つの正弦波信号を内挿演算することによって高分解能で回転位置を検出する光学式エンコーダにおいて、光学系の異常を検出することを目的とする。
上記課題を解決するために、第1の発明のアブソリュートエンコーダは、回転板へ発光する発光素子と、前記回転板のスリットを1回転でN等分に分割して生成する1回転上位データと、前記N等分に分割された間隔に同期した1回転でNサイクルの90度位相差の2つの正弦波信号を用いて内挿演算を行うことによって生成される1回転下位データと、前記1回転上位データと前記1回転下位データを合成して1回転位置データを生成する光学式アブソリュートエンコーダにおいて、
前記90度位相差の2つの正弦波信号をそれぞれ2乗して加算する2乗和演算器と、信号の異常しきい値を記録する異常信号メモリと、信号の異常を判定する異常判定器からなり、
前記2乗和演算器で求めた演算結果が、前記異常信号メモリに記録した値より下回った場合に前記異常判定器が異常信号を出力して前記発光素子が不点灯である状態を判定することを特徴とする。
また、この発明のアブソリュートエンコーダは、回転板へ発光する発光素子と、前記回転板のスリットを1回転でN等分に分割して生成する1回転上位データと、前記N等分に
分割された間隔に同期した1回転でNサイクルの90度位相差の2つの正弦波信号を用いて内挿演算を行うことによって生成される1回転下位データと、前記1回転上位データと前記1回転下位データを合成して1回転位置データを生成する光学式アブソリュートエンコーダにおいて、
前記90度位相差の2つの正弦波信号のそれぞれ最大値、最小値を検出する振幅検出器と、前記振幅検出器で検出した最大値と最小値から正弦波信号の中心値を演算するオフセット演算器と、前記オフセット演算器で求めた結果を記録するオフセットメモリと、前記90度位相差の2つの正弦波信号をそれぞれ2乗して加算する2乗和演算器と、前記2つの正弦波信号のそれぞれの中心値と振幅値と位相許容とを考慮した許容すべき誤差より小さく設定した前記2つの正弦波信号の異常しきい値を記録する異常信号メモリと、前記2つの正弦波信号の異常を判定する異常判定器からなり、前記2つの正弦波信号は前記光学式アブソリュートエンコーダの製造時または前記光学式アブソリュートエンコーダの前回電源投入時の前記オフセットメモリで記憶した中心値を用いてオフセットのずれを補正した後、前記2乗和演算器でそれぞれ2乗して加算した演算結果が、前記異常信号メモリに記録した前記異常しきい値より下回った場合に前記異常判定器が異常信号を出力して前記発光素子が不点灯である状態を判定する。
第1の発明の光学式エンコーダ(アブソリュートエンコーダ)によれば、内挿演算で使用する90度位相差の2つの正弦波信号を用いて、それぞれの正弦波信号を2乗して加算した結果により光学系の異常を検出することができるので、部品を追加することなく容易な手段で異常の診断を行うことができる。
また、この発明の光学式エンコーダ(アブソリュートエンコーダ)によれば、製造工程や部品のばらつきによって生じる90度位相差の2つの正弦波信号のオフセット値のずれを、製造時に測定して記憶し、記憶したオフセット値を用いて演算を行うため、正弦波信号の振幅レベルが小さい場合にも光学系の異常を誤検出することなく、精度よく異常の診断を行うことができる。
従って、容易な手段で光学系の異常を正確に診断することができるため、異常検出能力に優れた光学式エンコーダを提供することができる。
本発明の実施例1における光学式エンコーダ(アブソリュートエンコーダ)の異常検出部のブロック図 実施例1の光学式エンコーダ(アブソリュートエンコーダ)の異常検出部の動作波形図 実施例2の光学式エンコーダ(アブソリュートエンコーダ)の異常検出部のブロック構成図 実施例2の光学式エンコーダ(アブソリュートエンコーダ)の異常検出部の動作波形図 実施例2の光学式エンコーダ(アブソリュートエンコーダ)の異常検出部のブロック構成図
第1の発明は、回転板へ発光する発光素子と、前記回転板のスリットを1回転でN等分に分割して生成する1回転上位データと、前記N等分に分割された間隔に同期した1回転で
Nサイクルの90度位相差の2つの正弦波信号を用いて内挿演算を行うことによって生成される1回転下位データと、前記1回転上位データと前記1回転下位データを合成して1回転位置データを生成する光学式アブソリュートエンコーダにおいて、前記90度位相差の2つの正弦波信号をそれぞれ2乗して加算する2乗和演算器と、信号の異常しきい値を記録する異常信号メモリと、信号の異常を判定する異常判定器からなり、前記2乗和演算器で求めた演算結果が、前記異常信号メモリに記録した値より下回った場合に前記異常判定器が異常信号を出力するため、部品を追加することなく容易な手段で発光素子が不点灯である異常の診断を行うことができる。
また、この発明は、回転板へ発光する発光素子と、前記回転板のスリットを1回転でN等分に分割して生成する1回転上位データと、前記N等分に分割された間隔に同期した1回転でNサイクルの90度位相差の2つの正弦波信号を用いて内挿演算を行うことによって生成される1回転下位データと、前記1回転上位データと前記1回転下位データを合成して1回転位置データを生成する光学式アブソリュートエンコーダにおいて、前記90度位相差の2つの正弦波信号のそれぞれ最大値、最小値を検出する振幅検出器と、前記振幅検出器で検出した最大値と最小値から正弦波信号の中心値を演算するオフセット演算器と、前記オフセット演算器で求めた結果を記録するオフセットメモリと、前記90度位相差の2つの正弦波信号をそれぞれ2乗して加算する2乗和演算器と、前記2つの正弦波信号のそれぞれの中心値と振幅値と位相許容とを考慮した許容すべき誤差より小さく設定した前記2つの正弦波信号の異常しきい値を記録する異常信号メモリと、前記2つの正弦波信号の異常を判定する異常判定器からなり、前記2つの正弦波信号は前記光学式アブソリュートエンコーダの製造時または前記光学式アブソリュートエンコーダの前回電源投入時の前記オフセットメモリで記憶した中心値を用いてオフセットのずれを補正した後、前記2乗和演算器でそれぞれ2乗して加算した演算結果が、前記異常信号メモリに記録した前記
異常しきい値より下回った場合に前記異常判定器が異常信号を出力するため、正弦波信号の振幅レベルが小さい場合にも光学系の異常を誤検出することなく、精度よく発光素子が不点灯である異常の診断を行うことができる。
以下、本発明の実施例について、図面を参照しながら説明する。なお、この実施の形態によって本発明が限定されるものではない。
本発明による光学式エンコーダについて、図1と図2を用いて説明する。図1は実施例1における光学式エンコーダの異常検出部のブロック図、図2は光学式エンコーダの異常検出部の動作波形であり、以下に各動作について説明する。
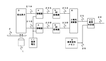
図1において符号の1は発光素子、符号の2は回転板、符号の3は受光素子であり、回転板2に設けられたスリットによって発光素子1からの光の強弱を受光素子3が検出し、図2に示すような正弦波波形のSIN原信号21AとCOS原信号21Bを生成する。
符号の4は増幅器、符号の11は基準電圧であり、増幅器4は受光素子3から出力されたSIN原信号21AとCOS原信号を、基準電圧11を中心とした正弦波信号となるように推移させて増幅させて図2に示すような増幅後SIN信号22A、増幅後COS信号22Bを生成する。また、本実施例においては、SINオフセット選択値33Aと、COSオフセット選択値33Bと、COS振幅値30Bと、SIN振幅値30Aと、異常判定器10とを具備している。
符号の5はアナログ信号をディジタルに変換するAD変換器であり、増幅後SIN信号22A、増幅後COS信号22Bのアナログ信号をディジタルに変換し、AD変換後SIN信号23A、AD変換後COS信号23Bを生成する。AD変換後の信号は基準電圧11の電圧をゼロとして、基準電圧より大きい場合を正信号、基準電圧11より小さい場合を負信号として扱う。
符号の8は2乗和演算器であり、AD変換後SIN信号23AとAD変換後COS信号23Bのそれぞれの信号を2乗して加算し、2乗和信号25を生成する。AD変換後SIN信号23AとAD変換後のCOS信号の中心値と振幅値が等しく、位相が90度の場合には2乗和信号25は直線(DC)となるが、これらに誤差がある場合には図2の左側に示すように周期的に変動した波形となる。
符号の9は異常信号メモリであり、不揮発性メモリで構成され、エンコーダの異常を判定するための異常信号しきい値28があらかじめ記憶されている。異常信号しきい値28は、AD変換後SIN信号23AとAD変換後COS信号の中心値や振幅値、位相の許容すべき誤差が生じた場合より小さく設定する。
符号の10は異常判定器であり、2乗和演算器8から出力された2乗和信号25と、異常信号メモリ9から出力された異常信号しきい値28の大小を比較し、2乗和信号25の方が小さい場合に異常信号26を出力する。
以上が各ブロックの動作についての説明である。次に発光素子1が異常となり点灯しない場合の動作について説明する。
発光素子1が発光せずに異常の場合、SIN原信号21AとCOS原信号21Bは図2の右側に示すように基準電圧とほぼ等しくなる。また、増幅後SIN信号22A、増幅後COS信号22B、AD変換後SIN信号23A、AD変換後COS信号23Bも図2の右側に示すように基準電圧とほぼ等しくなる。発光素子1が発光しない場合に、これらの信号が基準電圧と等しくならないのは、各構成ブロックに含まれる増幅器やAD変換器等のオフセット誤差によるものである。
次ぎに2乗和演算器8でAD変換後SIN信号23A、AD変換後COS信号23Bの2乗和を演算すると、図2の右側に示すように2乗和信号25は異常信号しきい値28より小さくなるので、異常信号26は“H”となる(異常をHとした場合)。
以上のような構成とすることで発光素子1が点灯しない場合に異常を検出することができる。
図3と図4を用いて本発明の実施例2について説明する。実施例1と異なるのは、オフセット補償部16を備えた点であり、この動作について説明する。
オフセット補償部16は、オフセット補正器6、振幅検出器13、オフセット演算器14、オフセットメモリ12で構成されている。以下にそれぞれの役割について説明する。
振幅検出器13はAD変換器5から出力されたAD変換後SIN信号23A、AD変換後COS信号23Bのそれぞれの最大値と最小値を検出する。最大値の検出は、同一方向に回転板2が回転している時にAD変換後SIN信号23AまたはAD変換後COS信号23Bの値がゼロから正の方向に増加した点から測定を開始して検出値が大きくなる毎に値を保持し、値が負になった時点で保持した値を最大値とすることで容易に検出することができる。また、最小値の検出も同様に、同一方向に回転板2が回転している時にAD変換後SIN信号23AまたはAD変換後COS信号23Bの値がゼロから負の方向に減少した点から測定を開始して検出値が小さくなる毎に値を保持し、値が正になった時点で保持した値を最小値とすることで検出することができる。
オフセット演算器14は振幅検出器13で検出した最大値と最小値を用いてオフセット値を演算する。オフセット値は、(最大値+最小値)とすることにより求めることができる。
オフセットメモリ12はオフセット検出器で検出したSINオフセット演算値31A、COSオフセット演算値31Bを記録するものであり、電源を遮断した場合にでも記録した値が失われないようにEEPROM等の不揮発性メモリで構成される。
オフセット補正器6はオフセットメモリ12から読み出したSINオフセットメモリ値29A、COSオフセットメモリ値29BをAD変換後SIN信号23AとAD変換後COS信号23Bから減算することによって、図4の右側に示すようにAD変換後SIN信号23AとAD変換後COS信号23Bのオフセットを補正したオフセット補正後SIN信号24A、オフセット補正後COS信号24Bを生成する。
以上の動作はエンコーダ製造時に各エンコーダ毎にオフセット演算値を求め、オフセットメモリ12に記憶する。使用する際には電源を投入する度にオフセットメモリ12からSINオフセットメモリ値29A、COSオフセットメモリ値29Bを読み出し、オフセットずれをなくしたオフセット補正後SIN信号24Aとオフセット補正後COS信号24Bを用いて発光素子1の不点灯を検出する。
また、SINオフセット演算値31A、COSオフセット演算値31Bは使用時にも演算し、製造時に記憶した値から変動した場合にオフセットメモリ12の値を書き直すようにすることで、長時間に渡り精度よく異常を検出することができる。
また、図5に示すようにオフセット補正は、電源投入時はオフセットメモリ12に記録した値を使用してオフセット補正を行い、使用時に新たなオフセット演算値を検出した時点で選択器15でオフセット演算に用いる値を切り替えて使用してもよい。
以上のような構成とすることにより異常信号しきい値28を小さくして、SIN原信号21AとCOS原信号21Bを幅広い範囲で使うことができるので、発光素子1の光量が少なくなった場合にも異常が発生せず、また製造時のSIN原信号とCOS原信号のばらつき許容値を拡大し、生産性を向上させることができる。なお、本実施例においては、SINオフセット選択値33Aと、COSオフセット選択値33Bと、COS振幅値30Bと、SIN振幅値30Aと、異常判定器10とを具備している。
本発明の光学式エンコーダは、90度位相差の2つの正弦波信号を用いて発光素子の異常を容易に検出することができるため、高精度の位置決め制御が必要な産業用サーボモータの光学系の保護装置として特に有効である。
1 発光素子
2 回転板
3 受光素子
4 増幅器
5 AD変換器
6 オフセット補正器
8 2乗和演算器
9 異常信号メモリ
10 異常判定器
11 基準電圧
12 オフセットメモリ
13 振幅検出器
14 オフセット演算器
15 選択器
16 オフセット補償部
21A SIN原信号
21B COS原信号
22A 増幅後SIN信号
22B 増幅後COS信号
23A AD変換後SIN信号
23B AD変換後COS信号
24A オフセット補正後SIN信号
24B オフセット補正後COS信号
25 2乗和信号
26 異常信号
28 異常信号しきい値
29A SINオフセットメモリ値
29B COSオフセットメモリ値
30A SIN振幅値
30B COS振幅値
31A SINオフセット演算値
31B COSオフセット演算値
33A SINオフセット選択値
33B COSオフセット選択値

Claims (2)

  1. 回転板へ発光する発光素子と、前記回転板のスリットを1回転でN等分に分割して生成する1回転上位データと、前記N等分に分割された間隔に同期した1回転でNサイクルの90度位相差の2つの正弦波信号を用いて内挿演算を行うことによって生成される1回転下位データと、前記1回転上位データと前記1回転下位データを合成して1回転位置データを生成する光学式アブソリュートエンコーダにおいて、
    前記90度位相差の2つの正弦波信号のそれぞれ最大値、最小値を検出する振幅検出器と、前記振幅検出器で検出した最大値と最小値から正弦波信号の中心値を演算するオフセット演算器と、前記オフセット演算器で求めた結果を記録するオフセットメモリと、前記90度位相差の2つの正弦波信号をそれぞれ2乗して加算する2乗和演算器と、
    前記2つの正弦波信号のそれぞれの中心値と振幅値と位相許容とを考慮した許容すべき誤差より小さく設定した前記2つの正弦波信号の異常しきい値を記録する異常信号メモリと、前記2つの正弦波信号の異常を判定する異常判定器からなり、
    前記2つの正弦波信号は前記光学式アブソリュートエンコーダの製造時または前記光学式アブソリュートエンコーダの前回電源投入時の前記オフセットメモリで記憶した中心値を用いてオフセットのずれを補正した後、前記2乗和演算器でそれぞれ2乗して加算した演算結果が、前記異常信号メモリに記録した前記異常しきい値より下回った場合に前記異常判定器が異常信号を出力して前記発光素子が不点灯である状態を判定する光学式アブソリュートエンコーダ。
  2. 請求項1に記載の光学式アブソリュートエンコーダを具備する装置。
JP2011124810A 2011-06-03 2011-06-03 光学式アブソリュートエンコーダ及び装置 Active JP5877323B2 (ja)

Priority Applications (1)

Application Number Priority Date Filing Date Title
JP2011124810A JP5877323B2 (ja) 2011-06-03 2011-06-03 光学式アブソリュートエンコーダ及び装置

Applications Claiming Priority (1)

Application Number Priority Date Filing Date Title
JP2011124810A JP5877323B2 (ja) 2011-06-03 2011-06-03 光学式アブソリュートエンコーダ及び装置

Publications (2)

Publication Number Publication Date
JP2012251879A JP2012251879A (ja) 2012-12-20
JP5877323B2 true JP5877323B2 (ja) 2016-03-08

Family

ID=47524822

Family Applications (1)

Application Number Title Priority Date Filing Date
JP2011124810A Active JP5877323B2 (ja) 2011-06-03 2011-06-03 光学式アブソリュートエンコーダ及び装置

Country Status (1)

Country Link
JP (1) JP5877323B2 (ja)

Cited By (1)

* Cited by examiner, † Cited by third party
Publication number Priority date Publication date Assignee Title
CN110873582A (zh) * 2018-08-29 2020-03-10 富士电机株式会社 编码器、处理装置及处理方法

Family Cites Families (9)

* Cited by examiner, † Cited by third party
Publication number Priority date Publication date Assignee Title
JPH0518785A (ja) * 1991-07-11 1993-01-26 Yokogawa Electric Corp 光学式エンコーダ
JPH0518783A (ja) * 1991-07-11 1993-01-26 Yokogawa Electric Corp 光学式エンコーダ
JPH05240664A (ja) * 1992-02-28 1993-09-17 Yokogawa Electric Corp エンコーダ
JPH10300518A (ja) * 1997-04-24 1998-11-13 Canon Inc 信号異常検知回路及びこれを用いた変位情報検出装置
JP2006284521A (ja) * 2005-04-05 2006-10-19 Sendai Nikon:Kk エンコーダ
JP4737609B2 (ja) * 2005-10-05 2011-08-03 株式会社ニコン エンコーダ
JP4797721B2 (ja) * 2005-10-20 2011-10-19 株式会社デンソー 回転角度検出装置
JP5125320B2 (ja) * 2007-08-28 2013-01-23 パナソニック株式会社 エンコーダの補正値制御方法
JP5550213B2 (ja) * 2008-03-04 2014-07-16 ハイデンハイン株式会社 光学式アブソリュートエンコーダ

Cited By (2)

* Cited by examiner, † Cited by third party
Publication number Priority date Publication date Assignee Title
CN110873582A (zh) * 2018-08-29 2020-03-10 富士电机株式会社 编码器、处理装置及处理方法
CN110873582B (zh) * 2018-08-29 2021-10-22 富士电机株式会社 编码器、处理装置及处理方法

Also Published As

Publication number Publication date
JP2012251879A (ja) 2012-12-20

Similar Documents

Publication Publication Date Title
US7711508B2 (en) Position detector
KR102195533B1 (ko) 로터리 인코더 및 로터리 인코더의 각도 보정 방법
JP5995589B2 (ja) 補正値導出装置、変位量導出装置、制御装置、および補正値導出方法
CN108426590B (zh) 旋转编码器
CN111070237B (zh) 一体化关节及一体化关节多传感器控制系统和方法
CN102506905B (zh) 一种高精度绝对式编码器
KR102328288B1 (ko) 로터리 인코더, 및 로터리 인코더의 절대 각도 위치 검출 방법
WO2014008728A1 (zh) 一种绝对式多圈转动角度的检测装置及方法
JP7173010B2 (ja) 校正装置、エンコーダ装置、駆動装置、ステージ装置、ロボット装置、エンコーダ装置の製造方法、及び校正プログラム
JP5402313B2 (ja) エンコーダおよび信号処理方法
JP5190644B2 (ja) エンコーダの誤差補正方法
JP2018132357A (ja) ロータリエンコーダ
JP5115419B2 (ja) 光学式エンコーダ
JP5877323B2 (ja) 光学式アブソリュートエンコーダ及び装置
US20130013250A1 (en) Absolute position detector with abnormality detection function
CN115031769A (zh) 动力模组和位置校正方法
JPWO2020149002A1 (ja) モータ制御装置
JP6106839B2 (ja) エンコーダ
US11493898B2 (en) Servo motor controller
JP2007218667A (ja) エンコーダのオフセット補正回路
JP5006270B2 (ja) 絶対型エンコーダ装置とその操作方法
JP2018132359A (ja) ロータリエンコーダ
US12301257B2 (en) Automatic stabilization of encoders
CN117040206B (zh) 高精度伺服电机及电气设备
JP2013047693A (ja) エンコーダ及びエンコーダのパターン検出方法

Legal Events

Date Code Title Description
A621 Written request for application examination

Free format text: JAPANESE INTERMEDIATE CODE: A621

Effective date: 20131210

RD01 Notification of change of attorney

Free format text: JAPANESE INTERMEDIATE CODE: A7421

Effective date: 20140106

RD01 Notification of change of attorney

Free format text: JAPANESE INTERMEDIATE CODE: A7421

Effective date: 20140418

A977 Report on retrieval

Free format text: JAPANESE INTERMEDIATE CODE: A971007

Effective date: 20140620

A131 Notification of reasons for refusal

Free format text: JAPANESE INTERMEDIATE CODE: A131

Effective date: 20140708

A521 Written amendment

Free format text: JAPANESE INTERMEDIATE CODE: A523

Effective date: 20140904

A711 Notification of change in applicant

Free format text: JAPANESE INTERMEDIATE CODE: A711

Effective date: 20141007

A131 Notification of reasons for refusal

Free format text: JAPANESE INTERMEDIATE CODE: A131

Effective date: 20150217

A521 Written amendment

Free format text: JAPANESE INTERMEDIATE CODE: A523

Effective date: 20150420

TRDD Decision of grant or rejection written
A01 Written decision to grant a patent or to grant a registration (utility model)

Free format text: JAPANESE INTERMEDIATE CODE: A01

Effective date: 20150825

A61 First payment of annual fees (during grant procedure)

Free format text: JAPANESE INTERMEDIATE CODE: A61

Effective date: 20150907

R151 Written notification of patent or utility model registration

Ref document number: 5877323

Country of ref document: JP

Free format text: JAPANESE INTERMEDIATE CODE: R151