JP4369949B2 - 絶縁検査装置及び絶縁検査方法 - Google Patents

絶縁検査装置及び絶縁検査方法 Download PDF

Info

Publication number
JP4369949B2
JP4369949B2 JP2006272368A JP2006272368A JP4369949B2 JP 4369949 B2 JP4369949 B2 JP 4369949B2 JP 2006272368 A JP2006272368 A JP 2006272368A JP 2006272368 A JP2006272368 A JP 2006272368A JP 4369949 B2 JP4369949 B2 JP 4369949B2
Authority
JP
Japan
Prior art keywords
wiring pattern
voltage
upstream
downstream
current supply
Prior art date
Legal status (The legal status is an assumption and is not a legal conclusion. Google has not performed a legal analysis and makes no representation as to the accuracy of the status listed.)
Active
Application number
JP2006272368A
Other languages
English (en)
Other versions
JP2008089485A (ja
Inventor
宗寛 山下
Current Assignee (The listed assignees may be inaccurate. Google has not performed a legal analysis and makes no representation or warranty as to the accuracy of the list.)
Nidec Advance Technology Corp
Original Assignee
Nidec Read Corp
Priority date (The priority date is an assumption and is not a legal conclusion. Google has not performed a legal analysis and makes no representation as to the accuracy of the date listed.)
Filing date
Publication date
Application filed by Nidec Read Corp filed Critical Nidec Read Corp
Priority to JP2006272368A priority Critical patent/JP4369949B2/ja
Priority to PCT/JP2007/069215 priority patent/WO2008041678A1/ja
Priority to TW96137119A priority patent/TWI434050B/zh
Publication of JP2008089485A publication Critical patent/JP2008089485A/ja
Application granted granted Critical
Publication of JP4369949B2 publication Critical patent/JP4369949B2/ja
Active legal-status Critical Current
Anticipated expiration legal-status Critical

Links

Images

Classifications

    • GPHYSICS
    • G01MEASURING; TESTING
    • G01RMEASURING ELECTRIC VARIABLES; MEASURING MAGNETIC VARIABLES
    • G01R31/00Arrangements for testing electric properties; Arrangements for locating electric faults; Arrangements for electrical testing characterised by what is being tested not provided for elsewhere
    • G01R31/28Testing of electronic circuits, e.g. by signal tracer
    • G01R31/2801Testing of printed circuits, backplanes, motherboards, hybrid circuits or carriers for multichip packages [MCP]
    • G01R31/281Specific types of tests or tests for a specific type of fault, e.g. thermal mapping, shorts testing
    • G01R31/2812Checking for open circuits or shorts, e.g. solder bridges; Testing conductivity, resistivity or impedance

Landscapes

  • Engineering & Computer Science (AREA)
  • Computer Hardware Design (AREA)
  • Microelectronics & Electronic Packaging (AREA)
  • General Engineering & Computer Science (AREA)
  • Physics & Mathematics (AREA)
  • General Physics & Mathematics (AREA)
  • Testing Of Short-Circuits, Discontinuities, Leakage, Or Incorrect Line Connections (AREA)

Description

本発明は、基板検査装置及び基板検査方法に関し、より詳しくは、基板に設けられる配線パターンの短絡検査において、配線パターン間で発生するスパークを確実に検出して、不良な基板を発見することのできる基板検査装置及び基板検査方法に関する。
尚、本発明は、プリント配線基板に限らず、例えば、フレキシブル基板、多層配線基板、液晶ディスプレイやプラズマディスプレイ用の電極板、及び半導体パッケージ用のパッケージ基板やフィルムキャリアなど種々の基板における電気的配線の検査に適用でき、本明細書では、それら種々の配線基板を総称して「回路基板」という。
従来、複数の配線パターンを有する基板(回路基板)は、絶縁検査装置で各配線パターンについて、他の配線パターンとの絶縁状態の良否(十分な絶縁性が確保されているか否か)の判定を行うことにより、基板が良品であるか否かを検査する絶縁検査が行われている。
この絶縁検査とは、一方の配線パターンに電圧を印加して、他方の配線パターンに流れる電流を測定することにより、これら配線パターン間の抵抗値を算出して、この抵抗値から絶縁状態を検査するものである。
上記の如き絶縁検査では、配線パターンに所定電圧(印加電圧V)が印加された直後は、配線パターン間の電圧が不安定であるとともに配線パターン間に瞬時的に大きな過渡電流が流れるため、配線パターン間の電圧が印加電圧Vに安定し、且つ、電流が安定する経過時間(所定時間)後に絶縁状態の良否判定を行うことになる。
しかしながら、検査対象の配線パターン間に比較的高圧の直流電圧(印加電圧)が印加されるため、電圧を印加した後、所定時間が経過するまでに配線パターン間でスパークが発生する場合があった。そして、このスパークにより、配線パターン間の絶縁抵抗値が変化するという不具合があった。
このようなスパークを検出するために、特許文献1に開示されるスパーク検出を行うことができる絶縁検査装置及び絶縁検査方法が提案されている。
この特許文献1に開示される絶縁検査装置及び方法の原理は、配線パターンに印加電圧が印加される所定時間中の配線パターン間の電圧の変化値を測定することにより、スパークが発生した場合の電圧降下を検出することにより、スパークを検出しようとするものである。
例えば、図10で示される電圧変化を示すグラフでは、グラフ中の時刻t21と時刻t22においてスパークが発生したことを示している。このように、電圧の変化を検出するとともに、スパークに起因する電圧降下(「dv/dt」を算出して得られる値)を検出(グラフ中のAとBの箇所)することにより、スパークを検出する。
特許第3546046号公報
しかしながら、この特許文献1に開示されるスパーク検出方法では、図10で示される如き電圧降下(電圧の所定時間内の変化量)によって、スパークを検出するが、下記の如き問題点を有していた。
電圧降下は電圧の変化量から検出されることになるが、例えば、電圧の測定がΔt時間毎に行われ、図10で示す如き時刻t23と時刻t24間(時刻t23と時刻t24間がΔt時間)の電圧の変化量を検出した場合、電圧の変化量は増加することになる。この結果、実際には時刻t3と時刻t4の間でスパークAが発生しているにもかかわらず、スパークが検出することができない問題点を有していた。
また、スパークを検出する場合、スパーク発生に起因する電圧降下のレベルを設定しなければならないが、この電圧降下のレベルを設定することが難しい問題点を有している。例えば、基板の絶縁検査を行う場合、検査のために印加される印加電圧は100V以上(通常、250V)に設定され検査が実行される。このとき発生するスパークは概ね10V以下の大きさを有している(図10で示されるスパークBの大きさは約10V以下となる)。このため、電圧降下のレベルを10V前後に設定することになる。この結果、250Vの印加電圧に対して、240Vとなる電圧降下を検出しなければならず、僅か4%分の変化量を検出することになり、極めて精度の高さが要求されることが、上記の難しい問題点に至る理由であった。
本発明は、このような実情に鑑みてなされたもので、電圧の変化量を算出することなく、微小なスパークであっても確実に検出することのできる基板検査装置及び基板検査方法を提出する。
本発明に係る絶縁検査装置は、複数の配線パターンが形成される回路基板において、前記複数の配線パターンから、上流側に設定される配線パターンと下流側に設定される配線パターンとの間が検査対象となる配線パターン間として選択され、該配線パターン間の絶縁検査を行う絶縁検査装置であって、前記複数の配線パターン毎に対応する、上流側に設定される該配線パターンに電流を供給する上流側電流供給端子と、前記複数の配線パターン毎に対応する、下流側に設定される該配線パターンに導通接続される下流側電流供給端子と、前記上流側電流供給端子と前記下流側電流供給端子を介して、該配線パターン間に電圧を供給する電流供給手段と、前記上流側電流供給端子と前記上流側に設定される配線パターンの間に直列配置される抵抗体と、前記複数の配線パターン毎に対応する、前記上流側に設定される配線パターンに導通接続される上流側電圧検出端子と、前記複数の配線パターン毎に対応する、前記下流側に設定される配線パターンに導通接続される下流側電圧検出端子と、前記上流側電圧検出端子と前記下流側電圧検出端子との間の電圧を検出する第一電圧検出手段と、前記検査対象となる配線パターンに対応する上流側電流供給端子と上流側電圧検出端子との間の電圧を検出する第二電圧検出手段と、前記第二電圧検出手段により検出される電圧値が予め設定される設定値を超えた場合に、前記検査対象の配線パターンと他の配線パターンとの間でスパーク発生と判定する判定手段とを備えることを特徴とする。
前記絶縁検査装置は、さらに、切替手段を備え、該切替手段が、前記上流側電圧検出端子及び前記上流側電流供給端子を、前記検査対象の配線パターンと導通状態とし、また、前記下流側電圧検出端子及び前記下流側電流供給端子を、前記検査対象の配線パターン以外の全ての配線パターンと導通状態とすることを特徴とする。
また、本発明に係る絶縁検査装置は、複数の配線パターンが形成される回路基板において、前記複数の配線パターンから、上流側に設定される配線パターンと下流側に設定される配線パターンとの間が検査対象となる配線パターン間として選択され、該配線パターンの絶縁検査を行う絶縁検査装置であって、前記複数の配線パターン毎に対応する、下流側に設定される該配線パターンに電流を供給する下流側電流供給端子と、前記複数の配線パターン毎に対応する、上流側に設定される該配線パターンに導通接続される上流側電流供給端子と、前記上流側電流供給端子と前記下流側電流供給端子を介して、該配線パターン間に電圧を供給する電流供給手段と、前記下流側電流供給端子と前記下流側に設定される配線パターンの間に直列配置される抵抗体と、前記複数の配線パターン毎に対応する、前記下流側に設定される配線パターンに導通接続される下流側電圧検出端子と、前記複数の配線パターン毎に対応する、前記上流側に設定される配線パターンに導通接続される上流側電圧検出端子と、前記上流側電圧検出端子と前記下流側電圧検出端子との間の電圧を検出する第一電圧検出手段と、前記検査対象となる配線パターンに対応する下流側電流供給端子と下流側電圧検出端子との間の電圧を検出する第二電圧検出手段と、前記第二電圧検出手段により検出される電圧値が予め設定される設定値を超えた場合に、前記検査対象の配線パターンと他の配線パターンとの間でスパーク発生と判定する判定手段とを備えることを特徴とする。
前記絶縁検査装置は、さらに、切替手段を備え、該切替手段が、前記下流側電流供給端子及び前記下流側電圧検出端子を、前記検査対象の配線パターンと導通状態とし、また、前記上流側電流供給端子及び前記上流側電圧検出端子を、前記検査対象の配線パターン以外の全ての配線パターンと導通状態とすることを特徴とする。
また、本発明に係る絶縁検査方法は、複数の配線パターンが形成される回路基板において、前記複数の配線パターンから、上流側に設定される配線パターンと下流側に設定される配線パターンとの間が検査対象となる配線パターン間として選択され、該配線パターンの絶縁検査を行う絶縁検査方法であって、回路基板上の複数の配線パターンから検査対象となる上流側及び下流側の配線パターンを選択する工程と前記複数の配線パターン毎に対応する、上流側に設定される該配線パターンに上流側電流供給端子を導通接続する工程と、前記複数の配線パターン毎に対応する、下流側に設定される該配線パターンに下流側電流供給端子を導通接続する工程と、前記上流側電流供給端子と前記上流側に設定される配線パターンとの間に抵抗体を直列に配置する工程と、前記上流側電流供給端子と前記下流側電流供給端子とを介して、該配線パターン間に電圧を供給する工程と、前記複数の配線パターン毎に対応する、前記上流側に設定される配線パターンに上流側電圧検出端子を導通接続する工程と、前記複数の配線パターン毎に対応する、前記下流側に設定される配線パターンに下流側電圧検出端子を導通接続する工程と、第一電圧検出手段によって、前記上流側電圧検出端子と前記下流側電圧検出端子との間の電圧を検出する工程と、第二電圧検出手段によって、前記検査対象となる配線パターンに対応する上流側電流供給端子と上流側電圧検出端子との間の電圧を検出する工程と、前記第二電圧検出手段により検出される電圧値が予め設定される設定値を超えた場合に、前記検査対象の配線パターンと他の配線パターンとの間でスパーク発生と判定する工程とを含むことを特徴とする。
また、本発明に係る絶縁検査方法は、複数の配線パターンが形成される回路基板において、前記複数の配線パターンから、上流側に設定される配線パターンと下流側に設定される配線パターンとの間が検査対象となる配線パターン間として選択され、該配線パターンの絶縁検査を行う絶縁検査方法であって、回路基板上の複数の配線パターンから検査対象となる上流側及び下流側の配線パターンを選択する工程と、前記複数の配線パターン毎に対応する、下流側に設定される該配線パターンに下流側電流供給端子を導通接続する工程と、前記複数の配線パターン毎に対応する、上流側に設定される該配線パターンに上流側電流供給端子を導通接続する工程と、前記下流側電流供給端子と前記下流側に設定される配線パターンとの間に抵抗体を直列配置する工程と、前記上流側電流供給端子と前記下流側電流供給端子とを介して、該配線パターン間に電圧を供給する工程と前記複数の配線パターン毎に対応する、前記下流側に設定される配線パターンに下流側電圧検出端子を導通接続する工程と、前記複数の配線パターン毎に対応する、前記上流側に設定される配線パターンに上流側電圧検出端子を導通接続する工程と、第一電圧検出手段によって、前記上流側電圧検出端子と前記下流側電圧検出端子との間の電圧を検出する工程と、第二電圧検出手段によって、前記検査対象となる配線パターンに対応する下流側電流供給端子と下流側電圧検出端子との間の電圧を検出する工程と、前記第二電圧検出手段により検出される電圧値が予め設定される設定値を超えた場合に、前記検査対象の配線パターンと他の配線パターンとの間でスパーク発生と判定する工程とを含むことを特徴とする。
請求項1及び5記載の発明によれば、被検査基板を検査するための上流側電流供給端子と上流側電圧検出端子との間の電圧を測定することにより、微小なスパークによる電圧変化を確実に検出することができる被検査装置を提供することができる。
請求項2記載の発明によれば、短絡検査時に、上流側電流供給端子を検査対象の配線パターンと導通状態とし、下流側電圧検出端子と下流側電流供給端子を検査対象の配線パターン以外の全ての配線パターンと導通状態となされるので、配線パターンの組み合わせにより効率よくスパーク検出を行うことができる。
請求項3及び6記載の発明によれば、被検査基板を検査するための下流側電流供給端子と下流側電圧検出端子との間の電圧を測定することにより、微小なスパークによる電圧変化を確実に検出することができる被検査装置を提供することができる。
請求項4記載の発明によれば、短絡検査時に、下流側電流供給端子と下流側電圧検出端子を検査対象の配線パターンと導通状態とし、上流側電流供給端子と上流側電圧検出端子を検査対象の配線パターン以外の全ての配線パターンと導通状態となされるので、配線パターンの組み合わせにより効率よくスパーク検出を行うことができる。
本発明を実施するための最良の形態を説明する。
本発明は、回路基板上に形成される複数の配線パターンの絶縁検査を行う場合に発生するスパークを検出するための絶縁検査装置及びその方法に関する。
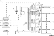
図1は、本発明に係る絶縁検査装置の一実施形態の概略構成図である。
本発明に係る第一実施形態の絶縁検査装置1は、電流供給手段2、第一電圧検出手段3、電流検出手段4、第二電圧検出手段5、制御手段6、切替手段7、電流供給端子8、電圧検出端子9、表示手段10を備えてなる。
図1で示される一実施形態では、本発明の絶縁検査装置1と、検査対象となる回路基板CBと、絶縁検査装置1と回路基板CBとを電気的に接続するコタンクトプローブCPが示されている。
この第一実施形態の絶縁検査装置1は、検査対象である配線パターンPに接続される電流供給端子と電圧測定端子の間の電圧差を用いることにより、スパークを検出する。これは、配線パターンPに接続される電流供給端子と電圧測定端子が、スパークが発生しない限りにおいて、等電位であることを用いている。
図1に示される回路基板CBは、4つの配線パターンP1〜P4を有している。この回路基板CBが有する配線パターンは、設計される回路基板CBに応じてその数及び形状が適宜設定される。
尚、図1の回路基板CBでは、一の字状の配線パターンP1と、Tの字状の配線パターンP2と、十の字状の配線パターンP3とP4が示されている。
図1では、各配線パターンP1〜P4に電気的に接触する4本のコンタクトプローブCPが示されている。このコンタクトプローブCPは、絶縁検査装置1と回路基板CBを電気的に導通可能に接続する。また、このコンタクトプローブCPの配置位置や配置本数は、回路基板CBに形成される配線パターンに応じて適宜設定されることになる。
尚、図1の実施形態では、後述する上流側及び下流側電流供給端子と上流側及び下流側電圧検出端子とを1本のコンタクトプローブCPで、配線パターン上に設けられる所定検査位置に導通可能に接触させているが、電流供給端子と電圧検出端子の夫々を別々の2本のコンタクトプローブCPで所定検査位置に導通可能に接触させてもよい。
電流供給手段2は、検査対象となる配線パターンと他の配線パターンとの間(以下、検査対象間)に、絶縁検査を行うための所定の電圧を印加させる。
この電流供給手段2は、例えば、カレント・コントローラー(Current Controller)を用いることができるが特に限定されるものではなく、検査対象間に所定の電圧を印加させることができるものであれば全て用いることができる。カレント・コントローラーを用いる場合では、カレント・コントローラーである電流供給手段2により、所定の配線パターンに電流を供給して、検査対象間に所定の電圧を印加することになる。
この電流供給手段2が印加することになる電圧は、上記の説明の如き200〜250Vに設定される。
第一電圧検出手段3は、検査対象間の電圧を検出する。この第一電圧検査手段3は、例えば、電圧計を用いることができるが特に限定されるものではなく、検査対象間の電圧を検出することができるものであればよい。
この第一電圧検出手段3が検出する電圧値と、電流供給手段2により供給される電流値とを用いることによって、検査対象間の抵抗値を算出することができる。さらに、この抵抗値を用いることによって、検査対象間の絶縁性を検査することができる。
尚、この第一電圧検出手段3が検出する電圧値によって、電流供給手段2の動作の制御を行うように設定される。
電流検出手段4は、検査対象間の電流を検出する。この電流検出手段4は、例えば、電流計を用いることができるが特に限定されるものではなく、検査対象間に流れる電流値を検出することができればよい。
尚、電流供給手段2により供給される電流値を決定することもできるが、この電流検出手段4を用いることによっても、検査対象間の電流値を検出することもできる。
電流供給端子8は、検査対象間の電流を供給するために、各配線パターンPとコンタクトプローブCPを介して接続される。
この電流供給端子8は、電流供給手段2の上流側(正極側)と配線パターンを接続する上流側電流供給端子81と、電流供給手段2の下流側(負極側)又は電流検出手段4と配線パターンPとを接続する下流側電流供給端子82を有している。
図1で示される如く、この電流供給端子8の上流側電流供給端子81及び下流側電流供給端子82は、夫々の配線パターンPに対して設けられている。
これらの上流側電流供給端子81と下流側電流供給端子82は、夫々に切替手段7のスイッチ素子SWを有しており、この切替手段7のスイッチ素子SWのON/OFF動作により、接続状態/未接続状態が設定されることになる。
この電流供給端子8は、静電気放電(electro-static discharge)保護用の抵抗が配置される。
電圧検出端子9は、検査対象間の電圧を検出するために、各配線パターンPとコンタクトプローブCPを介して接続される。
この電圧検出端子9は、第一電圧検出手段3の上流側(正極側)と配線パターンPを接続する上流側電圧検出端子91と、第一電圧検出手段3の下流側(負極側)と配線パターンPを接続する下流側電圧検出端子92を有してなる。
図1で示される如く、この電圧検出端子9の上流側電圧検出端子91及び下流側電圧検出端子92は、夫々の配線パターンPに対して設けられている。
これらの上流側電圧検出端子91と下流側電圧検出端子92は、電流供給端子8と同様、夫々に切替手段7のスイッチ素子SWを有しており、この切替手段7のスイッチ素子SWのON/OFF動作により、接続状態/未接続状態が設定されることになる。
電流供給端子8と電圧検出端子9は、図1で示される如く、配線パターンPに導通接触する一本のコンタクトプローブCPに対して、4つの端子が配置されることになるとともに、各端子のON/OFF制御を行う4つのスイッチ素子SWが備えられることになる。
尚、図1では、上流側電流供給端子81の動作を制御するスイッチ素子を符号SW1とし、上流側電圧検出端子91の動作を制御するスイッチ素子を符号SW2とし、下流側電流供給端子82の動作を制御するスイッチ素子を符号SW3とし、下流側電圧検出端子92の動作を制御するスイッチ素子を符号SW4として示している。
切替手段7は、上記した各コンタクトプローブCPに導通接続される複数のスイッチ素子SWから構成されている。この切替手段7は、後述する制御手段6からの動作信号により。ON/OFFの動作が制御されることになる。
第二電圧検出手段5は、上流側電流供給端子81と上流側電圧検出端子91の電圧を検出する。具体的には、この第二電圧検出手段5が、上流側電流供給端子81と上流側電圧検出端子91の電圧の差を検出する。
この第二電圧検出手段5は、図1で示される如く、上流側電流供給端子81と上流側電圧検出端子91の電圧の差分を算出するコンパレータ52とこの差分を検出する電圧計51を有して構成される。
このコンパレータ52が、上流側電流供給端子81と上流側電圧検出端子91との電圧の差分を求め、電圧計51がこの差分を検出することになる。
詳細は後述するが、この第二電圧検出手段5が検出する電圧値によって、検査対象となる配線パターンPと他の配線パターン間とのスパークを検出する。
第一電圧検出手段3、電流検出手段4や第二電圧検出手段5が検出する電圧値や電流値は、後述する制御手段6へ、経過時間情報が付与されて(時系列的な情報として)送信される。
制御手段6は、検査対象となる配線パターンPを選出したり、第一電圧検出手段3や第二電圧検出手段5からの電圧値を基にスパークを検出したり、切替手段7の動作の指示信号を送信する。
この制御手段6は、図1で示される如く、選出手段61、判定手段62、記憶手段63を備えている。
記憶手段63は、回路基板CBの配線パターンPに関する情報、この配線パターンPの検査点に関する情報、検出される検出値の情報が記憶される。
この記憶手段63に絶縁検査に必要な情報が格納され、これらの情報を用いることによって、絶縁検査が行われることになるとともに、検出される各検出値が格納される。
選出手段61は、回路基板CBの複数の配線パターンPから検査対象となる配線パターンPを選出し、検査対象の配線パターンPを特定する。この選出手段61が検査対象の配線パターンPを特定することにより、順次、絶縁検査が行われる配線パターンが選出される。
この選出手段61が行う検査対象の配線パターンの選出方法は、予め記憶手段63に検査対象となる配線パターンの順番が設定され、この順番に従って検査対象の配線パターンが選出される方法を例示することができる。この選出方法は、上記の如き方法を採用することもできるが、検査対象となる配線パターンが順序良く選出される方法であれば特に限定されない。
この選出手段61が行う具体的な配線パターンの選出は、切替手段7を用いることにより実施される。例えば、切替手段7の各スイッチ素子SWのON/OFF制御を行うことにより、検査対象となる配線パターンを選出することができる。
第一実施形態の絶縁検査装置では、検査対象となる配線パターンが電流供給手段2と接続されるための上流側電流供給端子81と接続されるように、スイッチ素子SWがONされることになる。また同時に、上流側電圧検出手段91とこの配線パターンが接続されるようにスイッチ素子SWがONされる。
例えば、図1で示される実施形態では、配線パターンP1を検査対象とする場合、選出手段61が、配線パターンP1に接続する上流側電流供給端子81と上流側電圧検出端子91を選出し、これら端子81、91のスイッチ素子SW1とスイッチ素子SW2をONさせるように促す信号を送信する。この信号を切替手段7が受信することにより、スイッチ素子SW1とスイッチ素子SW2が動作することになる。
また、この場合、検査対象の配線パターン以外の配線パターン(残りの配線パターン)に対応するスイッチSW4がONされるように促す信号が送信される。
上記の説明の如く、選出手段61によって、回路基板CBの複数の配線パターンPから検査対象となる配線パターンPが選択されることになる。
この第一実施形態で示される絶縁検査装置1の選出手段61が選出する配線パターンPは、回路基板CB上に形成された複数の配線パターンから1本の配線パターンPが選出される。つまり、選出手段61により選出された1本の配線パターンPと、残り全ての配線パターンPとの間で絶縁検査が実施される。
このように、配線パターンPが選出されることにより、絶縁検査を効率良く処理することができる。
判定手段62は、第二電圧検出手段5からの電圧値を基に、スパークの発生を判定する。この判定手段62が行う判定は、予め設定される閾値に対して、その閾値よりも検出される電圧値が上回れば、スパークが発生していると判定するように設定することができる。また、第二電圧検出手段5による電圧値を良品の場合の電圧値と比較して、その差分によりスパークの発生を検出するように設定することもできる。
尚、この判定手段62は、電圧値の時間的変化量からスパークを検出するようにすることもできる。
スパークが検出されると、後述する表示手段10にその旨が連絡される。
この制御手段6には、スパークの大きさを検出する算出手段(図示せず)を設けることができる。この算出手段は、判定手段62がスパークを検出した場合に、その電圧値や経過時間などからスパークのエネルギー量を計算する。この算出手段の結果により、スパークの大きさを認識することが可能となり、回路基板CBに対する破損の大きさの度合いを認識することができる。
特に、本発明によるスパーク検出方法では、検出される電圧がスパークのみに起因する電圧変化が検出されるとともにその際の電流も検出することができるので、正確なスパークの大きさ(=I×V)を求めることができる。
表示手段10は、絶縁検査の状態を表示する。この表示手段10は、スパークの発見が表示されることになる。
制御手段6の算出手段がスパークの大きさを算出するように設定している場合、この算出されるスパークの大きさもこの表示手段10において表示される。
以上が本発明に係る第一実施形態の絶縁検査装置1の構成の説明である。
この第一実施形態の絶縁検査装置1の動作を説明する。
まず、検査対象となる回路基板CBの配線パターンPの情報などが記憶手段63に格納される。
次に、回路基板CBが所定の検査位置に配置され、回路基板CB上に形成される配線パターンP上の検査点にコンタクトプローブが配置される。
回路基板CBが準備されると絶縁検査が開始される。
この場合、選出手段61が、検査対象となる配線パターンPを選出する。選出手段61が検査対象となる配線パターンを選出すると、この選出手段61は切替手段7へこの検査対象として選出された配線パターンPの上流側電流供給端子81と上流側電圧検出端子91が特定される。そして、この特定された上流側電流供給端子81と上流側電圧検出端子91を接続状態とするためのスイッチ素子SW1、SW2がONされるように、選出手段61から動作信号が切替手段7へ送信される。
切替手段7は、選出手段61からのスイッチ素子のON/OFF動作に関する信号を受信すると、この信号に従ってスイッチ素子SWのON/OFF制御が行われる。
例えば、配線パターンP1が検査対象の配線パターンとなる場合、配線パターンP1に対応する上流側電流供給端子81と上流側電圧検出端子91に接続されるスイッチ素子SW1、SW2がONとなる。またこのとき同時に、この配線パターンP1以外の配線パターンP2乃至配線パターンP4に接触されるコンタクトプローブCPが、夫々下流側電流供給端子82と接続状態となるために、夫々の下流側電流供給端子82のスイッチ素子SW4がONとなるように制御する。
尚、この場合、検査対象以外の配線パターンPに対応する下流側電圧検出端子92は、スイッチ素子SW3により、ON/OFFいずれの場合でも構わない。
図2は、本発明に係る絶縁検査装置の動作状態を示す一実施形態である。この図2で示される動作状態では、上記の説明の如く、配線パターンP1が検査対象として選出されている。このため、配線パターンP1は、スイッチ素子SW1とスイッチSW2がONされており、上流側電流供給端子81と上流側電圧検出端子91と接続されている。
このとき、検査対象以外の配線パターンP2乃至配線パターンP4は、スイッチ素子SW4がONされて、下流側電流供給端子82と接続されている。
図2で示される如く、検査対象の配線パターンP1の上流側電流供給端子81と上流側電圧検出端子91が第二電圧検出手段5に接続される。
上記の如きスイッチ素子SWが、ON又はOFF制御されると、検査対象の配線パターンP1に電流が印加される。
このとき、第二電圧検出手段5は、電圧値の変化を検出するとともに制御手段6へ電圧値を、この電圧値に関する時間情報を付与して送信する。
制御手段6は、電圧値を受け取ると、判定手段62において、この電圧値が所定閾値と比較される。このとき、電圧値が閾値よりも大きいと、判定手段62はスパークが発生した判定をし、その旨が表示手段10へ送られて表示されることになる。
図3は、本発明の絶縁検査装置が検出する電圧値の変化を示す一実施例である。この図3(a)では、検査対象間のスパークの状態を示す電圧変化を示しており、図3(b)では、本発明に係る絶縁検査装置のスパーク検出の状態を示す電圧変化を示している。
本発明に係る絶縁検査装置1は、上記の如く、上流側電流供給端子81と上流側電圧検出端子91の間の電圧の差を検出し、その差分によりスパークを検出する。
この場合、第一電圧検出手段3は、電流供給手段2が電流を配線パターンP1に供給し始めてから(時刻t1)、検出される電圧値が上昇する(検査対象となる配線パターン間の電圧)。ここで、絶縁検査に必要な所定電圧値になると(時刻t3)、絶縁検査が実行されることになる。この図3では、電流供給中である時刻t2と、絶縁検査中である時刻t4にスパークが発生していることが示される。
第二電圧検出手段5は、上流側電圧供給端子81と上流側電流検出端子91の間の電圧を検出する。この場合、電流供給手段2により電流が供給されている間(時刻t1〜時刻t3)は、保護抵抗に依存する電圧値が検出され、配線パターン間に所定の電圧が印加されると(時刻t3以降)、電圧値は略ゼロとなる。
この図3で示される場合には、時刻t2と時刻t4においてスパークが発生している。本発明の第一実施形態の絶縁検査装置1では、この第二電圧検出手段5がスパークを検出するが、図3で示される如く、スパークが発生した場合、急激な電圧変化を検出する。例えば、検査対象の配線パターンにチャージが行われている時刻t1〜時刻t3の間に、スパークが発生した場合、保護抵抗に流れる電圧が急激に上昇する(時刻t2)。この急激な電圧の上昇を検出することにより、スパークを検出することができる。
また、検査対象の配線パターンへのチャージが終了した後の検査対象の配線パターンと他の配線パターンとの絶縁検査が行われる際に発生するスパーク(時刻t4でのスパーク)が発生した場合、第二電圧検出手段5は略ゼロであった電圧から急激に上昇する電圧を検出する。特に、この場合では、スパークが発生しない間は第二電圧検出手段5が検出する電圧は略ゼロであるので、電圧に変化が生じることによりスパーク検出が容易に行われることになる。
図3(b)では、制御手段6の判定手段62がスパークを検出するための閾値を設定して示されている。例えば、図3(b)で示される二点鎖線α(設定α)は、時刻t1から時刻t3間に保護抵抗にかかる電圧値よりも大きい電圧値に設定されている。この設定αの場合、第二電圧検出手段5が検出する電圧値が、設定値αを超えた時点でスパーク発生と判定することになる。この場合、設定αのみを設定することで容易にスパーク検出を行うことができる。
また、図3(b)で示される一点鎖線β(設定β)は、時刻t1から時刻t3までと、時刻t3以降と相違する設定値が設定されている。この設定βの場合は、第二電圧検出手段5が検出するチャージの場合の保護抵抗にかかる電圧値を補正している。このため、設定αの場合よりも、経過時間や第一電圧検出手段3による電圧検出結果によって電圧閾値を変更するように設定することで、より精度良くスパークを検出することができるようになる。
これら設定αと設定βは、使用者により適宜設定され、その具体的な設定値は、保護抵抗の抵抗値などに影響されるため使用者により適宜設定される。
制御手段6がスパーク発生と判定すると、スパークが発生したことを表示手段10で表示する。また、このとき、算出手段によりスパークの大きさを算出する。
この算出手段が算出するスパークの大きさは、スパークを検出するための閾値よりも大きい電圧値が存在する面積を算出することができる。例えば、図3(b)で示される時刻t2で発生したスパークの大きさを算出する場合、設定αの設定値よりも大きい場所の面積を求めることによりその大きさを算出することができる(図3で示される二点鎖線αと電圧値変移により囲まれる部分(斜線で示す部分))。
この算出手段が算出するスパークの大きさも、表示手段10に表示されることになる。
上記の如く、スパークが発生した場合には、スパークが発生したことが通知されるとともにそのスパークの大きさを算出し、スパークと同時にその大きさも表示されることになる。このため、使用者は、電圧値を検出することにより、容易に絶縁検査中に発生するスパークを検出することができるとともに、そのスパークの大きさも知ることができる。
この絶縁検査装置1では、検査対象となる一本の配線パターンと残り全ての配線パターンの絶縁検査が行われ、この検査対象の一本の配線パターンの絶縁検査が終了すると、検査対象として次の配線パターンが一本選択され、残り全ての配線パターンとの絶縁検査が繰り返し行われる。このようにして被検査基板に設けられる配線パターン全てが検査対象の配線パターンとして絶縁検査が行われる。
尚、検査途中でスパークが発生した被検査基板は、不良品として取り扱われる。
以上が本発明に係る第一実施形態の絶縁検査装置1の説明である。
次に、本発明に係る第二実施形態の絶縁検査装置100について説明する。
第二実施形態の絶縁検査装置100と第一実施形態の絶縁検査装置1との相違は、検査対象となる配線パターンが、配線パターン間に設定される電位の高位(プラス側(上流側))に接続されるか電位の低位(マイナス側(下流側))に接続されているかである。第一実施形態の絶縁検査装置1では、この検査対象となる配線パターンが電位の高位に接続されており、一方、第二実施形態の絶縁検査装置100では、検査対象の配線パターンが電位の低位に接続されている。
この第二実施形態の絶縁検査装置100は、第一実施形態の絶縁検査装置1と同様に、検査対象となる配線パターンに接続される電圧検出端子と電流供給端子との電圧を検出することによって、スパークを検出する。
図4は、本発明に係る第二実施形態の絶縁検査装置の概略構成を示している。
本発明に係る第二実施形態の絶縁検査装置100は、電流供給手段2、第一電圧検出手段3、電流検出手段4、第二電圧検出手段50、制御手段6、切替手段7、電流供給端子8、電圧検出端子9、表示手段10を備えてなる。
この図2で示される第二実施形態では、第一実施形態と同様に、本発明の絶縁検査装置100と、検査対象となる回路基板CBと、絶縁検査装置1と回路基板CBとを電気的に接続するコタンクトプローブCPが示されている。
この第二実施形態の絶縁検査装置100は、上記の如く、検査対象である配線パターンPに接続される電流供給端子と電圧測定端子の間の電圧差を用いることにより、スパークを検出する。これは、配線パターンPに接続される電流供給端子と電圧測定端子が、スパークが発生しない限りにおいて、等電位であることを用いている。
第一実施形態では、一本の配線パターンを電位の高位側に接続し、残り全ての配線パターンを電位の低位側に接続して絶縁検査を行う。これに対して、第二実施形態では、一本の配線パターンを電位の低位側に接続し、残り全ての配線パターンを電位の高位側に接続して絶縁検査を行う。このため、第一実施形態と第二実施形態では、検査対象に対する接続が相違している。このため、第一実施形態の構成と第二実施形態の構成が同一の場合には、詳細な説明を省略する。
図4に示される回路基板CBは、図1で示される回路基板CBと同様に、4つの配線パターンP1〜P4を有している。図4では、さらに、各配線パターンP1〜P4に電気的に接触する4本のコンタクトプローブCPが示されている。このコンタクトプローブCPは、絶縁検査装置1と回路基板CBを電気的に導通可能に接続する。
電流供給手段2は、第一実施形態の場合と同様、検査対象となる配線パターンと他の配線パターンとの間(以下、検査対象間)に、絶縁検査を行うための所定の電圧を印加させる。
尚、この電流供給手段2は、検査対象の配線パターン以外の全ての配線パターンに電流を供給する。
第一電圧検出手段3は、第一実施形態の場合と同様、検査対象間の電圧を検出する。
この第一電圧検出手段3が検出する電圧値と、電流供給手段2により供給される電流値とを用いることによって、検査対象間の抵抗値を算出することができる。さらに、この抵抗値を用いることによって、検査対象間の絶縁性を検査することができる。
電流検出手段4は、第一実施形態の場合と同様、検査対象間の電流を検出する。
電流供給端子8は、第一実施形態の場合と同様、検査対象間の電流を供給するために、各配線パターンPとコンタクトプローブCPを介して接続される。
この電流供給端子8は、電流供給手段2の上流側(正極側)と配線パターンを接続する上流側電流供給端子81と、電流供給手段2の下流側(負極側)又は電流検出手段4と配線パターンPとを接続する下流側電流供給端子82を有している。
図3で示される如く、この電流供給端子8の上流側電流供給端子81及び下流側電流供給端子82は、夫々の配線パターンPに対して設けられている。
これらの上流側電流供給端子81と下流側電流供給端子82は、夫々に切替手段7のスイッチ素子SWを有しており、この切替手段7のスイッチ素子SWのON/OFF動作により、接続状態/未接続状態が設定されることになる。
この電流供給端子8は、静電気放電(electro-static discharge)保護用の抵抗が配置される。
電圧検出端子9は、第一実施形態の場合と同様、検査対象間の電圧を検出するために、各配線パターンPとコンタクトプローブCPを介して接続される。
この電圧検出端子9は、第一電圧検出手段3の上流側(正極側)と配線パターンPを接続する上流側電圧検出端子91と、第一電圧検出手段3の下流側(負極側)と配線パターンPを接続する下流側電圧検出端子92を有してなる。
図3で示される如く、この電圧検出端子9の上流側電圧検出端子91及び下流側電圧検出端子92は、夫々の配線パターンPに対して設けられている。
これらの上流側電圧検出端子91と下流側電圧検出端子92は、電流供給端子8と同様、夫々に切替手段7のスイッチ素子SWを有しており、この切替手段7のスイッチ素子SWのON/OFF動作により、接続状態/未接続状態が設定されることになる。
電流供給端子8と電圧検出端子9は、第一実施形態の場合と同様、配線パターンPに導通接触する一本のコンタクトプローブCPに対して、4つの端子が配置されることになるとともに、各端子のON/OFF制御を行う4つのスイッチ素子SWが備えられることになる。
尚、図1では、上流側電流供給端子81の動作を制御するスイッチ素子を符号SW1とし、上流側電圧検出端子91の動作を制御するスイッチ素子を符号SW2とし、下流側電流供給端子82の動作を制御するスイッチ素子を符号SW3とし、下流側電圧検出端子92の動作を制御するスイッチ素子を符号SW4として示している。
切替手段7は、上記した各コンタクトプローブCPに導通接続される複数のスイッチ素子SWから構成されている。この切替手段7は、後述する制御手段6からの動作信号により。ON/OFFの動作が制御されることになる。
この第二実施形態の絶縁検査装置100は、第二切替手段71を有している。この第二切替手段71は、下流側電流供給端子82を上流側電流供給端子81と等電位となるように接続させたり、第一電圧検出手段3の第一電圧検出手段3の下流側と接続させたりする。この図4では、第一電圧検出手段3の下流側と接続されるとともに電流検出手段4と直列接続される。
この第二切替手段71は、上記の如く、検査対象の配線パターンに接続される下流側電流供給端子82を、電流供給手段2の上流側又は電流検出手段4の上流側に接続するが、電流供給手段2の上流側に接続される場合には、上流側電流供給端子81と等電位とすることができる。
つまり、第二実施形態の絶縁検査装置100では、全ての配線パターンを先ずチャージすることになる。
第二切替手段71が、下流側電流供給端子82を電流検出手段4の上流側に接続すると、検査対象の配線パターンの電位が降下することになる。
このため、第二切替手段71は、検査対象の配線パターンの電位の高低を制御することができる。
第二実施形態の絶縁検査装置100は、第二切替手段71により検査対象の配線パターンの電位を降下させることができるが、この降下を制御するために電圧制御手段2’を設けることが好ましい。
この電圧制御手段2’を設けることによって、第二切替手段71により検査対象の配線パターンの電位を降下させる場合に、その降下量を制御することができる。このように降下量を制御することによって、検査対象の配線パターンと他の配線パターン間で、検査対象の配線パターンの電位の降下時間を制御し、この降下時におけるスパークの検出を確実に行うことができるようになる。
第二電圧検出手段50は、下流側電流供給端子82と下流側電圧検出端子92の電圧を検出する。具体的には、この第二電圧検出手段50が、下流側電流供給端子82と下流側電圧検出端子92の電圧の差を検出する。
この第二電圧検出手段50は、図3で示される如く、下流側電流供給端子82と下流側電圧検出端子92の電圧の差分を算出するコンパレータ54とこの差分を検出する電圧計53を有して構成される。
このコンパレータ54が、下流側電流供給端子82と下流側電圧検出端子92との電圧の差分を求め、電圧計53がこの差分を検出することになる。
詳細は後述するが、この第二電圧検出手段50が検出する電圧値によって、検査対象となる配線パターンPと他の配線パターン間とのスパークを検出する。
第一電圧検出手段3、電流検出手段4や第二電圧検出手段5が検出する電圧値や電流値は、後述する制御手段6へ、第一実施形態の場合と同様、経過時間情報が付与されて(時系列的な情報として)送信される。
制御手段6は、検査対象となる配線パターンPを選出したり、第一電圧検出手段3や第二電圧検出手段5からの電圧値を基にスパークを検出したり、切替手段7の動作の指示信号を送信する。
この制御手段6は、第一実施形態の場合と同様、第一電圧検出手段3や第二電圧検出手段50からの電圧値を基にスパーク検出したり、切替手段7の動作の指示信号を送信したりする。
この制御手段6は、図1で示される如く、選出手段61、判定手段62、記憶手段63を備えている。
選出手段61は、回路基板CBの複数の配線パターンPから検査対象となる配線パターンPを選出し、検査対象の配線パターンPを特定する。この選出手段61が検査対象の配線パターンPを特定することにより、順次、絶縁検査が行われる配線パターンが選出される。
この選出手段61が行う検査対象の配線パターンの選出方法は、予め記憶手段63に検査対象となる配線パターンの順番が設定され、この順番に従って検査対象の配線パターンが選出される方法を例示することができる。この選出方法は、上記の如き方法を採用することもできるが、検査対象となる配線パターンが順序良く選出される方法であれば特に限定されない。
この選出手段61が行う具体的な配線パターンの選出は、切替手段7を用いることにより実施される。例えば、切替手段7の各スイッチ素子SWのON/OFF制御を行うことにより、検査対象となる配線パターンを選出することができる。
第二実施形態の絶縁検査装置100では、検査対象となる配線パターンに対応するスイッチ素子SW3がONされる。このとき、スイッチ素子SW4がONされても構わない。
また、検査対象に選出されなかった残りの配線パターンは、この配線パターンに対応するスイッチ素子SW1とスイッチ素子SW2がONされることになる。
この制御手段6は、第二切替手段71の動作も制御し、上記の如く、検査対象の配線パターンの電位を制御することになる。
例えば、図5又は図6で示される実施形態では、配線パターンP1を検査対象とする場合を示している。この場合、選出手段61が、配線パターンP1に接続する下流側電流供給端子82と下流側電圧検出端子92を選出し、これら端子82、92のスイッチ素子SW3とスイッチ素子SW4をONさせるように信号を送信する。
この信号を切替手段7が受信することにより、スイッチ素子SW3とスイッチ素子SW4が動作することになる。
また、同時に、検査対象となる配線パターン以外の配線パターン(残りの配線パターン)に対応するスイッチ素子SW1とスイッチ素子SW2がONされるよう促す信号を送信する。
上記の説明の如く、選出手段61によって、回路基板CBの複数の配線パターンPから検査対象となる配線パターンPが選択されることになる。
この第二実施形態で示される絶縁検査装置100の選出手段61が選出する配線パターンPは、回路基板CB上に形成された複数の配線パターンから1本の配線パターンPが選出される。つまり、選出手段61により選出された1本の配線パターンPと、残り全ての配線パターンPとの間で絶縁検査が実施される。
このように、配線パターンPが選出されることにより、絶縁検査を効率良く処理することができる。
判定手段62は、第二電圧検出手段5からの電圧値を基に、スパークの発生を判定する。この判定手段62が行う判定は、予め設定される閾値に対して、その閾値よりも検出される電圧値が上回れば、スパークが発生していると判定するように設定することができる。また、第二電圧検出手段5による電圧値を良品の場合の電圧値と比較して、その差分によりスパークの発生を検出するように設定することもできる。
尚、この判定手段62は、電圧値の時間的変化量からスパークを検出するようにすることもできる。
スパークが検出されると、後述する表示手段10にその旨が連絡される。
この制御手段6には、スパークの大きさを検出する算出手段(図示せず)を設けることができる。この算出手段は、判定手段62がスパークを検出した場合に、その電圧値や経過時間などからスパークのエネルギー量を計算する。この算出手段の結果により、スパークの大きさを認識することが可能となり、回路基板CBに対する破損の大きさの度合いを認識することができる。
表示手段10は、絶縁検査の状態を表示する。この表示手段10は、スパークの発見が表示されることになる。
制御手段6の算出手段がスパークの大きさを算出するように設定している場合、この算出されるスパークの大きさもこの表示手段10において表示される。
この第二実施形態の絶縁検査装置100の動作を説明する。
まず、検査対象となる回路基板CBの配線パターンPの情報などが記憶手段63に格納される。
次に、回路基板CBが所定の検査位置に配置され、回路基板CB上に形成される配線パターンP上の検査点にコンタクトプローブが配置される。
回路基板CBが準備されると絶縁検査が開始される。
この場合、選出手段61が、検査対象となる配線パターンPを選出する。
選出手段61が検査対象となる配線パターンを選出すると、この選出手段61は切替手段7へこの検査対象として選出された配線パターンPの下流側電流供給端子82と下流側電圧検出端子92が特定される。そして、この特定された下流側電流供給端子82と下流側電圧検出端子92を接続状態とするためのスイッチ素子SW3、スイッチ素子SW4がONされるように、選出手段61から動作信号が切替手段7へ送信される。
切替手段7は、選出手段61からのスイッチ素子のON/OFF動作に関する信号を受信すると、この信号に従ってスイッチ素子SWのON/OFF制御が行われる。
例えば、配線パターンP1が検査対象の配線パターンとなる場合、配線パターンP1に対応する下流側電流供給端子82と下流側電圧検出端子92に接続されるスイッチ素子SW3、スイッチ素子SW4がONとなる。
またこのとき同時に、この配線パターンP1以外の配線パターンP2乃至配線パターンP4に接触されるコンタクトプローブCPが、夫々上流側電流供給端子81と上流側電圧検出端子91と接続状態となるために、夫々の上流側電流供給端子81のスイッチ素子SW1と上流側電圧検出端子91のスイッチ素子SW2とがONとなるように制御する。
この場合、第二切替手段71は、下流側電圧検出端子92を電流供給手段2の上流側に接続するように動作している(図5中のA側に接続される)。
尚、詳細は後述するが、上記の如き接続されることによって、全ての配線パターンに所定電圧を印加することになる。
図5は、本発明に係る絶縁検査装置の動作状態を示す一実施形態である。この図5で示される動作状態では、上記の説明の如く、配線パターンP1が検査対象として選出されている。このため、配線パターンP1は、スイッチ素子SW3とスイッチSW4がONされており、下流側電流供給端子82と下流側電圧検出端子92と接続されている。
このとき、検査対象以外の配線パターンP2乃至配線パターンP4は、スイッチ素子SW1とスイッチ素子SW2がONされて、上流側電流供給端子81と上流側電圧検出端子91と接続されている。
ここで、図5で示される如く、検査対象の配線パターンP1の下流側電流供給端子82が電流供給手段2の上流側に接続され、下流側電圧検出端子92は第二電圧検出手段50の片側に接続される。
上記の如きスイッチ素子SWが、ON又はOFF制御されると、配線パターン全てにチャージが開始される。
全ての配線パターンPの電位が所定電位に達すると、第二切替手段71はB側にスイッチが切り替えられる(図6参照)。このため、下流側電流供給端子92が第二電流検出手段4に接続されるとともに、検査対象の配線パターンP1の電位が低下する。この場合、電圧制御手段2’は、検査対象の配線パターンの電位の降下(降下量又は降下時間)の制御を行っており、この電圧降下時においても、検査対象の配線パターンと他の配線パターン間のスパークを検出することができる。
つまり、検査対象の配線パターンのみが電位の変化(低下)が生じることになり、検査対象の配線パターンP1と残りの配線パターンP2〜配線パターンP4との電位差が生じることになる。
このとき、検査対象間に絶縁不良が存在する場合にはスパークが発生する。このスパークによって、検査対象の配線パターンP1に電流が流入するため、下流側電流検出端子82と下流側電圧検出端子92には、電位差が生じることになる。
この結果、第二電圧検出手段50には、このスパークに起因する電圧が検出されることになる。
次に、第二切替手段71が、スイッチA側からB側に切り替えが行われて、十分な時間が経過した後、つまり、検査対象の配線パターンの電位が略ゼロに低下し、検査対象間に所定の電位差が生じた後に、検査対象間でスパークが発生した場合でも、検査対象の配線パターンP1にスパークに起因する電流が流入する。このため、下流側電流検出端子82と下流側電圧検出端子92には、電位差が生じることになる。
この結果、第二電圧検出手段50には、このスパークに起因する電圧が検出されることになる。
制御手段6は、第二電圧検出手段50からの電圧値を受け取ると、判定手段62において、この電圧値が所定閾値と比較される。このとき、電圧値が閾値よりも大きいと、判定手段62はスパークが発生した判定し、その旨が表示手段10へ送られて表示されることになる。
図7は、本発明の絶縁検査装置が検出する電圧値の変化を示す一実施例である。この図7(a)では、検査対象間のスパークの状態を示す電圧変化を示しており、図7(b)では、本発明に係る絶縁検査装置のスパーク検出の状態を示す電圧変化を示している。
本発明に係る絶縁検査装置100は、上記の如く、検査対象の配線パターンの下流側電流供給端子82と下流側電圧検出端子92の間の電圧の差を検出し、その差分によりスパークを検出する。
この場合、第一電圧検出手段3は、図6で示される如く、電流供給手段2が電流を全ての配線パターンに供給し始めてから(時刻t5)、その電圧値が上昇する(検査対象となる全ての配線パターンが所定の電位まで上昇される)。
ここで、絶縁検査に必要な所定電圧値になると(時刻t6)、検査対象の配線パターンの電位を下げるため、第二切替手段71がスイッチをB側に接続する(時刻t7)。そうすると、図7(a)で示される如く、電圧値が低下して、略ゼロに至る(時刻t9)。
このとき、図7(a)で示される如く、時刻t8でスパークが発生した場合、下流側電圧供給端子82にスパークによる電流が流れる。そうすると、下流側電流供給端子82と下流側電圧検出端子92の間で、電位差が生じることになる。この結果、第二電圧検出手段50はこの電位差の電圧を検出することになる。このため、時刻t8でスパークが発生した場合には、第二電圧検出手段50がスパークによる電圧変化を検出することになる。
尚、この時刻t6と時刻t7の間の時間は、特にその長さが設定されておらず、使用者により適宜設定されるが、検査時間を短縮するためにもできるだけ短くすることが好ましい。また、電圧制御手段2’は、時刻t7と時刻t9の電位降下を制御することになる。
検査対象の配線パターンの電圧が略ゼロになると、検査対象間の電位差が所定検査電圧に設定されることになり、絶縁検査が開始されることになる。尚、この場合、スパークが発生していない際において、第二電圧検出手段50は下流側電流供給端子82と下流側電圧検出端子92の電位の差は生じていない。このため、第二電圧検出手段50は、電位差ゼロであり、電圧ゼロを検出する。
このとき、検査対象間でスパークが発生した場合、この場合も上記と同様、検査対象の配線パターンに電流が流入することになり、第二電圧検出手段50が電圧の変化を検出する。
図7(b)では、時刻t10においてスパークが発生している。この場合も、スパークが発生することにより、検査対象の配線パターンに電流が流入し、この電流の流入によって、下流側電流供給端子82と下流側電圧検出端子92の間に電圧が生じることになる。そうすると、第二電圧検出手段50は、この電圧を検出し、制御手段6へ電圧値を送信する。
特に、このようなスパーク検出の場合、検査対象の配線パターンの電位を低下させて、所定の電圧を得て後の絶縁検査が行われる際に発生するスパーク(時刻t10の如きスパーク)が発生した場合、第二電圧検出手段5は略ゼロであった電圧から急激に上昇する電圧を検出する。このため、スパーク検出が容易に行われることになる。
図7(b)では、制御手段6の判定手段62がスパークを検出するための閾値を設定して示している。例えば、図7(b)で示される二点鎖線α(設定α)は、時刻t7から時刻t9間に保護抵抗にかかる電圧値よりも大きい電圧値に設定されている。この設定αの場合、第二電圧検出手段5が検出する電圧値が、設定値αを超えた時点でスパーク発生と判定することになる。この場合、設定αのみを設定することで容易にスパーク検出を行うことができる。
また、図7(b)で示される一点鎖線β(設定β)は、時刻t5から時刻t7前までと、時刻t7以降と相違する設定値が設定されている。この設定βの場合は、第二電圧検出手段5が検出するチャージの場合の保護抵抗にかかる電圧値を補正している。このため、設定αの場合よりも、より精度良くスパークを検出することができるようになる。
これら設定αと設定βは、使用者により適宜設定され、その具体的な設定値は、保護抵抗の抵抗値などに影響されるため使用者により適宜設定される。
この設定βの場合には、設定αに比して、経過時間や第一電圧検出手段3による電圧検出結果によって電圧閾値を変更するように設定することで、より精度良くスパークを検出することができるようになる。
制御手段6がスパーク発生と判定すると、スパークが発生したことを表示手段10で表示する。また、このとき、算出手段によりスパークの大きさを算出する。
この算出手段が算出するスパークの大きさは、スパークを検出するための閾値よりも大きい電圧値が存在する面積を算出することができる。例えば、図7で示される時刻t8で発生したスパークの大きさを算出する場合、設定αの設定値よりも大きい場所の面積を求めることによりその大きさを算出することができる(図7(b)で示される二点鎖線αと電圧値変移により囲まれる部分(斜線で示す部分))。
この算出手段が算出するスパークの大きさも、表示手段10に表示されることになる。
上記の如く、スパークが発生した場合には、スパークが発生したことが通知されるとともにそのスパークの大きさを算出し、スパークと同時にその大きさも表示されることになる。このため、使用者は、電圧値を検出することにより、容易に絶縁検査中に発生するスパークを検出することができるとともに、そのスパークの大きさも知ることができる。
この絶縁検査装置100では、検査対象となる一本の配線パターンと残り全ての配線パターンの絶縁検査が行われ、この検査対象の一本の配線パターンの絶縁検査が終了すると、検査対象として次の配線パターンが一本選択され、残り全ての配線パターンとの絶縁検査が繰り返し行われる。このようにして被検査基板に設けられる配線パターン全てが検査対象の配線パターンとして絶縁検査が行われる。
尚、検査途中でスパークが発生した被検査基板は、不良品として取り扱われる。
以上が本発明に係る第二実施形態の絶縁検査装置100の説明である。
図8は、本発明に係る第三実施形態の絶縁検査装置101の概略構成を示している。この第三実施形態の絶縁検査装置101は、基本的な構成は第二実施形態の絶縁検査装置100と同様に形成されているが、第二実施形態の絶縁検査装置100が有する第二切替手段71を有していない。
第二実施形態の絶縁検査装置100では、検査対象の配線パターンの電圧降下をこの第二切替手段71を用いて行っていたが、第三実施形態の絶縁検査装置101では、この検査対象の配線パターンの電位の制御を、この電圧制御手段2’を用いて行っている。
より具体的には、第三実施形態の絶縁検査装置101では、全ての配線パターンに所定電位を与える場合に、電圧制御手段2’と電流供給手段2が同電位を得るように設定される。次に、検査対象の配線パターンの電位を降下させる場合に、電圧制御手段2’が電流供給手段2の電位よりも低い電位を有するように制御させることによって、検査対象の配線パターンの電位を降下させる。
第三実施形態の絶縁検査装置101は、検査対象の配線パターンの電位を降下させる方法が、第二実施形態の絶縁検査装置100の第二切替手段71を用いる場合と異なる以外は、その検査方法は同様であるので、説明を省略する。
尚、この第三実施形態の絶縁検査装置101の電圧制御手段2’が接続される位置は、図8で示される位置に限定されず、検査対象となる配線パターンの下流側電流検出端子82と下流側電圧検出端子92にかかる電位を、制御することができる位置であれば特に限定されない。
第一実施形態の絶縁検査装置1、第二実施形態の絶縁検査装置100と第三実施形態の絶縁検査装置101は、検査対象となる配線パターンに接続される上流側又は下流側に設定される電流供給端子と電圧検出端子と端子間の電圧を検出することにより、スパークを検出している。
このため、三つの絶縁検査装置ともに、スパークに起因する僅かな電圧の変化を検出することが可能となり、より精度の高い検査を行うことができる。
また、これら第一乃至第三実施形態の絶縁検査装置の概略構成を示す図面では、電圧検出端子と電流供給端子間の電圧を検出する場合に、静電気放電(ESD)保護用の抵抗とスイッチ素子SWを含む電圧を検出するように構成されているが、スイッチ素子SWの抵抗が含まれないようにすることによって、更に電圧検出の精度を向上させることもできる。この場合には、例えば、上流側電圧検出端子、上流側電流供給端子、下流側電圧検出端子と下流側電流供給端子を夫々2つ設けることによってスイッチ素子SWの抵抗分を消去するようにすることができる。
また、本発明に係るスパーク検出装置は、上記の如き電流供給端子と電圧検出端子間の電位を検出することによって、スパークを検出するものであるが、この電流供給端子と電圧検出端子やスイッチ素子は、図9(a)で示されるスイッチ回路構成に限定されない。例えば、図9(b)で示されるスイッチ回路構成では、図9(a)のスイッチ回路構成を基に、上流側電流供給端子81及び下流側電流供給端子82と上流側電圧検出端子91及び下流側電圧検出端子92の夫々に静電気放電保護用の抵抗Rが設けられている。
また、図9(c)にスイッチ回路構成では、電流供給端子8と電圧検出端子9が夫々一つの抵抗Rに接続され、且つ、上流側と下流側が並列に接続されることにより構成されている。
図9で示される何れのスイッチ回路構成も、使用者により適宜変更することが可能であり、本明細書中で説明した図9(a)の回路構成に限定されるものではない。
本発明に係る絶縁検査装置の一実施形態を示す概略構成図である。 本発明に係る絶縁検査装置の動作状態を示す一実施形態である。 本発明の絶縁検査装置が検出する電圧値の変化を示す一実施例である。この図3(a)では、検査対象間のスパークの状態を示す電圧変化を示しており、図3(b)では、本発明に係る絶縁検査装置のスパーク検出の状態を示す電圧変化を示している。 本発明に係る第二実施形態の絶縁検査装置の概略構成を示している。 本発明に係る第二実施形態の絶縁検査装置の動作状態を示す一実施形態である。検査対象の配線パターン全てに電流を供給している状態を示す。 本発明に係る第二実施形態の絶縁検査装置の動作状態を示す一実施形態である。検査対象間での電圧が所定電圧となり、絶縁検査が行われている状態を示す。 本発明の絶縁検査装置が検出する電圧値の変化を示す一実施例であり、(a)は、検査対象間のスパークの状態を示す電圧変化を示しており、(b)は、本発明に係る絶縁検査装置のスパーク検出の状態を示す電圧変化を示している。 本発明に係る第三実施形態の絶縁検査装置の概略構成を示す。 本発明のスパーク検出装置における電流供給端子、電圧検出端子とスイッチ素子の概略構成図を示す。 従来のスパーク検出装置における電圧の変化を検出した様子を示す一実施例である。
符号の説明
1・・・・・第一実施形態の絶縁検査装置
100・・・第二実施形態の絶縁検査装置
101・・・第三実施形態の絶縁検査装置
2・・・・・電流供給手段
3・・・・・第一電圧検出手段
4・・・・・電流検出手段
5・・・・・第二電圧検出手段
50・・・・第二電圧検出手段
6・・・・・制御手段
7・・・・・切替手段
71・・・・第二切替手段
81・・・・上流側電流供給端子
82・・・・下流側電流供給端子
91・・・・上流側電圧検出端子
92・・・・下流側電圧検出端子
P・・・・・配線パターン

Claims (6)

  1. 複数の配線パターンが形成される回路基板において、前記複数の配線パターンから、上流側に設定される配線パターンと下流側に設定される配線パターンとの間が検査対象となる配線パターン間として選択され、該配線パターン間の絶縁検査を行う絶縁検査装置であって、
    前記複数の配線パターン毎に対応する、上流側に設定される該配線パターンに電流を供給する上流側電流供給端子と、
    前記複数の配線パターン毎に対応する、下流側に設定される該配線パターンに導通接続される下流側電流供給端子と、
    前記上流側電流供給端子と前記下流側電流供給端子を介して、該配線パターン間に電圧を供給する電流供給手段と、
    前記上流側電流供給端子と前記上流側に設定される配線パターンの間に直列配置される抵抗体と、
    前記複数の配線パターン毎に対応する、前記上流側に設定される配線パターンに導通接続される上流側電圧検出端子と、
    前記複数の配線パターン毎に対応する、前記下流側に設定される配線パターンに導通接続される下流側電圧検出端子と、
    前記上流側電圧検出端子と前記下流側電圧検出端子との間の電圧を検出する第一電圧検出手段と、
    前記検査対象となる配線パターンに対応する上流側電流供給端子と上流側電圧検出端子との間の電圧を検出する第二電圧検出手段と、
    前記第二電圧検出手段により検出される電圧値が予め設定される設定値を超えた場合に、前記検査対象の配線パターンと他の配線パターンとの間でスパーク発生と判定する判定手段とを備えることを特徴とする絶縁検査装置。
  2. 前記絶縁検査装置は、さらに、切替手段を備え、該切替手段が、
    前記上流側電圧検出端子及び前記上流側電流供給端子を、前記検査対象の配線パターンと導通状態とし、また、
    前記下流側電圧検出端子及び前記下流側電流供給端子を、前記検査対象の配線パターン以外の全ての配線パターンと導通状態とすることを特徴とする請求項1記載の絶縁検査装置。
  3. 複数の配線パターンが形成される回路基板において、前記複数の配線パターンから、上流側に設定される配線パターンと下流側に設定される配線パターンとの間が検査対象となる配線パターン間として選択され、該配線パターンの絶縁検査を行う絶縁検査装置であって、
    前記複数の配線パターン毎に対応する、下流側に設定される該配線パターンに電流を供給する下流側電流供給端子と、
    前記複数の配線パターン毎に対応する、上流側に設定される該配線パターンに導通接続される上流側電流供給端子と、
    前記上流側電流供給端子と前記下流側電流供給端子を介して、該配線パターン間に電圧を供給する電流供給手段と、
    前記下流側電流供給端子と前記下流側に設定される配線パターンの間に直列配置される抵抗体と、
    前記複数の配線パターン毎に対応する、前記下流側に設定される配線パターンに導通接続される下流側電圧検出端子と、
    前記複数の配線パターン毎に対応する、前記上流側に設定される配線パターンに導通接続される上流側電圧検出端子と、
    前記上流側電圧検出端子と前記下流側電圧検出端子との間の電圧を検出する第一電圧検出手段と、
    前記検査対象となる配線パターンに対応する下流側電流供給端子と下流側電圧検出端子との間の電圧を検出する第二電圧検出手段と、
    前記第二電圧検出手段により検出される電圧値が予め設定される設定値を超えた場合に、前記検査対象の配線パターンと他の配線パターンとの間でスパーク発生と判定する判定手段とを備えることを特徴とする絶縁検査装置。
  4. 前記絶縁検査装置は、さらに、切替手段を備え、該切替手段が、
    前記下流側電流供給端子及び前記下流側電圧検出端子を、前記検査対象の配線パターンと導通状態とし、また、
    前記上流側電流供給端子及び前記上流側電圧検出端子を、前記検査対象の配線パターン以外の全ての配線パターンと導通状態とすることを特徴とする請求項3記載の絶縁検査装置。
  5. 複数の配線パターンが形成される回路基板において、前記複数の配線パターンから、上流側に設定される配線パターンと下流側に設定される配線パターンとの間が検査対象となる配線パターン間として選択され、該配線パターンの絶縁検査を行う絶縁検査方法であって、
    回路基板上の複数の配線パターンから検査対象となる上流側及び下流側の配線パターンを選択する工程と
    前記複数の配線パターン毎に対応する、上流側に設定される該配線パターンに上流側電流供給端子を導通接続する工程と、
    前記複数の配線パターン毎に対応する、下流側に設定される該配線パターンに下流側電流供給端子を導通接続する工程と、
    前記上流側電流供給端子と前記上流側に設定される配線パターンとの間に抵抗体を直列に配置する工程と、
    前記上流側電流供給端子と前記下流側電流供給端子とを介して、該配線パターン間に電圧を供給する工程と、
    前記複数の配線パターン毎に対応する、前記上流側に設定される配線パターンに上流側電圧検出端子を導通接続する工程と、
    前記複数の配線パターン毎に対応する、前記下流側に設定される配線パターンに下流側電圧検出端子を導通接続する工程と、
    第一電圧検出手段によって、前記上流側電圧検出端子と前記下流側電圧検出端子との間の電圧を検出する工程と、
    第二電圧検出手段によって、前記検査対象となる配線パターンに対応する上流側電流供給端子と上流側電圧検出端子との間の電圧を検出する工程と、
    前記第二電圧検出手段により検出される電圧値が予め設定される設定値を超えた場合に、前記検査対象の配線パターンと他の配線パターンとの間でスパーク発生と判定する工程とを含むことを特徴とする絶縁検査方法。
  6. 複数の配線パターンが形成される回路基板において、前記複数の配線パターンから、上流側に設定される配線パターンと下流側に設定される配線パターンとの間が検査対象となる配線パターン間として選択され、該配線パターンの絶縁検査を行う絶縁検査方法であって、
    回路基板上の複数の配線パターンから検査対象となる上流側及び下流側の配線パターンを選択する工程と、
    前記複数の配線パターン毎に対応する、下流側に設定される該配線パターンに下流側電流供給端子を導通接続する工程と、
    前記複数の配線パターン毎に対応する、上流側に設定される該配線パターンに上流側電流供給端子を導通接続する工程と、
    前記下流側電流供給端子と前記下流側に設定される配線パターンとの間に抵抗体を直列配置する工程と、
    前記上流側電流供給端子と前記下流側電流供給端子とを介して、該配線パターン間に電圧を供給する工程と
    前記複数の配線パターン毎に対応する、前記下流側に設定される配線パターンに下流側電圧検出端子を導通接続する工程と、
    前記複数の配線パターン毎に対応する、前記上流側に設定される配線パターンに上流側電圧検出端子を導通接続する工程と、
    第一電圧検出手段によって、前記上流側電圧検出端子と前記下流側電圧検出端子との間の電圧を検出する工程と、
    第二電圧検出手段によって、前記検査対象となる配線パターンに対応する下流側電流供給端子と下流側電圧検出端子との間の電圧を検出する工程と、
    前記第二電圧検出手段により検出される電圧値が予め設定される設定値を超えた場合に、前記検査対象の配線パターンと他の配線パターンとの間でスパーク発生と判定する工程とを含むことを特徴とする絶縁検査方法。
JP2006272368A 2006-10-04 2006-10-04 絶縁検査装置及び絶縁検査方法 Active JP4369949B2 (ja)

Priority Applications (3)

Application Number Priority Date Filing Date Title
JP2006272368A JP4369949B2 (ja) 2006-10-04 2006-10-04 絶縁検査装置及び絶縁検査方法
PCT/JP2007/069215 WO2008041678A1 (fr) 2006-10-04 2007-10-01 Appareil de test de carte et procédé de test de carte
TW96137119A TWI434050B (zh) 2006-10-04 2007-10-03 Substrate inspection device and substrate inspection method

Applications Claiming Priority (1)

Application Number Priority Date Filing Date Title
JP2006272368A JP4369949B2 (ja) 2006-10-04 2006-10-04 絶縁検査装置及び絶縁検査方法

Publications (2)

Publication Number Publication Date
JP2008089485A JP2008089485A (ja) 2008-04-17
JP4369949B2 true JP4369949B2 (ja) 2009-11-25

Family

ID=39268533

Family Applications (1)

Application Number Title Priority Date Filing Date
JP2006272368A Active JP4369949B2 (ja) 2006-10-04 2006-10-04 絶縁検査装置及び絶縁検査方法

Country Status (3)

Country Link
JP (1) JP4369949B2 (ja)
TW (1) TWI434050B (ja)
WO (1) WO2008041678A1 (ja)

Families Citing this family (11)

* Cited by examiner, † Cited by third party
Publication number Priority date Publication date Assignee Title
JP2010190784A (ja) * 2009-02-19 2010-09-02 Hioki Ee Corp 回路基板検査装置
JP5425502B2 (ja) * 2009-03-26 2014-02-26 日置電機株式会社 回路基板検査装置
JP5910262B2 (ja) * 2012-04-10 2016-04-27 日本電産リード株式会社 部品内蔵基板の検査方法
JP6069884B2 (ja) * 2012-05-08 2017-02-01 日本電産リード株式会社 絶縁検査方法及び絶縁検査装置
JP6221281B2 (ja) * 2013-03-19 2017-11-01 日本電産リード株式会社 絶縁検査方法及び絶縁検査装置
TWI498571B (zh) 2013-03-29 2015-09-01 Nidec Read Corp 絕緣檢測裝置及絕緣檢測方法
JP2015001470A (ja) * 2013-06-17 2015-01-05 日本電産リード株式会社 基板検査装置
JP6229876B2 (ja) * 2013-08-27 2017-11-15 日本電産リード株式会社 検査装置
JP6237482B2 (ja) * 2014-06-11 2017-11-29 三菱電機株式会社 測定装置
JP6592885B2 (ja) * 2014-10-08 2019-10-23 日本電産リード株式会社 基板検査方法及び基板検査装置
CN115480146B (zh) * 2021-06-15 2025-09-30 黑泽科技股份有限公司 电路感测装置

Family Cites Families (3)

* Cited by examiner, † Cited by third party
Publication number Priority date Publication date Assignee Title
JPH0640120B2 (ja) * 1987-09-08 1994-05-25 三菱電機株式会社 部分放電測定方法
JP3294395B2 (ja) * 1993-09-22 2002-06-24 学校法人東海大学 部分放電光平衡検出装置
JP3546046B2 (ja) * 2001-09-26 2004-07-21 日本電産リード株式会社 回路基板の絶縁検査装置及び絶縁検査方法

Also Published As

Publication number Publication date
TW200825430A (en) 2008-06-16
WO2008041678A1 (fr) 2008-04-10
JP2008089485A (ja) 2008-04-17
TWI434050B (zh) 2014-04-11

Similar Documents

Publication Publication Date Title
TWI434050B (zh) Substrate inspection device and substrate inspection method
US10175284B2 (en) Circuit board testing apparatus and circuit board testing method
CN101191811B (zh) 基板检查装置和基板检查方法
JP3953087B2 (ja) 絶縁検査装置及び絶縁検査方法
CN104246523B (zh) 绝缘检查方法以及绝缘检查装置
TWI664427B (zh) 接觸端子的維修方法及檢測裝置
JP2014020858A (ja) 絶縁検査方法及び絶縁検査装置
JP6221281B2 (ja) 絶縁検査方法及び絶縁検査装置
JP2015001470A (ja) 基板検査装置
JP4059291B2 (ja) 絶縁検査装置及び絶縁検査方法
JP2008076266A (ja) 基板検査装置及び基板検査方法
JP4925042B2 (ja) 絶縁検査装置
JP4928316B2 (ja) 絶縁検査装置
JP6255833B2 (ja) 基板検査方法及び基板検査装置
JP4911598B2 (ja) 絶縁検査装置及び絶縁検査方法

Legal Events

Date Code Title Description
A521 Request for written amendment filed

Free format text: JAPANESE INTERMEDIATE CODE: A523

Effective date: 20080212

A911 Transfer to examiner for re-examination before appeal (zenchi)

Free format text: JAPANESE INTERMEDIATE CODE: A911

Effective date: 20080218

A912 Re-examination (zenchi) completed and case transferred to appeal board

Free format text: JAPANESE INTERMEDIATE CODE: A912

Effective date: 20090109

RD02 Notification of acceptance of power of attorney

Free format text: JAPANESE INTERMEDIATE CODE: A7422

Effective date: 20090325

A521 Request for written amendment filed

Free format text: JAPANESE INTERMEDIATE CODE: A523

Effective date: 20090708

A01 Written decision to grant a patent or to grant a registration (utility model)

Free format text: JAPANESE INTERMEDIATE CODE: A01

A61 First payment of annual fees (during grant procedure)

Free format text: JAPANESE INTERMEDIATE CODE: A61

Effective date: 20090828

R150 Certificate of patent or registration of utility model

Ref document number: 4369949

Country of ref document: JP

Free format text: JAPANESE INTERMEDIATE CODE: R150

Free format text: JAPANESE INTERMEDIATE CODE: R150

FPAY Renewal fee payment (event date is renewal date of database)

Free format text: PAYMENT UNTIL: 20120904

Year of fee payment: 3

FPAY Renewal fee payment (event date is renewal date of database)

Free format text: PAYMENT UNTIL: 20120904

Year of fee payment: 3

FPAY Renewal fee payment (event date is renewal date of database)

Free format text: PAYMENT UNTIL: 20130904

Year of fee payment: 4

R250 Receipt of annual fees

Free format text: JAPANESE INTERMEDIATE CODE: R250

R250 Receipt of annual fees

Free format text: JAPANESE INTERMEDIATE CODE: R250

R250 Receipt of annual fees

Free format text: JAPANESE INTERMEDIATE CODE: R250

R250 Receipt of annual fees

Free format text: JAPANESE INTERMEDIATE CODE: R250

R250 Receipt of annual fees

Free format text: JAPANESE INTERMEDIATE CODE: R250

R250 Receipt of annual fees

Free format text: JAPANESE INTERMEDIATE CODE: R250