JP3568024B2 - 電圧駆動型半導体素子のゲート駆動回路 - Google Patents

電圧駆動型半導体素子のゲート駆動回路 Download PDF

Info

Publication number
JP3568024B2
JP3568024B2 JP19511098A JP19511098A JP3568024B2 JP 3568024 B2 JP3568024 B2 JP 3568024B2 JP 19511098 A JP19511098 A JP 19511098A JP 19511098 A JP19511098 A JP 19511098A JP 3568024 B2 JP3568024 B2 JP 3568024B2
Authority
JP
Japan
Prior art keywords
voltage
gate
driven semiconductor
semiconductor device
time
Prior art date
Legal status (The legal status is an assumption and is not a legal conclusion. Google has not performed a legal analysis and makes no representation as to the accuracy of the status listed.)
Expired - Fee Related
Application number
JP19511098A
Other languages
English (en)
Other versions
JP2000014127A (ja
Inventor
邦夫 松原
清明 笹川
Current Assignee (The listed assignees may be inaccurate. Google has not performed a legal analysis and makes no representation or warranty as to the accuracy of the list.)
Fuji Electric Co Ltd
Original Assignee
Fuji Electric Systems Co Ltd
Priority date (The priority date is an assumption and is not a legal conclusion. Google has not performed a legal analysis and makes no representation as to the accuracy of the date listed.)
Filing date
Publication date
Application filed by Fuji Electric Systems Co Ltd filed Critical Fuji Electric Systems Co Ltd
Priority to JP19511098A priority Critical patent/JP3568024B2/ja
Publication of JP2000014127A publication Critical patent/JP2000014127A/ja
Application granted granted Critical
Publication of JP3568024B2 publication Critical patent/JP3568024B2/ja
Anticipated expiration legal-status Critical
Expired - Fee Related legal-status Critical Current

Links

Images

Landscapes

  • Power Conversion In General (AREA)
  • Electronic Switches (AREA)

Description

【0001】
【発明の属する技術分野】
この発明は、電力変換装置を構成するIGBT(絶縁ゲートバイポーラトランジスタ)等の、電圧駆動型半導体素子のゲート駆動回路に関する。
【0002】
【従来の技術】
図5に電圧駆動型半導体素子としてIGBTを用いた電圧形インバータの従来例を示す。
これは、直流電圧源Ed、平滑用コンデンサC、IGBT素子Q11,Q12,Q21,Q22から構成され、例えばQ12とQ21をオンすることで正の直流電圧を、また、Q11とQ22をオンすることで負の直流電圧を出力するようになっている。出力電圧が正→負と交互に出力されることにより、交流電圧が出力され、これによって、負荷抵抗Rと負荷リアクトルLに負荷電流Iを流すようにしている。
【0003】
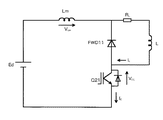
図6は図5の電圧形インバータでQ21がスイッチングするときの等価回路図であり、同図のLmは回路の配線インダクタンス、FDW11はQ11に内蔵されているフリーホィールダイオードを示す。図7に、Q21ターンオフ時のコレクタ−エミッタ間電圧VCEおよびコレクタ電流Iの波形を示す。
図6において、Q21がオン状態の時はEd→Lm→R→L→Q21→Edの経路で電流が流れる。Q21がターンオフすると、Q21のコレクタ−エミッタ間電圧VCEが、図7のように上昇する。VCEが直流電圧Edに達しFDW11がオンすることによって、負荷電流IはFDW11に転流して、コレクタ電流Iが図7のように減少する。この電流変化率(減少率)−di/dtにより、回路配線インダクタンスLmに誘起電圧VLm(=ΔVSP)が発生するため、Q21に対して図7に示すように、Ed+ΔVSPが印加される。
スパイク電圧ΔVSPはLm×(−di/dt)となるので、ΔVSPを減少させるためには、回路配線インダクタンスLmまたは電流変化率−di/dtを低減する必要がある。しかし、回路配線インダクタンスLmの低減には回路配線上の制約(制限)があるので、ΔVSPを減少させるには電流変化率−di/dtを低減させるのが一般的な方法である。
【0004】
図8に、電流変化率−di/dtを低減させる方法の従来例を示す。
これは、IGBTのゲート駆動回路を示すもので、ターンオフ時には図8のM−N15間にオフゲート用電源が接続される。そのとき、電流はゲート電源(M)→IGBTゲート入力容量(IGBTゲート−エミッタ間)→Rg(off)→TR2→ゲート電源(N15)のルートで流れる。この電流が流れるとIGBT入力容量に逆バイアス電圧が充電されることによって、IGBTがターンオフする。その際、ゲート抵抗Rg(off)を大きくすることにより、IGBT入力容量に対する充電時間を遅らせて、ゲート電圧を緩やかに変化させることができる。これにより、IGBTの電流変化率−di/dtが低減され、その結果、スパイク電圧ΔVSPを図9の点線で示すように低減することができる。
なお、オフ用ゲート電源の電圧値を小さくし、逆バイアス電圧を浅くすることで、ゲート電圧を緩やかに変化させることができる。これによっても、IGBTの電流変化率−di/dtが低減され、スパイク電圧ΔVSPを低減できる。
【0005】
【発明が解決しようとする課題】
上述のように、IGBTターンオフ時に、ゲート抵抗Rg(off)を大きくすることでスパイク電圧ΔVSPを低減できるが、図9に示すようにオン・オフ信号が入力されてからIGBTが動作するまでの時間遅れが増加するという問題がある。
また、逆バイアス電圧を浅くすることでも、スパイク電圧ΔVSPを低減できるが、逆バイアス電圧が浅いと、種々のノイズやゲート駆動回路の誤動作により、ゲート電圧がIGBTのしきい値電圧を越えやすくなるため、IGBTがオン(誤動作)しやすくなるという問題もある。
したがって、この発明の課題は素子ターンオフ時のスパイク電圧の低減,オン・オフ信号が入力されてからIGBTが動作するまでの時間短縮を図り、誤動作を防止することにある。
【0006】
【課題を解決するための手段】
このような課題を解決するため、請求項1の発明では、電圧駆動型半導体素子からなる電力変換装置に対し、
前記電圧駆動型半導体素子のスイッチングを制御する制御装置と、この制御装置からの信号に基づき電圧駆動型半導体素子を駆動する駆動回路と、電圧駆動型半導体素子のターンオフ時のゲート電圧を一定期間クランプするクランプ回路とを設け、
前記電圧駆動型半導体素子ターンオフ時のゲート電圧を、前記クランプ回路により逆バイアス電圧としきい値電圧との間の電圧に一定時間だけクランプし、その後は逆バイアス電圧に戻すことにより、電圧駆動型半導体素子ターンオフ時に発生するスパイク電圧の低減と、制御信号を受けてから素子がターンオフ開始するまでの時間短縮とを図るようにしている。
上記請求項1の発明においては、前記ゲート電圧をクランプする一定時間を、電圧駆動型半導体素子のスパイク電圧発生期間とし、素子が通常オフしている期間の誤動作防止を図ることができる(請求項2の発明)。
【0007】
【発明の実施の形態】
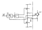
図1はこの発明の実施の形態を示す構成図、図2は図1で用いられるゲート電圧クランプ回路の具体例を示す回路図である。
すなわち、この発明は従来例に対しゲート電圧クランプ回路GCを付加して構成される。ゲート電圧クランプ回路GCとしては、例えば図2に示すような、トランジスタTR3、MOSFET素子TR4、ツェナーダイオードZD1、コンデンサC1、抵抗R1,R2,R3およびタイマーTM等からなる回路とすることができる。
【0008】
次に、図2の回路の動作について、図3を参照して説明する。なお、オフ用のゲート電源としては15Vの電源が接続されているものとし、逆バイアス電圧は−15Vであるとする。
いま、図3のオン・オフ信号がオンからオフに変わると、TR4が図示のように即座にオンし、TR3のベース−エミッタ間に電流が流れてこれがオンする。TR3がオンすると、IGBTのゲート−エミッタ間のコンデンサ(入力容量)が逆バイアス電圧に向かって充電を開始し、IGBTはターンオフ動作を開始する。そして、ZD1のツェナー電圧VZD1 に達するとTR3がオフし、IGBTの入力容量への充電が止まり、ゲート−エミッタ間の電圧がクランプされる。ここに、ツェナー電圧VZD1 の値は、ゲート電圧がしきい値電圧から逆バイアス電圧の間になるような値に設定するものとする。
【0009】
TR4のゲートにはタイマー回路TMが接続されており、したがって、TR4はオフ信号が入力されてからタイマー時間後にオフする。TR4がオフすると、ゲート電圧クランプ回路GCは切り離され、IGBTのゲート−エミッタ間電圧VGEは逆バイアス電圧(−15V)まで充電され、IGBTは完全なオフ状態となる。
以上のように、ここではIGBTのターンオフ時には、IGBTのゲート電圧は図3に示すように、逆バイアス電圧としきい値電圧との間の電圧値にクランプされるため、従来のターンオフ時(図3の点線参照)に比べてIGBTの入力容量に緩やかに充電が行なわれ、したがって図3に実線で示すように、IGBTの電流変化率−di/dtが低減され、スパイク電圧も抑制されることになる。
【0010】
図4はこの発明によってスパイク電圧も抑制する場合と、従来一般的に用いられるゲート抵抗の調整によってスパイク電圧を抑制する従来方式の場合とを比較説明するための波形図である。
同図に示すように、オン・オフ信号が入力されてからIGBTがターンオフ動作を開始するまでの時間が、この発明による場合はT1、従来方式の場合はT2で、T1<T2であることから、この発明による場合の方が動作遅れ時間の増加を抑制できることが分かる。
【0011】
また、ゲート電圧のクランプ時間を、電圧駆動型半導体素子のスパイク電圧発生期間とすれば、オフ時におけるIGBTの誤動作を防ぐことが可能となる。さらに、ゲート電圧クランプ期間中にIGBT誤動作によりこれがオンしてしまった場合でも、対向アームのIGBTはデッドタイム期間中でオフしているので、アーム短絡となるおそれもない。
【0012】
【発明の効果】
この発明によれば、ゲート電圧クランプ回路を設けて、ターンオフ動作中にゲート電圧を一定期間クランプし、その後は元に戻すことによってIGBTスイッチング動作を緩やかにし、かつ、入力信号からスイッチング動作までの遅れ時間を増加させることなく、スパイク電圧を抑制することができる。また、ゲート電圧をクランプする一定時間を、電圧駆動型半導体素子のスパイク電圧発生期間に限定することで、スパイク電圧の抑制効果だけでなく、IGBTターンオフおよび通常オフ時のIGBT誤動作によるアーム短絡を防ぐことができるという利点もある。
【図面の簡単な説明】
【図1】この発明の実施の形態を示す構成図である。
【図2】図1のゲート電圧クランプ回路の具体例を示す回路図である。
【図3】図2の動作説明図である。
【図4】スパイク電圧の抑制効果について、この発明によるものと従来方式とを比較して説明する説明図である。
【図5】IGBTを用いた電圧形インバータ主回路の一般例を示す回路図である。
【図6】図5で素子Q21が動作する場合を説明するための等価回路図である。
【図7】図6の動作説明図である。
【図8】ゲート駆動回路の従来例を示す回路図である。
【図9】図8の動作説明図である。
【符号の説明】
IF…インターフェイス回路、GC…ゲート電圧クランプ回路、TM…タイマー、TR1〜TR3…トランジスタ、TR4…FET、ZD1…ツェナーダイオード、Q11〜Q22,IGBT…スイッチ素子(絶縁ゲートバイポーラトランジスタ)、R…抵抗、C…コンデンサ、Ed…直流電圧源、L…リアクトル。

Claims (2)

  1. 電圧駆動型半導体素子からなる電力変換装置に対し、
    前記電圧駆動型半導体素子のスイッチングを制御する制御装置と、この制御装置からの信号に基づき電圧駆動型半導体素子を駆動する駆動回路と、電圧駆動型半導体素子のターンオフ時のゲート電圧を一定期間クランプするクランプ回路とを設け、
    前記電圧駆動型半導体素子ターンオフ時のゲート電圧を、前記クランプ回路により逆バイアス電圧としきい値電圧との間の電圧に一定時間だけクランプし、その後は逆バイアス電圧に戻すことにより、電圧駆動型半導体素子ターンオフ時に発生するスパイク電圧の低減と、制御信号を受けてから素子がターンオフ開始するまでの時間短縮とを図ることを特徴とする電圧駆動型半導体素子のゲート駆動回路。
  2. 前記ゲート電圧をクランプする一定時間を、電圧駆動型半導体素子のスパイク電圧発生期間とし、素子が通常オフしている期間の誤動作防止を図ることを特徴とする請求項1に記載の電圧駆動型半導体素子のゲート駆動回路。
JP19511098A 1998-06-26 1998-06-26 電圧駆動型半導体素子のゲート駆動回路 Expired - Fee Related JP3568024B2 (ja)

Priority Applications (1)

Application Number Priority Date Filing Date Title
JP19511098A JP3568024B2 (ja) 1998-06-26 1998-06-26 電圧駆動型半導体素子のゲート駆動回路

Applications Claiming Priority (1)

Application Number Priority Date Filing Date Title
JP19511098A JP3568024B2 (ja) 1998-06-26 1998-06-26 電圧駆動型半導体素子のゲート駆動回路

Publications (2)

Publication Number Publication Date
JP2000014127A JP2000014127A (ja) 2000-01-14
JP3568024B2 true JP3568024B2 (ja) 2004-09-22

Family

ID=16335674

Family Applications (1)

Application Number Title Priority Date Filing Date
JP19511098A Expired - Fee Related JP3568024B2 (ja) 1998-06-26 1998-06-26 電圧駆動型半導体素子のゲート駆動回路

Country Status (1)

Country Link
JP (1) JP3568024B2 (ja)

Cited By (1)

* Cited by examiner, † Cited by third party
Publication number Priority date Publication date Assignee Title
JP2021005950A (ja) * 2019-06-26 2021-01-14 株式会社デンソー トランジスタ駆動回路及びトランジスタのゲート電圧制御方法

Families Citing this family (5)

* Cited by examiner, † Cited by third party
Publication number Priority date Publication date Assignee Title
JP4240140B1 (ja) 2007-09-10 2009-03-18 トヨタ自動車株式会社 給電装置とその駆動方法
JP5761215B2 (ja) 2013-01-21 2015-08-12 株式会社デンソー ゲート駆動回路
CN106452404B (zh) * 2016-07-25 2023-06-06 天津理工大学 一种有源门极控制电路及其igbt电磁干扰抑制方法
CN115632642B (zh) * 2022-12-21 2023-03-10 杭州飞仕得科技股份有限公司 一种igbt关断电压尖峰抑制电路及相关设备
CN116722729B (zh) * 2023-08-09 2023-11-03 苏州贝克微电子股份有限公司 一种降低开关管关断尖峰电压的电路

Cited By (1)

* Cited by examiner, † Cited by third party
Publication number Priority date Publication date Assignee Title
JP2021005950A (ja) * 2019-06-26 2021-01-14 株式会社デンソー トランジスタ駆動回路及びトランジスタのゲート電圧制御方法

Also Published As

Publication number Publication date
JP2000014127A (ja) 2000-01-14

Similar Documents

Publication Publication Date Title
JP3339311B2 (ja) 自己消弧形半導体素子の駆動回路
JP4432215B2 (ja) 半導体スイッチング素子のゲート駆動回路
JP4343897B2 (ja) 電力変換装置
JP3577807B2 (ja) 自己消弧形半導体素子の駆動回路
US20020191426A1 (en) Inrush current limiting circuit, power source device and power conversion device
WO1991003104A1 (en) Switching circuit employing an inductor and igbt devices
JP4120329B2 (ja) 電圧駆動型半導体素子のゲート駆動装置
JP3052792B2 (ja) インバータ装置
JP4506276B2 (ja) 自己消弧形半導体素子の駆動回路
JP3379562B2 (ja) インバータ装置
JP4100134B2 (ja) インバータ
JP3568024B2 (ja) 電圧駆動型半導体素子のゲート駆動回路
JP2002125363A (ja) 電力用半導体素子のゲート駆動回路
JP7595785B2 (ja) 電力用半導体素子の駆動回路、電力用半導体モジュール、および電力変換装置
JPH0250518A (ja) 静電誘導形自己消弧素子の駆動回路及び静電誘導形自己消弧素子を有するインバータ装置
JPH10209832A (ja) 半導体スイッチ回路
JPH1169778A (ja) 電力変換器におけるゲート駆動回路
WO2023135885A1 (ja) 半導体スイッチング素子の駆動装置および電力変換装置
JP2004260981A (ja) 電力変換装置及びこれを用いた電機システム
JP3724255B2 (ja) 電圧駆動型半導体素子のゲート駆動回路
JP2023136689A (ja) スイッチング素子の駆動回路及びインテリジェントパワーモジュール
JP2000139071A (ja) 電力変換装置のゲート駆動回路
JP3558324B2 (ja) 電圧駆動型素子のゲート駆動装置
JP2003143831A (ja) ゲート駆動回路
JPH0947013A (ja) スナバ回路及びそれを用いた電力変換装置

Legal Events

Date Code Title Description
RD03 Notification of appointment of power of attorney

Free format text: JAPANESE INTERMEDIATE CODE: A7423

Effective date: 20031201

RD04 Notification of resignation of power of attorney

Free format text: JAPANESE INTERMEDIATE CODE: A7424

Effective date: 20040205

A977 Report on retrieval

Free format text: JAPANESE INTERMEDIATE CODE: A971007

Effective date: 20040302

A131 Notification of reasons for refusal

Free format text: JAPANESE INTERMEDIATE CODE: A131

Effective date: 20040311

TRDD Decision of grant or rejection written
A01 Written decision to grant a patent or to grant a registration (utility model)

Free format text: JAPANESE INTERMEDIATE CODE: A01

Effective date: 20040527

A61 First payment of annual fees (during grant procedure)

Free format text: JAPANESE INTERMEDIATE CODE: A61

Effective date: 20040609

R150 Certificate of patent or registration of utility model

Free format text: JAPANESE INTERMEDIATE CODE: R150

R250 Receipt of annual fees

Free format text: JAPANESE INTERMEDIATE CODE: R250

FPAY Renewal fee payment (event date is renewal date of database)

Free format text: PAYMENT UNTIL: 20080625

Year of fee payment: 4

FPAY Renewal fee payment (event date is renewal date of database)

Free format text: PAYMENT UNTIL: 20090625

Year of fee payment: 5

FPAY Renewal fee payment (event date is renewal date of database)

Free format text: PAYMENT UNTIL: 20100625

Year of fee payment: 6

FPAY Renewal fee payment (event date is renewal date of database)

Free format text: PAYMENT UNTIL: 20100625

Year of fee payment: 6

FPAY Renewal fee payment (event date is renewal date of database)

Free format text: PAYMENT UNTIL: 20110625

Year of fee payment: 7

S531 Written request for registration of change of domicile

Free format text: JAPANESE INTERMEDIATE CODE: R313531

FPAY Renewal fee payment (event date is renewal date of database)

Free format text: PAYMENT UNTIL: 20110625

Year of fee payment: 7

R350 Written notification of registration of transfer

Free format text: JAPANESE INTERMEDIATE CODE: R350

FPAY Renewal fee payment (event date is renewal date of database)

Free format text: PAYMENT UNTIL: 20110625

Year of fee payment: 7

S111 Request for change of ownership or part of ownership

Free format text: JAPANESE INTERMEDIATE CODE: R313111

R350 Written notification of registration of transfer

Free format text: JAPANESE INTERMEDIATE CODE: R350

FPAY Renewal fee payment (event date is renewal date of database)

Free format text: PAYMENT UNTIL: 20120625

Year of fee payment: 8

FPAY Renewal fee payment (event date is renewal date of database)

Free format text: PAYMENT UNTIL: 20130625

Year of fee payment: 9

R250 Receipt of annual fees

Free format text: JAPANESE INTERMEDIATE CODE: R250

R250 Receipt of annual fees

Free format text: JAPANESE INTERMEDIATE CODE: R250

R250 Receipt of annual fees

Free format text: JAPANESE INTERMEDIATE CODE: R250

R250 Receipt of annual fees

Free format text: JAPANESE INTERMEDIATE CODE: R250

R250 Receipt of annual fees

Free format text: JAPANESE INTERMEDIATE CODE: R250

LAPS Cancellation because of no payment of annual fees