JP2012210941A - 船舶用自動操舵装置 - Google Patents
船舶用自動操舵装置 Download PDFInfo
- Publication number
- JP2012210941A JP2012210941A JP2012153415A JP2012153415A JP2012210941A JP 2012210941 A JP2012210941 A JP 2012210941A JP 2012153415 A JP2012153415 A JP 2012153415A JP 2012153415 A JP2012153415 A JP 2012153415A JP 2012210941 A JP2012210941 A JP 2012210941A
- Authority
- JP
- Japan
- Prior art keywords
- mode
- angular velocity
- speed
- course
- acceleration
- Prior art date
- Legal status (The legal status is an assumption and is not a legal conclusion. Google has not performed a legal analysis and makes no representation as to the accuracy of the status listed.)
- Granted
Links
Images
Landscapes
- Control Of Position, Course, Altitude, Or Attitude Of Moving Bodies (AREA)
- Feedback Control In General (AREA)
Abstract
【解決手段】軌道演算部は、参照針路を加速モード、等速モード及び減速モードに分けて出力し、加速モードにおいて、変針開始時点の旋回角加速度初期値C1aと旋回角速度C2aとの初期値がゼロでない場合にその値を取り込んで参照針路を演算する。初期値をゼロとした場合の変針量ΔψRと最大舵速度δ'Rとの関係に基づき、変針量ΔψRに応じて最大舵速度δ'Rを求める。そして、その舵速度δ'Rを用いて初期値がある場合の各モードの参照針路の演算を行なう。
【選択図】図4
Description
船首方位とが入力され、出力信号として命令舵角が出力される。
(1)加速モード、等速モード及び減速モードの3モードより構成され、各モード毎に時間管理される。参照針路ψR(t)は、各モード毎に時間tを変数とする関数となる。
(2)加速モードと減速モードでは、参照針路ψR(t)の時間tに関する2階微分は2次関数となる。
(3)等速モードでは、参照針路ψR(t)の時間tに関する1階微分は一定であり、2階微分はゼロである。
(4)加速モードでは、参照針路ψR(t)は船舶の旋回角加速度C1a及び旋回角速度C2aの値を初期値として取り込む。
・船体運動の変針中に新たに別の変針を実施する場合等の、変針開始時に旋回角速度と旋回角加速度がゼロでない場合に、その角加速度初期値C1aと角速度初期値C2aと最大旋回角速度rRとの関係が、C2a>rR、C1a<0またはC2a<rR、C1a>0のときに参照針路を適切に設定できない。
・角加速度初期値C1aと角速度初期値C2aがある場合に、その初期値を減衰させるために必要な変針量が設定される変針量より大きいと、変針時間が長くなるおそれがあり、適切に対応することができない。
・角加速度初期値C1aと角速度初期値C2aとを船首方位からの信号によって求めているが、船首方位からの信号はフィルタを通したとしても小さなノイズが重畳されているために、安定的な初期値を得ることが困難である。
前記軌道演算部は、前記初期値C1a、C2aをそれぞれゼロとして加速モードの終端時及び等速モード時における旋回角速度rRを求め、その際に、旋回角速度rRが指定旋回角速度r0に等しいと仮定したときに、演算される参照針路に基づきフィードフォワード制御器から出力されるフィードフォワード舵角が許容舵角以下の条件を満足するときに、旋回角速度rRを指定旋回角速度r0に決定し、該条件を満足しないときに、フィードフォワード舵角と許容舵角との偏差を最も小さくする角速度を旋回角速度rRに決定し、決定された旋回角速度rRとしたときのフィードフォワード制御器から出力されるフィードフォワード舵角の最大舵速度を求め、
C2a>rRでC1a<0を満足する場合、またはC2a<rRでC1a>0を満足する場合には、加速モードにおける最大舵速度発生時点が各場合で常に同じになるように旋回角速度rRを修正し、該修正した旋回角速度rRを満足し且つ演算される参照針路に基づきフィードフォワード制御器から出力されるフィードフォワード舵角の舵速度が前記最大舵速度を超えないように各モードの参照針路を演算し、上記場合以外の場合には、修正しない旋回角速度rRを満足し且つ演算される参照針路に基づきフィードフォワード制御器から出力されるフィードフォワード舵角の舵速度が前記最大舵速度を超えないように各モードの参照針路を演算することを特徴とする。
請求項4に記載の発明は、船舶の所望される変針量に対して参照針路を演算して出力する軌道演算部と、該参照針路からフィードフォワード舵角を演算して開ループ制御を行うフィードフォワード制御器と、を有し、前記軌道演算部は、参照針路を加速モード、等速モード及び減速モードに分けて出力し、加速モードにおいて、変針開始時点の旋回角加速度の初期値C1aと旋回角速度の初期値C2aがゼロでない場合にその値を取り込んで参照針路を演算する船舶用自動操舵装置において、
前記軌道演算部は、前記加速モードで前記初期値C1a、C2aを減衰させるために必要な方位変化量が所望される変針量よりも大きい場合に、加速モードを、初期値を減衰させる減衰モードと、前記等速モードの旋回角速度rRに収束させる通常モードとに分けて、それぞれのモードの参照針路を演算することを特徴とする。
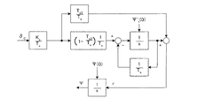
図1は、本発明の船舶用自動操舵装置12と、操舵機16及び船体18とからなる制御対象14とを含む全体のブロック図を示している。本発明の船舶用自動操舵装置12は、特許文献1と同様に、軌道演算部12−1と、フィードフォワード制御器12−2と、フィードバック制御器12−3と、第1及び第2の加算器12−4、12−5とを有している。
軌道演算部12−1の出力する参照針路ψRは、変針条件を満足する時間関数である必要がある。変針条件としては、
針路条件:所望される変針量と、旋回角速度との針路条件
制限条件:操舵機16の特性を考慮したフィードフォワード舵角と舵速度との制限条件
初期値条件:変針直前の船体運動に起因した方位の角加速度と角速度との初期値条件が挙げられる。
以下、各モードにおける参照針路について説明する(図3)。
1.2.1 加速モード
参照針路の2階微分が2次関数となり、初期値に角加速度C1aと角速度C2aを持つ。加速モードは、加速モード終了時に角加速度をゼロにする。
加速モードに続く等速モードでは参照針路の角速度は一定であり、角加速度はゼロである。従って、等速モードにおける参照針路の2階微分、1階微分、参照針路は、以下のように表される。
参照針路はモードの終了時(終端時)にて変針量に一致し、その角速度と角加速度はモードの終了時点にてゼロになるように減衰される。したがって、減速モードの参照針路の2階微分、1階微分、参照針路は、以下のように表される。
フィードフォワード制御器12−2では、参照針路ψRからフィードフォワード舵角δFFを出力する。舵角δFFは、参照針路ψRを入力した船体モデルPの逆数とする。ここで、船体モデルPは、(1式)を使用することとすると、フィードフォワード舵角δFFは次から求まる。
舵角の最大値または最小値は舵速度をゼロにする極値で生じるから(21式)よりその時間は、
で与えられる。ここで、分子の±の極性は+が安定船に、−が不安定船に対応する。舵角の最大値または最小値は時間tδFFを(20式)に代入することで求まる。最大舵角δR(以降、これを舵角と呼ぶ)は舵角δFFの絶対値の最大値
舵速度の導関数は1次関数となり、図2に示したように、舵速度の最大値または最小値は加速と減速とのモードのそれぞれの開始または終端の時間で生じる。舵速度は、加速モードで初期値C1aのため開始と終端とで異なり、減速モードでは開始と終端とで同一となる。舵速度の最大値と最小値は(21式)〜(23式)から
以上の関係式に基づき、変針条件を満足する参照針路を求める。そのために、まずは船体運動の初期値である角加速度C1aと角速度C2aはゼロとして設計パラメータを定めて諸変数の関係式を求める。簡単化のため変針量Δψ0は正とする。これにより加速と減速とのモードで時間Ta=Td、定数−βa=βd、変針量Δψa=Δψdになる。
等速時間Tvと減速時間Tdとの比率を等減速比Rvdとする。即ち、
舵角は(19式)で示され、参照針路の1階微分と2階微分の和であるから、舵角の極値は2階微分の極値を1階微分の影響分だけずらした位置にある。
極値をとる時間を(24式)より求める。Tsn>TaとしてTaylor展開の2次までを用いると、
減速モードで最小舵角を生じるのを除き、安定船の場合と同様で、極値の時間は
(38式)と(40式)とをまとめると、最大舵角は
設計パラメータの等減速比は、評価関数を用いて決定する。まず、(31式)等から変針量ΔψRより等速時間Tv=6ΔψR/(βaTa)−Taを得るので、変針時間Ttは、
を得る。このとき、等速時間Tvは0となる。舵速度が一定の条件下で加速時間が最大になると角速度rRが最大になるので、変針時間を短くすれば角速度rRを大きくすることになる。変針動作の運動エネルギーは角速度の2乗に比例すると想定すると、単に変針時間を短くすることにのみ着目することは省エネルギーの観点から得策ではない。よって、変針時間を許容範囲内に設定して角速度を低くするために、変針時間と角速度とを用いた評価関数を導入し、それを最小にする等減速比を求めることにする。
重みλが増加すれば評価関数は増加するが、変針時間の増加に対して、運動エネルギーの抑制効果が十分に期待できる範囲としては、2≦λ≦3の範囲、より好ましくは、λ=2.36とするとよいことが分かる。即ち、2≦Rvd≦2.61、より好ましくは、Rvd=2.23とするとよく、この等減速比Rvdを基本的に固定に設定する。
次に、舵速度を決定する。舵速度δ'Rは、(30式)を変形すると
角速度rRは、(11式)または(31式)より、Taとβaを消去すると、
次に、船体運動の初期値C1aとC2aを考慮した場合について説明する。初期値は加速モードにのみ組み込まれる。1回の加速モードの終端で角加速度の初期値C1aはゼロになるが、角速度の初期値C2aは参照針路の基準角速度rRに収束できない場合がある。1回の加速モードで対応できる初期値C2aの大きさは舵角制限により限定されるからである。そこで、加速モードを複数回組み合わせることによって、初期値の大きさの影響を排除する。
まず、舵角制限を無視して初期値を含んだ加速モードの定数を求めることにする。舵速度は初期値C1aにより開始または終端において異なる。両者の絶対値で大きい方を舵速度δ'Rに設定する。
初期値に対応して最大舵速度の発生時刻が決まれば、Taは(66式)から、βaは(64式)から求まる。C2a=rRの場合とC2a≠rRの場合に分けて最大舵速度の発生時刻を求める。
C2a>rRでC1a<0の場合及びC2a<rRでC1a>0の場合について、終端時t=Taについて調べる。|C2a−rR|>0で両者の差が小さいとき、(66式)のt=Taは、
となり、加速時間Taは差に比例して微小になる。ここで、Δr=−6(C2a−rR)とおく。但し、C1a<0のときに√の係数を−にしている。このとき、(64式)のβaはTa成分よりもC1a成分が支配的になる。即ち、
になり、(73式)に比べ差の大きさは小さくなる。しかし、最大舵速度の時刻はTsn項の影響を受けるため、安定船の場合、t=Taで最大となり、C2a>rRでC1a<0、及びC2a<rRでC1a>0の場合の条件を満足するが、不安定船の場合には、t=0で最大となり、条件を満足できない。以下各々の場合を説明する。
安定船の場合、(76式)においてTsn項により舵速度はt=Taで最大となる。
(i) C2a>rRでC1a<0の場合
βa≦−C1aになるように設定すればよいので、この不等式を(64式)を用いて変形すると、
βa=CRaTa−2C1a≦−C1a
CRaTa≦C1a
となる。
Ta≧C1a/CRaであり、(66式)から
βa≧−C1aになるように設定すればよい。同様にこの不等式を変形すると、
βa=CRaTa−2C1a≧−C1a
CRaTa≧C1a
となり、
C2a<rRでC1a>0でありCRa>0であるから、
Ta≧C1a/CRaであり、
不安定船の場合、(76式)においてTsn<0より舵速度の最大値はt=Taでなくt=0で生じるので、t=0での舵速度をt=Taでの舵速度以下に設定すればよい。
(i) C2a>rRでC1a<0の場合
(26式)、(64式)から
(i)と同様に(26式)、(64式)から
(78式)、(80式)、(86式)、(89式)においてrCは角速度修正量を示し、CRaの極性と逆である。この結果、これら式を満足するときに最大舵速度は終端時間で生じ、その設定値になるが、満足しないとき角速度rRを修正量rCと初期値C2aを用いて
最大舵角は初期値による増加分でその許容値を超える場合を生じる。そのため初期値を含んだ舵角の式を求める。(35式)、(36式)に(64式)を代入して、初期値C1aの1次項までで近似すると、
舵角と加速時間との関係式は、極値時間tpを(64式)のt=0のβaと舵角の式である(20式)に代入してC1aの1次項までで近似すると、
舵角と加速時間の関係式は、極値時間tpをt=Taのβaと舵角の式である(64式)に代入してC1aの1次項までで近似すると、
船体運動の初期値がゼロでないC1a≠0、C2a≠0において、参照針路は初期値を減衰して、変針量に一致するように構成される。このときに、変針量が小さいと、旋回角速度が小さく設定されることになる。ところが、初期値を減衰させるために必要である方位変化量が変針量よりも大きいときには、小さい旋回角速度で旋回するために、変針時間がかかってしまう、という問題がある。この状態を小角度と呼ぶ。
以上の説明においては、フィードフォワード制御器12−2の伝達関数を、船体プラントの伝達関数P(s)の逆特性を有すると仮定して、具体的には、特許文献1で示すものと同じ(式1)を用いて解析している。
野本の2次モデルは、
Tc=Ts2、G=ψ'10よりA≒0、B≒1に近似できる。応答は(104式)において、sin項が支配的になり、1次モデルの場合とほぼ同じになる。これにより、ψ'10≒ψ'0となる。
・初期値ψ'20の場合
Tc=Ts3、G=ψ'20Ts3/Ts1よりA>0、B<1になる。応答は初期値ψ'10の場合に比べて、ピーク値がψ'20≒ψ'10を仮定して、
軌道演算部12−1で行なわれる処理について図9ないし図11のフローチャートに基づき説明する。
ステップS44:加速モードの角速度終端値と変針量(97式)との計算を行なう。
ステップS46:角速度終端値がゼロか否かの判定を行なう。判定は、終端値の絶対値が収束値ε以下のときに次のステップに進み、そうでないときに繰り返しループに戻る。
ステップS48:ステップ30と同様の処理を行なう。
以上の説明では、等減速比を前掲2.3章で説明したように固定値で設計し、これによって、加速・等速・減速の釣合を重視している。しかしながら、この設計では、大きな変針でないと、角速度rRを指定旋回角速度r0に一致させることができない。
ここで、今までの説明に登場し、且つ以下の説明で用いる関係式を整理する。この等減速比演算部12−1−1においては初期値C1a、C2aを考慮しない関係式を使用する。
舵速度の制限がなしとして、許容舵角δ0、等減速比Rvd≧0で実現できる指定旋回角速度r0を求める。(119式)のrRをr0に、(120式)のδRをδ0にそれぞれ置き換えると、Rvdの2次方程式
さらに、許容舵速度δ0’、最大舵角の制限なし、等減速比Rvd≧0で実現できる角速度rRを求める。δ0に対応するCRをCR0とすると、
上記(130式)、(131式)で決めたRvd、rRとしたときに舵角の最大値が許容舵角δ0を超えていないかどうかを確認する。具体的には、(130式)、(131式)で決めたRvd、rRを用いて、(116)式、(117)式、(119)式から舵速度δR’を求め、求めた舵速度δR’を用いて、(120式)から舵角δRを求め、求めた舵角δRと許容舵角δ0との比較を行い、δR≦δ0であれば、7.7の手順に進む。δR>δ0であれば、まず、優先度の最も低いRvd>0を調整して変針条件に適合させ、次いで、優先度がRvdの次に低いrRを調整して変針条件に適合させる。そのための準備として、まず、舵角δRの等減速比Rvdに関する特性及び角速度rRに関する特性をそれぞれ調べる。
(119式)を(120式)に代入して、δRのRvdに関する一次微分、二次微分を求める。すると、
同様に、(119式)を(120式)に代入して、δRのrRに関する一次微分、二次微分を求める。すると、
前述のように、等減速比RvdがRvdminのときδRは最小値となり、また、δ0’になるときのRvdmaxのときにδRは最大値となる。図15は、横軸を等減速比Rvdとし、縦軸を舵速度δR’、舵角δRと変針時間Ttである。舵角δRはRvdminで最小値となり、Rvdmaxでδ0となる。従って、変針時間Ttを短くし、解を1つにするために、Rvdの探索範囲は、[Rvdmin,Rvdmax]とし、この範囲でδRとδ0との誤差を最小にするRvdを黄金分割等の任意の手法により求める。
7.5で得られたRvdを用いて、7.4の手順を用いて、舵角δRを求め、舵角δRが許容舵角δ0との比較を行い、δR≦δ0であれば、7.7の手順に進む。δR>δ0であれば、範囲[0,rR]で、δRとδ0との誤差を最小にする角速度rR を黄金分割等の任意の手法により求める。
以上の手順で決定した等減速比Rvd、角速度rR、舵速度δR’を用い、角速度rR、舵速度δR’をそれぞれ変針条件の指定旋回角速度r0、舵速度の上限値δRH’とし、下限値δRL’=δRH’×0.5として、参照針路演算部12−1−2に入力する。参照針路演算部12−1−2は、前述の6.軌道演算部の処理を実行する。舵速度の上限値δRH’は、許容舵速度δ0’以下となる。
「6.軌道演算部の処理」におけるステップS24では、変針領域Smallになり、舵速度はδRH’となるため、角速度rRは指定旋回角速度r0を実現できることになる。
図16はそのシミュレーション結果であり、図16(A)は等減速比Rvd=2.23の一定とした場合、(B)は等減速比Rvdを可変とした場合である。等減速比Rvdを可変とすることによって、角速度rRを指定旋回角速度r0に一致させることができる。
プロペラと舵との位置関係は図17に示すように前後に並んでおり、プロペラによる伴流が舵回りに沿って行くようになっている。操縦性指数の旋回力ゲインKsは舵回りの流速に比例するので、プロペラの回転数あるいはピッチ角が変化すると旋回力ゲインも同様に変化する。一方、船体の速度は大きな時定数の一次遅れ系のためにゆっくりと変化する。そのため伴流速度と船速との応答差が生じ、船速により旋回力ゲインを修正したとしてもその効果が期待できず、変針量および角速度は図18(a)に示すように推進力変化前の設定値を保持できない、という問題を発生する。また操縦性指数の時定数は、伴流の影響よりも船体と船速との関係によって支配される傾向をもつ。したがって増減速開始から定常船速に達するまで操縦性指数の時定数は一次遅れのゆっくりした変化になり、旋回力ゲインはそれに比べ迅速に変化する。よって旋回力ゲインのパラメータ不確かさに対する変針制御系のロバスト性の向上が課題になる。
船速は図17から船体に取り付けた速度計によって得られるが、伴流速度は直接に得られない。両者の時間応答は図19に示すように、伴流速度の方が船速の方より立上り時間が早いことが予想される。伴流速度の定常値は圧力差から船速のそれより高い。したがって船速変化時の旋回力ゲインは既に伴流速度が定常値に近づいている状態で実施されるので、伴流速度変化による旋回力ゲインを修正することは難しい。
方位比つまり伝達関数は、推進力変化に対する閉ループ応答がゆっくりなので無視すると、
の様に旋回力ゲイン比と等価になる。ここで、添字()aは実際値、()nはノミナル値を表しており、また、推進力変化は、プロペラ回転数に相当し、プロペラの下流部にある舵に作用するので、操縦性指数のうち、時定数Tsa、Ts3aへの影響を無視し、旋回力ゲインKsaに影響すると定め、Tsn=Tsa、Ts3n=Ts3aとする。これよりψ=ψRとするために、方位比
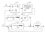
図20は、増減速時のロバスト性向上を行った変形例の構成を表すブロック図である。図示したように、フィードフォワード制御器12−2の後段に、方位比乗算器12−6を備え、さらに、方位比演算部12−7、方位比制限部12−8を備えている。
方位比乗算器12−6は、フィードフォワード制御器12−2から出力されるフィードフォワード舵角δFFに方位比RKを乗算するものである。
推進力変化に伴い船速も変化すると、船速修正が行われる。即ち、
であり、V、V0は船速で現在値と直前値を表す。なお船速修正はノミナル値や制御ゲインを更新するもので、参照方位やフィードフォワード舵角には反映されない。変針命令時に更新されたパラメータを用いて軌道計画が構成される。つまり船速修正の効果は変針命令がないと発揮されない。
尚、方位比の代わりに、応答性のよい角速度比を用いることも可能であるが、ノイズ成分による誤差が大きいため、方位比で修正することが望ましい。また、しきい値として、暴走対策として上限値を設定することもできる。
12−1 軌道演算部
12−2 フィードフォワード制御器
12−3 フィードバック制御器
rR 旋回角速度
C1a 旋回角加速度初期値
C2a 旋回角速度初期値
Claims (5)
- 船舶の所望される変針量に対して参照針路を演算して出力する軌道演算部と、該参照針路からフィードフォワード舵角を演算して開ループ制御を行うフィードフォワード制御器と、を有し、前記軌道演算部は、参照針路を加速モード、等速モード及び減速モードに分けて出力し、加速モードにおいて、変針開始時点の旋回角加速度の初期値C1aと旋回角速度の初期値C2aとがゼロでない場合にその値を取り込んで参照針路を演算する船舶用自動操舵装置において、
前記軌道演算部は、前記初期値C1a、C2aをそれぞれゼロとして演算される参照針路に基づきフィードフォワード制御器から出力されるフィードフォワード舵角の舵速度が設定された最大舵速度を超えないように各モードを決めたときの加速モードの終端時及び等速モード時における旋回角速度rRを演算し、C2a>rRでC1a<0を満足する場合、またはC2a<rRでC1a>0を満足する場合には、加速モードにおける最大舵速度発生時点が各場合で常に同じになるように旋回角速度rRを修正し、該修正した旋回角速度rRを満足し且つ演算される参照針路に基づきフィードフォワード制御器から出力されるフィードフォワード舵角の舵速度が前記最大舵速度を超えないように各モードの参照針路を演算し、上記場合以外の場合には、修正しない旋回角速度rRを満足し且つ演算される参照針路に基づきフィードフォワード制御器から出力されるフィードフォワード舵角の舵速度が前記最大舵速度を超えないように各モードの参照針路を演算することを特徴とする船舶用自動操舵装置。 - 前記軌道演算部の旋回角速度rRの演算は、等速モード及び減速モードのそれぞれの時間である等速時間及び減速時間の比を一定とした条件で行い、その結果が指定旋回角速度以上の場合には指定旋回角速度とし、指定旋回角速度以下の場合にその演算結果の角速度とすることを特徴とする請求項1記載の船舶用自動操舵装置。
- 船舶の所望される変針量に対して参照針路を演算して出力する軌道演算部と、該参照針路からフィードフォワード舵角を演算して開ループ制御を行うフィードフォワード制御器と、を有し、前記軌道演算部は、参照針路を加速モード、等速モード及び減速モードに分けて出力し、加速モードにおいて、変針開始時点の旋回角加速度の初期値C1aと旋回角速度の初期値C2aとがゼロでない場合にその値を取り込んで参照針路を演算する船舶用自動操舵装置において、
前記軌道演算部は、前記初期値C1a、C2aをそれぞれゼロとして加速モードの終端時及び等速モード時における旋回角速度rRを求め、その際に、旋回角速度rRが指定旋回角速度r0に等しいと仮定したときに、演算される参照針路に基づきフィードフォワード制御器から出力されるフィードフォワード舵角が許容舵角以下の条件を満足するときに、旋回角速度rRを指定旋回角速度r0に決定し、該条件を満足しないときに、フィードフォワード舵角と許容舵角との偏差を最も小さくする角速度を旋回角速度rRに決定し、決定された旋回角速度rRとしたときのフィードフォワード制御器から出力されるフィードフォワード舵角の最大舵速度を求め、
C2a>rRでC1a<0を満足する場合、またはC2a<rRでC1a>0を満足する場合には、加速モードにおける最大舵速度発生時点が各場合で常に同じになるように旋回角速度rRを修正し、該修正した旋回角速度rRを満足し且つ演算される参照針路に基づきフィードフォワード制御器から出力されるフィードフォワード舵角の舵速度が前記最大舵速度を超えないように各モードの参照針路を演算し、上記場合以外の場合には、修正しない旋回角速度rRを満足し且つ演算される参照針路に基づきフィードフォワード制御器から出力されるフィードフォワード舵角の舵速度が前記最大舵速度を超えないように各モードの参照針路を演算することを特徴とする船舶用自動操舵装置。 - 船舶の所望される変針量に対して参照針路を演算して出力する軌道演算部と、該参照針路からフィードフォワード舵角を演算して開ループ制御を行うフィードフォワード制御器と、を有し、前記軌道演算部は、参照針路を加速モード、等速モード及び減速モードに分けて出力し、加速モードにおいて、変針開始時点の旋回角加速度の初期値C1aと旋回角速度の初期値C2aがゼロでない場合にその値を取り込んで参照針路を演算する船舶用自動操舵装置において、
前記軌道演算部は、前記加速モードで前記初期値C1a、C2aを減衰させるために必要な方位変化量が所望される変針量よりも大きい場合に、加速モードを、初期値を減衰させる減衰モードと、前記等速モードの旋回角速度rRに収束させる通常モードとに分けて、それぞれのモードの参照針路を演算することを特徴とする船舶用自動操舵装置。 - 前記旋回角加速度の初期値C1aと旋回角速度の初期値C2aは、変針開始時に変針中であったときの前回の変針に対して前記軌道演算部で演算を行った参照針路の2階微分と1階微分との変針開始時の値から求められることを特徴とする請求項1ないし4のいずれか1項に記載の船舶用自動操舵装置。
Priority Applications (1)
| Application Number | Priority Date | Filing Date | Title |
|---|---|---|---|
| JP2012153415A JP5571743B2 (ja) | 2006-03-31 | 2012-07-09 | 船舶用自動操舵装置 |
Applications Claiming Priority (3)
| Application Number | Priority Date | Filing Date | Title |
|---|---|---|---|
| JP2006098695 | 2006-03-31 | ||
| JP2006098695 | 2006-03-31 | ||
| JP2012153415A JP5571743B2 (ja) | 2006-03-31 | 2012-07-09 | 船舶用自動操舵装置 |
Related Parent Applications (1)
| Application Number | Title | Priority Date | Filing Date |
|---|---|---|---|
| JP2007096699A Division JP5069930B2 (ja) | 2006-03-31 | 2007-04-02 | 船舶用自動操舵装置 |
Publications (2)
| Publication Number | Publication Date |
|---|---|
| JP2012210941A true JP2012210941A (ja) | 2012-11-01 |
| JP5571743B2 JP5571743B2 (ja) | 2014-08-13 |
Family
ID=47265285
Family Applications (2)
| Application Number | Title | Priority Date | Filing Date |
|---|---|---|---|
| JP2012153416A Active JP5584736B2 (ja) | 2006-03-31 | 2012-07-09 | 船舶用自動操舵装置 |
| JP2012153415A Active JP5571743B2 (ja) | 2006-03-31 | 2012-07-09 | 船舶用自動操舵装置 |
Family Applications Before (1)
| Application Number | Title | Priority Date | Filing Date |
|---|---|---|---|
| JP2012153416A Active JP5584736B2 (ja) | 2006-03-31 | 2012-07-09 | 船舶用自動操舵装置 |
Country Status (1)
| Country | Link |
|---|---|
| JP (2) | JP5584736B2 (ja) |
Citations (5)
| Publication number | Priority date | Publication date | Assignee | Title |
|---|---|---|---|---|
| JPH08207894A (ja) * | 1994-11-28 | 1996-08-13 | Tokimec Inc | 船舶用自動操舵装置 |
| JPH09142390A (ja) * | 1995-11-27 | 1997-06-03 | Tokimec Inc | 船舶用自動操舵装置 |
| JPH09207889A (ja) * | 1995-11-27 | 1997-08-12 | Tokimec Inc | 船舶用自動操舵装置 |
| JP2008213682A (ja) * | 2007-03-05 | 2008-09-18 | Tokimec Inc | 船舶用自動操舵装置 |
| JP2009248897A (ja) * | 2008-04-10 | 2009-10-29 | Tokyo Keiki Inc | 船舶用自動操舵装置 |
Family Cites Families (2)
| Publication number | Priority date | Publication date | Assignee | Title |
|---|---|---|---|---|
| JP2001018893A (ja) * | 1999-07-01 | 2001-01-23 | Tokimec Inc | 船舶用自動操舵装置 |
| JP4261330B2 (ja) * | 2003-12-16 | 2009-04-30 | 古野電気株式会社 | 自動操舵制御装置および自動操舵装置 |
-
2012
- 2012-07-09 JP JP2012153416A patent/JP5584736B2/ja active Active
- 2012-07-09 JP JP2012153415A patent/JP5571743B2/ja active Active
Patent Citations (5)
| Publication number | Priority date | Publication date | Assignee | Title |
|---|---|---|---|---|
| JPH08207894A (ja) * | 1994-11-28 | 1996-08-13 | Tokimec Inc | 船舶用自動操舵装置 |
| JPH09142390A (ja) * | 1995-11-27 | 1997-06-03 | Tokimec Inc | 船舶用自動操舵装置 |
| JPH09207889A (ja) * | 1995-11-27 | 1997-08-12 | Tokimec Inc | 船舶用自動操舵装置 |
| JP2008213682A (ja) * | 2007-03-05 | 2008-09-18 | Tokimec Inc | 船舶用自動操舵装置 |
| JP2009248897A (ja) * | 2008-04-10 | 2009-10-29 | Tokyo Keiki Inc | 船舶用自動操舵装置 |
Also Published As
| Publication number | Publication date |
|---|---|
| JP2012210942A (ja) | 2012-11-01 |
| JP5571743B2 (ja) | 2014-08-13 |
| JP5584736B2 (ja) | 2014-09-03 |
Similar Documents
| Publication | Publication Date | Title |
|---|---|---|
| JP5993125B2 (ja) | 船舶用自動操舵装置 | |
| Pettersen et al. | Underactuated dynamic positioning of a ship-experimental results | |
| JP5042906B2 (ja) | 船舶用自動操舵装置 | |
| CN102768539A (zh) | 基于迭代的自主水下航行器三维曲线路径跟踪控制方法 | |
| CN113110527B (zh) | 一种自主水下航行器有限时间路径跟踪的级联控制方法 | |
| JP5042905B2 (ja) | 船舶用自動操舵装置 | |
| JP5069930B2 (ja) | 船舶用自動操舵装置 | |
| JP2008213681A (ja) | 船舶用自動操舵装置 | |
| Shen et al. | NMPC design for AUV dynamic positioning control with incremental input constraints | |
| Tsopelakos et al. | Design and evaluation of dynamic positioning controllers with parasitic thrust reduction for an overactuated floating platform | |
| JP5571743B2 (ja) | 船舶用自動操舵装置 | |
| Su et al. | Nonlinear feedback-based path following control for underactuated ships via an improved compound line-of-sight guidance | |
| JPH08207894A (ja) | 船舶用自動操舵装置 | |
| JPH09207889A (ja) | 船舶用自動操舵装置 | |
| CN111538242B (zh) | 一种不确定性估计和饱和补偿的动力定位t-s模糊抗饱和控制方法 | |
| CN118331315B (zh) | 一种预设跟踪精度的潜航器容错输出约束控制系统及方法 | |
| JP2022175993A (ja) | 船舶用自動操舵装置 | |
| Kobatake et al. | Study on optimal tuning of pid autopilot for autonomous surface vehicle | |
| Aschemann et al. | Nonlinear control and disturbance compensation for underactuated ships using extended linearisation techniques | |
| JP5897391B2 (ja) | 船舶用自動操舵装置 | |
| CN120010252B (zh) | 一种考虑输入延迟的固定时间路径跟踪控制方法 | |
| JP6632497B2 (ja) | 船舶用自動操舵装置 | |
| Valladarez | An adaptive approach for precise underwater vehicle control in combined robot-diver operations | |
| JP7709898B2 (ja) | 船舶用自動操舵装置 | |
| CN116859884B (zh) | 一种单舵单桨损坏下的双体船容错运动控制方法 |
Legal Events
| Date | Code | Title | Description |
|---|---|---|---|
| A977 | Report on retrieval |
Free format text: JAPANESE INTERMEDIATE CODE: A971007 Effective date: 20130730 |
|
| A131 | Notification of reasons for refusal |
Free format text: JAPANESE INTERMEDIATE CODE: A131 Effective date: 20130917 |
|
| RD02 | Notification of acceptance of power of attorney |
Free format text: JAPANESE INTERMEDIATE CODE: A7422 Effective date: 20140312 |
|
| TRDD | Decision of grant or rejection written | ||
| A01 | Written decision to grant a patent or to grant a registration (utility model) |
Free format text: JAPANESE INTERMEDIATE CODE: A01 Effective date: 20140603 |
|
| A61 | First payment of annual fees (during grant procedure) |
Free format text: JAPANESE INTERMEDIATE CODE: A61 Effective date: 20140626 |
|
| R150 | Certificate of patent or registration of utility model |
Ref document number: 5571743 Country of ref document: JP Free format text: JAPANESE INTERMEDIATE CODE: R150 |
|
| R250 | Receipt of annual fees |
Free format text: JAPANESE INTERMEDIATE CODE: R250 |
|
| R250 | Receipt of annual fees |
Free format text: JAPANESE INTERMEDIATE CODE: R250 |
|
| R250 | Receipt of annual fees |
Free format text: JAPANESE INTERMEDIATE CODE: R250 |
|
| R250 | Receipt of annual fees |
Free format text: JAPANESE INTERMEDIATE CODE: R250 |
|
| R250 | Receipt of annual fees |
Free format text: JAPANESE INTERMEDIATE CODE: R250 |
|
| R250 | Receipt of annual fees |
Free format text: JAPANESE INTERMEDIATE CODE: R250 |
|
| R250 | Receipt of annual fees |
Free format text: JAPANESE INTERMEDIATE CODE: R250 |
|
| R250 | Receipt of annual fees |
Free format text: JAPANESE INTERMEDIATE CODE: R250 |
|
| R250 | Receipt of annual fees |
Free format text: JAPANESE INTERMEDIATE CODE: R250 |
