JP2012144169A - ハイブリッド自動車 - Google Patents

ハイブリッド自動車 Download PDF

Info

Publication number
JP2012144169A
JP2012144169A JP2011004653A JP2011004653A JP2012144169A JP 2012144169 A JP2012144169 A JP 2012144169A JP 2011004653 A JP2011004653 A JP 2011004653A JP 2011004653 A JP2011004653 A JP 2011004653A JP 2012144169 A JP2012144169 A JP 2012144169A
Authority
JP
Japan
Prior art keywords
voltage
battery
capacitor
electric pump
exhaust heat
Prior art date
Legal status (The legal status is an assumption and is not a legal conclusion. Google has not performed a legal analysis and makes no representation as to the accuracy of the status listed.)
Granted
Application number
JP2011004653A
Other languages
English (en)
Other versions
JP5699615B2 (ja
Inventor
Toru Ono
徹 大野
Current Assignee (The listed assignees may be inaccurate. Google has not performed a legal analysis and makes no representation or warranty as to the accuracy of the list.)
Toyota Motor Corp
Original Assignee
Toyota Motor Corp
Priority date (The priority date is an assumption and is not a legal conclusion. Google has not performed a legal analysis and makes no representation as to the accuracy of the date listed.)
Filing date
Publication date
Application filed by Toyota Motor Corp filed Critical Toyota Motor Corp
Priority to JP2011004653A priority Critical patent/JP5699615B2/ja
Publication of JP2012144169A publication Critical patent/JP2012144169A/ja
Application granted granted Critical
Publication of JP5699615B2 publication Critical patent/JP5699615B2/ja
Expired - Fee Related legal-status Critical Current
Anticipated expiration legal-status Critical

Links

Images

Classifications

    • YGENERAL TAGGING OF NEW TECHNOLOGICAL DEVELOPMENTS; GENERAL TAGGING OF CROSS-SECTIONAL TECHNOLOGIES SPANNING OVER SEVERAL SECTIONS OF THE IPC; TECHNICAL SUBJECTS COVERED BY FORMER USPC CROSS-REFERENCE ART COLLECTIONS [XRACs] AND DIGESTS
    • Y02TECHNOLOGIES OR APPLICATIONS FOR MITIGATION OR ADAPTATION AGAINST CLIMATE CHANGE
    • Y02TCLIMATE CHANGE MITIGATION TECHNOLOGIES RELATED TO TRANSPORTATION
    • Y02T10/00Road transport of goods or passengers
    • Y02T10/60Other road transportation technologies with climate change mitigation effect
    • Y02T10/62Hybrid vehicles

Landscapes

  • Hybrid Electric Vehicles (AREA)
  • Electric Propulsion And Braking For Vehicles (AREA)

Abstract

【課題】イグニッションオフ時に排気熱回収装置の温度が高いときに、コンデンサの電荷を有効利用すると共に排気熱回収装置をより確実に冷却する。
【解決手段】イグニッションオフされたときに冷却水温Twが閾値Twref以上のときにおいて(S100)、コンデンサの電圧VHがバッテリの端子間電圧Vb以上のときにはシステムメインリレーがオフでコンデンサの電荷を昇圧コンバータを介して用いて電動ポンプが駆動されるよう電動ポンプと昇圧コンバータとシステムメインリレーとを制御し(S110〜S140)、コンデンサの電圧VHがバッテリの端子間電圧Vb未満のときにはシステムメインリレーがオンでバッテリの電力を用いて電動ポンプが駆動されるよう電動ポンプとシステムメインリレーとを制御する(S110,S150〜S170)。
【選択図】図3

Description

本発明は、ハイブリッド自動車に関し、詳しくは、走行用の動力を出力可能な内燃機関と、内燃機関の排気系に取り付けられて内燃機関からの排気の熱と内燃機関の冷却媒体との熱交換を行なう排気熱回収装置と、電動ポンプの駆動によって冷却媒体を内燃機関および排気熱回収装置を含む循環流路内で循環させる冷却装置と、走行用の動力を出力可能な電動機と、電動機を駆動する電動機用インバータと、二次電池と、リレーを介して二次電池が接続されると共に電動ポンプが接続された電池電圧系と電動機用インバータが接続された駆動電圧系とに接続されて駆動電圧系の電圧を電池電圧系の電圧以上の範囲内で調節すると共に電池電圧系と駆動電圧系との間で電力のやりとりを行なう昇圧コンバータと、駆動電圧系に取り付けられたコンデンサと、を備えるハイブリッド自動車に関する。
従来、この種のハイブリッド自動車としては、走行用のエンジンおよびモータジェネレータと、主電池と、主電池からの電力を昇圧してモータジェネレータに供給可能なコンバータと、主電池から見てコンバータと並列に接続されたエアコン(A/C)コンプレッサと、主電池からモータジェネレータやA/Cコンプレッサへの電力の供給や遮断を司るメインリレーと、コンバータよりモータジェネレータ側に取り付けられたコンデンサと、を備えるものにおいて、IGキーがオフされたときには、メインリレーをオフとすると共に駆動系インバータを駆動停止し、コンデンサの電荷がA/Cコンプレッサに供給されるようコンバータを制御することによってコンデンサの残留電荷をA/Cコンプレッサで放電させるものが提案されている(例えば、特許文献1参照)。このハイブリッド自動車では、こうした制御により、コンバータよりモータジェネレータ側(駆動系)で残留電荷を放電させるものに比して駆動系の耐久性の向上を図っている。
特開2003−230269号公報
上述のエンジンやモータジェネレータ,主電池,コンバータ,メインリレー,コンデンサなどの他に、エンジンからの排気の熱を用いてエンジンの冷却水を加熱する排気熱回収装置や、主電池から見てコンバータと並列接続された電動ポンプの駆動によってエンジンや排気熱回収装置などを含む循環流路内で冷却水を循環させる冷却装置などを備えるハイブリッド自動車では、IGキーがオフされたときに排気熱回収装置の温度が高いときには、上述のハイブリッド自動車と同様に、コンデンサの残留電荷を用いて電動ポンプを駆動することによって冷却水を循環流路内で循環させて排気熱回収装置を冷却することが考えられるが、コンデンサの電圧(残留電荷の量)によっては排気熱回収装置を十分に冷却できない可能性がある。
本発明のハイブリッド自動車は、イグニッションオフ時に排気熱回収装置の温度が高いときに、コンデンサの電荷を有効利用すると共に排気熱回収装置をより確実に冷却することを主目的とする。
本発明のハイブリッド自動車は、上述の主目的を達成するために以下の手段を採った。
本発明のハイブリッド自動車は、
走行用の動力を出力可能な内燃機関と、前記内燃機関の排気系に取り付けられて該内燃機関からの排気の熱と該内燃機関の冷却媒体との熱交換を行なう排気熱回収装置と、電動ポンプの駆動によって前記冷却媒体を前記内燃機関および前記排気熱回収装置を含む循環流路内で循環させる冷却装置と、走行用の動力を出力可能な電動機と、前記電動機を駆動する電動機用インバータと、二次電池と、リレーを介して前記二次電池が接続されると共に前記電動ポンプが接続された電池電圧系と前記電動機用インバータが接続された駆動電圧系とに接続されて前記駆動電圧系の電圧を前記電池電圧系の電圧以上の範囲内で調節すると共に前記電池電圧系と前記駆動電圧系との間で電力のやりとりを行なう昇圧コンバータと、前記駆動電圧系に取り付けられたコンデンサと、を備えるハイブリッド自動車において、
イグニッションオフされたときに前記排気熱回収装置の冷却が要求されているとき、前記コンデンサの電圧が前記二次電池の電圧以上のときには前記リレーがオフの状態で前記コンデンサの電荷を前記昇圧コンバータを介して用いて前記電動ポンプが駆動されるよう前記電動ポンプと前記昇圧コンバータと前記リレーとを制御し、前記コンデンサの電圧が前記二次電池の電圧未満のときには前記リレーがオンの状態で前記二次電池の電力を用いて前記電動ポンプが駆動されるよう前記電動ポンプと前記リレーとを制御する制御手段、
を備えることを要旨とする。
この本発明のハイブリッド自動車では、イグニッションオフされたときに、内燃機関の排気系に取り付けられて内燃機関からの排気の熱と内燃機関の冷却媒体との熱交換を行なう排気熱回収装置の冷却が要求されているときにおいて、コンデンサの電圧が二次電池の電圧以上のときには、リレーがオフの状態でコンデンサの電荷を昇圧コンバータを介して用いて電動ポンプが駆動されるよう電動ポンプと昇圧コンバータとリレーとを制御する。一方、コンデンサの電圧が二次電池の電圧未満のときには、リレーがオンの状態で二次電池の電力を用いて電動ポンプが駆動されるよう電動ポンプとリレーとを制御する。即ち、コンデンサの電圧が二次電池の電圧以上のときにはコンデンサの電荷を用いて電動ポンプを駆動することによって冷却媒体を循環流路内で循環させて排気熱回収装置を冷却し、コンデンサの電圧が二次電池の電圧未満のときには二次電池の電力を用いて電動ポンプを駆動することによって冷却媒体を循環流路内で循環させて排気熱回収装置を冷却するのである。これにより、コンデンサの電荷を有効利用することができると共に排気熱回収装置をより確実に冷却することができる。
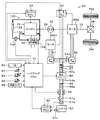
本発明の実施例としてのハイブリッド自動車20の構成の概略を示す構成図である。 ハイブリッド自動車20が備える電気系の構成の概略を示す構成図である。 ハイブリッド用電子制御ユニット70により実行されるイグニッションオフ時処理ルーチンの一例を示すフローチャートである。
次に、本発明を実施するための形態を実施例を用いて説明する。
図1は、本発明の実施例としてのハイブリッド自動車20の構成の概略を示す構成図であり、図2は、ハイブリッド自動車20が備える電気系の構成の概略を示す構成図である。実施例のハイブリッド自動車20は、図示するように、ガソリンや軽油などを燃料とするエンジン22と、エンジン22の排気系に取り付けられてエンジン22からの排気の熱とエンジン22の冷却水(ロング・ライフ・クーラント(LLC))との熱交換を行なう排気熱回収装置90と、冷却水を用いてエンジン22を冷却する冷却装置100と、エンジン22を駆動制御するエンジン用電子制御ユニット(以下、エンジンECUという)24と、エンジン22のクランクシャフト26にキャリアが接続されると共に駆動輪39a,39bにデファレンシャルギヤ38を介して連結された駆動軸32にリングギヤが接続されたプラネタリギヤ30と、例えば同期発電電動機として構成されて回転子がプラネタリギヤ30のサンギヤに接続されたモータMG1と、例えば同期発電電動機として構成されて回転子が駆動軸32に接続されたモータMG2と、モータMG1,MG2を駆動するためのインバータ41,42と、インバータ41,42をスイッチング制御することによってモータMG1,MG2を駆動制御するモータ用電子制御ユニット(以下、モータECUという)40と、例えばリチウムイオン二次電池として構成されたバッテリ50と、バッテリ50を管理するバッテリ用電子制御ユニット(以下、バッテリECUという)52と、インバータ41,42が接続された電力ライン(以下、高電圧系電力ラインという)54aとシステムメインリレー56を介してバッテリ50が接続された電力ライン(以下、電池電圧系電力ラインという)54bとに接続されて高電圧系電力ライン54aの電圧を電池電圧系電力ライン54bの電圧以上の範囲内で調節すると共に高電圧系電力ライン54aと電池電圧系電力ライン54bとの間で電力のやりとりを行なう昇圧コンバータ55と、高電圧系電力ライン54aの正極母線と負極母線とに接続された平滑用のコンデンサ57と、高電圧系電力ライン54aの正極母線と負極母線とに接続されてコンデンサ57の電荷を放電するための放電抵抗59と、電池電圧系電力ライン54bの正極母線と負極母線とに接続された平滑用のコンデンサ58と、車両全体をコントロールするハイブリッド用電子制御ユニット70と、を備える。
排気熱回収装置90は、エンジン22からの排気の熱と冷却水との熱交換が可能な熱交換部と、排熱回収装置90内を通過する排気の経路として熱交換部側に導く第1の経路とそのまま通過させる第2の経路とを切り替える流路切替バルブと、を備える。この排気熱回収装置90では、システム起動時など冷却水の冷却水温Twが低く暖機が要求されているときには、流路切替バルブを閉状態としてエンジン22からの排気を熱交換部側に導くことにより、熱交換部での排気の熱と冷却水との熱交換によって冷却水が加熱されて暖機が促進する。そして、暖機が終了すると、流路切替バルブを開状態としてエンジン22からの排気を熱交換部側に導かずにそのまま通過させることにより、熱交換部で排気の熱と冷却水との熱交換がそれほど行なわれなくなる。
冷却装置100は、冷却水と外気との熱交換を行なうラジエータ102と、エンジン22や排気熱回収装置90,ラジエータ102を含む循環流路104内で冷却水を循環させる電動ポンプ106と、を備える。ここで、電動ポンプ106は、電池電圧系電力ライン54bに接続されている(図2参照)。この冷却装置100では、ラジエータで外気と熱交換が行なわれた冷却水を電動ポンプ106によってエンジン22や排気熱回収装置90に供給することにより、エンジン22や排気熱回収装置90の過熱を抑制している。
昇圧コンバータ55は、図2に示すように、2つのトランジスタT31,T32とトランジスタT31,T32に逆方向に並列接続された2つのダイオードD31,D32とリアクトルLとからなる昇圧コンバータとして構成されている。2つのトランジスタT31,T32は、それぞれ高電圧系電力ライン54aの正極母線と高電圧系電力ライン54aおよび電池電圧系電力ライン54bの負極母線とに接続されており、その接続点にリアクトルLが接続されている。また、リアクトルLと電池電圧系電力ライン54bの負極母線とにはシステムメインリレー56を介してそれぞれバッテリ50の正極端子と負極端子とが接続されている。したがって、トランジスタT31,T32をオンオフ制御することにより、電池電圧系電力ライン54bの電力を昇圧して高電圧系電力ライン54aに供給したり、高電圧系電力ライン54aの電力を降圧して電池電圧系電力ライン54bに供給したりすることができる。以下、トランジスタT31を上アーム、トランジスタT32を下アームと称することがある。
エンジンECU24は、エンジン22を駆動制御するだけでなく、クランクポジションセンサからのクランクポジションに基づいてクランクシャフト26の回転数即ちエンジン22の回転数Neを演算したりしている。また、モータECU40は、インバータ41,42のスイッチング素子をスイッチング制御するだけでなく、回転位置検出センサからの信号に基づいてモータMG1,MG2の回転数Nm1,Nm2を演算したりしている。バッテリECU52には、バッテリ50を管理するのに必要な信号、例えば、バッテリ50の端子間に設置された電圧センサ51aからの端子間電圧Vb,バッテリ50の出力端子に取り付けられた電流センサ51bからの充放電電流Ib,バッテリ50に取り付けられた温度センサ51cからの電池温度Tbなどが入力されている。このバッテリECU52は、バッテリ50を管理するために電流センサ51bにより検出された充放電電流Ibの積算値に基づいてバッテリ50に蓄えられている蓄電量の全容量(蓄電容量)に対する割合である蓄電割合SOCを演算したり、演算した蓄電割合SOCと電池温度Tbとに基づいてバッテリ50を充放電してもよい最大許容電力である入出力制限Win,Woutを演算したりしている。
ハイブリッド用電子制御ユニット70は、図示しないCPUを中心とするマイクロプロセッサとして構成されており、CPUの他にROMやRAM,入出力ポート,通信ポートを備える。ハイブリッド用電子制御ユニット70には、コンデンサ57の端子間に取り付けられた電圧センサ57aからのコンデンサ57の電圧(高電圧系電力ライン54aの電圧)VHやコンデンサ58の端子間に取り付けられた電圧センサ58aからのコンデンサ58の電圧(電池電圧系電力ライン54bの電圧)VL,循環流路104のうち排気熱回収装置90の出口近傍に取り付けられた温度センサ108からの冷却水温Tw,イグニッションスイッチ80からのイグニッション信号,シフトレバーの操作位置を検出するシフトポジションセンサ82からのシフトポジションSP,アクセルペダルの踏み込み量を検出するアクセルペダルポジションセンサ84からのアクセル開度Acc,ブレーキペダルの踏み込み量を検出するブレーキペダルポジションセンサ86からのブレーキペダルポジションBP,車速センサ88からの車速Vなどが入力ポートを介して入力されている。ハイブリッド用電子制御ユニット70からは昇圧コンバータ55のトランジスタT31,T32へのスイッチング制御信号や、システムメインリレー56へのオンオフ信号,電動ポンプ106への駆動信号などが出力ポートを介して出力されている。ハイブリッド用電子制御ユニット70は、エンジンECU24やモータECU40,バッテリECU52と通信ポートを介して接続されており、エンジンECU24やモータECU40,バッテリECU52と各種制御信号やデータのやりとりを行なっている。
次に、こうして構成された実施例のハイブリッド自動車20の動作、特に、イグニッションオフされたときの動作について説明する。図3は、イグニッションオフされたときにハイブリッド用電子制御ユニット70により実行されるイグニッションオフ時処理ルーチンの一例を示すフローチャートである。なお、実施例では、イグニッションオフされて本ルーチンの実行を開始するときに、インバータ41,42については駆動停止するものとした。
イグニッションオフ時処理ルーチンが実行されると、ハイブリッド用電子制御ユニット70は、まず、排気熱回収装置90の出口近傍に取り付けられた温度センサ108からの冷却水温Twを排気熱回収装置90の冷却を必要とする温度範囲の下限として定められた閾値Twrefと比較し(ステップS100)、冷却水温Twが閾値Twref以上のときには、排気熱回収装置90の冷却を必要とすると判断し、電圧センサ57aからのコンデンサ57の電圧VHを電圧センサ51aからのバッテリ50の端子間電圧Vbとを比較する(ステップS110)。
コンデンサ57の電圧VHがバッテリ50の端子間電圧Vb以上のときには、システムメインリレー56をオフとし(ステップS120)、コンデンサ57の電荷が昇圧コンバータ55を介して電池電圧系電力ライン54bに供給されるよう昇圧コンバータ55を駆動制御しながら(ステップS130)、電動ポンプ106を駆動制御して(ステップS140)、ステップS100に戻る。ここで、昇圧コンバータ55の制御は、具体的には、コンデンサ57の電荷が昇圧コンバータ55で降圧されて電池電圧系電力ライン54bに供給されるようトランジスタT31,T32をスイッチング制御する、ことによって行なわれる。この場合、コンデンサ57の電荷を昇圧コンバータ55を介して用いて電動ポンプ106を駆動することになる。
一方、コンデンサ57の電圧VHがバッテリ50の端子間電圧Vb未満のときには、システムメインリレー56をオンとし(ステップS150)、昇圧コンバータ55を駆動停止し(ステップS160)、電動ポンプ106を駆動制御して(ステップS170)、ステップS100に戻る。この場合、バッテリ50の電力を用いて電動ポンプ106を駆動することになる。
このようにコンデンサ57の電荷またはバッテリ50の電力を用いて電動ポンプ106を駆動することによって冷却水を循環流路104内で循環させて冷却水温Twが閾値Twref未満になったとき、もしくは、イグニッションオフされたときに冷却水温Twが閾値Twref未満のときには、システムメインリレー56がオンの状態のときにはシステムメインリレー56をオフとして(ステップS180)、本ルーチンを終了する。なお、その後、コンデンサ57の電荷は、放電抵抗59によって放電される。
いま、イグニッションオフされたときに排気熱回収装置90が高温(冷却水温Twが閾値Twref以上)でコンデンサ57の電圧VHがバッテリ50の端子間電圧Vb以上のときを考える。このときには、まず、コンデンサ57の電荷を用いて電動ポンプ106を駆動して循環流路104内の冷却水を循環させる。そして、冷却水温Twが閾値Twref未満になる前にコンデンサ57の電圧VHがバッテリ50の端子間電圧Vb未満になったときには、コンデンサ57の電荷は少なくなったが排気熱回収装置90の冷却を継続する必要があると判断し、バッテリ50の電力を用いて電動ポンプ106を駆動して循環流路104内の冷却水を循環させて、冷却水温Twが閾値Twref未満になったときに電動ポンプ106の駆動を終了する。一方、コンデンサ57の電圧VHがバッテリ50の端子間電圧Vb未満になる前に冷却水温Twが閾値Twref未満になったときには、排気熱回収装置90の冷却を継続する必要はないと判断し、電動ポンプ106の駆動を終了する。したがって、排気熱回収装置90を冷却する必要があるときに、バッテリ50からの電力だけを用いて電動ポンプ106を駆動するものに比して、コンデンサ57の電荷を有効利用することができると共にバッテリ50の電力消費を抑制することができる。また、コンデンサ57の電荷だけを用いて電動ポンプ106を駆動するもの(コンデンサ57の電圧VHがバッテリ50の端子間電圧Vb未満になったときに電動ポンプ106を駆動停止するもの)に比して、排気熱回収装置90をより確実に冷却することができる。以上より、コンデンサの電荷を有効利用することができると共に排気熱回収装置90をより確実に冷却することができると言える。
以上説明した実施例のハイブリッド自動車20によれば、イグニッションオフされたときに冷却水温Twが閾値Twref以上のときにおいて、コンデンサ57の電圧VHがバッテリ50の端子間電圧Vb以上のときにはシステムメインリレー56がオフでコンデンサ57の電荷を昇圧コンバータ55を介して用いて電動ポンプ106が駆動されるよう電動ポンプ106と昇圧コンバータ55とシステムメインリレー56とを制御し、コンデンサ57の電圧VHがバッテリ50の端子間電圧Vb未満のときにはシステムメインリレー56がオンでバッテリ50の電力を用いて電動ポンプ106が駆動されるよう電動ポンプ106とシステムメインリレー56とを制御するから、コンデンサ57の電荷を有効利用することができると共に排気熱回収装置をより確実に冷却することができる。
実施例の主要な要素と課題を解決するための手段の欄に記載した発明の主要な要素との対応関係について説明する。実施例では、エンジン22が「内燃機関」に相当し、排気熱回収装置90が「排気熱回収装置」に相当し、電動ポンプ106を有する冷却装置100が「冷却装置」に相当し、モータMG2が「電動機」に相当し、インバータ42が「電動機用インバータ」に相当し、バッテリ50が「二次電池」に相当し、昇圧コンバータ55が「昇圧コンバータ」に相当し、システムメインリレー56が「リレー」に相当し、コンデンサ57が「コンデンサ」に相当し、イグニッションオフされたときに冷却水温Twが閾値Twref以上のときにおいて、コンデンサ57の電圧VHがバッテリ50の端子間電圧Vb以上のときにはシステムメインリレー56がオフでコンデンサ57の電荷を昇圧コンバータ55を介して用いて電動ポンプ106が駆動されるよう電動ポンプ106と昇圧コンバータ55とシステムメインリレー56とを制御し、コンデンサ57の電圧VHがバッテリ50の端子間電圧Vb未満のときにはシステムメインリレー56がオンでバッテリ50の電力を用いて電動ポンプ106が駆動されるよう電動ポンプ106とシステムメインリレー56とを制御するハイブリッド用電子制御ユニット70が「制御手段」に相当する。
なお、実施例の主要な要素と課題を解決するための手段の欄に記載した発明の主要な要素との対応関係は、実施例が課題を解決するための手段の欄に記載した発明を実施するための形態を具体的に説明するための一例であることから、課題を解決するための手段の欄に記載した発明の要素を限定するものではない。即ち、課題を解決するための手段の欄に記載した発明についての解釈はその欄の記載に基づいて行なわれるべきものであり、実施例は課題を解決するための手段の欄に記載した発明の具体的な一例に過ぎないものである。
以上、本発明を実施するための形態について実施例を用いて説明したが、本発明はこうした実施例に何等限定されるものではなく、本発明の要旨を逸脱しない範囲内において、種々なる形態で実施し得ることは勿論である。
本発明は、ハイブリッド自動車の製造産業に利用可能である。
20 ハイブリッド自動車、22 エンジン、24 エンジン用電子制御ユニット(エンジンECU)、26 クランクシャフト、30 プラネタリギヤ、32 駆動軸、38 デファレンシャルギヤ、39a,39b 駆動輪、40 モータ用電子制御ユニット(モータECU)、41,42 インバータ、50 バッテリ、51a 電圧センサ、51b 電流センサ、51c 温度センサ、52 バッテリ用電子制御ユニット(バッテリECU)、54 電力ライン、54a 高電圧系電力ライン、54b 電池電圧系電力ライン、55 昇圧コンバータ、56 システムメインリレー、57,58 コンデンサ、57a,58a 電圧センサ、59 放電抵抗、70 ハイブリッド用電子制御ユニット、80 イグニッションスイッチ、82 シフトポジションセンサ、84 アクセルペダルポジションセンサ、86 ブレーキペダルポジションセンサ、88 車速センサ、90 排気熱回収装置、100 冷却装置、102 ラジエータ、104 循環流路、106 電動ポンプ、108 温度センサ、D31,D32 ダイオード、L リアクトル、MG1,MG2 モータ、T31,T32 トランジスタ。

Claims (1)

  1. 走行用の動力を出力可能な内燃機関と、前記内燃機関の排気系に取り付けられて該内燃機関からの排気の熱と該内燃機関の冷却媒体との熱交換を行なう排気熱回収装置と、電動ポンプの駆動によって前記冷却媒体を前記内燃機関および前記排気熱回収装置を含む循環流路内で循環させる冷却装置と、走行用の動力を出力可能な電動機と、前記電動機を駆動する電動機用インバータと、二次電池と、リレーを介して前記二次電池が接続されると共に前記電動ポンプが接続された電池電圧系と前記電動機用インバータが接続された駆動電圧系とに接続されて前記駆動電圧系の電圧を前記電池電圧系の電圧以上の範囲内で調節すると共に前記電池電圧系と前記駆動電圧系との間で電力のやりとりを行なう昇圧コンバータと、前記駆動電圧系に取り付けられたコンデンサと、を備えるハイブリッド自動車において、
    イグニッションオフされたときに前記排気熱回収装置の冷却が要求されているとき、前記コンデンサの電圧が前記二次電池の電圧以上のときには前記リレーがオフの状態で前記コンデンサの電荷を前記昇圧コンバータを介して用いて前記電動ポンプが駆動されるよう前記電動ポンプと前記昇圧コンバータと前記リレーとを制御し、前記コンデンサの電圧が前記二次電池の電圧未満のときには前記リレーがオンの状態で前記二次電池の電力を用いて前記電動ポンプが駆動されるよう前記電動ポンプと前記リレーとを制御する制御手段、
    を備えるハイブリッド自動車。
JP2011004653A 2011-01-13 2011-01-13 ハイブリッド自動車 Expired - Fee Related JP5699615B2 (ja)

Priority Applications (1)

Application Number Priority Date Filing Date Title
JP2011004653A JP5699615B2 (ja) 2011-01-13 2011-01-13 ハイブリッド自動車

Applications Claiming Priority (1)

Application Number Priority Date Filing Date Title
JP2011004653A JP5699615B2 (ja) 2011-01-13 2011-01-13 ハイブリッド自動車

Publications (2)

Publication Number Publication Date
JP2012144169A true JP2012144169A (ja) 2012-08-02
JP5699615B2 JP5699615B2 (ja) 2015-04-15

Family

ID=46788211

Family Applications (1)

Application Number Title Priority Date Filing Date
JP2011004653A Expired - Fee Related JP5699615B2 (ja) 2011-01-13 2011-01-13 ハイブリッド自動車

Country Status (1)

Country Link
JP (1) JP5699615B2 (ja)

Cited By (1)

* Cited by examiner, † Cited by third party
Publication number Priority date Publication date Assignee Title
WO2020240148A3 (en) * 2019-05-28 2021-07-08 Sanjay Gupta Temperature controlled battery pack bath tub (bpbt), and a method of protecting a large battery pack from thermal stresses

Citations (4)

* Cited by examiner, † Cited by third party
Publication number Priority date Publication date Assignee Title
JP2003230269A (ja) * 2002-01-30 2003-08-15 Toyota Motor Corp 負荷駆動装置、放電制御方法および放電制御をコンピュータに実行させるためのプログラムを記録したコンピュータ読取可能な記録媒体
JP2008232004A (ja) * 2007-03-20 2008-10-02 Toyota Motor Corp 内燃機関の制御装置
JP2008239014A (ja) * 2007-03-28 2008-10-09 Toyota Motor Corp ハイブリッド車両の制御装置
WO2010058768A1 (ja) * 2008-11-18 2010-05-27 住友重機械工業株式会社 作業機械

Patent Citations (4)

* Cited by examiner, † Cited by third party
Publication number Priority date Publication date Assignee Title
JP2003230269A (ja) * 2002-01-30 2003-08-15 Toyota Motor Corp 負荷駆動装置、放電制御方法および放電制御をコンピュータに実行させるためのプログラムを記録したコンピュータ読取可能な記録媒体
JP2008232004A (ja) * 2007-03-20 2008-10-02 Toyota Motor Corp 内燃機関の制御装置
JP2008239014A (ja) * 2007-03-28 2008-10-09 Toyota Motor Corp ハイブリッド車両の制御装置
WO2010058768A1 (ja) * 2008-11-18 2010-05-27 住友重機械工業株式会社 作業機械

Cited By (1)

* Cited by examiner, † Cited by third party
Publication number Priority date Publication date Assignee Title
WO2020240148A3 (en) * 2019-05-28 2021-07-08 Sanjay Gupta Temperature controlled battery pack bath tub (bpbt), and a method of protecting a large battery pack from thermal stresses

Also Published As

Publication number Publication date
JP5699615B2 (ja) 2015-04-15

Similar Documents

Publication Publication Date Title
CN105539155B (zh) 混合动力车辆
US20180126840A1 (en) System and method for controlling motor temperature for green car
JP6128155B2 (ja) ハイブリッド自動車
JP6380437B2 (ja) ハイブリッド自動車
JP2014184910A (ja) 車両の制御装置
JP5382232B2 (ja) エンジンの制御装置および制御方法
JP2018135078A (ja) ハイブリッド自動車
JP2014080190A (ja) 車両、エンジンの制御方法およびエンジンの制御装置
JP6428526B2 (ja) ハイブリッド自動車
JP2009040322A (ja) ハイブリッド車両の制御装置
JP2012165588A (ja) 冷却システム
JP5699615B2 (ja) ハイブリッド自動車
JP5549730B2 (ja) ハイブリッド車の制御装置、ハイブリッド車の制御方法およびハイブリッド車
JP2014183718A (ja) 駆動装置およびこれを搭載する車両
JP5834452B2 (ja) 冷却系の異常判定装置
JP7124722B2 (ja) ハイブリッド自動車
JP2016084062A (ja) ハイブリッド自動車
JP2014189252A (ja) 車両の制御装置
JP6591872B2 (ja) 自動車
JP6531515B2 (ja) ハイブリッド自動車
JP2012228902A (ja) 車両の制御装置
JP7703939B2 (ja) ハイブリッド車
JP2012192769A (ja) 電動車両
WO2012114504A1 (ja) 車両、車両の制御方法および制御装置
JP2014184775A (ja) ハイブリッド自動車

Legal Events

Date Code Title Description
A621 Written request for application examination

Free format text: JAPANESE INTERMEDIATE CODE: A621

Effective date: 20130924

A977 Report on retrieval

Free format text: JAPANESE INTERMEDIATE CODE: A971007

Effective date: 20140424

A131 Notification of reasons for refusal

Free format text: JAPANESE INTERMEDIATE CODE: A131

Effective date: 20140507

TRDD Decision of grant or rejection written
A01 Written decision to grant a patent or to grant a registration (utility model)

Free format text: JAPANESE INTERMEDIATE CODE: A01

Effective date: 20150120

A61 First payment of annual fees (during grant procedure)

Free format text: JAPANESE INTERMEDIATE CODE: A61

Effective date: 20150202

R151 Written notification of patent or utility model registration

Ref document number: 5699615

Country of ref document: JP

Free format text: JAPANESE INTERMEDIATE CODE: R151

LAPS Cancellation because of no payment of annual fees